8090 - Tracteur FIAT - Notice d'utilisation et mode d'emploi gratuit
Retrouvez gratuitement la notice de l'appareil 8090 FIAT au format PDF.
| Modèle | FIAT 8090 |
| Type de véhicule | Tracteur |
| Puissance moteur | Environ 90 ch |
| Type de moteur | Moteur diesel |
| Nombre de cylindres | 4 cylindres |
| Transmission | Manuelle |
| Poids | Environ 3 500 kg |
| Dimensions | Longueur : 4 000 mm, Largeur : 1 800 mm, Hauteur : 2 300 mm |
| Capacité du réservoir de carburant | Environ 80 litres |
| Utilisation recommandée | Travaux agricoles, transport, travaux de terrain |
| Entretien régulier | Vérification des niveaux d'huile, filtre à air, et entretien du système de refroidissement |
| Consignes de sécurité | Porter des équipements de protection individuelle, vérifier les freins avant utilisation |
| Garantie | Vérifier auprès du concessionnaire |
FOIRE AUX QUESTIONS - 8090 FIAT
Questions des utilisateurs sur 8090 FIAT
0 question sur cet appareil. Repondez a celles que vous connaissez ou posez la votre.
Poser une nouvelle question sur cet appareil
Téléchargez la notice de votre Tracteur au format PDF gratuitement ! Retrouvez votre notice 8090 - FIAT et reprennez votre appareil électronique en main. Sur cette page sont publiés tous les documents nécessaires à l'utilisation de votre appareil 8090 de la marque FIAT.
MODE D'EMPLOI 8090 FIAT
Avec un chiffre d'affaires net consolidé, en 1983, de 21.243 milliards de lires, et 243 mille employés, le groupe FIAT se place en 1^re position en Europe et à la 8^e place sur le plan mondial, en excluant les sociétés petrolières (classement de « Fortune » 1982).
Il travaille dans 18 pays avec 210 installations de production directe, en coopération et sous licence.
La Fiat Automobiles est la première en Europe avec une part du marché de 12.8% .
I'veco, à 100% du groupe Fiat, est second en Europe dans le domaine des vehicules de transports et troisieme mondial pour la production de moteurs Diesel.
Directement ou au travers des 650 sociétés alliées ou contrôlees, le Groupe Fiat opère dans les domaines des moyens et systèmes de production, des composants, des engins de travaux publics, du génie civil, des sytèmes ferroviaires, des télécommunications, de la recherche Médicale, des moteurs à réaction, des turbines à gaz, du tourisme et des transports etc...
Pour la recherche et le développement, le Groupe Fiat a investi en 1983, 550 milliards de lires ce qui correspond à 2,6% de son chiffre d'affaires.
Fiatagri, qui regroupe l'ensemble des activités de Fiat pour l'agriculture, se place en troisième position par l'importance à l'intérieur du Groupe, après l'automobile et les vehicules industriels.


FIATAGRI
Premier constructeur mondial de tracteurs à chenilles pour l'agriculture, premier constructeur mondial de tracteurs à 4 roues motrices.
Depuis des années premier pour les ventes en Europe; aujourd'hui avec 15% de déténération.
En 1983, avec plus de 82.000 unités produites (tracteurs complets et corps séparés) il se confirme leader de niveau mondial avec de notables parts de marché dans presque tous les plus importants pays des autres continents.
Fiat Trattori a une seule passion, une seule mission, un seul but: la mise en projet et la production des tracteurs. Voici pourquoi Fiat Trattori continuera à asseoir davantage sa position de leader mondial dans ce secteur, il est et restera un spécialiste.
F I A T
Trattori


FIATAGRI
Un des principaux constructeurs mondiaux de moissonneuses-batteuses, avec une experience de plus de 100 ans de la machine agricole et une vocation au service de l'agriculture.
Societe integree a Fiat qui lui assure la puissance financiere et les ressources vitales sur le plan industriel. Premier constructeur mondial de moissonneuses-batteuses type "coteaux".
Il détient en Europe 10% du marché total de moissonneuses-batteuses et est present avec des pénérations substantielles dans la plupart des marchés extra-europeens. En Italie il domine le marché avec environ 50% de pénetration.
Laverda aussi a un seul but, une seule vocation, une seule passion: étudier et construire des moissonneuses-batteuses. Voilà pourquoi Laverda est et sera toujours un grand spécialiste.
LAYERDA


FIATAGRI
Société fondée au Kansas, U.S.A., dont Fiat détient la majorité des actions. Hesston, à Coex en France, intégrée à Fiat, collaboire avec Hesston U.S.A. au niveau des études pour garantir des machines adaptées aux exigences européennes, et constitue une base valable de produits pour éviter à la clientèle des coûts importants dus aux taux de change et des frais inutiles de transport. Fondée comme experte de matériel de récolte de foin et de fourage, elle a atteint en peu d'années une notable part de marché dans tous les plus importants pays du monde à fortetendance d'élevage.
Hesston née comme « le maître du fourage » est et restera un grand spécialiste.
HEsSTON


Trattori
70-90 80-90
UTILISATION - ENTRETIEN - CHARACTERISTIQUES

SOMMAIRE
Page
Service après-vente 4
Important 6
Identification du tracteur 7
Pour travailler en sécurité 8
Commandes et instruments 15
Regles d'utilisation 20
Guide d'utilisation du releavage hydraulique 31
Quand effectuer I'entretien 49
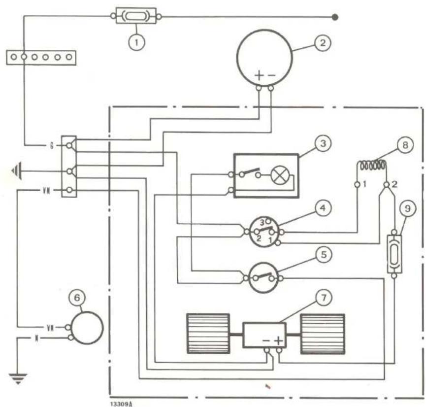
Installationelectrique 56
Scheme de l'installation electrique 59
Charactéristiques 59
Tracteurs 70-90 DT et 80-90 DT 65
Tracteur à "20 vitesses" 70
Tracteur avec inverseur 72
Tracteur DT avec groupe No-Spin 73
Tracteur avec cabine comfort chauffée et ventilée 77
Tracteur avec cabine superconfort chauffee et ventilée 83
Tracteur avec cabine superconfort climatisée 91
Longue inactivité du tracteur 98
Table des matieres 99
Planche d'entretien général (POCHETTE INTérieURE de la couverture)
Organisation, pieces de rechange et assistance après-vente, toujours proche de l'exploitant
Quand on achete une machine agricole Fiatagri, on achete aussiquelque chose qu'on ne voit pas,mais dont on pourra apprecier a I'avirn les avantages: une grandeorganisation efficace pour I'assistance après-vente et ladistribution de pieces de rechange. Dans le Centre de Pieces de Rechange de San Matteo Modene, un complexe tres moderne qui dispose de 21.600 m² de surface couverte equipope desystèmes electroniques de
manutention et de prélevement, sont stockés plus de 60.000
références pour un total de 21
millions de pieces. Ce Centre est à même de satisfaire 3.000
demandes par jour. À l'efficacité de l'organisation et à la vitesse du
service vient s'ajouter la qualite supérieure des pieces de rechange d'origine Fiatagri, une qualite qui maintaininchangée avec les années la valeur des machines agricoles Fiatagri.


Service après-venture
FIAT AGRI a organise à votre intention un vaste réseau Àprese-Vente, avec des ateliers parfaitement équipés pour l'execution du tout travail de réparation et de révision. Addresz-vous à ces ateliers en toute confiance: vous y trouvez un personnel hautement
qualifié, en mesure de vous fournir toute l'assistance qu'il vous faut.
Fiat Trattori est toujours à votre entière disposition pour vous aider à résoudre tous les problèmes inherents au fonctionnement ou à l'utilisation de votre tracteur.
Garantie
L'obtention de la garantie est subordonnée à l'application des prescriptions d'entretien de ce livre Pour les détails des conditions generales de garantie, se reporter à la documentation pour chaque pays.
Pièces de rechange
Pour la garantie d'un parfait fonctionnement de tous les organes du tracteur, utiliser exclusivement les pieces d'origine FIAT.
Pour la commande des pieces, spécifier (page 7);
Le modele du tracteur et le N^g de chassis.
Le type et le N^0 du moteur.
Le N' du catalogue des pieces demandées.
Important
Dans la conception et la construction de ces tracteurs, un des critères essentiels a été la simplicité d'entretien.
Les indications containes dans ce livre sont un guide pour vous rappeler que le tracteur nécessite de ces petites interventions propres à en garantir le bon fonctionnement.
Ne pas oublier que le temps nécessaire à cet entretien allonge la vie de votre tracteur.
Portez plus particulièrement donne attention sur l'importance des instructions relatives au filtrage du combustible, à l'entretien du filtré à air et au graissage: négliger l'épuration du combustible conduit, automatiquement, à une déterioration rapide de l'appareillage d'injection; ne pas se préoccuper du filtré à air peut signifier l'usure accélérée du moteur.
En ce qui concerne la lubrification, il est nécessaire de se rendre compte que changer l'huile après 200 heures de travail équivaut pour un camion à une vidange après 8000 à 9000 km de marche.
IMPORTANT
Les tracteurs 70-90, 70-90 DT, 80-90, 80-90 DT sont dotés d'un grand nombre d'équipements assurant à la fois commodité d'emploi et sécurité. Il s'agit, entre autres:
Des freins à disques à bain d'huile et à commande hydraulique.
De la commande hydraulique de frein de remorque totalement independante.
De la commande de frein a main agissant sur un mecanisme loged dans le carter de transmission et independent des freins a pied.
De la direction hydrostatique assurant une conduite trèsouple.
EN CE QUI CONCERNE LA DIRECTION HYDROSTATIQUE, il est impératif d'observer strictement les préconisations d'entretien, aux intervalles prévus sur le tableau inséré dans cette notice.
En outre, il est recommande de s'assurer regulierement du bon etat des circuits, et particulierement des flexibles de liaison entre verin, reservoir et boitier de direction.
ATTENTION: SIGNAlez Toute ANOMALIE SUR CE DISPOSITIF A VOTRE CONCESSIONNAIRE; N'INTERVENEZ PAS VOUS-MEME!

Type et numero du chassin.
Identification du tracteur
Plaque du constructeur
Type et numero du moteur

Pour travailler en sécurité
ATTENTION A CE SYMBOLE
Il signale l'existence d'un danger potentiel pour la santé et la sécurité personnelle et met en evidence les précautions à prendre pour travailler en sécurité. Il signifie:

ATTENTION- SOYEZ PRUDENT CECI CONCERNE VOTRE SECURITE

Lisez et respectez également toute autre règle de sécurité précédée des mots-clés ATTENTION et DANGER
REMARQUES GENERALES
Dans l'étude de ce tracteur, tout a été fait pour rendre plus sur votre travail. La prudence est de toute façon irreplacable, il n'y a pas de règle meilleure pour éviter les accidents. Au moment de l'accident il est trop tard de se rappeler ce qu'on aurait dû faire.
Ne pas oublier que le tracteur a eté concu principalement pour des utilisations agricoles. Pour tout autre travail, demanderAAParavant conseil au constructeur.
Lire attentivement cette notice avant de proceder à la mise en marche, à l'utilisation, à l'entretien, au ravitallement en combustible ou à d'autres opérations sur le tracteur. Quelques minutes consacrées à la lecture économique sur du temps et de la fatigue.
Lire toutes les décalcomanes de sécurité apposées sur la machine et en respecter les prescriptions avant de démarrer, manoeuvrer, faire les pleins ou effectuer l'entretien du matériel. Remplacer immidiatement celles abimées ou disparues.
Le tracteur doit être utilisé exclusivement par des personnes responsables, préalablement instruites sur l'emploi de l'engin et autorisées à s'en servir.
Il est conseilé d'avoir toujours à portée de la main une trousse de premier secours.
Ne pas porter de vêtements flottants pouvant être facilement saisis par les pieces en mouvement. Verifier que tous les organes tournants entrainés par l'arbre de prise de force sont correctement protégés.

Ne pas modifier le tarage du régulateur de vitesse du moteur dans l'intention d'augmenter le régime maximal.
Ne pas modifier le tarage des soupapes de sécurité des divers cir-cuits hydrauliques (direction hydro-statique, releavage hydraulique, distributeurs auxiliaires etc.).
Eviter d'utiliser le tracteur dans de mauvaises conditions, il vaut mistroux interrompree le travail.
Monter ou descendre du tracteur en utilisant les échelles et les points d'appui.
Toujours travailler avec le cadre ou la cabine de sécurité correctement montée sur le tracteur; vérifier périodiquement que les fixations sont correctement serrées et que les structures ne doivent pas de fissures ou de déformations provoquent par des chocs accidentels. Ne pas modifier le cadre par soudage de pieces, perçage etc., pour ne pas ALTERER la rigidity de la structure de sécurité.
DEMARRAGE DU TRACTEUR
Avant de metre le moteur en marche, s'assurer que la boite de viceses et la prise de force sont au point mort, meme si le tracteur est muni d'un dispositif de sécurité de demarrage.
Ne jamais exclore le contacteur de sécurité de démarriage. En cas de panne de celui-ci, s'adresser à des spécialistes pour la remise en état.
S'assurer que les outils reposent sur le sol.
Vérifier que toutes les protections et carters prévus sont correctement montés (cadre ou cabine de sécurité, flancs de capotage, protection de la prise de force, protection de l'arbre de transmission du pont avant, etc.).
Ne pas essayer de demarrer ou de manoeuvrer le tracteur sans eteassis au poste de conduite.
Avant demettreletracteur en route,sassurer tousqu'ilny a personne ni d'obstacle aproximite.

Ne pas laisser fonctionner le moteur dans un local fermé, si ce dernier ne dispose pas d'un système convenable de ventilation; les gaz d'échéppement sont nocifs pour la santé et ils peuvent même s'avérer mortels.

UTILISATION DU TRACTEUR
Selectionner toujours les voies assurant la(Meilleure)stabilité du tracteur en rapport avec le travail a effectuer.
Embrayer progressivement, un embrayage brutal, spécialement en cote ou sous charge, peut cause der dangereux cabrages du tracteur. Debrayer immeditatement lorsque les roues avant tendent a se soulever du sol.


Ne jamais rouler en descente avec la boite de vitesses non en prise ou en débrayant la transmission.
Tracteur en marche, l'opérateur doit être correctement assis au poste de conduite.
Ne monter ni descendre du tracteur en marche.
Si on doit utiliser les freins, appuyer progressivement sur les pê-dales.
Ne pas aborder les virages à vitesse elevée.
Utiliser toujours le tracteur à la vitesse de sécurité permise par la configuration du terrain où le tracteur travaille. Sur les terrains accidentes, proceder avec la plus grande attention de manière à assurer une stabilité correcte.
Lors de travaux en declivite, par exemple a flanc de colline, utiliser une vitesse moderée rundout dans les virages.
Prendre le maximum de précautions lors de travaux à proximé du bord d'un fossé ou d'une falaise.


Ne jamais transporter de passagers, même à l'intérieur de la cabine, à moins que le tracteur dispose d'un siege supplémentaire.
Pendant le transport sur route ouverte à la circulation, respecter les normes du code de la route.
Pendant la marche, ne pas laisser les pieds sur les pédales de freins et d'embrayage.
Sur route, relier les pédales de freins au moyen de la languette prévue à cet effet. En freinant avec les pédales non reliées on peut provoquer le déport du tracteur. Ne pas abuser de l'utilisation des freins, se servir du frein moteur.
Pour garantir la stabilité du tracteur pendant la marche, régler correctement le dispositif d'attelage en fonction de l'appareil à remorquer ou de l'outil à trainer (voir "Attention" page 45).
Proceder lentement pour tracter des charges tres lourdes.
Par sécurité, ne pas trainer de remorques dépourvues de freins.
Quand le tracteur est utilisé pour trainer des charges lourdes, utiliser toujours la barre d'attelage; éviter l'accrochage au bras de poussée et aux bras de traction du releavage, ce qui risquerait de provoquer le cabrage du tracteur.
Ne pas aborder de courbes, le différentiel bloqué, pour éviter de manquer le virage. Avant d'obliquer, réduire la vitesse.

UTILISATION DES OUTILS ET MACHINES AGRICOLES
Ne pas atteler d'outils ou de machines demandant une puissance supérieure à celle du tracteur.
Ne pas effectuer de virages serrés avec la prise de force sous forte charge, pour ne pas endommager les joints à cardans de l'arbre de transmission relié à la prise de force.
Lorsqu'on attelle un outil ne jamais se mettre entre celui-ci et le tracteur pendant la manoeuvre.

Ne jamais faire fonctionner la prise de force accouplée à un outil sans avoir d'abord vérifié que personne ne se trouve sur la machine ou à proximé.
S'assurer également que toutes les pieces en mouvement sont bien protégées.
En cas de montage d'un apparéil de levage à l'avant, ajouter des masses d'alourissement à l'arrêté du tracteur.
ARRÉT DU TRACTEUR
Lorsque le tracteur est en stationnement, ne jamais laisser l'outil attelé relevé.
Avant de quitter le poste de conduite, amener le levier des vitesses au point mort, decraboter la prise de force, serrer le frein a main, arreter le moteur et enclencher une vitesse.
De plus, lorsque le tracteur est laissé sans surveillance, emporter toutes la clé de contact.
Garer si possible le tracteur sur terrain plat, engager une vitesse et bloquer le frein a main. Sur terrain en pente, après avoir bloqué le frein a main, enclencher la première marche avant en montée, ou la première marche arrêté en descente.
Pour plus de sécurité, utiliser aussi la cale d'arrêt (sur demande), sur tout lorsque le tracteur est attelé à une remorque.


ENTRETIEN DU TRACTEUR
Retirer le bouchon du radiateur seulement lorsque le moteur est suffisamment refroidi; moteur arrêté, tourner lentement le bouchon et décharger la pression avant de le reliérer complètement.
Avant d'intervenir sur n'importequel composant de l'installationelectrique,debrancher le cable demasse de la batterie.
AVERTISSEMENT
Certaines illustrations de cette notice ont ete obtenues en photographant des prototypes. Les tracteurs de fabrication standard peuvent differer par quelques details.
Avant de débrancher des tuyauteries, s'assurer que l'installation n'est pas sous pression.
Une fuite d'huile sous pression peut provoquer de graves lésions, c'est pourquoi, lors de la recherche de fuites éventuelles, on doit se prémunir contre les accidents à l'aide d'écran, lunettes, gants.


Avant de permettre aquelqu'un d'examiner, nettoyer, regler ou effctuer I'entretien du tracteur ou de tout outil attelé a ce dernier, s'assurer toujours que le moteur est arrêté, la boîte au point mort, les freins serrés, la prise de force décrabotée et toutes les autres pieces en mouvement arrêtées.
Ne pas intervenir sur les pneumatiques à moins de-disposer de l'outillage prevu et de I'experience nécessaire. Un montage incorrect peut comprometter sérieusement votre sécurité.Dans le doute, faire appel a un personnel qualifie.

ATTENTION
Certaines photographies de cette notice représentent des panneaux ou des couvercles déposés pour des raisons de clarté.
Ne jamais utiliser le tracteur sans les panneaux ou avec des couvercles démontés.
Ne pas remplir entiement le réservoir si le tracteur doit travailler en plein soleil: le combustible peut en sortir en s'ependant. Dans ce cas essuyer immidiatement toute tache.
Le combustible peut etre dangereux: ne jamais faire le plein du reservoir moteur en marche, moteur chaud, pres d'une flamme ou cagarette a la bouche.
Garder tous uns un extincteur a portee de la main.


COMMANDES ET INSTRUMENTS DE CONTROLLE
- Tableau de bord (voir page 19).
- Pedale de commande d'embrayage de boite de vitesses.
- Leviers de réglage de la distance du siècle par rapport aux commandes (voir page 48).
- Levier de commande de l'embrayage de prise de force (voir page 24).
- Poignée de commande, de la prise de force (voir page 24).
-
Poignée de crabotage de la double traction (voir page 68).
-
Pouvoir de montée et de descente du releavage (Lift-O-Matic voir page 29).
- Commandes du releavage hydraulique (voir page 30).
- Levier de frein a main (avec poussoir de déblocage): en haut = frein bloqué; horizontal = frein desserré.
- Levier d'accelerateur du moteur.
REMARQUE
Pour débloquer le frein, dégager le levier 9 en appuyant sur le bouton.
- Levier du réducteur de gamme (voir page 23).
- Pedale de commande du blocage du différentiel.
- Pedale de commande de l'accelerateur.
- Levier changement de vitesses (voir page 23).
- Pedales de freins.
- Poignée ou levier de réglage du volant.
- Tablier des commandes (voir page 17).


Indicateur (rouge) de fonctionnement anormal de I'installation de charge de la batterie.
Doit s'eteindre des le demarrage du moteur.

Indicateur (rouge) de pression insuffisante d'huile de la lubrication moteur.
Doit s'eteindre quelques instants après le demarrage du moteur.
S'il reste allumé, moteur en marche, arrêté et en rechercher la cause. Moteur chaud et à bas régime, l'indicateur peut s'allumer également si tout est normal.

Indicateur (rouge) d'engagement du filtré à air sec.

Clignotant (rouge) pour frein a main serre.
Instruments du tableau de bord
REMARQUE
Pendant le travail, surveiller les données fournies par les indicateurs lumineux et les instruments de contrôle. En cas de mauvais fonctionnement, arreter immediatement le tracteur et prendre les dispositions nécessaires.

Indicateur (rouge) du niveau insuffisant de I'huile des freins.
Contrcler periodiquement l'efficacite de I'indicateur. Clé du commutateur B, page 19, en position 1, en apuyant sur le couvercle du réservoir de liquide des freins, l'indicateur doit s'allumer.

C. Commutateur d'éclairage.
Fonctionne avec le commutateur B (page 19) en position 1.
0 = Repos
1 = Mise en cir-
cuit des feux de position et predisposition pour projecteurs auxiliaires. 2 = Mise en circuit du commutateur A (voir page 19).

Commutateur des projecteurs auxiliaires.
Fonctionne avec le commutateur B en position 1 ou 2. 0 = Repos
1 = Mise en circuit du projecteurs arrêté du tracteur et des projecteurs de cabine avec leur féminin.
2 = Comme position 1 plus projecteurs avant de cabine.
CHECK
Poussoir de contrôle du niveau d'huile du moteur.
Tracteur a plat et moteur arrêté, appuyer sur le pouvoir pour contrôler le niveau d'huile du moteur. Si levoyant de côte s'allume, le niveau dans le carter est normal.

Indicateur (vert) de niveau d'huile moteur.
Il doit s'allumer chaque fois que I'on appuie le pouvoir CHECK pour contrcler le niveau d'huile dans le carter moteur.
Si I'indicateur reste eteint,faire le niveau et contrcler a nouveau.
Si tout est normal, levoyant doit s'allumer, en cas contraire, vérifier les contacts electriques et eventuellesment le bon factionnement du flotteur.

Indicateur de la températe d'eau de refroidissement du moteur.
Zone verte = temperature normal.
Zone blanche = temperature trop basse.
Zone rouge = temperature trop elevée.
Dans ce cas,mettre le moteur au regime minimal (ne pas l'arreter) et,sicela persiste,faire vérifier le circuit de refroidissement.

Indicateur (jaune) de blocage du différenciel.

Indicateur (jaune) des projecteurs auxiliaires allumés.

Pousoir de mise en circuit du thermostarter ou du start-pilote.
Fonctionne avec le commutateur B en position 1 (voir page 20).

Indicateur (jaune) de prise de force crabotée.

Indicateur (jaune) de la traction avant crabotée.
Horotachymetre (instrument central).
Indicateur du régime moteur et compteur d'heures muni d'un totalisateur à 5 chiffres: les chiffres sur fond noir totalisent les heures de travail et celui sur fond rouge (tout à fait à droite) les dixieme s'heures.
Les évventuels secteurs vert et rouge sur l'horotachymètre indiquent respectivement le nombre de tours moteur correspondant aux régimes unifiés de la prise de force à 540 et 1000 tr/mn.

Indicateur de niveau de combustible du réservoir.
Reservoir plein, laiguille se deplace a droite. Lorsque la quantite de combustible est inférieure a 1/4, laiguille se deplace dans la zone rouge.

Indicateur (jaune) de colmatage du filtré decanteur de combustible.

Témoin (vert) des feu des position allumés.

Témoin (bleu) des projec-teurs avant en phares.

Témoin (vert) des indicateurs de direction du tracteur.

Témoin (vert) des indicateurs de direction de la 1ère remorque.

Témoin (vert) des indicateurs de direction de la 2ème remorque.

Nonutilise.

Nonutilise.

Nonutilise.
Tablier des commandes

A. Commutateur des feuels de direction, éclairage en codes et en phares (fonctionne avec commutateur B en position 1 page 20):
en bas indicateurs de direction cote droit;
en haut =indicateurs de direction cote gauche;
en appuyant = avertisseur sonore.

Avec poussoir C page 17, en position 2:
- à droite = projecteurs en codes;
- à gauche = projecteurs en phares.
B. Commutateur de démarrage (voir page 20).
C. Prise de courant unipolaire.
D.Allume-cigares.Fonctionne seulement avec le commutateur B en position 1 page 20).Le
voyant lumineux fonctionne lorsque le commutateur C, page 17, est en position 1.
E. Pousoir de mise en circuit des feux de détresse avec témoin lumineux de fonctionnement.
Fonctionne aussi sans la clé du contacteur B.
Pour faire fonctionner les yeux de détresse, pousser; pour les arrêtier, pousser une seconde fois.
F. Boite à fusibles (voir page 56).

Commutateur de démarrage
- Aucun circuit sous tension (la clé peut s'enlever). Arrêt du moteur: mise en circuit automatique du dispositif d'annulation du début de la pompe d'injection.
- Prédisposition au démarrage du moteur. Fonctionnement des mémoins et instruments de contrôle. Appareils divers sous tension.
- Demarrage du moteur (la clé, quand on la relâche, revient automatiquement en position 1).
P. Feux de stationnement allumés.
Eclairage allume-cigares, tableau de bord, commutateur des projecteurs (la clé peut s'enlever).
REGLES D'UTILISATION

ATTENTION

- Ne pasmettre en marche et ne jamais faire fonctionner le tracteur dans un local fermé.
Avant de mettre le moteur en marche, s'assurer que toutes les commandes sont au point mort.
Toutes les commandes doivent etre actionnées uniquement depuis le poste de conduite. - Arreter le moteur avant d'effectuer toute intervention ou entretien sur le tracteur.
- Utiliser l'échelle pour monter et descendre du tracteur.
Maintenir les protections correctement montées.
Pendant les déplacements, signaler son intention de s'arreter, de tourner ou de ralentir.
Utiliser les dispositifs de sécurité appropriés pour signaler tout vehicule se déplacant lentement.
DEMARRAGE DU MOTEUR
a. Avant le démarrage, avec le commutateur de démarriage en position 1, tracteur sur terrain plan et moteur arrêté, contrôle le niveau d'huile du moteur (voir page 17).
b. Si le tracteur est resté inactif pendant une longue période ou si l'on effectue le premier démarriage à basse température ambiente, actionner une vingtaine de fois le levier d'amorcege de la pompe d'alimentation et faire tournier le moteur pendant 5 à 10 secondes avec la pompe d'injection en position de "stop".
c. Abaisser la pedale d'embrayage pour fermer l'interrupteur du dispositif de sécurité de demarrage.
d. Mettre le levier d'accelerateur a mi-course environ.
e. Tourner la clé du commutateur de démarrage dans la position 2. A peine le moteur lancé, faiser revenir la clé.
Démarrage et arrêt
AVERTISSEMENT
Par basse température ambiante et moteur froid, avant de procéder au démarrage, recouvrir le radiateur de façon appropriée, afin de permettre au liquide de refroidissement du moteur d'atteindre rapidement la température normale. Retirer ensuite progressivement la protection.
De plus, tener compte des remarques suivantes:
— ne pas prolonger au dela de 15 secondes chaque tentative de démarrage; si toutefois le moteur semble pret à démarrer, prolonger la tentative jusqu'à 30 sec. au maxi;
-
attendre au moins une minute entre chaque tentative de démarrage;
-
il est conseilé de ne pas dépasser six tentatives de démarrage pour ne pas décharger excessivement la batterie.
DEMARRAGE PAR BASSE TEMPERATURE AMBIANTE
Tracteur équipé du thermostarter
Effectuer les opérations a, b, c, d, décrites page 20.
Tourner la clé du commutateur de démarrage dans la position 1.
-
Mettre en circuit le thermostarter en appuyant sur le pousoir (page 18) et en le maintainant en circuit pendant 10 à 15 secondes.
-
Mettre la clé du commutateur de démarrage dans la position 2 en maintainant le pouvoir appuyé pendant à nouveau 10 à 15 sec.
Lorsque le moteur est lance, l'acier aussi bien la clé que le pousoir. Si après deux ou trois tentatives de démarrage le moteur ne démarre pas, et si on remarque de la fumée noire à l'échéppement, lancer le moteur sans utiliser le thermostarter.
Tracteur equipe du start-pilote
Le start-pilote fonctionne seulement lorsque le démarre tourne.
Demarrer de la façon suivante:
Effectuer les opérations a, b, c, d, décrites à la page 20.
Tournier la clé du commutateur de démarrage dans la position 2.
- Mettre en circuit le start-pilote en appuyant sur le pousoir (page 18).
Lorsque le moteur est lance, I'cher aussi bien la clé que le poussoir.
ATTENTION
Utiliser le start-pilote seulement lorsque cela est indispensable (température inférieure à -15°C). Le démarriage avec start-pilote se fera à la première tentative: lorsque le moteur ne part pas il est conseilé de ne pas repeter l'opération et s'adresser à un personnel spécialisé.
DEMARRAGE DU TRACTEUR
Appuyer sur la pédale d'embrayage moteur-boîte et déplacer les leviers de changement de vitesses et de réducteur dans les positions de marche désirée (page 23).
— Accéléner le moteur.
- Abaisser le levier de frein à main et embrayer en relevant lentement la pedale d'embrayage.
ATTENTION
Eviter d'utiliser le tracteur à pleine puissance à vitesse inférieure à 7,3 km/h, c'est à dire en troisième vitesse de la gamme moyenne.
ARRET DU TRACTEUR
Réduire le régime du moteur.
Appuyer sur la pedale d'embrayage et freiner.
Tracteur arrêté,mettre les leviers de boîte de vitesses et de réducteur au point mort,lâcher la pédale d'embrayage et bloquer le frein à main.
ARRET DU MOTEUR
- Mettre la clé du commutateur de démarrage dans la position 0.
Moteur arrêté, tourner la clé du commutateur de démarriage dans la position 3 si l'on doit utiliser les veillées.
ATTENTION
Par température extérieure inférieure à 0^ , pour éviter une séparation des composants paraffiniques du gazole avec une diminution de fluidité et difficulté d'alimentation (principalément au démarrage), melanger au gazole un antigel "FIAT Diesel MIX" (ou autres produits similaires) dans les proportions indiquées sur l'emballage.
Le mélange de l'antigel FIAT "Diesel MIX" doit se faire avant l' apparition des phénomènes de séparation de la paraffine du gazole, une adjonction tardive n'aurait aucune efficacité pour un moteur déjà bloqué par le froid.
Introduire I'antigel dans le réservoir, puis le gazole.
FIAT "Diesel MIX" assure une alimentation optimale du moteur, sans en diminuer le rendement, jusqu'à une température de -20^ .
Boîte de vitesses et réducteur
La boîte de vitesses et le réducteur sont commandés par deux leviers séparés.
Le levier A de boite commande quatre rapport (1, 2, 3, 4).
Le levier B de réducteur fournit trois gâmes avant:
et une marche arrirée (R) pour chaque rapport de la boîte de vitesses.
On dispose ainsi de douze marches avant et de quatre marches arrière.
Pour passer d'une marche moyenne à une marche lente ou rapide, arrêté le tracteur, pousser à droite le levier du réducteur et le déplacer en avant pour obtenir les marches lentes et en arrrière pour les marches rapides.
Pour l'enclement de la marche arrriere R, arreter le tracteur et deplacer le levier du reducteur en arriere a gauche.
Quand on doit passer d'une vitesse à une autre dans la même gamme (marche arrière comprise) utiliser le levier de changement de vitesses après avoir débrayé (il n'est pas nécessaire d'arrête le tracteur, l'enclenchement étant facilité par des synchroniseurs).

Positions du levier du réducteur.

Gamme lente.

Gamme moyenne.

Gammarapide.

Gamme arrête.

A. Poignée de crabotage et de décrabotage de la prise de force.

Prise de force proportionnelle à l'avancement (poignée A en haut).

Prise de force décrabotée (poignée A en position intermédiaire).

Prise de force independante (poignee A en bas).
Prise de force
La prise de force recoit le mouvement directement du moteur: c'est pourquoi on peut l'utiliser aussi bien le tracteur à l'arrêt qu'en marche. Son fonctionnement est totalement independant de l'avancement du tracteur, on peut:
-
arrête le tracteur sans arreter la prise de force (en débrayant l'avancement):
-
arrêter la prise de force sans arrêter le tracteur (en débrayant la prise de force).
Pour faire fonctionner la prise de force:
— débrayer en déplacant le levier B vers le haut;


B. Levier d'embrayage de la prise de force.
Position démbrayée.

Position embrayee.
— après quelques instants pousser vers le bas la poignee A;
— embrayer la prise de force douce-ment en portant le levier B en position basse.
L'embout cannelé tourne dans les sens horaire, tracteur vu de l'arrière.


Régime moteur.
Régime prise de force.
REMARQUE
Pour débrayer la prise de force, tirer le levier B jusqu'au point d'enclenchement. Pour l'embrayer, débloquer le levier en poussant sur son pouvoir.
PRISE DE FORCE 540 tr/mn
On dispose d'un arbre de 136 à 6 cannelures. Avec cet embout ne pas dépasser le régime unifié de 540 tr/ mn, réalisable avec le moteur au régime de 2198 tr/mn.
DANGER
Avant d'intervenir sur toute machine actionnelle par la prise force, débrayer la prise de force (levier B en haut) et dispose la poignée A en position décrabotée, ou bien arrêté le moteur.
ATTENTION
Avant de taire fonctionner une machine entrainée par la prise de force, s'assurer que l'embrayage de sécurité de l'arbre de transmission de la machine fonctionne normalement, c'est-à-dire patine lorsqu'il est en surcharge.
ATTENTION
En cas d'utilisation à des régimes supérieurs à la vitesse unifiée de 540 tr/mn, se servir de l'embout 1 14 à 6 cannelures (à la demande), spécialement pour le modele 80-90. Se rappeler que avec le moteur tournant au régime de puissance maximale de 2500 tr/mn, la prise de force accomplit 614 tr/mn.


PRISE DE FORCE
540 et 1000 tr/mn (sur demande)
On dispose de deux embouts cannelles se fixant a l'arbre au moyen des écrous D page 25 (couple de serrage 162 m.N - 16,5 m/kg).
Selection du régime unifié de 540 tr/ mn en montant l'embout de 13% à 6 cannelures, en tirant en arrêté le levier C (page 25) et en portant le moteur à 2198 tr/mn.
Avec le moteur tournant à 2500 tr/ mn, la prise de force accomplit 614 tr/mn.
Selection du régime de 1000 tr/mn en montant l'embout 135 à 21 cannelures, en poussant en avant le levier C (page 25) et en portant le moteur à 2380 tr/mn. Avec le moteur tournant à 2500 tr/mn, la prise de force accomplit 1050 tr/mn.

ATTENTION
Utiliser la prise de force de 1000 tr/ mn seulement après avoir monté l'embout de 13% à 21 cannelures se trouvant dans le coffret a outils.

Plaquette de selection du régime de la prise de force (C, page 25).

ATTENTION
Lorsque la prise de force n'est pas utilisée ou bien lorsque outil attelé elle a eté décrabotée à l'aide de la poignée A, se rappeler demettre toujours le levier B en position basse.
Quand la prise de force n'est pas accouplée à des outils, monter tous jours le foureau de protection sur l'embout cannelé.
PRISE DE FORCE PROPOTIONNELLE A L'AVANCEMENT
Elle sert principalement pour actionner les remorques à essieu moteur. Les dimensions des pneumatiques et les rapportes de réduction de la remorque sonchoisis selon le nombre de tours accomplis par la prise de force.
Celle-ci recoit son mouvement de la boîte de vitesses: lorsque le tracteur est arrêté, la prise de force proportionnelle ne tourne pas; lorsqu'on passée d'une marche avant à une marche arrrière, le sens de rotation est inversé.
Avec n'importe qu'elle vitesse selec tionnee, I'embout cannelé accomplit 8,9 tours (prise de force 540 tr/mn) ou 15,2 tours (prise de force 1000 tr/mn) pour un tour de roue arriere. Pour l'enclencher, tirer en haut la poignee A page 24.
AVERTISSEMENT
Ne pas effectuer le crabotage de la prise de force proportionnelle à l'avancement avec le tracteur en marche.
Dans l'utilisation de remorques à essieu moteur, il est conseilé de se servir de la prise de force 1000 tr/mn.
VITESES DU TRACTEUR, EN KM/H, AVEC PRISE DE FORCE TOURNANT AUX REGIMES UNIFIES
| Vitesses | Prise de force à 540 tr/mn et moteur à 2198 tr/mn | Prise de force à 1000 tr/mn et moteur à 2380 tr/mn | ||||||
| PNEUMATIQUES ARRIERE | ||||||||
| Mod. 70.90 | Mod. 70.90/80.90 | Mod. 70.90 | Mod. 70.90/80.90 | |||||
| 16.9/14-30 | 13.6/12-38 | 18.4/15-30 | 16.9/14-30 | 16.9/14-30 | 13.6/12-38 | 18.4/15-30 | 16.9/14-34 | |
| 1ère Lente | 1,5 | 1,5 | 1,5 | 1,5 | 1,6 | 1,7 | 1,7 | 1,7 |
| 2ème | 2,3 | 2,4 | 2,4 | 2,4 | 2,5 | 2,6 | 2,6 | 2,6 |
| 3ème | 2,8 | 3,4 | 2,9 | 3,4 | 3,0 | 3,2 | 3,1 | 3,2 |
| 4ème | 4,4 | 4,7 | 4,6 | 4,7 | 4,8 | 5,1 | 5,0 | 5,1 |
| 1ère Moyenne | 3,4 | 3,7 | 3,6 | 3,7 | 3,8 | 4,0 | 3,9 | 4,0 |
| 2ème | 5,3 | 5,7 | 5,5 | 5,7 | 5,7 | 6,2 | 6,0 | 6,2 |
| 3ème | 6,5 | 7,0 | 6,8 | 7,0 | 7,0 | 7,5 | 7,3 | 7,5 |
| 4ème | 10,3 | 11,1 | 10,8 | 11,1 | 11,1 | 12,0 | 11,7 | 12,0 |
| 1ère Rapide | 8,1 | 8,7 | 8,5 | 8,7 | 8,7 | 9,4 | 9,2 | 9,4 |
| 2ème | 12,4 | 13,4 | 13,0 | 13,4 | 13,4 | 14,5 | 14,1 | 14,5 |
| 3ème | 15,2 | 16,4 | 16,0 | 16,4 | 16,5 | 17,8 | 17,3 | 17,8 |
| 4ème | 24,1 | 26,1 | 25,4 | 26,1 | 26,1 | 28,2 | 27,5 | 28,2 |
| 1ère AR | 3,8 | 4,1 | 4,0 | 4,1 | 4,1 | 4,4 | 4,3 | 4,4 |
| 2ème AR | 5,8 | 6,3 | 6,1 | 6,3 | 6,3 | 6,8 | 6,6 | 6,8 |
| 3ème AR | 7,1 | 7,7 | 7,5 | 7,7 | 7,7 | 8,3 | 8,1 | 8,3 |
| 4ème AR | 11,3 | 12,2 | 11,9 | 12,2 | 12,3 | 13,3 | 12,9 | 13,3 |
A. Variospeed (manette de contrôle de la vitesse de réaction).
Cette manette peut occuper quatre positions. Elle a pour effet de faire varier la vitesse d'intervention du relèvage lorsqu'on travaille en contrôle d'effort ou en contrôle mixte:
manette en avant (+) = reactions plus lentes du relevage (moindre sensibilité);
manette en arrête (-) = reactions rapides du releavage (plus grande sensibilité).
Une réaction lente a pour effet de reporter le maximum du poids de l'outil sur les roues arrrièrependant un temps plus long, augmentant ainsi notablement l'adherence dans les passages difficiles.
De plus, ces réactions plus lentes éliminent totalément les soubresauts qui pourrait être ressentis au niveau du conducteur.

VARIOSPEED EN ARRIERE (mini)
Le releavage hydraulique utilise pour son propre circuit l'huile de lubrification de la transmission et est alimenté par une pompé à engrenages actionné par le vilebreguin par l'intémediaire des pignons de la distribution.


VARIOSPEED EN AVANT (maxi)
Ce releavage qui contrôle les efforts sur les bras inférieurs au moyen d'une barre de flexion permet les utilisations suivantes:
position controle;
effort controlé;
position flottante;
contrôle mixte de position et d'effort,
et, par l'utilisation combinée des leviers D et E, le fonctionnement le plus apte au travail à effectuer.
En consultant le tableau "Guide d'utilisation du releavage" à la page 31, on en tire des conseils utiles sur le besoin du système à utiliser en fonction du type d'instrument employé,
POSITION CONTROLEE
- Mettre le levier de contrôle d'effort E à fond de course en avant.
- Stabiliser la position de l'outil dans ou hors du sol en déplacant le levier D en avant pour abaisser et en arrrière pour relever. Le déplacement de l'outil est proportionnel à la course effectuee par le levier.
- Se servir du pouvoir C pour relever et abaisser l'outil au commencement ou à la fin de chaque raie, sans intervenir sur les leviers de commande du releavage.

Pour les manoeuvres depuis le sol, utiliser le levier B de commande de position, indiqué à la figure:
en haut = releverage de bras; en bas = abaissement des bras.
DANGER
Lorsqu'on utilise le levierB, éviter absolument de se trouver ou que celui un se trouve dans le rayon d'action de l'outil attèle au releavage.
ATTENTION
Avec outils portés reliés à la prise de force, pour lesquels on utilise le Lift-O-Matic, régler les suspentes à leur longueur maximale pour éviter d'endommager l'arbre de transmission pendant le releavage.
C. Lift-O-Matic (poussoir de souvement total et d'abaisement des bras de relevage).
Position 1 = abaisement des bras;
Posizione 2 = soulevvement des bras.
Pour passer de la position 1 à la position 2, appuyer sur la touche de déblocage indiquée sur la figure.
Relevage hydraulique
EFFORT CONTROLE
-
Mettre le levier de contrôle de position D à fond de course en avant.
-
Enterrer l'outil à la profondeur désirée en déplacant graduèlement le levier E en avant. La profondeur atteinte par l'outil est proportionnelle à l'effort de traction déterminé par la résistance du terrain.
Le releavage dans cette condition d'utilisation maintient automatiquement constant l'effort de traction demandé au tracteur.

POSITION FLOTTANTE
Pour obtenir la position flottante du releavage, c'est-à-dire la libre oscillation des bras sur toute leur course,mettre les deux leviers D et E à fond de course en avant.
Le relevage sert uniquement a abaisser et a soulever l'outil au commencement et a la fin de chaque raie; a cet effet, agir seulement sur le pouvoir C comme décrit page 29.
D. Levier de contrôle de position.
E. Levier de contrôle d'effort.

CONTROLE MIXTE DE POSITION ET D'EFFORT
Enterrer l'outil et rechercher la profondeur de travail désirée comme décrit pour l'effort contrôle.
Lorsque l'outil s'est stabilisé à la profondeur voulue, déplacer progressivement en arrêté le levier de contrôle de position D jusqu'à ce que les bras de releavage tendent à se soulever.
Le releavage fonctionne en effort contrôle, mais en même temps évite que l'outil,,rentonant des zones de terrain de moindre constance,nes 'enterre excessivement et remonte de la terre improupe a la culture.
Pour relever et enterrer l'util à la fin et au commencement de chaque raie, agir uniquement sur le pouvoir C page 29.
REMARQUE
Ne pas utiliser les leviers D et E pour soulever et abaiser les outils, afin de ne pas modifier les conditions d'utilisation établies précédemment.
REMARQUE
Lors de transports sur route avec des outils atteles, devisser complètement la poignée F et maintainir le levier D en position haute (en haut), pour bloquer les outils dans la position désirée.
F. Poignée de réglage de la vitesse de descente des bras.
-en vissant (+) =vitesse plus rapide
—en dévissant (-) = vitesse plus lente

Guide pour l'utilisation du releavage hydraulique
Pouit l'utilisation du releavage hydraulique, nous vous considere de suive les indications reportees dans le tableau ci-dessous. Ces indications n'entant par aillelles valables qu'en prince, du fait que les differentes techniques de travail et les differantes caractéristiques des outils et du sol peuvent compenser, tour a tout, ces procadés que seule l'expérience peut vous apprendre.
| MACHINE OU OUTIL | Orifice d'attache bras pouss.(°) | Conditions d'utilisation | Roues de jauge | Position des limiteurs de débutement latéral | Posit. blocs limiteurs de débutement latéral (°) | NOTES | ||
| 8427 | 13354 | 980 | 1969 | 2233 | 12602 | 23 | ||
| Charrues à versoir: | ||||||||
| - monosoc, bisoc, trisoc (simple ou double) | 1 ou 2 | effort contrôle ou contrôle mixte | non | ■ | ■ | |||
| - quadrisoc-pentasoc | ||||||||
| Charrues à disques: | ||||||||
| - bidisque | 1 ou 2 | effort contrôle | non | ■ | ■ | |||
| - tridisque | ||||||||
| - quadridisque | ||||||||
| Hères sâmes, à dents et à disques | ||||||||
| Scarificateurs (sous-soleuse) | ||||||||
| Trancheuses | ||||||||
| Cultivateurs (de tout genre) | 1 ou 2 | effort contrôle | oui/non | ■ | ■ | |||
| Sarcleuses, butteuses, etc. | 1 ou 2 | effort contrôle | oui | ■ | ■ | |||
| Semoir porté, épandeur d'engrais porté | 1 ou 2 | position contrôle | oui/non | ■ | ■ | |||
| Lames nivelesues, tarières, raclettes, scra-pers, fourches à fumier, bennes arrêtere,etc. | 1 ou 2 | position contrôle | non | ■ | ■ | |||
| Fauchesses (laterales, arrêtere), râteaux-fa-neurs, faneuses, etc. | ||||||||
| Chargeur frontal, remorgue à benne bascu-lante, outils trainés à commande hydrau-lique | — | — | — | — | — | — | — | Les distribu-teurs auxiliaires sont nécessaires. |
| Tracteur en déplacement sans outils | — | — | — | — | ■ | ■ | ||
| Pour favoriser l'accouplément des outils | — | — | — | ■ | ■ | ■ | ||
(*) Le choix de l'orifice d'attache dépend des caractéristiques de la machine ou outil. — (●) Application à la demande à la place des limiteurs de débutment.
Course maximale au bout des bras de traction:
— avec les suspentes toutes allongées et brochéées aux trous B . . . . . . . . . . . . . . . . . . . . . . . . . . . . . . . . . . . . . . . . . . . . . . . mm 740
— avec les suspentes toutes allongées et brochéés aux trous C . . . . . . . . . . . . . . . . . . . . . . . . . . . . . . . . . . . . . . . . . . . . . . . . . . . . . . . . . . . . . . . . . . . . . . . . . . . . . . . . . . .

Charge maximale soulevable avec bras de traction horizontally et pour toute la course de releavage (suspentes brochées aux troucs C et axe broché au trou supérieur du support de 3e point):
- charge aux rotules des bras de traction . . . . kg 3500
- charge à 610 mm des rotules . . . . . . . . . . . . . . . . . . . . . . . . . . . . . . . . . . . . . . . . . . . . . . . . . . . . . . . . . . . . . . . . . . . . . . . . . . . - kg 2750
- charge à 1154 mm des rotules (mod. 70-90) kg 2130
- charge à 1226 mm des rotules (mod. 80-90) kg 2070
A. Trous à lumières des suspentes.
B. Trous avant de fixation des suspentes.
C. Trous arrirée de fixation des suspentes.
- Bras de poussée avec manchon de réglage de la longueur. 2. Axe d'attache du bras de poussée au support. 3. Suspente gauche. 4. Limiteurs de débattement lésral. 5. Bras de traction. 6. Suspente droite. 7. Levier de commande du releavage depuis le sol. 8. Manivelle de réglage de la sus pente droite, avec ressort de retenue.
Attelage des outils du relevage hydraulique (Catég. 2)
Bras de poussée régiable 1:
On le broche dans l'un des trois
trous, désirir le moyen adapté à la
taille de l'outil.
Suspente gauche 3: En regler la longueur en devissant ou en vissant l'extremite inférieure.

Liminleurs régibles 4 de débutement latorial des bras de traction:
On peut en regler la longueur en dévissant ou en vissant le manchon ou en variant la position de l'extremité avant.
Pour obtenir un réglage repondant aux exigences de l'outil utilisé, se rapporter au tableau «Guide pour l'utilisation du releavage» page 31.
Bras de traction 5 à extrémités téléscopiques (sur demande):
- débloquer les extrémités couillissantes F en tournant vers l'intérieur les chapes de maintien E;
-
tirer les embouts F et les accoupler à l'outil;
-
faire recycler le tracteur: les embouts téléscopiques rentrent en place et les chapes E se déclenchent automatiquement en position de verrouillage.
Suspente droite 6:
Réglable au moyen de la manivelle 8 manoeuvrable depuis de poste de conduite.
REMARQUE
Il est possible d'obtenir une certaine liberté de débutement transversal des bras de traction 5 (page 32) en brochant les axes inférieurs dans les lumières A. Cette solution est particulièrement indiquée dans l'utilisation d'outils très larges tels que femmes, cultivateurs, etc.
REMARQUE
Regler les limiteurs de débattement latorial 4, de façon à ce que les débattements latéraux soient inférieurs à 12 cm. d'amplitude maximale par cote.

POSITION DE MONTAGE DES BRAS DE TRACTION
Dans l'utilisation en effort contrôle ou a contrôle mixte, afin de réaliser une sensibilité meilleure du releavage en travaillant avec des outils légers, monter les bras de traction 5 (page 32) avec les entreprises 1 à l'intérieur par rapport aux bras.
En utilisant le tracteur dans des travaux normaux ou lourds, monter les
entretoises 1 à l'extérieur par rapport aux bras de traction.
Cette position à laquelle correspond une plus faible sensibilité du relevage, permettra de travailler à des profondeurs plus importantes.
Les figures ci-dessous montrent les positions les plus appropriées dans les deux types de travail.
REGLAGE DE L'ATTELAGE DES OUTILS AVEC BLOCSE LIMITATION DE DEBATTEMENT LATERAL
Avec les entreprises 1 en position A, monter les plaques 2 à l'intérieur des bras de traction sous les plaques d'usure. Avec les entreprises 1 en position B, monter les plaques 2 à l'estérieur des bras de traction.

Utilisation dans des travaux légers.

Utilisation dans des travaux normaux et lourds.

ATTELAGE D'OUTILS A ACCROCHAGE RAPIDE (sur demande)
ATTELAGE DE L'OUTIL
Bras de traction entierement abaisSES,regler la longueur des cables decommande A,de maniere a ce quilsne frrottent pas sur le sol quand ilssont fixes au tracteur.
Régler correctement la distance entre les crochets des bras de traction en vissant ou en dévissant la tige B du ressort limiteur de débutment.

DANGER

Avant de soulever l'outil, s'assurer que tous les crochets se sont dé-clenchés en position de verrouillage.
Monter les profils coniques de prise C sur les extrémités d'attelage de l'outil, comme indiqué sur la figure, en veillant à ce que l'espace libre pour les crochets de prise soit suffisant.
En cas d'utilisation d'outils 1re categorie, monter les bagues de réduction sur les tourillons de l'util.
Faire reculer le tracteur afin de le positionner par rapport à l'outil, et soulever les bras de traction: l'atte-lage de l'outil se fait automatique-ment. Abaisser alors l'outil.
Débloquer l'extremité du bras de poussée en tirant le cable vers l'arrière, puis atteler le bras à l'outil. Regler ensuite la longueur du bras en dévissant ou en vissant son manchon fileté.
REMARQUE
Ne pas dévisser davantage le manchon filtré lorsque la longueur dubras atteint 800 mm.

ATTENTION
Afin d'éviter le dételage accidentel de l'outil, monter une goupille elastique dans les trous de sécurité D des bras de traction.
DETELAGE DE L'OUTIL
Appuyer l'outil sur le terrain en faisant attention qu'il soit bien stable.
Dégager le bras de poussée en soulevant d'abord et en tirant ensuite le cable de commande.
Soulever l'outil, puis dégager les crochets de prise inférieurs en tirant les cables de commande A directement depuis le poste de conduite.
Abaisser les bras de traction jusqu'à ce que les crochets soient dégagés.




Distributeurs auxiliaires pour commande à distance
Un, deux, ou trois distributeurs auxiliaires qui utilisent la même huile que le releavage hydraulique, auquel ils sont accouplés, peuvent utiliser le tracteur pour la commande à distance des verins à simple et à double effet.
Chaque distributeur est muni d'un ou deux raccords fémelles à branchement rapide du type "Push-Pull" de 1 / 2 qui peuvent être accouplés à des raccords mâles à branchement sous pression, fournis en option.
Vouspouvezrelierlestuayateriesdesverinsauxiliairesd'uneseulemain.
Poussez pour les brancher et tirez pour les débrancher des raccords fénelles, seulement après avoir:
— arrêté le moteur;
- abaissé les outils évventuels reliés au releavage;
nettoyoe soigneusement les deux parties à brancher.
Pour commuter les distributeurs auxiliaires en:
Simple effect, desserre entierement la vis A pres de l'articulation du levier de commande du distributeur;
Double effect, serrer la vis à fond de course.
Dans l'utilisation à simple effet, pour repérer rapidement le raccord auquel l'outil doit être branché, actionner le levier du distributeur concené et observer les deux tubes aboutissant aux raccords; le tube concerné par le passage de l'huile doit bouger.
Pour une plus grande certitude, vérifier que le tube ou l'outil a simple effet est raccordé est celui qui sur le carter de distributeur est branché plus loin de la vis de commutation.
Distributeurs avec position flottante
Pour les outils qui le réclament, le tracteur peut être équipé de distributeurs avec position flottante.
Pour amener le levier a la position flottante, pousser en avant le levier du distributeur concerne, surmonter la première butee et lui faire atteindre la deuxieme butee.
REMARQUE
Lorsque I'on n'utilise pas les raccords fémelles, les protégger avec leur bouchon en plastique.
Distributeur pour freinage hydraulique des remorques
Le distributeur utilise la même huile que le circuit du revelage hydraulique. Il est commandé hydrauliquement par la pédale de frein droite et compte une prise maje à engagement rapide.

DANGER

Pour réaliser le freinage simultané du tracteur et de la remorque, jume-ler les pédales de freins au moyen de la languette prévue, comme il est indispensable de le faire sur route.

A-B et C. Leviers de commande de distributeurs pour verins à simple ou double effet.
Peuvent prendre deux autres positions que centrale (neutre):
en avant = abaissement;
en arrriere = soulevement.
REMARQUE
Tous les leviers, quand on les lâche, retournent spontanément en position neutre, bloquant l'outil dans la position occupée.

VOIES AVANT
Pour régler les voies avant, procéder comme suit:
— soulever l'avant du tracteur en plaçant un cric au centre de l'essieu;
- débloquer les extrémités couillisantes en retardant les vis de retenue 1 e 2 (couple de serrage: 220m· N- 22,5 m/kg);
— régler la longueur des barres de direction qui relient les deux roues, en démontant la vis de blocage 3 (couple de serrage: 39m· N - 4m/ kg);
Réglagedes voies
on peut obtenir six voies: 1400-1500-1600-1700-1800-1900 mm.
On peut encore obtenir une voie supplémentaire de 1970 mm (voie maximale) en returnant les roues sur leurs moyeuex.
NOTA - Avec pneumatiques avant 9.00-16, la voie augmente de 60~mm
Ce dernier réglage n'est à effectuer qu'en cas de nécessité absolue.
La couple de serrage des vis de fixation de la roue directrice sur le moyeu est de 294 m·N - 30 m/kg.
NOTA - Pour le réglage des voies avant des tracteurs 70-90 DT et 80-90 DT voir page 69
REMARQUE
Avec le tracteur équipé de direction hydrostatique procédé comme décrit aparavant pour la roue droite; pour la roue gauche, au contraire, après avoir déverrouillé l'embout coulissant de l'essieu, déplacer

opportunément l'articulation interieure de verin hydraulique comme suit:
— desserer les raccords des tuyanteries flexibles du verin;
— déplacer l'axe de pivotement 4 dans un des trous 5, protégés par les bouchons en plastique;
- serrer l'écrou de l'axe au couple de 294 m·N - 30 m/Kg;
— s'assurer que les tuyauteries flexibles ne sont pas soumises à des torsions, et bloquer leurs raccords.
VOIES AVANT

■ avec pneumatiques avant 7.50-16 et 7.50-18
avec pneumatiques avant 9.00-16
VOIES ARRIERE
Les voiles des roues arrirere peuvent etre montes avec la cambrure tournee vers l'intérieur ou vers l'exterieur. Pour chacune de ces positions des voiles, on peut obtenir des voies de largeur differente ( comme illustré à la figure page 40).Se rappeler que, suivant les dimensions des pneu
matiques, il est possible de réaliser les voies arrriere indiquées sur la figure à partir des voies minimales suivantes:
sens de rotation en mache avant, indique par une flèche sur l'enveloppe des pneumatiques.

DANGER
Lors du démontage des roues, prendre le maximum de précautions, utiliser un palan pour le déplacement de celles-ci.
16.9/14-30 (*) 1400 mm
13.6/12-38 1400 mm
16.9/14-34 1500 mm
18.4/15-30 1600 mm
(*)seulement sur 70-90
Lors du changement des voies arrriere, faire attention que la pointe formée par les nervvres des pneumatiques demeure orientee dans le
Contrôler toujours que les roues avant et arrière se trouvent en position symétrique par rapport à l'axe longitudinal du tracteur.
REMARQUE
Choisir d'abord la voie arrête la plus correcte et changer ensuite la voie avant.
Roues avec voiles en tôle.

ROUES AVEC VOIE VARIABLE PAR RAMPE HELICOIDALE
Pour varier la voie, opérer sur une seule roue à la fois. Mesurer la voie initiale, faire la différence entre cette valeur et la voie que l'on peut obtenir et diviser la value trouvée par 2. Sur la roue concernée, desserrer d'une même valeur tous les écrous B fixant les crapauds d'ancrage C.

A titre d'information on conseille de desserrer les écrous de 2 tours pour réduire la voie, ou de 3 tours pour l'augmenter.
Desserer entierement les vis D fixant les butées A et positionner ces butées en tenant compte du fait que leur déplacement de 1 trou provoque un déplacement de 50~mm de la roue.
Mettre le moteur en marche, freiner de manière à bloquer la roue opposée à celle que l'on peut déplacer, engager la 1re vitesse en gamme moyenne pour élargir la roue gauche ou rétrécir la roue droite, ou bien engager la 1re marche AR pour rétrécir la roue gauche ou élargir la roue droite et faire tourner le voile par rapport à la jante jusqu'àu contact des butées A qui avaient été déplacées.
Serrer les écrous B à partir d'en bas, par passes croisées; les serrer gradualement d'un demi-tour ou d'un tour tout au plus à la fois jusqu'àu couple de 245 Nm - 25 m-kg.


Alourdissement
Lorsque I'on demande au tracteur des efforts de traction elevés, les roues motrices peuvent patiner par insuffisance d'adherence au sol, provoquant des pertes de puissance
ALOURDISSEMENT DES ROUES ARRIERE
par des voiles en fonte (jantes a voie variable sur rampe helicoidale) pesant 150 kg chacun pour un total de 300kg sur lesquels il est possible de monter 4 ou 6 disques en fonte d'un poids total de 520kg ou 630kg .

et de vitesse, une consommation de combustible plus importante et une usure des pneumatiques.
Nous vous conseillons, dans ce cas, d'alourdir le tracteur en ajoutant des masses en fonte sur les roues mo-trices, ou en montant des roues avec voiles en fonte, ou bien avec de
ALOURDISSEMENT DES ROUES ARRIERE
Par des masses en fonte, 4 ou 6 disques de fonte pesant 55 kg cheque, soit au total 220 kg ou 330 kg.

I'eau suivant les indications a la page 43.
Si au tracteur sont accouplés des outils très lourds et longs qui peuvent comprometer la stabilité longitudinale, il convient d'alourdir l'essieu avant en y appliquant les plaques de fonte prévues.
ALOURDISSEMENT DE L'ESSIEU AVANT
6 ou 10 plaques de fonte avec poignée, de 40 kg chaque et leur support d'un poids de 130 kg soit 370 kg ou 530 kg.


ATTENTION

Le poids opérationnel sur terrain du tracteur sans outil, avec lestage aussi bien de masses que de liquide, ne doit pas dépasser 4600 kg aussi bien pour le modele normal que pour le modele DT.
ALOURDISSEMENT A L'EAU
Pour alourdir les pneumatiques arrriere, quand il n'existe pas de danger de gel, vous pouvez utiliser de l'eau.
Pour replir les pneumatiques a I'eau:
— soulever la roue du sol et dispose ser la valve de gonflage dans la position la plus haute;
— dévisser la valve et attendre que le pneumatique se dégonfle;
visser le raccord special d'introduction de I'eau a la place de la valve et appliquer le tuyau au raccordement 4 (page 44).Pendant l'introduction de I'eau, I'air résiduel s'échappe à travers le tube 3 (page 44);
Le poids approximatif de I'eau introduite en repliissant les pneumatiques a 75% est:
| Dimension du pneumatique | Eau kg (litres) |
| 13.6/.12-38 | 210 |
| 16.9/14-30 (*) | 250 |
| 18.4/15-30 | 300 |
| 16.9/14-34 | 290 |
| (*) seulement pour mod 70-90 | |
- le remplissage est réalisé à 75% lorsque en glissant tout en bas le tube 3 l'eau coule de ce dernier. Si l'on désire introduire moins d'eau, c'est à dire moins de charge, il suffit de faire tourner la roue de sorte à disposer la valve plus bas;
retirer le raccord 2 (page 44), revisser la valve et gonfler a l'air, a la pression habituelle.
Pour evacuer l'eau des pneumatiques:
— soulever la roue de terre et dispose la valve dans la position la plus)basse;
— dévisser la valve et vider l'eau;
visser le raccord spécial sur le siège de la valve puis mettre le tube 3 (page 44) au contact du pneumatique;
introduire de l'air sous pression dans le raccord 4 (page 44): de cette façon, l'eau subsistant encore dans le pneumatique sort par le tube 3;
— démonter le raccord 2 (page 44), revisser la valve en place et compléter le gonflage à l'air du pneumatique.
REMARQUE N'utilISEZ pas de systèmes différents de ceux que nous indiquons. N'alourdissez pas le tracteur quand cela n'est pas nécessaire: autre que c'est inutile, cela peut etre nuisible.
Raccord pour introduire et evacuer I'eau (fourni par les manufacturiers).
- Siège de la valve.
- Raccord spécial pour introduction et enlevement de l'eau.
- Tube d'event.
- Raccord de tuyau de I'eau.

Remplissage des pneumatiques avec une solution antigel.
Pour éviter que l'eau en gelant endommage les pneumatiques, utiliser plutot que l'eau pure, une solution de chlorure de calcium neutralisé (en paillettes).
Pour préparer cette solution,mettre I'eau nécessaire dans un填补 et verser petit a petit le chlorure de calcium en remuant constamment.
Les quantités approximatives d'eau et de chlorure nécessaires à la préparation de la solution antigel pour replir chaque pneumatique à 75% sont mentionnées dans le tableau ci-dessous.

ATTENTION

Ne jamais proceder en sens inverse.
Verser l'eau sur le chlorure peut etre dangereux.
(*)seulement mod.70-90
| Tempé-rature minimale au-dessus de °C | DIMENSION DU PNEUMATIQUE | |||||||
| 13.6/12-38 | 16.9/14-34 | 18.4/15-30 | 16.9/14-30 (*) | |||||
| Chlorure de calcium kg | Eau kg (litres) | Chlorure de calcium kg | Eau kg (litres) | Chlorure de calcium kg | Eau kg (litres) | Chlorure de calcium kg | Eau kg (litres) | |
| — 5° | 23 | 200 | 32 | 275 | 33 | 285 | 27 | 240 |
| — 10° | 40 | 195 | 55 | 270 | 57 | 275 | 47 | 230 |
| — 15° | 53 | 190 | 72 | 260 | 75 | 270 | 62 | 225 |
| — 20° | 63 | 185 | 87 | 255 | 90 | 265 | 75 | 220 |
| — 25° | 71 | 180 | 99 | 250 | 102 | 260 | 85 | 215 |
Dispositifs d'attelage

ATTENTION

Choisir le dispositif d'attelage suivant le type de remorque ou d'outil à trainer et en observation avec les bois en vigueur.
Du réglage correct de l'attelage dépend la maniabilité de conduite et la sécurité de marche du tracteur.
Le dispositif d'attelage situé en haut augmente la capacité de traction mais favorise aussi le cabrage du tracteur. Eviter donc que le timon de la remorque ne prenne une position trop inclinée vers le haut.

Quand on utilise la double traction, accrocher l'attelage en positionasse, en maintainant le timon presque horizontal.
Eviter de trainer des remorques ou charges trop lourdes.
Ne pas partir brusquement, dans ce cas aussi les risques de cabrage sont importants.
Freiner tousjours la remorqued'abord, ensuite le tracteur.

BARRE OSCILLANTE SUR SECTEUR
Utiliser la barre oscillante pour les outils, les machines agricoles et les remorques à deux essieux. Au contraire, ne pas l'utiliser avec les remorques à un essieu (semi-portées) parce qu'en chargeant la barre d'un poids excessif, on risque de faire cabrer le tracteur.
Le débattement horizontal de la barre sera de grande'utilité pour les outils demandant une liberté de mouvement transversal comme les ramasseuses-presses.

Ce dispositif peut etre fournir: - avec les supports pour le montage du crochet Rockinger ou du crochet rigide; - avec le support de barre oscillante.
Sur la barre on peut regler la hauteur d'attelage en disposant la fourche tournée vers le haut ou vers le bas. Il est également possible d'annuler l'oscillation transversale en brochant la fourche A (page 45).
En effectuant les réglages précédement décrits, la fourche de la

barre oscillante sera, par rapport à l'arbre de prise de force, aux distances illustrées à la figure (page 45).
Pour effectuer un accouplement correct des outils à la prise de force, désposer la fourche d'attelage tournée vers le bas.
BARRE A TROUS
Cette barre permet de tracter les outils et les machines, même mues par la prise de force, dans la mesure ou leur poids n'est pas excessif et ne risque pas de faire cabrer le tracteur.

CROCHET ROCKINGER
Ce crochet se différencie des crochets rigides par le fait qu'il peut pivoter sur son axe longitudinal et compte un dispositif d'accrochage automatique de la broche d'attelage et de verrouillage de cette derniere en phase d'accrochage. Afin de facilititer l'utilisation de la prise de force, le crochet peut être renversé laterralement et bloqué dans cette position au moyen de l'arretoir place à l'intérieur du crochet. Ce dispositif est régblable en hauteur en 3 positions et peut être monté en même temps que la barre oscillante d'attelage.

PITON D'ATTELAGE POUR REMORQUES SEMI-PORTEES
Celui-ci est fourni en même temps que la barre oscillante. Les remorques semi-portées seront attelées au tourillon E fixé sur le carter support de barre d'attelage.
REMARQUE
Pour effectuer des manoeuvres d'urgence de la remorque ou pour remorquer le tracteur, utiliser la chape d'attelage avant.
Le crochet vous permet de trainer tous les types de remorque y compris celles à un essieu.
Il est reglable en hauteur soit au dessus, soit au-dessous de la prise de force dans six positions différentes.
Il peut aussi être monté en même temps que la barre d'attelage.


Réglagedusiege
Le siège du conducteur est muni de dispositifs qui permettent d'en régler la suspension et la distance par rapport aux commandes.
On peut par suiteCHOISIR la position la meilleure et la modifier également pendant le travail.
Il est conseilé de maintainir à la suspension de faibles amplitudes, pour permettre une conduite sure égalément en terrains accidentés.
A. Levier de réglage de la distance du siècle par rapport aux commandes.

Pour déplacer le siège en avant ou en arrêtre, tirer le levier A latéralement.
Le déplacement réalisé, relâcher le levier en s'assurant que le siege est bloqué dans une des 11 positions possibles.
B. Poignée de réglage de la souplesse de suspension du siège.
Pour obtenir un réglage correct, tournier la poignée B vers le haut ou vers le bas jusqu'à ce que la valeur de votre poids apparaissé dans la coupure.
Réglage du siècle en hauteur
Pour déplacer le siècle vers le haut, le soulever avec une main dans une des trois positions indiquées sur la figure, qu'un déclic perceptible fait resortir.
Pour le ramener à la position plus basse, le soulever jusqu'à son arrêt, puis le laisser descendre.
Réglage du volant de direction
Le volant de direction comporte des dispositifs permettant d'en regler la hauteur ainsi que l'inclinaison.
Pour effectuer ces réglages, se servir du pommeau C pour l'inclinaison et du manchon D pour la hauteur.
Le réglage effectué, bloquer le pommeau et le manchon.
C. Pommeau de réglage de l'inclinaison du volant:
en tournant dans le sens hora, volant bloqué.
en tournant dans le sens anti-horaire, volant debloque.
D. Manchon de réglage de la hauteur du volant:
tourné dans le sens horsaire, volant bloqué;
tourné dans le sens anti-horaire, volant débloqué.

ENTRETIEN
Quand effectuer I'entretien (70-90/80-90)
Les chiffres correspondant aux operations mentionnées dans la "Planche d'entretien" jointe à la notice.

REGLAGE
- Courroie de compresseur. Flèche: 12 à 13 mm avec charge de 78 à 98 N (8-10 kg).
- Courroie de commande du ventilateur. Flèche: 10 à 11 mm avec une charge de 78 à 98 N (8 ÷ 10 kg).
- Embrayage moteur-boite de vitesses. Garde 190 mm (170 mm pour tracteurs avec cabine).
- Embrayage moteur-prise de force. Course de la broche du levier extérieur: 3,5 mm.
- Frein à main. Le levier doit se bloquer au 3me cran.
- Soupapes moteur. Jeu à chaud et à froid: admission = 0,25 mm éclappement = 0,35 mm
- Injecteurs. Tarage 230 à 238 bar (235 à 243 kg/cm²).
- Démarreur.

CONTROLE DU NIVEAU
- Réservoir supplémentaire du radiateur.
- Reservoir du lave-glace de cabine.
- Batterie (voir page 56).
- Réservoir d'huile des freins.
- Rservoir d'huile de direction hydrostatique.
- Filtre a air a bain d'huile.
- Carter moteur.
- Reducteurs de pont avant (DT).
- Carter de pont avant (DT).
- Transmission arrête et releverage.

REEMPLACEMENT DE L'HUIL
- Carter moteur.
-
Direction hydrostatic.
-
Transmission arrirée et releavage.
- Reducteurs de pont avant (DT).
- Carter de pont avant (DT).

- Filtre déshydrateur.
- Premier filtrà a combustible.
- Filtre de releavage hydraulique.
- Cartouche interne du filtré à air à sec.
- Filtrà huié moteur.
- Second filtré à combustible.
- Cartouche externe et interne du filtrre à air à sec.
- Filtre à air de cabine comport.
- Filtre à air de cabine superconfort.

HNEENI HDOO-- /yoeos-smaennnnnaa//dni - 06-08 06-0L VAnmnnnnp aanannp aonN

NETTOYAGE
- Soupape de décharge du filtré à air.
- Préfiltre centrifuge.
- Filtre à air de cabine et conduits d'aspiration - Filtre à air de recyclage (cabine superconfort).
- Evaporateur et condensateur.
- Filtre à air de papier (cabine, comfort).
- Cartouche externe du filtré à air à sec.
- Filtre decanteur de combustible.
- Vidange condensation premier filtré à combustible.
- Masse inférieure du filtré à air à bain d'huile.
- Filtre de pompé d'alimentation de combustible.
- Filtre a air a bain d'huile. Nettoyage de toutes les pieces.
- Filtre du réservoir de direction hydrostatique.
- Réservoir à combustible.
- Lavage du circuit de refroidissement du moteur (voir page 58).
- Lavage du circuit de refroidissement pour tracteurs avec cabine.

GRAISSAGE (graisse FIAT G9)
- Moyeux de roues arriere.
- Relevage et dispositif d'attelagedes outils. Trois graisseurs.
-
Direction et articulation de l'essieu. Trois graisseurs.
-
Direction hydrostatique. Un graisseur.
- Direction (DT). Deux graisseurs.
- Articulation du pont avant (DT). Deux graisseurs.
- Moyeux des roues avant.
- Rotules du pont avant.
| TYPE D'APPROVISIONNEMENT | OPERATIONS |
| Huile FIAT AMBRA SUPER | 8-17-24-38 |
| Huile FIAT AMBRA SUPER 10 W | 13 |
| Huile FIAT TUTELA MULTI F | 7-28-30-32-37-43 47-51-52 |
| Eau et liquide FIAT «PARAFLU 11» (voir page 55) | 3-48-49 |
| Eau et liquide FIAT «DP1» | 4 |
Purge du circuit de combustible
L'entrée d'air dans le circuit de combustible se manifeste durant les longues périodes d'inactivité du tracteur, lorsqu'on demonte les filtres et les tuyauteries ou lorsqu'on laïssé le réservoir se vider. La présence d'air rend difficile le démarrage du moteur, c'est pourquoit il faut lo purger, le réservoir étant rempli et le robinet R ouvert.
MOTEUR AVEC POMPE CAV
- Devisser d'environ deux tours le bouchon A et actionner le levier B jusqu'à ce que le combustible soit sans bulle d'air du petit trou du bouchon. Revisser le bouchon.
- Purger de la façon décrite par le bouchon C.

- Devisser d'environ deux tours la vis D et la vis hexagonale E, desserrer complètement les quatre raccords F et faire tournier le moteur au moyen du démarreur jusqu'à ce que le combustible sorte des tuyauteries sans bulle d'air. Resserrer les raccords F, la vis hexagonale E et laisser la vis D desserrée.
- Demarrer le moteur et lorsque le combustible coule sans bulled air de la vis D, revisser celle-ci.

REMARQUE
Votre moteur est equipope d'une pompe d'injection rotative dont les organes internes, sils restent inactifs pendant plus d'un mois, doivent être protégés des oxydations. C'est pourquoi, avant d'arreter le tracteur, melanger au combustible du réserveir de l'huile FIAT PROT 10 W/M dans la proportion de 10% et faire fonctionner le moteur pendant environ une demi-heure.

Pour acceder aux organes du moteur, démonter les joues du capot en retardant de la partie inférieure les bandes d'accrochage indiquées sur la figure.
MOTEUR
AVEC POMPE BOSCH
- Dévisser d'environ deux tours le bouchon B et actionner le levier
C jusqu'acé que le combustible sortesans bulledair du petit trou du bouchon.Revisserle bouchon B.
- Purger de la façon décrite par le bouchon A. Avec avoir revisse le bouchon, actionner a nouveau quelques coups le levier C.

Purge du circuit d'huile des freins
La purge d'air est indispensableable chaque fois que I'on procede à une intervention sur l'installation hydraulique de freinage. Dans le cas où I'on observerait des irregularités de freinage, s'adresser à un spécialiste ou effectuer vous même la purge en observant scrupuleusement les indications suivantes:
nettorye soigneusement les parties externes des organes proches des vis de purgea ainsi que le couvercle du reservoir d'huile hydraulique; REMARQUE
Ne pas réutiliser l'huile purgé précédemment sans l'avoir soignement filtrée.

— s'assurer que les réservoirs d'alimentation du frein croit A et du frein gauche B sont replis avant et pendant les opérations de purgege;
actionner la pedale de commande de frein gauche, lentement et toute la course, de façon a ce que I'huile entre en pression;
maintenir la pedale appuyee, devisser d'un demi-tour la vis de purgece C, laisser couler l'huile melangée aux bulles d'air;
— revisser la vis C et repeter les opérationsénémerées ci-dessus jusqu'à ce que l'huile sorte sans bulle d'air;

actionner de nouveau la pedale de frein pour faire rentrer le circuit en pression: cette condition est remplie quand la course de la pedale redevient normale;
— repeter les opérations enumeratedes ci-dessus pour la partie droite du circuit de freinage;
- à la dernière opération, rétablit le niveau d'huile dans les réservoirs.
ATTENTION
Sur les tracteurs équipés de distributeur hydraulique de freinage de remorque, purger l'air d'abord par la vis C puis ensuite par la vis D.

Circuit de refroidissement du moteur
Le circuit est rempli avec un melange d'eau et de liquide FIAT «PA-RAFLU 11». Ce liquide est anti-oxydant, anti-corrosif, anti-mousse, anti-incrustant et incongelable jusqu'à:
| Degrê°C | -8 | -15 | -25 | -35 |
| % en volume de «PARAFLU 11» | 20 | 30 | 40 | 50 |
Le remplissage du circuit au moment de l'achat du tracteur garantira l'installation d'une temperture minimale supérieure à la valeur mentionnée sur l'étiquette apposée sur le capot.
Vous pouvez maintainir ce melange pendant 2 ans si pendant cette période vous n'avez pas totalisé 1600 heures de travail, dans le cas contraire, il faut le replacer après avoir effectué le lavage de l'inhalation.
En cas de besoin, pour vous sauvegarder des pertes imprévues, vous pouvez replir l'installation en ver
sant de I'eau par le bouchon du réservoir supplémentaire d'expansion (voir operation n° 3 du "Tableau d'entretien" joint au livre). Au dernier replissage, faire fonctionner le moteur pendant un court instant afin d'obtenir un mélange correct.
REMARQUE
Faire réparer l'avarie et dés que vous en avez la possibilité, refaire le mélange en considérant le tableau ci-contre.
LAVAGE DU CIRCUIT
(voir operation n° 48 du "Tableau d'entretien" joint au livre).
Effectuer le lavage, au moins toutes les 1600 heures de travail et chaque fois que l'on passé de l'utilisation d'eau pure à l'emploi de melange antigel et vice-versa.
Proceder de la forma suivante:
- Oter les bouchons de replissage du radiateur et du réservoir supplémentaire d'expansion et vidanger l'eau, moteur chaud;
— moteur froid, remplir le réservoir supplémentaire avec une solution préalablement filtrée de soude Solvay et d'eau dans la proportion de 250 grammes de soude pour
10 litres d'eau:
-
faire travailler le tracteur pendant 1 heures environ et vidanger la solution de lavage;
-
attendre que le moteur se soit un peu refroidi puis faire circuler l'eau pure en la versant dans le radiateur et en la laissant sorting par le bouchon inférieur du radiateur;
-
visser le bouchon de vidange du radiateur, replir d'eau, faire fonctionner encore le moteur pendant quelques minutes et vidanger l'installation;
— laisser refroidir le moteur et faire le plein jusqu'au niveau normal.
ATTENTION
Faire la vidange de l'eau, moteur à l'arrêt.
THERMOSTAT
Dans le circuit de refroidissement est intercalé un thermostat, qui empêche l'eau de circuler dans le radiateur jusqu'à ce qu'elle ait atteint une température suffisante pour assurer le bon fonctionnement du moteur (environ 85^ ).
Si vous avez des doutes sur le fonctionnement du thermostat, enlevez-le de son siege et faites-le contrôler par une personnel qualifié.
Installationelectrique

DAN

L'electrolyte des batteries est constitue d'acide sulfurique dilué qui peut cause des brûlures graves. Eviter absolument le contact avec la peau, les yeux et les vêtements. Ne pasapprocher d'étincelles, de flammes ou de cigarettes allumées. Ventiler pendant la charge ou l'utilisation dans des locaux fermés.
BATTERIE
Contrôr le niveau de l'électrolyte, batterie reposée et moteur à l'arrêt. Il est conseilé d'effectuer le contrôle avant de commencer le travail, le tracteur reposant sur terrain plan. Vérifier que le niveau de l'électrolyte ne soit pas en dessous de l'indica

tion "LIVELLO ELETTROLITO" (Niveau de I'electrolyte).
Pour rétablit le niveau, enlever les couvercles et verser de l'eau distilée dans les orifices. Arrête le remplissage lorsque l'électrolyte atteint le niveau indiqué.
Vérifier en outre l'etat de charge de la batterie avec un pésé-acide.
Batterie chargee la densite est de 1,28 environ pour les batteries "service normal" et de 1,23 environ pour les batteries "service tropical"; batterie presque dechargee, la densite descend a environ 1,16 pour les batteries "service normal" et 1,1 environ pour celles "service tropical".

Batterie hermétique (sans entretien).
En alternative aux batteries normales de 110/120 Ah, le tracteur peut être équipé d'une nouvelle batterie hermétique de 100 Ah. Cette batterie ne nécessite pas de remplissage. L'etat d'efficacité de la batterie se contrôle par un voyant A sur le couvercle et qui peut avoir les trois fouleurs suivantes:
- vert = la charge de la batterie est égale ou supérieure à 65% de sa charge nominale;
- noir = la charge est inférieure à 65%, il faut la charger;
— clair = niveau de l'électrolyte au dessous du minimum prévu. Dans ce cas, changer la batterie.

FUSIBLES
Avant de remplacer un fusible par un autre de même ampèreage, recherche
cher et eliminer la panne qui a provoque l'incident.
| Fusibles | CIRCUITS PROTEGES | Amp. |
| A | Thermostat ou start-pilote | 25 |
| B | Projecteurs avant en phares et leur témoin | 8 |
| C | Projecteurs avant en codes | 8 |
| D | Projecteur arrêté, feuels de position avant gauche et arrêté droit, tableau de bord, projecteurs de cabine | 8 |
| E | Feux de position avant droit et arrêté gauche, témoin d'al-lume-cigares, témoin des feuels de position | 8 |
| F | Commande du niveau d'huile moteur et son témoin, témoin de prise de force enclenchée, thermomètre d'eau du mo-teur, indicateur de niveau de combustible, témoin de charge batterie, témoin de frein à main serré, témoin de blocage du différentiel enclenché, témoin de traction avant crabotée, circuit des stops du tracteur et des remorques, allume-cigares | 8 |
| G | Circuit de témoin de frein à main serré, avertisseur sonore, témoin de niveau insuffisant d'huile des freins. | 8 |
| H | Feux de direction, indicateur et témoin de filtre décanteur encrassé, arrêté electromagnétique du moteur. | 8 |
| I | Utilisé pour installation de cabine. | 25 |
| L | Inutilisé | 8 |
| M | Témoin des feuels de détresse, prise de courant unipolaire. | 16 |
| N | Utilisé pour installation de cabine | 25 |
NOTES SUR L'INSTALLATION DE CHARGE DE LA BATTERIE
Pour éviter des dégats à l'alternateur et au groupe de régulation, suivre les instructions suivantes:
Si I'on met le moteur en marche à l'aide d'une batterie auxiliaire, parce que la batterie du tracteur est décharge, le branchement des deux batteries doit être réalisé en respectant les signes de leurs bornes (le positif avec le positif, le négatif avec le négatif). Cette règle est valable également en cas de recharge de la batterie avec des moyens extrieurs.
Si I'on doit demarrer le moteur avec une batterie totalement decharge ou avec le tracteur sans batterie, se souvenir que:
il n'est pas possible de démarrer en remorquant le tracteur, puisque le dispositif electromagnétique d'exclusion resterait engage, empêchant le moteur de démarrer; (suite)
- il est possible de démarrer avec une batterie auxiliaire après avoir au préalable débranché de l'alternateur la fiche plate simple D +, le serre-fil B + et le condensateur, mais c'est inutilé étant donné que le moteur s'arreeait des que l'excitation du dispositif electromagnétique d'arret du moteur par la batterie auxiliaire cesserait;
- il faut éviter de démarrer avec une batterie auxiliaire en maintenant la fiche plate simple D +, le serre-fil B + et le condensateur branchés à l'alternateur;
- il est nécessaire du monter une batterie de 12 V suffisante pour permettre le demarrage et de la replacer par la suite par la batterie prevue par le tracteur (12 V, 110/120 Ah ou 132/140 Ah).
En conditions normales, le moteur ne doit jamais fonctionner avec la fiche plate D +, le serre-fil B + et le condensateur non connectés à l'alternateur.

REGLAGE DES PROJECTEURS AVANT
8453
Pour régler l'orientation des projec
teurs avant,procéder de la façon suivante:

- Placer le tracteur décharge et avec pneumatiques gonflés à la pression prescrite, sur un terrain plan et devant un mur de couleur blanche si possible.
Tracer sur le mur deux croix correspondant au centre des projecteurs.
Reculer le tracteur d'environ 5 metres et mesure les projecteurs en code.
Les points de reference P-P doivent se couver à 5 cm en dessous des croix.
Pour regler les bandes lumi-neuses, agir sur les vis dans les trous A.
(avec pneumatiques avant 7.50-18 et arrriere 13.6/12-38)
POIDS MODELE 70-90
En ordre de marche avec pneumatiques 7.50-18 et 13.6/12-38; releavage hydraulique avec attelage des outils, crochet d'attelage, support de masses avant et cabine ... kg 3040
Comme ci dessus avec masses avant (10 plaques) et 6 anneaux sur les roues arriere kg 3900
(avec pneumatiques avant 7.50-18 et arrriere 13.6/12-38)
POIDS MODELE 80-90
En ordre de marche avec pneumatiques 7.50-18 et 13.6/12-38; releavage hydraulique avec attelage des outils, support de masses avant et cabine
Comme ci-dessus avec masses avant (10 plaques) et 6 anneaux sur les roues arrirée ... kg 3960
CHARACTERISTIQUES

(*)Avec cadre de sécurité mm 2600

VITESSES
En km/h, moteur tournant au régime de puissance maxi-male.
| Vitesses | Pneumatiques arrêté | |||
| Mod. 70-90 | Mod. 70-90/80-90 | |||
| 16.9/14-30 (*) | 13.6/12-38 | 16.9/14-34 | 18.4/15-30 | |
| 1ère Lente | 1,7 | 1,8 | 1,8 | 1,7 |
| 2ème » | 2,6 | 2,8 | 2,8 | 2,7 |
| 3ème » | 3,1 | 3,4 | 3,4 | 3,3 |
| 4ème » | 5,0 | 5,4 | 5,4 | 5,2 |
| 1ère Moyenne | 3,9 | 4,2 | 4,2 | 4,1 |
| 2ème » | 6,0 | 6,5 | 6,5 | 6,3 |
| 3ème » | 7,3 | 7,9 | 7,9 | 7,7 |
| 4ème » | 11,7 | 12,6 | 12,6 | 12,3 |
| 1ère Rapide | 9,2 | 9,9 | 9,9 | 9,6 |
| 2ème » | 14,1 | 15,2 | 15,2 | 14,8 |
| 3ème » | 17,3 | 18,7 | 18,7 | 18,2 |
| 4ème » | 27,5 | 29,7 | 29,7 | 28,9 |
| 1ère AR | 4,3 | 4,6 | 4,6 | 4,5 |
| 2ème AR | 6,6 | 7,2 | 7,2 | 7,0 |
| 3ème AR | 8,1 | 8,8 | 8,8 | 8,5 |
| 4ème AR | 12,9 | 13,9 | 13,9 | 13,6 |
| Modèle | 70-90 | 80-90 |
| Moteur type: | FIAT | FIAT |
| — pompe CAV | 8045.06.300 | 8045.05.305 |
| — pompe BOSCH | 8045.06.200 | 8045.05.205 |
| Cycle Diesel, 4 temps à injection directe | ||
| Nombre de cylindres | 4 | 4 |
| Diamètre et course . mm | 100x115 | 104x115 |
| Cylindrée totale . . . . cm3 | 3613 | 3908 |
| Rapport de compression | 17 | 17 |
| Puisance au volant kw DGM/DIN (CV) | 52 70 | 58,9 80 |
| Régime correspondant............ tr/mn | 2500 | 2500 |
| Régime de couple maxi-mal............ tr/mn | 1500 | 1500 |
| Equilibrage dynamique par masses contre-rota-tives | — | — |
Distribution
A soupapes en tete.
Données de distribution:
- Admission { overture avant le PMH 3^ fermeture après le PMB 23^
Echappe- le PMB 48^30^ ment fermeture après le PMB 6^
— Jeu entre soupapes et culbuteurs pour le contrôle du calage. 0,45 mm
-
Jeu entre soupapes et culbuteurs pour le fonctionnement du moteur (aussi bien a chaud qu'a froid):
-
admission 0,25 mm
- échévement 0,35 mm
Alimentation
Pompe d'alimentation à double membrane sur renvoi de commande de pompe d'injection.
Pompe d'injection à distributeur rotatif:
CAV DPS à régulateur de vitesse à masses centrifuges, tous régimes et variateur automatique d'avance;
BOSCH VE 4/11 F1250 à régulator de vitesse tous régimes à masses centrifuges et variateur automatique d'avance.
Dépuration du combustible par: un filtré à crépine dans la pompe d'alimentation, deux filtres à cartouche changeable, en série sur le refoulement de la pompe d'injection (le premier filtré est pourvu d'un séparateur d'eau).Filtrtre décanteur du combustible sur demande.
Filtre a air a bain d'huile ou a sec a double cartouche, tous les deux munis d'un préfiltre centrifuge avec decharge automatique de la poussière. Sur demande, préfiltre a air sur le capot.
Calage de la pompe d'injection sur le moteur:
Mod. 70-90 pompe CAV 0^± 1^ pompe BOSCH 4^± 1^ Mod.80-90 pompe CAV 0^± 1^ pompe BOSCH 4^± 1^
Injecteurs avec pulverisateurs a 3
trous, modèle 80-90, 4 trous modèle
70-90 tarés à 230 à 238bar
(235 à 243 kg/cm²)
Lubrification
Sous pression, par pompé é engrenages.
Dépuration de l'huile: filtré à crépines sur l'aspiration de la pompe et filtré à cartouche changeable sur le re-tour au moteur.
Pression de graissage, moteur chaud et a regime maximal:
2,9a3,9 bar (3a4 kg/cm²)
Refroidissement
Par eau, a circulation forcee par pompe centrifuge.
Radiateur à tubes verticaux en fer à 3 ou 4 rangs.
Ventilateur aspirant, fixé sur le même arbre que celui de la pompe à eau.
Circulation d'eau reglee par thermostat entre le moteur et le radiateur.
TRANSMISSION
Embrayage
Bidisque de 11", à sec, à commandes séparées: à pédaie pour l'avancement, à levier à main pour la prise de force.
Composition des disques:
- 70-90: organique (standard) ou ceramétallix (sur demande).
80-90: ceramétallix (standard). - embrayage de prise de force: organique.
Boite de vitesses
A engranages helicoidaux toujours en prise a 4 rapport.
Réducteur en cascade à trois gâmes avant et une gamme arrière.
Au total 12 marches avant et 4 arrêté.
Dispositifs synchroniseurs pour le passage de toutes les vitesses.
Couple conique (rapport de réduction 9/43) et différentiel avec dispos-itiv de blocage commande par pé-dale et déblocage automatique.
Réducteurs épicycloïdaux.
Prise de force
Totalement independante, deux versions:
- 540 tr/mn avec moteur tournant à 2198 tr/mn;
540 et 1000 tr/mn respectivement avec moteur tournant aux régimes de 2198 et 2380 tr/mn.
Proportionnelle à l'avancement (voir page 26).
Commande manuelle: levier de commande de l'embrayage et poignee de crabotage de la prise de force et levier de changement de vitesse.
Sens de rotation: hora, tracteur yu de l'arriere.
RELEVAGE HYDRAULIQUE
A effort et a position contrôls avec dispositif de réglage de la sensibilité et de la vitesse de descente des bras. Contrôle de l'effort par les bras inférieurs par l'intérimédiaire d'une barre de flexion.
Levier arrirée pour commande depuis le sol.
Dispositif a pouvoir (Lift-O-Matic)
pour abaisissement et releavage rapiè des bras.
Prise d'huile dans la transmission par pompe à engrenages entrainée directement par le moteur:
type FIAT A31 vitesse de la pompe, moteur tournant au régime de puissance maximale 2328 tr/mn
— débit correspondant 33,6 dm³/mn (l/mn)
- tarage de la soupape limitatrice de pression 186 bar (190 kg/cm²)
Dispositif d'attelage des outils catégorie 2 avec attelage 3 points.
Chaines ou limiteurs de débattement l'éalral des bras de traction. Sur demande, bras de traction à accrochage rapide.
Distributeurs auxiliaires à simple ou double effet: nombre jusqu'à 3 dont un avec position flottante.
ESSIEU AVANT
Oscillant au centre, telescopique a structure en U renversé.
Réglage de la voie par coulissement des barres de l'essieu. Total 6 voies. Septième voie de 1970 mm (maximale) obtenu par retournement des roues.
ROUES AVANT
Jantes et voiles de roues en tôle et soudés.
| Dimensions des pneumatiques | N° plis | Jantes correspondantes |
| 7.50-16 | 6/8 | 5.50 F-16" |
| 7.50-18 | 6/8 | 5.50 F-18" |
| 9.00-16 | 6 | W 8 - 16" |
ROUES ARRIERE
Roues en deux pieces: voile de roue en tôle et jante de pneumatique. Réglage de la voie par variation de l'accouplement entre les jantes et les voiles et entre ces derniers et les moyieux des roues (7 écartements au total).
| Dimensions des pneumatiques | N° plis | Jantes correspondantes |
| 13.6/12-38 (*) | 6/8 | DW12-38" |
| 16.9/14-30 (°) | 6 | W14L-30" |
| 16.9/14-34 | 8 | W14L-34" |
| 18.4/15-30 (*) | 6 | W14L-30" |
(*) Disponibles sur demande en version riz (seulement pour 2RM).
(0)Seulement mod.70.90
Montages conseillés (pour avoir le tracteur horizontal):
| 7.50-16 | avec | 16.9/14-30 (°) |
| 7.50-16 | avec | 18.4/15-30 |
| 7.50-18 | avec | 13.6/12-38 |
| 7.50-18 | avec | 16.9/14-34 |
| 9.00-16 | avec | 13.6/12-38 |
| 9.00-16 | avec | 16.9/14-34 |
(°) Seulement pour modele 70.90.
DIRECTION
Volant au centre du tracteur. Direction hydrostatique commande par le volant, a circuit hydraulique independant.
Filtre à huile à cartouche métallique incorporee dans le réservoir d'huile. Pompe d'alimentation à engrenages avec regulateur de début incorpore, entrainée directement par le moteur à travers les pignons de la distribution:
| — type FIAT | C25XRP |
| — vitesse de la pompe, moteur tournant au régime de puissance maximale | tr/mn 2328 |
| — débit correspondant | 26,5 dm3/mn (l/mn) |
| — débit régèle | 15 dm3/mn (l/mn) |
| — tarage du clapet de suppression | mod. 2RM 100 bar (102 kg/cm2); |
| — mod. 4RM 125 bar (127,5 kg/cm2). | Rayon minimum de braquage sans |
serrer les freins m 4,1
FREINS DE TRAVAIL
A disque à bain d'huile montés sur les demi-arbres du différentiel.
Commande hydrostatique avec circuits hydrauliques de frein droit et frein gauche independants et actionnés par pédales séparées.
Accouplement des pédales pour le freinage simultané en marche sur route.
FREIN DE STATIONNEMENT SUR LA TRANSMISSION
Totalement independendant, à disques, monté sous la boîte de vitesses et relié à l'arbre du pignon à queue. Commandé mécaniquement par levier.
CARROSSEIEET POSTEDCONDUITE
Plate-forme, tableau de bord et ailes à structure unique, modulaire, complètement suspendue sur 4 tampon en caoutchouc.
Ailes partiellement enveloppantes, avec couverture normale ou élargie et Bavettes pare-jets et catadioptres supplémentaires.
Structure porteuse pour le montage de la cabine ou du cadre de sécurité.
Reservoir à gazole monté à l'arrière.
Capotage en 4 pieces, entierement fermé.
Slege
Capitonne, à parallelogramme et amortisseur hydraulique et accoudoirs rabattables; flexibilité et suspension réglables.
ATTELAGE
Barre a trous.
- Barre d'attelage oscillante sur secteur.
— Crochet arrêté régiable en hauteur.
— Crochet d'attelage arrêté type «Rockinger».
— Crochet d'attelage Lemoine.
— Piton pour remorques semi-portées.
— Crochet avant pour manoeuvres.
INSTALLATION ELECTRIQUE
Tension 12V
Alternateur
Puisance maximale a 2500 tr/mn du moteur, environ. . . . . . . . . . . . . . . . . . . . . . . . . . . . . Regulateur electronique de tension incorpore.
Batterie
12 volts;capacite 110/120 Ah ou 132 / 140Ah (a la decharge en 20 h) ave charge normale ou seche,soit pour service normal, soit pour service tropical.
En alternative, batterie hermetique sans entretien (voir page 56).
Démarreur
Puissance 3,4 KW (4,8 ch), avec enclementhement par relais electromagnétique.
Appareils d'éclairage
Deux phares avant à faisceau asymétrique avec lampe de 45/40 W à lumière blanche ou jaune.
Deux lanternes avant comptinant:
- feu de position (lampe de 5 W) avec verre blanc;
feu de direction (lampe de 21 W) avec verre orangé.
Deux lanternes arrêté complenant:
-
feu de position (lampe de 5 W) avec verre rouge;
-
feu de direction (lampe de 21 W) avec verre orangé;
-
feu de stop (lampe de 21 W)
avec verre rouge;
feu d'éclairage de la plaque.
Catadiptres arriere rouges.
Instruments et accessoires.
Tableau de bord a indications multiples (voir page 16).
— Prise de courant DIN à 7 pôles.
Thermostarter ou start-pilot.
- Clignotants d'urgence (feux de détresse) du tracteur et des remorques.
- Phare arrière (lampe de 35W).
TRACTEURS 70-90 DT 80-90 DT TRACTION DOUBLE
Ct 10-90 80-90 a 12 et 20 vitesses.
Pour les autres instructions, se reporter aux chaprites respectifs du livre et au tableau d'entretien joint à celui-ci.

Caracteristiques
DIMENSIONS - Modèle 70-90 DT
(avec pneumatiques avant
11.2/10-28 et arrêté 13.6/12-38)
(^*) avec cadre de sécurité mm 2600.

DIMENSIONS - Modèle 80-90 DT
(avec pneumatiques avant
11.2/10-28 et arrêté 13.6/12-38)
(^*) avec cadre de sécurité mm 2600

POIDS - Modèle 70-90 DT
En ordre de marche, avec pneumatiques 11.2/10-28 et 13.6/12-38, releavage hydraulique avec attelage, crochet de remorque, support de masses avant et cabine kg 3330
Comme ci-dessus avec masses avant (10 plaques) et 6 anneaux sur les roues arriré . kg 4160
POIDS - Modèle 80-90 DT
En ordre de marche, avec pneumatiques 11.2/10-28 et 13.6/12-38, releavage hydraulique avec attelage, crochet de remorque, support de masses avant et cabine Kg 3420
Comme ci-desus avec masses avant (10 plaques) et 6 anneaux sur les roues arriré . kg 4280
PONT AVANT
Oscillant au centre, a articulations et arbre de transmission coaxiaux places sur l'axe longitudinal du tracteur. Arbre de transmission sans joint de cardan.
Différentiel à deux satellites: rapport de réduction de couple conique 9/39
Réducteurs épicycloïdaux dans les moyeuux de roues.
Groupe de renvoi à engrenages droits sur la transmission.
Sur demande, différentiel avant du type "no spin" à blocage et déblocage automatiques (voir page 73).
Pneumatiques avant
Roues en deux pieces: voile en tôle et jante de pneumatique. Réglage de la voie par variation de l'accoulement entre jantes et voles et entre ces derniers et les moyieux de roues (4 voies au total).
(^+) Seulement modele 70-90
| dimensions des pneumatiques | Nere plis | Jantes correspondantes |
| 11.2/10-24* | 6 | W10-24" |
| 11.2/10-28 | 8 | W10-28" |
| 12.4/11-24 | 8 | W10-24" |
| 13.6/12-24 | 8 | W12-24" |
Apparieties prévus des pneumatiques
11.2/10-24 avec 16.9/14-30*
11.2/10-28 avec 13.6/12-38
12.4/11-24 avec 18.4/15-30
13.6/12-24 avec 16.9/14-34
(*) Seulement modele 70-90
DIRECTION
Volant au centre du tracteur. Direction hydrostatique commandeepar le volant, a circuit hydraulique independant (voir page 63).
Rayon minimal de braquage sans les freins, traction avant decrabotée ... m 5,3
UTILISATION DE LA TRACTION AVANT
La traction avant a pour but d'augmenter l'adherence sur terrain, les avantages qui en decourent sont particulièrement appréciables quand le tracteur travaille sur terrain accidenté, boueux, glissant, en labour en pentes ou de toute façon, en mauvaises conditions.
Effectuer le crabotage et le decrabotage du pont avant avec la poignee A et le tracteur avancant lentement et si possible avec moteur en

decélération, éviter cependant de l'effectuer en plein effort. Si en marche rectiligne la manoeuvre s'avère malaisée, braquer légèrement dans les deux sens tout en maintainant l'action sur la poignée, jusqu'à ce que la commande soit réalisée.
REMARQUE
Ne pas craboter le pont avant en transports sur routes pour ne pas accelerer l'usure des pneumatiques avant. Une usure anormale des pneumatiques peut aussi etre due a des pressions de gonflage differentes de celles prescrites.


Traction avant enclenchée (poignee A en haut).

Traction avant decrabotée (poignée A en bas).
REGLAGE DE LA VOIE AVANT
Les voles des roues avant peuvent etre montes avec la cambrure tournee vers l'intérieur ou vers l'exterieur. Pour chacune de ces positions des voiles, on peut obtenir des voies de largeur differente (como illustré a la figure).
Lors du changement des voies avant faire attention que la pointe formée par les nervvres des pneumatiques demeure orientee dans le sens de rotation en marche avant, indiquedpar une flche sur I'enveloppe des pneumatiques memes.
On peut augmenter l'angle de braquage en retardant la vis de limitation





A sur le pont, en partant des voies minimales suivantes:
1630 mm avec pneumatiques 11.2/10-24 (modèle 70-90DT);
- 1730 mm avec pneumatiques
11.2/10-28 et 12.4/11-24 (mod. 70-90DT et 80-90DT):
1830 mm avec pneumatiques 13.6/ 12-24 (mod. 70-90DT et 80-90DT).
Avec voies inférieures, maintainir la vis A complètement visée pour évi-ter que les pneumatiques ne tou-chent le capotage quand les roues sont braquées à fond, au labour, chaque fois que l'on entre ou sort du sillon au début et à la fin de chaque passage, et quand on se trouve par exemple dans de conditions d'oscillation maximale du pont avant.
TRACTEUR A “20 VITESSES”


Réducteur décraboté. (levier A en avant).

Réducteur enclenché (levier A en arrière).
Ce tracteur est équipé d'un réducteur supplémentaire en cascade monté entre l'embrayage et la boite 12 vitesses, ce qui donne 20 marches avant et 8 arrêté disponibles.
Pour enclencher le réducteur supplémentaire, arreter le tracteur, débrayer et tirer en arrière le levier A illustré à la figure.
CHARACTERISTIQUES
Différences par rapport aux modèles normaux et DT, voir pages 59 et 66.
Le poids augmente de 15 kg par rapport au modele à 12 vitesses.

VITESSES, en km/h, avec moteur au régime de puissance maximale
| Vitesses | Pneumatiques arrêté | |||
| Mod. 70-90 | Mod. 70-90/80-90 | |||
| 16.9/14-30 | 18.4/15-30 | 13.6/12-38 | 16.9/14-34 | |
| 1ère Rampante | 0,3 | 0,3 | 0,3 | 0,3 |
| 2ème » » | 0,5 | 0,5 | 0,5 | 0,5 |
| 3ème » » | 0,6 | 0,6 | 0,6 | 0,6 |
| 4ème » » | 0,9 | 0,9 | 1,0 | 1,0 |
| 1ère Moyenne réduite | 0,7 | 0,7 | 0,8 | 0,8 |
| 2ème » » | 1,1 | 1,1 | 1,2 | 1,2 |
| 3ème » » | 1,3 | 1,4 | 1,4 | 1,4 |
| 4ème » » | 2,1 | 2,2 | 2,3 | 2,3 |
| 1ère Lente | 1,7 | 1,6 | 1,8 | 1,8 |
| 2ème » | 2,6 | 2,7 | 2,8 | 2,8 |
| 3ème » | 3,1 | 3,3 | 3,4 | 3,4 |
| 4ème » | 5,0 | 5,2 | 5,4 | 5,4 |
| 1ère Moyenne | 3,9 | 4,1 | 4,2 | 4,2 |
| 2ème » | 6,0 | 6,3 | 6,5 | 6,5 |
| 3ème » | 7,3 | 7,7 | 7,9 | 7,9 |
| 4ème » | 11,7 | 12,3 | 12,6 | 12,6 |
| 1ère Rapide | 9,2 | 9,6 | 9,9 | 9,9 |
| 2ème » | 14,1 | 14,8 | 15,2 | 15,2 |
| 3ème » | 17,3 | 18,2 | 18,7 | 18,7 |
| 4ème » | 27,5 | 28,9 | 29,7 | 29,7 |
| 1ère AR lente | 0,8 | 0,8 | 0,8 | 0,8 |
| 2ème » » | 1,2 | 1,3 | 1,3 | 1,3 |
| 3ème » » | 1,5 | 1,5 | 1,6 | 1,6 |
| 4ème » » | 2,3 | 2,4 | 2,5 | 2,5 |
| 1ère AR rapide | 4,3 | 4,5 | 4,7 | 4,7 |
| 2ème » » | 6,6 | 7,0 | 7,2 | 7,2 |
| 3ème » » | 8,1 | 8,5 | 8,8 | 8,8 |
| 4ème » » | 12,9 | 13,6 | 13,9 | 13,9 |


Inverseur au point neutre (marches avant, levier A en avant)

Inverseur enclenché (marches arriere, levier A en arriere).

TRACTEUR AVEC INVERSEUR
Le tracteur avec inverseur dispose de 12 vitesses avant et de 12 marches arrriere; il est equipope d'un groupe réducteur-inverseur situé entre l'embrayage et la boîte à 12 vitesses qui n'a pas de marches arrrière R.
Pour inverser le sens de marche, arreter le tracteur et déplacer le levier A en arrête pour obtenir les marches arrête ou en avant pour decraboter l'inverseur et obtenir les marches avant.
CHARACTERISTIQUES
Differences par rapport au modele normal et DT, voir pages 59 et 66. Le poids augmente de 20~kg par rapport au modele a 12 vitesses.
VITESSES
Ci-dessous sont mentionnées les vitesses en km/h en marche arrière, avec moteur au régime de puissance maximale. Les vitesses avant sont les mêmes que pour le modele normal.
| Vitesses | Pneumatiques arrêté | |||
| Mod. 70-90 | Mod. 70-90/80-90 | |||
| 16.9/14-30 | 16.9/14-34 | 18.4/15-30 | 13.6/12-38 | |
| 1ère Lente | 1,7 | 1,8 | 1,8 | 1,8 |
| 2ème » | 2,6 | 2,8 | 2,7 | 2,8 |
| 3ème » | 3,1 | 3,4 | 3,3 | 3,4 |
| 4ème » | 5,0 | 5,4 | 5,3 | 5,4 |
| 1ère Moyenne | 3,9 | 4,2 | 4,1 | 4,2 |
| 2ème » | 6,0 | 6,5 | 6,3 | 6,5 |
| 3ème » | 7,3 | 7,9 | 7,7 | 7,9 |
| 4ème » | 11,7 | 12,6 | 12,3 | 12,6 |
| 1ère Rapide | 9,2 | 9,9 | 9,6 | 9,9 |
| 2ème » | 14,1 | 15,2 | 14,8 | 15,2 |
| 3ème » | 17,3 | 18,7 | 18,2 | 18,7 |
| 4ème » | 27,6 | 29,8 | 29,0 | 29,8 |
TRACTEUR avec dispositif NO SPIN
ATTENTION
En cas d'intervention sur le pont ou sur les roues AV, avant de soulever l'avant du tracteur, arreter le moteur et engager une vitesse, puis bloquer le frein a main.
Soyez tres prudent sur les sols glissants, specialement en descente pour eviter les derapages lateraux. En cas de derapage lateral, ne pas freiner mais decelerer en relachant I'accelerateur.
Ne pas utiliser le tracteur si, en marche rectiligne, une des roues reste en permanence décrabotée. Avoir une seule roue en traction, outre que cela cause des problèmes de direction, entraîne une perte de performance.
En descente, utiliser une vitesse lente spécialement en virage, car avec pont AV équipé du NO SPIN, la capacité de freinage du tracteur est réduite dans les courbes.
Les deux pneumatiques doivent toujours avoir la même circonférence. Contrôler pour cela que la pression de gonflage est correcte (voir page 75).

Le groupe NO SPIN, s'il est monté sur votre tracteur, se trouve à l'intérieur du carter support de la couronne conique du pont avant, à la place du différentiel conventionnel. Le NO SPIN, constitue essentiellement d'un groupe de manchons cannelés et d'anneaux dentés qui agissant comme un double joint à dents frontales à engagement et dégagement automatiques replit les fonctions suivantes:
- il permet d'exploiter l'effort de traction disponible au pont avant;
- il évite que la perte d'adherence d'une des roues limite ou annule
I'effort de traction exercé par la roue opposée encore en traction;
- il permet aux roues de tourner à des vitesses différentes pour couvir des parcours inégaux que doivent effectuer les roues en virage ou sur terrain mouvement.
Lorsque le tracteur avance de façon rectiligne sur terrain uniforme, aussi bien en marche avant qu'en marche arrrière, le NO SPIN maintain les deux roues solidaires de la couronne conique et permet au pont AV d'exercer l'effort de traction en imprimant aux roues la même vitesse de rotation.
Le groupe agit de la même façon également dans d'autres conditions de travail par exemple en virage de large rayon, où il se comporte comme un différentiel bloqué, à condition que les roues qui tournent à la même vitesse restent en traction. Dans que la roue extérieure Freine, elle agit sur le NO SPIN, dégage son demi-essieu et continue à tourner folle.
Si une des roues perd de l'adherence ou n'adhere plus au sol, l'autre roue du pont continue à exercer le même effort de traction qu'elle transmettaitAAParavant.
Avec le tracteur en virage ou avec une roue avant qui franchit un obstacle, la roue extérieure à la courbe ou celle qui suit le profil de l'obstacle, devant parcourir une trajectory plus longue et par conséquent tourner à une vitesse supérieure, se dégage automatiquement, franchit la courbe et l'obstacle «librement» et se réenclenche d'elle-même lorsqu'elle tourne à la même vitesse que la roue opposée.
Comme precedemment décrit, les prestations d'un tracteur avec pont AV équipé du NO SPIN sont différentes d'un DT avec différentiel clas

Les pneumatiques de rayons différents dus à l'usure ou à une différence de pression de gonflage peuvent entrainer des cliquetis continues, même lorsque le tracteur travaille en ligne droite. Cet inconveniient peut être supprimé en accouplant correctement les pneumatiques et en contrôlant la pression régulièrement.
Si l'encliquetage continue, ajuster la pression des pneumatiques de facon à rendre égale la distance A entre le sol et le bord de la jante comme illustré à la figure.

Périodiquement, à peu pres tous les 3 mois, vérifier le fonctionnement du NO SPIN de la façon suivante:
— moteur arrêté, engager une vitesse et la traction avant; serrer le frein à main et soulever l'avant du tracteur;
tourner en avant les deux roues pour annuler le jeu, maintainir bloquée la roue droite et tourner la gauche en arrière: le NO SPIN se dégage en la laissant tourner librement avec un tic-tac metallique;
- arrête la roue gauche et la tournier légrement en avant: le NO SPIN se réenclenche et bloque la roue;
— tourner en arriré les deux roues jusqu'à annuler le jeu, maintainir bloquée la roue droite et tourner en avant la roue gauche, le NO SPIN se dégage en la laissant tourner librement avec un tic-tac métallique;
- arrêté la roue gauche et la tournier légarement en arrière: le NO SPIN se réenclenche et bloque la roue;
— repeter les opérations ci-dessus en maintainant bloquée la roue gauche.

13510
TRACTEUR avec cabine comport rechauffee et ventilée

Cette section du livre traite exclusivement de l'utilisation de la cabine rechauffee et ventilée et des caractéristiques de construction qui diffèrent par rapport au modele standard.
Pour les autres instructions, se reporter aux chapitres respectifs du livre et au tableau d'entretien joint à celui-ci.


PORTES
Ouverture de l'extérieur. La serrure étant déverrouillée, actionner la poignée A.
Ouverture de l'intérieur. Pousser en avant le levier B.
Verrouillage de l'extérieur. Les deux portes sont munies de serrures à clé, ce qui permet la fermetre aussi bien du côte droit que du côte gauche.
Verrouillage de l'intérieur (seulement du cote droit). Tirer en arriere le levier B exclusivement porte fermée.
LUNETTE ARRIERE
Pour l'ouvrir, tournier la poignee C. La lunette est maintainue ouverte par les amortisseurs D.
VITRES LATERALES OUVRABLES
Pour les ouvrir, tourner la poignée E vers le haut et pousser vers l'extérieur. Les maintainir en position ouverte en bloquant la poignée dans son logement.


LAVE-GLACE
Fonctionne avec la clé du contacteur page 20 en position 1. Pour l'actionner, appuyer sur l'interrupteur E.
En cas de jet defecteux du giclure, nettoyer les orifices de sortie du liquide à l'aide d'une épingle.
Si nécessaire, corriger l'orientation du giclaur pour que le jet frappe le pare-brise au sommet de I'arc decrit par le balai d'essuie-glace.

Nota-Pour les appoints voir le Tableau d'entretien joint a ce livre.
ESSUIE-GLACE
Pour démonter le balai d'essuie-glace, dévisser la vis indiquée.
F = Levier de commande d'essuèglace.
(Fonctionne avec la clé du commutateur page 20 en position 1).
Position 0 = repos.
Position 1 =fonctionnement.
PLAFONNIER DE CABINE
(Fonctionne avec la clé du contacteur page 20 en position 1).
Pour l'allumer, utiliser l'interrupeur A.
Position 1 = plafonnier eteint.
Position 2 = plafonnier allumé.


VENTILATION
Utiliser la ventilation en commandant l'interrupteur L et orienter le flux d'air en positionnant correctement les deflecteurs M.
L'air peutvenir del'extérieur ou del'intérieur de la cabine en agissant sur les deflecteurs de recyclage d'air N, qui peuvent occuper deux positions:
deflecteurs fermes, l'air provient de l'extérieur a travers l'ouverture frontale R.

deflecteurs ouverts, l'air provient en grande partie de l'intérieur à travers les déflecteurs.
Dans ces deux cas, l'air admis dans la cabine est toujours filtré.
Le ventilateur électric fonctionnant, les portes, les diffuseurs de recyclage et les vitres fermées, la pression interieure de la cabine est supérieure à la pression extérieure, l'air ne peut pénétre que par l'ouverture R après filtrage.
Ventilateur électriche
L'interrupteur L de commande du ventilateur est sous tension lorsque la clé du contacteur page 20 est dans la position 1.
1 - Arret.
2 - Faible vitesse.
3 - Grande vitesse.

DANGER

On rappelle que le filtr de la cabine n'est pas concu pour les pesticides en general. Par ce fait, une protection absolue contre ces produits ne peut etre assurer qu'en adoptant les mesures particulieres que comptent les caractéristiques specifiques de nocivite de chaque produit.

CHAUFFAGE
La poignee P permet de regler la tempereature de l'air chaud en diminuant ou en augmentant la circulation du liquide venant du moteur et a I'aide du ventilateur electrique L (page 80) de varier la quantite d'air admis dans la cabine par les deflecteur M et N (page 80).
Pour varier la température de l'air chaud, utiliser la poignée P.
Poignée de réglage de température P.
Déplacer la poignée dans la position verticale pour interrompre la circulation de l'eau chaude dans la cabine.
LAVAGE DU CIRCUIT DE CHAUFFAGE
Le circuit de chauffage utilise pour son propre fonctionnement le liquide de l'installation de refroidissement du moteur, en le prélevant à la sortie du moteur, avant le radiateur.
NOTA - La capacité du circuit de refroidissement du moteur (comprénant le circuit de chauffage de la cabine) est de 16 litres.
Les caractéristiques du melange sont mentionnées page 55. Pour le lavage de l'installation, procédér comme déscrit page 55 en se souvenir que la vidange compte du circuit s'effectue en tournant la poignée de réglage de température P en position horizontal.
Pour effectuer la replisage du circuit de refroidissement et de l'installation de chauffage de cabine:
- replir le radiateur avec une melange d'eau et de liquide FIAT "PARAFLU 11" et fermer le bouchon de replissage;
fermer le robinet du rechauffeur (poignee P en position verticale sur le secteur rouge),mettre le moteur en marche et le faire fonctionner a mi-regime de 5 à 10 minutes (cette opération étant nécessaire pour rechauffer pre-alablement le liquide du circuit de refroidissement du moteur);
enlever le bouchon supérieur du radiateur, ouvrir le robinet du réchauffeur (poignée P sur le securer rouge, en position horizontal) et faire fonctionner le moteur à plein régime pendant 5 minutes environ; - le moteur tournant a régime élevé, faire l'appoint dans le radiateur, puis remetre en place le bouchon de replissage.

INSTALLATION ELECTRIQUE Scheme de l'installation électrique pour tracteurs équipés de cabine.
Differe du schema de la page 59 par l'adjonction de ce qui suit:
Au fusible 7 du boitier de fusibles.
- Fusible (25A) de protection de l'essuie-glace, lave-glace, ventilateur et plafonnier.
- Moteur d'essuie-glace à une vitesse.
- Plafonnier.
- Interrupteur de commande de ventilateur.
- Interrupteur de commande de la-ve-glace.
- Pompe électrique du lave-glace.
- Groupe de ventilateur.
- Résistance.
- Fusible.
TRACTEUR avec cabine superconfort rechauffee et ventilée

Cette section du livre traite exclusivement de l'utilisation de la cabine rechauffee et ventilée, et déscrit les caractéristiques de construction qui diffèrent par rapport au modele standard.
Pour les autres instructions, se rapporter aux chapitres respectifs du livre et au tableau d'entretien joint à celui-ci.


PORTES
Ouverture de l'extérieur. La serrure étant déverrouillée, actionner la poignée A.
Ouverture de l'intérieur. Pousser en avant le levier B.
Verrouillage de l'extérieur. Les deux portes sont munies de serrures à clé, ce qui permet la fermeture aussi bien du côte droit que du côte gauche.
Verrouillage de l'intérieur (seulement du cote droit).Tirer en arriere le levier B exclusively porte fermée. Il est en outre possible de bloquer les portes en position ouverte en plaçant les tirants avec manchon de blocage C dans les boutonnieres prévues au cote interne de la serrure.
LUNETTE ARRIERE
Pour l'ouvrir, tourner la poignee D. La lunette est maintainue en position ouverte par les amortisseurs E.


LAVE GLACE
Fonctionne avec la clé du commutateur B page 20 en position 1. Pour l'actionner, appuyer sur l'interrupeur F.
En cas de jet defectieux du gicleur, nettoyer les orifices de sortie du liquide a I'aide d'une epingle. Si necessaire, corriger l'orientation du gicleur pour que le jet frappe le pare-brise ou sommet de I'arc decrit par le balai d'essuie-glace.

NOTA - Pour les replissages, voir la Tableau d'entretien joint au livre.
RIDEAU PARE-SOLEIL
Pour le dérouler, tirer le linguet indiqué sur la figure; il s'enroule tout seul en poussant le levier latorial vers le bas comme indiqué sur la figure.
ESSUIE-GLACE
Pour démonter le balai d'essuie-glace, dévisser les vis indiquées.
Poussoir G de commande d'essuie-glace à deux vitesses.
(Fonctionne avec la clé du commutateur B, page 20, tournée en position 1).
-
- Vitesse lente.
- -Vitesse rapide.




VITRES LATERALES OUVRABLES
Pour les ouvrir, tourner la poignée vers le haut.
CENDRIER
L'ouverture est réalisée en basculant son couvercle en bas. Pour le nettoyage, déposer le dendrier complet en pressant la plaquette écrasémégots.
PLAFONNIER DE CABINE
Pour l'allumer, presser l'écran comme indiqué sur la figure; pour l'éteindre, presser l'écran une seconde fois.
TRAPPE
Pour l'ouvrir, faire tourner la poignée H.
La trappe est maintainue ouverte par ses amortisseurs.


VENTILATION
Utiliser la ventilation en commandant l'interrupteur L et orienter le flux d'air en positionnant correctement les diffuseurs M (au nombre de 2 dans la version etroite).
L'air peut venir de l'extérieur ou de l'intérieur de la cabine par les diffuseurs de recyclage d'air N, qui peuvent prendre deux positions:
diffuseurs fermes: l'air vient de l'extérieur a travers les ouvertures laterales R;
diffuseurs ouverts: la plus grande quantité d'air vient de l'intérieur à travers les diffuseurs.

Dans ces deux cas, l'air admis dans la cabine est toujours filtré.
Le ventilateur electrique fonctionnant, les portes et les vitres fermées, la pression interieure de la cabine est supérieure à la pression extérieur: l'air ne peut donc peneter que par les ouvertures R après filtrage.

DANGER

On rappelle que le filtr de la cabine n'est pas concu pour les pesticides en general. Par ce fait, une protection absolue contre ces produits ne peut etre assurer qu'en adoptant les mesures particulieres que comptent les caractéristiques specifiques de nocivite de chaque produit.
Ventilateur électriche
L'interrupteur L de commande du ventilateur electrique n'est sous tension qu'avac la clé de contact (page 20) à la position 1.
0 Repos.
Faible vitesse.
II Vitesse moyenne.
III Vitesse elevée.


CHAUFFAGE
Le levier P permet de regler la temperature de l'air chaud en diminuant ou en augmentant la circulation du liquide venant du moteur et à l'aide du ventilateur électrique L (page 87) de varier la quantité d'air admis dans la cabine par les diffuseurs M (page 87).
Pour obtenir le chauffage maximal, déplacer le levier P à droite (secteur rouge).

Déplacer à gauche le même levier pour interrompre la circulation de l'eau dans la cabine (secteur bleu).
LAVAGE DU CIRCUIT DE CHAUFFAGE
Le circuit de chauffage utilise pour son propre fonctionnement le liquide de l'installation de refroidissement du moteur, en le prélevant à la sortie du moteur, avant le radiateur.
NOTA - La capacité du circuit de refroidissement du moteur (comprénant le circuit de chauffage de la cabine) est de 16 litres.
Les caractéristiques du mélanges sont mentionnées page 55.
Pour le lavage de l'installation, procedér comme décrit page 55 en se souvenant que la vidange complète du circuit s'effectue en déplacant le levier de réglage de la température P tout à droite (secteur rouge).
Pour effectuer le remplissage du circuit de refroidissement et de l'installation de chauffage de la cabine:
- remplir le radiateur avec un mé-lange d'eau et de liquide FIAT «PARAFLU 11) et fermer le bouchon de replissage;
fermer le robinet du rechauffeur (levier P sur le secteur bleu),mettre le moteur en marche et le faire fonctionner a mi-regime de 5a10 minutes (cette opération etant nécessaire pour rechauffer prealablement le liquide du circuit de refroidissement du moteur);
enlever le bouchon supérieur du radiateur, ouvrir le robinet du réchauffeur (levier P sur le secteur rouge) et faire fonctionner le moteur à plein régime pendant 5 minutes environ; - le moteur tournant a régime élevé, faire l'appoint dans le radiateur, puis remetre en place le bouchon de replissage.
SIEGE SUPER DE LUXE
Pour régler la suspension et la distance par rapport aux commandes, voir la figure de la page 48.
PREDISPOSITION POUR MONTAGE AUTORADIO (sur demande).
Pour améliorer le comport du conducteur, la cabine peut être pré-disposée pour le montage d'un poste de radio stéropheonique.
La dotation, illustrée par les figures, comprehend: une antennete telscopique, une paire de haut-parleurs stéreophoniques, l'emplacement du poste de radio (pour apparèils du type démontable) et ses branchements.





Plan de cablage electrique pour les tracteurs avec cabine.
Différences par rapport au schéma de la page 59, avec l'adjonction de ce qui suit:
- Rechauffeur.
- Moteur d'essuie-glace.
- Télérupteur de commande des projecteurs auxiliaires avant.
- Télérupteur de commande des projecteurs auxiliaires arrêté.
- Condensateur de suppression de parasites autoradio.
- Commutateur d'essuie-glace.
- Poussoir de lave-glace.
- Commutateur de commande de ventilateur.
- Haut-parleurs.
- Pompe électric de lave-glace.
- Lampe avec interrupteur incorpore.
- Plaque à bornes.
- Projecteurs auxiliaires avant.
- Projecteurs auxiliaires arrêté
TRACTEUR avec cabine superconfort climatisation
Cette section du livre décrit le fonctionnement et les normes d'utilisation de la cabine climatisée équipée du conditionnement d'air. Ce système permettant d'assurer une température optimale dans la cabine, abaisse le degré hygrométrique de l'air qui peut être un facteur particulièrement génant pour le conducteur, et par conséquent, se répercute sur la sécurité de conduite du tracteur.
La cabine est équipée de glaces teintées réduisant le rayonnement du soleil qui, en période chaude, peut creer des conditions désagréables pour le conducteur.

NORMES DE SECURITE
Le conditionneur est un dispositif capable d'assurer un long service sans risque.
Pour cela, il est important de respecter quelques précautions simples, afin d'eviter les risques d'accidents.
Ne jamais toucher à l'installation: faire appel à des spécialistes.
Ne pasapprocher de flammes de l'installation de conditionnement; en cas de fuites de refrigerant un gaz mortel peut se former: le phosgene.


Le melange d'huile et de réfrigerant à l'intérieur du système est sous pression. Il faut donc absolument éviter de toucher aux raccords et canalisations.
Pour la même raison, ne jamais dévisser le bouchon de contrôle du niveau d'huile du compresseur.
Le réfrigerant peut provoquer le gel de la peau, et particulièrement des yeux.
En cas d'accident, proceder comme suit:
— si le réfrigerant a atteint les yeux, les laver immédiatement avec quelques gouttes d'huile minérale, puis
continuer à les laver soignement avec une solution d'acide borique et d'eau (une petite cuiller d'acide dans 1/4 de tasse d'eau) et appeler immédiatement un médecin;
les gels provoques par le réfrigerant liquide peuvent être traités en rechauffant progressivement la peau avec de l'eau froide et en appliquant ensuite une crème grasse.
Dans tous les cas, appeler rapidement unmedicine.
Ne pasapprocher l'installation de conditionnement de sources de chaleurafin d'eviter les risques d'éclatement.

COMMANDES

A. - Poignée de commande du conditionnéur.
Fonctionne avec la clé de contact en position de démarrage.
La commande du ventilateur electrique étant dans une des positions I - II - III, la tourner vers la droite pourmettre le conditionneur en marche;plus on tourne la commande vers la droite, plus on diminue la temperature dans la cabine.
B. - Levier de commande du réchauffeur.
Lechauffage maximal estrealised aveccelevier toutadroite (plagerouge).
A l'extrémité gauche (plage bleue) le levier B exclut le fonctionnement du rechauffeur en coupant l'arrivée d'eau chaude.
C. - Poignée de commande du ventilateur électrique à 3 vitesses.
Fonctionne avec la clé de contact en position de démarrage.
O. - Repos
I. -Faible vitesse
II. -Vitesse moyenne
III. - Vitesse elevée
FONCTIONNEMENT

A. Compresseur - B. Condenseur - C. Filtré déshydrateur - D. Soupape d'expansion - E. Evaporateur.
Le cycle de fonctionnement est le suivant.
Le réfrigerant arrive à l'etat gazeux sous faible pression au compresseur, qui l'envoie sous pression élevée au condenseur: grâce au refroidissement de l'air extérieur le gaz passé à l'etat liquide.
Le fluide traverse le filtré déhydrateur, ayant la fonction d'éliminer toute trace d'eau, pour atteindre la soupape d'expansion où il est soumis à une baisse soudaine de pression.
Le fluide arrive finalement à l'évaporateur où il returne à l'état gazeux en absorbant la chaleur à l'intérieur de la cabine, avec refroidissement de cette dernière.
Le réfrigerant revient alors au compresseur où commence un nouveau cycle.
UTILISATION
L'installation de conditionnement permit d'obtenir de l'air frais ou de l'air chaud sans humidité.
Le fonctionnement se fait de la façon suivante.
REMARQUE
Moteur arrêté, le conditionner ne fonctionne pas, le compresseur étant entrainé par le moteur.
MISE EN MARCHE
Moteur en marche et ventilateur électrique en circuit, tourner la poignée A, page 93, au premier cran pourmettre le conditionneur en fonction.
REMARQUÉ
Mettre toujours le ventilateur en circuit avant d'actionner le conditionneur; dans le cas contraire celui-ci ne démarre pas.
Après quelques minutes de fonctionnement, levoyant au sommet du filtré déhydrateur doit être clair et sans bulle d'air. Si cela ne se vérifie pas, arrêté le système et s'adresser à des spécialistes.
REGLAGE
Pour réaliser une climatisation correcte de la cabine, pendant le fonctionnement du conditionneur garder toujours les prises d'air internes ouvertes, les portes, la trappe et la lunette AR fermées.
Pour réduire la température dans la cabine, de même que le degré d'humidité de l'air, déplacer le levier B, page 93, tout à gauche (plage bleue) et tournier la poignée A vers la droite pour atteindre la température voulue.
REMARQUE
Avant de démarrer le moteur, s'assurer que le conditionnéur n'est pas en circuit.
NOTA - Si dans des millieux très poussièreux il est nécessaire d'augmenter la pressurisation de la cabine afin d'éviter des infiltrations de poussière à l'intérieur, il y a lieu de fermer les prises d'air internes.
Par contre, si l'on peut simplement éliminer l'humidité dans la cabine, sans par ailleurs réduire la température de l'air, déplacer le levier B à droite (plage rouge) jusqu'à atteindre la température voulue.
Après un long arrêt en plein soleil, pour ramener la température à la valeur correcte dans la cabine, tracteur en marche,mettre le conditionneur en fonction et ouvrir,pendant une minute environ,la lunette AR ou la trappe afin d'évacuer l'air trop chaud.
ARRET
Avant d'arreter le moteur, arreter d'abord le conditionneur en tournant la poignee A en position stop et l'interrupteur du ventilateur en position 0.

Scheme de l'installation electrique pour tracteurs avec cabine climatise.
Differe du schema page 59 par ce qui suit, en plus:
- Conditionneur.
- Moteur d'essuie-glace.
- Télérupteur de commande des projecteurs auxiliaires avant.
- Télérupteur de commande des projecteurs auxiliaires arrêté.
- Condensateur de suppression de parasites pour autoradio.
- Thermostat du conditionneur.
- Commutateur d'essuie-glace.
- Poussoir de lave-glace.
- Commutateur de commande de ventilateur.
- Haut-parleurs.
- Pompe électric du lave-glace.
- Lampe avec interrupteur incorpore.
- Joint electromagnetique d'enclenchement du compresseur.
- Pressostat de maximum.
- Pressostat de minimum.
- Plaque à bornes.
- Projecteurs auxiliaires avant.
- Projecteurs auxiliaires arrriere.
CHARACTERISTIQUES
Fluide réfrigerant FREON 12
- Quantité 1,8 kg
Compresseur.. SANKYO SD 508 HD
—Nombre des cylindres 5
Cylindree 137,6 cm3
Puissance thermique à la tempé
ture ambiente de 35^ ....4500 kcal/h
Débit d'air du ventilateur à la 3°me vi-tesse 8 à 8,5 m³/mn
LONGUE INACTIVITE DU CONDITIONNEUR
Mettre le conditionneur en marche au moins une fois par semaine, afin d'assurer le graissage des organes du système.
Chaque fois que le tracteur est utilisé par des températures inférieures à 10^ , faire fonctionner le conditionner au moins 5 minutes, une fois par jour.
Variantes et accessories fournis sur demande
Dans cette notice sont traités tous les éléments pouvant équiper votre tracteur, y compris les variantes et accessoires sur demande enumerated ci-après:
Start-pilote.
Inverseur mecanique.
- Réducteur supplémentaire.
Filtrecancateuracombustible (application en cours).
- Préfiltre à air sur le capot.
- Différentiel avant type NO-SPIN.
— Embout de prise de force 1 34 à 6 cannelures.
Filtre a air sec.
Blocs de limitation de débutement latorial des bras de traction.
- Logement de levier à main de frein de remorque.
Dispositif d'attelage des outils à accrochage rapide.
- Bras de traction à extrémité téléscopique.
Prise de force 540/1000 tr/mn.
- Distributeurs auxiliaires pour commande à distance.
- Embouts rapides âs branchement sous pression pour distributeurs auxiliaires.
- Distributeur pour freinage hydraulique des remorques.
Dispositif d'attelage.
— Lestage.
- Projecteur arrêté.
— Garde-boue avant.
Bavettes garde-boule laterales.
- Coin pour calage du tracteur.
Cadre de sécurité avec toit.
Cabine comfort, etroite et large.
Cabine superconfort chauffée et ventilée, étroite et large ou climatisation étroite équipée des variantenes suivantes sur demande:
pare-brise stratifié;
- vitres atheriques teintées;
- projecteurs auxiliaires (avant et arrêté);
- siege super de luxe;
- prédisposition pour montage autoradio.
Longue inactivité du tracteur
Lorsque vous tracteur doit rester inactif pendant plus d'un mois, il est bon de prendre les précautions suivantes.
Le moteur est equipoed'une pompe d'injection rotative, s'en tener pour cela aux instructions reportees a la page 53.
Protégér le moteur de la façon suivante:
a. Pour une période d'inactivité d'environ un mois: ne pas prendre de précautions particulières si l'huile n'a pas plus de 100 heures de travail. Si par contre, le replissage a eté fait depuis un temps supérieur, procédé comme indiqué au point b.
b. Pour des périodes d'arret supérieures à un mois: vidanger l'huile, moteur chaud, faire le plein à l'aide d'huile FIAT AMBRA SUPER et faire fonctionner le moteur à régime moyen pendant quelques minutes.
c. Déposer la cartouche extérieure du filtré à air et la nettoyer suivant les indications du «Tableau d'entretien」joint à ce livre.
d. Ne pas vidanger le circuit de refroidissement du moteur; en période d'hiver, s'assurer que le mélange d'eau et de liquide antigel FIAT «PA-RAFLU 11», qui est dans le circuit, est dans les proportions prescrites. Pour cela, s'en tener aux indications de la page 55.
Proceder au nettoyage general du tracteur et le garer dans un local non poussiereux, ni humide.
■ Remplir complètement le réservoir de gazole.
Demonter la batterie et la ranger dans un local ventilé ou la température ne soit jamais inférieure à 10^ ; la protégger en outre contre les rayons du soleil. Vérifier sa charge tous les mois et, au besoin, la re-charger.
Disposer sous les essieux des chandelierles ou autres supports, afin de maintainir le roues au dessus du sol. Le tracteur étant soulevé, il est recommendé de dégonfler les pneumatiques.
Si possible, recouvrir le tracteur d'une bache.

ATTENTION

Lors de la remise en marche du moteur après la période d'inactivité, rélire les instructions données page 20 pour le démarrage du moteur.
Table des matieres
| page | page | page | |||
| Service d'assistance | 4 | Réglage des voies | 38 | CARACTERISTIQUES | 59 |
| Identification du tracteur | 7 | Réglage des voies sur voles àrampé hélicoïdale | 40 | TRACTEURS 70-90 DT et80-90 DT | 65 |
| Pour travailler en sécurité | 8 | Lestage | 42 | ||
| Dispositif d'attelage | 45 | Caracteristiques | 66 | ||
| COMMANDES ET INSTRUMENTS | 15 | — Réglage du siège | 48 | Utilisation de la traction avant | 68 |
| — Réglage du volant de direction | 48 | Réglage de la voie avant | 69 | ||
| Instruments du tableau debord | 17 | TRACTEUR A "20 VITESSES" | 70 | ||
| Tablier des commandes | 19 | TRACTEUR avec inverseur | 72 | ||
| ENTRETIER | 49 | ||||
| REGLES D'UTILISATION | 20 | Quand effectuer l'entretien | 49 | TRACTEUR avec groupe NOSPIN | 73 |
| Démarriage et arrêt | 21 | Purge du circuit d'huile des freins | 54 | ||
| Boîte de vitesses et réducteur | 23 | Purge du circuit de combustible | 52 | ||
| Prise de force | 24 | Circuit de refroidissement du moteur | 55 | TRACTEUR avec cabineconfort chauffée et ventilée | 77 |
| Relevage hydraulique | 29 | ||||
| Guide d'utilisation du releavagehydraulique | 31 | TRACTEUR avec cabine su-percomfort chauffée et ventilée | 83 | ||
| Attelage des outils du releavage | 33 | ||||
| Position de montage des brasde traction | 34 | Installation électrique | 56 | ||
| Réglage de l'attelage desoutils | 34 | — batterie | 56 | TRACTEUR avec cabine su-percomfort climatisée | 91 |
| Attelage des outils à accro-chage rapide | 35 | — notes sur l'installation de chargede la batterie | 57 | ||
| Distributeurs auxiliaires pourcommande à distance | 36 | — réglage des projecteurs avant | 58 | Variantes et accessoires four-nis sur demande | 97 |
| — schéma de l'installation électrique | 59 | Longue inactivité du tracteur | 98 |
Toute reproduction même partie des textes et des illustrations est interdite.
les données de cette notice sont fournies a titre indicatif et pourraient se révêler caduques à la suite de modifications apportées par Fiat Trattori, a n'importe quel moment, pour des raisons techniques ou commerciales ainsi que pour satisfaire aux normes en vigueur dans les différents Pays. Pour toute information nous prions le client de bion vouloir s'adresser au Concessionnaire ou à la filiale FIATAGRI les plus proches.

FIAT
Trattori
Imprimé N. 603.64.035.00
Notice Facile