MODE D'EMPLOI Barchetta (2003) FIAT
Nous vous remercions d'avoir préféré Fiat et nous vous félicitons d'avoir choisi une Fiat barchetta.
Fiat barchetta est une voiture à la ligne originale, pensée pour vous garantir le maximum de sécurité, un grand plaisir de conduite et une compatibilité totale avec l'environnement
Nous avons mis au point cette notice pour que vous puissiez connaître votre Fiat barchetta. dans les moindres détails et l'utiliser de la manière la plus correcte. Nous vous recommandons de bien vouloir la lire attentivement avant de prendre pour la première fois le volant de votre nouvelle voiture. La notice renferme une foule de renseignements, prescriptions et conseils importants qui vous aideront à profiter à fond des qualités techniques de votre Fiat barchetta.
Rappelons également l'objectif Fiat du "recyclage total": au terme de son cycle de vie, la voiture subira un traitement écologique et tous ses composants seront recyclés. Lorsque Votre Fiat barchetta devra être mise à la casse, Fiat s'engage, à travers son propre Réseau de vente, à faire en sorte que votre voiture soit entièrement recyclée. L'avantage est double: rien n'est perdu ni dispersé et, par conséquent, le besoin d'extraire des matières premières est moindre.
Il est recommandé de lire attentivement les instructions au bas de la page, précédées par les symboles:

Sécurité des personnes;

Intégrité de la voiture;

Protection de l'environnement.
Dans le CARNET DE GARANTIE ci-joint vous trouverez également les Services offerts par Fiat à ses Clients:
- le Certificat de garantie comportants les délais et les conditions d'application de la garantie
- la gamme des services complémentaires réservés aux Clients Fiat.
Alors, bonne lecture et bonne route!
A LIRE ABSOLUMENT!
RAVITAILLEMENT EN CARBURANT

Ravitailler la voiture uniquement avec de l'essence sans plomb ayant un indice d'octane (RON) non inférieur à 95.
DEMARRAGE

S'assurer que le frein à main est bien serré; placer le levier de sélection des vitesses au point mort; appuyer à fond sur la pédale d'embrayage sans appuyer sur l'accélérateur, puis tourner la clé de contact sur AVV et la relâcher dès que le moteur commence à tourner.
STATIONNEMENT SUR MATERIEL INFLAMMABLE

Pendant le fonctionnement le pot catalytique développe des températures élevées. Par conséquent, ne pas garer la voiture sur l'herbe, les feuilles mortes, les aiguilles de pin ou d'autres matériels inflammables: danger d'incendie.
RESPECT DE L'ENVIRONNEMENT

La voiture est doté d'un système permettant d'effectuer un diagnostic continu des composants liés aux émissions afin de garantir un plus grand respect de l'environnement.
APPAREILS ELECTRIQUES ACCESSOIRES

Si après l'achat de la voiture vous souhaitez installer des accessoires nécessitant une alimentation électrique (entraînant le risque de décharger progressivement la batterie), adressez-vous au Réseau Après-vente Fiat qui en calculera l'absorption électrique globale et vérifiera si le circuit de la voiture est en mesure de fournir la charge demandée.
CODE card

Il faut la garder en lieu sûr, pas dans la voiture. Il est prudent de garder toujours sur soi le code électronique reporté sur la CODE card au cas où il faudrait effectuer un démarrage de dépannage.
ENTRETIEN PROGRAMME

Un entretien correct permet de garder inaltérées dans le temps les performances de la voiture et ses caractéristiques de sécurité, de respect de l'environnement et ainsi que les coûts d'exercice réduits.
DANS LA NOTICE D'ENTRETIEN...

... vous trouverez des informations, des conseils et des notes importants pour l'emploi correct, la sécurité de conduite et le maintien dans le temps de votre voiture. Prêtez une attention particulière aux symboles ▲ (sécurité des personnes) ⚠ (protection de l'environnement) ▲ (intégrité de la voiture).
SOMMAIRE
FAITES CONNAISSANCE AVEC VOTRE VOITURE
CONDUITE
S'IL VOUS ARRIVE
ENTRETIEN DE LA VOITURE
CARACTERISTIQUES TECHNIQUES
INSTALLATION DES ACCESSOIRES
INDEX ALPHABETIQUE
FAITES CONNAISSANCE AVEC VOTRE VOITURE
Nous vous conseillons de lire ce chapitre confortablement installé à bord de votre nouvelle Fiat barchetta. Il vous sera ainsi plus facile de reconnaître les parties décrites dans la notice et de vérifier “en direct” ce que vous venez de lire.
Vous vous familiariserez très rapidement avec les commandes et les équipements de votre Fiat barchetta. Lorsque vous mettrez le moteur en marche et que vous circulerez à bord de la Fiat barchetta, vous découvrirez bien d'autres choses encore. Des choses fort agréables.
TABLEAU DE BORD 7
Pour plus de détails voir "Index Alphabétique".
TABLEAU DE BORD
La présence et la position des instruments et des témoins peuvent varier suivant les versions.

text_image
1
2
3
4
5
6
1
13
10
12
11
10
P5S10031m
fig. I
- Aérateurs orientables - 2. Levier de commande d'éclairage extérieur - 3. Instruments de bord et témoins - 4. Levier de commande de lave-essuie-glace - 5. Aérateur de pare-brise - 6. Boîte à gants - 7. Interrupteur de feux de détresse - 8. Autoradio - 9. Commandes de chauffage, ventilation et climatisation - 10. Klaxon - 11. Manette de blocage du volant - 12. Air bag conducteur - 13. Manette de déverrouillage du capot.
INSTRUMENTS DE BORD

text_image
A
B
C
fig. 2
P5S10032m

text_image
MPB
A
B
C
fig. 3
P5S10033m
VERSION A COMPTEUR KILOMETRIQUE
A - Tachymètre (indicateur de vitesse) et compteur kilo-métrique
B - Compte-tours
C - Thermomètre du liquide de refroidissement moteur et jauge de carburant.
VERSION A COMPTEUR DE MILES
A - Tachymètre (indicateur de vitesse) et compteur de miles
B - Compte-tours
C - Thermomètre du liquide de refroidissement moteur et jauge de carburant.
SYMBOLOGIE
Sur certains composants de votre Fiat barchetta, ou à proximité de ceux-ci, sont appliquées des étiquettes spécifiques colorées, dont la symbologie est destinée à attirer votre attention sur les précautions à prendre vis-à-vis du composant en question.
On énumère, ci-après, tous les symboles prévus par l'étiquetage adopté sur votre Fiat barchetta avec, à côté, le nom du composant associé au symbole.
On indique également la signification représentée par le symbole, selon la subdivision de: danger, interdiction, avertissement, obligation, à laquelle le symbole appartient.
SYMBOLES DE DANGER

Batterie
Liquide corrosif.

Batterie
Explosion.

Ventilateur
Il peut s'enclencher automatiquement lorsque le
moteur est à l'arrêt.

Réservoir d'expansion
Ne pas enlever le bou-
chon lorsque le liquide de
refroidissement est bouillant.

Bobine
Haute tension.

Courroies et poulies
Organes en mouvement; n'approcher aucune partie du corps ni aucun vête-
ment.

Canalisations du climatiseur
Ne pas ouvrir.
Gaz à haute pression.
SYMBOLES D'INTERDICTION

Batterie
N'approcher aucune flamme libre.

Batterie
Tenir les enfants à distance.

Direction assistée
Ne pas dépasser le niveau maximum du liquide dans le réservoir. N'utiliser que le liquide prescrit au chapitre "Contenances".

Voiture à essence écologique
N'utiliser que de l'essence sans plomb 95 RON.

Protections de chaleur - courroies - poulies -ventilateur
Ne pas y appuyer la main.

Circuit de freins
Ne pas dépasser le niveau maximum du liquide dans le réservoir. N'utiliser que le liquide prescrit au chapitre "Contenances".

Réservoir d'expansion
N'utiliser que le liquide du type prescrit au chapitre "Contenances".

Air bag côté passager
Ne pas installer de sièges-autos tournés vers l'arrièrere sur le siège du passager avant.

Essuie-glace
N'utiliser que le liquide prescrit au chapitre "Contenances".
SYMBOLES DE DANGER

Batterie
Protéger les yeux.
SYMBOLES D'AVERTISSEMENT

Pot catalytique
Ne pas stationner sur des surfaces inflammables.
Consulter le chapitre “Sauvegarde des dispositifs réduisant les émissions polluantes”.

Moteur
N'utiliser que le lubrifiant prescrit au chapitre "Contenances".

Batterie
Cric
Consulter la Notice d'En-
LE SYSTEME FIAT CODE
Pour augmenter la protection contre les tentatives de vol, la voiture est dotée d'un système électronique de verrouillage du moteur (Fiat CODE) qui s'active automatiquement lorsque l'on enlève la clé de contact. Les clés de contact sont en effet dotées d'un dispositif électronique qui transmet un signal en en modulation de fréquence au démarrage à partir d'une antenne spéciale incorporée dans le commutateur. Ce signal modulé est l'unique "mot d'ordre" qui permet à la centrale de reconnaître la clé et de procéder au démarrage.
LES CLES fig. 4
Trois types de clés fig. I vous sont remis avec la voiture.
La clé A à anneau bordeaux est la clé "master". Elle est remise sans double et elle est nécessaire au Réseau Après-vente Fiat pour mémoriser le code d'autres clés en cas de perte ou de détérioration de celles-ci ou bien si l'on doit en faire un double. Il est donc conseillé de la garder avec soin (mais non pas dans la voiture) pour d'éventuelles utilisations dans des cas exceptionnels.
Sa perte empêche, en effet, toutes autres opérations de réparation sur le système Fiat CODE et sur la centrale de commande du moteur.
La clé B (fournie avec son double) à anneau bleu, est la clé qui est normalement utilisée; elle sert à: mettre le contact; l'ouverture/fermeture des portes; l'ouverture/fermeture de la boîte à gants; l'ouverture/fermeture du vide-poches situé sur le tunnel; la serrure du levier d'ouverture du coffre à bagages.
La clé C, à anneau bleu, fournie sans double, ne sert qu'à mettre le contact. Elle est utilisée par le personnel des garages ou ateliers pour manoeuvrer la voiture.
Avec les clés, vous est également remise une CODE card fig. 5 comportant:
A - le code électronique à utiliser en cas de démarrage de dépannage (voir "Démarrage de dépannage" au chapitre "S'il vous arrive");
B - le code mécanique des clés à communiquer au Réseau Après-vente Fiat pour obtenir un double des clés.

C - les endroits où il est possible d'appliquer les étiquettes autocollantes des télécommandes, lorsque la voiture est équipée de l'option "Alarme électronique".
Les numéros du code indiqués sur la CODE card et la clé à anneau bordeaux doivent être gardés en lieu sûr.
Il est conseillé que l'utilisateur de la voiture ait toujours avec lui le code électronique indiqué sur la CODE card, au cas où il devrait effectuer un démarrage de secours.
FONCTIONNEMENT
Chaque fois que l'on retire la clé de contact de la position STOP, ou bien PARK, le système de protection active le verrouillage du moteur.
Lors du démarrage du moteur, la clé étant sur MAR:
I) Si le code est identifié, le témoin situé sur le tableau de bord clignote pendant un très court instant; le système de protection a identifié le code de la clé et désactive le verrouillage du moteur; en tournant la clé sur AVV, le moteur démarre.
2) Si le témoin reste allumé ainsi que le témoin, le code n'est pas identifié. Dans ce cas-là, il est conseillé de remettre la clé sur STOP, puis de nouveau sur MAR; si le verrouillage persiste, essayer à nouveau avec les autres clés remises avec la voiture.
En cas de nouvel échec, procéder au démarrage de dépannage (voir au chapitre "S'il vous arrive") et s'adresser au Réseau Après-vente Fiat.
En cours de route, la clé de contact étant sur MAR:
I) Si le témoin CODE s'allume, cela veut dire que le système est en train d'effectuer un autodiagnostic (en raison d'une chute de tension, par exemple). Au premier arrêt, il sera possible de procéder au test du système: couper le moteur en tournant la clé de contact sur STOP; tourner à nouveau la clé sur MAR: le témoin CODE s'allumera et devra s'éteindre en une seconde environ. Si le témoin reste allumé, répéter la procédure précédente en laissant la clé sur STOP pendant plus de 30 secondes. Si cette situation persiste, s'adresser au Réseau Après-vente Fiat.
2) Si le témoin clignote, cela veut dire que la voiture n'a pas été protégée par le dispositif de verrouillage du moteur. S'adresser alors immédiatement au Réseau Après-vente Fiat pour faire mémoriser toutes les clés.

Des chocs violents risquent d'endommager les éléments électroniques us dans la clé.
ATTENTION Chaque clé possède son propre code, différent de tous les autres, qui doit être mémorisé par la centrale du système.
DOUBLE DES CLES
Lorsque l'on demande des clés supplémentaires, se rappeler que la mémorisation (jusqu'à un maximum de 7 clés) doit être effectuée sur toutes les clés, y compris sur celles que l'on possède déjà. S'adresser directement au Réseau Après-vente Fiat, en apportant la clé à anneau bordeaux, toutes les clés que l'on possède et la CODE card.
Les codes des clés non présentées pendant la nouvelle procédure de mémorisation sont effacés de la mémoire: cela, pour garantir que les clés éventuellement perdues ne sont plus à même de mettre le moteur en marche.

En cas de changement de propriétaire, il est indispensable que le nouveau propriétaire entre en possession de la clé à anneau bordeaux (en plus des autres clés) et de la CODE card.
ALARME ELECTRONIQUE (lorsqu'il est prévu)
Le système d'alarme électronique exerce les fonctions suivantes:
- gestion à distance du verrouillage/déverrouillage centralisé des portes;
– surveillance périphérique (en cas d'ouverture des portes, du capot ou du hayon);
– surveillance de l'habitacle.

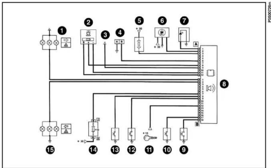
Le système d'alarme électronique de la Fiat barchetta est commandé par le récepteur fig. 6 (A bouton - B diode) situé dans le plafonnier avant et il est activé par la télécommande fonctionnant à radiofréquence.
Le système d'alarme électronique ne fonctionne qu'avec clé retirée de la position STOP ou PARK.
La centrale de contrôle du système d'alarme électronique incorpore également la sirène d'alarme à alimentation automatique; cette sirène peut être désactivée.
Pour brancher le système d'alarme électronique: presser légèrement le bouton A-fig. 7 de la télécommande. Cela déclenchera un bip sonore ainsi que l'allumage des clignotants pendant 3 secondes environ (dans les pays où la législation le permet). Pendant tout le temps où le dispositif est branché, la diode électroluminescente A-fig. 8 se trouvant sur le tunnel central clignotera.
Pour débrancher le système d'alarme électronique: appuyer à nouveau sur le bouton A-fig. 7 de la télécommande. Cela déclenchera deux bips ainsi que le clignotement par deux fois des clignotants (dans les pays où la législation le permet).
Pour désactiver la surveillance de l'habitacle: avant de brancher le système d'alarme électronique, il est également possible de désactiver la fonction de protection volumétrique en procédant comme suit: de la position STOP, mettre aussitôt la clé sur MAR puis de nouveau sur STOP. Après quoi, enlever la clé. La diode électroluminescente A-fig. 8 située sur le tunnel central s'allumera pendant 2 secondes environ pour confirmer que la fonction a bien été désactivée.
Le rétablissement de la fonction de protection de l'habitacle (avant de brancher le système d'alarme électronique) se fera en replaçant la clé sur MAR pendant une trentaine de secondes au moins ou lors du réenclenchement suivant de l'alarme.
Si, la fonction de protection de l'habitacle étant désactivée, l'on veut actionner un dispositif électrique commandé par la clé de contact (par exemple, les lève-vitres électriques), il faudra tourner la clé sur MAR, actionner la commande et remettre la clé sur STOP: on disposera pour cela d'une trentaine de secondes au maximum avant que la protection volumétrique soit rétablie.
Pour désactiver la sirène: lors du branchement du système d'alarme électronique, appuyer sur le bouton de la télécommande en maintenant la pression pendant 4 secondes environ, puis le relâcher. Cela déclenchera 5 bips pour confirmer que la sirène est désactivée et le système d'alarme branché.
AUTODIAGNOSTIC DU SYSTEME
Si, lorsque l'on branche le système d'alarme électronique, le bip sonore est suivi (après 1 seconde) d'un autre bip, il est conseillé de contrôler à nouveau le verrouillage des portes, du hayon et du capot. Puis essayer de brancher à nouveau le système d'alarme électronique. Si la situation se répète, s'adresser au Réseau Après-vente Fiat.

text_image
A
B
P5S10001m
fig. 7

La télécommande est pourvue d'un bouton A-fig. 7 et d'une diode électroluminescente B; le bouton active la commande, la diode clignote pendant que l'émetteur envoie le code au récepteur.
La télécommande fonctionne à radiofréquence et elle doit être activée à proximité de la voiture.
Homologation ministerielle
Dans le respect des lois en vigueur dans chaque pays en matière de fréquence radio, on souligne que:
- les numéros d'homologation par marché sont indiqués au chapitre "Installation des accessoires";
- pour les marchés où le marquage de l'émetteur est requis, le numéro d'homologation figure sur la télécommande.
PROGRAMMATION DU SYSTEME
Lors de la remise de la voiture neu-ve, le système d'alarme électronique a déjà été programmé par le Réseau Après-vente Fiat. Pour toutes autres programmations, il est conseillé de s'adresser toujours au Réseau Après-vente Fiat.
Par conséquent, si au cours de la vie de la voiture il était nécessaire, pour quelque raison que ce soit, d'utiliser une nouvelle télécommande, s'adresser alors directement au Réseau Après-vente Fiat, en apportant toutes les clés que l'on possède et la CODE card.

Si, à la pression du bouton de la télécommande, la diode B-fig. 7 située sur cette même télécommande clignote une seule fois, ou bien si la diode A-fig. 8 située sur le tunnel central reste allumée à lumière fixe après avoir débranché l'éventuel système d'alarme, cela signifie qu'il faut remplacer les piles par d'autres du même type: ouvrir les demi-boîtiers en plastique; introduire les nouvelles piles en respectant les polarités indiquées; refermer les demi-boîtiers en plastique. fig. 9.

Les piles usées sont nuisibles pour l'environnement. Pour leur destruction, se conformer aux dispositions des lois en vigueur ou les remettre au Réseau Après-vente Fiat qui se chargera de leur traitement.
LORSQUE L'ALARME SE DECLENCHE
Le système étant branché, l'alarme électronique se déclenche:
I) Si l'on ouvre l'une des portes, le capot ou le hayon.
2) Si l'on déconnecte la batterie ou si l'on coupe les câbles d'alimentation du système d'alarme électronique.
3) Si quelque chose envahit le volu-
me de l'habitacle.
4) Si l'on tourne la clé sur MAR.
Lorsque l'alarme électronique se déclenche, la sirène d'alarme se met à fonctionner pendant 26 secondes environ (avec un maximum de 3 cycles entrecoupés de pauses de 5 secondes, si la cause de l'alarme persiste) et les indicateurs de direction clignotent pendant 5 minutes environ (dans les pays où la législation le permet).
La situation d'alarme ayant cessé, le système reprend son fonctionnement de surveillance normal.
Si l'on veut interrompre l'alarme électronique avant, presser le bouton de la télécommande; en cas de résultat négatif, il sera possible de désactiver l'alarme en tournant la clé de secours sur "OFF" (voir paragraphe suivant: "Comment désactiver le système d'alarme").
En cas de déchargement des piles de la télécommande ou bien de panne du système, il sera possible de désactiver l'alarme électronique à l'aide de la clé de secours fournie avec son double. Soulever le capot moteur: l'ensemble centrale-sirène se trouve devant la batterie; soulever le capuchon en caoutchouc A protégeant le dispositif,

text_image
ON
OFF
A
P5S00618m
fig. 10
introduire la clé, puis la presser et la tourner de gauche à droite (position "OFF"): le système sera ainsi désactivé. Pour le réactiver, presser et tourner la clé de droite à gauche (position "ON"). Veiller à ne pas laisser la clé de secours dans le contacteur, lequel devra être protégé par son capuchon en caoutchouc contre toute entrée d'eau et de poussière.
Le système d'alarme électronique absorbant de l'énergie, si l'on prévoit de ne pas utiliser la voiture pendant plus d'un mois, il est conseillé de débrancher l'alarme électronique à l'aide de la télécommande et de désactiver le dispositif en tournant la clé de secours sur "OFF", ce qui évitera de décharger la batterie.
Si, en votre absence, l'alarme s'est déclenchée après avoir désactivé le système, la diode A-fig. 8 située sur le tunnel central le signalera en spécifiant également la raison pour laquelle elle s'est déclenchée:
lumière fixe: batterie de la télé-
commande déchargée.
I clignotement: porte droite.
2 clignotements: porte gauche.
5 clignotements: capteur de protection de l'habitacle (il signale un mouvement dans l'habitacle).
6 clignotements: capot.
7 clignotements: hayon.
8 clignotements: forcement du dispositif de démarrage.
9 clignotements: câbles d'alimentation de l'alarme coupés.
10 clignotements: au moins trois causes d'alarme.
La diode s'éteindra en tournant la clé sur MAR ou bien après 2 minutes environ de signalisation.
DISPOSITIF DE DEMARRAGE
La clé peut adopter quatre positions différentes fig. 11:
- STOP: moteur coupé, verrouillage de la direction, on peut enlever la clé. Certains dispositifs électriques (comme l'autoradio) peuvent fonctionner.
- MAR: position de marche. Tous les dispositifs électriques peuvent fonctionner.
- AVV: démarrage du moteur.
- PARK: moteur coupé, feux de stationnement allumés, verrouillage de la direction, on peut enlever la clé. Pour tourner la clé sur PARK, appuyer sur le bouton A.

text_image
P5000626m
PARK STOP MAR AVI
A
fig. 11

ATTENTION
En cas de forcement du dispositif de démarrage (tentative de vol, par exemple), faire vérifier son fonctionnement auprès du Réseau Après-vente Fiat avant de reprendre la route.
Verrouillage: le dispositif étant sur STOP ou sur PARK, retirer la clé et tourner le volant jusqu'à ce qu'il se bloque.
Déverrouillage: imprimer un léger mouvement au volant tout en tournant la clé sur MAR.
REGLAGES INDIVIDUELS

ATTENTION
Tout réglage ne doit être effectué que lorsque la voi-
ture est à l'arrêt.

ATTENTION
En descendant de voiture, le conducteur doit toujours veiller à retirer la clé de contact pour éviter que quelqu'un n'actionne les commandes par inadvertance. Se rappeler de serrer le frein à main et d'enclencher la première vitesse si la voiture est en montée. Si la voiture est en descente, enclencher la marche arrière. Ne jamais laisser d'enfants dans la voiture sans surveillance.

ATTENTION
Ne jamais retirer la clé de contact lorsque la voiture marche. La direction se blo- automatiquement au pre-oup de volant. Cela est éga- valable en cas de remor- de la voiture.
SIEGES fig. 12
Réglage d'avance ou de recul des sièges
Soulever le levier A et pousser le siège en avant ou en arrière: en position de conduite, les bras doivent être légèrement pliés et les mains reposer sur la couronne du volant.

text_image
A
B
C
P5S00627m
fig. 12
Puis, lâcher le levier et contrôler si le siège est bien bloqué sur ses glissières en essayant de l'avancer et de le reculer. Un mauvais blocage pourrait provoquer un déplacement imprévu du siège, aux conséquences évidemment dangereuses.
Réglage de l'inclinaison du dossier
Soulever le levier B et incliner le dossier dans la position désirée. Puis lâcher le levier et contrôler si le dossier est bien bloqué en essayant de l'incliner en avant et en arrière.
Basculement du dossier en avant
Pour faciliter l'accès au logement de capote, les sièges peuvent être basculés en avant.
Pour faire basculer le dossier, tourner le bouton C vers la planche de bord.
APPUIE-TETE fig. 13
Ils sont réglables en hauteur, en tirant l'appuie-tête vers le haut ou en le poussant vers le bas.

ATTENTION
Se rappeler que les appuie-tête doivent être réglés de manière à assurer un appui non pas au cou mais à la tête. Ce n'est que dans cette position qu'ils pourront exercer leur action de protection en cas de tamponnement.

Le réglage de la position du volant ne doit être effectué voiture arrêtée.
Il est réglable en hauteur. Pour ce faire:
I) déplacer le levier A sur la position I;
2) effectuer le réglage du volant;
3) bloquer de nouveau le volant en déplaçant le levier sur la position 2.

Il est réglable en déplaçant le levier
A:
I) position normale
2) position antiéblouissement.
RETROVISEURS EXTERIEURS fig. 16
Réglage manuel
Pour procéder au réglage manuel, agir sur le rétroviseur aux quatre points indiqués par la figure.

Si l'encombrement du rétroviseur est susceptible de gêner dans les
passages étroits, le rabattre de la position 1 à la position 2.
Réglage électrique (lorsqu'il est prévu)
Il ne peut être effectué que si la clé de contact se trouve sur MAR.
Il suffit, pour régler le rétroviseur, d'actionner l'interrupteur A dans les quatre sens.
L'interrupteur B permet la sélection du rétroviseur (gauche ou droit) que l'on s'apprête à régler.
Il est conseillé de ne procéder au réglage que lorsque la voiture est à l'arrêt et le frein à main serré.

text_image
A
1
2
fig. 15

Avant d'attacher les ceintures, s'assurer qu'elles passent bien à travers les boutonnières situées sur le haut du dossier, derrière l'épaule.
Pour attacher les ceintures, saisir l'agrafe A et l'engager dans le logement de la boucle B, jusqu'à perception du déclic de blocage.
En cas de blocage de la ceinture, la tirer doucement, la laisser se réenrouler en partie, puis l'ex-traire à nouveau en évitant toute manoeuvre brusque.
Si la ceinture côté conducteur n'est pas attachée, lorsque l'on tourne la clé de contact su MAR, le témoin s'allume sur le tableau de bord.
Pour détacher les ceintures, appuyer sur le poussoir C. Accompagner la ceinture pendant son réenroulement, pour éviter qu'elle ne vrille.

Grâce à l'enrouleur, la ceinture s'adapte automatiquement au corps du passager qui l'utilise, en lui permettant toute liberté de mouvement. Si la voiture est garée sur une forte pente, l'enrouleur peut se bloquer: cela est tout à fait normal.
De plus, le mécanisme de l'enrouleur bloque la sangle en cas d'extraction rapide de celle-ci ou en cas de freinages brusques, collisions et virages pris à vitesse élevée.

ATTENTION
Pour un maximum de protection, veiller à ce que le soit bien droit, que le dos s'y parfaitement et que la ceinhère au buste et au bassin.
AVERTISSEMENTS GENERAUX POUR L'UTILISATION DES CEINTURES DE SECURITE
Le conducteur est tenu à observer (et à faire observer aux passagers) les dispositions législatives locales en ce qui concerne le caractère obligatoire et les modalités du port des ceintures.

ATTENTION
Attachez toujours vos ceintures. Voyager sans les ceintures attachées augmente le risque de lésions graves ou de mort en cas de collision.

ATTENTION
La sangle de la ceinture ne doit pas être vrillée. La partie supérieure doit passer sur l'épaule et traverser le thorax en diagonale. La partie inférieure doit bien adhérer au bassin et non pas à l'abdomen du passager, pour éviter tout glissement en avant. N'utiliser aucun dispositif (pince, arrêt, etc.) pouvant empêcher la bonne adhérence des ceintures au corps des passagers.


ATTENTION
GRAVE DANGER: si la voiture est équipée d'air bag côté passager, ne pas placer de siège-auto sur le siège avant.

Il est interdit de transporter des enfants assis sur les genoux du passager en utilisant une seule ceinture de sécurité pour les deux.

L'utilisation des ceintures de sécurité est également nécessaire pour les femmes enceintes, le risque de lésions en cas de choc étant nettement plus grave si elles n'attachent pas leur ceinture.
Les femmes enceintes doivent naturellement placer la partie de la sangle beaucoup plus bas, de façon à ce qu'elle passe sous le ventre fig. 20.
COMMENT MAINTENIR TOUJOURS LES CEINTURES DE SECURITE EN BON ETAT DE FONCTIONNEMENT
1) Veiller à ce que la sangle des ceintures soit bien tendue et non vrillée; s'assurer qu'elle glisse librement, sans se coincer.
2) En cas d'accident assez important, il est conseillé de remplacer toutes les ceintures utilisées, même si apparemment elles ne semblent pas endommagées. Remplacer les prétensionneurs même s'ils n'ont pas été activés.
3) Pour nettoyer les ceintures, les la- ver à la main, à l'eau et au savon neutre, les rincer et les laisser sécher à l'ombre. Eviter d'utiliser des déter- gents forts, de l'eau de Javel ou des co- lorants, ainsi que tout produit chimique susceptible d'affaiblir les fibres.
4) Eviter absolument toute infiltration d'eau dans les enrouleurs, pour que ceux-ci puissent conserver un fonctionnement correct.

Pour assurer une meilleure protection en cas d'accidents, tous les occupants doivent voyager en position assise et utiliser les éléments du système de retenue.
Ceci concerne tout particulièrement les enfants. Les enfants, contrairement aux adultes, ont en effet une tête proportionnellement plus grande et plus lourde par rapport au reste du corps, alors que les muscles et la structure osseuse chez les enfants ne sont pas encore tout à fait développés. Il est donc nécessaire, et ce afin que les enfants soient maintenus correctement en cas de choc, de recourir à des dispositifs de retenue autres que les ceintures de sécurité d'adultes existantes.
Les résultats des recherches effectuées en matière de mesures de sécurité des enfants à bord sont contenus dans la norme européenne ECE-R44, qui non seulement rend ces mesures obligatoires, mais classe également les dispositifs de retenue en quatre groupes fig. 21:
Groupe 0 0-10 kg de poids
Groupe 1 9-18 kg de poids
Groupe 2 15-25 kg de poids
Groupe 3 22-36 kg de poids
Comme on peut le voir, les groupes se chevauchent un peu au regard des tranches de poids qu'ils représentent, et en fait certains dispositifs de retenue vendus dans le commerce peuvent se rapporter à plus d'un groupe.
Tout dispositif de retenue doit reporter les données d'homologation ainsi que la marque du contrôle sur l'étiquette fermement fixée et qui ne doit en aucune façon être enlevée.
A plus de 36 kg ou 1,50 m de stature, les enfants, du point de vue des systèmes de retenue, sont considérés des adultes et ils peuvent donc porter normalement les ceintures.
Il existe dans la Lineaccessori Fiat des sièges pour enfants dont le poids entre dans l'une de ces tranches, et qui correspondent à la sélection recommandée, car ces derniers ont en effet été conçus et expérimentés pour être montés exclusivement sur les voitures Fiat.

text_image
0-10 kg
9-18 kg
15-25 kg
22-36 kg
P5S00747m
fig. 21

ATTENTION
Les sièges-auto ne doivent en aucun cas être installés sur le siège avant dans les voitures dotées d'air bag passager car celui-ci en se déployant pourrait provoquer des blessures graves, voire mortelles, indépendamment de la gravité de la collision qui en a provoqué l'activation. Les enfants peuvent être installés sur le siège avant sur les voitures dotées du dispositif de mise hors service de l'air bag passager. Dans ce cas il faut absolument vérifier que l'air bag est bien hors service.
GROUPE 0 (fig. 22)
Les nouveaux-nés jusqu'à 10 kg doivent être installés dans un siège bébé tournant le dos aux sièges avant qui doivent pouvoir suffisamment soutenir la tête du bébé afin que celui-ci ne soit pas ou le moins possible soumis à des sollicitations au niveau du cou en cas de décélérations brusques. Le siège bébé est fixé au niveau des ceintures de sécurité de la voiture, le bébé doit être à son tour maintenu par les ceintures que comporte le siège bébé.
GROUPE I (fig. 23)
A partir de 9 kg, les enfants peuvent être installés dans un siège bébé orienté vers l'avant de la voiture. Le siège bébé doit être équipé d'une assise permettant de pouvoir attacher l'enfant avec la ceinture de sécurité de la voiture, laquelle maintient également le siège bébé.

ATTENTION
La figure est seulement in-
dicative pour le montage.
Dans tous les cas, il est très important de suivre les instructions obligatoires reportées dans la notice de montage du fabricant.
Il existe des sièges enfant qui s'adressent aux enfants dont le poids se rapproche des groupes 0 et 1, équipés d'une attache postérieure permettant de fixer le siège aux ceintures du véhicule ainsi que de leurs propres ceintures pour maintenir le bébé. En raison de leur poids, ces sièges peuvent devenir dangereux s'ils n'ont pas été montés et sanglés correctement aux ceintures de la voiture avec l'interposition d'un coussin. Il est important de respecter scrupuleusement les instructions de montage jointes à la notice de montage.

La figure est seulement in-
dicative pour le montage.
Dans tous les cas, il est très important de suivre les instructions obligatoires reportées dans la notice de montage du fabricant.

A partir de 15 kg, les enfants peuvent être directement attachés avec les ceintures de sécurité de la voiture. Les sièges bébé ont uniquement pour fonction de maintenir correctement l'enfant en place au niveau des ceintures, de manière à ce que la sangle diagonale se trouve non pas au niveau du cou mais le long du thorax, tandis que la sangle couvre le bassin et non l'abdomen de l'enfant.

ATTENTION
La figure est seulement indicative pour le montage.
Dans tous les cas, il est très important de suivre les instructions obligatoires reportées dans la notice de montage du fabricant.

A partir de 22 kg, seul un coussin de rehausse suffit. L'épaisseur du thorax de l'enfant est telle qu'il n'est plus nécessaire d'avoir recours au dossier bouclier.
Au delà des 1,50 m, les enfants peuvent porter la ceinture comme les adultes.

ATTENTION
La figure est seulement indicative pour le montage.
Dans tous les cas, il est très important de suivre les instructions obligatoires reportées dans la notice de montage du fabricant.

Nous vous faisons ci-dessous un résumé récapitulatif des mesures de sécurité devant être respectées lorsque les passagers sont des enfants:
I) En présence d'air bag passager, les enfants ne doivent en aucune façon être installés à l'avant du véhicule.
2) Il est important de respecter scrupuleusement les instructions fournies avec le siège bébé devant être jointes obligatoirement par le fabricant. Conservez-les avec les papiers de la voiture et le présent manuel. N'utilisez jamais de sièges enfants dépourvus de leurs instructions.
3) Assurez-vous en tirant sur la ceinture que celle-ci est bien attachée.
4) Il est rigoureusement défendu d'attacher plusieurs enfants avec la même ceinture de sécurité.
5) Vérifiez toujours que les ceintures n'appuient pas sur le cou de l'enfant.
6) Pendant le voyage, ne pas permettre à l'enfant d'adopter des positions anormales ou de voyager sans ceinture.
7) Ne prenez jamais avec vous un enfant sur vos genoux ou un nouveau-né dans vos bras. Personne n'est en mesure, aussi fort qu'il soit, de les tenir suffisamment en cas de choc.
8) A la suite d'un accident remplacez le siège enfant.
PRETENSIONNEURS
Pour renforcer l'efficacité des ceintures de sécurité avant, la Fiat barchetta è est équipée de prétensionneurs de ceintures. Ces dispositifs détectent, au travers d'un capteur, qu'un choc violent est en cours et font reculer de quelques centimètres la sangle des ceintures. Ils garantissent ainsi une adhérence parfaite des ceintures au corps des passagers et ce, avant l'action de retenue de la ceinture. Le blocage de l'enrouleur indique que le dispositif a été activé. La sangle de la ceinture n'est plus récupérée, même si elle est accompagnée.
L'entrée en fonction des prétensionneurs dégage une petite quantité de fumée. Celle-ci n'est pas nocive et n'indique pas un début d'incendie.
Le prétensionneur ne nécessite aucun entretien ni aucune lubrification. Toute modification apportée à son état primitif invalide son efficacité. Si, suite à des événements naturels exceptionnels (alluvions, tempêtes, etc.), le dispositif est entré en contact avec de l'eau et de la boue, le remplacer obligatoirement.
Pour que l'action du prétensionneur puisse assurer le maximum de protection, veiller à ce que la ceinture adhère bien au buste et au bassin.

ATTENTION
Le prétensionneur ne nécessite aucun entretien ni lubrification. Il est interditter toute modification aux-ionneurs. Ces modifications ont invalider l'efficacité desifs de sécurité. Si nécessaire sur au Réseau Après-vente

ATTENTION
Le prétensionneur ne peut être utilisé qu'une seule fois. Après qu'il ait été activé, s'adresser au Réseau Après-vente Fiat pour le faire remplacer. Le dispositif est valable 10 ans à partir de la date de production reportée sur l'étiquette autocollante; quand la date d'échéance approche le prétensionneur doit être remplacé.

Toute opération com-
portant des chocs, des vi-
brations ou des réchauffements (supérieurs à 100°C pour une durée maximale de 6 heures) dans la zone du prétensionneur peut provoquer son endommagement ou son déclenchement (excepté les vibrations produites par les aspérités de la route ou le franchissement accidentel de petits obstacles tels que trottoirs, etc.). En cas de besoin, s'adresser au Réseau Après-vente Fiat.
INSTRUMENTS DE BORD
TACHYMETRE (INDICATEUR DE VITESSE)
Totalisateur kilometrique fig. 26
A - Totalisateur kilométrique.
B - Tachymètre (indicateur vitesse).
C - Totalisateur kilométrique journalier.
D - Bouton de mise à zéro du totalisateur kilométrique journalier. Presser pour mettre à zéro.
Totalisateur de miles fig. 27
A - Totalisateur de miles.
B - Tachymètre (indicateur vitesse).
C - Totalisateur de miles journalier.
D - Bouton de mise à zéro du totalisateur de miles journalier. Presser pour mettre à zéro.
COMPTE-TOURS fig. 28
Le compte-tours indique le régime moteurs en tours-minute. Ne pas rouler trop longtemps avec l'aiguille dans la zone rouge.
ATTENTION Le système de contrôle de l'injection électronique bloque progressivement l'afflux de carburant lorsque le moteur est en "surrégime", ce qui entraîne une perte de puissance progressive du moteur.

text_image
A
B
C
120
100
80
60
40
20
150
180
200
220
240
260
P5S00635m
fig. 26

text_image
A
B
C
120
90
140°
100
160°
40
20
0
MPH
D
P5S00636m
fig. 27

text_image
r pen x
1000
P5S00637m
fig. 28
THERMOMETRE DU LIQUIDE DE REFROIDISSEMENT MOTEUR A-fig. 29
En condition normale de fonctionnement du moteur, l'aiguille du thermomètre doit rester sur le secteur central. Lorsqu'elle atteint le seuil de la zone rouge, cela veut dire que le moteur est trop sollicité et qu'il y a lieu de réduire la vitesse.
Il est possible, par temps très chaud et avec une voiture roulant à vitesse trop faible, que l'aiguille atteigne la zone rouge.
Dans ce cas-là, s'arrêter quelques instants et couper le moteur. Puis redémarrer et accélérer doucement.
JAUGE DE CARBURANT B-fig. 29
L'aiguille indique la quantité en litres de carburant probablement présente dans le réservoir.
Lorsque le témoin de la réserve s'allume, cela indique qu'il ne reste plus environ que 5 litres de carburant dans le réservoir.
Eviter de rouler lorsque le réservoir est presque vide: une alimentation insuffisante risque d'endommager le catalyseur.
MONTRE DIGITALE fig. 30
Elle est définie sur les 24 heures. L'allumage des feux extérieurs provoque automatiquement la diminution de l'intensité d'éclairage des chiffres qui deviennent ainsi plus lisibles.
Pour corriger les heures: presser le bouton A.
Pour corriger les minutes: presser le bouton B.
Chaque pression sur le bouton provoque l'avancement d'une unité. En maintenant la pression pendant quelques instants, on obtient l'avancement rapide automatique. Lorsqu'on s'approche de l'heure désirée, lâcher le bouton et finaliser le réglage par quelques impulsions.

Si cette situation persiste malgré tout, couper le moteur et s'adresser au Après-vente Fiat.

text_image
A
B
P5S10035m
fig. 29

text_image
23:41
A
B
PSS00639m
fig. 30
TEMOINS
Il s'allument dans les cas suivants:

PRESSION D'HUILE MOTEUR INSUF- FISANTE (rouge)
Lorsque la pression de l'huile moteur descend au-dessous du minimum re-quis.
En tournant la clé sur MAR, le témoin s'allume, mais il doit s'éteindre dès que le moteur est mis en marche.
Le témoin peut s'éteindre avec un léger retard lorsque le moteur tourne au ralenti.
Si le moteur a été fortement sollicité, en tournant au ralenti le témoin peut clignoter, mais il doit de toute façon s'éteindre en accélérant légèrement.

ATTENTION
Si ce témoin s'allume pendant que l'on roule, couper
le moteur et s'adresser au Réseau Après-vente Fiat.

DEFAILLANCE DU SYSTEME CONTROLE
MOTEUR (EOBD) (jaune)
En conditions normales, quand on tourne la clé de contact sur MAR, le témoin s'allume, mais il doit s'éteindre lorsque le moteur commence à tourner. L'allumage initial signale le fonctionnement correct du témoin.
Si le témoin reste allumé ou s'il s'allume pendant la marche:
I. Fixe - il signale un mauvais fonctionnement du système d'alimentation/allumage qui pourrait augmenter les émissions polluantes à l'échappement, provoquer la perte possible de performances, une mauvaise maniabilité et des consommations élevées.
Dans ces conditions, on peut poursuivre la marche en évitant toutefois de demander des efforts particuliers au moteur ou de grandes vitesses. S'adresser sans retard au Réseau Après-vente Fiat.
Le témoin s'éteint si le mauvais fonctionnement disparaît, mais le système mémorise quand même le signalement.
- Clignotant - il signale la possibilité que le catalyseur soit endommagé (voir "Système EOBD" dans ce même chapitre). Si le témoin clignote, il faut relâcher la pédale d'accélérateur, porter le moteur à bas régime jusqu'à ce que le clignotement ne cesse, puis poursuivre la marche à vitesse modérée en essayant d'éviter les conditions de conduite pouvant provoquer un clignotement ultérieur, et se rendre sans retard au Réseau Après-vente Fiat.

Si, la clé de contact étant tournée sur MAR, le témoin ne s'allume pas,
ou bien si, pendant la marche, il s'allume ou commence à clignoter, il faut s'adresser sans retard au Réseau Après-vente Fiat.

FREIN A MAIN SERRE/NIVEAU DU LIQUIDE DES
FREINS INSUFFISANT (rouge)
Dans deux cas:
I. Lorsque le frein à main est serré.
2. Lorsque le niveau du liquide des freins est en dessous du minimum requis.

CHARGE INSUFFISANTE DE LA BATTERIE
(rouge)
Lorsqu'il existe une panne dans l'installation du générateur de courant.
En tournant la clé sur MAR, le témoin s'allume, mais il doit s'éteindre dès que l'on met le moteur en marche.

DEFAILLANCE DU SYSTEME ANTIBLOCAGE
DES ROUES (ABS) (jaune) (lorsqu'il est prévu)
Lorsque le système ABS est défaillant. Le bon fonctionnement du système de freinage normal n'est pas en cause, mais il est souhaitable de s'adresser dès que possible au Réseau Après-vente Fiat.
En tournant la clé sur MAR le témoin s'allume, mais il doit s'éteindre après 2 secondes environ.

ATTENTION
Si le témoin Ⓑ s'allume pendant que l'on roule, vérifier que le frein à main n'est pas tiré. Si ce témoin reste allumé alors que le frein à main n'est pas tiré, s'arrêter immédiatement et s'adresser au Réseau Après-vente Fiat.

USURE DES FREINS AVANT (rouge)
Lorsque les plaquettes des freins avant sont usées. Lors du remplacement, faire également contrôler les freins arrière.

ATTENTION
La voiture est dotée d'un correcteur électronique de freinage (EBD). L'allumage simultané des témoins (ABD) et (!) lorsque le moteur tourne indique une anomalie du système EBD; dans ce cas un coup de freins violent peut provoquer le blocage précoce des roues arrière, provoquant éventuellement une embardée. Conduire très prudemment la voiture jusqu'au Réseau Après-vente Fiat le plus proche pour faire vérifier le dispositif.

ATTENTION
L'allumage d'un seul témoin (ABS) quand le moteur tourne, indique normalement l'anomalie du système ABS seulement. Dans ce cas, le système de freinage maintient son efficacité sans toutefois bénéficier du dispositif antiblocage. Dans ces conditions, le bon fonctionnement du système EBD peut également en être réduit. Dans ce cas aussi il est recommandé de se rendre immédiatement au Réseau Après-vente Fiat le plus proche pour faire contrôler le dispositif, en conduisant de manière à éviter tout coup de freins brusque.

TEMPERATURE ELEVEE DU POT CATALYTIQUE
(lorsqu'il est prévu) (rouge)
Lorsque la température du pot catalytique est élevée. Le témoin s'éteint dès que la température est redevenue normale.

AVARIE DE L'AIR BAG OU DES PRETENSIONNEURS
(rouge)
Lorsque le système ne fonctionne pas ou est activé.

CEINTURES DE SECURITE N'EST PAS ATTACHEE
(rouge)
Quand la ceinture de sécurité côté conducteur n'est pas attachée correctement.

ATTENTION
En tournant la clé sur MAR, le témoin s'allume, mais il doit s'éteindre environ 4 secondes après. Si ce témoin reste allumé ou bien s'allume pendant que l'on roule, s'arrêter immédiatement et s'adresser au Réseau Après-vente Fiat.

FEUX DE DETRESSE (rouge) (clignotants)
Lorsque l'on allume les
feux de détresse.

FIAT CODE (jaune)
Dans trois cas (la clé de contact étant sur MAR):
- Un seul clignotement: le code de la clé a été reconnu. Le moteur peut être mis en marche.
- La lumière est fixe: le code de la clé n'a pas été reconnu. Pour mettre le moteur en marche, effectuer la procédure décrite dans le démarrage de dépannage (voir au chapitre "S'il vous arrive").
- La lumière clignote: la voiture n'est pas protégée par le dispositif. Il est de toute façon possible de mettre le moteur en marche.

AIR BAG COTE PASSAGER DESACTIVE
(jaune) (lorsqu'il est prévu)
Lorsque l'air bag côté passager est désactivé.

RESERVE DE CARBURANT (jaune)
Lorsqu'il reste environ 5 litres de carburant dans le réservoir.

FEUX DE POSITION ET DE CROISEMENT (vert)
Lorsque l'on allume les feux de position ou de croisement.

FEUX DE ROUTE (bleu)
Lorsque l'on allume les feux de route.

INDICATEURS DE DIRECTION (vert) (clignotants)
Lorsque l'on actionne le levier de commande des feux de direction (flèches).
A - Aérateur latéral orientable.
B - Aérateur de dégivrage ou désembuage du pare-brise.
C - Aérateur central orientable.
D - Ouiès latérales envoyant l'a vers les pieds des passagers.

text_image
A
B
C
D
D
m-
fig. 31
P5S00640m
Pour le réglage du débit d'air, agir sur les ailettes orientables A.
Les aérateurs peuvent être orientés par rotation.
COMMANDES fig. 33
A - Manette de réglage de la température d'air (mélange air chaud/froid).
B - Manette de commande d'en-
clenchement du ventilateur.
C - Bouton-poussoir pour l'enclenchement du recyclage destiné à éliminer l'air provenant de l'extérieur.
D - Manette de répartition d'air.

I) Manette de réglage de la température d'air: index sur la zone rouge.
2) Manette de commande d'enclenchement du ventilateur: index sur la vitesse désirée.
3) Manette de commande de répartition d'air: index sur
pour le chauffage au niveau des pieds et, en même temps, pour désembuer le pare-brise
pour chauffage classique
pour un débit d'air plus chaud au niveau des pieds et plus frais dans la partie supérieure de l'habitacle (fonction "bilevel").

text_image
A
B C
D
P5S00642m
fig. 33
DESEMBUAGE ET/OU DEGIVRAGE RAPIDE
Pare-brise et vitres latérales
I) Manette de réglage de la température d'air: index sur la zone rouge.
2) Manette de commande d'enclenchement du ventilateur: index sur la vitesse désirée.
3) Manette de commande de répartition d'air: index sur 📌.
4) Ouïes latérales complètement ouvertes, en faisant coïncider le triangle blanc se trouvant sur la partie mobile avec le repère se trouvant sur la partie fixe des ouïes.
5) Placer la commande de recyclage d'air sur 📄.
Le désembuage ayant eu lieu, régler les commandes pour maintenir des conditions de visibilité optimales.
ATTENTION Si la voiture est équipée du climatiseur manuel, on conseille, pour accélérer le désembuage, de régler les commandes comme ci-dessus et d'appuyer sur l'interrupteur ⚙.
VENTILATION
I) Aérateurs d'air centraux et latéraux: entièrement ouverts.
2) Manette de réglage de la température d'air: index sur la zone bleue.
3) Manette de commande d'enclenchement du ventilateur: index sur la vitesse désirée.
4) Manette de commande de répartition d'air: index sur 7.
5) Commande de recyclage d'air: index sur équivalent à entrée d'air extérieur.
RECYCLAGE
L'interrupteur sur 📄 enclenche uniquement le recyclage de l'air dans l'habitacle.
ATTENTION Cette fonction s'avère particulièrement utile en cas de forte pollution de l'environnement extérieur (embouteillages, dans les tunnels, etc). Une utilisation très prolongée est toutefois déconseillée.
ATTENTION Par temps pluvieux/froid, ne pas utiliser la fonction de recyclage, car cela risquerait d'embuer considérablement les vitres dans l'habitacle.
CLIMATISEUR MANUEL (lorsqu'il est prévu)

Le climatiseur utilise le fluide réfrigérant R134a qui n'est pas nocif pour
l'environnement en cas de fuites. Eviter absolument l'utilisation du fluide R12 qui n'est pas compatible avec les composants du climatiseur.
COMMANDES fig. 34
A - Manette de réglage de la température d'air (mélange air chaud/froid).
B - Interrupteur de mise en service/hors service du climatiseur manuel. L'actionnement de l'interrupteur de mise en service enclenche automatiquement le ventilateur à la Ière vitesse. Lorsque la diode située sur l'interrupteur est allumée, cela indique que le dispositif est enclenché.
C - Commande d'enclenchement du ventilateur.
D - Interrupteur d'enclenchement du recyclage d'air, en éliminant l'entrée d'air extérieur. Lorsque la diode située sur l'interrupteur est allumée, cela indique que le recyclage est enclenché.
ATTENTION L'enclenchement du recyclage permet d'accélérer le refroidissement de l'air lorsque la température extérieure est très élevée. Cette forme de climatisation s'avère particulièrement utile en cas de forte pollution de l'environnement extérieur (embouteillages, dans les tunnels, etc.). Une utilisation très prolongée est toutefois déconseillée.
E - Manette de répartition d'air.

text_image
P5S00643m
A B C D E
fig. 34
CLIMATISATION (REFROIDISSEMENT)
I) Manette de réglage de la température d'air: index sur la zone bleue.
2) Manette de commande d'enclenchement du ventilateur: index sur la vitesse désirée.
3) Manette de répartition d'air: index sur 7.
4) Climatiseur manuel: appuyer sur les interrupteurs et.
Pour atténuer le refroidissement: mettre hors circuit l'interrupteur 📄, augmenter la température et diminuer la vitesse du ventilateur.
Pour les fonctions de chauffage et ventilation, ne pas enclencher le climatiseur manuel, mais utiliser le système normal de chauffage et de ventilation décrit au chapitre précédent.
ATTENTION Le climatiseur manuel est très utile pour accélérer le désembuage, car il déshumidifie l'air. Il suffit de régler les commandes pour la fonction désembuage et d'actionner le climatiseur manuel en pressant l'interrupteur ⚙️.
ATTENTION Par temps pluvieux/froid, ne pas utiliser la fonction de recyclage, car cela risquerait d'embuer considérablement les vitres dans l'habitacle.
LEVIERS AU VOLANT
COMMODO GAUCHE
Le commodo gauche commande l'éclairage extérieur et les clignotants.
L'éclairage extérieur ne fonctionne que lorsque la clé de contact se trouve sur MAR.
Lorsque les feux extérieurs sont branchés, le tableau de bord et les différentes commandes situées sur la planche de bord s'éclairent.
Feux de position fig. 35
On les allume en tournant le commodo de la position O à la position ☀. Dans le même temps, le témoin situé sur le tableau de bord s'allume.
Feux de croisement fig. 36
On les allume en tournant le com-
modo de la position ⚙ à la position ⏱.
Feux de route fig. 37
Le commodo étant sur Ⓔ, le pousser à fond, vers la planche de bord.
Dans le même temps, le témoin situé sur le tableau de bord s'allume.
On éteint les feux de route en tirant à fond le commodo vers le volant (opération inverse).

Appels de phares fig. 38
On les allume en tirant le commodo vers le volant (position instable).
Feux de direction (clignotants) fig. 39
On les allume en déplaçant le com-
modo:
vers le haut - clignotants pour tour-
ner à droite
vers le bas - clignotants pour tourner à gauche
Sur le tableau de bord, le témoin
↔ clignote.
Les clignotants s'éteignent automatiquement lorsque la voiture retrouve une position de marche rectiligne.
Pour obtenir un clignotement de très courte durée, déplacer le commodo vers le haut ou vers le bas, sans atteindre le déclic. En lâchant, le commodo revient automatiquement à sa position de repos.
COMMODO DROIT
Le commodo droit commande le nettoyage des glaces.
Essuie-glace fig. 40
Il ne fonctionne que lorsque la clé de contact est sur la position MAR.
0 - Essuie-glace à l'arrêt.
I - Fonctionnement intermittent.
2 - Fonctionnement continu lent.
3 - Fonctionnement continu rapide.
4 - Fonctionnement temporaire continu lent: en le lâchant, le commodo retourne à la position 0, ce qui arrête automatiquement l'essuie-glace.

En tirant le commodo vers le volant fig. 41 (impulsion), on actionne le la-ve-glace.
COMMANDES
FEUX DE DETRESSE fig. 42
On les allume en agissant sur l'interrupteur A, quelle que soit la position de la clé de contact.
Le dispositif étant en fonction, le témoin △ se met à clignoter sur le tableau de bord.
Pour les éteindre, appuyer à nouveau sur l'interrupteur.

ATTENTION
L'utilisation des feux de dé-
tresse est réglementée par
le code de la route du pays dans lequel vous vous trouvez. Conformez-vous aux prescriptions.

Il sont situés sur le tunnel central.
Ils ne fonctionnent que lorsque la clé de contact est sur la position MAR.
Lorsque l'on appuie sur un interrupteur, une diode électroluminescente s'allume sur ce même interrupteur.
A - Marche/arrêt des phares antibrouillards avant (lorsqu'ils sont prévus). Pour activer ces feux, il est nécessaire que les feux extérieurs soient déjà branchés.
B - Marche/arrêt des phares antibrouillards arrière. Pour activer ces feux, il est nécessaire que les feux de croisement ou bien les phares antibrouillards avant soient déjà branchés.
Les feux antibrouillard arrière se désactivent quand on tourne la clé de contact sur STOP. Au démarrage suivant, il faut les réallumer si nécessaire.
INTERRUPTEUR D'ALIMENTATION EN CARBURANT fig. 44
Il s'agit d'un interrupteur de sécurité qui se déclenche en cas de choc, en interrompant l'alimentation en carburant et en coupant, donc, le moteur.

ATTENTION
Si, après le choc, l'on sent une odeur de carburant ou un remarque des fuites prode l'alimentation, ne pas récher l'interrupteur pour évi-risques d'incendie.

text_image
23:41
A
B
fig. 43

text_image
P5S00653m
A
fig. 44
Si l'on ne remarque aucune fuite de carburant et que la voiture est à même de redémarrer, appuyer sur le bouton A pour mettre de nouveau en service le système d'alimentation.
Après le choc, se rappeler de tourner la clé sur STOP pour éviter de décharger la batterie.
EQUIPEMENTS INTERIEUR
BOITE A GANTS fig. 45
Elle est munie de serrure.
Position I - serrure verrouillée.
Position 2 - serrure déverrouillée.
Pour ouvrir la boîte, appuyer sur le bouton.
Lorsque l'on ouvre la boîte, une lampe de courtoisie s'allume à l'intérieur. Son couvercle possède une empreinte servant à poser un verre ou une canette lorsque la voiture est arrêtée.

ATTENTION
Eviter de rouler la boîte à gants ouverte: celle-ci pourrait blesser le passager en cas d'accident.
VIDE-POCHES fig. 46
Il est pourvu de serrure.
Position I - serrure verrouillée.
Position 2 - serrure déverrouillée.
Pour ouvrir, soulever le couvercle.
PLAFONNIER fig. 47
Le plafonnier s'allume automatiquement lorsque l'on ouvre une porte.
Lorsque les portes sont fermées, on peut allumer/éteindre le plafonnier en appuyant au niveau de l'empreinte circulaire.

text_image
barchets
P5S00654m
fig. 45

Il est situé à l'intérieur du meuble vide-poches.
Presser le bouton A: après une quinzaine de secondes, le bouton revient automatiquement à sa position d'origine et l'allume-cigares est prêt à l'usage.
ATTENTION Contrôler toujours si le débranchement de l'allume-cigares a bien eu lieu.

ATTENTION
L'allume-cigares peut atteindre des températures
très élevées. Par conséquent, le manier avec prudence et veiller à ce qu'il ne soit pas utilisé par des enfants: danger d'incendie et/ou de brûlures.

Ne pas utiliser le cendrier comme corbeille à papier; avait prendre feu au contact gots de cigarette.
Il est protégé par un volet et peut être extrait en appuyant sur les deux languettes A-fig. 49 et en le tirant vers le haut.

text_image
P5S10036m
A
A
fig. 49
PARE-SOLEIL fig. 50
Ils sont situés de part et d'autre du rétroviseur intérieur. Ils peuvent être orientés de face.
Sur le revers du pare-soleil côté passager est appliqué un miroir de courtoisie occultable.

Avant d'ouvrir une porte, s'assurer que la manœuvre peut être réalisée en conditions de sécurité.
Fermeture manuelle de l'exterieur
Tourner la clé en position 2 pour verrouiller la serrure.
Ouverture/fermeture manuelle de l'interieur
Ouverture: tirer le levier d'ouverture A-fig. 52.
Fermeture: fermer la porte et presser le bouton de sécurité B.
VERROUILLAGE CENTRALISE
(lorsqu'il est prévu) fig. 52
De l'extérieur
Les portes étant fermées, introduire et tourner la clé dans la serrure de l'une des portes.
De l'intérieur
Les portes étant fermées, presser le bouton B.
Ouverture manuelle de l'extérieur
Tourner la clé en position 1-fig. 51 pour déverrouiller la serrure. Presser le dispositif A: le levier d'ouverture B se soulève; le saisir et tirer.

text_image
P5S00659m
A
B
①
②
fig. 51

text_image
A
B
P5S00660m
fig. 52
ATTENTION Si l'une des portes n'est pas bien fermée ou si une panne s'est produite dans l'installation, le verrouillage centralisé des portes ne se produit pas et, après quelques tentatives, le circuit se bloque pendant environ 2 minutes. Pendant ces 2 minutes de blocage, il est possible de verrouiller ou déverrouiller les portes manuellement, sans aucune intervention du système de verrouillage électrique. Après ces 2 minutes, la centrale est de nouveau prête à recevoir les commandes.
Si la cause du fonctionnement défectueux a été éliminée, le dispositif se remet à fonctionner régulièrement; sinon, il se bloque à nouveau.
LEVE-VITRES ELECTRIQUES fig. 53
Lorsque la clé de contact est en position MAR, deux interrupteurs à touche, disposés sur la console centrale, commandent les fonctions suivantes:
A - ouverture de la vitre gauche
B - fermeture de la vitre gauche
C - fermeture de la vitre droite
D - ouverture de la vitre droite.
Côté conducteur, la pression de l'interrupteur pendant deux secondes environ commande le fonctionnement continu: la vitre s'arrête lorsqu'elle arrive en fin de course (ou bien en appuyant de nouveau sur l'interrupteur).

ATTENTION
L'actionnement incorrect des lève-vitres peut repré- senter un danger. Avant et pendant leur fonctionnement, s'assurer que les passagers ne sont pas exposés au risque de lésions provoquées tant directement par les vitres en mouvement que par des objets personnels entraînés ou heurtés par ces derniers. Le conducteur, en quittant la voiture, doit toujours enlever la clé de contact afin d'éviter que les lève-vitres actionnés par mégarde, ne représentent un danger pour les passagers restés à bord de la voiture.

text_image
P5S00061m
A
B
C
D
fig. 53
CAPOTE
CONSEILS UTILES
Avant d'ouvrir la capote, s'assurer qu'aucun objet ne se trouve dans son logement.
Pour éviter d'endommager les joints d'étanchéité des vitres, veiller, lorsque l'on ouvre et ferme la capote, à ce que les vitres latérales soient complètement baissées ou bien que les portes soient ouvertes.
Ne pas replier la capote lorsqu'elle est mouillée: elle pourrait s'abîmer en restant longtemps dans son logement.
Ne poser aucun poids sur la capote ouverte ou fermée: la toile et le châssis risqueraient d'être endommagés.
Ne pas ouvrir ou fermer la capote par température extérieure très froide.
Enlever la neige ou le givre à l'aide d'objets ne provoquant pas d'éraflures.
Pour toute opération de réparation ou d'entretien, s'adresser au Réseau Après-vente Fiat.

ATTENTION
N'ouvrir et ne fermer la capote que lorsque la voitu-rêtée.

S'assurer que le hayon
arrière est bien fermé
pour éviter toute interfé-
avec le couvercle du loge-
le capote. De toute façon,
nal acoustique vous averti-
que, en ouvrant le cou-
du logement de capote, le
arrière n'a pas été entiè-
t fermé.

I) Baisser les pare-soleil
2) Saisir les poignées, les baisser, les tourner vers l'intérieur de la voiture fig. 54 et soulever la partie avant de la capote de la traverse de pare-brise.
3) Baisser les deux vitres latérales ou garder les portes ouvertes.
4) En manoeuvrant de l'extérieur de la voiture, côté conducteur, replier un peu la capote en arrière jusqu'à ce que l'on parvienne à soulever également la partie arrière, en vérifiant que la lunette arrière se plie correctement dans la partie centrale; s'aider de la paume de la main fig. 55.
ATTENTION Vérifier qu'il n'y ait pas, durant cette manoeuvre, de formation de plis sur la lunette arrière.

5) La partie arrière de la capote étant soulevée et après avoir contrôlé si le hayon est bien fermé, tirer le levier A-fig. 56 (celui qui se trouve le plus près du siège) pour décrocher le couvercle du logement de capote. Un signal acoustique vous avertira, de toute façon, si vous avez oublié de fermer le hayon. Soulever le courvercle du logement de capote jusqu'à ce qu'il se bloque complètement ouvert.
6) Replier la capote en arrière, dans le logement prévu à cet effet, en la maintenant bien empaquetée à l'aide des deux mains; à la fin de cette manoeuvre, s'assurer que la partie en vue de la lunette arrière garde une forme arrondie dans toute sa longueur.
7) La capote étant entièrement repliée dans son compartiment, appuyer sur le châssis et tourner le dispositif d'arrêt de la position 1-fig. 57 à la position 2 en l'accrochant au châssis. En lâchant, la capote reste bloquée. Effectuer cette opération des deux côtés.
8) Baisser le couvercle du logement de capote. Contrôler si la fixation a bien eu lieu.
FERMETURE
I) Baisser les deux vitres latérales ou garder les portes ouvertes.
2) Après avoir contrôlé si le hayon est bien fermé, tirer le levier A-fig. 58 (celui qui se trouve le plus près du siège) pour décrocher le couvercle du logement de capote. Un signal acoustique vous avertira, de toute façon, si vous avez oublié de fermer le hayon.

3) Soulever le couvercle du logement de capote jusqu'à ce qu'il se bloque entièrement ouvert.
4) Tourner le dispositif d'arrêt de la capote de la position 2-fig. 58 à la position 1 en l'introduisant dans le logement prévu à cet effet. Effectuer cette opération des deux côtes. De l'extérieur de la voiture, soulever la capote d'une main, jusqu'à ce que l'on parvienne à saisir, de l'autre main, la partie arrière de la capote. En la maintenant bien empaquetée, la déplacer entièrement en avant et baisser le couvercle du logement de capote fig. 59. S'assurer que la fixation a bien lieu.
5) Appuyer l'arrière de la capote sur le couvercle du logement de capote fig. 60.
6) Appuyer l'avant de la capote à la traverse de pare-brise.
7) De l'intérieur de la voiture, baisser les pare-soleil; d'une main, maintenir la capote abaissée en utilisant le logement spécial fig. 61 et, de l'autre main, la bloquer sur la traverse de pare-brise en tournant les poignées prévues à cet effet.
8) Relever les pare-soleil.

HARD TOP (lorsqu'il est prévu)
Le hard top est un toit rigide doté de lunette arrière chauffante, destiné à remplacer la capote en hiver et garantissant un excellent confort.
CONSEILS UTILES
Avant de monter le hard top, replier correctement la capote dans son logement et fixer le couvercle du logement de capote à ses dispositifs de sécurité.
Enlever les ceintures de sécurité des boutonnières se trouvant sur le dossier et rabattre les dossiers en avant.
Pendant que l'on place ou enlève le hard top, il est nécessaire que les vitres latérales soient entièrement baissées ou bien que les portes soient ouvertes. Se faire aider d'une autre personne pour soutenir le hard top sur les côtés droit et gauche.
Pour toute opération de réparation ou d'entretien, s'adresser au Réseau Après-vente Fiat.
MONTAGE
I) S'assurer que les poignées de fixation du hard top à la traverse de parebrise sont tournées vers l'intérieur.
2) Démonter les panneaux latéraux internes A-fig. 62 de revêtement du hard top, en dévissant les vis de fixation.
3) Soulever le hard top et le placer sur la voiture.
4) Baisser le hard top et introduire les axes A-fig. 63 dans les ancrages B situés sur la voiture (la protection sur la voiture a été enlevée uniquement pour que l'emplacement des ancrages B soit parfaitement visible sur la fig. 63).

text_image
A C
B
P5S00735m
fig. 62
5) Appuyer la partie avant du hard top sur la traverse de pare-brise.
6) Introduire les crochets C dans les logements D et, tout en agissant sur les leviers E, fixer la partie arrière du hard top à la voiture.
7) Monter les panneaux latéraux A-fig. 62 en introduisant la languette B dans son logement sur le revêtement du hard top et en les fixant à l'aide de la vis C.

text_image
C
A
D
B
E
P5S00734m
fig. 63
8) Brancher le connecteur électrique de la lunette arrière chauffante au connecteur situé sous le panneau latéral gauche.
9) De l'intérieur de la voiture, baisser les pare-soleil et fixer le hard top sur la traverse de pare-brise en tournant les poignées spéciales fig. 64.
DEMONTAGE
1) De l'intérieur de la voiture, baisser les pare-soleil et dégager le hard top de la traverse de pare-brise en baissant et en tournant les poignées spéciales fig. 65 vers l'intérieur de la voiture.
2) Démonter les panneaux latéraux A-fig. 66 du revêtement du hard top en dévissant les vis de fixation B.
3) Débrancher le connecteur électrique de la lunette arrière chauffante du connecteur situé sous le panneau latéral gauche.
4) Pousser vers le haut les interrupteurs de sécurité A-fig. 67 (de couleur rouge) et décrocher les leviers B.
5) Dégager les crochets C des logements D (la protection sur la voiture a été enlevée uniquement pour que les logements D soient parfaitement visibles sur la fig. 67)
6) En manoeuvrant de l'extérieur de la voiture et en se faisant aider d'une autre personne, soulever le hard top et le déplacer en arrière.
7) Remonter les panneaux latéraux A-fig. 66 sur le revêtement du hard top, en les fixant à l'aide des vis B.

text_image
A B
P5S00739m
fig. 66

I) Placer de préférence le hard top sur un râtelier spécial.
2) Nettoyer et protéger les surfaces peintes en y appliquant de la cire protectrice.
3) Saupoudrer de talc les joints en caoutchouc.
4) Nettoyer le revêtement intérieur, en ôtant la poussière à l'aide d'une brosse souple ou d'un aspirateur.
5) Couvrir le hard top avec une bâche en toile ou en plastique perforé. Ne pas utiliser de bâches en plastique compact qui empêche l'évaporation de l'humidité présente à la surface du hard top.
LUNETTE ARRIERE CHAUFFANTE
Elle fonctionne uniquement lorsque la clé de contact est tournée sur MAR. Pour brancher/débrancher la lunette arrière chauffante il faut appuyer sur le bouton A-fig. 68 logé dans le revêtement du hard top entre les poignées de fermeture en position centrale.
Le branchement de la lunette arrière chauffante est signalé par l'allumage de la diode B située sur le bouton.
WIND STOP
Situé derrière les sièges fig. 70, il augmente le confort de marche à toutes les vitesses en limitant la turbulence de l'air qui se forme à l'intérieur de l'habitacle pendant la conduite "à ciel ouvert".

text_image
P5S10023m
A
B
fig. 69

text_image
A
B
PES10048m
fig. 68

text_image
P5S10024m
A
B
C
D
fig. 70
Il permet ainsi de prolonger la saison de “conduite découverte” de la voiture.

ATTENTION
Les opérations de montage et de démontage du wind stop doivent être exécutées la capote étant repliée dans son logement et le couvercle du logement capote ouvert.
MONTAGE DU DISPOSITIF WIND STOP (Ière montage)
I) Monter les pattes latérales A et B fig. 69 en correspondance des trous qui sont déjà présents sur les parties latérales internes de la voiture, à droite et à gauche.
2) Fixer les pattes latérales A et B à la carrosserie avec les vis et les écrous fournis. Introduire les vis et les rondelles de la partie extérieure du flanc et fixer les pattes de l'intérieur avec les écrous, fig. 69.
3) Introduire les extrémités du wind stop C et D fig. 70 à l'intérieur des pattes fixées auparavant en s'assurant que la couverture du wind stop soit tournée vers l'arrière de la voiture.
4) Placer sur les pattes A et B, les couvertures E-fig. 71 orientées comme l'indique la figure; ensuite visser les poignées F sur le goujon fileté des pattes de support.
5) Serrer les poignées F de manière à bloquer le wind stop en position.
Le dispositif wind stop monté dans la voiture ne gène pas l'ouverture et la fermeture de la capote.
DEMONTAGE DU DISPOSITIF WIND STOP
Il suffit de dévisser partiellement en sens contraire à celui des aiguilles d'une montre les poignées F de fixation et d'enlever le dispositif en le tirant vers le haut. Après avoir enlevé le wind stop, revisser les poignées F sur les pattes de support.
Pour les montages successifs du wind stop il suffira de desserrer les poignées F, de mettre en place le dispositif et de le rebloquer. Laisser les pattes de support A et B montées.

Pour des raisons de sécurité, lorsqu'il est démonté, le if ne doit pas être posé dans uncle.

ATTENTION
Vérifier la fixation après les 500 premiers kilomètres.
Périodiquement effectuer de nouveau le contrôle.
CAPOT MOTEUR
Pour ouvrir le capot:
I) Tirer la manette A-fig. 72 dans le sens de la flèche.

ATTENTION
Avant de soulever le capot,
s'assurer que les bras des
essuie-glace ne sont pas soulevés du pare-brise.

ATTENTION
Il est prudent d'enlever le dispositif wind stop si l'on préutiliser la voiture pour de périodes avec la capote ferres l'avoir démonté, placer le op dans le coffre à bagages.

ATTENTION
N'effectuer cette opération que lorsque la voiture est à
Parrêt.
2) Agir sur le levier A-fig. 73.
3) Soulever le capot en le prenant par le milieu et dégager en même temps la béquille de maintien A-fig. 74 de son dispositif de blocage.
4) Introduire l'extrémité de la béquille dans le logement B du capot.

text_image
P5S00670m
A
fig. 72

Attention. Un mauvais positionnement de la béquille de maintien pourrait entraîner la chute violente du capot.

ATTENTION
S'il faut effectuer des vérifications dans le comparti-
ment moteur lorsque celui-ci est encore chaud, veiller à ne pas s'approcher du ventilateur électrique: il pourrait s'enclencher même si la clé a été retirée du contacteur. Attendre que le moteur se refroidisse.
Pour refermer le capot:
I) D'une main, maintenir le capot soulevé et, de l'autre, enlever la béquille A-fig. 74 du logement B, puis la remettre dans son dispositif de blocage.
2) Baisser le capot à 20 cm environ du compartiment moteur.
3) Le laisser retomber: le capot se fermera automatiquement.

Eviter que toutes écharpes, cravates et autres acces-
soires flottants n'entrent en contact avec les organes en mouvement. Ils pourraient être entraînés par ceux-ci et faire courir un grave danger à celui qui les porte.

ATTENTION
Vérifier toujours si le capot est bien fermé, pour éviter
qu'il ne s'ouvre pendant que l'on roule.
fig. 74
COFFRE A BAGAGES
Pour procéder à l'ouverture du couvercle du coffre, ouvrir la porte côté conducteur, déverrouiller la serrure à l'aide de la clé de contact et tirer le levier A-fig. 75 positionné sur la feuillure de porte.
Position I = levier verrouillé
Position 2 = levier déverrouillé
Pour le refermer, baisser entièrement le couvercle en l'accompagnant à l'aide d'une main et, des deux mains, presser aux en droits indiqués par les flèches. Verrouiller la serrure du levier A.
ATTENTION Le couvercle du coffre doit être fermé avant de procéder à l'opération d'ouverture/ fermeture de la capote.

L'amortisseur de soutien du couvercle du coffre est réglé de maniè- re à assurer un fonctionnement correct avec les poids prévus par le constructeur. L'adjonction arbitraire d'objets (spoilers, etc.) peut nuire au bon fonctionnement et à la sécurité d'utilisation du couvercle.

text_image
ATTENTION
Lors de l'utilisation du coffre à bagages, veiller à ne jamais dépasser les charges maximales autorisées (voir au chapitre "Caractéristiques techniques").
PHARES
ORIENTATION DU FAISCEAU LUMINEUX
ATTENTION Une bonne orientation des phares est extrêmement importante pour le confort et la sécurité du conducteur, mais aussi de tous les usagers de la route. Elle constitue en outre une norme précise du code de la route. Pour garantir à soi-même et aux autres les meilleures conditions de visibilité lorsque l'on roule les phares allumés, il est nécessaire que l'orientation de ces phares ait été correctement réglée.
Pour le contrôle et le réglage éventuel, s'adresser au Réseau Après-vente Fiat.
ORIENTATION DES PHARES ANTIBROUILLARDS AVANT
Pour le contrôle et le réglage éventuel, s'adresser au Réseau Après-vente Fiat.
ABS (lorsqu'il est prévu)
La voiture est dotée d'un système de freinage antiblocage des roues (ABS) qui évite le blocage des roues et permet d'exploiter au maximum l'adhérence de chaque pneu et d'améliorer le contrôle et la stabilité de la voiture en cas de freinage d'urgence.
Le conducteur s'aperçoit de la mise en fonction du système par les pulsations sur la pédale de frein accompagnées d'un faible bruit.
Ce comportement, parfaitement régulier, indique que le système est activé et que la voiture roule à la limite de l'adhérence de chaque pneu et qu'il est nécessaire, par conséquent, d'adapter la vitesse de la voiture aux variations de la chaussée.
Le système ABS est associé au circuit de freinage classique ; en cas de défaillance le système se désactive automatiquement alors que le circuit traditionnel de freinage continue à fonctionner comme pour les voitures sans ABS.
En cas de fonctionnement défaillant, bien que l'effet antiblocage ne soit plus disponible, la capacité de freinage de la voiture n'est pas atteinte.
Si vous n'avez jamais utilisé de voitures équipées du système ABS, il est opportun d'apprendre son utilisation en effectuant des essais sur un terrain glissant en conditions de toute sécurité et en respectant rigoureusement le Code de la Route du pays dans lequel vous vous trouvez. Nous vous conseillons également de lire avec attention les informations suivantes.
Par rapport au système traditionnel le système ABS permet d'améliorer la maîtrise directionnelle de la voiture en cas de freinage sur un terrain ne permettant pas une bonne adhérence des pneus tout en évitant le blocage des roues.
Toutefois, le système ABS ne garantit pas toujours la réduction de l'espace de freinage: par exemple, lorsque la chaussée glissante est couverte de gravier ou de neige fraîche, l'espace de freinage pourrait augmenter.
Pour exploiter au mieux les capacités du système antiblocage des roues il convient de suivre les conseils suivants:

ATTENTION
L'ABS exploite à fond l'adhérence de chaque pneu mais il ne peut l'augmenter; par conséquent le conducteur doit se comporter de façon prudente en présence de chaussée glissante, sans courir de risques inutiles.

ATTENTION
Si l'ABS intervient, cela signifie que l'adhérence pneu et la chaussée est réar rapport aux conditions es; réduire immédiatement se pour l'adapter à l'adhéisponible.

ATTENTION
En cas de défaillance du système, le témoin (ABS) sur le
tableau de bord s'allume; dans ce cas rouler très prudemment jusqu'au Réseau Après-vente Fiat le plus proche pour faire rétablir le bon fonctionnement du système.
Tout freinage dans un virage doit être effectué avec le maximum d'attention, même en cas d'activation du système ABS.
Le conseil le plus important est néan-
moins le suivant:

ATTENTION
Quand l'ABS est activé et vous vous en apercevrez par les pulsations de la pédale de frein, ne diminuez pas la pression exercée sur cette dernière mais appuyez à fond sur la pédale sans aucune crainte; vous pourrez ainsi vous arrêter dans l'espace le plus réduit possible, compte tenu des conditions de la chaussée.
En suivant ces instructions vous serez en mesure de freiner en toute sécurité dans toutes les conditions.
ATTENTION Les voitures équipées d'ABS doivent être dotées de jantes, pneus et plaquettes de frein de marque et type agréés par le Constructeur.
Le correcteur électronique de freinage appelé EBD (Electronic Brake Distributor) complète ce dispositif. Grâce à la centrale et aux capteurs du système ABS, il permet d'augmenter les prestations du dispositif de freinage.

ATTENTION
La voiture est dotée d'un correcteur électronique de freinage (EBD). L'allumage simultané des témoins (és) et (!) alors que le moteur tourne, indique une anomalie du système EBD; dans ce cas, un blocage précoce des roues arrière peut survenir lors d'un freinage violent, provoquant une embar-dée. Rouler très prudemment jusqu'au Réseau Après-vente Fiat le plus proche pour faire contrôler le dispositif.

ATTENTION
L'allumage du témoin (ABS) uniquement alors que le moteur tourne indique normalement l'anomalie d'un seul système ABS. Dans ce cas, le système de freinage maintient son efficacité sans toutefois bénéficier du dispositif antiblocage. Dans ces conditions, le fonctionnement du système EBD peut également en être réduit. Dans ce cas également il est recommandé de se rendre dès que possible au Réseau Après-vente Fiat le plus proche en conduisant de manière à éviter tout coup de frein brusque, pour faire contrôler le système.

ATTENTION
Si le témoin Ⓑ de niveau du liquide de frein minimum s'allume, arrêter immédiatement la voiture et s'adresser au Réseau Après-vente Fiat le plus proche. En effet, la fuite éventuelle de liquide du système hydraulique compromet de toute façon le fonctionnement du système de freinage, qu'il soit du type classique ou équipé du dispositif ABS.
AIR BAG
Description et fonctionnement
L'air bag avant (conducteur et passager) est un dispositif de sécurité pour une intervention à l'instant en cas de choc frontal.
Il est constitué d'un coussin à déploiement instantané contenu dans un logement spécial:
- au centre du volant pour le conducteur;
- dans la planche de bord et avec un coussin plus grand pour le passager.
L'air bag avant (conducteur et passager) est un dispositif conçu pour protéger les personnes en cas de chocs par l'avant de violence moyenne ou

grande, à travers l'interposition du coussin entre la personne et le volant ou la planche de bord.
En cas de collision, une centrale électronique élabore les signaux provenant d'un capteur de décélération et active, lorsque cela est nécessaire, le déploiement du coussin.
Le coussin se gonfle à l'instant et se place entre le corps des personnes assises à l'avant et la porte de la voiture. Immédiatement après, le coussin se dégonfle.
En cas de collision une personne qui ne porte pas les ceintures se sécurité avance et peut entrer en contact avec le coussin pendant qu'il se déploie. Dans cette situation la protection offerte par le coussin est réduite.
Par conséquent l'air bag avant (conducteur et passager) n'est pas destiné à remplacer mais à compléter la fonction des ceintures de sécurité qu'il est recommandé d'attacher toujours, ainsi que le prescrit, du reste, la législation européenne et de la plupart des pays extra-européens.
En cas de chocs frontaux de faible importance (pour lesquels l'action de retenue des ceintures de sécurité est suffisante), l'air bag n'entre pas en fonction.
Dans les chocs contre des objets très déformables ou mobiles (comme les poteaux de signalisation routière, les tas de gravier ou de neige, les véhicules garés, etc.), dans les chocs par l'arrière (comme par exemple dans les tamponnements avec d'autres véhicules), dans les chocs latéraux, en cas de coïnement sous d'autres véhicules ou sous des barrières de protection (par exemple sous un autocar ou sous la glissière de sécurité), dans les chocs par l'avant n'intéressant pas la surface frontale de la voiture (par exemple si le pare-chocs heurte la glissière de protection) les air bags ne se déploient pas car ils n'offrent aucune protection supplémentaire à l'action des ceintures de sécurité, et par conséquent leur déploiement est inutile.
Le déploiement manqué du coussin dans ces cas n'est donc pas un signal de défaillance du système.
AIR BAG COTE PASSAGER (lorsqu'il est prévu)
L'air bag avant côté passager a été étudié et étalonné pour améliorer la protection d'une personne portant la ceinture de sécurité.
Son volume au moment du déploiement maximum est donc calculé pour remplir la plupart de l'espace entre la planche de bord et le passager.
Désactivation manuelle
S'il faut absolument transporter un enfant sur le siège avant, la voiture dispose d'un air bag côté passager désactivable.
La désactivation se fait en actionnant à l'aide de la clé de contact de la voiture l'interrupteur à clé A-fig. 77, qui est accessible lorsque la porte du côté passager est ouverte.
L'interrupteur à clé a deux positions:
I - Air bag passager actif: (position ON) témoin sur le tableau de bord éteint; il est absolument défendu de transporter des enfants sur le siège avant.
2 - Air bag passager désactivé: (position OFF) témoin sur le tableau de bord allumé; on peut transporter des enfants protégés par des systèmes de retenue appropriés sur le siège avant.
Le témoin 🚫 sur le tableau de bord reste allumé en permanence jusqu'à la réactivation de l'air bag passager.


ATTENTION
GRAVE DANGER: Si la voiture est
équipée d'un air bag frontal côté passager, ne pas placer de siège-auto sur le siège avant.

text_image
PASS AIR BAG
P5S10010m
fig. 77
Les air bags avant peuvent se déployer si la voiture est soumise à de forts chocs ou à des accidents qui intéressent la zone sous-caisse, comme par exemple des chocs violents contre une marche, un trottoir ou un ressaut fixe du sol, la chute du véhicule dans de grands trous ou des creux dans la chaussée.
Le déploiement des air bags dégage une petite quantité de poussière et de fumée. Ces poussières et fumées ne sont pas nuisibles et n'indiquent pas un début d'incendie.
Si le témoin s'allume pendant la marche (signalement d'une anomalie) il faut s'adresser sans retard et uniquement au Réseau Après-vente Fiat pour le faire réparer.
Le système air bag a une validité de 10 ans. A l'approche de cette échéance, s'adresser au Réseau Après-vente Fiat.
Dans le cas d'un accident où l'air bag s'est déployé, s'adresser au Réseau Après-vente Fiat pour faire remplacer tout le dispositif de sécurité: centrale électronique, ceintures, prétensionneur, et pour faire vérifier l'intégrité du circuit électrique.
Toutes les interventions de diagnostic, de réparation et de remplacement de l'air bag doivent être effectuées auprès du Réseau Après-vente Fiat.
En fin de vie du véhicule, s'adresser au Réseau Après-vente Fiat pour faire désactiver l'équipement.
En cas de changement de propriétaire du véhicule, il est indispensable que le nouveau propriétaire connaisse les modalités d'emploi et les indications ci-dessus et qu'il entre en possession de la Notice d'entretien.
L'activation des prétensionneurs et des air bags avant est décidée de manière différenciée par la centrale électronique en fonction du type de choc. L'activation manquée d'un ou de plusieurs de ces dispositifs n'est donc pas un signal de défaillance du système.

ATTENTION
Quand on tourne la clé de contact sur MAR, le témoin
s'allume mais il doit s'éteindre dans un délai de 4 secondes environ. Si le témoin ne s'allume pas ou bien s'il reste allumé pendant la marche, s'adres-ser immédiatement au Réseau Après-vente Fiat.

ATTENTION
Quand on tourne la clé de contact sur MAR, le témoin
( l'interrupteur de désactivation de l'air bag avant passager étant tourné sur ON) s'allume pendant 4 secondes environ, puis il clignote pendant 4 secondes pour rappeler que l'air bag passager se déploieront en cas de collision, puis il doit s'éteindre.

ATTENTION
Ne pas coller d'étiquettes adhésives ou d'autres objets sur le volant ou sur le cache de l'air bag côté passager. Ne pas voyager en tenant des objets sur les genoux, devant le thorax et moins encore en tenant à la bouche une pipe, un crayon, etc. En cas de collision ils pourraient vous blesser gravement.

ATTENTION
Si la voiture a subi un vol ou une tentative d'effraction, des actes de vandalisme, des inondations, faire vérifier le système air bag auprès du Réseau Après-vente Fiat.

ATTENTION
Le fonctionnement correct des air bags avant et des prétensionneurs est garanti uniquement si la voiture n'est pas surchargée.

ATTENTION
Conduire en tenant toujours les mains sur la couronne du volant afin que, en cas d'activation de l'air bag, celui-ci puisse se déployer sans rencontrer d'obstacles pouvant vous blesser. Ne pas conduire en tenant le corps plié en avant mais garder le dossier bien droit pour bien y appuyer le dos.

ATTENTION
Nous rappelons que lorsque la clé de contact se trouve sur MAR, même si le moteur est coupé, les air bags peuvent se déployer même sur une voiture arrêtée, si celle-ci est heurtée par un autre véhicule en marche. Par conséquent, même si la voiture est arrêtée, il ne faut absolument pas placer d'enfants sur le siège avant. Par contre, il faut se souvenir que lorsque la voiture est arrêtée sans clé de contact introduite et tournée, les air bags ne se déploient pas à la suite d'un choc; dans ces cas, le déploiement manqué des air bags n'est donc pas un signal de défaillance du système.

ATTENTION
L'air bag ne remplace pas les ceintures de sécurité, mais il en augmente l'efficacité. De plus, étant donné que les air bags avant ne se déploient pas en cas de choc par l'avant à petite vitesse, de chocs latéraux, de tamponnements ou de capotage, dans ces cas les personnes assises dans la voiture sont protégées uniquement par les ceintures de sécurité, qui doivent donc être toujours attachées.
SYSTEME EOBD
Le système EOBD (European On Board Diagnosis) effectue un diagnostic continu des composants corrélés aux émissions, signale par ailleurs la condition de détérioration en cours des composants eux-mêmes à l'utilisateur, moyennant l'allumage du témoin sur le tableau de bord..
L'objectif du système est de :
- tenir sous contrôle l'efficacité de l'installation ;
- signaler l'augmentation des émissions due au mauvais fonctionnement de la voiture ;
- signaler la nécessité de remplacer les composants détériorés.
Le système a par ailleurs un connecteur pouvant être interfacé avec une instrumentation adéquate, qui permet la lecture des code d'erreur mémorisés par la centrale, tout avec une série de paramètres spécifiques du diagnostic et du fonctionnement du moteur. Cette vérification est également possible par les agents de contrôle de la circulation.

Au cas où, en tournant la clé de démarrage à la position MAR, le témoin
ne s'allumerait pas, ou lorsque au cours de la marche la lumière fixe ou clignotante s'allumerait, s'adresser aussitôt que possible au Réseau Après Vente Fiat. La fonctionnalité du témoin peut être vérifiée moyennant les équipements spéciaux des agents de contrôle de la circulation. S'en tenir aux normes en vigueur dans le Pays dans lequel on circule.
ATTENTION Après l'élimination de l'inconvénient, pour effectuer la vérification complète du système le Réseau Après-vente Fiat est tenu d'effectuer des tests au banc d'essai et, s'il y a lieu, des essais sur route pouvant nécessiter de longs trajets.
PREEQUIPEMENT POUR TELEPHONE PORTATIF (lorsqu'il est prévu)
Si la voiture a été commandée avec le prééquipement pour le téléphone portatif, elle sera dotée à l'origine de:
- haut-parleur à deux fonctions (autoradio + téléphone portatif) logé à droite sous la planche de bord;
- antenne à deux fonctions à commande électrique (autoradio + téléphone portatif) A-fig. 78 montée dans la partie arrière droite de la voiture;
- câble de câblage avec connecteur à dix voies A-fig. 79 (avec fonction d'alimentation et de raccordement au haut-parleur à deux fonctions) et raccordement à l'antenne à deux fonctions B; ils se trouvent dans la partie avant du tunnel central: pour y accéder il faut dévisser les vis et retirer le volet C.
Le schéma pour la connexion des câbles est le suivant:
N masse électronique
R positif (+30) protégé par le fusible n° 10 de 15A (centrale d'interconnexion)
GN positif (+) lumières, protégées par le fusible n° 2 de 10A (centrale d'interconnexion)
AR positif (+) clé, protégé par le fusible n° I de 15A (centrale d'interconnexion)
LN haut-parleur à deux fonctions sur la porte droite (−)
BR haut-parleur à deux fonctions sur la porte droite (+)

ATTENTION La puissance maximum applicable à l'antenne est de 20W.
Il est bien d'installer le micro à proximité du plafonnier avant dans une position telle à ne pas déranger la visibilité du conducteur.
La position conseillée pour l'installation du support pour le téléphone portatif est indiquée dans la fig. 80.
Le téléphone portatif marche aussi le moteur éteint, mais la clé de contact étant sur MAR.

L'achat du kit mains libres est aux soins du Client car il doit être tible avec son téléphone le.

Pour l'installation du téléphone portable et la connexion au prééquipe-le la voiture, s'adresser ex-ment au Réseau Après-Fiat: ainsi le meilleur ré-sera garanti, en évitant convénient possible pou-ompromettre la sécurité-pôture.
A LA STATION- SERVICE
Les dispositifs antipollution de la Fiat barchetta imposent obligatoirement l'utilisation d'essence sans plomb.
Par sécurité, le petit diamètre du goulot de remplissage de la Fiat barchetta empêche l'introduction du bec des pompes à essence contenant du plomb. L'indice d'octane de l'essence (R.O.N.) ne doit pas être inférieur à 95.

Un mauvais fonctionnement du pot catalytique produit des gaz d'échappement nocifs et, par conséquent, une pollution de l'environnement.

N'essayer en aucun cas, même en cas d'urgence, d'introduire de l'essence contenant du plomb dans le réservoir de la Fiat barchetta. Cela endommagerait irrémédiablement le pot catalytique.
BOUCHON DU RESERVOIR A CARBURANT
Le bouchon est doté d'une serrure et d'un attache A-fig. 82 qui le fixe au volet et empêche de le perdre.
Pour ouvrir: il faut tenir le bouton immobile, tourner la clé d'ouverture dans le sens contraire à celui des aiguilles d'une montre, tourner le bouchon sur un demi-tour dans le même sens et le sortir.
La fermeture hermétique peut entraîner une légère hausse de la pression dans le réservoir, c'est pourquoi un léger bruit d'air aspiré pendant qu'on dévisse le bouchon est tout à fait normal.
Pendant le ravitaillement le bouchon peut être posé directement sur le volet, comme illustré dans la fig. 82.
Pour fermer: il faut introduire le bouchon (avec la clé insérée dedans) et le tourner dans le sens des aiguilles d'une montre, jusqu'à ce qu'on sent un ou plusieurs déclics; en tenant le bouchon immobile, tourner la clé dans la même direction et la sortir.

ATTENTION
Eviter d'approcher des flammes allumées du goulot de remplissage: danger d'incendie. Eviter également d'y approcher le visage, pour ne pas inhaler des vapeurs nocives.

ATTENTION En cas de nécessité, remplacer le bouchon du réservoir par un autre bouchon d'origine. Sinon, le bon fonctionnement du circuit de recyclage des vapeurs de carburant pourrait être compromis.
SAUVEGARDE DE L'ENVIRONNEMENT
La sauvegarde de l'environnement a caractérisé la conception et la réalisation de la Fiat barchetta dans toutes ses phases. Le résultat, c'est l'utilisation de matériaux et la mise au point de dispositifs destinés à réduire ou limiter considérablement les influences nuisibles sur l'environnement.
La Fiat barchetta est ainsi prête à fonctionner en respectant, avec d'amples marges de sécurité, les normes antipollution les plus sévères à l'échelle internationale.
UTILISATION DE MATERIAUX INOFFENSIFS POUR L'ENVIRONNEMENT
Tous les composants de la voiture sont construits sans amiante. Les rembourrages (par exemple des sièges) et le climatiseur manuel sont dépourvus de CFC (chlorofluorocarbures), gaz considérés comme responsables de la destruction de la couche d'ozone.
D'autres substances pouvant polluer l'air et les nappes aquifères, tel le cadmium de la protection antirouille des boulons et les chromates contenus dans certaines couleurs, ont été entièrement remplacées par des substances non nocives pour l'environnement.
DISPOSITIFS REDUISANT LES EMISSIONS POLLUANTES DES MOTEURS A ESSENCE
Convertisseur catalytique trois voie (pot catalytique)
L'oxyde de carbone, les oxydes d'azote et les hydrocarbures imbrûlés sont les principaux composants nocifs des gaz d'échappement. Le pot catalytique est un "laboratoire en miniature", où un pourcentage élevé de ces composants se transforme en substances inoffensives.
La transformation est favorisée par la présence de particules minuscules de métaux nobles présents dans le corps en céramique renfermé dans l'enveloppe métallique en acier inoxy-dable.
Sonde Lambda
Elle garantit le contrôle du rapport exact du mélange air/essence, fondamental pour le bon fonctionnement du moteur et du pot catalytique.
Système antiévaporation
Etant donné qu'il est impossible, même lorsque le moteur est coupé, d'empêcher la formation des vapeurs d'essence, le système parvient à les "prendre au piège" dans un récipient spécial à charbon actif d'où elles sont ensuite aspirées et brûlées lors du fonctionnement du moteur.
CONDUITE
Vous tenez à utiliser votre Fiat barchetta de la meilleure façon possible, à ne pas l'endommager et, surtout, à profiter de toutes ses capacités. Eh bien, ce chapitre vous indique "ce qu'il faut faire, ce qu'il ne faut pas faire et ce qu'il faut éviter" lorsque l'on est au volant de sa Fiat barchetta.
Il s'agit dans la plupart des cas de comportements valables également pour les autres voitures. Pour d'autres en revanche, il peut s'agir de particularités de fonctionnement propres à la Fiat barchetta. De ce fait, il est bon d'être attentif à ce chapitre, afin de connaître les comportements de conduite et d'utilisation qui vous permettront d'exploiter au mieux votre Fiat barchetta.
DEMARRAGE DU MOTEUR 68
A L'ARRET 70
BOITE DE VITESSES 71
CONDUITE SURE 71
LIMITATION DES FRAIS DE GESTION ET
DE LA POLLUTION DE L'ENVIRONNEMENT ..... 76
RESPECT DE L'ENVIRONNEMENT
ET ECONOMIE 78
ATTELAGE DE REMORQUES 79
CHAINES A NEIGE 80
NON-UTILISATION PROLONGEE
DE LA VOITURE 81
CONTROLES REGULIERS
ET AVANT LES LONGS VOYAGES 82
ACCESSOIRES ACHETES PAR LE CLIENT .... 82
CONSEILS POUR ACCESSOIRES UTILES 82
DEMARRAGE DU MOTEUR

ATTENTION
Il est dangereux de faire fonctionner le moteur dans
un local fermé. Le moteur consomme de l'oxygène et dégage de l'anhydride carbonique, de l'oxyde de carbone ainsi que d'autres gaz toxiques.

ATTENTION
Lorsque le moteur tourne, ne pas toucher aux câbles pension (câbles des bougies).
Au cours des première secondes de fonctionnement, surtout après une non-utilisation prolongée de la voiture, il est possible de percevoir un niveau sonore plus élevé du moteur. Ce phénomène, qui ne nuit pas au bon fonctionnement ni à la fiabilité, est caractéristiques des poussoirs hydrauliques: le système de distribution choisi pour les moteurs à essence de votre Fiat barchetta pour contribuer à la réduction des opérations d'entretien.
ATTENTION Il est important de ne jamais appuyer sur la pédale l'accélérateur avant le démarrage du moteur.
I) S'assurer que le frein à main est serré.
2) Mettre le levier de la boîte de vitesses au point mort.
3) Appuyer à fond sur la pédale d'embrayage, mais non pas sur celle de l'accélérateur.
4) Tourner la clé de contact sur la position AVV et la relâcher dès que le moteur a démarré.
En cas de démarrage manqué, remettre la clé de contact sur la position STOP, puis retenter la manoeuvre de démarrage.
Si, la clé de contact étant sur MAR, le témoin reste allumé ainsi que le témoin il est conseillé de remettre la clé sur STOP, puis de nouveau sur MAR; si le témoin continue à rester allumé, essayer à nouveau avec les autres clés remises avec la voiture.
En cas de nouvel échec, procéder au démarrage de dépannage (voir "Démarrage de dépannage" au chapitre "S'il vous arrive") et s'adresser immédiatement au Réseau Après-vente Fiat.
ATTENTION Le moteur coupé, ne jamais laisser la clé de contact sur la position MAR.
- Démarrer lentement, en faisant tourner le moteur à un régime moyen, sans coups d'accélérateur.
- Ne pas exiger du moteur le maximum de ses performances dès les premiers kilomètres. Attendre que la température de l'eau ait atteint 50°C à 60°C.
DEMARRAGE DE DEPANNAGE
Si le système Fiat CODE n'identifie pas le code transmis par la clé de contact (témoin CODE sur le tableau de bord allumé à lumière fixe), il est possible de procéder au démarrage de dépannage en utilisant le code de la CODE card.
Se reporter au chapitre "S'il vous arrive".

Un démarrage en poussant, en remorquant ou en profitant des descentes doit être évité de façon absolue. Ces manoeuvres pourraient provoquer l'afflux de carburant dans le pot catalytique et l'endommager irrémédiablement.

ATTENTION
Se rappeler que tant que le moteur n'a pas démarré, le ein et la direction assistée ne s activés, ce qui nécessite un beaucoup plus grand sur la de frein et sur le volant.
POUR COUPER LE MOTEUR
Mettre la clé de contact sur STOP lorsque le moteur tourne au ralenti.

Le "coup d'accélérateur" avant de couper le moteur est inutile; il contribue seulement à accroître la consommation en carburant.
ATTENTION Après un parcours exigeant, permettre au moteur de "reprendre haleine": ne pas le couper immédiatement, mais le faire tourner au ralenti jusqu'à ce que la température à l'intérieur du compartiment moteur baisse.
A L'ARRET
Couper le moteur, serrer le frein à main, engager une vitesse (la l'ère en côte ou la marche arrière en descente) et braquer les roues. Si la voiture est garée sur une route très en pente, veiller à bloquer également les roues à l'aide d'une cale ou d'une pierre.
Ne pas laisser la clé de contact sur la position MAR pour ne pas risquer de décharger la batterie.
En descendant de voiture, enlever toujours la clé.
FREIN A MAIN fig. I
Le levier de frein à main est situé entre les sièges.
Pour actionner le frein à main, tirer le levier vers le haut jusqu'à ce que le blocage de la voiture soit assuré; quatre ou cinq crans sur sol horizontal sont généralement suffisants, tandis que neuf ou dix peuvent être nécessaires sur forte pente ou avec voiture en pleine charge.
ATTENTION Dans le cas contraire, s'adresser su Réseau Après-vente Fiat qui procédera au réglage.
Lorsque le frein à main est serré et que la clé de contact est en position MAR, le témoin Ⓔ situé sur le tableau de bord s'allume.
Pour desserrer le frein à main:
I) Soulever légèrement le levier et appuyer sur le bouton de déblocage A.
2) Continuer à appuyer sur le bouton et baisser le levier. Le témoin (!) s'éteint.
3) Pour éviter tous mouvements accidentels de la voiture, effectuer la manoeuvre en appuyant sur la pédale de frein.

ATTENTION
Ne jamais laisser d'enfants dans la voiture sans sur-
veillance.

La sélection des vitesses a lieu en pressant à fond la pédale d'embrayage et en positionnant le levier conformément à la grille de la fig. 2 (la grille est reproduite sur le pommeau du levier).
ATTENTION La marche arrière ne peut être enclenchée que lorsque la voiture est arrêtée. Le moteur étant allumé, avant de passer la marche arrière, attendre au moins 2 secondes en appuyant à fond sur la pédale d'embrayage, pour éviter d'endommager les engrenages et gratter.

ATTENTION
Pour utiliser correctement la boîte de vitesses, il est nécessaire d'appuyer à fond sur la pédale d'embrayage. Le plancher sous le pédalier ne doit donc présenter aucun obstacle: veiller à ce que d'éventuels couvre-tapis soient toujours bien tirés et n'entravent pas le bon fonctionnement des pédales.

Ne pas conduire la main appuyée sur le levier de vitesses, car l'effort exercé, même s'il est léger, finit pas user les éléments se trouvant à l'intérieur de la boîte de vitesses.
CONDUITE SURE
Lorsque Fiat a conçu Fiat barchetta, elle a travaillé en profondeur pour obtenir une voiture étant à même de garantir le maximum de sécurité pour les passagers. Toutefois, le comportement du conducteur reste toujours décisif pour la sécurité routière.
Vous trouverez, ci-dessous, quelques règles très simples qui vous permettront de voyager en toute sécurité, quelles que soient les conditions. Bon nombre de ces règles vous sont certainement déjà familières. Ce qui ne doit pas vous empêcher de lire l'ensemble avec beaucoup d'attention.

text_image
1 3 5
2 4 R
P5S0679m
fig. 2
AVANT DE SE METTRE AU VOLANT
- S'assurer du bon fonctionnement des feux et des phares.
- Régler le siège, le volant et les rétroviseurs de manière à être correctement installé pour conduire.
- Régler avec soin les appuie-tête de façon à ce qu'ils soutiennent non pas le cou mais la tête.
- Veiller à ce que rien (couvre-tapis, etc.) n'entrave la course des pédales.
- Régler avec soin la hauteur des ceintures de sécurité en l'adaptant à votre taille (voir les indications reportées au chapitre "Faites connaissance avec votre voiture - ceintures de sécurité").
-
S'assurer que les éventuels systèmes de retenue pour enfants (siègesauto, rehausseurs, etc.) sont parfaitement fixés.
-
Ranger avec soin les objets éventuels dans le coffre à bagages, pour éviter qu'un coup de frein brusque ne puisse les projeter vers l'avant.
- Eviter de déposer sur la planche de bord des objets clairs ou des feuilles de papier pouvant se refléter sur le pa-re-brise.
- Eviter les repas trop lourds avant d'entreprendre un voyage. Une alimentation légère aidera à garder les réflexes en éveil. En particulier, éviter toute absorption d'alcool. L'usage de certains médicaments peut réduire la capacité de conduite: lire attentivement les précautions d'emploi qui y sont relatives.
– Périodiquement, se rappeler de vérifier ce qui est indiqué au paragraphe "Contrôles réguliers et avant les longs voyages" dans ce même chapitre.
EN COURS DE ROUTE
- Première règle à observer pour une conduite sûre: la prudence.
- Et prudence, signifie également pouvoir être à même de prévoir un comportement erroné ou imprudent de la part des autres.
- Respecter scrupuleusement les règles de la circulation routière en vigueur dans chaque pays, notamment celles relatives aux limites de vitesse.
- Ne pas conduire en se servant de la pédale d'embrayage comme repose-pied: cela pourrait provoquer une usure précoce de l'embrayage.
- S'assurer toujours que toutes les ceintures - la vôtre et celle des passagers de la voiture - sont bien attachées, que les enfants sont transportés dans leurs propres sièges et que les animaux éventuels ne peuvent gêner les opérations de conduite.
– N'entreprendre les longs voyages qu'en pleine forme.

ATTENTION
Conduire en état d'ébriété, sous l'effet de stupéfiants ou de certains médicaments, est extrêmement dangereux, aussi bien pour vous que pour les autres.

ATTENTION
Veillez à ce que votre ceinture et celle du passager soient toujours attachées. L'inobservation de cette prescription augmente le risque de lésions graves ou de mort en cas de collision.

ATTENTION
L'eau, la glace et le sel antigel présents sur les routes peuvent se déposer sur les disques des freins, réduisant l'efficacité de freinage dès le premier coup de freins.

ATTENTION
Faire attention lors du montage de spoilers supplémentaires, de roues en alliage et d'enjoliveurs qui ne sont pas de série: ils pourraient réduire l'aération des freins et donc leur efficacité dans des conditions de freinages violents et répétés, ou bien dans de longues descentes.

ATTENTION
Ne pas rouler avec des objets sur le plancher devant le siège du conducteur: en cas de freinage brusque ils pourraient se coincer dans les pédales, rendant l'accélération ou le freinage impossible.

ATTENTION
Attention à l'encombre-
ment d'éventuels couvretapis: toute entrave, même moindre, au système de freinage pourrait demander une course plus importante de la pédale par rapport à la normale.
- Ne pas rouler pendant des heures, mais s'arrêter de temps en temps pour bouger un peu et se détendre pour reprendre la route en pleine forme.
- Assurer une bonne aération de l'habitacle.
- Ne jamais rouler en descente, le moteur coupé: dans ces conditions, le frein moteur, le servofrein et le direction assistée feraient défaut: l'action de freinage nécessiterait donc un plus grand effort sur la pédale et l'action de braquage un plus grand effort sur le volant.
CONDUIRE LA NUIT
Voici quelles sont les principales indications à suivre lorsque l'on voyage la nuit.
- Conduire avec beaucoup de prudence: la nuit, les conditions de conduite sont plus contraignantes.
- Rouler à une vitesse modérée, surtout si la route n'est pas éclairée.
- S'arrêter dès les tout premiers symptômes de somnolence: continuer à rouler serait dangereux pour vous et pour les autres. Ne reprendre la route qu'après s'être suffisamment reposé.
- Garder une distance de sécurité plus grande de nuit par rapport aux véhicules qui vous précèdent: il est difficile d'évaluer la vitesse des autres véhicules lorsqu'on ne voit que leurs feux.
- S'assurer de l'orientation correcte des phares: s'ils sont trop bas, ils réduisent la visibilité et fatiguent la vue; par contre, s'ils sont trop hauts, il peuvent gêner les conducteurs des autres voitures.
– N'utiliser les feux de route qu'à l'extérieur de la ville et lorsque l'on est sûr de ne pas gêner les autres conducteurs.
- Chaque fois que l'on croise un autre véhicule, éteindre les feux de route (si ceux-ci ont été allumés) pour passer en feux de croisement.
- Faire en sorte que les feux et les phares soient toujours propres.
- A l'extérieur de la ville, faire attention aux animaux traversant la route.
CONDUIRE SOUS LA PLUIE
La chaussée mouillée et la pluie constituent un danger. Sur route mouillée, toutes les manoeuvres sont plus difficiles, car l'adhérence des roues sur l'asphalte est considérablement réduite. Les distances de freinage sont par conséquent beaucoup plus longues et la tenue de route dans les virages diminue.
Voici quelques conseils utiles en cas de pluie:
- Réduire la vitesse et garder une distance de sécurité plus grande par rapport aux véhicules qui vous précédent.
- Une pluie très forte réduit la visibilité. Dans ce cas, et même en plein jour, allumer les feux de croisement afin que les autres vous voient parfaitement.
- Ne pas passer dans les flaques d'eau à vitesse élevée et tenir fortement le volant: une plaque d'eau abordée à trop grande vitesse risque de faire perdre le contrôle de la voiture ("aquaplaning").
- Positionner les commandes d'aération pour la fonction de désembuage (Voir au chapitre "Faites connais-
sance avec votre voiture"), de manière à ne pas avoir de problèmes de visibilité.
- Vérifier périodiquement l'état des balais d'essuie-glace.
CONDUIRE DANS LE BROUILLARD
— Si le brouillard est épais, éviter autant que possible de prendre la route.
Si l'on voyage par temps brumeux, par brouillard (uniforme ou bancs):
- Rouler à vitesse modérée.
- Même en plein jour, allumer les feux de croisement, les phares antibrouillards arrière et les éventuels phares antibrouillards avant. Ne pas utiliser les feux de route.
ATTENTION Lorsque la visibilité est bonne, éteindre les feux antibrouillards arrière; la forte intensité lumineuse émise par ces feux gène les passagers des véhicules qui vous suivent.
- Se rappeler que la présence du brouillard signifie également une chaussée mouillée et, par conséquent, des difficultés dans toutes les manoeuvres et des freinages plus longs.
- Maintenir une grande distance de sécurité par rapport au véhicule qui vous précède.
- Tâcher d'éviter les brusques variations de vitesse.
– Autant que possible, éviter de doubler les autres véhicules.
— Au cas où l'on serait obligé de s'arrêter (pannes, impossibilité d'avancer pour mauvaise visibilité, etc.), tout d'abord ne pas le faire dans les voies de circulation. Puis, allumer les feux de détresse et, si possible, les feux de croisement. Klaxonner de façon rythmée si l'on s'aperçoit de l'arrivée d'une autre voiture.
CONDUIRE EN MONTAGNE
- En descente, utiliser le frein moteur, en engageant des vitesses inférieures, pour ne pas surchauffer les freins.
– Eviter absolument de parcourir des descentes, le moteur coupé ou au point mort et, encore moins, la clé de contact enlevée.
- Conduire à vitesse raisonnable, en évitant de “couper” les virages.
- Se rappeler qu'en côte le dépassement est plus long et nécessite par conséquent davantage de route dégagée. Si un autre véhicule vous double en côte, tâcher de lui faciliter cette manoeuvre.
CONDUIRE SUR LA NEIGE OU LE VERGLAS
Pour conduire dans ces conditions:
- Rouler à très faible vitesse.
- Sur route enneigée, s'équiper de chaînes; se reporter au paragraphe "Chaînes à neige" dans ce même chapitre.
- Utiliser surtout le frein moteur et éviter, de toute façon, les coups de frein trop brusques.
- Si l'on freine avec une voiture sans ABS, éviter de bloquer les roues en
modulant la pression sur la pédale de frein.
- Eviter les accélérations imprévues et les brusques changements de direction.
- En hiver, certaines routes apparemment sèches peuvent présenter des parties verglacées. Par conséquent, se comporter de façon particulièrement prudente lorsque l'on parcourt des routes peu exposées au soleil, bordées d'arbres et de rochers, sur lesquelles il est possible qu'il y ait du verglas.
- Garder une grande distance de sécurité par rapport aux véhicules qui vous précèdent.
- Ne pas s'arrêter longtemps, le moteur en marche, sur la neige haute: celle-ci pourrait dévier les gaz d'échappement dans l'habitacle.
CONDUIRE AVEC L'ABS
L'ABS est un dispositif associé au circuit de freinage qui présente essentiellement 2 avantages:
1) Il évite le blocage et, par conséquent, le patinage des roues en cas de freinage d'urgence et notamment en condition de faible adhérence.
2) Il permet d'améliorer la maîtrise directionnelle et la stabilité de la voiture en cas d'obstacles imprévus ou de freinage d'urgence; cela, dans la mesure où les limites physiques d'adhérence latérale du pneu le permettent.
Pour exploiter au mieux l'ABS:
- Lors des freinages d'urgence ou en condition de faible adhérence, on perçoit une légère pulsation sur la pédale de frein: cela signifie que l'ABS est en action. Ne pas relâcher la pédale, mais continuer à appuyer pour donner de la continuité à l'action de freinage.
- L'ABS permet d'éviter le blocage des roues, mais n'augmente pas les limites physiques d'adhérence entre route et pneus. Par conséquent, même si la voiture est équipée d'ABS, respecter la distance de sécurité par rapport aux voitures qui vous précèdent et limiter la vitesse lorsque l'on aborde un virage.
- L'ABS sert à améliorer la maîtrise de la voiture et non pas à aller plus vite.
LIMITATION DES FRAIS DE GESTION ET DE LA POLLUTION DE L'ENVIRONNEMENT
Vous trouverez ci-après des suggestions utiles qui permettent d'économiser les frais de gestion de la voiture et de limiter les émissions nocives.
GENERALITES
Entretien de la voiture
Les conditions de la voiture constituent un facteur influant aussi bien sur la consommation en carburant que sur la tranquillité de route et sur la vie même de la voiture. Il est par conséquent bon de veiller à son entretien en faisant effectuer les contrôles et les réglages prévus par le Plan d'Entretien Programmé (se reporter à bougies, ralenti, filtre à air, calages).
Pneus
Contrôler périodiquement la pression des pneus au maximum toutes les 4 semaines: si la pression est trop basse, les consommations augmentent car la résistance au roulement est plus grande. Il faut souligner que dans de telles conditions, l'usure des pneus augmente, par conséquent le comportement de la voiture en marche et donc de sa sécurité empirent.
Charges inutiles
Eviter de voyager, le coffre à bagages surchargé. Le poids de la voiture (dans la circulation urbaine surtout) et son assiette influencent fortement les consommations et la stabilité.
Equipements électriques
N'utiliser les dispositifs électriques que le temps nécessaire. La lunette arrière chauffante, les projecteurs supplémentaires, les essuie-glaces, le ventilateur du circuit de chauffage nécessitent une énergie considérable, ce qui augmente la demande en courant et, par conséquent, la consommation en carburant (jusqu'à +25% sur le cycle).
Le climatiseur
Le climatiseur représente une charge ultérieure qui pèse sensiblement sur le moteur et qui l'induit à des consommations plus élevées (jusqu'à +20% en moyenne). Si la température extérieure le permet, utiliser de préférence les aérateurs.
Accessoires aérodynamiques
L'utilisation d'accessoires aérodynamiques non certifiés à cet effet peut pénaliser l'aérodynamique et la consommation de la voiture.
STYLE DE CONDUITE
Démarrage
Lorsque la voiture est à l'arrêt, ne pas faire chauffer le moteur à un régime de ralenti ni à un régime élevé: dans ces conditions le moteur chauffe beaucoup plus lentement, ce qui augmente les consommations et les émissions polluantes. Il est dès lors conseillé de partir tout de suite et lentement, en évitant les régimes élevés: le moteur chauffera ainsi plus rapidement.
Manceuvres inutiles
Eviter les coups d'accélérateur lorsque l'on est arrêté au feu rouge ou bien avant de couper le moteur. Cette dernière manœuvre, tout comme le double débrayage sont absolument inutiles sur les voitures modernes et elles ne font qu'augmenter les consommations et la pollution.
Sélection des vitesses
Dès que les conditions de circulation et la route le permettent, enclencher la vitesse la plus élevée. Le fait d'utiliser une vitesse basse pour obtenir une accélération brillante comporte une augmentation des consommations.
De la même façon, l'utilisation inappropriée d'une vitesse élevée augmente les consommations, les émissions polluantes et l'usure du moteur.
Vitesse maximum
La consommation en carburant augmente considérablement au fur et à mesure que la vitesse augmente: il convient d'observer qu'en passant de 90 à 120 km/h, les consommations augmentent de 30% environ. De même, maintenir une vitesse autant que possible uniforme, en évitant les reprises et les coups de frein superflus, qui coûtent du carburant et produisent en même temps des émissions polluantes. Conduire par conséquent "en souplesse" en tâchant d'anticiper les manœuvres pour éviter les dangers imminents et de respecter les distances de sécurité afin d'éviter de brusques ralentissements.
Accélération
Accélérer violemment en portant le moteur à un régime élevé pénalise fortement les consommations et les émissions polluantes; il convient donc d'accélérer progressivement et de ne pas dépasser la vitesse de couple maximum.
CONDITIONS D'EMPLOI
Démarrage à froid
Les parcours très courts et des départs à froid fréquents ne permettent pas au moteur d'atteindre sa température optimale de fonctionnement. Il résulte une augmentation significative soit des consommations (de +15 à +30% sur le cycle urbain) soit des émissions polluantes.
Situations de circulation intense et conditions de la route
Des consommations plutôt élevées sont liées à des situations de circulation intense, par exemple dans des embouteillages lorsque l'on utilise fréquemment les rapports inférieurs de la boîte de vitesses ou dans les grandes villes où l'on trouve beaucoup de feux.
Les parcours tortueux, les routes de montagne et la surface de la chaussée aussi influencent négativement les consommations.
Arrêts dans la circulation
Pendant les arrêts prolongés (par ex. passages à niveau), il est conseillé de couper le moteur.
RESPECT DE L'ENVIRONNEMENT ET ECONOMIE
La sauvegarde de l'environnement est l'un des principes qui ont guidé la réalisation de la Fiat barchetta. C'est la raison pour laquelle ses dispositifs antipollution obtiennent des résultats qui vont bien au-delà de la réglementation en vigueur. Cela n'empêche pas chacun de nous d'y prêter le maximum d'attention. Il suffira, pour ne pas nuire à l'environnement, que l'automobiliste observe quelques règles fort simples.
Règles qui lui permettront, très souvent, de limiter également les consommations.
A ce sujet, on trouvera ci-après une série d'indications utiles, destinées à compléter celles marquées du symbole ⚡, présentes en différents endroits de cette notice.
Il est bon de les lire toutes avec grande attention.
FONCTIONNEMENT DES DISPOSITIFS REDUISANT LES EMISSIONS POLLUANTES
Le fonctionnement correct des dispositifs antipollution ne garantit pas seulement le respect de l'environnement mais influe également sur le rendement de la voiture. Faire en sorte que ces dispositifs soient toujours en bon état est donc la toute première règle à suivre pour une conduite à la fois écologique et économique.
La première précaution consiste à respecter très scrupuleusement le Plan d'Entretien Programmé.
Pour le moteur, n'utiliser que de l'essence sans plomb.
En cas de démarrages difficiles, ne pas insister. Eviter tout particulièrement de pousser la voiture, de la remorquer ou bien de profiter des descentes: ces manoeuvres peuvent détériorer le pot catalytique. Employer exclusivement une batterie d'appoint.
Si l'on s'aperçoit, en cours de route, que le moteur ne tourne pas "rond", continuer à rouler en réduisant au minimum le régime moteur et s'adresser au Réseau Après-vente Fiat dans les plus brefs délais.
Lorsque le témoin du réservoir s'allume, procéder au ravitaillement en carburant sans tarder. Un niveau trop bas de carburant pourrait occasionner une alimentation irrégulière du moteur et, inévitablement, une hausse de la température des gaz d'échappement, ce qui endommagerait sérieusement le pot catalytique.
Eviter de faire tourner le moteur, même s'il ne s'agit que d'un essai, lorsqu'une ou plusieurs bougies sont débranchées.
Ne pas laisser le moteur au ralenti avant de partir, sauf en cas de température extérieure très basse et pendant une trentaine de secondes au maximum.
Eviter l'installation de tout autre isolant thermique, ainsi que le démontage de ceux qui sont prévus sur le pot
catalytique et sur le pot d'échappement.
Ne rien pulvériser sur le pot catalytique, sur la sonde Lambda et sur le pot d'échappement.

ATTENTION
Lorsqu'il fonctionne normalement, le pot catalytique atteint des températures élevées. Eviter donc de garer la voiture sur des matières inflammables (herbe, feuilles mortes, aiguilles de pin, etc.): danger d'incendie.

ATTENTION
L'inobservation de ces règles peut créer des risques d'incendie.
ATTELAGE DE REMORQUES
ATTENTION
Pour le remorquage de caravanes ou de remorques, la voiture doit être dotée d'un crochet d'attelage homologué et d'un circuit électrique spécifique.
L'installation doit être effectuée par une personne spécialisée qui délivrera les documents nécessaires pour la circulation sur les routes.
Il faudra également veiller à la pose de rétroviseurs spéciaux, conformément aux dispositions du Code de la route.
Il ne faut pas oublier que l'attelage d'une remorque réduit la possibilité de franchir des pentes raides et augmente les espaces d'arrêt et les temps pour doubler les voitures, toujours en rapport avec le poids global.
Dans les descentes, il est opportun de passer une vitesse inférieure plutôt que d'utiliser constamment le frein. Par ailleurs, il y a lieu de considérer que le poids de la remorque sur le crochet d'attelage réduit dans la même mesure la capacité de charge de la voiture.
Pour être sûr de ne pas dépasser le poids maximum remorquable, il faut tenir compte du poids de la remorque en pleine charge, y compris les accessoires et les bagages personnels.
Respecter les limites de vitesse spécifiques dans chaque pays, pour les véhicules avec attelage de remorques. De toute façon la vitesse maximum ne doit pas dépasser 100 km/h.

ATTENTION
Le système ABS dont peut être dotée la voiture ne contrôle pas le circuit de freinage de la remorque. Conduire donc avec beaucoup de prudence sur les chaussées glissantes.

ATTENTION
De la façon la plus absolue, il n'est admis aucune modification au système de freinage de la voiture pour la commande du frein de la remorque. Son circuit de freinage doit donc être complètement indépendant du circuit hydraulique de la voiture.
CHAINES A NEIGE

En cas d'utilisation de chaînes, rouler à vitesse modérée et, pour ne pas endommager les pneus, la suspension et la direction, éviter les trous, les marches ou trottoirs ainsi que les longs parcours sur routes enneigées.
Leur utilisation est soumise aux réglementations en vigueur dans chaque pays.
Les chaînes ne doivent être appliquées qu'aux pneus des roues avant (roues motrices).
Contrôler la tension des chaînes après avoir parcouru quelques dizaines de mètres.
Avec des pneus 195/55 R15 (84V) ou 195/45 R16 (80V), ne pas utiliser de chaînes à neige, pour éviter toute interférence de ces chaînes avec le passage de roue en plastique.
Avec des pneus 185/55 R15 (81H), n'utiliser que des chaînes à encombrement réduit (dépassement maximum de la chaîne: 12 mm par rapport au profil du pneu).
ATTENTION La roue de secours étant de dimensions réduites, elle ne convient pas au montage des chaînes à neige. En cas de crevaison d'un pneu avant, mettre la roue de secours à la place d'une roue arrière et déplacer celle-ci sur l'essieu avant. Ainsi, en ayant deux roues normales à l'avant, il est possible d'appliquer les chaînes à neige sur celles-ci.
NON- UTILISATION PROLONGEE DE LA VOITURE
Si la voiture n'est pas utilisée pendant plusieurs mois, il est conseillé de:
- Garer la voiture, la capote fermée, dans un local couvert, sec et autant que possible aéré.
- Enclencher une vitesse.
- Veiller à ce que le frein à main soit complètement desserré.
- Débrancher les bornes des pôles de la batterie (en déconnectant d'abord la borne négative et en vérifiant l'état de charge de la batterie). Pendant le remisage, ce contrôle devra être effectué tous les mois. Procéder à la recharge si la tension à vide est inférieure à 12,5V.
ATTENTION Si la voiture est équipée de l'alarme électronique, débrancher l'alarme à l'aide de la télécommande et désactiver le dispositif en tournant la clé de secours sur "OFF" (voir "Alarme électronique" au chapitre "Faites connaissance avec votre voiture").
- Nettoyer et protéger les surfaces peintes en y appliquant de la cire protectrice.
- Nettoyer et protéger les parties en métal poli en utilisant des produits du commerce prévus à cet effet.
- Saupoudrer de talc les caoutchoucs des essuie-glaces avant et arrière et les maintenir écartés des vitres.
- Entrouvrir les vitres des portes.
- Couvrir la voiture avec une bâche en toile ou en plastique perforé. Ne pas utiliser de bâches en plastique compact qui empêche l'évaporation de l'humidité présente à la surface de la voiture.
– Gonfler les pneus à une pression supérieure de 0,5 bar à la normale et la vérifier périodiquement.
- Contrôler tous les mois l'état de charge de la batterie.
- Ne pas vidanger le circuit de refroidissement du moteur.
CONTROLES REGULIERS ET AVANT LES LONGS VOYAGES
Périodiquement, se rappeler de contrôler:
– la pression et l'état des pneus;
– le niveau du liquide de batterie;
– le niveau d'huile moteur;
- le niveau du liquide de refroidissement moteur et l'état du circuit;
– le niveau du liquide de freins;
– le niveau du liquide de lave-glace;
— le niveau du liquide de direction assistée.
ACCESSOIRES ACHETES PAR LE CLIENT

EMETTEURS RADIO ET TELEPHONES PORTATIFS
Les téléphones portatifs et autres émetteurs radio (par exemple CB) ne peuvent être utilisés dans la voiture, à moins de monter une antenne séparée à l'extérieur du véhicule.
ATTENTION L'utilisation de téléphones portatifs, émetteurs CB ou autres appareils dans l'habitacle (sans antenne à l'extérieur) produit des champs électromagnétiques à radiofréquence. Ceux-ci, amplifiés par les effets de résonance dans l'habitacle, peuvent non seulement nuire à la santé des passagers, mais aussi causer un dysfonctionnement des systèmes électroniques équipant la voiture, ce qui risque de compromettre la sécurité du véhicule.
De plus, la qualité de l'émission et de la réception de ces appareils peut être altérée par l'effet d'écran de la coque de la voiture.
CONSEILS POUR ACCESSOIRES UTILES
Indépendamment des obligations législatives en vigueur, il est conseillé d'avoir toujours à bord fig. 3:
- une trousse de secours contenant un désinfectant non alcoolisé, des compresses de gaze stériles, de la gaze en rouleau, du sparadrap, etc.
- un extincteur
– des ciseaux a bouts ronds
– des gants de travail.
Les éléments décrits et illustrés sont disponibles auprès de la Lineaccessori Fiat.

Il peut vous arriver de vous trouver en état d'urgence. D'avoir besoin d'une aide immédiate, concrète.
Les pages qui suivent ont été justement créées pour vous prêter secours en cas de besoin.
Vous verrez que l'on a non seulement tenu compte d'une foule de petits inconvénients mais que l'on a, pour chacun d'eux, suggéré l'intervention la plus appropriée. Une intervention que vous pourrez effectuer vous-mêmes. Si le problème est plus sérieux, il sera toutefois nécessaire de s'adresser au Réseau Après-vente Fiat.
A ce propos, nous vous rappelons qu'avec la notice d'entretien, il vous a été également remis le CARNET DE GARANTIE contenant la description détaillée de tous les services que Fiat met à votre disposition en cas de difficultés.
De toute façon, nous vous conseillons de lire ces pages. En cas de besoin, vous saurez retrouver rapidement les informations qui vous servent.
DEMARRAGE DE DEPANNAGE 84
DEMARRAGE AVEC BATTERIE D'APPOINT ..... 85
DEMARRAGE PAR MANOEUVRES A INERTIE ..... 86
S'IL VOUS ARRIVE DE CREVER UN PNEU 86
S'IL VOUS ARRIVE DE GRILLER UNE AMPOULE .... 91
S'IL VOUS ARRIVE DE GRILLER
UNE AMPOULE A L'EXTERIEUR 93
S'IL VOUS ARRIVE DE GRILLER
UNE AMPOULE A L'INTERIEUR 98
S'IL VOUS ARRIVE DE GRILLER UN FUSIBLE ..... 98
S'IL VOUS ARRIVE D'AVOIR UNE BATTERIE
A PLAT 105
S'IL VOUS ARRIVE D'AVOIR BESOIN
DE SOULEVER LA VOITURE 106
S'IL VOUS ARRIVE D'AVOIR BESOIN
DE REMORQUER LA VOITURE 108
EN CAS D'ACCIDENT 109
DEMARRAGE DE DEPANNAGE
Si le système Fiat CODE ne parvient pas à désactiver le verrouillage du moteur, les témoins CODE et Restent allumés et le moteur ne démarre pas. Pour le mettre en marche, il est nécessaire de procéder à un démarrage de dépannage.
Il est conseillé de lire attentivement toute la procédure avant de l'effectuer. En cas d'erreur, remettre la clé de contact sur STOP, puis répéter les opérations à partir du point I).
I) Lire le code électronique à 5 chiffres indiqué sur la CODE card.
2) Tourner la clé de contact sur MAR.
3) Appuyer à fond sur la pédale d'accélérateur et maintenir la pression. Le témoin de l'injection s'allume pendant 8 secondes environ, puis s'éteint; après quoi, relâcher la pédale d'accélérateur et s'apprêter à compter le nombre de clignotements du témoin
4) Après un nombre de clignotements égal au premier chiffre du code de la CODE card, appuyer à fond sur la pédale d'accélérateur et maintenir la pression jusqu'à ce que le témoin s'allume (pendant 4 secondes) et puis s'éteigne; après quoi, relâcher la pédale d'accélérateur.
5) Le témoin 📋 recommence à clignoter: après un nombre de clignote-ments égal au deuxième chiffre du code de la CODE card, appuyer sur la pédale d'accélérateur et maintenir la pression.
6) Procéder de la même façon pour les autres chiffres du code de la CO-DE card.
7) Après que le dernier chiffre a été introduit, maintenir la pression sur la pédale d'accélérateur. Le témoin s'allume pendant 4 secondes, puis s'éteint; il est à présent possible de relâcher la pédale de l'accélérateur.
8) Un clignotement rapide du témoin (pendant 4 secondes) confirme que l'opération a été correctement effectuée.
9) Procéder alors à la mise en marche de la voiture en tournant la clé de la position MAR à la position AVV.
Si le témoin reste allumé, tourner la clé de contact sur STOP et répéter la procédure à partir du point I).
ATTENTION Après un démarrage de dépannage, il est conseillé de s'adresser immédiatement au Réseau Après-vente Fiat, car la procédure décrite doit être répétée à chaque mise en marche du moteur.
DEMARRAGE AVEC BATTERIE D'APPOINT
Si la batterie est à plat, il est possible de démarrer le moteur en utilisant une autre batterie de capacité égale ou très légèrement supérieure à celle de la batterie d'origine (voir chapitre "Caractéristiques techniques").
Procéder de la façon suivante fig. I:
1) Relier les bornes positives (signe + à proximité de la borne) des deux batteries à l'aide d'un câble prévu à cet effet.
2) A l'aide d'un deuxième câble, relier la borne négative (−) de la batterie d'appoint à un point de masse 1 sur le moteur ou sur la boîte de vitesse de la voiture à démarrer.
ATTENTION Ne pas relier directement les bornes négatives des deux batteries: toute étincelle peut incendier le gaz détonant qui pourrait sortir de la batterie. Si la batterie d'appoint est installée sur une autre voiture, il faut éviter que les parties métalliques des deux voitures entrent en contact.
3) Démarrer le moteur.
4) Lorsque le moteur a démarré, débrancher les câbles dans l'ordre inverse, c'est-à-dire en commençant par le dernier câble.
Si, après quelques tentatives, le moteur ne démarre pas, ne pas insister inutilement et s'adresser au Réseau Après-vente Fiat.

Ne pas effectuer cette procédure si on n'en a pas l'expérience: des manœuvres incorrectes peuvent provoquer des décharges électriques de très grande intensité ainsi que l'explosion de la batterie. De plus, le liquide contenu dans la batterie est toxique et corrosif, éviter donc tout contact avec la peau et les yeux. Eviter également d'approcher de la batterie des flammes ou des cigarettes allumées. De même, ne pas provoquer d'étincelles: danger d'explosion et d'incendie.

Eviter rigoureusement d'utiliser un chargeur de batterie pour effectuer un démarrage de dépannage: on risquerait d'endommager les systèmes électroniques, notamment les circuits qui gèrent l'allumage et l'alimentation.
DEMARRAGE PAR MANOEUVRES A INERTIE

Un démarrage en poussant, en remorquant ou en profitant des descentes doit être évité de façon absolue. Ces manoeuvres pourraient provoquer l'afflux de carburant dans le pot catalytique et l'endommager irrémédiablement.

ATTENTION
Se rappeler que tant que le moteur n'a pas démarré, le servofrein et la direction assistée ne sont pas activés, ce qui nécessite un effort beaucoup plus grand sur la pédale de frein et sur le volant.
S'IL VOUS ARRIVE DE CREVER UN PNEU
Indications generales
L'utilisation correcte du cric et de la galette requiert l'observation de quelques consignes qui sont décrites ci-après.

ATTENTION
Signaler la présence de la voiture arrêtée suivant les réglementations en vigueur: feux de détresse, triangle, etc.
Il vaut mieux que les personnes se trouvant à bord de la voiture descendent, surtout si elle est chargée, et qu'elles attendent la fin de l'opération en restant hors du danger de la circulation.
Si le terrain est en pente ou déformé, le véhicule doit être immobilisé en plaçant des cales sous les roues.

ATTENTION
La roue de secours fournie avec la voiture est spécifique à cette dernière; ne pas la monter sur d'autres véhicules d'un modèle différent et ne pas utiliser de roues de secours d'autres modèles sur votre voiture. Si l'on souhaite remplacer le type de roues utilisées (jantes en alliage à la place de celles en acier ou vice-versa), il faut que l'équipement complet, comprenant les boulons de fixation et la roue de secours, soit remplacé par un autre équipement spécifique aux dimensions adéquates. La roue de secours doit être utilisée exclusivement en cas d'urgence. Pendant l'utilisation de la roue de secours, ne pas dépasser la vitesse de 80 km/h. Sur la roue de secours est collé un adhésif orange, lequel indique les principaux avertissements concernant l'utilisation de cette roue et les limitations d'utilisation correspondantes.

ATTENTION
Cet adhésif ne doit absolument pas être enlevé ou couvert.
Sur la roue compacte il ne faut absolument placer aucun enjoliveur.
L'ahésif donne les indications suivantes en quatre langues:
ATTENTION! POUR USAGE TEMPORAIRE
SEULEMENT! 80 KM/H MAX!
À REMPLACER DÉS QUE POSSIBLE PAR UNE ROUE STANDARD. NE PAS RECOU - VRIR CETTE INDICATION.
Eviter les accélérations à pleins gaz, les freinages trop brusques et les virages pris à vitesse élevée.
La roue de secours à une durée maximale globale de 3.000 km, après cette distance, le pneu de la roue de secours doit être remplacé par un autre du même type.
En aucun cas ne monter un pneu traditionnel sur une jante prévue pour l'utilisation d'une roue de secours. Faire réparer et remonter la roue remplacée dès que possible.

ATTENTION
L'utilisation simultanée de deux ou plusieurs roues de n'est pas admise.
Ne pas graisser les filets des boulons avant de les monter: ils pourraient se dévisser spontanément.
Le cric sert exclusivement au remplacement de roues sur la voiture avec laquelle il est fourni. Il convient donc d'exclure tout autre emploi, par exemple pour soulever d'autres voitures. Il ne doit en aucun cas être utilisé pour des réparations sous la voiture.
Un mauvais positionnement du cric peut provoquer la chute de la voiture soulevée.
Ne pas utiliser le cric pour des poids supérieurs à ceux qui sont indiqués sur l'étiquette se trouvant sur le cric. Ne jamais faire démarrer le moteur lorsque la voiture est soulevée sur le cric.
Si l'on voyage avec une remorque, décrocher cette dernière avant de soulever la voiture.

ATTENTION
Il est interdit de monter les chaînes à neige sur la roue de secours, par conséquent si l'on crève un pneu avant (roue motrice) et que l'emploi des chaînes à neige est nécessaire, démonter de l'essieu arrière une roue normale et monter la roue de secours à la place de cette dernière. Ayant ainsi deux roues motrices avant normales, il est possible de monter les chaînes à neige et donc de résoudre la situation d'urgence.
En cas de mauvais montage de l'en-joliveur de roue, celui-ci risque de se décrocher lorsque la voiture est en marche.
Ne pas altérer la soupape de gon-
flage.
N'introduire aucun outil entre la jante et le pneu.
Périodiquement, contrôler la pression des pneus et de la roue de secours en se conformant aux valeurs reportées au chapitre "Caractéristiques techniques".
REEMPLACER LA ROUE
Il faut préciser que:
- la masse du cric est de 1,85 kg;
– le cric ne nécessite aucun réglage;
- le cric ne peut être réparé; en cas de défaillance, il faudra donc le remplacer par un autre cric d'origine;
- aucun outil, à l'exclusion de la manivelle de manœuvre illustrée dans ce chapitre, ne peut être monté sur le cric.
Pour remplacer la roue, procéder comme suit:
I) Arrêter le véhicule de façon à ne pas gêner la circulation et à pouvoir remplacer la roue en toute sécurité.
Le terrain doit être plat et suffisamment compact.
2) Couper le moteur et serrer le frein de stationnement.
3) Engager la première vitesse ou la marche arrière.
4) Soulever le tapis de revêtement du coffre à bagages.
5) Dévisser le dispositif de blocage A-fig. 2, enlever le support complet avec les outils et le porter près de la roue à remplacer. Dégager les outils, enlever le cric et prendre la roue de secours.
6) On rend ainsi accessibles les boulons de fixation de la roue. Desserrer d'un tour environ les boulons de fixation de la roue à remplacer. En cas de jantes en alliage, secouer la voiture pour faciliter le détachement de la jante du moyeu de roue.
7) Tourner le volant de manoeuvre du cric de façon à l'ouvrir partiellement.
8) Placer le cric à proximité de la roue à remplacer et contrôler si la rainure A-fig. 4 du cric est bien positionnée sur le rebord B du longeron.

text_image
P5500681m
A
fig. 2

text_image
P5S00694m
A
B
fig. 4
9) Avertir les personnes éventuellement présentes que la voiture va être soulevée; celles-ci devront donc s'éloigner quelque peu et surtout veiller à ne pas toucher la voiture tant qu'elle n'aura pas été à nouveau bais- sée.
10) Tourner la manivelle du cric et procéder au levage de la voiture jusqu'à ce que la roue se trouve à quelques centimètres au-dessus du sol.
Faire tourner la manivelle prenant soin que le mouvement soit libre pour éviter toute excoriation de la peau provoquée par le frottement contre le sol. Les éléments mobiles du cric aussi (vis et articulations) peuvent provoquer des lésions: éviter tout contact. Nettoyer soigneusement les mains s'il vous arrive de les salir avec de la graisse de lubrification.
II) Dévisser complètement les 4 boulons, enlever la roue, et là où prévu, récupérer l'enjoliveur de roue.
12) Veiller à ce que les surfaces d'appui de la roue de secours soient propres et exemptes de toutes impuretés qui risqueraient de provoquer,
par la suite, le desserrage des boulons de fixation.
13) Monter la roue de secours, en veillant à ce que les trous A-fig. 5 coïncident avec les ergots correspondants B.
14) Visser les 4 boulons de fixation.
15) Tourner la manivelle du cric de façon à baisser la voiture et enlever le cric.
16) Serrer à fond les boulons, en passant de l'un à l'autre par passes croisées, en suivant l'ordre représenté sur la fig. 6.
17) Ranger le pneu crevé dans le logement de la roue de secours.

text_image
B
A
P5S10050m
fig. 5
En fonction des quatre roues normalement utilisées et dotées d'une jante en acier ou bien en alliage léger, la construction de la roue de secours (à jante toujours en acier) diffère pour être compatible avec les boulons de fixation qui sont spécifiques pour chacun des deux types de jante.
Par conséquent, si l'on souhaite remplacer le type de roues utilisées (jantes en alliage à la place de celles en acier ou vice-versa), il sera nécessaire de changer de boulons et, donc, d'adopter une nouvelle roue de secours spécifique.
Il vaut mieux conserver les boulons et la roue de secours (galette) car ils sont indispensables dans le cas d'un futur réemploi du type de roues d'origine.

text_image
P5S10049m
①
②
③
④
fig. 6
REMONTAGE LA ROUE NORMALE
1) En suivant la procédure précédemment décrite, lever la voiture et déposer la roue de secours.
2) Monter la roue d'utilisation normale. Au cas où la roue serait équipée d'enjoliveur, il faut d'abord insérer un seul boulon, ensuite monter l'enjoliveur même en alignant le trou A-fig. 7 au boulon déjà monté; visser le trois autres boulons, en utilisant la prolonge B pour emboîter les boulons de fixation.
3) Visser les boulons à l'aide de la clé prévue à cet effet.
4) Baisser la voiture et enlever le cric.
5) Serrer à fond les boulons en suivant l'ordre précédemment décrit.
Au terme de l'opération
I) Placer la roue de secours à l'endroit aménagé dans le coffre à bagages.
2) Replacer le cric dans son support, en faisant coïncider l'ergot A-fig. 8 avec la rainure B du cric, et mettre le tout dans la roue de secours.
3) Réintroduire dans leur support les outils utilisés.
4) Placer le support en faisant coïncider la boutonnière A-fig. 9 avec la base du cric.
5) Visser le dispositif de blocage B.

text_image
P5500696m
A
B
fig. 7

Toute modification ou réparation du circuit électrique effectuée de façon non conforme et sans tenir compte des caractéristiques techniques du circuit, peut provoquer des anomalies de fonctionnement avec des risques d'incendie.

Il est conseillé, si possible, de faire effectuer le remplacement des lampes auprès du Réseau Après-vente Fiat. L'orientation et le fonctionnement correct des feux extérieurs sont des conditions essentielles pour la sécurité de marche et pour ne pas s'exposer aux sanctions prévues par la loi.

Manipuler les lampes halogènes en touchant exclusivement la partie mé- tallique. Le contact des doigts avec l'ampoule de verre diminue l'intensité de la lumière dégagée et peut également réduire la vie de la lampe. En cas de contact accidentel, frotter l'ampoule avec un chiffon imbibé d'alcool et laisser sécher.

ATTENTION
Les lampes à halogène contiennent des gaz sous n: il est donc possible, en cas ture, que se produise une ion de fragments de verre.
- Lorsqu'un feu ne fonctionne pas, avant de remplacer la lampe, vérifier le bon fonctionnement du fusible correspondant.
- Pour l'emplacement des fusibles, se reporter au paragraphe "S'il vous arrive de griller un fusible" dans ce même chapitre.
- Avant de remplacer une lampe grillée, s'assurer que les contacts ne sont pas oxydés.
- Remplacer les lampes grillées exclusivement par d'autres de mêmes caractéristiques.
- Après avoir remplacé une lampe des phares, vérifier toujours l'orientation du faisceau lumineux.
TYPES DE LAMPES
Différents types de lampes (fig. 10) sont installés dans la voiture:
A Lampes tout verre
Elles sont insérées par pression. Pour les dégager, il suffit de les tirer.
B Lampes à baïonnette
Pour les dégager de leur douille, presser l'ampoule de verre, la tourner de droite à gauche et l'en-lever.
C Lampes cylindriques
Pour les enlever, les dégager des contacts correspondants.
D Lampes halogènes
Pour enlever la lampe, libérer le ressort de blocage de son logement.

LAMPES TYPE - fig. 10 PUISSANCE
| Feux de route | D 55W | |
| Feux de croisement | D 55W | |
| Feux avant de position | A 5W | |
| Clignotants avant | B 21W | |
| Rappel de clignotant | A 5W | |
| Feux antibrouillard avant | D 55W | |
| Feux de position arrière | B 5W | |
| Feux stop | B 21W | |
| Feu 3^ème stop (feu d'arret supplémentaire) | B 21W | |
| Clignotants arrière | B 21W | |
| Feux de recul | B 21W | |
| Feux antibrouillard arrière | B 21W | |
| Eclairage de la plaque minéralogique | A 5W | |
| Plafonnier | C 10W | |
| Eclairage de la boîte à gants | C 5W | |
fig. 10
S'IL VOUS ARRIVE DE GRILLER UNE AMPOULE A L'EXTERIEUR
FEUX DE POSITION AVANT
fig. 11
Pour remplacer la lampe de 12V-5W:
I) Enlever le couvercle de protection en tirant la languette A vers le bas.
2) Enlever la douille B, en imprimant une légère rotation pour faciliter l'extraction.
3) Dégager la lampe C, la remplacer et remonter la douille en l'insérant par pression.
FEUX DE CROISEMENT
Pour remplacer la lampe halogène (type HI, 12V-55W):
I) Enlever le couvercle de protection en tirant la languette A-fig. 12 vers le bas.
2) Décrocher l'épingle de retenue A-fig. 13 et enlever la lampe B.
3) Mettre la lampe neuve en veillant à faire coïncider les ailettes de la partie métallique avec les rainures correspondantes de la parabole du phare et raccrocher l'épingle de retenue.

text_image
A
B
C
P5500713m
fig. 11

I) Enlever le couvercle de protection en tirant la languette A-fig. 14 vers le bas.
2) Décrocher l'épingle de retenue A-fig. 15, enlever la lampe B et la remplacer.
3) Mettre la lampe neuve en veillant à faire coïncider les ailettes de la partie métallique avec les rainures correspondantes de la parabole du phare et raccrocher l'épingle de retenue.
PHARES ANTIBROUILLARDS AVANT fig. 16
Pour remplacer les lampes des feux anti-brouillard (type H3, 12V-55W) il faut opérer en dessous de la voiture, Il est cependant conseillé de faire remplacer les lampes chez le Réseau Après Vente Fiat.
CLIGNOTANTS AVANT fig. 17
Pour remplacer les lampes des indicateurs de direction il faut opérer en dessous de la voiture. Il est cependant conseillé de faire remplacer les lampes chez le Réseau Après Vente Fiat.

text_image
ATTENTION
Le réglage non correct des
projecteurs anti-brouillard
en diminue l'efficacité et il peut dé-
ranger les autres conducteurs de
voiture. En cas de nécessité, s'adress-
er au Réseau Après Vente Fiat pour
le contrôle et le réglage éventuel.

I) Enlever l'optique A, inséré par pression, avec la douille et son capuchon en caoutchouc.
2) Déplacer le capuchon en caouchouc vers l'arrière et dégager la douille de l'optique.
3) Enlever la lampe B en la poussant légèrement et en la tournant dans le sens inverse à celui des aiguilles d'une montre.
4) Remplacer la lampe.
5) Positionner l'optique sur la douille jusqu'à entendre un déclic puis remettre en place le capuchon en caoutchouc.
6) Positionner ensuite le groupe complet dans son siège, sur la carrosserie, en imprimant une légère rotation pour faciliter le montage.
CLIGNOTANTS ARRIERE
fig. 19
Pour remplacer la lampe de 12V-21W:
I) Dévisser le bouton A et enlever le couvercle.
2) Tourner la douille B dans le sens inverse à celui des aiguilles d'une montre et l'enlever.
3) Dégager la lampe C en la poussant légèrement et en la tournant dans le sens inverse à celui des aiguilles d'une montre.

text_image
A
B
P5500698m
fig. 18

text_image
A
B
C
P5S00699m
fig. 19
FEUX DE POSITIONARRIERE fig. 20
Pour remplacer la lampe de 12V-5/21W:
I) Dévisser le bouton A et enlever le couvercle.
2) Tourner la douille B dans le sens inverse à celui des aiguilles d'une montre et l'enlever.
3) Dégager la lampe C en la poussant légèrement et en la tournant dans le sens inverse à celui des aiguilles d'une montre.
FEU 3ème STOP
Pour remplacer la lampe type 12V-P21W:
I) Ouvrir le hayon.
2) Dévisser les 2 vis A-fig. 21 de fixation du cache interne.
3) Tourner le porte-lampe B-fig. 22 d'environ 1/4 tour de droite à gauche.
4) Sortir la lampe à baïonette C.
5) Remonter en exécutant les opérations ci-dessus dans l'ordre inverse.

I) Dévisser la vis de fixation A de l'optique.
2) Tourner la douille B dans le sens inverse à celui des aiguilles d'une montre et l'enlever.
3) Dégager la lampe, en la poussant légèrement et en la tournant dans le sens inverse à celui des aiguilles d'une montre.
4) Lors du remontage de l'optique, insérer d'abord la languette C dans le logement de la carrosserie prévu à cet effet, puis le fixer à l'aide de la vis A.
FEUX ANTIBROUILLARD ARRIERE fig. 24
Pour remplacer la lampe de 12V-21W:
I) Dévisser la vis de fixation A de l'optique.
2) Tourner la douille B dans le sens inverse à celui des aiguilles d'une montre et l'enlever.
3) Dégager la lampe, en la poussant légèrement et en la tournant dans le sens inverse à celui des aiguilles d'une montre.
4) Lors du remontage de l'optique, insérer d'abord la languette C dans le logement de la carrosserie prévu à cet effet, puis le fixer à l'aide de la vis A.
FEUX DE PLAQUE MINERALOGIQUE fig. 25
Pour remplacer la lampe cylindrique de 12V-5W:
I) Dévisser les vis de fixation A de l'optique.
2) Séparer le joint B du transparent et remplacer la lampe C fixée par pression.

text_image
A
B
C
P5S00701m
fig. 23

text_image
A
B
C
P5500702m
fig. 24

text_image
P5S00703m
A
B
C
fig. 25
S'IL VOUS ARRIVE DE GRILLER UNE AMPOULE A L'INTERIEUR
PLAFONNIER
Pour remplacer la lampe cylindrique A de 12V-10W: enlever le plafonnier en faisant levier avec un tournevis aux points indiqués par la fig. 26.
ECLAIRAGE DE LA BOITE A GANTS fig. 27
Pour remplacer la lampe cylindrique de 12V-5W, enlever le transparent en appuyant sur les deux côtés courts et en le tirant vers le bas.
S'IL VOUS ARRIVE DE GRILLER UN FUSIBLE
GENERALITES fig. 28
Quand un dispositif électrique ne fonctionne plus, contrôler l'état du fusible correspondant: le filament C ne doit pas être coupé. Dans le cas contraire, il faut remplacer le fusible grillé par un autre ayant le même ampérage (même couleur).
A - Fusible intact.
B - Fusible à filament coupé.

Ne jamais remplacer un
fusible grillé par des fils
métalliques ou tout autre matériel de récupération. Utiliser toujours un fusible intact de la même couleur.

ATTENTION
Avant de remplacer un fusible, s'assurer d'avoir enlevé la clé de contact et d'avoir éteint et/ou désenclenché tous les équipements.

ATTENTION
Ne jamais remplacer un fusible par un autre ayant un ampérage supérieur; DANGER D'INCENDIE!

ATTENTION
Si le fusible grille de nouveau, s'adresser au Réseau Après-vente Fiat.

ATTENTION
Si un fusible général de protection (MAXI-FUSE) intervient, ne pas effectuer soi-même le remplacement mais s'adresser au Réseau Après-vente Fiat.
Pour l'identification du fusible de protection, consulter les tableaux reportés aux pages suivantes.
EMPLACEMENT DES FUSIBLES
Fusibles logés dans le boîtier fig. 30
Le boîtier porte-fusibles se trouve sous la planche de bord, à gauche du volant.
Pour y accéder:
I) dévisser les vis de fixation;
2) enlever la protection A-fig. 29. Lors du remontage, insérer correctement la protection sous le joint de la porte.
Les symboles graphiques identifiant le circuit électrique principal correspondant à chaque fusible sont indiqués sur la paroi interne de la protection.

text_image
A
P5S00741m
fig. 29
Fusibles logés sous la planche de bord côté passager fig. 31
Fusibles logés dans le compartiment moteur (sur la batterie) fig. 32-33
Pour accéder aux fusibles ouvrir d'abord le couvercle A en tirant en avant les barrettes B, puis ouvrir le couvercle C fermé par pression.
A l'intérieur de la boîte de fusibles se trouve une pince D pour l'extraction des fusibles.
Fusibles logés dans le compartiment moteur (sur la paroi pare-feu) fig. 34
Pour accéder aux fusibles, enlever le couvercle en plastique, en dévissant les trois vis de fixation.

text_image
PSS00740m
A
① ② ③ ④ ⑤
⑥ ⑦ ⑧ ⑨ ⑩
⑪ ⑫ ⑬ ⑭ ⑮
⑬ SERVIZI SERVICES ⑭ ⑮
fig. 30

text_image
A
B
B
C
fig. 32
P5S10046m

text_image
barzbette
P5S10026m
fig. 31

text_image
D
1
2
3
4
5
6
7
fig. 33
P5S10047m

Dispositif protégé Ampères Numéro fusible - Position
| Indicateurs de direction | 15 | 13-fig. 30 |
| Position avant droite | 10 | 6-fig. 30 |
| Position avant gauche | 10 | 7-fig. 30 |
| Position arrière droite | 10 | 7-fig. 30 |
| Position arrière gauche | 10 | 6-fig. 30 |
| Feu de croisement droit | 10 | 4-fig. 30 |
| Feu de croisement gauche | 10 | 8-fig. 30 |
| Feu de route droit | 10 | 1-fig. 30 |
| Feu de route gauche | 10 | 2-fig. 30 |
| Antibrouillard | 20 | fig. 31 |
| Antibrouillard | 40 | 5-fig. 33 |
| Antibrouillard arrière | 10 | 3-fig. 30 |
| Recul | 15 | 13-fig. 30 |
| Feux de détresse | 10 | 14-fig. 30 |
| Feux de stop (d'arrêt) | 15 | 13-fig. 30 |
| Feu 3ème stop | 15 | 13-fig. 30 |
| Eclairage plaque droit | 10 | 6-fig. 30 |
| Eclairage plaque gauche | 10 | 7-fig. 30 |
Eclairage interne
| Dispositif protégé Ampères Numéro fusible - Position |
| Plafonnier | 15 | 12-fig. 30 |
| Plafonnier boîte à gants | 10 | 14-fig. 30 |
| Plafonnier boîte à gants | 40 | 5-fig. 33 |
| Témoin feux de position | 10 | 6-fig. 30 |
| Témoin feux de croisement | 10 | 2-fig. 30 |
| Témoin antibrouillard | 20 | fig. 31 |
| Témoin feux de direction | 15 | 13-fig. 30 |
| Témoin feux de détresse | 10 | 14-fig. 30 |
| Témoin antibrouillard arrière | 50 | 6-fig. 33 |
| Eclairage tableau de bord | 10 | 6-fig. 30 |
| Eclairage montre digitale | 10 | 6-fig. 30 |
| Eclairage allume-cigares | 10 | 6-fig. 30 |
| Eclairage commande lève-vitres | 30 | fig. 31 |
| Eclairage interrupteurs antibrouillard avant/arrière | 10 | 6-fig. 30 |
| Eclairage commande feux de détresse | 15 | 13-fig. 30 |
| Eclairage commandes réchauffeur | 10 | 7-fig. 30 |
| Eclairage commande climatiseur manuel | 10 | 7-fig. 30 |
| Eclairage commande rétroviseurs électriques | 10 | 6-fig. 30 |
Dispositif
| Dispositif protégé Ampères Numéro fusible - Position |
| Contacteur | 50 | 6-fig. 33 |
| Air bag | 15 | 13-fig. 30 |
| Fiat CODE | 30 | 4-fig. 33 |
| Fiat CODE | 50 | 6-fig. 33 |
| Circuit de verrouillage des portes | 40 | 5-fig. 33 |
| Récepteur verrouillage des portes | 15 | 13-fig. 30 |
| Motoréducteurs verrouillage des portes | 20 | fig. 31 |
| Alimentation autoradio | 15 | 12-fig. 30 |
| ABS | 60 | 7-fig. 33 |
| Climatiseur manuel | 30 | 5-fig. 30 |
| Klaxon (avertisseur acoustique) | 20 | 11-fig. 30 |
| Circuit lève-vitres | 40 | 5-fig. 33 |
| Lève-vitres électriques | 40 | 5-fig. 33 |
| Motoréducteurs lève-vitres | 30 | fig. 31 |
| Moteur d'essuie-glace | 20 | 10-fig. 30 |
| Electropompe lave-glace | 20 | 10-fig. 30 |
| Réglage rétroviseurs | 15 | 13-fig. 30 |
| Ventilateur électrique radiateur (versions réchauffers) | 30 | 3-fig. 33 |
| Ventilateur électrique radiateur (petite vitesse)(versions à climatiseur manuel) | 30 | 3-fig. 33 |
| Ventilateur électrique radiateur (grande vitesse)(versions à climatiseur manuel) | 30 | 2-fig. 33 |
| Circuit d'injection | 30 | 4-fig. 33 |
Dispositif protégé Ampères Numéro fusible - Position
| Alimentation tableau de bord | 15 | 13-fig. 30 |
| Alimentation montre digitale | 15 | 12-fig. 30 |
| Alimentation allume-cigares | 15 | 12-fig. 30 |
| Alimentation clignotants feux de détresse | 10 | 14-fig. 30 |
| Alimentation clignotants feux de détresse | 15 | 13-fig. 30 |
| Alimentation centrale lève-vitres | 30 | fig. 31 |
| Alimentation récepteur pour verrouillage des portes | 15 | 12-fig. 30 |
| Alimentation centrale de verrouillage des portes | 20 | fig. 31 |
| Alimentation centrale climatiseur manuel | 20 | 9-fig. 30 |
| Alimentation relais phares supplémentaires | 40 | 5-fig. 33 |
| Relais ventilateur électrique radiateur | 20 | 9-fig. 30 |
| Relais compresseur climatiseur manuel | 20 | 9-fig. 30 |
| Excitation relais compresseur climatiseur | 15 | fig. 34 |
| Soupape électrique variateur de phase | 15 | fig. 34 |
| Excitation relais ventilateur électrique radiateur | 7,5 | fig. 34 |
| Excitation relais pompe à carburant | 7,5 | fig. 34 |
| Sonde Lambda | 15 | fig. 34 |
| Capteur de position cylindres | 7,5 | fig. 34 |
| Centrale d'interconnexion | 60 | 1-fig. 33 |
| Centrale d'injection | 7,5 | fig. 34 |
| Centrale d'injection | 7,5 | fig. 34 |
| Centrale lève-vitres | 15 | 13-fig. 30 |
| Centrale alarme électronique | 60 | 1-fig. 33 |
| Centrale Fiat CODE | 7,5 | fig. 34 |
| Libre | - | 15-fig. 30 |
S'IL VOUS ARRIVE D'AVOIR UNE BATTERIE A PLAT
Il est conseillé, avant tout, de voir dans le chapitre “Entretien de la voiture” quelles sont les précautions à prendre pour éviter que la batterie ne se décharge et pour garantir sa longue durée.
RECHARGE DE LA BATTERIE
Il est préférable de procéder à une recharge lente de la batterie, à bas ampérage et d'une durée de 24 heures environ. Une recharge plus longue pourrait endommager la batterie.
Pour ce faire:
I) Débrancher les bornes du circuit électrique des pôles de la batterie.
ATTENTION Si la voiture est équipée d'une alarme électronique, débrancher l'alarme à l'aide de la télécommande et désactiver le système en tournant la clé de secours sur "OFF" (voir "Alarme électronique")
au chapitre "Faites connaissance avec votre voiture").
2) Brancher les câbles du chargeur aux pôles de la batterie.
3) Mettre le chargeur de batterie en service.
4) La recharge effectuée, couper le courant dans le chargeur avant de le débrancher de la batterie.
5) Brancher à nouveau les bornes aux pôles de la batterie, en respectant les polarités.

ATTENTION
Le liquide contenu dans la batterie est toxique et corrosif. Eviter tout contact avec la peau et les yeux. L'opération de recharge de la batterie doit être effectuée dans un lieu aéré, loin des flammes ou de possibles sources d'étincelles: danger d'explosion et d'incendie.
DÉMARRAGE À L'AIDE D'UNE BATTERIE D'APPOINT
Voir "Démarrage à l'aide d'une batterie d'appoint" dans ce même chapitre.

ATTENTION
Ne pas tenter de recharger
une batterie congelée: il faut d'abord la dégeler pour éviter tout risque d'explosion. En cas de congélation, contrôler que les éléments internes ne se sont pas cassés (risque de court-circuit) et que le corps n'est pas fissuré, ce qui entraînerait la fuite d'acide toxique et corrosif.

Eviter absolument d'utiliser un chargeur de batterie pour procéder au démarrage du moteur: cela pourrait endommager les circuits électroniques, notamment les centrales qui contrôlent les fonctions d'allumage et d'alimentation.
S'IL VOUS ARRIVE D'AVOIR BESOIN DE SOULEVER LA VOITURE
AVEC LE CRIC
Voir au paragraphe “S’il vous arrive de crever un pneu”, dans ce même chapitre.

ATTENTION
Le cric sert exclusivement au remplacement de roues de la voiture avec laquelle il est fourni. Il convient donc d'exclure tout autre emploi, par exemple pour soulever d'autres voitures. Il ne doit en aucun cas être utilisé pour des réparations sous la voiture.

ATTENTION
Un mauvais positionnement du cric peut provoquer la chute de la voiture soulevée. Ne pas utiliser le cric pour des forces de levage supérieures à celle qui est indiquée sur l'étiquette collée au cric.
Il faut préciser que:
– le cric ne nécessite aucun réglage;
- le cric ne peut être réparé; en cas de défaillance, il faudra donc le remplacer par un autre cric d'origine;
- aucun outil, en dehors de la mani-
velle d'actionnement illustrée dans ce
chapitre, ne peut être monté sur le cric.
AVEC LE CRIC D'ATELIER
Par l'avant
Le levage de la voiture par l'avant doit être exclusivement effectué en positionnant le bras du cric en regard de la boîte de vitesses de différentiel, en intercalant une planchette de bois ou de caoutchouc, comme l'indique la fig. 35.
AVEC LE PONT A BRAS
Le levage de la voiture doit être effectué en disposant les extrémités des bras dans les zones illustrées par la fig. 36.

S'assurer que les bras ne forcent pas sur la carrosserie ou sur le revête-
ment latéral. Régler correctement les bras et, le cas échéant, intercaler un goujon en bois ou en caoutchouc.

La bague de remorquage, fournie an dotation avec la voiture, est située dans le conteneur des outils en dessous du tapis de couverture du coffre.
Remorquage avant
Pour installer la bague de remorquage il suffit de visser à fond la bague de remorquage fig. 37 dans la cheville filetée.
Remorquage arrière
Pour installer la bague de remorquage, procéder de la manière suivante :
- Prendre la bague de remorquage du conteneur des outils.
— Enlever le petit couvercle A-fig. 38 inséré à pression sur le pare-chocs ar-
rière. Pour cette opération, au cas où on utiliserait le tournevis en dotation ayant une lame à pointe plate, il faut en protéger la pointe par un chiffon souple, pour éviter d'endommager éventuellement la voiture.
- Visser à fond la bague de remorquage sur la cheville filetée.

ATTENTION
Avant de visser la bague
nettoyer soigneusement la
cheville filetée. Avant de commencer le remorquage de la voiture, s'assurer d'avoir vissé la bague à fond.

Avant de commencer le tractage, tourner la clé de contact en position MAR et ensuite en STOP, sans la sortir. En sortant la clé, on enclenche automatiquement le verrouillage de la direction, et par conséquent, il est impossible de braquer les roues. Pendant le tractage, il faut se rappeler que, ne pouvant pas compter sur le servofrein ni sur la direction assistée, pour freiner il est nécessaire d'exercer un plus grand effort sur la pédale et pour braquer un plus grand effort sur le volant. Ne pas utiliser de câbles flexibles pour procéder au tractage, éviter lesà-coups. Pendant les opérations de tractage, vérifier que la fixation du joint à la voiture n'endommage pas les éléments en contact. En tractant la voiture, il est obligatoire de respecter les normes spéciales de la circulation routière, concernant aussi bien le dispositif de tractage que le comportement à tenir sur la route. Pendant le tractage de la voiture ne pas démarrer le moteur.
EN CAS D'ACCIDENT
– Il est important de conserver toujours son calme.
- Si vous n'êtes pas directement concernés, arrêtez-vous à une distance d'au moins une dizaine de mètres de l'accident.
— Sur autoroute, veillez à vous arrêter sans obstruer la bande d'arrêt d'urgence.
- Coupez le moteur et allumez les feux de détresse.
– De nuit, éclairez le lieu de l'accident avec les phares.
- Comportez-vous avec prudence pour ne pas risquer d'être renversés.
– Signalez l'accident en plaçant le triangle de façon à ce qu'il soit bien visible et à la distance réglementaire.
- Lorsque vous appelez les secours, donnez des informations le plus précises possible. Sur autoroute, utilisez les bornes prévues à cet effet.
- Dans les carambolages sur autoroute, surtout si la visibilité est mauvaise, vous risquez fortement d'être impliqués dans d'autres heurts. Quittez aussitôt votre véhicule et réfugiez-vous au-delà de la glissière de protection.
- Si les portes sont bloquées, n'essayez pas de sortir de la voiture en cassant le pare-brise qui est stratifié.
- Enlevez la clé de contact des véhicules concernés.
- Si vous sentez une odeur de carburant ou d'autres produits chimiques, évitez de fumer et priez les autres d'éteindre leurs cigarettes.
- Pour éteindre les incendies, même peu importants, utilisez l'extincteur, des couvertures, du sable, de la terre. N'utilisez jamais d'eau.
S'IL Y A DES BLESSES
- Ne jamais quitter le blessé. L'obligation de secours existe aussi pour les personnes qui ne sont pas directement impliquées dans l'accident.
- Ne pas s'entasser autour des blessés.
- Rassurer le blessé sur la rapidité des secours et rester à ses côtés pour apaiser d'éventuelles crises de panique.
- Défaire ou enlever les ceintures de sécurité qui maintiennent les blessés.
– Ne pas donner à boire aux blessés.
- Le blessé ne doit jamais être déplacé, sauf dans le cas indiqués au point suivant.
- N'extraire le blessé du véhicule qu'en cas de risque d'incendie, d'immersion dans l'eau ou de chute dans le vide. Pendant que l'on extrait un blessé, ne pas exercer de traction sur ses membres, ne jamais lui plier la tête et, autant que possible, lui maintenir le corps en position horizontale.
TROUSSE DE SECOURS
Elle doit contenir au moins fig. 39:
– de la gaze stérile, pour recouvrir et nettoyer les blessures
– des bandes de différentes hauteurs
- des sparadraps médicaux de différentes dimensions
- une bande de sparadrap
- un paquet de coton hydrophile
- un flacon de désinfectant
- un paquet de mouchoirs en papier
- une paire de ciseaux à bouts ronds
- une paire de pinces
– deux garrots.
En plus de la trousse de secours, il serait bon d'avoir également à bord un extincteur et une couverture.
La trousse de secours et l'extincteur sont disponibles auprès de la Lineaccessori Fiat.

La Fiat barchetta est nouvelle en tous points, même en ce qui concerne les critères d'entretien. Par exemple, la première révision d'entretien programmé n'est prévue qu'à 20.000 km. Ce qui rend superflu le traditionnel contrôle des 1.500 km. Toutefois, nous vous rappelons que les soins courants tels que le contrôle régulier et l'appoint éventuel des niveaux des liquides, le contrôle de la pression des pneus, etc... sont indispensables pour la voiture.
Se rappeler de toute façon qu'un entretien adéquat est un facteur garantissant une longue durée de vie de la voiture et ce, dans les meilleures conditions de rendement, de sécurité, de respect de l'environnement, avec un faible coût d'utilisation.
Se rappeler en plus que le respect scrupuleux des normes d'entretien marquées du symbole △ peut constituer une condition nécessaire à l'application et au maintien de la garantie.
ENTRETIEN PROGRAMME 112
PLAN D'ENTRETIEN PROGRAMME .... 113
PLAN D'INSPECTION ANNUELLE.... 115
OPERATIONS SUPPLEMENTAIRES .... 115
VERIFICATION DES NIVEAUX .... 117
FILTRE AIR 122
FILTRE ANTIPOLLEN 123
BATTERIE 123
CENTRALES ELECTRONIQUES 125
BOUGIES 126
ROUES ET PNEUS 126
CIRCUIT DES DURITES 128
ESSUIE-GLACE 128
CLIMATISEUR MANUEL 130
CARROSSERIE 130
CAPOTE 133
HABITACLE 133
ENTRETIEN PROGRAMME
Un entretien régulier est un facteur déterminant pour garantir une longue durée de vie de la voiture dans les meilleures conditions.
Pour cela, Fiat a prévu une série de contrôles et d'opérations d'entretien tous les 20.000 kilomètres.
ATTENTION Les coupons d'Entretien Programmé sont indiqués par le Constructeur. L'inexécution de ces coupons peut provoquer la perte de la garantie.
Le service d'Entretien Programmé est assuré par tout le Réseau Après-vente Fiat à des temps préétablis.
Toute opération de remplacement ou de réparation s'avérant nécessaire lors de l'exécution des opérations inhérentes à chaque révision ne sera effectuée qu'après accord du Client.
ATTENTION Il est bon de signaler immédiatement au Réseau Après-vente Fiat d'éventuelles petites anomalies de fonctionnement, sans attendre l'échéance de la prochaine révision.

Si la voiture est fréquemment utilisée pour l'attelage de remorques,
réduire l'intervalle entre un entretien programmé et l'autre.
PLAN D'ENTRETIEN PROGRAMME
Les opérations doivent être effectuées tous les 20.000 km.
| milliers de km | 20 40 | 60 80 | 100 | 120 | 140 | 160 | 180 | | | | |
| Contrôle état / usure des pneus et réglage éventuel de la pression | ● | ● | ● | ● | ● | ● | ● | ● | ● | ● | ● |
| Contrôle fonctionnement circuit d'éclairage (phares, indicateurs de direction, détresse, coffre à bagages, habitacle, boîte à gants, témoins sur tableau de bord, etc.) | ● | ● | ● | ● | ● | ● | ● | ● | ● | ● | ● |
| Contrôle fonctionnement circuit de lave-essuie-glace, réglage des gicleurs | ● | ● | ● | ● | ● | ● | ● | ● | ● | ● | ● |
| Contrôle position / usure des balais racleurs d'essuie-glace | ● | ● | ● | ● | ● | ● | ● | ● | ● | ● | ● |
| Contrôle fonctionnement témoin d'usure patins de freins à disque avant | ● | ● | ● | ● | ● | ● | ● | ● | ● | ● | ● |
| Contrôle état et usure patins de freins à disque arrière | | ● | | ● | | | ● | | | ● | |
| Contrôle visuel état: couche de protection sous-caisse, tuyauteries (échappement-alimentation carburant-freins), éléments en caoutchouc (soufflets-manchons-douilles etc.), tuyaux flexibles circuits de freins et d'alimentation | ● | ● | ● | ● | ● | ● | ● | ● | ● | ● | ● |
| Contrôle visuel état des courroies de commande accessoires | | ● | | ● | | | ● | | | ● | |
| Contrôle réglage course du levier de frein de stationnement | | ● | | ● | | | ● | | | ● | |
| milliers de km | 20 40 | 60 80 | 100 | 120 | 140 | 160 | 180 | | | | | |
| Vérification circuit antiévaporation | | | | | | ● | | | | | ● | |
| Remplacement cartouche de filtre à air | | | ● | | | ● | | | | | ● | |
| Rétablissement niveau liquides (refroidissement moteur, freins, lave-glace et lunette AR, batterie, etc.) | | ● | ● | ● | | ● | | | ● | ● | ● | ● |
| Contrôle état courroie dentée de commande distribution | | | | ● | | | | | | | | ● |
| Remplacement courroie dentée de commande distributrion (*) | | | | | | | | | ● | | | |
| Remplacement bougies d'allumage | | | ● | | | ● | | | | | ● | |
| Contrôle fonctionnement systèmes de contrôle moteur (par prise de diagnostic) | | | ● | | | ● | | | | | ● | |
| Contrôle niveau huile BV / différentiel | | | | | | ● | | | | | ● | |
| Vidange huile moteur | | ● | ● | ● | | ● | | | ● | ● | ● | ● |
| Remplacement filtre à huile moteur | | ● | ● | ● | | ● | | | ● | ● | ● | ● |
| Remplacement liquide de freins (ou tous les deux ans) | | | | ● | | | | | ● | | | ● |
| Remplacement filtre antipollen (ou chaque année) | | ● | ● | ● | | ● | | | ● | ● | ● | ● |
| Interventions sur capote contrôle fonctionnement ouverture/fermeture et lubrification articulations, contrôle visuel joints d'étanchéité, contrôle adhérence vitres avec joints capote et réglage éventuel | | | | | | | | | | | | |
| ● | ● | ● | | ● | | | ● | ● | ● | ● |
(*) Ou tous les 3 ans pour les emplois lourds (climats froids - chauds, utilisation urbaine avec de longues permanences au ralenti, utilisation sur des routes particulièrement poussiéreuses ou recouvertes de sable et/ou sel).
Ou bien tous les 5 ans, indépendamment des parcours..
PLAN D'INSPECTION ANNUELLE
Pour les voitures parcourant moins de 20.000 km par an (par exemple environ 10.000 km) est prévu un plan d'inspection annuelle comportant:
OPERATIONS SUPPLEMENTAIRES
Tous les 1.000 km ou avant de longs voyages, procéder au contrôle et, éventuellement, à l'appoint de:
- niveau du liquide de refroidissement moteur
- niveau du liquide de freins
- niveau du liquide de direction assistée
- niveau du liquide de batterie
- niveau du liquide de lave-glace
- pression et état des pneus.
Il est conseillé d'adopter les produits de la FL Selenia conçus et réalisés spécialement pour les voitures Fiat (voir le tableau "Contenances" au chapitre "Caractéristiques techniques").
Tous les 3.000 km procéder au contrôle et à l'appoint éventuel de: niveau huile moteur.
ATTENTION - Huile moteur
Vidanger l'huile moteur plus fréquemment que prévu par le Plan d'Entretien Programmé en cas d'utilisation de la voiture dans des conditions particulièrement éprouvantes, telles que:
- attelage de remorque ou de caravane;
- routes poussiéreuses;
- trajets courts (moins de 7 à 8 km) et répétés et à une température extérieure au-dessous de zéro;
- moteur tournant fréquemment au ralenti ou conduite sur longues distances à faible vitesse ou bien en cas de non-utilisation prolongée de la voiture.
ATTENTION - Filtre à air
En cas d'utilisation de la voiture sur des routes poussiéreuses, remplacer le filtre à air plus fréquemment que prévu par le Plan d'Entretien Programmé.
Pour tous problèmes concernant la périodicité de vidange de l'huile moteur et de remplacement du filtre à air en fonction de l'utilisation de la voiture, s'adresser au Réseau Après-vente Fiat.
ATTENTION - Filtre antipollen
Si la voiture est fréquemment utilisée dans des milieux poussiéreux ou fortement pollués, il est conseillé de remplacer plus souvent le filtre antipollen; en particulier, le remplacer si l'on remarque une diminution du débit d'air introduit dans l'habitacle.
ATTENTION - Batterie
Il est conseillé de faire procéder au contrôle de l'état de charge de la batterie de préférence en début de saison froide, pour éviter toute possibilité de congélation de l'électrolyte.
Ce contrôle doit être effectué plus fréquemment si la voiture est utilisée essentiellement pour des trajets courts ou bien si elle est dotée d'équipements électriques nécessitant une énergie permanente avec clé de contact non introduite dans le contacteur d'allumage, surtout si ces équipements ont été montés en après-vente.
Si l'on utilise la voiture dans des climats chauds ou en conditions particulièrement éprouvantes, il faut effectuer le contrôle du niveau de liquide de la batterie (électrolyte) plus souvent que ce qui est prévu dans le Plan d'Entretien Programmé.

L'entretien du véhicule doit être confié au Réseau Après-vente Fiat. Pour les opérations d'entretien ordinaire et de petit entretien ainsi que pour celles que vous pouvez effectuer vous-mêmes, assurez-vous toujours que vous disposez de l'outillage approprié, des pièces de rechange d'origine Fiat et des liquides de consommation. En tout cas, n'effectuez pas ces opérations si vous n'en avez pas l'expérience.
VERIFICATION DES NIVEAUX

ATTENTION
Ne pas fumer pendant les interventions dans le compartiment moteur: la présence de gaz et de vapeurs inflammables pourrait provoquer un incendie.

text_image
1
2
3
4
5
6
barchetta
P5S10059m

Attention, pendant les opérations d'appoint, veiller à ne pas confondre les différents types de liquides: ils sont tous incompatibles entre eux et ceci pourrait gravement endommager la voiture.
fig. 1 - 1. Huile moteur - 2. Batterie - 3. Liquide freins- 4. Liquide lave-glace - 5. Liquide refroidissement moteur - 6. Liquide direction assistée.
HUILE MOTEUR fig. 2
Le contrôle du niveau de l'huile doit être effectué lorsque la voiture est sur une surface plane et quelques minutes (5 mn environ) après l'arrêt du moteur.
Le niveau de l'huile doit être compris entre les repères MIN et MAX indiqués sur la jauge.
La distance entre MIN et MAX correspond à un demi-litre d'huile environ.

ATTENTION
Le moteur étant chaud, agir avec une grande précaution
à l'intérieur du compartiment moteur: danger de brûlures. Se rappeler que lorsque le moteur est chaud le ventilateur électrique peut se mettre en mouvement: danger de lésions.

ATTENTION
Attention aux écharpes, cravates et autres acces-lottants qui pourraient êtreés par les organes en mou-

Lorsque le niveau de l'huile avoisine ou même descend en dessous du repère MIN, faire l'appoint par le goulot de remplissage jusqu'à atteindre le niveau MAX.
Le niveau de l'huile ne doit jamais dépasser le repère MAX.
CONSOMMATION D'HUILE MOTEUR
Au cours de la première période d'utilisation de la voiture, le moteur est en phase de rodage; les consommations d'huile moteur ne peuvent par conséquent être considérées comme stabilisées qu'après avoir parcours 5.000 a 6.000 km.
ATTENTION La consommation d'huile dépend du style de conduite et des conditions d'emploi de la voiture.

Pour l'appoint, utiliser de l'huile ayant les mêmes caractéristiques que celle qui est contenue dans le moteur.
ATTENTION Après avoir procédé à l'appoint ou à la vidange de l'huile, avant d'en vérifier le niveau faire tourner le moteur pendant quelques secondes et attendre quelques minutes après l'arrêt.
LIQUIDE DU CIRCUIT DE REFROIDISSEMENT MOTEUR fig. 3

ATTENTION
Lorsque le moteur est très chaud, ne pas enlever le bouchon du vase d'expansion: risques de brûlures.
Si le niveau est insuffisant, verser lentement, par le goulot du vase d'expansion, un mélange à 50% d'eau distillée et de liquide PARAFLU" de FL Selenia.
Le mélange de PARAFLU ^11 et d'eau distillée à la concentration de 50% protège contre le gel jusqu'à une température de -35^ .

L'huile de moteur usagée et le filtre à huile remplacé contiennent des substances dangereuses pour l'environnement. Pour la vidange de l'huile et le remplacement des filtres, il est préférable de s'adresser au Réseau Après-vente Fiat qui est équipé de tous les dispositifs nécessaires pour l'élimination de l'huile et des filtres usagés dans le respect de l'environnement et des dispositions réglementaires.
Le niveau du liquide doit être contrô-
lé lorsque le moteur est froid et il ne
doit pas descendre au-dessous du re-
père MIN indiqué sur le vase d'exp-
pansion.

text_image
MIN
fig. 3

ATTENTION
Le circuit de refroidissement est pressurisé. Remplacer éventuellement le bouchon exclusivement par un autre bouchon d'origine; sinon, le fonctionnement du circuit pourrait être compromis.
LIQUIDE DU LAVE-GLACE fig. 4
Pour un appoint éventuel, enlever le bouchon et verser un mélange d'eau et de liquide TUTELA PROFES- SIONAL SC 35, dans les pourcentages suivants:
- 30% de TUTELA PROFESSIONAL SC 35 et 70% d'eau en été.
- 50% de TUTELA PROFESSIONAL SC 35 et 50% d'eau en hiver.
En cas de température inférieure à -20°C, utiliser TUTELA PROFES- SIONAL SC 35 pur.
ATTENTION Eviter de voyager avec le réservoir du lave-glace vide: la fonction du lave-glace est fondamentale pour améliorer la visibilité.

ATTENTION
Certains additifs pour le la-ve-vitres se trouvant dans le ferce sont inflammables. Le timent moteur contient des pts chauds qui, en entrant en t avec ces additifs, pour-les allumer.
LIQUIDE DE LA DIRECTION ASSISTEE fig. 5
Quand la voiture est placée sur un sol horizontal, contrôler si le niveau de l'huile de la direction assistée est bien compris entre les repères MIN et MAX indiqués sur la jauge solidaire du bouchon du réservoir.
Pour procéder au contrôle, nettoyer la jauge, visser le bouchon à fond, le dévisser et vérifier le niveau.
Lorsque l'huile est chaude, il se peut que son niveau dépasse le repère MAX.
Des appoints éventuels doivent être effectués avec de l'huile ayant les mêmes caractéristiques que celle qui est contenue dans le circuit.

Veiller à ce que le liquide de la direction assistée n'entre pas en contact avec les parties chaudes du moteur, car il est inflammable.

La consommation en huile est très faible: si, l'appoint effectué, un autre appoint s'avère nécessaire peu après, il est conseillé de faire contrôler le système auprès du Réseau Après-vente Fiat pour vérifier d'éventuelles fuites.
LIQUIDE DE FREINS fig. 6
De temps en temps, vérifier le fonctionnement du témoin sur le tableau de bord: en appuyant sur le couvercle du réservoir (la clé de contact se trouvant sur MAR), le témoin (①) doit s'allumer.
Dans les versions équipées de dispositif ABS, le réservoir du liquide de freins est disposé comme sur la fig. 6; tandis que dans les versions sans ABS, le réservoir est disposé longitudinalement.
Le niveau du liquide du réservoir ne doit pas dépasser le repère MAX.
D'éventuels appoints ne doivent être effectués qu'avec un liquide pour freins classifié DOT4; à cet effet, on conseille le liquide TUTELA TOP 4 avec lequel a été fait le premier remplissage.

Eviter le contact du liquide de freins, haute-ment corrosif, avec les parties peintes. Le cas échéant, laver immédiatement à l'eau.

Le liquide de freins est toxique et hautement corrosif. En cas de contact accidentel, laver immédiatement les parties concernées avec de l'eau et du savon neutre, puis rincer abondamment. En cas d'ingestion, consulter immédiatement un médecin.
ATTENTION Le liquide de freins est hygroscopique (c'est-à-dire qu'il absorbe l'humidité). Par conséquent, si l'on utilise la plupart du temps la voiture dans des zones où le degré d'humidité est élevé, on conseille de remplacer le liquide des freins plus fréquemment que prévu par le Plan d'Entretien Programmé.
FILTRE AIR
REPLACEMENT fig. 7
Dévisser le bouton A, enlever le couvercle et extraire le filtre B à remplacer.
Pour le remplacement s'adresser au Réseau Après-vente Fiat.

ATTENTION
Le symbole Ⓐ, présent sur le récipient, identifie les liquides de frein du type synthétique, en les distinguant de ceux du type minéral. L'utilisation de liquides du type minéral endommage irrémédiablement les joints en caoutchouc du système de freinage.

FILTRE ANTIPOLLEN (lorsqu'il est prévu)
Faire remplacer le filtre aux échéances signalées dans le Plan d'Entretien Programmé.
Per le remplacement s'adresser au Réseau Après-vente Fiat.
ATTENTION En cas d'utilisation de la voiture dans des milieux poussiéreux ou fortement pollués il est bon de remplacer le filtre avec une fréquence plus grande; notamment, il devra être remplacé si l'on remarque une réduction d'amenée d'air dans l'habitable.
BATTERIE
La batterie de la Fiat barchetta est du type à "Entretien Réduit": dans des conditions d'utilisation normales, elle n'exige aucun appoint avec de l'eau distillée.
Le niveau du liquide de la batterie (électrolyte), la voiture se trouvant sur sol plat, doit être compris entre les traits de repère figurant sur la batterie.
S'il apparaît que le niveau est inférieur au repère MIN-fig. 8, s'adresser au Réseau Après-vente Fiat

Le fonctionnement de la voiture avec un niveau du liquide trop bas endommage irrémédiablement la batterie, jusqu'à la rupture du corps et la perte totale de l'acide contenu.
Pour la recharge de la batterie, voir le chapitre "S'il vous arrive".

ATTENTION
Le liquide contenu dans la batterie est toxique et corrosif. Eviter tout contact avec la peau ou les yeux. Veiller à ne pas approcher la batterie de flammes ou de possibles sources d'étincelles: risques d'explosion et d'incendie.

Si la voiture est inutilisée pendant une longue période dans des conditions de froid intense, pour éviter tout risque de congélation, démonter la batterie et la transporter dans un endroit chaud.

Ne pas tenter de recharger
une batterie congelée: il faut d'abord la dégeler pour éviter tout risque d'explosion. En cas de congélation, contrôler que les éléments internes ne se sont pas cassés (risque de court-circuit) et que le corps n'est pas fissuré, ce qui entraînerait la fuite d'acide toxique et corrosif.

Les batteries contiennent des substances très dangereuses pour l'environnement. Pour le remplacement de la batterie, on recommande de s'adresser au Réseau Après-vente Fiat, lequel est équipé pour sa destruction dans le respect de l'environnement et des réglementations en vigueur.

Un montage incorrect des accessoires électriques et électroniques risque d'endommager sérieusement la voiture.
CONSEILS UTILES POUR PROLONGER LA DUREE DE VIE DE LA BATTERIE
Lorsque l'on gare la voiture, veiller à ce que les portes, le capot et le coffre soient bien fermés. Le plafonnier doit être éteint.
Le moteur coupé, éviter de laisser les dispositifs branchés pendant longtemps (par ex. l'autoradio, les feux de détresse, etc.).
ATTENTION La batterie maintenue longtemps en état de charge inférieure à 50% s'endommage par sulfation, réduit la capacité et l'aptitude au démarrage et est également plus sujette à la possibilité de congélation (pouvant déjà se produire à -10°C).
En cas d'arrêt prolongé, se reporter à "Non-utilisation prolongée de la voiture" au chapitre "Conduite".
Si, après l'achat, vous désirez installer des accessoires électriques nécessitant une alimentation électrique permanente (dispositif d'alarme électronique, haut-parleur pour téléphone, navigateur radio avec fonction antivol satellitaire, etc.), il faut vous adresser au Réseau Après-vente Fiat, qui sera en mesure de vous conseiller les dispositifs les plus appropriés appartenant à la Lineaccessori. De plus, il évaluera l'absorption électrique globale en contrôlant si le circuit électrique de la voiture est en mesure de supporter la charge requise ou si, au contraire, il est nécessaire de l'intégrer à une batterie plus puissante.
En effet, ces dispositifs continuent d'absorber de l'énergie électrique même si la clé de contact est désactivée (voiture en stationnement, moteur coupé), pouvant décharger peu à peu la batterie.
L'absorption globale de tels accessoires (de série et de seconde installation) doit être inférieure à 0,6 mA x Ah (de la batterie), comme expliqué dans le tableau suivant:
| Batterie Absorption de maximum |
| admise à vide |
| 50Ah 30 mA | |
Il est également rappelé que les accessoires à haute absorption de courant activés par l'utilisateur tels que: chauffe-biberon, aspirateur, téléphone portable, frigo bar, etc., accélèrent le processus de déchargement de la batterie s'ils sont alimentés quand le moteur est éteint.
ATTENTION En cas d'installation d'équipements supplémentaires sur la voiture, attention au danger que peuvent constituer des dérivations impropres sur des connexions du câblage électrique, surtout si elles intéressent des dispositifs de sécurité.
CENTRALES ELECTRONIQUES
Lors de l'utilisation normale de la voiture, aucune précaution spéciale n'est à adopter.
Par contre, en cas d'opérations sur le circuit électrique ou de démarrage avec une batterie d'appoint, il y a lieu d'appliquer scrupuleusement les précautions suivantes:
- Ne jamais débrancher la batterie du circuit électrique lorsque le moteur tourne.
- En cas de charge, déconnecter la batterie de l'équipement électrique. Les chargeurs de batterie modernes peuvent en effet débiter des tensions jusqu'à 20 Volts.
- Ne jamais effectuer un démarrage du moteur à l'aide d'un chargeur de batterie, mais utiliser une batterie d'appoint.
- Veiller tout particulièrement à la connexion entre la batterie et le circuit électrique, en contrôlant la bonne polarité et le bon fonctionnement de la connexion.
- Ne pas brancher ou débrancher les bornes des circuits de contrôle électroniques lorsque la clé de contact est sur la position MAR.
- Ne pas contrôler les polarités électriques par scintillation.
- Débrancher les circuits de contrôle électroniques en cas d'opérations de soudure électrique sur la carrosserie. Les déposer lors de températures supérieures à 80°C (travaux spéciaux de carrosserie, etc.).
ATTENTION L'installation non conforme de systèmes radio et antivol peut provoquer des interférences et engendrer un dysfonctionnement des circuits de contrôle électroniques.

ATTENTION
Toute modification ou réparation du circuit élec- effectuée de façon non me et sans tenir compte des christiques techniques du cir- ut provoquer des anomalies actionnement et engendrer dues d'incendie.
BOUGIES
La propreté et le bon état des bougies fig. 9 sont des conditions importantes pour le bon fonctionnement du moteur et pour la limitation des émissions polluantes.
L'aspect de la bougie, examiné par un oeil compétent, est un bon indice pour déceler une éventuelle anomalie, même si celle-ci est étrangère au système d'allumage. De ce fait, en cas de fonctionnement défaillant du moteur, il est important de faire vérifier les bougies auprès du Réseau Après-vente Fiat.

Les bougies doivent être remplacées aux échéances prévues par le Plan d'Entretien Programmé. N'utiliser que des bougies du type prescrit: en cas de comportement thermique non approprié ou bien si la durée prévue n'est pas garantie, des anomalies de fonctionnement peuvent se produire.
| Bougies (type) |
| Champion RC10YCC |
| NGK BKR6EZ |
ROUES ET PNEUS
PRESSION DES PNEUS
La pression de chaque pneu, y compris la roue de secours, doit être contrôlée toutes les deux semaines environ et avant d'entreprendre de longs voyages.
Le contrôle de la pression des pneus doit être effectué le pneu étant froid.
Pendant la marche de la voiture, il est normal que la pression des pneus augmente. De ce fait, si l'on doit contrôler ou rétablir la pression à chaud, se rappeler qu'il faut ajouter 0,3 bar à la valeur prescrite.

text_image
ATTENTION
Se rappeler que la tenue de
route de la voiture dépend
également de la pression correcte
de gonflage des pneus.
Une pression non correcte provoque une usure anormale des pneus fig. 10:
A - Pression normale: bande de roulement usée uniformément.
B - Pression insuffisante: bande de roulement particulièrement usée sur les bords;
C - Pression excessive: bande de roulement particulièrement usée en son milieu.

ATTENTION
Une pression trop basse provoque la surchauffe du pneu pouvant entraîner des détériorations irréparables du pneu lui-même.

Remplacer les pneus lorsque la profondeur des sculptures est inférieure à 1,6 mm. De toute façon, observer les réglementations en vigueur dans le pays où l'on circule.
ATTENTION
Eviter, si possible, les freinages trop brusques, les départs sur les “chapeaux de roue”, etc.
Eviter tout particulièrement les chocs violents contre les trottoirs, les chaussées défoncées ou les obstacles de toute nature. La marche prolongée sur routes irrégulières peut endommager les pneus.
De temps en temps, s'assurer que les pneus ne présentent pas de craquelures sur les flancs, de boursouflures ou d'usure irrégulière de la bande de roulement. En cas d'anomalies, s'adresser au Réseau Après-vente Fiat.
Eviter de voyager dans des conditions de surcharge de la voiture: cela peut endommager sérieusement les roues et les pneus.
En cas de crevaison d'un pneu, s'arrêter immédiatement et le remplacer pour ne pas endommager le pneu lui-même, la jante, la suspension et la direction.
Le pneu vieillit, même s'il est peu utilisé. Des craquelures sur le caoutchouc de la bande de roulement et des flancs sont un signe de vieillissement. De toute façon, des pneus montés depuis plus de 6 ans doivent être contrôlés par un spécialiste qui décidera si les pneus peuvent encore être utilisés. Se rappeler également de contrôler avec soin la roue de secours.
En cas de remplacement, monter toujours des pneus neufs et éviter ceux de provenance douteuse.
La Fiat barchetta utilise des pneus Tubeless, sans chambre à air. N'employer en aucun cas une chambre à air avec ce type de pneus.
Si l'on remplace un pneu, il y a lieu de remplacer également la valve de gon- flage.
Pour permettre une usure uniforme des pneus avant et arrière, il est conseillé de les permuter tous les 10.000 à 15.000 km, en les maintenant toujours du même côté de la voiture pour ne pas inverser le sens de roulement.

ATTENTION
Ne pas permuter les pneus en les croisant, c'est-à-dire en les déplaçant du côté droit de la voiture au côté gauche et vice-versa.
CIRCUIT DES DURITES
En ce qui concerne les flexibles en caoutchouc des systèmes de freinage, de direction assistée et d'alimentation, suivre scrupuleusement le Plan d'Entretien Programmé. En effet, l'ozone, les températures élevées et l'absence prolongée de liquide dans ces circuits peuvent provoquer le durcissement et la fissure des durites et, par conséquent, des fuites de liquide. Un contrôle attentif est donc nécessaire.
ESSUIE-GLACE
BALAIS-RACLEURS
Périodiquement, nettoyer le caoutchouc-racleur en utilisant des produits prévus à cet effet; on conseille TU-TELA PROFESSIONAL SC 35.
Remplacer les balais-racleurs si l'arête du caoutchouc apparaît déformée ou usée. En tout cas, les remplacer une fois par an environ.

ATTENTION
Des balais-racleurs usés re-
présentent un gros risque
lorsque l'on roule: en cas de mauvaises conditions atmosphériques, la visibilité sera fortement réduite.
Quelques précautions simples peuvent réduire les risques de détérioration des balais-racleurs:
- En cas de températures au-dessous de zéro, veiller à ce que le givre n'ait pas bloqué les caoutchoucs contre le pare-brise. Au besoin, les dégeler avec de l'antigel.
- Enlever toute la neige éventuellement présente sur le pare-brise: cela permet non seulement de conserver les balais, mais évite aussi la surchauffe du moteur de l'essuie-glace.
- Ne pas actionner l'essuie-glace à sec.
Remplacement du balai-racleur de l'essuie-glace fig. 11
I) Ecarter le bras A de l'essuie-glace et positionner le balai-racleur de façon à former un angle de 90° par rapport au bras.
2) Appuyer sur la languette B du ressort d'accrochage et retirer du bras le balai à remplacer.
3) Monter le nouveau balai-racleur en introduisant la languette dans le logement correspondant du bras. Contrôler s'il est parfaitement bloqué.
GICLEURS
Si le jet ne sort pas, vérifier avant tout s'il y a du liquide dans le réservoir: voir à ce sujet "Vérifications des niveaux" dans ce même chapitre.
Pour contrôler si les trous de sortie
fig. 12 ne sont pas bouchés, utiliser
éventuellement une épingle.
Les jets du lave-glace s'orientent en réglant la direction des gicleurs. Les jets doivent être dirigés vers le point le plus haut atteint par les balais dans leur course.

text_image
P5S00710m
A
B
fig. 11

text_image
P5S00711m
100m
fig. 12
CLIMATISEUR MANUEL (lorsqu'il est prévu)
En hiver, le climatiseur doit être mis en fonction au moins une fois par mois pendant une dizaine de minutes.
Avant l'été, faire vérifier le bon fonctionnement du système auprès du Réseau Après-vente Fiat.

Le climatiseur utilise le gaz réfrigérant RI34a qui n'est pas nocif pour l'en-
vironnement en cas de fuites. Eviter absolument l'utilisation du gaz R12 qui, non seulement n'est pas compatible avec les composants de l'installation, mais contient aussi des chlorofluorocarbures (CFC).
CARROSSERIE
PROTECTION CONTRE LES AGENTS ATMOSPHERIQUES
Les principales causes des phénomènes de corrosion sont:
– la pollution atmosphérique
- la salinité et l'humidité de l'atmosphère (zones marines, climat chaud et humide)
– certaines conditions d'environnement et de saison.
Il convient de ne pas négliger non plus l'action abrasive exercée par la poussière atmosphérique, le sable apporté par le vent, la boue et les gravillons projetés par les autres voitures.
Les meilleures réponses techniques ont été adoptées par Fiat pour protéger la carrosserie de votre Fiat barchetta contre la corrosion.
Citons, entre autres:
- L'adoption de produits et procédés conférant à la voiture des qualités particulières de résistance à la corrosion et à l'abrasion.
– L'utilisation de tôles galvanisées (ou prérevêtres) à très haut coefficient de résistance à la corrosion.
- Le traitement du soubassement de caisse, du compartiment moteur et de l'intérieur des passages de roues par pulvérisation de produits cireux ayant un grand pouvoir protecteur.
- Le traitement par pulvérisation de produits plastiques ayant la fonction de protéger les endroits les plus exposés: bas des portes, doublures d'ailes, bordures, etc.
- L'adoption d'éléments caissonnés "ouverts" pour éviter la condensation et la stagnation d'eau, susceptibles de favoriser la formation de rouille à l'intérieur.
GARANTIE EXTERIEUR VOITURE ET SOUBASSEMENT DE CAISSE
La Fiat barchetta est pourvue d'une garantie contre la perforation, due à la corrosion, de tout élément d'origine du châssis ou de la carrosserie. Pour les conditions générales de cette garantie, se reporter au "CARNET DE GARANTIE FIAT".
CONSEILS POUR UN ENTRETIEN APPROPRIE DE LA CARROSSERIE
Peinture
La peinture a non seulement une fonction esthétique mais aussi une fonction de protection de la tôle.
En présence d'abrasions ou d'éra-flures profondes, il faudra veiller à faire effectuer, sans attendre, les retouches nécessaires pour éviter que la tôle ne soit attaquée par la rouille.
Les retouches devront être réalisées exclusivement à l'aide de produits d'origine (voir au chapitres "Caractéristiques techniques").
L'entretien courant de la peinture se fait par lavage, dont la périodicité dépendra des conditions d'exploitation et d'environnement. Par exemple, dans les zones les plus sujettes à la pollution atmosphérique ou bien si l'on roule sur des routes où du sel a été répandu, il est conseillé de laver la voiture plus fréquemment.

Les détergents polluent l'eau. Il est par conséquent préférable de procéder au lavage de la voiture dans des zones équipées pour la réception et l'épuration des liquides utilisés.
Pour laver correctement la voiture, procéder comme suit:
I) Arroser la carrosserie par un jet d'eau à basse pression.
2) Passer une éponge imbibée d'une légère solution détergente, en rinçant souvent l'éponge.
3) Rincer à grande eau et sécher la voiture au jet d'air ou en l'essuyant avec une peau de chamois.
En essuyant, prendre soin surtout des parties les moins exposées, telles que les encadrements des portes, du capot et du coffre, où l'eau est susceptible de stagner plus facilement. Pour prévenir ce phénomène, éviter de garer la voiture dans un local fermé immédiatement après le lavage, mais la laisser dans un endroit aéré, de manière à favoriser l'évaporation de l'eau.
Eviter de laver la voiture lorsqu'elle vient de stationner au soleil ou lorsque le capot est encore chaud, pour ne pas altérer le brillant de la peinture.
Les éléments en plastique à l'extérieur de la voiture doivent être nettoyés en suivant le même procédé que pour un lavage ordinaire de la voiture.
Eviter, autant que possible, de garer la voiture sous des arbres: beaucoup d'essences laissent tomber des substances résineuses qui donnent un aspect opaque à la peinture et augmentent les possibilités d'enclenchement de processus de corrosion.
ATTENTION Il y a lieu d'éliminer immédiatement et de la façon la plus minutieuse les éventuels excréments d'oiseaux, car leur acidité attaque fortement la peinture.
Vitres
Pour le nettoyage des vitres, employer les détergents prévus à cet effet. Utiliser des chiffons bien propres pour ne pas risquer de rayer les vitres ou d'altérer leur transparence.
Compartiment moteur
En fin de saison froide, faire effectuer un lavage soigné du compartiment moteur. Pour cette opération, s'adresser à des ateliers spécialisés.

Les détergents polluent l'eau. Il est par conséquent recommandé de procéder au lavage du compartiment moteur dans des zones équipées pour la réception et l'épuration des liquides utilisés.
ATTENTION Avant de procéder au lavage, il convient de s'assurer que le moteur est froid et que la clé de contact est sur la position STOP. Après le lavage, contrôler que les différentes protections (ex.: capuchons en caoutchouc et autres protecteurs) n'aient pas été déplacées ou endommagées.
CAPOTE
L'entretien normal de la capote consiste dans son lavage.
Epousseter la capote avant chaque lavage. Les taches seront enlevées à l'aide d'un détergent prévu à cet effet; enfin, rincer abondamment en utilisant un jet à basse pression.

On conseille d'effectuer un lavage manuel. Dans les stations de lavage automatique, les balais rotatifs exercent une forte pression sur la surface et risquent donc d'endommager et de griffer la lunette arrière. En outre, les détergents et les additifs peuvent avoir un effet négatif et nuire au bel aspect de la capote.
ATTENTION Pour enlever les taches, ne pas utiliser d'essence, de détachants, de benzol, de diluant pour peintures ou de solvants; utiliser exclusivement des produits spécifiques. Si la tache persiste, s'adresser au Réseau Après-vente Fiat.
LUNETTE ARRIERE
La lunette arrière peut être remplacée. Pour cela, s'adresser au Réseau Après-vente Fiat.
Prêter grand soin au nettoyage de la lunette arrière pour éviter toutes éra-flures ou rayures pouvant altérer son aspect.
HABITACLE
Vérifier périodiquement la présence d'eau sous les tapis (provenant de l'égouttement des chaussures, des parapluies, etc.), susceptible de provoquer l'oxydation de la tôle.

ATTENTION
Ne jamais utiliser de produits inflammables tels que l'éther de pétrole ou l'essence rectifiée pour le nettoyage des éléments dans l'habitacle. Les charges électrostatiques provoquées par le frottement pendant l'opération de nettoyage pourraient causer un incendie.
NETTOYAGE DES SIEGES ET DES PARTIES EN TISSU
- Les épousseter avec une brosse souple ou un aspirateur.
- Frotter les sièges avec une éponge imbibée d'une solution d'eau et de détergent neutre.
NETTOYAGE DES SIEGES EN CUIR
- Enlever les taches sèches avec une peau de chamois ou un chiffon à peine humides, sans trop appuyer.
- Eliminer les taches de liquide ou de graisse avec un chiffon sec absorbant, sans frotter. Puis passer un chiffon doux ou une peau de chamois imbibés d'eau et de savon neutre.
Si la tache persiste, utiliser des produits prévus à cet effet, en veillant à se conformer au mode d'emploi.
ATTENTION Ne jamais utiliser d'alcool ou de produits à base d'alcool.
ELEMENTS EN PLASTIQUE DANS L'HABITACLE
Utiliser des produits spécifiques, pour ne pas altérer l'aspect des éléments.
ATTENTION Ne pas utiliser d'alcool ou d'essence pour le nettoyage du verre du tableau de bord.

ATTENTION
Ne pas garder de bombes
aérosol dans la voiture.
Danger d'explosion. Ces bombes ne doivent pas être exposées à des températures supérieures à 50°C. En période estivale, la température de l'habitacle peut dépasser de beaucoup cette valeur.
CARACTERISTIQUES TECHNIQUES
Gageons que c'est ce chapitre que les "spécialistes" et les mordus de moteurs et de mécanique consulteront tout d'abord. Et ils seront gâtés puisqu'ils y trouveront une foule de données, chiffres, formules, mesures, tableaux. Une sorte de carte d'identité de la Fiat barchetta, en somme. Un document de présentation contenant, en langage technique, toutes les caractéristiques qui font de cette voiture un modèle conçu pour vous donner pleine satisfaction automobile.
IDENTIFICATION.... 136
CODE MOTEUR - VERSION CARROSSERIE...... 137
MOTEUR 137
TRANSMISSION 139
FREINS 139
SUSPENSION 140
DIRECTION 140
GEOMETRIE DES ROUES 140
PERFORMANCES 140
ROUES 141
DIMENSIONS 142
POIDS 143
CONTENANCES 144
FLUIDES ET LUBRIFIANTS 145
CONSOMMATIONS EN CARBURANT.... 147
EMISSIONS CO _2 147
PRESSION DES PNEUS .... 148
IDENTIFICATION
MARQUAGE DU CHASSIS fig. I
Il est gravé sur le plancher de l'habitable, près du siège droit.
II comprend:
- le type de la famille du véhicule
ZFA 183000
- le numéro (progressif) de fabrication du châssis.
MARQUAGE DU MOTEUR fig. 2
Ce marquage A est frappé sur le bloc-moteur et comprend le type et le numéro (progressif) de fabrication.
PLAQUE DU CONSTRUCTEUR fig. 3
Sur la plaque figurent les données d'identification suivantes:
A - Nom du constructeur
B - Numéro d'homologation
C - Code d'identification du type de véhicule
D - Numéro (progressif) de fabrication du châssis
E - Poids maximum autorisé, en charge, du véhicule
F - Poids maximum autorisé, en charge, du véhicule avec la remorque
G - Poids maximum autorisé sur le premier essieu (avant)
H - Poids maximum autorisé sur le deuxième essieu (arrière)
I - Type de moteur
L - Code et version du véhicule
M - Numéro d'ordre pour pièces de rechange
N - Valeur corrigée du coefficient d'absorption des fumées (pour moteurs diesel).
Cette plaque est appliquée sur la traverse avant du compartiment moteur, dans la position B de la fig. 2 (voir page précédente).

Cette plaque est appliquée sur la garniture du couvercle du logement de capote.
Elle comprend:
A - Fabricant de la peinture
B - Désignation de la couleur
C - Code Fiat de la couleur
D - Code de la couleur pour retouches ou réfections de peinture.

text_image
A
B
C
D
P5S00687m
fig. 4
CODE MOTEUR - VERSION CARROSSERIE
Code type de moteur Type et version du véhicule
188A6.000 | 183SBIAA 01
MOTEUR
DONNEES GENERALES
| Type | | 188A6.000 |
| Cycle | | Otto |
| Nombre et position cylindres | | 4 en ligne |
| Nombre et soupapes par cylindre | | 4 |
| Alésage et course des pistons mm | | 82,0x82,7 |
| Cylindrée totale cm | 3 | 1747 |
| Rapport volumétrique | | 10,3 ± 0,15 |
| Puissance maximum (CEE) kW | | 96 |
| ch | 130 |
| régime correspondant tr/mn | | 6300 |
| Couple maximum (CEE) Nm | | 158 |
| kgm | 16,7 |
| régime correspondant tr/mn | | 4300 |
ALIMENTATION/ALLUMAGE
Injection électronique et allumage par système intégré; une seule centrale électronique contrôle les deux fonctions simultanément: durée du temps d'injection (pour le dosage de l'essence) et angle d'avance à l'allumage.
Type: Multipoint séquentiel calé.
Filtre à air: à sec, avec élément filtrant en papier; prise à sélection thermostatique.
Pompe à essence: immergée dans le réservoir.
Pression d'injection: 3 bar.
Mesure de la quantité d'air aspiré pour le contrôle direct du débit maximal par débitmètre à fil chaud.
Système de dosage de l'essence: par "Circuit fermé" (information sur la combustion réalisée par sonde Lambda).
Ordre d'allumage: 1-3-4-2.
Bougies d'allumage:
- Champion RC10YCC
- NGK BKR6EZ

ATTENTION
Toute modification ou réparation sur l'équipement et l'alimentation électrique effectuée de manière incorrecte et sans tenir compte des caractéristiques techniques de l'équipement en question peut être à l'origine d'anomalies de fonctionnement et peut même entraîner des risques d'incendie.
GRAISSAGE
Forcé, au moyen d'une pompe à en-grenages avec vanne limitatrice de pression incorporée.
Filtre à huile à cartouche à débit total.
REFROIDISSEMENT
Circuit de refroidissement avec radiateur, pompe centrifuge et réservoir d'expansion.
Thermostat à "by-pass contrôlé" sur le circuit secondaire pour recyclage de l'eau du moteur vers le radiateur.
Electroventilateur pour refroidissement du radiateur avec enclenchement/déclenchement réglé par interrupteur à thermostat situé sur le radiateur.
TRANSMISSION
EMBRAYAGE
Autoréglable avec pédale sans cour-se à vide.
BOITE DE VITESSES
A cinq vitesses avant et marche arrière, avec synchroniseurs pour l'enclenchement des vitesses avant.
FREINS

ATTENTION
L'eau, le verglas et le sel antigel répandu sur les routes peuvent se déposer sur les disques des freins, réduisant ainsi l'efficacité de freinage dès le premier coup de frein.

ATTENTION
Faire attention lors du montage de spoilers supplé- mentaires, roues en alliage et enjoliveurs qui ne sont pas de série: ils pourraient réduire la ventilation des freins et donc leur efficacité lors de freinages violents ou répétés, ou bien dans les descentes longues.
FREINS PRINCIPAUX ET DE SECOURS
Avant: à disque, du type à étrier flottant avec un cylindre de commande par roue.
Arrière: à disque avec étrier flottant.
Commande à circuits hydrauliques en X.
Servo-frein à dépression de 8".
Système ABS à quatre canaux et quatre capteurs (lorsqu'il est prévu).
Rattrapage automatique du jeu d'usure des garnitures à friction.
Répartiteur électronique de freinage (système EBD).
FREIN A MAIN
Commandé par un levier à main agissant mécaniquement sur les étriers des freins arrière.
SUSPENSION
AVANT
A roues indépendantes, type McPherson à bras oscillants en fonte de ferrite ancrés à une traverse auxiliaire.
Ressorts hélicoïdaux désaxés et amortisseurs à gaz télescopiques à double effet.
Barre de torsion antiroulis.
ARRIERE
A roues indépendantes à bras oscillants tirés en fonte sphéroïdale.
Ressorts hélicoïdaux et amortisseurs à gaz avec douilles vulcanisées.
Barre de torsion antiroulis.
Cadre supplémentaire en H rigide constitué d'un élément tubulaire transversal et de deux longerons longitudinaux emboutis en tôle et soudés à ce même élément.
DIRECTION
Colonne de direction articulée, à absorption d'énergie, avec système de réglage en hauteur.
Commande à pignon et crémaillère à graissage permanent.
Assistance hydraulique de la direc-
tion.
Joints à graissage permanent.
Diamètre minimum de braquage: 10,5 mètres.
Nombre de tours du volant de butée à butée: 2,5 environ.
GEOMETRIE DES ROUES
Pincement des roues mesuré entre les jantes: 0±1 mm.
Les valeurs se rapportent à une voiture en ordre de marche.
Vitesses maximales admises après rodage de la voiture en km/h.
| 1 ^ème | 2 ^ème | 3 ^ème | 4 ^ème | 5 ^ème | MA |
| 55 97 143 188 más de 200 55 |
ROUES
JANTES ET PNEUS
Jantes en acier embouti ou bien en alliage (lorsqu'elles sont prévues), boulons de fixation spécifiques (dimensionnellement différents et réciproquement incompatibles) pour chacun des deux types de jante.
Pneus Tubeless à carcasse radiale.
Jantes Pneus
| 6 ^1/_2 J x 15” 195/55 R15 (84V) |
| 6 ^1/_2 J x 16” 195/45 R16 (80V) |
| 6 J x 15” 185/55 R15 (81H)spécial pour emploiavec chaînes |
ROUE DE SECOURS
Jante en acier embouti.
Pneu Tubeless.
Jante Pneu
Sur la Carte grise on trouvera la liste de tous les pneus homologués. Les dimensions prescrites étant entendues, il est indispensable, pour la sécurité de marche de la voiture, que celle-ci soit dotée de pneus de même marque et de même type sur toutes les roues.
ATTENTION Avec des pneus tubeless, ne pas monter de chambre à air. Ne pas fixer les roues en alliage léger avec des boulons prévus pour les roues en acier et vice-versa. Pour la compatibilité entre les jantes et les boulons et entre ces derniers et la roue de secours, voir les indications détaillées au paragraphe "S'il vous arrive de crever un pneu".
CHAINES A NEIGE
Avec des pneus 195/55 R15 (84V) ou 195/45 R16 (80V) ne pas utiliser de chaînes à neige, pour éviter toute interférence de ces chaînes avec le passage de roue en plastique.
Avec des pneus 185/55 R15 (81H), n'utiliser que des chaînes à encombrement réduit (dépassement maximum de la chaîne: 12 mm par rapport au profil du pneu). Contrôler la tension des chaînes après avoir parcouru quelques dizaines de mètres.
DIMENSIONS
Capacité du coffre à bagages (normes VDA): 165 dm³
La hauteur s'entend voiture à vide.
Dimensions en mm.

fig. 5
P5S00712m
POIDS
| Poids (kg) |
| Poids de la voiture en ordre de marche(avec pleins, roue de secours, outillage et accessoires): | 1060 |
| Charge utile (*), y compris le conducteur: | 200 |
| Charges maxi admises (**)- essieu avant:- essieu arrière:- totale: | 8507001260 |
| Charges remorquables- remorque avec freins:- remorque sans freins: | 450400 |
| Charge maxi sur la boule(remorque freinée): | 35 |
(*) En présence d'équipements spéciaux (dispositif d'attelage de remorque, etc), le poids à vide augmente et peut donc réduire d'autant la charge utile, pour respecter les charges maximales admises.
(**) Charges qui ne doivent jamais être dépassées. Le client a la responsabilité de placer les marchandises dans le coffre à bagages, de façon à respecter ces valeurs maximales.
CONTENANCES
| litres kg | | Combustibles préconisés Produits conseillés |
| Réservoir de carburant: | 50 | - | Essence Super sans plomb indice d'octane minimum: 95 R.O.N. |
| y compris une réserve de: | 5 env - | |
| Circuit de refroidissement moteur: | 6,2 - | | Mélange eau distillée et PARAFLU^11 à 50% |
| Carter d'huile: | 3,7 3,3 | | SELENIA 20K (☐) |
| Carger d'huile et filtre: | 4,0 3,6 | |
| Carter d'huile, filtre et canalisations (I ^1st remplissage): | 4,7 4,2 | |
| Carter de boîte de vitesses/différentiel: | 1,98 1,8 | | TUTELA CAR ZC 75 SYNTH |
| Direction assistée: | 1,0 0,9 | | TUTELA GI/A |
| Circuit freins hydrauliques avant et arrière: | -0,55 | | TUTELA TOP 4 |
| Bocal liquide lave-glace: | 2,2 - | | Mélange d'eau et liquide TUTELA PROFESSIONAL SC 35 |
(7) Par températures inférieures à -20^ on conseille l'emploi de SELENIA PERFORMER SAE 5W-30.
FLUIDES ET LUBRIFIANTS
PRODUITS CONSEILLES ET LEURS CARACTERISTIQUES
| Type de produit Additifs et lubrifiants éristiques qualitatives des additifs et des lubrifiants pour un fonctionnement correct de la voiture | conseillés | Applications |
| Lubrifiants pour moteur à essence | Lubrifiants multigrades à base synthétique degré SAE 10W-40 conformes aux spécifications ACEA A3-96, API SJ | SELENIA 20K | [XYZH]  |
| Lubrifiants multigrades à base synthétique degré SAE 5W-30 conformes aux spécifications ACEA AI et API SJ Conseillé par températures inférieures à -20°C | SELENIA PERFORMER |
| Type de produit | Caractéristiques qualitatives des additifs et des lubrifiants pour un fonctionnement correct de la voiture | Additifs et lubrifiants conseillés | Applications |
| Lubrifiants et graisses pour transmissions du mouvement | Huile synthétique SAE 75W-80 EP. II satisfait toutes les spécifications API GL5, MIL - L - 2105 D LEV. | TUTELA CAR ZC 75 SYNTH | Boîtes de vitesses mécaniques et différentiels |
| Huile type ATF DEXRON II D LEV, SAE 10W | TUTELA GI/A | Direction, assistée hydraulique |
| Graisse au bisulfure de molybdène à base de savons de lithium consistance NLGI = 2 | TUTELA MRM 2 | Joints homocinéthiques |
| Produit pour freins | Fluide synthétique NHTSA n° 116, DOT 4, ISO 4925 SAE J 1703 CUNA NC 956 - 01 | TUTELA TOP 4 | Commandes hydrauliques freins et embrayages |
| Protecteur pour radiateurs | Protecteur avec action antigel, pour les installations de refroidissement à base de glycol mono éthylène inhibé, CUNA NC 956 - 16 | PARAFLU ^11 | Pourcentage d'émploi: 50% jusqu'à -35^ |
| Liquide pour lave-glace | Mélange d'alcols et agents tensioactifs CUNA NC 956 - II | TUTELA PROFESSIONAL SC 35 | A utiliser pur ou dilué dans les installation de essuie lave-glaces |
Les valeurs de consommation en carburant, exprimé en litres x 100 km, indiquées dans les tableaux suivants, sont déterminées sur la base d'essais d'homologation prévus par des Directives Européennes spécifiques.
Pour la mesure de la consommation ont applique les procédures suivantes:
- cycle urbain: il commence par un démarrage à froid, suivi de la simulation d'un parcours urbain du voiture;
- cycle extra urbain: il prévoit la simulation d'un parcours extra urbain du voiture comprenant des accéléra-tions fréquentes à toutes les vitesses; la vitesse varie de 0 à 120 km/h;
- consommation mixte: elle est calculée avec une pondération d'environ 37% du cycle urbain et d'environ 63% du cycle extra urbain.
ATTENTION Toutefois, le type de parcours, les conditions atmosphériques, le style de conduite, l'état général du voiture, le niveau de finition, les équipements/accessoires, ainsi que d'autres situations pénalisant la pénétration aérodynamique ou la résistance à l'avancement peuvent conduire à des consommations différentes de celles établies (voir "Limitation des frais de gestion et de la pollution de l'environnement" au chapitre "Conduite").
| Consommations conformémentà la Directive1999/100/CE l/100 km | |
| Urbain 11,6 | |
| Extra-urbain 6,5 | |
| Mixte 8,4 | |
EMISSIONS CO _2
Les valeurs d'émission de CO₂ à l'échappement indiquées dans les tableaux suivants se rapportent à la consommation mixte.
Emissions de CO₂ conformément à la 198 Directive 1999/100/CE (g/km)
PRESSION DES PNEUS
PRESSION DE GONFLAGE A FROID (bar)
Avec pneus à chaud, la valeur de la pression doit être +0,3 bar par rapport à la valeur prescrite.
Pneu Avant Arrière Roue de secours
| 195/55 R15 (84V) 2,4 2,0 2,8 | | |
| 195/45 R16 (80V) 2,4 2,0 2,8 | | |
| 185/55 R15 (81H) 2,4 2,0 2,8 | | |
INSTALLATION DES ACCESSOIRES
Les accessoires d'origine Fiat sont les seuls conçus spécialement pour la Fiat barchetta. Ils sont sélectionnés et soumis à essai directement sur la voiture. Ils sont faciles à utiliser, fiables, fonctionnels. Le tout au profit du confort, mais aussi de la sécurité en toutes conditions de conduite. Par exemple, pour donner un aspect plus sportif à la Fiat barchetta, Fiat propose des jantes en alliage, des volants en cuir et des spoilers qui s'harmonisent avec le design de la voiture et donnent ainsi au véhicule un aspect plus personnel, plus agressif.
Pour la sécurité des enfants, les sièges proposés par la Lineaccessori Fiat sont conformes aux réglementations européennes actuellement en vigueur.
Les accessoires de la ligne Fiat, décrits dans un catalogue spécial, sont disponibles auprès des Succursales, Concessionnaires et Ateliers Agréés Fiat. Le personnel Fiat sera à votre disposition pour vous les présenter dans les moindres détails.
Les pages qui suivent présentent les schémas et instructions pour le montage correct de certains accessoires. L'installation ne doit être effectuée que par un personnel qualifié. Pour la Fiat barchetta, Fiat a instruit son Réseau Après-vente par des cours de formation spécifiques.
ALARME ELECTRONIQUE 150
DISPOSITIF D'ATTELAGE DE REMORQUES ..... 152
HARD TOP 155
TELECOMMANDE A RADIOFREQUENCE:
HOMOLOGATIONS MINISTERIELLES .... 156
ALARME ELECTRONIQUE

flowchart
graph TD
A["Switch 1"] --> B[" meters"]
B --> C[" meters +30"]
C --> D[" +30 "]
D --> E[" +30 "]
E --> F[" +30 "]
F --> G[" +30 "]
G --> H[" +30 "]
H --> I[" +30 "]
I --> J[" +30 "]
J --> K[" +30 "]
K --> L[" +30 "]
L --> M[" +30 "]
M --> N[" +30 "]
N --> O[" +30 "]
O --> P[" +30 "]
P --> Q[" +30 "]
Q --> R[" +30 "]
R --> S[" +30 "]
S --> T[" +30 "]
T --> U[" +30 "]
U --> V[" +30 "]
V --> W[" +30 "]
W --> X[" +30 "]
X --> Y[" +30 "]
Y --> Z[" +30 "]
Z --> AA[" +30 "]
AA --> AB[" +30 "]
AB --> AC[" +30 "]
AC --> AD[" +30 "]
AD --> AE[" +30 "]
AE --> AF[" +30 "]
AF --> AG[" +30 "]
AG --> AH[" +30 "]
AH --> AI[" +30 "]
AI --> AJ[" +30 "]
AJ --> AK[" +30 "]
AK --> AL[" +30 "]
AL --> AM[" +30 "]
AM --> AN[" +30 "]
AN --> AO[" +30 "]
AO --> AP[" +30 "]
AP --> AQ[" +30 "]
AQ --> AR[" +30 "]
AR --> AS[" +30 "]
AS --> AT[" +30 "]
AT --> AU[" +30 "]
AU --> AV[" +30 "]
AV --> AW[" +30 "]
AW --> AX[" +30 "]
AX --> AY[" +30 "]
fig. 1
SCHEMA DES DERIVATIONS ELECTRIQUES fig. I
I - Branche droite de feux de direction/ de détresse
2 - Capteur de protection de l'habitable
3 - Masse avant droite
4 - Prise diagnostic
5 - Boîtier porte-fusibles de protection des dispositifs en option
6 - Récepteur à radiofréquence
7 - Diode de signalisation de système d'alarme électronique enclenché
8 - Centrale électronique de commande du système d'alarme électronique
9 - Interrupteur de capot moteur
10 - Interrupteur de hayon
II - Alimentation dépendant de la clé de contact
12 - Interrupteur de droite droite
13 - Interrupteur de porte gauche
14 - Centrale de dérivation avec fusible de protection de 15A pour feux de direction
15 - Branche gauche de feux de direction / de détresse.

text_image
P5S10042m
A
H
G
F
B
C
D
E
fig. 2
EMPLACEMENT
DES ELEMENTS
DANS LA VOITURE fig. 2
A - Récepteur à radiofréquence dans le plafonnier
B - Bouchon réglable de commande d'interrupteur de signalisation de capot moteur ouvert
C - Interrupteur de signalisation de capot moteur ouvert
D - Interrupteur de signalisation de porte droite ouverte, porte gauche ouverte et hayon ouvert
E - Centrale électronique de commande du système d'alarme électronique (dans le compartiment moteur)
F - Diode de signalisations de système d'alarme électronique enclenché
G - Télécommande à radiofréquence
H - Capteur de protection de l'habitable (placé sous le tunnel central)
DISPOSITIF D'ATTELAGE DE REMORQUES

text_image
D
STOP
C
A
A
STOP STOP
B
P5500723m
fig. 3 - A. Centrale de dérivation - B. Coupleur à 7 contacts - C. Feu arrière gauche - D. Feu arrière droit
INSTALLATION DU CROCHET D'ATTELAGE
Le dispositif pour le crochet d'attelage fig. 3 doit être fixé à la carrosserie par un personnel qualifié, selon les indications ci-après.
Pour la liaison mécanique, utiliser:
- un crochet à boule le catégorie modèle "CUNA 501" (tableau CUNA NC 138-40);
- un oeillet à boule le catégorie modèle "CUNA 501" (tableau CUNA NC 438-40).
Pour la liaison électrique, adopter un coupleur à 7 contacts à 12 Volts (tableau CUNA UNI 9128).
Le coupleur électrique peut être fixé sur une bride prévue à cet effet, à appliquer à l'attache prévue pour le crochet à boule.
Les fonctions électriques pour le coupleur doivent procéder d'une dérivation, conformément aux indications de la fig. 5.
En plus des dérivations électriques (décrites sur le schéma de la page suivante), il n'est permis de connecter à l'installation électrique de la voiture qu'un câble pour l'alimentation d'un éventuel frein électrique et qu'un câble pour une lampe d'éclairage intérieur de la remorque dont la puissance ne doit pas dépasser 15W.
Le frein électrique doit être directement alimenté par la batterie à l'aide d'un câble d'au moins 2,5 mm ^2 de section.

text_image
Vue de A
Fil façade arrière externe
Traverse inférieure
Partie centrale plate logement
roue de secours
Ligne médiane
voiture
Véhicule
pleine charge
278
160
54.2
35.2
179.2
179.2
179.2
Niveau du sol
Centre roue
de secours
Entretoise
28+4.5
29.5
43
47.5
47.5
47.5
47.5
47.5
47.5
47.5
47.5
47.5
47.5
47.5
47.5
47.5
47.5
47.5
47.5
47.5
47.5
47.5
47.5
47.6
47.6
47.6
47.6
47.6
47.6
47.6
47.6
47.6
47.6
47.6
47.6
47.6
47.6
47.6
47.6
47.6
47.6
47.6
47.6
47.5
47.5
47.5
47.5
47.5
47.5
47.5
47.5
47.5
47.5
47.5
47.5
47.5
47.5
47.5
47.5
47.5
47.5
47.5
47.3
47.3
47.3
47.3
47.3
47.3
47.3
47.3
47.3
47.3
47.3
47.3
47.3
47.3
47.3
47.3
fig. 4
SCHEMA DE MONTAGE
La structure du crochet d'attelage fig. 4 doit être fixée aux points indiqués par 6 vis M10.
Tous les points de fixation doivent être pourvus de renforts appropriés ① en acier, de 4 mm d'épaisseur ainsi que d'entretoises de 20 mm de diamètre et de 4,5 mm d'épaisseur.
Dimensions indiquées par le graphique et bords retournés.
La plaque du soubassement de caisse doit être plus large que celle qui est située dans le coffre à bagages. En outre, le bord des plaques doit être retourné pour éviter toutes arêtes aiguës en contact avec la caisse.
Le crochet doit être fixé à la caisse, en effectuant une opération de rognage sur la grille dans la partie centrale du pare-chocs arrière.
ATTENTION II faut obligatoirement fixer, à la même hauteur que la boule, une plaque (bien visible) aux dimensions et matière adéquates, comportant l'indication suivante (pour les véhicules ayant une masse remorquable de 450 kg):
CHARGE MAXI SUR LA BOULE 35 kg.

ATTENTION
Après le montage, les trous de passage des vis de fixation doivent être mastiqués pour empêcher toute infiltration des gaz d'échappement.

flowchart
graph TD
A["STOP 12 13"] --> B["1"]
B --> C["11"]
C --> D["3"]
D --> E["G"]
E --> F["11"]
F --> G["5"]
G --> H["6"]
H --> I["8"]
I --> J["7"]
J --> K["5"]
K --> L["30 85 86 87 87"]
L --> M["10"]
M --> N["86 47 87"]
N --> O["6"]
O --> P["5"]
P --> Q["30 85 86 87 87"]
Q --> R["10"]
R --> S["86 47 87"]
S --> T["6"]
T --> U["5"]
U --> V["30 85 86 87 87"]
V --> W["10"]
W --> X["86 47 87"]
X --> Y["6"]
Y --> Z["5"]
Z --> AA["30 85 86 87 87"]
AA --> AB["10"]
AB --> AC["86 47 87"]
AC --> AD["6"]
AD --> AE["5"]
AE --> AF["30 85 86 87 87"]
AF --> AG["10"]
fig. 5
SCHEMA DES DERIVATIONS ELECTRIQUES fig. 5
I - Centrale de dérivation
2 - Connexion sur la centrale de dérivation pour l'alimentation des feux stop de la remorque
3 - Connexion sur la centrale de dérivation pour l'alimentation des télé-rupteurs
4 - Connexion sur la centrale de dérivation pour l'alimentation des feux de brouillard arrière de la remorque
5 - Feu arrière gauche
6 - Feu arrière droit
7 - Point de masse arrière droit
8 - Coupleur à 7 contacts
9 - Télérupteur d'alimentation du feu de direction gauche de la remorque
10 - Télérupteur d'alimentation du feu de direction droit de la remorque
II - Fusible de 7,5A
Les dispositifs 9 - 10 - 11 ne sont pas compris dans l'équipement de la voiture; ils doivent être ajoutés par le client.
HARD TOP
L'hard top est un toit rigide doté de lunette arrière chauffante, destiné à remplacer la capote en hiver et garantissant un excellent confort.
Proposé non seulement en option mais aussi en Lineaccessori Fiat, il est donc également disponible après l'achat de la voiture.
L'achat du hard top en Lineaccessori Fiat comporte également la fourniture des logements d'axes et les vis de fixations correspondantes.
Les logements doivent être fixés aux montants arrière percés, à cet effet, de 2 trous taraudés et peuvent rester montés même lorsque le hard top n'est plus utilisé.
Lorsque l'on monte le hard top pour la première fois, procéder au réglage des tirants arrière.
Pour ces opérations, il est conseillé de s'adresser au Réseau Après-vente Fiat.
Pour une procédure correcte de montage et démontage du hard top, voir le chapitre "Faites connaissance avec votre voiture".
TELECOMMANDE A RADIOFREQUENCE: HOMOLOGATIONS MINISTERIELLES
| Sigle automobile international | Pays | Numéro | d'homologation |
| A Autriche CEPTLPDD | | |
| B Belgique RTT/D/X1238 | | |
| CH Suisse BAKOM 960331 KP | | |
| D Allemagne GI27064H - GI21483F | | |
| E Espagne E01960332 - E00950904 | | |
| F France 96 0186 PPL 0 - 95 0327 PPL 0 | | |
| GB Grande-Bretagne | 11699 | |
| GR Grèce | YTIME/ΔTEE/EK399 - YTIME/ΔTEE/EK401 | |
| I | Italie | DGPGF/SEGR/2/03/338546/FO/00327/03/02/97 | |
| NL Hollande | NL 96040274 | |
| P Portugal ICP 016TC 96 | | |

BZT
G129
050H
Attesté

Conforme
atc
960330 PPL 0
date
31/07/96
pres
TRW
Radiocom
Privées France
Professionnel
Radiocom
Privées France
Professionnel
Attesté
★ART★
Conforme
atc 950327 PPL 0
date 18/10/95
pres. TRW
Radiocom
Privées France
Professionnel
INDEX ALPHABETIQUE
A l'arrêt.... 70
ABS 56
Accessoires achetés
par le client 82
Accessoires utiles 82
Air bag
- conseils d'ordre général .. 60
- désactivation air bag côté
passager .... 59
Alarme électronique...... 13-150
Allume-cigares 43
Antiévaporation (circuit)...... 66
Appuie-tête 19
Attelage de remorques
- avertissements .... 79
- installation du crochet
d'attelage .... 152
Balais d'essuie-glace .... 128
Batterie
– démarrage avec batterie
d'appoint .... 85-105
- niveau du liquide...... 123
- recharge.... 105
Boîte à gants.... 42
Boîte de vitesses
– utilisation de la boîte
de vitesses.... 71
Bouchon du réservoir
à carburant .... 65
Bougies.... 12
Capot moteur.... 53
Capote .... 46-13
Caractéristiques techniques 135
Carburant
- consommation.... 147
- jauge de carburant .... 29
- interrupteur d'alimentation en carburant .... 41
Carrosserie
- entretien.... 130
- plaque d'identification
peinture .... 137
- versions .... 137
Ceintures de sécurité
- conseils d'ordre général .. 22
- emploi .... 21
-entretien 23
Cendrier 43
Centrales électroniques...... 125
Chaînes à neige.... 80-141
Chauffage et ventilation...... 34
Circuit de durites 128
Clés ...... 11
Climatiseur.... 36
– commandes .... 36
– entretien .... 130
Coffre à bagages
– ouverture/fermeture ..... 55
Compartiment moteur
(lavage) 132
Compte-tours.... 28
Compteur de miles 28
Compteur kilométrique ..... 28
Conduite 67
Conduite sûre
- avant de se mettre
au volant .... 72
- conduire avec l'ABS .... 75
- conduire dans le brouillard .... 74
- conduire en montagne .... 75
- conduire la nuit .... 73
- conduire sous la pluie.... 74
– conduire sur la neige
ou le verglas.... 75
– en cours de route ...... 72
Consommation de carburant 147
Consommation d'huile moteur 118
Contrôles réguliers .... 82
Convertisseurs catalytique
à trois voies .... 66
Cric 88
Dégivrage.... 35
Démarrage du moteur
– comment faire chauffer
le moteur immédiatement
après le démarrage ....69
- démarrage avec batterie d'appoint.... 85
– démarrage de dépannage.. 84
- démarrage par manoeuvres à inertie.... 86
– dispositif de démarrage..... 17
– pour couper le moteur ..... 69
Désembuage 35
Dimensions 142
Direction 140
Direction assistée
- niveau du liquide .... 120
Eclairage de la boîte à gants . 98
Embrayage .... 139
Emetteurs radio 82
Emissions CO_2 147
En cas d'accident.... 109
Enfants (transport en sécurité) 24
Entretien de la voiture..... III
- entretien programmé ..... 112
– opérations supplémentaires 115
- Plan d'Entretien
Programmé .... 113
- Plan d'inspection annuelle. 115
EOBD (Système)...... 62
Essuie-glace
– commande .... 39
– balais-racleurs ..... 128
– gicleurs ...... 129
Faites connaissance
avec votre voiture .... 6
Feux antibrouillard arrière
– commande...... 41
– remplacement lampe ...... 97
Feux antibrouillard avant
– commande...... 41
– remplacement lampe ...... 94
Feux de croisement
– commande...... 38
– remplacement lampe ...... 93
Feux de détresse.... 40
Feux de direction (clignotants)
– commande.... 39
- remplacement
lampe arrière .... 95
- remplacement
lampe avant .... 94
- remplacement
lampe latéraux.... 95
Feux de plaque 97
Feux de position
– commande.... 38
- remplacement
lampe arrière .... 96
- remplacement
lampe avant .... 93
Feux de recul.... 97
Feux de route
- appel de phares.... 39
- commande.... 38
- remplacement lampe ..... 94
Feux de stationnement
(PARK) 17
Feux de stop 96
Feu 3 ^ème stop
(remplacement lampe)...... 96
Fiat CODE (Le système) ..... II
Filtre à air 122
Filtre antipollen 123
Frein à main.... 70-139
Freins
- niveau du liquide...... 121
- principaux et de secours .. 139
Fusibles 98
Géométrie des roues
(pincement) .... 140
Gicleurs d'essuie-glace...... 129
Hard top 49-155
Huile moteur
– caractéristiques
techniques .... 145
- consommation...... 118
- vérification du niveau .. 118
Identification 136
Installation des accessoires 149
Instruments de bord ...... 8
Interrupteur d'alimentation en carburant.... 41
Jantes 141
Lampe (remplacement d'une) 91
Lave-glace
– commande...... 40
– niveau du liquide ...... 120
Levage de la voiture ..... 106
Lève-vitres électriques ..... 45
Leviers au volant
- commodo droit .... 39
- commodo gauche .... 38
Limitation des frais de gestion et de la pollution de l'environnement .... 76
Lubrifiants.... 145
Lunette arrière (nettoyage) 133
Montre digitale.... 29
Moteur
- allumage/alimentation ... 138
- code d'identification ..... 136
- données caractéristiques 137
- graissage..... 138
- refroidissement..... 138
Niveau de l'huile moteur. 118
Niveau du liquide de direction assistée .... 120
Niveau du liquide de freins. 121
Niveau du liquide de lave-glace 120
Niveau du liquide du circuit
de refroidissement moteur 119
Non-utilisation prolongée
de la voiture .... 81
Outils en dotation ..... 88
P are-soleil .... 43
Peinture .... 137
Performances.... 140
Phares
- orientation des phares
antibrouillard avant ..... 55
- orientation du faisceau
lumineux 55
Plafonnier 42
- remplacement de la lampe 98
Planche de bord ...... 7
Plaque
- d'identification
de la peinture ..... 137
– du constructeur ...... 136
Pneus 126-148
Poids 143
Portes 44
Prééquipement téléphone
portable 63
Pression des pneus...... 148
Prétensionneurs ...... 27
Ravitaillements.... 64-144
Recyclage de l'air 36
Remorquage de la voiture ... 108
Respect de l'environnement et économie 78
Rétroviseurs
- électriques ...... 20
- extérieurs ...... 20
- intérieur 30
Roue
– de secours ...... 141
- remplacement d'une roue 88
S'il vous arrive.... 83
Secours (trousse) ..... 110
Sièges
- nettoyage 134
- réglage 18
Sonde Lambda 66
Suspensions 140
Symboles 9
Système EOBD.... 62
Système Fiat CODE ..... II
Tableau de bord ...... 7
Tachymètre 28
Télécommande
à radiofréquence .... 15
– homologations
ministérielles 156
Téléphone portable
(prééquipement) 63
Témoins.... 30-31-32-33
Thermomètre du liquide de refroidissement moteur.... 29
Transmission (rapports de) 139
Transport des enfants
en sécurité .... 24
Ventilation 36
Verrouillage centralisé
des portes 44
Verrouillage de la direction 18
Vide-poches 42
Vitesses maximales .... 140
Vitres (nettoyage) 132
Volant 19
Wind stop 51
VIDANGE D'HUILE?
LES EXPERTS CONSEILLENT SELENIA.
La voiture que vous venez d'acheter est née avec les produits de FL Group.
Dans n'importe quel Service Après-vente Fiat et auprès de tous les reven-deurs spécialisés, vous trouverez aisément Selenia pour effectuer votre vidange.
35.000 experts en moteurs de toute l'Europe conseillent Selenia à cause de la protection maximale qu'elle donne au moteur de votre voiture.
C'EST LE CONSEIL
DE VOTRE MECANICIEN.

text_image
SELENA
MOTOR OIL
20 K
VOTRE VOITURE A CHOISI SELENIA
Le moteur de votre nouvelle voiture est né avec Selenia 20K, l'huile d'origine synthétique qui répond aux exigences internationales les plus sévères.
Selenia 20K accroît les capacités du moteur garantit des performances optimales et une protection maximale.
SELENIA 20K
Lubrifiant de très haute qualité à la norme API SJ, pour moteurs à essence aspirés, turbocompressés ou multisoupapes. Il permet une économie de carburant jusqu'à 2% et une stabilité maximale aux températures élevées.
Huile spécifique pour le fonctionnement optimal des moteurs à essence dans des conditions climatiques particulièrement rigoureuses (possibilité de démarrage jusqu'à -35^ ).
ANALYSES DE L'HUILE USAGEE: AUGMENTATION DE LA VISCOSITE A 40°C (*)

area
| km | Value |
| ------ | ----- |
| 0 | 0 |
| 25000 | 2 |
| 5000 | 4 |
| 7500 | 6 |
| 10000 | 8 |
| 12500 | 10 |
| 15000 | 12 |
| 17500 | 14 |
| 20000 | 16 |
SELENIA 20K PRODOTTO DI RIFERIMENTO
(*) ASTM D445
Formulé pour les nouveaux moteurs, Selenia 20K permet grâce à sa stabilité élevée d'accroître l'intervalle de vidange jusqu'à 20.000 km, tout en garantissant un nettoyage et une protection optimale du moteur.
SELENIA. AU COEUR DE VOTRE MOTEUR
NOTES
Fiat Auto S.p.A.
Les données de cette brochure sont fournies à titre indicatif. Fiat pourra, à n'importe quel moment, appliquer aux modèles décrits dans la présente notice toute modification estimée nécessaire pour des raisons techniques ou commerciales. Pour toute information, nous prions le Client de bien vouloir s'adresser au Concessionnaire ou Siège Fiat le plus proche. Impression sur papier écologique sans chlore.