U1 309.003 - Lave-vaisselle CaterChef - Notice d'utilisation et mode d'emploi gratuit
Retrouvez gratuitement la notice de l'appareil U1 309.003 CaterChef au format PDF.
| Caractéristiques techniques | Lave-vaisselle professionnel CaterChef U1 309.003 |
|---|---|
| Capacité | Jusqu'à 30 paniers par heure |
| Dimensions | Largeur : 60 cm, Profondeur : 60 cm, Hauteur : 85 cm |
| Consommation d'eau | 2,5 litres par cycle |
| Type de raccordement | Raccordement à l'eau chaude ou froide |
| Poids | 70 kg |
| Utilisation | Idéal pour les restaurants et les établissements de restauration rapide |
| Maintenance | Nettoyage régulier des filtres et des bras d'aspersion |
| Sécurité | Système de sécurité pour éviter les surchauffes |
| Informations générales | Garantie de 2 ans sur les pièces |
FOIRE AUX QUESTIONS - U1 309.003 CaterChef
Questions des utilisateurs sur U1 309.003 CaterChef
0 question sur cet appareil. Repondez a celles que vous connaissez ou posez la votre.
Poser une nouvelle question sur cet appareil
Téléchargez la notice de votre Lave-vaisselle au format PDF gratuitement ! Retrouvez votre notice U1 309.003 - CaterChef et reprennez votre appareil électronique en main. Sur cette page sont publiés tous les documents nécessaires à l'utilisation de votre appareil U1 309.003 de la marque CaterChef.
MODE D'EMPLOI U1 309.003 CaterChef
Modèle: U-1 (230/400 V)
Mode d'emploi (p. 29-42)

Modèle: U-1 (230/400 V)
230 V. nr. 309.001 - 309.005 (avec pompe)
400 V. nr. *309.003

Mode d'emploi (p. 29-42)

1. Préface
1. Généralités
Des techniques de production sophistiquées ont été utilisées pour fabriquer votre nouveau lave-vaiselle, le CaterChef U-1. Chaque machine CaterChef qui quitte notre usine fait l'objet de contrôleles approfondis pour vous garantir un fonctionnement optimal.
Lisez scrupuleusement ce mode d'emploi avant d'insteller et d'utiliser la machine. Pour votre propre sécurité et pour une plus longue durée de vie, vous étés priés d'utiliser l'appareil selon les instructions de ce mode d'emploi. Vous obtiendrez de cette façon les membresurs résultatsats avec l'U-1.
Ce mode d'emploi sort de fi I conducetur pour l'installation, le maniement et I'entretien. Gardez ce mode d'emploi à portée de main jusqu'à ce que vous soyez familiarisés avec l'appareil et le ranger ensuite dans un endroit sec et à l'abri. Veillez à ce que toutes les personnes qui manipulent et entretiennent cet apparéil sachent où se trouve le mode d'emploi, afi n de pouvoir vite le consulter le cas échéant. Si vous avez égaré le mode d'emploi ou si celui-ci est devenu illisible, vous pouvez commander un exemplaire à votre distributeur.
Contactez vous service après-vente ou votre distributeur au cas où vous auriez besoin d'assistance technique.
3. Déclarations
L'importateur/fabricant se reserve le droit de modifi er le mode d'emploi et tous les materiaux concernés en vue d'améliorer la qualité de nos produits.
Nous ne pouvons pas etre tenus responsables des erreurs et des dommages physiques resultant de travaux d'entretien errones non mentionnés dans ce mode d'emploi, des travaux qui n'auraient pas eteffectués par un installerateur et encore moins a cause d'une mauvaise manipulation ou de la non-observation des instructions de ce mode d'emploi. Par ailleurs, nous vous renyoens à la garantie et aux conseils en matière de sécurité contenus dans ce mode d'emploi.
N'e faire fonctionner le lave-vaisselle qu'un fois après avoir lu et compris tous les chapitres de ce mode d'emploi. En cas de doute, prenez contact avec votre distributeur.
Précaution:
La machine ne fonctionne que lorsque la chaudière a atteinte la bonne température et au moment où le réservoir de lavage est rempli completement.
Avec la version pompe d'évacuation (*309.005), le réservoir de lavage commence à se replir des que la chaudière a atteint la température de 60 degrés.
2. Table des matières
Page de garde 29
- Préface 30
- Table des matieres 31
- Consignes de sécurité 32/33
- Brève introduction 33
- Données techniques essentielles 34
- Installation 34
- Raccordement electricite et arrivée/evacuation eau 35/36
- Généralités bandeau de commande 37
- Reglages du bandeau de commande 37/38
- Préparation après l'installation et le nettoyage 38
11.Lavage de la vaiselle et nettoyage 39 - Entretien 40
- Detection de pannes 41
14.Postface & Garantie,etc. 42
Annexes: Schema electrique 43
3. Consignes de sécurité
Consignes de sécurité
Pour garantir un bon fonctionnement, l'acheteur doit faire spécialement attention à ce qui suit:
Sécurité
- Un installateur compétent doit fournir des explications sur l'appareil avant de proceder à l'installation.
- Le personnel de service doit continuèlement être formé pour utiliser correctement et en toute sécurité la machine.
- Ne pas utiliser ni entreprises de substances infi ammables à proximate de l'appareil.
- Ne brancher la machine qu'avc une prise de terre conforme aux prescriptions et doted'une puissance suffi sante. Une fois la machine installee a l'endroit choisi, la prise malde doit etre insereed dans la prise de terre sans rallonge.
- Veiller à ce que le CaterChef soit bien mis à la masse pour éviter un choc électrique. Le cable de branchement de l'appareil ne peut être retire de la prise que par la fi che male, jamais par le cable.
- Le CaterChef doit être raccordé à un groupe ayant assez de fusibles. L'alimentation en électricité doit répondre aux exigences normales de charge. Si vous devez changer le cable de branchement, veuillez faire appel à un installateur/agréé.
- Ne jamais mettre vos mains dans la machine juste après l'avoir utilisée et ne pas ouvrir la porte au cours de l'utilisation. Vous pourriez vous brûler les mains à l'eau chaude ou à la vapeur chaude, etc.
- Pour éviter des accidents, ne pasmettre la machine trop pres d'un mur ni sur une table qui n'aurait pas ete conque pour cela, seulement sur un support d'origine (en option).
- Pour votre propre sécurité, ne pas démonter des pieces détaches de la machine qui ne sont pas conçues à cet effet.
- Les dispositifs de sécurité (porte) et l'installation électrique doivent être régulierement contrôlés.
- Couper le courant et I'arrivée d'eau si vous constazez que la machine est endommagée.
- Couper le courant et I'arrivee d'eau avant de proceder a des reparations sur la machine.
- Les réparations ne peuvent être effectues que par un installateur agréé.
Utilisation de la machine
- La machine ne peut etre utilise que pour le lavage de couverts, de vaisselle et d'articles de cuisine courants. Nous n'accepterons pas de responsabilité si des dommages sont encourus du fait d'une utilisation pour d'autres objets pour lesquels la machine n'a pas ete concue.
- N'utiliser que des pieces d'origine. Nous ne serons pas tenus responsables si des dommages apparaissent des suites de l'utilisation de pieces qui ne seraient pas d'origine.
- La machine ne doit être installée et réparée que par un installateur/agréé.
- Contrcler avant l'utilisation que les tuyaux d'arrivee et d'ecoulement de I'eau sont correctement raccordes. Prendre les mesures necessaires au cas ou il y aurait une fuite d'eau ou si des tuyaux etaient mal fi xés.
- Ne pasmettre d'objets trop lourds, d'appareils de chauffage ou d'objets susceptibles de couler sur le lavevaisselle.
- Ne pas utiliser de solvants infl ammables ou toxiques comme détergents.
- Faire changer à temps par l'installateur les cables de branchement ou interrupteurs usés ou toutes pieces endommagées ou usées. Ne pas utiliser la machine si celle-ci est en mauvais état.
- Ne pas demarrer la machine s'il est question de pieces mal fi xees ou endommagées.
- Laisser la porte (entr)ouverte si l'appareil n'est pas utilisé pour un certain temps. Couper le courant et l'arrivée d'eau après utilisation.
- Pour un bon fonctionnement, nettoyer regulierement le réservoir d'eau et le panier-fi Itre, au moins une fois par jour et entre plusieurs utilisations en cas d'usage intensif.
Économies et protection
Une bonne approche dans le domaine de l'eau, de l'électricité et des déterments a un effet bénéfi que sur l'environnement et réduit les coûts. Évitez autant que possible les paniers pas assez pleins et nettoyez à temps le microfi Itre.
- Enlever les restes d'aliments de la vaisse et la pré rincer au jet avant de la mesure dans la machine; bien ranger la vaisse.
- Sélectionner la quantité de dédTérgent nécessaire en fonction de la quantité de vaisse et de sa saleté et suivre les indications du fabricant de déterments.
- Faire installer un appareil adoucisseur d'eau.
Consignes de sécurité générales:
- Une utilisation incorrecte de la machine peut etre dangereuse.
- La machine ne peut etre manipulée que par des personnes formées et qualifiées. Celles-ci doivent avoir reçu des consignes professionnelles en ce qui concerne le maniement et la sécurité de la machine et avoir lu et suivi les consignes de sécurité ^+ les instructions pour l'utilisation.
- La température de l'eau pour le lavage et le rincage est élevé au moment de l'utilisation. Ne pas entraer en contact avec elle. La vaisse qui vient d'être lavée peut-être très chaude. Pensez à votre sécurité et à celle de vos employés.
- Une fois la machine en marche, les composants électriques sont sous tension. Assurez-vous donc de couper le courant avant de nettoyer la machine. Ne pas utiliser de tuyau d'arrosage ou de pistolet haute pression pour nettoyer la machine.
- Le chauffage de la cuve est encore escalé une fois le réservoir d'eau vide (apres avoir débranché le courant et l'eau). Soyez encore plus vigilant lors du nettoyage.
- N'ayez recours qu'a des détergents professionnels proposés par des fabricants agreés. Les détergents et produits de rincage professionnels peuvent être corrosifs et alcalins. Utilisez-les avec prudence.
4. Brève introduction au lave-vaisselle
Généralités

Votre nouveau CaterChef est un lave-vaisselle semi-automatique etudié pour des paniers 50 × 50 cm. Ouvrez la portepour y metre ou enlever le panier. Apre s avoir fermé la porte, puis avoir appuyé sur le bouton de mise en marche, le cycle de lavage et de rincage est automatiquement enclenché (réglage standard de 120 secondes).
Ce dernier peut être modifié par le biais du bandeau de commande. Si le niveau d'eau est trop bas, de l'eau est automatiquement replie une fois la porte fermée. Dès que le niveau d'eau normal est atteint, un cycle de lavage et de rincage s'enclenché automatiquement.
La machine est notamment équipée d'un chauffage électrique pour cumulus de 3kW (230 V) ou de 6 kW (400 V), d'un chauffage du réservoir d'eau, d'un clapet antiretour, d'un panier-filtre, d'une sécurité porte, d'un bouton de mise en marche du cycle et d'un bandeau de commande.
5. Données techniques essentielles
| Données techniques Unité U-1 CaterChef | |||
| Données de nettoyage | Capacité max | panier/heure 30 | max. par cycle de 120 sec. |
| Cycle de nettoyage | Sec. 90/120 | 180 (120 standard) | |
| Température de nettoyage | °C 60~65 | ||
| Température de rinceage | °C 82~90 | ||
| Capacité de la cuve | litre 28 | ||
| Consommation d'eau | litre/cycle 2,8 | ||
| Raccordement eau | Diamètre du tuyau d'arrivée d'eau | cm 2,5 | |
| Pression de l'eau à l'arrivée kg/cm2 | 2 | 2~5 | |
| Temp. de l'eau à l'arrivée °C 40 ~ 60 10 ~ 60 | |||
| Diamètre du tuyau d'écoulement | cm 2,4 | ||
| Raccordement électricité | Exigences de tension V/Hz/F 220/50/1 380/50/3 | 3 | _ |
| Chauffage de la cuve Kw | 3 | 2,8 | |
| Cumulus/chauffage de rinceage | Kw | 3 | |
| Pompe | Kw 0,4 | ||
| Puisance totale raccordée | Kw | 3,4 | |
| Nombre total d'ampères nécessaires | Amp. | 16 | |
| Diamètre du câble | mm2 | 3 x 2,5 | |
| Courant nominal du fusible | A | 16 | |
| Autres | Hauteur de lavage possible maximale | mm | 330 |
| Niveau sonore | DB | <70 | |
| Dimensions (L×l×H) | mm | 600×600×820 | |
6. Installation
Déballage et installation
Contrer immediatement la machine après l'avoir deballée pour tous dommages dus au transport. Si vous constaze des avaries sur la machine, conservez le matériel d'emballage et prenez directement contact avec le fournisseur.
Avant l'installation, contrôle si la tension du réseau correspond aux specifications électriques indiquées sur la plaque du lave-vaisse. ÀpRES avoir retire l'emballage, prière d'enlever le mode d'emploi et les accessoires qui ne lui correspondent pas.
Emplacement (installateur)
Mettre la machine l'ou vous avez l'intention de l'utiliser. Mettre le lave-vaisselle au niveau souhaite à l'aide des pieds régables.
Avant demettre la machine a son emplacement definitif, linstalleur doit controler que le raccordement electrique, le tuyau d'arrivee d'eau, le racordement d'évacuation, les pompes de dosage externes (si fournies) sont correctement effectues. Verifiez aussi qu'il y ait assez de place pour ouvrir la porte et faire en sorte que la machine est degagee et soit facilement accessible pour un nettoyage quotidien et I'entretien.
7. Raccordement électrique et eau



Raccordement evacuation de I'eau
Raccord apparéil de dosage
Raccord tuyau arrivée d'eau
4 Raccord cable
(Img. 1)
Raccordement électrique (entre autres installateur)
Avertissement
- Le raccordement electrique et la mise à la terre doivent répondre aux règlements electrolytiques locaux.
- Avant de brancher la machine, assurez-vous que la tension et le fusible correspondent bien a ce qui est indiqued sur la machine.
- Déconnecter le fusible (400 V) etmettre une pancarte a cet endroit ou il est indiqued que youes en train de travailler sur le circuit electrique.
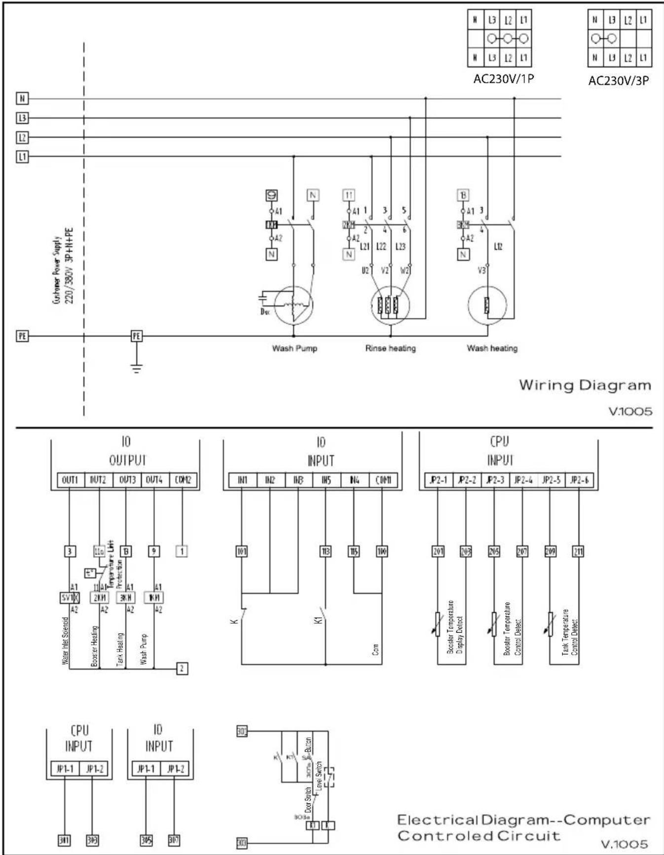
Brancher correctement (400 V) les fi Is conducteurs de differentes couleurs au reseau electrique en suivant la description et selon le schema electrique qui se trouve a l'intérieur du panneau de la machine.
(Schema electrique: voir page 43)
Sélection du cable (400V)
Utiliser la bonne seLECTION de fi ls conducteurs et d'interrupteur pour l'alimentation en courant. Consulter le tableau des données techniques essentielles pour le bon choix du cable de raccordement.
Raccordement eau
Avertissement
- Les raccordements d'eau doivent satisfaire aux règlements et normes en matière de sécurité.
- Pression de l'eau minimale de 2kg / cm^2 dans la mesure ou une pression de I'eau trop faible influence les résultats de lavage. La températe de I'eau d'arrivée ne doit pas dépasser 65^ , et la pression de I'eau ne doit pas dépasser 5kg / cm^2 .
Connector le conduit d'eau à l'arrivée d'eau (fi letage interne de 3/4"). Bien vous nettoyer les mains avant de brancher le conduit d'eau sur le robinet ou sur l'électrovanne. Le fabricant n'accepte aucune responsabilité pour des dommages ni les coûts afférients résultat de la présence de particules étrangères (par ex. saletés, fer ou calcaire) dans le robinet ou dans l'électrovanne. Tirer prudemment sur le tuyau d'arrivée pour contrôle s'il est bien fi xé. Ouvrir le robinet et vérifier s'il n'y a pas de fuite d'eau. Avant chaque utilisation, contrôle si le tuyau d'arrivée d'eau est bien fi xé et si l'arrivée est bien en position ouverte.
Arrivée d'eau (Exigences pour l'arrivée d'eau)
| Température Pression | (dynamique) | |||
| °C °F K Pa kg/cm | 2 | |||
| AvecCHAUFFAGECumulus éLECTRIQUE3 KW (230 V) | 40 ~ 60 104 | ~ 140 196 ~ 490 | 2 ~ 5 | |
| AvecCHAUFFAGEcumulus éLECTRIQUE6 KW (400 V) | 10 ~ 60 50 | ~ 140 196 ~ 490 | 2 ~ 5 | |
Vidange
Brancher le tuyau d'ecoulement d'eau à une évacuation correcte. Celle-ci doit être plus BASSE que l'ouverture d'évacuation de la machine pour un écoulement naturel. Sinon, la machine peut être surélevée, le cas échéant, en la plaçant sur le support en inox (en option) ou l'installateur devra placer une pompe d'évacuation (en option). Si les réglementations locales en vigueur dictent un séparateur à grasses celui-ci doit être installé par une entreprise/agréee.
Remarque: Tester après l'installation la pression de l'eau qui afflue. Si la pression du courant est inférieure à 2kg / cm^2 il faudra installer une pompe d'élevation de pression (fournie par des tiers). Si la force de propulsion est supérieure à 5kg / cm^2 une vanne de réduction de pression devra être installée (fournie par des tiers).
Tests
Tuyau d'alimentation en eau
Nettoyer le tuyau d'alimentation en eau avant de le raccorder. Nettoyer tous les fi Itres après la première utilisation.
Raccordement d'eau et débit
Contrer si le tuyau d'alimentation est solidement fi xé. Il est possible que le tuyau se detache et se mette à fuir au moment du déplacement. Un début de l'eau trop faible pourrait conduire à des pannes.
Raccordement electrique
Fixer tous les fils de l'armoire électrique (400 V). Contrôler si tous les fils sont bien fixés. Effectuer un contrôle visuel de tous les composants ELECTriques, par exemple les interrupteurs et le cable.
Contrôler l'intérieur
Veiller à ce qu'il n'y ait pas de pieces laissées à l'intérieur qui ne devraient pas s'y trouver (par exemple : morceaux de tissu, vis, écrous, outils, matériel d'emballage, etc.).
8. Généralités bandeau de commande
Avertissement
- Couper la tension du réseau 230 V/400 V avant l'installation, l'entretien ou le remplacement.
- Ne faire effectuer l'installation, les réparations et l'entretien que par un installerateur agreeé.
Toujours faire bien attention quand vous travailliez à l'électricité !
Exigences minimales:
a. Température ambiente de l'entreprise 0^ 40^
b. Humidité de l'air: 40 ~ 93%
c. Antiparasitage:norme 801 de la CEI
d. Tension: AC 400V/230V (+10%, -15%) 50 Hz ± 1 Hz
e.Sortie relais:230V/2A
9. Bandeau de commande des réglages

1. Touches de fonction
- MARCHE "I" Appuyer sur ce bouton pourmettre la machine en marche.
- SET: Appuyer dans le mode "MARCHE" sur SET pour actionner le réglage des paramétres. (le mot de passer d'origine est 00) voir ci-après.
- Vers le haut " ": Appuyer sur cette touche pour selectionner le cycle de lavage (90 secondes / 120 secondes / 180 secondes [standard 120 sec.]). Une fois le cycle choisi, le signal disparaître au bout de 5 secondes. Appuyer en mode SET sur cette touche pour augmenter la température. Plus vous appuierez, plus la température continuaera d'augmenter.
- Vers le bas "": Appuyer en mode SET sur cette touche pour réduire la température. Plus vous appuierez, plus la température baissera.
- Stop "O": Si vous appuyez sur cette touche, la machine s'arrête.
2. Bandeau de commande
Il y a 4 affi chages LCD changeant sur le bandeau de commande. Les 2 LCD à gauche indiquent la température de rincege et les 2 LCD à droite indiquent la température de lavage.
Réglage des paramètres
Après avoir mis la machine en marche, appuyer sur SET, saisir ensuite le mot de passer (voir ci-dessous) pour modifi er les réglages suivants:
- P1 Température maximale de rincege (90^) , indiquée sur le LCD de la température de rincege
- P2 Contrôle de la température de rincage (70 - 90^) , indiquée sur le LCD de la température de rincage
- P3 Température de lavage (40 - 80^) , indiquée sur le LCD de la température de lavage
- P4 Température limite du rinceage (10 - 80^) , indiquée sur le LCD de la température de rinceage
- P5 Remplissage d'eau (0-40 s.), indiqué sur le LCD de la température de rincege
- P6 Temps de rinceage (8-15 s.), indiqué sur le LCD de la température de rinceage
Appuyer sur la touche Vers le haut "ou Vers le bas pour modifi er les réglages quand le LCD clignote.
Appuyer sur la touche Vers le haut "↑" pour sélectionner le cycle de lavage de 90 secondes / 120 secondes (standard) of 180 secondes. Ils apparaissent respectivement comme C1, C2 et C3 dans le LCD de la température de rincege. Une fois le cycle choisi, l'indication disparait au bout de 5 secondes.
Régler le mot de passer:
- Pd Saisir le mot de salle (le mot de salle standard est 00) qui apparaître sur le LCD de la température de rinceage
- PC Activer le mode de réglage, appuyer 2 secondes sur SET, saisir le mot de passer pour régler un nouveau mode (00-99) et attendre quelques secondes.
Signalisation
| Type | Bandeau de commande | Dérèglements | |
| LCD température de rinçage | E1 | Panne du détecteur de température du cumulus(T1) | |
| E2 | Panne du détecteur de température du cumulus (T2) | ||
| LCD température de lavage E | Panne du détecteur de température du réservoir d'eau (T3) | ||
| Signalisation | Porte ouverte/fermée | Pas d'affi chage | Dérèglement porte ouverte ou détecteur de porte |
| Pompe de vidange N | Ne cesse de clignoter | Surcharge pompe de vidange | |
10. Préparation après installation et nettoyage
- Mettre le panier-fi Itre et le microfi Itre au bon endroit. Bien fi xer le conduit de trop-plein. (img. 2)
- Bien fermer la porte.
- Appuyer une fois sur la touche 'MARCHE' pour démarrer la commande par ordinateur. Appuyer encore une fois sur la touche. La machine se replira alors automatiquement, veiller à ce que l'arrivee d'eau soit ouverte.
Ouvr la porte et vous assurer que la cuve est pleine d'eau une fois que le cycle de remplissage est terminé. Au cas ou des pompes chimiques automatiques auraient ete installes, suive les instructions de leur fabricant. - Puis enclencher le cycle de lavage et de rincege avec la touche MARCHE, celle-ci se mettra ensuite toujours en marche après que la porte ait eté ouverte pour retirer le panier et le remplir, puis l'avoir refermée.
- Commencer le lavage une fois que la cuve a atteint la bonne températe (voir le bandeau de commande).

Img.2
Températures recommendées
| Lavage 60 ~ 65°C (140 ~ 194°F) | |
| Rinçage 82 ~ 90°C (180 ~ 194°F) |
11. Lavage de la vaisse
Lavage de la vaisse
- Enlever les restes d'aliments des assiettes et les pré rincer au jet.
- Sélectionner un cycle de lavage de 90 s., 120 s. ou 180 s. (standard 120 s.) en fonction de la taille des assiettes et de la nature des salissures.
- Ranger les assiettes dans un panier prévu à cet effet. Ne pas les coller les uneux autres. L'eau doit pouvoir atteindre sans problème les deux côts d'une assiette. Toutjour mettre les assiettes sur leur côte dans une rangée dotée de supports pour assiettes. Les tasses, les verres et les plats doivent être mis à l'envers dans un panier universel ou, encore比较好, dans un panier à compartments (img. 3). Les couverts et autres vaisselles de taille réduite peuvent être disposés en vrac au fond d'un panier à couverts à mailles fi nes ou dans des petits paniers spéciaux couverts.
- Remplir le panier, ouvrir la porte et glisser le panier dans le CaterChef, puis referrer la porte. Les cycles de lavage et de rincage commenceront des que vous aurez appuyé sur le bouton Marche, le cycle de post rincage demarrera automatiquement une fois le cycle de lavage terminé, à la suite de quoi le cycle total sera interrompu (signal).
Ouvrir la porte à la fin des cycles de lavage et de rincage et retirer le panier avec les assiettes propres. Glisser le panier suivant avec la vaisse l sale dans la machine, fermer la porte et appuyer sur le bouton Marche. - Au cas où vous souhaiteriez ajouter de la vaiselle après le demarrage du cycle de lavage : couper le courant (0) ou ouvrir la porte de 1 cm et attendre 10 secondes avant d'ouvoir complètement la porte. D'abord laisser les bras d'aspersion s'arrête d'eux-memes pour éviter de vous arroser d'eau chaude. Puis appuyer sur Marche.


Img.3
Nettoyage
Il est recommandé de nettoyer la machine au moins une fois par jour et, en cas d'utilisation intensive, plusieurs fois par jour.
Les étapes de nettoyage sont comme suit:
- Couper le courant et l'arrivée d'eau.
- Ouvrir la porte et retirer eventuellement le panier et les gros restes d'aliments fl ottants.
- Laisser le réservoir d'eau se vider en enlevant le conduit de trop-plein.
- Enlever et vider le panier-filtre, le microfiltre et le clapet antiretour de la pompe de vidange et les nettoyer à fond.
- Nettoyer à fond l'intérieur de la machine.
- Replacer correctement le panier-fi Itre, le microfi Itre et le clapet antiretour de la pompe de vidange.
- Laisser la porte ouverte pour que l'intérieur se sèche de lui-même (fi n du nettoyage).
- Vérifi er si les bras de lavage et d'aspersion tournent facilement et ne sont pas bloqués.
- Vérifi er si les giclleurs ne sont pas bloqués par du calcaire ou autres dépôts.
- Bien entendu rebrancher l'appareil et revisser le tuyau d'arrivee d'eau avant de remetre en marche I'appareil.
12. Entretien
Avertissement !
Débrancher le courant électrique avant chaque entretien!
Bras de lavage et d'aspersion
Les bras de lavage et d'aspersion supérieur et inférieur doivent pouvoir tourner librement et doivent continuer à tourner quelques secondes après leur avoir donné un tour de la main. Le courant doit être coupé pour contrôler les bras. Faire ensuite tourner les bras et éliminer les corps étrangers le cas échéant.
Au cas où le panier-filtre, le microfiltre et le clapet de retour de la pompe n'auraient pas ete places correctement, les bras de lavage et les gicleurs pourraient etre bloqués par des corps etrangers ( comme des restes d'aliments ou des petits os).
Les bras de lavage peuvent facilement etre enleves pour etre nettoyés.
Pour retirer les bras de lavage et d'aspersion, il faut d'abord devisser les ecrous moletes (img. 4).
Img. 4
Remarque:
Pour pouvoir dévisser l'écrou moleté du bras de lavage et d'aspersion supérieur, il faut tenir ce dernier fermement.
Faire attention à ne pas les laisser tomber.
Les bras de lavage et d'aspersion supérieur et inférieur sont interchangeables.
Entretien chauffage
En raison de la puissance elevée et de la quantité de calcaire dans l'eau dans de nombreuses régions, des dépôts calcaires se forment facilement sur les éléments de chauffage, ce qui peut avoir une influence néfaste sur la conduc-tibilité thermique. Un nettoyage et un entretien réguliers sont donc indispensablees, utilisez un adoucisseur d'eau! Éliminez les restes de calcaire au fond du réservoir. En cas de doute, prenez contact avec votre distributeur.
Entretien des conduits d'eau
Il faut eliminer régulierement les impuretés dans le tuyau d'arrivée d'eau (petit filtré) pour faire en sorte que le débit d'eau reste constant.
Service
Si des réparations ou d'autres régles s'avent nécessaires, prenez contact avec votre distributeur ou entreprise de service après-venture.
13. Détction de pannes
Grac à cette section, vous pourrez peut-être éviter d'avoir recours à un service après-vente. Si une anomalie continue de se produit après avoir contrôle toutes les causes possibles, prenez alors contact avec votre distributeur ou une entreprise de services agrée.
| Symptôme Causes | possibles & suggestions de solution |
| L'appareil ne fonctionne pas | Contrôlez d'abord si le courant et l'arrivée d'eau sont en ordre! Ouvrir la porte puis la referrer, appuyez ensuite sur le bouton Marche, si cela ne fonctionne pas:1. Fusible sauté ou disjoncteur activé dans le placard à compteurs.2. Vérifi ez si le fusible interne a sauté. Couper le courant!3. Vérifi er si les bras d'aspersion tournent, enlever les saletés, etc. régulièrement. |
| Long cycle de lavage | 1. La température dans le cumulus et/ou le réservoir est trop BASSE. (Voir le bandeau de commande.)2. Vérifi er le fi Itre dans le tuyau d'arrivée d'eau, le nettoyer évientuellesment.3. Trop de dépôts calcaires (consultez votre distributeur), utilisez un adoucisseur d'eau! |
| Les assiettes ne sont pas propres | 1. Bien enlever les restes d'aliments avant de procéder au lavage, pré rincez au jet.2. Pression de l'eau insuffi sante résultat d'une obstruction dans le clapet antiretour de la pompe dans le réservoir. Couper le courant, vider le réservoir, contrôle, nettoyer le fi Itre, etc. et retirer les restes d'aliments.3. Températures de l'eau trop basses. Temps de chauffage insuffi sans après la mise en marche: contrôle les températures concernées sur le bandeau de commande.4. Dosage de détergent incorrect. Prenez contact avec votre fournisseur de détergents ou votre distributeur.5. Un détartrage pourrait être nécessaire, utilisez un adoucisseur d'eau!6. Les paniers d'assiettes n'ont pas été correctement charges. |
| Taches sur les couverts, les verres et les assiettes | 1. Les paniers (spéciaux) n'ont pas été correctement charges.2. Température de l'eau de rincege incorrecte (voir bandeau de commande).3. Faible pression de l'eau à cause d'un blocage de la pompe (nettoyer régulièrement).4. Dureté de l'eau excessive: utilisez un adoucisseur d'eau!5. Détergent non adapté au type d'eau (fournisseur de dessives).6. Produit de rincege non adapté au type d'eau (fournisseur de dessives).7. Mauvaise concentration du détergent et du produit de rincege (fournisseur de dessives). |
| Pas de (ou lent) replissage d'eau | Des corps étrangers empêchent un bon fonctionnement de l'arrivée d'eau.Remarque: il faudra les contrôle après l'installation. Il est possible que des petits résidues de fer du conduit d'eau soient restés coincés dans le tuyau. Fermer l'arrivée d'eau. Dévisser le tuyau du robinet. Nettoyer le fi Itre et le remonter.II est aussi possible qu'une trop faible pression de l'eau à l'arrivée d'eau soit la raison. |
14. Postface & Garantie, etc.
Mesdames et Messieurs,
Nous you remercions d'avoir choisi notre produit. Nous donnons 12 mois de garantie a compter de la date d'achat (fournir une copie de la facture avec la date correcte), qui ne couvre que les defaunts de materiel ou les problemes de qualite des pieces detachedes, a condition quelles aient eted rectemment utilisés et soient d'origine.
Les cas suivants, entre autres, ne sont pas couverts par la garantie:
- Dommages dus au transport, à une installation defectueuse ou à une mauvaise utilisation de l'appareil.
- Composants endommages en raison d'une tension du réseau ou d'une pression de l'arrivee d'eau qui ne correspondent pas aux exigences des données techniques.
- Dommages dus au demontage illicite de la machine, à l'adaptation ou au changement des éléments mécaniques ou electrotechniques d'origine.
- Dommages dus à une utilisation, un nettoyage ou un entretien incompetence.
- Dommages dus à un incendie, des dégats des eaux, un écroulement, etc. dans la plus large acceptation des termes.
- Pas de stricte observation des instructions de ce mode d'emploi au cours de l'utilisation.
- Pièces usagées et alterables après une utilisation normale.
- Une facture erronée ou l'absence d'une facture d'achat avec la bonne date.
Consignes générales de sécurité:
- N'utiliser qu'une prise de terre conforme.
- Au cas où le cable d'alimentation serait endommagé, celui-ci devra être changé par un employé compétent du service après-vente pour éviter tout risque de chocolélectrique.
- L'appareil n'est pas concu pour etre utilise par des personnes (y compris des enfants) diminuées sur le plan
- physique, sensoriel ou mental ou n'ayant pas les connaissances et l'expérience, à moins d'être guidées par un expert ou selon les instructions d'une personne responsable de leur sécurité.
- Bien surveiller les enfants pour éviter qu'ils ne jouent avec l'appareil.
- Toujours debrancher la prise (230 V) ou couper le courant (400 V) avant de proceeder au nettoyage ou a l'entretien de la machine.
- Ne pas toucher de composants électriques, certainement pas avec des doigs mouillés.
- Ne faire effectuer les réparations que par une entreprise agréée.
Elektrisch schema
Electrical diagram
Schemeélectrique



Notice Facile