MXP124 - Table de mixage SAMSON - Notice d'utilisation et mode d'emploi gratuit
Retrouvez gratuitement la notice de l'appareil MXP124 SAMSON au format PDF.
| Caractéristiques | Détails |
|---|---|
| Type de produit | Table de mixage |
| Nombre de canaux | 12 canaux |
| Entrées micro | 4 entrées XLR avec préamplificateurs |
| Entrées ligne | 8 entrées ligne symétriques |
| Sorties principales | 2 sorties XLR, 2 sorties jack 6,35 mm |
| Alimentation | Alimentation fantôme 48V |
| Égaliseur | Égaliseur 3 bandes par canal |
| Effets intégrés | Non |
| Dimensions | 482 x 320 x 100 mm |
| Poids | 3,5 kg |
| Utilisation recommandée | Idéale pour les concerts, les événements en direct et les studios d'enregistrement |
| Maintenance | Nettoyer régulièrement les connexions et les faders, vérifier les câbles |
| Sécurité | Éviter l'exposition à l'humidité et aux températures extrêmes |
| Informations supplémentaires | Vérifier la compatibilité avec les autres équipements audio avant l'achat |
FOIRE AUX QUESTIONS - MXP124 SAMSON
Questions des utilisateurs sur MXP124 SAMSON
0 question sur cet appareil. Repondez a celles que vous connaissez ou posez la votre.
Poser une nouvelle question sur cet appareil
Téléchargez la notice de votre Table de mixage au format PDF gratuitement ! Retrouvez votre notice MXP124 - SAMSON et reprennez votre appareil électronique en main. Sur cette page sont publiés tous les documents nécessaires à l'utilisation de votre appareil MXP124 de la marque SAMSON.
MODE D'EMPLOI MXP124 SAMSON
Consignes de sécurité importantes
Avis sur la compatibilité electromagnetique (CEM)
- La MXP124 et la MXP124FX peuvent être utilisées dans les environnementés electromagnétiques suivants : locaux à usage d'habitation, locaux à usage commercial et professionnel, en extérieur urbain.
- Sur la MXP124 et la MXP124FX, le courant d'appoint maximum est de 0,48 A.
Ce terminal est conforme au paragraphe 15 des Régles de la FCC. Le fonctionnement du dispositif est assujetti aux deux conditions suivantes : (1) Cet apparéil ne doit pas provoquer d'interférences nocives, et (2) cet apparéil doit impérativement accepter les éventuelles interférences reçues, y compris celles qui risquènt d'entrainer un fonctionnement intempestif.
Les changements ou modifications non expressement validés par le responsable de la conformité risquent d'annuler l'autorisation de l'utilisateur à faire fonctionner les équipements.
REMARQUE : Cet apparéil a été testé et jugé conforme aux limites applicables à un apparéil numérique de Classe B aux termes de la section 15 des Règles de la FCC. Ces limites sont conçues pour offrir une protection raisonnable contre les interférences nocives rencontres dans une installation résidentielle. Cet équipement génére, utilise et peut dégager une énergie radioélectrique et, s'il n'est pas installé ni utilisé conformément auprésent manuel d'utilisation, risque de provoquer des interférences dommageables pour les radiocommunications. Toutefois, il n'est pas garantie que des interférences ne se produit pas dans une installation donnée. Si cet apparéil provoque effectivement des interférences dommageables pour la réception de la radio ou de la télévision, phénomène pouvant être établi en éteignant, puis en rallumant l' apparéil, l'utilisateur est invite à tenter de corriger les interférences en prénant une ou plusieurs des mesures suivantes :
- réorienter ou déplacer l'antenne de réception.
accroître la distance entre l'appareil et le récepteur.
brancher l'appareil sur une prise murale, sur un circuit différent de celui sur lequel le récepteur est branché. - demander conseil au revendeur ou à un technicien radio/TV experimenté.
Consignes de sécurité importantes

AVIS RISQUE D'ÉLECTROCUTION -NE PAS OUVRIR
AVERTISSEMENT: POUR REDUIRE LE RISQUE D'LECTROCUTION, N'OTEZ PAS LE COUVERCLE NI LE DOS DU BOITIER. CET APPAREIL NE CONTIENT AUCUNE PIECE REMPLACABLE PAR L'UTILISATEUR. CONFIEZ TOUTES LES INTERVENTIONS D'ENTRETIEN A DES TECHNICIENS DE S.A.V. QUALIFIE.

Le triangle équilatéral renferment un éclair terminé par une flèche a pour but d'alerter l'utilisateur sur la présence d'une "tension dangereuse" non isolée à l'intérieur du boîtier de l'ordinateur qui peut être d'une valeur suffisante pourprésenter un risque d'électrocution.

Le triangle équilatéral renfermant un point d'exclamation a pour but d'alerter l'utilisateur sur la présence de consignes d'utilisation et de maintenance importantes dans la documentation jointe à l'appareil.

Si vous souhaitez éliminer ce produit, ne le mettez pas aux ordures menagères. Conformément à la législation, le ramassage des équipements electroniques se fait séparément pour en assurer le recyclage dans les règles de l'art.
Les menages résident dans les 28 Etats membres de l'U.E., en Suisse et en Norvège peuvent déposer gratisment leurs apparciels électroniques usages dans les déchetteries agréeses ou chez un revendeur (en cas d'achat d'un apparéil neuf similaire).
Pour les pays non cités, n'hésitez pas à contacter votre collectivité locale pour vous renseigner sur le mode d'élimination en vigueur.
En agissant ainsi, vous serez assure que votre apparéil sera traité, récapéré et recyclé dans les régles, prévenant ainsi les effets néfastes potentiels sur l'environnement et la santé humaine.
Consignes de sécurité importantes
- Lire la presente notice.
- Conserver la presente notice.
- Respecter toutes les mises en garde.
- Suivre les consignes...
- Ne pas utiliser cet apparéil après l'eau.
- Ne nettoyer qu'vec un chiffon sec.
- Ne pas boucher les ouies de ventilation. Installer en respectant la notice du fabricant.
- Ne pas installer à proximé de sources de chaleur comme des radiateurs, bouches de chauffage, cusinières ou autres appareils (amplificateurs compris) qui dégagent de la chaleur.
- Ne pas defaire le dispositif de sécurité de la fiche polarisée ou à mise à la terre. Une fiche polarisée présente deux lames dont une plus large que l'autre. Une fiche à prise de terre présente deux lames et une troisième broche de mise à la terre. La lame large ou la troisième broche est prévue pour votre sécurité. S'il est impossible d'introduire la fiche fournie dans la prise de secteur, consulter un électricien pour replacer la prise de secteur non conforme.
- Protégier le cable électrique pour éviter de marcher dessus ou de le pincer, en particulier sur les fiches mâles, les prises de courant et à l'endroit où ils sortent de l'appareil.
- N'employer que les fixations/accessoires indiqués par le fabricant.
-
Ne l'utiliser qu'vec le chariot, support, trpied, console ou plateau indique(e) par le fabricant ou vendu(e) avec I'appareil. Lors de I'utilisation d'un chariot, faire attention en deplacant I'ensemble chariot/appareil afin d'eviter tout accident corporel en cas de renversement.
-
Debrancher cet apparéil pendant les orages ou en cas de non-utilisation prolongée.

- Toutes les interven-tions d'entretien doivent etre confiées à des techniciens qualifiés. L'intervention doit impératifement avoir lieu lorsque l'appareil a ete endommagé d'une manierequelconque,par ex.le cable ou la prise malé d'alimentation est endommagé(e), un liquide s'est deversé ou des objets sont tombés à l'intérieur de l'appareil, l'appareil a ete exposé à la pluie ou a l'humidité, ne fonctionne pas normalement ou est tombé.
- Cet apparéil ne doit pas être exposé aux gouttes ni aux éclaboussures; ne poser sur l' apparéil aucun objet rempli de liquide (par ex. un vase).
- Attention! Pour prévenir tout risque d'électrocution, faire correspondre la lame large de la fiche mâle à la fente large; enforcer à fond.
- Assurer un bon climat de ventilation tout autour de l'appareil.
- Pour prévenir tout dommage corporel, cet apparéil doit être solidément fixé au support conformément à la notice d'installation.
- MISE EN GARDE: Risque d'explosion si la batterie est mal remise en place. Remplacez par une batterie de même type ou une batterie de type équivalent uniquement.
Sommaire
Introduction 28
Utilisation de base 29
Pour ajouter des effets numériques (ne concerne que la MXP124FX) 30
Connectivite USB (ne concerne que la MXP124FX). 31
Fonctionnalités. 32
Réglages situés sur le panneau supérieur 33
Partie Voie d'entrée mono 33
Partie Voie d'entree stereo. 35
Partie Effets Numériques (console MXP124FX uniquement) 36
Partie Principale 37
Connexions du panneau arriere 39
Guide de câblage. 40
Caracteristiques techniques. 41
Listedesprogrammesd'Effets Numériques surMXP124FXseulement) 43
Accessaire de fixation sur pied micro (vendu à part) 44
Scheme synoptique. 45
Introduction
Vouves venez de vous procurer la console de mixage Samson MixPad MXP124 ou MXP124FX! Felicitations ! Les MXP124 et MXP124FX sont des consoles de mixage 12 voies, comportant quatre voies micro/ligne à faible bruit, des préamplis de microphones ainsi que quatre voies d'entrée de ligne stéreo superposées. Les quatre entrées micro/ ligne sont dotées d'un égaliseur à 3 bandes, de réglages du gain et de filtres passahout situés sur les entrées de microphones. Les deux premières voies possèdent des réglages de compression destinés à augmenter le niveau des entrées, ce qui est utile pour commander l'échéage ou la saturation.
Pour ajouter de la profondeur au mixage, la MXP124FX possède 100 effets de qualité studio numériques à 24 bits, parmi lesquels les Delays (Temporisations), le Chorus, le Flanger et les Réverbérations luxuriantes. Il est facile de composer vos effets préférs préréglés grâce au grand affichage LED à sept segments. La MXP124FX présente également un port numérique USB intégré à la carte vous permettant d'enregistrer et de dire du son numérique provenant d'un ordinateur équipé de la plupart des logiciels d'enregistrement. L'option de routage flexible vous permet d'affector le signal de retour USB au mixage stéreo principal, ou au casque d'écoute et de mixer 2 bus.
Une restitution du son nette et limpide avec égalisation précise et routageouple du signal, le tout dans un boîtier robuste, garantit un son de qualité supérieure fiable d'un spectacle à l'autre. Optimisées pour l'enregistrement, la sonorisation de scene et les installations professionnelles, la MXP124 et la MXP124FX sont des consoles de mixage ideales, offrant un son spectaculaire dans un boîtier compact.
Dans ces pages, vous trouvez une description détaillée des fonctions des consoles de mixage MixPad ainsi que la presentation de leurs façades avant et arrière, les consignes étape par étape pour sa mise en œuvre et son utilisation, ainsi que toutes leurs caractéristiques techniques. Si vous avez acheté la console de mixage aux Etats-Unis, vous trouvez également une carte de garantie : n'oubliez pas de la replir et de nous la renvoyer par courrier. Vous pourrez ainsi bénéficier de l'assistance technique en ligne et receivevoir les dernières informations sur les produits Samson de cette gamme et autres.
Prenez le temps de noter le numéro de série pour le retrouver ultérieurement.
Numéro de série :
Date d'achat :
Avec un entretien adapté et une bonne maintenance, votre console de mixage MixPad vous donna rassatisfaction pendant de très nombreuses années. Pour faire réparer votre enceinte, vous doivent tout d'abord obtenir un numéro de回头 (RA) avant de la renvoyer à Samson. Sans ce numéro, l'appareil ne sera pas accepté. N'hésitez pas à appeler Samson au 1-800-3SAMSON (1-800-372-6766) pour obtenir ce numéro avant de renvoyer votre apparéil. Veuillez conserver les matériaux d'emballage d'origine et, si possible, renvoyer l' apparéil dans son carton d'origine. Si vous avez achété votre console de mixage ailleurs qu'aux Etats-Unis, contactez votre distributeur pour Brokerir tous les renseignements sur la garantie et le service après vente.
Utilisation de base
Le paragraphe suivant expose les consignes de base destinées à installer et à utiliser les consoles de mixage MixPad MXP124 et MXP124FX.
-
Avant d'y brancher des microphones ou des instruments, assurez-vous que l'alimentation électrique de tous les composants de votre système, console de mixage MixPad comprend, soit bien coupée. Assurez-vous que les réglages MAIN MIX et MIX 2/PHONES sont bien au minimum.
-
Branchez les cables provenant de vos microphones et instruments à la console de mixage. Les microphones devront être branchés sur les entrées XLR des voies 1 à 4. Les dispositifs à entrée de ligne peuvent être branchés sur les voies d'entrée mono 14 (1-4) ou sur les voies d'entrée stéreo superposées (5-12). Les instruments acoustiques ainsi que les guitares et basses électriques doivent être raccordés directement à un boîtier ou à un préampli avant d'être reliés à la console de mixage.

-
Mettez en marche les évventuels périphériques, puis allumez la console de mixage MixPad. REMARQUE: Il est important de ne pas oublier la Règle d'Or du son... "DERNIER ALLUME, PREMIER ETEINT." En clair, cela signifie que pour allumer votre système, vous devrez toujours allumer vos amplificateurs de puissance ou vos enceintes de contrôle alimentées EN DERNIER, et que pour êtreindre votre système, vous doivent étreindre vos amplis de puissance EN PREMIER. Ceci vous permet d'éviter les forts claquements dus au courant d'applé à la mise sous tension, ou à la mise hors tension, ce qui risque parfois d'endommager les hauts-parleurs.
-
Allumez votre ampli de puissance ou vos enceintes de contrôle alimentées, puis montez le réglage de niveau au niveau de fonctionnement conseillé par le fabricant.
-
Reglez le gain à l'entrée de chaque voie d'entrée pour que les indicateurs de crête (PEAK) ne s'allument qu'occasionnellement au signal d'entrée le plus fort sur chaque voie.
-
Reglez le potentiemetre MAIN MIX à “0”.
-
Tout en parlant dans les microphones (au niveau normal sur scene) ou tout en jouant d'un instrument, montez lentement les potentiomètres de volume des voies d'entrée jusqu'à ce que vous parveniez au niveau désiré.
-
Si vous souhaitez régler les graves/aigus de chaque voie, ajustez les réglages des égaliseurs au niveau désiré. Vous devrez peut-être régler à nouveau le volume de chaque voie.
Pour ajouter des effets numériques (ne concerne que la MXP124FX)
La console de mixage MXP124FX est dotée de Proesseurs Multi-Effets 24 bits intégrés de qualité supérieure, offrant 100 effets préreglés de qualité studio.
Le chapitre EFFETS NUMERIQUES présente des Delays nets, des Réverbérations luxuriantes et des effets multiples comme Delay + Réverbération. Nous détaillons ci-après le fonctionnement des effets internes
du DSP, au chapitre EFFETS NUMERIQUES.
- Branchez un micro ou un instrument sur la voie désirée, réglez le niveau et l'égaliser à votre convenance, puis assurez-vous que le niveau du potentiamètre MAIN MIX soit régle de telle manière que vous l'entendiez dans vos hauts-parleurs.
- Appuyez sur le bouton MARCHE des Effets pour enclencher la réglette de la voie Effets numériques.
- Sélectionnez le programme d'effets désiré à l'aide du bouton de réglage SELECT situé au milieu de la réglette de la voie. Faites tourner le bouton SELECT pour l'amener sur l'un des 100 effets, puis appuyez pour confirmer la sélection.
- Reglez les effets au potentiomètre MAIN MIX à midi.
- Utilisez le réglage FX sur la voie d'entrée pour régler le niveau du signal à envoyer vers les effets. Si l'indicateur de Peak (Crête) clignote en rouge, c'est que le signal met en surcharge le DSP; réduisez les réglages FX de la voie jusqu'à ce que l'indicateur ne s'allume plus en rouge.
Remarque: le signal alimentant le réglage FX est envoyé après le curseur de voie, ce qui fait que le curseur de voie a un effet sur ce niveau, ce qui signifie que le niveau FX suit vers le haut et vers le bas le curseur de voie.

Connectivité USB (ne concerne que la MXP124FX)
La console de mixage MXP124FX possède un port audio USB stéreo intégré vous permettant d'enregistrer et de dire sur un ordinateur doté de praticement n'importe quel logiciel d'enregistrement numérique. Installeriste console de mixage sur un ordinateur est une procédure simple qui ne prend que quelques minutes. Le chapitre suivant expose comment connecter et configurer la
console MXP124FX avec un ordinateur.
- Connectez la console de mixage MXP124FX à l'ordinateur à l'aide d'un cable USB standard (non fourni).
- Sur votre logiciel de traitement audio, réglez le dispositif d'entrée et de sortie sur la console MXP124FX.
- Le signal audio envoyé par la console MXP124FX à l'ordinateur suit le bus Main Mix (Mixage Principal).

- En lecture, vous pouvez faire revenir le signal stéroide l'USB directement dans les bus de mixage principaux gauche et droit pour que la lecture provenant du PC s'ajoute au mixage PRINCIPAL (MAIN) sur la console. Pour entendre le son lu passant sur le port USB en lecture dans le MAIN MIX (MIXAGE PRINCIPAL), appuyez sur le bouton TAPE/USB TO MAIN MIX.
- Le bouton TAPE/USB TO MIX 2 + PHONES sert à affecter le signal de retard USB au bus Mix 2 et de casque. Ceci vous permet de mixer la lecture passant dans les enceintes de monitoring de studio ou d'isoler la lecture à une zone de mixage.
Fonctionnalités

Les consoles de mixage Samson MixPad sont une solution complète tout-en-un pour les applications de sonorisation de scène, d'enregistrement, d'installation fixe et de post-production. Ellesprésent les caractéristiques suivantes :
- console de mixage analogique à bruit ultra-faible avec plafond élevé
- Quatre préamplis pour micros à MDR (Maximum Dynamic Range/gamme dynamique maximale) de Classe A et égaliseur 3 bandes
- Quatre voies stéreo superposées
- Potentiometres de précision de qualite supérieure 60 mm
100 effets numériques 24 bits à faible bruit (MXP124FX seulment) - Port USB bidirectionnel à haute intégrité (MXP124FX seulment)
- Deux compresseurs de qualité studio commandés par un seul bouton
- Une émission auxiliaire par voie
Toutes les voies à mic équipées d'une entrée Gain et de filtres passer-haut - Alimentation Fantôme 48 Volts pour micros à condensateur
Sorties multiples : Mixage principal, Mixage 2, Casque et Bande - Entrées USB (MXP124FX) et Bande programmables aux sorties Main Mix ou Mix 2/Casque
- Pied de micro standard disponible en option
Réglages situés sur le panneau supérieur
Partie Voie d'entrée mono
Le chapitre suivant donne le détaill de quatre voies d'entrée mono.
- Entrées MIC - Utilisez ces entrées XLR à balance pour brancher des microphones à faible impédance et envoyer les signaux de faible niveau directement depuis les boîtiers. Les entrées MIC présente une alimentation fantôme à +48 V, vous permettant d'utiliser des micros à condensateur.
Broche de sortie du Connecteur XLR - Broche 1 : Terre, Broche 2 : Point chaud (+), Broche 3 : Point froid (-)
- Entrée de ligne - Servez-vous de ces entrées TRS 14
symétriques pour raccorder des synthétiseurs, des boîtes à rythmes, processeurs d'effets ou tout signal d'entrée de ligne. Vous pouvez brancher sur ces entrées des dispositifs symétriques et asymétriques.
Brochage de sortie du connecteur jack TRS Téléphone - Corps : Terre, Tige : Point chaud (+), Anneau : Point froid (-)
-
Réglage du GAIN - Réglage de GAIN variable sur une plage comprise entre +5 et +45 dB sur l'entrée MIC et entre -20 et +20 dB sur l'entrée LIGNE.
-
Sélecteur HPF - Le filtré passer-haut affaiblit les basses
fréquences provenant des entrées XLR MIC de 80 Hz et moins au rythme de 12 dB par octave. Le filtrtre passé-haut vous permet de supprimer les basses fréquences que vous ne poulez pas voir captées par le microphone. Dans les applications de prise de son sur scene, le filtrtre passé-haut est utile pour supprimer les bruits de scene.
- Réglage COMP (CH1 & CH2) - Le bouton COMP sert à régler
le niveau de compression appliqué à la voie. En tournant le bouton COMP en sens horaire, le rapport de compression augmente et le gain à la sortie se règle en conséquence.
La gamme dynamique de la voie est rétrécie, là où les signaux deux seront amplifiés et où les signaux forts seront attenués pour passer mieux au mixage.
Une compression trop force risque d'engendrer un effet de pompé, d'éliminer toute la gamme dynamique et d'entrainer un effet Larsen.


Réglages situés sur le panneau supérieur
- Egaliseur (HAUT, MOYEN et BAS) - Cet égaliseur à trois bandes vous permet de lisser les bandes de fréquences haute, moyennes et basses d'une voie. Lorsque le réglage est sur midi (position de repos), cela n'a aucun effet sur le signal. Tourner les réglages en butée en sens horsaire augmentera le niveau de la bande de fréquences à +15 dB, alors que tourner les réglages en butée en sens inverse horsaire réduira le niveau de la bande de fréquences à -15 dB.
- Réglage FX Auxiliaire - Le bouton FX de voie règle la valeur du signal envoyé vers le bus d'effets. Le signal du bus FX sur la console MXP124FX est acheminé vers la partie Effets Numériques pour un traitement du signal à même la carte. Le signal FX peut aussi être envoyé vers un dispositif d'effets extérieur connecté au jack FX SEND situé sur la zone des jacks du panneau avant.
Réglage MON Auxiliaire (MXP124) - Règle la valeur du signal de cette voie qui est envoyé vers la Sortie MON. Le signal alimentant MON est émis avant, ou en amont du curseur de voie, de sorte que le curseur de voie n'a aucun effet sur le niveau de MON. Le MON sert généralement à creator un mixage séparé pour un système d'enceintes de monitoring au sol. - Réglage PAN - Le réglage PAN sert à placer ou à faire passer le signal mono dans le bus de mixage stéreo principal gauche et droit. Vous pouvez créé une image stéreo en passant sur certains signaux d'entrée à gauche et sur d'autres à droite.
- Indicateur PEAK - Cet indicateur LED clignotera en rouge lorsque le signal d'entrée de la voie arrivera en crête. Pour réduire la distorsion, tourner le réglage de GAIN en sens inverse horsaire tant que l'indicateur d'échéage ne s'allume pas en'utilisation normale.
- Potentiomètre de Volume - Le réglage Potentiomètre de VOLUME règle le niveau de chaque voie d'entrée mono.
Réglages situés sur le panneau supérieur
Partie Voie d'entrée stéreo
Le chapitre suivant donne le détaill de quatre voies d'entrée stéreo superposées.
- Jacks d'entrée stéreo 14 - Prenez les jacks 14 pour relier les sources d'entrée de ligne stéreo. Pour les entrées stéreo, servez-vous de la LIGNE L pour connecter la voie de gauche et la LINE R; Servez-vous de l'entrée GAUCHE en reliant un signal d'entrée mono aux voies d'Entrée Stéreo. Vous pouvez relier les sorties des microphones à haute impédance, les synthétiseurs et les boîtes à rhythmes à ces entrées. Les entrées de LIGNE on un niveau de fonctionnement nominal de -40 dBV à -10 dBV.

Brochage de sortie du connecteur jack TRS Téléphone - Corps : Terre, Tige : Point chaud (+), Anneau : Point froid (-)
- Réglage FX Auxiliaire (MXP124FX) - Réglage FX Auxiliaire - Le bouton FX de voie règle la valeur du signal envoyé vers le bus Effets. Le signal du bus FX sur la console MXP124FX est acheminé vers la partie Effets Numériques pour un traitement du signal à même la carte. Le signal FX peut aussi être envoyé vers un dispositif d'effets extérieur connecté au jack FX SEND situé sur la zone des jacks du panneau avant.

Réglage MON Auxiliaire (MXP124) - Règle la valeur du signal de cette voie qui est envoyé vers la Sortie MON. Le signal alimentant MON est émis avant, ou en冲动 du curseur de voie, de sorte que le curseur de voie n'a aucun effet sur le niveau de MON. Le MON sert généralement à créé un mixage séparé pour un système d'enceintes de monitoring au sol.
- Réglage BAL - Ce réglage sert à placer ou à faire passer le signal stéreo dans le champ principal du mixage stéreo gauche et droit. Vous pouvezisser une image stéreo en passant sur certains signaux d'entrée à gauche et sur d'autres à droite.
- Indicateur PEAK - Cet indicateur LED clignotera en rouge lorsque le signal d'entrée de la voie arrivera en crête. Pour réduire la distorsion, tourner le réglage LEVEL (Niveau) en sens inverse horsaire ou réduire le volume de l'appareil d'entrée jusqu'à ce que l'indicateur d'échéage ne s'allume plus enutilisation normale.
- Réglage de NIVEAU - Ce bouton sert à régler le volume des entrées de voies et à régler en continu l'intensité des divers signaux mélangés ensemble aux Sorties Principales.
Réglages situés sur le panneau supérieur
Partie Effets Numériques (console MXP124FX uniquement)
Le paragraphe suivant décrit le réglage des caractéristiques de la partie Multi-effets numériques 24 bits à même la carte.
- Afficheur Effets des PROGRAMMES - Les processeurs multi-effets de la console de mixage représentant un afficheur numérique à deux chiffres à sept segments destiné à indiquer le numéro du PROGRAMME d'effets, entre 00 et 99.
- Bouton de Réglage SELECT - Le bouton de réglage SELECT est un encodeur variable en continu destiné à selectionner l'un des 100 préréglages d'effets numériques incorpores. Tourner le bouton SELECT pour faire défiler les programmes préréglés, puis appuyer pour charger l'effet sélectionné.
- Témoin de Marche/Crete - Ce témoin LED s'allume en vert lorsque les Effets Numériques sont enclenchés. Ce témoin s'allume en rouge lorsque le signal d'entrée des Effets Numériques internes est en surcharge.
- Bouton Effects ON (Enclenchement des Effets) - Le bouton Effects ON sert à activer et désactiver l'effecteur numérique interne. Les effets sont court-circuités lorsque ce bouton est en position 'Désactivé'.
- Curseur MAIN MIX - Le curseur MAIN MIX sert à régler le niveau des effets à partir de l'effecteur numérique intégré envoyé vers le bus MAIN MIX (Mixage Principal). Ceci vous permet d'entendre les effets DSP sur vos enceintes principales.

Réglages situés sur le panneau supérieur
Partie Principale
Le paragraphe suivant détaille la partie principale de la console de mixage.
21. TAPE IN / Entreie Bande (jacks
RCA) - Entrée de ligne stéreo, sur conneceturs RCA, destinée à relier la sortie des apparèils tels qu'un lecteur MP3, un lecteur de CD, une carte son d'ordinateur ou tout autre dispositif d'entrée de ligne.

- TAPE OUT / Sortie Bande (jacks RCA) - Le signal de ce connecteur est le signal du bus PRINCIPAL avant qu'il ne passse par le réglage de niveau MASTER et par l'égaliser graphique. Le niveau de sortie nominal est de -10 dBV et l'impédance de 100 ohms.
- MIX 2 (MIXAGE 2) - Ces sorties de ligne MIX 2 peuvent être utilisées pour piloter un deuxième système d'enceintes ou pour se connecter à un apparil stéreo comme une carte son d'ordinateur, un lecteur MP3 ou un enregistrurer. Le signal sur les jacks MIX 2 suit le bouton de réglage de niveau MIX 2 vous permettant de régler un niveau différent aux sorties.
- MAIN MIX (MIXAGE PRINCIPAL) - Les jacks MAIN MIX (MIXAGE PRINCIPAL)
14 ” peuvent être connectés à un amplificateur de puissance, à un système d'enceintes amplifiées ou aux entrées d'un enregistrateur numérique. Le signal sur ces jacks de MIXAGE PRINCIPAL suit le potentiamètre de volume PRINCIPAL.

- FX SEND (MXP124FX) - Le signal présente à la sortie FX SEND est envoyé depuis le bus FX, alimenté par l'émission FX sur les voies d'entrée.
MON SEND (Emiss. MON) (MXP124) - Le signal presente à la sortie MON SEND est émis depuis le bus MON, alimenté par l'émission vers MON (Monitoring)
sur les voies d'entrée.
-
Sortie PHONES (CASQUE) - Brancher un casque stéreo TRS standard 14 , de 60 à 600 Ohms. Le niveau de sortie PHONES (Casque) se regle à l'aide du réglage MIX 2/PHONES.
-
Indicateur POWER (MARCHE) - La LED POWER (MARCHE) s'allume pour indiquer que l'interrupteur MARCHE/ARRET général (situé sur le panneau arrière) est sur Marche.

- Dispositif de mesure du niveau de sortie - Le dispositif de mesure du niveau de sortie vous permet de contrôler le niveau du signal envoyé vers les jacks de MAIN MIX (MIXAGE PRINCIPAL).
Réglages situés sur le panneau supérieur
REMARQUE : Pour éviter la distorsion, ajustez le réglage de niveau MAIN MIX pour que le témoin LED 0 s'allume occasionnellement.
- Interrupteur et Indicateur PHANTOM - La console de mixage est équipée d'une alimentation fantôme 48 Volts située sur la carte destinée à faire fonctionner les microphones à condensateur. Lorsque cet interrupteur est enclenché, le témoin LED s'allumera pour signaler que l'alimentation fantôme est présente sur les préamplis des micros. REMARQUE IMPORTANTE : Pour éviter un fort claquement, bien réduire le réglage de niveau PRINCIPAL (MASTER) avant de brancher ou de débrancher les cables mic lorsque l'alimentation fantôme est activée. Assurez-vous que
le potentiametre de niveau PRINCIPAL soit regle au minimum avant d'enclencher l'Alimentation Fantôme pour empêcher les claquements d'entrée dans tout apparéil extérieur connecté à la console de mixage. Par ailleurs, assurez-vous que l'Alimentation Fantôme soit sur ARRET en branchant ou débranchant les microphones. - BANDE & USB (MXP124FX seulement) VERS MIXAGE 2 + CASQUE - Ce bouton sert à affecter les entrées BANDE et USB (MXP124FX seulement) aux sorties MIXAGE 2 et CASQUE.
- BANDE & USB (MXP144FX seulement) VERS MIXAGE PRINCIPAL - Ce bouton sert à affecter les entrées BANDE et USB (MXP124FX seulement) à la sortie MIXAGE PRINCIPAL.
- Réglage RETOUR USB (MXP124FX seulement) et ENTREE BANDE - Ce réglage de niveau sert à régler le volume du signal revenant d'un ordinateur en passant par l'entrée USB (MXP124FX seulement) et audio cond'ENTREE BANDE.
- Réglage MIXAGE 2/CASQUE - La console de mixage a un deuxième jeu de connecteurs de sortie portant un double du signal de MIXAGE PRINCIPAL (MAIN MIX) afin d'alimenter une autre zone d'enceintes ou un autre enregistrur. Le bouton de réglage MIXAGE 2/CASQUE sert à régler le volume de la sortie MIXAGE 2 et le volume total de la sortie Casque.
- Potentiomètre de MIXAGE PRINCIPAL - Le potentiametre de niveau de MIXAGE PRINCIPAL sert à régler le niveau du mixage stéreo principal gauche et droit envoyés vers les sorties de MIXAGE PRINCIPAL.

Connexions du panneau arriere
Le chapitre suivant détaillé les connexions du panneau arrière.

A. ENTREE D'ADAPTATEUR SECTEUR - Brancher ici l'alimentation secteur externe fournie.
B. POWER (Marche/Arrêt) - Met en marche l'alimentation principale des consoles MXP124 et MXP124FX.
C. Port USB (MXP124FX seulement) - Relier ici la console de mixage MixPad à un ordinateur à l'aide d'un cable USB standard.
Guide de câblage
Il existe différents moyens d'interfacer la console de mixage MXP pour qu'elle prenne en charge toute une gamme d'applications. Suivez les schémas de câblage ci-dessous pour connecter votre console de mixage.

RCA



Connecteur 14 " asymétrique

Connecteur 14 " symétrique
\section*{Caracteristiques techniques}
Réponse en fréquence (correction au gain unité mini ±3 dB)
Mic vers Principal 20 Hz~30 KHz
Ligne vers Principal 20Hz 30kHz
Retour d'Aux vers Principal 20 Hz~30 KHz
Ligne vers Envoi Aux 20Hz 30kHz
T.H.D. (correction au gain unité mini à la sortie +4 dBu, 1 kHz avec 30 kHz LPF)
Mic/Ligne vers Principal (Voie Mono) <0,03%
Mic/Ligne vers Principal (Voie Stéroid) <0,03%
Ligne vers Envoi Aux < 0,03%
Bruit équivalent à l'entrée (fibre "A" sur marche, entree court-circuitede)
Mic (correction au réglage minimum
du Potentiometre "0") < -90dB 20 HZ~30 KHZ en pondération A
Ligne (correction au réglage minimum
du Potentiometre "0") < -90dB 20 HZ~30 KHZ en pondération A
Gain à tension maximale
Mic vers Principal 63 dB
Ligne vers Principal (Voie Mono) 39 dB
Ligne/Bande vers Principal (Voie Stéréo) 26 dB
Mic vers Envoi Aux 63 dB
Ligne vers Envoi Aux (Voie Stéréo) 29 dB
Bruit Résiduel (30 kHz LPF, tous réglages au Mini)
Principal (Tous potentiometres au minimum) -105 dBu à pondération A
Envoi sur Aux
(Tous potentiometres au minimum) -94 dBu à pondération A
Couplage réciropque (@ 1 kHz avec 30 kHz LPF)
Voie sur Voie (correction au réglage minimum
du Potentiometre 0) >75 dB à pondération A
Entrée sur Sortie >60 dB à pondération A
Indicateurs PEAK (Crête)
Mic (voie Mono) +16 dBu
Ligne (voie Stéréo) +16 dBu
Sortie Casque (impédance 600 ohms) +20 dBu
Niv. d'entrée maximum (1 kHz, ±3 dB)
Entrée Mic (voie Mono) +16 dBu
Entrée Ligne (voie Mono) +40 dBu
\section*{Caracteristiques techniques}
Egaliseur de voie d'entrée (±3 dB)
Haut ±15 dBu
Moyen ±15 dBu
Bas ±15 dBu
Alimentation fantôme 48 V ±3 V
Electricité (secteur) 18 V~ 1000 mA
Puissance absorbée <18 W
Alimentation sur bus USB USB2.0 +5V= 0,5 A maxi
USB TYPE A FEMELLE
Effets DSP internes 100 prééglages
Liste des programmes d'Effets Numériques (sur MXP124FX seulement)
| Numéro Effet | Paramètre | |
| 00-09 Temps | d'affaï-bissement | des Echos : 145~205 ms |
| 10-19 Temps | d'affaï-bissement | Echo + Verb : 208~650 ms Temps d'affaïblissement 1,7~2,1 s |
| 20-29 Fréquence | du Trémolo : | 0,6~5Hz |
| 30-39 Temps | d'affaï-bissement | de la Plaque : 0,9~3,6 s |
| 40-49 Fréquence | du Chorus : | 0,92~1,72Hz |
| 50-59 Temps | d'affaï-bissement | de Réverbération des Voix : 0,8~0,9 s Pré-temporisation : 0~45 ms |
| 60-69 Profondeur de modulation | tournante : 20~80% | |
| 70-79 petite Salle Temps d'affaï-bissement | 0,7~2,1 s Pré-temporisation : 20~45 ms | |
| 80-89 Temps | d'affaï-bissement | de Flanger + Verb : 1,5~2,9 s Fréquence : 0,8~2,52Hz |
| 90-99 Pré-temporisa-tion | du grand effet Hall : 23~55 ms | |
Accessoire de fixation sur pied micro (vendu à part)
Les consoles MixPad MXP124 et MXP124FX peuvent être fixées sur un pied de micro à l'aide du jeu d'accessoires de Fixation sur Pied Micro, disponible en option. Les étapes suivantes exposent comment fixer la console de mixage
MixPad sur un pied micro.
- Retournez la console de mixage.
- Alignez les vis de la Fixation sur Pied Micro (A) sur les douilles taraudées de la MixPad (B).
- Vissez la Fixation sur Pied Micro sur la console de mixage MixPad, en vous assurant que les deux vis soient bien serrées.
- Retournez la console de mixage, puis mettez la fixation sur un pied de micro.
- Pour régler l'angle de la console de mixage, desserrez l'écrou à oreilles (C), faites pivoter la console de mixage à l'angle désiré, puis resserrez l'écrou à oreilles.
Remarque: En posant la console de mixage sur un pied, veilles à ce qu'elle repose sur un sol bien horizontal et solide et à ce qu'elle ne se renverse pas. Disposez les cables parallelement au pied de micro avec suffisamment de mou pour que les cables ne tirent pas sur la table de mixage.


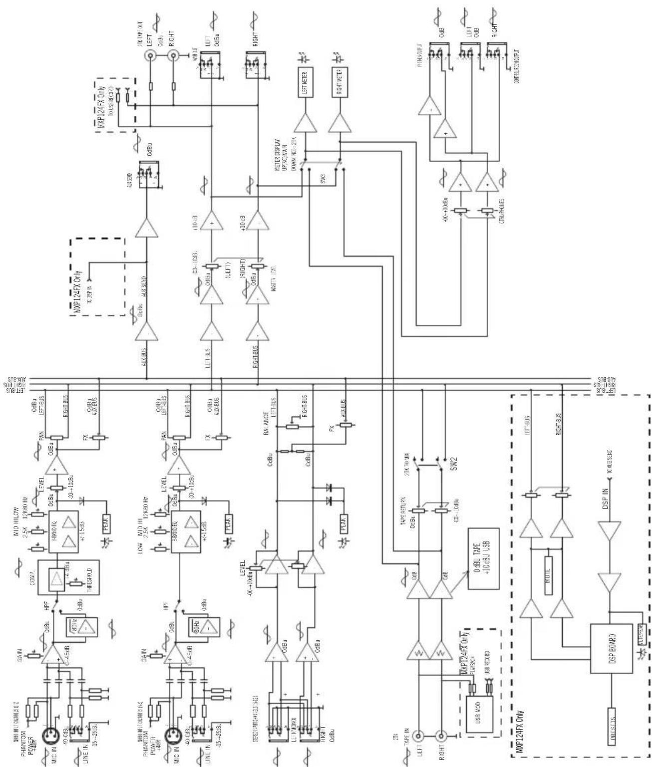
Schéma synoptique

Notice Facile