LR 3042 - Autoradio AUDISON - Notice d'utilisation et mode d'emploi gratuit
Retrouvez gratuitement la notice de l'appareil LR 3042 AUDISON au format PDF.
| Type d'appareil | Amplificateur audio pour voiture |
| Modèles | LR 3042, LR 3062 |
| Alimentation | 12 V DC |
| Puissance nominale | Non précisé |
| Impédance de charge | 4 Ohms |
| Réponse en fréquence | Non précisé |
| Rapport signal/bruit | Non précisé |
| Distorsion harmonique totale (THD) | 0,3 % THD |
| Entrées | RCA stéréo |
| Contrôle de gain | Oui, réglable |
| Protection | Non précisé |
| Dimensions | Non précisé |
| Poids | Non précisé |
| Utilisation | Amplificateur de puissance pour système Hi-Fi automobile |
| Fabricant | Non précisé |
| Accessoires inclus | Non précisé |
| Garantie | Non précisé |
FOIRE AUX QUESTIONS - LR 3042 AUDISON
Questions des utilisateurs sur LR 3042 AUDISON
0 question sur cet appareil. Repondez a celles que vous connaissez ou posez la votre.
Poser une nouvelle question sur cet appareil
Téléchargez la notice de votre Autoradio au format PDF gratuitement ! Retrouvez votre notice LR 3042 - AUDISON et reprennez votre appareil électronique en main. Sur cette page sont publiés tous les documents nécessaires à l'utilisation de votre appareil LR 3042 de la marque AUDISON.
MODE D'EMPLOI LR 3042 AUDISON
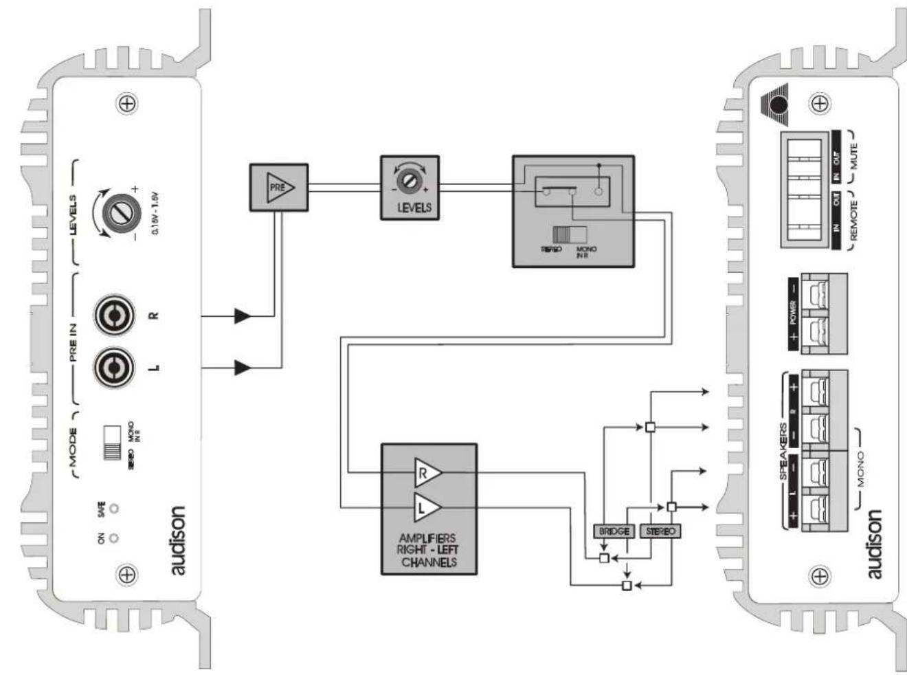
LR 3042 - LR 3062. Amplis à deux canaux de dimensions compactes et à haute caractéristiques musicales.
Les éléments fondamentaux de leur circuit sophistique sont: stades "FRONT END" réalisés avec deux stades différentiels complémentaires, stades finals constitués d'une triplette inversedé à symétrie complémentaire pure, transistors finals chacun avec capacité en courant de 15 A et alimentation PWM à MOSFET avec une grande réserve d'énergie. Le projet des LR 30 (LR 3042 - LR 3062) permet un fonctionnement facile sur charges nominales de 2 Ohms pour ce qui concerne la configuration stéreo et de 4 Ohms pour la
configuration mono en pont.
Ces caractéristiques permettent une grande souplesse d'utilisation, soit pour le pilotage des systèmes multivoies, soit pour le montage avec des SUBVOOFER en mono ou en TRI-MODE.

ATTENTION
PRECAUTIONS
-
Pour un bon fonctionnement de l'appareil, il est très important de veiller à l'instructor dans un endroit où la température ne tombe jamais en dessous de 0^ C et ne dépasse jamais 55^ C.
-
L'installation doit se faire dans un endroit sec et bien ventilé.
- L'alimentation est de type 12VCC avec négatif à la masse. S'assurer que les caractéristiques de l'installation du vehicule soient indiquées pour ce type d'appareil.
- Pour une conduite sans risque, nous conseillons un niveau d'écoute ne couvrant pas le bruit du traffic environnant.
INSTALLATION
Pour le montage utiliser les rondelles et vis fournies à cet effet. Pour un résultat optimum, il est recommendé d'utiliser les éléments de la ligne audison cable suivants: cables d'alimentation, cables signal, cables pour haut-parleurs, connecteurs RCA et tous les accessoires complétant le branchement.
- ENTRÉES: Si la masse de sortie de l'autoradio n'est pas la même que celle du chassis, relier le fil du cable isolant au chassis de l'auto-radio.
- SORTIES: Ne jamais connecter entre elles ou sur la masse les sorties -R et -L. Avant d'utiliser un filtre crossover, s'assurer que les canaux n'ont pas de masse commune.
- RÉGLAGES: Si des phénomènes de saturation apparaissent à un niveau de volume modéré, cela signifie que le signal sort distordu de l'auto-radio. En ce cas, abaiser le volume de l'auto-radio jusqu'à cc que le phénomène disparaisse et régler ensuite les nivea de l'amplificateur.
| FREQUENCY Hertz | LOUDSPEAKERS IMPEDANCE | |||
| 4 Ohms | 8 Ohms | |||
| L (mH) | C (μF) | L(mH) | C (μF) | |
| 60 | 10.6 | 660 | 21.0 | 330 |
| 80 | 7.9 | 495 | 15.9 | 245 |
| 100 | 6.4 | 400 | 12.7 | 200 |
| 120 | 5.3 | 330 | 10.6 | 165 |
| 150 | 4.3 | 265 | 8.5 | 132 |
| 200 | 3.2 | 200 | 6.4 | 100 |

TRI-MODE CONNECTION


| SIZE OF POWER CABLE 4/5 m (13/16feet) length | ||||
| Load | 4 Ohms | 2 Ohms | ||
| Measure Unit | mm² | AWG | mm² | AWG |
| LR 3042 LR 3062 | 5 | 10 | 8 | 8 |




Notice Facile