LR 3062 - Autoradio AUDISON - Notice d'utilisation et mode d'emploi gratuit
Retrouvez gratuitement la notice de l'appareil LR 3062 AUDISON au format PDF.
| Type d'appareil | Amplificateur audio pour voiture |
| Modèles | LR 3042, LR 3062 |
| Puissance nominale | Non précisé |
| Impédance de charge | 4 Ohms |
| Réponse en fréquence | Non précisé |
| Rapport signal/bruit | Non précisé |
| Distorsion harmonique totale (THD) | 0,3 % THD |
| Tension d'alimentation | 12 V (batterie automobile) |
| Mesure de puissance | RMS |
| Protection | Non précisé |
| Connecteurs d'entrée | RCA |
| Contrôle | Réglage de gain |
| Dimensions | Non précisé |
| Poids | Non précisé |
| Utilisation | Amplificateur de puissance pour Hi-Fi automobile |
FOIRE AUX QUESTIONS - LR 3062 AUDISON
Questions des utilisateurs sur LR 3062 AUDISON
0 question sur cet appareil. Repondez a celles que vous connaissez ou posez la votre.
Poser une nouvelle question sur cet appareil
Téléchargez la notice de votre Autoradio au format PDF gratuitement ! Retrouvez votre notice LR 3062 - AUDISON et reprennez votre appareil électronique en main. Sur cette page sont publiés tous les documents nécessaires à l'utilisation de votre appareil LR 3062 de la marque AUDISON.
MODE D'EMPLOI LR 3062 AUDISON
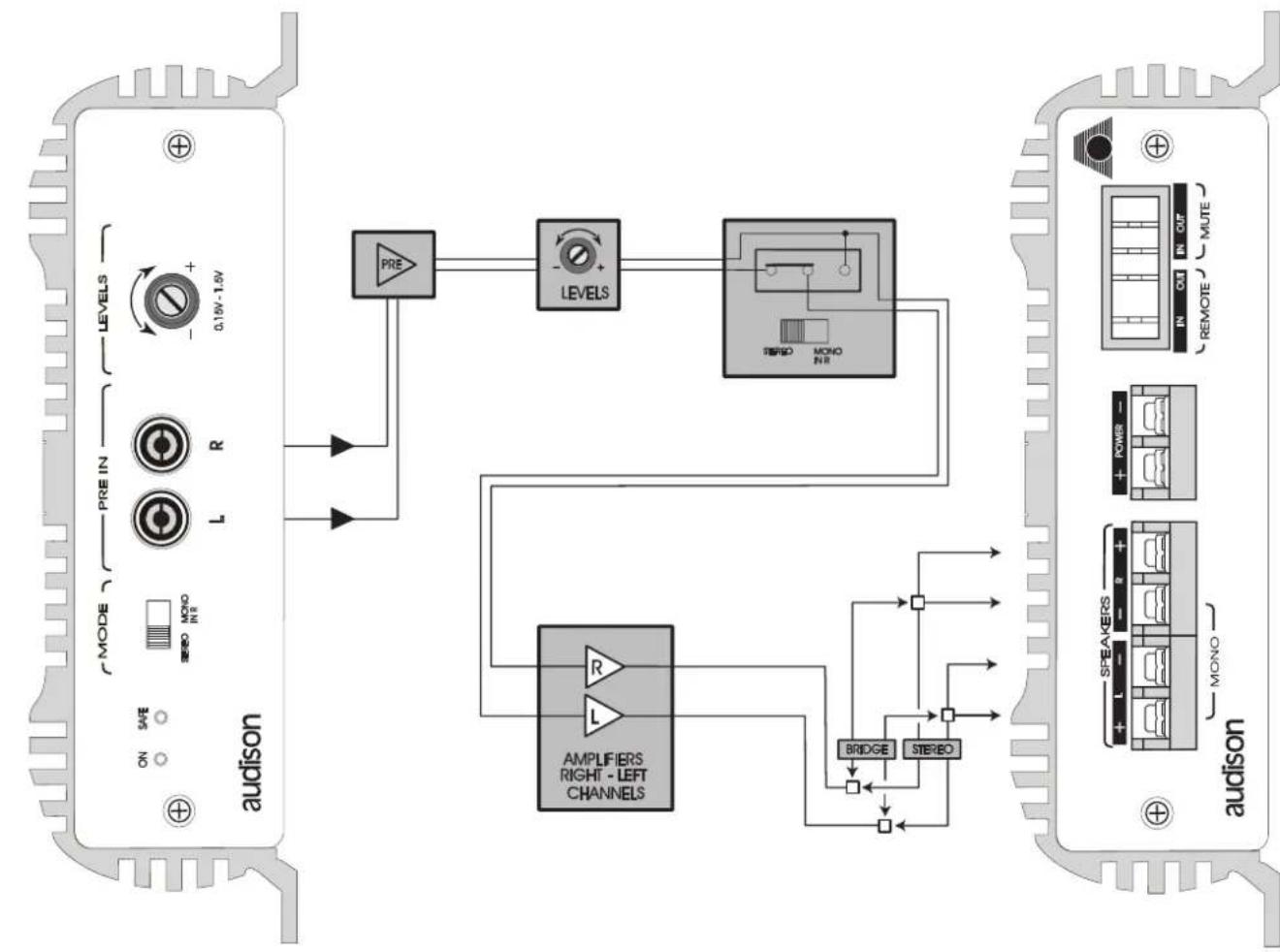
LR 3042 - LR 3062. Amplis à deux canaux de dimensions compactes et à hautes caractéristiques musicales.
Les éléments fondamentaux de leur circuit sophistiqué sont : stades "FRONT END" réalisés avec deux stades différentiels complémentaires, stades finals constitués d'une triplette inversée à symétrie complémentaire pure, transistors finals chacun avec capacité en courant de 15 A et alimentation PWM à MOSFET avec une grande réserve d'énergie. Le projet des LR 3 30 (LR 3042 - LR 3062) permet un fonctionnement facile sur charges nominales de 2 Ohms pour ce qui concerne la configuration stéréo et de 4 Ohms pour la
configuration mono en pont. Ces caractéristiques permettent une grande souplesse d'utilisation, soit pour le pilotage des systèmes multivoies, soit pour le montage avec des SUBVOOFER en mono ou en TRI-MODE.

- Pour un bon fonctionnement de l'appareil, il est très important de veiller à l'installe
- L'installation doit se faire dans un endroit sec et bien ventilé.
- L'alimentation est de type 12VCC avec négatif à la masse. S'assurer que les caractéristiques de l'installation du véhicule soient indiquées pour ce type d'appareil.
- Pour une conduite sans risque, nous conseillons un niveau d'écoute ne couvrant pas le bruit du trafic environnant.
Installation
Pour le montage, utiliser les rondelles et vis fournies à cet effet. Pour un résultat optimal, il est recommandé d'utiliser les éléments de la ligne Audison Cable suivants : câbles d'alimentation, câbles signal, câbles pour haut-parleurs, connecteurs RCA et tous les accessoires complétant le branchement.
Attention
- ENTRÉES: Si la masse de sortie de l'autoradio n'est pas la même que celle du châssis, relier le fil du câble isolant au châssis de l'autoradio.
- SORTIES: Ne jamais connecter entre elles ou sur la masse les sorties -R et -L. Avant d'utiliser un filtre crossover, s'assurer que les canaux n'ont pas de masse commune.
- RÉGLAGES: Si des phénomènes de saturation apparaissent à un niveau de volume modéré, cela signifie que le signal sort distordu de l'auto-radio. En ce cas, abaisser le volume de l'auto-radio jusqu'à ce que le phénomène disparaisse et régler ensuite les niveaux de l'amplificateur.
TRI - Mode connection
| FREQUENCY Hertz | LOUDSPEAKERS IMPEDANCE | |||
| 4 Ohms | 8 Ohms | |||
| L (mH) | C (μF) | L(mH) | C (μF) | |
| 60 | 10.6 | 660 | 21.0 | 330 |
| 80 | 7.9 | 495 | 15.9 | 245 |
| 100 | 6.4 | 400 | 12.7 | 200 |
| 120 | 5.3 | 330 | 10.6 | 165 |
| 150 | 4.3 | 265 | 8.5 | 132 |
| 200 | 3.2 | 200 | 6.4 | 100 |






Notice Facile