
Retrouvez gratuitement la notice de l'appareil CVA-1003R ALPINE au format PDF.
Téléchargez la notice de votre Autoradio au format PDF gratuitement ! Retrouvez votre notice CVA-1003R - ALPINE et reprennez votre appareil électronique en main. Sur cette page sont publiés tous les documents nécessaires à l'utilisation de votre appareil CVA-1003R de la marque ALPINE.
• BEDIENUNGSANLEITUNG Lesen Sie diese Bedienungsanleitung bitte vor Gebrauch des Gerätes. Ouverture du moniteur 7 Fermeture du moniteur 8 Sélection de la position d'ouverture du moniteur 8 Réglage de l'angle de vision du moniteur 8 Réglage du volume/balance droite-gauche/ balance avant-arrière 9 Activation/annulation de la correction physiologique 9 Silencieux (fonction MUTE) 9
Accord manuel 10 Accord par recherche automatique 10 Mémorisation manuelle des stations 11 Mémorisation automatique des stations 11 Accord d'une station préréglée 11
Rappel des stations RDS préréglées 13 Réception des stations RDS régionales (locales) 13 Réglage PI SEEK 13
Changement d'arrière-plan 34 Régalage du défilement du texte/du titre 35 Réglage de l'ouverture/fermeture automatique du moniteur 35 Mise en et hors service du guide sonore 36 Réglage de l'affichage de l'horloge 36 Affichage de l'heure 37 Réglage de l'heure 37 Sélection du moniteur arrière 37 Réglage de l'entrée externe 38 Commutation du réglage NTSC/PAL 38 Réglage du niveau du signal de source 39 Commutation du mode Tuner 39 Activation et désactivation du caisson de basses 39 Fonction d'interruption (MIX LEVEL) 40 Réglage du boîtier d'extension 40 Commutation du mode Disc 41 Commutation des modes d'affichage 41 Rappel des réglages mémorisés 41 Fonctionnement simultané 42 Fonctionnement avec l'écran mobile fermé .... 43
Il y a risque d'accident.
Il y a risque d'accident, d'incendie ou de choc électrique.
Toute utilisation autre que l'application désignée comporte un risque d'incendie, de choc électrique ou de blessure.
Assurez-vous que la température intérieure du véhicule est comprise entre +45°C (+113°F) et 0°C (+32°F) avant de mettre l'appareil sous tension.
NE PAS INTRODUIRE LES MAINS, LES DOIGTS NI DE CORPS ETRANGERS DANS LES FENTES ET LES INTERSTICES.
à l'humidité et à l'eau, à la poussière, à des vibrations excessives.
• Ne le laissez pas tomber et ne le soumettez pas à des chocs.
L'ingestion de tels objets peut entraîner de graves blessures. En cas d'lngestion, consulter Immédiatement un médecin.
(Vérifiez auprès de votre concessionnaire si vous n'en êtes pas certain.) II y a risque d'incendie, etc.
Les écrans de la fonction de titrage et de SETUP sont impossibles pendant la conduite du véhicule. Le véhicule doit être à l'arrêt et le frein à main tiré pour que la procédure décrite dans la mode d'emploi soit valide. Le message "CAN'T OPERATE WHILE DRIVING" s'affichera, si vous essayez d'effectuer ces opérations en conduisant. Elle fonctionne donc comme les touches de sélection de la télécommande (en option). Quand la voiture est à l'arrêt, vous sélectionnez la source comme décrit dans le mode d'emploi. Les produits Alpine équipés du bus Ai-NET, raccordés au CVA-1003R, peuvent être pilotés depuis le CVA-1003R. Toutefois, selon l'appareil raccordé, les fonctions et les affichages varieront. Pour les détails, adressez-vous à votre revendeur Alpine.
(libération) dans le côte inférieur gauche jusqu'à ce que le panneau avant se désenclenche. Saisissez le côté gauche du panneau avant et tirez pour l'enlever.
• Le panneau avant peut devenir chaud malgré un usage normal (surtout au niveau des connecteurs.) Il ne s'agit pas d'un mauvais fonctionnement. • Afin de protéger le panneau avant, rangez-le dans l'étui fourni.
Si votre véhicule est équipé de commandes au volant pour la radio, vous pouvez raccorder au volant une interface de télécommande en option à votre radio Alpine. Pour plus de détails, consultez votre revendeur Alpine. • Commandable à distance Cet appareil peut être commandé à distance à l'aide d'une télécommande Alpine en option. Pour plus de détails, consultez votre revendeur Alpine. Dirigez l'émetteur de télécommande optionnel vers le capteur de télécommande.
Derrière le panneau avant, à la droite du connecteur, se trouve un petit orifice. A l'aide d'un crayon ou d'un autre objet pointu, appuyez sur le commutateur de réinitialisation au fond de l'orifice pour initialiser l'appareil.
Mise sous et hors tension Certaines des fonctions de cet appareil ne peuvent pas être utilisées lorsque le véhicule est en mouvement. Assurez-vous de stopper votre véhicule à un emplacement sûr et enclenchez le frein à main avant d'utiliser ces fonctions.
• Sous de faibles températures, il se peut que l'écran perde temporairement de son contraste. Après une brève période de préchauffage, il revient à la normale. • Le CVA-1003R consomme un peu d'énergie même lorsqu'il est éteint. Si le fil d'alimentation (allumage) du CVA-1003R est raccordé directement à la cosse positive (+) de la batterie du véhicule, la batterie risque de se décharger. Si le fil est branché directement, il devra être débranché de la cosse de la batterie quand le véhicule n'est pas utilisé pendant longtemps. Un interrupteur SPST (Single-Pole, Single-Throw) (en vente dans le commerce) peut être ajouté pour simplifier les choses. Il suffira de le régler sur arrêt lorsque vous quitterez le véhicule et de le remettre sur marche lorsque vous utiliserez le CVA-1003R. Pour la connexion de l'interrupteur SPST, reportez-vous à "Diagramme de connexion du commutateur SPST" sur la page 49. • Pour des raisons de sécurité, certaines opérations ne peuvent pas être effectuées lorsque le véhicule roule. Vous devez vous arrêter et tirer le frein à main avant de pouvoir effectuer l'opération.
• Le CVA-1003R est un appareil de précision. Maniez-le avec précaution pour profiter de toutes ses excellentes fonctions pendant de longues années. • Si le moniteur touche un obstacle quand il s'ouvre, le moniteur cesse de s'ouvrir. Le cas échéant, enlevez l'obstacle et appuyez une seconde fois sur la touche OPEN/CLOSE pour que le moniteur s'ouvre complètement. • Lorsque le moniteur mobile est ouvert, ne posez pas d'objet dessus et veillez à ne pas cogner ni exercer de pression sur le moniteur pendant qu'il s'ouvre. Le mécanisme pourrait être endommagé. • A basses températures, l'affichage peut rester sombre un instant, immédiatement après la mise sous tension de l'appareil. Lorsque l'écran LCD sera chaud, il redeviendra normal. • Pour des raisons de sécurité, certaines opérations ne peuvent pas être effectuées lorsque le véhicule roule. Dans ce cas, vous devez vous arrêter et tirer le frein à main avant de pouvoir effectuer l'opération.
• Si le moniteur touche un obstacle quand il se ferme, le moniteur cesse immédiatement de se fermer. Le cas échéant, enlevez l'obstacle et appuyez une seconde fois sur la touche OPEN/CLOSE pour que le moniteur se ferme complètement.
La position d'ouverture du moniteur peut se régler sur 2 positions.
Réglez l'angle du moniteur pour améliorer la visibilité.
(ANGLE) et que vous la maintenez enfoncée pendant au moins deux secondes, l'angle du moniteur continue à changer de position jusqu'à ce que vous relâchiez la touche. REMARQUES • Si le moniteur touche un obstacle quand l'angle est réglé, le moniteur s'arrête immédiatement. Le cas échéant, enlevez l'obstacle et appuyez une seconde fois sur la touche 7 ou 8 ANGLE. • La couleur de l'écran peut être différente sous certains angles de vision. Ajustez l'angle à la meilleure position. • Si la tension de la batterie du véhicule est basse, l'écran peut clignoter lorsque l'angle de vision est changé. C'est normal et n'indique pas un problème. ATTENTION N'approchez pas les mains (ni aucun autre objet) de l'afficheur lorsque vous l'ouvrez ou le fermez afin d'éviter toute blessure. Le dos de l'afficheur devient très chaud lorsque l'appareil fonctionne. C'est normal. Ne le touchez pas.
La correction physiologique accentue les basses et moyennes fréquences du son reproduit à faible niveau pour compenser la sensibilité réduite de l'oreille à ces fréquences.
L'affichage indique "LOUD" quand la correction physiologique est en service.
écoutée Statut du réglage en cours
A chaque pression, la gamme change de la façon suivante:
→ FM1 → FM2 → FM3 → MW → LW
Appuyez une nouvelle fois sur la touche pour revenir au mode local. L'indicateur DX s'éteint et l'indicateur SEEK reste allumé. Seules les stations puissantes seront accordées. Appuyez sur la touche g DN ou f UP pour lancer la recherche automatique d'une station en arrière ou en avant de la position actuelle. L'appareil s'arrête sur la prochaine station qu'il trouve. Appuyez de nouveau sur la même touche pour poursuivre la recherche de station.
Mémorisation manuelle des stations
à 6) pendant au moins 2 secondes jusqu'à ce que la fréquence de la station (écran fixe) ou numéro de préréglage (écran mobile) clignote sur l'affichage.
3 Répétez la procédure pour mémoriser 5 autres stations de la même gamme au maximum. Pour mémoriser des stations d'une autre gamme, il suffit de sélectionner une autre gamme et de répéter la même procédure. Vous pouvez mémoriser 30 stations au total (6 stations sur chaque gamme: FM1, FM2, FM3, MW ou LW). REMARQUE Si vous mémorisez une station sur un préréglage qui a déjà été utilisé pour une autre station, cette station sera effacée et remplacée par la nouvelle.
2 secondes. La fréquence change continuellement sur l'affichage pendant que la mémorisation automatique est en cours. Le tuner recherche et mémorise automatiquement les 6 stations les plus puissantes sur la gamme sélectionnée. Elles seront préréglées sur les touches 1 à 6 dans l'ordre de puissance du signal. Quand la mémorisation automatique est terminée, le tuner revient à la station mémorisée sur la touche de préréglage 1. REMARQUE Si aucune station n'est mémorisée, le tuner revient à la station que vous écoutiez avant que la mémorisation automatique ne commence.
DE Appuyez sur la touche sur laquelle la station souhaitée est préréglée. L'affichage indique la gamme, le numéro de préréglage avec un triangle et la fréquence de la station sélectionnée.
REMARQUE Lorsque l'écran mobile est fermé, si la touche BAND est maintenue enfoncée pendant au moins 2 secondes lorsque le nom d'une station est affichée, l'écran fixe affiche la fréquence de la station pendant 2 secondes.
PS Nom de la chaîne de programmes AF Liste des fréquences alternatives TP Programme pour automobilistes TA Annonces routières PTY Type de programme EON Autres réseaux R.TEXT Informations alphanumériques L'affichage indique "AF" quand le mode RDS est en service.
Si la station préréglée et les stations de la liste AF ne peuvent pas être reçues: Lorsque le réglage PI SEEK est activé (reportezvous à "Réglage PI SEEK" sur cette page), l'appareil recherche de nouveau une station dans la liste PI (Programme Identification). Si aucune station n'est émise dans la région, l'appareil affiche la fréquence de la station préréglée et l'indicateur de préréglage disparaît. Si le signal de la station régionale (locale) devient trop faible pour être reçu, appuyez sur la même touche de préréglage pour accorder une station d'une autre localité.
L'écran SETUP apparaît. Appuyez sur la touche de préréglage 4 pour sélectionner le mode de réglage RDS. Appuyez une nouvelle fois sur la touche de préréglage 4 pour sélectionner REGIONAL. Appuyez sur la touche g DN ou f UP pour choisir le mode REG (régional) ON (en service) ou OFF (hors service). En mode REG OFF, l'appareil continue de recevoir les stations RDS locales correspondantes. Pour procéder à un autre réglage, appuyez sur la touche de préréglage 4 ou appuyez sur une autre touche de préréglage.
Pour procéder à un autre réglage, appuyez sur la touche de préréglage 4 ou appuyez sur une autre touche de préréglage.
Quand une station qui diffuse des informations routières est accordée, l'indicateur TP s'allume. Vous entendez les informations routières uniquement quand elles sont diffusées. Si aucune information routière n'est diffusée, l'appareil se met en mode d'attente. Lorsqu'une diffusion des informations routières commence, l'appareil la reçoit automatiquement et l'écran mobile affiche "TRF-INFO" pendant la diffusion (l'écran fixe affiche "TRF-INFO" pendant 2 secondes, puis revient à l'affichage précédent.) Quand la diffusion des informations routières est terminée, l'appareil se met automatiquement en mode d'attente.
• Si vous ne voulez pas écouter les informations routières en cours de réception, appuyez brièvement sur la touche T.INFO pour sauter ces informations. Le mode T.INFO reste en service (ON) pour la réception des prochaines informations routières. • Si vous changez le niveau du volume pendant la réception d'informations routières, ce niveau sera mémorisé et la prochaine fois que vous recevrez des informations routières, le volume sera ajusté automatiquement au niveau mémorisé. • Dans le mode T.INFO, la fonction de syntonisation SEEK sélectionne uniquement les stations TP.
PTY lorsque l'appareil est en mode radio (réception FM). Le type de programme de la station en cours de réception est affiché pendant 5 secondes. Si aucun programme PTY n'est diffusé, "NO PTY" est affiché pendant 2 secondes. REMARQUE Si vous n'appuyez sur aucune touche dans les 5 secondes qui suivent une pression sur la touche PTY, le mode PTY est automatiquement annulé.
LIGHT M ← CLASSICS → OTHER M Appuyez sur la touche PTY dans les 5 secondes qui suivent la sélection du type de programme pour commencer la recherche dans le type de programme sélectionné. Sur l'écran fixe, le voyant correspondant au type de diffusion souhaité clignote pendant la recherche et s'allume quand l'appareil trouve une station. Sur l'écran mobile, l'indication "PTY SEEK" s'affiche pendant la recherche et le type de programme en cours apparaît si l'appareil s'arrête sur une station. Si aucune station PTY n'est localisée, "NO PTY" apparaît pendant 2 secondes.
• Quand les informations routières sont diffusées, l'appareil coupe automatiquement la CD lecteur ou de la radio FM ordinaire. • Quand les informations routières sont terminées, la lecture de cassette ou la réception radio reprend selon la source écoutée avant la diffusion des informations routières. • Quand les stations d'informations routières ne peuvent pas être reçues: En mode tuner: Si le signal TP ne peut pas être reçu pendant plus d'1 minute, l'indicateur "T.INFO" clignote. En mode CD ou MD: Quand le signal TP ne peut plus être reçu, une station d'informations routiéres d'une autre fréquence est automatiquement sélectionnée. REMARQUE L'ampli-tuner est équipé de la fonction EON (Enhanced Other Networks) qui permet la mise à jour de la liste des fréquences alternatives (AF). L'indicateur EON apparaît quand une station RDS EON est recue. Si la station en cours de réception ne diffuse pas d'informations routières, l'ampli-tuner accorde automatiquement une station correspondante qui diffuse des informations routières.
REMARQUE Si vous n'appuyez sur aucune touche dans les 5 secondes qui suivent une pression sur la touche P.PTY, le mode PRIORITY PTY est automatiquement annulé.
• Pour modifier le type de programme, effectuez l'étape 3. • Pour désactiver la fonction PRIORITY PTY, appuyez sur la touche P.PTY pendant au moins 2 secondes.
"Réglage du défilement du texte" est réglé sur "SCROLL ON" (voir page 35), les informations défilent. Lorsque le réglage est sur "SCROLL OFF", le défilement des informations est annulé. Le défilement des informations se poursuit jusqu'à la réalisation d'une autre opération. Pour annuler le mode Radio Text, appuyez sur la touche R.TEXT. Appuyez sur la touche FUNC pour revenir au mode de fonctionnement normal. Le voyant "FUNC" disparaît de l'affichage. REMARQUES • Si aucun message texte n'est reçu ou si l'appareil ne peut recevoir correctement de message texte, l'indication "NO TEXT" s'affiche pendant 2 secondes. • Utilisez l'appareil lorsque le voyant "FUNC" est allumé. Si vous n'appuyez sur aucune touche dans les 5 secondes qui suivent, le témoin "FUNC" s'éteint.
(numéro du DISQUE en mode Changeur de CD)
CVA-1003R. Cette section décrit les opérations à effectuer pour la lecture de CD lorsqu'un lecteur CD Alpine est raccordé. (Si un changeur CD est raccordé, reportez-vous à la page 21 pour sélectionner le disque souhaité.)
2 REMARQUE La détection de plage fonctionne en mode de lecture ou de pause.
Pour reprendre la lecture, appuyez de nouveau sur cette touche :/J. Pour éjecter le CD, appuyez sur la touche d'éjection du lecteur CD.
Appuyez une nouvelle fois sur la touche RPT (Répétée) pour arrêter la lecture répétée. REMARQUES • Si un changeur CD est raccordé et que le mode RPT (Répétée) ALL est sélectionné, l'appareil répéte toutes les plages du disque sélectionné. Affichage de l'écran mobile indique: → REPEAT → REPEAT ALL → (off) Affichage de l'écran fixe indique:
FUNC afin que l'indicateur "FUNC" s'allume en rouge, puis passez à l'étape 1. Lorsque l'écran est fermé: l'affichage de l'écran fixe indique • S'il y a un changeur CD à 6 disques connecté: En mode changeur de CD, appuyez sur la touche FUNC pour éclairer l'indicateur "FUNC" et passez à l'étape 1. • S'il y a un changeur CD à 12 disques connecté: En mode de changeur, appuyez deux fois sur la touche FUNC pour éclairer l'indicateur "FUNC" et passez à l'étape 1.
M.I.X. (Lecture aléatoire) Pour désactiver la lecture M.I.X., appuyez de nouveau sur la touche M.I.X. pour désactiver M.I.X. REMARQUES • Si un changeur CD équipé de la fonction ALL M.I.X. est raccordé, ALL M.I.X. sera également sélectionnable. Dans ce mode, les plages de tous les CD du magasin en cours seront comprises dans la séquence de lecture aléatoire. → M.I.X. → ALL M.I.X. → (off) Lorsque l'écran est ouvert: l'affichage de l'écran mobile indique • S'il y a un changeur CD à 6 disques connecté: En mode changeur de CD, appuyez sur la touche FUNC afin que l'indicateur "FUNC" s'allume en rouge, puis passez à l'étape 1. • S'il y a un changeur CD à 12 disques connecté: En mode de changeur, appuyez deux fois sur la touche FUNC afin que l'indicateur "FUNC" s'allume en rouge, puis passez à l'étape 1. Lorsque l'écran est fermé: l'affichage de l'écran fixe indique • S'il y a un changeur CD à 6 disques connecté: En mode de changeur CD, appuyez sur la touche FUNC pour éclairer l'indicateur "FUNC" et passez à l'étape 1. • S'il y a un changeur CD à 12 disques connecté: En mode de changeur, appuyez deux fois sur la touche FUNC pour éclairer l'indicateur "FUNC" et passez à l'étape 1.
Les 10 premières secondes de chaque plage sont reproduites dans l'ordre. Pour arrêter l'exploration, appuyez sur la touche SCAN et désactivez le mode Scan. REMARQUES Lorsque l'écran est ouvert: l'affichage de l'écran mobile indique • S'il y a un changeur CD à 6 disques connecté: En mode changeur de CD, appuyez sur la touche FUNC afin que l'indicateur "FUNC" s'allume en rouge, puis passez à l'étape 1. • S'il y a un changeur CD à 12 disques connecté: En mode de changeur, appuyez deux fois sur la touche FUNC afin que l'indicateur "FUNC" s'allume en rouge, puis passez à l'étape 1. Lorsque l'écran est fermé: l'affichage de l'écran fixe indique • S'il y a un changeur CD à 6 disques connecté: En mode changeur de CD, appuyez sur la touche FUNC pour éclairer l'indicateur "FUNC" et passez à l'étape 1. • S'il y a un changeur CD à 12 disques connecté: En mode de changeur, appuyez deux fois sur la touche FUNC pour éclairer l'indicateur "FUNC" et passez à l'étape 1.
Appuyez sur la touche g DN ou f UP pour sélectionner la lettre, le nombre ou le symbole souhaité pour le titre. Appuyer sur la touche :/J pour mémoriser le premier caractère. Le premier caractère cesse de clignoter et l'affichage passe automatiquement au second caractère. Quand ce caractère clignote, vous pouvez choisir la lettre ou le symbole suivant de votre titre.
:/J après avoir entré le 8 ème caractère, le titré sera mémorisé automatiquement. Si vous désirez mémoriser un titre de moins de 8 caractères, par exemple, le titré de 3 caractères: Après avoir entré 3 caractères pour compléter le titre, le 4 ème caractère commence à clignoter. Effectuez le pas 6 pour compléter le titre.
• La longueur du titre du changeur de CD ou la capacité de la mémoire varie en fonction du modèle utilisé. • Quand vous voulez effacer un nom, entrez le symbole " sur tous les espaces. " • Les actions décrites dans les étapes 3 à 5 doivent être effectuées dans les 10 secondes. Dans le cas contraire, le mode d'entrée sera annulé. • La mise hors tension de l'appareil peut effacer ces titres. Manipulez le cordon d'alimentation avec précaution.
Effacement du titre d'un disque
Appuyer sur la touche -/J et la maintenir enfoncée pendant au moins 2 secondes pour effacer le titre affiché. Appuyer sur la touche TITLE et la maintenir enfoncée pendant au moins 3 secondes pour annuler le mode d'effacement de titre. REMARQUE Vous ne pouvez pas effacer le CD-TEXT.
Pour les détails, voir le paragraphe concernant le fonctionnement du lecteur CD. • Lorsque le voyant "FUNC" devient rouge sur l'écran mobile ou s'allume sur l'écran fixe, les touches de sélection de disque sont inopérantes.
Pour sélectionner les disques 1 à 6, vous procédez de la même façon que pour le changeur 6 CD. Pour sélectionner les disques 7 à 12, appuyez d'abord sur la touche FUNC. Sur l'écran fixe, un "d" apparaît à la place du "D". Le voyant "FUNC" s'allume en jaune sur l'écran mobile. Appuyez ensuite sur le touche de préréglage souhaitée. Quand la touche FUNC est activée, les touches de préréglage 1 à 6 correspondent en fait au touches 7 à 12.
à l'entrée Ai-NET du CVA-1003R, le changeur CD sera contrôlable à partir du CVA-1003R. A l'aide des changeurs multiples KCA-400C (le dispositif de commutation multi-changeur) peut être commandé par le CVA-1003R. Reportez-vous à la section Sélection du multichangeur à la page 22 pour sélectionner les changeurs CD. REMARQUE Les commandes du CVA-1003R pour l'exploitation du changeur CD sont disponibles uniquement lorsqu'un changeur CD est raccordé.
REMARQUE L'indicateur de source dépend de la source raccordée.
Appuyez sur la touche BAND jusqu'à ce que l'indicateur du changeur CD souhaité apparaisse sur l'affichage. REMARQUE Si le changeur CD sélectionné n'est pas raccordé, l'affichage indique "NO CHANGER".
"Commutation du mode Disc" page 41.)
Insérez un MD dans le lecteur MD. La lecture du MD commence. REMARQUE Avant d'insérer un MD, contrôlez la cartouche MD en passant les doigts tout autour. Si vous sentez des irrégularités ou des bosses, enlevez-les car elles peuvent causer un problème ou endommager le lecteur.
Appuyez sur la touche :/J pour interrompre la lecture. Pour poursuivre la lecture, appuyez une seconde fois sur la touche :/J. Appuyez sur la touche d'éjection (c) du lecteur MD lorsque vous voulez éjecter le MD.
RPT jusqu'à ce que l'indicateur RPT (Répétée) disparaisse pour désactiver la lecture répétée.
Le conducteur ne doit pas être distrait de la route, car il peut provoquer un accident de la route.
CD. La lecture commence.
CD pour revenir au début du chapitre/plage en cours de lecture ou localiser le début d'un chapitre/plage ultérieur. REMARQUE Le mot "chapitre" ou "plage" désigne une division de l'image ou du son enregistré sur un DVD ou un CD vidéo/CD.
En mode changeur DVD, appuyez sur la touche FUNC afin que l'indicateur "FUNC" s'allume en rouge, puis passez à l'étape 1. Lorsque l'écran est fermé: l'affichage de l'écran fixe indique • S'il y a un changeur DVD à 6 disques connecté: En mode de changeur DVD, appuyez sur la touche FUNC pour éclairer l'indicateur "FUNC" et passez à l'étape 1.
DVD commence. REMARQUES • Après avoir sélectionné le disque souhaité, vous pouvez procéder de la même manière que pour le DVD/CD vidéo/lecteur CD. Pour les détails, voir le paragraphe concernant le fonctionnement du DVD/CD vidéo/lecteur CD. • Lorsque le voyant "FUNC" devient rouge sur l'écran mobile ou s'allume sur l'écran fixe, les touches de sélection de disque sont inopérantes.
Si un système de navigation Alpine optionnel est raccordé, l'affichage indique l'écran de navigation.
REMARQUE Si le mode de navigation n'apparaît pas à l'écran lorsque vous appuyez sur la touche SOURCE, définissez le réglage NAV.IN sur ON (reportez-vous à la section "Réglage de l'entrée externe", à la page 38).
L'indication "NO TEXT" s'affiche lorsque le CD ne contient aucune information de CD Text. ∗2 "NO TITLE" apparaît si le titre n'a pas été saisi.
Titre: vous permet de saisir des caractères que l'appareil affiche. Vous pouvez saisir comme titre le nom d'un CD. Il n'est pas possible d'attribuer des noms aux MD avec cet appareil. Vous pouvez toutefois afficher les titres de MD attribués lors de l'enregistrement du disque. Il est possible que certains caractères ne s'affichent pas correctement. Texte: vous permet d'afficher les caractères d'un disque CD text.
CD a des données de texte. Il est toutefois possible que certains caractères ne s'affichent pas correctement.
L'écran mobile est ouvert. (l'affichage de l'écran mobile indique) ↓ AFFICHAGE DU TEMPS ECOUTE ↓ AFFICHAGE DU TEXT (NOM DE DISQUE)∗1 ↓ AFFICHAGE DU TEXT (NOM DE PLAGE)∗1 ↓ AFFICHAGE DU TITRE∗2
L'écran fixe est fermé. (l'affichage de l'écran fixe indique) ↓ AFFICHAGE DU TEMPS ECOUTE ↓ à l'appareil, il est possible que vous ne puissiez pas effectuer certains réglages. • Les réglages des graves sont mémorisés séparément pour chaque source (FM, PO, GO et CD) et conservés jusqu'à qu'ils soient modifiés. Selon l'appareil raccorde, certaines fonctions n'apparaissent pas sur l'affichage.
Vous pouvez changer les réglages Bass Frequency de manière à créer la tonalité de votre choix.
• Niveau des graves: –7~+7 Vous pouvez accentuer ou affaiblir la fréquence des graves. • Fréquence centrale des graves: 60Hz ↔ 70Hz ↔ 80Hz ↔ 90Hz ↔ 100Hz ↔ 130Hz ↔ 150Hz ↔ 200Hz Accentue les gammes de fréquence des graves. • Largeur de bande des graves (Q-Factor): WIDE1 ↔ WIDE2 ↔ WIDE3 ↔ WIDE4 (Etroite)←→ (Large) Modifie la largeur de bande de la fréquence affichée à large ou étroite.
Exemple d'écran fixe
2 • Niveau des aigus: –7~+7 Vous pouvez accentuer la fréquence des aigus. • Fréquence centrale des aigus: 10,0kHz ↔ 12,5kHz ↔ 15,0kHz ↔ 17,5kHz Accentue les gammes de fréquence des aigus.
Vous pouvez régler les aigus lorsque l'écran mobile est fermé.
2 Chaque fois que vous appuyez sur la touche de préréglage 2, le clignotement se décale. Exemple d'écran fixe
REMARQUES • Si aucune touche n'est enfoncée pendant 5 secondes, le réglage de commande des aigus se désactive automatiquement. • Selon le type de processeurs audio externes raccordés à l'appareil, il est possible que vous ne puissiez pas effectuer certains réglages. • Les réglages des aigus sont mémorisés séparément pour chaque source (FM, PO, GO et CD) et conservés jusqu'à qu'ils soient modifiés. Selon l'appareil raccorde, certaines fonctions n'apparaissent pas sur l'affichage.
"Activation et désactivation du caisson de basses", à la page 39).
2 Appuyez sur la touche bass engine pour activer le mode de contrôle des graves.
Fréquence centrale des graves Largeur de bande des graves Niveau des aigus Fréquence centrale des aigus
REMARQUE Si vous n'appuyez sur aucune touche dans les 10 secondes, le réglage Switching Phase (commutation de phase) sera automatiquement désactivé.
DIMMER ON: désactiver le mode de variation automatique et conserver un éclairage lumineux. DIMMER OFF: laisser sombre l'éclairage de l'écran. Pour procéder à un autre réglage, appuyez sur la touche de préréglage 1 ou appuyez sur une autre touche de préréglage.
La couleur de l'image ne peut pas être réglée si un système de navigation disposant de la fonction RGB est raccordé.
2 MAX (+16). Lorsque vous atteignez le niveau minimal ou maximal, "MIN" ou "MAX" apparaît.
L'écran SETUP apparaît. Appuyez sur la touche de préréglage 1 pour activer le mode de réglage DISPLAY. Appuyez une nouvelle fois sur la touche de préréglage 1 pour sélectionner COLOR. Appuyez sur la touche g DN ou f UP pour rendre la couleur plus lumineuse ou moins lumineuse de manière à obtenir la couleur souhaitée. Vous pouvez ajuster la couleur entre MIN (–16) et MAX (+16). Lorsque vous atteignez le niveau maximal ou minimal, "MIN" ou "MAX" apparaît. Pour procéder à un autre réglage, appuyez sur la touche de préréglage 1 ou appuyez sur une autre touche de préréglage.
REMARQUE Le réglage de la couleur de l'écran bleu d'arrière-plan et de la couleur de la source d'image (AUX/DVD/NAV.) seront mémorisés individuellement.
La teinte de l'image ne peut pas être réglée si un système de navigation disposant de la fonction RGB est raccordé.
2 Lorsque le réglage est terminé, appuyez sur la touche SETUP pour revenir au mode normal. REMARQUE Le réglage de la teinte de l'écran bleu d'arrière-plan et de la teinte de la source d'image (AUX/DVD/NAV.) seront mémorisés individuellement.
Appuyez sur la touche g DN ou f UP pour sélectionner les réglages désirés. AUTO : synchronise le réglage du mode Dimmer (variateur de lumière). Lorsque vous allumez/éteignez la lampe intérieure du véhicule, l'appareil commute automatiquement entre DAY/ NIGHT (jour/nuit) si le mode Dimmer est réglé sur Auto. Lorsqu'il est défini sur ON, l'arrière-plan est réglé sur NIGHT (bleu foncé). Lorsqu'il est défini sur OFF, l'arrièreplan est réglé sur DAY (bleu clair). NIGHT : applique la couleur bleue foncée sur l'arrière-plan. DAY : applique la couleur bleue claire sur l'arrière-plan.
Lorsque vous raccordez l'appareil à un lecteur de CD/MD ou à un changeur de CD Alpine, le nom du disque ou de la piste enregistrée défile sur l'écran mobile. Cette fonction de défilement est disponible uniquement avec les CD compatibles texte et les MD sur lesquels un titre est préenregistré. Elle est opérante pour les titres saisis manuellement.
2 Appuyez sur la touche de préréglage 2 pour sélectionner le défilement.
Lorsque le mode d'ouverture/fermeture automatique est en service (AUTO), le moniteur s'ouvre automatiquement lorsque vous mettez la clé de contact sur la position "ACC" ou "ON" et se ferme automatiquement lorsque vous coupez le contact.
2 Pour désactiver le mode d'ouverture automatique, appuyez sur la touche g DN ou f UP. Lorsque le mode est désactivé, vous devez ouvrir ou fermer le moniteur en appuyant sur la touche OPEN/CLOSE. Pour procéder à un autre réglage, appuyez sur la touche de préréglage 2 ou appuyez sur une autre touche de préréglage.
Pour procéder à un autre réglage, appuyez sur la touche de préréglage 2 ou appuyez sur une autre touche de préréglage.
Pour procéder à un autre réglage, appuyez sur la touche de préréglage 2 ou appuyez sur une autre touche de préréglage.
• L'heure n'est pas affichée simultanément sur l'écran mobile et sur l'écran fixe.
Lorsque vous utilisez le boîtier d'extension en option (KCE-103V): Si AUX/NAV. est activé sur ON dans "Réglage de l'entrée externe" (page 38), et si un moniteur arrière et un système de navigation sont raccordés au CVA-1003R, vous pourrez afficher l'image/le son sur ce moniteur depuis le CVA-1003R.
Si les minutes sont inférieures ou égales à ":30", l'heure correspond au nombre affiché. Si les minutes sont supérieures à ":30" ou si vous réglez les minutes sur "00", le chiffre des heures augmente.
L'écran SETUP apparaît. Appuyez sur la touche de préréglage 3 pour activer le mode de réglage AUXILIARY. Appuyez une nouvelle fois sur la touche de préréglage 3 pour sélectionner AUX OUT. Appuyez sur la touche g DN ou f UP pour activer le mode de réglage de AUX OUT. AUX-1 IN : l'image/le son de l'appareil raccordé à la borne AUX 1 seront reproduites sur le moniteur arrière. AUX-2 IN : l'image et le son de l'appareil raccordé à la prise AUX 2 seront reproduits sur le moniteur arrière. NAV. IN : le guide vocal fonctionnera et l'écran du système de navigation apparaîtra sur le moniteur arrière si le système de navigation lui est raccordé. OFF : annulation du mode AUX OUT. Pour procéder à un autre réglage, appuyez sur la touche de préréglage 3 ou appuyez sur une autre touche de préréglage.
REMARQUES Si un lecteur ou un changeur DVD est raccordé à la borne AUX 1 ou AUX 2, l'image DVD apparaît si vous effectuez les étapes 1 et 2 de la section "Fonctionnement simultané" page 42. Effectuez ensuite les étapes 1 à 4 de cette page pour que l'image et le son DVD soient émis.
RETURN, puis appuyez sur la touche TUNE ou sur la touche g DN ou f UP.
• Si vous raccordez le boîtier d'extension KCE103V (non fourni) et si vous réglez l'appareil sur ON du boîtier d'extension (page 40), vous pouvez sélectionner AUX-1 IN/AUX-2 IN/ NAV.IN.
SOURCE et la fonction SIMUL. ∗1 Lorsqu'un lecteur de DVD ou un changeur de DVD est raccordé, DVD player ou DVD changer apparaît à l'écran. ∗2 Lorsque plus de deux lecteurs ou changeurs de DVD sont raccordés, DVD player est affiché pour le réglage AUX1 IN et DVD changer est affiché pour le réglage AUX2 IN.
Pour procéder à un autre réglage, appuyez sur la touche de préréglage 3 ou appuyez sur une autre touche de préréglage. Lorsque le réglage est terminé, appuyez sur la touche SETUP pour revenir au mode normal. REMARQUES • Vous ne pouvez pas régler TINT en cours de réglage PAL. • En mode Navigation, l'appareil commute automatiquement sur NTSC.
Réglage du niveau du signal de source
Pour procéder à un autre réglage, appuyez sur la touche de préréglage 6 ou appuyez sur une autre touche de préréglage.
• Réglez sur "Subwoofer OFF" si vous n'utilisez pas le caisson de basses. • Quand le caisson de basses est activé, son niveau de sortie peut être ajusté. Pour de plus amples détails, reportez-vous à la section Réglage du volumen/ balance droite-gauche/balance avant-arrière.
Appuyez une nouvelle fois sur la touche de préréglage 6 pour sélectionner MIX LEVEL. Appuyez sur la touche g DN ou f UP pour ajuster le niveau de volume du guide vocal du système de navigation sur un des 7 niveaux. Pour désactiver le guide vocal du système de navigation, appuyez plusieurs fois sur cette touche jusqu'à ce que l'indication OFF apparaisse. Pour procéder à un autre réglage, appuyez sur la touche de préréglage 6 ou appuyez sur une autre touche de préréglage.
Lorsque vous utilisez le boîtier d'extension en option (KCE-103V), vous pouvez recourir à cette fonction.
2 Expand Box défini sur OFF: lorsque vous ne raccordez pas le boîtier d'extension KCE103V (non fourni), définissez cette fonction sur OFF.
étirée de façon irrégulière et apparaît plus large dans le grand écran. Le centre de l'image est peu étirée pour qu'il paraisse plus naturel.
Dans le mode 3 (cinéma), l'image est étirée horizontalement et verticalement. Ce mode est adapté à l'affichage d'images de type cinématographique au format 16 à 9.
A chaque pression, les modes d'affichage changent de la façon suivante: → MODE 1 → MODE 2 → MODE 3 → MODE 4 (GRAND) (ZOOM) (CINEMA) (NORMAL) MODE1 Dans les 5 secondes, appuyez sur la touche ou pour rappeler le réglage mémorisé. L'écran fixe indique le mode de réglage. REMARQUE Pour obtenir davantage d'informations, reportez-vous aux instructions de la télécommande (non fournie).
L'image et le son du DVD sont diffusés.
Activation/annulation de la correction physiologique Silencieux (fonction MUTE)
Mémorisation automatique des stations Accord d'une station préréglée
Affichage du titre/du texte Réglage de commande des graves Réglage de commande des aigus Commutation de phase Mise en et hors service du mode d'annulation Affichage de l'heure Rappel des réglages mémorisés
30 à résoudre tout problème provenant de l'appareil. Sinon, vérifiez les connexions du reste du système ou consultez un revendeur Alpine autorisé.
• Le tube fluorescent est usé. - Remplacez le tube fluorescent∗. ∗ Le remplacement du tube fluorescent n'est pas gratuit, même durant la période de garantie, parce qu'il s'agit d'une pièce d'usure.
- Si l'appareil est raccordé selon les instructions, il ne fonctionne pas quand la clé de contact est sur la position d'arrêt. • Connexions incorrectes du cordon d'alimentation. - Vérifiez les connexions du cordon d'alimentation. • Le fusible a sauté. - Vérifiez le fusible sur le câble de l'appareil conduisant à la batterie, et remplacez-le par un fusible de même puissance, si nécessaire. • Dysfonctionnement du microprocesseur ínterne dû à des interférences,etc. - Appuyez sur le commutateur de réinitialisation avec un stylobille ou un objet pointu. • Batterie faible ou morte. - Vérifiez la batterie. Aucun son ou son artificiel. • Mauvais réglage des commandes de volume/balance/ fader. - Refaites ces réglages. • Mauvais raccordements ou raccordements inadéquats. - Vérifiez si les raccordements sont corrects et solides. Aucun écran n'apparaît. • La luminosité est réglée à la position minimale. - Ajustez-la. • La température du véhicule est trop faible. - Augmentez la température à l'intérieur du véhicule dans la plage de fonctionnement. • Les raccordements de lecteur DVD/CD ou du système de navigation ne sont pas bien effectués. - Vérifiez si les raccordements sont corrects et solides. Le mouvement de l'image affichée n'est pas normal. • La température à l'intérieur du véhicule est trop élevée. - Faites baissez un peu la température de l'habitacle. Affichage pas clair ou bruité. • Le tube fluorescent est usé. - Faites-le remplacer. Le système de navigation ne fonctionne pas. • Les raccordements du système de navigation sont inadéquats. - Vérifiez les raccordements du système de navigation et raccordez les câbles correctement et solidement.
• Pas d'antenne ou connexion incorrecte des câbles. - Vérifiez que l'antenne est bien raccordée; remplacez l'antenne ou le câble si nécessaire. Impossible d'accorder les stations en mode de recherche automatique. • Les signaux dans la région sont faibles. - Vérifiez que le tuner est en mode DX. • Si vous êtes dans une région à signal fort, l'antenne n'est peut (peut-être) être pas mise à la terre ou raccordée correctement. - Vérifiez les connexions de l'antenne; vérifiez qu'elle est correctement reliée à un point de masse à l'emplacement du montage. • La longueur de l'antenne ne convient pas. - Vérifiez si l'antenne est complètement déployée. Si l'antenne est cassée, remplacez-la par une neuve. Réception parasitée. • La longueur de l'antenne ne convient pas. - Déployez complètement l'antenne, remplacez-la si elle est cassée. • L'antenne n'est pas correctement reliée à la masse. - Vérifiez que l'antenne est correctement reliée à un point de masse à l'emplacement du montage. • Le signal de la station est faible et parasité. - Si les solutions mentionnées ne servent pas à résoudre le problème, accordez une autre station.
Indications pour le changeur CD HI-TEMP • Le circuit de protection s'est déclenché car la température est trop élevée. - L'indication disparaît quand la température revient dans la plage de fonctionnement.
• Mauvais fonctionnement du changeur de CD. - Consultez votre revendeur Alpine. Appuyez sur la touche d'éjection du chargeur et sortez-le. Vérifiez l'indication. Insérez de nouveau le chargeur. Si vous ne pouvez pas sortir le chargeur, consultez votre revendeur Alpine. • Impossible d'éjecter le chargeur. - Appuyez sur la touche d'éjection du chargeur. Si le chargeur n'est pas éjecté, consultez un revendeur Alpine.
• Un disque est resté dans le changeur CD. - Appuyez sur la touche EJECT pour activer la fonction d'éjection. Quand l'éjection est terminée, insérez un chargeur CD vide dans le changeur pour sortir le disque restant dans le changeur CD.
- Choisissez un autre disque.
HI-TEMP • Le circuit de protection s'est déclenché car la température est trop élevée. - L'indication disparaît quand la température revient dans la plage de fonctionnement.
Hauteur Profondeur Son rapport de pixels efficace est supérieur à 99,99%. Ceci signifie qu'il existe une possibilité que 0,01% des pixels soient toujours ON ou OFF.
Avant d'installer ou de raccorder l'appareil, liez attentivement les précautions suivantes ainsi que les pages 3 et 4 de ce mode d'emploi de manière à en garantir une utilisation correcte.
EFFECTUER CORRECTEMENT LES CONNEXIONS. Il y a risque de blessures ou de dommages à l'appareil.
(Vérifiez auprès de votre concessionnaire si vous n'en êtes pas certain.) Il y a risque d'incendie, etc.
Utiliser uniquement les accessoires spécifiés. L'utilisation d'autres composants que les composants spécifiés peut causer des dommages internes à cet appareil ou son installation risque de ne pas être effectuée correctement. Les pièces utilisées risquent de se desserrer et de provoquer des dommages ou une défaillance de l'appareil.
Faire cheminer les câbles à l'écart des pièces mobiles (comme les rails de siège) et des arêtes acérées ou pointues. Cela permet d'éviter de coincer et d'endommager les câbles. Si un câble passe dans un orifice métallique, utiliser un passe-cloison en caoutchouc pour éviter que la gaine isolante du câble soit endommagée par le rebord métallique de l'orifice.
Ne jamais enlever la gaine isolante pour alimenter un autre appareil. Il y a risque de dépassement de la capacité de courant et, partant, d'incendie ou de choc électrique.
Lors du forage de trous dans le châssis en vue de l'installation, veiller à ne pas entrer en contact, endommager ni obstruer de conduites, de tuyaux à carburant ou de fils électriques. Le nonrespect de cette précaution peut entraîner un incendie.
Les boulons et les écrous utilisés pour les circuits de freinage et de direction (ou de tout autre système de sécurité) ou les réservoirs ne peuvent JAMAIS être utilisés pour l'installation ou la liaison à la masse. L'utilisation de ces organes peut désactiver le système de contrôle du véhicule et causer un incendie, etc.
Leur ingestion peut entraîner de graves blessures. En cas d'ingestion, consulter immédiatement un médecin.
La vue vers l'avant pourrait être obstruée ou les mouvements gênés, etc., et provoquer un accident grave.
FAIRE INSTALLER LE CABLAGE ET L'APPAREIL PAR DES EXPERTS. Le câblage et l'installation de cet appareil requiert des compétences techniques et de l'expérience. Pour garantir la sécurité, faire procéder à l'installation de cet appareil par le distributeur qui vous l'a vendu.
Eviter d'installer l'appareil à des endroits soumis à une forte humidité ou à de la poussière en excès. La pénétration d'humidité ou de poussière à l'intérieur de cet appareil risque de provoquer une défaillance.
• S'assurer de déconnecter le câble du pôle (–) de la batterie avant l'installation du CVA-1003R. Ceci reduit les risques d'endommager l'unité en cas de court-circuit. • S'assurer de connecter les conducteurs codés en couleur se conformant au schéma. Des connexions incorrectes peuvent occasionner le manuvais fonctionnement de l'unité ou le dégât du système électrique du véhicule. • Lors de la connexion des câbles au système électrique du véhicule, il faut être conscient des composants installés en usine (tel qu'un ordinateur de bord). S'assurer de ne pas brancher à ces conducteurs pour fournir l'alimentation à cette unité. Lors de la connexion du CVA-1003R au boîtier à fusible, s'assurer que le fusible du circuit désigné pour le CVA1003R a l'ampérage approprié. Sinon, I'unité et/ou le véhicule peuvent être endommagés. En cas de doute, consulter le revendeur ALPINE. • Le CVA-1003R utilise des prises femelles de type RCA pour la connexíon à d'autres unités (par exemple à un amplificateur) équipées de connecteurs RCA. Un adaptateur peut être nécessaire pour le connecter d'autres unités. Si c'est le cas, contacter le revendeur agréé ALPINE pour obtenir de l'assistance technique. • S'assurer de connecter les câbles d'enceinte (–) à la borne d'enceinte (–). Ne jamais connecter les câbles d'enceinte du canal gauche et droit l'un à l'autre ou à la carrosserie du véhicule.
NUMÉRO DE SÉRIE: DATE D'INSTALLATION: INSTALLATEUR: LIEU D'ACHAT: Avant de procéder à l'installation définitive, assurez-vous que l'écran ne gêne pas le changement des vitesses lorsqu'il est ouvert ou fermé à l'emplacement choisi.
, utilisez la vis appropriée en fonction de l'emplacement de montage choisi.
Broche de verrouillage
Glisser la gaine de montage dans le tableau de bord. Installer l'applique fournie au moniteur.
Quand l'appareil est en place, vérifiez que les broches de verrouillage sont complètement vers le bas. Pour cela appuyer fermement sur l'appareil tout en poussant la broche de verroillage vers le bas avec un petit tournevis. L'unité est maintenant verrouillée en place et elle ne sortira pas accidentellement du tableau de bord. Reposer le cadre frontal fournie. Dépose 1 Utiliser un petit tournevis (ou objet similaire) pour soulever les broches de verrouillage vers le haut (voir l'illustration ci-dessus). Chaque fois qu'une broche est débloquée, tier légèrement sur l'appareil pour qu'il ne se rebloque pas avnt de dévisser la broche suivante. 2 Extraire l'appareil, en le maintenant déverrouillé. <VOITURE JAPONAISE> Installation avec l'applique d'usine du véhicule. Conducteur de CVA-1003R mise à la terre
• Eloignez les câbles d'alimentation de la batterie le plus possible des autres câbles. • Raccordez solidement le fil de terre à un point métallique dénudé (enlevez la couche de peinture, de saleté ou de graisse si nécessaire) du châssis de la voiture. • Si vous rajoutez un filtre antiparasites en option, raccordez-le le plus loin possible de l'appareil. Contactez votre revendeur Alpine pour plus de détails sur les divers filtres antiparasites disponibles. • Consultez votre revendeur Alpine pour plus de détails sur les mesures de prévention contre les parasites.
Si nécessaire, utilisez un connecteur pressant pour raccorder le fil de frein de stationnement, etc.
Si un appareil avec la fonction d'interruption est connecté, le son sera automatiquement coupé dès la réception d'un signal d'interruption de l'appareil. 4 Fil de mise sous tension à distance (Bleu/Blanc) Raccordez ce fil au fil de mise sous tension à distance de l'amplificateur ou du processeur de signal. 5 Fil de frein de stationnement (Jaune/Bleu) Raccordez ce fil au côté alimentation du commutateur de frein de stationnement pour transmettre les signaux de position du frein de stationnement au CVA-1003R. 6 Fil d'illumination (Orange) Ce fil peut être connecté au fil d'illumination du conglomérat d'instruments du véhicule. Il permettra d'atténuer l'éclairage de fond du CVA-1003R quand la lumière du véhicule est allumée. 7 Fil d'alimentation commutée (Allumage)(Rouge) Raccordez ce fil à une borne libre de la boîte de fusibles du véhicule ou à une autre source électrique inutilisée qui fournit une alimentation de 12 V(+) seulement quand la clé de contact est sur marche ou dans la position accessoire. 8 Fil de masse (Noir) Raccordez ce fil à un point de masse approprié du châssis du véhicule. Assurez-vous de la solidité de la liaison au métal nu, et utilisez la vis à tôle fournie. 9 Fil d'antenne électrique (Bleu) Raccordez ce fil à la borne +B de votre antenne électrique, le cas échéant. REMARQUE
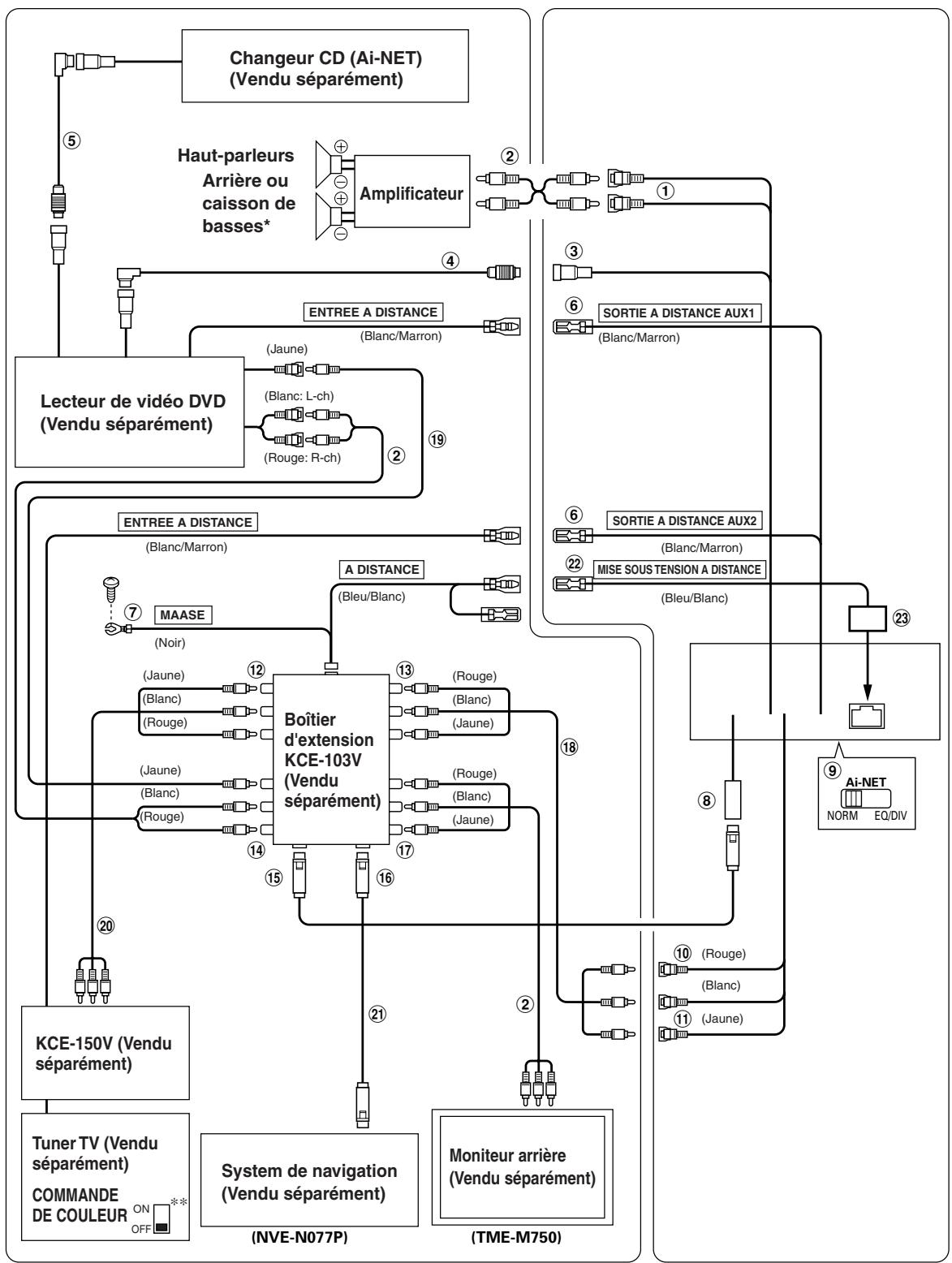
$ Connecteur d'interface de commande à distance Raccordez le à la boîte d'interface de commande à distance. % Fil de sortie de commande à distance (Blanc/ Marron) Raccordez ce fil au fil d'entrée de commande à distance. Ce fil trancemet les signaux de la télécommande. & Connecteur d'entrée RGB ( Connecteur d'alimentation ) Fil de sortie de haut-parleur arrière gauche (+) (Vert) Pour raccorder un égaliseur ou diviseur avec fonction Ai-NET, réglez ce commutateur sur la position EQ/ DIV. Si aucun appareil n'est raccordé, laissez le commutateur sur la position NORM. REMARQUE Veillez à éteindre l'appareil avant de changer la position du commutateur.
Raccordez ce fil à la borne (+) positive de la batterie du véhicule. " Porte-fusible (15A)
Si le caisson de basses est réglé sur ON: Le son est diffusé par le caisson de basses. Pour plus de details sur le réglage de caisson de basses sur ON/OFF, voir "Activation et désactivation du caisson de basses" sur la page 39.
4 Commutateur de système Pour raccorder un égaliseur ou diviseur avec fonction Ai-NET, réglez ce commutateur sur la position EQ/ DIV. Si aucun appareil n'est raccordé, laissez le commutateur sur la position NORM. REMARQUE Veillez à éteindre l'appareil avant de changer la position du commutateur. 5 Connecteur Ai-NET Raccordez ce connecteur au connecteur de sortie ou d'entrée d'un autre appareil équipé du système AiNET. 6 Câble Ai-NET (Fourni avec le lecteur de vidéo DVD) 7 Connecteur d'entrée RGB Raccordez le à la borne de sortie RGB du système de navigation.
" Fil de sortie de commande à distance (Blanc/ Marron) Raccordez ce fil au fil d'entrée de commande à distance. Ce fil trancemet les signaux de la télécommande. # Câble Ai-NET (Fourni avec le changeur CD) $ Câble Ai-NET (Fourni avec le changeur DVD) % Câble d'extension RCA (Fourni avec le changeur DVD) & Commutateur de sortie RGB/NTSC Pour afficher l'image du système de navigation sur le moniteur externe, réglez le commutateur sur la position de sortie NTSC.
Si le caisson de basses est réglé sur ON: Le son est diffusé par le caisson de basses. Pour plus de details sur le réglage de caisson de basses sur ON/OFF, voir "Activation et désactivation du caisson de basses" sur la page 39. ∗∗ Règle la commande de couleur du tuner TV sur OFF.
1 Connecteurs RCA de sortie arrière/caisson de basses ROUGE est est droit et BLANC est gauche. 2 Câble d'extension RCA (Vendu séparément) 3 Connecteur Ai-NET Raccordez ce connecteur au connecteur de sortie ou d'entrée d'un autre appareil équipé du système AiNET. 4 Câble Ai-NET (Fourni avec le lecteur de vidéo DVD) 5 Câble Ai-NET (Fourni avec le changeur CD) 6 Fil de sortie de commande à distance (Blanc/ Marron) Raccordez ce fil au fil d'entrée de commande à distance. Ce fil trancemet les signaux de la télécommande. 7 Fil de masse (Noir) Raccordez ce fil à un point de masse approprié du châssis du véhicule. Assurez-vous de la solidité de la liaison au métal nu, et utilisez la vis à tôle fournie. 8 Connecteur d'entrée RGB Raccordez le à la borne de sortie RGB de KCE-103V. 9 Commutateur de système Pour raccorder un égaliseur ou diviseur avec fonction Ai-NET, réglez ce commutateur sur la position EQ/ DIV. Si aucun appareil n'est raccordé, laissez le commutateur sur la position NORM.
% Vers les bornes d'entrée 1 AUX du KCE-103V & Raccordez ce connecteur à la borne d'entrée RGB du CVA-1003R. ( Raccordez ce connecteur à la borne RGB du système de navigation. ) Vers les bornes de sortie AUX du KCE-103V ~ Câble d'extension RCA (Fourni avec KCE-103V) + Câble d'extension RCA (Fourni avec le lecteur de vidéo DVD) , Câble d'extension RCA (Fourni avec le KCE150V) - Câble RGB (Fourni avec la navigation) . Fil de mise sous tension à distance (Bleu/Blanc) Raccordez ce fil au fil de mise sous tension à distance de l'amplificateur ou du processeur de signal. / Connecteur d'alimentation
! Connecteurs (AUX1) d'entrée audio AUX " Connecteur (AUX1) d'entrée vidéo AUX # Vers les bornes d'entrée 2 AUX du KCE-103V