DX46 - Processeur de signal ELECTRO-VOICE - Notice d'utilisation et mode d'emploi gratuit
Retrouvez gratuitement la notice de l'appareil DX46 ELECTRO-VOICE au format PDF.
| Type de produit | Processeur de signal numérique |
| Caractéristiques techniques principales | 4 entrées, 6 sorties, traitement numérique 24 bits/48 kHz |
| Alimentation électrique | Alimentation externe, 100-240 V AC |
| Dimensions approximatives | 1U de hauteur, 19 pouces de largeur |
| Poids | 1,5 kg |
| Compatibilités | Compatible avec divers systèmes audio professionnels |
| Fonctions principales | Égalisation, filtrage, gestion de la dynamique, retard |
| Entretien et nettoyage | Nettoyer avec un chiffon doux, éviter les produits abrasifs |
| Pièces détachées et réparabilité | Réparabilité limitée, pièces disponibles sur demande |
| Sécurité | Utiliser dans un environnement sec, éviter les chocs électriques |
| Informations générales utiles | Idéal pour les installations fixes et les tournées, configuration via interface utilisateur intuitive |
FOIRE AUX QUESTIONS - DX46 ELECTRO-VOICE
Questions des utilisateurs sur DX46 ELECTRO-VOICE
0 question sur cet appareil. Repondez a celles que vous connaissez ou posez la votre.
Poser une nouvelle question sur cet appareil
Téléchargez la notice de votre Processeur de signal au format PDF gratuitement ! Retrouvez votre notice DX46 - ELECTRO-VOICE et reprennez votre appareil électronique en main. Sur cette page sont publiés tous les documents nécessaires à l'utilisation de votre appareil DX46 de la marque ELECTRO-VOICE.
MODE D'EMPLOI DX46 ELECTRO-VOICE
Charactéristiques du Dx46 104
Déballage & Garantie 105
IRIS-Net 106
Prise en main 106
Contrôles & Connectique 109
Face avant 109
Panneau arrirée 112
Installation 114
117
Verrou - Accès à la face avant 121
Mode Run-Time 123
Écran LCD 123
Vu-mêtres 123
Vu-mètres de Réduction Gain en sortie 124
Boutons Mute des voies de sortie 124
Témoins de Fonction des voies de sortie 125
Rappel des préroglages 125
Preset Store 126
Edition 126
Parametres DSP 127
Configurations du Dx46 137
2 Way Stereo + Full Range 138
3 Way Stereo 139
4 Way + FR 140
5Way+FR 141
Free Configuration - Full Edit 2 In 6 Out 142
3 Way Stereo-MonoSub+FR 143
4 Way Stereo-MonoSub/LF 144
Modes de fonctionnement & Prépréglages 146
Specifications 148
EQ Plot Images 151
Le symbole „eclair“ à l'intérieur d'un triangle signale à l'utilisateur la présence dans l'appareil de cables et de contacts qui ne sont pas isolés, dans lesquels circule un courant électrique à haute tension, et qu'on ne doit enaucun cas toucher afin d'éviter de receivevoir une décharge électrique qui pourrait être mortelle.
Le symbole „point d'exclamation“ à l'intérieur d'un triangle signale à l'utilisateur les consignes importantes concernant la maintenance et l'emploi de l'appareil, il vous invite à dire le mode d'emploi accompagnant cet apparéil.
- Lisez ces instructions.
- Conserve ces instructions.
- Tenez compte des averissements.
- Respectez toutes les instructions.
- Ne pas utiliser cet appareil pres d'un point d'eau.
- Nettoyer uniquement à l'aide d'un chiffon sec.
- Nebloquezaucun des orifices de ventilation.Installe-les en respectant les instructions du fabricant.
- Ne l'installé pas près de sources de chaleur telles que radiateurs, poèles, ou autres apparèils produitant de la chaleur.
- Utilisez uniquement les accessoires specifiés par le fabricant.
- Adressez-vous toujours à un personnel qualifié pour toutes les réparations. Une révision est nécessaire lorsque l'appareil a été endommaged d'une manière quelconque: sa prise ou son cordon d'alimentation sont abimés, du liquide a été renversé ou des objets sont tombés à l'intérieur, l'appareil a été exposé à la pluie ou à l'humidité, son fonctionnement est anormal ou il a subi une chute.
- Ne pas exposer cet apparéil à la pluie ni aux éclaboussures et veiller à ce qu'aucun récipient, tel que vase, verre, etc., ne soit posé sur cet apparéil.
- Pour déconnecter complètement cet appeareil du secteur, il faut débrancher le cordon d'alimentation.
INSTRUCTIONS DE RÉPARATION IMPORTANTES
ATTENTION: Ces instructions de maintenance s'adressent uniquement a des techniciens qualifiés. Pour réduire le risque d'électrocution, n'effectuez aucune opération de maintenance autre que celles contenues dans les instructions d'utilisation, à moins d'être qualifié pour le faire. Confiez toutes ces interventions à un personnel qualifié.
- Les règes de sécurité telles qu'elles sont spécifiées par les directives EN 60065 (VDE 0860 / IEC 65) et CSA E65 - 94 doivent être observées lors de la réparation de l'appareil.
- L'usage d'un transformateur d'isoation est obligatoire pendant la maintenance lorsque l'appareil est ouvert, qu'il doit fonctionner et est branché sur le secteur.
- Mettez hors tension avant de brancher toute extension, changer la tension secteur ou celle de sortie en fonction.
- La distance minimum entre les éléments sous tension secteur et toute piece de métal accessible (boitier métallique), doit être de 3 mm entre phase. Ceci doit être respecté en permanence. La distance minimum entre les éléments sous tension secteur et tout commutateur ou interrupteur non connecté au secteur ( éléments secondaires) doit être de 6 mm. Ceci doit être respecté en permanence.
- Le remplacement de composants spéciaux qui sont marqués d'un symbole de sécurité (Remarque) sur le schéma de princip n'est autorisé qu'en utilisant des pieces d'origine.
- La modification des circuits sans autorisation ou avis préalable n'est pas permise.
- Toutes les règlementations concernant la sécurité du travail en vigueur dans le pays où l'appareil est réparé doit être strictement observées. Ceci s'applique également aux règlementations concernant le lieu de travail lui-même.
- Toutes les instructions concernant la manipulation de circuits MOS doivent etre respectees.
REMARQUE:

COMPOSANT DE SECURITE (NE DOIT ETRE REMPLACÉ QUE PART UNE PIECE D'ORIGINE)
Gestion du RREE (recyclage des équipements electriques et electroniques) (applicable dans les états membres de l'Union Européenne et autres pays Européens, avec des réglementations nationales spécifiques sur la gestion du RREE). Le symbole apposé sur le produit ou sur son emballage indique que ce produit ne peut pas être traité comme un déchet domestique normal, mais doit être conditionné et returné à son revendeur d'origine.
1 Présentation

Menu Processing pour
- EQ Paramétrique
- EQ Graphique
- Délay d'entrée
- Réglages Array
Vu-metre de Réduction de Gain en sortie, Témoins de fonction des voies de sortie et Vu-mêtres de sortie

Boutons de Contrôle pour EQ Paramétrique, Cross-Over, Délai et Niveau
Boutons Mute des voies de sortie
2 Introduction
Merci d'avoir choisi le traitement de signal numérique Electro-Voice Dx46. Le Dx46 (Digital System Processor) est un traitement de signal numérique universel à deux entrées, six sorties ayant une grande souplesse de configuration ce qui lui permet de:gérer une multitude de besoin et d'applications audio; qu'il s'agisse de systèmes de sonorisation installés en permanence, lieux de culte, de lieux de conventions et de meetings, de tournées de concerts, de clubs, ou d'une sono portable, etc.
ATTENTION: Afin d'obtenir des performances optimum et éviter d'endommager le processeur, ou votre équipement sonore, ou encore vos oreilles, veuillez dire, comprendre et respecter toutes les instructions mentionnées dans ce mode d'emploi. Le non respect de ces consignes pourrait être la cause de mauvaises performances, de pertes ou de blessures.
2.1 Caractéristiques du Dx46
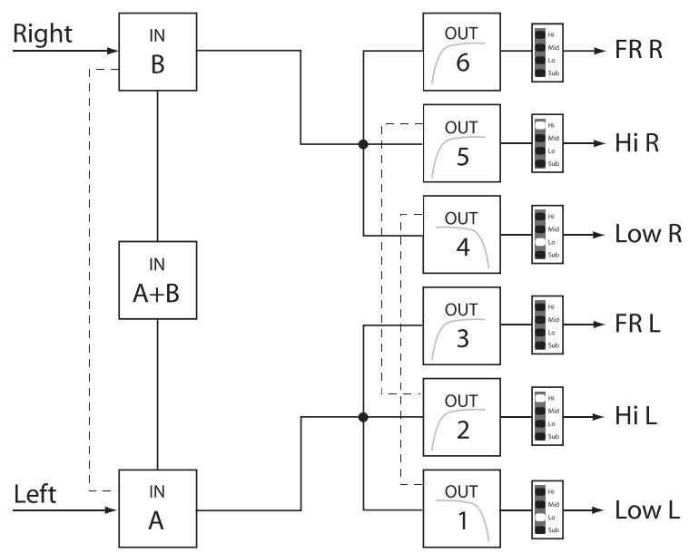
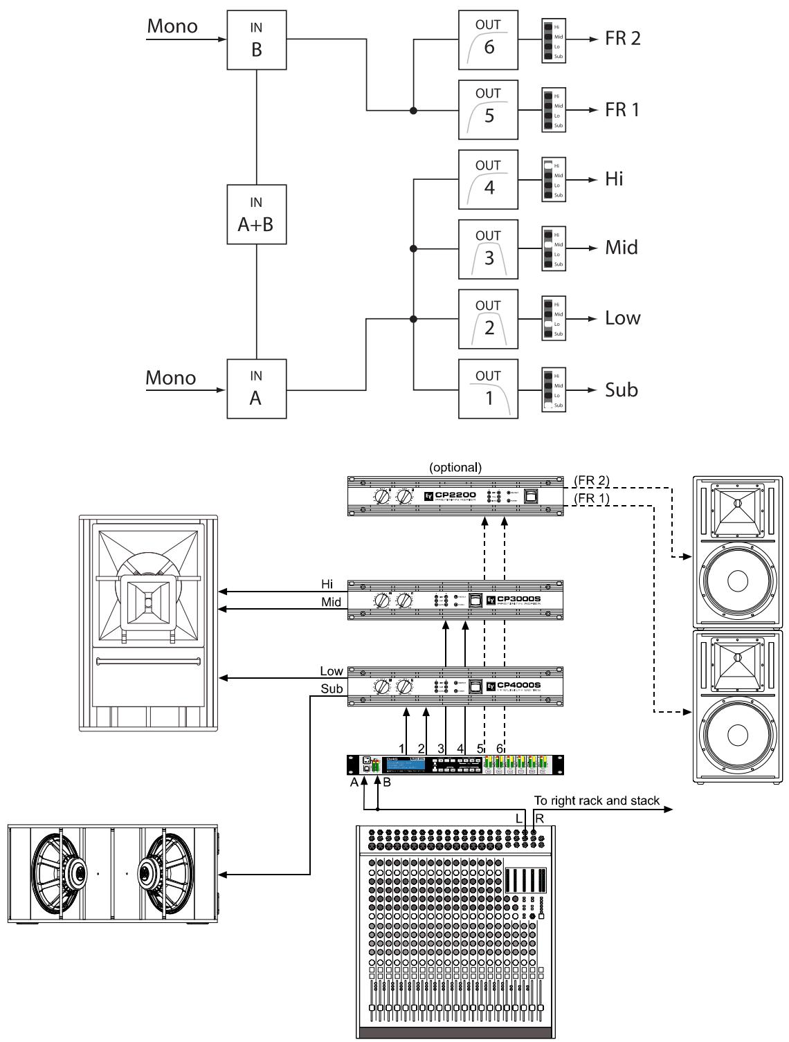
La structure interne de traitement du signal peut être configure en 2 voies stéreo + full-range, 3 voies stéreo, 4 voies mono + fullrange, 5 voies mono + full range, 3 voies stéreo avec mono sub + full-range, 4 voies stéreo avec mono sub et basse fréquence et enfin comme routeur matriciel 2 × 6 entièrement assignable.
Le Dx46 remplace à lui seul les racks entiers de processeurs de signal qui étaient nécessaires jusqu'à maintainant pour configurer et contrôler correctement les systèmes de sonorisation avec un seul processeur Dual-Core DSP. Les avantages considérables du Dx46 sur les racks de systèmes de traitement du signal incluent:
- Traitément du signal numérique en 24 bits, 48 kHz
- Pas de câblage qui pourrait cause des pannes ou ajouter du bruit
Structure de gain optimale à tous les étages du traitement du signal; pas de disparité de gain d'un processeur à l'autre - Prérglages d'usine et utiliseur pouvant'être rappelés; reconfiguration instantanée du système pour l'adapter à différentes applications et performances
- Fonctionnement simple et intuitif; édition depuis un PC et IRIS-Net
FIR-DRIVE
Le Dx46 comporte des filtres à réponse d'impulsion finie (Finite Impulse Response - FIR) à chaque sortie apportant une linéarisation des haut-parleurs. Les filtres FIR apportent les avantages suivants, par rapport aux filtres IIR (Bessel, Butterworth,...).
- Réponse en fréquence extrémement linéaire
- Coupe-bande à très forté atténuation
- Systemes à phase linéaire
De plus, FIR-DRIVE permet la linéarisation de la fréquence et de la phase des vos haut-parleurs Electro-Voice. L'activation de FIR-DRIVE est aussi simple que d'installer un haut-parleur FIR. Le réglage s'effectue dans la voie de sortie du Dx46. Le logiciel IRIS-Net sert à charger les réglages de haut-parleurs (Speaker Settings), et la plupart des réglages de haut-parleurs Electro-Voice FIR sont inclus. Veuillez vous reporter à la documentation IRIS-Net pour plus de détails sur l'utilisation des réglages de haut-parleurs.
Chaque processeur du système numérique Dx46 inclut les blocs de traitement du signal suivants:
ENTRÉES
- Détction de la tonalité Pilote
VU-Metre d'entree - Entrées analogiques ou AES/EBU
Convertisseurs A/N 24 bits, 48kHz - Égaliseur paramétrique 10 bandes
- Égaliseur graphique 31 bandes
Delay
ROUTEUR MATRICIEL / MIXEUR
- Deux entrées (stéreo)
- Entrée avec sommation mono gauche / droite
- Six sorties assignables
SORTIES (CHACUNE)
- Contrôle Array (Égaliseur paramétrique 5 bandes + delay)
- Filtrage (filtres salle-haut / salle-bas), avec type de filtre selectionnable
Égaliseur paramétrique 6 bandes
Filtre FIR avec 512 Taps
Delay - Polarité
- Limiteur détectant les créées RMS par anticipation
- TEMP Limiteur pour la protection des haut-parleurs
- Niveau (Level) & Mute
- Convertisseurs A/N 24 bits, 48 kHz D/A
- Générateur de tonalité Pilote
VU-mêtes - Affichage des assignations de sortie par LED; sub, low, mid & high
- Bouton Mute
VU-mêtres de réduction de gain
AUTRES FONCTIONNALITES:
- Entrées et sorties XLR symétrisées électroniquement
- Connecteurs XLR Thru (analogue + AES/EBU)
- Niveau d'entrée -6 dB commutable
- Générateur de Test (sinusoidal, bruit rose, bruit blanc)
- Interface à fermeture par contact
- Port USB en face avant pour la connexion à un PC muni du logiciel IRIS-Net; édition des préréglages, contrôle et monitoring en temps réel des paramètres.
- Mises à jour du micrologiciel via le port USB ou le port Ethernet
- Mémoire FLASH pour le stockage des prêrglages et la mise à jour du micrologiciel
- Écran LCD graphique 192 x 32 rétro-eclaire
- Navigation / commands d'édition sur LCD
Raccourcis pour la navigation entre blocs du DSP
Alimentation interne auto-régulée; 100-240 V AC, 50-60 Hz - Entrée secteur au standard IEC avec fusible externe replacable
2.2 Déballage & Garantie
Sortir delicatement le Dx46 de son emballage et des matériaux de protection. Veuillez conserver tous les matériaux d'emballage et le carton, au cas où vous devriez returner le Dx46 pour une intervention sous garantie. Sont fournis avec le Dx46: le present Mode d'Emploi, la carte de garantie et le cordon secteur. Contactez votre distributeur, revendeur ou installerateur si un des ces éléments est manquant. Veuillez conserver le certificat de garantie et le reçu ou la facture qui devront êtreprésentés au moment de l'intervention sous garantie pour que cette-ci soit prise en compte.
2.3 IRIS-Net
Le logiciel pour PC IRIS-Net (Intelligent Remote & Integrated Supervision) sert à configurer et à faire fonctionner le Dx46. La configuration du Dx46 peut se faire indépendamment (sans connexion entre le PC et le Dx46) sur le PC. ÀpRES avoir établi la liaison entre le PC et le Dx46 via Ethernet ou USB, la configuration peut être transmise au Dx46. En plus des configurations, IRIS-Net peut aussi servir à la surveillance, au contrôle et au monitoring du Dx46. La dernière version du logiciel IRIS-Net est disponible sur www.electro-voice.com.

2.4 Prise en main
BRANCHEMENT DU DX46
Connector les entrées et sorties de signal du Dx46 (console - Dx46 - amplificateur). Vérifier que chaque sortie est connectée au bon amplificateur et haut-parleur(s). Le Dx46 ne doit être banché sur le secteur qu'au moyen du cordon fourni (IEC A.C). ou au moyen d'un cordon d'alimentation fourni par le revendeur / installerateur satisfaisant à la réglementation de votre pays ou configuration région. ÀpRES la mise sous tension, le numéro et le nom du dernier préréglage charge et le mode de configuration est affché.

RAPPEL D'UN PRÉRÉGLAGE
Presser le bouton Recall et selectionner le preréglage d'usine correspondant à votre configuration de haut-parleurs. Presser à nouveau le bouton Recall pour activer ce preréglage. Si la configuration du Dx46 change le bouton Recall devra être pressé une troisième fois. Les LED de configuration indiquent la fonction de chaque voie de sortie. Full range est indiqué par toutes les LED allumées.
Illustration 2-1: Témoins de fonction de voie de sortie

ATTENTION: Les réglages des paramètres des prééglages d'usine du Dx46 sont parfaitement optimisés et ne doivent pas été changés. Particulièrement la modification des réglages X-Over, PEQ ou Limiter pourrait endommager vos hautparleurs.
Les étapes suivantes décrivent le réglage d'une seule voie de sortie.
CONFIGURATION DU NIVEAU (LEVEL)
Presser le bouton Level pour ouvrir le dialogue Level/Limiter.
Le paramètre Level permet de régler le rapport de niveau entre les haut-parleurs de graves (sub) et d'aigus (top). Par ex. Si les paramètres d'un préréglage ont été optimisés pour 2 subs vous pouvez augmenter le réglage Sub Level de 6 dB si vous n'utilise qu'un seul sub dans votre application. A l'inverse, vous pouvez réduire le réglage Top Level de 6 dB.
SELECTION DU TYPE D'AMPLIFICATEUR
Selectionner le type d'ampli de puissance connecté au Dx46 à l'aide du parametre Amp. Veuillez notes qu'il existe de multiples cases pour un type d'amplificateur si celui-ci dispose de plusieurs réglages de sensibilité.
Si le type d'amplificateur connecté au Dx46 ne figure pas dans la liste, selectionner l'option User. Dans ce cas, vous devrez ajuster manuellement le paramètre Gain. Vérifier les caractéristiques techniques de votre amplificateur pour la valeur du gain.
Si la valeur de gain correcte vous est inconnue, régler le paramètre Amp sur Default. Pour ce réglage un gain de 39 dB est utilisé, c'est suffisant pour la plupart des amplificateurs. En sélectionnant le bon type d'amplificateur les régages de limiteur de la voie sont adaptés automatiquement, afin que les haut-parleurs connectés soient protégés convenablement. Vérifier que le niveau de l'amplificateur est régé sur 0 dB pour obtenir la puissance maximum des amplis.
CONFIGURATION DU DELAY
Le Dx46 peut servir à compenser le positionnement des enceintes ou du réseau de haut-parleurs les uns par rapport aux autres ou par rapport à la source sonore d'origine. Presser le bouton SPEAKER Delay pour régler une ou plusieurs voies de sortie, puis selectionner Active dans ce dialogue. Sélectionner l'Unité voulue (l'usage du cm est recommandé) et modifier le réglage du paramètre Delay.
Il est important de régler une valeur de Delay correcte pour éviter toute annulation acoustique des signaux. Par exemple, si vous utilisez les deux voies fullrange de la configuration "2way + FR" comme lignes à retard, le Delay de ces deux voies devra être régé en fonction de la distance par rapport à la sono principale. Si tous les haut-parleurs connectés seront de ligne à retard, ou si la sono principale doit être déplacée acoustiquement "à l'arrière de la-scène", le paramètre Input Delay des voies d'entrée A et/ou B devra être utilisé. Presser le bouton USER Delay afin d'utiliser le delay d'entrée (Input Delay), un maximum de 2 secondes de Delay est disponible pour chaque entrée.
CONFIGURATION DE L'EGALISEUR
Utiliser le GEO (31 bandes) et le PEQ (10 bandes) de chaque voie d'entrée pour ajuster le son de votre système aux caractéristiques de la musique. Presser le bouton USER PEQ ou GEO pour acceder aux dialogues de l'égaliser.
IN A:PEQ1 Active
Type: Hipass F: 20000.0Hz
Slope: 12dB/oc t Q: 2.0
3 Contrôles & Connectique
3.1 Face avant

1 - CONNECTOR USB
Port USB 1.1 pour la connexion à un PC fonctionnant sous Windows XP, Vista ou 7. La connexion à un PC permet de faire fonctionner l'application IRIS-Net. Le Dx46 peut être facilement commandé, edited et configuré pour son installation grâce à cette interface intuitive simple à utiliser. Les mises à jour du micrologiciel disponibles sont telé-chargeables depuis le site web www.electro-voice.com et peuvent être chargees dans l'appareil via son port USB; les mises à jour sont ainsi très simples à effectuer.
2 - INPUT: VU-MÉTRES DE NIVEAU D'ENTRÉE
Le Dx46 ne dispose pas par lui-même de contrôle du niveau d'entrée. Un réglage ajustat du niveau d'entrée sera obtenu en réglant le niveau de sortie provenant des bus de sortie (L/R) de la console connectée (ou de tout autre équipement de sortie audio), puisque la plupart des sorties des consoles d'aujourd'hui sont calibrées en dBu. Si la console fonctionne à un niveau optimal, il en sera de même pour le Dx46. Les Vu-mêtres d'entrée surveillent le niveau des entrées analogiques ou AES-EBU, en fonction du mode d'entrée sélection dans le menu Setup (Configuration). Une performance signal/bruit optimale sera obtenu lorsque le niveau d'entrée nominal (moyenne), allume régulièrement les témoins à LED +6dBu (vert) et / ou +12dBu (jaune). comme le Dx46 est un apparéil audio numérique – et que l'écrêtage numérique produit des résultats fort déplaisants, le tímoin à LED Clip (rouge) ne doit pas s'allumer. Si l'entrée du Dx46 produit un écrêtage, réduisez le niveau de sortie de la console connectée. Le bouton PAD -6dB peut également servir à régler le niveau d'entrée.
3 - ÉCRAN LCD
L'écran LCD graphique 192 x 32 rétro-éclairé permet de contrôle et d'editor les paramètres du Dx46 sans l'aide d'un ordinateur. Le contraste se règle dans le menu Setup (Configuration) en fonction des diverses conditions d'éclairage et angles de vue. L'écran LCD fonctionne en konjction avec les boutons de menu, < SELECT > et VALUE - pour contrôle, explorer et editor les paramètres du Dx46. En mode Run, l'écran LCD affiche le numéro et le nom du préréglage d'usine ou utiliseur sélectionné. Appuyer sur les boutons Recall ou Store permit de passer à ces menus respectifs. Appuyer sur les boutons de menu Edit ou Setup affiche les derniers paramètres edits. En mode Edit et Setup, la ligne du haut de l'écran LCD montre l'écran d'édition du paramètre actuellément sélectionné. Utilisez les boutons < SELECT > pour activer la ligne du haut de l'écran, et les boutons VALUE haut/bas pour faire défilier les écrans d'édition des paramètres disponibles.
4/5 - BOUTONS VALUE HAUT/BAS
En fonction de l'écran LCD affiché, les boutons Value Haut/Bas exécutent les fonctions suivantes:
- Rappel - Sélection en avant ou en arrière dans la liste afin de rappeler un des prêrglages en mémoire.
- Stocker - Sélection d'une destination en avant ou en arrêt dans les User Presets pour y memoriser le préréglage actuellément édité, défillement vers l'avant des caractères ANSI pour donner un nom au préréglage.
- Edition / Configuration - défillement en avant ou en arrêt des écrans Edit / Setup lorsque la ligne du haut de l'écran LCD est active. Défillement vers l'avant des valeurs pour le paramètre sélectionné dans un des écrans Edit / Setup.
Presser le bouton Edit en mode Run place le préréglage actuel en Mode Edit et le bouton Edit s'allume. L'écran LCD affiche le dernier écran d'édition ayant été selectionné. Dès lors, tout écran d'édition peut être affiché et modifié. Appuyer à nouveau sur le bouton Edit afin de "comperer" le préréglage modifié, si les paramètres ont été modifiés, avec le préréglage d'original non-modifié. Cette fonction de comparaison permet d'écouter alternatively les paramètres modifiés et les réglages précédemment mémorisés, afin d'entendre l'effet apporté par tout changement de réglage du DSP. Utiliser cette fonction pour surveiller les progrès de l'édition ou de la création de préréglages. Le rappel consécutif d'un nouveau préréglage sera précédé de l'affichage d'un avertissement vous demandant de sauvégarder les changements effectués, ce que vous pouze faire ou ne pas faire.
7 - BOUTON SETUP
Presser le bouton Setup en mode Run affiche les menus Setup (Configuration) sur l'écran LCD et le bouton Setup s'allume. Dans ce mode, n'importe quel menu Setup peut être affché et modifié. Les changements apportés aux options du menu Setup sont automatiquement sauvégardés. Pour quitter le mode Setup, appuyer à nouveau sur le bouton Setup. L'écran LCD reviendra au mode Run.
8 - BOUTON SELECT <
Le bouton SELECT <sert à naviguer vers l'arrête dans les menus Edit, Setup et / ou Recall affichés. Le bouton passage de manière cyclique par tous les champs de valeurs disponibles en allant du premier au dernier.
9 - BOUTON SELECT >
Le bouton SELECT > sert à naviguer vers l'arrière dans les menus Edit, Setup et / ou Recall affichés. Le bouton passage de manière cyclique par tous les champs de valeurs disponibles en allant du dernier au premier.
10 - BOUTON STORE
Presser le bouton Store en mode Run affiche l'écran de mémorisation de préréglage (Store Preset) sur l'écran LCD et le bouton Store s'allume. Dans cet écran les préréglages modifiés peuvent être nommés et sauvégardés dans un emplacement User Preset. Appuyer à nouveau sur le bouton Store pour terminer l'opération de sauvégarde du préréglage. Pour quitter sans mémoriser le préréglage actuel, presser le bouton Edit ou Setup afin de revenir au mode Run.
11 - BOUTON RECALL
Presser le bouton Recall en mode Run affiche l'écran de rappel de préréglage (Recall Preset) dans l'écran LCD et le bouton Recall s'allume. Dans cet écran, un des 60 préréglages d'usine ou des 30 préréglages utilisateur peut être rappelé en mémoire. Appuyer à nouveau sur le bouton Recall pour terminer l'opération de chargement du préréglage et revenir au mode Run. Pour quitter sans charger le préréglage actuel, presser le bouton Edit ou Setup afin de revenir au mode Run.
12 - BOUTON USER PEQ
Presser le bouton USER PEQ pour placer le préréglage actuel en Mode Edit et passer au premier écran de l'égal-iseur paramétrique. Les appuis suivants sur ce bouton font passer l'affichage de l'entrée A (Input A) à B (Input B).
13 - BOUTON USER GEO
Presser le bouton USER GEQ pour placer le préréglage actuel en Mode Edit et passer au premier écran de l'égal-iseur graphique. Les appuis suivants sur ce bouton font passer l'affichage de l'entrée A (Input A) à B (Input B).
14 - BOUTON USER DELAY
Presser le bouton USER Delay pour placer le préréglage actuel en Mode Edit et passer à l'écran User Delay. Les appuis suivants sur ce bouton font passer l'affichage de l'entrée A (Input A) à B (Input B).
15 - BOUTON USER ARRAY
Presser le bouton ARRAY pour placer le préréglage actuel en Mode Edit et passer au premier écran Array. Les appuis suivants sur ce bouton font défilier les voies de sorties disponibles (en fonction de la configuration).
16 - BOUTON SPEAKER PEQ
Presser le bouton SPEAKER PEQ pour placer le préréglage actuel en Mode Edit et passer au premier écran SPEAKER Parametric Equalizer. Les appuis suivants sur ce bouton font défilier les voies de sorties disponibles (en fonction de la configuration).
17 - BOUTON SPEAKER X-OVER
Presser le bouton SPEAKER X-Over pour placer le préréglage actuel en Mode Edit et passer au premier écran Output Channel Cross-Over (Cross-Over de la voie de sortie). Les appuis suivants sur ce bouton font défilier les voies de sorties disponibles (en fonction de la configuration).
18 - BOUTON SPEAKER DELAY
Presser le bouton Delay pour placer le préréglage actuel en Mode Edit et passer à l'écran SPEAKER Delay. Les appuis suivants sur ce bouton font défilier les voies de sorties disponibles (en fonction de la configuration).
Presser le bouton Level pour placer le préréglage actuel en Mode Edit et passer à l'écran SPEAKER Level. Les appuis suivants sur ce bouton font défilier les voies de sorties disponibles (en fonction de la configuration). Presser et maintainir le bouton SPEAKER Level pendant 4 secondes pour acceder à l'écran Limiter. Les appuis suivants sur ce bouton font défilier les voies de sorties disponibles (en fonction de la configuration).
20 - OUTPUT: VU-MÉTRES DE NIVEAU DE SORTIE
Chaque voie de sortie est équipée d'un vu-metre à huit segments. Les caractéristiques de la réponse du vu-metre peuvent être sélectionnées dans le menu Setup:
Le segment jaune indique qu'il n'y a plus de réserve pour la reférence VU sélectionnée, c'est-à-dire le convertisseur N/A (D/A Converter Clip) ou le seuil du limiteur (Limiter Threshold). Les segments rouges indiquent un écrétage des convertisseurs N/A ce qui doit être absolument évité en réglant le niveau de la voie de sortie. Il est important de
comprétre comment fonctionnent les vumêtres et ce qu'ils indiquent. Les vu-mêtres de sortie sont affichés sous la forme "dB / seuil du Limiteur". En d'autres termes, ces vumêtres affichent la réserve entre le niveau de sortie et le seuil du limiteur. Lorsqu'ils sont observés en konjection avec les vu-mêtres de Réduction de Gain, ils fournissant une indication complète du niveau et de la réserve avant et après qu'une limitation a été engagée pour permettre d'optimiser les niveaux du système. Cela signifie également que l'affichage du vu-mêtre de sortie sera différent en fonction du réglage de seuil du limiteur.
21 - OUTPUT: VU-MÉTRES DE RÉDUCTION GAIN EN SORTIE
Chaque voie de sortie est équipée d'un vu-metre de réduction de gain à quatre segments indiquant l'effet du Limiteur sur la voie de sortie; -3 dB à -12 dB.
22 - BOUTONS MUTE DE VOIE DE SORTIE
Chaque voie de sortie est équipée d'un bouton Mute éclairé. Presser le bouton Mute coupe la sortie de cette voie. Le bouton s'allume en rouge pour le signaler. Appuyer à nouveau sur le bouton Mute afin de restaurer le signal de la voie de sortie. Les voies de sortie peuvent également être coupées (Mute) à partir de l'Application IRIS-Net, si l'appareil est connecté à un PC. Le fait de couper une voie (Mute) dans une des fenêtres de l'application allumera également le bouton Mute de la voie sur l'appareil.
23 - OUTPUT: TÉMOINS DE FONCTION DE VOIE DE SORTIE
Chaque voie de sortie est équipée d'un afficheur à quatre segments dont le role est uniquement informatif. Dans chacune des configurations possibles avec le Dx46, une voie de sortie peut être identifiée comme une sortie sub, low, low/mid, mid, mid/hi, hi ou full range. Une ou deux LED adjacentes sont affichées pour indiquer toutes les combinaisons passé-bande possibles en sortie. (Full Range est indiqué par toutes les LED éteintes.)
3.2 Panneau arrête

24 - ENTREE SECTEUR
Le Dx46 est équipé d'une entrée secteur A.C. au standard IEC acceptant les cordons secteurs universels. L'alimentation du Dx46 est de type auto-régulée et peut accepter des tensions de 100 - 240 V AC, 50 - 60 Hz. Seuls les cordons secteurs approuvés pour cet usage dans votre pays peuvent être connectés au Dx46.
25 - FUSIBLE SECTEUR
L'entrée secteur est équipée d'un compartment contenant un fusible secteur ainsi qu'un fusible de rechange. Lorsque c'est nécessaire, replacer le fusible par un autre du même type : 5x20mm, T800 mA, L250 V. Débrancher le cordon secteur avant de replacer le fusible. Avant de remettre l'appareil sous tension, vérifier le fonctionnement de la prise secteur sur laquelle est branché le Dx46. Si les fusibles continuent de sauter, confier la maintenance du Dx46 uniquement à un personnel qualifié.
26 - INTERRUPTEUR SECTEUR
Cet interrupteur met le Dx46 sous et hors tension.
27 - PORT CONTROL
Le PORT CONTROL du Dx46 fournit cinq entrées de contrôle et une connexion de référence pour la terre. Les entrées de contrôle peuvent servir à rappeler les prérogliages.
28 - INTERFACE ETHERNET
Un ordinateur et/ou autres périhériques Ethernet ( comme le Dx46, N8000 ) peuvent être connectés via l'interface Ethernet pour établier des réseaux Ethernet 100Base-TX / 10Base-T. Normalement cette connexion est établie via un cable Ethernet standard (droit) et un hub ( concentrateur) ou un switch Ethernet. Le Dx46 peut être connecté directement à un ordinateur ou à un autre Dx46 à l'aide d'un cable Ethernet standard ou croisé.
29 - SORTIES XLR SYMÉTRISÉES
Chaque voie de sortie est equipée d'un connecteur XLR symétrisélectroniquement pour le branchement à des amplificateurs. Chaque voie de sortie peut restituer différentes gâmes de fréquences en fonction de son assignation et des réglages de filtrage.
ATTENTION: Il faut s'assurer que chaque sortie est connectée à un amplificateur et haut-parleur approprié pour éviter tout dommage ou des résultats inattendus. Notez qu'un nouveau préréglage peut changer l'assignation d'une voie et sa gamme de fréquence. Par exemple, une sortie assignée à des haut-parleurs d'aigus dans un certain préréglage, peut être assignée comme sortie sub-bass dans un autre. Voir "Configurations du Dx46".
Le port AES/EBU THRU permet de transmettre le signal audio numérique aux autres apparciels. Le signal d'entree numérique passage par une memoire tampon et est retraite en interne (adaptation du niveau / slew rate) avant de ressortir via le connecteur THRU. Ceci permet un cablage plus simple entre les apparciels, il n'est plus nécessaire d'avoir des amplis de distribution AES/EBU comme c'est le cas habituelflement. Le Dx46 est equiped'un relais bypass, qui, en cas de dommage (ex. baisse de tension), raccorde directement le signal AES/EBU INPUT au AES/EBU THRU. Ceci assure un fonctionnement sans probleme des apparciels reliés.
31 - ENTRÉE AES/EBU
En plus des entrées audio analogiques, une entrée numérique AES/EBU stéreo est fournie et peut être seLECTIONnée dans le menu Setup. Cette entrée est conforme au standard IEC 60958 Type I. Les connexions doivent être faites à l'aide de cables à trois conducteurs, 110 Ohms, avec paire torsadée et une prise XLR. Des signaux audio numériques au format AES3 ayant une fréquence d'échantillonnage de 32kHz à 192kHz peuvent être connectés. Notez que la longueur maximum du cable dépend de la fréquence d'échantillonnage.
32 - TÉMOIN LOCK
Le témoin à LED LOCK s'allume en vert dés que l'entrée AES/EBU a été synchronisée au signal entrant, signalant ainsi qu'une transmission audio correcte a été établie. La LED LOCK est étente lorsqu'aucun signal audio numérique n'est present à l'entrée ou lorsque le PLL interne n'a pas été verrouillé sur le signal entrant.
33 - XLR THRU SYMÉTRISÉ
Chaque entrée audio analogique est connectée à une sortie bufferisée et symétrisée électroniquement via une prise Thru. Le signal ne subit aucune conversion ou traitement numérique. Ces connecteurs servent à faire passer audio vers un second Dx46 utilisé comme esclave ou vers d'autres entrées audio du système.
34 - ENTRÉE XLR SYMÉTRISÉE
Chaque entrée est équipée d'un connecteur XLR symétrisé électroniquement avec verrouillage. En modes stéreo ou dual, les connexions des deux entrées doivent être faites. En modes mono, une seule connexion est nécessaire, habituellement à l'entrée A.
35 - TÉMOIN 6DB
Les niveaux d'entrée vers le Dx46 peuvent être réduits de 6dB avant le convertisseur A/N afin de compenser une sortie de niveau élevé provenant de consoles et autres équipements audio. Pour obtenir des performances ideales en termes de rapport signal/Bruit lors de la connexion du Dx46 à des apparciels ayant un fort niveau de sortie, engager le pad 6dB plutôt que de baisser la sortie de l'appareil connecté. Les vu-mêtres de niveau d'entrée du Dx46 (2) indiqueront le niveau du signal entrant et si une atténuation est nécessaire. Ce tímein reste allumé en jaune lorsque le PAD 6dB est activé.
3.3 Installation
Pour un fonctionnement correct, toutes les instructions concernant l'installation et les branchements doivent'être respectées.
MONTAGE
Le Dx46 doit être monté dans une armoire ou une structure de rack. L'appareil mesure 1RU de haut sur 14" (353 mm) de profondeur. Il faut laisser un dégagement suffisant autour de l'appareil pour la circulation de l'air. Ne pas obstruer les orifices de ventilation de l'appareil. Les quatre points de montage fournis par le rack doivent être fixés.
BRANCHEMENT SECTEUR
Le Dx46 doit être relié au secteur uniquement à l'aide du cordon secteur IEC fournir par le revendeur / installerateur afin de respecter la réglementation en vigueur dans votre pays ou région. Le Dx46 doit être connecté uniquement à une prise secteur correctement cablee, à trois fiches, avec prise de terre. L'alimentation électrique peut être 100 - 240VAC, 50 - 60Hz. L'alimentation interne du Dx46 est de type auto-régulée; aucun réglage n'est nécessaire pour l'adapter.
CABLES AUDIO (ANALOGIQUES)
Toujours employer des cables audio correctement blindés pour connecter le Dx46.
Connexions Entrée / Sortie symétrisées
Afin de réduire le bruit induit causé par les cables audio et pouvoir augmenter la longueur des cables utilisés, des connexions symétrisées sont fortement recommendées, à la fois pour les entrées et les sorties.
Les prises XLR fournies sur le Dx46 sont configurées comme ceci : point 1 = masse, point 2 = point chaud (+), point = 3 point froid (-). Le blinding des cables doit être connecté au point 1. Les cables XLR/XLR ou les cables jack 6.35 mm stériso/XLR peuvent tous deux être utilisés pour des connexions symétrisées au Dx46.

Illustration 3-1: Cables audio sympétrisés


Connexions Entrée / Sortie non-symétrisées
Des connexions non-symétrisées peuvent être utilisées, bien que dans ce cas, le bruit induit causé par les cables puisse augmenter. La longueur des cables doit être inférieure à 15" (5 m). Les connexions non-symétrisées peuvent également avoir un niveau abaiscé de 6dB. Pour faire correspondre le niveau audio obtenu avec une connexion symétrisée, il est nécessaire de relier le point 3 à la masse du connecteur XLR. Ce qui peut augmenter le bruit.

Illustration 3-2: Câbles audio non symétrisés

Une entrée numérique AES/EBU (AES3) est fournie en plus de l'entrée analogue. Le signal d'entrée numérique doit être relié au connecteur AES/EBU INPUT. L'entrée AES/EBU est une entrée symétrisée isolée par transformateur. Un convertisseur de fréquence d'échantillonnage transforme le signal d'entrée pour qu'il corresponde à la fréquence d'échantillonnage interne. Les prises XLR qui équipent le Dx46 sont configurées ainsi : point 1 terre, point 2 chaud (+), point 3 froid (-). Un cable blindé doit être connecté au point 1. Des cables XLR - XLR ou des cables Jack 14 stéreo - XLR peuvent tous deux être utilisés pour étabir des connexions symétrisées avec le Dx46.
CONSEIL: Les connexions doivent utiliser un câblage avec paire torsadée à trois conducteurs, 110 Ohms.
ETHERNET
En reliant le Dx46 via l'interface Ethernet, la communication entre le Dx46 et un ou plusieurs PC est possible. Ceci permet la configuration du Dx46 via le logiciel IRIS-Net. L'interface Ethernet située à l'arrière du Dx46 est un connecteur RJ-45 (8P8C). Les deux standards Ethernet 10Base-T et 100Base-TX sont tous deux compatibles.
LEDs d'etat
L'etat de l'interface Ethernet est indiqué par une LED orange et une LED verte. Si l'interface Ethernet n'est pas utilisée ces deux LEDs sont éteintes. La LED orange Link à gauche de l'interface Ethernet s'allume lorsque le Dx46 a établi une liaison Ethernet avec un autre appeareil, par ex. un autre Dx46 ou un switch Ethernet. La LED verte de traffic réseau LED à droite de l'interface Ethernet s'allume lorsque un paquet de données est envoyé ou reçu.
PORT CONTROL
Le PORT CONTROL du Dx46 fournit cinq entrées de contrôle et une connexion de référence pour la terre. Les entrées de contrôle peuvent être activées à l'aide d'interrupteurs externes, de boutons poussoirs ou de relais; pour les relier au potentiel de masse, voir l'exemple suivant.

PORT USB
La connexion du Dx46 à un PC pour le faire fonctionner via l'application IRIS-Net peut aussi s'effectuer via le port USB de la face avant. Ce port est conforme à la Specification USB 1.1 Type B. Les cables USB Type B sont disponibles chez les revendeurs de matériel informatique. Selon la norme USB, le cable connecté à cette interface ne doit pas dépasser 5 mètres. L'interface USB du Dx46 est un connecteur USB B (femelle).
CONNEXION A DES AMPLIFICATEURS
Il est très important de vérifier le branchement correct de tous les amplificateurs. Le Dx46 a la possibilité de configurer chacune de ses sorties selon une gamme de fréquences spécifique; sub, low freq. mid freq, high freq. Vous doivent surl que chaque sortie est reliée à amplificateur et à ou aux haut-parleur(s) corrects. Des connexions incorporetés peuvent conduire à des résultats inattendus ou à dommages sur les composants de haut-parleur. Notez également que chaque préréglage du Dx46 inclut des paramètres DSP et passé-bande pour les voies de sortie. Il est possible qu'un nouveau préréglage transforme une sortie Hi (aigus) en sortie Sub (basses), par exemple. Vérifiez que les connexions aux amplificateurs et aux haut-parleurs sont correctes avant d'utiliser un nouveau préréglage.
RéGLAGE DU NIVEAU D'ENTREE
L'étape finale de la configuration, de l'installation et de la connexion du Dx46 consiste à régler correctement les niveaux d'entrée vers l'appareil. Le Dx46 ne dispose pas de contrôle du niveau d'entrée. Un réglage de niveau d'entrée correct sera obtenu en réglient le niveau de sortie à partir des bus de sortie (L / R) de la console connectée (ou de tout autre équipement de sortie audio). Les vu-mêtres d'entrée surveillent le niveau des entrées analogiques ou AES/EBU, en fonction du mode d'entrée sélectionnédans le menu Setup (Configuration). Une performance signal/ bruit optimale sera obtenue lorsque le niveau d'entrée nominal (moyenne), allume régulierement les témoins à LED +6dBu (vert) et / ou +12dBu (jaune). Comme le Dx46 est un apparéil audio numérique - et que l'échéage numérique produit des résultats fort déplaisants, le témoin à LED Clip (rouge) ne doit jamais s'allumer. S'il le fait, réduisez le niveau de sortie de la console connectée. Les niveaux d'entrée dans le Dx46 peuvent être réduits de 6dB à l'aide du pad se trouvant à l'arrête de l' apparéil afin de compenser une sortie de niveau élevé provenant de consoles et autres équipements audio. Pour obtaining des performances ideales en termes de rapport signal/Bruit lors de la connexion du Dx46 à des apparéils ayant un fort niveau de sortie, engager le pad 6dB jusqu'à que de baisser la sortie de l' apparéil connecté.
Le menu Setup permet d'acceder aux paramêtres globaux du Dx46 sur l'écran LCD. C'est ici que les préférences concernant plusieurs fonctions peuvent être régles. Presser le bouton Setup affiche la première fenêtre de configuration. Utiliser les boutons flèchés Value Haut/Bas pour faire défilier le menu Setup: Utiliser les boutons
ATTENTION: Afin d'obtenir des performances optimum et éviter d'endommager le processeur, ou votre équipement sonore, ou encore vos oreilles, veuillez dire, comprendre et respecter toutes les instructions mentionnées dans ce mode d'emploi. Le non respect de ces consignes pourrait être la cause de mauvaises performances, de pertes ou de blessures.
4.1 Menus Setup
NEW CONFIGURATION
La fenêtre NEW CONFIGURATION permet de creer une nouvelle configuration vide pour votre système.
Presser le bouton Store. Le dialogue suivant apparait:
Destination Preset: U25 Name: Default User Preset 1 Press 'Store' to continue
Utiliser les boutons VALUE Haut/Bas pour selectionner le préréglage de destination (U01 à U30) pour la configuration vide. Presser les boutons
Config: 3-Way StereoPress 'Store' to continue
Utiliser les boutons fléchés VALUE Haut/Bas pourCHOISIR entre:
2 Way Stereo + FR
3 Way Stereo
4Way+FR
- 5 Way + FR
Free Configuration
3 Way Stereo-Mono Sub+FR
4 Way Stereo-Mono Sub/LF
Voir chapitre Configurations à la page 137 pour plus de détails. Presser à nouveau le bouton Store pour créé la nouvelle configuration.
ATTENTION: Avant de faire fonctionner le système de sonorisation, et à chaque fois qu'un nouveau prépréglage est rappelé, vérifier l'affichage de la configuration pour être sur qu'elle est appropriée à votre système et que les connexions à ce système sont correctes pour la configuration actuelle. Ne pas effectuer ces vérifications peut conduire à des résultats inattendus ou cause des dommages au système ou à ses composants.
PRESET RECALL
Le Dx46 permet le rappel de préroglages à l'aide de switches externes connectés au PORT CONTROL, voir page 113. Cette fenêtre permet l'assignation de préroglages (Presents) aux fiches du PORT CONTROL. Presser les boutons
| Setup: PRESET RECALL | |||||
| Port(State): | 1(1) | 2(1) | 3(1) | 4(1) | 5(1) |
| Preset: | Off | Off | Off | Off | Off |
SIGNAL GENERATOR

Le générateur de signal intégré du Dx46 peut générer les types de signaux suivants:
- Signal sinusoidal
- Bruit blanc
- Bruit rose
Cette fenêtre permet d'editor le type de signal génére et le niveau de signal de chaque voie d'entrée.
| Setup: SIGNAL GENERATOR Type: Sine Frequency: 1000Hz A: Off -60.0dBu B: Off -60.0dBu |
Le type sélectionné est toujours utilisé dans les deux voies d'entrée. Le paramètre Frequency n'est disponible que si le Type: Sine est sélectionné.
INPUT
Cette fenêtre permet de configurer l'entrée audio et l'état des Contacts du Port Control est indiqué.
| Setup: INPUT | |
| Audio: Analog | -6dB PAD: Off |
| Gain A: 0.0dB | Gain B: 0.0dB |
Presser les boutons
Pour chacune des deux entrées audio le gain peut être régle séparément (de -60 dB à +12 dB). Ceci peut être utile lorsqu'il faut régler le niveau de deux signaux mono sans modifier les préréglages.
DISPLAY
Cette fenêtre permet de régler les préférences de contraste de l'écran LCD et la brillance des boutons de la face avant pour compenser les différentes conditions d'éclairage pouvant être rencontres dans les différents lieux. De plus, une fonction d'économie d'énergie (Screensaver) peut être activée.
Presser les boutons
FIRMWARE
Cette fenêtre affiche la version du micrologiciel actuellement en fonction dans le Dx46.
Setup: FIMWARE Electro-Voice Dx46 V1.0.0
IP
Cette fenêtre affiche l'adresse IP et le masque de sous-réseau du Dx46.
Setup: IP Address:10.30.3.239 Mask:255.255.254.0
Utiliser les boutons
Tableau 4-1: Reglages par défaut de l'interface Ethernet
| Paramètre | Valeur |
| IP address | 192.168.1.100 |
| Subnet mask | 255.255.255.0 |
| Gateway | 192.168.1.1 |
DEVICE INFO
Cette fenêtre affiche l'heure et l'adresse MAC unique du Dx46. L'adresse MAC ne peut pas être modifiée.
Setup: DEVICE INFO
Ontime: 10days 00h 22m 07s
MAC-Address: 00-0b-7c-ff-fe-26
LOCK
Cette fenêtre permet de verrouiller le Dx46. Veuillez lore "Verrou - Acces à la face avant" en page 121 pour les détails.
Cette fenêtre permet de selectionner le mode d'édition (Standard ou Full).
Setup: EDITING
Edit Mode: Full
Link: Off
Par défaut, le Dx46 est réglé sur le mode d'édition Standard dans lequel les paramètres de voie d'entrée et de sortie sont liés de manière appropriée. En mode Full Edit, aucun lien de paramètres n'est définiti, qu'elle que soit la configuration sélectionnée. Utiliser les boutons
| Paramètre | Default | Description |
| Link | off | La fonction "link" n'opère que si plus d'un Dx46 est connecté en Ethernet. Les appareils qui sont maître ou esclave ont toujours des paramètres identiques. Sélectionner "Master" si ce Dx46 doit transmettre les paramètres dans un ou plusieurs Dx46 (esclaves). Sélectionner "Slave" si les paramètres de ce Dx46 doivent provenir d'un autre Dx46 (maître). Sélectionner "off" si les paramètres de ce Dx46 doivent être indépendants des autres appareils. |
| Id | 0 | Chaque Dx46 maître connecté via ethernet doit avoir une adresse de réseau unique. Taper l'adresse du Dx46 maître à partir duquel les paramètres seront lus si ce Dx46 est utilisé en tant qu'esclave. |
| Mask | all groups selected | Si "Slave" est séLECTIONné, désirsir les groupes de paramètres que ce Dx46 devra dire à partir du Dx46 maître. les groupes suivants sont disponibles: • D: paramètres de l'appareil • A ou B: paramètres de l'entrée A ou B • 1 à 6: paramètres des sorties 1 à 6 |
PARAMETER UNITS
Cette fenêtre permet de selectionner l'unité utilisé pour la température et le seuil du limiteur. De plus la température ambiente peut être saisie.
Setup:PARAMETERUNITS
Temp: 68.0°F Units: Fahrenheit
Limiter Threshold: dBu (DSP output)
Le paramètre Temp sert à calculer la vitesse du son pour la conversion des durées de delay en distances. Utiliser les boutons
Lessonsvoyagentàdifferentes vitesses en fonction de la densite de l'air environnant.
Un air froid est plus dense qu'un air chaud, la vitesse est donc plus lente dans un froid que dans un air chaud. La température peut avoir une influence majorée sur les grandes distances, particulièrement lorsque les groupes de haut-parleurs sont largement répartis autour du public, par exemple.
Les températures peuvent sevrement varier entre l'intérieur et l'extérieur lors d'un événement en soitree par exemple. V = 331m / s + (0.6m / s / C)^*T
La vitesse du son à la température ambiente d'une salle est de 346 metres par seconde. A des températures proches du gel le son circule à 331 metres par seconde. V est la vitesse du son et T est la température de l'air. Cette formule calcule la vitesse moyen du son pour toute température donnée (Celsius). La vitesse du son est également affectée par d'autres facteurs tels que l'humidité et la pression de l'air.
METERING
Les utilisateurs peuvent régler les préférences des vu-mêtres ici.
Utiliser les boutons
4.2 Verrou - Accès à la face avant
Un mode Verrouillage a ete fourni pour que l'installateur puisse proteger les reglages du systeme et aisi empêcher qu'ils ne soient modifiés par un utiliseur. Celui-ci peut etre regle depuis la face avant ou depuis le logiciel GUI. Le tableau suivant indique les differents niveaux de protection du Dx46.
Tableau 4-2: Modes de protection
| Mode | Description |
| GUI-Settable | Un ou plusieurs paramètres du Dx46 sont verrouillés via IRIS-Net et ne sont pas visibles et/ou modifiables via la face avant. |
| Panel and USB Locked | Les boutons de la face avant du Dx46 sont verrouillés. Le périhérique peut être configure uniquement via IRIS-Net. Connecter le Dx46 au PC est possible via unquèlement Ethernet, le port USB est verrouillé. |
| Panel Locked | Les boutons de la face avant du Dx46 sont verrouillés. Le périhérique peut être configure uniquement via IRIS-Net. Connecter le Dx46 au PC est possible via Ethernet ou USB. |
| Unlocked | Tous les paramètres peuvent être configurés via la face avant du Dx46 ou IRIS-Net. |
DEPUIS LA FACE AVANT
Presser le bouton Setup et utiliser les boutons
Utiliser les boutons
Déverrouiller le Dx46
Lorsque le Dx46 est verrouillé, le paramètre Mode indique le mode de protection actuellément actif. Utiliser les boutons
DEPUIS IRIS-NET
Ouvrir le dialogue Dx46 dans IRIS-Net. Info. Un ou l'ensemble des blocs DSP et/ou les paramétres spécifique du
Dx46 dans chacun des blocs DSP peuvent être verrouillés ou cachés dans cette fenêtre en SéLECTIONNANT la case correspondante afin d'activer l'icone de verrou. Par exemple, un installateur peut désirir de verrouiller et de cache tous les paramètres du Limiteur, de verrouiller tous les paramètres de Crossover mais en les laissant visibles, et de verrouiller les 5 derniers filtres Input PEO, en laissant les 4 premiers disponibles pour que l'utilisateur puisse les modifier.
5 Mode Run-Time
5.1 Écran LCD
Lors de sa mise sous tension, le Dx46 s'initialise et affiche l'écran Run-Time. L'emplacement mémoire et le nom du préréglage actuel sont affichés ainsi que la configuration sur laquelle est basé ce préréglage.
Electro-Voice Dx46
U01 Default User Preset 1 FREE CONFIGURATION
ATTENTION: Avant de faire fonctionner le système de sonorisation, et à chaque fois qu'un nouveau prépréglage est rappelé, vérifie l'affichage de la configuration pour être sur qu'elle est appropriée à votre système et que les connexions vers cette méthode sont correctes pour la configuration actuelle. Ne pas effectuer ces vérifications peut conduire à des résultats inattendus ou cause des dommages au système ou à ses composants.
Le contraste de l'écran LCD et la brillance des boutons peuvent être régles dans le menu Setup (voir page 118) afin de s'accommoder à différents angles de vue. Un économisér d'écran peut également être activé. Cet économiqueur d'écran réduit de 50% la brillance des LED et des boutons environ 1 minute après la dernière action effectue en face avant. De plus, un logo flottant Electro-Voice apparait à la place de l'écran Run-Time.
Pendant le fonctionnement, les vu-mêtres de niveau d'entrée gauche et droit affichent le niveau de signal liéant aux entrées analogiques et numériques du Dx46. Le Dx46 ne dispose pas par lui-même de contrôle des niveau d'entrée. Un réglage ajustat du niveau d'entrée sera obtenu en réglant le niveau de sortie provenant des bus de sortie (L / R) de la console connectée ou de tout autre source audio. Une performance signal/bruit optimale sera obtenu lorsque le niveau d'entrée nominal (moyenne), allume régulièrement les témoins à LED +6dBu (vert) et / ou +12dBu (jaune). Comme le Dx46 est un apparéil audio numérique – et que l'échéage numérique produit des résultats fort déplaisants, le témoin à LED Clip (rouge) ne doit jamais s'allumer. S'il le fait, réduisez le niveau de sortie de la console connectée. Le bouton PAD -6dB situé à l'arrête peut également servir à régler le niveau d'entrée.

Illustration 5-1: Vu-mètres des voies d'entrée
SIGNAUX DE SORTIE
Chaque voie de sortie est équipée d'un vu-mètre à haut segments. Les caractéristiques de réponse du vu-mètre peuvent être sélectionnées dans le menu Setup:

Illustration 5-2: Vu-mètres des voies de sortie
Le segment jaune indique qu'une limitation est actuellément appliquée à la voie de sortie. Il est important de comprendre comment fonctionnent les vu-mêtres et ce qu'ils indiquent. Les vu-mêtres de sortie sont affichés sous la forme "dB / Seuil du Limiteur". En d'autres termes, ces vu-mêtres affichent la réserve entre le niveau de sortie et le seuil du limiteur. Lorsqu'ils sont observés en konjection avec les vu-mêtres de Réduction de Gain, ils fournissant une indication complète du niveau et de la réserve avant et après qu'une limitation a été engagée pour permettre d'optimiser les niveaux du système. Cela signifie également que l'affichage du vu-mêtre de sortie sera différent en fonction du réglage de seuil du limiteur (limiter threshold). Les segments rouges indique un écrêtage des convertisseurs N/A ce qui doit être absolument évité en réglant le niveau de la voie de sortie.
5.3 Vu-mètres de Réduction Gain en sortie
Chaque voie de sortie est équipée d'un vu-mètre de réduction de gain à quatre segments indiquant l'effet du Limiteur sur la voie de sortie; de -3dB à -12dB. La limitation de la sortie peut être contournée (bypass) en entrant en Mode Edit, en selectionnant Output Channel Limiter puis en selectionnant le paramètre Bypass.

Illustration 5-3: Vu-metre de Réduction Gain d'une voie de sortie
5.4 Boutons Mute des voies de sortie
Chaque voie de sortie est munie d'un bouton Mute éclairé. Presser le bouton Mute coupe la sortie de cette voie. Le bouton s'allume en rouge pour le signaler. Appuyer à nouveau sur le bouton Mute afin de restaurer le signal de la voie de sortie.
5.5 Témoins de Fonction des voies de sortie
Chaque voie de sortie est équipée d'un afficheur à quatre segments dont le role est uniquement informatif. Dans chacune des configurations possibles avec le Dx46, une voie de sortie peut être identifiée comme une sortie sub, low, low/mid, mid, mid/hi, hi ou full range. Une ou deux LED adjacentes sont affichées pour indiquer toutes les combinaisons passé-bande possibles en sortie. (Full range est indiqué par toutes les LED allumées.)

Illustration 5-4: Témoins de Fonction d'une voie de sortie
5.6 Rappel des prérglages
La mémoire de préréglage du Dx46 compte 60 programmes de prérégliages d'usine et peut<memoriser un maximum de 30 préréglages utilisateur. Le rappel (F01-F60, U01-U30) des prérégliages d'usine a été étudié pour couvrir les configurations de système les plus repandues employant des haut-parleurs Electro-Voice. Des prérégliages utilisateur vous permettent de vous adapter à d'autres configurations de systèmes et / ou de haut-parleurs.
Pour rappeler un prééglage, presser Recall (le bouton Recall-Rappel). L'afficheur passse à l'écran Recall Preset et affiche ce qui suit dans une liste regroupant tous les prééglages disponibles en mémoire.
Recall Preset: U01
Name: Default User Preset 1
Press 'Recall' to continue
A l'aide des boutons Value Haut/Bas, selectionnez le preréglage à rappeler et presser à nouveau Recall. L'afficheur demandera, "Press, Recall" to load
Pressez une troisième fois Recall pour confirmer votrechoix et charger le nouveau préréglage. Si ce préréglage est basé sur une configuration différente de celui qui est actuellment selectionné, un message s'affichera à l'écran, "Changing config can damage speakers", pour vous rappeler que ce nouveau préréglage peut ne pas'être approprié au système actuellément branché. Presser à nouveau sur Recall pour confirmer votrechoix et charger le nouveau préréglage.
ATTENTION: Vérifiez que le nouveau prépréglage est approprié à votre système et que les connexions vers votre système sont correctes pour la configuration actuelle. Ne pas effectuer ces vérifications peut conduiré à des résultats inattendus ou cause des dommages au système ou à ses composants.
Pour quitter le processus de Rappel sans charger de nouveau préréglage, pressez un des boutons Edit, Setup ou un des boutons du bloc DSP. (Les boutons Edit ou Setup vous ramèneront à l'affichage du mode Run-time. Les boutons du bloc DSP afficheront l'écran d'édition du bloc DSP correspondant.)
5.7 Preset Store
Les prêrglages modifiés peuvent être mémorisés dans un des 30 emplacements User Presets (U01 - U30). Pour mémoriser un prépréglage, presser le bouton Store. L'écran LCD affichera l'écran Store Preset.
Store Preset: U01
Name: Default User Preset 1
Press 'Store' to continue
Utiliser les boutons Value Haut/Bas pour selectionner la destination. Utiliser les boutons
Appuyer à nouveau sur le bouton pour continuer et<memoriser le nouveau préréglage.
Pour quitter Store sans sauegarder le preréglage modifié, pressez Edit, Setup ou un des boutons du bloc DSP. (Les boutons Edit ou Setup vous ramèneront à l'affichage du mode run-time. Les boutons du bloc DSP afficheront l'écran d'edition du bloc DSP correspondant.)
5.8 Edition
Les préroglages d'usine (Factory) et utiliser (User) peuvent tous deux être edits, mais les préroglages modifiés peuvent seulement être mémorisés dans un emplacement User Preset.
ÉDITION EN MODE STANDARD
Par défaut, le Dx46 est en mode d'édition standard dans lequel les paramètres des voies d'entrée et de sortie sont reliés de manière ajustée.
Se reporter aux illustrations du S "Configurations" pour voir quelles voies ont des parametes liés pour chaque configuration. Les paramètres liés sont toujours identiques en valeur. Par exemple, régler une courbe d'égaliser graphique pour l'Entrée A, réglera la même courbe pour l'Entrée B, si la configuration comprend des entrées stéreo liées. N'importe laquelle des deux voies d'entrée peut être édité; les changements seront répercutés dans les deux voies. La même chose est vraie pour les paramètres des voies de sorties liées. La seule exception au lien de paramètres concernne les boutons Mute. Les voies de sortie peuvent être coupées individuelle (Mute) à tout moment, soit depuis la face avant du Dx46 soit depuis l'application IRIS-Net.
ÉDITION EN MODE FULL (TOTAL)
Dans le menu Setup EDITING, le mode d'édition peut être régé sur Full. En mode Full Edit,aucun lien de paramètres n'est défini,quelle que soit la configuration sélectionnée. Tout paramètre peut être modifiés sans aucun effet sur les autres valeurs de paramètre.
Quel que soit le mode d'édition sélectionné, il y a deux façon de passer en mode Edit: presser le Bouton Edit ou presser un des boutons du bloc DSP. Utiliser les boutons < Select > pour aller sur la ligne du haut de tout écran d'édition, et les boutons Value Haut/Bas pour naviguer vers un autre écran d'édition. Plus rapide : presser un des boutons du bloc DSP pour passer au dernier écran sélectionné de ce bloc et naviguer comme déscrit ci-dessus pour atteindre l'écran désiré.
5.9 Paramètres DSP
La section suivante est une description détaillée de chacun des paramètres DSP disponibles dans le Dx46; re-groupe par Bloc DSP, dans l'ordre du parcours du signal dans le Dx46.
Illustration 5-5: Blocs DSP de l'entrée A ou B

INPUT LEVEL

SIGNAL GENERATOR

PEQ

GEQ

DELAY
Illustration 5-6: Blocs DSP des sorties 1 à 6

Tous les paramètres ne sont pas accessibles dans chaque prépréglage et, en fonction des configurations définies par le client/installateur, tous les prépréglages et/ou valeurs prépréglées ne sont pas disponibles pour l'édition. Changér la disponibilité des prépréglages, des paramètres et des valeurs prépréglées ne peut s'effectuer qu'à l'aide de l'application IRIS-Net.
POURQUOI Y A-T-IL TANT DE SECTIONS DE DELAY DIFFÉRENTES?
Lors de l'installation d'une sonorisation ou d'un ensemble de haut-parleurs, de nombreux scenarios peuvent se presenter qui peuvent nécessiter un alignement temporel ou une compensation du-delai. Il peut s'agir de:
- Retarder un ensemble de haut-parleurs pour qu'ils replissent l'espace sous le balcon ou retarder des tours de HP pour un concert
Aligner la sonorisation d'une salle sur la source sonore sur scene, ou aligner les "aigus" sur les "basses" - Correction du timing afin de compenser les centres de décalage acoustique de chaque transducteur dans une enceinte
- Décalage du Delay de un ou plusieurs haut-parleurs d'un cluster afin d'améliorer la couverture et des effets de chevauchement
Certaines situations ne concernent que quelques-uns de ces besoins, alors que d'autres les cumulent toutes, telles les théâtres avec un cluster central de haut-parleurs, des subwoofoers, et des haut-parleurs de balcon avec Delay (délambda). Avec d'autres produits DSP, l'ingénieur du son ne peut faire usage que d'une ou deux sections de délambda, il doit alors soignement calculer ces délais, savoir comment ajouter des décalages sur chaque voie afin que la sec
tion de délambda puisse replir plusieurs tâches. Il peut résultat de tout ceci une structure DSP confuse et davantage de risques d'avoir des délais mal ajustés. Le Dx46 dispose de sections de délambda dédiées pour répondre à chacune de ces tâches indépendamment, ce qui facilitate grandement la configuration, le réglage et la programmation.
GÉNÉRATEUR SIGNAL

Le générateur de signal intégré du Dx46 peut produit les types de signaux suivants :
- Signal sinusoidal
- Bruit blanc
- Bruit rose
Voir page 118 les détails concernant les paramètres disponibles et la configuration du générateur de signal.
EGALISEUR PARAMETRIQUE D'ENTREE (PEQ)

PEQ
Utiliser les boutons < SELECT > pour activer la ligne du haut de l'écran d'édition et les boutons Value Haut/Bas pour naviguer jusqu'à l'écran Input PEQ. Le Dx46 dispose d'un contrôle multi-mode stéreo 10 bandes appelé génériquement Input PEQ (égaliseur paramétrique).
| IN A:PEQ1 | Active |
| Type: Hipass | F: 20000.0Hz |
| Slope: 12dB/oct | Q: 2.0 |
Cet Input PEQ est un ensemble très puissant et complexe de filtres multi-mode. Beaucoup de soin et de savoir-faire doit être apporté à la configuration des bandes du filtr, car ces réglages interagissant et peuvent produit des résultats inattendus. L'usage de l'application IRIS-Net est fortement recommendé pour régler ne serait-ce que les plus simples des courbes d'égalisation. Chaque bande de l'égaliser Input PEQ peut être configurée pour un mode de filtrage, une fréquence, une pente ou un facteur Q et un réglage de gain spécifique. Une attention particulière doit être apportée au dernier gain de sortie passant par le reste du parcours audio du Dx46, car il est possible d'accertuer des fréquences au point de saturer les parcours audio internes ou externes du système et de provoquer un écrétage. La surveillance des vu-mêtres des voies de sortie du Dx46 indiquera tout écrétage interne; les vu-mêtres d'entrée des amplificateurs connectés devraient faire de même. La section suivante déscrit en détails les types de filtres qui peuvent être sélectionnés pour chacune des bandes Input PEQ et leurs paramètres.
Tableau 5-7: Égaliseur paramétrique de voie d'entrée
| Type de filtré | Fréquence | Pente | Rép / Q | Gain |
| Loshelv | 20 à 20000 Hz | 6dB/oct. | - | -18.0 à +12.0 dB |
| 12dB/oct. | ||||
| Hishelv | 6dB/oct. | - | ||
| 12dB/oct. | ||||
| PEQ | - | 0.40 à 40 | ||
| Lopass | 6dB/oct. | - | - | |
| 12dB/oct. | 0.4 à 2.0 | - | ||
| Hipass |
Low shelf (Loshelv)
Le filtrte Low-shelf est un filtrde de type "charniere"; car les fréquences situées sous la fréquence de coupure peuvent être accentuées ou coupées; en agissant sur la fréquence de coupure. La quantité d'accentuation ou d'atténuation (Gain), et la largeur de la bande de transition du filtrte (Pente), sont déterminés par les réglages du filtrte Low-shelf. (Voir Response/Q et Gain.) Utiliser les boutons < SELECT > pour naviguer jusqu'au réglage de filtrte que vous dés-sirez ajuster, et les boutons Value Haut/Bas pour modifier ces réglages. Presser une fois les boutons Value Haut/ Bas pour augmenter les valeurs d'une unité, ou les presser et les maintainir pour faire défilier rapidement les valeurs disponibles. (Les valeurs ne défilent pas en boucle.)
Hi shelf (Hishelv)
Le filtrtre Hi-shelf est un filtrte de type "charnière"; car les fréquences situées au-dessus de la féquence de coupure peuvent être accentuées ou coupées; en agissant sur la féquence de coupure. La quantité d'accentuation ou d'atténuation (Gain), et la largeur de la bande de transition du filtrtre (Pente), sont déterminés par les réglages du filtrtre
Hi-shelf. (Voir Response/Q et Gain.) Utiliser les boutons < SELECT > pour naviguer jusqu'au réglage de filtre que vous désirez ajuster, et les boutons Value Haut/Bas pour modifier ces réglages. Presser une fois les boutons Value Haut/Bas pour augmenter les valeurs d'une unité, ou les presser et les maintainir pour faire défilier rapidement les valeurs disponibles. (Les valeurs ne défilent pas en boucle.)
PEQ
PEQ est l'abréviation de Parametric Equalizer. Un égaliseur paramétrique a trois paramètres qui déterminent les fréquences qui seront affectées par le filtré; la fréquence centrale (Center Frequency), Q (la largeur du filtré) et le Gain. Les filtres paramétriques sont idéals pour identifier, isoler et corriger une gamme de fréquences problématique. Le paramètre Frequency détermine le centre de la gamme de fréquences qui sera ajustée par le PEO. Le paramètre Q détermine la gamme de fréquences adjacentes à la fréquence centrale qui sera également affectée; plus cette valeur est grande, plus la gamme de fréquences adjacentes qui sera affectée sera réduite. Le paramètre gain détermine la quantité d'accultuation ou d'atténuation qui sera appliquée aux fréquences affectées par le filtré. Utiliser les boutons < Select > pour naviguer jusqu'àr réglage de filtrre que vous désirez ajuster, et les boutons Value Haut/Bas pour modifier ces réglages. Presser une fois les boutons Value Haut/Bas pour augmenter les valeurs d'une unité, ou les presser et les maintainir pour faire défiler rapidement les valeurs disponibles. (Les valeurs ne défilent pas en boucle.)
Low-pass (Lopass)
Le filtrte Low-Pass déterminé la fréquence la plus haute que votre système de sonorisation pourra reproüir; en fonction des capacités des amplificateurs, haut-parleurs et transducteurs. Le filtrte passe-bas est utile pour réduire l'énergie excessive des fréquences aigues pouvant générer une tension sur les transducteurs haute fréquence et une fatigue de l'auditeur. Les paramètres disponibles sont la fréquence et la pente (Slope). Le paramètre Frequency déterminé la fréquence au-dessus de laquelle les fréquences seront attenuées. La pente déterminé la rapidité à laquelle les fréquences situées au-dessus de la fréquence de coupure seront attenuées. (Voir Courbe de réponse.) Utiliser les boutons < SELECT > pour naviguer jusqu'àu réglage de filtre que vous désirez ajuster, et les boutons Value Haut/Bas pour modifier ces réglages. Presser une fois les boutons Value Haut/Bas pour augmenter les valeurs d'une unité, ou les presser et les
maintenir pour faire defiler rapidement les valeurs disponibles. (Les valeurs ne defilent pas en boucle.)
High-pass (Hipass)
Le filtrte passé-haut déterminé la fréquence la plus BASSE que votre système de sonorisation pourra réproduire; en fonction des capacités des amplificateurs, haut-parleurs et transducteurs. Les paramétres disponibles sont la fréquence et la pente (Slope). Le paramètre Frequency déterminé la fréquence en dessous de laquelle les fréquences seront attenuées. La pente déterminé la rapidité à laquelle les fréquences situées en-dessous seront attenuées. (Voir Courbe de réponse.) Utiliser les boutons < Select > pour naviguer jusqu'àu réglage de filtre que vous désirez ajuster, et les boutons Value Haut/Bas pour modifier ces réglages. Presser une fois les boutons Value Haut/Bas pour augmenter les valeurs d'une unité, ou les presser et les maintainir pour faire défiler rapidement les valeurs disponibles. (Les valeurs ne défilent pas en boucle).
ÉGALISEUR GRAPHIQUE D'ENTREE (GEO)

GEQ
Utiliser les boutons < SELECT > pour activer la ligne du haut de l'écran d'edition et les boutons Value Haut/Bas pour naviguer jusqu'à l'écran Input GEO. Le parcours du signal d'entrée du Dx46 passé par un égaliseur graphique stéreo 31 bandes place après l'égaliseur paramétrique stéreo 10 bandes. Ce Bloc DSP peut servir à identifier, isoler et corriger avec précision les fréquences problématiques. N'oubliez pas que les changements effectués dans le bloc Input GEO seront interactifs avec les réglages
effectués dans le bloc Input PEQ. Des résultats inattendus peuvent se produit.

Généralités
Presser les boutons < SELECT > pour descendre le curseur jusqu'àu champ de réglage de la fréquence du GEO. Des appuis successifs sur les boutons < SELECT > déplaceront le curseur vers l'avant ou l'arrière, d'un champ de réglage de la fréquence à un autre; d'une bande à l'autre. Le "fader" de fréquence sélectionné est surligné sur l'afficheur. A la sélection de chaque bande, la fréquence centrale et le réglage actuel d'atténuation/accentuation (cut/boost) sont affichés sur la ligne du haut de l'écran LCD.
Pour régler la valeur d'atténuation/accentuation d'une bande de fréquence sélectionnée, sélectionner la bande à l'aide des boutons < SELECT > puis presser les boutons Value Haut/Bas pour faire le réglage. L'écran LCD reflettera vos changements en déplaçant le "fader" de la bande de fréquences sélectionnée vers le haut ou le bas.
Details
Utiliser les boutons < SELECT > pour naviguer jusqu'à rou réglage de filtré (voir tableau ci-dessous) que vous désirez ajuster, et les boutons Value Haut/Bas pour modifier ces réglages.

Tableau 5-8: Paramétres du GEQ
| Paramètre | Description |
| Frequency (F) | Sélectionne la bande de fréquence |
| Gain | La valeur de l'accentuation ou de l'atténuation (-12.0 à +12.0 dB) |
| Active/Bypass | Active permet d'activer le filtr. Bypass permet de désactiver le filtr |
| Type | Les types de filtres suivants sont disponibles: • Q Symétrique • Q Proportionnel • Q Constant |
| Quality (Q) | Qualité du filtrre |
Pour quitter l'écran d'edition Input GEO, presser le bouton Input GEO, utiliser à nouveau les boutons < SELECT > pour surcligner la ligne du haut de l'écran d'edition ou presser n'importe quel autre bouton du Bloc DSP.
INPUT DELAY (DELAI D'ENTRée)

DELAY
Le Dx46 est équipé d'un début d'entrée très utile pour compenser les différences temps d'arrivée du son provenant de haut-parleurs qui sont plus ou moins proches ou élognés de certains auditeurs que d'autres. Une technique connue sous le nom de "Effet de Haas" permet à l'ingénieur du son de creator l'illusion que tout le son provient de la scene même si autres haut-parleurs ont été placés dans la salle.
CONSEIL: Le paramètre Input Delay est particulièrement utile pour les lignes à retard. Dans ce cas le délambdait requis dépend unqulement de la position de la ligne à retard et est identique pour toutes les voies, c'est-à-dire les voies de sortie du Dx46. En modifiant le parametre Input Delay les délais de toutes les voies de sortie assignées à cette entree seront automatiquement ajustées.
Les paramètres Input Delay disponibles sont Delay, Units et Bypass. Le paramètre Delay permet à l'utilisateur de déterminer la durée du délait et le paramètre Bypass permet tout simplement de l'activer ou non.
IN A:Input Delay Active Delay:0.0 Unit:ms
Pour acceder à Input Delay, presser le bouton Delay se trouvant dans le menu Input Processing. Des appuis successifs feront passer de l'affichage Input A à Input B. Les paramètres de début d'entrée sont accessibles par le bouton
Tableau 5-9: Unités du début d'entrée
| Unité | Description |
| sec | secondes |
| ms | millisecondes |
| μs | microsecondes |
| samples | échantillons |
| feet | pieds |
| inch | pouces |
| meter | mètres |
| cm | centimètres |
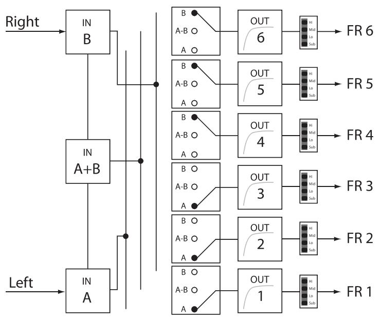
ROUTAGE
Les sélections d'entrée (In-A, In-B ou In-A+B) peuvent être appliquées une à une à l'ensemble des six sorties du Dx46. Choisissez la voie de sortie désirée dans le menu Output et pressez le Bouton Edit pour faire défilier la fenêtre Routing à l'aide des boutons fléchés Value Haut/Bas.
Utiliser le bouton < Select > pour naviguer jusqu'au paramètre Source, appliquer la selection d'entrée désirée à la voie de sortie sélectionnée à l'aide des boutons fléchés Value Haut/Bascision par mi les entrées (In-A, In-B ou In-A+B).
ARRAY PARAMETRIC EQ

PEQ
Utiliser les boutons < SELECT > pour activer la ligne du haut de l'écran d'edition et les boutons Value Haut/Bas pour naviguer jusqu'à l'écran Array Eq. Dans la section ARRAY CONTROL un égaliseur paramétrique 5 bandes est disponible pour chaque sortie.
OUT 1:Array PEQ1 Active
Type: PEQ F:30.0Hz
Q: 0.7 Gain: 1.0dB
Utiliser les boutons < SELECT > pour naviguer jusqu'àu réglage de filtré (voir tableau ci-dessous) que vous désirez ajuster, et les boutons Value Haut/Bas pour modifier ces réglages. Presser une fois les boutons Value Haut/Bas augmente les valeurs d'une unité, ou les presser et les maintainir pour faire défilier rapidement les valeurs disponibles.
Tableau 5-10: EQ Array Control
| Type | Fréquence | Pentre / Ordre | Ré / Q | Gain |
| Loshelv | 20 à 20000 Hz | 6dB/oct. | - | -18.0 à +12.0 dB |
| 12dB/oct. | ||||
| Hishelv | 6dB/oct. | - | ||
| 12dB/oct. | ||||
| PEQ | - | 0.40 à 40 | ||
| Lopass | 6dB/oct. | - | - | |
| Hipass | 12dB/oct. | 0.4 à 2.0 | - | |
| Allpass | 1 | - | - | |
| 2 | 0.4 à 2.0 |
ARRAY DELAY
Utiliser les boutons < SELECT > pour activer la ligne du haut de l'écran d'édition et les boutons Value Haut/Bas pour naviguer jusqu'à l'écran Array Delay. Dans la section ARRAY CONTROL un délai est disponible pour chaque sortie.
CONSEIL: Le paramètre Array Delay peut servir à régler chaque enceinte d'un cluster de haut-parleurs, tels qu'un ensemble de subwoofoers ou cluster central de haut-parleurs. Par exemple, dans un cluster de haut-parleurs composé de deux haut-parleurs d'aignus, il peut être utile d'appliquer un délai de 3-5 mS à un des haut-parleurs du cluster afin d'améliorer la couverture des haut-parleurs d'aignus. De plus, le Array Delay est un moyen pratique d'appliquer un décali spécifique à chaque enceinte de subwoofer afin de créé une progression et une compacité du son.
Utiliser les boutons < SELECT > pour naviguer jusqu'à réglage de début que vous désirez ajuster, et les boutons Value Haut/Bas pour modifier ces réglages.
ÉGALISEUR PARAMÉTRIQUE - VOIES DE SORTIE (PEQ)

Presser le bouton PEQ place le prépréglage actuel en mode Edit et affiche sur l'écran LCD un EQ paramétrique préseLECTIONné (bandes 1 à 6). Des appuis successifs font avancer l'affichage à la voie de sortie suivante (OUT1 à OUT6). Utiliser les boutons < Select > pour naviguer parmi les paramétres PARA EQ BAND (1-6), Type, Frequency, Q et Gain. Régler les valeurs de chaque paramètre à l'aide des boutons flèchés Value Haut/Bas.
OUT 1:PEQ1 Active Type: PEQ F:30.0Hz Q: 0.7 Gain: 1.0dB
Tableau 5-11: EQ Paramétrique
| Type de catégorie | Fréquence | Pentre / Ordre | Rép / Q. | Gain |
| Loshelv | 20 à 20000 Hz | 6dB/oct. | - | -12.0 à +18.0 dB |
| 12dB/oct. | ||||
| Hishelv | 6dB/oct. | - | ||
| 12dB/oct. | ||||
| PEQ | - | 0.40 à 40 | ||
| Lopass | 6dB/oct. | - | - | |
| 12dB/oct. | 0.4 à 2.0 | |||
| Hipass | - | |||
| Allpass | 1 | - | - | |
| 2 | 0.4 à 2.0 |
OUTPUT X-OVER

X-OVER
Le crossover du Dx46 est un processus élaboré de gestion de la fréquence des filtres qui est obtenu en appliquant divers filtres passée-haut et passée-bas à un ensemble prédéterminé de fréquences de filtrage. Les systèmes de haut-parleurs sont généralement composés de plusieurs amplificateurs dédiés chacun à une gamme de fréquence spécifique, afin de fournir une reproduction efficace du spectre audio avec un son régulier. Le crossover du Dx46 dirige les fréquences vers les amplis appropriés afin de reproduire
le son avec précision. Le réseau de crossover peut également servir à s'assurer que l'énergie BASSE-FRÉquence n'est pas accidentellement dirigée vers les préamplificateurs de mediums ou d'augus (tweets) ce qui pourrait endommager le matériel. Les paramètres du crossover Dx46 sont le Type et la Fréquence.

Pour acceder à l'écran Crossover, presser le bouton X-Over. Des appuis successifs feront passer de OUT1 à OUT6. Utiliser les boutons Value Haut/Bas pour naviguer parmi les écrans X-Over Hipass, X-Over Lopass, X-Over Delay et FIR Filter.
OUT 1:X-Over Hipass
Type:12dB Butterworth F:80.0Hz
Trim:3.0dB
Le Crossover du Dx46 offre divers filtres HiPass et LoPass en fonction de la configuration de sortie selectionnee ainsi qu'un grand choix de filtres et de gamas de frquence reglables à l'aide des boutons flechés Value Haut/Bas.
Tableau 5-12: Paramètres du Crossover
| Paramètre | Description |
| Type | Type propose une liste de pentes/réponses Q à selectionner |
| • Thru | |
| • 6dB | |
| • 12dB, Q = 0.5 to 2.0 | |
| • Bessel: 12 dB, 18 dB ou 24 dB | |
| • Butterworth: 12dB, 18dB ou 24 dB | |
| • Linkwitz-Riley: 12dB ou 24 dB | |
| Frequency | Fréquence régblade de 20 à 20000 Hz. |
| Trim | Valeur de l'accentuation ou de l'atténuation |
Hi-Pass/Lo-Pass
Les filtres passer-haut et passer-bas du Dx46 sont déterminés en selectionnant le Type dans la liste des paramétres, (voir la liste cidessus) et enChoosingant une gamme de fréquence entre 20.0 Hz et 20 000 Hz. (voir ci-dessus). De plus le paramètre Trim peut aussi être utilisé. Le filtre crossover consiste généralement en un filtre passe-bas dans une voie et un filtre passer-haut dans la voie adjacente. C'est ici que les paramétres de fréquence Hi-Pass du filtre crossover sont régles. Les paramétres de fréquence Hi-Pass sont liés aux paramétres de fréquence Lo-Pass correspondants à moins d'être en Mode Full Edit ou d'utiliser une option de Configuration. Veuillez vous reporter à la section Configuration de ce manuel pour les détails concernant les différents effets que peuvent avoir les configurations sur le lien des voies. Le paramètre Type définit les caractéristiques du filtre passer-haut du crossover. Différentes pentes et réponses de filtre (6dB, 12dB avec différentes valeurs Q, Bessel, Butterworth, Linkwitz-Riley) sont disponibles et le filtre peut être contourné (bypass). La aussi les paramétres de fréquence Hi-Pass sont liés aux paramétres de fréquence Lo-Pass correspondants en fonction de la Configuration actuelle utilisée. Les fréquences High Pass sont régles en utilisant une fréquence prédéterminée qui atténue les fréquences situées en dessous (le point de crossover ou fréquence charnière). A l'opposé, un filtre passe-bas (Low Pass) laissera passer les fréquences situées en dessous du point de crossover et attenuera celles situées au-dessus.
Délai d'alignment du Crossover
Pour acceder à l'écran Crossover Delay, presser le bouton X-Over se trouvant dans le menu Output Processing. Des appuis successifs feront passer de OUT1 à OUT6. Utiliser le bouton < SELECT > pour naviguer parmi les paramétres Crossover. Régler les valeurs de chaque paramètre à l'aide des boutons fléchés Value Haut/Bas.
CONSEIL: Le paramètre X-Over Delay sert à l'alignement des transducteurs des enceintes. Des valeurs de décai optimées sont inclues dans les réglages des haut-parleurs Electro-Voice et ne doivent pas été modifiées.

Utiliser les boutons < SELECT > pour naviguer parmi les paramétres X-Over Delay. Régler les valeurs de chaque paramètre à l'aide des boutons flèchés VALUE Haut/Bas.
Tableau 5-13: Paramètres du Crossover Delay
| Paramètre | Description |
| Delay | Utiliser ce paramètre pour compenser les décalages physiques des centres acoustiques des transducteurs dans une enceinte. Par exemple, du fait de la construction d'une enceinte, le centre acoustique d'un transducteur d'aignus peut être monté derrière ou devant le centre acoustique du transducteur de basses. Le paramètre Delay permet d'aligner le signal audio parmi les multiples transducteurs d'un haut-parleur. |
| Unit | L'utilisateur peutCHOISIR entre l'affichage du temps et celui de la distance. Les distances sont automatiquement converties en temps de délai. Ce calcul inclut également l'influence de la température ambiente basée sur le paramètre Température du menu Setup. |
| Active/Bypass | A régler sur Bypass pour désactiver le Crossover Delay. |
Filtre FIR
Pour acceder à l'écran FIR FILTER, presser le bouton X-Over dans le menu de traitement en sortie (Output Processing). Des appuis successifs feront passer de l'écran de OUT 1 à OUT 6. Utiliser les boutons fléchés VALUE Haut/ Bas pour selectionner l'écran FIR FILTER. Cet écran affiche le nom (Name) du contrôle FIR actuellement utilisé.
OUT 1:FIR FILTER Bypass Name:IRIS-Net FIR-Filter=Thru
Activer ou contourer (Bypass) le filtré FIR à l'aide des boutons flèchés VALUE Haut/Bas. La configuration du filtré FIR lui-même n'est possible qu'à partir du logiciel IRIS-Net.
OUTPUT DELAY

Pour acceder à l'écran Output Delay, presser le bouton SPEAKER Delay. Des appuis successifs feront passer de l'écran de OUT 1 à OUT 6.
CONSEIL: Les délais de sortie du Dx46 peuvent servir à compenser le positionnement de groupes d'enceintes ou de haut-parleurs les uns par rapport aux autres ou par rapport à la source sonore d'origine, par exemple pour aligner la sonorisation de la salle par rapport à cette de la scène ou aligner les haut-parleurs full-range sur les subwoofoers. Le paramètre Output Delay détermine la durée du décai de la voie correspondante ou la distance entre les différents ensembles de haut-parleurs.
Utiliser les boutons < SELECT > pour passer de Active/Bypass, à Delay et Unit. Les valeurs de chaque paramètre
peuvent etre regles a l'aide des boutons fleches VALUE Haut/Bas. La durée du delai ou la distance physique est affichee en millisecond, microsecondes, pieds, pouces, metres, ou centimetre.
OUTPUT LEVEL

Le niveau de sortie sert à régler les niveaux de sortie généraux. Pour acceder à l'écran Channel Level, presser le bouton Level se trouvant dans le menu Output Processing. Des appuis successifs font passer de OUT1 à OUT6.
Utiliser le bouton < SELECT > pour naviguer parmi les paramétres Level à Sélectionner (-100.0dB à +6.0dB), Polarity et Amp. Régler la valeur à l'aide des boutons flèchés VALUE Haut/Bas. Les valeurs de seuil du limiteur sont déterminées par les amplificateurs et les haut-parleurs qui composent le système. Une considération importante à prendre en compte dans le réglage du seuil du limiteur est la sensibilité et le gain d'entrée des amplificateurs connectés. Comme des amplificateurs différents peuvent avoir des sensibilités différentes, il est féquent d'avoir besoin de calculer un décalage du limiteur (limiter offset) selon un préRéglage d'usine basé sur la sensibilité de l'amplificateur. Le Dx46 offre une solution unique à ce problème avec le paramètre Amp. Tous les préRéglages d'usine du Dx46 incluent des valeurs de seuils du limiteur. Vous pouvez utiliser le paramètre Amp pour sélectionner le modele d'amplificateur Electro-Voice que vous utilisez et le décalage du seuil du limiteur sera automatiquement calculé en se basant sur le gain et la sensibilité de l'amplificateur. Lorsqu'un amplificateur est sélectionné dans la liste, le paramètre Threshold actuel sera verrouillé pour assurer que des réglages corrects sont conservés. Il est très important de veiller à ce que le bon amplificateur soit sélectionné dans la liste, car une selection incorrecte pourrait aboutir à des réglages de Limiteur inadaptés à votre système et l'endommager. Si un amplificateur non-Electro-Voice est utilisé dans le système, sélectionner "User" dans la liste d'amplis ce qui permet d'editor directement le réglage de seuil
(Threshold), toutefois, consultez la documentation de l'amplificateur afin de pouvoir calculer le décalage du seuil du limiteur (si besoin est) comme il convient. Le paramètre Amp n'est disponible que si vous utilisez un prérglage d'usine.
Tableau 5-14: Types d'amplificateurs disponibles
| Type d'Ampli |
| Q44 |
| Q66 |
| CP1200 |
| CP1800 |
| CP2200 |
| CP3000S |
| CP4000S |
| P1200 (0dBu, +6dBu, 26dB) |
| P2000 (0dBu, +6dBu, 26dB) |
| P3000 (0dBu, +6dBu, 26dB) |
| TG-5 (0dBu, 32dB, 35dB) |
| TG-7 (0dBu, 32dB, 35dB) |
| Q44 MKII |
| Q66 MKII |
| Q99 |
| Q1212 |
| CPS2.4 |
| CPS2.6 |
| CPS2.9 |
| CPS2.12 |
OUTPUT LIMITERS

Les limiteurs de voie de sortie du Dx46 évitant que des signaux audio dépassant un niveau défini soient émis. Presser le bouton Level pour changer de voie de sortie. Maintenir le bouton Level pendant quelques secondes - ce qui affichera l'écran du Limiteur.
Utiliser les boutons < SELECT > pour naviguer parmi les paramétres Active/Bypass, Type, Threshold (-9.0 dBu à +21.0 dBu), Attack (0 ms à 50 ms) et Release (10.0 ms à 1000.0 ms). Régler les valeurs de chaque paramètre à l'aide des boutons fléchés VALUE Haut/Bas s. Le paramètre Type permet de désir le type de haut-parleur utilisé. En sélectionnant le type Sub, Lo, Mid ou Hi les réglages des paramétres Attack et Release sont automatiquement effectués. La valeur du paramètre Threshold dépend des haut-parleurs utilisés et de la sensibilité et/ou du gain d'entrée des amplificateurs employés.
TEMP Limiteur
En plus du limiteur de créées (Peak-Limiter) des sorties, un TEMP limiteur est également disponible pour chacune des sorties. Les paramètres de ce TEMP limiteur sont inclus dans les fichiers de réglage de haut-parleur (.sps) et peuvent être chargés dans l'appareil à l'aide du logiciel de contrôle IRIS-Net.
6 Configurations du Dx46
Le Dx46 dispose de 7 configurations prédéfinies. Une configuration est un réglage de base qui inclut le routage des entrées et des sorties, la fonction des sorties (Sub, Lo, Mid, Hi, Full Range) dont les réglages du filtre Crossover de base, et les différents schémas de liens voie/paramètre. La configuration active est définié par le programme selec-tionné, c'est-à-dire chaque programme est basé sur une configuration spécifique qui est également affichée à côté du numéro et du nom du programme. Chaque sortie employe deux filtres Crossover pouvant être assignée à divers types et pentes de filtres. Chaque voie de sortie dispose de 5 filtres supplémentaires pouvant être employés comme égaliseurs paramétriques, filtres shelving Low-/High, ou filtres passe-bas et passer-haut, ainsi que comme filtres passer-tout. En plus d'un contrôle de gain permettant de régler le niveau de sortie et d'un commutateur de polarité, chaque sortie est surveillée par un limiteur numérique à seuil, attaque et relâchement règlibes.
Liste et description détaillée
2 Way Stereo + FR
3 Way Stereo
4 Way + FR
- 5 Way + FR
Free Configuration - Full Edit 2 in 6 Out
3 Way Stereo - Mono Sub + FR
4 Way Stereo - Mono Sub/LF
ATTENTION: Merci de prendre les précautions nécessaires lors d'un changement de configuration.
CONSEIL: Tous les paramètres ne sont pas accessibles dans chaque préréglage et, en fonction des configurations définies par le client/installateur, tous les préréglages et/ou valeurs préréglées ne sont pas disponibles pour l'édition. Changer la disponibilité des préréglages, des paramètres et des valeurs préréglées ne peut s'effectuer qu'à l'aide de l'application IRIS-Net.
6.1 2 Way Stereo + Full Range
Cette configuration représentée généralement un Crossover de fréquence à 2 voies stéreo, où IN A sort de voie d'entrée gauche et IN B et de voie d'entrée droite. OUT 1 est la sortie fréquences basses gauche et OUT 2 la sortie fréquences aigües gauche. OUT 4 et OUT 5 sont les sorties droites correspondantes des basses et hautes fréquences.
CONSEIL: Sur les voies d'entrée, tous les paramètres d'EQ Paramétrique et Graphique sont liés. Pour les voies de sortie, ce lien s'applique aux Crossovers, EQ, Delay Level et Limiter.

Linked Parameters

6.2 3 Way Stereo
Cette configuration représentée un Crossover de fréquence à 3 voies où IN A sert de voie d'entrée gauche et IN B et de voie d'entrée croite. Les sorties OUT 1 & 4 L/R sont la voie des fréquences Sub (sub-basses), les sorties OUT 2 &5 L/R sont les voies des fréquences Low et Mid (basses et medium), les sorties OUT 3 & 6 L/R High (aigües).
CONSEIL: Sur les voies d'entrée, tous les paramètres d'EQ Paramétrique et Graphique sont liés. Pour les voies de sortie, ce lien s'applique aux Crossovers, EQ, Delay Level et Limiter.

Linked Parameters

6.3 4 Way + FR
La configuration 4-Way est un Crossover de fréquence 4 voies mono. Les voies Crossover sont alimentées par IN A, les voies Full Range par IN B. La sortie OUT 1 est une voie mono pour les fréquences Sub (sub-basses), la sortie OUT 2 est une voie mono pour les fréquences Low (basses), la sortie OUT 3 est une voie mono pour les fréquences Mid (medium) et la sortie OUT 4 est une voie mono pour les fréquences High (aigües). Les sorties OUT 5 et OUT 6 sont des voies Fullrange.
CONSEIL: Sur les voies d'entrée, tous les paramètres d'EQ Paramétrique et Graphique ne sont pas liés. Pour les voies de sortie, ce lien s'applique aux filtres Crossover, Highpass et Lowpass (Voir page 146 pour les détails).

6.4 5 Way + FR
La configuration 5-Way est un Crossover de fréquence 5 voies mono. Les voies Crossover sont alimentées par IN A, les voies Full Range par IN B. La sortie OUT 1 est une voie mono pour les fréquences Sub (sub-basses), la sortie OUT 2 est une voie mono pour les fréquences Very Low (très basses), la sortie OUT 3 est une voie mono pour les fréquences Low (basses), la sortie OUT 4 est une voie mono pour les fréquences Mid (medium), la sortie OUT 5 est une voie mono pour les fréquences High (aigües) et la sortie OUT 6 est la voie Full-Range.
CONSEIL: Sur les voies d'entrée, tous les paramètres d'EQ Paramétrique et Graphique ne sont pas liés. Pour les voies de sortie, ce lien s'applique aux filtres Crossover, Highpass et Lowpass (voir page 146 pour les détails).


6.5 Free Configuration - Full Edit 2 In 6 Out
Dans cette configuration, les 6 sorties sont configurées en fonctionnement Full Range. Le signal des sorties OUT 1, OUT 2 et OUT 3 provient de IN A alors que celui des sorties OUT 4, OUT 5 et OUT 6 provient de la voie d'entrée IN B. Cette configuration fournit une "base vierge" pourisser une application de routage et de traitement personnalisé.
CONSEIL: Dans cette configuration, aucune voie ni aucun paramètre n'est lie.


6.6 3 Way Stereo-MonoSub+FR
Cette configuration à 3 voies fournit un crossover stéreo pour des fréquences basses et aigües, ainsi que la somme des entrées mono pour les fréquences complétées d'une sortie Full-Range. IN A sort de voie d'entrée gauche et IN B sort de voie d'entrée droite. La sortie OUT 1 est une voie mono pour les fréquences Sub (sub-basses), les sorties OUT 2 & 5 sont les voies G/D L/R pour les fréquences Low (basses), les sorties OUT 3 & 6 sont les voies G/D L/ R pour les fréquences High (aigües) et la sortie OUT 4 est la voie Full-Range.
CONSEIL: Sur les voies d'entrée, tous les paramètres d'EQ Paramétrique et Graphique sont liés. Pour les voies de sortie, ce lien s'applique aux Crossovers, EQ, Delay Level et Limiter.

Linked Parameters

6.7 4 Way Stereo-MonoSub/LF
Cette configuration est un crossover de fréquence stéreo à 4 voies. Les voies mono des fréquences sub-basses (Sub) et basses (Low) reçoivent le signal des entrées IN A + IN B, les voies gauches des fréquences medium (Mid) et aigues (High) reçoivent le signal de l'entrée IN A, les voies droites des fréquences medium (Mid) et aigues (High) reçoivent le signal de l'entrée IN B. La sortie OUT 1 est une voie mono pour les fréquences Sub (sub-basses), la sortie OUT 2 est une voie mono pour les fréquences Low (basses), la sortie OUT 3 est la voie gauche des fréquences medium (Mid), la sortie OUT 4 est la voie gauche des fréquences aigues (High), la sortie OUT 5 est la voie droite des fréquences medium (Mid) et la sortie OUT 6 est la voie droite des fréquences aigues (High).
CONSEIL: Sur les voies d'entrée, tous les paramètres d'EQ Paramétrique et Graphique sont liés. Pour les voies de sortie, ce lien s'applique aux Crossovers, EQ, Delay Level and Limiter.

7 Modes de fonctionnement & Préroglages
Standard Configurations
Notice Facile