ACM 23 V-TOP - Chaudière gaz ARIANE - Notice d'utilisation et mode d'emploi gratuit
Retrouvez gratuitement la notice de l'appareil ACM 23 V-TOP ARIANE au format PDF.
| Type d'appareil | Chaudière murale à gaz |
| Alimentation électrique | 23 V |
| Type de gaz | Gaz naturel ou propane (non précisé) |
| Installation | Murale |
| Fonctions principales | Chauffage et eau chaude sanitaire |
| Contrôle de température | Manuel |
| Type de ventilation | Ventilation forcée (conduit visible) |
| Dimensions | Non précisées |
| Poids | Non précisé |
| Matériau du corps | Acier ou métal (général) |
| Normes | CE |
| Maintenance | Entretien régulier recommandé |
| Pression de fonctionnement | Non précisée |
| Type de brûleur | Non précisé |
| Garantie | Non précisée |
FOIRE AUX QUESTIONS - ACM 23 V-TOP ARIANE
Questions des utilisateurs sur ACM 23 V-TOP ARIANE
0 question sur cet appareil. Repondez a celles que vous connaissez ou posez la votre.
Poser une nouvelle question sur cet appareil
Téléchargez la notice de votre Chaudière gaz au format PDF gratuitement ! Retrouvez votre notice ACM 23 V-TOP - ARIANE et reprennez votre appareil électronique en main. Sur cette page sont publiés tous les documents nécessaires à l'utilisation de votre appareil ACM 23 V-TOP de la marque ARIANE.
MODE D'EMPLOI ACM 23 V-TOP ARIANE
Nous vous felicitons...
... pour vousCHOix, et nous vous remercions de la preference que vous aze accorded a nos produits.
POUR TOUT BESOIN, VEUILLEZ DONC VOUS ADRESSER A NOTRE AGENCE INDIQUEE CICONTRE.
AGENCE
NORMES GENERALES
Le present livre est une partie intégrante et essentielle du produit, et il devra être remis à l'installateur. Lire attentivement les instructions contenues dans ce livre car elles fournissant des indications importantes concernant la sureté d'installation, d'utilisation et d'entretien.
Conserver soigneusement ce livre pour toute consultation qui se rendra nécessaire par la suite. L'installation de la chaudiere doit etre effectue dans le respect des normes en vigueur, selon les instructions du constructeur, par du personnel qualifie. Une mauvaise installation peut provoquer des dommages physiques et matériels, qui n'engagent pas la responsabilité du constructeur.
- Apre's avoir defait entierement les emballages, s'assurer du bon etat du contenu. En cas de dutes, ne pas utilise l'appareil et s'adresser au fournisseur. Ne pas laisser les elements de I'emballage (cage en bois, clous, agrafes, sacs plastique, polystyrene expansé, etc.) à la portee des enfants car ils peuvent representer des sources de danger.
- Cette caudière sert à rechauffer l'eau à une température inférieure à celle d'ébullition à la pression atmosphérique. Elle doit être branchée à une installation de chauffage compatible avec ses prestations et sa puissance.
Cet appeareil ne devra etre destiné qu'a l'usage pour lequele il ete expressement prevu. Tout autre usage est a considérer impropre et par consequent dangereux.
Le constructeur decline toute responsabilité en cas d'eventuels dommages derivant d'un usage impropre, incorrect au déraisonnable de l'appareil.
- Avant d'effectuer toute opération de nettoyage ou d'entretien, débrancher l'appareil du réseau d'alimentation soit par l'interrupteur de l'installation soit par les organes d'arrêt.
- Ne pas obstruer les grilles d'aspiration ou de dissipation de l'air.
En cas de panne et/ou de mauvais fonctionnement de l'appareil, le désactiver. L'eventuelle réparation des matériels ne devra être effectue que par un centre d'après-vente agree par le constructeur en utilisant exclusivement des pieces détaches d'origine.
Le non-respect de ces règles peut compromètre la sécurité de l'appareil. Pour garantir les performances et le bon fonctionnement de l'appareil, il est indispensable de suivre scrupuleusement les indications du constructeur et faire effetuer l'entretien périodique de l'appareil par des professionnelles qualifiés.
Si you decide de ne plus utiliser l'appareil, il faudra neutraliser les pieces susceptibles de provoquer des sources de dange potentielles.
Pour tous les appareils livres avec des groupes facultatifs ou avec kits (y compris yeux electriques) il ne faudra utiliser que des accessoires d'origine.
La chaudiere doit etre installedans un local approprié dans le respect des normes et des prescrip-tions en vigueur.
Avant de brancher la chaudiere, effectuer les operations suivantes:
a) bien laver tous les conduits de l'installation pour eliminer les résidus compromettant le fonctionnement de la chaudiere;
b) vérifier si la chaudière est prévue pour fonctionner avec le type de combustible disponible (contrôler sur la plaquette indiquant les caractéristiques de la chaudière);
c) contrcler que la cheminee ait tirage adapted, n'ait pas d'entranglements et qu'il n'y ait pas d'autres evacuations se faisant a l'intérieur du conduit de fumee, a moins que celui-ci ne le prevoit selon les normes en vigueur. Ce n'est qu'aPRES ce contrrole que you pouze efectuer le raccordement.
d) controller, en cas de raccordements à des conduits de fumée qui existaient déjà, s'ils sont bien propres car les déchets eventuels, en se detachant des parois en cours de fonctionnement, pourraient boucher le passage des fumées, à l'origine de situations extrémement dangereuses pour l'utilisateur.
La première mise en marche doit etre effectuee par le personnel du constructeur.
La transformation en partant d'un gaz d'une famille (gaz naturel ou gaz liquide) en gaz d'une autre famille, qui peut meme etre efectuee lorsque la chaudiere a deja ete installee, doit etre realisee unquenment par du personnel qualifie.
Avont de demarrer la chaudiere, verifier:
a) si les données indiquees sur la plaquette signalétique correspondent bien a celle du reseau d'alienation du gaz, du courant et de l'eau;
b] si le réglage du bruleur est compatible avec la puissance de la chaudière;
c) si les conduits partant de la chaudiere sont revetus de gains thermoisolantes adaptees;
d) le bon fonctionnement du conduit de fumée;
e) si I'afflux d'air de comburant et I'evacuation des fumees se font correctement d'apres les normes en viqueur;
f) si I'aeation et I'entretien courant sont assurés lorsque la chaudiere est place entre des meubles.
- Contrôler la pression de l'eau de l'installation sur l'hydromètre: lorsque l'installation est froide, l'instrument doit indiquer une valeur comprise dans les limites établies par le constructeur; en cas de baissses de pression, s'adresser à du personnel qualifié.
- Apre s chaque reouverture du robinet du gaz, attendre quelques minutes avant de reallumer la chaudiere.
- Ne pas toucher les pieces de la chaudière qui se surchauffent en cours de fonctionnement ainsi que par la suite (pendant un certain temps). La présence d'enfants ou de personnes in expertes dans le voisiage de la chaudière est par conséquent interdite.
DESCRIPTION
La conception et la fabrication de cette chaudière ont eu le double objectif de permettre son installation independamment de la presence du conduit de fumée tout en gardant le maximum de sécurité contrés les exhalations des gaz de décharge. En effet, la chaudière est dotée d'une chambre de combustion étanche. Moyenant deux tubes coaxiaux et un electroventilateur, la combustion se fait en prélevant de l'air combustant de l'extérieur et en rejetant les gaz imbrûles directement à l'extérieur. Cette caractéristique est fondamentale en termes de sécurité piusqu'elle permet de ne pas utiliser l'oxygène du milieu pou la combustion del la chaudière et garantit en même temps que dans le milieu il n'y aït pas de dispersion de gaz imbrûles, même pas dans des conditions spéciales de contrevent.
ACM 23V
L'allumage est de type semi-automatique avec contrôle de la flamme par thermocouple.
La combustion est realised dans une chambre etanche vers le milieu et l'évacuation des fumées est de type force, au moyen d'électroventilateur.
Pour des raisons de sécurité, l'efficacité de l'électroventilateur est contrôle au moyen d'un pressostat d'air.
ACM 23V-TOP
L'allumage est de type elecronique avec contrôle de la flamme par ionisation.
La combustion est realised dans une chambre etanche vers le milieu et l'évacuation des fumées est de type force, au moyen d'électroventilateur.
Pour des raisons de sécurité, l'efficacite de I'electroventilateur est controllee au moyen d'un pressostat d'air.
L'évacuation des fumée peut être réalisée essentiellement par:
conduit concentrique au conduit d'aspiration de l'air de combustion;
conduit conenlquie du cndir aupnion.
conduit double, avc un tube pour I'evacuation des fumee et un tube pour I'aspiration de I'air de combustion.
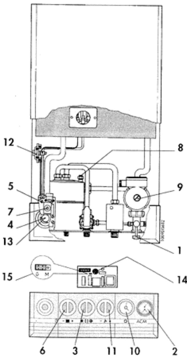
COMPOSANTS PRINCIPAUX
ACM 23V ACM 23V-TOP

LEGENDE
1 Robinet d'alimentation
2 Thermohydrometre
3 Selecteur de fonctionnementé ète-hiver éteint
4 Bouton-poussoir d'allumage et d'extinction du gaz
5 Regulateur pilote
6 Thermostat du chauffage
7 Dispositif de modulation de la flamme
8 Valve de purgege d'air manuelle
9 Deblocage circulatour
10 Horloge de programmation (Optional)
11 Thermostat sanitaire
12 Pressostat de fumées
13 Lampe-témoin de blocage et bouton de réar-mement (ACM 23V-TOP)
14 Potentiometre de chauffage
15 Pont B/P-GAZ NATUREL

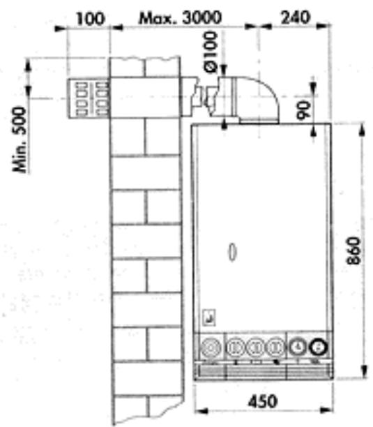
DIMENSIONS mm

CHARACTERISTIQUES TECHNIQUES
| Modèle | Puisance thermique | Puisance thermique minimum | Raccords | Pression de service Bar | Production d'E.C.S. | Vase d'expan. | Poids | |||||||||||||
| Foyer | Unile | Foyer | Unile | Installation | Services | Circ. chaudière | Circ. eau sanit. | Débit continu Δ30° | Débit mini | |||||||||||
| Départ | Retour | Gaz | Entrée | Sortie | bar | |||||||||||||||
| kW | kcal/h | kW | kcal/h | kW | kcal/h | kW | kcal/h | ∅ | ∅ | ∅ | ∅ | ∅ | max. | min. | max. | lt/min. | lt/min. | lt. | kg. | |
| ACM 23 V | 25,3 | 21.758 | 23,4 | 20.120 | 13,5 | 11.610 | 11,8 | 10.170 | 3/4" | 3/4" | 1/2" | 1/2" | 1/2" | 3 | 0,4 | 6 | 11,18 | 2,5 | 6 | 45 |
| ACM 23 V - TOP | 25,3 | 21.758 | 23,4 | 20.120 | 13,5 | 11.610 | 11,8 | 10.170 | 3/4" | 3/4" | 1/2" | 1/2" | 1/2" | 3 | 0,4 | 6 | 11,18 | 2,5 | 6 | 45 |
Chaudiere version: C12-C32-C42
Calegoire II 23
Température maxi de l'eau 90 °C
Pression nominale du gaz Gaz naturel H/L 20/25 mbar
B 28/30 mbar - P 37 mbar
CHARACTERISTIQUES DU CIRCULATEUR
Débit/hauter disponible sur l'installation

P

REGLAGE GAZ - INJECTEURS
Les groupes thermiques quittent l'usine regles et predisposés pour fonctionner avec du GAZ NATUREL et du GAZ LIQUIDE. Ces réglages sont effectués avec le raccord du compensateur déconnecté (Pos. A) (mod. CS) Pour les réglages à effectuer, voir le tableau ci-dessous:
| Type de gaz | Pression aux injecteurs mbars | Débit | Injecteurs brûleur | P.C.I. | Injecteurs pilote | |
| min. | max. | m³/h | Ø mm | kcal/h | Ø mm | |
| GAZ NATUREL (G20-20 mbar) | 2,2 | 11,4 | 2,54 | 1,2 | 8.550 | 0,27 x 2 |
| GAZ LIQUIDE B (G30-28/30 mbar) | 7,0 | 25,6 | 0,74 | 0,75 | 29.330 | 0,22 |
| GAZ LIQUIDE P (G31-37 mbar) | 6,2 | 33,2 | 0,97 | 0,75 | 22.360 | 0,22 |
COURBE DE PRESSION AU BRULEUR - PUISSANCE FOURNIE




A Raccord compensateur
B Tube de raccordement
Pour effectuer le réglage de la soupape gaz, agir de la façon suivante:
a) Couper le tube (B) du raccord (A)
b) Effectuer le reglage
c) Raccorder de nouveau le tube (B) au raccord (A).
■ Pression minimum (mbars)
Reglage allumage lent 3,4 mbars - GAZ NATUREL 6,6 mbars - GAZ LIQUIDE
CONNEXIONS ELECTRIQUES - SCHEMAS
Il faut amener la ligne electrique d'alimentation, monophase 230V· 50Hz en fonction des modeles et des besoins, on peut en plus raccorder le thermostat d'ambiance et la pompe de l'installation. Pour le raccordement a la ligne, on a prevu un cable a 3 fils, precable sur la fiche de connexions qui sort sur le retro de la chaudiere. Pour le raccordement de l'horloge, on a prevu un connecteur a branchement rapide, non interchangeable.
Le bronchement doit etre effectue a laide d'un interrupteur bipolaire avec une ouverture minimale des contacts de 3 mm.
En cas de remplacement du cable d'alimentation, il faut utiliser un cable du type "HAR HO5 W-F" 3 × 0.75 ~mm^2 .
L'installation doit etre conforme aux NORMES DE SECURITE EN VIGUEUR.
Effectuer une installation de mise à la terre efficace.
| Tension | Fréquence | Puisance absorbée | Dégré de protection | Bruit |
| Volt | Hz | kW | IP | dB (A) |
| 230 | 50 | 0,13 | 20 | 47 |
Pour la ligne thermostatique, le branchement prevu se touve dans la fiche de connexions a l'intérieur du tableau electrique.
Ne pas inverser le neutre avec la phase.
L'installation doit être conforme à la législation locale.
Réaliser une bonne prise de terre.
Pour acceder au tableau électrique où se trouvent la fiche de connexions, l'unité de contrôle électrique des modèles automatiques, etc., proceder comme suit:
Ouvrir le panneau 1 en devissant les vis 2;
Pour acceder aux composants principaux (clapet de gaz, circulateur, etc...) retirer le panneau 3 en devissant les vis 4 et en enlevant les brides 5.


SCHEMA DE PRINCIPLE ACM 23V
LEGENDA
BM Bobine modulante
BR1 Bobine relais 1
BR2 Bobine relais 2
C Condensateurs
CO Contact Horlege
CR1 Contacts relais 1
CR2 Contacts relais 2
D Diode
EI Interrupteur eté-hiver
ES Electrode de descharge
GM Pont B/P - Gaz Naturel H/L
IG Interrupteur principal
M1P Micro pressostat 1
M2PMicro pressostat 2
OR Horloge de programmation (sur demande)
P Pompe
PA Bouton d'allumage
PCA Bouton de comande allumage
PD Pont diodes
PF Pressostat de fumées
PS Pressostat de sécurité
PTR Potentiometre dechauffage
R Résistances
RV Relais ventilateur
SCM Carte de connections-modul.
SF Voyant de fonctionnement (vert)
SV Carte de contrôle du ventilateur
T Transformateur d'allumage
TA Thermostat ambiance
TL Thermostat limite
TR Thermostat de chauffage
TRA Transformateur
TS Thermostat sanitaire
TST Thermostat sécurité totale
V Valve a 3 voise
VGValve du gaz
VN Ventilateur

SCHEMA DE MONTAGE ACM 23V
LEGENDA
BM Bobine modulante
BR1 Bobine relais 1
BR2 Bobine relais 2
C Condensateurs
CO Contact Horlege
CR1 Contacts relais 1
CR2 Contacts relais 2
D Diode
EI Interrupteur eté-hiver
ES Electrode de descharge
GM Pont B/P - Gaz Naturel H/L
IG Interrupteur principal
MIP Micro pressostat
M2PMicro pressostat 2
OR Horloge de programmation sur demande)
P Pompe
PA Bouton d'allumoge
PCA Bouton de commande allumage
PD Pont diodes
PF Pressostat de fumées
PS Pressostat de sécurité
PTR Potentiométre de chauffage
R Résistances
RV Relais ventilateur
SCM Carte de connections-modul.
SF Voyant de fonctionnement (vert)
SV Carte de controle du ventilateur
T Transformateur d'allumage
TA Thermostat ambience
TL Thermostat limite
TR Thermostat de chauffage
TRA Transformateur
TS Thermostat sanitaire
TST Thermostat sécurité totale
Valve a 3 voise
VG Valve du gaz
VN Ventilateur
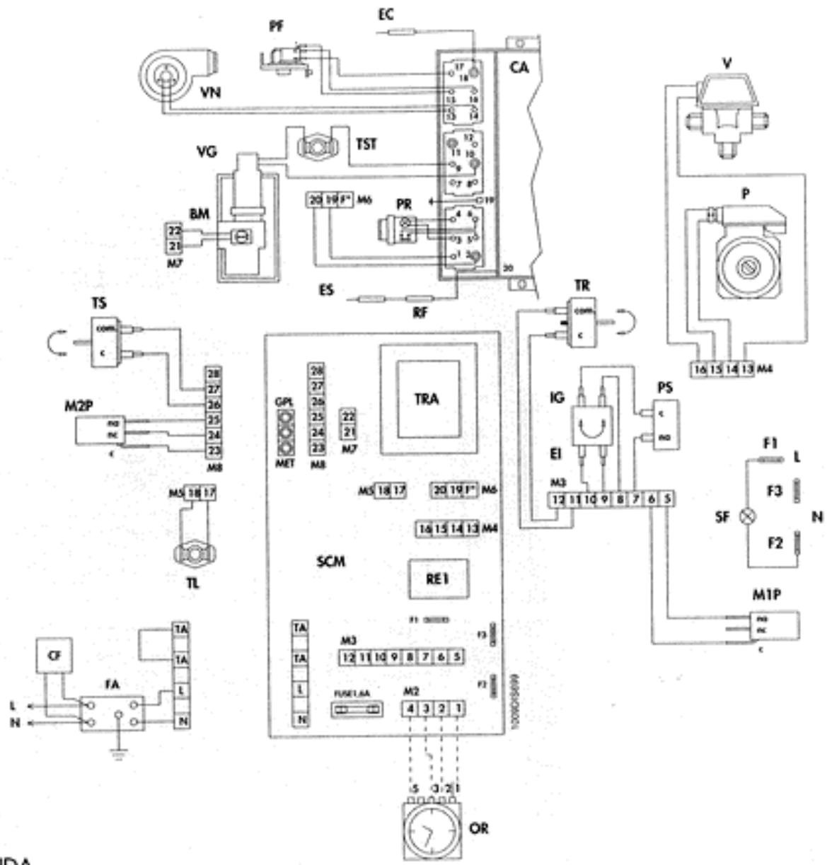
SCHEMA DE PRINCIPLE ACM 23V-TOP

LEGENDA
BM Bobine modulante
BR1 Bobine relais 1
C Condensateur
CA Boite de commande allumage
CF Condensateur Anti-bruit
CO Contact Horlege
CR1 Contacts relais 1
D Diode
EI Interrupteur eté-hiver
EC Electrode de controlo
ES Electrode de descharge
FA Filtre Anti-bruit
GM Pont B/P - Gaz Naturel
IG Interrupteur principal
L Ligne
MIP Micro pressostat
M2PMicro pressostat 2
N Neutre
OR Horloge de programmation (sur demande)
P Pompe
PD Pont diodes
PF Pressostat de fumées
PR Bouton-poussoir de rearmement
PS Pressostat de segurite
PTR Potentiométre de chauffages
R Résistances
RE1 Relais
SB Voyant de blocage
SCM Carte de connections-modul.
SF Voyant de fonctionnement (vert)
TA Thermostat ambience
TL Thermostat limite
TR Thermostat de chauffage TR
TRA Transformatheur
TS Thermostat sanitaires
TST Thermostat sécurité totale (a réarmament manuel)
V Valve a 3 voises
VGValve du gaz
VN Ventilateur

SCHEMA DE MONTAGE ACM 23V-TOP
LEGENDA
BM Bobine modulante
BR1 Bobine relais 1
C Condensateur
CA Boite de commande allumage
CF Condensateur Anti-bruit
CO Contact Horlege
CR1 Contacts relais 1
D Diode
EI Interrupteur eté-hiver
EC Electrode de controle
ES Electrode de descharge
FA Filtre Anti-bruit
GM Pont B/P - Gaz Naturel
IG Interrupteur principal
L Ligne
M1P Micro pressostat 1
M2P Micro pressostat 2
N Neutre
OR Horloge de programmation sur demande)
P Pompe
PD Pont diodes
PF Pressostat de fumées
PR Bouton-poussoir de rearmement
PS Pressostat de segurite
PTR Potentiometre de chauffage
R Résistances
RE1 Relais
SB Voyant de blocage
SCM Carte de connections-modul.
SF Voyant de fonctionnement (vert)
TA Thermostat ambience
TL Thermostat limite
TR Thermostat de chauffage
TRA Transformateur
TS Thermostat sanitaire
TST Thermostat sécurité totale (à réarmament manuel)
V Valve a 3 voises
VGValve du gaz
VN Ventilateur

CIRCUIT HYDRAULIQUE
LEGENDA
A Gaz
B Sortie d'eaqu chaude sanitaire
C Entree d'eaou froide sanitaire
D Depart d installation
E Retour d'installation
1 Balloon instantané
2 Sonde thermostat sanitaire
3 Valve a 3 voies electrique
4 Pressostat sanitaire
5 Hotte d'aspiration des fumées
6 Echangeur des fumées
7 Bruleur principal
8 Thermostat limits
9 Valve de purgege d'air automatique
10 Thermostat de sécurité totale
11 Vase d"expansion
12 Sonde thermostat de chauffage
13 Sonde du thermostat de chauffage
14 Pompe de circulation
15 Valve du gaz
16 Robinet de remplissage
17 Soupape de surete
18 Valve de purgege d'air manuelle
19 Thermohydrometre
20 Disconnecteur
21 Robinet d'arret
22 Pressostat de segurite
INSTALLATION
Doit etreeffectuee par du personnel qualifie.
L installation doitetre realizedans un local bien aere, sans vapeurs corrosives selon les normes en vigueur.
L'évacuation des gaz de combustion doit être effectuee par un tube d'un diametre non inférieur à celui prevu sur la chaudiere et qui doit etre raccorded a un conduit de fumees adapte a la capacite de l'installation.
Quant aux dimensions de la cheminée, nous vous rappelons qu'il faut respecter les diamètres minimum et les conditions requises par les normes en vigueur.
VENTILATION
La sécurité, l'efficacité et le bon fonctionnement des chaudières à gaz dépend essentiellement d'une ventilation adequate du lieu d'installation de la chaudière.
MISE EN SERVICE DE L'INSTALLATION
Ouvrir les portes et les fenêtres et éviter la présence de flammes libres.
Proceder a la purgege de I'air.
- Contröler qu'il n'y aït pas de fuites de gaz (utiliser une solution savonneuse ou un produit équivalent).
BRANCHEMENT HYDRAULIQUE
Aprés avoir fixé les crochets devant supporter la chaudière, engager le gabarit de montage et l'adosser au mur. En partan des raccords terminaux montés au préalable sur le gabarit, procédéra à la mise en œuvre de tous les conduits: départ d'installation, retard d'installation, eau froide, gaz et alimentation du courant électrique avec thermostat d'ambiance évientuel.
Aprés avoir effectué la mise en place des conduits, on peut dévisser les raccords terminaux et fermer par des bouchons pour proceder aux essais hydrauliques de l'installation. On peut enlever ou laisser le gabarit car il sera dissimulé à l'intérieur du mur après finition (platre ou carrelage).
Ne resteront à l'extérieur du mur fini que les deux crochets et une ouverture au niveau de raccords. Placer ensuite la chaudière sur les crochets en y faisant correspondre les troups prevus sur le châssis arrêté puis l'adosser complètement au mur et fixer les deux contre-écrous sur les crochets.
Proceder ensuite au branchement hydraulique à l'aide des tubes fournis, en les coupant à la juste mesure selon la distance située entre les raccords de la caudiere et les raccords du gabarit qui se trouvent sur le mur.

LEGENDE
G Goz 3/4"
F Eau d'aliment. de la chaudiere, 1/2"
C Eau chaude 1 / 2^n
AE Alimentation electrique
R Retour d'Installation, 3/4"
GS Crochets de fixation
N.B. Prévoir des raccors hydrauliques femelle
BRANCHEMENT ELECTRIQUE
La chaudiere doit etre alimentee sous tension monophasee 230V 50Hz. Le branchement doit s'effectuer sur la plaque a bornes logee sur la carte. La ligne d'alimentation doit etre branchee sur les bornes ayant les symboles N (neutre) et L(phase).Le cable de terre doit etre branche sur la vis ayant le symbole [1 ] Les deux cables du thermostat ambiance doivent etre branches sur les bornes TA respectives apres avoir enleve le pont correspondant. Les cables doivent avoir une forte epaiseur par le circuit electrique de la chaudiere est de 230V. Avant de brancher la chaudiere s'assurer que l'utilisation soit protegee par sectionnement bipolaire et fusible adequat (1A).
N.B. L'installation doit etre realised en respectant les normes de securite en vigueur.
BRANCHEMENT DE L'EVACUATION DES FUMEES
La combustion se faisant dans une chambre etanche par rapport au local, la chaudiere n'exige pas de ventilation spéciale et peut etre place dans des espaces etroits, debarras, alveoles techniques. Il existe plusieurs possibites pour l'évacuation des produits de la combustion et de l'aspiration de I'air de I'estier, la chaudiere prevoit essentiellement deux systèmes de base d'évacuation/aspiration:
evacuation/aspiration de type concentrique,
evacuation/aspiration de type double.
Ceci permet, à l'aide des kits prévus, d'effectuer le branchement à des conduits concentriques, conduits de ventilation, cheminées séparées etc.; la figure ci-après montre quelques-unes des solutions qui peuvent être réalisées.
Concentriques par le toit
2 concentriques par mur extérieur
3 doubles, par conduits séparés
4 concentriques, raccordements a des conduits concentriques

Pour la mise en place et les distances des terminaux de tirage par fenêtres, portes, etc., se reporter aux normes en vigueur.
INSTALLATION DU CONDUIT CONCENTRIQUE D'EVACUATION DES FUMEES
Conduit concentrique d'évacuation
Installer le coude concentrique en le positionnant dans la direction souhaitee et y enfilr le joint d'etanchete.
Installer les tubes d'aspiration et d'évacuation des fumées en respectant les indications du schéma d'installation correspondant. Il faut maintainir le conduit d'évacuation des fumées légerement incliné vers l'extérieur.


N.B. Longueur max. CONDUIT CONCENTRIQUE 3 m Longueur max. CONDUIT DEDOUBLE (Aspiration + Refoulement) 19 m
L'installation d'un coude dans le raccordement de la chaudiere à la cheminée cree une perte de pression.
Les valeurs du tableau indiquent une réduction de tubulure linéaire.
| INSTALLATION TYPE | MISE EN PLACE COUDE A 90° | MISE EN PLACE COUDE A 45° |
| CONDUIT | 1 mt | 0,5 mt |
| CONCENTRIQUE | ||
| EVACUATION/ASPIRATION | 0,6 mt | 0,3 mt |
| SEPARES |
MISE EN MARCHE
REMISSIAGE DE L'INSTALLATION
Ouvr lentement le robinet d'alimentation (1) jusqu'à ce que la pression de l'installation indiquée par l'hydromètre (2)atteigne 1,5 bar, puis le referrer. Verifier si le capuchon de la valve de purgege d'air automatique placee sur le circulator est desseré et marche regulierement et ensuite purgege l'air eventuel a I'aide de la valve manuelle (8) logee sur le balloon.
Avant de la mise en marche s'assurer que la pression de I'eau dans l'installation ne soit pas en dessous de la valeur initiale de charge.
Avant de replir l'installation vérifier si le selecteur (3) est en position eteint. Pour un fonctionnement meilleur de la chaudere, agir de telle sorte que la pression de l'installation soit tous jres de 1,5 bar minimum.
MISE EN MARCHE MOD. ACM 23V
Ouvrir le robinet du gaz. Tourner le bouton de la valve du gaz (4) sur la position pilote (*) et y appuyer dessus jusqu'à allumage de la flamme du brûleur pilote. Attendre quelques secondes avant de relâcher le bouton (4). Si après avoir reliâché le bouton la flamme s'éteint, repeter l'opération et maintainir enforcé le bouton davantage. Ensuite tourner le bouton de la valve du gaz (4) sur la position brûleur
MISE EN MARCHE MOD ACM 23V-TOP
Ouvrir le robinet du gaz. Tourner le selectiveur (3) sur la position souhaitation et le bruleur s'allumera automatiquement. Si l'allumage n'a pas lieu, controler si le bouton poussoir de blocage (13) est allumé et si tel est le cas appuyer dessus de sorte que la chaudière recommence l'opération d'allumage.
FONCTIONNEMENT EN HIVER
Tournier le selecteur sur la position hiver. Régler le thermostat de chaudière sur la position qui correspond à la température souhaitee, Si on a installé un thermostat d'ambiance le réglage de celui-la mainiendra la temperature sur la valeur établie. Régler le thermostat sanitaire sur la position qui correspond à la temperature d'eau chaude sanitaire souhaitee.
FONCTIONNEMENT EN ETÉ
Tourner le selecteur sur la position ete. Regler le thermostat sanitaire sur la position qui correspond a la temperature d'eau chaude sanitaire souhaitee.

REGLAGES
La chaudiere prévoit la possibilité d'adapter la puissance thermique en chauffage (le réglage de la puissance disponible pour la production de l'eau chaude sanitaire étant toujours en vigueur) à la demande thermique des millieux à chauffer.
Toutes les chaudières quittent de l'usine régées à 70% de leur puissance maximum de chauffage.
Si nécessaire, régler le début minimum et maximum de la bobine modulante comme suit:
PRESION DE SORTIE
Pression maxima:
S'assurer que le bobinage du modulateur soit alimenté avec du courant continu à 165 mA.
En faisant tourner I'ecrou (B) dans le sens des aiguilles d'une montre, avec une clé de 10mm , la pression de sortie augmente.
Pression minimale (son reglage n'aura lieu qu'aupres le reglage de la pression maximale):
S'assurer que l'alimentation du modulateur soit débranchée.
En bloquant l'écrou (B) au moyen d'une clé, tournier la vis (A) dans le sens des aiguilles d'une montre pour augmenter la valeur de la pression de sortie.
Pilote.
Pour réduire le flux de gaz à l'injecteur pilote, tourner dans le sens des aiguilles d'une montre la vis de réglose (D) (ACM 23V).
Lorsque les reglages sont terminés:
-
Contraler les valeurs de la pression minimale et maximale; les corriger si nécessaire.
-
Protégé les vis de réglage au moyen du capuchon de protection spécial pouvant être scelle.
ACM 23V

E Prise de pression de l'alimentation gaz
ACM 23V TOP

E Prise de pression de l'alimentation gaz
INSTRUCTIONS DE REGLAGE DE L'HORLOGE DE PROGRAMMATION
Dans la chaudiere version ACM 23V on a prévu la possibilité de monter l'horloge de programmation. Voir la fig.3 pour le montage. Pour le branchement électrique retarder le connecteur-pont place sur la carte des connctions (voir schéma électrique page 11) et introduire le connecteur prévu dans le kit horloge.
LEGENE
1 Vis de fixation
2 Horloge de programmation
3 Cable avec connecteur
4 Tableau de commandes


Fig. 3
INSTRUCTIONS DE REGLAGE DE L'HORLOGE DE PROGRAMMATION
Le selecteur place sur le cadran de l'horloge (Fig 1) permet d'effectuer les trois régloges suivants:
SELECTEUR SUR POSITION "I"
Le fonctionnement du circuit de chauffage est dé-sactivé et la production d'eau chaude sanitaire reste activée.
SELECTEUR SUR POSITION INTERMEDIAIRE ENTRE "I" ET "O"
Le circuit de chauffage est commandé par le programme fixé sur l'horloge à l'aide des curseurs à levier (fig2)
SELECTEUR SUR POSITIO "O"
Le programme fixé est exclu. Le circuit de cauffage est asservi au thermostat de cauffage ou bien au thermostat d'ambiance.
Pour la programmation del l'horloge,mettre le curseur a levier sur la position ENCLENCHPE pour que le chauffage fonctionne; sur la position DECLENCHPE pour I'eteindre.

Fig. 1

ARRET
ARRET PROLONGE
En cas de non-utilisation prolongée de la chaudière, fermer le robinet du gaz etmettre l'appareil hors tension.
Se fait de l'une des facons suivantes:
par le thermostat d'ambiance
par le thermostat de regulation (au tableau de commandes)
- par le bouton de marche/arrêt (au tableau des commandes)
par l'horologie de programmation (Optional)
En cas d'installation d'un thermostat d'ambiance, nous conseillons notre chrono thermostat CLASS qui non seulement garantit le comport d'une regulation précise de la temperature mais permet en plus une gamme considérable de programmes de chauffage.
ARRET MOD. ACM 23V
Tournier le bouton-poussoir de la valve du gaz (4) sur la position eteint (^*) et tournier le selecteur (3) sur la position eteint. En cas de non-utilisation prolongee de la chaudiere, fermer aussi le robinet du gaz.
ARRET MOD ACM23V-TOP
Tournier le selecteur (3) sur la position eteint. En cas de non-utilisation prolongee de la chaudiere, fermer aussi le robinet du gaz.

N.B.: Le circulateur pourrait se bloquer dans une chaudière neue ou après une longue période de non-utilisation. Dans ce cas, il faut deviser le bouchon avant et faire tourner l'arbre moteur sous-jacent à l'aide d'un tournevis.

FONCTIONNEMENT AVEC DIFFERENTS TYPES DE GAZ
TRANSFORMATION DU GAZ NATUREL AU GAZ LIQUIDE
Remplacer les injecteurs du bruleur, introduire le diaphragme (I) inclus dans le kit spécial.
Exclure le regulateur de pression en serrant I'ecrou B jusqu'a sa butee.
Proceder ensuite au reglage proprement dit comme indique au paragraphe "REGLAGES", Page 19.
Pour le O des injecteurs et la pression du gaz d'exercice, voir tableau ci-dessous:
| Type de gaz | Pression aux injecteurs mbars | Débit | Injecteurs brûleur | P.C.I. | Injecteurs pilote | Diaphragme gaz H | |
| min. | max. | m³/h | Ø mm | kcal/h | Ø mm | Ø | |
| GAZ NATUREL (G20-20 mbar) | 2,2 | 11,4 | 2,54 | 1,2 | 8.550 | 0,27 x 2 | 5,0 |
| GAZ LIQUIDE B (G30-28/30 mbar) | 7,0 | 25,6 | 0,74 | 0,75 | 29.330 | 0,22 | 4,7 |
| GAZ LIQUIDE P (G31-37 mbar) | 6,2 | 33,2 | 0,97 | 0,75 | 22.360 | 0,22 | 4,7 |

ACM 23V
E Prise de pression de l'alimentation gaz

ACM 23V TOP
E Prise de pression de l'alimentation gaz
ENTRETIEN
Les opérations suivantes devant être exclusivement effectuees par des personnes qualifiées, veuillez par consequenc yous adresser a notre organisation.

Avant que ne commence la saisson froide, il faut faire effectuer un contrôle général de l'appareil, de l'installation et de la cheminée notamment :
controle de la proprete de I'echangeur, du bruleur et de la cheminee;
- pression de l'installation hydraulique;
efficacite du vase d'expansion;
fonctionnement des thermostats de reglage et de sécurité ;
fonctionnement de la pompe de circulation;
qu'il n'y ait pas la moindre fuite de gaz depuis l'installation et de gaz de combustion provenant du dispositif anti-refouleur ou du raccord chaudiere-cheminee;
debit de gaz
- etat de la combustion (CO · CO_2)
DEFAULT DE FONCTIONNEMENT
| 1 | Non-allumoge du pilote. | a | Robinet du gaz fermé. | a | Ouvir le robinet du gaz. |
| b | Chaudière éteinte. | b | Appuyer sur l'interrupteur situé au tableau électrique. | ||
| c | Pas de décharge d'allumage. | c | Appeler le technicien. | ||
| d | Présence d'air dans le conduit. | d | Garder le bouton pressépendant un-delai plus long. | ||
| Après avoir verified les points a-b-d avec un résultat netif appeler le technicien. | |||||
| 2 | La flamme du brûleur principal ne s'allume pas. | a | Brûleur pilote éteint. | a | Verifier ce qui prévu ou point 1. |
| b | La température de l'eau de la chaudière est supérieure à la position du thermosat de régulation. | b | Positionner le thermostat de régulation sur la température souhaitee. | ||
| c | Intervention du thermostat de sécurité. | c | Attendre 30 sec et répéter le point 1. | ||
| d | Pas de circulation d'eau. | d | Rétablier le pression dans la chaudière et contröler le circulateur. | ||
| Après avoir verified les points a-b-c-d avec résultat netif appeler le technicien. | |||||
| 3 | Non-allumage mod. TOP. | a | Robinet du gaz fermé. | a | Ouvir le robinet du gaz. |
| b | Bouton-poussoir en sécurité. | b | Le presser pour le réarmer. | ||
| c | Non-detection de la flâmme. | c | Inverser la phase et le neutre. | ||
| d | Pas de décharge d'allumage. | d | Appeler le technicien. | ||
| e | Présence d'air dans le conduit. | e | Recommencer l'allumage. | ||
| f | Intervention du thermostat de sécurité. | f | Débloquer le thermostat et appuyer sur le bouton de réarmement. | ||
| g | Pas de circulation d'eau. | g | Rétablier la pression dans la chaudière et contröler le circulateur. | ||
| 4 | Crépitement à l'allumage. | a | Flâme défectueuse. | a-b | Appeler le technicien. |
| b | Débit de gaz insuffisant ou mal réglé. | ||||
| 5 | Odeur de gaz. | a | Fuite du cirouit des conduits (à l'extérieur et à l'intérieur de la chaudière). | a | Contrôle des conduits externes et internes. Appeler le technicien. |
| 6 | Odeur de gaz imbrûés et mauvise combustion du brûleur. | a | Conduit de fume de section, hauteur ou raccord non adaptés à la chaudière. | a | Remplacer les pièces non adaptées. |
| b | Consommation de gaz excessive-Mau-vais état de combustion. | b | Régler le débit du gaz. | ||
| c | Les flâmes tendent à se détacher. | c | Contraler et agir sur le stabilisateur de pression de la valve du gaz. | ||
| d | La flâme presente des pointes jaunes. | d | Contraler que les passages de l'air et des venturis du brûleur soient bien propres. | ||
| Après avoir verified les points a-b-c-d avec résultat netif appeler le technicien. | |||||
| 7 | La chaudière produit de la condensation. | a | Cheminée de section ou hauteur non adaptable (dimensions excessives). | a | Remplacer les pièces non adaptées. |
| b | La chaudière fonctionne à une tempête insuffisante. | b | Régler le thermostat de la chaudière sur une tempête supérieure et vérifier le bon raccordement du tube d'aspiration/d'évacuation des fumes. | ||
| 8 | Radiateurs froids en hiver. | a | L'interrupteur été-hiver est sur la position éte. | a | Déplacer l'interrupteur sur la position hiver. |
| b | Le thermostat d'ambiance est positionné sur une valeur insuffisante ou bien il est défecteux. | b | Régler le thermostat sur une valeur supérieure ou le remplaçcer. | ||
| c | Installation ou radiateurs fermés. | c | Vérifier si les vannes de l'installation et les robinets des radiateur sont ouverts. Si le contrôle c s'evère négatif, appeler votre technicien. | ||
| d | Circulator bloque. | d | Débloquer à l'aide d'un tournavis et contrôler l'ali-mentation électrique. | ||
| e | La valve à 3 voies ne fonctionne pas. | e | Vérifier l'alimentation électrique. | ||
| 9 | Faible production d'E.C.S. | a | La température du thermostat de l'eau chaude sanitaire est insuffisante. | a | Régler le thermostat de l'eau chaude sanitaire sur une température supérieure ou le remplaçcer. |
Notice Facile