RAE 22 - Climatiseur S.PLUS - Notice d'utilisation et mode d'emploi gratuit
Retrouvez gratuitement la notice de l'appareil RAE 22 S.PLUS au format PDF.
| Type de produit | Climatiseur mobile |
| Caractéristiques techniques principales | Monobloc, réversible, avec fonction déshumidification |
| Alimentation électrique | 220-240 V, 50 Hz |
| Dimensions approximatives | 75 x 45 x 35 cm |
| Poids | 30 kg |
| Compatibilités | Compatible avec fenêtres standard et baies vitrées |
| Type de batterie | Non applicable (fonctionne sur secteur) |
| Tension | 220-240 V |
| Puissance | 2,5 kW |
| Fonctions principales | Climatisation, déshumidification, ventilation |
| Entretien et nettoyage | Filtres à nettoyer tous les mois, réservoir d'eau à vider régulièrement |
| Pièces détachées et réparabilité | Disponibilité des pièces sur demande, facilité de réparation |
| Sécurité | Protection contre la surchauffe, interrupteur de sécurité |
| Informations générales utiles | Garantie de 2 ans, service client disponible pour assistance technique |
FOIRE AUX QUESTIONS - RAE 22 S.PLUS
Téléchargez la notice de votre Climatiseur au format PDF gratuitement ! Retrouvez votre notice RAE 22 - S.PLUS et reprennez votre appareil électronique en main. Sur cette page sont publiés tous les documents nécessaires à l'utilisation de votre appareil RAE 22 de la marque S.PLUS.
MODE D'EMPLOI RAE 22 S.PLUS
Pour votre sécurité, lisez attentivement ce manuel avant d'utiliser votre rafraîchisseur.
Conservez le soigneusement et consultez le chaque fois que nécessaire.
La responsabilité de la Société S.PPLUS ne saurait être engagée en cas de non respect des règes et consignes indiquées ci-après ou en cas d'utilisation incorrecte.
Réf. RAE 2/06.2010/IU
Destiné à l'installateur et à l'utilisateur
SOMMAIRE
1-SECURITE 3
2-FONCTIONNEMENT 3
3 - LIVRAISON / MANUTENTION 3
4- INSTALLATION 4
4.1 - Soufflage de l'air 4
4.2 - Raccordement en eau 4
4.3 - Raccordement electrique 5
5-VENTILATION 5
6-UTILISATION 5
7-ENTRETIEN et SAV 6
8-TABLEAU DE DEPANNAGE 7
9-SCHEMAS ELECTRIQUES 8
10-CARACTERISTIQUES TECHNIQUES 10
1 - SECURITÉ
Le symbole ! indique un danger possible. Le non respect des instructions peut cause des dommages aux personnes ou au matériel.
! Les rafraîchisseurs d'air doivent être installés par des personnes qualifiées. Pour l'installation et la mise en route, respecter les règlementations en vigueur dans le pays de distribution.
! Un usage non conforme de l'appareil peut entraîner des dommages aux opérateurs et aux autres appareils branchés sur le même réseau électrique.
! Les rafraîchisseurs d'air doivent être utilisés par des personnes formées. Ces personnes doivent impérativement dire et comprendre les instructions de ce manuel avant usage.
! Ne jamais utiliser l'appareil sans les panneaux evaporatifs afin d'éviter la surchauffe du moteur du ventilateur et le contact avec les pieces en mouvement (courroie, poulie, etc...) pouvant entraîner d'importantes blessures.
! Ne jamais obstruer l'aspiration et le souffrage de l'air.
! Ne jamais utiliser cet apparéil pour autre chose que le rafraîchissement ou la ventilation.
! Respecter la reglementation locale en vigueur - sanitaire - sécurité - travail.
2 - PRINCIPLE DE FONCTIONNEMENT
Les RAE sont des rafraîchisseurs d'air évaporatifs utilisant le principe naturel et écologique de l'évaporation de l'eau pour abaiser la température de l'air et optimier l'hygrométrie.
L'appareil est composé de 4 panneaux en cellulose spéciale alveolée de dimension adaptée sur lesquelles de l'eau ruisselle.
Un ventilateur centrifuge placé à l'intérieur de l'appareil aspire l'air au travers de ces panneaux ; cet air se charge en vapeur d'eau, sa température diminue, le ventilateur souffle l'air ainsi refroidi dans le bâtiment à rafraîchir.
3 - LIVRAISON / MANUTENTION
Les apparèils sont livrés filmés sur une palette.
La manutention doit s'effectuer avec prudence pour éviter d'eventuel dégats matériels voir corporels.
L'utilisation d'un chariot élévateur adapté au poids de l'appareil est recommandaee.
L'appareil peut également être soulevé à partir des 4 trous de suspension en partie supérieure au moyen d'une grue, point roulant ou autre ennant toutes les précautions d'utilisation.
Ne jamais manutentionner le rafraîchisseur sans ses panneaux lateraux.
4- INSTALLATION
Les rafraîchisseurs d'air peuvent être livrés avec souffrage ver le haut, pour une installation au sol ou murale ,ou avec souffrage vers le bas pour une utilisation en toiture.
PRECISER A LA COMMANDE UN SOUFFLAGE VERS LE HAUT OU UN SOUFFLAGE VERS LE BAS;
Les apparêils sont en général installés en extérieur.
Pour une installation en toiture : veuillez vous assurer au préalable que la charpente est capable de supporter l'appareil rempli d'eau ; que les supports évientuels, chevêtres... sont adaptés à l'appareil ; que l'accessibilité pour la maintenance soit garantie conformément aux règlementations en vigueur. Veillez à ce que le rafraîchisseur soit parfaitement horizontal.
Pour une installation murale : placer l'appareil horizontally avec un espace d'environ 50 cm entre l'appareil et le mur. L'appareil sera installé sur un socle béton ou autre suffisamment résistant ou sur supports métalliques, de telle manière que le soufflage dans le bâtiment se fasse à une hauteur de 3,5 à 4 m maximum - installer si possible le RAE sur façon ouest ou sud.
4.1 - Soufflage de l'air
L'air peut être réparti dans le bâtiment à rafraîchir soit par l'intérimédiaire d'un plénum 2 directions en accessoire, soit par l'intérimédiaire d'une gaine textile ou rigide pour une meilleure répartition.
S.PLUS peut également vous fournir en accessoire des coude de sortie à 90^ , ainsi que des rallonges adaptées à l'appareil, de longueur d'1 m.
Dans le cas d'une installation de gaine, il est nécessaire de prévoir un supportage afin d'éviter que le ventilateur ne supporte un poids trop important.
Le coude de sortie doit être installé dans le sens de la couche du ventilateur.


4.2 - Alimentation en eau
- Le rafraîchisseur doit être alimenté en eau en Permanence et raccordé à un conduit d'évacuation. Le bac d'eau est vidangé à chaque arrêt du rafraîchisseur.
- Alimentation eau sur manchon maje 15 × 21 .
Pression de l'eau 1 b mini à 4 b maxi. - Evacuation eau sur manchon mâle plastique 20 × 27 .
- Raccordement à faire en tubeSouple ou rigide.
- On accède au raccordement en eau en enlevant la tôle bleue (4 vis) située en bas côte gauche de l'appareil.

4.3 - Alimentation électrique
L'appareil est livre avec un coffret électrique intégré qui assure la gestion de son fonctionnement. Il est également livre avec un boîtier inverseur de commande à distance, permettant l'arrêt, le fonctionnement en ventilation seule ou en rafraîchissement.
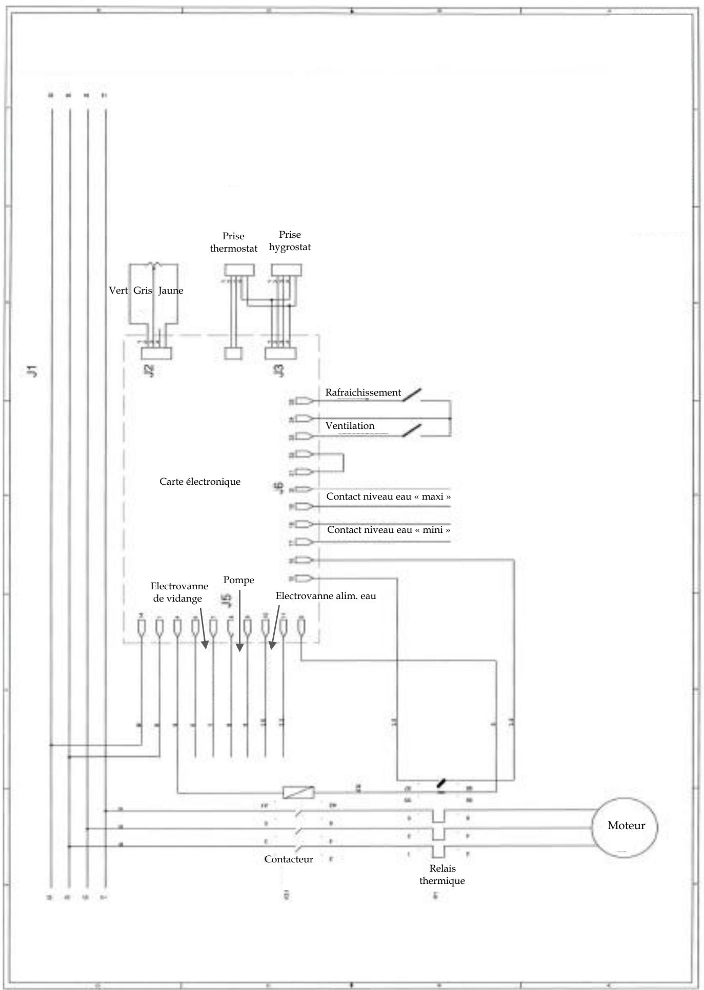
Le raccordement électrique doit être réalisé par une personne qualifiée et selon les normes en vigueur dans le pays d'installation. Le raccordement à la terre est obligatoire. L'appareil doit être alimenté en tri 400V + N + Terre, avec un cable de section adapté (voir tableau des caractéristiques techniques, page ...). Il sera muni d'une protection réglementaire et d'un sectionneur tétrapolaire (raccordement aux bornes R, S, T et N (neutre) + terre - voir schéma, page 8).
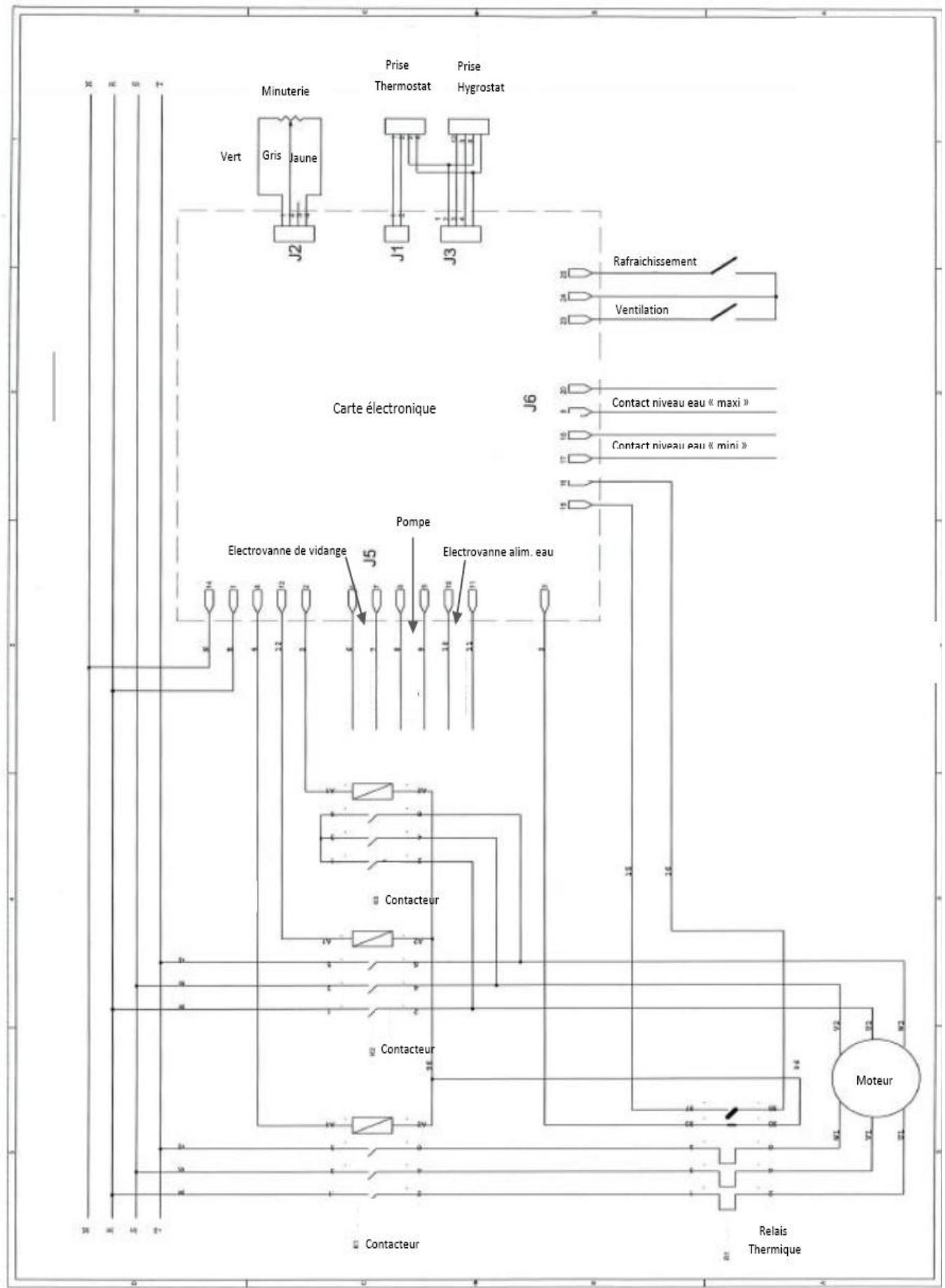
Le rafraîchisseur d'air peut être piloté par un hygrostat ou un thermostat monté en série avec l'inverseur. Ces thermostat et hygrostat sont à raccarder sur les prises carées, sur le côté du coffret électrique (sens indifféré) - voir schéma électrique, page 8.
5 - VENTILATION
Pour une bonne efficacité du rafraîchisseur installé en extérieur, il est nécessaire d'extraire une quantité d'air inférieure ou égale au débit du ou des rafraîchisseurs. Ces extractions se feront par ventilateurs muraux installés en hauteur afin d'extraire l'air chaud.
6 - UTILISATION
- A la première mise en route, vérifier la libre rotation du ventilateur centrifuge, enlever tous les déchets évientuels présents dans le réservoir d'eau.
- Mettre l'appareil sous tension, ouvrir l'alimentation d'eau.
- Mettre l'inverseur de commande sur « ventilation», vérifier que le ventilateur tourne dans le bon sens, sinon inverser deux fils de phase d'alimentation.
- Mettre l'inverseur de commande sur « rafraîchisseur », le ventilateur démarre, le bac se remplit d'eau.
Dès que le niveau d'eau est suffisant, la pompe d'eau se met en marche, l'eau ruisse sur les panneaux latéraux. Le niveau de l'eau est géré entre autre par un flotteur et deux contacteurs de niveau mini-maxi, ce qui explique la nécessité d'un apparil parfaitement horizontal. Les contacteurs de niveau sont réglibres en hauteur si nécessaire. Le niveau maxi doit se couver en dessous du tuyau de tropiein.
- La pompe démarre quand le contacteur de niveau supérieur se ferme. En fonctionnement normal, la pompe s'arrêt si le niveau passse en dessous du contacteur de niveau inférieur. La pompe redémarre environ 2 minutes après que l'eau ait réatteint le niveau requis.


MISE EN ROUTE
- Ventilation seule : Mettre l'inverseur sur la position « ventilation ». Le circuit d'eau n'est pas utilisé. Seul le ventilateur fonctionne.
- Rafraîchissement : Mettre l'inverseur sur la position « rafraîchissement ». Le ventilateur tourne.
Le réserve d'eau se remplit, la pompe démarre et permet aux panneaux evaporatifs d'être mouillés.
L'eau s'évapore dans l'air ventilé qui se refroidit. L'eau non utilisé est récapérée dans le bac et recyclée. - Minuterie: En position « rafraichissement » une minuterie en façade de coffret électrique permet deCHOISIR le temps de fonctionnement de l'appareil 0,5^H à 5^H
ARRÉT
- Ventilation seule : Mettre l'inverseur sur « arrêt ». Le ventilateur s'arrête.
- Raffaichissement: Mettre l'inverseur sur « arrêt», le ventilateur s'arrête, l'eau arrête de ruis塞尔, le réservoir d'eau se purge (pour se faire, l'appareil doit rester sous tension).
IMPORTANT : A chaque arrêt, le réserve d'eau est automatiquement purgé afin d'eviter la stagnation de l'eau et par voie de conséquence sa décomposition organique et la concentration de sel ou de calcaire.
7-ENTRETIEN/SAV
L'entretien et les réparations doivent être effectués par un personnel qualifié. Avant toute intervention, arrêtér l'appareil, couper l'alimentation électrique et l'arrivée d'eau.
Pour un arrêt avant hiver, faire fonctionner pendant quelques minutes l'appareil en ventilation afin d'assécher les panneaux evaporatifs.
- Vidanger et assecher le bac, vous assurer que toutes les canalisations soient vidangées afin d'eviter les dégats dûs au gel. Si possible protéger votre apparéil par une bâche ou un fil plastique. Couper l'alimentation électrique.
Au moins une fois par an, si possible avant le redémarrage d'été :
-
Nettoyer l'ensemble de l'appareil, les panneaux évaporatifs à l'eau et/ou à l'air compré à pression réduite pour ne pas endommager les dits panneaux. Si l'appareil fonctionne dans des ambiances poussièresuses, sales, ces opérations de nettoyage devront être effectuées plus fréquement.
-
Pour acceder au bac d'eau ou pour nettoyer les pannaux evaporatifs, il faut enlever les pannaux en les boulevant et en les tirant vers l'extérieur (voir ci-contre).

8 - TABLEAU DE DEPANNAGE
| PANNE | CAUSE | ACTION |
| L'appareil ne démarre pas | Pas d'alimentation électrique | Vérifier raccordement électrique |
| Tension incorrecte | Vérifier la tension | |
| L'appareil est anomalement bruyant et vibre | Ventilateur mal fixé | Resserrer les vis de fixation du ventilateur |
| Vis desserrées | ||
| Flux d'air réduit | Panneau evaporatif encrassé | Nettoyer le panneau |
| Grilles de soufflage fermées ou mal ouvertes | (voir § "maintenance"). | |
| Grilles de soufflage fermées ou mal ouvertes | Régler les grilles correctement | |
| L'air n'est pas rafraîchit | Flux d'eau insuffisant | Remplir le réservoir avec de l'eau propre |
| Panneau evaporatif encrassé | A nettoyer | |
| Tuyau alimentation eau bouché ou plié | A remettre en état | |
| Pompe encrassée | Nettoyer la pompe | |
| Mauvaises odeurs | Eau sale | Nettoyer, replir le réservoir dans de l'eau propre |
| De l'eau coule en dehors des panneaux évaporatifs | Pression de l'eau trop importante | Fermer partiellement la vanne bleue (voir entretien SAV page 6) en sortie de pompe |
| Le ventilateur ne tourne pas | Pas d'alimentation électrique | Vérifier alimentation électrique |
| Thermique dans le coffret déclenché | Réenclencher le thermique au besoin mesurer l'intensité absorbée et ajuster le réglage du thermique |

9 – SCHEMA ELECTRIQUE RAE 15 / 22

10 - SCHEMA ELECTRIQUE RAE 30 / 35
11-CARACTERISTIQUES TECHNIQUES
| RAE 15 | RAE 22 | RAE 30 | RAE 35 | ||
| Débit d'air | m³/h | 15 000 | 22 000 | 30 000 | 35 000 |
| Pression d'air | Pa | 180 | 200 | 150 | 200 |
| Taux d'évaporation | % | 81 | 82 | 81 | 80 |
| Niveau sonore à 3m | dB(a) | 62 | 65 | 68 | 69 |
| Tension alimentation | V | 400V+N+T | 400V+N+T | 400V+N+T | 400V+N+T |
| Puisance électrique | kW | 2,0 | 3,7 | 3,8 | 5,0 |
| Intensité | A | 5,1 | 7,9 | 8 | 11,2 |
| Poids à vide | Kg | 200 | 220 | 300 | 310 |
| Poids résevoir plein | Kg | 260 | 280 | 410 | 420 |
| Longueur | mm | 1 150 | 1 150 | 1 500 | 1 500 |
| Largeur | mm | 1 150 | 1 150 | 1 500 | 1 500 |
| Hauteur | mm | 1 450 | 1 950 | 1 950 | 1 950 |
| Capacité du réservoir | l | 60 | 60 | 110 | 110 |
Conformité :
Nous, S.PLUS - ZI Longvic - 8, rue du Paquier - 21600 LONGVIC, déclarons sous notre seule responsabilité que les rafraîchisseurs d'air RAE 15 - RAE 22 - RAE 30 - RAE 35, sont conformes aux directives et normes suivantes :
Compte tenu des améliorations et des perfectionnements effectuels sur nos apparêils, nous nous réservons le droit de modifier, sans préavis, leurs caractéristiques.
Seule la notice technique accompagnant le matériel est valable.
Notice Facile