ALR 503 - Coffret de commande électrique S.PLUS - Notice d'utilisation et mode d'emploi gratuit
Retrouvez gratuitement la notice de l'appareil ALR 503 S.PLUS au format PDF.
| Type d'appareil | Coffret de commande |
| Modèles | ALR 503, ALR 505 |
| Fonction principale | Commande des installations de chauffage par panneaux radiants |
| Nombre de radiants commandés | Jusqu'à 40 radiants type RG |
| Zones commandées | 3 zones (ALR 503) ou 5 zones (ALR 505) |
| Régulation | Automatique via thermostat |
| Type de thermostat | Fourni avec ALR 503 ou 505 |
| Installation du thermostat | Zone pilote |
| Alimentation | 230 V monophasé, 50 Hz + terre |
| Protection électrique | Protection différentielle nécessaire |
| Type de coupe-circuit | Bipolaire (phase + neutre) |
| Calibrage cartouches par radiant | 0,1 A |
| Calibrage cartouches par électrovanne gaz | 0,25 A |
| Tube de neutre | Présent pour alimentation 230 V monophasé |
| Remplacement tube neutre | Par cartouche 10,3 x 38 GF si neutre absent ou impédant |
| Nombre d'interrupteurs | Oui, pour commande zones |
FOIRE AUX QUESTIONS - ALR 503 S.PLUS
Téléchargez la notice de votre Coffret de commande électrique au format PDF gratuitement ! Retrouvez votre notice ALR 503 - S.PLUS et reprennez votre appareil électronique en main. Sur cette page sont publiés tous les documents nécessaires à l'utilisation de votre appareil ALR 503 de la marque S.PLUS.
MODE D'EMPLOI ALR 503 S.PLUS
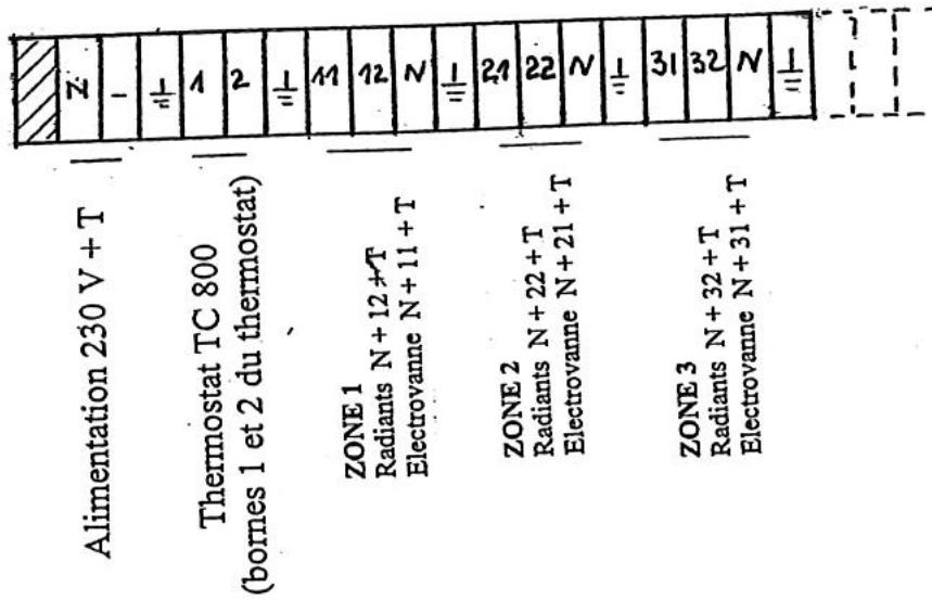
Destiné à la commande des installations de chauffage par panneaux radiants S.PLUS, les coffrets de commande ALR 503 ou 505 peuvent commander jusqu'à 40 radiants type RG simple allure.
- Le coffret ALR 503 ou 505 assure la régulation automatique de l'installation par l'inté médiaire d'un thermostat fourni avec ALR 503 ou 505 et d'une ou plusieurs électrovannes placées sur l'alimentation gaz générale ou de chaque zone. Muni d'interrupteurs, il permet de commander 3 zones (ALR 503) ou 5 zones (ALR 505).
- Le thermostat est à installer dans la zone pilote.
Alimentation: 230V mono 50Hz+ terre.
ATTENTION: Conformément à la léglementation, une protection différentielle est nécessaire en tête d'installation.
- DESCRIPTIF -
(voir schéma page 3)
I. COUPE CIRCUIT GENERAL
Il s'agit d'un coupe circuit bipolaire (phase + neutre) pour cartouches 10,3 x 38 GF. Assure la protection de l'ensemble de l'installation.
Calibrage des cartouches à prévoir :
1) 0,1 A par radiant
(2) 0,25 A par électrovanne gaz.
Important: Les coffrets ALR 503 ou 505 sont équipés d'un tube de neutrte pour alimentation 230V monophasé. Dans le cas d'une alimentation sans neutrte ou avec neutrte impedant, remplacer le tube de neutrte par cartouche 10,3× 38 GF.
II. RELAIS TEMPORISE - 45 seconds - 230 V - 8
Assure la mise sous tension des radiants pendant 45 s pour leur allumage
TYPE EBAC - T 231 M
6A - 230 V - Reglage range 0,1 m - Time 7,5
TYPE DMB01 - Multifunction
Réglage: function: In - Time: 7 - Range: 6^s
Attention: A l'illumage, les radiants ne doivent être sous tension que pendant 45 s. Toute mise sous tension prolongée ou permanente due à un mauvais réglage du temporisateur entraînerait la destruction des blocs d'illumage des radiants.
III. INTERRUPEURS ET COMMANDES EN FACADE
- Un bouton poussoir permet de reprovoquer un allumage des radiants après selection d'une nouvelle zone.
- Un interrupteur général + voyant.
- 3 ou 5 interrupteurs de zone avec voyants (ALR 503 - 505). Les voyants de zone ne s'allument que lorsque les radiants fonctionnent.
IV. THERMOSTAT JOUR (ALR 40)
Raccorder les bornes 1 et 2+ terre du thermostat.
Selon la reglementation, il est nécessaire de prévoir un minimum d'introduction d'air neuf. Si cette introduction d'air neuf se fait par le biais d'un ventilateur, ce dernier sera branché sur l'électrovanne gaz de la zone pilote.
- MISE EN SERVICE -
Après raccordements électriques amont et aval du coffret et calibrage des fusibles en fonction des radiants et des électrovannes commandés :
1) Afficher la consigne thermostatique.
2) Ouvrir la vanne gaz manuelle
3) Enclencher l'interrupteur général sur la position Marche :
4) Enclencher les interrupteurs des zones à faire fonctionner : La ou les électrovannes s'ouvrent, les radiants sont sous tension pendant 45 secondes et s'allument.
Arrêt des Radiants :
La consigne etant atteinte, le thermostat coupe l'alimentation de (ou des) I'electrovanne(s), les radiants s'eteignent.
Anomalies possibles :
-
Les radiants ne s'allument pas :
-
yérifier que le thermostat est en besoin de chauffage,
- vérifier que la vanne gaz est ouverte,
- vérifier les raccordements.



-EN
Notice Facile