AEM 4 - Chauffage électrique portable S.PLUS - Notice d'utilisation et mode d'emploi gratuit
Retrouvez gratuitement la notice de l'appareil AEM 4 S.PLUS au format PDF.
| Type d'appareil | Chauffage électrique portable |
| Alimentation | Électrique |
| Puissance | Non précisé |
| Nombre de réglages | Plusieurs (au moins 2) |
| Thermostat | Oui |
| Type de chauffage | Résistance électrique |
| Mobilité | Portable avec poignée |
| Protection | Grille de sécurité |
| Normes | EN 60335-1, EN 60335-2-30 |
| Utilisation | Intérieur |
| Ventilation | Oui |
| Dimensions | Non précisé |
| Poids | Non précisé |
| Couleur | Non précisé |
| Type de prise | Non précisé |
| Garantie | Non précisé |
FOIRE AUX QUESTIONS - AEM 4 S.PLUS
Téléchargez la notice de votre Chauffage électrique portable au format PDF gratuitement ! Retrouvez votre notice AEM 4 - S.PLUS et reprennez votre appareil électronique en main. Sur cette page sont publiés tous les documents nécessaires à l'utilisation de votre appareil AEM 4 de la marque S.PLUS.
MODE D'EMPLOI AEM 4 S.PLUS
Avant d'utiliser cet apparéil, lisez attentivement les instructions contenues dans cette notice.
Les Aérothermes électriques de la gamme AEM respectent la norme Européenne EN 60335-1 et EN 60335-2-30.
Ref. AEM 2/06.03/U
Notice destinée à l'installateur et à l'utilisateur
I-GENERALITES
Les aerothermes AEM sont des apparciels electriques de la classe 1. Ils fonctionnent en triphasé 400V avec prise de terre pour les modèle AEM 6 / AEM 9 / AEM 12 / AEM 17 et monophasé avec prise de terre pour le modele AEM 4.
Ils peuvent être utilisés en apparèils mobiles (posés au sol) ou fixés sur un mur par l'intermédiaire du support rep. 7 fourni en option. Leur support permet de les orienter selon les besoin (voir page 3).
Vérifiez l'etat et le fonctionnement de l'appareil lors du déballage, seuils les définuts d'origine sont couverts par la garantie. S.PLUs n'assume aucune responsabilité due à un mauvais fonctionnement ou à une panne provoqués par une utilisation inadéquate de l'appareil ou par une installation non conforme à ces instructions.

VUE ECLATEE
Figure 1
| N° | DESCRIPTION | CODE | MODELE AEM |
| 1 | Thermostat triphasé de réglage et de sécurité | 12201300 | 4-6-9-12-17 |
| 2 | Bouton de réglage | 129026000 | 4-6-9-12-17 |
| 3 | Commutateur à 4 positions | 12942200 | 4 |
| Commutateur à 5 positions | 129024000 | 6-9-12-17 | |
| 4 | Thermostat klixon 44°C. Normalement ouvert | 517533044 | 4-6-9-12-17 |
| 5 | Cable + prise de connection | 129424000 | 4 |
| Cable + prise de connection | 129064000 | 6-9 | |
| Cable + prise de connection | 129064001 | 12-17 | |
| 6 | Moteur 230 V | 129453000 | 4 |
| Moteur 230 V | 6-9 | ||
| Moteur 230 V | 12-17 | ||
| 7 | Adapteur mural (option) | 129098000 | 4-6-9 |
| Adapteur mural (option) | 129130000 | 12-17 | |
| 8 | Contacteur 25A (non représenté) | 129025000 | 12 |
| Contacteur 32A (non représenté) | 129027000 | 17 |
Instructions d'utilisation
Avant de brancher votre apparéil, vérifier que la tension et la puissance de votre installation électrique permette le fonctionnement de votre apparéil. Vérifier que les protections en tête de ligne soient adaptées, conformément aux normes en vigueur (C15100 notamment).
II-MISE EN MARCHE
- Avant de brancher l'appareil au réseau électrique, placer les commandes - commutateur, rep 1 et thermostat rep 2 - en position 0 (figure 2).
- Brancher votre apparéil.
- Sélectionner selon les besoines la position de fonctionnement à l'aide du commutateur rep 1.
- Placer la commande thermostat rep 2 sur la position desirable.
- NB: si la température ambiente atteint 44^ , seul le ventilateur fonctionne.
- A la demande du thermostat, les résistances chauffent et le ventilateur demarre.

arrêt

1/3 puissance de chauffage. Ventilateur et thermostat en fonctionnement (AEM6 - AEM9 - AEM 12 - AEM 17)

ventilation

2/3 puissance de chauffage. Ventilateur et thermostat en fonctionnement (Tous les modèles)

Le pleine puissance de chauffage. Ventilateur et thermostat en fonctionnement (Tous les modèles)
Lorsque la temperature est atteinte, le thermostat coupe l'alimentation des résistances, le ventilateur s'arrête lorsque l'appareil a refroidi. L'appareil se remettra en marche à la demande du thermostat.
III - ARRET: Placer le commutateur rep 1 sur la position 0, les résistances ne chauffent plus, le ventilateur s'arrête lorsque l'apparil aura refroidi. NE JAMAIS DEBRANCHER UN APPAREIL EN FONCTIONNEMENT.
VENTILATION ETE: Le commutateur rep 1 place sur la position

permet un fonctionnement continu du ventilateur sans chauffage.

Figure 2

Figure n° 3. Positions fixes d'orientation vertical
IV- DISPOSITIFDESECURITECONTRLESSURCHAUFFES
Les aerothermes sont munis d'un thermostat de surchauffe à réarmement manuel qui arrête automatiquement l'appareil en cas de surchauffe.
En cas d'arrêt dû à une surchauffe, le moteur de ventilation continue de fonctionner pendant une minute environ afin d'éliminer les calories. Àpès un arrêt par surchauffe, procédér comme suit pour remettre l'appareil en marche :
-Laisser refroidir l'appareil.
- Vérifier qu'il n'y ait pas d'accumulation sur les grilles et, si nécessaire, les nettoyer après avoir débranché l'appareil ou éliminer les causes de surchauffe (obstacle à l'avant ou à l'arrête par exemple).
- Appuyer sur le bouton de réarmement manuel (voir figure 2) à l'aide d'une pointe, l'appareil redémarre.
- Si le problème persiste, contacter vous Service Àprous Vente.

Si l'acrotherme en fonctionnement est débranché ou s'il se produit une panne d'alimentation électrique, la sécurité de surchauffe se déclenché; réarmer comme indiqué ci-dessus.
Tableau n^ 1 - Caracteristiques et données techniques de la gamme
| Modèle | Débit d'air m3/h (P = 20 Pa) | Puisance kW | Tension V | ΔT °C | Niveau sonore dB (A) | Commande | Dimensions en mm | Poids en kg | |||||||||||
| 0 | * | A | B | C | D | E | F | G | Net | Brut | |||||||||
| Arrêt | Ventilation | 1/3 Puisance chauffage | 2/3 Puisance chauffage | Pleine puissance chauffage | |||||||||||||||
| AEM 4 | 210 | 3,6 | ≈ 230 | 27 | 50 | Séron manoeuvre | Séron manoeuvre | - | 2400 W | 3600 W | 220 | 338 | 172 | 349 | 274 | 445 | 1700 | 8,30 | 9,70 |
| AEM 6 | 465 | 6 | 3-400 | 27 | 50 | 2000 W | 4000 W | 6000 W | 268 | 388 | 192 | 360 | 324 | 470 | 1700 | 10,50 | 13,20 | ||
| AEM 9 | 975 | 9 | 3-400 | 27 | 45 | 3000 W | 6000 W | 9000 W | 320 | 440 | 192 | 406 | 374 | 545 | 1700 | 11,95 | 15,05 | ||
| AEM 12 | 1390 | 12 | 3-400 | 27 | 50 | 4000 W | 8000 W | 12000 W | 366 | 486 | 285 | 470 | 420 | 625 | 2100 | 17,75 | 22,55 | ||
| AEM 17 | 1390 | 17 | 3-400 | 33 | 50 | 5666 W | 11333 W | 17000 W | 366 | 486 | 285 | 470 | 420 | 625 | 2100 | 18,70 | 23,50 | ||

Figure ^4 - Vues et dimensions


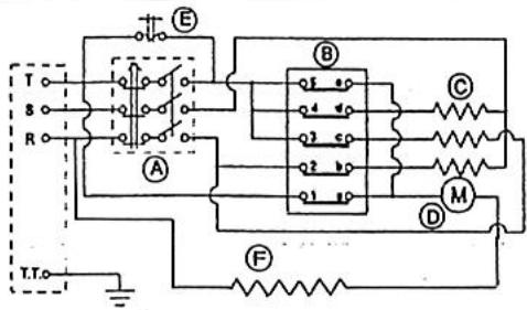
Scheme electrique AEM 4

A - Thermostat triphasé de réglage et de sécurité
B - Commutateur à 4 positions
C - Résistances
D-Ventilateur
E-Thermostat klixon 44^
Scheme electrique AEM 12 - AEM 17

Scheme 6 - AEM 9

A - Thermostat triphasé de réglage et de sécurité
B - Commutateur à 5 positions
C - Batterie de résistances
D-Ventilateur
E-Thermostat klixon 44^
F - Résistance de charge
A - Contacteur
B - Thermostat triphase de réglage et de sécurité
C - Bobines des contacteurs
D - Commutateur à 5 positions
E - Ventilateur
F - Batterie de résistances
G-Thermostat klixon 44^
H - Résistance de charge
VI-RECOMMANDATIONS SECURITE
-
Avant toute connection, vérifier que la tension du réseau correspond bien à celle indiquée sur la plaque signalétique.
-
L'appareil doit être installé/utilisé conformément aux normes en vigueur.
-
Le réseau électrique devra être muni d'une prise de terre.
-
Placer l'appareil à l'abri des projections d'eau dans une zone bien dégagée et laisser libre l'avant et l'arrière de l'appareil pour permettre une bonne circulation de l'air, et éviter une mise en sécurité par surchauffe.
-
L'appareil doit être placé de telle façon que la prise électrique soit accessible.
-
Debrancher l'appareil avant toute intervention de depannage.
-
Le cable électrique ne devra pas été situé dans la veine de soufflage de l'appareil ou au contact d'un mur.
-
Ne pas placer l'appareil directement sous une prise de courant.
-
En utilise "mobile", ne pas utiliser l'appareil à proximé d'une baignoire, d'une douche ou d'une piscine.
-
Enutilisation "murale", les boutons de commande ou l'interrupteur de ligne ne devra pas etre accessible depuis une baignoire.
-
Ne jamais débrancher ou priver de courant un apparéil en fonctionnement. Attendre le refroidissement de l'appareil soit environ 5 minutes avant de le débrancher.
-
Ne pas toucher les commandes de l'appareil avec les mains mouillées.
-
Ne pas couvrir l'appareil.
-
Ne pas placer l'appareil à proximé de matériaux combustibles ou dangereux.
-
Ne pas placer l'appareil sous une étagère.
VII-ENTRETIEN
ATTENTION: AVANT Toute INTERVENTION D'ENTRETIEN, DEBRANCHER L'APPAREIL
-
Nettoyer l'appareil à l'aide d'un chiffon doux, légarement humide. Ne pas utiliser des produits agressifs ou un nettoyant haute pression.
-
Nettoyer les pales du ventilateur et la grille d'aspiration si nécessaire (air comprimé, pinceau ...).
-
Verifier l'etat du cable d'alimentation et de la prise, les replacer eventuellement par un cable de même section et de même longueur. Cette operation doit etre executee par un personnel qualifie.
VIII- UTILISATION EN POSITION FIXE(MURALE)
Utiliser l'adaptateur rep. 7 (voir page 2) et respecter les distances de sécurité telles qu'indiquées ci-dessous.


Hauteur defixation
| Hauteur conseillée | Portée (*) | |
| AEM 4 | 2m | 2,5 m |
| AEM 6 | 2m | 4,2 m |
| AEM 9 | 2,5m | 4,2 m |
| AEM 12 | 3m | 7,2 m |
| AEM 17 | 3m | 7,2 m |
(*) A titre indicatif et variable selon l'environnement (courants d'air, ouverture de portes, obstacles, etc...)
IX-GARANTIE
Cet apparéil est garanti un an à compter de la date d'achat contre tous défauts de fabrication. Dans ce cadre, nous assurons l'échange ou la fourniture des pieces reconnues défectueuses après expertise par notre service après vente. Enaucun cas,la garantie ne peut couvir les frais annexes,qu'il s'agisse de main d'oeuvre, déplacement ou indemnité de quelque nature qu'elle soit. La garantie ne couvre pas les dommages dus a une installation non conforme à la presente notice, une utilisation impropre ou une tentative de réparation par du personnel non qualifié.
En cas de probleme, merci de vous adresser a votre installerateur ou, a defaut, a votre revendeur.
Notice Facile