VX810WD - Automatisme de portail CAME - Notice d'utilisation et mode d'emploi gratuit
Retrouvez gratuitement la notice de l'appareil VX810WD CAME au format PDF.
Choisissez votre langue et indiquez votre email : nous vous enverrons une version traduite specifiquement.
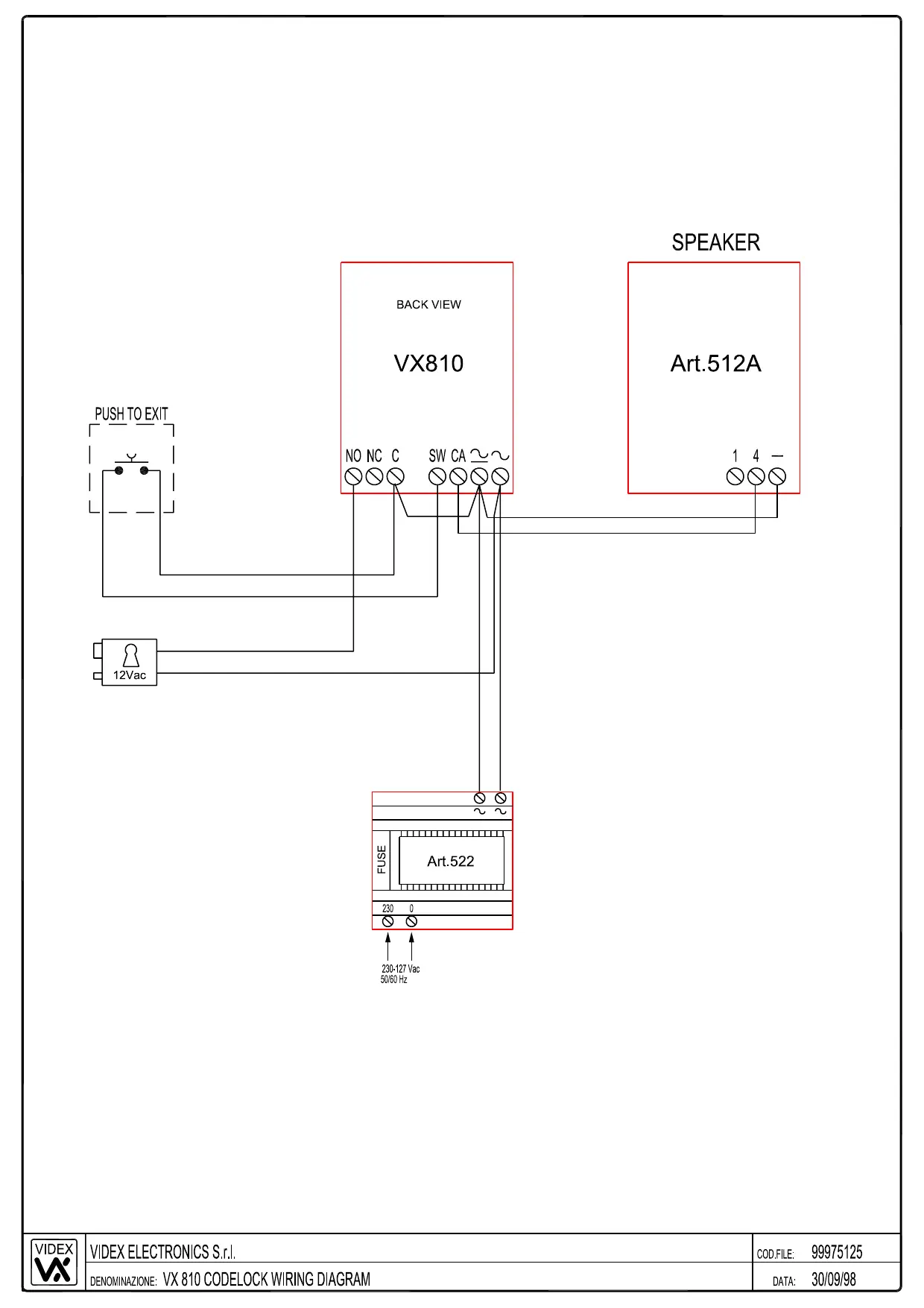
| Type d'appareil | Interphone filaire |
| Alimentation | 12 Vac |
| Connexion | Filaire |
| Fonction sortie | Commande ouverture porte |
| Nombre de fils | 4 fils principaux |
| Haut-parleur | Intégré, modèle Art.512A |
| Interrupteur sortie | Push to exit (bouton poussoir) |
| Protection | Fusible intégré |
| Type de contact | NO/NC (Normalement Ouvert/Fermé) |
| Fréquence | 50/60 Hz |
| Type de commande | Commande manuelle par bouton |
| Installation | Murale |
| Compatibilité | Avec système de contrôle d'accès |
| Matériau | Non précisé |
| Dimensions | Non précisées |
| Poids | Non précisé |
FOIRE AUX QUESTIONS - VX810WD CAME
Comment installer le CAME VX810WD ?
Pour installer le CAME VX810WD, suivez les instructions fournies dans le manuel d'installation. Assurez-vous que tous les composants sont inclus et que vous disposez des outils nécessaires. Fixez le moteur à la structure de votre porte et suivez les étapes pour le câblage électrique.
Que faire si le CAME VX810WD ne s'active pas ?
Vérifiez d'abord que l'alimentation électrique est correcte et que le disjoncteur n'a pas sauté. Assurez-vous également que le moteur est correctement connecté et que les télécommandes sont fonctionnelles.
Comment régler la vitesse du CAME VX810WD ?
La vitesse peut être réglée à l'aide des potentiomètres situés sur le moteur. Consultez le manuel d'utilisation pour des instructions spécifiques sur le réglage de la vitesse.
Comment synchroniser les télécommandes avec le CAME VX810WD ?
Pour synchroniser les télécommandes, appuyez sur le bouton de programmation situé sur le moteur. Ensuite, appuyez sur le bouton de la télécommande que vous souhaitez associer. Répétez cette opération pour chaque télécommande.
Que faire si la porte ne se ferme pas complètement ?
Vérifiez s'il y a des obstructions sur le chemin de la porte. Assurez-vous également que les capteurs de sécurité fonctionnent correctement et que les réglages de fin de course sont correctement configurés.
Comment effectuer un entretien régulier du CAME VX810WD ?
Un entretien régulier comprend le nettoyage des rails, la lubrification des pièces mobiles et la vérification des connexions électriques. Consultez le manuel pour des recommandations spécifiques sur l'entretien.
Quelle est la portée de la télécommande du CAME VX810WD ?
La portée de la télécommande peut varier selon les conditions environnementales, mais elle est généralement d'environ 30 mètres en ligne de vue dégagée.
Que faire si le moteur émet un bruit étrange ?
Un bruit étrange peut indiquer un problème avec les roulements ou une obstruction. Vérifiez l'état du moteur et des pièces mobiles. Si le bruit persiste, contactez un professionnel pour une évaluation.
Comment réinitialiser le CAME VX810WD aux paramètres d'usine ?
Pour réinitialiser le système, localisez le bouton de réinitialisation sur le moteur et maintenez-le enfoncé pendant environ 10 secondes. Cela rétablira les paramètres d'usine.
Questions des utilisateurs sur VX810WD CAME
0 question sur cet appareil. Repondez a celles que vous connaissez ou posez la votre.
Poser une nouvelle question sur cet appareil
Aucune question pour l'instant. Soyez le premier à en poser une.
Téléchargez la notice de votre Automatisme de portail au format PDF gratuitement ! Retrouvez votre notice VX810WD - CAME et reprennez votre appareil électronique en main. Sur cette page sont publiés tous les documents nécessaires à l'utilisation de votre appareil VX810WD de la marque CAME.
MODE D'EMPLOI VX810WD CAME
