LUNA FLIRT HTEV - Chaudière CHAPPEE - Notice d'utilisation et mode d'emploi gratuit
Retrouvez gratuitement la notice de l'appareil LUNA FLIRT HTEV CHAPPEE au format PDF.
| Type de produit | Chaudière à condensation au gaz |
| Caractéristiques techniques principales | Chaudière murale, système de chauffage central, production d'eau chaude sanitaire |
| Alimentation électrique | 230 V |
| Dimensions approximatives | Hauteur : 700 mm, Largeur : 400 mm, Profondeur : 300 mm |
| Poids | 45 kg |
| Compatibilités | Compatible avec les systèmes de chauffage central standard |
| Type de batterie | Non applicable (fonctionne sur alimentation électrique) |
| Tension | 230 V |
| Puissance | 24 kW |
| Fonctions principales | Chauffage, production d'eau chaude, régulation de la température |
| Entretien et nettoyage | Vérification annuelle par un professionnel, nettoyage des filtres |
| Pièces détachées et réparabilité | Disponibilité de pièces détachées, réparabilité facilitée |
| Sécurité | Système de sécurité intégré, protection contre la surchauffe |
| Informations générales utiles | Installation par un professionnel recommandée, garantie de 2 ans |
FOIRE AUX QUESTIONS - LUNA FLIRT HTEV CHAPPEE
Questions des utilisateurs sur LUNA FLIRT HTEV CHAPPEE
0 question sur cet appareil. Repondez a celles que vous connaissez ou posez la votre.
Poser une nouvelle question sur cet appareil
Téléchargez la notice de votre Chaudière au format PDF gratuitement ! Retrouvez votre notice LUNA FLIRT HTEV - CHAPPEE et reprennez votre appareil électronique en main. Sur cette page sont publiés tous les documents nécessaires à l'utilisation de votre appareil LUNA FLIRT HTEV de la marque CHAPPEE.
MODE D'EMPLOI LUNA FLIRT HTEV CHAPPEE
Les gamas chaudières
murales gaz Luna ST / Initia Plus / Luna Platinum sont une des plus complètes du marché.
Toutes leurs configurations (avec ou sans eau chaude sanitaire, cheminée ou ventouse) alliées à un grand évventail de puissances permettant d'équiper tous types de logements. Solidité et performance sont les qualités indiscutibles de cette large gamme de chaudières murales Chappée.
Chaudières murales
Les chaudières murales ont virtually réponse à tout


Luna ST HTE

Initia Plus HTE

Luna Platinum HTE
Sommaire
-Guide dechiox 12
- Luna ST HTE 2.28 - 2.33 14
- Luna ST Max HTE 2.33 16
- Luna ST Duo HTE 3.33 18
- Luna ST Prime 1.24 CF-FF 20
- Luna ST Flirt 2.24 CF - VMC - FF 22
- Luna ST Compact 2.24 CF - VMC - FF 24
- Luna ST Max 2.24 CF- VMC- FF 26
- Luna ST Duo 3.24 CF - VMC/ 3.28 FF 28
- Accessoires 30
- Composition 32
- Guide de besoin 34
- Initia Plus HTE 1.12 - 1.24- 1.28 36
- Initia Plus HTE 2.24- 2.33 38
- Initia Plus Max HTE 2.24 - 2.28 - 2.33 40
- Initia Plus Duo HTE 3.24 - 3.33 42
- Initia Plus Compact HTE 2.24 - 2.33 44
- Luna Platinum HTE 1.12 - 1.24 - 1.28 46
- Luna Platinum HTE 2.24 - 2.33 48
- Luna Platinum Max HTE 2.28 - 2.33 50
- Luna Platinum Duo HTE 3.24 - 3.33 52
- Accessoires de régulation 54
- Composition 58
GUIDE DE CHOIX LUNA ST
| Basse température | Condensation ENIGIBLE AU crédi d'impôt | ||
| Instantanée | ★★℃ ★★℃ Luna ST Flirt 2.24 CF-VMC-FF | ||
| Micro-acumulation | ★★℃ ★★℃ Luna ST Compact 2.24 CF-VMC-FF | ★★★★℃ Luna ST HTE 2.28-2.33 | |
| Mini-acumulation(1) Stockage tampon intégré ≤ 10 l | ★★℃ ★★℃ Luna ST Max 2.24 CF-VMC-FF | ★★★★℃ Luna ST Max HTE 2.33 | |
| Accumulée | ★★℃ ★★℃ Luna ST Duo(2) 3.24 CF-VMC-FF | ★★★★℃ Luna ST Duo HTE(2) 3.33 | |
| ★★℃ ★★℃ Luna ST Prime 1.24 CF-FF | |||
| (2) Ballon intégré | |||
- Crépit d'impôts sous réserve de la Loi de Finances en vigueur.
| Luna ST Flirt : | Chaudière gaz, chauffage et eau chaude sanitaire instantanée. Eau chaude immédiate à température constante Une prestation eau chaude haut de gamme à coût attractif | |
| Confort sanitaire : ★★★★ selon norme EN13203 | ||
| Luna ST HTE : Chaudière gaz, chauffage et ECS à micro-accumulation avec gestion électronique de la température du corps de chauffe et de la consommation ECS. | ||
| Luna ST Max Chaudière gaz, chauffage et eau chaude à mini accumulation. Luna ST Max HTE : Débit d'eau chaude exceptionnel (jusqu' à 16.3 l / mn) immédiatement disponible, le système breveté "Dynamic Max" permèt en effet d'atteindre en moins de 5 secondes le niveau de température souhaïté et un niveau de confort inégalé | ||
| Confort sanitaire : ★★★★ selon norme EN13203 | ||
| Luna ST Duo Chaudière gaz, chauffage et eau chaude sanitaire à accumulation. Performances élevées pour plus d'économies (rendement optimal) L'eau chaude en abondance pour un espace occupé minimum Stabilité de température pour répondre aux exigences de confort | ||
Chauffage et ECS
Condensation gaz
Micro accumulée
AVANTAGES PRODUIT
Simplicité du tableau
Débit spécifique elevé
Solution de remplacement Chappée
Faibles émissions polluantes

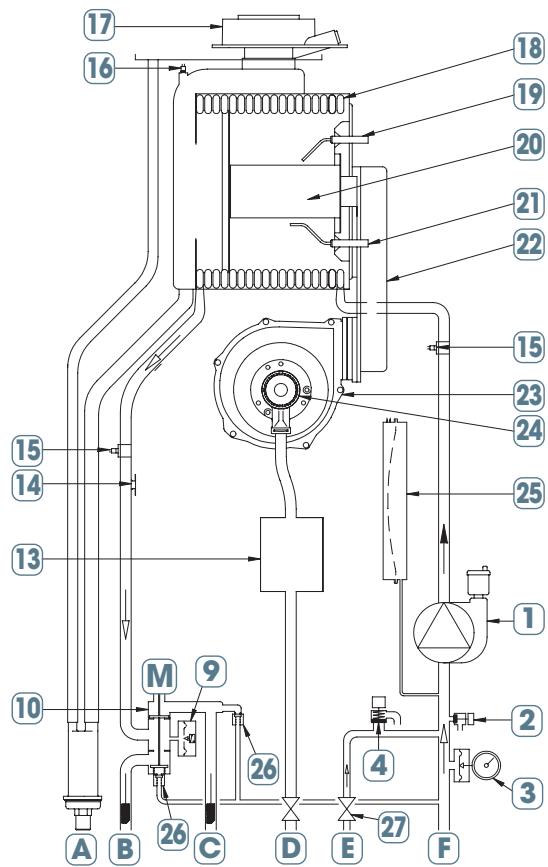
1 Collecteur de fumées
2 Vase d'expansion
3 Électrode d'allumage
4 Vanne gaz modulante
5 Sécurité de température fumée
6 Corps de chauffe en acier inox
7 Électrode de contrôle de flamme
8 Ventilateur à vitesse variable
9 Échangeur eau-eau à plaques
10 Circulateur
11 Tableau de commandes
12 Isolation phonique
MQ>TTNC>EQ
| LUNA ST HTE | 2.28 HTE | 2.33 HTE | |
| Type de générateur | Micro accumulé | ||
| Type de chaudière | Condensation | ||
| Évacuation | Ventouse - Cheminée | ||
| Puisance nominale | kW | 24 | 28 |
| Débit calorifique | kW | 24,7 | 28,9 |
| Débit des fumées | kg/h | 43,2 | 50,4 |
| Rendement charge 100 % et 70 °C | % | 96,8 | 96,7 |
| Rendement charge 30 % et 30 °C | % | 107,5 | 107,3 |
| Pertes à l'arrêt ΔT = 30 K | W | 54,4 | 57,4 |
| Température mini de retour chaudière | °C | 15 | 15 |
| Puisance électrique auxiliaire | W | 65 | 70 |
| Puisance électrique circulator | W | 90 | 90 |
| Débit nominal d'eau à Pn ΔT = 15 K | m³/h | 1,37 | 1,61 |
| Pression max'utilisation primaire | bar | 3 | 3 |
| Débit de gaz maximum | G 20 m³/h | 3,06 | 3,59 |
| G 25 m³/h | 3,55 | 4,18 | |
| G 31 kg/h | 2,25 | 2,64 | |
| Puisance utile nominale | kW | 28 | 33 |
| Débit spécifique à ΔT = 30 K | I/mn | 12,9 | 15,3 |
| Débit à ΔT = 25 K | I/mn | 16,1 | 18,4 |
| Régulation électrique modulante | OUI | OUI | |
| Plage de température | °C | De 35 à 60 | De 35 à 60 |
| Pression maximale | bar | 8 | 8 |
| Pression minimale | bar | 0,2 | 0,2 |
| Seuil d'enclenchement | I/mn | 2,5 | 2,5 |

FOURNITURES STANDARD
Chaudière murale à condensation micro accumulée.
- Equipée d'une chambre de combustion et échangeur spirale en inox (316 L),
Modulation intégrale de la puissance entre 30 et 100% , - Tirage flux force et cheminée B.23,
- Fonctionnement gaz naturel avec possibilité de transformation au GPL.
- Filtre chauffage intégré et visiblable permét de protégé le corps de chauffe.
FONCTIONNEMENT EN CHAUFFAGE (TOUS MODELES)
Lors d'unuisage sanitaire supérieure a 2,5 l/mn,la vanne de priorite enclenche la circulation vers I'échangeur à plaques,la mise en marche du bruleur. La températe de l'eau chaude est contrôlée (35 à 65^ )par 2 sondes CTN (chauffage et eau chaude)afin de garantir une parfaite stabilité de la températe d'eau en agissant sur I'ouverture modulante continue de la vanne gaz.
DESCRIPTIF DU PRINCipe DE LA MICRO ACCUMULATION
Le système de gestion électronique de Luna ST permet de maintainir en température le système de production d'eau chaude durant les périodes deuisage. Le système peut être modifie par l'utilisateur pour passer en mode "eco". L'eau chaude arrive rapidement et a température constante. Luna ST produit de 12,9 à 15,3 litres d'eau chaude à 35^ (eau froide à 10^ ).
Scheme de principe

1 Robinet départ chauffage
2 Robinet gaz
3 Robinet de replissage chaudière
4 Robinet arrivée eau équipé de filtré
5 Robinet retour chauffage
6 Sonde CTN sanitaire / Sonde CTN balloon
7 Capteur de priorite ECS
8 Soupape de non-refour
9 Capteur de flux avec limiteur de debit d'eau
0 Soupape de sécurité
1 Manomère
12 Robinet de vidange chaudière
13 Pompe avec séparateur d'air
14 Soupage automatique de purge d'air
15 Échangeur eau-eau à plaques
16 Vanne gaz
17 Ventilateur
18 Diaphragme gaz
19 Mélangeur avec venturi
20 Echangeeur eau-fumée
21 Collecteur mélange air/gaz
22 Électrode de détéction de flamme
23 Bruleur
24 Electrode d'allumage
25 Thermostat fumées
26 Raccord coaxial
27 Vase d'expansion
28 Sonde CTN chauffage
29 Thermostat de sécurité 105°
30 Siphon
31 Pressostat hydraulique
32 Moteur vanne 3 voies
33 Vanne 3 voies
34 By-pass automatique
35 Disconnecteur
MR:départchauffage
US: entree eau chaude sanitaire
GAS : entree gaz dans la chaudière
ES: entrée eau froide sanitaire
RR:retour installation dechauffage
Caracteristique de la pompe de circulation basse consommation
La pompe utilisée est de grande hauteur manometrique et convient sur n'importequel type d'installation de chauffage monotube ou bitube. Le dégazeur incorpore dans le corps de la pompe permet une purge rapide de l'installation de chauffage.

Dimensions

| Modèle | Référence | Prix € HT |
| Luna ST 2.28 HTE H | CLCS28HTH | 2498 |
| Luna ST 2.28 HTE V | CLCS28HTV | 2439 |
| Luna ST 2.33 HTE H | CLCS33HTH | 2753 |
| Luna ST 2.33 HTE V | CLCS33HTV | 2694 |
Chauffage et ECS
Condensation gaz
Mini accumulée
AVANTAGES PRODUIT
Simplicité du tableau
Débit spécifique elevé
Solution de remplacement Chappée
Faibles émissions polluantes

1 Collecteur de fumées
2 Vase d'expansion "Dynamic Max"
3 Électrode d'allumage
4 Vanne gaz modulante
5 Sécurité de température fumée
6 Corps de chauffe en acier inox
7 Électrode de contrôle de flamme
8 Ventilateur à vitesse variable
9 Échangeur eau-eau à plaques
10 Circulateur
11 Tableau de commandes
12 Isolation phonique
MQTNC>EQ
LUNA ST MAX HTE
2.33 FF
| Type de générateur | Mini accumulé* | |
| Type de chaudière | Condensation | |
| Évacuation | Ventouse - Cheminée | |
| Puisance nominale | kW | 28 |
| Débit calorifique | kW | 28,9 |
| Débit des fumées | kg/h | 50,4 |
| Rendement charge 100 % et 70 °C | % | 96,7 |
| Rendement charge 30 % et 30 °C | % | 107,3 |
| Perthes à l'arrêt ΔT = 30 K | W | 63,1 |
| Température mini de retour chaudière | °C | 15 |
| Puisance électrique auxiliaire | W | 70 |
| Puisance électrique circulateur | W | 90 |
| Débit nominal d'eau à Pn ΔT = 15 K | m³/h | 1,9 |
| Pression max'utilisation primaire | bar | 3 |
| Débit de gaz maximum | G 20 m³/h | 3,06 |
| G 25 m³/h | 4,18 | |
| G 31 kg/h | 2,64 | |
| Puisance utile nominale | kW | 33 |
| Débit spécifique à ΔT = 30 K | l/mn | 16,3 |
| Débit à ΔT = 25 K | l/mn | 18,4 |
| Régulationlectronique modulante | OUI | |
| Plage de température | °C | De 35 à 60 |
| Pression maximale | bar | 8 |
| Pression minimale | bar | 0,2 |
| Seuil d'enclenchement | l/mn | 2,5 |
- Chauffage et ECS, stockage tampon intégré inférieur ou égal à 10 l

FOURNITURES STANDARD
- Chaudière murale à
mini-accumulation. - Equipée d'une chambre de combustion et échangeur spirale en inox (316 L),
Modulation intégrale de la puissance entre 30 et 100% , - Tirage flux force (FF) et cheminée B.23,
- Fonctionnement gaz naturel avec possibilité de transformation au GPL.
FONCTIONNEMENT EN ECS, MODELE LUNA ST Max HTE
La chaudiere dispose d'une réserve
d'énergie primaire stockée dans le
vase d'expansion, un système de
priorité contrôle régulièrement la
température de ce stockage par une
vanne de priorité. Lors d'unuisage
sanitaire, les vannes de priorité
enclenchent la circulation sur le vase
d'expansion et l'échangeur à plaques.
La montée en température de l'eau
chaude sanitaire se fait immédiatement
(< 5 secondes).
La température de l'eau chaude est
contrélée par 2 sondes CTN (chauffage
et eau chaude) afin de garantir une
parfaite stabilité de la température
d'eau en agissant sur l'ouverture
modulante de la vanne gaz. La
stabilité de température est maintainue
constante en cas de nuisages
simultanés grâce à la capacité en eau
du système.
Scheme de principe

1 Robinet départ chauffage
2 Robinet gaz
3 Robinet de remplissage chaudière
4 Robinet arrivée eau équipé de filtre
5 Robinet retour chauffage
6 Sonde CTN sanitaire/ Sonde CTN balloon
7 Capteur de priorite ECS
8 Soupape de non-retour
9 Capteur de flux avec limiteur de début d'eau
10 Soupape de sécurité
11 Manometre
12 Robinet de vidange chaudiere
13 Pompe avec séparateur d'air
14 Soupage automatique de purge d'air
15 Échangeur eau-eau à plaques
16 Vanne gaz
17 Ventilatore
18 Diaphragme gaz
19 Mélangeur avec venturi
20 Échangeur eau-fumée
21 Collecteur mélange air/gaz
22 Electrode de détention de flamme
23 Bruleur
24 Electrode d'allumage
25 Thermostat fumées
26 Raccord coaxial
27 Vase d'expansion
28 Sonde CTN chauffage
29 Thermostat de sécurité 105°
30 Siphon
31 Pressostat hydraulique
32 Moteur vanne 3 voies
33 Vanne 3 voies
34 By-pass automatique
35 Disconnecteur
MR: départ chauffage
US: entree eau chaudi
sanitaire
GAS: entrée gaz dans la chaudière
ES: entrée eau froide sanitaire
RR: retour installation de chauffage
de la pompe de circulation basse consommation
La pompe utilisée est de grande hauteur manometrique et convient sur n'importequel type d'installation de chauffage monotube ou bitube. Le dégazeur incorpore dans le corps de la pompe permet une purge rapide de l'installation de chauffage.

Dimensions

| Modèle | Référence | Prix € HT |
| Luna ST Max 2.33 HTE H | CLCS233HTH | 2935 |
| Luna ST Max 2.33 HTE V | CLCS233HTV | 2876 |
Chauffage et ECS
Condensation gaz
Accumulation 45 I

AVANTAGES PRODUIT
Simplicité du tableau
Débit spécifique elevé
Faibles émissions polluantes
Echangeuren inox

Vase d'expansion chauffage
2 Ballon inox 45 litres
3 Pressostat différentiel hydraulique
4 Soupape de sécurité
5 Pompe chauffage
6 Bruleur
7 Échangeur sanitaire immergé
8 Robinet arrivée eau équipé de filtre
9 By-pass automatique
10 Vanne gaz
11 Vanne 3 voies
12 Isolation phonique
| LUNA ST Duo HTE | 3.33 HTE | |
| Type de générate | Accumulé* | |
| Type de chaudière | Condensation | |
| Évacuation | Ventouse - cheminée | |
| Puisance nominale | kW | 28 |
| Débit calorifique | kW | 28,9 |
| Débit des fumées | kg/h | 57,6 |
| Rendement charge 100 % et 70 °C | % | 96,7 |
| Rendement charge 30 % et 30 °C | % | 107,3 |
| Pertes à l'arrêt ΔT = 30 K | W | 90 |
| Température mini de retour chaudière | °C | 15 |
| Puisance électricque auxiliaire | W | 70 |
| Puisance électricque circulator | W | 90 |
| Débit nominal d'eau à Pn ΔT = 15 K | m³/h | 1,61 |
| Pression max'utilisation primaire | bar | 3 |
| Débit de gaz maximum | G 20 m³/h | 3,59 |
| G 25 m³/h | 4,18 | |
| G 31 kg/h | 2,64 | |
| SANTATIRE | Puisance utile nominale | kW |
| Débit spécifique à ΔT = 30 K | l/mn | |
| Régulation électronique modulante | ||
| Plage de température | °C | |
| Pression maximale | bar | |
| Pression minimale | bar | |
- Chauffage et ECS, balloon intégré 45 l

FOURNITURES STANDARD
Chaudière à accumulation et
à condensation.
- Equipée d'une,chambre de combustion et échangeur spirale en inox (316 L),
Modulation intégrale de la puissance entre 30 et 100% , - Tirage flux force et cheminée type B.23.
- Fonctionnement gaz naturel avec possibilité de transformation au GPL.
- Filtre chauffage intégré et visitable permét de protégé le corps de chauffe.
FONCTIONNEMENT EN ECS, MODELE LUNA ST Duo HTE
- Mise en température du gallon. La sonde CTN contrôle la température du gallon et assure la priorité au rechauffage de l'échangeur immergé (serpentin) par mise en service de la pompe chaudiage et basculement de la vanne 3 voies,
Le contrôle de température ECS est assure par 1 sonde sanitaire CTN.
MR: départchauffage
US: entrée eau chaude sanitaire
GAS : entree gaz dans la chaudière
ES: entrée eau froide sanitaire
RR:retour installation dechauffage
Scheme de principe


Dimensions
Caracteristique de la pompe de circulationasse consommation
La pompe utilisée est de grande hauteur manometrique et convient sur n'importe quel type d'installation de chauffage monotube ou bitube. Le dégazeur incorpore dans le corps de la pompe permet une purge rupture de l'installation de chauffage.
1 Manomètre
2 Robinet gaz
3 Robinet arrivée eau\
equipe de filtre
4 Vanne trois voies
5 Pressostat différentiel hydraulique
6 Filtre eau chauffage
7 By-pass automatique
8 Soupape de sécurité ballon 7 bar
9 Robinet de vidange chaudière
10 Soupape de sécurité chauffage 3 bar
11 Pompe avec séparateur d'air
12 Soupape automatique purge air
13 Sonde CTN chauffage
14 Thermostat de sécurité
15 Vase expansion
16 Vanne gaz
17 Echangeur eau-fumées
18 Electrode de détction de flumme
29 Brûleur
20 Electrodes d'allumage
21 Collecteur mélange air/gaz
22 Mélangeur avec venturi
23 Diaphragme gaz
24 Ventilateur
25 Thermostat fumées
26 Raccord coaxial
27 Soupape automatique purge air
28 Collecteur fumées
29 Echangeur sanitaire
30 Sonde CTN balloon
31 Ligueur de début eau
32 Robinet de vidange balloon
33 Robinet de replissage chaudière
34 Soupape de non-retour
35 Siphon
36 Disconnecteur
A Sortie eau chaude sanitaire
B Entrée eau chaudi
sanitaire
C Retour chauffage
D Départchauffage
E Entrée gaz

| Modèle | Référence | Prix € HT |
| Luna ST Duo 3.33 HTE H | CLCS333HTH | 3398 |
| Luna ST Duo 3.33 HTE V | CLCS333HTV | 3339 |

AVANTAGES PRODUIT
Simplicité d'utilisation
Performances et économies
Qualité prouvée
En phase avec l'environnement

1 Extracteur
2 Echangeur en cuivre
3 Bruleur en Inox
4 Vanne gaz
5 Robinet gaz
6 Robinet eau froide
7 Vase d'expansion
8 Échangeur à plaques
9 Soupape de sécurité
10 By-pass automatique
11 Robinet de vidange
12 Soupape chauffage
Caracteristiques techniques
| LUNA ST Prime | 1.24 CF | 1.24 FF | |
| Type de générateur | Chauffage seul | ||
| Type de chaudière | Basse température | ||
| Évacuation | Cheminée | Ventouse | |
| Puisance nominale | kW | 24 | 25 |
| Débit calorifique | kW | 26,3 | 26,9 |
| Débit des fumées | kg/h | 68,4 | 68,1 |
| Tirage nécessaire | mbar | 0,05 à 0,1 | - |
| Rendement charge 100 % et 70 °C | % | 91,2 | 92,9 |
| Rendement charge 30 % et 50 °C | % | 90,29 | 90,7 |
| Perthes à l'arrêt ΔT = 30 K | W | 183 | 59 |
| Température mini de retour chaudière | °C | 30 | 30 |
| Puisance électricqu auxiliaire | W | 20 | 75 |
| Puisance électricqu circulator | W | 47,4 - 57,7 | 47,4 - 57,7 |
| Pression max'utilisation (primaire) | bar | 3 | 3 |
| Débit de gaz | G 20 m³/h | 2,78 | 2,84 |
| G 25 m³/h | 3,23 | 3,31 | |
| G 31 kg/h | 2,04 | 2,09 | |
| Débit nominal d'eau à PN ΔT = 15 K | 1,38 | 1,43 | |

FOURNITURES STANDARD
Tableau de commandes très facile d'accès,
Modulation électronique,
- Allumage électronique,
- Détction de flamme par ionisation,
- Contrôle de température par thermisistance CTN,
Bruleur en inox multi rampes,
- Pompe de circulation avec dégazeur,
- Coupe tirage anti-refouleur,
Vanne gaz modulante
Vase d'expansion 8 litres,
- By-pass automatique,
- Dispositif de post circulation,
Dispositif antigel,
Dispositif de contrôle de début et manque d'eau,
Dispositif d'aide au diagnostic,
- Chaudière livrée pour fonctionnement au gaz naturel (kit propane fourni gratuitemment sur demande).
- RT 2005 :
** CE Basse température pour les modèles CF.

1 Écran indicateur de fonctionnement
2 Réglage de température chauffage
3 Réglage de température sanitaire (si gallon rechauffeur raccordé)
4 Sélecteur du mode de fonctionnement éte / hiver
5 Manometre de pression d'eau
| Modèles | Puisance utile de chauffage | Dimension d'évacuationø D mm | Poids kg | |
| 50°/30° kW | 80°/60° kW | |||
| 1.24 CF | 24 | 9,3 | 125 | 32,5 |
| 1.24 FFH | 25 | 9,3 | 100 | 37 |
| Options | Référence | Prix € HT |
| Sonde sanitaire pour gallon extérieur | C14061910 | 23 |
| Accessoires d'installation | voir page 31 |

Dimensions
| Modèle | Référence | Prix € HT |
| Luna ST Prime 1.24 CF | CLUS124CFO | 1250 |
| Luna ST Prime 1.24 FFH | CLUS124FFH | 1589 |
| Luna ST Prime 1.24 FFV 100 | CLUS124FFO | 1681 |
| Luna ST Prime 1.24 FFV 125 | CLUS124FF5 | 1514 |
Thermostat d'ambiance
| Modèles | Référence | Prix € HT |
| Thermostat d'ambiance digital sans fil | CFF000025 | 231 |
| Thermostat d'ambiance filaire | CFF000028 | 104 |
Thermostat digital avec programme hebdomadaire liaison radio
- Boitier pour fixation murale en saillie ou boite d'encastrement. Positionnement sur pied possible (socle fourni)
- Affichage sur grand écran LCD rétro éclairé
- Fonctionnement sur piles 2 × 1,5 ~V (fournies)
- Sauvegarde permanente des paramètres de réglage
Protection classe III IP30 - Reglages par molette 7 positions et touches élastomères


AVANTAGES PRODUIT
Simplicité du tableau
Solution de remplacement
Facilité d'installation
Rendement élevé

1 Extracteur
2 Échangeur en cuivre
3 Brûleur en Inox
4 Vanne gaz
5 Robinet gaz
6 Robinet eau froide
7 Vase d'expansion
8 Échangeur à plaques
9 Soupape de sécurité
10 By-pass automatique
11 Robinet de vidange
12 Soupape chauffage
Caracteristiques techniques
| LUNA ST Flirt | 2.24 CF | 2.24 FF | 2.24 VMC | |
| Type de générateur | Instantané | |||
| Type de chaudière | Basse température | |||
| Évacuation | Cheminée | Ventouse | VMC | |
| Puisance nominale | kW | 24 | 25 | 24 |
| Débit calorifique | kW | 26,3 | 26,9 | 26,3 |
| Débit des fumées | kg/h | 68,4 | 61,2 | 68,4 |
| Volume des fumées | m3/h | 69 | - | 69 |
| Tirage nécessaire | mbar | 0,05 à 0,1 | - | 0,05 à 0,1 |
| Rendement charge 100 % et 70 °C | % | 91,2 | 92,9 | 91,2 |
| Rendement charge 30 % et 40 °C | % | 90,29 | 90,7 | 90,29 |
| Pertes à l'arrêt ΔT = 30 K | W | 183 | 59 | 183 |
| Température mini de retour chaudière | °C | 30 | 30 | 30 |
| Puisance électrique auxiliaire | W | 20 | 75 | 20 |
| Puisance élec. circulateur mini | W | 47,4 | 47,4 | 47,4 |
| Puisance élec. circulateur maxi | W | 57,7 | 57,7 | 57,7 |
| Pression max'utilisation primaire | bar | 3 | 3 | 3 |
| Débit de gaz | G 20 m3/h | 2,78 | 2,84 | 2,78 |
| G 25 m3/h | 3,23 | 3,31 | 3,23 | |
| G 31 kg/h | 2,04 | 2,09 | - | |
| Débit nominal d'eau à Pn ΔT = 15 K | m3/h | 1,38 | 1,43 | 1,38 |
| Puisance utile nominale | kW | 24 | 24 | 24 |
| Débit spécifique à ΔT = 30 K | l/mn | 11,2 | 11,5 | 11,2 |
| Débit à ΔT = 25 K | l/mn | 13,7 | 14,3 | 13,7 |
| Régulationlectronique modulante | OUI | OUI | OUI | |
| Plage de température | °C | De 35 à 65 | De 35 à 65 | De 35 à 65 |
| Pression maximale | bar | 8 | 8 | 8 |
| Pression minimale | bar | 0,15 | 0,15 | 0,15 |
| Seuil d'enclenchement | l/mn | 2 | 2 | 2 |

FOURNITURES STANDARD
Chaudière murle instantanée
à hout rendement.
Modulation intégrale de la puissance entre 40 et 100% ,
- Tirage VMC ou flux force (FF) ou naturel (CF),
- Fonctionnement gaz naturel avec possibilité de transformation au GPL (versions CF et FF).
- Filtre chauffage intégré et visiblere permét de protégér le corps de chauffe.
FONCTIONNEMENT
EN ECS MODELE
LUNA ST Flirt
2.24 CF-VMC-FF
Lors d'unuisage sanitaire supérieur a 21mn,la vanne de priorite enclenche la circulation vers l'échangeur plaques, la mise en marche du bruleur. La temperture de I'eau chaude est controllee (35 à 65^) par 2 sondes CTN (chauffage et eau chaude) afin de garantir une paraite stabilité de la temperture d'eau en agissant sur I'ouverture modulante continue de la vanne gaz.

Scheme de principe
1 Sonde de priorite sanitaire
2 By-pass automatique
3 Pressostat hydraulique
4 Vanne 3 voies
5 Sonde CTN sanitaire
6 Detecteur de début avec filtre et limiter de début d'eau
7 Moteur vanne 3 voies
8 Vanne gaz
9 Vase d'expansion
0 Electrode d/allumage
11 Sonde CTN chauffage
12 Thermostat de sécurité
13 Echangeur eau fumées
14 Evacuation des fumées
15 Ventilateur
16 Prise de pression positive
17 Pressostat air
18 Prise de pression négative
19 Électrode de détention de flamme
20 Bruleur
21 Rampe gaz avec injecteurs
22 Echangeur eau-eau a plaques
23 Soupape automatique de purge air
24 Pompe avec séparateur d'air
25 Robinets de replissage du circuit
26 Robinets de vidange chaudière
27 Manometre
28 Soupape de sécurité hydraulique
29 Disconnecteur
30 Clapet anti-retour
31 Sortie concentrique
MR: départchauffage
US: entrée eau chaude sanitaire
GAS: entrée gaz dans la chaudière
ES: entrée eau froide sanitaire
RR: retour installation de chauffage
Caracteristique de la pompe de circulation basse consommation
La pompe à 2 vitesses utilisée est de grande hauteur manometrique et convient sur n'importe quel type d'installation de chauffage monotube ou bitube. Le dégazeur incorpore dans le corps de la pompe permet une purge rapide de l'installation de chauffage.


Dimensions
Luna ST Flirt 2.24 CF

Luna ST Flirt 2.24 VMC

Luna ST Flirt 2.24 FF
| Modèle | Référence | Prix € HT |
| Luna ST Flirt 2.24 CF | CLUS224CFO | 1350 |
| Luna ST Flirt 2.24 FFH | CLUS224FFH | 1689 |
| Luna ST Flirt 2.24 FFV 100 | CLUS224FFO | 1781 |
| Luna ST Flirt 2.24 FFV 125 | CLUS224FF5 | 1614 |
| Luna ST Flirt 2.24 VMC | CLUS224VMC | 1380 |
Chauffage et ECS
Basse température
Micro-accumulée

AVANTAGES PRODUIT
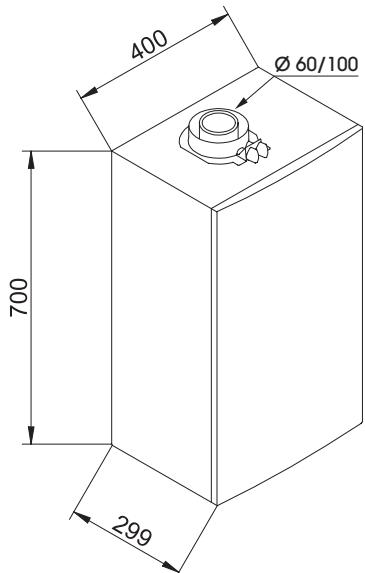
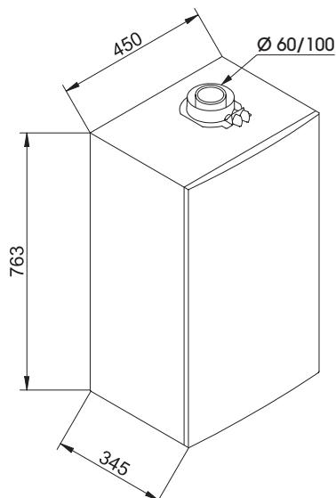
Dimensions extrémement compactes (400 x 299 x 730)
Solution ideale pour le remplacement
Micro-accumulation
Simplicité du tableau


Caracteristiques techniques
| LUNA ST Compact | 2.24 CF | 2.24 FF | 2.24 VMC | |
| CHÂUFFÂGE | Type de générate | Micro-accumulation | ||
| Type de chaudière | Basse Température | |||
| Évacuation | Cheminée | Ventouse | ||
| Puisance nominale | kW | 24 | 24 | |
| Débit calorifique | kW | 26,3 | 25,8 | |
| Débit des fumées | kg/h | 68,4 | 61,2 | |
| Volume des fumées | m3/h | 69,0 | 52,0 | |
| Tirage nécessaire | mbar | 0,05 à 0,1 | - | |
| Rendement charge 100 % et 70 °C | % | 91,2 | 92,9 | |
| Rendement charge 30 % et 40 °C | % | 90,2 | 90,4 | |
| Pertes à l'arrêt ΔT = 30 K | W | 183 | 59 | |
| Température mini de retour chaudière | °C | 30 | 30 | |
| Puisance électrique auxiliaire | W | 5 | 55 | |
| Puisance électrique circulator | W | 75 | 75 | |
| Pression max'utilisation primaire | bar | 3 | 3 | |
| Débit de gaz | G 20 m³/h | 2,78 | 2,73 | |
| G 25 m³/h | 3,23 | 3,17 | ||
| G 31 kg/h | 2,04 | 2 | ||
| Débit nominal d'eau à Pn ΔT = 15 K | m³/h | 1,38 | 1,43 | |
| SANITÂIRE | Puisance utile nominale | kW | 24 | 24 |
| Débit spécifique à ΔT = 30 K | l/mn | 12 | 12 | |
| Régulationlectronique modulante | Oui | Oui | ||
| Plage de température | °C | de 35 à 65 | de 35 à 65 | |
| Pression maximale | bar | 8 | 8 | |
| Pression minimale | bar | 0,15 | 0,15 | |
| Seuil d'enclenchement | l/mn | 2 | 2 | |

FOURNITURES STANDARD
- Chaudière murale mixte à micro-accumulation haut rendement.
Modulation integrale de la puissance entre 40 et 100% - Tirage naturel (CF) ou flux force (FF) ou VMC,
- Fonctionnant au gaz naturel avec possibilité de transformation au GPL (versions CF et FF),
- Filtre chauffage intégré et visitable permet de protégé le corps de chauffe.
FONCTIONNEMENT EN ECS, MODELE LUNA ST COMPACT
Le système de gestion électronique de Luna ST Compact permet de maintainir en température le système de production d'eau chaude durant les périodes de採取. Le système peut être modifié par l'utilisateur pour passer en mode "eco". L'eau chaude arrive rapidement et à température constante.

Scheme de principe
1 Pompe et séparateur d'air
2 Clapet antiretour
3 Vanne trois voies
4 Moteur vanne frois voyes
5 Manomètre
6 Filtre extractible circuit de chauffage
7 Disconnecteur
8 Robinet de replissage de la chaudière
9 Filtre extractible eau froide
10 Détector de début sanitaire
11 Sonde CNT de I'eau chaude sanitaire
12 Clapet anti-retour sur by-pass automatique
13 Pressostat manque d'eau
14 Robinet de vidange chaudiere
15 Soupape de sécurité
16 Échangeur de chaleur eau-eau à plaque
17 Vanne gaz avec diaphragme
18 Rampe gaz avec injecteurs
19 Sonde CNT du chauffage central
20 Electrode pour l'allumage et la détéction de flamme
21 Thermostat de sécurité
22 Echangeur eau-fumées
23 Convoyeur fumées
24 Ventilateur
25 Tube Venturi
26 Prise de pression positive
27 Prise de pression négative
28 Pressostat d'air
29 Brüleur
30 Vase d'expansion
A Départchauffage
B Sortie eau chaude sanitaire
C Gaz
D Enrée eau chaude sanitaire
E Départchauffage
de la pompe de circulation basse consommation
La pompe utilisée est de grande hauteur manometrique et convient sur n'importequel type d'installation de chauffage monotube ou bitube. Le dégazeur incorpore dans le corps de la pompe permet une purge rapide de l'installation de chauffage.

| Modèle | Référence | Prix € HT |
| Luna ST Compact 2.24 CF | CLUSC24CFO | 1 340 |
| Luna ST Compact 2.24 FFH | CLUSC24FFH | 1 670 |
| Luna ST Compact 2.24 FFV 100 | CLUSC24FFO | 1 762 |
| Luna ST Compact 2.24 FFV 125 | CLUSC24FF5 | 1 595 |
| Luna ST Compact 2.24 VMC | CLUSC24VMC | 1 340 |
| Options | Référence | Prix € HT |
| Kit de remplacement C&M Nectra | C71413821 | 72 |
| Kit de remplacement C&M Celtic | C71413811 | 72 |
| Kit de remplacement ELM | C71413831 | 72 |
| Kit de remplacement SD | C71413801 | 72 |
| Kit de remplacement universel | C14058810 | 90 |
| Cadre écâteur avec douilles | C71413781 | 90 |
| Câche douilles de raccordement | C71413901 | 60 |
| Kit propane CF-FF 2.24 | C71413921 | 10 |

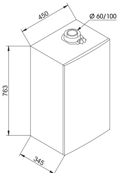
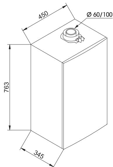
Dimensions

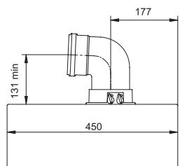
Luna ST Compact 2.24 FF


Luna ST Compact 2.24 CF-VMC
AVANTAGES PRODUIT
Simplicité du tableau
Solution de remplacement
Débit spécifique elevé
Réservé d'énergie primaire

Caracteristiques techniques
| LUNA ST Max | 2.24 CF | 2.24 FF | 2.24 VMC | |
| Type de générateur | Mini accumulé* | |||
| Type de chaudière | Basse température | |||
| Évacuation | Cheminée | Ventouse | VMC | |
| Puisance nominale | kW | 24 | 25 | 24 |
| Débit calorifique | kW | 26,3 | 26,9 | 26,3 |
| Débit des fumées | kg/h | 68,4 | 61,2 | 68,4 |
| Volume des fumées | m3/h | 65 | 50,3 | 65 |
| Tirage nécessaire | mbar | 0,05 à 0,1 | - | 0,05 à 0,1 |
| Rendement charge 100 % et 70 °C | % | 91,2 | 92,9 | 91,2 |
| Rendement charge 30 % et 40 °C | % | 90,29 | 90,7 | 90,29 |
| Pertes à l'arrêt ΔT = 30 K | W | 183 | 59 | 183 |
| Température mini de retour chaudière | °C | 30 | ||
| Puisance électrique auxiliaire | W | 20 | 75 | 20 |
| Puisance电量 circulateur mini | W | 47,4 | 47,4 | 47,4 |
| Puisance电量 circulateur maxi | W | 57,4 | 57,7 | 57,7 |
| Pression max'utilisation primaire | bar | 3 | ||
| Débit de gaz | G 20 m³/h | 2,78 | 2,84 | 2,78 |
| G 25 m³/h | 3,23 | 3,31 | 3,23 | |
| G 31 kg/h | 2,04 | 2,09 | - | |
| Débit nominal d'eau à Pn ΔT = 15 K | m³/h | 1,38 | 1,43 | 1,38 |
| Puisance utile nominale | kW | 24 | 24 | 24 |
| Débit spécifique à ΔT = 30 K | l/mn | 12,05 | 12,4 | 12,05 |
| Débit spécifique à ΔT = 25 K | l/mn | 13,7 | 14,3 | 13,7 |
| Régulationlectronique modulante | OUI | OUI | OUI | |
| Plage de température | °C | De 35 à 65 | De 35 à 65 | De 35 à 65 |
| Pression maximale | bar | 8 | 8 | 8 |
| Pression minimale | bar | 0,15 | 0,15 | 0,15 |
| Seuil d'enclenchement | l/mn | 2 | 2 | 2 |
- Chauffage et ECS, stockage tampon

FOURNITURES STANDARD
Chaudière murale mixte à mini accumulation haut rendement.
Modulation intégrale de la puissance entre 40 et 100% ,
- Ajustement de la puissance en chauffage possible entre 40 et 100% .
- Tirage naturel (CF) ou flux force (FF) ou VMC,
- Fonctionnement gaz naturel avec possibilité de transformation au GPL (versions CF et FF).
- Filtré chauffage intégré et visitable permét de protégér le corps de chauffe.
La chaudière dispose d'une réserve
d'énergie primaire stockée dans le vase
d'expansion, un système de priorité
contrôle régulérique la température
de ce stockage par une vanne de
priorité. Lors d'unuisage sanitaire
supérieur à 2 l/mn, les vannes de
priorité enclenchent la circulation sur le
vase d'expansion et l'échangeur à
plaques. La montée en température de
l'eau chaude sanitaire se fait
immédiatement (< 5 secondes).
La température de l'eau chaude est
contrélée par 2 sondes CTN (chauffage
et eau chaude) afin de garantir une
parfaité stabilité de la température
d'eau en agissant sur l'ouverture
modulante de la vanne gaz.
La stabilité de température est
mainfune constante en cas de
puisages simultanés grâce à la
capacité en eau du système.
Scheme de principe

FONCTIONNEMENT EN ECS, MODELE LUNA ST Max
1 Sonde de priorite sanitaire
2 Disconnecteur
3 By-pass automatique
4 Soupape de non-retour
5 Pressostat hydraulique
6 Soupape 3 voies
7 Sonde CTN sanitaire
8 Detector de début avec filtre et limiter de début d'eau
9 Moleur vanne 3 voies
0 Soupape du gaz
11 Vase d'expansion
12 Electrode d'allumage
13 Sonde CTN chauffage
14 Thermostat de sécurité
15 Echangeur eau-fumées
16 Boite à fumées
17 Ventilateur
18 Prise de pression positive (pour le mod. Max 2.31 FF la prise positifdeiterefermee)
19 Pressostat air
20 Prise de pression négative
21 Electrode de détction de flamme
22 Bruleur
23 Rampe gaz avec injecteurs
24 Échangeur eau-eau avec plaques
25 Event automatique
26 Pompe avec séparateur d'air
27 Robinet de remplissage circuit
28 Robinet de vidange chaudiere
29 Manometre
30 Soupape de sécurité hydraulique
31 Sortie concentrique
MR: départchauffage
US:entreeeau
chaude sanitaire
GAS: entrée gaz dans la chaudière
ES: entrée eau froide sanitaire
RR:retour installation dechauffage

Dimensions
Luna ST Max 2.24 CF

Luna ST Max 2.24 VMC

Luna ST Max 2.24 FF
Caracteristique de la pompe de circulationasse consommation
La pompe utilisée est de grande hauteur manometrique et convient sur n'importe quel type d'installation de chauffage monotube ou bitube.
Le dégazeur incorpore dans le corps de la pompe permet une purge rapide de l'installation de chauffage.

| Modèle | Référence | Prix € HT |
| Luna ST Max 2.24 CF | CLUS24CFO | 1455 |
| Luna ST Max 2.24 FFH | CLUS24FFH | 1805 |
| Luna ST Max 2.24 FFV 100 | CLUS24FFO | 1897 |
| Luna ST Max 2.24 FFV 125 | CLUS24FF5 | 1730 |
| Luna ST Max 2.24 VMC | CLUS24VMC | 1475 |

AVANTAGES PRODUIT
Simplicité du tableau
Hautrendement
Débit spécifique elevé
ECS avec ballon accumulation

1 Ballon inox 60 litres
2 Vase d'expansion chauffage
3 Vase d'expansion sanitaire en option
4 Pompe de chauffage
5 Manometre
6 Extracteur
7 Échangeur en cuivre
8 Brûleur multirampes
9 Vanne gaz
Caracteristiques techniques
| LUNA ST Duo | 3.24 CF | 3.24 CF - VMC | 3.28 FF | |
| Type de générateur | Accumulé* | |||
| Type de chaudière | Basse température | |||
| Évacuation | Cheminée | VMC | Ventouse | |
| Puisance nominale | kW | 23,3 | 23,3 | 28 |
| Débit calorifique | kW | 25,8 | 25,8 | 30,1 |
| Débit des fumées | kg/h | 79,2 | 64,4 | 72 |
| Volume des fumées | m3/h | 54,1 | 54,1 | 56 |
| Tirage nécessaire | mbar | 0,05 à 0,1 | 0,05 à 0,1 | - |
| Rendement charge 100 % et 70 °C | % | 91 | 90,6 | 93,1 |
| Rendement charge 30 % et 40 °C | % | 89.8 | 89,8 | 90,6 |
| Pertes à l'arrêt ΔT = 30 K | W | 199 | 199 | 99 |
| Température mini de retour chaudière | °C | 30 | ||
| Puisance électricité auxiliaire | W | 25 | 25 | 70 |
| Puisance élec. circulator mini | W | 47,4 | 47,4 | 73,4 |
| Puisance élec. circulator maxi | W | 57,7 | 57,7 | 89,7 |
| Pression max'utilisation primaire | bar | 3 | ||
| Débit de gaz | G 20 m³/h | 2,73 | 2,73 | 3,18 |
| G 25 m³/h | 3,17 | 3,17 | 3,7 | |
| G 31 kg/h | 2,00 | - | 2,34 | |
| Débit nominal d'eau à Pn ΔT = 15 K | m³/h | 1,34 | 1,34 | 1,61 |
| Puisance utile nominale | kW | 23,3 | 23,3 | 28 |
| Débit spécifique à ΔT = 30 K | l/mn | 17,7 | 17,7 | 19 |
| Vase d'expansion | I | 1 en option | ||
| Régulation électronique modulante | OUI | OUI | OUI | |
| Plage de température | °C | De 35 à 60 | De 35 à 60 | De 35 à 60 |
| Pression maximale | bar | 7 | 7 | 7 |
| Pression minimale | bar | 0,5 | 0,5 | 0,5 |
- Chauffage et ECS, balloon intégré 60 l

FOURNITURES STANDARD
Chaudière murale à accumulation.
Chaudière murale mixte équipée d'un système de stockage ECS en inox associé de 60 l.
Modulation intégrale de la puissance entre 40 et 100% ,
- Ajustement de la puissance en chauffage possible entre 40 et 100% ,
- Tirage VMC ou flux force (FF) ou naturel (CF),
- Fonctionnement gaz naturel avec possibilité de transformation au GPL (versions CF et FF).
- Filtré chauffage intégré et visitable permét de protégér le corps de chauffe.
FONCTIONNEMENT EN ECS, MODELE LUNA ST Duo
- Mise en température du gallon. La sonde CTN contrôle la température du gallon et assure la priorité au rechauffage de l'échangeur immergé (serpentin) par mise en service de la pompe chauffage et basculement de la vanne 3 voies,
Le contrôle de température ECS est assure par 1 sonde sanitaire CTN.

Schéma de principe

Dimensions
Luna ST Duo 3.24 CF-VMC

Luna ST Duo 3.28 FF
1 Ballon
2 Sonde CTN sanitaire
3 Echangeeur sanitaire
4 Vase d'expansion
5 Robinet de vidange chaudière
6 Sonde CTN chauffage
7 Thermostat de sécurité
8 Electrode d/allumage
9 Echangeur eau-fumées
10 Boite à fumées
11 Prise de pression négative
12 Prise de pression positive
13 Raccord concentrique
14 Pressostat air
15 Ventilateur
16 Electrode de détction de flamme
17 Rampe gaz avec injecteurs
18 Soupape de sécurité chauffage 3 bar
19 Pressostat différentiel hydraulique
20 Dégazeur
21 Pompe avec séparateur d'air
22 Vanne gaz
23 Filtre eau chauffage
24 By-pass automatique
25 Robinet gaz
26 Vanne depart chauffage
27 Vanne retour chauffage
28 Manometre
29 Bruleur
30 Vanne 3 voies
31 Moteur vanne 3 voies
32 Robinet de replissage chaudière
33 Soupape de sécurité balloon 7 bar
34 Robinet de vidange ballon
35 Limiteur de début d'eau
36 Robinet arrivée eau équipé de filtré
37 Robinet de remplissage chaudière
38 Disconnecteur
39 Soupape de non-retour
Caracteristique de la pompe de circulation basse consommation
La pompe utilisée est de grande hauteur manometrique et convient sur n'importe quel type d'installation de chauffage monotube ou bitube. Le dégazeur incorpore dans le corps de la pompe permet une purge rupture de l'installation de chauffage.

1:sortie eau chaude sanitaire G1/2
2: entreee aquefroide sanitaire G1/2
3:retour installation de chauffage G3/4
4 : départ chauffage G3/4
5: entree gaz dans la chaudiere G3/4
| Modèle | Référence | Prix € HT |
| Luna ST Duo 3.24 CF | CLUS324CFO | 2230 |
| Luna ST Duo 3.28 FFH | CLUS324FFH | 2730 |
| Luna ST Duo 3.28 FFV 100 | CLUS324FFO | 2822 |
| Luna ST Duo 3.28 FFV 125 | CLUS324FF5 | 2655 |
| Luna ST Duo 3.24 VMC | CLUS324VMC | 2260 |
Accessoires fournis dans le kit barrette de robinetterie


- Gabarit
- Robinet gaz
- Robinet arrivée eau avec filtre (modèle mixte)
-
Joints d'etanchéité
-
Chevilles 8 mm et vis
- Robinet département chauffage
- Robinet retour chauffage avec filtre visible intégré
- Kit de vidage eau mixte


Module partage pour chaudière haut rendement et condensation
Kit basse température permettant le raccordement de 2 circuits fonctionnant à des températures différentes livrés avec régulation.
| Référence | Prix € HT | |
| Kit partage | C71407961 | 1 178 € |
| Dimensions | L | H | P |
| mm | 450 | 600 | 160 |

Module partage Luna ST
- Collecteur modulaire
1 Zone Haute Température < 85^
1 Zone Basse Température < 45^ - 1 pompe de circulation pour la zone Haute Température
- 1 pompe de circulation pour la zone Basse Température
- 1 vanne de mélange pour la zone Basse Température
- 1 sonde CTN circuit BT
- Thermostat de sécurité circuit BT 50 °C
- Dimension (mm) : 600x450x160
- Alimentation électrique : 230V
Raccordement chaudiere et circuit Haute Température : 3/4"
Raccordement circuit Basse Température : 1"

A

B


C


D

E

F
Accessoires d'installation
| Accessoires murales en option | Référence | Prix € HT |
| A Dosseret écartement Prime - Flirt - Max - ST 60 mm | C71411131 | 53 |
| Douilles installation neue pour dosseret écartement Prime - Flirt - Max - ST | C71413741 | 73 |
| Dosseret écartement Duo + douilles | C14088010 | 95 |
| B Kit de replissage installation | C14069110 | 41 |
| C Kit robinet eau chaude | C14021911 | 34 |
| D Kit de remplacement C&M Celtic à visser | C71413551 | 72 |
| Kit de remplacement C&M Nectra à visser | C71413731 | 70 |
| E Kit de remplacement SD à visser | C71413511 | 72 |
| F Kit de remplacement ELM à visser | C71411141 | 73 |
| Kit de remplacement universel | C14058810 | 90 |
| Kit de remplacement C&M à souder | C14050211 | 37 |
| Kit de remplacement SD à souder | C14050611 | 37 |
| Kit de remplacement ELM à souder | C14050711 | 37 |
| G Kit de vidage eau mixte | C14087210 | 29 |
| Kit de vidage eau Duo | C71412831 | 33 |
| Kit solaire thermostatique pour chaudières mixtes | ||
| • Vanne directionnelle thermostatique | C71412341 | 129 |
| • Douilles de raccordement | ||
| • Vanne isolation entrée eau froide | ||
| Sonde sanitaire Luna ST Prime 1.24 CF-FF | C14061910 | 23 |
| + Régulation AVS77 Luna ST HTE | C71411021 | 120 |
| Kit interface | C71407251 | 22 |
| CODE | DESIGNATION | COMPOSANTS | COUDE CONCENTRIQUE 90° | TERMINAL CONCENTRIQUE | ROSACE Ø100 | ADAPTATEUR SORTIE VERTICAL | DOUILLES INSTALLATION NEUVE | |
| CORPS CHAUDIÈRE | BARRETTE ROBINETTERIE | |||||||
| CLUS124CF0 | Luna ST Prime 1.24 CF | CCPA45124 | C14077810 | |||||
| CLUS124FFH | Luna ST Prime 1.24 FFH | CCPA45524 | C14077810 | C71410141 | C71410181 | C14017710 | ||
| CLUS124FF0 | Luna ST Prime 1.24 FFV 100 | CCPA45524 | C14077810 | C14036410 | C71410191 | |||
| CLUS124FF5 | Luna ST Prime 1.24 FFV 125 | CCPA45524 | C14077810 | CFF000007 | ||||
| CLUS224CF0 | Luna ST Flirt 2.24 CF | CCPA45224 | C14068011 | |||||
| CLUS224FFH | Luna ST Flirt 2.24 FFH | CCPA45624 | C14068011 | C71410141 | C71410181 | C14017710 | ||
| CLUS224FF0 | Luna ST Flirt 2.24 FFV 100 | CCPA45624 | C14068011 | C14036410 | C71410191 | |||
| CLUS224FF5 | Luna ST Flirt 2.24 FFV 125 | CCPA45624 | C14068011 | CFF000007 | ||||
| CLUS224VMC | Luna ST Flirt 2.24 VMC | CCPA45224VMC | C14068011 | |||||
| CLUSC24CF0 | Luna ST Compact 2.24 CF | C71100370 | C71413761 | C71413791 | ||||
| CLUSC24FFH | Luna ST Compact 2.24 FFH | C71100390 | C71413761 | C71410141 | C71410181 | C14017710 | C71413791 | |
| CLUSC24FF0 | Luna ST Compact 2.24 FFV 100 | C71100390 | C71413761 | C14036410 | C71410191 | C71413791 | ||
| CLUSC24FF5 | Luna ST Compact 2.24 FFV 125 | C71100390 | C71413761 | CFF000007 | C71413791 | |||
| CLUSC24VMC | Luna ST Compact 2.24 VMC | C71100380 | C71413761 | C71413791 | ||||
| CLUS24CF0 | Luna ST Max 2.24 CF | CCPA45324 | C14068011 | |||||
| CLUS24FFH | Luna ST Max 2.24 FFH | CCPA45824 | C14068011 | C71410141 | C71410181 | C14017710 | ||
| CLUS24FF0 | Luna ST Max 2.24 FFV 100 | CCPA45824 | C14068011 | C14036410 | C71410191 | |||
| CLUS24FF5 | Luna ST Max 2.24 FFV 125 | CCPA45824 | C14068011 | CFF000007 | ||||
| CLUS24VMC | Luna ST Max 2.24 VMC | CCPA45324VMC | C14068011 | |||||
| CLUS324CF0 | Luna ST Duo 3.24 CF | CCPA45424 | C14073711 | |||||
| CLUS324FFH | Luna ST Duo 3.28 FFH | CCPA45728 | C14073711 | C71410141 | C71410181 | C14017710 | ||
| CLUS324FF0 | Luna ST Duo 3.28 FFV 100 | CCPA45728 | C14073711 | C14036410 | C71410191 | |||
| CLUS324FF5 | Luna ST Duo 3.28 FFV 125 | CCPA45728 | C14073711 | CFF000007 | ||||
| CLUS324VMC | Luna ST Duo 3.24 VMC | CCPA45424VMC | C14073711 | |||||
| CODE | DESIGNATION | COMPOSANTS | COUDECENTRIQUE90° | TERMINALCONCENTRIQUE | ROSACEØ100 | ADAPTATEURSORTIEVERTICALE | |
| CORPS | BARRETTEROBINETTERIE | ||||||
| CLCS28HTH | LUNA ST 2.28 HTE H | CHLA43628 | C14068011 | C14059710 | C14059610 | C14017710 | |
| CLCS28HTV | LUNA ST 2.28 HTE V | CHLA43628 | C14068011 | CFF000019 | |||
| CLCS33HTH | LUNA ST 2.33 HTE H | CHLA43633 | C14068011 | C14059710 | C14059610 | C14017710 | |
| CLCS33HTV | LUNA ST 2.33 HTE V | CHLA43633 | C14068011 | CFF000019 | |||
| CLCS233HTH | LUNA ST MAX 2.33 HTE H | CHLA43833 | C14068011 | C14059710 | C14059610 | C14017710 | |
| CLCS233HTV | LUNA ST MAX 2.33 HTE V | CHLA43833 | C14068011 | CFF000019 | |||
| CLCS333HTH | LUNA ST DUO 3.33 HTE H | CHPA45733 | C14073711 | C14059710 | C14059610 | C14017710 | |
| CLCS333HTV | LUNA ST DUO 3.33 HTE V | CHPA45733 | C14073711 | CFF000019 | |||
LES + LUNA ST COMPACT

GUIDE DE CHOIX
INITIA Plus HTE / LUNA Platinum

| Micro-accumulation | Initia Plus HTE HTE INDENSATION | Luna Platinum HTE HTE INDENSATION | |
| ★★★★★CE Initia Plus HTE 2.24 - 2.33 | ★★★★★CE Luna Platinum HTE 2.24 - 2.33 | ||
| ★★★★★CE Initia Plus Compact HTE 2.24 - 2.33 | |||
| Mini-accumulation | ★★★★★CE Initia Plus Max HTE 2.24 - 2.28 - 2.33 | ★★★★★CE Luna Platinum Max HTE 2.28 - 2.33 | |
| Accumulation | ★★★★★CE Initia Plus Duo HTE 3.24 - 3.33 | ★★★★★CE Luna Platinum Duo HTE 3.24 - 3.33 | |
| Confort sanitaire : ★★★★ selon norme EN13203 | ||
| Initia Plus HTE : Initia Plus Compact HTE Luna Platinum HTE | Chaudière gaz, chauffage et ECS à micro-accumulation avec gestion électronique de la température du corps de chauffe et de consommation ECS. | |
| Confort sanitaire : ★★★★ selon norme EN13203 | ||
| Initia Plus Max HTE : Luna Platinum Max HTE | Chaudière gaz, chauffage et eau chaude à mini accumulation. Débit d'eau chaude exceptionnel (jusqu' à 16.3 l / mn) immédiatement disponible, le système breveté "Dynamic Max" permet en effet d'atteindre en moins de 5 secondes le niveau de température souhaité et un niveau de comfort inégalé | |
| Confort sanitaire : ★★★★ selon norme EN13203 | ||
| Initia Plus Duo HTE : Luna Platinum Duo HTE | Chaudière gaz, chauffage et eau chaude sanitaire à accumulation. Performances élevées pour plus d'économies (rendement optimal). L'eau chaude en abondance pour un espace occupé minimum. Stabilité de température pour répondre aux exigences de comfort. | |
Chauffage seul
Condensation
Puisance de 2 à 28 kW
AVANTAGES PRODUIT
Plage de régulation de 16 à 100%
Simplicité du tableau de commandes
Pompe 2 vitesses automatiques
Rendement 108%


Tableau Initia Plus HTE retro-éclaire
Caracteristiques techniques
| INITIA PLUS HTE | Données RT 2012 | 1.12 | 1.24 | 1.28 | |
| Type de générateur | • | Chauffage seul | |||
| Type de chaudière | Condensation | ||||
| Energie | Gaz naturel ou propane | ||||
| Evacuation | Ventouse - Cheminée C13, C33, C43, C43P*, C53, C63, C83, B23, B23p, C93 | ||||
| Plage de puissance | kW | 2.0-12.0 | 4.0-24.0 | 4.7-28.0 | |
| Puissance nominale chauffage 80/60 °C | kW | • | 12 | 24 | 28 |
| Puissance utile intermédiaire | kW | • | 3,6 | 7,2 | 8,4 |
| Rendement charge mini et 30°C | % | 108,3 | 108,3 | 108,3 | |
| Rendement charge 30 % et 30°C | % | • | 108 | 108 | 108 |
| Rendement charge 100 % et 70°C | % | • | 97.8 | 97.6 | 97.6 |
| Plage de température chauffage | °C | 25-80° | 25-80°C | 25-80°C | |
| Puissance électrique des auxiliaires hors circulator à Pmin | W | 15 | 15 | 15 | |
| Puissance électrique des auxiliaires hors circulator à Pn | W | • | 43 | 37 | 49 |
| Type de circulator | • | à début constant et fonctionnement intermittent | |||
| Puissance circulator maxi | W | 75 | 75 | 75 | |
| Puissance circulator mini | W | 40 | 40 | 40 | |
| Puissance circulator RT 2012 | W | • | 40 | 40 | 40 |
| Débit minimal | I/h | • | 0 | 0 | 0 |
| Perthes à l'arrêt ΔT 30 | W | • | 35 | 35 | 40 |
| Puissance électrique à charge nulle (veille) | W | 2,1 | 2,1 | 2,1 | |
| Pression acoustique à 1 m Pmin | dB(A) | 36,1 | 35,8 | 35,2 | |
| Poids | kg | 34,5 | 34,5 | 34,5 | |
Valeurs actualisées disponibles sur le site d'Uniclima: www.rt2012-chauffage.com
*Avec accesaire coude 3CEP page 287

FOURNITURES STANDARD
Chaudière murale simple service à condensation.
- Equipée d'une chambre de combustion et échangeur spirale en inox (316 L),
Modulation intégrale de la puissance entre 16 et 100% , - Tirage flux forcé et cheminée B.23,
- Fonctionnement gaz naturel avec possibilité de transformation au GPL.
- Filtre chauffage intégré et visiable permét de protégé le corps de chauffe.
FONCTIONNEMENT EN CHAUFFAGE
Le circulateur assure la circulation vers les radiateurs, un By-pass automatique garantit une circulation correcte contrôlée par un pressostat. La température de chauffage régliable de 20^ à 80^ est contrôlée par une sonde CTN qui agit sur la mise en marche du brûleur et l'ouverture modulante de la vanne gaz en continu. Lorsqu'unallon avec échangeur est raccordé à la chaudière, la vanne de priorité assure la circulation vers le gallon lorsque la sonde CTN du gallon détecte une température ECS trop BASSE. À l'arrêt du brûleur, par un thermostat d'ambiance, le circulateur fonctionne 3 mn en post circulation.

Dimensions
Scheme de principe

1 Pompe avec séparateur d'air
2 Vanne motorisée à trois voies
3 Manometre
4 Filtrc circuit chauffage extractible
5 Filtre eau froide sanitaire extractible
6 Capteur de priorite sanitaire
7 Sonde NTC sanitaire
8 Soupape de refenue sur by-pass automatique
9 Pressostat hydraulique
0 Robinet de vidange chaudière
1 Soupape de sécurité hydraulique
12 Échangeur sanitaire
13 Vanne gaz
14 Thermostat de sécurité
15 Sonde NTC chauffage
16 Sonde fumées
17 Raccord coaxial
18 Echangeur eau-fumées
19 Electrode d'allumage
20 Bruleur
21 Électrode de détention de flamme
22 Collecteur mélange air-gaz
23 Ventilateur
24 Venturi air-gaz
25 Vase d'expansion
A Siphon avec évacuation des condensats
Équipment disponible entant qu'accessoire :
B Robinet département eau de chauffage avec robinet de vidange
C Raccord sortie eau choude sanitaire/Ballon
D Robinet entree GAZ
E Robinet entree eau froide sanitaire
F Groupe de replissage chaudière (déconnecter / robinet)
Robinet retour eau chauffage
MR: départ
chauffage
GAS: entrée gaz
dans la
chaudiere
RR: retard
installation
de chauffage
Caracteristique de la pompe de circulation basse consommation
La pompe utilisée à 2 vitesses automatiques est de grande hauteur manometrique et convient sur n'importequel type d'installation de chauffage monotube ou bitube. Le dégazeur incorpore dans le corps de la pompe permet une purge rapide de l'installation de chauffage.

Initia Plus HTE


| Modèle | Référence | Prix € HT |
| Initia Plus 1.12 HTE H | C1PL112HT | 2190 |
| Initia Plus 1.12 HTE V | C1PL112HV | 2131 |
| Initia Plus 1.24 HTE H | C1PL124HT | 2280 |
| Initia Plus 1.24 HTE V | C1PL124HV | 2221 |
| Initia Plus 1.28 HTE H | C1PL128HT | 2600 |
| Initia Plus 1.28 HTE V | C1PL128HV | 2541 |
Chauffage et ECS
Micro-accumulation
Condensation
Puisance de 3,8 à 33 kW
AVANTAGES PRODUIT
Plage de régulation de 16 à 100%
Simplicité du tableau de commandes
Pompe 2 vitesses automatiques
Rendement 108%


Tableau Initia Plus HTE rétro-éclaire
Caracteristiques techniques
| INITIA PLUS HTE | DonnéesRT 2012 | 2.24 | 2.33 | |
| Type de générateur | • | Micro-accumulation | ||
| Type de chaudière | Condensation | |||
| Energie | Gaz naturel ou propane | |||
| Evacuation | Ventouse - Cheminée C13, C33, C43, C43P*, C53, C63, C83, B23, B23p, C93 | |||
| Plage de puissance | kW | 4.0-24.0 | 5.5-33.0 | |
| CHAUFFAGE | Puisance nominale chauffage 80/60 °C | kW | • | 20 |
| Puisance utile intermédiaire | kW | • | 6 | |
| Rendiment charge mini et 30°C | % | 108,3 | ||
| Rendiment charge 30 % et 30°C | % | • | 108 | |
| Rendiment charge 100 % et 70°C | % | • | 97.7 | |
| Plage de température chauffage | °C | 25-80°C | ||
| Puisance électricité des auxiliaires hors circulateur à Pmin | W | 15 | ||
| Puisance électricité des auxiliaires hors circulateur à Pn | W | • | 37 | |
| Type de circulator | • | à débit constant et fonctionnement intermittent | ||
| Puisance circulator maxi | W | 75 | ||
| Puisance circulator mini | W | 40 | ||
| Puisance circulator RT 2012 | W | • | 40 | |
| Débit minimal | I/h | • | 0 | |
| Pertes à l'arrêt ΔT 30 | W | • | 35 | |
| Puisance électricité à charge nulle (veille) | W | • | 2,1 | |
| SANSU | Puisance nominale sanitaire sur PCI | kW | 24 | |
| Débit spécifique à ΔT 30 | L/min | 12,1 | ||
| Classification EN 13203 | *** | |||
| Pression acoustique à 1 m Pmin | dB(A) | 35,8 | 34,9 | |
| Poids | kg | 38,5 | 39,5 | |

FOURNITURES STANDARD
Chaudière murale micro-accumulée à condensation.
- Equipée d'une chambre de combustion et échangeur spirale en inox (316 L),
Modulation intégrale de la puissance entre 16 et 100% , - Tirage flux forcé et cheminée B.23,
- Fonctionnement gaz naturel avec possibilité de transformation au GPL.
- Filtre chauffage intégré et visiable permét de protégé le corps de chauffe.
FONCTIONNEMENT EN CHAUFFAGE
Le circulateur assure la circulation vers les radiateurs, un By-pass automatique garantit une circulation correcte controliée par un pressostat.
La température de chauffage régiable de 20^ à 80^ est contrôlee par une sonde CTN qui agit sur la mise en marche du bruleur et l'ouverture modulante de la vanne gaz en continu. Lorsqu'unallon avec échangeur est raccordé à la chaudière, la vanne de priorité assure la circulation vers le gallon lorsque la sonde CTN du gallon défecte une température ECS trop basse. À l'arrêt du bruleur, par un thermostat d'ambiance, le circulator fonctionne 3 mn en post circulation.
DESCRIPTIF DU PRINCipe DE LA MICRO ACCUMULATION
Le système de gestion électronique de Initia Plus HTE permet de maintainir en température le système de production d'eau chaude durant les périodes de puissance. Le système peut être modifié par l'utilisateur pour passer en mode "eco". L'eau chaude arrive rapidement et à température constante.
Scheme de principe

1 Pompe avec séparateur d'air
2 Robinet de vidange chaudiere
3 Manometre
4 Soupape de sécurité hydraulique
5 Robinet de remplissage installation
6 Capteur de flux avec filtré et limiteur de débit
7 Capteur de priorite sanitaire
8 Sonde NTC sanitaire
9 Capteur de pression hydraulique
10 Vanne motorisée à trois voies
1 Soupape de non-refour
2 Echangeur sanitaire
3 Vanne gaz
4 Thermostat de sécurité
15 Sonde NTC chauffage
16 Sonde fumées
17 Raccord coaxial
18 Echangeur eau-fumées
19 Electrode d'allumage
20 Bruleur
21 Electrode de détention de flamme
22 Collecteur mélange air-gaz
23 Ventilateur
24 Venturi
25 Vase d'expansion
A Siphon avec évacuation des condensats
B Robinet départ eau de chauffage
Sortie eau chaude sanitaire/Ballon
D Robinet entree GAZ
E Robinet entree eau froide sanitaire
F Robinet retour eau chauffage
MR: départ chauffage
US: entrée eau chaude sanitaire
GAS : entrée gaz dans la chaudière
ES: entrée eau froide sanitaire
RR:retour installation de chauffage
Caracteristique de la pompe de circulation basse consommation
La pompe utilisée à 2 vitesses automatiques est de grande hauteur manometrique et convient sur n'importequel type d'installation de chauffage monotube ou bitube. Le dégazeur incorpore dans le corps de la pompe permet une purge rapide de l'installation de chauffage.

Initia Plus HTE
Dimensions


| Modèle | Référence | Prix € HT |
| Initia Plus 2.24 HTE H | C1PL224HT | 2450 |
| Initia Plus 2.24 HTE V | C1PL224HV | 2391 |
| Initia Plus 2.33 HTE H | C1PL233HT | 2830 |
| Initia Plus 2.33 HTE V | C1PL233HV | 2771 |

Chauffage et ECS
Mini-accumulation
Condensation
Puisance de 3,8 à 33 kW
Plage de régulation de 16 à 100%
Simplicité du tableau de commandes
Haute performance sanitaire
Rendement 108%

AVANTAGES PRODUIT

Tableau Initia Plus Max HTE rétro-éclairé
Caracteristiques techniques
| INITIA PLUS MAX HTE | Données RT 2012 | 2.24 | 2.28 | 2.33 | |
| Type de générate | • | Mini-accumulation | |||
| Type de chaudière | Condensation | ||||
| Energie | Gaz naturel ou propane | ||||
| Evacuation | Ventouse - Cheminée C13, C33, C43, C43P*, C53, C63, C83, B23, B23p, C93 | ||||
| Plage de puissance | kW | 4.0-24.0 | 4.7-28.0 | 5.5-33.0 | |
| CHAUFFAGE | Puisance nominale chauffage 80/60 °C | kW | • | 20 | 24 |
| Puisance utile intermédiaire | kW | • | 6 | 7,2 | |
| Rendement charge mini et 30°C | % | 108,3 | 108,3 | ||
| Rendement charge 30 % et 30°C | % | • | 108 | 108 | |
| Rendement charge 100 % et 70°C | % | • | 97.7 | 97.7 | |
| Plage de température chauffage | °C | 25-80°C | 25-80°C | ||
| Puisance électriche des auxiliaires hors circulateur à Pmin | W | 15 | 15 | ||
| Puisance électriche des auxiliaires hors circulateur à Pn | W | • | 37 | 49 | |
| Type de circulator | • | à débit constant et fonctionnement intermittent | |||
| Puisance circulator maxi | W | 75 | 75 | ||
| Puisance circulator mini | W | 40 | 40 | ||
| Puisance circulator RT 2012 | W | • | 40 | 40 | |
| Débit minimal | I/h | • | 0 | 0 | |
| Perthes à l'arrêt ΔT 30 | W | • | 35 | 40 | |
| Puisance électriche à charge nulle (veille) | W | • | 2,1 | 2,1 | |
| SANITIE | Puisance nominale sanitaire sur PCI | kW | 24 | 28 | |
| Débit spécifique à ΔT 30 | L/min | 12,5 | 14,5 | ||
| Classification EN 13203 | *** | *** | |||
| Pression acoustique à 1 m Pmin | dB(A) | 35,8 | 34,2 | 34,9 | |
| Poids | kg | 38,5 | 38,5 | 39,5 | |
Valeurs actuisées disponibles sur le site d'Uniclima: www.rt2012-chauffage.com
*Avec accesaire coude 3CEP page 287

FOURNITURES STANDARD
Chaudière murale à condensation mini accumulée.
- Equipée d'une chambre de combustion et échangeur spirale en inox (316 L),
Modulation intégrale de la puissance entre 16 et 100% , - Tirage flux forcé et cheminée B.23,
- Fonctionnement gaz naturel avec possibilité de transformation au GPL.
- Filtré chauffage intégré et visitable permét de protégé le corps de chauffe.
FONCTIONNEMENT EN CHAUFFAGE
Lors d'unuisage sanitaire supérieur
à 2,5 l/mn, la vanne de priorité enclenché la circulation vers
I'echangeur a plaques, la mise en marche du bruleur.
La température de l'eau chaude est contrôlée (35 à 65°C) par 2 sondes CTN (chauffage et eau chaude) afin de garantir une parfaite stabilité de la température d'eau en agissant sur l'ouverture modulante continue de la vanne gaz.
FONCTIONNEMENT EN ECS
La chaudière dispose d'une réserve d'énergie primaire stockée dans le vase d'expansion, un système de priorité contrôle régulièrement la température de ce stockage par une vanne de priorité. Lors d'unuisage sanitaire supérieur à 2 l/mn, les vannes de priorité enclenchent la circulation sur le vase d'expansion et l'échangeur à plaques. La montée entempérature de l'eau chaude sanitaire se fait immédiatement (< 5 secondes).
La température de l'eau chaude est contrôlée par 2 sondes CTN (chauffage et eau chaude) afin de garantir une parfaite stabilité de la température d'eau en agissant sur l'ouverture modulante de la vanne gaz. La stabilité de température est maintenue constante en cas deuisages simultanés grâce à la capacité en eau du système.
Scheme de principe

1 Pompe avec séparateur d'air
2 Robinet de vidange chaudiere
3 Manometre
4 Soupape de sécurité hydraulique
5 Robinet de replissage installation
6 Capteur de flux avec filtré et limiteur de débit
7 Capteur de priorite sanitaire
8 Sonde NTC sanitaire
9 Capteur de pression hydraulique
10 Vanne motorisée à trois voies
11 Soupape de non-retour
12 Echangeur sanitaire
13 Vanne gaz
14 Vase d'expansion
15 Thermostat de sécurité
16 Sonde NTC chauffage
17 Sonde fumées
18 Raccord coaxial
19 Echangeur eau-fumées
20 Electrode d/allumage
21 Bruleur
22 Electrode de détention de flamme
23 Collecteur mélange air-gaz
24 Ventilateur
25 Venturi
A Siphon avec évacuation des condensats
B Robinet départ eau de chauffage
C Sortie eau chaude sanitaire/Ballon
D Robinet entree GAZ
E Robinet entree eau froide sanitaire
F Robinet retour eau chauffage
MR: départchauffage US: entree eau chaude sanitaire
GAS: entrée gaz dans la chaudière
ES: entrée eau froide sanitaire
RR: retour installation de chauffage
Caracteristique de la pompe de circulation basse consommation
La pompe utilisée à 2 vitesses automatiques est de grande hauteur manometrique et convient sur n'importe quel type d'installation de chauffage monotube ou bitube. Le dégazeur incorpore dans le corps de la pompe permet une purge rapide de l'installation de chauffage.

Initia Plus Max HTE
Dimensions


| Modèle | Référence | Prix € HT |
| Initia Plus Max 2.24 HTE H | C1PLM224HT | 2730 |
| Initia Plus Max 2.24 HTE V | C1PLM224HV | 2671 |
| Initia Plus Max 2.28 HTE H | C1PLM228HT | 2880 |
| Initia Plus Max 2.28 HTE V | C1PLM228HV | 2821 |
| Initia Plus Max 2.33 HTE H | C1PLM233HT | 3082 |
| Initia Plus Max 2.33 HTE V | C1PLM233HV | 3023 |

Chauffage et ECS
Accumulation 45 I
Condensation
▶ Puissance de 3,8 à 33 kW
AVANTAGES PRODUIT
Plage de régulation de 16 à 100%
Simplicité du tableau de commandes
Ballon 451 inox à serpentin
Rendement 108%


Tableau Initia Plus Duo HTE retro-éclairé
Caracteristiques techniques
| INITIA PLUS DUO HTE | DonnéesRT 2012 | 2.24 | 2.33 | |
| Type de générateur | • | Accumulation | ||
| Type de chaudière | Condensation | |||
| Energie | Gaz naturel ou propane | |||
| Evacuation | Ventouse - Cheminée C13, C33, C43, C43P*, C53, C63, C83, B23, B23p, C93 | |||
| Plage de puissance | kW | 4.0-24.0 | 5.5-33.0 | |
| CHAUFFAGE | Puisance nominale chauffage 80/60 °C | kW | • | 20 |
| Puisance utile intermédiaire | kW | • | 6 | |
| Rendement charge mini et 30°C | % | 108,3 | ||
| Rendement charge 30 % et 30°C | % | • | 108 | |
| Rendement charge 100 % et 70°C | % | • | 97.7 | |
| Plage de température chauffage | °C | 25-80°C | ||
| Puisance électrique des auxiliaires hors circulator à Pmin | W | 15 | ||
| Puisance électrique des auxiliaires hors circulator à Pn | W | • | 37 | |
| Type de circulator | • | à débit constant et fonctionnement intermittent | ||
| Puisance circulator maxi | W | 75 | ||
| Puisance circulator mini | W | 40 | ||
| Puisance circulator RT 2012 | W | • | 40 | |
| Débit minimal | I/h | • | 0 | |
| Pertes à l'arrêt ΔT 30 | W | • | 58 | |
| Puisance électrique à charge nulle (veille) | W | • | 2,1 | |
| SANITAIÈRE | Puisance nominale sanitaire sur PCI | kW | 24 | |
| Débit spécifique à ΔT 30 | L/min | 16.6 | ||
| Classification EN 13203 | *** | |||
| Constante de refroidissement (justifiée) | Wh/K.I.24h | • | 0,78 | |
| Pertes à l'arrêt du gallon ΔT 45 | W | 64 | ||
| Temps de réchauffage | mn | 10 | ||
| Débit soutirable en 10 mn | 166 | |||
| Capacité de stockage | I | • | 40 | |
| Température maxi gallon | °C | • | 80 | |
| Hauteur relative serpentin | • | 0,7 | ||
| Hystérisis du gallon | • | 5 | ||
| N° Zone du thermostat | • | 1 | ||
| Pression acoustique à 1 m Pmin | dB(A) | 36,1 | 35,3 | |
| Poids | kg | 62 | 64 | |
Valeurs actualisées disponibles sur le site d'Uniclima : www.rt2012-chauffage.com - *Avec accesseoir coude 3CEP page 287

FOURNITURES STANDARD
- Chaudière murale à accumulation.
- Equipée d'une,chambre de combustion et échangeur spirale en inox (316 L),
Modulation intégrale de la puissance entre 16 et 100% , - Tirage flux force (FF) et cheminée B.23.
- Fonctionnement gaz naturel avec possibilité de transformation au GPL.
FONCTIONNEMENT EN ECS
- Mise en température du gallon. La sonde CTN contrôle la température du gallon et assure la priorité au rechauffage de l'échangeur immer (serpentin) par mise en service de la pompe chauffage et basculement de la vanne 3 voies,
Le contrôle de température ECS est assure par 1 sonde sanitaire CTN.
Scheme de principe

Caracteristique de la pompe de circulation basse consommation
La pompe utilisée à 2 vitesses automatiques est de grande hauteur manometrique et convient sur n'importe quel type d'installation de chauffage monotube ou bitube.
Le dégazeur incorpore dans le corps de la pompe permet une purge rapide de l'installation de chauffage.

Initia Plus Duo HTE
1 Vanne gaz
2 Manomètre
3 By-pass automatique
4 Filtre retour chauffage
5 Pompe avec séparateur d'air
6 Vase d'expansion ECS
7 Soupape de sécurité ECS (8 bars)
8 Regulateur de flux
9 Robinet de vidange balloon
12 Échangeur ECS balloon
13 Anode sacrificielle ballon
14 Robinet de remplissage chaudière
15 Soupape de non-retour
16 Vase d'expansion
17 Sonde NTC fumées
18 Raccord coaxial
19 Echangeur eau-fumées
20 Electrode d'allumage
21 Bruleur
22 Collecteur melange air-gaz
23 Électrode de détction de flamme
24 Thermostat de sécurité
25 Sonde NTC chauffage (dép./ret.)
26 Ventilateur
27 Venturi air/gaz
28 Pressostat hydraulique
29 Soupape de sécurité chauffage (3 bars)
30 Vanne motorisée à trois voies
31 Robinet de vidange chaudiere
A Sortie eau chaude sanitaire/Ballon
B Robinet entree eau froide sanitaire
C Siphon avec évacuation des condensats
D Retour eau de chauffage
E Départ eau de chauffage
F Robinet entree GAZ
Dimensions
US: sortie eau chaude sanitaire
GR: entrée gaz dans la chaudiere
ES: entrée eau froide sanitaire
RR:retour installation de chauffage


| Modèle | Référence | Prix € HT |
| Initia Plus Duo 3.24 HTE H | C1PL324HT | 3300 |
| Initia Plus Duo 3.24 HTE V | C1PL324HV | 3241 |
| Initia Plus Duo 3.33 HTE H | C1PL333HT | 3568 |
| Initia Plus Duo 3.33 HTE V | C1PL333HV | 3509 |

Chauffage et ECS
Micro-accumulation
Condensation
▶ Puissance de 3,8 à 33 kW
Plage de régulation de 16 à 100%
Simplicité du tableau de commandes
Dimensions compactes (700 x 400 x 300)
Rendement 108%

AVANTAGES PRODUIT

Tableau Initia Plus Compact HTE rétro-éclairé
Caracteristiques techniques
| INITIA PLUS COMPACT HTE | DonnéesRT 2012 | 2.24 | 2.33 | |
| Type de générateur | • | Micro-accumulation | ||
| Type de chaudière | Condensation | |||
| Energie | Gaz naturel ou propane | |||
| Evacuation | Ventouse - Cheminée C13, C33, C43, C43P*, C53, C63, C83, B23, B23p, C93 | |||
| Plage de puissance | kW | 4.0-24.0 | 5.5-33.0 | |
| CHAUFFAGE | Puisance nominale chauffage 80/60 °C | kW | • | 20 |
| Puisance utile intermédiaire | kW | • | 6 | |
| Rendiment charge mini et 30°C | % | 108,3 | ||
| Rendiment charge 30 % et 30°C | % | • | 108 | |
| Rendiment charge 100 % et 70°C | % | • | 97.7 | |
| Plage de température chauffage | °C | 25-80°C | ||
| Puisance électriche des auxiliaires hors circulateur à Pmin | W | 15 | ||
| Puisance électriche des auxiliaires hors circulateur à Pn | W | • | 37 | |
| Type de circulator | • | à débit constant et fonctionnement intermittent | ||
| Puisance circulator maxi | W | 75 | ||
| Puisance circulator mini | W | 40 | ||
| Puisance circulator RT 2012 | W | • | 40 | |
| Débit minimal | I/h | • | 0 | |
| Perthes à l'arrêt ΔT 30 | W | • | 31 | |
| Puisance électriche à charge nulle (veille) | W | • | 2,1 | |
| SANTÉ | Puisance nominale sanitaire sur PCI | kW | 24 | |
| Débit spécifique à ΔT 30 | L/min | 12,1 | ||
| Classification EN 13203 | *** | |||
| Pressure acoustique à 1 m Pmin | dB(A) | 36,1 | 35,3 | |
| Poids | kg | 34 | 36 | |
Valeurs actualisées disponibles sur le site d'Uniclima: www.rt2012-chauffage.com
*Avec accesaire coude 3CEP page 287

FOURNITURES STANDARD
Chaudière murale micro-accumulée
a condensation.
- Equipée d'une,chambre de combustion et échangeur spirale en inox (316 L),
Modulation intégrale de la puissance entre 16 et 100% , - Tirage flux force et cheminée B.23,
- Fonctionnement gaz naturel avec possibilité de transformation au GPL.
- Filtré chauffage intégré et visible permet de protégé le corps de chauffe.
FONCTIONNEMENT
EN CHAUFFAGE
Le circulateur assure la circulation vers les radiateurs, un By-pass automatique garantit une circulation correcte contrôlée par un pressostat. La température de chauffage régiable de 20^ à 80^ est contrôlée par une sonde CTN qui agit sur la mise en marche du brûleur et l'ouverture modulante de la vanne gaz en continu. Lorsqu'unallon avec échangeur est raccordé à la chaudière, la vanne de priorité assure la circulation vers le gallon lorsque la sonde CTN duallon détecte une température ECS trop BASSE.
A l'arrêt du brûleur, par un thermostat d'ambiance, le circulator Fonctionne 3 mn en post circulation.
DESCRIPTIF DU PRINCIPLE DE LA MICRO
ACCUMULATION
Le système de gestion électronique de Initia Plus Compact HTE permet de restarter en température le système de production d'eau chaude durant les périodes deuisage.Le système peut etre modifie par l'utiliser pour passer en mode "eco".L'eau chaude arrive rapidement et atempérature constante.
Scheme de principe

1 Pompe avec séparateur d'air
2 Vanne motorisée à trois voies
3 Manomètre
4 Filtrc circuit chauffage extractible
5 Filtre eau froide sanitaire extractible
6 Capteur de priorite sanitaire
7 Sonde NTC sanitaire
8 Soupape de refenuesur by-passautomatifique
9 Pressostat hydraulique
0 Robinet de vidange chaudière
1 Soupape de sécurité hydraulique
2 Echangeur sanitaire
3 Vanne gaz
4 Thermostat de sécurité
5 Sonde NTC chauffage
6 Sonde fumées
7 Raccord coaxial
8 Echangeur eau-fumées
19 Electrode d'allumage
20 Bruleur
21 Électrode de détention de flamme
22 Collecteur mélange air-gaz
23 Ventilateur
24 Venturi air-gaz
25 Vase d'expansion
A Siphon avec évacuation des condensats
Équipment disponible entant qu'accessoire :
B Robinet département eau de chauffage avec robinet de vidange
C Raccord sortie eau choude sanitaire/Ballon
D Robinet entree GAZ
E Robinet entree eau froide sanitaire
F Groupe de replissage chaudière (déconnecter / robinet)
Robinet retour eau chauffage
MR: départ chauffage
GAS : entree gaz dans la chaudiere
RR:retour installation de chauffage
Caracteristique de la pompe de circulation basse consommation
La pompe utilisée à 2 vitesses automatiques est de grande hauteur manometrique et convient sur n'importe quel type d'installation de chauffage monotube ou bitube. Le dégazeur incorpore dans le corps de la pompe permet une purge rapide de l'installation de chauffage.

Initia Plus Compact HTE
Dimensions


| Modèle | Référence | Prix € HT |
| Initia Plus Compact 2.24 HTE H | C1PLC224HT | 2320 |
| Initia Plus Compact 2.24 HTE V | C1PLC224HV | 2261 |
| Initia Plus Compact 2.33 HTE H | C1PLC233HT | 2610 |
| Initia Plus Compact 2.33 HTE V | C1PLC233HV | 2551 |

Solution
PMR
AVANTAGES
PRODUIT
Plage de régulation de 10 à 100%
Pompe modulante
Régulation complète déportable
Affichage avec menu déroulant
Chauffage seul
Condensation
Puisance de 2 à 28 kW
Systeme Gaz Adaptive Control
Solaire compatible
Sonde extérieure de série


GAC
Contrôle permanent de la combustion et gestion de la vanne gaz pour un rendement optimal

Régulation déportable Luna Platinum HTE (voir options accessoires de régulation page 54)
Compatible avec Ballon Td 300 EH
Caracteristiques techniques
| LUNA PLATINUM HTE | Données RT 2012 | 1.12 | 1.24 | 1.28 | |
| Type de générateur | • | Chauffage seul | |||
| Type de chaudière | Condensation | ||||
| Energie | Gaz naturel | ||||
| Evacuation | Ventouse - Cheminée C13, C33, C43, C43P*, C53, C63, C83, B23, B23p, C93 | ||||
| Plage de puissance | kW | 2,0-12,0 | 2,4-24 | 3,3-28 | |
| Puissance nominale chauffage 80/60 °C | kW | • | 12 | 24 | 28 |
| Puissance utile intermédiaire | kW | • | 3,6 | 7,2 | 8,4 |
| Rendement charge mini et 30°C | % | 108,5 | 108,5 | 108,5 | |
| Rendement charge 30 % et 30°C | % | • | 108 | 108 | 108 |
| Rendement charge 100 % et 70°C | % | • | 97,7 | 97,6 | 97,6 |
| Plage de température chauffage | °C | 25/80 | 25/80 | 25/80 | |
| Puissance électricque des auxiliaires hors circulator à Pmin | W | 15 | 15 | 15 | |
| Puissance électricque des auxiliaires hors circulator à Pn | W | • | 25 | 50 | 60 |
| Type de circulator | • | vitesse variable et pression différentielle variable | |||
| Puissance circulator maxi | W | 70 | 70 | 70 | |
| Puissance circulator mini | W | 35 | 35 | 35 | |
| Puissance circulator RT 2012 | W | • | 53 | 53 | 53 |
| Débit minimal | I/h | • | 0 | 0 | 0 |
| Pertes à l'arrêt ΔT 30 | W | • | 35 | 35 | 40 |
| Puissance électricque à charge nulle (veille) | W | 4,1 | 4,1 | 4,1 | |
| Pression acoustique à 1 m Pmin | dB(A) | 35,2 | 35,1 | 34,3 | |
| Poids | kg | 34,5 | 34,5 | 34,5 | |
Valeurs actualisées disponibles sur le site d'Uniclima: www.rt2012-chauffage.com
*Avec accesaire coude 3CEP page 287

FOURNITURES STANDARD
Chaudière murale simple service à condensation.
- Equipée d'une chambre de combustion et échangeur spirale en inox (316 L),
Modulation intégrale de la puissance entre 10 et 100% , - Tirage flux forcé et cheminée B.23,
- Fonctionnement uniquement au gaz naturel.
- Filtré chauffage intégré et visitable permét de protégé le corps de chauffe.
FONCTIONNEMENT EN CHAUFFAGE
Le circulateur assure la circulation vers les radiateurs, un By-pass automatique garantit une circulation correcte contrôlée par un pressostat. La température de chauffage régliable de 20^ à 80^ est contrôlée par une sonde CTN qui agit sur la mise en marche du brûleur et l'ouverture modulante de la vanne gaz en continu. Lorsqu'unallon avec échangeur est raccordé à la chaudière, la vanne de priorité assure la circulation vers le gallon lorsque la sonde CTN du gallon détecte une température ECS trop BASSE. À l'arrêt du brûleur, par un thermostat d'ambiance, le circulateur fonctionne 3 mn en post circulation.
Scheme de principe

Fonctionnement au propane disponible au printemps 2013 (nous consultier).
1 Pompe avec séparateur d'air
2 Vanne motorisée à trois voies
3 Manometre
4 Filtrc circuit chauffage extractible
5 Filtre eau froide sanitaire extractible
6 Capteur de priorite sanitaire
7 Sonde NTC sanitaire
8 Soupape de refenue sur by-pass automatique
9 Pressostat hydraulique
0 Robinet de vidange chaudière
1 Soupape de sécurité hydraulique
12 Échangeur sanitaire
13 Vanne gaz
14 Thermostat de sécurité
15 Sonde NTC chauffage
16 Sonde fumées
17 Raccord coaxial
18 Echangeur eau-fumées
19 Electrode d'allumage
20 Bruleur
21 Électrode de détention de flamme
22 Collecteur mélange air-gaz
23 Ventilateur
24 Venturi air-gaz
25 Vase d'expansion
A Siphon avec évacuation des condensats
Équipment disponible entant qu'accessoire :
B Robinet département eau de chauffage avec robinet de vidange
C Raccord sortie eau chaude sanitaire / Ballon
D Robinet entree GAZ
E Robinet entree eau froide sanitaire
F Groupe de replissage chaudière (déconnecter / robinet)
Robinet retour eau chauffage
MR: Depart chauffe GAS: entree dans I chaud
RR:retour installation de chauffage
Caracteristique de la pompe de circulation basse consommation
La pompe modulante utilisée est de grande hauteur manometrique et convient sur n'importequel type d'installation de chauffage monotube ou bitube. Le dégazeur incorpore dans le corpsde la pompe permet une purge rapide de l'installation de chauffage.

Luna Platinum HTE
Dimensions


| Modèle | Référence | Prix € HT |
| Luna Platinum 1.12 HTE H | CLUP112HT | 2409 |
| Luna Platinum 1.12 HTE V | CLUP112HV | 2350 |
| Luna Platinum 1.24 HTE H | CLUP124HT | 2508 |
| Luna Platinum 1.24 HTE V | CLUP124HV | 2449 |
| Luna Platinum 1.28 HTE H | CLUP128HT | 2860 |
| Luna Platinum 1.28 HTE V | CLUP128HV | 2801 |

Solution PMR
Chauffage et ECS
Micro-accumulation
Condensation
Puisance de 2,4 à 33 kW
AVANTAGES PRODUIT
Plage de régulation de 10 à 100%
Pompe modulante
Régulation complète déportable
Affichage avec menu déroulant
Systeme Gaz Adaptive Control
Solaire compatible
Sonde extérieure de série


GAC
Contrôle permanent de la combustion et gestion de la vanne gaz pour un rendement optimal

Régulation déportable Luna Platinum HTE (voir options accessoires de régulation page 54)
Caracteristiques techniques
| LUNA PLATINUM HTE | Données RT 2012 | 2.24 | 2.33 | |
| Type de générateur | • | Micro-accumulation | ||
| Type de chaudière | Condensation | |||
| Energie | Gaz naturel | |||
| Evacuation | Ventouse - Cheminée C13, C33, C43, C43P*, C53, C63, C83, B23, B23p, C93 | |||
| Plage de puissance | kW | 2,4-24 | 3,3-33 | |
| CHAUFFAGE | Puisance nominale chauffage 80/60 °C | kW | • | 20 |
| Puisance utile intermédiaire | kW | • | 6 | |
| Rendement charge mini et 30°C | % | 108,5 | ||
| Rendement charge 30 % et 30°C | % | • | 108 | |
| Rendement charge 100 % et 70°C | % | • | 97,7 | |
| Plage de température chauffage | °C | 25/80 | ||
| Puisance électricque des auxiliaires hors circulateur à Pmin | W | 15 | ||
| Puisance électricque des auxiliaires hors circulateur à Pn | W | • | 50 | |
| Type de circulator | • | vitesse variable et pression différentielle variable | ||
| Puisance circulator maxi | W | 70 | ||
| Puisance circulator mini | W | 35 | ||
| Puisance circulator RT 2012 | W | • | 53 | |
| Débit minimal | I/h | • | 0 | |
| Pertes à l'arrêt ΔT 30 | W | • | 35 | |
| Puisance électricque à charge nulle (veille) | W | • | 4,1 | |
| SITUATE | Puisance nominale sanitaire sur PCI | kW | 24 | |
| Débit spécifique à ΔT 30 | L/min | 12,1 | ||
| Classification EN 13203 | *** | |||
| Pressure acoustique à 1 m Pmin | dB(A) | 35,1 | 34,3 | |
| Poids | kg | 38,5 | 39,5 | |
Valeurs actualisées disponibles sur le site d'Uniclima: www.rt2012-chauffage.com
*Avec accessoire coude 3CEP page 287

FOURNITURES STANDARD
Chaudiere murale a condensation micro accumulée.
- Equipée d'une chambre de combustion et échangeur spirale en inox (316 L),
Modulation intégrale de la puissance entre 10 et 100% , - Tirage flux force et cheminée B.23,
- Fonctionnement uniquement au gaz naturel.
- Filtre chauffage intégré et visitable permét de protégé le corps de chauffe.
FONCTIONNEMENT EN CHAUFFAGE
Lors d'unuisage sanitaire supérieure a 2,5 l/mn,la vanne de priorite enclenche la circulation vers I'échangeur à plaques,la mise en marche du bruleur. La température de I'eau chaude est contrôlée (35 à 65^ )par 2 sondes CTN (chauffage et eau chaude)afin de garantir une parfaite stabilité de la température d'eau en agissant sur I'ouverture modulante continue de la vanne gaz.
DESCRIPTIF DU PRINCipe DE LA MICRO ACCUMULATION
Le système de gestion électronique de Luna Platinum HTE permet deMSNen température le système deproduction d'eau chaude durant lesperiodes deuisage.Le système peutetre modifie par l'utilisateur pourpasser en mode "eco".L'eau chaudearrive rapidement et atempératureconstante.
Scheme de principe

Fonctionnement au propane disponible au printemps 2013 (nous consultier).
1 Pompe avec séparateur d'air
2 Robinet de vidange chaudière
3 Manomètre
4 Soupape de sécurité hydraulique
5 Robinet de remplissage installation
6 Capteur de flux avec filtré et limiteur de débit
7 Capteur de priorite sanitaire
8 Sonde NTC sanitaire
9 Capteur de pression hydraulique
10 Vanne motorisée à trois voies
11 Soupape de non-retour
12 Echangeur sanitaire
13 Vanne gaz
14 Thermostat de sécurité
15 Sonde NTC chauffage
16 Sonde fumées
17 Raccord coaxial
18 Echangeur eau-fumées
19 Electrode d/allumage
20 Bruleur
21 Electrode de détention de flamme
22 Collecteur mélange air-gaz
23 Ventilateur
24 Venturi
25 Vase d'expansion
A Siphon avec évacuation des condensats
B Robinet départ eau de chauffage
C Sortie eau chaude sanitaire/Ballon
D Robinet entree GAZ
E Robinet entree eau froide sanitaire
F Robinet retour eau chauffage
MR: départ chauffage
US: entrée eau chaude sanitaire
GAS : entrée gaz dans la chaudière
ES: entrée eau froide sanitaire
RR: retour installation de chauffage
Caracteristique de la pompe de circulation basse consommation
La pompe modulante utilisée est de grande hauteur manometrique et convient sur n'importequel type d'installation de chauffage monotube ou bitube. Le dégazeur incorpore dans le corpsde la pompe permet une purge rapide de l'installation de chauffage.

Luna Platinum HTE
Dimensions



| Modèle | Référence | Prix € HT |
| Luna Platinum 2.24 HTE H | CLUP224HT | 2695 |
| Luna Platinum 2.24 HTE V | CLUP224HV | 2636 |
| Luna Platinum 2.33 HTE H | CLUP233HT | 3113 |
| Luna Platinum 2.33 HTE V | CLUP233HV | 3054 |
Solution
PMR
Chauffage et ECS
Mini-accumulation
Condensation
Puissance de 2,4 à 33 kW
AVANTAGES
PRODUIT
Plage de régulation de 10 à 100%
Pompe modulante
Régulation complète déportable
Affichage avec menu déroulant
Systeme Gaz Adaptive Control
Solaire compatible
Sonde extérieure de série


GAC
Contrôle permanent de la combustion et gestion de
la vanne gaz pour un rendement optimal

Régulation déportable Luna Platinum Max HTE
(voir options accessoires de régulation page 54)
Caracteristiques techniques
| LUNA PLATINUM HTE | Données RT 2012 | 2.28 | 2.33 | ||
| Type de générateur | • | Mini-accumulation | |||
| Type de chaudière | Condensation | ||||
| Energie | Gaz naturel | ||||
| Evacuation | Ventouse - Cheminée C13, C33, C43, C43P*, C53, C63, C83, B23, B23p, C93 | ||||
| Plage de puissance | kW | 2,8-28 | 3,3-33 | ||
| CHAUFFAGE | Puisance nominale chauffage 80/60 °C | kW | • | 24 | 28 |
| Puisance utile intermédiaire | kW | • | 7,2 | 8,4 | |
| Rendement charge mini et 30°C | % | 108,5 | 108,5 | ||
| Rendement charge 30 % et 30°C | % | • | 108 | 108 | |
| Rendement charge 100 % et 70°C | % | • | 97,6 | 97,6 | |
| Plage de température chauffage | °C | 25/80 | 25/80 | ||
| Puisance électricque des auxiliaires hors circulateur à Pmin | W | 15 | 15 | ||
| Puisance électricque des auxiliaires hors circulateur à Pn | W | • | 65 | 75 | |
| Type de circulator | • | vitesse variable et pression différentielle variable | |||
| Puisance circulator maxi | W | 70 | 70 | ||
| Puisance circulator mini | W | 35 | 35 | ||
| Puisance circulator RT 2012 | W | • | 53 | 53 | |
| Débit minimal | I/h | • | 0 | 0 | |
| Pertes à l'arrêt ΔT 30 | W | • | 35 | 40 | |
| Puisance électricque à charge nulle (veille) | W | • | 4,1 | 4,1 | |
| SANTÉ | Puisance nominale sanitaire sur PCI | kW | 28 | 33 | |
| Débit spécifique à ΔT 30 | L/min | 14,5 | 16,8 | ||
| Classification EN 13203 | *** | *** | |||
| Pression acoustique à 1 m Pmin | dB(A) | 33,7 | 34,3 | ||
| Poids | kg | 38,5 | 39,5 | ||
Valeurs actuisées disponibles sur le site d'Uniclima: www.rt2012-chauffage.com
*Avec accesaire coude 3CEP page 287

FOURNITURES STANDARD
- Chaudière murale à mini-accumulation.
- Equipée d'une chambre de combustion et échangeur spirale en inox (316 L),
Modulation intégrale de la puissance entre 10 et 100% , - Tirage flux force (FF) et cheminée B.23,
- Fonctionnement uniquement au gaz naturel.
FONCTIONNEMENT EN ECS
La chaudière dispose d'une réserve d'énergie primaire stockée dans le vase d'expansion, un système de priorité contrôle régulièrement la température de ce stockage par une vanne de priorité. Lors d'unuisage sanitaire, les vannes de priorité enclenchent la circulation sur le vase d'expansion et l'échangeur à plaques. La montée en température de l'eau chaude sanitaire se fait immédiatement (< 5 secondes).
La température de l'eau chaude est contrôlée par 2 sondes CTN (chauffage et eau chaude) afin de garantir une parfaite stabilité de la température d'eau en agissant sur l'ouverture modulante de la vanne gaz. La stabilité de température est maintainue constante en cas deuisages simultanés grâce à la capacité en eau du système.
Scheme de principe

Fonctionnement au propane disponible au printemps 2013 (nous consulter).
1 Pompe avec séparateur d'air
2 Robinet de vidange chaudière
3 Manomètre
4 Soupape de sécurité hydraulique
5 Robinet de replissage installation
6 Capteur de flux avec filtré et limiteur de débit
7 Capteur de priorite sanitaire
8 Sonde NTC sanitaire
9 Capteur de pression hydraulique
10 Vanne motorisée à trois voies
11 Soupape de non-retour
12 Echangeur sanitaire
13 Vanne gaz
14 Vase d'expansion
15 Thermostat de sécurité
16 Sonde NTC chauffage
17 Sonde fumées
18 Raccord coaxial
19 Echangeur eau-fumées
20 Electrode d'allumage
21 Bruleur
22 Electrode de détention de flamme
23 Collecteur mélange air-gaz
24 Ventilateur
25 Venturi
A Siphon avec évacuation des condensats
B Robinet départ eau de chauffage
C Sortie eau chaude sanitaire/Ballon
D Robinet entree GAZ
E Robinet entre eau froide sanitaire
F Robinet retour eau chauffage
US: entrée eau chaude sanitaire
GAS : entree gaz dans la chaudière
ES: entrée eau froide sanitaire
RR: retour installation de chauffage
de la pompe de circulation basse consommation
La pompe modulante utilisée est de grande hauteur manometrique et convient sur n'importequel type d'installation de chauffage monotube ou bitube. Le dégazeur incorpore dans le corpsde la pompe permet une purge rapide de l'installation de chauffage.

Luna Platinum Max HTE 2.28 / 2.33

Dimensions


| Modèle | Référence | Prix € HT |
| Luna Platinum Max 2.28 HTE H | CLUPM228HT | 3168 |
| Luna Platinum Max 2.28 HTE V | CLUPM228HV | 3109 |
| Luna Platinum Max 2.33 HTE H | CLUPM233HT | 3390 |
| Luna Platinum Max 2.33 HTE V | CLUPM233HV | 3331 |
Chauffage et ECS
Accumulation
Condensation
Puissance de 2,4 à 33 kW
Solution
PMR
AVANTAGES PRODUIT
Plage de régulation de 10 à 100%
Pompe modulante
Régulation complète déportable
Affichage avec menu déroulant
Systeme Gaz Adaptive Control
Solaire compatible
Sonde extérieure de série


GAC
Contrôle permanent de la combustion et gestion de la vanne gaz pour un rendement optimal

Luna Platinum Duo HTE
avec option récepteur 5 LED
Régulation déportable Luna Platinum Max HTE (voir options accessoires de régulation page 54)
Caracteristiques techniques
| INITIA PLUS DUO HTE | DonnéesRT 2012 | 3.24 | 3.33 | |
| Type de générateur | • | Accumulation | ||
| Type de chaudière | Condensation | |||
| Energie | Gaz naturel | |||
| Evacuation | Ventouse - Cheminée C13, C33, C43, C43P*, C53, C63, C83, B23, B23p, C93 | |||
| Plage de puissance | kW | 2,4-24 | 3,3-33 | |
| CHAUFFAGE | Puisance nominale chauffage 80/60 °C | kW | • | 20 |
| Puisance utile intermédiaire | kW | • | 6 | |
| Rendement charge mini et 30°C | % | 108,5 | ||
| Rendement charge 30 % et 30°C | % | • | 108 | |
| Rendement charge 100 % et 70°C | % | • | 97,7 | |
| Plage de température chauffage | °C | 25/80 | ||
| Puisance électrique des auxiliaires hors circulator à Pmin | W | 15 | ||
| Puisance électrique des auxiliaires hors circulator à Pn | W | • | 60 | |
| Type de circulator | • | vitesse variable et pression différentielle variable | ||
| Puisance circulator maxi | W | 70 | ||
| Puisance circulator mini | W | 35 | ||
| Puisance circulator RT 2012 | W | • | 53 | |
| Débit minimal | I/h | • | 0 | |
| Perfes à l'arrêt ΔT 30 | W | • | 58 | |
| Puisance électrique à charge nulle (veille) | W | • | 4,1 | |
| SANITAIÈRE | Puisance nominale sanitaire sur PCI | kW | 24 | |
| Débit spécifique à ΔT 30 | L/min | 16,6 | ||
| Classification EN 13203 | *** | |||
| Constante de refroidissement (justifiée) | Wh/K.l.24h | • | 0,78 | |
| Pertes à l'arrêt du gallon ΔT 45 | W | 64 | ||
| Temps de réchauffage | mn | 10 | ||
| Débit soutirable en 10 mn | 166 | |||
| Capacité de stockage | I | • | 40 | |
| Température maxi gallon | °C | • | 80 | |
| Hauteur relative serpentin | • | 0,7 | ||
| Hystérésis du gallon | • | 5 | ||
| N° Zone du thermostat | • | 1 | ||
| Pression acoustique à 1 m Pmin | dB(A) | 35,5 | 34,7 | |
| Poids | kg | 62 | 64 | |
Valeurs actualisées disponibles sur le site d'Uniclima: www.rt2012-chauffage.com - *Avec accessoire coude 3CEP page 287

FOURNITURES STANDARD
Chaudière à accumulation et
à condensation.
- Equipée d'une,chambre de combustion et échangeur spirale en inox (316 L),
Modulation intégrale de la puissance entre 10 et 100% , - Tirage flux force et cheminée type B.23.
- Fonctionnement uniquement au gaz naturel.
- Filtré chauffage intégré et visitable permét de protégér le corps de chauffe.
FONCTIONNEMENT EN ECS, MODELE LUNA PLATINUM Duo HTE
- Mise en température du gallon. La sonde CTN contrôle la température du gallon et assure la priorité au rechauffage de l'échangeur immergé (serpentin) par mise en service de la pompe chaudiage et basculement de la vanne 3 voies,
Le contrôle de température ECS est assure par 1 sonde sanitaire CTN.
Scheme de principe

Caracteristique de la pompe de circulation basse consommation
La pompe modulante utilisée est de grande hauteur manometrique et convient sur n'importe quel type d'installation de chauffage monotube ou bitube.
Le dégazeur incorpore dans le corps de la pompe permet une purge rapide de l'installation de chauffage.
Fonctionnement au propane disponible au printemps 2013 (nous consultier).

Luna Platinum Duo HTE 3.24 / 3.33
1 Vanne gaz
2 Manometre
3 By-pass automatique
4 Filtre retour chauffage
5 Pompe avec séparaféur d'air
6 Vase d'expansion ECS
7 Soupape de sécurité ECS (8 bars)
8 Regulateur de flux
9 Robinet de vidange balloon
0 Sonde balloon ECS
11 Balloon (45 litres)
12 Échangeur ECS balloon
13 Anode sacrificielle balloon
14 Robinet de replissage chaudière
15 Soupape de non-retour
16 Vase d'expansion
17 Sonde NTC fumées
18 Raccord coaxial
19 Echangeur eau-fumées
20 Electrode d/allumage
21 Bruleur
22 Collecteur mélange air-gaz
23 Électrode de détction de flamme
24 Thermostat de sécurité
25 Sonde NTC chauffage (dép./ret.)
26 Ventilateur
27 Venturi air/gaz
28 Pressostat hydraulique
29 Soupape de sécurité chauffage (3 bars)
30 Vanne motorisée à trois voies
31 Robinet de vidange chaudiere
A Sortie eau chaude sanitaire/Ballon
B Robinet entree eau froide sanitaire
C Siphon avec évacuation des condensats
D Retour eau de chauffage
E Départ eau de chauffage
F Robinet entree GAZ
MR: départ chauffage
US: sortie eau chaude sanitaire
GR: entrée gaz dans la chaudière
ES: entrée eau froide sanitaire
RR: retour installation de chauffage
Dimensions


| Modèle | Référence | Prix € HT |
| Luna Platinum Duo 3.24 HTE H | CLUP324HT | 3630 |
| Luna Platinum Duo 3.24 HTE V | CLUP324HV | 3571 |
| Luna Platinum Duo 3.33 HTE H | CLUP333HT | 3925 |
| Luna Platinum Duo 3.33 HTE V | CLUP333HV | 3866 |

Accessoires de régulation INITIA PLUS HTE/LUNA PLATINUM
Interface de commande filaire Luna Platinum HTE
Interface 3 LED chaudière pour raccordement filaire de la régulation Luna Platinum en sonde d'ambiance.
| Désignation | Référence | Prix € HT |
| Récepteur 3 LED et support mural Luna Platinum HTE | C7108482 | 50 |




Interface de commande sans fil Luna Platinum HTE
Interface 5 LED chaudiere pour raccordement sans fil de la regulation Luna Platinum en sonde d'ambiance.
| Désignation | Référence | Prix € HT |
| Récepteur 5 LED et support mural Luna Platinum HTE | C7108484 | 140 |





Sonde d'ambiance

Sonde d'ambiance programmable
| Désignation | Référence | Prix € HT |
| Sonde d'ambiance | C7108526 | 90 |
| Sonde d'ambiance sans fil | C7108527 | 110 |
| Sonde d'ambiance programmable | C7108528 | 120 |
| Sonde d'ambiance programmable sans fil | C7108529 | 140 |
| Récepteur 5 LED intégrable pour accessoire sans fil | C7108484 | 140 |
| Récepteur 5 LED pose murale pour accessoire sans fil | C7102343 | 110 |
Sonde extérieure Luna Platinum HTE et Initia Plus HTE
| Désignation | Référence | Prix € HT |
| Sonde extérieure | C7104873 | 37 |
| Sonde extérieure sans fil | C7103027 | 175 |
Accessoires pour raccordement chauffe-eau solaire individuel Luna Platinum 1.12/1.24/1.28 HTE
| Désignation | Référence | Prix € HT |
| Kit sonde solaire | C12000022 | 57 |
| Câble de connection chaudière / pompe solaire | C01400513 | 21 |
Sonde sanitaire pour ballon extérieur Luna Platinum HTE et Initia Plus HTE 1.12/1.24/1.28 HTE
| Désignation | Référence | Prix € HT |
| Sonde sanitaire | C14076810 | 23 |
Accessoires d'installation
Luna Platinum HTE et Initia Plus HTE
| Désignation | Référence | Prix € HT |
| Kit de remplacement Chaffoteaux Celtic | C7108754 | 82 |
| Kit de remplacement Chaffoteaux Nectra | C7108871 | 82 |
| Kit de remplacement ELM | C7108755 | 82 |
| Kit de remplacement SD | C7108753 | 82 |
| Kit de remplacement universal | C14058810 | 90 |
| Cadre écarteur avec douilles chaudières DUO | C14088010 | 95 |
| Cadre écarteur avec douilles chaudières mixtes | C7107769 | 72 |
| Connection hydraulique pourallon PIM sol | C7108756 | 30 |
| Connection hydraulique pourallon PIM Murale | C7108872 | 30 |
| Kit de replissage installation | C7108832 | 42 |
| Kit solaire thermostatique pour chaudières mixtes (Standard et compact) | C7107925 | 185 |
Initia Plus Compact HTE
| Désignation | Référence | Prix € HT |
| Kit de remplacement Initia Plus Compact / Chaffoteaux Nectra | C7107881 | 82 |
| Kit de remplacement Initia Plus Compact / Chaffoteaux Celtic | C7107880 | 96 |
| Kit de remplacement Initia Plus Compact / ELM | C7107883 | 96 |
| Kit de remplacement Initia Plus Compact / SD | C7107845 | 96 |
| Câche robinetterie Initia Plus Compact | C7110044 | 62 |
| Cadre écarteur Initia Plus Compact avec douilles | C7107844 | 72 |
Luna Platinum HTE
| Désignation | Référence | Prix € HT |
| Module partage Platinum 1 zone HT + 1 zone BT | C7104770 | 1 210 |
| Module partage Platinum 1 zone HT + 2 zones BT | C7104769 | 1 710 |
| Habillage pour module partage | C71098820 | 215 |
Accessoires de régulation INITIA PLUS HTE/LUNA PLATINUM
Guide deCHOIX accessoires de regulation Initia Plus HTE
| Configuration de l'installation | Accessoires de régulation à commander en option | |||||||||
| Circuit 1 | Circuit 2 | Sondes d'ambiance | Récepteur 5 led | Sonde extérieur | ||||||
| Sonde d'ambiance | Sonde d'ambiance | Sondes sans fil | Sondes filaires | Sans fil | Filaire | |||||
| CircuitHydraulique | Filaire | Sans fil | Filaire | Sans fil | Sonde d'ambiance C7108527 | Sonde d'ambiance programmable C7108529 | Sonde d'ambiance C7108526 | Récepteur 5 LED pose murale pour sonde sans fil C7108528 | OU C7104873 | C7103027 |
| 1 circuitdirect | X | - | - | - | 1 sonde d'ambiance filaire au choix | 1 sonde sans fil + 1 récepteur 5 LED (C7102343) pose murale | 1 sonde filaire | |||
| - | X | - | - | 1 sonde d'ambiance sans fil au choix | 1 récepteur 5 LED pose murale | 1 sonde sans fil | ||||
| 1 circuitdirect+ 1 circuit Vanne 3 Voies | X | - | X | - | 2 sondes d'ambiance filaire au choix | 1 sonde sans fil + 1 récepteur 5 LED (C7102343) pose murale | 1 sonde filaire | |||
| X | - | - | X | 1 sonde d'ambiance sans fil au choix | 1 sonde d'ambiance filaire au choix | 1 récepteur 5 LED pose murale | 1 sonde sans fil | |||
| - | X | - | X | 2 sondes d'ambiance sans fil au choix | 1 récepteur 5 LED pose murale | 1 sonde sans fil | ||||
Guide deCHOIX accessoires de regulation Luna Platinum HTE
| Configuration de l'installation | Accessoires de régulation à commander en option | |||||||||||
| Circuit 1 | Circuit 2 | Sondes d'ambiance | Récepteur 3 et 5 LED | Sonde extérieure | ||||||||
| Sonde d'ambiance | Sonde d'ambiance | Sondes sans fil | Sondes filaires | Sans fil | ||||||||
| Circuits de chaudiage | Boitier de régulation | Filaire | Sans fil | Filaire | Sans fil | Sonde d'ambiance programmable C7108527 | Sonde d'ambiance programmable C7108529 | Sonde d'ambiance programmable C7108526 | Récepteur 3 LED intégrable + support C7108482 | Récepteur 5 LED intégrable + support C7108484 | Récepteur 5 LED pose murale pour sonde sans fil C7102343 | OUIncluse dans fourniture standard |
| 1 circuit direct | Sur chaudière | X | - | - | - | 1 sonde d'ambiance filaire au choix | 1 sonde sans fil + 1 récepteur 5 LED (C7102343) pose murale | |||||
| - | X | - | - | 1 sonde d'ambiance sans fil au choix | 1 récepteur 5 LED pose murale C7102343 | 1 sonde sans fil | ||||||
| En ambiance | X | 1 récepteur 3 LED intégrable C7108482 | 1 sonde sans fil + 1 module RF 5 LED (C7102343) pose murale | |||||||||
| - | X | - | - | 1 récepteur 5 LED intégrable C7108484 | 1 sonde sans fil | |||||||
| 1 circuit direct+ 1 circuit Vanne 3 voies | Sur chaudière | X | - | X | - | 2 sondes d'ambiance filaire au choix | 1 sonde sans fil + 1 récepteur 5 LED (C7102343) pose murale | |||||
| X | - | - | X | 1 sonde d'ambiance sans fil au choix | 1 sonde d'ambiance filaire au choix | 1 récepteur 5 LED pose murale C7102343 | 1 sonde sans fil | |||||
| - | X | - | X | 2 sondes d'ambiance sans fil au choix | 1 récepteur 5 LED pose murale C7102343 | 1 sonde sans fil | ||||||
| En ambiance | X | - | X | - | 1 sonde d'ambiance filaire au choix | 1 récepteur 3 LED intégrable C7108482 | 1 sonde sans fil + 1 récepteur 5 LED (C7102343) pose murale | |||||
| - | X | X | - | 1 sonde d'ambiance filaire au choix | 1 récepteur 5 LED intégrable C7108484 | 1 sonde sans fil | ||||||
| - | X | - | X | 1 sonde d'ambiance filaire au choix | 1 récepteur 5 LED intégrable C7108484 | 1 sonde sans fil | ||||||
| CODE | DÉSIGNATION | COMPOSANT CORPS CHAUDière | BARRETTE ROBINETTERIE | COUDE CONCENTRIQUE 90° | TERMINAL CONCENTRIQUE | ROSACE | ADAPTATEUR SORTTE VERTICALE 80/125 | DOUILLES INSTALLATION NEUVE | SONDEEXTérieURE | |||
| CLUP112HT | Luna Platinum 1.12 HTE H | C71088090 | C7108578 | C14059710 | C14059610 | C14017710 | C7104873 | |||||
| CLUP112HV | Luna Platinum 1.12 HTE V | C71088090 | C7108578 | CFF000019 | C7104873 | |||||||
| CLUP124HT | Luna Platinum 1.24 HTE H | C71088110 | C7108578 | C14059710 | C14059610 | C14017710 | C7104873 | |||||
| CLUP124HV | Luna Platinum 1.24 HTE V | C71088110 | C7108578 | CFF000019 | C7104873 | |||||||
| CLUP128HT | Luna Platinum 1.28 HTE H | C71088130 | C7108578 | C14059710 | C14059610 | C14017710 | C7104873 | |||||
| CLUP128HV | Luna Platinum 1.28 HTE V | C710881530 | C7108578 | CFF000019 | C7104873 | |||||||
| CLUP224HT | Luna Platinum 2.24 HTE H | C71087940 | C7107716 | C14059710 | C14059610 | C14017710 | C7108531 | C7104873 | ||||
| CLUP224HV | Luna Platinum 2.24 HTE V | C71087940 | C7107716 | CFF000019 | C7108531 | C7104873 | ||||||
| CLUP233HT | Luna Platinum 2.33 HTE H | C71087960 | C7107716 | C14059710 | C14059610 | C14017710 | C7108531 | C7104873 | ||||
| CLUP233HV | Luna Platinum 2.33 HTE V | C71087960 | C7107716 | CFF000019 | C7108531 | C7104873 | ||||||
| CLUPM228HT | Luna Platinum Max 2.28 HTE H | C71088030 | C7107716 | C14059710 | C14059610 | C14017710 | C7108531 | C7104873 | ||||
| CLUPM228HV | Luna Platinum Max 2.28 HTE V | C71088030 | C7107716 | CFF000019 | C7108531 | C7104873 | ||||||
| CLUPM233HT | Luna Platinum Max 2.33 HTE H | C71088060 | C7107716 | C14059710 | C14059610 | C14017710 | C7108531 | C7104873 | ||||
| CLUPM233HV | Luna Platinum Max 2.33 HTE V | C71088060 | C7107716 | CFF000019 | C7108531 | C7104873 | ||||||
| CLUP324HT | Luna Platinum Duo 3.24 HTE H | C71087980 | C14073711 | C14059710 | C14059610 | C14017710 | C7104873 | |||||
| CLUP324HV | Luna Platinum Duo 3.24 HTE V | C71087980 | C14073711 | CFF000019 | C7104873 | |||||||
| CLUP333HT | Luna Platinum Duo 3.33 HTE H | C71088000 | C14073711 | C14059710 | C14059610 | C14017710 | C7104873 | |||||
| CLUP333HV | Luna Platinum Duo 3.33 HTE V | C71088000 | C14073711 | CFF000019 | C7104873 | |||||||
| C1PL112HT | Initia Plus 1.12 HTE H | C71083570 | C7108578 | C14059710 | C14059610 | C14017710 | ||||||
| C1PL112HV | Initia Plus 1.12 HTE V | C71083570 | C7108578 | CFF000019 | ||||||||
| C1PL124HT | Initia Plus 1.24 HTE H | C71083580 | C7108578 | C14059710 | C14059610 | C14017710 | ||||||
| C1PL124HV | Initia Plus 1.24 HTE V | C71083580 | C7108578 | CFF000019 | ||||||||
| C1PL128HT | Initia Plus 1.28 HTE H | C71083590 | C7108578 | C14059710 | C14059610 | C14017710 | ||||||
| C1PL128HV | Initia Plus 1.28 HTE V | C71083590 | C7108578 | CFF000019 | ||||||||
| C1PL224HT | Initia Plus 2.24 HTE H | C71080490 | C7107716 | C14059710 | C14059610 | C14017710 | C7108531 | |||||
| C1PL224HV | Initia Plus 2.24 HTE V | C71080490 | C7107716 | CFF000019 | C7108531 | |||||||
| C1PL233HT | Initia Plus 2.33 HTE H | C71083600 | C7107716 | C14059710 | C14059610 | C14017710 | C7108531 | |||||
| C1PL233HV | Initia Plus 2.33 HTE V | C71083600 | C7107716 | CFF000019 | C7108531 | |||||||
| C1PLM224HT | Initia Plus Max 2.24 HTE H | C71083990 | C7107716 | C14059710 | C14059610 | C14017710 | C7108531 | |||||
| C1PLM224HV | Initia Plus Max 2.24 HTE V | C71083990 | C7107716 | CFF000019 | C7108531 | |||||||
| C1PLM228HT | Initia Plus Max 2.28 HTE H | C71080500 | C7107716 | C14059710 | C14059610 | C14017710 | C7108531 | |||||
| C1PLM228HV | Initia Plus Max 2.28 HTE V | C71080500 | C7107716 | CFF000019 | C7108531 | |||||||
| C1PLM233HT | Initia Plus Max 2.33 HTE H | C71084010 | C7107716 | C14059710 | C14059610 | C14017710 | C7108531 | |||||
| C1PLM233HV | Initia Plus Max 2.33 HTE V | C71084010 | C7107716 | CFF000019 | C7108531 | |||||||
| C1PL324HT | Initia Plus Duo 3.24 HTE H | C71086250 | C14073711 | C14059710 | C14059610 | C14017710 | ||||||
| C1PL324HV | Initia Plus Duo 3.24 HTE V | C71086250 | C14073711 | CFF000019 | ||||||||
| C1PL333HT | Initia Plus Duo 3.33 HTE H | C71086320 | C14073711 | C14059710 | C14059610 | C14017710 | ||||||
| C1PL333HV | Initia Plus Duo 3.33 HTE V | C71086320 | C14073711 | CFF000019 | ||||||||
| C1PLC224HT | Initia Plus Compact 2.24 HTE H | C71080540 | C7103752 | C14059710 | C14059610 | C14017710 | C7107843 | |||||
| C1PLC224HV | Initia Plus Compact 2.24 HTE V | C71080540 | C7103752 | CFF000019 | C7107843 | |||||||
| C1PLC233HT | Initia Plus Compact 2.33 HTE H | C71080550 | C7103752 | C14059710 | C14059610 | C14017710 | C7107843 | |||||
| C1PLC233HV | Initia Plus Compact 2.33 HTE V | C71080550 | C7103752 | CFF000019 | C7107843 | |||||||
Notice Facile