F 105 R - Verwarming Jøtul - Gratis gebruiksaanwijzing en handleiding

Vind de handleiding van het apparaat gratis F 105 R Jøtul in PDF-formaat.

📄 100 pagina's Nederlands NL 💬 AI-vraag
Notice Jøtul F 105 R - page 12
Bekijk de handleiding : Français FR Deutsch DE Italiano IT Nederlands NL

Gebruikersvragen over F 105 R Jøtul

0 vraag over dit apparaat. Beantwoord die u kent of stel uw eigen vraag.

Stel een nieuwe vraag over dit apparaat

L'email reste privé : il sert seulement à vous prévenir si quelqu'un répond à votre question.

Nog geen vragen. Stel de eerste vraag.

Download de handleiding voor uw Verwarming in PDF-formaat gratis! Vind uw handleiding F 105 R - Jøtul en neem uw elektronisch apparaat weer in handen. Op deze pagina staan alle documenten die nodig zijn voor het gebruik van uw apparaat. F 105 R van het merk Jøtul.

GEBRUIKSAANWIJZING F 105 R Jøtul

1.0 Technische gegevens 3
2.0 Wettelijk voorschriften 3
3.0 Veiligheid 4
4.0 Installatie 12
5.0 Dagelijks gehruik
6.0 Onderhoud
7.0 Groot onderhoud 21
8.0 Optionele extra's
9.0 Recycling
10.0 Garantie 24

Registreer uw haard op jotul.com met het oog op de garantie van 25aar.

Jøtul F 105 R - 1

Al once producten zijn voorzien van een label met een serialnummer en een jaartal. Noteer dit nummer op de waarvoort bestemde plaats, zoals aangegeven in de installment-instructies.

Houd dit serialummer bij de hand als u contact opneem met uw leverancier of met Jatul.

Serial no.

1.0 Wettelijk voorschriften

  • Een haard moet in overeenstemming met de in uw land geldende wet- en regelgeving worden geinstalleerd. Bij het installereren van de producten要去en alle lokale voorschriften met betrekking tot nationale en Europese normen worden nageleefd.
  • De installmentie kan pas in gebruik worden genomen nadat deze door een gekwalifi ceerde technicus is gecontroleerd.
  • Neem contact op met deplaatselijke bouwtoezichtinstanties
    20 voordat u een neue haard installeert.

2ookuitlaat: Bovenkant, achterzijde

Afmeting kachelpiip: 0125 mm

4 Externe luchttaansluiting: 80 mm

Productgewicht:

Verbrandingskamer met lange poten: 97 kg

Verbrandingskamer met korte poten: 94 kg

Verbrandingskamer met basis: 107 kg

Spekstenen bovenplaat 14,5 kg

Optionele extra's

Asrand, spekstenen

bovenplaat, externe

luchtansluiting,

convectieplaat

Productafmetingen, afstanden: Zie afb.1

Schoorsteentrek, EN 13240: 12 Pa

Aanbevolen negatieve druk in rookkanaal: 14-16 Pa

Efficientre: 83%@5,2kW

CO-uitstoot (13%) O2): 0,09%

CO-uitstoot (13% O_2) 1101 mg/Nm³

NOx bij 13% O_2 99 mg/Nm

OGC @ 13% O₂: 76 mg/Nm³

Emissie van deeltjes NS 3059: 2,7 g/kg

Luchtverbruik: 3,4 liter/sec of 12.2m^3/h

Schoorsteentemperatuar, EN 13240: 231 °C

Temperatuur in rookkanaal: 277°C

Stof: <7 mg/Nm ^3 @13%O _2

Type brandstof: Hout

Max. lengte van blokken: 33 cm

Brandstofverbruik: 1,51 kg/u

Max. hoeveelheid aanmaakhout: 2,0 kg

Nominale hoeveelheid aanmaakhout: 1,1 kg

Bedrijf: Cyclisch

Cyclische verbranding betekent in deze context normalaig gebruik van een haard, d.w.z. dat u meer brandstof moet toevoegen als het vuur tot sintels is verbrand.

NEDERLANDS

3.0 Veiligheid

NB! Om optimale prestaties en veiligheid te garanderen, raadt Jotul aan haar kachels te lien monteren door een gekwalizi ceerd installerateur (zie www.jotul.com voor een volledige dealerlijk).

Aanpassingen aan het product door de distributeur, installerateur of consument+kennen ertoe leiden dat het product en de beveiligingen Nietaar behoren functioneren.Hetzelfde geldt voor de installmentie vaniet Door Jotul geverde accessoires of optionele extra's.Dit kan ook het geval+zijn indien essentièle onderdelen voor het functioneren en de verilgheid van de haard gedemonteerd of verwijderd worden.

In al deze gevallen is de fabrikant Niet verantwoordelijk of aansprakelijk voor het product en hetrecht op reclamatie komt hierdoor te verrallen.

Let op! Bepaalde onderdelen van de kachel, met name de externe oppervlakken, worden erg heetijdens de verbranding! Wees utermate voorzichtig!

3.1 Maatregelen op het gebied van brandpreventie

Elk gebruik van de haard brengt een zeker risico met zich mee.
Neem waarom de volgende instructies nauwkeurig in acht:

  • De minimale veiligheidsafstanden tijdens het gebruik van de haard+zijn weergegeven in afb.1.De specifieke afstand tot brandbare materialien behoort tot deze kachel.
  • De afstand van de rookgasafvoer tot brandbare materialen要去 ook gecontroleerd worden
  • Zorg ervoor dat er geen meubels of andere brandbare materialen te zich bij de haard staan. Brandbare materialen mogen nooit binnen 900mm afstand van de haard geplaatst worden.
  • Laat het vuur vanzelf uitgaan. Blus het vuur nooit met water.
  • De haard wordenijdens gelebruik warm en kan bij aanraking brandwonden veroorzaken.
  • Verwijder de as Niet voordat de haard koud is. De as kan smeulende resten bevatten en moet waarom in een onbrandbare bak worden bewaard.
  • De as moet maar buiten worden afgevoerd of worden weggegooid op een plek waar geen brandgevaar bestaat.

Bij brand in de schoorsteen

  • Sluit alle luiken en ventilatieopengen.
  • Houd de deur van de vlamkast gesloten.
  • Controller of er rook is op zolder en in de kelder.
  • Bel de brandweer.
  • Voordat u de haard opniew in gebruik neemt na een brand,要去en deskundige de haard en de schoorsteen controlleren om na te gaan of deze goed werk.

Stalen schoorsteen

Als een aan de bovenkant gemonteerde stalen schoorsteen worden gezrukt, moet er een Niet-geïsoleerde pijp geplaatst worden van de verbrandingskamer tot ongeveer 10 mm over het toprooster. Zorg ervoor dat de pakking juist gespositioneerd is:tussen de kachelijp en de rookuitlaat. Bevestig daarna de stalen schoorsteen volgens de installment-instructies van de schoorsteenleverancier.

3.2 Vloer

Fundering

Controller of de fundering geschikt is om een haard te dragen. Zie "2.0 Technische gegevens" voor het gespecifieerde gewicht.

Wij raden aan om vloeren die Niet aan de fundering+zijn bevestigd (zgn. "zwevende vloeren")uit het installmentiegebied te verwijderen.

Jotul F 105 SL (met korte poten)

De Jotul F 105 SL kan uitsluitend geinstalleerd worden op vloeren met een ondergrond en structuur van onbrandbaar materiaal. Dit geldt ook als het product op een vloerplaat geplaatst worden.

Let op! Het onbrandbare gebied moet zich ten minste tot 500 mm voor de kachel uitstrekken.

Let op! Wij raden het gebruik van vloerverwarming (met water of elektrisch) in dit gebied af.

Eisen met betrekking tot het beschermen van een houten vloer onder de haard

Het is de functie van een vloerplaat om de vloer en brandbare materialen te beschermen gegen gloeiend hout. De voorplaat要去 aan nationale wet- en regelgeving voldoen.

Neem contact op met deplaatselijke bouwtoezichtinstanties voor informatie over beperkingen en installmentvereisten.

De Jotul F 105 op poten moet een vloerplaat onder en voor hebben volgens nationale wetgeving en regelgeving. NB! De ruimte onder de verbrandingskamer van de Jotul F 105 op poten mag Niet gebruikt worden voor opslag. Haal vloerbedekkingen van brandbaar materiaal, zoals linoleum, tapijt enz. onder het product weg.

Eisen met betrekking tot het beschermen van brandbare vloeren voor de haard

De voorplaat要去 aan nationale wet- en regelgeving voldoen. Neem contact op met de plaatselijke bouwtoezichtinstanties voor informatie over beperkingen en installmentievereisten.

3.3 Muren

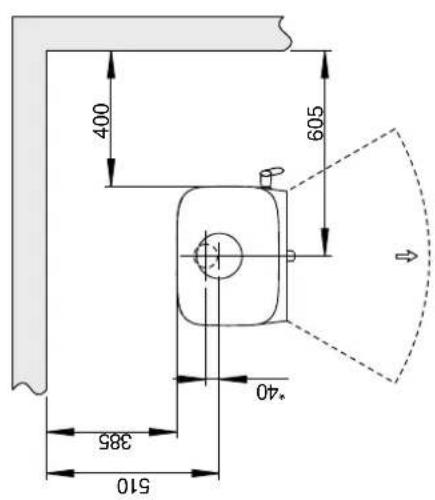
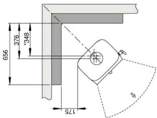
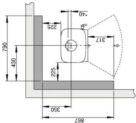
Afstand tot muren van brandhaar materiaal - zie afb. 1b.

Minimale afstand tot brandbare muur beschermd door brandmuur - zie afb. 1c.

De haard mag worden gebruikt met een nicht-geisoleerde kachelpijp op voorwaarde dat de afstanden:tussen de haard en de muren van brandbare materialien overeenkomen met de gevevens uit afb.1b.

Let op! Plaats het product dusdanig dat het möglichk is de kachel, de kachelpijp en de schoorsteendoorgang schoon te make.

Let op! Zorg ervoor dat meubilair en andere huishoudartikelen nicht zo dicht bij de kachel staan dat ze können uitdrogen.

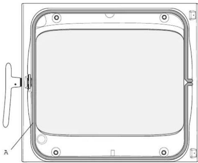
Jøtul F 105 R - Muren - 1
Fig 1

Jøtul F 105 R - Muren - 2

Jøtul F 105 R - Muren - 3
Jotul F 105 R Minimale afstand tot brandbare muur
Afb. 1 b

Jøtul F 105 R - Muren - 4

Jøtul F 105 R - Muren - 5

Jøtul F 105 R - Muren - 6
Brandbare muur

Jøtul F 105 R - Muren - 7
* Externe luchtaansluiting
*** Afstand tot brandbare muur met halfgeisoleerde/afgeschermde kachelpijp (isolatie min.30 mm)

Jøtul F 105 R - Muren - 8
Afb. 1 c Jotul F 105 R Minimale afstand tot brandbare muur beschermd door brandmuur
External

Jøtul F 105 R - Muren - 9

Jøtul F 105 R - Muren - 10

Jøtul F 105 R - Muren - 11

Jøtul F 105 R - Muren - 12

Jøtul F 105 R - Muren - 13
Geintegreerd

Jøtul F 105 R - Muren - 14
900200-P00
* Externe luchtansluiting

Jøtul F 105 R - Muren - 1

Jøtul F 105 R - Muren - 2

Jøtul F 105 R - Muren - 3
Jotul F 105 Minimale afstand tot brandbare muur
Afb. 1 e
Kachelpijp midden

Externe luchtaansluiting
midden
(1) (2) (3) (4)
elpijp midden
Jøtul F 105 R - Muren - 4
* Externe luchtansluiting
*** Afstand tot brandbare muur met halfgeisoleerde/afgeschermde kachelpijp (isolatie min.30 mm)

Jøtul F 105 R - Muren - 5
Brandbare muur
900181-P01

Jøtul F 105 R - Muren - 6
Afb. 1 f Jotul F 105 Minimale afstand tot brandbare muur beschermd door brandmuur

NEDERLANDS

Toevoer van frisse lucht

De lustcht die gebruikt worden voor verbranding in een goed geisoleerd huis moet worden ververst. Dit is met name van belang voor huizen met mechanische ventilatie. Deze luchtverversing kan op een aantal manieren worden bereikt. Het belangrijkste is dat er lustcht worden aangevoerd waar de ruimte waar de kachel geplaatst is. Plaats de klep in de buitenmuur zo zich mogelijk bij de kachel en zorg ervoor dat deze gesloten kan worden als de kachel Niet gebruikt worden.

Volg de nationale en lokale bouwvoorschriften voor het aansluiten van de toevoer van frisse lucht.

Gesloten verbrandingssysteme

Gebruik het gesloten verbrandingsysteme van de kachel als u in een recent gebouwde, luchtdichte woning woont. Sluit de externe verbrandingslucht aan via een ventilatiepijp door de muur of de vloer.

Luchttoevoer

De hoeveelheid verbrandingslucht voor Jotul-producten is ongeveer 20 - 40m^3 /h . De externe luchtansluiting kan direct op de Jotul F 105 worden aangesloten door middel van:

  • de bodem
  • door een fl exibele toevoerslang van buitenaf/schoorsteen (alleen als de schoorsteen een eigén kanaal heeft voor externe lucht) op de externe luchtaansluiting van het product.

Jøtul F 105 R - Luchttoevoer - 1
Afb. 2A, via een buitenmuur

Jøtul F 105 R - Luchttoevoer - 2
Afb. 2B, via de vloer en grondplaat

Jøtul F 105 R - Luchttoevoer - 3
Afb. 2C, via de vloer en kelder

Jøtul F 105 R - Luchttoevoer - 4
Afb. 2D, indirect via een buitenmuur

4.0 Installatie

NB: Controller voordat u met de installmentie begint of de haard onbeschadigd is.

NB: Het product is zwaar! Zorg voor hulp bij hetplaatsen en installereren.
De verbrandingskamer is zwaar. Zorg dat het product niets kantelt.

NB: Zet niets op de bovenplaat van de kachel, aangezien dit de verf/het email permanent kan beschadigen.

NB: Lees de installation- en bedieningsinstrumenties aandachtig door voordat u de haardplaatst!

4.1 Voorbereidingen voor de Jootul F 105 met lange poten

Jøtul F 105 R - Voorbereidingen voor de Jootul F 105 met lange poten - 1
Afb. 3

  1. Verwijder de twee transportschroeven (A) waarme de kachel is vastgezet op de houten pallet.
  2. Laat de kachel op de transportpallet staan.
  3. Haal de handschoenen, zak met schroeven, exter luchttaansluiting en adapter uit de verbrandingskamer.
  4. Controller of bedieningshendel (B) makkelijk beweegt.

Jøtul F 105 R - Voorbereidingen voor de Jootul F 105 met lange poten - 2
Afb. 4

  1. Til de kachel van de pallet.
  2. Zet de kachel neer en stel de horizontale positie met behulp van een dopsoleutel en de 4 stelschroeven af. Teken de positie op de muur af als er gebruik worden gemaakt van een acheteruitlaat voor de kachelpijp en de externe luchttoevoer. Let op! Houd rekening met de hoogte van de vloerplaat.

Goedkeuringsetaket

Jøtul F 105 R - Goedkeuringsetaket - 1
Afb.5

  1. Haal het goedkeuringsetiket (A)uit de verbrandingskamer en schroef het met de schroef (B) vast, zoals weergegeven. Haal de schroef aan met behulp van een dopsleutel. Let op! Kort de draad waarmee het etiket worden bevestigd Niet in.

NEDERLANDS

4.2 Voorbereidingen voor de Jcotul F 105 SL met korte poten

De Jotul F 105 SL (met korte poten) kan uitsuitend geinstalleerd worden op vloeren met een ondergrond en structuur van onbrandbaar materiaal. Dit geldt ook als het product op een vloerplaat geplaatst worden.

Let op! Het onbrandbare gebied moet zich ten minste tot 500 mm voor de kacheluitstrekken.

Let op! Wij raden het gebruik van vloerverwarming (met water of elektrisch) in dit gebied af.

Jøtul F 105 R - Voorbereidingen voor de Jcotul F 105 SL met korte poten - 1
Afb.6

  1. Verwijder de twee transportschroeven (A) waarmee de kachel is vastgezet op de houten pallet.
  2. Laat de kachel op de transporte pallet staan.
  3. Haal de handschoenen, keerplaat, zak met schroeven, externeluchtaansluiting enadapteruiitverbrandingskamer.
  4. Controller of de bedieningshendel (B) makkelijk beweegt.

Jøtul F 105 R - Voorbereidingen voor de Jcotul F 105 SL met korte poten - 2
Afb. 7

  1. Til de kachel van de pallet.
  2. Zet de kachel neer en stel de horizontale positie met behulp van een dopsoleutel en de 4 stelschroeven af. Teken de positie op de muur af als er gebruik worden gemaakt van een achteruitlaat voor de kachelpijp en de externe luchttoevoer. Let op! Houd rekening met de hoogte van de vloerplaat.

Goedkeuringsetaket

Jøtul F 105 R - Goedkeuringsetaket - 1
Afb. 8

  1. Haal het goedkeuringsetiket (A)uit de verbrandingskamer en schroef het met de schroef (B) vast, zoals weergegeven. Haal de schroef aan met behulp van een dopsoleutel. Let op! Kort de draad waarme het etiket worden bevestigd Niet in.

4.3 Voorbereidingen voor de Jcotul F 105 met basis

Jøtul F 105 R - Voorbereidingen voor de Jcotul F 105 met basis - 1
Afb.9

  1. Haal de handschoenen, keerplaat, zak met schroeven, externeluchtaansluitingenadapteruiitdeverbrandingskamer.
  2. Haal de schroef midden op de achterkant van de zijplaat los.
  3. Verwijder de zijplaat (C).
  4. Verwijder de transportschroef (D) waarme de kachel is vastgezet op de houten pallet.
  5. Controller of bedieningshendel (A) makkelijk beweegt.
  6. Til de kachel van de pallet en zet de kachel neer (zie afb.1).

Jøtul F 105 R - Voorbereidingen voor de Jcotul F 105 met basis - 2
Afb. 10

  1. Til de kachel van de pallet.
  2. Zet de kachel neer en stel de horizontale positie met behulp van de 4 stelschroeven af. Gebruik de zeskantsleutel in de zak met schroeven. Teken de positie op de muur af als er gebruik worden gemaakt van een achteruitlaat voor de kachelpijp en de externe luchttoevoer.
  3. Let op! Houd rekening met de hoogte van de vloerplaat.

Goedkeuringsetiket

Jøtul F 105 R - Goedkeuringsetiket - 1
Afb. 11

  1. Haal het goedkeuringsetiket (A)uit de verbrandingskamer en schroef het met de schroef (B) vast, zoals weergegeven. Haal de schroef aan met behulp van een dopsleutel. Let op! Kort de draad waarmee het etiket worden bevestigd Niet in.

NEDERLANDS

External luchttoevoer door de vloer

Afb. 12
Jøtul F 105 R - External luchttoevoer door de vloer - 1
1. Bevestig de adapter (A) aan de onderkant van de verbrandingskamer met behulp van de bijgeleverde schroeven (B) (Vooraf gemonteerd Jotul F 105 B).

Afb. 13
Jøtul F 105 R - External luchttoevoer door de vloer - 2
2. Bevestig de externe luchtaansluiting (A) aan de adapter door de twee schroeven (B) in het spoor teplaatsen en met de moeren (C) aan te halen.

External luchttoevoer via een achteruitlaat

Afb. 14
Jøtul F 105 R - External luchttoevoer via een achteruitlaat - 1
1. Bevestig de adapter (A) aan de verbrandingskamer met behulp van de twee bijgeleverde schroeven (B) (Vooraf gemonteerd Jotul F 105 B).

Afb. 15
Jøtul F 105 R - External luchttoevoer via een achteruitlaat - 2
2. Bevestig de externe luchtaansluiting (A) aan de adapter door de twee schroeven (B) in het spoor teplaatsen en met de moeren (C) aan te halen.

External lucchaansluiting via de basis Via een acheteruitlaat

Afb. 16
Jøtul F 105 R - External lucchaansluiting via de basis Via een acheteruitlaat - 1
3. Voor het bevestigen van een 80 inlaatkanaal voor frisse lucht (optionele uitrusting - articelnr. 51047509), zich de handleiding (articelnr. 10047508) bij de externe luchtansluiting. Sluit de slang met een slangklem op de externe luchtansluiting aan. De isolatie van de externe luchtslang eindigt ongeveer 100 mm onder de verbrandingskamer.

Via de vloer

Afb.17
Jøtul F 105 R - Via de vloer - 1
4. Voor het bevestigen van een 80 inlaatkanaal voor frisse lucht (optionele uitrusting - artikelnr. 51047509), zich de handleiding (artikelnr. 10047508) bij de externe luchtansluiting. Sluit de slang met een slangklem op de externe luchtansluiting aan. De isolatie van de externe luchtslang eindhoven onceveer 100 mm onder de verbrandingskamer.

4.4 Schoorsteen en kachelpijp

  • De haard mag uitsluitend worden aangesloten op een schoorsteen en kachelpijp die zichen goedgekeurd voor haarden op vaste brandstof met rookgastemperaturen zoals gespecifieerd in «2.0 Technische gegevens».
  • De doorsnede van de schoorsteen moet geschikt zijn voor een haard. Zie «2.0 Technische gegevens» om de juiste doorsnede van de schoorsteen te berekenen.
  • Als de doorsnede van de schoorsteen groot genoegt is, kuren er meertere kachels op vaste brandstof opdezelfde schoorsteen worden aangesloten. Let op! Lees de toepasselijkke voorschriften door om na te gaan watis toegestaan. Zelfs een goede schoorsteen kan slechtfunctioneren als deze Niet correct worden gebruikt.
  • De schoorsteen要去 worden aangesloten in overeenstemming met de installment-instructies van de schoorsteenleverancier.
    Voordat u een opening in de schoorsteen maakt, moet het product als proof worden gemonteerd om de juiste positie van de haard en het gat in de schoorsteen te kunnen markeren. Zie Fig. 1. voor de minimale afmetingen.
  • Zorg ervoor dat de kachelpijp omhoog wijst in de richting van de schoorsteen.
    Zorg ervoor dat er naast de achteruitlaat en de uitlaat bovenin kan worden geleveed. Indien nodig moet u een kachelijp met een veegluik gebruiken.
  • Let op: het is zeer belangrijk dat de aansluitingen enigszins fi exibel zich. Zo voorkomt u datkleine verplaatsingenijdens de installmentie tot verworming of barsten leiden.
    Zie «2.0 Technische gegevens» voor de aanbevolen schoorstentrek. Voor afmetingen van de kachelpijp met de relevante doorsnede, zich “2.0 Technische gegevens”.

NB! De minimaal aanbevolen schoorsteenlengte is 3,5m gemeten vanaf de ingang van de kachelpijp. Als de trek te sterk is, kan een demper worden geinstalleerd om de trek te verminderen.

Bediening onder verschillende weersomstandigheden

Het effect van de wind op de schoorsteen kan een aanzienlijke impact hebben op de manier waarop de kachel reageert onder verschillende windbelastingen. Het kan nodig zijn de luchttoevoer aan te passen om een goede verbranding te bereiken.

NEDERLANDS

4.5 Een kachelpijp met een bovensuitlaat verbinden

Het product wordt door de fabriek geleverd met een rookuitlaat als bovenuitlaat.

Afb. 18

Jøtul F 105 R - Een kachelpijp met een bovensuitlaat verbinden - 1

  1. Leid de kachelijp (A) door de bovenplaat en plaats deze verwolgens in de bovenste rookuiilaat.
  2. Goed afdichten met een pakking (B).

4.6 Een kachelpijp met een awhiletlaat verbinden

Het product wordt door de fabriek geleverd met een rookuitlaat als bovenuitlaat. Als u een achteruitlaat wilt, gaat u als volgt te werk:

Afb. 19

Jøtul F 105 R - Een kachelpijp met een awhiletlaat verbinden - 1

  1. Verwijder de keerplaat door de achterrand op te tillen en dezeervoalgensuit de verbrandingskamer te draaien Draai de twee schroeven.

Afb. 20

Jøtul F 105 R - Een kachelpijp met een awhiletlaat verbinden - 2

  1. Plaats het product in de juiste positie. Zie afb. 1.
  2. Verwijder de uitlaatplaat (A).

Afb. 21
Jøtul F 105 R - Een kachelpijp met een awhiletlaat verbinden - 3
3. Draai de schroeven los (A) en verwijder de rookuitlaat (B)uit de bovensuitlaat.

Jøtul F 105 R - Een kachelpijp met een awhiletlaat verbinden - 4
Afb. 23

  1. Bevestig de rookuitlaat (A) aan de achteruitlaat met de twee schroeven (C) via de binnenkant van de verbrandingskamer.
  2. Bevestig de kap (B) aan de bovenuitlaat met de twee schroeven (D) viade binnenkant vande verbrandingskamer.
  3. Plaats de uitlaatplaat terug.
  4. Plaats de keerplaat.

Afb. 22
Jøtul F 105 R - Een kachelpijp met een awhiletlaat verbinden - 5
4. Draai de schroeven (B) los en verwijder de kap (A) van de awhilelaat via de binnenkant van de verbrandingskamer.

Afb. 24
Jøtul F 105 R - Een kachelpijp met een awhiletlaat verbinden - 6
9. Plaats de pakking (B) op de rand van de kachelpijp (A).

NEDERLANDS

Afb. 25
Jøtul F 105 R - NEDERLANDS - 1
10. Breng de kachelpijp aan in de achteruitlaat.

Let op: Het is belangrijk dat de verbindingen/kachelpijpen volledigশn afgedicht. Het ontsnappen van lucht kan tot gevolg hebben, dat ze Niet maar behoren functioneren.

Product zonder convectieplaat

Let op: Als u geen convectieplaat gebruikt, moet het product ook anders worden ingesteld (zie fi g. 1).

Fig. 26
Jøtul F 105 R - Product zonder convectieplaat - 1
1. Als u de convectieplaat op de verbrandingskamer nicht gebruikt, schroeft u de vier schroeven (A) terug op hun plaats. Gebruik de zeskantsleutel in de zak met schroeven. 20

4.6 Prestatiecontrole

Alshetproductis gemonteerd, moetualtijddebedeningshendel controleren. Deze behoort makkelijk te bewegen en goed te werken.

Afb. 27
Jøtul F 105 R - Prestatiecontrole - 1
De Jotul F 105 is voorzien van de volgende bedieningsopties:

Luchtopening (A)

Links: Minimaal

Midden: Maximaal

Helemaal rechts: Voor ontbranding

Deurhendel (B)

Openen door aan de hendel te trekken.

Stapelhoogte (C) voor hout (de gaten mogen Niet bedekt worden).

5.0 Dagelijks gebruik

Geur bij eerste gebruik van de haard

Als de haard voor de eerste keer worden gebruikt, kan irriterend gas vrijkomen dat onaangenaam kan ruiken. Dit gebeurt,ondat de verf opdroegt. Het gas is Niet giftig, maar toch is het better om de ruimte goed te ventileren. Stook het vuur flink op totdat alle sporen van gas zich verdwenen en geen rook of geurenmeer zich waar te nemen.

Brandadvies

NB: Blokken hout die buiten of in een koude ruimte zijn opgeslagen moeten 24 eer voor gebruik waar binnen worden gehaal zodat ze op kamertemporatuur+kennen.

Er zijn verschillende manieren waarop in de kachel gestoookt kan worden, maar het is belangrijk dat u altiijd voorzichtig bent met het materiaal dat u in de kachel stopt. Zie het hoofdstuk "Houtkwaliteit".

Houtkwaliteit

Met kwaliteitshout bedoelen we de meest bekende soorten hout zoals berk, spar en den.

De blokken要去en goed worden gedroogd zodat er nicht更是 dan 20% vocht in zit.

Om dit te bereiken moet het hout aan het einde van de winter worden gezakt. De blokken要去en worden gekloofd en dusdanig worden gestapeld dat er voldoende ventilatie is. De houtstapel要去en afgedekt om de blokken gegen regen te beschermen. De blokken要去en begin herfst maar binnen worden gehaald en worden gestapeld/opgeslagen voor gebruik in de komende winter.

Let er goed op dat u de volgende materialen nooit als brandstof voor uw haard gebruikt:

  • Huishoudelijk afval, plastic tassen, enz.
  • Geverfd of geimpregneerd hout (dat is uiterst gifting).
  • Gelamineerde houten planken.
    Drijfhout

Deze können schade toebrengen aan het product en+zijn ook verwuiilend.

NB: Gebruik nooit benzine, paraffi ne, methylalcohol of dergelijke vloeistoffen om het vuur aan te steken. Dit kan leiden tot ernstig persoonlijk letsel en schade aan het product.

Aanmaakhout (i jngehakt hout):

Max. length: 33 cm

Diameter: 2-4 cm

Benodigd aantal per keer: 6-8 blokken

Hout (gehakt hout):

Aanbevolen lenght: 20-33 cm

Diameter: ongeveer 8 cm

Interval voor toevoegen hout: Ongeveer elk 45 - 50 minutes

Grootte vuur: 1,1 kg (nominaal vermogen)

Benodigdaantal perkee: x2

Max. hoeveelheid

aanmaakhout: 2,0 kg

Een nominale warmteafgifte worden bereikt door de luchtopening ongeveer 30% open te honden (afb. 32). Een maximaal ewarmteafgifte worden bereikt door de luchtopening ongeveer 50% open te honden (afb. 32).

Eerstekeerstoken

Open de luchtopening (Afb. 27) volledig uit te trekken. (Gebruik een handschoen of iets dergelijks om uw hand te beschermen als de hendels warm zich.)

Jøtul F 105 R - Eerstekeerstoken - 1
Afb. 28

  • Plaatstweeblokken opde bodemvandeverbrandingskamer en stapel het aanmaakhout hier inlagen op.
  • Plaats tenslotte een middelgroot blok op deze stapel.
  • Plaats 2 of 3 briketten of aanmaakblokken onder de bovenste laag aanmaakhout en steek het vuur aan. NB: De maximale hoogte van de stapel hout要去 net onder de horizontale gaten blijven. De gaten zou zich worden bedekt.
    Regel de ontstekingsopening (Afb. 32) als het hout goed brandt.
  • Controller of de naverbranding (secundaire verbranding) goed op gang kommt. Dat is het geval als er gele, il ikkerende vlammen voor de gaten onder het schot op gang komen.
  • Als de luchtstroom normal is, kurz u de deur sluiten en zal het vuur automatisch branden.

Houtblokken toevoegen

Stook de kachel regelmatig op, maar gebruik alleen krine hoeveelheden brandstof tegelijk. Als de kachel te vol is, kan de hitte voor extreme druk in de schoorsteen zorgen. Voeg.altijd met mate brandstof bij. Vermijd smeulend vuur waar dit het meest verruilend is. Het vuur is het Beste als het goed brandt en de rook uit de schoorsteen nauwelijks zichtaar is. Het vuur is het Beste als het goed brandt en de rook uit de schoorsteen nauwelijks zichtaar is. Let op! Het is belangrijk de deur dicht te houden tijdens de verbranding.

5.1 Gevaar van oververhitting

De haard mag nooit zo gebruikt worden dat er oververhitting ontstaat.

Oververhitting treedt op als de haard te veel brandstof bevat en/of de luchtopening te ver openstaat zodat er te veel ditte wordt ontwikkeld. Een duidelijk teken van oververhitting is dat er onderdelen van de haard rood gloeien. Als dat gebeurt, moet u de luchtopening direct verkleinen.

Vraag om professioneel advies als u vermoedt dat er geen goede trek in de schoorsteen zit (te veel of te weinig trek). Voor meer informatie, die «4.o Installatie» (Schoorsteen en kachelpijp).

NEDERLANDS

5.2 As verwijderen

De Jotul F 105 heft een aslade waarmee het eenvoudig is om as te verwijderen.

  • Verwijder de as Niet voordat de haard koud is.
  • Schraap het as over het rooster op de bodem, zodat het as in de aslade valt. Gebruik een handschoen of iets dergelijks om uw hand te beschermen. Pak de hendel van de aslade vast en haal de aslade eruit. Zorg ervoor dat de aslade nooit zo vol is dat er geen as meer door het rooster in de aslade kan vallen.
  • Zorg ervoor dat u de aslade goed aandrukt voordat u de deur sluit.

6.0 Onderhoud

6.1 Glas reinigen

De haard is uitgerust met een ventilatieopening voor het glas. Lucht worden aangezogen door de luchttoevoer boven de haard en stroomt langus de binnenkant van het glas maar beneden.

Toch zal zich alkijd wel roet op het glas ophopen. De hoveeelheid is afhankelijk van de luchtstroom terplaatse en de stand van de ventilatieopening. De roetlaag worden gewoonlijk grotendeels wegbebrand wanner de ventilatieopening helemaal open staat en de haard ink brandt.

Goed advies! Maak voor een gewone schoonmaakbeurt een papieren handdoek nat met warm water en voeg er wat as uit de stockplaats aan toe. Wrijf met het papier over het glas en neem het glas daarna af met schoon water. Laat het glas goed drogen. Wanner het glas grondig moet worden gereinigd, adviseren wij om glasreiniger te gebruiken (volg de gebruiksaanwijzing op de verpakking).

6.2 Schoonmaken en verwijderen van roet

Tijdens gelebruik kan zich roet afzetten op de binnenwanden van de haard. Roet werkst isolerend en kan daardoor de warmteafgiftinge van de haard verminderen. Als er zich te veel roet ophoopt,(Intt met een roetverwijderaar eenvoudig verwijderen.

Als u wilt voorkomen dat zich roet of een teerlaag ophoopt in de haard, moet u regelmatig f1 ink stoken om de gezvormde laag te verwijderen. Een Jaarlijkse schoonmaakbeurt van de binnenkant is nodig voor een optimale warmteafgifte van uw product. Het is verstandig dit gelijklijke te doen met het schoonmaken van de schoorsteen en de kachelpijp.

6.3 Kachelpijpen vegen tot aan de schoorsteen

Kachelpijpen moeten worden geleegd via een veegluik voor de kachelpijp of via de deuropening.

Eerst要去en van de schotten worden verwijderd om dit te konnen去做.

6.4 Inspectie van de haard

Jotul raadt u aan om na het reinigen/vegen zich een grondige inspectie van de haard uit te voeren. Controller alle zichbare oppervlakken op scheuren. Controller ook of alle verbindingsstukken goed+zijn afgesloten en of de pakkingen zich in de juiste positie bevinden. Een pakking die tekenen van slijtage of verrorming vertoont, moet worden verwangen.

Maak de groeven van de pakking grondig schoon, breng keramische lijm aan (verkrijgbaar bij uw lokale Jotul-dealer) en druk de pakking stevig aan. De lijm heeft een korte droogtijd.

6.5 De buitenkant onderhoden

Bij gelakte producten kan er na eenaar jaar verkleuring optreden. Voordat u een neue laag verf aanbrengt, moet u het oppervlak reinigen en alle losse deeltjes wegvegen.

Geemailleerde haarden moet u alleen met een schone, droge doek afnemen. Gebruik geen water en zeep. Eventuele vlekken kunt u met een vloeijaar reinigingsmiddel verwijderen (zoals een ovenreiniger).

7.0 Groot onderhoud

Waarschuwing! Er月至mogen geen wijzigingen aan het product worden uitgevoerd die Niet door ons zich goedgekeurd!

Gebruik uitsluitend originele reserveonderdelen!

7.1 Onderhoud/onderdelen verrangen in de verbrandingskamer

NB: Wees uiterst voorzichtig met het gereedschap! De vermiculietplaten können beschadigd raken als u ze ruw behandelt.

Afb. 29
Jøtul F 105 R - Onderhoud/onderdelen verrangen in de verbrandingskamer - 1
2. Keerplaat: Til de voorrand van de keerplaat (A) omhoog en omlaag en draai deze uit de verbrandingskamer.

  1. Uitlaatplaat: Til de voorrand van de uitlaatplaat (B) omhoog en omlaag en draai deze uit de verbrandingskamer.
  2. Til het asrooster (D) in de middelste stand aan de voorkant op en tilervoigens de aslade uit de verbrandingskamer.
  3. Verwijder de drie schroeven waarmee de brandplaat. Tij een van de kanten van de brandplaat omhoog en draai deze uit de verbrandingskamer.

7.2 Glas en pakking in de deur verrangen

Afb. 30

Jøtul F 105 R - Glas en pakking in de deur verrangen - 1
1. Verwijder de keerplaat (A) door de achterrand op te tillen en deze verrolgensuit de verbrandingskamer te draaien.

Afb. 31

Jøtul F 105 R - Glas en pakking in de deur verrangen - 2
1. Draai de moeren (A) los en haak de deur los. Leg de deur voorzichtig op een stuk karton.

NEDERLANDS

Afb. 32
Jøtul F 105 R - NEDERLANDS - 1
1. Verwijder de pakking (A) die op de binnenkant van de deur zit, maar de groef van de pakking schoon en lijm er een neue pakking op.

Afb. 34
Jøtul F 105 R - NEDERLANDS - 2
4. Verwijder het glas (A) voorzichtig. Verwijder de pakkingen (B) en (C) en kaak de groeven van de pakkingen schoon.
5. Lijm er neue pakkingen op.

Afb. 33
Jøtul F 105 R - NEDERLANDS - 3
2. Als u een glaspakking of glas moet verrangen, verwijdert u eerst de deurhendel (zie 2-4).
3. Schroef de glashouder (B) los die met 4 schroeven (A) vastzit. Let op: Het glas in de deur zit los. Zorg ervoor dat u het glas er Niet UIT LAST Vallen als de glashouder los worden gemaatk.

Afb. 35
Jøtul F 105 R - NEDERLANDS - 4
6. Verwijder de oude pakking (A) en maak de groeven schoon. Lijm er een neue pakking op.
7. Monteer alle onderdelen terug nadat alle beschadigde pakkingen zichervangen.

8.0 Optionele extra's

8.1 Externe luchtansluiting

External luchtaansluiting, 80 mm -Cat. nr. 51047509

8.2. Set spekstenen bovenkant

Cat. nr. 51049066

8.3 Asrand voor poten

BP - cat. nr. 51049066

WHE - cat. nr. 51049516

8.4 Hendel aslade

Cat. nr. 51049070

9.0 Recycling

9.1 Recyclen van de verpakking

  • Uw kachel worden in de volgende verpakking geleverd:
  • Een houten pallet dat in stukken gesneden en in de kachel verbrand kan worden.
  • Een kartonnen verpakking die waar eenplaatselijke faktieit voor recyclen van materiaalen gebracht要去 worden.
  • Plastic zakken die maar eenplaatselijkke faktieit voor recyclen van materialen gebracht要去 worden.

9.2 Recyclen van de kachel

De kachel is gemaakt van:

Metaal dat waar eenplaatselijke faciliteit voor recyclen van materialen gebracht moet worden.
- Glas dat afgedankt要去 worden als gevaarlijk afval. Het glas van de kachel mag Niet via het normale gescheden afval worden afgedankt.
- Platen in de verbrandingskamer van vermiculiet die via het normale afval moot worden afgedankt.

10.0 Garantievoorwaarden

Jotul maakt al sinds 1853 kwalitatief hoogwaardige kachels en haarden met een lange levensduur. We zich zo zeker van once kwaliteit dat we onske klanten een verlangde garantie gezven, zonder extra kosten. Gefeliciteerd met uw nieuwe haard van Jotul!

1. Onze garantie dekt:

Jotul AS garandeert dat de externe gietijzeren onderdelen vrij zijn van materiaal- en fabricagefouten op het moment van aankoop. U kunt de garantie op de externe gietijzeren onderdelen verlengen tot 10aar na de leverdatum door het product te registereren op jotul.com en het bewijs van deze verlangde garantie binnen drie maanden na aankoop uit te printen. We adviseren u het garantiebewijs samen met de aankoopbon te bewaren. Jotul AS garandeert tevens dat de staalplaten onderdelen vrijংn van materiaal- en fabricagefouten op het moment van aankoop en tot 5aar na de leverdatum.

Deze garantie geldt op voorwaarde dat de kachel is geinstalleer door een erkende installereur, overeenkomstig de geldende wet- en regelgeving en Jotul's installment- en gebruksinstrumentes. Berepareerde producten en verrangende onderden vallen onder de garantie gedurende het resterende deel van de oorspronkelijke garantieperiode.

2. De garantie dekt nicht:

2.1. Schade aan verbruiksonderdelen zoals brandplaten, vuurroosters, keerschotten, ringen en vergelijkbare onderdelen, aangezien deze onderhevig zich aan normale slijtage.
2.2. Schadeveroorzaakt door onjuist onderhoud, oververhitting, gebruik van ongschikte brandstof (waaronder begrepen maar Niet beperkt tot drijfhout, geimpregneerd hout, houtafval, spanplaat) of te vochtig hout.
2.3. Installatie van optionele extra's teneinde de trek, luchttoevoer en andere externe factoren buiten de invloedssfeer van Jatul te verbeteren.
2.4. Aanpassingen of wijzigingen aan de haard zonder toestemming van Jotul of het gebruik van Niet-originele onderdelen.
2.5. Schadeveroortzaakt tijdens opslag bij een distributeur, transport vanaf een distributeur of tijdens de installment.
2.6. Producten verkocht door nicht-erkende verkopers in regio's waar Jatul met een selectief distribuiesystem werkt.
2.7. Bijbehorende kosten (waaronder begrepen maar nicht beperkt tot transport-, arbeids- en reiskosten) of indirecte schade.

NEDERLANDS

Voor pelletkachels, glas, steen, beton, email en lak (waaronder begrepen maar nicht beperkt tot breuken, scheuren, barsten, blaasjes, verkleuring of craquelé) geldt de nationale wetgeving die van toepassing is op de verkoop van consumentengoederen. Deze garantie is geldig voor aankopen gedaan binnen de Europese Economische Ruimte. Alle garantieaanspraken dieren binnen een redelijkke termijn te worden gericht aan uw lokale erkende Jotul-dealer, uiterlijk 14 dagen nadat de fouit of het gebrek is geconstasteerd. Zie once website www.jotul.com voor een overzicht van importeurs en dealers.

Jotul behoudt zich hetrecht voor af te zien van reparatie of verwangting van onderdelen in het geval dat de garantie Niet online is geregistreeid. Deze garantie doet geen afbreuk aan enigrecht krachtens de geldende nationale wetgeving van toepassing op de verkoop van consumentengoederen. Het nationale reclamerecht geldt vanaf de aankoopdatum en uitsluitend onder overlegging van een aankoopbon/ serienummer.

Inhalt

Inhoudsopgave Cliquez un titre pour y accéder
Handleidingassistent
Powered by Anthropic
Wachten op uw bericht
Productinformatie

Merk : Jøtul

Model : F 105 R

Categorie : Verwarming