Ecco V2 - Koffiemachine BEEM - Gratis gebruiksaanwijzing en handleiding
Vind de handleiding van het apparaat gratis Ecco V2 BEEM in PDF-formaat.
Download de handleiding voor uw Koffiemachine in PDF-formaat gratis! Vind uw handleiding Ecco V2 - BEEM en neem uw elektronisch apparaat weer in handen. Op deze pagina staan alle documenten die nodig zijn voor het gebruik van uw apparaat. Ecco V2 van het merk BEEM.
GEBRUIKSAANWIJZING Ecco V2 BEEM
1 Inleiding 51
2 Over deze handleiding ....51
3 Beschrijving van het apparaat en omvang van de levering ....52
4 Belangrijke veiligheidsinstructies ....53
5 Vóór het eerste gebruik ....55
6 Gebruik 56
6.1 Toaster met lange sleuf 57
6.2 Waterkoker 58
6.3 Koffiezetmachine 59
7 Reiniging en bewaring 60
7.1 Ontkalken 61
7.2 Onderhoud van de roestvrij stalen onderdelen 62
7.3 Bewaring 62
8 Storingen en oplossing van fouten 63
9 Afvalverwijdering 63
10 Technische gegevens 64
11 Certificeringen 64
^1 Vereniging voor APK-keuring "ZUID" 64
12 Garantie, service, reparaties 65
13 Schakelschema 67
14 Europese Conformiteitsverklarung 68
1 Einleitung
Beste cliënte, beste klant!
Uw nieuw ontbijtcenter Ecco 3 in 1 van BEEM combineert drie apparaten in één: toaster met lange sleuf, waterkoker en koffiezetapparaat. De Ecco 3 in 1 is compact en plaatsbesparend, ideaal voor de opgeruimde keuken. De combinatie van de apparaten laat voor een comfortabele bereiding van uw ontbijt alle wensen in vervulling gaan.
Wij wensen u er veel plezier mee.
2 Over deze handleiding
Het artikel is met veiligheidsvoorzieningen uitgerust. Lees desondanks aandachtig de veiligheidsinstructies en gebruik het artikel enkel zoals in deze handleiding beschreven, opdat het niet per vergissing tot verwondingen of beschadigingen komt.
Bewaar deze handleiding om ze later na te lezen. Bij doorgave van het artikel dient ook de handleiding meegegeven te worden.
Veiligheidsbegrippen in deze handleiding:
Het seinwoord GEVAAR waarschuwt voor mogelijke ernstige verwondingen en levensgevaar.
Het seinwoord WAARSCHUWING waarschuwt voor verwondingen en ernstige materiële schade.
Het seinwoord OPGEPAST waarschuwt voor lichte verwondingen of beschadigingen.
3 Beschrijving van het apparaat en omvang van de levering

A Toaster met lange sleuf C Elektrisch basisstation
1 Kruimelschuiflade 13 Elektrisch basisstation
2 Toets voor opzetstuk voor broodjes 14 Bedieningsveld
3 Toastsleuf 15 Waterreservoir met
4 Opzetstuk voor broodjes waterniveau-indicator
5 Starttoets 16 Deksel waterreservoir
17 Warmhoudplaat koffiezetmachine
B Waterkoker
6 Deksel waterkoker
7 Toets voor dekselopening
8 Schakelaar "Aan/uit"
9 Handgreep
10 Waterniveau-indicator
11 Waterkoker
12 Kalkfilter
D Koffiezetmachine
18 Glazen pot
19 Deksel glazen pot
20 Permanente filter
21 Druppelstop
22 Uitzwenkbare koffiefilterhouder
23 Gebruiksaanwijzing (zonder afbeelding)
Bedieningsveld

text_image
24 25 2624 Schakelaar "Aan/uit" koffiezetmachine
25 Regelaar bruiningsniveau toaster
26 Functietoetsen toaster:

Ontdooien

Terug opwarmen.

Annuleren, toast uitwerpen
4 Belangrijke veiligheidsinstructies
Gebruiksdoeleinde
- Dit apparaat dient enkel voor het gebruik in het huishouden. Geen gebruik voor commerciële doeleinden.
-
Dit apparaat is enkel voor volgend gebruik voorzien:
-
Toaster met lange sleuf voor het toasten van brood en, bij gebruikmaking van het opzetstuk voor broodjes (4), broodjes
• Waterkoker voor het koken van water (geen melk of dergelijke) -
Koffiezetmachine voor het zetten van gemalen koffie Gebruik het apparaat niet op een andere manier.
-
Gelieve de veiligheidsinstructies te lezen en in acht te nemen. Bewaar ze.
GEVAAR VOOR KINDEREN
- Bijzondere voorzichtigheid is geboden als het apparaat in de nabijheid van kinderen gebruikt wordt. Laat het apparaat niet zonder toezicht.
-
Het apparaat mag niet bediend worden door personen met
-
beperkte lichamelijke capaciteiten,
- beperkte zintuiglijke capaciteiten,
- beperkte mentale capaciteiten,
- een gebrek aan ervaring en kennis
- of kinderen,
zolang ze niet onder toezicht staan of door een persoon, die voor hun veiligheid verantwoordelijk is, in de omgang met het apparaat geïntroduceerd werden.
-
Kinderen dienen onder toezicht te staan om te vrijwaren dat ze niet met het apparaat spelen.
-
Installeer het apparaat buiten het bereik van kinderen.
-
Houd kinderen op een veilige afstand van verpakkingsmateriaal. Er bestaat o.a. verstikkingsgevaar!
GEVAAR DOOR ELEKTRICITEIT
-
Om een risico voor brand, een elektrische schok of verwonding van personen te vermijden, bedient u het apparaat niet in de open lucht en dompelt u het niet in water of andere vloeistoffen.
-
Gelieve er voor te zorgen, voordat u het apparaat op uw stroomvoorziening aansluit, dat de op het typeaanduidingplaatje vermelde elektrische spanning met die van uw stroomvoorziening overeenstemt.
-
Het is aanbevelingswaardig, het apparaat op een afzonderlijke stroomketen aan te sluiten.
-
Het apparaat mag uitsluitend op reglementair met de aarde verbonden stroomnetten aangesloten worden.
-
Trek het apparaat nooit bij het netsnoer uit het stopcontact, maar altijd enkel bij de netstekker.
-
Laat het netsnoer niet over scherpe kanten of hete oppervlakken hangen.
-
Bedien het apparaat uitsluitend met het bijgeleverde netsnoer.
-
Gebruik geen meervoudige stopcontacten of verlengsnoeren.
-
Tracht in geen geval het apparaat zelf te repareren en gebruik het nooit met een defecte stekker of een defect netsnoer of wanneer het niet foutloos functioneert c.q. op een andere manier beschadigd is. Gelieve het apparaat naar een geautoriseerde handelaar te zenden of te brengen. Reparatiepogingen vanwege niet-geautoriseerde personen leiden ertoe dat de garantieclaim komt te vervallen.
-
Maak het apparaat in geen geval open en verwijder geen afdekkingen of onderdelen van de behuizing.
-
De stekker moet gemakkelijk bereikbaar zijn, opdat u in geval van nood de netstekker onmiddellijk kunt uittrekken.
-
Trek de netstekker uit het stopcontact
-
Wanneer u het apparaat niet gebruikt
-
Wanneer er zich tijdens de werking een storing voordoet
• Voordat u het apparaat reinigt -
Om een elektrische schok te vermijden, bedient u het apparaat niet vlak naast spoelbakken of andere vochtbronnen. Let erop dat het netsnoer en het apparaat steeds helemaal droog zijn.
- Het elektrische station mag uitsluitend in een droge toestand in gebruik genomen worden. Indien er per vergissing water op het station terechtgekomen is, gaat u als volgt te werk:
» Netstekker uit het stopcontact trekken
» Elektrisch station met absorberende, droge keukenhanddoek afdrogen
» Het plaatsingsoppervlak voor het station afdrogen
» Netstekker terug insteken
- Tracht niet, gekneld geraakte toast met een mes of een ander werktuig uit de toastsleuf (3) te verwijderen, zolang de toaster nog in werking is. Trek onverwijld de netstekker uit en laat het apparaat afkoelen, voordat u de storing verhelpt.
- Reinig het apparaat niet met een staalspons. Er kunnen kleine metalen stukjes afbreken, de elektrische onderdelen raken en een kortsluiting veroorzaken.
- Gebruik dit apparaat niet in combinatie met een externe tijdschakelklok of een afzonderlijk afstandsbedieningssysteem.
WAARSCHUWING voor brandwonden/brand
- Laat het ingeschakelde apparaat nooit zonder toezicht. Toastbrood kan branden.
- Trek de stekker uit en laat het apparaat helemaal afkoelen voordat u het reinigt.
-
Bedien het apparaat niet in de nabijheid van hete gas- of elektrische oven, magnetrons of andere warmtebronnen en zet het niet in de oven, de magnetron of gelijkardige apparaten.
-
Bediende toaster niet onder hangkasten of gordijnen.
-
Gebruik de toaster enkel met aangebrachte kruimelschuiflade (1).
-
Duw nooit te dikke of lange toast met geweld in de toastsleuf (3).
-
Duw nooit te dikke of lange toast met geweld in de toastsleuf (3).
-
Steek geen voorwerpen of metaalfolie in de toaster.
-
Toast nooit met boter of andere met beleg bestreken toast. Gebak met een hoog suikergehalte of suikerkorst is evenmin geschikt om te toasten.
-
Grijp niet in de toastsleuf (3).
-
Tracht niet, met de hand voedsel uit de toaster te trekken, terwijl deze in werking is.
-
Warmhoudplaat (17), koffiepot en filterafdekking alsook waterkoker (11) en de bovenzijde van de toaster omwille van de functie tijdens de werking heet. Raak enkel de handgrepen en drukknoppen aan.
- OPGEPAST: er komt hete damp bij het koken vrij. Het deksel (6) van de waterkoker (11) bij het koken en onmiddellijk na het koken niet openen.
- Vul de waterkoker (1) niet tot boven de markering "Maximum". Water zou kunnen overlopen en het verwarmingselement zou beschadigd kunnen worden. Als de waterkoker (11) overdreven veel gevuld is, bestaat het gevaar dat er kokend water uit spuit.
- Plaats de waterkoker (11) enkel op een effen oppervlak, opdat hij niet kan omkantelen.
- Ga uiterst voorzichtig te werk als het water in de waterkoker (11) heet is, bijvoorbeeld wanneer u het deksel (6) van de waterkoker (11) opent, om water bij te vullen. Giet het kokende water langzaam en voorzichtig uit.
- Gebruik uitsluitend de bijgeleverde glazen koffiepot zonder één of andere beschadiging. Gebruik deze voorzichtig, hij is zeer breekbaar, en vermijd, de hete glazen koffiepot met koud water af te schrikken.
- Bedien het apparaat niet in de nabijheid van explosieve of ontvlambare dampen.
GEVAAR VOOR VERWONDINGEN
- Verwijder het brood na het toasten voorzichtig.
- Apparaat uitsluitend in koude en lege toestand transporteren.
- Gebruik uitsluitend de bijgeleverde toebehoren. Het gebruik van andere onderdelen kan lichamelijke letsels en materiële schade tot gevolg hebben.
WAARSCHUWING voor verwondingen door een andere oorzaak
- Laat het netsnoer niet over hoeken hangen (struikeldraadeffect).
OPGEPAST - materiële schade
-
Plaats het apparaat op een effen - hittebestendig-, stabiel oppervlak en dit op een afstand van minstens 5 cm tot de wand.
-
Zet het apparaat niet op andere apparaten.
-
Dek het apparaat nooit af, omdat de hitte daardoor niet kan ontsnappen.
-
Gebruik noch de waterkoker (11) noch de koffiezetmachine zonder water.
-
Wanneer de glazen pot (18) niet op de warmhoudplaat (17) staat of leeg is, zet u de schakelaar van het elektrische basisstation (13) op „0“.
- De waterkoker (11) mag enkel met het bijbehorende elektrische basisstation (13) gebruikt worden.
- De huidige meubelen zijn met een groot aantal soorten lak en kunststoffen bekleed en worden met de meest uiteenlopende onderhoudsmiddelen behandeld. Er kan daarom niet volledig uitgesloten worden dat sommige van deze stoffen bestanddelen bevatten, die de rubberen pootjes aantasten en week maken. Leg eventueel een onderlegger onder de pootjes van het apparaat.
OPGELET: bij een bediening met een ander gebruiksdoeleinde of een verkeerde bediening kan er geen sprake van aansprakelijkheid voor eventuele beschadigingen zijn.
5 Vóór het eerste gebruik
- Garandeer dat al het verpakkingsmateriaal uit en van het apparaat verwijderd werd (beschermende folie etc.).
- Ga na dat alle onderdelen aanwezig zijn (zie hoofdstuk 3 „Beschrijving van het apparaat en omvang van de levering“).
- Laat het typeaanduidingplaatje en eventuele waarschuwende aanwijzingen aan het apparaat.
OPGEPAST: controleer, dat het apparaat geen beschadigingen vertoont. Indien er onderdelen beschadigd zijn, neemt u het apparaat niet in gebruik, maar neemt u contact op met gekwalificeerd servicepersoneel.
- Zet het apparaat op een hittebestendig, droog en effen oppervlak.
- Ga na, of de kruimelschuiflade (1) correct aangebracht is.
■ Reinig de waterkoker (11) vóór het eerste gebruik. - Reinig de glazen pot (18) met afwasmiddel.
- Steek de netstekker in een stopcontact.
AANWIJZING: bij de eerste werking kan er door productieresten (bijvoorbeeld vetten) een geur ontstaan, wat heel normaal is. Zorg voor voldoende ventilatie.
Bereid het apparaat op het gebruik als volgt voor:
Toaster met lange sleuf
- Bedien de toaster twee keer met maximaal vermogen zonder brood.
- Laat de toaster vervolgens afkoelen.
Waterkoker
- Vul de gereinigde waterkoker (11) tot aan de markering "MAX." met vers water.
- Schakel de waterkoker (11) in; wacht totdat het water kookt en giet het dan weg.
- Herhaal deze werkwijze eens.
Koffiezetmachine
- Vul het waterreservoir (15) tot aan de marking "MAX." met vers water.
- Schakel de koffiezetmachine in; laat het water doorlopen en giet het dan weg.
- Herhaal deze werkwijze nog eens enkel met water en een tweede keer met een beetje koffie.
- Reinig de glazen pot (18), het deksel (19), de permanente filter (20) en de koffiefilterhouder (22) met warm water (zie ook hoofdstuk 7).
6 Gebruik
Het ontbijtcenter verenigt drie apparaten in één:
- Toaster met lange sleuf
■ Waterkoker en - Koffiezetmachine
Toaster en koffiezetmachine evenals waterkoker en koffiezetmachine kunnen gelijktijdig gebruikt worden.
AANWIJZING: om de stroomaansluiting niet te overbelasten, schakelt de waterkoker automatisch uit wanneer de toaster ingeschakeld wordt. Zodra de toaster klaar is, schakelt de waterkoker zelfstandig terug in.
6.1 Toaster met lange sleuf
Tips en aanwijzingen:
- Afhankelijk van de broodsoort en uw persoonlijke smaak is een verschillende keuze van het bruiningsniveau noodzakelijk.
Licht witbrood, rozijnenbrood of wafels en dunnere sneetjes moeten met een lagere instelling getoast worden (1-3); donkere en zwaardere broodsoorten of dikkere sneetjes vereisen een hogere instelling (4-6). - Zet in het begin de bruiningsgraad op 3 totdat u met het apparaat vertrouwd bent.
- Als u meerdere sneetjes brood na elkaar toast, worden de latere sneetjes donkerder dan de eerste sneetjes getoast.
- Gebruik enkel toast, die in de toastsleuf (3) past. Als u te dikke of lange toast met geweld in de sleuf steekt, kan de uitwerpmechaniek niet correct functioneren.
- Toast nooit met boter of andere met beleg bestreken toast. Gebak met een hoog suikergehalte of suikerkorst is evenmin geschikt om te toasten.
- Verwijder vóór het toasten alle verpakkingen (folie) van de toast.
OPGELET: tracht niet, knelgeraakte toast met een mes of met een ander werktuig uit de toastsleuf (3) te verwijderen. Trek de netstekker uit en laat het apparaat afkoelen voordat u de storing verhelpt.
- De toaster beschikt over volgende functietoetsen:

Ontdooien
De toaster kan zo nodig zelfs diepgevroren brood in de beste kwaliteit toasten. Stel de gewenste bruiningsgraad aan de regelaar (25) in en start het toastproces zoals u gewoon bent. Druk dan de functietoets in. De toets geeft bovendien licht.

Terug opwarmen
Deze functie laat het toe, reeds getoast brood terug op te warmen. Start het toastproces zoals u gewoon bent. Druk dan de functietoets in. De toets geeft bovendien licht. Het terug opwarmen wordt automatisch na een vast ingestelde tijdspanne beëindigd – onafhankelijk van de instelling van de regelaar (25).

Annuleren, toast uitwerpen
Door deze toets in te drukken, kunt u het toastproces te allen tijde annuleren. De toast wordt dan normaal uitgeworpen.
AANWIJZING: let erop dat de kruimelschuiflade (1) helemaal ingeschoven is voordat u begint te toasten.
OPGEPAST: wanneer de toaster begint te walmen, stopt u onmiddellijk het toastproces door het indrukken van de toets
Toasten
- Doe het gewenste aantal sneetjes brood in de toastsleuf (3). Duw het brood niet met geweld in de sleuf.
- Stel de gewenste bruiningsgraad aan de regelaar (25) in. Niveau 1 toast het minst, niveau 6 toast het donkerst.
- Duw de starttoets (5) naar beneden. De signaallamp op de toets 📁s verlicht en het toastproces begint.
AANWIJZING: door de toets in te drukken, kunt u het toastproces op ieder moment stoppen.
AANWIJZING: de starttoets (5) blijft enkel ingedrukt wanneer het apparaat op de stroom aangesloten is.
- Observeer het toastproces. Als het brood reeds vóór het einde van het toastproces de gewenste bruiningsgraad bereikt heeft, drukt u de toets in.
- Wanneer het toastproces klaar is, werpt de toaster de toast automatisch uit. De starttoets (5) springt naar boven en de signaallamp op de toets adooft.
- Verwijder het brood uit de toastsleuf (3).
AANWIJZING: als de bruiningsgraad voor u niet volstaat, toast u het brood nogmaals op een lager niveau extra. Houd hierbij de toaster in het oog, opdat her brood niet verbrandt.
OPGELET: als de toast dan toch al eens gekneld raakt, trekt u de netstekker uit en laat u de toast afkoelen. Verwijder de toast voorzichtig om de toastsleuf (3) en de gloeidraden niet te beschadigen.
- Reinig de toaster regelmatig zoals in hoofdstuk 7 beschreven.
Opzetstuk voor broodjes (4) gebruiken
Voor het opwarmen van ongelijkmatige sneetjes brood, gebakjes, croissants, bagels etc. dient het opzetstukstuk voor broodjes (4).
- Duw de toets (2) naar beneden om het opzetstuk voor broodjes (4) naar boven te klappen.
- Kies aan de regelaar (25) een bruiningsgraad in het onderste tot het middelste bereik.
- Duw de starttoets (5) naar beneden. De signaallamp op de toets 📄\$ verlicht en het toastproces begint.
- Stop het toastproces met de toets ⚠ of wacht het einde van het toastproces af.
- Als u het opzetstuk voor broodjes (4) niet meer nodig hebt, schuift u de toets (2) naar boven. Het opzetstuk voor broodjes (4) klapt weer naar beneden.
6.2 Waterkoker
Tips en aanwijzingen:
- De filter (12) in de tuit van de waterkoker (11) voorkomt dat er kalkresten of dergelijke mee weggegoten worden.
- Als het water ongebruikt afkoelt, het apparaat gewoon weer inschakelen en het kookprocédé begint opnieuw.
- Indien de waterkoker (1) vóór of tijdens het kookprocédé van het basisstation (13) genomen wordt, wordt het waterkookproces onderbroken en nadat de waterkoker terug aangebracht wordt, wordt het waterkookproces terug voortgezet.
AANWIJZING: indien de waterkoker (11) per vergissing leeg bediend wordt, schakelt de droogkookbeveiliging het apparaat automatisch uit. Laat het nu eerst afkoelen voordat u het met koud water vult en terug inschakelt.
AANWIJZING: om de stroomaansluiting niet te overbelasten, schakelt de waterkoker (11) automatisch uit wanneer de toaster ingeschakeld wordt. Zodra de toaster klaar is, schakelt de waterkoker (11) zelfstandig terug in.
- Verwijder de waterkoker (11).
- Open het deksel (6) door het indrukken van de toets (7) en het vullen van de waterkoker (11) met de gewenste hoeveelheid water (minstens 0.5 liter, maximaal 1.5 liter).
AANWIJZING: bij een te geringe hoeveelheid water schakelt het apparaat uit voordat het water kookt.
OPGEPAST: vul de waterkoker (11) niet tot boven de markering "MAX.". Water zou kunnen overlopen en het verwarmingselement zou beschadigd kunnen worden. Als de waterkoker (11) overdreven veel gevuld is, bestaat het gevaar dat er kokend water uit spuit.
3. Vergewis u dat het deksel

(6) correct gesloten is voordat u de waterkoker (11) aanzet.
- Plaats de waterkoker (11) op het basisstation (13).
Draai de waterkoker daarbij zodanig, dat de tuit naar de welving (a) wijst en dat de waterkoker (11) in de neus (b) vast klikt. - Duw de schakelaar "Aan/uit" (8) naar beneden. De rode signaallampen in de waterniveau-indicator (10) gaan branden.
OPGEPAST: er komt hete damp bij het koken tot ontwikkeling. Het deksel (6) van de waterkoker (11) bij het koken en onmiddellijk na het koken niet openen.
AANWIJZING: u kunt het kookprocédé te allen tijden onderbreken, doordat u de schakelaar "Aan/uit" (8) naar boven schuift.
- Het water wordt vlot aan het koken gebracht. Daarna schakelt de schakelaar "Aan/uit" automatisch uit en doven de signaallampen in de niveau-indicator.
- Neem de waterkoker (11) om deze uit te gieten van het basisstation (13) af.
AANWIJZING: vergewis u dat de schakelaar "Aan/uit" onder problemen verplaatst kan worden en dat het deksel (6) correct gesloten is. In het andere geval schakelt het apparaat, wanneer het water kookt, niet automatisch uit.
Voordat u de waterkoker (11) opnieuw inschakelt, laat u hem 15 tot 20 seconden lang afkoelen. Om het kookprocédé opnieuw te starten, duwt u de schakelaar "Aan/uit" (8) terug naar beneden.
6.3 Koffiezetmachine
Tips en aanwijzingen:
- Om de gewenste hoeveelheid water af te meten, vindt u kopjesmarkeringen aan het waterreservoir (15) en aan de glazen pot (18). De markeringen gelden voor de hoeveelheid vers water. De latere hoeveelheid koffie is een beetje geringer, omdat het koffiepoeder water opzuigt c.q. omdat water verdampt.
- Gebruik steeds vers, koud mineraal- of leidingwater zonder koolzuur. Gelieve ook nooit melk, gezette koffie, thee, suiker, enz. in het waterreservoir (15) te gieten.
- Nooit heet water gebruiken.
-
Door de praktische permanente filter (20) hebt u bij dit apparaat geen papierfilters nodig.
-
Tot de beste koffiesmaak komt u met een zuiver koffiezetapparaat. Reinig het regelmatig, zoals in hoofdstuk 7 beschreven.
- Bewaar niet-gebruikt koffiepoeder op een droge koele plaats om het aroma te bewaren. Kleef een geopend pakje koffie vast dicht en leg het in de koelkast. Zo blijft de koffie mooi vers.
- Maak van gebruikt koffiepoeder geen tweede keer gebruik om koffie te zetten. In het andere geval komt u tot een koffiesmaak, die van kwaliteit een stuk minder is.
- Het opwarmen van koud geworden koffie is niet aanbevelenswaardig, zijn smaak is niet met vers gezette koffie te vergelijken.
-
Reinig de koffiezetmachine wanneer u olieafzetting op de oppervlakken vaststelt. Deze afzetting is afkomstig van het koffiepoeder. Hoe sterker de koffie geroosterd werd, hoe meer olie hij bevat.
-
Klap het deksel (16) van het waterreservoir (15) omhoog.
- Giet met de glazen pot (18) de gewenste hoeveelheid helder, koud leidingwater in het waterreservoir (15) (niet tot boven de markering "MAX.").
- Zwenk de uitzwenkbare filterhouder (22) naar buiten en doe koffiepoeder in de permanente filter (20) - gewoonlijk één theelepel per kopje.
- Zwenk de filterhouder er weer helemaal in.
- Plaats de glazen pot (18) met deksel (19) op de warmhoudplaat (17).
- Start het zetprocédé met de schakelaar "Aan/uit" (24). De rode signaallamp in de schakelaar is verlicht en het zetprocédé begint.
- Ongeveer één minuut na het einde van het zetprocédé kunt u de glazen pot (18) verwijderen en koffie inschenken.
AANWIJZING: door de schakelaar "Aan/uit" (24) in te drukken, kunt u het zetprocédé op ieder moment onderbreken.
AANWIJZING: u kunt op ieder moment de glazen pot (18) verwijderen en een koffie inschenken, de druppelstop (21) voorkomt het nadruppelen. De tijdspanne van 30 seconden mag echter niet overschreden worden, omdat anders de filterhouder kan overlopen.
Na het zetprocédé houdt de warmhoudplaat (17) de koffie in de glazen pot (18) warm, totdat u de schakelaar "Aan/uit" (24) op "Uit" zet. De beste smaak heeft uw koffie echter vers gezet.
Schakel het koffiezetapparaat uit wanneer u het niet meer nodig hebt.
7 Reiniging en bewaring

WAARSCHUWING
Gevaar voor brandwonden
Vóór de reiniging altijd de netstekker uittrekken en het apparaat laten afkoelen.

GEVAAR
Levensgevaar door elektrische schok
Het apparaat nooit in water of in andere vloeistoffen dompelen.

OPGEPAST
Materiële schade
Nooit agressieve, schurende of chemische reinigingsmiddelen gebruiken.
- Trek de netstekker uit. Laat het apparaat goed afkoelen.
- Veeg het apparaat aan de buitenzijde met een vochtig doekje schoon.
Toaster met lange sleuf
- Verwijder de kruimelschuiflade (1). Maak ze leeg door de kruimels weg te doen. Veeg de schuiflade met een vochtig doekje schoon en vervolgens met een zacht doekje droog.
- Breng de kruimelschuiflade (1) weer aan.
OPGELET! De kruimelschuiflade (1) moet regelmatig geledigd worden, anders kan het tot een brand komen.
Waterkoker
-
De kalkfilter (12) kan voor de reiniging gemakkelijk uitgenomen worden: De kalkfilter (12) kan voor de reiniging gemakkelijk uitgenomen worden. De kalkfilter (12) is verbonden met de deksel (6). Het is mogelijk de as van de deksel uit te nemen: Duw deze langs binnen in de richting van de tuit en trek hem er dan langs boven uit.
-
De kalkfilter (12) kunt u met de hand of in de vaatwasmachine reinigen.
- Reinig de waterkoker (11) aan de binnenzijde met een zachte borstel of dergelijke met een lange steel en was de waterkoker uit. Langs buiten enkel met een vochtig(e) doekje/spons reinigen. Daarna met een zacht doekje afdrogen.
Koffiezetmachine
Reinig de glazen pot (18) en de filter telkens na gebruik.

text_image
c b a 20 22- Zwenk de filterhouder (22) helemaal naar buiten en til hem lichtjes op (a). Nu kunt u hem voor reinigingsdoeleinden verwijderen.
- Neem de permanente filter (20) bij zijn handgreep (b) uit de filterhouder.
- De permanente filter (20) kunt u met de hand met warm water reinigen, maar NIET in de vaatwasmachine.
- Aan de afdekking boven de filterhouder slaan er bij gebruik druppels condensatiewater aan. Verwijder deze met een zuiver, droog doekje.
- Reinig de glazen pot (18) met deksel (19) en de
koffiefilterhouder (22) met afwasmiddel en spoel met helder water na.
- Activeer meermaals de druppelstop (21) tijdens het spoelen.
- Veeg met een vochtig doekje de warmhoudplaat (17) voorzichtig af. Gebruik geen schurende reinigingsmiddelen.
- Monteer alles terug. Let erop dat de permanente filter (20) in de koffiefilterhouder (22) aan de beide neuzen (c) vast klikt.
7.1 Ontkalken
Gebruik ontkalkingsmiddelen met citroenzuur of azijnessence (ca. 5 % zuur).
Om te ontkalken enkel een milieuvriendelijk ontkalkingsmiddel gebruiken en enkel volgens de door de producent verstrekte gegevens te werk gaan.
Gebruik geen kalkoplossers op basis van mierenzuur.
Waterkoker
Het ontkalken van de waterkoker (11) dient na 20 - 40 toepassingen, eventueel ook vroeger, plaats te vinden. Als kalk de bodem van de waterkoker (11) bedekt, kan het tot defecten komen (hitteophoping). U herkent de kalkaanslag aan een witte verkleuring in het binnenste gedeelte van de waterkoker (11).
- Gebruik het ontkalkingsmiddel in overeenstemming met de gegevens van de producent voor de waterkoker (11).
- Maak de waterkoker (11) leeg en verwijder de resten met een vochtig doekje.
- Vul de waterkoker (11) na het ontkalken twee keer met vers water, laat het koken en giet het weg.
- Een separaat reinigung van de kalkfilter (12) is alleen maar nodig als het niet mogelijk is zonder moeilijkheden weg te gieten. Volg de aanwijzingen van hoofdstuk 7 om de kalkfilter uit te bouwen. Het inbouw van de kalkfilter (12) gebeurt in omgekeerd volgorde.
Koffiezetmachine
Voor de koffiezetmachine raden wij preventief een driemaandelijkse ontkalking aan:
- Vul het waterreservoir (15) tot aan de markering "Max." met een mengeling van vers water met ontkalkingsmiddel - in overeenstemming met de door de producent verstrekte gegevens.
- Zwenk de filterhouder (22) met permanente filter (20) zonder koffiepoeder helemaal in.
- Zet de glazen pot (18) met deksel (19) op de warmhoudplaat (17).
- Schakel dan het apparaat in.
- Wacht totdat ongeveer één kopje doorgelopen is en schakel het apparaat uit.
- Laat de ontkalkoplossing ca. 15 minuten lang werken en schakel dan het apparaat terug in.
- Herhaal de stappen 5 en 6 eens, laat dan het apparaat ingeschakeld totdat de ontkalkoplossing volledig doorgelopen is.
- Herhaal vervolgens het doorloopprocédé drie keer met helder water.
- Spoel de glazen pot (18), het deksel, de koffiefilterhouder (22) en de permanente filter (20) onder stromend water grondig af.
- Activeer meermaals de druppelstop (21) tijdens het spoelen.
7.2 Onderhoud van de roestvrij stalen onderdelen
Voor een regelmatige onderhoud en ook voor de eliminatie van hardnekkige vlekken aan roestvrij stalen onderdelen raden wij u het INOX-METAL-POLISH polijstmiddel van BEEM aan. Dit polijstmiddel geeft aan de apparaten hun oorspronkelijke glans. INOX-METAL-POLISH is in tubes verkrijgbaar en voor alle voorwerpen van roestvrij staal, chroom, messing, koper, aluminium, zilver en ook harde kunststoffen geschikt. INOX-METAL-POLISH wordt ook in fabrieken voor het polijsten van roestvrij staal toegepast. INOX-METAL-POLISH kunt u bij uw speciaalzaak, telefonisch bij ons of via onze Website www.beem.de bestellen.
Gelieve in acht te nemen dat het opschrift en de bedrukking op de roestvrij stalen oppervlakken door het reinigen met metaalpolijstmiddel of andere chemicaliën kan losweken.
7.3 Bewaring
- Laat het apparaat volledig afkoelen.
■ Maak de waterkoker (11) en het waterreservoir (15) leeg.
Trek bij storingen tijdens de werking de netstekker uit.
| Verkeerde functie | Mogelijke oorzaak | Remedie |
| Signaallamp is niet verlicht | Netstekker niet ingestokenGeen netspanning voorhandenSignaallamp defect | Apparaat op het stroomnet aansluitenHuiszekering/stopcontact controlerenKlantenserviceafdeling op de hoogte brengen |
| Huiszekering springt uit Apparaat defectTe veel apparaten aangesloten | Klantenserviceafdeling op de hoogte brengenAantal apparaten in de stroomketen verminderen | |
| Waterkoker (11) start niet en signaallampen zijn niet verlicht | Waterkoker (11) zit niet correct op het basisstation (13) | Op de correcte zitting van de waterkoker (11) letten (moet vast klikken) |
| Waterkoker (11) schakelt niet automatisch uit | Schakelaar “Aan/uit” (8) geblokkeerdDeksel (6) niet correct gesloten | Blokkering eliminerenDeksel (6) sluiten |
| Koffiefilterhouder (22) kan niet foutloos in dezetpositie gezwenkt worden | Permanente filter (20) zit niet correct in de koffiefilterhouder (22) | Op de correcte zitting van de permanente filter (20) letten (moet vast klikken) |
| Koffie loopt te traag in de glazen pot (18) | Druppelstop (21) verstoptApparaat verkalkt | Druppelstop (21) reinigenApparaat ontkalken (zie hoofdstuk 7.1) |
9 Afvalverwijdering
De hierna volgende regelingen gelden in sommige gevallen enkel voor landen van de Europese Gemeenschap.
Evacueer de verpakking soort per soort. Wanneer u van het artikel afscheid wenst te nemen, verwijdert u het op milieuvriendelijke wijze en op de actuele voorwaarden.
Voor Duitsland en enkele EG-landen geldt volgende eenheidsbepaling:
Dit product is niet als normaal huisvuil te behandelen, maar dient op een inzamelpunt voor de recycling van elektrische en elektronische apparaten, in overeenstemming met de in uw land geldende bepalingen, afgegeven te worden. Inlichtingen verkrijgt u van uw gemeentelijke dienst.
Enkele EG- en niet-EG landen hebben in het specifieke land van toepassing zijnde bepalingen voor de afvalverwijdering van oude apparaten. Inlichtingen verkrijgt u van de daarvoor bevoegde instantie.
Spanningsvoorziening: 230 V \~ 50 Hz.
Krachtontneming: 3000 / 1550 watt
2200 + 800 watt
(waterkoker + koffiezetmachine)
750 + 800 watt
(toaster met lange sleuf + koffiezetmachine)
Wijzigingen op het vlak van design en techniek te allen tijde voorbehouden. Drukfouten voorbehouden.
11 Certificeringen

Dit apparaat is gekeurd en gecertificeerd door TÜV SÜD ^1 .

Dit apparaat voldoet aan de Europese richtlijnen voor de elektromagnetische compatibiliteit (EMC) 2004/108/EC alsook aan de laagspanningsrichtlijn 2006/95/EC.

Dit apparaat voldoet aan de RoHS-richtlijn 2002/95/EG betreffende de beperking van het gebruik van bepaalde gevaarlijke stoffen bij elektrische en elektronische apparaten.

Voor Duitsland en enkele EG-landen geldt volgende eenheidsbepaling:
Dit product is niet als normaal huisvuil te behandelen, maar dient op een inzamelpunt voor de recycling van elektrische en elektronische apparaten, in overeenstemming met de in uw land geldende bepalingen, afgegeven te worden. Inlichtingen verkrijgt u van uw gemeentelijke dienst.
Enkele EG- en niet-EG landen hebben in het specifieke land van toepassing zijnde bepalingen voor de afvalverwijdering van oude apparaten. Inlichtingen verkrijgt u van de daarvoor bevoegde instantie.
Dit apparaat voldoet aan de WEEE-richtlijn 2002/96/EG betreffende de afvalverwijdering van elektrische en elektronische oude apparaten.
^1 Vereniging voor APK-keuring "ZUID"
12 Garantie, service, reparaties
Dit is een kwaliteitsproduct van BEEM en werd volgens de nieuwste fabricagemethoden vervaardigd.
Wij staan borg voor de foutloze hoedanigheid van dit kwaliteitsproduct. Tijdens de garantieperiode verhelpen wij gratis alle materiaal- of fabricagefouten.
Voor dit product geldt een garantieperiode van 24 maanden.
Bij zakelijk of een daaraan gelijk te stellen gebruik, bijvoorbeeld in hotels, pensions of buurtcentra, dan wel wanneer de klant geen consument is als bedoeld in het Burgerlijk Wetboek, geldt een garantieperiode van zes maanden. Daarbij blijven de voorwaarden voor uitsluiting van de garantie onverminderd van kracht.
Uitsluiting van de garantie: uitgesloten van de garantie zijn in het bijzonder tekortkomingen, die door een ondeskundige behandeling, het niet opvolgen van de gebruiksaanwijzing en de veiligheidsinstructies, het toepassen van geweld, wijzigingen, eigen pogingen tot het repareren door niet-gekwalificeerde derden zijn veroorzaakt. Tevens zijn gebreken die aan een normale slijtage te wijten zijn van de garantie uitgesloten.
Voor zover wij wettelijk verplicht zijn, garantie te verlenen, zullen wij – met uitsluiting van het recht op wijziging of mindering – naar onze keuze ofwel gratis repareren ofwel gratis het product of de onderdelen vervangen. Indien de reparatie ondanks meerdere pogingen mislukt of indien ook het vervangende product / de onderdelen een aan ons te wijten tekortkoming vertoont, is de klant gerechtigd een prijsverlaging te verlangen of naar keuze tot een annulering van de overeenkomst gerechtigd. Door beroep te doen op de garantie, wordt deze niet verlengd.
Voor wijziging (omruiling en uitwisseling), teruggave van het apparaat (afstand doen van de koopovereenkomst) of verlaging van de aankoopprijs is in eerste instantie steeds de handelaar, waarbij u het product aangekocht hebt, bevoegd. Dit geldt in het bijzonder voor de teruggave of voor aanspraken of mindering omdat deze met inachtneming van de aankoopprijs geregeld moeten worden. Een terugbetaling van de aankoopprijs bij teruggave of een kredietnota bij mindering kan uitsluitend afgehandeld worden via de handelaar, waar u het artikel hebt gekocht.
Wanneer zich tegen de verwachting in gebreken mochten voordoen, verzoeken wij u eerst te proberen dit telefonisch met ons op te lossen. Indien dit niet het gewenste resultaat heeft, gelieve u het toestel, zorgvuldig verpakt, te verzenden naar het adres waar u het hebt gekocht of naar onderstaand adres van de klantenservice. Vermeld daarbij uw volledige adres, alsmede het type- en modelnummer en het serienummer van het apparaat. Deze nummers staan op het typeplaatje op het toestel. Geef daarbij een zo volledig mogelijke beschrijving van de storingen of de defecten die zich hebben voorgedaan. Het product of de bestelling van reserveonderdelen dient vergezeld te gaan van een machinaal aangemaakt(e) en gedateerd(e) aankoopbewijs of factuur. Zonder machinaal aangemaakt(e) aankoopbewijs of factuur kan er geen garantie worden verleend voor reparaties, reserveonderdelen of overige aanspraken.
Buiten Duitsland, meer in het bijzonder in landen die niet tot de EG behoren, moet u het artikel in eerste instantie opsturen naar het adres waar u het hebt gekocht of naar de desbetreffende importeur. Informatie kunt u – bij voorkeur per e-mail – opvragen op onderstaand adres van de afdeling klantenservice.
Ook reparaties die niet onder de garantie vallen kunt u door de klantenservice laten
uitvoeren. Deze zullen dan afzonderlijk worden gefactureerd; buiten Duitsland kunt u daarvoor terecht op het adres waar u het artikel hebt gekocht of bij een servicecenter, indien aanwezig.
Voor alle reparaties, al dan niet onder garantie uitgevoerd, geldt:
Enkel en alleen als u de servicecheque op de keerzijde van het garantiecertificaat zo volledig mogelijk invult, in het bijzonder de tekortkomingen of fouten uitvoering beschrijft en het product rechtstreeks naar het voor uw land gemachtigde servicecenter of naar uw verkoper of handelaar zendt, kan een onmiddellijke behandeling en terugzending plaatsvinden.
Voor leveringen van reparaties onder garantie en voor leveringen van reserveonderdelen onder garantie geldt bovendien:
Bij het product of bij de bestelling van reserveonderdelen dient een machinaal aangemaakt(e) evenals gedateerd(e) aankoopbewijs of factuur gevoegd te worden. Zonder een machinaal aangemaakt(e) aankoopbewijs of factuur kan er geen garantie worden verleend, noch voor reparaties, noch voor reserveonderdelen of andere vorderingen.
Aan slijtage onderhevige onderdelen en verbruiksmateriaal kunt u bestellen bij het adres waar u het artikel hebt gekocht of op onderstaand adres van de afdeling klantenservice. Buiten Duitsland gelieve u zich in eerste instantie te wenden tot het adres waar u het artikel hebt gekocht of tot de desbetreffende importeur. Voor vragen over productinformatie, bestellingen van toebehoren of over de afhandeling van de service kunt u terecht bij het adres waar u het artikel hebt gekocht of op onderstaand adres van de afdeling klantenservice. Buiten Duitsland, meer in het bijzonder in landen die niet tot de EG behoren, moet u het artikel in eerste instantie opsturen naar het adres waar u het hebt gekocht of naar de desbetreffende importeur.
U kunt ook gebruikmaken van internet. Op onze website www.beem.de kunt u toebehoren en reserveonderdelen vinden, evenals gebruiksaanwijzingen in meerdere talen. U vindt daar ook een uitgebreide productinformatie.
Adres klantenserviceafdeling Duitsland:
BEEM GmbH, Abteilung Kundendienst, Dieselstraße 19 – 21, D-61191 Rosbach, service telefoonnummer: +49 1805-233600 | service faxnummer: +49 1805-233699 | (service nummer met verplichte betaling van de onkosten, per land verschillend) | Email: kundenservice@beem.de | Internet: www.beem.de
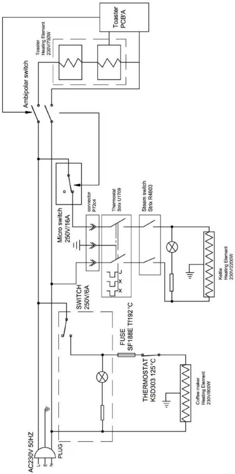
13 Schaltplan / Wiring diagram / Plan de distribution / Schakelschema

Wij verklaren hierbij dat dit apparaat voldoet aan de Europese norm voor elektromagnetische compatibiliteit (EMC) 2004/108/EC (EN55014-1:2006, EN55014-2/A1:2001, EN61000-3-2:2006, EN61000-3-3/A2:2005) en aan de Europese normen voor machineveiligheid, de laagspanningsrichtlijn 2006/95/EC (EN60335-2-15/A1:2005, EN60335-2-9/A2:2006, EN60335-1/A2:2006, EN50366/A1:2006).
SimpelGids