DHG570XP1 - Afzuigkap DE DIETRICH - Gratis gebruiksaanwijzing en handleiding
Vind de handleiding van het apparaat gratis DHG570XP1 DE DIETRICH in PDF-formaat.
Gebruikersvragen over DHG570XP1 DE DIETRICH
0 vraag over dit apparaat. Beantwoord die u kent of stel uw eigen vraag.
Stel een nieuwe vraag over dit apparaat
Download de handleiding voor uw Afzuigkap in PDF-formaat gratis! Vind uw handleiding DHG570XP1 - DE DIETRICH en neem uw elektronisch apparaat weer in handen. Op deze pagina staan alle documenten die nodig zijn voor het gebruik van uw apparaat. DHG570XP1 van het merk DE DIETRICH.
GEBRUIKSAANWIJZING DHG570XP1 DE DIETRICH
Guide d'utilisation Instructions for installation and use Montage- und gebrauchsanweisung Istruzioni per l'installazione e l'uso Instrucciones para instalacion y uso Instruções de instalacion y utilizacion Aanwijzing voor gebruik en installmentie
De Dietrich
DHG556XP - DHG576XP
DHG577XP - DHG589XP
DHG560XP - DHG570XP
Chere Cliente, Cher Client,
De afstand tussen het draagvlak van de pannen op de kookplaat en de onderkant van de wasemkap moet minstens 65 cm zijn. Als de instructies voor de installmentie van de kookplaat een grotere afstand speciceren, moet deze in aanmerking genomen worden. De luchtafvoer van dit apparaat Niet aansluiten op een buis (pijp) die reeds gebruikt worden voor de luchtafvoer van nicht elektrische apparatuur (centrale verwarmingsinstallaties, radiatoren, geiser, enz.).
Voor de lozing van de af te voeren lucht de voorschriften van de bevoegde autoriteit in acht nemen. Verder moet de af te voeren lucht Niet via een holte in de muur verwijderd worden, tenminste wonneer deze holte Niet voor dit doel bestemd is.
Voorzie de ruimte van een goede ventilatie indien de kap gelijktijdig worden gebruikt met andere, Niet elektrische apparaten (gas, olie, kolenkachels, enz.). De afzuigkap kan nl. een onderdruk in de ruimte creeren. De onderdruk in de ruimte mag Niet groter worden dan 0,04 mbar., om te voorkomen dat de afvoergassen van de warmtebron worden aangezogen. De ruimte要去aarom voorzien zijn van eenrechtstreekse luchttoevoer, die voor een konstante verse luchtaanvoer zorgt.
Controleer het plaatje met technische gegevens in het apparaat; als op het plaatje het symbool (☑) afgebeeld staat,要去en de volgende instructies worden opgevolgd: dit apparaat vertoont opbouwende technische omzichtigeden zodat het gerekend kan worden in de isolatie-klas II en dus waarom Niet geaard gehoeft te worden.
Controleer het plaatje met technische geevens in het apparaat; als op het plaatje NIET het symbool (回) afgebeeld staat, moeten de volgende instructies worden opgevolgd: LET OP: Dit apparaat要去 gaard worden. Bij het tot stand brengen van de elektrische aansluiting要去 men zich ervan vergewissen dat het stopcontact gaard is.
Bij het tot stand brengen van de elektrische aansluiting moet worden gecontroleerd of de spanningswaarden overeenstem-men met de waarden die vermeld staan op het plantaatje in het apparaat. Indien Uw apparaat Niet voorzien is van Niet splitsbaar flexibel snoer en stekker, of van een ander mechanisme dat de eenpoligheid uitschakeling verzekert van de netspanning, met een openingswijdteteussen de kontakten van tenminste 3mm., dan要去 het apparaat dus worden voorzien van een soortgelijk netspanningscheidingsmechanisme bij vaste installmentie van het apparaat. Als uw apparaat is voorzien van een snoer en stekker, dient het apparaat zo te worden geplaatst dat u bij de stekker kuntkommen.
Schakel alsijd de spanning over het apparaat UIT alvorens met een schoonmaak- of onderhoudsbeurt te beginnen.
LET OP: Dit apparaat要去 geaard worden.
HET GEBRUIK
Vermijd het gebruik van materiaal dat steekvammen kan veroorzaken in de nabijheid van het apparaat.
Bij het frituren moet men vooral letten op het brandgevaar dat bestaat bij het gebruik van olie en vetten. Met name reeds gebruekte olie is gevaarlijk vanwege hun ontvlambaarheid. Gebruik geen open elektrische gril.
Ter vermijding van möglichk brandgevaar, houdt men zich aan de voorschriften voor het schoonmaken van de anti-vetfilters en de verwijdering van eventuele vet-aanslag op het apparaat.
ONDERHOUD
Een nauwkeurig onderhoud garandeert een goede werkig en een large levensduur.
Eventuele vetafzettingen dienen regelmatig, naar gelang het gebruik (minstens eenmaal per 2 maanden) van het apparaat te worden verwijderd. Gebruik geen schurende of corrosieve middelen. Voor reiniging aan de buitenkant van gelakte apparaten dient een doek te worden gebruikt die vochtig gemaakt is in lauw water en een neutraal reinigingsmiddel; voor reiniging aan de buitenkant van apparaten van staal, koper of messing wordt het gebruik van specifieke producten aangeraden, volgens de instructies op het product zelf; voor de reiniging van de binnenkant van het apparaat moet een doek (of kwast) worden gebruikt die is ondergedompeld in gedenatureerde ethylalcohol.
De beschrijvingen en de eigenschappen uit deze handleiding+zijn slechts als informatie en Niet als verplichting bedoeld. Wij zich zeker van de kwaliteit van onsune producten en daarom behouden wij ons hetrecht om, zonder voorafgaande waarschuwing, wijzigingen en verbeteringen aan te brengen.
Naargelang het model dat u aangekocht heb, kan de wasemkap geinstalleerd worden in de Recirculatieversie, in de Zuigversie of in de versie met een externe motor.
De modellen DHG556XP-DHG576XP-DHG577XP-DHG589: deze modellen können geinstalleerd worden in de Recirculatieversie of in de Zuigversie, volgens uw behoefte.
In de Recirculatieversie (Afb. 1) worden lucht en dampen in het toestel door de koolstofffilter gezuiverd en in het vertrek teruggestuurd. OPPASSEN: Met de recirculatieversie要去en koolstofffilters worden gebruikt die de lucht zuiveren voordat ze in het vertrek worden teruggestuurd.
In de afzuigversie (Afb. 2) worden dampen en geuren van de keukenrechtstreeks aan buiten gestuurd langs een afvoerbuis in de wand/het plafond. Geen koolstoffilters zichn dus nodig.
De modellen DHG560XP-DHG570XP: deze modellen kuren enkel geinstalleerd worden in de versie met externe motor (Afb.3); dit wil zaggen dat het apparaat verbonden moet worden met een zuigeenheid, die in een andere zitting werkzaam za bijn, en het apparaat za gebruiken als verbindingsbasis voor het ontruiemen van de lucht.
Dit apparaat voldoet aan de normen van 16.08.89 betreffende de beperking van radio-elektrische storingen (EEG-richtlijn n.76.889 gewijzigd door de EEG-richtlijn 87.308.).


Afb. 2

Afb. 3
INSTALLATIE
We raden aan de installmentie door bevoegd personeel te latent uitvoeren.
Lees met aandacht de aanwijzingen die in de paragraaf "BELANGRIJK" staan, op pagina 39 van het instructieboekje. Alvorens het apparaat te monteren moet u de antivetilters verwijderen zodat u het apparaat makkelijker kurz hanteren: duw ter hoogte van de handgreep de pal maar binnen en trek het filter waar beneden (Afb. 4).

Afb. 4
Maak in de bodem van het hangend kastje de opening waarin de kap geplaatst moet worden (Afb. 5). Het onderste oppervlak van het hangende kastje要去 een dikte hebben van 16mm
Controleer of de bevestigingslipjes (Afb. 6) van de boenkast goed geplaatst+zijn op een hoogte die gepast is aan de bodemdkte van de kast. Ingeval de afstand kleiner mocht+zijn dan de dikte, dan wordt de afstand vergroot door de 2 overeenkomstige schroeven aan de binnenkant van het apparaat losgedraaid.

Afb. 6
INSTALLATIE IN DE RECIRCULATIEVERSIE
Breng van te voren een elektrische voeding aan.
Het apparaat in de openig onderin het hangend kastje steken (Afb. 5).
Maak het gat voor de luchtafvoer op de bovenkant van het kastje (Afb.1).
De 2 schroeven in het toestel bevestigen (Afb. 7) tot het goed vastzit op de
onderkant van het kastje. Voorkom het de twee schroeven overmatig stevig vast te draaien, zodat de metalen beugeltjes in de juiste positie blijven.
Sluit een buis aan op de opening van de luchtafvoer van het apparaat, op dergelijkke hoogte
dat de bovenkant van het kastje bereikt worden (de buis worden nicht bijgeleverd). Hermonteer de vetfilters.
Breng de elektrische verbinding van de kap tot stand door middel van de elektrische voeding.
De elektrische aansluiting en de lucht afvoeropening voorzien (Afb. 2).
Het apparaat in de openig onderin het hangend kastje steken (Afb. 5).
De 2 schroeven in het toestel bevestigen (Afb.7) tot het goed vastzit op de onderkant van het kastje. Voorkom het de twees schroeven overmatig stevig vast te draaien, zodate de metalen beugeltjes in de juiste positie blijven.
Om optimale prestaties te verkrijgen worden een buis voor de lucht-afvoer gebruikt met de volgende kenmerken: zo kort maybeik van lengte, zo min maybeik bochten (de maximale hoek van de bocht: 90^ ), materiaal volgens de toegestaande voorschriften (afhankelijk van de staat). Vervolgens worden aanbevolen groe verschillen in doorsnede van verschillende buis delen te vermijden (aanbevolen doorsnede: 150 mm). Het apparaat is voorzien van een reductie 150-125cm. Sluit de buis voor de luchtafvoer aan op op de opening van de luchtafvoer van het apparaat (Afb. 2): gebruik een buigzame buis en zet deze vast op de opening van de luchtafvoer met behulp van een metalen klem (buis en klem worden nicht bijgeleverd).
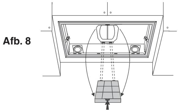
De koolstofffilter verwijderen door de pal waar binnen te duwen en door hem te draaien tot de twee vinnen uit de waarvoort bestemde gleuven komen (Afb.8).
Monteer opnieuw de vetfilters.

Breng de elektrische verbinding van de kap tot stand door middel van de elektrische voeding.
Enkel voor de modellen in de versie met externe motor (DHG560XP-DHG570XP) : De wasemkap elektrisch verbinden met de externe schakelkast door de waaroor bestemde aansluitklemmen te gebruiken (Afb. 9): de kabelbevestiging A verwijderen en ook het deksel B van de vertrekdoos. De verbindingskabel van de schakelkast met de aansluitklem C verbinden. De kabelbevestiging A en het deksel B van de vertrekdoos opnieuw monteren. Het andere uiteinde van de kabel zal met de aansluitklem van de externe schakelkast verbonden worden.

DEMONTAGE VAN HET APPARAAT
Verwijder de vetfilter(s)
Ondersteun het apparaat algijd tijdens de volgende handelingen.
Draai de 2 schroeven aan de binnenkant van het apparatusat los (Afb. 7).
Verplaats de 2 lipjes in binnenwaartse richting van het apparaat met gebruik van de waarvoor bestemde inkepingen (Afb. 10).
Trek het apparaat UIT de zitting.

Afb. 10
Afhankelijk van de versies is het apparaat uitgerust met de volgende bedienings-elementen:
Bedieningselementen van Afb. 11:
A) ON/OFF lampen. Deze toets worden ook gebruikt voor de functie alarm vetfilter en koolstofffilter.
Filteralarm: Na 30 uren werkung van de motor, Licht de RODE led L1 op en blijft branden (de vetfilter moet worden gereinigd). Na 120 uren werkung van de motor, knippert de led L1 (de koolstofffilter moet worden verrangen, voor zover de afzuigkap hiervan voorzien is). Het filteralarm is ALLEEN merkbaar wanner de motor UIT is. Het filteralarm wordt teruggesteld (reset URENTELLER) door de toets A gedurrende 2^ ingedrukt te houden. B) Door de toets B in te drukken, start de motor op de eerste slelheid. De slelheid wordt aangegeven door de brandende Led L2. Als hij 2^ ingedrukt gehouden wordt, stopt de motor. Wanner er een keer op wordt gedrukt, met brandende led, treedt de timerfunctie in werkung (motor aan gedurrende 5^ ), wat wordt aangegeven door de knipperende led. Om de timerfunctie uit te schakelen, nogmaals drukken. C) Door de toets C in te drukken, start de motor op de tweede slelheid. De slelheid wordt aangegeven door de brandende Led L3. Wanner er een keer op wordt gedrukt, met brandende led, treedt de timerfunctie in werkung (motor aan gedurrende 5^ ), wat wordt aangegeven door de knipperende led. Om de timerfunctie uit te schakelen, nogmaals drukken. D) Door de toets D in te drukken, start de motor op de derde slelheid. De slelheid wordt aangegeven door de brandende Led L4. Wanner er een keer op wordt gedrukt, met brandende led, treedt de timerfunctie in werkung (motor aan gedurrende 5^ ), wat wordt aangegeven door de knipperende led. Om de timerfunctie uit te schakelen, nogmaals drukken. E) Door op de toets E te drukken, start de motor op de vierde slelheid. De slelheid wordt aangegeven door de brandende Led L5. Wanner er een keer op wordt gedrukt, met brandende led, treedt de timerfunctie in werkung (motor aan gedurrende 5^ ), wat wordt aangegeven door de knipperende led. Om de timerfunctie uit te schakelen, nogmaals drukken.
LET OP : DOOR DE TIMERFUNCTIE TE ACTIVEREN ZAL DE MOTOR NA 5 MINUTEN UITGESCHAKELD WORDEN. LET OP : WANNEER DE L1 LED GAAT BRANDEN IS HET TIOD OM DE ANTIVETFILTERS TE REINIGEN OF DE KOOLSTOFFFILTERS TE VERVANGEN.

DHG589XP
Bedieningselementen van Afb. 12:
A) ON/OFF lampen. Deze toets worden ook gebruikt voor de functie alarm vetfilter en koolstofffilter.
Filteralarm: Na 30 uren werking van de motor,licht de RODE led L1 op en blijft branden gedurende 30^ (de vetfilter moet worden gereinigd).Na 120 uren werking van de motor, knippert de led L1 gedurende 30^ (de koolstofffilter moet worden verrangen,voor zover de afzuigkap hiervan voorzien is). Het filteralarm is ALLEEN merkbaar wanner de motor UIT is. Het filteralarm wordt teruggesteld (reset URENTELLER) door de toets A gedurende 2^ ingedrukt te honden.
B) De toets B schakelt de sensorfunctie in/uit (wanneer de sensorfunctie ingeschakeld is,licht de led L2 op).
C) Door de toets C in te drukken, start de motor op de eerste snelheid. De snelheid wordt aangegeven door de brandende Led L3. Als hij 2" ingedrukt gehonden wordt, stopt de motor. D) Door de toets D in te drukken, start de motor op de tweede snelheid. De snelheid wordt aangegeven door de brandende Led L4. E) Door de toets E in te drukken, start de motor op de derde snelheid. De snelheid wordt aangegeven door de brandende Led L5. F) Door op de toets F te drukken, start de motor op de vierde snelheid. De snelheid wordt aangegeven door de brandende Led L6.
SENSIBILITEIT VAN DE SENSOR: de sensibilititeit van de sensor kan gewijzigd worden maar eigenvehoefte. De sensibilititeit wijzigden door tegelijkertijd de toets A en de toets B in te drukken. De tot stand gebrachte sensibilititeit za duidelijk gemaakt worden door de 4 knipperende led L3, L4, L5, L6. Door middel van de toetsen C, D, E of F, de gewenste sensibilititeit tot stand brengen (toets C: minimum sensibilititeit, toets F: maximum sensibilititeit). Voor de gaskookplaten de laagste gevoeligheid, voor de vuurvaste kookplaten de matige gevoeligheid en voor de inductieplaten de hoogste gevoeligheid instellen.
OPGELET: WANNEER DE LED L1 OPLICHT WIL DIT ZEGGEN DAT MEN DE ANTI-VETFILTERS MOET SCHOONMAKEN OF DAT MEN DE KOOLSTOFFILTER MOET VERVANGEN.
SENSORFUNCTIE (inschakeling d.m.v. toets B): dit toestel is uitgerust met een volledig automatisch system (Advanced Sensor Control) om alle functies van de wasemkap te beheren. Het is te danken aan het systeem Advanced Sensor Control dat de lucht in de keuken steeds zuiver en geurloos blijft, zonder dat de gebruiker enige ingreep moet uitoefenen. De gesofisticeerde sensors slagen erin om het even welke geur, wasem, rook of warmte veroorzaakt door het koken, op te vangen. Het ASC vangt eveneens eventuele en abnormale aanwezigheid van GAS in de omgeving op.
Wanner de sensorfunctie ingeschakeld is, zullen de toetsen C, D, E, F de snugel alleen voorlopig regelen, naden is het de sensor die de snugel automatisch regelt.

- 1 Motor vermogen 155W
- Spanning: 230-240V monofase
- Verlichting 2 halogeen lampjes 20W
- Geleverd met voedingskabel van 150 cm. met stekker
- Bruto gewicht: Kq.11
Netto gewicht: Kg.8,5 - 2 metalen anti-vetfilters
- 1 Motor vermogen 250W
- Spanning: 230-240V monofase
- Verlichting 2 halogeen lampjes 20W
- Geleverd met voedingskabel van 150 cm. met stekker
- Bruto gewicht: Kg.11
Netto gewicht: Kg.8,5 - 2 metalen anti-vetfilters
- 1 Motor vermogen 250W
- Spanning: 230-240V monofase
- Verlichting 2 halogeen lampjes 20W
- Geleverd met voedingskabel van 150 cm. met stekker
- Bruto gewicht: Kg.13,5
Netto gewicht: Kg.10 - 2 metalen anti-vetfilters
- 1 Motor vermogen 350W
- Spanning: 230-240V monofase
- Verlichting 2 halogeen lampjes 20W
- Geleverd met voedingskabel van 150 cm. met stekker
- Bruto gewicht: Kq.12
Netto gewicht: Kg.9,5 - 2 metalen anti-vetfilters
- Spanning: 230-240V monofase
- Verlichting 2 halogeen lampjes 20W
- Geleverd met voedingskabel van 150 cm. met stekker
- Bruto gewicht: Kg. 8
Netto gewicht: Kg. 6 - 2 metalen anti-vetfilters
- Spanning: 230-240V monofase
- Verlichting 2 halogeen lampjes 20W
- Geleverd met voedingskabel van 150 cm. met stekker
- Brutogewicht:Kg.10,5
Netto gewicht: Kg. 8,5 - 2 metalen anti-vetfilters

Afmetingen



Tijdens de elektrische aansluiting, controller of de spanning overeenkomt met de spanning aangegeven op de technische planta.
Schakel de spanning over het apparaatuit voor iedere schoonmaak- of onderhoudsbeurt.
De elektrische aansluiting要去 door een bevoegde technicus uitgevoerd worden volgens de geldende voorschriften.
Dit apparaat behoort tot de isolatie-klasse I; en moet dus geaard worden.
ONDERHOUD
VOOR ELKE HANDELING, ONTKOPPEL DE WASEMKAP VAN HET STROOMNET (STEKKER of SCHAKELAAR).
Een nauwkeurig onderhoud garandeert een goede werkinq en een lange levensduur.
OPGELET: BIJ HET MODEL DHG589XP IS DE SENSOR AANWEZIG, DUS MOET MEN VERMIJDEN SILICONE PRODUCTEN TE GEBRUIKEN IN DE NABIJHEID VAN DE WASEMKAP OM SCHADE AAN DE SENSOR TE VERMIJDEN.
-Het onderhoud van de buitenkant:
Voor de reiniging van de buitenkant gebruik geen producten met schurende middelen.
-Het onderhoud van de anti-vetfilters:
De vetfilters要去 regelmatig onderhoden worden en eenmaal per twee maanden gereinigd worden.
Verwijdering van de vetfilters: duw ter hoogte van de handgreep de pal waar binnen en trek het filter maar beneden (Afb.13). Maak dit schoon met een neutraal reinigingsmiddel, goed spoelen en drogen. De filters+kennen ook in de vaatwasmachine gewassen worden maar ze mooten Niet in contact komen met vuile vaten of zilveren voorwerpen.
Monteer weer het vetfilter op+zijnplaats.

-Onderhoud van de koolstofffilter:
Indien het apparaat gebruikt worden in de recirculatie versie,要去en de koolstoffilters verrangen worden ongeveer elke zes maanden, naargelang het gebruik van de wasemkap. Referentie koolstofffilter: AH4063U1.
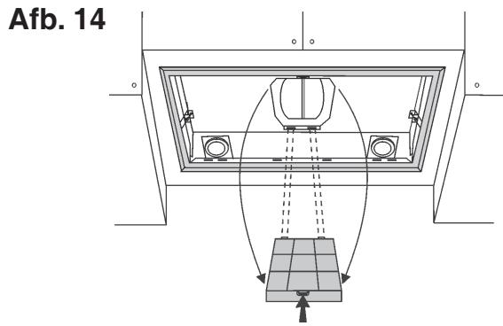
Om de koolstofffilter te verwijdenen要去e erst de vetfilters (Afb. 13) verwijderd worden. Naden de koolstofffilter verwijderen door de pal waar binnen te duwen en hem te draaien tot de twee vinnen uit de waarvoort bestemde gleuven komen (Afb.14). Vervang de koolstofffilter en hermoneer de vetfilters.

-Het verwangen van de halogeenlampjes:
Om de halogene lamp te verrangen要去en eerst en vooral de vetfilters verwijdenen (Afb.13). Het deksel openen bij middel van de waarvoort bestemde gleufjes (Afb.15). Vervang met lampjes van hetzelfde type. LET OP: het lampje Niet met de blote hand aanraken.

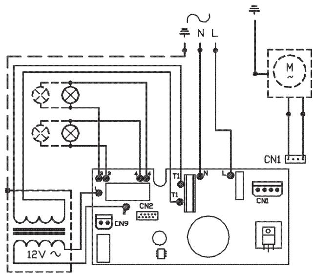
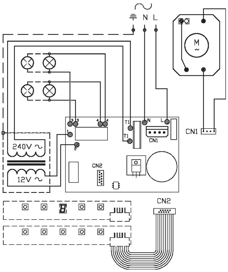
SCHEMA ÉLECTRIQUE - WIRING DIAGRAM - ELEKTRISCHER SCHALTPLAN SCHEMA ELETTRICO - ESQUEMA ÉLECTRICO - ESQUEMA ÉLECTRICO ELEKTRISCH SCHEMA
DHG576XP
DHG577XP




DHG589XP




SCHEMA ÉLECTRIQUE - WIRING DIAGRAM - ELEKTRISCHER SCHALTPLAN SCHEMA ELETTRICO - ESQUEMA ÉLECTRICO - ESQUEMA ÉLECTRICO ELEKTRISCH SCHEMA
DHG560XP
DHG570XP


DHG556XP

SimpelGids