KD49XE8096 - Televizors SONY - Bezmaksas lietošanas instrukcija
Atrodiet ierīces rokasgrāmatu bez maksas KD49XE8096 SONY PDF formātā.
Lejupielādējiet instrukcijas savam Televizors PDF formātā bez maksas! Atrodiet savu rokasgrāmatu KD49XE8096 - SONY un atgūstiet kontroli pār savu elektronisko ierīci. Šajā lapā ir publicēti visi dokumenti, kas nepieciešami jūsu ierīces lietošanai. KD49XE8096 zīmola SONY.
LIETOŠANAS INSTRUKCIJA KD49XE8096 SONY
Uzstādīšanas informācija Sony sienes montāžas kronsteina izmantošanai (SU-WL450)
Atbalstitie modeli:
KD-65X850*C/55X850*C/49X830*C/43X830*C
- Piedāvātō modelu nosaukumos “□” norāda katram modelimunikālus skaitlus un/vai rakstzīmes.
Klientiem
izstrādājuma aizsardzības un drošības apsvērum du! "Sony" iesaka televizoru uzstādīsanu uzticēt "Sony" izplatitājiem vai licencētiem uznešēmiem. Nemēginiet to uzstādīsaviem spěkiem.
Sony izplatitajiem un darbu izpilditajiem
Uzstādīsanas un ari periodisko apkopju un pārbaužu laikā pievērsiet lielu uzmanibu drošibai.
Ši izstradājuma uzstādīšanai ir nepieciesḥamas atbilstoṣas zināsanas, it ipaşi, lui noteiktu, vai siena spēs izturet televizora svaru. Izstradājuma piestiprināsānupie sienas uzticiet "Sony" izplatitājiem vai licencētiem darbu uzneḥemējiem un uzstādīsānas laikā pievērsiet uzmanibu drošibai. Sony neuznemssies atbildibu par materialieli m zaudejumiem vai traumām, kas radusās nepareizas rikošanās vai nepareizas uzstādīsanas del.
Lai veiktu drošu un pareizu dostiprinăšanu, ieverojiet sienas montăžas kronsteina lietoşanas instrukcjias, kā ari televizora uzsakšanas celvedis un šis rokasgramatas noradijumus.
Drosiba
Pateicamies, ka iegadajaties so izstradajumu.
Lai uzstaditu so izstradajumu, vajadzigas abtilstagas prames. Uzticiet uzstadisanu "Sony" izplatitajem via licencetiem ligumstradniekiem un raugiecties, lai uzstadisanas laikā tiku tievrota drośiba. "Sony" neuznemas atbildibu par bojājiumemi va triumām, kas rodas, ja izstradajums netiek izmantots vai uzstadits pareizi via ji tiek uzstadits neapstiprinats izstradajums. Jusu likumigās tiesibas (ja tadas attiecinamās) paliek spekā.
Informacija "Sony" izplatitajiem
Lai uzstaditu sho izstradajumu, vajadizgas atbilstigas prames. Lai varetu drosi uzstadit izstradajumu, noteikti izlasiet sho rokasgramatu. "Sony" neuznemas atbildibu par bojajumiem vai traumam, kas rodas, ja izstradajums netiek izmantots vai uzstadits pareizi. Pec izstradajuma uzstdisanas nododiet sho rokasgramatu klientam.
Sajā rokasgrāmata paskaidrots, kā pareizi apieties ar izstrādājumu un kas jānem vērā, lai izvairitós no negadijumemi. Rūpī gī Izsiet šo rokasgrāmatu un izmantojiet izstrādājumu pareizi. Saglabajiet šo rokasgrāmatu, lai vajadzibas gadijumā varétu to ārskatīt.
Visi "Sony" izstradajumi ir raditi, domajot par doshibu. Taçu, ja izstradajums tied izmantots nepareizi, jus gatut nopietnas traumas, kuras rada uguns, stravas trieciens un ieriecs apagasnas vai nokrisana. Noteiki everojiet dosribas norades, lai izvairitos no sadiem negadijumiem.
UZMANIBU!
Specializeti izstradajumi
Sis sienas kronsteins paredzets lietošanai ar noteiki tem videziorium. Lai noskaidrotu par iespju izmantot kronsteinu montažai pie sienas, skatiet ša videzora atsaues rokasagramut.
Uzticiet uzstādīsànu licencētiem ligumstrādniekiem un raugieties, lai uzstādīsanas laikā tuvumā neatrastos mazi bērni.
Ja kronsteins stiprinasani pie sienas vaitelevizars nav uzaditi pareizi, rodas talaknoradito negadijumu risks. Uzadisiansunoteikti uzticiet licencetiemligumstradniekium.
- Televizitors var nokrit un radit jums nopietnas traumas, piemeram, nobrazumus vai luzumus.
Ja siena, pie kuras piestiprinats kronsteins, ir nestabila, nelidzena vai tav nav perpendiculara atticibea pret gridu, icerve var nokritn ur radit jums traumas vai materialus zaudejumus. Sienai jaspj noturét svars, kas ir vismaz āetras reizes lielaks par televisiona svaru. (Sava televisiona svaru skiat televisiona atsaues rokasgramata.)
Ja kronsteins pie sienas nav pienacigi piestiprins, konstrukcija var nokrist un radit jums traumas vai materialus zaudejumus.
Televizora pärvietošanu vai nonemšanu no kronsteina noteikti uzticiet licencētiem ligumstradniekiem.
Ja televizoru parrieto vai nonem nelicencetas personas, tas var nokrist un radit traumas vai materialus zaudejumus. Televizors ir janes vai janonem no kronsteina vismaz diviem cilvekiem.
Kad televizors ir piestiprinats pie kronsteina, neizskruvejiet skruves u. c.
Pretejā gadijumā televizors var nokrist un radit traumas vai materialius zaudejumus.
Neparveidojiet sienas kronsteina detalias.
Pretëjā gadijumā sienas kronsteins var nokrist un radit traumas vai materialus zaudējumus.
Pie kronsteina piestipriniet tikai tam paredzetas icerces.
Sis sienas kronsteins ir paredzets lietošanai ar noteiktām iericem. Uzstadot neapstiprinatas ierics, tās var nokrist vai saluzt un radīt jums traumas vai materiulus zaudejumus.
Uz kronsteina atjauts balstit tikai televizoru. Nekratiet televizoru pa kreisi/labi, uz augsu/leju.
Pretëjā gadijumā televizors var nokrist un radīt traumas vai materialus zaudējumus.
Neatspiedieties pretelevizoru vainekarajieties pie ta.
Neatspiedieties pret televizoru vai nekarajieties pie tā, jo ts var uzkrist jums virūs un radī nopietnas traumas.
UZMANIBU!
Neieverojot tālak noradītās instrukcijas, jums var rasties traumas vai materiālzaudējumi.
Tirovatveicotapkopi, nepielietojietparak daudz speka.
Darbojoties ar televizora augspusi, nepieliietojiet päråd kaudz speka. Pretëjā gadijumä televizors var nokrist un radit traumas vai materiulls zaudëjumus.
Noderīga informācija
Ja televizors pie sienas kronsteina ir piestiprinats ilgu laiku, atkaribā no sienas materiaíla siena aiz vai virs televizora var iekrāsoties citā krāsā vai var atlimēties tapetes.
- Kad sienas konsteins tiek nonents, siena paliek skruvca aururi.
- Nelietojiet sienas kronsteinu vietas, kur uz to var iedarboties mehaniskas vibracijas.
Sienas kronsteina uzstadišana
Informacija "Sony" izplatitajiem
BRIDINAJUMS!
Tälakās instrukcijas paredzētas tikai "Sony" izplatitajemi. Noteikti izlasiertiepiereknsoradito drosihas informaciju un ieverojrotrosibu, kud uzstadāt, apkopjat vāi pbaraudt sizstradājumu.
Neuzstadiet sienas kronšteinu vietas, kur televizora sturi vai sani pec tam atradisies nost no uzstadiñas virsmas.
Neuzstadiet sienas kronsteinu vietas, kur televizora sturi vai sani pec tam atradisies nostr no uzstdisanas virmas, piemeram, pie kolonnas. Ja cilveks vai prieksmets uzgrudisies televizora saniem vai sturim, kas atrodas nosit no virmas, var rasties traumas vai materiai zaudejumi.

Neuzstadiet televizoru virs vai zem gaisa kondcionētāja.
Ja uz tevizora nonak udens vui uz to ilgstoši tiek pusta gaisa plusma no kondcionetaj, var rasties uguns vai stravas triecina risks vai tevizors vani sakt darboties nepareizi.
Noteikti uzstadiet sienas kronsteinu pareizi un ieverojiet norades šajā rokasgrāmata.
Ja kāda no skruvēm ir vajīga vai izkritusi, sienas konsténs var nokrist a radit traumas vai materiāus zauδejumus. Noteikti izmantoijet sienas materiālam atbilstigas skruves un pareizi uzstadiet izstradajumu, izmantojot Četras vai vairak 8 mm diametra skruves (vai lidzverītigas).

Piegadatās skruves un
stiprinājuma detalas
izmantojiet pareizi, kā
norādīts šajā lietošanas
rokasgrāmata.
Izmantojot cites
detalas, televizors var
nokrist un tikt bojats
vai radī traumas.
Kronšteinu samontējiet, ievěrojot lietošanas rokasgrāmata norādito procesu.
Ja kāda no skrūvēm ir valīga vai izkritusi,
televizors var nokrist un tikt bojats vai āri radī traumas.
Kartigi pievelciet skruves paredzetajas vietas.
Pretëja gadijumā televizors var nokrist un tikt bojats vai ārdi tratus citiem.
Televizoru uzstādiet uz sienas, kas ir gan perpendiculara attiecibā pret gridu, gan lidzena.
Pretëja gadijumā televizors var nokrist un radīt traumas.
Kad televizors ir uzstadits, ciesi nostipriniet vadus.
Ja cilveki vai prieksmeti sapisies vados, tas va radit traumas cilvekiem vai bojat televizoru.
Nesaspiediet mainstrāvas vadu vai savienojuma kabeli.
Ja mainstravas vads vaid savienojuma kabelis
ir iespiests starp kronsteinu un sienu var ar speku tiek locits vaid verps, ieksejie vadi var atsegties un radit issavienojumu vai strvas caursiti. Tas var izraisit aizdegshanos vail strvas triecenu.

Skrüves kronsteina piestiprinăsanai piesienas nav ieklautaskomplektă.
Piestiprinot sienas kronsteinu, izmantojiet skruves, kas piemerotas sienas materialam un Uzbekvi.
Televizora piestiprinăšana pie sienas
Uzstadi'anas process katram televizoram in atskirigs.
Noteikti novietojiet izskruvētās skruves droša, běrniem nesasniedzamā vietā.
Sagatavošanās uzstādīšanai
- Pirms uzstādīsanas jau sameklejiet televizora atsaues rokasgrāmatas.
- Vel pirms detalu montesanas parrliecinieties, vai jums ir krustveida skruvgriezis, kas der attiecigajam skruvem.
- Pärbaudiet televizora uzstadišanas poziciju.
- Sagatavojiet Četras vai vairak 8 mm diametra skruves un vienu 5 mm diametra skruvi vai lidzvertigas (nav ieklautas komplekta). Izveliieties skruves, kas piemērotas sienas materiālam.
Detaju pārbaude
Komplektā ar SU-WL450
- Pärbaudiet, vai iekjautas visas detalias.
| A Pamatne (20) (1) | B Trisis (2) |
| C PSW 6x20 (4) | D PSW 4x20 ar ieliktni (2) |
| E Starplika (20) (2) | F Saite (1) |
| G Bukse (20) (M4) (2) | H PSW 4x20 (2) |
| I Pamatnes adapteris (2) | J PSW 4x10 (8) |
| K Starplika (60) (2) | L PSW 6x50 (2) |
| M Bukse (M4) (2) | N PSW 4x50 (2) |
| O Sienas montăžas stiprinăjums (S) (2) | P Starplika (2) |
| Q Plăksne (1) | R PSW 5x12 (1) |
Komplektā ar televizoru (piestiprinats aizmugure)
Kabela turetajs (1)

Uzstādīsanas vietas izvēle
1 Izvlieties uzstadijanas vietu.
Pärbaudiet, vai siena ir pietiekami liela un spēj noturēt svaru, kas vienāds ar Četrkāršu televizora svaru.
Skatiet turpmak noradito tabulu televizora uzstadiisanai pie sienas. Televizora svaru skatiet televizora atsaues rokasgramata.

Mervieniba: mm
| Modejana nosaukums KD- | Displeja izmēri | Ekrāna centra izmērs | Stiprinājuma garums | |||
| a | b | c | d | e | ||
| Parastā montāža | Kompaktā montāža | |||||
| 65X850□C | 1453 | 844 | 21 | 450 | 133 | 91 |
| 55X850□C | 1236 | 722 | 116 | 485 | 115 | 73 |
| 49X830□C | 1093 | 643 | 206 | 536 | 107 | 65 |
| 43X830□C | 961 | 568 | 191 | 483 | 107 | 65 |
Piezime
- Izmēri tabula var nedaudz mainities atkarībā no uzstādīsanas.
Starp televizoru un griestiem vai sienes izvirzijumiem janodrošina pietiekami daudz brivas telpas, kā parādīts tālak.
Mervieniba: mm

Lai nodrošinatu atbilstošu ventilaciju un novérstu netirumu vai puteklu uzkrāsanos, ríkojieties šadi:
- Nenovietojiet televizoru plakaniski, neuzstadiet to otradi, atmuguriski vai saniski.
- Nenovietojiet televizoru uz skapja, paklaja, gultas vai skapi.
Neparklajet televizoru ar audumu, piemeram, aizkariem, vai tadiem prieksmietiem, ka, piemeram, avizes.
- Neuzstadiet televizoru atbilstoši zemāk redzamajam attelam.
Gaisacirkulacija tiekbloketa.

Piezime
Ja velaties vadus vadit caur sienu, izveidojiet siena curumu un ivietojiet vadus pirms uzstadijanas. Lai nesaspiestu vadus, izveidojiet siena curumu nedaudz sanus no pamatnes (20) A, pamatnes adapteris 1 un starplikas (20) E, starplikas (60) K perimetra.
2 Izvlieties, kā piestiprināt ieric pié sienas. Attalumu no televizora aizmugures lidz sienai izvlieties atbilstīgi tālakajiem norādijumiem.
2-a Standarta stiprinājums
2-b Plānais stiprinājums
Skatiet 1. darbibas tabulu.
BRIDINAJUMS!
Ja atlisa 2-b. iespja, bus ierobezota piekluve aizmugures ligzdam.


3 Pamatnes pārejas uzstādīsanas vietu skatiet turpmākajā tabulā. Ja izveleta 2-b. iespeja, izlaidiet šo darbūb.
| Modela nosaukums KD- | Åka atrašanās vieta |
| 65X850☐C | a |
| 55X850☐C | b |
| 49X830☐C | |
| 43X830☐C | c |

Uzstadiet pamatnes adapteri ① Izmantojot skruvi (PSW 4x10) J, pamatnei (20) A; izmantojot so metodi, ja izveleta 2-a.

4 Izvēlieties, kurās viētās skruvēsit skruves, lái piestiprinātu pamatni (20) A.
Skatiet specifikacijas 12. lapā.
Ja atlasīta 2-a. iespeja, izmantojiet
pamatnes adaptera ① atveres.
BRIDINAJUMS!
- Sienai, pie kuras stiprināsit televizoru, jaspēj noturēt svaru, kas vismaz Četras reizes parsniedz televizora svaru (Sava televizora svaru skatiet televizora atsauces rokasgrāmata.).
- Nosakiet tās sienas izturibu, pie kuras stiprināsit televizoru. Ja vajadzigs, pastipriniet sienu.
Pamatnes piestiprinăšana piesienas
- Izmantojet Četras vai vairak 8 mm diametra skrūves vai lidzvertīgas (nav ieklautas komplektā).
- leskrüvejiet Četras skrūves pamatnes adaptera ① atverēs, ar pamatni (20) ④ (tikai 2-a).
- Pamatni (20) ④ uz sienas uzstadiet horizontali.


Sagatavošanās televizora uzstādīsanai
1 Izskruvējiet televizora
aizmugure esosās skruves (tikai modelim KD-65X850□C).

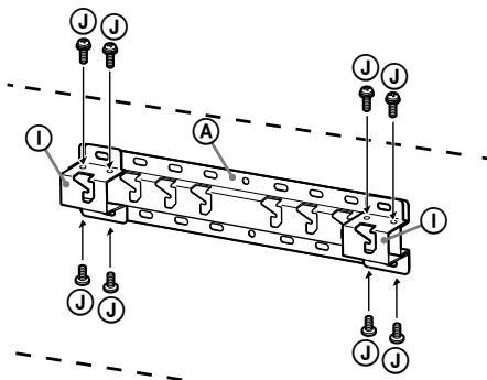
2 Piestipriniet sienas montăžas kronšteina stiprinăjuma elementus. Pârbaudiet stiprinăjuma elementus, skatot 5. lappuse sadălas "Detaș pârbaude" nodălu "Komplektă ar SU-WL450".
Piezime
Ciei si pieskruvejiet stiprinajuma elementus.
Ja tiek izmantots elektriskais skruvwriezis, iestatiet griezes momentu uz apm. 1,5 Nm {15 kgf/cm}.
Noteikti uzglabajiet neizmantotos elementus droša vietā turpmakai lietosanai. Saglabajiet šo rokasgramatu turpmakam uzzinam.

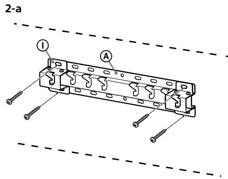
Parastā montāza (2-a)
Kompaktā montāza (2-b)
Piezime
- Izmantojot šāda veida montāzu, nevarēsit lietot dažas televizora aizmugure esosās pieslēgumvietas.


3 lespraudiet televizorā vajadzigo(-os) kabeli(-us).
Pirms piestiprinat televizoru pie sienas, noteikti savienojiet kabelus. Kad televizors jau bús uzstadits, kabelus nebús iespējams savienot.
Skatiet televizora komplektacija iekjauto atsaues rokasgramatu.
4 Atvienojiet kabela turetaju (ieklauts televizora komplekta). (tikai modelim KD-55X850C/ 49X830C/43X830C)

5 Satiniet kabelus.
Modeliem KD-55X850□C/49X830□C/43X830□C: iestipriniet kabela turetaju kādā no iekšejam atverēm.

Piezime
Kabelu iestradāsanu siena uzticiet licencētam ligumstradniekam.
- Pirms stiprinat televizoru pie sienas, satiniet visus savienojuma kabelus, lai neuzkaptu uz tiem.
6 Atvienojiet no televizora galda stativu.

Televizora piestiprinăšana pie sienas
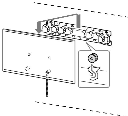
1 Uzstadiet televizoru uz pamatnes.
Lai uzzinatu, kur uz pamatnes jaatrodas trisiem (B), skatiet sadalias "Uzstadianas vietas izvele" 3. darbibu 7 lappuse.
- Turiet televizoru cieši ar abam rokām un uzmanīgi savienojiet televizora aizmugurē piestiprinātos trišus ⑧ ar pamatni tā, lái tie pareizi iegultu caurumos.
- Pec televizora uzstadijanas pie sienes pārbaudiet, vai triši (B) ir cieši piestiprināti pamatnei vai pamatnes adapterim.

2-a

2-b
BRIDINAJUMS!
- Nedaudz pavelciet televizora apaksdalu savā virziena, lai pārliecinātos, ka tā nekustas. Ja jutama kustiba, televizors nav pareizi piestiprinats, un saite fē vélreiz ir cieiši japiestiprina pie sienas.
Pärliecinieties, vai uzstādīsana veiksmīgi pabeigta
Pärliecinieties par tālako.
- Trisi (B) ir cieši uzkarināti uz pamatnes vai pamatnes adaptera.
- Vads un kabelis nav savērpts vai saspiests.
- Saite ir stingri nostiepta.
BRIDINAJUMS!
Ja mainstrāvas vads tiek novietots nepareizi, var rasties issavienojums, kas var izraisit aizdegşanos vai stravirus triecienu. Drošibas labad noteiktiparliecinieties, vai uzstadiśana paveikta pareizi.
Cita informação
Nonemot televizoru, veiciet uzstadisanas daribbas pretejara seciba.

BRIDINAJUMS!
Lai televizoru nonemtu ir vajadzigi vismaz divi cilveki.
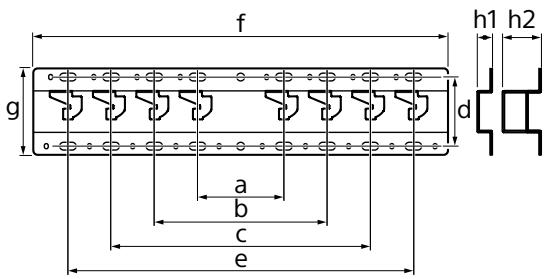
Specifikacijas

Izméri: (aptuveni) [mm]
a :100
b : 200
c :300
d :80
e :400
f :480
g :100
VieglaRokasgrāmata