KD49XE8096 - TV SONY - Gratis bruksanvisning og manual
Finn enhetens veiledning gratis KD49XE8096 SONY i PDF-format.
Last ned instruksjonene for din TV i PDF-format gratis! Finn veiledningen din KD49XE8096 - SONY og ta den elektroniske enheten tilbake i hendene. På denne siden er alle dokumenter som er nødvendige for bruken av enheten din publisert. KD49XE8096 av merket SONY.
BRUKSANVISNING KD49XE8096 SONY
Forbered installationen av TV:n
1 Ta bort skruvarna fran TV:ns baksida (endast KD-65X850□C).

Til Sony-forhandlere og installatører
- Sørg for, at der er mindst to personer til at bære tv'et.
2 Sādan forbhindres, at tv'et bund flytter sig.
- Sorg for, at der er mindst to personer til at bare tv'et.
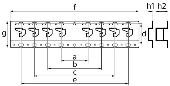
Specificationer

Mäl: (ca.) [mm]
a :100
b : 200
c :300
d : 80
e :400
f :480
g :100
h1 : 20 (monteringsmetode 2-b)
h2:60 (monteringsmetode 2-a)
Installsjonsveiledning for bruk med Sony veggmonderingsbrakett (SU-WL450)
Stottededemodeller:
KD-65X850*C/55X850*C/49X830*C/43X830*C
- I de faktiske modellnavnene, indikerer "□" tall og/eller bokstaver som gjelder spesielt for haver modell.
Til kunder
Av hensyn til Produkts beskyttelse og sikkerheten, anbefaler Sony sterkt at TV-en installereres av Sony-forhandlere eller lisensierte entreprises. Ikke forsok Å installere den selv.
Til Sony-forhandlere og -leverandører
Legg spesielt merke til sikkerheten under installationsjonen, periodisk vedlikehold og ved undersøkelse av detteproduktet.
Tilstrekkelig ekspertise er nødvendig for Å installere detteproduktet, spesielt for Å fastslå at veggen kan klare TV-ens vekt. Overlat monteringen av detteproduktet til Sony-forhandlere eller lisensierte entreprisespronør, ogær spesielt oppmerksom på sikkerheten under installationsjon. Sony er ikke ansvarlig for eventuell skade eller personskade forårsaket av feil behandling eller installationsjon.
Av hensyn til sikkerheten og korrekt installationsjon, mA bruksanvisning for veggmonteringsbrakett, TV-startveiledning samt anvisingene i dette veiledningen følges.
Om sikkerheten
Takk for at du kjopte dette produitet.
Til kunder
Tilstrekkelig ekspertise er nødvendig for à montere dette produit. Overlat installationsen til Sony-forhandlere aller lisensierte entreprises, og vaer spesielt oppmerksom på sikkerheten under installationsjon. Sony er ikke ansvärlige for skader aller perskader som oppstår som folge av feil handtering ull installationsjon,ller installationsjon av anenet enn det speifierte produit.Dine forbrukerrettigheter (hvis noen) pávirkes参加会议.
Til Sony-forhandlere
Tilstrekkelig ekspertise er nødvendig for
à montere dette produit. Les noyegjennom这部分 bruksanvisningsen for agjore installasjonp en trygg mâte.
Sony er/DDke ansvarlige for skader ellerspersonskader som oppstär som flege avfeil handtering ell installation. Gidenne handboken til kunden etterinstallasjon.
Denne brauksanvisingen viser korrekt handtering av produit og viktige forholdsregler som er nodvendige for aforhindre uehl. Sorg for at du leser noge jennom cette handboken og bruker produit p a riktig mte. Ha donne handboken tilgengelig for fremtidig referanse.
Sonys produit er utviklet med fokus pa sikkerheten. Hvis produktene brukes fel, kan det derimot folge til alvorlig personskade pa grunn av brann, elektrisk stot, produitet vetter erller falter ned. Overhold forholdsreglene for sikkerhet for aforhindre slike uhell.
FORSIKTIG
Spesifiserteprodukter
Denne veggmonteringingsbraketten er utviklet for bruk med de oppgitte TV-produktene. For TV-er, se referanseveiledningene til TV-ene for a bekrefte at veggmonteringingsbraketten kan brukes.
Til kunder
ADVARSEL
Hvis falgende forholdsrregler ici folges, kan alvorlig personskade erler ødsfall oppsta gjennom brann, elektrisk stot erller produktet kan falle ned.
Overlat installasjonen til lisensierte entrepreneurer og hold sma barn unna under installasjonen.
Hvis vegmonteringnsbraketten er TV-en\ kke installeres riktig, kan folgende uhell\ oppå. Sorg for at lisensierte entrepreneurer\ utforer instalasjonen.
TV-en kan falle ned og forarsake en alvorlig personskade som et blamerke erler et brudd.
- Hvis veggen som vegmonteringsbraketten installerare på urstabil, ujevn er ikke vinkelrett til gulvet, kan,enheten falle ned og foråsake personskade eller skade på eienom. Veggen skal kinne stotte en vekt på minst fire ganger TV-ens vekt. (Se TV-ens referanseveiledning for vekten til TV-en.)
Hvis vegmonteringingsbraketten不信 installeres solid nok pa veggen, kan encheten falle ned og forarsake personskade ell skade p eiendom.
Overlat flyting ell deremontering av TV-en til lisensierte entreprenorer.
Hvis en annen person enn lisensierte
entrepreneurer transporterer erler demonterer TV-en, kan den falle ned og forariske
personskade ellr skade pa eiendom. Sorg
for at minst to ellr flere personer bær erler demonterer TV-en.
Ikke fjern skruer e.l. etter montering av TV-en.
Hvis du gjor dette, kan TV-en falle ned og forarsake persorskade eller skade pa eiendom.
Ikke gjør endringer på delene til veggmonderingsbraketten.
Hvis du gjør dette, kan veggmonderingsbraketten falle ned og forårsake persökade eller skade på eiendom.
Ikke monter noe annet utstyr enn det spesifiserte produktet.
Denne veggmonteringsbrakten er utviklet for bruk med det pesifiserte produkt. Hvis du monterer annet unstyr enn det som er pesifisert, kan det falle ned ulle delegges, og forarsake personskade aller skade pa eiendom.
Ikke pafør noen annen vekt enn den fra TV-en pa veggmonteringsbraketten. Ikke rist TV-en til venstre/hyre eller opp/ned.
Hvis du gjør dette, kan TV-en falle ned og forårsake persökade eller skade pa eiendom.
Ikke len deg på eller heng fra TV-en.
Ikke bruk ekstrem kraft på oversiden på TV-en. Hvis du gjør dette, kan TV-en falle ned og foråsake personskade eller skade på eiendom.
Forholdsregler
Hvis du bruker TV-en montert pa veggmoneringsbrakteten over lang tid, kan veggen bak erler over TV-en bli misfidget erller tapeten kan lnsne, avhengig avveggens materiale.
- Hvis vegmonteringnsbraketten er fjernet etter at den er montert på veggen, stared skruehullene igjen.
- Ikke bruk vegmonteringnsbraketten på et sted hvor den er utsatt for mekaniske vibrasjoner.
Installere veggmonteringingsbraketten
Til Sony-forhandlere
ADVARSEL
Følgende instrukser er bare for
Sony-forhandiere. Les
sikkerhetsforholdsgrelene beskrevet
under og legg speisiert merke til
sikkerheten under installment,
vedlrikehold og kontroll av dette
produktet.
Ikke monter
veggmonteringingsbraketten
på veggoverflater hvor
hjørnene eller sidene av
TV-en stikker frem fra
veggoverflaten.
Ikke monter vegmonteringnsbraketten pa veggoverflater som en soyle hvor hjornene erller sidene av TV-en stiker frem fra veggoverflaten. Hvis en person erlen gjenstand treffer det utstikkende hjornet ell siden pa TV-en, kan det fore til個人skae eller skade aiendom.

Ikke installer TV-en over eller under et klimaanlegg.
Hvis TV-en utsettes for vannlekkasjer ulluftsmra et klimaanlegg over lang tid, kan dette forarsake brn, elektrisk stot uller en feilfunksjon pa TV-en.
Sorg for at du monterer veggmonteringingsbraketten sikkert på veggen etter anvisingene i dette braupsanvisingen.
Hvis noen av skruene er lõse erller faler ut, kan vegmmonteringskrabetten falle ned og forarssake personskade er skäde pa eiendom. Sorg for at du bruker riktige skruer etter materialet i veggen og installer encheten sikkert med fire aller flere skruer av storrelsen 8 mm diameter (eller tilsvarende).

Sørg for at du bruker de inkluderte skruene og tikkoblingsdelene på riktig mæte etter anvisingene som er gitt i denen bruksanvisingen. Dersom du bruker erstattede deler, kan TV-en falle ned og forårsake personskade eller skade på TV-en.
Sorg for at du monterer braketten riktig etter anvisninger forklart i donne bruksanvisningen.
Dersom noen av skruene er lõse ellere faller ut, kan TV-en falle ned og forårsake personskade eller skadpe TTV-en.
Sorg for at du strammer skruene godt til i riktig posisjon.
Vær forsiktig sa TV-en\ ikke utsettes for støt\ under installationsjon.
Hvis TV-en utsettes for statist, kan den falle ned erderdelegges. Dette kan forarsake personskade.
Sorg for at du installerer TV-en pa en vegg som er bade vinkelrett og flat.
Hvdisikgejgrotte,kanTV-enfalle ned ogforakske persoknde.
Etter riktig installationsjon av TV-en, mä du feste kablene på riktig mæte.
Hvis personer erller gjenstander blir viklet inn i kablene, kan ditte fore til personskade ell skade pa TV-en.
Installere TV-en på veggen
Installasjonsfremgangsmåten varierer avhengig av TV-en.
Bruk veggmonteringsbrakett SU-WL450 til Å installere TV-en på veggen.
Merknad
- Sørg for at skruene du har fjernet blir oppbevant på entrygg plass, utenfor barns rekkevidde.
Forberedeinstallasjonen
- Ha TV-ens referanseveiledning tilgjengelig før installasjonen.
Pass pà at du har en Phillips-skrutrekker som passer skruene før monteringen. - Bekreft posisjonen TV-en skal installereres i.
- Gjør klar fire eller flere skruer av 8 mm diameter ogén skrue på 5 mm ellertilsvarende (medfølger ikke). Velg skruer som passer for materialet i veggen.
Kontrollere delene
Inkludert med SU-WL450
- Bekreft at alle deler følger med.
| A Sokkel (20) (1) | B Trinse (2) |
| C PSW 6x20 (4) | D PSW 4x20 med børste (2) |
| E Avstandsstykke (20) (2) | F Belte (1) |
| G Hylse (20) (M4) (2) | H PSW 4x20 (2) |
| I Sokkeladapter (2) | J PSW 4x10 (8) |
| K Avstandsstykke (60) (2) | L PSW 6x50 (2) |
| M Hylse (M4) (2) | N PSW 4x50 (2) |
| O Veggonteringsfeste (S) (2) | P Avstandsstykke (2) |
| Q Skive (1) | R PSW 5x12 (1) |
Inkludert med TV-en (festet på baksiden)

NO
Bestemme installasjonsstedet
1 Bestemme installasjonsstedet.
Sørg for at veggen har nok plass for TV-en og at den kan stotte en vekt på minst fire ganger TV-ens.
Se følgende tabell om Å installere TV-en på veggen. Se TV-ens referanseveiledning for TV-ens vekt.

Enhet: mm
| Modellnavn KD- | Skjermmål | Skjermsentermål | Lengde for montering | |||
| a | b | c | d | e | ||
| Standard montering | Tynn montering | |||||
| 65X850☐C | 1453 | 844 | 21 | 450 | 133 | 91 |
| 55X850☐C | 1236 | 722 | 116 | 485 | 115 | 73 |
| 49X830☐C | 1093 | 643 | 206 | 536 | 107 | 65 |
| 43X830☐C | 961 | 568 | 191 | 483 | 107 | 65 |
Merknad
- Tallene i tabellen kan variere noe avhengig av installasjonen.
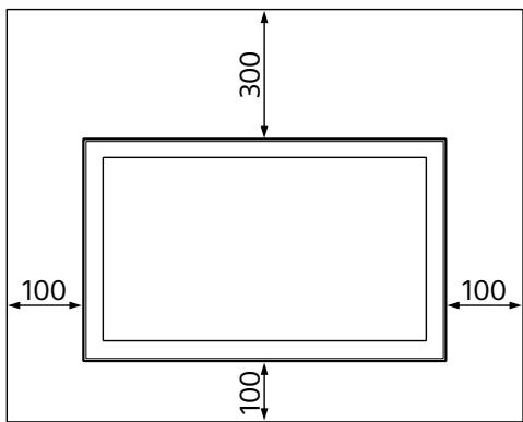
La det vare en passende klarering mellom TV-en og taket og fremspringende deler av veggen som vist under.
Enhet: mm

-
Sikre god ventilasjon og forbindre oppsamling av smuss eller støv:
-
Ikke legg TV-en flatt, installer den opp ned, baklengs eller sideveis.
- Ikke plasser TV-en pa en hylle, teppe, seng ell er i et skap.
- Ikke dekk til TV-en med en klut, som gardiner, ell er med aviser, osv.
Aldri installer TV-en som vist under.
Avstand fra TV-ens bakside fra veggen kan velges som vist under.
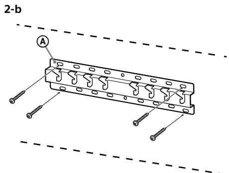
2-a Standard monitoring
2-b Tynn montering
Se tabellen i trinn 1.
ADVARSEL
- Nár 2-b er valgt, er tilgang til bakre terminal begrenset.


3 Se tabellen under om sted for montering av sukkeladapter. När du velger 2-b, hopper du over dette trinnet.
| Modellnavn KD- | Krokplassering |
| 65X850☐C | a |
| 55X850☐C | b |
| 49X830☐C | |
| 43X830☐C | c |

NO
Monter sukkeladapter ① ved Å bruke skrue (PSW 4x10) ⑫ på sukkel (20) ④ när du velger 2-a.

4 Bestem posisjonene til skruene for Å installere sukkelen (20) A.
Se spesifikasjonene pá side 12.
Nár du velger 2-a, kan du bruke hullposisjonene til sukkeladapter ①
ADVARSEL
- Veggen som TV-en skal monteres på skal kunne stotte en vekt på minst fire ganger TV-ens (Se TV-ens referanseveiledning for vekten til TV-en.).
- Bestem styrken til veggen som TV-en skal monteres på. Gjør veggen sterkere ved behov.
Installere sukkelen på veggen
- Bruk fire eller flere skruer av 8 mm diameter eller tilsvarende (medfølger ikke).
- Sett fire skruer inn i hullene på soskeladapter ① Med sukkel (20) A (kun 2-a).
- Installer Sokkelen (20) A horisontalt paveggen.


Forberede installationsen av TV-en
1 Fjern skruene fra baksiden av TV-en (Kun KD-65X850□C).

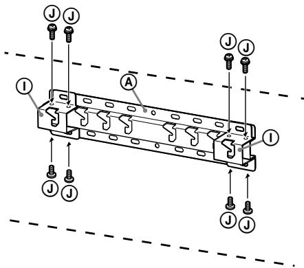
2 Fest tikoblingsdelene for veggmoneringsbraketten. Kontroller tikoblingsdelene ved Å henvise til "Inkludert med SU-WL450" under "Kontrolere delene" på side 5.
Merknad
- Fest tilkoblingsdelene sikkert med skruer.
Nar du bruker en elektrisk skrumaskin, still inn tiltrekingsmomentet til ca. 1,5 N·m {15 kgf·cm}. - Sørg for øppbevara de ubrakte delene pæ et trygt sted for senere bruk. Ta varæ på但这nboken for senere.

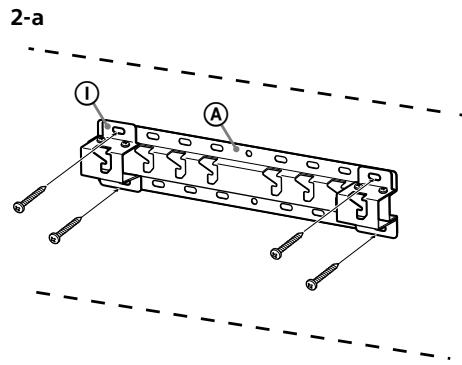
Standard montering (2-a)
Tynn montering (2-b)
Merknad
- Du kan/DDke bruke noen av terminalene pabaksiden av TV-en narn denne monteringsmetoden brukes.


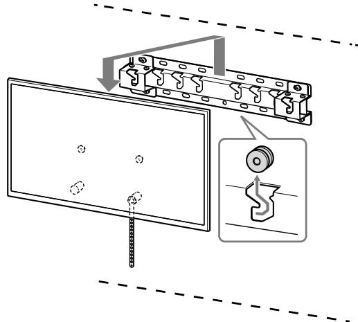
6 Demonter bordstativet fra TV-en.

Installere TV-en på veggen
- Sørg for at to eller flere personer holder TV-en nár den bæres.
2 Forhindre at bunnen på TV-en forskyves.
- Ta opp slakken på belte (F) og fest det stramt til veggen.


- Bruk en skrue med 5 mm diameter ellertilsvarende (folger/DDKE med).
Merknad
- Prov à dra bunnen på TV-en mot deg selv litt, sä du er sikker på at den ikke beveger seg fremover. Hvis det er bevegelse, er/DDie TV-en riktig festet, og belte (F) burde strammes riktig igjen.
Bekrefte fullforgen av installationsjonen
- Trinsene (B) henger riktig på sukkelen eller sukkeladapteren.
- Ledningen og kabelen er/DD er klemt.
- Belte F er stramt uten noe slakk.
ADVARSEL
- Feil plassering av strømledningen, e.l. kan forårsake brann eller elektrisk støt på grunn av en kortslutning. Sørg for at installationsjonen fullfores på riktig*Mæte.
Annen informasjon
Nár du fjerner TV-en, utfører du installasjonen i motsattrekkefolge.

ADVARSEL
Sorg for at to ellr flere personer holder TV-en nar den fjernes.
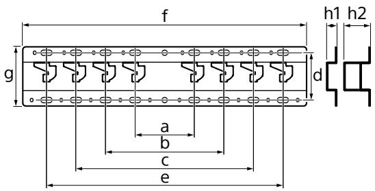
Spesifikasjoner

Mäl: (Ca.) [mm]
a :100
b : 200
c :300
d :80
e :400
f :480
g :100
h1 : 20 (tilfelle 2-b)
h2:60(tilfelle 2-a)
Vekt (kun sukkel): (Ca.) [kg]
0,8
Design og spesifikasjoner kan endres uten forvarsel.
EnkelManual