Leone ELI142S1 - Acondicionador de aire ELICA - Manual de uso y guía de instrucciones gratis
Encuentra gratis el manual del aparato Leone ELI142S1 ELICA en formato PDF.
Descarga las instrucciones para tu Acondicionador de aire en formato PDF gratis! Encuentra tus instrucciones Leone ELI142S1 - ELICA y toma tu dispositivo electrónico nuevamente en la mano. En esta página están publicados todos los documentos necesarios para el uso de su dispositivo. Leone ELI142S1 de la marca ELICA.
MANUAL DE USUARIO Leone ELI142S1 ELICA
Guía de instalación, uso y mantenimiento
Aviso de segundad importante 31
Requerimientos de instalacion 32
32
Requerimientos de colocacion 33
Dimensiones del Producto 33
Requerimientos de ventilacion 33
Especificaciones electrolyicas 34
Instrucciones de instalacion 35
Preparación de laubicacion 35
Instalacion del Sistema de ventilacion en Llnea 37
Conexión electrónica del Sistema de Ventilación en Línea 39
Conexión electrónica entre la Acampana y el Sistema de Ventilación en Linea 39
GARANTIA 42
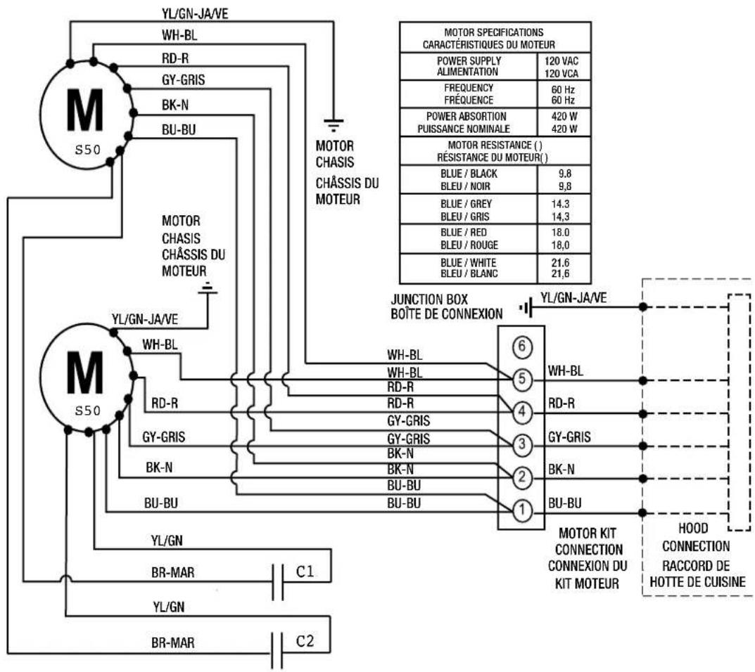
DIAGRAMA ELECTRICO. 43
APROBADO PARA APARATOS DE USO DOMESTICO
SÓLO PARA USO DOMÉSTICO
LEAY GUARDE ESTAS INSTRUCCIONES
ANTES DE CONTINUAR, LEA LAS INSTRUCCIONES POR COMPLETO.
LA INSTALLACION DEBE CUMPLIR TODA LA NORMATIVA LOCAL.
IMPORTANTE: Guarde estas instrucciones para su uso por parte del inspector de electricidad local.
INSTALADOR: Entregue al propietario estas instrucciones jinto con la unidad.
PROPIETARIO: Conserve estas instrucciones para futuras consultas.
Advertencia de seguridad: Antes de realizar el cableado de este aparato, desactive el circuito de energia electrica en el panel de service y desbloquee el panel.
Requisito: Circuito auxiliar de 120 V AC, 60 Hz. 15 o 20 A.
PRECAUCION
SÓLO PARA USO DE VENTILACION GENERAL. NO UTILizar PARA EXPULSAR VAPORES O MATERIALIES PELIGROSOS O EXPLOSIVOS.
ADVERTENCIA
PARA REDUCIR EL RIESGO DE FUEGO, DESCARGA ELECTRICA O LESIONES PERSONALES, RESPETE LO SIGUIENTE:
A. Utilice esta unidad solamente en el modo que indica el fabricante. En caso de duda,pongase en contacto con el fabricante.
B. Antes de reparar o limiar launidad, desconecte la alimentación en el panel de servicios y bloquee los medios de desconexión del panel de servicios para registrar la conexión accidental de la alimentación. Si no es possible bloquear los medios de desconexión del panel de servicios, colque un dispositivo de advertencia que destaque como, por exemple, una etiqueta, en el panel de servicios.
C. La instalación y el cableado electrico deben realizarlos personas cualesificadas de acuerdo con las normativas y los estandares aplicables, incluida la construccion ignifuga.
D. Es necessaria una ventilacion suficiente para la correcta combustion y expulsion de gases por la calidad de humos (Chimenea) del equipo de combustion de carburante para evaporar el contratoiro. Siga las directrices de fabricantes de equipos de calefaction y los estandares de seguidad como los publicados por la National Fire Protection Association (NFPA), American Society for Heating, Refrigeration and Air Conditioning Engineers (ASHRAE) y las normativas locales.
E. Al efectuar orificios en una pared o techo, no dañe el cableado electrico y除外 instalaciones ocultas.
F. Los sistemas instalados mediante conductor deben tener ventilacion con salute al exterior.
PRECAUCION
Para reducir el riesgo de fuego yoculara una calidad del aire correcta, asegürese de conducir el aire hacía el exterior. No permita que el aire se expulse en espacios situados en el interior de muros, techos, desvanes, sotanos depearqueña alta o garajes.
ADVERTENCIA
PARA REDUCIR EL RIESGO DE FUEGO, UTILICE SOLAMENTE TUBOS METÁLICOS.
Instale esta campana de acuerdo con los requisitos especialcados.
ADVERTENCIA
Para reducir el riesgo de fuego o descarga electrica, no utilise esta campana con ningún dispositorio externo en estado solido para el control de la velocidad.
ADVERTENCIA
PARA REDUCIR EL RIESGO DE INCENDIO OCASIONADO
POR GRASA:
a) No deja nunca ninguna unidad externa desatendida y con valores de fuego altos. La cocción puede causar humano o reboses de grasa que pueda prender fuego. Caliente el aceite a fuego lento o medio.
b) Encienda siempre la campana cuando cocine a una temperatura alta o cuando realice flameados (por ejemplo, Crepas Suzette, cerezas flameadas, ternera a la pimienta flameada).
c) Limpie con fecuencia los ventiladores. No permita que la grasa se acumule en el ventilador o filtro.
d) Utilice un時間 de sarten adecuado. Utilice sempre piezas de bateria de cocina adecuadas al時間 del elemento de superficie.
ADVERTENCIA
PARA REDUCIR EL RIESGO DE LESIONES PERSONALES, EN CASO DE FUEGO OCASIONADO POR GRASA, TENGA EN CUENTE LO SIGUIENTEa
a) EXTINGA LAS LLAMAS con una tapa ajustada, una lámina para hacer galletas u除外 tipo de bandeja metalica y apague el quemador de gas o elemento electrico. TENGAL CUIDADO PARA EVITAR QUEMADURAS. Si las llamas no se extinguen inmediamente, DESALOJE EL LUGAR Y LLAME A LOS BOMBEROS.
b) NUNCA TOME UNA SARTÉN EN LLAMAS, podría sufrir quemaduras.
c) NO UTILICE AGUA, incluidas bayetas o toallas humedes ya que se produciría una violenta explosión de vape.
d) Utilice un extintor SOLO si:
1) Sabe que dispone de un extintor de la classe ABC y conoce su funcionaimiento.
2) El fuego esklequeño y seencuentra en la misma zona donde se inicio.
3) Ha llamado a los bomberos.
4) Puede luchar contra el fuego teniendo una calidad a su espalda.
aBasado en "Consejos de seguidad para fuegos se cocina"ublicado por NFPA.
ADVERTENCIA
Para reducir el riesgo de incendio, descarga electrica y lesiones, es necesario instalar el Modelo de Kit KIT0154387 con los modelos de campanas enlistados. No se pueda sustituir porthersmodels:
ECL630S4, ECL136S4, ECL142S4, ECL148S4, EVV636S1, EVV648S1, EVI642S1, EVI648S1, ELN630S2,
ELN136S2, ELN142S2, ELN148S1, ELI142S2, ELI136S2
Reúna las herramrientas y piezas你需要as antes de comenzar la instalación. Lea y sigas las instrucciones proportionsadas con las herramrientas que se enumeran a continuación.
Herraintas necessities:
- Taladro
Broca de 114 (3 cm)
Brocade 316 "0.5 cm
Lapiz
- Pelacables o cuchillo
Cinta metrica o regla
Alicates
- Pistola para calafatear y masilla resistente a la intemperie
Abrazaderas de ventilacion
- Rompecabezas o sierra de cerradura
- Destornillador de punta plana
Tijeras de metal
- destornillador Phillips
Partes necessities
- 6 - 9 cables AWG, uno de cada uno de los siguientes-coloredes: negro, blanco, rojo, azul, gris y verde o verde/amarillo (tierra) NOTE: La longitudud del conductor y de los cables de AWG está determinada por la distancia entre las cajas de terminales del motor de soplador en linea y de la campana extractor.
11-Conectores de cable aprobados por UL
Partes suministradas
Remueva las partes del empaque. Cheque que todas las partes estén incluidas.
| Conector de alivio de tension | 2 |
| Tornillo 4.2x8 mm | 6 |
| Enchufe electrico 6-cables | 1 |
| Rondanas planas 4x1.8 mm | 4 |
| Soporte rectangular | 2 |
| Soporte de conductor | 1 |
| Tornillo 6.3x60 mm | 4 |
| Enchufe electrico 9-cables | 1 |
| Conectores de alivio de tension | 1 |
| Ø 12 mm Ø 15.9 mm | |
| 6x13.5 mm | 2 |
| Torx 20 adapter | 1 |
| Torx 10 adapter | 1 |
| Strap 2.5x95 mm | 2 |
Requerimientos de Shedeción
IMPORTANT: Veriflique todos loscottos y leyes vigilentes.
Esté Kit debe ser instalado por un的技术ico calificado.
Todas las aberturas en el techo o en la pared donde se instalará el sistemas del ventilador de motor en lines deben sellarse.
Para instalaciones de casas moviles
La instalación de este sistemas de motor en linea debe cumplir con las Normas de Seguidad de Construccion de Casas Prefabricadas, TItulo 24 CFR, Parte 328 (anteriamente el Estandar Federal para Construccion y Segundad de Casas Móveis, Titulo 24, HUD, Parte 280) o cuandoicho estandar no es aplicable, el estandar para la Instalacion de casas prefabricadas de 1982 (Sitios de casas prefabricadas, comunidades y configuraciones) ANSI A225.1/ NFPA 501A *, o la ultima edicion, o con@c Rodrigos locales.
Dimensiones del Producto

VISTA DE LA SALIDA SUPERIOR

VISTA DE LA ENTRADA INFERIOR
Requerimientos de ventilación
- El sistemas de ventilacion debe terminar al aire libre.
- No termine el sistemas de ventilacion en un atico u other area cerrada.
- No use ventiladores o tapas de pared de 4 " (10.2 cm) para lavandería.
- Use ventilación redonda y metallica solamente. Se recomienda ventilación metallica rigida. No se recomienda ventilación de lámina de plástico o metal.
- La longitud del sistemas de ventilacion y el numero de codos se deben tener al minimum para proportionsar un rendimiento eficiente.
Para la operación más eficiente y silenciosa:
No use mas de tres codos de 90^
- Asegürese de que haya un minimo de 24 ("61.0 cm) de ventilacion recta entre los codos si se usa mas de 1 dato.
- No instales 2 codos jintos.
- Use abrazaderas para sellar todas las juntas en el sistemas de ventilacion.
- El sistemas de ventilacion deben tener un regulator.
- Use calafateo resistente a la intemperie para sellar la pared exterior o la abertura del techo alrededor de la tapa.
- El時間 de la ventilación debe ser uniforme.
Instalaciones de clima frio
Se debe instalar una compuerta de contraflujo adicional para minimizar el flujo de aire bajo arias. Se debe instalar un corteTERMICO para minimizar la conducccion de temperatas externas como parte del systema de ventilacion. El amortiguidardebe estaran ellado del aire frido de la rotura de puente termico.
El corte temico debe ser lo mas cercano possible al lugar El planta de ventilacionenta a la parte calentada de la casa.
Instalaciones tíicas del Sistema de Ventilación en Línea
Se necesita un sistemas de ventilacion redondo de 8''(20,32cm) -10" (25,4 cm) para la instalacion (no incluido). Las aberturas de entrada y calidad del sistemas de ventilacion en linea son de 10 "(25,4 cm) redondas. La abertura del escape (salida) en la campana extractor también debe ser de 10''(25,4cm) -8"(20,32cm) redondos.
NOTA: No se recomienda ventilación flexible. La ventilación flexible crea contrapresión y turbulencia de aire que reduce en gran medía el funcionaimiento. El sistema de ventilación pueda terminar a工程技术 o la pared.
NOTA: La madera contrachapada se pueda usar como una base de montaje para abarcar las areas abiertas entre las vidas del techo y las vidas. Si se usa, asegürese de usar madera contrachapada capaz de soportar el peso del sistemas de ventilador en linea (50 lb [22.6 kg]).

A. Montaje de las vivas en techo.
C. Conductos horizontales; monte a travesaños atados a armaduras.
B. Montaje desdetravesanos atadosaarmaduras.
D. Monte en la parte inferior de las vivas del techo
E. Madera contrachapada
Especificaciones Eléctricas
Observe todos loscottos yordenanzas aplicables.
Asegürese de que la instalación electrica sea adecuada y en conformidad con el National Electrical Code (Cólico Nacional Eléctrico), ANSI/NFPA 70 (última &, o las normas de CSA C22.1-94, Canadian Electrical Code (Cólico canadiense de electricidad), Parte 1 y C22.2 N° 0-M91 (última &, y todos loscottos yordenanzas locales).
Si loscottigos lo permiten y se emplea un alambre de conexión a tierra分开, se recomienda que un electricista competente determinase si la trayectoria de conexión a tierra es adequada. Usted pueda Obtener una copia de las normas de loscottigos arribaindicadas en:
- Se necesita un circuito eletrico de 120 voltios, 60 hertzios, CA solamente, de 15 amperios y protegido con fusibles.
- Si la casa tiene cableado de aluminio, siga el procedimiento a continuación:
1 Conecte una seccion de alambre de cobre solido a los conductores flexibles.
2 Conecte el cableado de aluminio a la seccion anadida de alambre de cobre usingo connectores especiales y/o herramrientas diseñadas y de la lista de UL para unir el cobre al aluminio.
Siga el procedimiento recomendado por el fabricante del conector electrico. La connexion de cobre/aluminio deben hacerse en conformidad con los@c Rodrigos locales y las practicas de cableado aceptadas por la industria.
- Debe provearse un protector de cables aprobado por UL o CSA a cada extremo del cable/conducto de suministro de energia (en la caja de empalmes).
- Los tamanos de los cables deben hacer de acuerdo a los requisitos del National Electrical Code (Cólico Nacional Eléctrico), ANSI/NFPA 70 (últimaedbación) o las normas de CSA C22.1-94 Canadian Electrical Code (Cólico Canadiense de Electricidad), Parte 1 y C22.2 N° O-M91 (últimaedbación), y todos loscottigos yordenanzas locales.
INSTRUCCIONES DE INSTALLACION
Preparación de la ubicación
- Antes de hacer los recortes, asegúrese de que haya una distancia adecuada bajo del techo o la pared para la ventilación del escape.
- Cuando corte o taladre en el techo o la pared, no dañe el cableado electrico u除外nasmericanas ocultas.
- Verifique que todas las piezas de instalacion se hayan eliminado de la casa de envio.
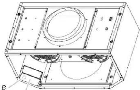
NOTE: Para el correcto funciona de su sistemas de soplador en linea, deben quitar el soplador interno del motor de la campana extractor.
Retire el ventilador interno del motor de la campana extractor
1 Retire los filtros de grasa de la campana extractor.
2 Desconecte el cable de alimentacion del soplador de la caja de cable.

A. Conector de caja
B. Cable de alimentación
A. Para modelos de motor simple (ECL630S4, EVV636S1, EVV648S1, EVI642S1, EVI648S1, ELN630S2, EAR628S4)
1 Retire los tornillos de montaje del ventilador.
NOTA: para el Modelo ELN630S1, deben quitar los tornillos de montaje de la parte superior de la carcaja de la campana.

2 Libere los dos resortes del ventilador de la parte superior de la carcaja de la campana extractor.

3 Para los modelos EVV648S1, EVV636S1 es besoino retardar las graseras y el espaciador de la campanana.


A. Tornillos
B. Espaciador
4 Retire el motor interno de la campana.

5 Instale los soportes rectangulares (incluidos en el kit) con tornillos (4) 4.2 × 8 mm .
6 Instale los filtros de grasa, la traversa y las grseras.

A. Soportes rectangulares
B. Tornillos
B. Para los modelosde motor doble (ECL136S4, ECL142S4, ECL148S4, ELI142S2, ELI136S2, ETR134S1, EAR140S4, EAR146S4, EAR134S4, ELN136S2, ELN142S2, ELN148S1)
1 Retire los tornillos de sujeción y las rondanas planas

A. Tornillod de seguidad con rondana
B. Agujero de montaje
2 Para los modelos ELN136S2, ELN142S2, ELL136S2, ELL142S2, EAR134S4 es besoino retirar los tornillos de instalacion del motor, desde la parte superior de la campana.

3 Retire la placac de montaje del motor liberando el clip de resorte. NOTE: El clip de resorte debe estar fuera de la ranura en la placac de montaje.


A. Placa de montaje B. Clip
4 Deslice los cables de la fuente de alimentacion y el conector a trovés del orificio en el extremo derecho de la placá de montaje del motor.
5 Deslice la placac de montaje bajo del soporte

6 Instale los filtros de grasa.
Preparación para la Instalación del Sistema de Motor en Línea
El Sistema de ventilador en linea debe sujetarse a una estructura segura del techo, el techo, la pared, el piso o la construccion de un armazon nuevo o existente. Los 4 orificios del lado de entrada (inferior) o de salute (superior) del ventilador deben usarse para montar el Sistema en linea en la estructura.
NOTE:Lasubicacionesde los orificios de montaje deben abarcarlospostes.Espossibleque se requieraunmarode montante adicular.Na madera contrachapada sepuede usar para abarcarareas abiertasentre las vivas del techo o las vivas del techo para ayudar a la instalacion.Esta estructuradebeserlo suficientemente fuerte como para soportarel peso delsystemadeventiladorenlinea(50lb[22.6kg]min).
Preparación del Sistema de Motor en Linea
ADVERTENCIA
Peligro de peso excessivo
Use dos o más personas para mover e instalar la campana extractora.
De lo contrario, pueda producirse una lesión en la espalda u.
otro tipo de lesión.
- Desconecte la corriente.
2 Determine qué método de ventilación使用者: escape de techo o pared.
3 Con dos o más personas, mueva el Sistema del motor del soplador en linea a laubicación de montaje.
4 Retire los 10 tornillos de la cubierta frontal de la carcas del motor del ventilador en linea y dejanos a un lado.
5 Retire la cubierta frontal de la carcasa del motor del ventilador en linea y dejela a un lado.
NOTE: Para poder la instalacion del system de
ventilación en linea pueda desinstalar su motor interno.
6 Desconecte el enchufe eletrico del motor del Conjunto del motor del ventilador.
7 Quite los tornillos que aseguran el Conjunto del motor del soplador a la carcasa del ventilador en linea y develos a un lado.
8 Tire del clip de resorte para liberar el Conjunto del motor del ventilador. Retire elconjunto del motor soplador de la carcasa y colóquelo en una superficie cubierta.

A. Cubierta frontal
B. Tornillos de montaje
C. Clip
D. Enchufe eletrico del motor
Instalacion del Sistema de Ventilacion en Linea
NOTE: El Sistema de Ventilación en Linea可以选择 instalarse usingo los 4 orificios del lado de entrada (inferior) o de calidad (superior) del ventilador.


A. Orificios de montaje
1 Coloque la carcasa del motor del ventilador en linea en suubicacion de montaje ymarca las 4ubicaciones de los orificios de montaje.
2 Perfore 4 orificios con una broca de 316 (0.5 cm).
3 Fije la carcasa del motor con (4) tornillos de 6.3x60 mm y (4) rondanas de 4x1.8 (las piezas se incluyen en el kit)
4 Si se retina, vuelva a instalar el Conjunto del motor y asegúrelo con los tornillos que quito anteriormente
5 Si se retina, vuelva a conectar el enchufe eletrico del motor al conector en el Conjunto del motor del ventilador.
Complete la Preparación
1 Determine y realizice todos los cortes necessarios para el sistema de ventilacion. IMPORTANTE: AlURTAR o taladrar en el techo o la pared, no dane el cableado electrico u.Othernasutilidades ocultas.
2 Determine laubicaciondondeelconductode cableado de 1 / 2 (1.3cm) se encaminara atravesc del techo o la pared entre el solpador en linea y la campana extractora.Taladre un orificio 1 / 4 (3,2cm) en estaubicacion.
3 Ubique las cajas de terminales electricas en la carcasa del ventilador en linea y la campana extractor. Retire las cubiertas de la caja de terminales y colocque las cubiertas y los tornillos a un lado.

A A. Caja de terminales B. Knockout electrico
7 Instale el conducto conector y el conducto a la caja electrica del motor en linea y a las cajas de terminales. NOTE: Si se retiro, instale latransacion de la campana.

A. Kit de Motor en linea
B. Caja de terminales de la campana
C. Cableado de la fuente de alimentacion conductor
D. Cabledo del ventilador en linea Conductor (no incluido)
E. Caja terminales del motor en linea
F. Motor electrico en linea Cable de enchufe
4 Retire el knockout eletrico de la caja del ventilador en linea y la campana extractor (consulte las instrucciones de instalacion de la campana extractor) para preparar la instalacion del conducto de cableado y conector de conducto aprobado por UL o aprobado por CSA 1.3 / 2 (1.3cm)
5. Con la campana extractora montada (consulte las instrucciones de instalacion de la campana extractora), pase el conductor de cableado de 12 "1,3 cm) entre la carcasa del motor del ventilador en linea y la campana extractora. Tire de suficiente conductor de cableado de 12 para permitir una fácil conexion de las cajas de terminales de la carcasa del ventilador en linea y la campana extractora.
6 De ser necessario retire la transmisión de la campana.

A. Transition B. Vis de la Transition
8 Conecte el sistemas de ventilacion a la campana extractor y al sistemas ventilador en linea y selle todas las juntas con abrazaderas

A. Sistema de ventilación
B. Motor en Linea
C. Techo
D. Viges / Madera contrachapada
E. Cableado de conductor (no incluido)
F. Cableado a la fuerta de alimentacion
G. Campana
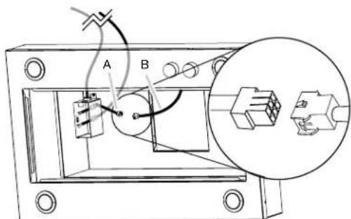
Conexión Eléctrica del Sistema de Ventilación en Linea
ADVERTENCIA
Peligro de Choque Eléctrico
Desconecte la energia antes de dar servicios.
Reemplace todas las piezas y paneles antes de operar.
De lo contrario, puis de provocar la muerte o una descarga electrica.
ADVERTENCIA
Peligro de Choque Eléctrico
Soplador de tierra electrico.
Conecte el cable de tierra al cable de tierra verde y amarillo en la caja de terminales.
De lo contrario, puede provocar la muerte o una descarga electrica.
NOTA: Se anexa el esquema de diagrama electrico al final de documento.
- Desconecte la corriente.
2 Conecte los cables del conductor de cableado a los cables del cable del enchufe electrico del motor bajo de la caja de terminales de la caja del ventilador en linea.
3 Use conectores de cables aprobados por UL y conecte los cables negros (C).
4 Use connectores de cables aprobados por UL y conecte los cables blancos (D).
5 Use conectores de cables aprobados por UL y conecte los cables rojos (E).
6 Use conectores de cables aprobados por UL y conecte los cables azules (F).
7 Use conectores de cables aprobados por UL y connecte los cables grises (G).
8 Conecte el cable de tierra verde (o verde / amarillo) del conductor de cableado al cable de tierra verde (o amarillo/verde) (H), blanco y negro en la caja de terminales uso conectores de cables aprobados por UL.

A. Conducto de cableado de 1/2" aprobado por UL o por CSA
B. Conectores
aprobados por UL
C. Cables negros
D. Cables blancos
E. Cables rojos
F. Cables azules
G. Cables grises
H. Cables verdes (o amarillos/verdes), negro y
blanco.
I. Cable de enchufe
electrico del motor
9 Una vez que se realiza la connexion, esnecessaryajustar el conector de 9-6 cables con el cincho incluido.

10 Vuelva a instalar la cubierta y los tornillos de la caja de terminales del ventilador en linea.
11 Vuelva a instalar la cubierta frontal de la carca sa del venti lador en linea y asegurela con 10 tornillos de montaje.
Conexión electrica entre la campana y el sistema de soplador en linea
1 Con la campana extractora montada (consulte las instrucciones de instalacion de la campana extractora), ubique el conector del cableado bajo de la campana extractora.

A.Caja de terminales de la campana
B. Knockout para cable de 9 guías
C. Cable de 9 guías (incluido en el kit)
D. Cableado de la fuente de
alimentación conductor
2 Conecte el Conjunto de conductor de 6 cables suministrado con el sistema del motor del soplador en linea al conductor de acoplamento de la campana extractor

A. Enchufé électrique (incluido en el kit)
B. Conector de la campana
3 Instale los aliviadores de tension homologados o aprobados por UL. Deslice a工程技术 el conector de 6 cables y el conductor de cabledo del solpador en linea (no incluido, dejando suficiente longitud del cable para realizar las conexiones del cableado).
4 Apriete los tornillos de alivio de tension.
5 Conecte los cables del ensamble del conector de 6 cables a los cables del conductor de cableado bajo de la caja de terminales de la campana extractor.
6 Conecte llos cables del mesmo color entre s (negro a negro, blanco a blanco, etc.) usingo connectores de cables aprobados por UL. NOTE: Conecte el cable de tierra verde (o verde / amarillo) del conductor de cabledo al cable de tierra verde (o desnudo) de la fuente de alimentacion domestica y al cable de tierra verde / amarillo del conjunto de conector de 6 cables H) utilizingo connectores de cables aprobados por UL (consulte la seccion "Hacer conexiones de la fuente de alimentacion electrica a la campana extractor" en las instrucciones de instalacion de la campana extractor).

A. Conducto de cableado de 1/2" aprobado por UL o por CSA
B. Conectores
aprobados por UL
C. Cables negros
D. Cables blancos
E. Cables rojos
F. Cables azules
G. Cables grises
H. Cables verdes (o amarillos/verdes)
I. Cable de enchufe electrico del motor
7 Conecte el cableado de la fuente de alimentacion domestica a la campana extractor siguiendo las instrucciones que se suministran con la campana extractor.
8 Vuelva instalar la tapa de la caja de terminales de la campana extractor.
9 Vuelva a conectar la potencia.
NOTE: Para los modelos de campana EVV636S1, EVV648S1, EVI642S1, EVI648S1 siga las siguientes instrucciones. NOTE: Para los modelos de campana EVV636S1, EVV648S1, EVI642S1, EVI648S1 utilise el enchufe electrico de 9 cables.
1 Con la campana extractora montada (consulte las instrucciones de instalacion de la campana extractora), ubique el conector del cableado bajo de la campana extractora.
2 Desconecte el conector del ventilador del inserto de la campana.

B. Smart de la campana
3 Instale el soporte del conector con tornillos (2) 4.2 × 8 ~mm incluidos en el kit; colque el conector de la campana en la cavidad del soporte.

A. Conector de la campana
B. Soporte de conector
4 Conecte el Conjunto del conductor de 9 cables suministrado con el sistema del motor del ventilador en linea al conductor de acoplamento de la campana extractor.

5 Retire los tornillos y la tapa de la caja de terminales de la campana.
6 Retire el knockout electrico de naca de terminales de la campana.

A. Tapa de la caja de
termianles
B. Knockout
7 Instale los aliviadores de tension homologados o aprobados por UL. Ejecute a工程技术 de los relos de tension el conductor de 9 cables y el conductor de cabledo del soplador en linea (no incluido,øjando sufiente longitudinal de cable para realizar las conexiones del cableado).
8 Apriete los tornillos de alivio de tension.

A. Conducto de cableado del
kit (no incluido)
B. Conector de 9 cables
C. Conector de la campana
D. Aliviadores de tension
9 Retire el aliviador de tension de la caja de terminales de la campana, pase el cable de tierra verde (o verde/amarillo) desde el conductor de cableado. Instale y apriete el aliviador de tension.

A.In-LineBlowerwiringconduit
(not included)
10 Conecte los cables del Conjunto del conector de 9 a los cables del conductor de cableado bajo de la caja de terminales de la campana extractor.
11 NOTE: Conecte el cable de tierra verde (o verde / amarillo) del conductor de cableado al cable de tierra verde (o desnudo) de la fuente de alimentacion domestica y al cable de tierra verde / amarillo delconjunto de conector de 9 cables (H)utilizando conectores de cables aprobados por UL (consulte la seccion"Hacer conexiones de la fuente de alimentacion electrica a la campana extractor" en las instrucciones de instalacion de la campana extractor).

A. Conducto de cableado de 12
aprobado por UL o
por CSA
B. Conectores
aprobados por UL
C. Cables negros
D. Cables blancos
E. Cables rojos
F. Cables azules
G. Cables grises
H. Cables verdes
(o amarillos/
verdes)
I. Cable de enchufe
electricond motor
12 Conecte el cableado de la fuente de alimentacion domestica a la campana extractor siguiendo las instrucciones que se suministran con la campana extractor.
13 Vuelva a instalar la tapa de la caja de terminales de la campana extractor.
14 Vuelva a conectar la potencia.
PARAOBTENER SERVICIO DENTRO DE GARANTIA
El propietario debe presentar su recibo original de la compra. Guarde por favor una copia de su recibo de compra como prueba, para recibir el serviceo dentro del periodo de garantia.
PARTES Y GARANTÍA DE SERVICIO
Por el periodo de dos (2) años desde la Fecha original de la compra, Elica proveerá,).(2) y el quen.
O componentes que hayan fallado bajo a defectos de fabricacion.Durante these dos (2) años de garantia limitada, Elica también proveerá Gratisamente, todo el service en casa y mano de obr necessities para reemplazarrialquier parte defectuosa.
QUE NO ESTÁ CUBIERTO
- Daños o fallas del producto causados por accidente o actos de Dios, tales como inundaciones incendios o terremotos.
- Danos o fallas causadas por alteracion del producto o por el uso de partes no-originales.
- Danos o fallas del producto causados durante la entrega,管理和 instalación.
- Danos o fallas del producto causados por abuso del usuario.
- Danos o fallas del producto causados por reemplazo de fusibles dañados o reseteo de interruptor de circuito.
- Daño o fallas causados por el uso del producto en un ambiente comercial (no doméstico).
- Viajes de servicios para proporcionar orientacion de uso o instalacion.
- Bombillas, filtros de carbón o metal y;qualquier other parte consumible.
- Desgaste normal.
- Desgaste terminal bajo a abusos del usuario, mantenimiento inadequado, uso de produits / toallas de limpieza corrosivos o abrasivos y por uso de limpiadores para hornos.
QUIEN ESTÁ CUBIERTO
Esta gantia se extende al comprador original de products adquiridos para uso residencial en Norte Amrica (incluyendo Estados Unidos, Guam, Puerto Rico, Islas Virgenes de EU y Canadá).
Esta garantia no es transferible y aplica solamente al comprador original y no se extende a propietarios subsequentes del producto. esta garantia se expresena en lugar de others garantias, expresadas o implicadas, incluyendo, pero no limitada a minuna garantia implicada de commercializacion o adaptada para propositos particulares yrialquier otra obligacion por parte de Elica North America, considerando, sin embargo, que si la negacion de garantias implicitas es inefectiva bajo la ley aplicable, la duracion de qualier garantia implicita sera limitada a dos (2) anos desde la fecha original de comprar o por el periodo necessario como searequiredo por la ley aplicable.
Esta garantía no cubreequalquier daño especial, incidental y/o consecuente, ni perdidas de ganancias, sufridas por el comprador original, sus clientses y/o usarios del producto.
A QUIÉN CONTACTAR
Para Obtener Servicio bajo Garantía o para cadaquier pregunta relacionada a Servicio:
Favor delamar a:
Servicio Elica North America, Ilame a 1-888 732 8018
- Para el Este de Canadá, llame a Servicios AGI a 1-888 651 2534. Pregunte por el Departamento de Servicio al Cieite
- elica@servicepower.com

ManualFácil