E186 - Bomba de agua Zoeller - Manual de uso y guía de instrucciones gratis
Encuentra gratis el manual del aparato E186 Zoeller en formato PDF.
Descarga las instrucciones para tu Bomba de agua en formato PDF gratis! Encuentra tus instrucciones E186 - Zoeller y toma tu dispositivo electrónico nuevamente en la mano. En esta página están publicados todos los documentos necesarios para el uso de su dispositivo. E186 de la marca Zoeller.
MANUAL DE USUARIO E186 Zoeller
Aviso al contratista instalador: Las instrucciones deben permanecer con la instalacion.
Visite a nthesto sitio web:
zoellerpumps.com
La informacion presentada adentro refleja conditiones al tiempo de publicacion. Consultar la fabrica sobre discrepancies o contradeciones.


55, 57 bombs alimentadas por
Zoeller Motor Works
INSTRUCCIONES DE INSTALLACION MODELOS RECOMENDADOS
Muchos produits Zoeller contienenemarks registrações para el Diseño y/o el color verde: EEEUU # 4,849,524 / # 5,024,907
EFLUENTES*/SUMIDERO/ACHIQUE AGUAS NEGRAS
| Series 55 / 59, 139 | |
| Series 140 / 4140, 145 / 4145, 160 / 4160 Series 270 / 4270 | |
| Series 180 / 4180, 191, 371, 372, 373 Series 280 / 4280, 290 / 4290 |
AVISO: AGUJERO DE VENTILACION PARA LA VALVULA DE RETENCION, VEA EL NRO.3 EN LA SELECTION DE PRECAUCIONES A CONTINUACION Y EL NRO.4 EN LA PAGINA 7.
* En los sistemas de efuentes se deben especificar que las bombas no impulsen solidos que sean mayores de 19 mm (3/4 pulg.) para evitar la entrada de solidos grandes en Campos de drenaje, sistemas de monticulos, etc. La series 70iene capicidad para 9 mm (3/8 pulg.),las series 50,140/4140,371 y 372 de 13 mm (1/2 pulg.), la series 130 de 16 mm (5/8 pulg.), y las series 145/4145, 160/4160, 180/4180, 373 de 19 mm (3/4 pulg.) Si los@ciglos lo permiten, en los sistemas de efuentes se pueda utilizear bombas para aquas negras. Se recomienda utilizing bombas no automaticas con control de nivel externo para impulsar efuentes en fosas septicas.
LISTA DE VERIFICACION DE PRE-INSTALACION - TODAS LAS INSTALLaciones
- Inspeccione todos materiales. Ocasionalmente, los products se dañan durante el envio. Si la unidad está dañada, comuniquese con su vendedor antes de usarla. ND quite los tapones de prueba de la bomba.
- Lea cuidadosamente toda la literatura provista para familiarizarse con los detalles espécicos relacionados con la instalación y uso. Estos materiales deben guardarse para referencia futura.



- Para reducir el riesgo de descarga electrica, se debe instalar un tomacorridente propiamente connectado a tierra o una caja de control según loscottigos gombrientes. Nunca se debe quitar la clavija de puesta a tierra.
- Asegürese de que el tomacorriente o caja de control está al alcance del cable de alimentación electrónica de la bomba. NO USE UN CABLE DE EXTENSION. Los cables de extension que sonblemado largos o livianos no suministran voltaje suficientie al motor de la bomba y presentan un peligro a la seguridad si elaislante se daña o el extremo de conexión cae Dentro de unaarea mojada.
- Asegürese de que el circuito de alimentación electrica de la bomba está equipado con fusibles o interruptores de circuito de capacité adecuada. Se recomienda un circuito auxiliar, del tiempo deewaredo a loscottigos electricos para la corriente que se muestra en la etiqueta de nombre de la bomba.
- Prueva de puesta a tierra. Como medida de seguidad, cada tomacorriente debe verifies para pesta a tierra using an analizador de circuitos, el cual indica si los alambre de energia, neutrales y de pesta a tierra estan connectados correctamente a su tomacorriente. Si no lo está, llama a un technician electricista calificado.
- PARA SU PROTECCION, SIempre DESCONECTE LA BOMBA DE LA FUENTE DE ALIMENTACION ELECTRICA ANTES DE MANIPULARLA. Las bombas monofasicas se suministran con enchufes de 3 patillas con esta a tierra son diseñados para poder un protegerle contra la posididad de descarga electrica NO RETIRE BASO NINGUNA CIRCUNSTANCIA LA CLAVIJA DE PUESTA A TIERRA.
- La instalacion y verificacion de la bomba, de los circuitos electricos y del equipo deferan llavearse a cabo por un technician electricista calificado.
- Riesgo de descarga electrica. No quite el cable de alimentacion electrica ni el dispositivo de alivio de tension y no conecte un conductor directamente a la bomba. Si está daado el cable electrico se debe replacerlo un representante autorizzato por Zoeller.
- La bomba contiene aceite, lo que se pone presurizzato y caliente cuando funciona. Permita 2-1/2 horas antes de disconnectar la bomba antes de Manipularla.
- No use la bomba para agua potable porque el aceite en la bomba lo能把 contaminar.
- Riesgo de descarga eletrica. No se ha investigado el uso de estas bombas en areas marinas y en piscinas.
- Advertencia para residentes de California sobre la Prop65: Cancer y daños reproductivos- www.P65Warnings.ca.gov.



- Asegurese de que la fuente de energia electrica sea capaz de manejar los requisitos de voltaje del motor, segun se indica in la etiqueta de nombre de la bomba.
- La instalación de bombas automaticas con interruptores de flotador de nivel variable o las bombas no automaticas que usan interruptores de flotador de nivel variable auxiliares es la responsabilidad del instalador y deben verificarse que el interruptor de flotador atado no se enganchará en el aparato de la bomba ni en las peculiarias del fosó y que está fijiado de manière que permitla parada de la bomba. Se recomienda usar tuberia y empalmes rígidos y que el fosóonga 46 cm (18 pulp.) o más de diamétrto.
- Agujero de ventilación. Esnecessaryque todas las bombas sumergibles de sumidero, effuentes y de agua negras capaces de manejar residuos solidos de various tamaños tengan la entrada en la parte inferior para reducir el atascimiento y las fallas del sello. Si se incorporates a la instalacion una valvula de retencion, deberá perforarse un agujero de ventilacion de aprox. 5 mm (3/16 pulg.) en la tuberia de descarga bajo de la valvula de retencion y de la tapa del fosso a fin de purgar la unidad del aire atrapado. Debera revisarse periodically el agujero de ventilacion para vericar que no este atascado. Un agujero de ventilacion en una aplicacion de carga elevada podra causar demasiada turbulencia. Si decide no perforar un agujero de ventilacion, asegürese de que la caja de la bomba y el impulsor esten cubiertos de liquido antes de connectar la tuberia a la valvula de retencion y que no haya ningun tipo de entrada de aire en la via de entrada de la bomba. NOTE: EL AGUJERO TAMBIEN DEBERA ESTAR POR DEBAJO DE LA TAPA DEL SUMIDERO Y SE DEBERA LIMPIARLO PERIODICAMENTE. Se vea un chorro de agua saliendo del agua durante los periodos de bombeo.
- Se debe revisar la bomba frecuentemente para asegurar de que no hay escom-bros y/o accumulatorqueoulda interferir conla posicion "on" (encendido) o off (apagado) del flotador. La reparacion y serviceodeferahacerse solamente por personal de un centro autorizzato de servicey y garantia por Zoeller Pump Company.
- La temperatura de functionamento Tmaxa para bombas de modelo estandar no depe superar 54^ (130^) . La temperatura maxima de las series 70 no debe superar 43^ (110^) . La temperatura maxima de las series 73 75 no debe superar 40^ (104^) .
- No opere la bomba en una aplicaciononde la carga dinamica total sea menor que la carga dinamica total minima que se indica en la curva de rendimiento de la bomba.
- Por razones de salute, no desenchufe, apague o desactive la bomba para llenar un fregadero o tina de lavanderingia, etc.
- Las bombas se deben instalar conforme al Códico Eléctrico Nacional y a todos loscottigos yordenanzas locales que correspondan. Las bombas no se deben instalar en situos peligrosos conforme a la clasificacion del Códico Eléctrico Nacional, ANSI/NFPA 70.
AVISO: Las bombas con la marca "UL" y "US" han sido probadas de ayerdo al estandar UL78. Las bombas "aprobadas por CSA" estan certificadas de ayerdo al estandar CSA C22.2 No. 108.
REFIERASE A LA GARANTIA EN LA PAGINA 6.
GARANTÍA LIMITADA
El Fabricante garantiza, al comprador y el propietario subsiguiente durante el periodo de garantía, que cada producto nuevo está libre de defectos en materiales y mano de obr bajo conditiones de uso y增值服务 normales, cuando se usa y mantiene correctamente, durante un periodo de un a loar a partir de laecha de compra. Se requires evidencia de compra. Las partes que fallen durante el periodo de garantía, cuyas inspections determinen que presentan defectos en materiales o mano de obr, seran reparadas, reemplazadas o remanufacturas a OPCION del Fabricante, con la condidion sin embargo de que por hacer lo no estemos en la obligation de reemplazar un ensamblaje completo, el mecanismo entero o launidad completa. No se dará concisión alguna por costos de envio, daños, mano de obr u othercargas que pudieran surgir por falla, reparacion o reemplazo del producto.
Esta garantía no aplicá a y no se-ofrecerá garantía alguna por ningún material o producto que haya sido desarmado sin aprobación previa del Fabricante, o que haya sido sometido a uso indefinido, aplicación indefinida, negligencia, alteración, accidente o acto de naturaleza; que no haya sido instalado, uso o mantenimiento según las instrucciones de instalación del Fabricante; que haya sido expuesto a sustancias foranesa que incluyen pero no se limitan a lo suegidiente: arena, grava, cemento, lodo, alquitrán, hidrocarburos, derivados de hidrocarburos (aceite, gasolina, solventes, etc.), u otheras sustancias abrasivas o corrosivas, toallas para lavar o productos sanitariosomeninos, etc. en todas las aplicaciones de
bombeo. La garantía presentada en el párrafo anteriordea sin efectoequalquier otra garantía expresa o implicita; y no autorizamos a ningún representante u other persona para que asuma por nosotros Ninguna other responsabilidad con respecto a.nuestros products.
Comuniquee con el Fabricante en 3649 Cane Run Road, Louisville, KY 40211 EE.UU. Attention: Customer Support Department, para Obtenerequalquier reparacion necessitieso reemplazo de partos o informacion adiconional sobre notrestra garantia.
EL FABRICANTE EXPRESAMENTE RECHAZA RESPONSABILIDAD POR DANOS ESPECIALES, EMERGENTES O INCIDENTALES O POR INCUMPLIMIENTO DE LA GARANTIA EXPRESA O IMPLICITA; Y CUALQUIER GARANTIA IMPLICITA DE IDONEIDAD PARA UN FIN PARTICULAR Y DE COMERCIALIZACION SE LIMITAR A LA DURACION DE LA GARANTIA EXPRESA.
Algunos Estados no permiten limitaciones en la duracion de una garantia implicita, de forma que la limitacion anterior podra no aplicar a usted. Algunos Estados no permiten la exclusion o limitacion de daños incidentales o emergentes, de forma que la limitacion o exclusion anterior podra no aplicar a usted.
Esta garantía le otorga austed derechos legales espécíficos y podra tenerthers droits que varian de un estado a除外.
En los casos en que ocurren daños a la propidad como consecuencia de un supuesto fallo del producto, el propietario de la propidad debe conservar el producto con fines de Investigación.
LO QUE DEBE Y NO DEBE HACER PARA INSTALAR UNA BOMBA DE SUMIDERO
- LEA todo el material sobre la instalacion provisto con la unidad.
- INSPECCIONe lainstitution para ver si hayequalquier dañovisible causado durante el envio.Comuniquese con el vendedor si lainstitution está danada.
- RETIRE todos los escombros del sumidero. Asegúrese de que la bomba se apoyoará sobre una superficie dura, plana y estable. NO LA INSTALE sobre arena, grava o tierra.
- ASEGURESE de que la area sea suficientemente grande para permitir elfuncionamento correcto de los interruptores de control de nivel.
- SIEMPRE desconecte la bomba de la fuente de alimentacion elctrica antes de Manipularla.
SIEMPRE conecte la bomba a un circuito protegado separatamente y con puesta a tierra adecuado.
NO corte, empalme o dané el cable de alimentación electrica. (Empalme únicamente cuando hay una caja de conexión herética.)
NO transporte o levante la bomba por su cable de alimentacion electrica. NO use un cable de extension.
- INSTALE una valvula de retencion y una unión en la tuberia de descarga.
NO use una tuberia de descarga de menor時間 que la descarga de la bomba.
- NO estaunidad para bombear gasolina uothers liquidos peligrosos.
- PRUEBE la bomba inmediamente antes de su instalacion para asegurar de que el sistema funciona correctamente.
- EXAMINE todos loscottigobavernantes yverifique que la instalacion estede acueroacadauno deellos.
- CONSULTE con el fabricante si necesita aclaraciones o Tiene preguntas.
- CONSIDERE un Sistema de dos bombas con alarma en donde la instalacion peutesobrecargarse o la falla de una bomba primaria causaria daños a la propidad.
- CONSIDERE un Sistema de apoyo de CD en donde una bomba de achique o sumidero es necesaria para prevenir daños a la propidad debido a inundación causada por interruptions en el suministro de energia electrica, problemas mecánicos o electricos, o sobrecarga del sistema.
- INSPECCIONE y pruebe el funciona del sistemas por lo menos cada 3磨损.
LISTA DE VERIFICACION DE SERVICIO
| CONDICION CAUSAS COMUNES | ||
| A. La bomba no arranca o no funciona. | Verifique elfuse, voltaje bajo, proteccion contra sobrecarga abierta, cableado abierto or incorrecto, interruptor abierto, impulsor o sello trabajo mecanciamente, motor o cableado eletrico en corte circuito. Conjunto del flotador enganchado. Dañado o fuera de punto. | |
| B. El motor se sobrecaliente y activa la proteccion contra sobrecarga o desconecta el fusible. | Voltaje Incorrecto, energia (descarga abierta menos de lo normal), impulsor o sello trabajo mecanciamente, motor en corte circuito. | |
| C. La bomba se encienda y se apaga muy a bajo. | El flotador está apretado en la varilla, la valvula de retencion está atascada o no hay una instalada en una linea de larga distancia, proteccion contra sobrecarga abierta, foso del sumidero demasiado微量元素. | |
| D. La bomba no se apaga. | Hay escombros bajo delconjunto del flotador, el flotador o la varilla del flotador está travaados por los lados del foso uOthers, dañado o fuera de punto. | |
| E. La bomba funciona pero sin o con poca agua. | Verifique la entrada, la caja del filtro y la tuberia de descarga, el agujero de ventilacion debe estar sin obstrucciones. La carga de descarga excede la capacité de la bomba. El agua de entrada contiene aire o hace que el aire entre en la bomba.Rotacion incorrecta del motor. (bombas trifasicas solamente) | |
| F. Caida en la energia y/o canalidad despues de un periodo de uso. | Aumento de friccion en la tuberia, linea o valvula de retencion atascada. Material abrasivo o productos químicos adversos podrián haber deteriorado el impulsor o la carcasa de la bomba. Revise la linea. Quite la base e inspeccione. | |
| G. El tanque o los acoplamentos tienen fugas. | Apriete cuidadosamente las juntas de la tuberia (utilice lubricante para tuberia) y los tornillos. Verifique laubicacion de la empaquetadura, apierte la tapa de manera uniforme. No apierte en excesso los acoplamente os los tornillos. | |
Si la lista de verificacion arriba mentionada no revela el problema, consulte con el departamento de Product Support. No intente proportionar algo增值服务 o desarmar la bomba. Los centers de service autorizadas por Zoeller deben proportionar dicho增值服务.
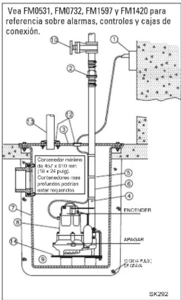
INSTALACION RECOMENDADA PARA TODAS LAS APLICACIONES
- El cableado y la proteccion electrica deben estar de acuerdo con los@cuidos electricos goverantes.
- Instaleel "Unicheck" (combinacion de union y valvula de retencion) apropiado de Zoeller, bajo el estanque para que se pueda qutar fácilmente la bomba para su limpieza o reparacion. Si require instalacion de energia elevada o por debajo de la tapa, use 30-0164 en tuberia de DN40 (1-1/2 pulg.), 30-0152 en tuberia de DN50 (2 pulg.) y 30-0160 en tuberia de DN80 (3 pulg.).
- Todas las instalaciones requiren una tapa para prevenir que escombros caigan dentro del estanque y prevenir lesiones accidentales.
- Cuando instale un "Unicheck", perfore un agujero de 5mm (3/16 pulg.) de diametro en la tuberia de descarga al mesmo nivel de la parte superior de la bomba. NOTE: EL AGUJERO TÁMBIEN DEBERA ESTAR POR DEBAJO DE LA TAPA DEL ESTANQUE Y SE DEBE LIMPIARLO PERIODICAMENTE. (Para unidades de carga elevada, ver el número 3 de la lista de "Precauaciones" en la pagea 5.) Se vea unchorro de agua saliendo del agujero durante los periodos de bombo.
- Fije firmamente el cable de alimentacion eletrica al tubo de descarga con cinta o abrazadora.
- Use tuberia de descarga de時間整個.
- El contentedor para agua debe estar de acuerdo con los@cuidos y las
especificaciones aplicables. -
La bomba debe estar nivelada y el mecanismo del flotador libre de los lados del contentador para agua antes de encender la bomba.
-
El contentador para agua debe estar limpio y libre de escombros antes de la instalacion.
- El instalador deben suminiar una valvula de passage directo, de apago o bola y instalarla de acuerdo con cualesquiera y todos los@c Rodrigos.
- Laubicacion de los interruptores de flotador es como se muestra en los esquemas. El punto "off" (apagado)Debe estar por encima de la carcaja del motor y a 180^ de la entrada. Nunca ubicar el punto "off"debajo de la entrada de la bomba.
- Los sellos herméticos contra gases son necessarios a fin de CONTENER LOS GASES Y OLORES.
- Ventile los gases y olores a la atmósfera a工程技术 del tubo de ventilación. Debe cumplir con loscottigos locales, pero no es obligatorio para el achique.
- Instale el soporte para bomba Zoeller (Modelo 10-2421) bajo de la bomba para proportionsar un sumidero de decantacion (solo para efluente y achique).
- Una caja hermética de control optional está disponible. Vea FM1597 para detalles.
- Para determinar la posicion de los interruptores "on-off" (encendido-apagado), ver los estandares nationales y locales.
- Se debe usar tubos verticales en la fosa séptica para tener fácil acces a la bomba los 控roles y al bajo.

INSTALACION TIPICA PARA ACHIQUE

INSTALACION TIPICA PARA AGUAS NEGRAS
INSTALACION TIPICA PARA EFLUENTES

Todas las instalaciones deben estar en el caso de la instalacion y de instalacion sanitaria aplicables, incluyendo, pero sin limitarse al Codio Elctrico Nacional, los codigos locales, regionales y/o los codigos estates de instalacion sanitaria, etc. No se debeesar las instalaciones en lugares peligrosos.
Métodos Sugeridos Para la Instalación del Flotador
Enamongas instalaciones es deseable instalar un soporte colgante independiente para los interruptores de control de nivel para evaporar posibles enganches en las bombas, tuberia, valvulas, etc. Los soportes colgantes del flotador se pueda comprar de Zoeller Company segun la Hoja de catalogo FM0526,o fabricarse de tuberia y empalmes comunes.

SOPORTE COLGANTE PARA FLOTADOR TIPICO EN FOSOS CON TAPA DE ACERO
SOPORTE COLGANTE PARA FLOTADOR TIPICO EN FOSOS DE CONCRETO O TUBOS VERTICALES PARA FOSAS SEPTICAS

SK1218
INSTALLACION DE LOS MODELOS WD Y WH

011835
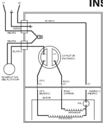
DIAGRAMA DE CABLEADO PARA LOS MODELOS:
WD-230V,1FASE,60HZ
WH-200/208V.1FASE.60HZ
Determinación del rango de bombo en pulgadas (1 pulp. = 2.5 cm)
| Longitud de la atadura | 5 10 | 15 20 22 | |||
| min. m. | áx. | ||||
| Rango de bombeo 91 | 3.5 18 22 | 24 |
Usar solamente como guía. Debido al peso del cable, el rango de bombeo sobre la horizontal no es igual al rango de bombeo bajo de la horizontal. Los rangos se basan en pruebas en conditiones no turbulentas. El rango可以选择 variar debido a la temperatura del agua y a la forma del cable. A medía que augenta la longitude de la atadura, también augenta la variación en el rango de bombeo.

INTERRUPTOR DE 20 AMPERIOS (MODELOS WD Y WH)
Los modelos WD y WH son Completely automaticos. Se incluye un interruptor de fotador con cableado de fibrica en el circuito de la bomba para proveer una operation automática una vez que el interruptor de fotador se haya atado correctamente a la tuberia de salute. Use el diagrama de arriba para asegurar correctamente el interruptor de fotador y Obtener la atadura apropia para adeclar el ciclo de encendido-apagado a cada aplicacion.
Nota: No tener en cuenta los limites adecuados de la atadura podra alterar el funcionaamento seguro del interruptor.
Note: El cable debe ser instalado en posicion horizontal.
INSTRUCCIONES PARA EL CABLEADO MONOFÁSICO


PARASU PROTECCION, SIEMPRESDECONECTE LA BOMBA DE LA FUENTE DE ALIMENTACION ELECTRICA ANTES DE MANIPULARLA.
Las bombas monofasicas se suministran con enchufes de 3 patillas con puesta a tierra para poderle contra la posibidad de descarga electrica. NO RETIRE BAJO NINGUNA CIRCUNSTANCIA LA CLAVIJA DE PUESTA ATIERRA. Los enchufes de 3 patillas se deben introducir en un tomacorriente para 3 patillas apropiado. Si la instalacion no posee un tomacorriere de este tipo, se debe cambiar por uno apropiado, cableado y con puesta a tierra de acuero al Codig Eletrico Nacionai y a todas las ordenanzas y codigos locales aplicables.


Riesgo de descarga electrica. No quite el cable de alimentacion electrica ni el dispositivo de alivio de tension y no conecte un conductor en la bomba.

La instalacion y verificacion de los circuitos electricos y del equipo deferan llavearse a cabo por un technician electricista calificado.

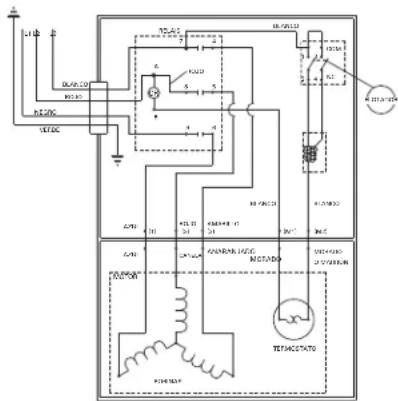
A las unidas que se suministran sin enchufe (monofasico y trifasic) y a las unidas monofasicas no automaticas que poseen un imperios se les debe conectar un control de motor y un control de nivel de liquidos durante la instalacion. Los niveles de voltaje, amperaje, ta tierra y potencia del dispositivo de control deben ser apropiados para la bomba a la cui se conecta.
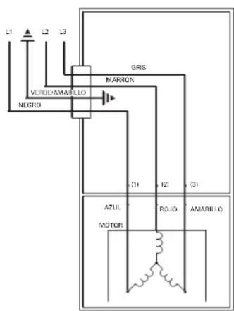
INSTRUCCIONES PARA EL CABLEADO TRIFÁSICO

ADVERTENCIA
PARASU PROTECCION, SIEMPRESDECONECTLA BOMBA DE
LA FUENTE DE ALIMENTACION ELECTRICA ANTES DE MANIPULARLA.
Las bombas trifásicas no son automatías. Para operarlas automáticas se require un panel de control. Siga las instrucciones provistas con el panel para completar el cableado del sistemas. Para bombas trifásicas automatías, ver el diagrama de cableado para bombas trifásicas automatías a la derecha.
Antes de instalar una bomba, verifique la rotacion de laquia para aseguarse de que los cables se hayan conectado correctamente a la fuente de alimentacion electrica y que el conductor verde del cable de alimentacion electrica (ver el diagrama de cableado) está conectado con pesta a tierra adecuada. Active momentaneamente la bomba, observando la direction del retroceso bajo a la torsion de arranque. La rotacion es correcta si el retroceso está en direction opuesta a la flecha de rotacion en la caja de la bomba. Si la rotacion no es correcta, cambiar dos de cualesera de los conductores electricos, excepto el con pesta a tierra, proveerá la rotacion apropiada.
Todas las bombas trifasicasrequireendispositivosdearranque del motor con proteccioncontrasobrecarga.Vea FM0514 para instalacionessimplexoFM0486para instalacionesduplex.Las bombas sedebinstalardeacordoalCógidoElectricoNacional yathersalonerdanzanas ycódigoslocales aplicables.Las bombas no se deben instalar en sitios clasificados comopeligrosos segun elCógidoElectricoNacionalANSI/NFPA70.

NO AUTOMÁTICA
3-F

AUTOMÁTICA
3-F
AVISO IMPORTANTE: Ciertas pólizas de seguro, tanto commerciales como residencias, extienden la cobertura a los daños causados por la falla del producto. En la mayoría de los casos, usted deben conservar el producto para respal DAR su reclamo. Zoeller Pump Co. reemplazará la unidad o reembolsará el precio de compra original una vez que la compañero de seguros liquide el reclamo, en el caso de queusted necesite conservar el producto para respal DAR un reclamo por daños que le haya presentado a su compañero de seguros.
Esta es una traducción de las instrucciones de instalación originales.


ManualFacil