570BFS - Soplador de hojas HUSQVARNA - Manual de uso y guía de instrucciones gratis
Encuentra gratis el manual del aparato 570BFS HUSQVARNA en formato PDF.
Preguntas de los usuarios sobre 570BFS HUSQVARNA
0 pregunta sobre este aparato. Responde a las que conoces o haz la tuya.
Hacer una nueva pregunta sobre este aparato
Descarga las instrucciones para tu Soplador de hojas en formato PDF gratis! Encuentra tus instrucciones 570BFS - HUSQVARNA y toma tu dispositivo electrónico nuevamente en la mano. En esta página están publicados todos los documentos necesarios para el uso de su dispositivo. 570BFS de la marca HUSQVARNA.
MANUAL DE USUARIO 570BFS HUSQVARNA
Lea detenidamente el manual de instrucciones y asegurese de entender su contenido antes de utilizing laquina.

US (2-27)
CA (28-53)
UE (54-79)
Symbols
ACLARACION DE LOS SIMBOLOS
Simbolos
ATENTION! Laquina, si se utilizes de forma erronea o descuidada,uede ser una herramienta peligrosa que pueda causar daños graves e incluo la muerte al usuario y a otheras personas.
Lea detenidamente el manual de instrucciones y asegúrese de "...entender su contenido antes de..."...)...'
Utiliceiami:
- Protectores auriculares
- Protección ocular homologada
Este producto cumple con la directiva CE vigente.
Se deben utilizar guantes cuando sea necessitiesario.
El soplador puede lanzar con violencia objetivos que pueda rebootar. Este puede causar daños graves a los ojos si ni se utilizes el equipo protector recomendado.
El operario del aventador de hojas deben ciderar que ninguna persona ni animal se acerque a menos de 15 metros.
Cuando haya varied operarios tratabajando en el mismolugar de trabajo, la distancia de seguridad entre ellosdebe ser de 15 metros.
Utilizar mascarilla respiratoria si hay riesgo de que se levante polvo.







Mantenga todas las partes de su cuerpo apartadas de las superficies calientes.
Las emisiones sonoras en el entorno segun la directiva de la Comunidad Europea. Las emisiones de laquina se indican en el capitulo Datos技术和 en la etiqueta.


Los demás SYMBOLOS/ETQUETAS que aparecen en laquina corresponden a requisitos de homologación espécíficos en determinadosmercados.
Los controlles y/o mantenimiento deben efectuarse con el motor parado, con el botón de parada en la posición STOP.
Use siempre guantes protectores.
Laquina debe limpiarse regularmente.
Control visual.
Debeutilizarse gafas protectoros visor.
Carga de combustible.
Estrangulador en posicion "abierta".
Estrangulador en posicion "cerrada".








INDICE
ACLARACION DE LOS SIMBOLOs
Simbolos 54
INDICE
I ndice 55
INSTRUCCIONES GENERALES DE SEGURIDAD
Generalidades 60
INSTRUCCIONES DE SEGURIDAD
Equipo de proteccion personal 62
Equipo de seguidad de laquina 62
Control,mantimiento y service del equipo de seguidadde laquina 64
Instrucciones generales de trabajo 65
MONTAJE
Montaje del tubo soplador y la empunadura de regulacion 67
MANIPULACION DEL COMBUSTIBLE
Carburante 68
Repostaje 69
ARRANQUEYPARADA
Arranque y parada 70
MANTENIMIENTO
Generalidades 72
Carburador 72
Silenciador 72
Sistema refrigerante 72
Rejilla de la toma de aire 73
Bujia 73
Filtro de aire 73
Correa de los+hombres 74
Programa de mantenimiento 75
DATOSTECNICOS
Datos techniques 76
DECLARACION DE GARANTIA DE CONTROL DE EMISSIONS FEDERAL Y CALIFORNIANA
SUS DERECHOS Y OBLIGACIONES DE GARANTIA 78
siguiente:
Lea detenidamente el manual de instrucciones.

ATENTION! La exposión prolongada al ruido pueda causar daños crónicos en el ofo, Por consiguiente, use siempre protectores auriculares homologados.

ATENCLION! Bajo ninguna circunstancia debe modificarse la configuracion original de laquina sin autorizacion del fabricante. Utilizar siempre recambios originales. Las modifications y/o lautilizacion de accesos no autorizadas能把 occasionar accidentes graves o inclujo la muerte del operador o de terceros.
Su garantía podra no abarcar daños o responsables causados por el uso de accesorios o piezas de repuesto no autorizados.

ATENCLION! Un soplador utilisé de forma erronea o descuidada pueda ser una herramienta peligrosa que pueda causar lesiones graves e incluso mortales. Es muy importante que lea y comprenda el contenido de estas instrucciones.

Husqvarna AB trabajo constantemente para perfeccionar sus productos y se reserva, por lo tanto, el derecho a introducir modificaciones en la construccion y el disen sin previo aviso.

Laquina está disenada y construida solamente para limpiar con aire céspedes, pasadizos, caminos asfaltados y similares.
Para la asistencia al cliente,pongase en contacto con nosotros en是我国的址: www.usa.husqvarna.com
INTRODUCCION
Apreciado cliente:
Felicidades por haber adquirido un producto Husqvarna! La historia de Husqvarna data del ano 1689, cuando el Rey Karl XI encargó la construcción de una fabrica en la ribera del río Huskvarna para la fabricación de mosquetes. Laubicación jusqu al río Huskvarna era lógica, dato que el río se realizaba para tener energia hidráulica. Durante los mas de 300 años de existencia de la fabrica Husqvarna, se hanfabricado productos innumerable; desde estufas de leña hasta modernaskepticas de cocina,keptas de coser, bicicletas, motocicletas,etc.En 1956 se introdujo el primer cortacesped motorizzato, seguido de la motosierra en 1959;y es en este segmento en el que actualmente trabaja Husqvarna.
Husqvarna es hoy uno de los principales fabricantes del mundo de products de bosque y jardín, con la calidad y las prestaciones como principal prioridad. La idea de trabajo es desarrollar, fabricar y commercializar productos motorizados para silvicultura y jardinería, como como para las industrias de construction y obras Públas. Husqvarna tiene como objetivo estar en la vanguardia en lo que respecta a ergonomía, calidad deemploi, seguridad y consideración ambiental; motivo por elrial ha desarllado una series de detalles para melhorar los productos en estas areas.
Estamos convencidos de que usted appreciará con satisfacción la calidad y prestaciones de nuestro producto por是多么 tiempo en adelante. Con la adquisión de uno de nuestros productos, usted dispone de asistencia profesional con reparaciones y servicios en caso de occurrir algo. Si ha adquirido el producto en un punto de compra que no es uno de nuestros concesionarios autorizados, pregunteles por el taller de service más cercano.
Esperamos que suquina le proporcione plena satisfacion y le sirva de ayuda por mucho tiempo en adelante. Tenga en cuesta que este manual de instrucciones es un documento de valor. Siguiendo sus instrucciones (de uso, servicios, mantenimiento, etcétera) pueda alargar considerablemente la vidautilde laquina e incrementar su valor de reventa. Si vende suquina, entrega el manual de instrucciones al nuevo propietario.
Gracias por utiliser un producto Husqvarna!
Husqvarna AB trabaja constanmente para perfeccionar sus productos y se reserva, por lo tanto, el derecho a introducir modifications en la construccion y el diseño sin previo aviso.
Para la asistencia al cliente,pongase en contacto con nosotros en是我国 site web: www.usa.husqvarna.com
QUE ES QUE?

Componentes de laquina 560BTS, 560BFS
1 Bastidor
2 Arnés
3 Capó
4 Carcasa del ventilador
5 Rejilla de la toma de aire
6 Ventilador
7 Filtr de aire
8 Empuñadura de arranque
9 Depóstito de combustible
10 Almohadilla
11Bujia
12 Sistema amortiguidar de vibraciones
13 Estrangulador
14 Empuñadura de regulación/Empuñadura de manejo (BTS)
15 La palanca del acelerador ajuste. Interruptor de parada situada detrás de la palanca. (BFS)
16 Contacto de parada con ajuste de la posicion de acceleracion (BTS)
17 Acelerador
18 Manillar (Accesorio)
19 Codo
20 Abrazadera
21 Manguera flexible
22 Tubo de manejo
23 Abrazadera
24 Tubo intermedi
25 Tubo de soplado
26 Manual de instrucciones
27 Llave combinada
28 Empuñadura de regulación/Empuñadura de manejo (BFS)
QUE ES QUE?

Components de laquina 570BTS, 580BTS
1 Bastidor
2 Arnés
3 Capó
4 Carcasa del ventilador
5 Rejilla de la toma de aire
6 Ventilador
7 Filtró de aire
8 Empuñadura de arranque
9 Depóstito de combustible
10 Almohadilla
11 Bujia
12 Sistema amortiguidar de vibraciones
13 Estrangulador
14 Empuñadura de regulación/Empuñadura de manejo
15 Contacto de parada con ajuste de la posicion de acceleration
16 Acelerador
17 Manillar (Accesorio)
18 Codo
19 Abrazadera
20 Manguera flexible
21 Tubo de manejo
22 Abrazadera
23 Tubo intermedi
24 Tubo de solrado
25 Boquilla plana (Accesorio)
26 Manual de instrucciones
27 Llave combinada
QUE ES QUE?

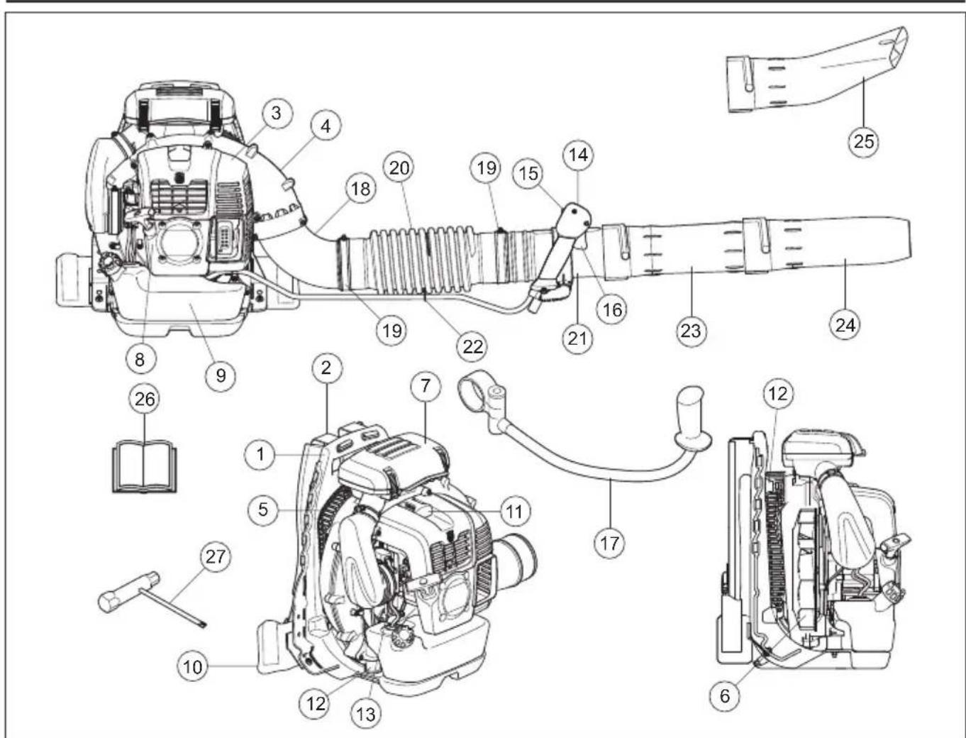
Componentes de laquina 570BFS, 580BFS
1 Bastidor
2 Arnés
3 Capó
4 Carcasa del ventilador
5 Rejilla de la toma de aire
6 Ventilador
7 Filtr de aire
8 Empuñadura de arranque
9 Depóstito de combustible
10 Almohadilla
11Bujia
12 Sistema amortiguidar de vibraciones
13 Estrangulador
14 Empuñadura de regulación/Empuñadura de manejo
15 Contacto de parada con ajuste de la posicion de acceleration
16 Acelerador
17 Manillar (Accesorio)
18 Codo
19 Abrazadera
20 Manguera flexible
21 Tubo de manejo
22 Abrazadera
23 Tubo intermedi
24 Tubo de solrado
25 Boquilla plana (Accesorio)
26 Manual de instrucciones
27 Llave combinada
Generalidades
IMPORTANTE!
Laquina está disénada y construida solamente para limpiar con aire céspedes, pasadizos, caminos asfaltados y similares.
Antes de utiliser laquina, realice una inspeccion general. Consulte el programa de mantenimiento.
Nunca utilizes laquina si está cansado, si ha ingeredo alcohol o si toma medicamentos que pueda afectarle la vista, su capacité de discernimiento o el control del cuerpo.
Utilice el equipo de proteccion personal. Vea las instrucciones bajo el titulo "Equipo de proteccion personal".
No utilise nunca unaquina que haya sido modificada de modo que ya no coincida con la configuracion original.
No utilise nunca unaquina defectuosa. Siga las instrucciones de mantenimiento, control y servicios de este manual. Algunas medidas deostenimiento y servicios deben ser efectuadas por especialistas formados y@cualificados.Vea las instrucciones bajo el titulo Mantenimiento.
Todas las cubiertas y protecciones deben estar montadas antes de arrancar laquina. Compruebe que el capuchon y el cable de encendido estén reactos para evaporar SACUDidas electricas.
El operario del aventador de hojas debecevidar que ninguna persona ni animal se acerque a menos de 15 metros. Cuando haya various operarios travajando en el mesmo lugar de trabajo, la distancia de seguridad entre ellosdebeser de15 metros.
No permita nunca que los niños us他们在 unaquina.
Nunca deje que terceros realizen laquina sin asegurar se primo de que hayan sentido el contenido de este manual de instrucciones.
Compruebe siempre que no hay ningún objeto que bloquea la rejilla de la toma de aire antes de comenzar a trabajo.
Nunca retire la rejilla de la toma de aire.
En caso de emergencia, despréndase de laquina abriendo la correa a la alta de la cadera y del pecho y deje caer el dispositivo hacía除外.
Consulte sempre a las autoridades para estar seguro de cumplir con el reglamento en vigor.
Mantenga todas las partes de su cuerpoApartadas delas superficies calientes.

ATENTION!Estaquina genera un Campo electromagnético durante elFuncimiento. Este Campo magnéticoSEO, en determinadas circunstancias, interferir con implantes médicos activos o pasivos Para reducir el riesgo de lesiones graves o letales, las personas que utilizean implantes médicos deben consultar a su medico y al fabricante del implante antes deemployar estaquina.
Arranque
- No ponga nunca en marcha laquina en interiores.
Tenga en cuenta el riesgo de Inhalacion de los gases de escape del motor. - Observe su entorno y asegúrese de que no haya animales o personas que pueda ser alcanczados por los objetos solplados.
- Coloque laquina sobre el suejo, presionando el cuerpo de laquina con la mano izquierda (ATENCION: no apriete con el pie). A continuacion, agarre la empunadura de arranque con la mano derecha y de tirones rapiidos y fuertes.

Seguidad en el uso del combustible

- Utilice un recipiente de combustible con proteccion antirebose.
- No reposte nunca laquina con el motor en marcha. Apague el motor ycede que se enfrie uno horas antes de repostar.
- Procure que haya buena ventilación durante el repostaje y la mezcla de combustible (gasolina y aceite para motores de 2 tiempos).
- Evite que el combustible entre en contacto con la piel. El combustible causa irritacion y, en algunos casos, pueda causar manchas en la piel.
INSTRUCCIONES GENERALES DE SEGURIDAD
-
Nunca arranque laquina:
-
Si derramo combustible sobre laquina. Sequerialquier residuo y espere a que se evaporen los restos de combustible.
- Si se salpico el cuerpo o las ropas, cambie de ropas.
Lave las partes del cuerpo que hanentrado encontacto con el combustible.Use agua y jabon. - Si hay fugas de combustible en laquina.
Compruebe regularmente si hay fugas en la tapa del deposito o en los conductos de combustible.
Transporte y almacenamento
- Almacene y transporte laquina y el combustible de manera que eventuales fugas o vapores no能把anentar en contacto con chispas o llamas, por exemple, dqinas electricas, motores electricos, contactos electricos/interruptores de corriente o calderas.
- Para almacenar y transporte combustible se deben utilizar recipientes diseñados y homologados para tal efecto.
- Si laquina se va a almacenar por un periodo长大o, se debe vaciar el deposito de combustible. Pregunte en la estacion de serviceo mas cercana que hacer con el combustible sobrante. Vacie el deposito de combustible y pulse el cebado hasta que se vacie por completeness. Retire la bujia y vierta una cucharada de aceite para motores de dos tiempos en el cilindro. Vuelque el motor varias vezes y, a continuacion,whelming a colocar la bujia.
- Antes del almacenaje prolongado, limpie bien laquina y haga el serviceo completo.
- Asegure laquina durante el transporte.
- Guarde laquina en un lugar fresco, seco, ventilado y sin polvo. Guarde laquina fuera del alcance de los niños.

ATENTION! Sea residuidoso al manejar el combustible. Piense en los riesgos de incidio, explosión e intoxicación respiratoria.
Ajuste del arnés

ATENTION! Se debe emplear siempre el arnes para trabajo con laquina. Si no utilizes el arnes, el control de laquina no es seguro y hay riesgo de danos austed o a另一边 personas.
Asegürese de que el cinturón está abrochado y ajustado correctamente.
Si no utilizes el cinturón, debe retirarlo de la unidad y guardarlo. Existe el riesgo de que se enganche el cinturón y haga volcar la unidad.
Si no se abrocha el cinturón, existe el riesgo de que quede atrapado o succionado por el ventilador de laquina.


Tense las correas laterales para distribuir la presión uniformemente en los+hombres.

Apriete y ajuste el cinturón para Obtener una postura de trabajo optima.
NOTE!
560BTS, BFS no tiene ni correa para el pecho ni cinturón.
INSTRUCCIONES DE SEGURIDAD
Equipo de proteccion personal

ATENCLION! Para trabajo con laquina debeutilizarse un equipo de proteccion personal homologado.El equipo de proteccion personal no elimina el riesgo de lesiones, pero reduce su efecto en caso de accidente. Pida a su distribuidor que le asesore en la eleccion del equipo. Lea detenidamente el manual de instrucciones y asegurese de,&ender su contenido antes de utilizing laquina.

ATENTION! Cuando use proteccion auditiva preste siempre atencion a las seinas o lllamados de advertencia. Saquese sempre la proteccion auditiva inmediamente afterwards de parre el motor.
- Se deben utilizar guantes cuando sea Needed.

- Se debe utilizar proteccion auditiva con suficiente capacité de reduccion sonora.

- Se debe utilizes siempre proteccion ocular homologada. Si se utilize visor, deben utiliser también gafas protectoras homologadas. Por gafas protectoras homologadas se entienden las que cumplen con la norma ANSI Z87.1 para EE.UU. o EN 166 para paises de la UE. El impacto de ramas y objetos despedidosuedecause heridas en los ojos.

- Utilice botas antideslizantes y seguras.

- Use ropas de material resistente a los desgarros y no demasiado amplias para evaporar que se enganchen en ramas, etc. Use siempre pantalones largos gruesos. No trabajo con joyas, pantalones cortos, sandalias ni los pies descalzos. No lleve elapelso suelto por debajo de los+hombres.
- Utilizar mascarilla respiratoria si hay riesgo de que se levante polvo.

- Tenga siempre a mano el equipo de primeros auxilios.

Equipo de seguridad de laquina
En este capítulo se describes los componentes de seguridad de laquina, su funciona y el modo de efectuar el control y el mantenimiento para garantizar un funciona bajo optimo. En cuando a laubicación de这些东西 componentes en suquina, vea el capítulo ¿Qué es qué?.

ATENTION! Nunca utilise unaquina con componentes de seguidad defectuosos. Siga las instrucciones de control,mantimiento y servicios indicadas en este capitulo.
Botón de parada
El botón de parada se usa para parar el motor.


Retire el cable de encendido y la bujía para realizar inspections y mantenimiento.
Sistema amortiguidor de vibraciones
Suquina incorpora un sistema amortiguidar diseado para reducir al maximo possible las vibraciones y optimizar la comodidad de uso.


ATENTION! La sobreexposacion a las vibraciones peuvent produir lesiones vasculares o nervosas en personas que padecen de trastornos circulatorios. Si advierte sintomas que pueda relacionarse con la sobreexposacion a las vibraciones, consulte a un medico. Ejemplos de theseintomas son entumecimiento, falta de sensibilityd, "hormigueo", "puntadas", dolor, perdida o reduccion de la fuerza normal, cambios en el color o la superficie de la piel. Generalmente, theseintomas se presentan en los dedos, las manos y las muñecas. El riesgo peut ser mayor a bajas temperatas.
Silenciador
El silenciador está Diseño para reducir al máximo possible el nivel sonoro y para partirlos gases de escape del usuario.
En paises de clima calido y seco, el riesgo de incendio es evidente. Porarlo hemos equipado el silenciador con una red apagachispas montada en el interior.

Para el silenciador, es sumamente importante seguir las instrucciones de control, mantenimiento y servicios. Veas instrucciones bajo el titulo Control, mantenimiento y servicios del equipo de seguridad de laquina.

ATENCLION!
Recuerde que: Los gases del motor contienen monóxido de carbono que pueda provocar intoxicación. Por ese, nunca arranque ni haya的功能ar laquina en ambientes cerrados, o cuando no existe una buena circulación de aire.
Los gases de escape del motor está calientes y pueda CONTENER chispas que pueda provocar incendio. Por estareason, ¿nunca arranque laquina en interiores o cerca de material inflamable!

ATENTION! En el interior del silenciador hay sustancias quimicas que pueda ser cancerigeras. Evitar el contacto con estas sustancias si se daña el silenciador.
Control,mantimiento y servicios del equipo de seguidad de laquina

ATENTION! Todos los trabajo de servicios y reparación de laquina requieren una formación especial. Esto es specialmente importante para el equipo de seguridad de laquina. Si laquina nooca algo dellos controlles indicados a continuación, acuda a su taller de servicios local. La compra de algo de nuestros productos le garantiza que pueda recibir un mantenimiento y servicios profesional. Si no ha adquirido laquina en una de lasughtas tiendas especializadas con service, Solicite informacion sobre el taller de service mas cercano.
Botón de parada
- Arranque el motor y compruebe que separe cuando se mueve el boton de parada a la posicion de parada.

El motor se detiene al apagar el encendido mediante el botón de parada.

Sistema amortiguidor de vibraciones


- Controle regularamente los elementos antivirusraction para ver si estar agrietados o deformados. Cambielos si estar danados.

- Controle que los amortiguadores de vibraciones estén enteros y bien susertos.
Silenciador



- Nunca utilise unaquina que teng a un silenciador defectuoso.

- Compruebe regularmente que el silenciador estéfirmamente montado en laquina.

- El silenciador de laquina tiene una red apagachispas que se debe limpiar regularmente. Vea 'Silenciador' en el capitulo 'Mantenimiento'. Una red
apagachispas obturada hace que se sobrecaliente el motor, con el riesgo consiguiente de avería grave del motor. No utilise nunca un silenciador con el apagachispas dañado.

ATENCLION! Nunca utilise unaquina queonga un equipo de seguidad defectuoso. Efectue el control y mantenimiento del equipo de seguidad de laquina como se describio en este capitulo. Si suquina no pasa todos los controles, entrada a un taller de service para su reparacion.
Filtro de aire
No utilise nunca la sopladora de hojas sin un bajo de aire o con un elemento filtrante dañado o deformado, ya que el aire polvoriento y sin filtrar pueda averiar rápidamente el motor.
Instrucciones generales de trabajo
IMPORTANTE!Esta seccion se refiere a las reglas de
seguidadfundamentalesparatrabajarconelsoplador.
Cuando sevea enuna situacioninsegura para
continuar el trabajo,debecultar a un experto.
Pongase encontacto con su distribuidorotallere
servicio.Evite todo uso para elcual no se senta
suficienmente calificado.
Sea considerado con las personas en las proximas y no utilise laquina en horas inadecuadas, por exemple tarde a la noche o temprano a lamania. Para reducir los niveles sonoros, limite el numero de unidades realizadas al mesmo tiempo. Lea y siga los@sencillos consejos que se indicate a continuacion para causar las minimas molestias a su entorno.
- Utilice el solplador con la menor aceleracion possible. La acceleracion maxima se requiere en casos muy exceptionales. Muchas etapas del trabajo se peuvent realizar con semi-aceleracion. Una menor acceleracion significa menos ruido y polvo. Además, se obtiene un mejor control de la basura que va a juntarse/moverse.
- Utilice un rastrillo o una escoba para aflojar basura adherida al sueo.
- Mantenga la Boca del tubo de solpado lo más cerca possible del sueño. Utilice toda la largura del tubo de solpado para mantener la corriente de aire cerca del sueño.
- Deje el lugar limpio afterwards de trabajo. Asegürese de no haber solpado residuos en terrenos ajenos.
- Utilice equipos motorizados solamente a horas razonables; ni temprano por la mananani tarde por la noche, cuando se pueda molestar a personas. Cumpla con los horarios dispuestos en el reglamento local.

ATENTION! Tenga en cuenta el espacio que le rodea. Si algunos se acerca a la zona de trabajo, ajuste el acelerador al minimum hasta que la persona se aleje lo suficiente. Apunte elchorro de aire lejos de las personas, animales, parques infantiles, automóviles, etc.
Reglas Basics de seguridad

- Dento de la zona de trabajo, de 15 metros, no deben haber terceras personas.
- Deje que se enfré el motor antes de llenar combustible.
- Mantenga todas las partes de su cuerpo apartadas de las superficies calientes.
- Si el dispositivo se incendiara o sucediera otra emergencia que le obligara a desprenderse del dispositivo, abra las correas del arnés y deben caer laquina hacía除外.
- La fuerte corriente de aire pourrait mover objetos a gran velocidad,HCIeIendolos rebotar y causando heridas graves en los ojos.

- No dirija el chorro de aire hacía personas ni animales.
- Pare el motor antes de montar o desmontar accesorios o piezas.
- No trabajo en conditiones atmosféricas desfavorables como niebla, lluvia intensa, tempestad, frío intenso, etc. Trabajar con mal tiempo es cansador y pueda crear conditiones peligrosas, por exemple suelo resbaladizo.
- Reduzca al minimum el tiempo de solpado humedeciendo ligeramente las zonas con polvo outilizando un pulverizador.
- Ahorro agua utilizing sopladoras en vez de mangueras para manyas aplicaciones de cesped y jardín; incluso zonas como cunetas, rejas, patios, parrillas, porches y jardines.
- Compruebe que pueda caminar ymantenerse de pie con seguidad. Vea si hay eventuales impedimientos para desplazamente imprevistos (raíces, piedras,
INSTRUCCIONES DE SEGURIDAD
ramas, fosos, zanjas, etc.). Proceda con sumo cuidado al trabajo en terreno inclinado.

- No apoye nunca laquina con el motor en marcha sin tenerla bajo control.
- Los gases del motor contienen monóxido de carbono que pueda provocar intoxicación. Por ese, nunca arranque ni haga funciona laquina en ambientes cerrados, o cuando no existe una buena circulación de aire.
- El aventador de hojas no se debe utilizar montado en escaleras ni andamios.

- jNOTA! No use nunca unaquina si no tiene posibiliad de pedir auxilio si se produce un accidente.
Técnica Basics de trabajo

ATENCLION! Cuidado con los objetos despedidos. Utilice siempre proteccion para los ojos. Piedras, basuras, etc.能把 ser lanzadas contraos ojos y causar ceguera or heridas graves. Mantenga alejados a los lateros.Los niños, animales, curiosos y ayudantes deben mantenerse fuera de la zona de seguridad de 15 metros.Pare laquina inmediamente si alguien se acerca.

ATENSION! Antes de limpiar laquina, pare siempre el motor.
-Esta sopladora de tipo mochila se transporte con un arnes de hombre durante su functiOnamento. Se maneja y controla mediante la empunadura del tubo con la mano derecha.


- Compruebe que la toma de aire no está obstruida; por exemple por hojas o suciedad. Una toma de aire obstruida reduce la capacité de solpado de laquina e incrementa la temperatura de trabajo del motor, con el consiguiente riesgo de avería. Pare el motor y retire el objecto.

- Controle la direccion del viento. Trabajar en la direccion del viento facilita el trabajo.
- Utilizar el solplador de hojas para mover grandes pilas de basura/hojasCause un ruido innecasario.
- Manténgase bien parado y con buena equilibrio.
- Al terminar el trabajo, laquina se debe guardar en posicion vertical.
MONTAJE
Montaje del tubo soplador y la empuñadura de regulación
- Conecte la sopladora y el tubo de manejo con la manguera flexible. Fije bien también extremos de la manguera flexible. Paraarlo, utilise el equipo provisto.

1 Manguera flexible
2 Tubo de manejo
3 Abrazadera
4 Abrazadera
NOTE!
Lubrique ligeramente los tubos para facilitar el montaje.
- Asegure el soporte del mango en el tubo de manejo y fije el mando en el soporte. Compruebe que el soporte del mango está alineado con el espacio convexo del tubo de manejo.


-
Ajuste la posicion y el ángulo para Obtener una postura de trabajo comoda y fígelos.
-
Utilice la abrazadora paraaabstar el cableado a la manguera flexible. (BTS)

- Conecte el tubo recto y el extremo de tubo. Una los tubos y girelos para fjarlos entre si.
Accesorios
Manillar
Desmonte el tubo intermedió. Desatornille la manija del soporte e inserte el soporte sobre el tubo de manejo. Monte la manija y apiétela.

Monte el tubo intermedio.

- Si deseaacular la velocidad del aire,sustituya la boquilla redonda poruna boquilla plana.

MANIPULACION DEL COMBUSTIBLE
Carburante
jNOTA! El motor de laquina es de dos tiempos y debe funcionar con una mezcla de gasolina y aceite para motores de dos tiempos. Para Obtener una mezcla con las proportionsiones correctas debe medirse con precisionla cantidad de aceite a mezclar. En la mezcla de��eñas cantidades de combustible, los erros mas insignificantes en la medicacion del aceite influyen considerablemente en las proportionsiones de la mezcla.

ATENTION! Para hacer la mezcla, compruebe que haya buena ventilacion.
Gasolina

NOTA! Use sometime gasolina con mezcla de aceite de alta calidad (90 octanos como微量元素).

- Este motor está certificado para funciona con gasolina sin plomo.
- El octanaje minimo recomendado es de 90 octanos. Si usa gasolina de menos de 90 octanos, el motor可以选择 pistonear. Esto augmente la temperatura del motor y可以选择 occasionar averías graves del"Myso."
- Para trabajo durante mucho tiempo en altas revoluciones se recomienda el uso de gasolina con más octanos. Utilice gasolina sin plomo de buena calidad.
Aceite para motores de dos tiempos
- Para Obtener el mejor的结果をfunctionamente, use el aceite HUSQVARNA para motores de dos tiempos, que ha sido elaborado especialmente para nuestros motores de dos tiempos. Proporción de mezcla 1:50 (2%).
- Si no se dispone de aceite HUSQVARNA, pueda'utilizarse除外 aceite de gran calidad para motores de dos tiempos refrigerados por aire. Para la seleccion del aceite, consulte con su distribuidor.
- No utilise nunca aceite para motores de dos tiempos fuera borda refrigerados por agua (outboard oil).
- No utilise nunca aceite para motores de quatre tiempos.
| Gasolina, litres | Aceite para motores de dos tiempos, litres |
| 2% (1:50) | |
| 5 0,10 | |
| 10 0,20 | |
| 15 0,6/0,30 | |
| 20 0,40 | |
| Gal EE.UU. Oz fl EE.UU. | |
| 1 2 1/2 | |
| 2 1/2 6 1/2 | |
| 5 12 7/8 |
Mezcla
- Siempre haga la mezcla de gasolina y aceite en un recipiente limpio, homologado para gasolina.
- Primero,pongla mitad de la gasolina que se va a mezclar.Luego,añada todo el aceite y agite la mezcla.A continuación,añada el resto de la gasolina.
- Agite bien la mezcla de combustible antes deponderla en el deposito de combustible de laquina.


- No mezcle más combustible que el besoinario para utiliser un mes como máximo.
- Si no se ha utilisé laquina por un tiempo prolongado, vacie el deposito de combustible y limpielo.
- Este motor está certificado paraFuncionar con gasolina sin plomo.
Repostaje


ATENTION! Las siguientes medidas preventivas reducen el riesgo de incendido:
Haga el repostaje en una zona bien ventilada. No haga el repostaje de laquina en interiores.
No fume ni ponga objetos calientes,.
cerca del combustible.
No haga nunca el repostaje con el motor en marcha.
Apague el motor ycede que se enfrie unos instantos antes de repostar.
Para repostar, abra despacio la tapa del deposito de combustible para evacuar lentamente la eventual sobrepresión.
Después de repostar, apriete bien la tapa del deposito de combustible.
Si derramo combustible sobre laquina. Sequerialquier residuo y espere a que se evaporen los restos de combustible.
Antes de arrancar,除去 siempre laquina del lugar y de la fuente de repostaje.
- Antes de arrancar,除去的,aparte laquina a 3 m como minimo del lugar de repostaje.

- Limpie alrededor de la tapa del deposito. Los residuos en el deposito occasionan problemas de funcionaimiento.
- Asegürese de que el combustible está bien mezclado SACudiendo el recipiente antes dellenar el depuesto.
- Controle el nivel de combustible antes de cada uso de laquina. Deje espacio suficiente para la dilatabacion, queURTCA causar reboses debidos a la alta temperatura del motor y a la temperatura ambiental.
Arranque y parada


ATENTION! Antes de arrancar,除去 siempre laquina del lugar y de la fuente de repostaje. Coloque laquina sobre una base firme.
Asegürese de que no haya personas desautORIZadas en la zona de trabajo, de lo contrario, se corre el riesgo de occasionar graves danos personales. La distancia de seguidad es de 15 metros.
Laquina solo se debe arrancar en su version completa. Si se arranca antes de que esten montadas todas las cubiertas, este puede causar heridas.
Motor frío
Encendido: Coloque el mando de detencion en posicion de arranque. Un tercio aproximamente abierto.


El contacto de parada no se debeponer en posicion deplena acceleracion.
Estrangulador: Ponga el estrangulador en la posicion de estrangulamento.
570, 580 - BTS, BFS

560BTS, BFS

Bomba de combustible: Presione varias vezes la burbuja de goma de la bomba de combustible hasta que comience ahlenarse de combustible. No es necessariohlenarla totalmente.
Motor caliente
Siga el mesmo procedimiento de arranque que para el motor frío, pero sin poder el estrangulador en la posicion de estrangulamento.
Arranque
Presione el cuero de laquina contra el suejo con la mano izquierda (ATencion: No con el pie!). Agarre la empunadura de arranque y tire despacio de la性和 con la mano derecha, hasta sentir una resistencia (los dientes de arranque engranan), y afterwards tire rápid y con fuerza.

Nunca enrosque el cordón de arranque alrededor de la mano.
Haga nuevosintentodesarranquehastaquearranqueel motor.Cuandoarranqueelmotor,presione el estrangulador.
iNOTA! No extraiga el cordón de arranque al máximo, y no suele la empañadura de arranque si ha extraído todo el cordón. Illo pueda occasionar averías en laquina.
NOTE!
El aire se expulsa en cuando el motor está en configuracioniento, incluso en ralenti.
Ajuste las revoluciones del motor con el acelerador.


Deje que se caliente el motor durante uno horas.
1 Acceleración maximal
2 Un tercio aproximamente abierto.
3 Régimen de ralent
4 Botón de parada
Parada
Para parar el motor, mueva el mando de parada a la posicion activada.

El motor se detiene al apagar el encendido mediante el botón de parada.

Generalidades
Retire el cable de encendido y la bujía para realizar inspections y mantenimiento. Mantenga todas las partes de su cuerpoApartadas de las superficies calientes.
Carburador
Reglaje del régimen de ralentí
Antes de hacer un ajuste, contrôle que el filtro de aire esté limpio y que tengá colocada la tapa.
La configuración de fabricula del régimen de ralenti es de 2000 rpm. Utilice el tornillo de ajuste en la parte superior del carburador si esnecessary regular el régimen de ralenti.
Silenciador

El silenciador está Diseño para amortiguar el ruido y para partir del usuario los gases de escape. Los gases de escape están calientes y你能 tener contener chispas que pueda occasionar incendios si se dirigen los gases a materiales secs e inflamables.
El silenciador está equipado con una red apagachispas especial. La red apagachispas se debe limpiar una vez al mes.Esta limpieza se hace mejor con un cepillo de acero.

Procedimiento de desmontaje de la red apagachispas:
Retire el conducto de escape (4).
- Desconnecte el parachispas (3).
- Saque la red apagachispas y limpiela con un cepillo de acero. Cambie la red apagachispas si está dañana.
iNOTA! No utilise nunca laquina con un silenciador en mal estado. Revise regularamente el silenciador para
comprobar que está intacto y bien bajo. (1,2) Apriete los tornillos. 8-10Nm

Compruebe queDICHO parachispas y el conducto de escape seencuentran atornillados enel lugar correcto (5).Apriete a 2-3Nm.

ATENTION! El silenciador está muy caliente durante el funciona y después de parar. Esto también es aplicable al funciona en ralenti. El contacto con el silenciador pueda causar quemaduras en la piel. Preste atencion al riesgo de incendio.
Sistema refrigerante

Para lograr una temperatura de funciona lo más bajo possible, laquina incorpora un sistemas Refrigerante.
El sistemas Refrigerante está compuesto por:
- Aletas de enfiambre en el cilindro.
- Rejilla de la toma de aire
Limpie el sistema refrigerante con un cepillo una vez por semana (en conditiones dificiles, con mayor Frequencia). Un Sistema Refrigerante sueio u obturado produc sobrecalentimiento de laquina, con las consequentes averias del cilindro y el pistón.
Rejilla de la toma de aire
Compruebe que la toma de aire no está obstruida por ninguno de sus lados, incluyendo la parte inferior, por exemple con hojas o sociedad. Una toma de aire obstruida reduce la capacité de solpado de laquina e incrementa la temperatura de trabajo del motor, con el consiguiente riesgo de avería. Pare el motor y retire el objecto.


ATENCLION! Nunca utilise la sopladora si el bajo no se encuentra en su低位. Antes de uso, compruebe que el bajo está en su ubicacion y en perfecto estado.
Bujía

Los factores siguientes afectan al estado de la bucía:
- Carburador mal regulado.
- Mezcla de aceite inadecka en el combustible (demasiado aceite o aceite inadecko).
- Filtro de aire sucio.
Estos factores producen revestimientos en los electros de laBJUa que pueeden occasionar perturbaciones delfuncionamento y dificultades de arranque.
Limpie la bujía por fuera. Quitela y controle la distancia entre los electrodos. Ajuste la distancia a 0,6-0,7 mm o cambie la bujía. Controle que la bujíaonga supresión de perturbaciones radioeléctricas.

jNOTA! jUtilice sempre el tipo de bucija recomendado! Una bucija Incorrectauedearruinarelpistonsyel cilindro.
Filtro de aire

El filtro de aire debe limpiarse regularmente de polvo y sociedad para evaporar:
- Fallos del carburador
- Problemas de arranque
- Reducción de la potencia
- Desgaste innecesario de las piezas del motor
- Un consumo de combustible excessivo
Limpie el filtro cada 40 horas de funciona o mas seguido si trabaja en un entorno muy polvoriento.
Para evaporar quemaduras, no toque superficies calientes como el silenciador, el cilindro, etc.
Limpieza del filtró de aire

570, 580 - BTS, BFS
- Suelte los quatre cierras que sujetan la cubierta del过滤 de aire y desmontelo. Lave el prefiltro con agua jabonosa caliente.

- Golpee ligeramente el filtro de papel contra una base dura para eliminar el polvo. Si el filtro de papel sugue estando sucio, hay que cambiarlo por otro nuevo.

NOTE!
No lubrique el filtro.
560BTS, BFS
Desmonte la cubierta del filtro de aire y retire el filtro.
Lávelo en agua jabonosa caliente.

Si trabajo con laquina en un entorno polvoriento, deben impregnar el filtro de aire con aceite. Consulte las instrucciones bajo el Titulo Impregnación con aceite del filtró de aire.
Un filtró utilizado durante mucho tiempo no pueda limpiarse del todo. Por tanto, hay que cambiarlo a intervalos regulares. Un filtró de aire averiado debenambiarse.
- Monte el filtro de aire y la cubierta del filtro de aire.
Impregnación con aceite del filtró de aire
560BTS, BFS
Utilice siempre aceite para filtros especial. El aceite para filtros contiene disolvente para poderar su distribución uniforme en el filtró. Por lo tanto, evite que entre en contacto con la piel.
Introduzca el filtro en una bolsa de plastico y vierta el aceite para filtros. Masajee la Bolsa para distribuir el aceite. Apriete el filtro en la Bolsa y tire el excesso de aceite antes de colocar el filtrlo en laquina. No use nunca aceite común para motores. Este descienda bastante rápido a工程技术 del filtrlo, depositando en el fondo.

Correa de los+hombres
Si la correa para el hombre está dañada, podra romperse durante el uso y laquina podría caerse y causar daños personales. Siga estas instrucciones para sustituir la correa para el hombre.
1 Quite la abrazadora de la correa.
2 Pase el extremo de la correa por el soporte colgante.
3 Vuelva a montar la abrazadora en la correa.

ATENCLION! Compruebe que el pasador redondeado y grueso de la abrazadora queda encajado en la correa. Si no quada encajado correctamente, podria provocar daños personales.
MANTENIMIENTO
Programa de mantenimiento
A continuación, se indica las instrucciones generales de mantenimiento. Si Ud. necesita mayor información póngase en contacto con el taller de servicios.
| Mantenimiento | Mantenimiento o diario | Mantenimiento o semanal | Mantenimiento o mensual |
| Limpie la parte exterior de laquina. X | |||
| Controle que el acelerador funciona de manière segura. X | |||
| Controle que el mando de detencion funciona. X | |||
| Limpie el filtro de aire. C Cambielo si es Neededo. X | |||
| Compruebe que los tornillos y las tuercas estén apretados. X | |||
| Controle que no haya fugas de combustible del motor, del depuesto o de los conductos de combustible. | X | ||
| Compruebe que el filtro de combustible no está sucio y que la manguera de combustible no tiene gritas nithers defectos. Bombe el componente que seaneededo. | X | ||
| Limpie o bombe el apagachispas del silenciador (sólo para el silenciador sin catalizador). | X | ||
| Compruebe que todos los lados de la revilla de la toma de aire no está obstruidos. | X | ||
| Controle el mecanismo de arranque y la curda del mesmo. X | |||
| Compruebe que estén interactos los aisladores de vibraciones. X | |||
| Limpie la bujía por fuera. Qüítela y controlle la distancia entre los electrds. Ajuste la distancia a 0,6-0,7 mm o bombie la bujía. Controle que la bujíaonga supresión de perturbaciones radioeléctricas. | X | ||
| Limpie el sistema de refrigeración de laquina. X | |||
| Limpie el exterior del carburador y la zona alrededor del mesmo. X | |||
| Revise todos los cables y conexiones. X | |||
| Cambiye la bujía. Controle que la bujíaonga supresión de perturbaciones radioeléctricas. | X | ||
| Controle y, si es neededo, limpie el apagachispas del silenciador (sólo para silenciador con catalizador). | X | ||
| Limpie el depuesto de combustible. X |
IMPORTANTE!
Utilice sempre repuestos originales de HUSQVARNA. El uso de repuestos de outras marca puede hacer daño al producto, al uso al tercer parte. La garantía no cubre días o responsabilidad causado por uso de accesorios que no está recomendado por HUSQVARNA.
Datasétécnicos
| Datas tecnicos 560BTS 560BFS | ||
| Motor | ||
| Cilindrada, pulgadas/cm3 | 4.0 / 65.6 | 4.0 / 65.6 |
| Régimen de ralentí, rpm 2000 2000 | ||
| Potencia maxima del motor según ISO 8893, kW/ rpm 2.84 / 8100 2.84 / 8100 | ||
| Silenciador con catalizador No No | ||
| Sist. de encendido con reg. de veloc. Sí Sí | ||
| Período de durabilidad de las emisiones según la Junta de Recursos del Aire de California. | 300 300 | |
| Sistema de encendido | ||
| Bujía | NGK CMR7H | NGK CMR7H |
| Distancia de electrodos, pulgadas/mm | 0,024-0,028/0,6-0,7 | 0,024-0,028/0,6-0,7 |
| Sistema de combustible y lubricación | ||
| Capacidad del deposito de gasolina, US pint/litros | 4.6 / 2.2 | 4.6 / 2.2 |
| Peso | ||
| Peso, sin combustible, kg | 23.2 / 10,5 | 23.4/10.6 |
| Niveles acústicos | ||
| (vea lanota 1) | ||
| Nivel de presión acústica equivalente en el oído del usuario, medido según EN15503, dB(A). | 95 | 95 |
| Niveles de vibraciones | ||
| (vea lanota 2) | ||
| Niveles de vibración equivalentes (ahv, eq) en las empūñaduras, medidos según la norma EN15503, m/s2. | 2.3 | 2.5 |
| Prestaciones del ventilador | ||
| Velocidad:maxima del aire con boquilla estándar, m/s / mph: | 103.9 / 232 | 103.9 / 232 |
| Caudal de aire con boquilla estándar, m3/min / cfm | 17.9 / 632 | 17.9 / 632 |
| Volumen de aire medio en la cubierta, m3/min / cfm | 25.2 / 890 | 25.2 / 890 |
Note 1: El valor del nivel equivalente de presión sonora se calcula con lasuma distribución temporal: 1/7 en ralent y 6/7 a régimen de embalamiento. Los datos referidos del nivel de presión sonora equivalente de laquina tienen una dispersion estadística habitual (desviación típica) de 1 dB (A).
Note 2: El valor del nivel de vibración equivalente se calcula según lasuma distribución temporal: 1/7 en ralentí y 6/7 a régimen de embalamento. Los datos referidos del nivel de vibración equivalente poseen una dispersion estadística habitual (desviación típica) de 1m/s^2
NOTA: esteistema de encendido mediante una chispacumple con la norma canadiense ICES-002.
DATOS TECNICOS
Datasétécnicos570BTS570BFS580BTS580BFS
Motor
Cilindrada, pulgadas/cm3 65.6 65.6 75.6 75.6
Régimen de ralenti, rpm 2000 2000 2000 2000
Potencia maxima del motor segun ISO 8893, kW/ rpm 2.94 / 8000 2.94 / 8000 3.13 / 7200 3.13 / 7200
Silenciador con catalizador No No No No
Sist. de encendido con reg. de veloc. Si Si Si Si
Periodo de durabilidad de las emisiones según la Junta de Recursos del Air de California.
300 300 300 300
Sistema de encendido
| Bujía | NGK CMR7H | NGK CMR7H | NGK CMR7H | NGK CMR7H |
| Distancia deelectros,ulgadas/mm | 0,024-0,028/0,6-0,7 | 0,024-0,028/0,6-0,7 | 0,024-0,028/0,6-0,7 | 0,024-0,028/0,6-0,7 |
| Sistema de combustible ylubricacion | ||||
| Capacidad del deposito de gasolina,US pint/litros | 4,6/2,2 | 4,6/2,2 | 5,5/2,6 | 5,5/2,6 |
| Peso | ||||
| Peso, sin combustible,kg | 24,5/11,1 | 24,9/11,3 | 25,8/11,7 | 26,0/11,8 |
Niveles acusticos
(ver lanota 1)
Nivel de presión acústica equivalente en el oído del usuario, medido según EN15503, dB(A).
99 99 100100
Niveles de vibraciones
(vea lanota 2)
Niveles de vibracion equivalentes (a_hv,eq) en las empunadas, 1,8 medidos segun la norma EN15503, m/s2.
1,8 5,0 1,6 3,3
Prestaciones del ventilador
| Velocidad的最大aire con boquilla estándar, m/s / mph: | 106/236 | 106/236 | 92/206 | 92/206 |
| Caudal de aire con boquilla estándar, m³/min / cfm | 21,8/770 | 21,8/770 | 25,7/908 | 25,7/908 |
| Volumen de aire medio en la cubierta, m³/min / cfm | 27,5/972 | 27,5/972 | 29/1024 | 29/1024 |
Not a 1: el valor del nivel equivalente de presion sonora se calcula con la asigniente distribuccion temporal: 1/7 en ralent y 6/7 a regimen de embalamiento. Los datos referidos del nivel de presion sonora equivalente de laquina tener una dispersion estadistica habitual (desviacion típica) de 1 dB (A).
Nota 2: El valor del nivel de vibracion equivalente se calcula segun lasuma distribucion temporal: 1/7 en ralent y 6/7 a regimen de embalamento. Los datos referidos del nivel de vibracion equivalente poseen una dispersion estadistica habitual (desviacion típica) de 1m / s^2
NOTA: esteistema de encendido mediante una chispa cumple con la norma canadiense ICES-002.
IMPORTANTE: Este producto es conforme con la normativa Fase 3 de la Agenicia de Proteccion Ambiental de los Estados Unidos (EPA)referente a emisiones de escape y evaporacion. Para asegurar la conformidad con EPA fase 3, se recomienda utilizing solo repuestos originales de lamarca Husqvarna. El uso de othero tipo de repuestos incumple las leyes federales.
SUS DERECHOS Y OBLIGACIONES DE GARANTIA
La Agencia de proteccion medioambiental estadounidense (EPA), el Consejo de recursos del aire de California (CARB), el Ministerio de Medioambiente de Canadá y Husqvarna Forest & Garden presentan la garantia del sistema de control de emisiones de su motor todoterreno de tamanfoypequeño,modelo de 2015-2016*. En Estados Unidos y Canadá esnecessary disenar, fabricar y proportionscar nuevos equipo queutilicen motores todoterreno de tamanfopequeño que cumplan con las strictas regulaciones antihumo federales y californianas. Husqvarna Forest & Garden deben garantizar el Sistema de control de emisiones de su motor todoterreno de tamanfopequeño para el periodo especficado a continuacion,siempre que su equipo no haya sido tratado indebidadmente ni haya recibido unostenimiento inadequado.SuSYSTEMA de control de emisiones peut incluir piezas como el carburador,elsystema de ignicion,elcatalizador,el deposito de combustible,losfiltrosyotros componentes asociados. Además,puede estar incluidos las mangueras,las correas,los conectores,los sensores yotros elementos relacionados conla emisióndehumos.Husqvarna Forest & Garden repararssu motor todoterreno de tamanfopequeño sin ninguncosteparausted,incluidos el diagnóstico,las piezas y la mano deobra,siempre que se cumplaalguna de las conditionespara la garantía.
ALCANCE DE LA GARANTIA DEL FABRICANTE
El sistema de control de emisiones está garantizo durante un periodo de dos años. Sirialquier pieza de su equipo relacionada con la emisión de humos está defectuosa, Husqvarna Forest & Garden la reparar o la sustituirá.
RESPONSABILIDADES DE GARANTIA DEL PROPIETARIO
-
Como propietario de un motor todoterreno de時間微量元素, usted es responsable de落户 a cabo el mantenimiento correspondiente que figura en el manual de instrucciones. Husqvarna Forest & Garden le recomienda que garde todos los recibos relacionados con el mantenimiento de su motor todoterreno de時間微量元素, si bien noURTRA negarle suckecho a la garantia por el mero hecho de no tenerlos o de no haber realizado el mantenimiento estipulado.
-
Sin embargo, como propietario de un motor todoterreno de時間little, debe saber que Husqvarna Forest & Garden peut negarle la cobertura de la garantia si el motor o una de sus piezas falla debido a un mal uso o a modificaciones no reglamentarias.
- Es responsabilidad suyalearvar su motor todoterreno de tamanopequeño a un centro de distribución o de reparacion deHusqvarna Forest&Garden tan pronto como aparezcaun problema.Las reparaciones de la garantia deben finalizarse en un plazo de tiemporeasonable que en ningún caso excederá los 30 días.Si tieneequalquierpreguntarelacionada conla cobertura de la garantía,póngase encontacto conHusqvarna Forest&Garden en eltelefono1-800-438-7297oenvilacorrespondencia par correoelectronicoa emissions@husqvarnagroup.com
FECHA DE INICIO DE LA GARANTIA
El periodo de garantía empieza en la Fecha en la que el motor o el equipo seentaqan al comprador final.
DURACION DE LA GARANTIA
Husqvarna Forest & Garden garantiza al comprador final y a cada propietario posterior que el motor o el equipo está diseñado, fabricado y equipado de conformidad con las regulaciones aplicables adoptadas por la EPA y el CARB, y que no Tiene defectos de fabricación ni en los materiales que pueda causar el mal funcionaimiento de las piezas, cuya garantía es de dos años.
ALCANCE DE LA GARANTIA
REPARACION O SUSTITUCION DE COMPONENTES
La reparación o sustitución de cualquier pieza con garantía se llevará a cabo sin COSTE algo para el propietario en un centro de garantía. Husqvarna Forest & Garden proportionsará servicios de garantía o de reparación en todos los centroidos de distribución autorizados para reparar los motores en cuestion. Durante el periodo de dos años de garantía de control de emisiones, Husqvarna Forest & Garden deben tener en stock las piezas en garantía suficientes para dar respuesta a su demanda.
PERIODO DE GARANTIA Cualquier pieza en garantía que deba cambiarse según el programa de mantenimiento estará garantizada para el periodo de tiempo previo al primer cambio programado. Si la pieza falla antes del primer cambio programado, Husqvarna Forest & Garden la repararó o la sustituirá sin ningún coste. Cualquier pieza que se repare o cambie en el periodo de garantía seguirá cubierta por la garantía durante el periodo de tiempo restante hasta el primer cambio programado. Cualquier pieza garantizada que no requiera ningún cambio según el programa de mantenimiento tiene una garantía de dos años. Si cadaquera de estas piezas falla durante el periodo de garantía, Husqvarna Forest & Garden la repararó o la sustituirá sin ningún coste. Cualquier pieza reparada o sustituidade durante el periodo de garantía seguirá cubierta por esta hasta que finalice el periodo total. Cualquier
pieza que solamenteonga programadas inspections regulares según el programa de mantenimiento tendrá una garantía de dos años. Una declaración contentida en las instrucciones según la cuales la pieza se deba «reparar oCambiar cuando sea Necessary» no reducirá el periodo de garantía. Cualquier pieza que se repare o cambie en el periodo de garantía seguirá cubierta por la garantía durante el periodo de tiempo restante.
DIAGNOSTICO El propietario no deben pagar por el diagnósticonecessary para determinar si la pieza está defectuosa siDICHO travafo de diagnóstico se realiza en el centro de garantía.
DANOS Y PERJUICIOS Husqvarna Forest & Garden es responsable de los daños y perjuicios en otros componentes del motor causados directamente por el fallo de una pieza en garantía.
LISTA DE PIEZAS DE LA GARANTIA DE EMISIONES
1 Carburador y piezas interiores
2 Tubo de admisión, cuerpo del filtro de aire y tornillos del carburador
3 Filtro de aire y filtro de combustible abarcados hasta el plan de mantenimiento
4 Bujía, abarcada hasta el plan de mantenimiento
5 Modulo de encendido
6 Tanque de combustible, el conductor de cobustible y la tapa
LO QUE NO ABARCA LA GARANTIA
No se abarcan todos los fallos causados por abuso, negligencia o mantenimiento indebido.
PIEZAS ANADIDAS O MODIFICADAS
No podrnanutilize piezas anadidas o modificadas que no esten eximidas por el CARB o la EPA. Lautilizacion deequalquierpieza anadida o modificadaque no esteeximada sera motivo suficientepara no atender unasolicitud de garantia.Husqvarna Forest & Garden no seharesponsiblede losfallosde piezas en garantiacausedosporlautilizaciondepiezasanadidaso modificadasque noesteneximidas.
COMO HACER UNA RECLAMACION
Si tiene algo nuna duda en cuando a susarethos y responsables de garantia,pongase en contacto con el serviceo oficial mas cercano, o llame a Husqvarna Forest & Garden,telefon 1-800-438-7297 o envla correspondencia par correto electronico a emissions@husqvarnagroup.com
Todoos distribuidores de servicios de reparacion autorizados de Husqvarna Forest & Garden proportionan servicios de garantia o de reparacion.
MANTENIMIENTO, SUSTITUCION Y REPARACION DE COMPONENTES RELACIONADOS CON EMISIONES
Podrá realizarse cualquier recambio en el mantenimiento o la reparación durante el periodo de garantía sin COSTE algoño para el propietario. Dicha realización no reduce las obligaciones de garantía del fabricante.
DECLARACION DE MANTENIMIENTO
El propietario es responsable de la realizacion de todo el mantenimiento necessario, segun se define en el manual del operador.
*El año del modelo actual y subsiguiente seactualizará anuallynte en ladeclaración de garantía proportionada al consumidor. Por exemple, en el año del modelos 2013, se especifieda 2013-2014.
www.husqvarna.com
Original instructions Instructions d'origine Instrucciones originales
1155849-49
ManualFácil