Antigua - Cocina Cola - Manual de uso y guía de instrucciones gratis
Encuentra gratis el manual del aparato Antigua Cola en formato PDF.
Preguntas de los usuarios sobre Antigua Cola
0 pregunta sobre este aparato. Responde a las que conoces o haz la tuya.
Hacer una nueva pregunta sobre este aparato
Descarga las instrucciones para tu Cocina en formato PDF gratis! Encuentra tus instrucciones Antigua - Cola y toma tu dispositivo electrónico nuevamente en la mano. En esta página están publicados todos los documentos necesarios para el uso de su dispositivo. Antigua de la marca Cola.
MANUAL DE USUARIO Antigua Cola
Lea atentamente las instrucciones antes de realizar la instalacion, el uso y el mantenimiento.
El manual es parte integrante del equipo.
La Empresa Cola Srl garantiza sus produits segun las normas actualmente en vigor, excluyendo las piezas expuestos a normal usura.
Para las conditiones de garantia dirijanse al importador o vendedor autorizzato que pueda-agregar el periodo de garantia obligatoria con un periodo suplementar bajo su total y una responsabilitad.
La garantia del producto decae por qualquier incoveniente de rotura o incidente bajo a la falta de respeto o aplicacion de las indicaciones indicadas en el presente manual.
DICHIARAZIONE DI PRESTAZIONE DECLARATION OF PERFORMANCE DECLARATION DE PERFORMANCE LEISTUNGSEKKLÄRUNG DECLARATION DE PRESTACION
COLA
Dichiarazione di Prestazione in accordo con il Regolamento (UE) n^305 / 2011 Declaration of Performance according to Regulation (EU) n^305 / 2011 Declaration de Performance en accord avec le Reglement (UE) n^305 / 2011 Leistungserklarung Gemäß der Verordnung (EG) n^305 / 2011 Declaration de Prestacion conforme al Reglamento (UE) n^305 / 2011
n° DoP_LA12F00Y
Codice di identificazione unico del prodotto-tipo: Unique identification code of the product type: Code d'identification unique du produit-type: Eindeutiger Identifikationscode des Produktes - Typ: Csgido de identificacion unico del produto-tipo:
LA12F00Y [EN 14785:2006]
Modello, lotto, serie o qualsiasi altro elemento che consenta l'identificazione del prodotto (Art.11-4):
Model and/or batch no. and/or series no. (Art 11-4):
Modèle et/ou n° de lot et/ou n° de série (Art. 11-4):
Modell und/oder Losnr. und/oder Seriennr (Art 11-4):
Modelo y/o n.° de lote y/o n.° de série (Art. 11-4):
ANTIGUA
Usi previsti del prodotto, conformmente alla relativa specifica tecnica armonizzata: Intended uses of the construction product, in accordance with the applicable harmonised technical specification: Utilisation prevue du produit conformement aux specifications techniques harmonises correspondantes: Vorgesehene Verwendung des Produits in Ubereinstimmung mit der geltenden harmonisierten technischen Spezifikation: Usos previstos del produto de conformidad con las espacificaciones Tecnicas ammonizadas correspondentes:
3
Apparecchio per il riscaldamento domestico, alla acqua, alimentato a pellet di legno. Residential space heating appliance without water fired by wood pellets. Appareil de chauffage domestique alimenté au pellet de bois, sans production d'eau chaude. Mit Holzpellets befeuerte Wärmeerzeugere für den Wohnbereich ohne Warmwasserbereitung. Aparato para calefacción domestica, alimentado con pellets de madera, sin produzione de agua caliente.
Nome o marchio registrato e indirizzo del fabbricante (Art.11-5): Name or trademark of the manufacturer (Art. 11-5): Nom ou marque enregistrée du fabricant (Art. 11-5): Name oder registriertes Warenzeichen des Herstellers (Art.11-5): Nombre omarca registrada del fabricante (Art. 11-5):
La prestacion del producto segun se establece en los+puntos 1 y 2 cumple con las prestaciones declaradas segun el punto 8.
Se expide esta declaracion de prestacion bajo la responsabilitad exclusiva del fabricante, segun se establece en el punto 4.
Firmado a nombre y por cuenta del fabricante por:
Luogo e data / Place and date / Lieu et date de délivrance
DECLARACION DE CONFORMIDAD
COLA
Tipode dispositivo y el uso
Aparato para calefacción domestica, alimentado con pellets de madera, sin produccion de agua caliente.
Nombre y direccion del fabricante
Las normas armonizadas o asignaciones (designaciones) que han sido aplicadas de acuerdo con las reglas de la buena practica de la ingenieria en materia de seguridad vigentes en la CEE son :
Declaración de Prestación conforme al Reglamento (UE) n° 305/2011
DoP_LA12F00Y
como el fabricante y /o representante autorizzato establecido en la Comunidad, declara bajo su propia responsabilidad que el equipo cumple con los requisitos esenciales establecidos en las Directivas indicados anteiramente.
Auftrag des Herstellers von - Firmado a nombre y por conta del fabricante por
Procuratore - Attomey - Procureur - Rechtsanwalt - Procurador
Arcole - Verona - ITALY
28-01-2015
Nicola MICHELETTU


2
COLA s.r.l. - Viale del Lavorg 79-37040 Arcpole (VR) Italy - Tel: 045 7635780 - 045 6144043
Cod. Fisc. - PIVA nscr. Reg. Impr. 02990180230 - Capitate Sociale Euro 52.000.00 i.v. REA VR-301021 - Socio Unico
Fax Aministrazione 045.6100317 - Fax Commerico 045.7639032 - Fax Aessienza 045.7639030 - Fax Logistica 045.6144048
1 ADVERTENCIAS GENERALES
1.1 Introduccion
1.2 Uso del manual
1.3 Normas de seguridad
1.4 Descripción技术水平
1.5 Combustible y uso permitted
1.6 Accesorios suministrados
1.7 Normas de referencia
1.8 Placa de identificacion
1.9 Puesta fuera de servicios de la estufa
1.10 Pedido de reparaciones y recambios
2 TRANSPORTE E INSTALACION
2.1 Embalaje, acarreo, expedencia y transporte
2.2 Lugar de instalación, emplazimiento y prevencion de incendios
2.3 Toma de aire
2.4 Salida de los humos de combustión
2.4.1Tipos de instalación
2.5 Control de la posicion del brasero y del deflector
2.6 Conexión electrica
2.7 Esquema électrique
2.8 Emergencias
3 SEGURIDAD DE LA ESTUFA
3.1 Distancia minima de materiales inflamables
3.2 Dispositivo de seguridad en la calidad de humos
3.3 Seguidad contra sobrepresiones en la camara de combustion
3.4 Sobrecalentamento - termostato de seguidad del deposito de pellets
3.5 Seguidad contra el returno de llama al conductor de alimentacion de pellets
3.6 Dispositivo eletrico de proteccion contra sobrecorrientes
3.7 Seguidad contra la interrupcion de la corriente
3.8 Fallo del ventilador de humos
4 USO DE LA ESTUFA
4.1 Introduccion
4.2 Descripción del panel de mandos
4.3 Encendido
4.3.1 Control antes del encendido
4.3.2 Puesta en marcha
4.4 Funcionamento
4.5 Apagado de la estufa
4.6 Menus
4.6.1 menu 01 - Ajuste ventiladores
4.6.2 menu 02 - Ajuste reloj
4.6.3 menu 03 - Habilitar crono
4.6.4 menu 04-Elegir idioma
4.6.5 menu 05 - Modo stand-by
4.6.6 menu 06 - Avisador acustico
4.6.7 menu 07 - Carga inicial
4.6.8 menu 08 - Estado de la estufa
4.6.9 menu 09 - Calibrado por parte del的技术ico
4.6.10 menu 10 - Calibrado instalador
4.6.11 menu 11 - Modo ECO
4.8 Mando a distancia
4.7.1 Sustitución de la bateria
4.8 Termostato -cronotermostato externo
4.9 Período de inactividad (final de temporada)
5 LIMPIEZA DE LA ESTUFA
5.1 Limpieza del brasero
5.2 Limpieza del cenicero
5.3 Limpieza del vidrio y de las ranuras de circulación de aire
5.4 Limpieza del extractor de humos y de la CAMERA de combustión
5.5 Limpieza del debímetro
5.6 Limpieza de las ceramicas
5.7 Limpieza del tubo de humos - chimenea
6 MANTENIMIENTO
6.1 Introduccion
6.2 Desmontaje del revestimiento
6.3 Componentes internos de la estufa
6.4 Componentes electricos
7 LOCALIZACION DE AVERIAS
7.1Gestión de las alarmas
8 MENU TARATURE INSTALADOR
1 ADVERTENCIAS GENERALES
1.1 Introduccion
Estimado CLIENTE:
En primer lugar, desamos agradecerle la confianza que nos ha demostrado al adquirir uno de nuestros produits.
Le invitamos a leer y seguir atentamente los consejos dados en este manual de instalacion, uso y mantenimiento para aprovechar al maximum las caracteristicas de este equipo.
Tos los documentos relativos a certificaciones o declaraciones del aparato, en particular la Declaracion de conformidad y la Declaracion de prestaciones, peuvent verse en el situ web de lamarca commercial de pertenencia.
1.2 Uso del manual
El fabricante se reserva el correcho a realizar modificaciones技术水平as o estéticas de los productos en cuales quemiento y sin preaviso.
Las operaciones de instalacion, uso y mantenimiento de la estufa deben cumplir los requisitos expuestos en este manual, asi como las leyes y las normas europeas, naciales, regionales, provinciales y municipales.
Las figuras y medidas, los esquemas yDEMAS informacion tienen solo valor indicativo.
El presente manual es parte integrante del producto. En caso de vente o cesión a otra persona, o de instalación enanother lugar,debae accompanyingal equipo para futuras consultas.
Si el manual se pierde o se dña, Solicite除外 ejemplar al Centro de asistencia的技术ico autorizzato.
| ! | Este símbelo indica la presencia de un mensaje importante, que requirei especial atencion yuyo incumplimiento能把 causar daños graves a la estufa y a las personas. |
| Los detailles que requireien mayor atencion se destacan mediante el texto en negrita. |
1.3 Normas de seguridad
Leer este manual antes de realizar operaciones de instalacion, uso y mantenimiento de la estufa.
Hacer realizar la instalacion, la connexion electrica, la prueba y elostenimiento por un先进技术 autorizzato.
- Conectar la estufa a una chimenea según normas a工程技术 de un terminal inspeccionable. La conexión de various aparatos a una misma chimenea debe estar autorizada por las normas locales y por el organismo de control de este tipo de sistemas.
- Conectar la estufa a la aspiracion mediante un tubo o toma de aire desde el exterior.
- Conectar la estufa a una toma de corriente homologada de 230V - 50Hz
- Contralar que la instalacion electrica y las tomas de corriente tengan calidad para soportar la absorccion maxima del equipo, indicada en la plac y en este manual.
- Antes de hacerrialquier operacion de mantenimiento,desconectar la estufa de la corriente elctrica ydefer que se enfrie.
No utilizel liquidos o sustancias inflamables para encender la estufo reavirar la llama: con la estufa en marcha, los pellets se encienden automatically.
- Alimentar la estufa exclusivamente con pellets de madera que tengan las caracteristicas descritas en este manual.
- No usar la estufa como incinerador de residuos.
- No cerrar en ningún caso las entradas de aire comburette ni las salidas de humos.
- No manipular sustancias fácilmente inflamables o explosivas cerca de la estufa encendida.
No guitar ni modificar la rejilla de proteccion del deposito de pellets nithersdispositivosde seguridad.
No utilizear la estufa con la puerta de la camar a de combustion abierta o con el vidrio rajado o roto.
- Durante el funciona, el intenso calor generado por la combustion de los pellets calienta las superficies externas de la estufa, en particular, la puerta de la camera, la manija y el tubo de salute de humos. Evitar el contacto con dichas partes sin una proteccion adecuada.
- Mantener a una distancia prudencial los objetivos inflamables o que no resistan al calor.
- Limpiar correctamente el brasero a cada encendido o recarga de pellets.
Hacer limpiar el conducto y los deflectores de homo, bajo de la camera de combustion, por un technician autorizzato.
- Evitar la formación de humano y de material inquemado durante el encendido y el funcionaimiento. Si se acumula mucho pellet sin quemar en el brasero, quitarlomanualmente antes del proximo encendido.
- Advertir a los niños y huéspedes de los peligros anteiormente descriritos.
- En caso de anomalías de funciona, no reencender la estufa hasta que se haya resulto la causa del problema.
Las modificaciones de la estufa o el uso de recambios no originales sin la debida autorizacion puedaponer al usuario enpeligro,ante loquel el fabricante queda exento de responsabilidad civil o penal.
- Utilizar solo recambios originales indicados por el fabricante.

El fabricante no asume ninguna responsabilidad por inconvenrientes, roturas o accidentes debidos a la inobservancia de lasindicacionesdadas en el presente manual.
1.4 Descripción技术水平
La estufa funciona exclusivamente con pellets y difunde un calor sano y seguro en el ambiente.Esta provista de sistemas automaticos de control que aseguran un rendimiento difermeico ideal y una combustion completa. Además, los dispositivos de seguridad garantizan un funcionaacion sin riesgos para la estufa y para los sistemas.
El equipo instalado según las normas funciona con cualquier condidón climática exterior. No obstar, en situaciones créticas como viento fuerte o heladas pueda actuar los dispositivos de seguridad que apagan la estufa. La estufa mod. ANTIGUA, con potencia nominal de 8,27 kW, garantiza un volumen máximo calefactable de 236m^3 para viviendas con necesidad térmica de 35W / m^3 . Este valor puede variar en función del aislamento, del tipo y de la zona climática, factores que han de tenerse enIELDa para elegir correctamente el aparato. Para Obtener información技术水平a, consulte la tabla en la page 8.


Leyenda:
A - Rejillas de paso de aire
B - Conexión del cable electrico
C - Aspiración de aire comburette diam. 50 mm
D - Conexión tubo calidad de humos diám. 80 mm
E - Tapa del deposito de pellets


Medidas de la estufa de pellets ANTIGUA

Para abrir la manija de la puerta para levantar la estufa apagada y fría
1.5 Combustible y uso permitted
Las estufas de pellets configuran exclusivamente con pellets (pastillas) de differedes maderas conformes a la normal DIN plus 51731, UNE EN 14961-2 o O-Norm M 7135, con las siguientes caracterticas:
| Poder calorífico: | mín. 4,8 kWh/kg (4180 kcal/kg) |
| Densidad: | 680-720 kg/m3 |
| Humedad: | máx. 10 % en peso |
| Diámetro: | 6 ± 0,5 mm |
| Porcentaje de cenizas | máx. 1,5 % en peso |
| Longitud: | mín. 6 mm - máx. 30 mm |
| Composición: | 100 % madera sin tratar proveniente de laindustry de la madera o de postconsumo, sin性和añadoido agglomerantes y sin corteza, conforme a las normas vigilentes. |
| Embalaje: | en sacos de material ecocompatible o biodegradable, o de papel |
El deposito de pellets está en la parte posterior de la estufa. La tapa del deposito se encuesta en la parte superior y la energia se efectúa正常使用, solo con la estufa apagada y con cuidado de que losPellets no sobresalgan ni se caigan del deposito.
El uso de pellet con caracteristicas distinctas a las del utilizado por el先进技术 durante el primer encendido exige una recalibracion de los paramedos de energia.Esta operation no está cubierta por la garantia.

- Guarde el pellet en un lugar seco y protegado.
- Para garantizar un funciona regular y eficaz, no colque pellets ni ellos combustiblesmanualmente en el brasero.
- Evite cigar combustibles no aprobados en el deposto.
- No introduzca objetos extraños en el deposito, como recipientes, cajas, bolas o metales.
- El uso de pellet de baja calidad y no aprobado compromete el funcionaimiento del equipo y pueda darrearlo, con anulacion de la garantia y exencion de responsabilidad del fabricante.
1.6 Accesorios suministrados
El suministro incluye:
Manual de instalación, uso y mantenimiento
Manija para abrir y cerrar la puerta de la camarara
Mando a distancia
1.7 Normas de referencia
Norma UNE EN 14785:2006
Requisitos de Diseño, fabricación, seguridad y prestaciones, instrucciones y marcado, y respectivos métodos de prueba para la homologación de generadores de calor alimentados con pellets.
Norma UNE EN 60335-1:
Norma UNE EN 60335-2-102:
Norma UNE EN 55014-1:
- Seguidad de aparatos electrodomesticos y similares - parte 1.2. Seguidad de aparatos electrodomesticos y similares - parte 2.
Resistencia electromagnética - Requisitos para electrodomesticos, herramientos electricas y equipos electricos similares - Parte 1. Emisión de interferencias.
Norma UNE EN 55014-2:
Resistencia electromagnética - Requisitos para electrodomesticos, herramientes electricas y equipos electricos similares - Parte 2. Inmunidad, Normas de familia de producto.
Norma UNE EN 61000-3-2:
Límites de émisión de corrientes armónicas (corriente de entrada ≤ 16 A por fase).
Norma UNE EN 61000-3-3:
Limitación de las variaciones de tensión y flicker en las redes Públas de suministro de baja tensión para los equipos con corriente nominal ≤ 16 A.
Norma UNE EN 62233:
Métodos de medida de los Campos electromagnéticos de electrodométricos y similares en relacion con la exposión humana.
Normas DIN plus 51731 - UNE EN 14961 - Ö-Norm M 7135:
Normas sobre las specifications y clasificacion del pellet.
1.8 Placa de identificacion
La plac de identificacion estan en la cara interna de la tapa del deposito de pellets o en la pared posterior de la estufa. Enlla se indican los datos caracteristicos de la estufa, como la identificacion del fabricante, el numero de series, el marcado CE, el laboratorio de ensayo y el numero de referencia de la Declaracion de prestaciones
1.9 Puesta fauna de servicios de la estufa
Cuando decide no utilizear más la estufa, desconectela de la red electrica y vacie el deposito de pellets. Para(deschar la estufa,llevela en un embalaje robusto y precinctado a un centro especializzato en el tratamente de este tipo de equipos, o entrada al vendedor si adquiere una estufaneaueva decharacteristicas similares.

El símbolo del contentedor tachado que aparece en la etiqueta del equipo indica que este, al final de su vidautil, noDebe desearche junto conothers residuos.
1.10 Pedido de reparaciones y recambios
Para solicitar reparaciones o recambios, contacte con el vendedor del equipo, el importador de zona o el centro de asistencia autorizada más cercano,indicando de modo claro los siguientes datos:modelo de estufa,norro de series, fecha de compra, lista de recambios e informacion sobre las anomalias observadas.

- Los componentes deben ser reparados por personal autorizzato.
- Antes de realizarrialquier operation, se debe comprobar que la estufa este desconectada de la electricidad y fria.
- Exija el uso de recambios originales.
2 TRANSPORTE E INSTALACION
2.1 Embalaje, acarreo, expedition y transporte
La estufa se pueda transporte con su embalaje en una carretilla elevadora, introduciendo las horquillas, de longitud. adecadua, en las cavidades del palet de madera. Compruebe que los dispositivos realizados para la elevacion y el transporte soporten el peso de la estufa, indicado en la placac de identificacion y en el presente manual.
No pase la energia por sitios donde la caía pueda representar un peligro.
Abra el embalaje, saque la estufa del palet, controle que esté completa y ubiquela en el lugar elegido.
Se recomienda apoyar la estufa en el suelo, en el lugar de instalacion, con mucho cuidado y evitando golpes. Es indispensable comprobar que el suelo pueda resistir el peso de la estufa; si no es asi, consulte a un technician especializzato. En conformidad con las normas vigentes, la eliminacion y el reciclado del embalaje son responsabilidad del usuario final.
2.2 Lugar de instalación, emplazimiento y prevencion de incendios
El lugar de instalacion debe estar suficientmente ventilado para permitir la evacuation de una eventual perdida de humos de combustion.
El equipo está realizado para funciona en ambientes domesticos con temperatura no inferior a 0^
Para evaporar el riesgo de incendio, es necessario proteger del calor y de la radiacion del fuego las estucturas cercanas a la estufa.
Si el suejo es de madera o de other material inflamable, apoye la estufa en paneles de acero o de cristal Templado.
Los paneles deben cubrir, además de la base, un espacio delante de la estufa.
Las vinas o tablas de madera situadas arriba de la estufa o atravesadas por los pasos de humos deben protegerse con arreglo a las normas de instalacion vigentes.
La distancia frontal minima para la proteccion de objectos inflamables es de 1,5 m. En el dibujo seguido se indica las distancias minimas de seguridad respecto a materiales inflamables.
CCLA

Alrededor de la estufa debe quedar espace suificente y de fácil acceso para hacer el mantenimiento periodico. La estufaiene quatre pies regulables para compensar los posibles desniveles del sueo. Para nivelarla, inclina la ligeramente y gire el pie que necesse regulacion.
La estufa se suministra con la sonda de ambiente fjada con una abrazadora a la pared posterior. Se aconseja qutar la abrazadora y ubicar la sonda donde pueda hacer la mejor lecture possible de la temperatura ambiente. Para hacer las medicaciones lejos de la estufa, se aconseja instalar un termostato/cronotermostat de ambiente.

- No instale la estufa en dormitorios, cuartos de bano ni, en general, en除外s ambientes donte ya exista除外 equipo de calefacion sin un flujo de aire independiente.
- Si el suejo es de madera, apoye la estufa en un panel de proteccion conforme a las normas vigentes.
- Se aconseja tener a mano un dispositivo antiincendios adecuado.
- Este prohibido instalar la estufa en ambientes con atmósfera explosiva.
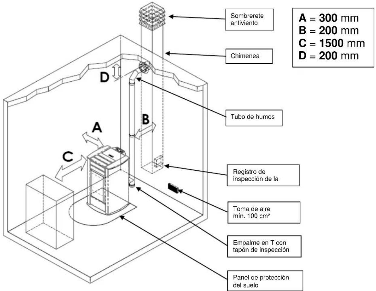
2.3 Toma de aire
La conexión de aspiración o toma de aire de la estuía se incluye en la parte posterior y es deSECTION circular con diametro de 50 mm.
En el local donde se instale la estufa debe haber una aportacion de aire como minimum suficiente para la combustion. Por este motivo, el aire de combustion necessario para garantizar un funciona adegued del equipo se debe aspirar:
del ambiente, con la condidion de que, circa de la estufa, haya una toma de aire de pared con una superficie libre minima de 100~cm^2 , comunicada con el exterior y protegida por fuera con una rejilla;
mediante conexion directa al exterior, con un tubo de diametro interior minimo de 50 mm y longitud maxima de 1,5 m provisto de terminal externo antiviento (codo hacia abajo).
El flujo de aire también se pueda tomar de un local contiguo al de instalacion, siempre queicho flujo se realice libremente a trovés de aberturas permanentes que comuniquen con el exterior. El local no debe destinarse a garaje, almacén de materiales combustibles o activités con peligro de incendio.
2.4 Salida de los humos de combustión
La saliva de humos se pueda hacer mediante conexión a un conductor de ventilación traditional o a una chimenea exterior mediante tubo aislado o de doble pared.
El tubo de salute de humos debe tener un tiro minimo de 10 Pa para garantizar la evacuation de los humos incluso durante una errupcion temporal de la energia elctrica.

- Se recomienda al instalador verificar la eficiencia y el estado de la chimenea y la conformidad con las normas locales, nacias y europeas.
- Es necessario utiliser tubos y empalmes certificados con juntas adecuadas que aseguren la estanqueidad.
- En caso de incendio, apague la estufa y llame inmediamente a los bomberos si no consigue apagarlo al primer intento.
- Limpiar como minimo una vez al ano el tubo de salute de humos de la estufa y el conductor de ventilacion/chimenea del edificio.
2.4.1 Tiños de instalaciones
A continuación se detallan las definiciones y los requisitos para realizar la calidad de humos :
CHIMENEA: conduc to vertical que recoge y expulsa a una altera
adequada del suejo los productos de combustion de un solo aparato o, en caso permittedos, de mas de uno.
Requisitos技术和 de la CHIMENEA. Debe: - ser estanca a los productos de combustión yistar con el aislamento你需要 en función de la Utilización;
- ser lo más verticalisable, con una desviación inferior a 45^ respecting al eje;
- estar suficientemente aislada de materiales inflamables mediante una-camera de aire o aislante;
- tener sección interior preferibile circular, constante, libre e independiente;
- en lo possible, tener una CAMERA inspeccionable para la recoleccion de materiales solidos
- y posibles condensados, debajo de la embocadura del tubo de humos. TUBO DE SALIDA DE HUMOS: conductor o elemento de conexión entre el equipo y la chimenea para la evacuación de los productos de combustión.

Requisitos tecnicos del TUBO DE HUMOS: - no debe atravesar locales donte no se permita instalar aparatos de combustion;
- está prohibido realizarlo con tubos metálicos flexibles o de fibrocimento;
- está prohibido usar elementos en contrapendiente;
- los tramos horizontales deben tener una pendiente minima de 3 % hacía arriba;
- la longitud del tramo horizontal debe ser lo menor possible y nunca superior a 3m
- el número de Cambos de dirección, sin el empalme en T, no debe ser superior a tres;
- para un cambio de direccion de más de 90^ , usar como máximo dos codos cuya longitud en proyección horizontal no sea superior a 2 m;
- el tubo de humos deben tener sección constante y permitir la extracción del hollín.
SOMBRETE: dispositivo montado en la cima de la chimenea que sirve para descargar a la atmosafera los productos de la combustion.
Requisitos&TecnicosSOMBRERETE: -debe tener seccionequivalentea la de la chimenea;
- la secciónutil no debe ser inferior al doble de la seccion interior de la chimenea;
- debe impedir la entrada de lluvia y cuerpos extraños y asegurar la evacuación de los productos de la combustión enequalquier condidón atmósferica;
- debe garantizar una adecuada dispersión de los productos de la combustión y estar situado fuera de la zona de reflujo;
-
no debe estar provisto de medios mecánicos de aspiración.
-
La salute directa de los productos de la combustion debe hacer en la cubierta del inmueble; esta prohibido dirigirla a espacios cerrados aunque carezcan de techo.
- Usar siempre tubo aislado, para evitar:
si discernre la chimenea por el exterior:发病率 que se enfiuen los productos de la combustion y no tengamos tiro suficiente,
si discernre la chimenea por el interior: evitar quemaduras por contacto con la chimenea, y de igual forma. evaporar que no tengamos tiro suficiente, - Usar siempre tubospecíficos de salute de gases para combustibles solidos (como Inox. AISI 316 o Vitrificado en ambas caras),
Realizar siempre calidad de gases a cubierta del edificio tal y como indica la normativa vigente, - Colocar terminales de chimenea espécíficos, pero no giratorios para registrar que se agarroten por los composicion de los gases de combustión de这些东西 combustibles, el diametro necessario de chimenea depende en gran parte de la localidad donde se encontrar la instalación:
por la temperatura exterior, la alto, etc.
Enrialquier caso, siempre se debe consultar con el fabricante de la chimenea qual es el diametro necessario en funcao de la longitud y figura de cada composacion de chimenea.

COLA
- Siempre tener presente el tiro minimo necessario (Pa) indica en la tabla de caracteristicas sociales, este es el valor necessario que hay que cumplir para garantizar el buen funciona del aparato.
Siempre se deben Respectar la normativa vigente actual respecto a todo lo relacionada a salute de gases quemados
2.5 Control de la posicion del brasero y del deflector
Antes de encender la estufa, es importante controlar que el brasero este en la posicjion correcta y enganchado en las fijaciones. Controlar también que el deflector de humos superior este encajado en su alojamento. La posicjion incorrecta del deflector provoca fallos de functonamento y un ennegrecimiento excessivo del vidrio.

A cada encendido del equipo, controle que el brasero está bien alojado en el portabrasero.
Conecte el cable de alimentacion eletrica a una toma de corriente mural. La tension de la red eletrica debe tener el valor que se indica en la placac de identificacion de la estufa y en el apartado de datos tecnicos de este manual. Antes de un periodo de inactividad de la estufa, se recomienda desconectarla de la corriente eletrica.

- Compruebe que la instalacion electrica sea conforme a las normas y este dotada de puesta a tierra e interruptor diferencial.
- El cable de alimentacion no debe tocar nunca el tubo de salute de humos de la estufa.
Se aconseja tener a mano un dispositivo antiincendios adequado.
Si se produce un incendidio, proceda del suiviente modo:

- Desconecte inmediamente la estufa de la corriente.
- Apague el fuego con un extintor apropiado.
- Llamrapidamentealosbomberos.
- No intente apagar el fuego con chorros de agua.
3 SEGURIDAD DE LA ESTUFA
3.1 Distancia minima de materiales inflamables
Para evitar incendios, la estufa se debe instalar a una distancia de seguridad con respecto a qualquier material inflamable, tal como se indica en la tabla的技术ica del manual y en la placadatos del equipo.
Preste atencion al tipo de sueo: para materiales delicados e inflamables, se aconseja apoyar la estufa en placas de acero o vidrio Templado (vea el capitulo 2 - Transporte e instalacion). En caso de objetos muy delicados, como muebles, cortinas o sofas, augmentar considerablemente la distancia a la estufa.
3.2 Dispositivo de seguridad en la calidad de humos
Durante el funciona normal, la CAMERA de combustion está en depresión para impeder que las eventuales perdidas de humo salgan al ambiente. Si no se alcanza un cierto valor de vacio, o si la calidad de humos está atascada, el vacuostato detecta la falta de depresión en la CAMERA de combustión o el debímetro detecta la ausencia de flujo de airecomburente. En tal caso, el control electrónico detiene el motor de rotación del sinfin y advierte de la anomía con un mensaje en el panel de mandos: "AL 8 FALTA DEPRES" o "AL 9 TIRO INSUF".
3.3 Seguidad contra sobrepresiones en la camar de combustion
En caso de sobrepresion de los humos en la camera y en los conductos de evacuation, dichos humos se descargan a工程技术 de seguidad situadas sobre el intercambiador de calor. Durante elFunciamento normal, estas valvulas estan cerradas por su propio peso y por la depresion de la camera, y garantizaran la estanqueidad ante una eventual calidad de humos.

Controle periodicamente el cierre, el estado general y el funcionaamento de las valvulas.
3.4 Sobrecalentimiento - termostato de seguridad del deposito de pellets

En el conducto de pellets hay una sonda de temperatura conectada a un termostato de seguidad que, en caso de calentamento excessivo (>85^) , desactiva automatically la alimentacion del pellet. En este caso, el extractor de humos o los ventiladores siguen functioning para enfiar rapidamente la estufa. La anomalia se indica en el panel de mandos con el mensaje "AL 7 SEGUR TERMICA". Si actua el termostato:
Deje enfiar la estufalmenos45minutos.
Rearme el termostato pulsando el botón situado detrás de la estufa bajo al interruptor, previa extracción de la tapa de seguridad (figura al性和).
Encienda la estufa normalmente.
3.5 Seguidad contra el returno de llama al conductor de alimentacion de pellets
El returno de la llama se impide mediante:
Depresión en la CAMERA de combustión (apartado 3.2.)
Forma en sifón del conductor de alimentación de pellets
Termostatode seguridadel deposto (apartado 3.4)
3.6 Dispositivo electrico de proteccion contra sobrecorrientes
El equipo está protegado contra sobrecorrientes por uno o más fusibles de 2 A instalados en la alimentación del interruptor general de la estufa, situado en la parte posterior.
3.7 Seguidad contra la interrupción de la corriente electrica
Si el corte de energia es breve, la estuya se vuye a encender automatistically.
Dada laITTLEcantidad de pellets que se queman en el brasero, la interrupcion temporal de la corriente electrica no reduce la seguridad de la estufa y la temperatura del deposito no alcanza valores elevados (< 85^) .Durante la interrupcion de la corriente能把 producirse un breve escape de homo al ambiente, que no supone ningun peligro.

Está prohibido alterar los dispositivos de seguridad.
3.8 Fallo del ventilador de extracción de humos
Si, por该如何 motivo, el ventilador de extracción de humos se detiene, el control electrónico bloquea instantaneeamente la entrada de pellets y visualiza el mensaje "AL 4 FALLO - ASPIR".
4 USO DE LA ESTUFA
4.1 Introduccion
La estufa de pellets auna la calidez del fuego de leña a la comodidad del control automatico de la temperatura, con posibiliad de programar el encendido y apagado para toda la semana.
Para un uso seguro, se aconseja tener en cuenta las siguientes indicaciones:
- En la prima puesta en marcha se suece sentir mal olor. Airee bien el local, especially en el primer encendido.
- Cargue el deposto exclusivamente con pellets. Durante laarga, evite que el saco entre en contacto con las superficies calientes de la estufa.
No introduzca en el deposito ningun combustible que no sea el pellet de madera indicado en este manual. - No utilise el equipo para incinerar residuos.
- La estufa debe funccionar siempre con la puerta de la camarara cerrada.
- Controle periodicamente las juntas de la puerta de la-camera parapreventir filtracionesde aire.
- Para garantizar un rendimientoTERMICO adecuado y un functionamento correcto, limpie el brasero cada vez que carguepellets.
- En el primer encendido, es importante no sobrecalantar la estufa sinoacular la temperatura gradualmente.
- Durante el encendido, el funciona y el apagado, la estufa可以选择 crujar a causa de las dilatazonies y contractions termicas.
4.2 Descripción del panel de mandos
La estufa se controla mediante un panel de mandos dotado de quatre teclas y una pantalla LCD. El panel permite encender y apagar la estufa, regularla durante el funciona y ajustar los programas de gestion y mantenimiento.
A continuación se describes el panel de mandos y las/DDes principalas de las teclas.

4.3 Encendido
Antes de encender la estufa:
- Asegürese de haber leido y compendio el manual.
- El depuesto debe estar cargado de pellets.
- La CAMERA de combustión debe estar limpia.
- El brasero debe estar complemente vacio, sin residuos de combustion y correctamente ubicado en el portabrasero.
- Compruebe el cierre hermético de la puerta de la camarà y del cenicero.

- Al primer encendido, quite de la camar de combustion y del vidrio todos los elementos que se pueda quemar (instrucciones, etiqueta).
- Antes de encender el aparato tras una inactividad prolongada, haga una limpieza completa de la camara de combustión y quite los restos de pellets que hayanockeye en el deposito,porque este combustible,si se humedece, no arde correctamente.
Para encender la estufa, presione la tecla P4 del panel durante algunos segundos. En la pantalla aparece la indicacion START.Esta fase es automatica y está totalmente gestionada por el control electrico, sin posibilidad de modifier los parámetros.
La estuña ejecta las diversas fases de puesta en marcha de acuerdo con los parámetros, hasta临港 a la condidón de trabajo. Al cabo de un tiempo, si la temperatura de los humos no ha alcancazo el valor minimo admitido, la estuña activa el estado de alarma.

- Este prohibido usar liquidos inflamables para el encendido.
- Si el encendido falla repetidamente, llame al Centro de asistencia.
COLA
4.4 Trabajo
Si la puesta en marcha termina correctamente, la estufa para algo TRABAJO, que es el de configuraciono normal. Para regular la potencia de calefacion, pulse primero la tecla P2 y despues ajuste el valor entre 1 y 5 con P1 o P2.
La estufa regula automatically the ventilation de aire caliente en fonction de la potencia seleccionada.
Además de la potencia, se pueda ajustar la temperature ambiente. Pulse la tecla P1 y ajuste la consigna entre 7 C y 40^ con las teclas P1 y P2.

- Se recomienda controlar el nivel de pellets en el deposito para registrar que la llama se apague por falta de combustible.
- Antes de cargar pellets, cerciorese de que el aparato esté apagado.
- La tapa del deposito de pellets debe estar siempre cerrada, abrala solamente para hacer la carga.
- Guarde los sacos de pellets como minimo a 1,5 m de la estufa.
Cuando se alcanza la temperatura de consigna, se enciende el symbolo correspondiente en la pantalla.
Si se activa el modo STAND-BY, la estufa se apaga tras un retardo de algunos Minutes. El reencendido se produce cuando la temperatura ambiente se hace inferior al valor programado en un numero determinado de grados (de fabrica 2^ ).
Si el modo STAND-BY no está activado, o si la temperatura de los humos llega al valor máximo programado, en la pantalla aparece el mensaje MODULA y la estufa activa el procedimiento de modulación de la llama sin intervención del usuario.
Si la temperatura sigue augmentando hasta superar el limitepecificado, aparece la alarma ALTA TMP HUMOS y la estufa activa el procedimiento de apagado.
Durante el funciona normal en modo Trabajo, a intervals preestablecidos se activa el modo LIMPIEZA BRASERO durante un tiempo especificado de algunos segundos.
4.5 Apagado
Para apagar la estufa, presione la tecla P4 durante algunos segundos. El sinfn se para de inmediato, el extractor de humos funciona a alta velocidad y en la pantalla aparece la indicacion "LIMPIEZA FINAL". Los motores de aspiracion de humos y ventilacion de aire permancen encendidos hasta que la estufa se enfrna lo suficiente.
Al final de la operación, en pantalla aparece la indicación "APAGADO".
Durante la fase de apagado, no se可以选择 volver a encender la estufa hasta que la temperatura de los humos permanece por Debate de un valor prefijado durante el tiempo programado. Si se presiona la tecla de encendido, en la pantalla aparece la indicacion "ESPERA REFRIGER".
4.6 Menu
Presionando la tecla P3 se accede al menu. El menu está dividido en once submenús que permiten acceder a los ajustes del control electrónico.
Use las teclas P1 y P2 para recorrer los menús, P3 para acceder a ellos y P4 para saber.
4.6.1 Menu 01 - Ajuste ventiladores
Si desea ajustar manualmente el flujo de aire caliente, seleccione la velocidad entre los values 1 y 5. Si, en cambio, prefiere que la velocidad de los ventiladores sea automatica en funcion de la potencia programada, seleccione el valor A.
4.6.2 Menu 02 - Ajuste reloj
Antes de utiliser la estufa, se deben indicar la Fecha y hora actuales para que sirvan de referencia para el possible configuraciono con crono.
El control electrónico funciona con una batería de litio mod. CR2032 de 3 V que asegura al reloj interno una autonomía propria. Si, con la estufa desconectada de la electricidad, el reloj no mantiene el horario o al reencendido aparece una série de ceros, llama a un centro de assistencia autorizado para Cambiar la batería.
Pulse P3 para acceder al reloj y ajuste la hora con P1 y P2. Pulse mas vezes P3 paraaabstar los minutos, el dia, el mes y el ano.
4.6.3 Menu 03 - Habilita crono
Permite habilitar todas las functions del cronotermostat. Para Habiliar el crono, acceda al primer submenú HABILITA CRONO y selección ON con las teclas P1 o P2. En la pantalla se enciende el symbolo correspondiente y la programación queda activada. Los mandos manuales con el panel o el mando a distancia tienen prioridad respecto a la programación.
En el segundo submenu PROGRAM DIA se pueda habiliar o deshabilar el crono diario con las teclas P1 y P2.
Pulsando luego la tecla P3 es possible programar hasta dos franjas de funciona delimitadas por los horarios indicados.
En elecer submenu PROGRAM SEMANA es possible habilitar, deshabilitar y ajustar las functions del crono seminal. El procedimiento es el本身就是 que se describio en el apartado anterior. Se pueda programar hasta在哪i franjas de funciona delimitadas por los horarios y los días indicados.

Realice la programacion con cuidado, evitando superponer las horas de activacion y desactivacion para el本身就是 en distinctos programas.
En el cuarto submenu PROGRAM FIN SEMANA es possible habilitar, deshabilitar yJKLM en el fin de semantics. El procedimiento es el mesmo que se describio en el apartado anterior. Se pueda programar hasta dos franjas de funciona delimitadas por los horarios indicados.

Para evitar encendidos y apagados indeseados, se debe activar un solo programa por vez.
En el quinto submenu se pueda salir del menu crono y volver al menu principal.
4.6.4 Menu 04 - Elegir idioma
Estaopyon permite seleccionar elidioma de la pantalla entre los que estan disponible.
4.6.5 Menu 05 - Modo stand-by
Si el stand-by se ajusta en ON, se enciende el symbolo correspondiente en la pantalla y la estufa se apaga automatistically cuando la temperatura ambiente permanece en el valor de consigna durante un tiempo prefijado. El reencendido es automatico cuando la temperatura ambiente se hace inferior a la consigna en un numero determinado de grados (de fabrica 2^ ).
Si se selección OFF, no se activa el modo stand-by sino el de modulación. En tal caso, cuando la temperatura supera el valor de consigna, la estufa funciona a la potencia minima.
4.6.6 Menu 06 - Avisador acústico
Esteajuste permite activor o desactivar la senalizacion acustica de las alarmas de la estufa.
4.6.7 Menu 07 - Carga inicial
Permite hacer una precarga de pellets durante un tiempo definido.Esta función se pueda activar solamente con la estufa apagada y fria, y se utilizes si el sinfn de energia está vacio porque se han acabado los pellets. Seactiva con la tecla P1 y se interrupre con la tecla P4.
4.6.8 Menu 08 - Estado estufa
Este menu está reservado a los先进技术 de los centres de asistencia de FERROLI ESPANA, S.L.U.
4.6.9 Menu 09 - Calibrado técnico
Este menu está reservado a los先进技术 de los centres de assistencia de FERROLI ESPANA, S.L.U.

La modificacion de los parametros技术和 en el menu 09 debe ser efectuada por personal autorizacion. Las Modifications por parte de otheras personas peuvent causar graves daños que eximen de toda responsabilidad a FERROLI ESPANA, S.L.U.
4.6.10 Menu 10 - Calibrado instalador
Este menu está reservado a los先进技术 de los centres de asistencia de FERROLI ESPANA, S.L.U.
4.6.11 Menu 11 - Modo ECO
Si el modo ECO se ajusta en ON, la estufa funciona en modulacion, eskaar, con potencia y ventilacion minimas.
En la pantalla aparecen la indicacion MODO ECO y el SYMBOL correspondiente.
4.7 Mando a distancia
El mando a distancia es un dispositivo que transmite mediante un diodo de infrarrojos. Por este motivo, es必需ario apuntarlo hacía el receptor incorporable en el panel de mandos.
El mando a distancia Tiene las siguientesustralianes:
CCLA

4.7.1 Sustitución de la batería
El mando a distancia se alimenta con una bateria tipo CR2025 de 3 V situada en la parte inferior del dispositivo. Para colocarla, proceda del modo suiviente:
- Accione la palanca indica.
- Extraiga por complete la bandeja portabateria y sustituya la bateria (modelo CR2025 de 3 V) Respectando la polaridad.
- Coloque la bandeja.
- Compruebe el funciona.

- No acerque el mando a fuentes de calor directo y evite que se moje.
- Deposite las baterías usadas en un conteditorístico.


4.8 Termostato exterior
El aparato se suministra de series con una sonda digital que mide la temperatura ambiente y ajusta la potencia en func tion de la consigna programada.
Si desea aplicar un termostato adicular, Iame a un technician autorizo para realizar las seguides operaciones:
- Apague el aparato con el interruptor general (si se incluye) y desconecte el cable de la corriente electrica.
- Quite la cubierta para acceder a la tarjeta madre.
- Guiandose por el esquema eletrico, conecte los dos cables del termostato a los respectivos bornes TERM de la tarjeta (utilice un termostato del tipo "normalmente abierto").
- Restablezca el estado normal de la estufa y compruebe el funcionaamento.
Después, efectue la?singulare configuracion:
- Termostato externo: ajuste una consigna (SET) de 7^ .
Cronotermostaterno:ajuste una consigna (SET) de 7^ ,desactive la functiOn Crono en el menu 03 y ponga la functiOn STAND-BY en ON. Cuando se alcance la temperatura programada, la estufa no pasar a modulacion sino que se apagará.
En este caso, se aconseja utiliser la programacion hora de la estufa y regular la temperatura solamente con el cronotermostat exterior.
Solo con esta configuración conjunta es possible optar entre dejar el STAND-BY en ON o en OFF, obtiendo Respectivamente la modulación o el apagado cuando se alcanza la temperatura de consigna, ademas del apagado y encendido de acuerdo con la programación horaria realizada.
Cuando el termostato exterior ordena el funciona de la estufa, en la pantalla se enciende el symbolo correspondiente.
4.9 Período de inactividad (fin de temporada)
Si no utilizesa la estufa por un tiempo prolongado, o al final de la temporada, proceda delsiguiente modo:
- Descargue todoel pellet del deposito.
- Desconnecte la alimentacion electrica y quite el cable del interruptor.
- Limpie esmeradamente y, si esnecessary, haga sustituir las partes danadas por un先进技术 autorizzato.
Cubra la estufa para protegerla del polvo. - Guardela en un lugar seco, seguro y protegido de los agentes atmóséricos.
5 LIMPIEZA DE LA ESTUFA
La limpieza de la estufa es importante para asegurar el functiunamento correcto yeatingel ennegrecimiento del vidrio,la combustion Incorrecta,el deposito de cenizas e inquemados en el braso y la disminuacion de la eficacia ttemica.
La estufa debe functiorar con la puerta de la camarara sempre cerrada.
Las juntas de la puerta de la camera deben controlarse periodically para evitar filtraciones de aire. Esto es requisite porque la camera de combustion y el conductor de descarga de pellets funcjan en depresion, y la calidad de humos está ligeramente presurizada.
La limpieza ordinaria debe ser realizada por el usuario como se indica en el manual. Elostenimiento extraordinario debe ser efectuado, al menos una vez al ano, por un Centro de asistencia autorizzato.

- Limpie todas las partes con la estuya Completely fray y desconectada de la red electrica.
- Deseche los residuos de la limpieza según las normas locales vigentes.
- Este prohibido poner la estuña en marcha sin los revestimientos exteriores.
- Evite la formación de humano e inquemados durante el encendido y el funcionaimiento.
A continuación se detallan las operaciones de control y mantenimiento necessarias para asegurar el funciona correcto de la estufa.
| Partes / Frecuencia Tipo de limpieza | 1 día limpieza ordinaria | 2-3 días limpieza ordinaria | 1 mes limpieza ordinaria | 2-3 meses limpieza ordinaria | 1 año limpieza extraordinaria: efectuada por el Centro de asistencia技术水平 |
| Brasero | ■ | ||||
| Cenicero - cajón | ■ | ||||
| Vidrio | ■ | ||||
| Intercambiador de humos - deflector | ■ | ■ | |||
| Colector - extractor de humos | ■ | ■ | |||
| Junta de la puerta - vidrio | ■ | ||||
| Chimenea - tubo de humos | ■ |
5.1 Limpieza del brasero
Extraiga el brasero y quite los residuos de ceniza depositados en la-camera de combustión y en el portabrasero. Para thise possible utilizear un aspirador. This operation se debe realizar a diario (sobre todo si hay mucho pellet inquemado) para garantizar una combustion correcta, bajo que el aire requisite para la combustion entra por los orificios del brasero.



El brasero se debe apoyar en el portabrasero occupando todo el perimetro y sindeferaberturas pordonde poderparaasar el aire.
5.2 Limpieza del cencero
El cenicero está bajo del brasero-portabraso. Para limpiarlo, abra la puerta de la camera y aspire las cenizas y los residuos de la combustion con un aparato adecuado.
Una vez conclusida la limpieza, ciderre la puerta. El cenicero se possible limpiar cada 2 o 3 días segun el uso de la estufa.
5.3 Limpieza del vidrio y de las ranuras de circulación de aire
El vidrio se pueda limpar con un paño humedo y un detergente especialico que no sea abrasivo.
Entre el vidrio, el sujetavidrios y la puerta de la camera, en las partes inferior y superior, hayunas ranuras que permiten la circulacion del aire y la limpieza interior del vidrio. Es importantemantener limpias estas ranuras, eliminando las acumulaciones de ceniza y polvo. Limpie periodicamente todo el contorno interior del vidrio.
5.4 Limpieza del extractor de humos y de la CAMERA de combustión
Al menos una vez al ano se debe limpar la camera de combustion, eliminando todos los residuos de combustion de los deflectores internos y del recorro de los humos. Para elo es requisite qutar la tapa y el frontal superior de la estufa. Saque el intercambiador de hierro fundido, previa extracion de los tornillos de fijacion, y limpie los deflectores y laamera.
Tambien es importante limpar el extractor de humos, situado bajo de la camera, al cui se accede mediante la eliminacion de la puerta de inspections en la parte frontal inferior de laamera.
Cada 3-4 meses, limpie las paredes internas (aislantes-refractarias) de la camera de combustion con un cepillo y sustituyalas cuando corresponda, ya que se consideran material de desgaste.
Cada 1800 horas de funciona, la estufa activa el mensaje "LLAMAR SERVICE" para indicar que se debe contactar con el centro de asistencia autorizada para realizar el mantenimiento extraordinary, que incluye una limpieza completa y la anulacion de dicho mensaje.

Los golpes o forzamenteitos poder darar el extractor y causar un functiomento ruidoso; encargue esta operacion a personalrialcualificado.
5.5 Limpieza del debímetro
Dentro del tubo de aspiracion hay un debimetro (medidor del flujo de aire comburente) que se debe limiar cada 3-4 meses con un medio adecuado (soplo de aire comprimido o escobilla).
5.6 Limpieza de las ceramicas (en los modelos con revestimiento de este material)
Las ceramicas son de fabricacion artesanal y por ello能把 tenerkleas imperfecciones superficiales, como micropicaduras o falta de homogeneidad cromatica. Limpie las ceramicas con un paano suave y seco, el uso de detergentes可以使poner de manfiesto las imperfecciones.
5.7 Limpieza del tubo de humos - chimenea
El tubo de humos se debe limpiar como minimum una vez al ano y cuando sea necessario en func tion del uso de la estufa y del tipo de instalacion.
La limpieza consiste en la aspiracion y extracion de residuos de todos los tramos verticales, horizontales y curvos.
desde la estufa hasta la chimenea.
Tambien se aconseja limpiar una vez al ano la chimenea para garantizar la evacuation correcta de los humos.

Para该如何Maintenimiento y limpieza de fin de temporada, FERROLI ESPANA S.L.U. aconteja llamar a un Centro de asistencia autorizada, cuando personal también controlaré el desgaste de los componentes internos de la estufa.
6 MANTENIMIENTO
6.1 Introducción
Las operaciones en los componentes internos de la estufa deben ser realizadas por personal del centro de asistencia autorizada.

Antes de cada operación, compruebe que la clavija electrica está disconnectada y la estufa está completenessfully.
6.2 Desmontaje del revestimiento
Legenda:
1-Cubierta fundido
2- Profil frontal
3- Panel frontal superior
4- Profil posterior
5-Paneltrasero
6- Proteccion del motor
7- Panel frontal inferior
8-Ceramica lateral
9- Sedimento puerta de la tola

6.3 Componentes internos de la estufa

Leyenda:
1-Camara de combustion
2-Soporte lateral derecho - izquierdo
3- Intercambiador de hierro fundido
4-Paredes laterales de vermiculita
5- Deflector superior
6-Pared posterior de vermiculita
6.4 Componentes electricos


Leyenda:
1-Tarjeta electrònica
2 -Vacuostato de control y seguidad
3-Termostatode seguridad
4 -Connector con fusibles
5 -Conexion de puerto serial
6 -Sonda de temperatura ambiente
7 -Sonda de temperatura de los humos
8- Debimetro
9- Ventilador tangencialckecho
10-Ventilador tangencial izquierdo
11-Ventilador tangencial posterior
12-Panel de mando mod. N032
13-Motoriduttore
7 LOCALIZACION DE AVERIAS
7.1 Gestión de las alarmas
La presencia de una alarma se indica con una postalacustica (si está habititat) y un mensaje en el panel de control.
Si se produce una alarma: apague la estufa, soluzione la causa que la ha provocado y encienda la estufa normalmente como se describe en el presente manual.
A continuación se describes las alarmas que pueda aparecer en el panel de control, con sus causas y SOLUTIONES.
| ALARMAS - MENSAJES | |||
| Indicación | Anomalía | Causas posibles | Soluciones |
| AL 1 CORTE DE LUZ | - La estufa no se enciende. | - No hay alimentación electrónica durante el encendido. | - Poner la estufa en OFF con la tecla P4 y repetir el encendido. - Toda otra operation de restablecimiento debe ser efectuada por un centro de asistencia autorizada. |
| AL 2 SONDA HUMOS | - Indica un fallo de la sonda de temperatura de los humos. - Se activa el procedimiento de apagado. | - La sonda está averiada. - La sonda está desconectada de la tarjeta. | - Las operaciones de restablecimiento deben ser efectuadas por un centro de asistencia autorizada. |
| AL 3 ALTA TMP HUMOS | - La sonda de humos detecta una temperatura de los humos superior a 280 °C. - Se activa el procedimiento de apagado. | - El ventilador tangencial está averiado. - Noiego alimentación electrónica al ventilador tangencial. - Carga excessiva de pellets. | - Regular el flujo de pellets. - Toda otra operation de restablecimiento debe ser efectuada por un centro de asistencia autorizada. |
| AL 4 FALLO - ASPIR | - Indica un fallo del ventilador de aspiración de los hilos. - Se activa el procedimiento de apagado. | - El ventilador de los hilos está bloqueado. - El sensor de control de velocidad está averiado. - No llega alimentación electrónica al ventilador de hilos. | - Las operaciones de restablecimiento deben ser efectuadas por un centro de asistencia autorizada. |
| AL 5 FALLO ENCEND | - Al dar encendido no se produce llama. - Se activa el procedimiento de apagado. | - El depósito de pellets está vacío. - La resistencia electrónica está veriada, suecia o mal ubicada. - Calibración de laarga de pellets incorrectra. | - Verificar la presencia de pellets en el depósito. - Verificar el procedimiento de encendido. - Toda other operation de restablecimiento de be ser efectuada por un centro de asistencia autorizada. |
| AL 6 FALTAN PELLETS | - No entran pellets al braso. | - El depósito de pellets está vacío. - El motorreductor de carga de pellets de asentarse. - El motorreductor no carga pellets. | - Verificar la presencia de pellets en el depósito. - Regular el flujo de pellets. - Toda other operation de restablecimiento de be ser effectuada por un centro de asistencia autorizada. |
| AL 7 SEGUR TERMICA | - Señala que ha actuado el termostato de seguidad del conducto del sinfin. - El sistemas se para. | - El termostato de seguidad ha detected una temperatura superior al limitepecífico para el sobrecalentmente de la parte inferior del depósito y ha bloqueado el functionamento del motorreductor. | - Localizar la causa del sobrecalentmente. - Rearmar el termostato de seguidad con el botón correspondiente. |
| Indicación | Anomalía | Causas posibles | Solución |
| AL 8 FALTA DEPRES | - En fase de trabajo, la estuya detecta una presión inferior al limite de calibración del vacuostato. - El sistemas se para. | - La cárma de combustión está sucia. - El conducto de hilos está atascado. - La puerta de la cárma está abierta. - Las valvulas antiexplosion está abiertas/atascadas. - El vacuostato está averiado. | - Controlar la limpieza del tubo de humos y de la cárma de combustión. - Comprobar el ciere hermético de la puerta. - Comprobar el ciere de las valvulas antiexplosion. - Toda other operation de restablecimiento de be ser effectuada por un centro de asistencia autorizada. |
| AL 9 TIRO INSUF | - Señala que el flujo de aire comburrente está por debajo del limite specficado. | - La cárma de combustión está sucia. - El conducto de hilos está atascado. - La puerta de la cárma está abierta. - Las valvulas antiexplosion está abiertas/atascadas. - El debímetro está averiado. | - Controlar la limpieza del tubo de humos y de la cárma de combustión. - Comprobar el ciere hermético de la puerta. - Comprobar el ciere de las valvulas antiexplosion. - Toda other operation de restablecimiento de be ser effectuada por un centro de asistencia autorizada. |
| AL b ERROR TRIACSINF | - Se presenta cuando el motorreductor funciona más de 60segundos seguidos. - El sistemas se para. | - El control detecta que el relé de mando del motorreductor está averiado (contactos pegados). | - Las operaciones de restablecimiento deben ser effectuadas por un centro de asistencia autorizada. |
| ESPERA REFRIGER | - Se presenta cuando la estufa se encienda inmediamente después de haberla apagado. | - Intentio de desbloqueo durante el apagado con la estufa caliente y en fase de enfiambre. | - El desbloqueo de la alarma es posible solo cuando termina el apagado. |
| FALLO DEBIMET | - Señala que el debímetro está desconnectado. | - El control no detecta la candidade suficiente de aire comburende perno no apaga la estufa sino que desactiva solamente el | - Las operaciones de restablecimiento deben ser effectuadas por un centro de asistencia autorizada. |
| LLAMAR SERVICE | - Señala que la estufa ha superado las 1800 horas de funcionamiento desdela ultima intervencion de mantenimiento. | - Aviso deostenimiento extraordinario. | - Las operaciones de limpieza- mantimiento extraordinar y rearmeDeben serrealizadas por un centro de asistencia autorizada. |
8 MENU TARATURE INSTALADOR
Las instrucciones siguientes están destinadas exclusivamente a personalístico autorizo con competencias españicas en aparatos de calefactionfabricados por FERROLI ESPANA, S.L.U.

Una modificacion incorrecta de los paramedros能把 causar daños graves al aparato, a las personas y al medioambiente. En dichas conditiones, FERROLI ESPAÑA, S.L.U. no asume ninguna responsabilidad.
Para abrir el menu TARATURE INSTALLATORE (calibrado instalador), pulse la tecla P3 - MENU, busque TARATURE INSTALLATORE con las teclas de desplazamento y pulse P3 - MENU. Luego, utilise las teclas de desplazamento para visualizar la clave de acceso 10 y vuelva a pulsar la tecla P3 - MENU.
Es possible ver los distinctos parámetros con las teclas de desplazimiento, acceder a ellos con la tecla P3 - MENU, modifierlos con las teclas de desplazimiento y salir con la tecla ESC.
A continuación se describes los parámetros de regulación.
| Código parámetro | Descripción |
| 10-01 | Permitte aumento o disminuir el tiempo de inactividad del sin(fin para todas las potencias. |
| 10-02 | Permitte aumento o disminuir la velocidad del extractor de humos para todas las potencias en un 5% por cadaupon. |
| 10-03 | Habilitación del bloqueo del teclado. |
| 10-04 | Delta para encendidido y apagado respecto a la consigna de la sonda de regulación (ver parámetro 10-07). |
| 10-05 | Retardo del apagado de la estufa. Vázido solo en caso de modo espera en ON. |
| 10-06 | Permitte habiliar la autocalibración. |
| 10-07 | Permitte elegir con qué sonda efectuar la regulación de la estufa. - SONDA LOCAL: instalada en la estufa y connectada a la tarjeta madre. - SONDA REMOTA: sonda instalada en la consola remota. |
ManualFácil