JXW9036WP - Cooker JENN-AIR - Free user manual and instructions
Find the device manual for free JXW9036WP JENN-AIR in PDF.
Questions des utilisateurs sur JXW9036WP JENN-AIR
0 question sur cet appareil. Repondez a celles que vous connaissez ou posez la votre.
Poser une nouvelle question sur cet appareil
Download the instructions for your Cooker in PDF format for free! Find your manual JXW9036WP - JENN-AIR and take your electronic device back in hand. On this page are published all the documents necessary for the use of your device. JXW9036WP by JENN-AIR.
USER MANUAL JXW9036WP JENN-AIR
JENN-AIR® 30", 36", AND 48" (76.2 CM, 91.4 CM, AND 121.9 CM) COMMERCIAL STYLE WALL-MOUNT CANOPY RANGE HOOD
HOTTE DE CUISINIÈRE JENN-AIR® DE STYLE COMMERCIAL POUR POUR MONTAGE MURAL DE 30", 36" ET 48" (76,2 CM, 91,4 CM ET 121,9 CM)
Installation Instructions and Use & Care Guide
For questions about features, operation/performance, parts, accessories, or service in the U.S.A., call: 1-800-JENNAIR (1-800-536-6247) or visit our website at www.jennair.com.
In Canada, call: 1-800-JENNAIR (1-800-536-6247), or visit our website at www.jennair.ca.
IMPORTANT: READ AND SAVE THESE INSTRUCTIONS.
FOR RESIDENTIAL USE ONLY.
IMPORTANT: LIRE ET CONSERVER CES INSTRUCTIONS.
POUR UTILISATION RÉSIDENTIELLE UNIQUEMENT
TABLE OF CONTENTS
RANGE HOOD SAFETY 3
INSTALLATION REQUIREMENTS 5
Tools and Parts 5
Location Requirements. 5
Venting Requirements. 7
Electrical Requirements 8
INSTALLATION INSTRUCTIONS 8
Prepare Location. 8
Install Range Hood. 9
Install Range Hood Blower Motor. 9
Make Electrical Connection 10
Complete Installation and Check Operation. 11
RANGE HOOD USE. 12
Range Hood Controls 12
RANGE HOOD CARE 13
Range Hood Lamps. 13
Cleaning. 13
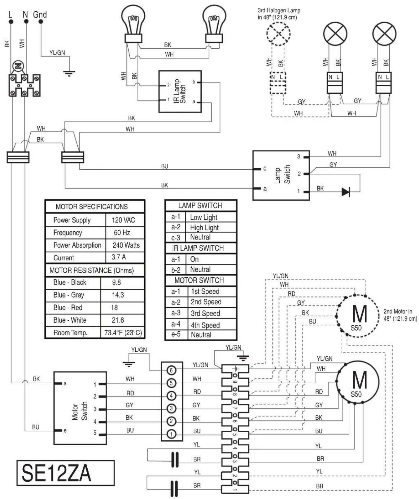
WIRING DIAGRAM 14
ASSISTANCE OR SERVICE. 15
In the U.S.A. 15
In Canada 15
Accessories. 15
WARRANTY 16
TABLE DES MATIÈRES
SECURITE DE LA HOTTE DE CUISINIÈRE. 17
EXIGENCES D'INSTALLATION 19
Exigences concernant I'evacuation 21
ASSISTANCE OU SERVICE 30
Au Canada. 30
Accessoires 30
GARANTIE. 31
RANGE HOOD SAFETY
Your safety and the safety of others are very important.
We have provided many important safety messages in this manual and on your appliance. Always read and obey all safety messages.

This is the safety alert symbol.
This symbol alerts you to potential hazards that can kill or hurt you and others.
All safety messages will follow the safety alert symbol and either the word "DANGER" or "WARNING."
These words mean:
ADANGER
You can be killed or seriously injured if you don't immediately follow instructions.
WARNING
You can be killed or seriously injured if you don't follow instructions.
All safety messages will tell you what the potential hazard is, tell you how to reduce the chance of injury, and tell you what can happen if the instructions are not followed.
State of California Proposition 65Warnings:
WARNING: This product contains one or more chemicals known to the State of California to cause cancer.
WARNING: This product contains one or more chemicals known to the State of California to cause birth defects or other reproductive harm.
IMPORTANT SAFETY INSTRUCTIONS
WARNING: TO REDUCE THE RISK OF FIRE, ELECTRIC SHOCK, OR INJURY TO PERSONS, OBSERVE THE FOLLOWING:
Use this unit only in the manner intended by the manufacturer. If you have questions, contact the manufacturer.
Before servicing or cleaning the unit, switch power off at service panel and lock the service disconnecting means to prevent power from being switched on accidentally. When the service disconnecting means cannot be locked, securely fasten a prominent warning device, such as a tag, to the service panel.
■ Installation work and electrical wiring must be done by qualified person(s) in accordance with all applicable codes and standards, including fire-rated construction.
- Do not operate any fan with a damaged cord or plug. Discard fan or return to an authorized service facility for examination and/or repair.
Sufficient air is needed for proper combustion and exhausting of gases through the flue (chimney) of fuel burning equipment to prevent backdrafting. Follow the heating equipment manufacturer's guideline and safety standards such as those published by the National Fire Protection Association (NFPA), the American Society for Heating, Refrigeration and Air Conditioning Engineers (ASHRAE), and the local code authorities.
- When cutting or drilling into wall or ceiling, do not damage electrical wiring and other hidden utilities.
Ducted fans must always be vented outdoors.
CAUTION: For general ventilating use only. Do not use to exhaust hazardous or explosive materials and vapors.
CAUTION: To reduce risk of fire and to properly exhaust air, be sure to duct air outside - do not vent exhaust air into spaces within walls or ceilings, attics or into crawl spaces, or garages.
WARNING: TO REDUCE THE RISK OF FIRE, USE ONLY METAL DUCTWORK.
WARNING: TO REDUCE THE RISK OF A RANGE TOP GREASE FIRE:
- Never leave surface units unattended at high settings. Boilovers cause smoking and greasy spillovers that may ignite. Heat oils slowly on low or medium settings.
Always turn hood ON when cooking at high heat or when flambeing food (i.e. Crepes Suzette, Cherries Jubilee, Peppercorn Beef Flambé).
Clean ventilating fans frequently. Grease should not be allowed to accumulate on fan or filter.
Use proper pan size. Always use cookware appropriate for the size of the surface element.
WARNING: TO REDUCE THE RISK OF INJURY TO PERSONS IN THE EVENT OF A RANGE TOP GREASE FIRE, OBSERVE THE FOLLOWING:a
SMOTHER FLAMES with a close fitting lid, cookie sheet, or metal tray, then turn off the burner. BE CAREFUL TO PREVENT BURNS. If the flames do not go out immediately, EVACUATE AND CALL THE FIRE DEPARTMENT.
NEVER PICK UP A FLAMING PAN - you may be burned.
DO NOT USE WATER, including wet dishcloths or towels - a violent steam explosion will result.
Use an extinguisher ONLY if:
- You know you have a class ABC extinguisher, and you already know how to operate it.
- The fire is small and contained in the area where it started.
- The fire department is being called.
- You can fight the fire with your back to an exit.
^a Based on "Kitchen Fire Safety Tips" published by NFPA.
■WARNING: To reduce the risk of fire or electrical shock, do not use this fan with any solid-state speed control device.
READ AND SAVE THESE INSTRUCTIONS
INSTALLATION REQUIREMENTS
Tools and Parts
Gather the required tools and parts before starting installation. Read and follow the instructions provided with any tools listed here.
Tools needed
Level
■Drill
114" (3 cm) drill bit
1/8" (3 mm) drill bit if installing into wood and a 5/16" (8 mm) drill bit if installing optional backsplash kit.
■Pencil
Wire stripper or utility knife
Tape measure or ruler
■Pliers
Caulking gun and weatherproof caulking compound
Vent clamps
■Jigsaw or keyhole saw
Flat-blade screwdriver
Metal snips
Phillips screwdriver
■Scissors
Parts needed
Home power supply cable
1- 1 / 2^ (12.7 mm) UL listed or CSA approved strain relief
3 UL listed wire connectors
1 wall or roof cap
Metal vent system
Parts supplied
Remove parts from packages. Check that all parts are included.
■2 metal grease filters for 30^ (76.2 cm) models 3 metal grease filters for 36^ (91.4 cm) models 4 metal grease filters for 48^ (121.9 cm) models
Damper
Hood canopy with blower and halogen lamps installed.
1 - 10" (25.4 cm) square to 10" (25.4 cm) round duct transition.
2-175 watt infrared heat lamps
Wood support
Grease collectors
4-6x80mmmounting screws
4-3.5 x 9.5 mm screws
6-4.2x19mm screws
5-M6x16mm screws
5-D6.4x11mm washers
2-D5.3 x 20 mm washers
2-10x50mm wall anchors
T20 TORXadapter
Location Requirements
IMPORTANT: Observe all governing codes and ordinances.
Have a qualified technician install the range hood. It is the installer's responsibility to comply with installation clearances specified on the model/serial/rating plate. The model/serial/rating plate is located inside the range hood on the rear wall of the range hood.
Canopy range hood location should be away from strong draft areas, such as windows, doors and strong heating vents.
Cabinet opening dimensions that are shown must be used. Given dimensions provide minimum clearance.
The canopy range hood is factory set for venting through the roof or through the wall.
All openings in ceiling and wall where canopy range hood will be installed must be sealed.
For Mobile Home Installations
The installation of this range hood must conform to the Manufactured Home Construction Safety Standards, Title 24 CFR, Part 328 (formerly the Federal Standard for Mobile Home Construction and Safety, Title 24, HUD, Part 280) or when such standard is not applicable, the standard for Manufactured Home Installation 1982 (Manufactured Home Sites, Communities and Setups) ANSI A225.1/NFPA 501A, or latest edition, or with local codes.
Product Dimensions

Front view
TORX and T20 are registered trademarks of Acument Intellectual Properties, LLC
Back view

A. Top of hood B.Wood support
C. Bottom of hood
D. Home wiring system
E. Knockout into terminal box
Optional Full-Width Duct Cover Installations

A. Optional full-width duct cover B. Range hood
Installation Dimensions

A. 84^ (213.4 cm) minimum for installations with canopy only.
B. 96^ (243.8 cm) minimum for installations with optional duct cover.
IMPORTANT:
Minimum distance "X": 30" (76.2 cm)
Suggested maximum distance "X": 36" (91.4 cm)
Venting Requirements
Vent system must terminate to the outdoors.
- Do not terminate the vent system in an attic or other enclosed area.
■Do not use 4^ (10.2 cm) laundry-type wall caps.
Use metal vent only. Rigid metal vent is recommended. Plastic or metal foil vent is not recommended.
The length of vent system and number of elbows should be kept to a minimum to provide efficient performance.
For the most efficient and quiet operation:
Use no more than three 90^ elbows.
Make sure there is a minimum of 24^ (61.0 cm) of straight vent between the elbows if more than 1 elbow is used.
■Do not install 2 elbows together.
Use clamps to seal all joints in the vent system.
The vent system must have a damper. If the roof or wall cap has a damper, do not use the damper supplied with the range hood.
Use caulking to seal exterior wall or roof opening around the cap.
The size of the vent should be uniform.
Cold weather installations
An additional back draft damper should be installed to minimize backward cold air flow and a thermal break should be installed to minimize conduction of outside temperatures as part of the vent system. The damper should be on the cold air side of the thermal break.
The break should be as close as possible to where the vent system enters the heated portion of the house.
Makeup air
Local building codes may require the use of makeup air systems when using ventilation systems greater than specified CFM of air movement. The specified CFM varies from locale to locale. Consult your HVAC professional for specific requirements in your area.
Venting Methods
A 10^ (25.4 cm) round vent system is needed for installation (not included). The hood exhaust opening is 10^ (25.4 cm) round.
NOTE: Flexible vent is not recommended. Flexible vent creates back pressure and air turbulence that greatly reduce performance.
Vent system can terminate either through the roof or wall. Roof Venting Wall Venting

A. Roof cap
B. 10^ (25.4 cm) round vent

A. Wall cap
B. 10^ (25.4 cm) round vent
Calculating Vent System Length
To calculate the length of the system you need, add the equivalent feet (meters) for each vent piece used in the system.
Vent Piece Equivalent Length
45^ elbow 2.5 ft
(0.8 m)

90^ elbow 5.0 ft
(1.5 m)

The maximum equivalent vent lengths are:
10^ (25.4 cm) round vents - 60 ft (18.3 m)
Example vent system

The following example falls within the maximum recommended vent length.
1-90° elbow = 5.0 ft (1.5 m)
1 - wall cap = 0.0 ft (0.0 m)
8 ft (2.4m) straight = 8.0 ft (2.4m)
Length of system = 13.0 ft (3.9m)
Electrical Requirements
Observe all governing codes and ordinances.
Ensure that the electrical installation is adequate and in conformance with National Electrical Code, ANSI/NFPA 70 (latest edition), or CSA Standards C22.1-94, Canadian Electrical Code, Part 1 and C22.2 No. 0-M91 (latest edition) and all local codes and ordinances.
If codes permit and a separate ground wire is used, it is recommended that a qualified electrician determine that the ground path is adequate.
A copy of the above code standards can be obtained from:
National Fire Protection Association
1 Batterymarch Park
Quincy, MA 02169-7471
CSA International
8501 East Pleasant Valley Road
Cleveland, OH 44131-5575
A 120 volt, 60Hz AC only, 15-amp, fused electrical circuit is required.
If the house has aluminum wiring, follow the procedure below:
- Connect a section of solid copper wire to the pigtail leads.
- Connect the aluminum wiring to the added section of copper wire using special connectors and/or tools designed and UL listed for joining copper to aluminum.
Follow the electrical connector manufacturer's recommended procedure. Aluminum/copper connection must conform with local codes and industry accepted wiring practices.
Wire sizes and connections must conform with the rating of the appliance as specified on the model/serial/rating plate. The model/serial/rating plate is located behind the left filter on the rear wall of the range hood.
Wire sizes must conform to the requirements of the National Electrical Code, ANSI/NFPA 70 (latest edition), or CSA Standards C22.1-94, Canadian Electrical Code, Part 1 and C22.2 No. 0-M91 (latest edition) and all local codes and ordinances.
INSTALLATION INSTRUCTIONS
Prepare Location
It is recommended that the vent system be installed before hood is installed.
If you are installing the optional backsplash with shelves for heat lamps, follow the instructions included with that product.
Before making cutouts, make sure there is proper clearance within the ceiling or wall for exhaust vent.
Check that all installation parts have been removed from the shipping carton.
- Disconnect power.
- Determine which venting method to use: roof or wall exhaust.
- Select a flat surface for assembling the range hood. Place covering over that surface.
WARNING
Excessive Weight Hazard
Use two or more people to move and install range hood.
Failure to do so can result in back or other injury.
- Using 2 or more people, lift range hood onto covered surface.
Range Hood Mounting Screws Installation
The hood is attached to the wall with the wood support that is attached to the back of the hood.
- Determine and mark the centerline on the wall where the canopy range hood will be installed.
-
Select a mounting height between a minimum of 30^ (76.2 cm) and a suggested maximum of 36^ (91.4 cm) above the cooking surface and the bottom of the range hood, and mark a horizontal reference line on the wall.
-
Remove the wood support from the back of the range hood by loosening the 2 screws from the inside. Locate and level the top of the wood support 15% (39.1 cm) above the marked horizontal line and centered on the vertical centerline. Using 2 - 4 of the 6 × 80 mm screws, install wood support so that it is screwed into at least 2 vertical studs.

A. Wood support
B. Centerline
NOTE: The screws provided for mounting this hood must be fastened into solid wood. Do not fasten into sheet rock only.
Optional Duct Cover Installation
- Attach the full-width duct cover to the top of the range hood with the screws provided with duct covers. The duct cover must be attached to the top of the range hood before mounting the range hood to the wall. For information on ordering the optional duct cover, see the "Accessories" section.
Complete Preparation
- Determine and make all necessary cuts in the wall for the vent system. Install the vent system before installing the range hood. See the "Venting Requirements" section.
- Determine the location where the power supply cable will be run through the wall.
- Drill a 114 (3.2 cm) hole at this location.
- Pull enough power supply cable through the wall to allow for easy connection to the terminal box.
- Install the 10" (25.4 cm) square x 10" (25.4 cm) round vent transition with damper to top of the range hood using 4 - 3.5 x 9.5 mm screws.
- Remove terminal box cover and set aside.
- Remove knockout from the back of the vent hood and install a UL listed or CSA approved 1 / 2 strain relief. See "Make Electrical Connection" section.
- Place the range hood near its mounting position and run the power supply cable through the strain relief into terminal box (enough to make connection).
- Tighten the strain relief screws.
Install Range Hood
The hood attaches to the wall by the 2 mounting screws in the wood support mounted to the wall in "Range Hood Mounting Screws Installation" in the "Prepare Location" section.
- Using 2 or more people, hang the range hood on the wall by placing the slotted holes in the range hood back over the 2 screws mounted to the wood support mounted to the wall. NOTE: If your installation uses the optional duct cover, the vent system needs to be connected to the hood and the duct cover mounted to the top of the range hood before tightening the mounting screws. See steps 5 and 6.

- Push the range hood up into the narrow slots, align the bottom of the hood to the horizontal line, level the hood, and tighten the 2 mounting screws.
- Mark 2 lower mounting hole locations. Drill 18 " pilot holes if the holes are located in wood. If holes are not located in wood, remove the hood and drill two 38 " pilot holes and insert 10 × 50 mm wall anchors. Remount the hood, level, and tighten the upper screws. Install 2 - 6 x 80 mm screws into the lower mounting anchors and tighten.
- Install 4 - 4.2 × 19 ~mm screws through the back of the hood into the wood support and tighten.
- Connect vent system to hood. Seal all joints with clamps.
- If your installation uses the optional duct cover, mount it to the top of the range hood following the instructions supplied with the duct cover.
Install Range Hood Blower Motor
- Install the range hood blower motor assembly inside the hood canopy with the wiring to the left.

A. Blower motor
- Slide the left mounting plate flange under the bracket.

A. Bracket
B. Mounting plate flange
- Push the right end of the mounting plate up and snap into spring tab.
NOTE: The spring tab should be outside of the slot in the mounting plate.

A. Spring tab
- Align mounting holes and install 5 - 6 × 16 mm screws.

A. Screw
B. Mounting hole
- Attach power cord connector to connector on wire box on blower motor mounting plate.

A. Blower motor mounting plate
B. Wire box connector
C. Power cord
Make Electrical Connection
WARNING

Electrical Shock Hazard
Disconnect power before servicing.
Replace all parts and panels before operating.
Failure to do so can result in death or electrical shock.
- Disconnect power.
- Locate junction box inside of the range hood.

A. Terminal box cover
B. Knockout in canopy back into terminal box

A. White wires
B. Black wires
C. UL listed wire connectors
D. Green, bare or yellow/green wires
E. Home power supply
F. UL listed or CSA approved 12 strain relief
- Use UL listed wire connectors and connect black wires (B) together.
- Use UL listed wire connectors and connect white wires (A) together.
WARNING

Electrical Shock Hazard
Electrically ground blower.
Connect ground wire to green and yellow ground wire in terminal box.
Failure to do so can result in death or electrical shock.
- Connect green (or bare) ground wire from home power supply to the green/yellow ground wire (D) in terminal box using UL listed wire connectors.
- Install terminal box cover.
- Check that all light bulbs are secure in their sockets.
- Reconnect power.
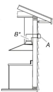
Complete Installation and Check Operation
- Install grease filters. See the "Range Hood Care" section.
- Install heat lamps into heat lamp sockets.
- Check operation of the range hood blower and lights. See the "Range Hood Use" section.

A. Infrared lamp
B. Grease filter handles
C. Grease filter
D. Blower control switch
E. Halogen light switch
F. Halogen lights
G. Infrared lamp controls
- If range hood does not operate, check to see whether a circuit breaker has tripped or a household fuse has blown. Disconnect power supply and check that the wiring is correct.
NOTE: To get the most efficient use from your new range hood, read the "Range Hood Use" section.
RANGE HOOD USE
The range hood is designed to remove smoke, cooking vapors and odors from the cooktop area. For best results, start the hood before cooking and allow it to operate several minutes after the cooking is complete to clear all smoke and odors from the kitchen.
The hood controls are located on the right-hand underside of the range hood.

A. Infrared lamp switch
B. Halogen light switch
C. Blower control switch
Range Hood Controls
Operating the lights
- Turn the light switch to the Night position to use the range hood lights as a night light.
- Turn the light switch to the High position to turn the range hood lights On.
- Turn the light switch to the Off position to turn the range hood lights Off.
Operating the blower
- Turn the blower switch to the first position to turn the range hood on Low.
- Turn the blower switch to the second position to turn the range hood on Medium.
- Turn the blower switch to the third position to turn the range hood on Medium - High.
- Turn the blower switch to the High position to turn the range hood on High.
- Turn the blower switch to the Off position to turn the range hood blower Off.
Operating the heat lamp
NOTE: Heat lamp bulbs should be rated to a maximum of 175 watts each.
WARNING
Food Poisoning Hazard
Do not let food sit for more than one hour before or after cooking.
Doing so can result in food poisoning or sickness.
- Turn the heat lamp switch to the High position to turn the heat lamps On.
- Turn the heat lamp switch to the Off position to turn the heat lamps Off.
RANGE HOOD CARE
Range Hood Lamps
Replacing a Halogen Lamp
Turn off the range hood and allow the halogen lamp to cool. To avoid damage or decreasing the life of the new bulb, do not touch bulb with bare fingers. Replace bulb, using tissue or wearing cotton gloves to handle bulb.
If new lamps do not operate, make sure the lamps are inserted correctly before calling service.
- Disconnect power.
- Push up on the lens and turn it counterclockwise.

- Remove the bulb and replace it with a 120-volt, 50-watt maximum halogen bulb with a GU10 base. Turn it clockwise to lock it into place.
- Repeat steps 2 and 3 for the other bulb if needed.
- Reconnect power.
Replacing the Infrared Heat Lamps
Turn off the range hood and allow the infrared heat lamp to cool. To avoid damage or decreasing the life of the new lamp, do not touch lamp with bare fingers. Replace lamp, using tissue or wearing cotton gloves to handle lamp.
If new lamps do not operate, make sure the lamps are inserted correctly before calling service.
- Disconnect power.
- Twist lamp counterclockwise to remove.

-
Remove the lamp and replace it with a 120-volt, 175-watt maximum, PAR38 IR lamp made for E-26 base. Twist lamp clockwise to screw it into place.
-
Repeat steps 2 and 3 for the other lamp if needed.
- Reconnect power.
Cleaning
Exterior surfaces:
To avoid damage to the exterior surface, do not use steel wool or soap-filled scouring pads. Rub in direction of the grain line to avoid scratching the surface.
Always wipe dry to avoid water marks.
Stainless Steel Cleaner and Polish.
Mild liquid detergent and water.
Wipe with damp soft cloth or nonabrasive sponge, then rinse with clean water and wipe dry.
Metal Filters and Drip Trays:
Use 2 hands to remove filters. Grasp filter handles, pull toward the front of range hood and pull down on the rear handle to remove. Repeat for each filter.

A. Grease filter
Remove grease drip tray.

A. Drip tray
Wash metal filters and grease trays as needed in dishwasher or hot detergent solution to clean.
Replace grease drip tray.
Reinstall filters, grasp filter handles and place front edge of filter into the hood. Push up on the back handle and set rear of filter into the drip tray to secure. Repeat for each filter.

A. Grease filter
Thermal Protector
The range hood is equipped with a thermal protector to avoid overheating conditions. If the range hood shuts off while in use, move the blower switch to the Off position. Wait approximately 60 minutes, then move the blower switch to the first position to restart the range hood.

WIRING DIAGRAM
ASSISTANCE OR SERVICE
If you need service
Please refer to the warranty page in this manual.
If you need replacement parts
If you need to order replacement parts, we recommend that you use only factory specified parts. Factory specified parts will fit right and work right because they are made with the same precision used to build every new appliance.
To locate factory specified replacement parts in your area, call the following customer assistance telephone number or your nearest designated service center.
In the U.S.A.
Call Jenn-Air Customer eXperience Center toll free:
1-800-JENNAIR (1-800-536-6247) or visit our website at www.jennair.com.
Our consultants provide assistance with:
■Scheduling of service. Jenn-Air appliances designated service technicians are trained to fulfill the product warranty and provide after-warranty service anywhere in the United States.
Features and specifications on our full line of appliances.
Referrals to local Jenn-Air appliance dealers.
■Installation information.
Use and maintenance procedures.
■Accessory and repair parts sales.
Specialized customer assistance (Spanish speaking, hearing impaired, limited vision, etc.).
For further assistance
If you need further assistance, you can write to Jenn-Air
Appliances with any questions or concerns at:
Jenn-Air Brand Home Appliances
Customer eXperience Center
553 Benson Road
Benton Harbor, MI 49022-2692
Please include a daytime phone number in your correspondence.
In Canada
Call the Whirlpool Canada LP Customer eXperience Centre toll free at 1-800-JENNAIR (1-800-536-6247) or visit our website at www.jennair.ca.
Our consultants provide assistance with:
■Scheduling of service. Jenn-Air appliances designated service technicians are trained to fulfill the product warranty and provide after-warranty service anywhere in Canada.
Features and specifications on our full line of appliances.
Referrals to local Jenn-Air appliance dealers.
■Installation information.
Use and maintenance procedures.
■Accessory and repair parts sales.
For further assistance
If you need further assistance, you can write to Jenn-Air
Appliances with any questions or concerns at:
Jenn-Air Brand Home Appliances
Customer eXperience Centre
200-6750 Century Ave.
Mississauga, Ontario L5N 0B7
Please include a daytime phone number in your correspondence.
Accessories
Full-Width Duct Cover
Order Part Number W10272079 for 30^ (76.2 cm) model
Order Part Number W10272080 for 36" (91.4 cm) model
Order Part Number W10272081 for 48^ (121.9 cm) model
Backsplash Kit (with shelves)
Order Part Number W10285447 for 30^ (76.2 cm) model
Order Part Number W10285448 for 36" (91.4 cm) model
Order Part Number W10285449 for 48" (121.9 cm) model
JENN-AIR® MAJOR APPLIANCE LIMITED WARRANTY
ATTACH YOUR RECEIPT HERE. PROOF OF PURCHASE IS REQUIRED TO OBTAIN WARRANTY SERVICE.
Please have the following information available when you call the Customer eXperience Center:
■Name, address and telephone number
■Model number and serial number
A clear, detailed description of the problem
Proof of purchase including dealer or retailer name and address
IF YOU NEED SERVICE:
- Before contacting us to arrange service, please determine whether your product requires repair. Some questions can be addressed without service. Please take a few minutes to review the Troubleshooting or Problem Solver section of the Use and Care Guide, scan the QR code on the right to access additional resources, or visit https://jennair.custhelp.com.
- All warranty service is provided exclusively by our authorized Jenn-Air Service Providers. In the U.S. and Canada, direct all requests for warranty service to:
Jenn-Air Customer eXperience Center
1-800-JENNAIR (1-800-536-6247)

https://jennair.custhelp.com
If outside the 50 United States or Canada, contact your authorized Jenn-Air dealer to determine whether another warranty applies.
TWO YEAR LIMITED WARRANTY
WHAT IS COVERED WHAT IS NOT COVERED
For two years from the date of purchase, when this major appliance is installed, operated and maintained according to instructions attached to or furnished with the product, Jenn-Air brand of Whirlpool Corporation or Whirlpool Canada LP (hereafter "Jenn-Air") will pay for Factory Specified Replacement Parts and repair labor to correct defects in materials or workmanship that existed when this major appliance was purchased, or at its sole discretion replace the product. In the event of product replacement, your appliance will be warranted for the remaining term of the original unit's warranty period.
YOUR SOLE AND EXCLUSIVE REMEDY UNDER THIS LIMITED WARRANTY SHALL BE PRODUCT REPAIR AS PROVIDED HEREIN. Service must be provided by a Jenn-Air designated service company. This limited warranty is valid only in the United States or Canada and applies only when the major appliance is used in the country in which it was purchased. This limited warranty is effective from the date of original consumer purchase. Proof of original purchase date is required to obtain service under this limited warranty.
- Commercial, non-residential, multiple-family use, or use inconsistent with published user, operator or installation instructions.
- In-home instruction on how to use your product.
- Service to correct improper product maintenance or installation, installation not in accordance with electrical or plumbing codes or correction of household electrical or plumbing (i.e. house wiring, fuses or water inlet hoses).
- Consumable parts (i.e. light bulbs, batteries, air or water filters, preservation solutions, etc.).
- Defects or damage caused by the use of non-genuine Jenn-Air parts or accessories.
- Conversion of products from natural gas or L.P. gas.
- Damage from accident, misuse, abuse, fire, floods, acts of God or use with products not approved by Jenn-Air.
- Repairs to parts or systems to correct product damage or defects caused by unauthorized service, alteration or modification of the appliance.
- Cosmetic damage including scratches, dents, chips, and other damage to the appliance finishes unless such damage results from defects in materials and workmanship and is reported to Jenn-Air within 30 days.
- Discoloration, rust or oxidation of surfaces resulting from caustic or corrosive environments including but not limited to high salt concentrations, high moisture or humidity or exposure to chemicals.
- Food or medicine loss due to product failure.
- Pick-up or delivery. This product is intended for in-home repair.
- Travel or transportation expenses for service in remote locations where an authorized Jenn-Air servicer is not available.
- Removal or reinstallation of inaccessible appliances or built-in fixtures (i.e. trim, decorative panels, flooring, cabinetry, islands, countertops, drywall, etc.) that interfere with servicing, removal or replacement of the product.
- Service or parts for appliances with original model/serial numbers removed, altered or not easily determined.
The cost of repair or replacement under these excluded circumstances shall be borne by the customer.
DISCLAIMER OF IMPLIED WARRANTY
IMPLIED WARRANTY, INCLUDING ANY IMPLIED WARRANTY OF MERCHANTABILITY OR IMPLIED WARRANTY OF FITNESS FOR A PARTICULAR PURPOSE, ARE LIMITED TO ONE YEAR OR THE SHORTEST PERIOD ALLOWED BY LAW. Some states and provinces do not allow limitations on the duration of implied warranties of merchantability or fitness, so this limitation may not apply to you. This warranty gives you specific legal rights, and you also may have other rights that vary from state to state or province to province.
DISCLAIMER OF REPRESENTATIONS OUTSIDE OF WARRANTY
Jenn-Air makes no representations about the quality, durability, or need for service or repair of this major appliance other than the representations contained in this warranty. If you want a longer or more comprehensive warranty than the limited warranty that comes with this major appliance, you should ask Jenn-Air or your retailer about buying an extended warranty.
LIMITATION OF REMEDIES; EXCLUSION OF INCIDENTAL AND CONSEQUENTIAL DAMAGES
YOUR SOLE AND EXCLUSIVE REMEDY UNDER THIS LIMITED WARRANTY SHALL BE PRODUCT REPAIR AS PROVIDED HEREIN. JENN-AIR SHALL NOT BE LIABLE FOR INCIDENTAL OR CONSEQUENTIAL DAMAGES. Some states and provinces do not allow the exclusion or limitation of incidental or consequential damages, so these limitations and exclusions may not apply to you. This warranty gives you specific legal rights, and you also may have other rights that vary from state to state or province to province.
SECURITE DE LA HOTTE DE CUISINIÈRE
National Fire Protection Association
1 BatteryMarch Park
Quincy, MA 02169-7471
CSA International
8501 East Pleasant Valley Road
Cleveland, OH 44131-5575
ASSISTANCE OU SERVICE

http://www.jennair.ca
EasyManual