DD 8695 A - Basket AEG-ELECTROLUX - Free user manual and instructions
Find the device manual for free DD 8695 A AEG-ELECTROLUX in PDF.
Frequently Asked Questions - DD 8695 A AEG-ELECTROLUX
User questions about DD 8695 A AEG-ELECTROLUX
0 question about this device. Answer the ones you know or ask your own.
Ask a new question about this device
Download the instructions for your Basket in PDF format for free! Find your manual DD 8695 A - AEG-ELECTROLUX and take your electronic device back in hand. On this page are published all the documents necessary for the use of your device. DD 8695 A by AEG-ELECTROLUX.
USER MANUAL DD 8695 A AEG-ELECTROLUX
Operating and Installation Instructions

natural_image
Line drawing of a 3D architectural structure with a sloped top and window, no text or symbols presentnatural_image
Technical line drawing of a mechanical device labeled 'A' and 'Bild 4' (no other text or symbols)Bild 1
Umluftbetrieb
natural_image
Diagram showing a downward arrow and a rectangular object on a horizontal line, labeled 'Bild 5' (no text or symbols on the diagram itself)Aktivkohlefilter
natural_image
Diagram of two mechanical components labeled 'g' within a circular boundary (no text or symbols beyond labels)Bild 6

text_image
d h i g g
Achtung
natural_image
Illustration of a hand holding a circular object with a screwdriver, showing internal components (no text or symbols)Bild 7
Reinigung
natural_image
Technical line drawing of a mechanical device with labeled component A (no text or symbols beyond label)afb. 1
natural_image
Diagram of two mechanical clamps labeled 'g' within a circular boundary (no text or symbols beyond labels)afb. 6

text_image
d h i g g
Attentie
natural_image
Illustration of a hand holding a circular device with a screwdriver, showing internal components (no text or symbols)afb. 7
Reiniging
flowchart
graph TD
A["Panel A"] -->|180°| B["Panel B"]
B --> C["Panel C-OK!"]
natural_image
Technical line drawing of a mechanical device with labeled component A (no text or symbols beyond label)Fig. 1
Version recyclage
natural_image
Diagram showing a downward arrow and a rectangular object on a horizontal line, labeled 'Fig. 5' (no text or symbols on the diagram itself)Filtre à charbon
natural_image
Diagram of two mechanical components labeled 'g' within a circular boundary (no text or symbols beyond labels)Fig. 6

text_image
d h i g g
Attention
natural_image
Illustration of a hand holding a circular object with a tool, showing internal components (no text or symbols)Fig. 7
Nettoyage
Description of the Appliance 67
Extraction mode 67
Recirculation mode....67
Control Panel - DD 8990 ....68-71
Control Panel - DD 8861-8891-8821 ....70-71
Control Panel - DD 8695-8665-8625 72-73
Maintenance and Care ....74
Cleaning the hood 74
Metal grease filter 74
Charcoal filter 75
Changing the light bulb 76
What to do if ....77
Special accessories....77
Technical assistance service ....78
Service and Spare Parts 78
Customer Care Department 79
Technical Details ......79
Mounting accessories included....79
Electrical connection ....80
Wall unit mounting 81

Safety warnings
For the user
- The cooker hood is designed to extract unpleasant odours from the kitchen. it will not extract steam.
• Always cover lighted elements, to prevent excess heat from damaging the appliance. In the case of oil, gas and coal fired cookers it is essential to avoid open flames. - Also, when frying, keep the deep frying pan on the cooker top/cooker under careful control.
- The hot oil in the frying pan might ignite due to overheating.
- The risk of self-ignition increases when the oil being used is dirty.
- It is extremely important to note that overheating can cause a fire.
- Never carry out any flambé cooking under the hood.
- Always disconnect the unit from the power supply before carrying out any work on the hood, including replacing the light bulb (take the cartridge fuse out of the fuse holder or switch off the automatic circuit breaker).
- It is very important to clean the hood and replace the filter at the recommended intervals. Failure to do so could cause grease deposits to build up, resulting in a fire hazard.
- The appliance is not intended for use by young children or infirm persons without supervision.
- Older children must be supervised if using the appliance.
- Young children should be supervised to ensure that they do not play with the appliance.
- WARNING - Ensure that the appliance is switched off before replacing the lamp to avoid the possibility of electric shock.
This appliance is marked according to the European directive 2002/96/EC on Waste Electrical and Electronic Equipment (WEEE).
By ensuring this product is disposed of correctly, you will help prevent potential negative consequences for the environment and human health, which could otherwise be caused by inappropriate waste handling of this product.

The symbol on the product, or on the documents accompanying the product, indicates that this appliance may not be treated as household waste. Instead it shall be handed over to the applicable collection point for the recycling of electrical and electronic equipment. Disposal must be carried out in accordance with local environmental regulations for waste disposal.
For more detailed information about treatment, recovery and recycling of this product, please contact your local city office, your household waste disposal service or the shop where you purchased the product.
For the installer
- When used as an extractor unit, the hood must be fitted with a 150mm diameter hose.
- Should there already be a pipe of diameter 125 or 120 mm that ducts to the outside through the walls, it is possible to use the 150/125-120 mm reduction flange provided.
In this case the hood will be slightly noisier.
- When installing the hood, make sure you observe the following minimum distance from the top edge of the cooking hob/ring surfaces:
electric cookers 500 mm gas cookers 650 mm
If the instructions for installation for the gas hob specify a greater distance, this must be adhered to.
- The national Standard on fuel-burning systems specifies a maximum depression of 0.04 mbar in such rooms.
- The air outlet must not be connected to chimney flues or combustion gas ducts. The air outlet must under no circumstances be connected to ventilation ducts for rooms in which fuel-burning appliances are installed.
- The air outlet installation must comply with the regulations laid down by the relevant local authorities.
- When the unit is used in extraction mode, a sufficiently large ventilation hole must be provided, with dimensions that are approximately the same as the outlet hole.
- National and regional building regulations impose a number of restrictions on using hoods and fuel-burning appliances connected to a chimney, such as coal or oil room-heaters and gas fires, in the same room.
- Hoods can only be used safely with appliances connected to a chimney if the room and/or flat (air/environment combination) is ventilated from outside using a suitable ventilation hole approximately 500 - 600cm^2 large to avoid the possibility of a depression being created during operation of the hood.
- If you have any doubts, contact the relevant controlling authority or building inspector's office.
- Since the rule for rooms with fuel burning appliances is “outlet hole of the same size as the ventilation hole”, a hole of 500-600 cm², which is to say a larger hole, could reduce the performance of the extractor hood.
- If the hood is used in its recirculation mode, it will operate simply and safely in the above conditions without the need for any of the aforementioned measures.
- When the hood is used in its extraction mode, the following rules must be followed to obtain optimal operation:
- short and straight outlet hose
- keep bends in outlet hose to a minimum
- never install the hoses with an acute angle, they must always follow a gentle curve.
- keep the hose as large as possible (preferably the same diameter as the outlet hole).
- the length should be no more than:
3 metres with one 90° bend
2 metres with two 90° bends
Bends of more than 90^ will reduce the efficiency of the hood and reduce the airflow.
- Failure to observe these basic instructions will drastically reduce the performance and increase the noise levels of the extractor hood.
Description of the Appliance
• The cooker hood is designed to extract unpleasant odours from the kitchen, it will not extract steam.
- The hood is supplied as an extractor unit and can also be used with a recirculation mode by fitting a charcoal filter.
- In some models the charcoal filter is supplied. The hood, therefore, can be used immediately in the recirculation mode. We advise removing the charcoal filter to use the hood in the extraction mode.
Extraction mode
- In this mode fumes are extracted to the outside via a hose connected to the coupling ring A. Fig. 1.
- In order to obtain the best performance the hose should have a diameter equal to the outlet hole.
Should there already be a pipe of diameter 125 or 120 mm that ducts to the outside through the walls, it is possible to use the 150/125-120 mm reduction flange provided.
In this case the hood will be slightly noisier.

natural_image
Technical line drawing of a mechanical device with labeled component A (no text or symbols beyond label)Fig. 1
Recirculation mode
- The air is filtered through a charcoal filter and returned to the kitchen.
- You will need an original charcoal filter for the recirculation mode. (See Special Accessories).
Control Panel - DD 8990
- Best results are obtained by using a low speed for normal conditions and a high speed when odours are more concentrated.
Turn the hood on a few minutes before you start cooking.
The hood should be left on after cooking for about 15 minutes or until all the odours have disappeared.
The control switches are located on the hood's front panel:

text_image
3 8.8. a b ① 2 S 1-2-3 i min 1 2 4 5 6 7Fig. 2
1 - ON (stand-by - illuminated key) / OFF switch.
Press once or more to obtain the function desired:
Stand-by (dot "b" on the display is illuminated): the hood is ready to function, the safety procedure is activated (see next page – "Safety procedure").
OFF: all the functions are switched off except the illumination.
2 - Light ON/OFF
3 - Display
4 - Manual(stand by)/Automatic (sensors - Led "S" will illuminate).
Press once to switch ON the Automatic mode, press again to switch OFF (stand-by / Manual mode).
Automatic function:
The hood switch ON (extraction) on the basis of the change in the normal environmental conditions that the hood notices through its sensors (see next page – “Sensor test”).
The leds of the display will turn on alternatively in proportion to the suction power setting.
Attention! The hood is equipped with an automatic system that establishes what the normal environmental conditions are.
In the case of abnormal operation, calibration can be carried out automatically or manually (see next page – “Automatic calibration” and “Manual calibration”).
5 - Start and choice of motor speed 1-2-3-1-2.....
6 - Intensive speed on/off. The Intensive speed runs for 5 minutes: If the hood is on when the Intensive speed is activated, the hood will revert to previous speed after 5 minutes.
If the hood is off when the Intensive speed is activated, the hood
will automatically turn off after 5 minutes.
To interrupt the Intensive speed, press button 1 or 6.
The letter P appears on the display and the remaining time (the point "a" is flashing), if interrupted an acoustic signal is heard.
7 - Self-Timer: times all the speed levels (the point "b" is flashing), and then the cooker hood switches off:
The self-timer is set as follows:
1^st speed level 20 minutes
2^nd speed level 15 minutes
3^rd speed level 10 minutes
P (intensive) speed level: 5 minutes
The display shows the remaining operation time, at the end of the time an acoustic signal is heard. Depressing the push-button again exits the function.
Automatic Sensor calibration:
The automatic calibration is carried on by the hood itself every 30 minutes.
When the hood is installed for the first time or the power is cut off for many hours or days, please wait 30 minutes before the use or make a manual calibration.
Manual Sensor calibration
Carry out calibration with the hob off, at normal ambient room temperature and in the absence of an appreciable amount of steam:
- press switch 4 for about 3secs, then press switch 1, the hood emits a sound signal to indicate calibration taking place.
Sensors test
When functioning in Automatic mode, the system continuously tests the efficiency of the sensors. In case of a fault the display shows "88". Contact your local Service Force Centre.
In this situation the hood can, in any case, be used in the manual mode.
Safety procedure
Self-activation of Automatic (SAFETY) mode:
if the sensors reveal an excessive increase in temperature, even if the hood is in Manual mode, the system self selects the Automatic mode and the hood selects the necessary speed.
The hood can be turned off by pressing push switch 1.
Should the hood or the controls fail to operate: disconnect the power supply for at least 5 seconds.
After reconnecting the power supply wait 15 seconds and then check that the cooker hood is now operating correctly.
Control Panel - DD 8861-8891-8821
- Best results are obtained by using a low speed for normal conditions and a high speed when odours are more concentrated.
Turn the hood on a few minutes before you start cooking.
The hood should be left on after cooking for about 15 minutes or until all the odours have disappeared.
The control switches are located on the hood's front panel:

Fig. 3 1

2

3

广力云智慧零售收银系统

4

5
6
1 - Mains switch, ON/OFF
Press for less than 1 1/2 seconds and the cooker hood goes into the "stand by" position (point "b" is illuminated).
Press for more than 1 1/2 seconds and the cooker hood turns off, ALL the controls (except the light push button) are disabled (the display is off).
Press again for more than 1 1/2 seconds to reset the cooker hood to "stand by".
2 - Light ON/OFF
3 - Display
4 - Start and choice of motor speed 1-2-3-1-2.....
5 - Intensive speed on/off. The Intensive speed runs for 5 minutes:
If the hood is on when the Intensive speed is activated, the hood will revert to previous speed after 5 minutes.
If the hood is off when the Intensive speed is activated, the hood will automatically turn off after 5 minutes.
To interrupt the Intensive speed, press button 1 or 5.
The letter P appears on the display and the remaining time (the point "a" is flashing), if interrupted an acoustic signal is heard.
6 - Self-Timer: times all the speed levels (the point "b" is flashing), and then the cooker hood switches off:
The self-timer is set as follows: 1
^st speed level 20 minutes
2^nd speed level 15 minutes
3^rd speed level 10 minutes
The display shows the remaining operation time, at the end of the time an acoustic signal is heard. Depressing the push-button again exits the function.
Should the hood or the controls fail to operate: disconnect the power supply for at least 5 seconds. After reconnecting the power supply wait 15 seconds and then check that the cooker hood is now operating correctly.
Grease and charcoal filter maintenance indicator - DD 8990 - 8861 - 8891 - 8821
This hood is fitted with a device that indicates when it is necessary to clean the grease filter or the charcoal filter (if the hood is used in the recirculation version with a charcoal filter).
On delivery, the hood is not supplied with a charcoal filter, so the saturation indicator will be disabled.
If the hood is to be used with a charcoal filter, the saturation indicator light must be enabled as follows:
DD 8990 only: Set the hood in "OFF"
Press buttons 4 and 5 simultaneously and hold them for 3 seconds. At first only the grease filter LED F will light up, but when the charcoal filter LED C lights up the saturation indicator will be enabled.
To disable it: Press buttons 4 and 5 again simultaneously and hold them for 3 seconds, until the charcoal filter LED goes out.
Grease filter LED (F)
LED F will start to flash when it is time to clean the grease filter.
Cleaning will be necessary after 40 working hours. Always comply with the maintenance instructions for the grease filter.
Charcoal filter LED (C)
The charcoal filter LED C will start to flash when the charcoal filter needs to be replaced.
This operation is necessary after approximately 160 working hours.
Resetting the saturation indicator
After cleaning or replacing the filters, press button 1 for 3 seconds until the grease filter LED F or the charcoal filter LED C stops flashing.
Control Panel - DD 8695-8665-8625
- Best results are obtained by using a low speed for normal conditions and a high speed when odours are more concentrated.
Turn the hood on a few minutes before you start cooking.
The hood should be left on after cooking for about 15 minutes or until all the odours have disappeared.
The control switches are located on the hood's front panel:
A - OFF - ON push button
Press once or more to obtain the function desired:
ON: the hood switches on to the last speed selected.
OFF: all the functions are switched off except the illumination.
B - Speed selection push button (extraction power).
Press this push button once or more to select the most suitable extraction speed (power) (1-2-3).
C - The display shows the extraction power selected, signalling the saturation of the filters (F).
D - Intensive speed on/off. The Intensive speed runs for 5 minutes:
If the hood is on when the Intensive speed is activated, the hood reverts to previous speed after 5 minutes.
If the hood is off when the Intensive speed is activated, the hood will be turned off after 5 minutes.
To interrupt the Intensive speed, press button A or B.
H - Light ON/OFF

text_image
① 1 2 3 F i A B C D EFig. 4
Should the hood or the controls fail to operate: disconnect the power supply for at least 5 seconds, then turn the hood back on again.
Grease and charcoal filter maintenance indicator
DD 8695-8665-8625
This hood is fitted with a device that indicates when it is necessary to clean the grease filter or the charcoal filter (if the hood is used in the recirculation version with a charcoal filter).
On delivery, the hood is not supplied with a charcoal filter, so the saturation indicator will be disabled.
If the hood is to be used with a charcoal filter, the saturation indicator light must be enabled as follows:
Set the hood in "OFF".
Pressing keys B and D simultaneously for three seconds, LED F lights up and begins to flash the 1^st speed led. After 1 second the 2^nd speed led also flashes and the system emits a sound signal (-Beep-) to indicate setting taking place.
To remove the charcoal filter signal press push buttons B and D simultaneously for 3 seconds. LED F lights up and begins to flash the 1^st speed led (grease filter) and the 2^nd speed led. After 1 second, only the 1^st speed led continues to flash. The system emits a sound signal (-Beep-) to indicate setting taking place.
Grease filter LED
The 1^st speed led (+ led F) flashes, when it is time to clean the grease filter.
Always comply with the maintenance instructions for the grease filter.
Charcoal filter LED
The 2^nd speed led (+ led F) flashes, when the charcoal filter needs to be cleaned or replaced.
Resetting the saturation indicator
After cleaning or replacing the filters, press button A for 3 seconds until the 1 ^st speed led or the second speed led stops flashing.
The F LED also turns off..
Maintenance and Care
- The hood must always be disconnected from the electricity supply before beginning any maintenance work.
Cleaning the hood
- Clean the outside of the hood using a damp cloth and a solution of water and mild washing up liquid.
- Never use corrosive, abrasive or flammable cleaning products or products containing bleach.
- Never insert pointed objects in the motor's protective grid.
- Only ever clean the switch panel and filter grill using a damp cloth and mild washing up liquid.
- It is extremely important to clean the unit and change the filters at the recommended intervals. Failure to do so will cause grease deposits to build up that could constitute a fire hazard.
Metal grease filter
- The purpose of the grease filters is to absorb grease particles which form during cooking and it must always be used, either in the external extraction or internal re-circulation function. Attention: the metal grease filters must be removed and washed, either by hand or in the dishwasher, every four weeks.
Removing the metal grease filter
- First, push the metal grease filter stop backwards, then extract the filter, pulling downwards. Fig. 5.
Hand washing
Soak grease filters for about one hour in hot water with a grease-loosening cleaner, then rinse off thoroughly with hot water. Repeat the process if necessary. Refit the grease filters when they are dry.
Dishwasher
Place grease filters in the dishwasher. Select most powerful washing programme and highest temperature, at least 65^ C. Repeat the process. Refit the grease filters when they are dry.
When washing the metal grease filter in the dishwasher a slight discolouration of the filter can occur, this does not have any impact on its performance.
- Clean the inner housing using a hand hot solution only(never use caustic detergents, abrasive powders or brushes).

natural_image
Diagram showing a downward arrow and a rectangular object on a horizontal line, labeled 'Fig. 5' (no text or symbols on the diagram itself)Charcoal filter
- The charcoal filter should only be used if you want to use the hood in recirculation mode.
• To do this you will need an original charcoal filter (available from your local Service Force Centre). - Cleaning/replacing the charcoal filter
Unlike other charcoal filters, the LONGLIFE charcoal filter can be cleaned and reactivated. With normal use the filter should be cleaned every second month (when using the hood 2,5 hours per day, on avarage). The best way to clean the filter is in the dishwasher. Use normal detergent and choose the highest temperature (65°C). Wash the filter separately so that no food parts gets stuck on the filter and later causes bad odours. To reactivate the charcoal, the filter should be dried in an oven for 10 minutes with a maximum temperature of 100°C.
After approximately three years of use, the charcoal filter should be replaced with a new, as the odour reduction capacity will be reduced.
- Fitting
Remove the frame i which supports the filter h by turning 90° the two knobs g.
Insert the charcoal filter inside the frame and put all parts back in their place. Fig. 6.
• To remove proceed in the reverse order.
• Always specify the hood model code number and serial number when ordering replacement filters. This information is shown on the rating plate located on the inside of the unit.
- The charcoal filter can be ordered from your local Service Force Centre.

natural_image
Diagram of two mechanical components labeled 'g' within a circular boundary (no text or symbols beyond labels)Fig. 6

text_image
d h i g g
Warning
- Failure to observe the instructions on cleaning the unit and changing the filters will cause a fire hazard. You are therefore strongly recommended to follow these instructions.
- The manufacturer declines all responsibility for any damage to the motor or any fire damage linked to inappropriate maintenance or failure to observe the above safety recommendations.
Changing the light bulb
- Disconnect the cooker hood from the mains supply.
- Remove the lamp cover carefully, use a screw driver as a lever. Fig. 7.
- Replace the old bulb with a new one of the same type.
- Refit the lamp cover.
- If the light does not come on, make sure the bulb has been inserted in correctly before contacting your local Service Force Centre.

natural_image
Illustration of a hand holding a circular object with a tool, no text or symbols presentFig. 7
What to do if
If your appliance fails to work properly please carry out the following checks.
| Symptom Solution | |
| The cooker hood Check will not start... the electricity supply. | that: The hood is connected to |
| check that a fan speed has been selected | |
| The cooker hood Check is not working high enough for the task. | that: The fan speed is set |
| The grease filters are clean. | |
| The kitchen is adequately vented to allow the entry of fresh air. | |
| If set up for recirculation, check that the charcoal filter is still effective. | |
| If set up for extraction, check that the ducting and outlets are not blocked. | |
| The cooker hood has the switched off tripped. during operation... Turn off the hob and then wait for the device to reset. | the safety cut-out device has been |
| If the hood has been installed below the heights indicated in the installation instructions the motor will cut-out frequently which will damage the hood. |
If after all these checks, the problem persists, contact your local
Service Force Centre, quoting the model and serial number.
Please note that it will be necessary to provide proof of purchase for any in-guarantee service calls.
In-guarantee customers should ensure that the above checks have been made as the engineer will make a charge if the fault is not a mechanical or electrical breakdown.
Special accessories
Charcoal filter TYPE 20
Technical assistance service (not for UK)
You are welcome to telephone our technical assistance service (see list of technical assistance centres) whenever you need information or in the unlikely event of a fault.
For service in Australia call 1300 650 020.
When calling, please be ready to specify:
This information is shown on the registration plate inside the unit behind the grease filter.
We reserve the right to change specifications and colours as a result of our policy of continuing technological development.
Service and Spare Parts
In the event of your appliance requiring service, or if you wish to purchase spare parts, contact your local Service Force Centre by telephoning: 08705 929 929
Your call will be automatically routed to the Service Centre covering your post code area. For the address of your local Service Force Centre and further information about Service Force, please visit the website at www.serviceforce.co.uk
Please ensure that you have read the section „What to do if....“ as the engineer will make a charge if the fault is not a mechanical or electrical breakdown even the appliance is under warranty. Please note that proof of purchase is required for in-guarantee service calls.
Help us to help you
Please determine your type of enquiry before writing or telephoning.
When you contact us we need to know:
- Your name • Clear and concise details of the fault
- Address and post code • Name and model of the appliance*
- Telephone number • E number*
- Serial number*
* This information can be found on the rating plate, which can be seen when the grease filters are removed.
If you require Customer Service in the Republic of Ireland please contact us at the address below:
AEG
Electrolux Group (Ire) Ltd
Long Mile Road
Dublin 12
Republic of Ireland
Tel: + 353 (0) 1 4090751
Email: service.eid@electrolux.ie
CUSTOMER CARE DEPARTMENT
For general enquiries concerning your AEG appliance or for further information on AEG products, please contact our Customer Care Department by letter or telephone at the address below or visit our website at www.aeg.co.uk
Customer Services Department
Major Appliances
AEGElectrolux
Addington Way
Luton
Bedfordshire
LU4 9QQ
08705 350 350 (*)
* calls to this number may be recorded for training purposes.
Technical Details
Mounting accessories included
1 deflector,
1 support bracket,
1 chimney support,
6 wood-screws 5 x 45 mm (for wall mounting),
6 Dübel ∅ 8 mm (for wall mounting),
1 reduction flange ∅ 125-120 mm,
1 allen spanner (for TORX screws).
DD 8665-8695-8861-8891-8990: 2+2 metal screws 3,5 x 9,5 (to fix the deflector), 2 metal screws 2,9 x 6,5 (to fix the chimney)
DD 8625-8821: 4 metal screws 2,9 x 6,5 (2 to fix the deflector - 2 to fix the upper chimney), 2 metal screws 3 x 9 (to fix the lower chimney).
Electrical connection (not for UK)
Safety warnings for the electrician
Before connecting the appliance to the power supply, check that the voltage indicated on the rating plate corresponds to the mains power supply available. Appliances fitted with a plug can be connected to any standard power socket within easy access.
Should it be necessary to provide a fixed connection, the hood must only be installed by an electrician authorised by the local electricity board. When installing, an omnipolar disconnector with a distance of at least 3 mm between contacts must be provided.
Fixed connection of the appliance must only be carried out by an authorised electrician.
Electrical connection for UK only
Safety warnings for the electrician
Connect the hood to the mains supply via a double pole switch which has 3 mm minimum separation between the contacts.
The switch must be accessible at all times.
The following is valid in the United Kingdom only:
- the wire which is coloured green and yellow must be connected to the terminal which is marked with the letter E or by the earth symbol (⊥), or coloured green or green and yellow;
- the wire which is coloured blue must be connected to the terminal which is marked with the letter N or coloured black, -
- the wire which is coloured brown must be connected to the terminal which is marked with the letter L or coloured red.
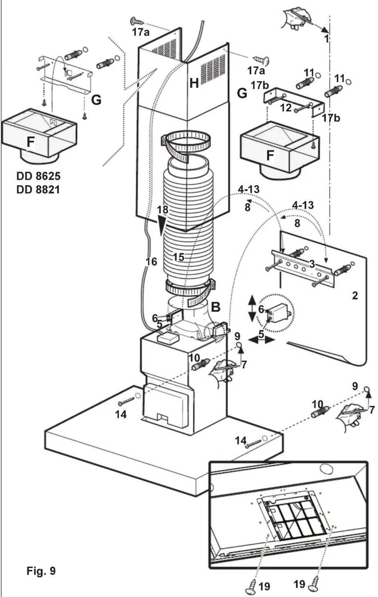
Wall unit mounting - Fig. 8-9
Pre-mounting operations (Only for model DD 8625-8821)
First decide which functioning version is better for you.
If you decide to use the hood in exhausting version we suggest to position the upper section of the chimney so that the outlet slots are not visible once installation has ended, on the contrary if is decided to use the hood in recycling version BE SURE that the side with slots is up (see also A-B-C sequence on on Fig. 8).

flowchart
graph TD
A["Component A"] -->|180°| B["Component B"]
B --> C["Component C-OK!"]
- Mark the wall with a centre line, this will
aid mounting procedure (1), position the template so that the mid line printed on the template matches with the centre line previously drawn, the lower side of the template corresponds to the lower side of the hood once mounted (2). - Drill two holes ∅ 8mm and fix the support bracket with two wall plugs and screws (3). Hang the hood (4) and adjust its position (5-6).
• From the inside of the hood sign two points for definitive fixing (7). - Remove the hood (8) and drill two holes ∅ 8mm (9), fit two wall plugs (10).
- Drill two holes ∅ 8mm on the upper side close to the ceiling, fit two wall plugs (11) (In case the hood is to be used in filter version, mount the deflector F on the chimney support with 2 screws) and fix the chimney support G with two screws (12).
- Hang the hood again (13) and fix it definitively with two screws (14).
- Fit an exhausting pipe (15) to connect the outlet hole B of the hood to the outside (Extractor hood) or to the deflector F (Filter version).
• Make electrical connection (16). - Fix the chimney first up (17a) to the chimney support (17b), then slide the lower section of the chimney down into the proper housing on top of the hood (18).
- Only for model DD 8625-8821: Fix the lower section to the hood with two screws (19).

text_image
17a G H 17a 11 11 G 17b 12 17b F DD 8625 DD 8821 4-13 8 4-13 8 3 2 6 5 9 10 7 10 9 7 Fig. 9 14 14 19 19
From the Electrolux Group. The world's No.1 choice.
The Electrolux Group is the world's largest producer of powered appliances for kitchen, cleaning and outdoor use. More than 55 million Electrolux Group products (such as refrigerators, cookers, washing machines, vacuum cleaners, chain saws and lawn mowers) are sold each year to a value of approx. USD 14 billion in more than 150 countries around the world.
AEGElectrolux
Addington Way
Luton
Bedfordshire
LU4 9QQ
http://www.aeg.co.uk
AEG Hausgeräte GmbH
Postfach 1036
D-90327 Nürnberg
EasyManual