Malaga - TV SEG - Free user manual and instructions
Find the device manual for free Malaga SEG in PDF.
Questions des utilisateurs sur Malaga SEG
0 question sur cet appareil. Repondez a celles que vous connaissez ou posez la votre.
Poser une nouvelle question sur cet appareil
Download the instructions for your TV in PDF format for free! Find your manual Malaga - SEG and take your electronic device back in hand. On this page are published all the documents necessary for the use of your device. Malaga by SEG.
USER MANUAL Malaga SEG
service@schmid-electronics.de
aee aae eaae aee aee aee aee aee aee aee aee aee aee aee
service@schmid-electronics.de
Sertronics
Gmbh
ostring 60
D-66740 SaarLouis-Frauautern
eetnncs
SAFETY INFORMATION 3
Headphone Warning 4
Where to install. 4
LCD Screen 4
Unit and Accessories 5
Getting Started. 5
Front view. 5
Remote Control 6
Functions of remote control buttons 6
To Set the Multi-Satellite Mode button 8
Installing Batteries in the Remote Control 9
Using the Remote Control 9
Aerial connection 9
Connecting the TV Antenna 9
Connecting external devices 9
HDMI Lead. 9
SCART Lead. 9
VGA Cable 9
CONNECTIONS 11
PC connection. 11
VGA, HDMI PC Connection 11
Connecting Video camera and Video recorder 12
Connecting an audio system 12
Connecting a DVD player 12
Auto installation setup 13
Power On/Off the LCD TV. 13
Source Menu 14
Menu Settings 14
CHANNEL MENU 14
PICTURE MENU 14
SOUND MENU 14
SETTING MENU 15
FUNCTION MENU 15
Picture Menu 17
Sound Menu 17
Setting Menu 17
Function Menu 18
PC Setup Menu 18
MAIN SATELLITE MENU 19
1) SETUP. 19
2) TV/Radio 20
3) MULTIMEDIA. 22
4) GAME 22
TROUBLE SHOOTING GUIDE 23
TECHNICAL SPECIFICATIONS 23
TV Specifications 23
DVBS Specifications 23
Wall Mounting 24
Waste Electrical Recycling 24
Correct disposal of Product 24
Introduction
Thank you for purchasing this LCD TV which has been designed and manufactured to give you many years of trouble free service.
You may already be familiar with using a similar product but please take time to read these instructions which have been written to ensure you get the very best from your purchase.
HDMI
HDMI (High Definition Multimedia Interface) is the next generation of digital interface. Unlike conventional connections, it transmits uncompressed digital and audio signals using a single cable. This TV supports high-definition video input via the HDMI socket on the back of the TV.
Safety is important
To ensure your safety and the safety of others, please read the safety precautions BEFORE you operate this product.

Disclaimer
The illustrations of the LCD-TV, accessories and menus shown in this User's Manual may differ from the actual product.
SAFETY INFORMATION
IMPORTANT SAFETY INSTRUCTIONS - READ CAREFULLY BEFORE USE.
Take note of the following safety information which appears on the back of the TV.



CAUTION TO PREVENT ELECTRICAL SHOCK, DO NOT REMOVE ANY COVER SCREWS, NO USER SERVICEABLE PARTS INSIDE, REFER SERVICING TO QUALIFIED SERVICE PERSONNEL.
This symbol indicates that there are important operating maintenance instructions in the literature accompanying this unit.
This symbol indicates that dangerous voltage constituting a risk of electric shock is present within this unit.
Keep these instructions
- Do not use this TV near water.
- Clean only with a slightly damp cloth.
- Do not block any ventilation openings.
- Install in accordance with the supplied Quick Start Guide and this User Guide.
- Protect the power chord from being walked on or pinched, particularly at plugs, and the point where it exits from the TV.
- Do not allow the power chord to overhang the edge of a table.
- Unplug this TV during lightening storms or when unused for long periods of time.

WARNING! TO REDUCE THE RISK OF FIRE OR ELECTRICAL SHOCK, DO NOT EXPOSE THIS TV TO RAIN OR MOISTURE. THE TV MUST NOT BE EXPOSED TO DRIpping AND SPLASHING AND NO OBJECTS Filled with LIQUIDS SHOULD BE PLACED ON THE TV.
NOTE: No naked flames such as candles should be placed on the TV.
NOTE: When displaying the same still picture for more than 2 hours without any interruption, the picture contours of the continuously displayed contents may remain visible on screen, i.e. a persistent image remains. The same applies, when displaying for more than 2 hours:
the same background/wallpaper
- logos, video games, computer images, Teletext
- contents with a non-filling aspect ratio (e.g. 4:3 format)
These do not represent any malfunction and will not be covered by the manufacturer's warranty
This unit has been produced according to all current safety regulations. The following safety tips should safeguard users against careless use and the dangers connected with such use.
- Although this appliance has been carefully manufactured and rigorously checked prior leaving the factory, as with all electrical appliances it is possible for problems to develop. If you notice smoke, an excessive build up of heat or any other unexpected phenomena, you should disconnect the plug from the mains power socket immediately.
- Ensurer that the unit is sufficiently ventilated! Never place next to or underneath curtains!
- The mains plug or appliance coupler is used as the disconnect device, the disconnect device shall remain readily operable.
- This set should only be connected to a mains power supply which matches that stated on the label on the rear of the TV - do not attempt to connect it to any other type of supply.
- The sock et - outlet must be installed near the equipment and easily accessible.
- T o prevent overload, don't share the same mains supply socket with too many other items of equipment.
- Apparatus with Class 1 construction shall be connected to a mains socket outlet with a protective earth connection.
- Keep away from rodents. Rodents enjoy biting into electric flexes.
Always hold the plug when pulling out the plug from the mains supply socket. Do not pull on the flex can become overloaded and cause a short circuit. - Set up the unit so that no one is able to trip over the flex.
- Do not place heavy items on the flex, which may damage your age it.
Take note that the flex cannot be reached and pulled by young children, avoiding injury. - Do not set up the unit near to heat sources. The casing and the flex could be damaged by the impact of heat.
- The screen is made of plastic and can break if damage is done to it. Be careful when collecting sharp edged plastic splinters to avoid injury.
- Avoid placing the unit on any surfaces that may be subject to vibrations or shocks.
- To protect the unit during a thunderstorm unplug the AC power cable and disconnect the aerial. Caution: Do not touch the aerial (RF) connector.
- When you leave your home for long periods of time, unplug the AC power cable for safety reasons.
- The unit becomes warm when in operation. Do not place any covers or blankets on the unit in order to prevent overheating. The ventilation holes are not to be blocked. Do not set up near radiators. Do not place in direct sunshine. When placing on a shelf leave 5 cm [2"] free space around the whole unit.
- Do not all ow water or moisture to enter the TV. Do NOT use in wet or moist areas such as Bathrooms,
steamy kitchens or near swimming pools.
- Do not use this unit when moisture condensation may occur
- Any repairs must be carried out by qualified personnel only.
- Do not open this unit. A non-expert attempting to repair the unit could be dangerous and potentially cause a fire hazard.
- Liquids spilt into the unit can cause serious damage. Switch the set OFF and disconnect the mains power supply, then consult a qualified service person before attempting to use the unit again.
- Do NO T remove the safety covers. There are no useable or serviceable parts inside. You may invalidate the warranty. Qualified personnel must only service this apparatus.
- Do NOT tap or shake the screen, you may damage the internal circuits. Take good care of the remote control, do not drop.
- N e v e r place hot objects or open celsaemeor sour close to the TV.
- High t emperatures can melt plastic and lead to fires.
- To clean the TV use a soft dry cloth. Do NOT use sol - vents or petrol based fluids. For stubborn stains, you may use a damp cloth with dilute detergent.
Headphone Warning

Loud music can damage your hearing irreversibly, therefore do not set the volume to a high level when listening through headphones, particularly for lengthy listening periods.
Where to install
Locate the television away from direct sunlight and strong lights, soft indirect lighting is recommended for comfortable viewing. Use curtains or blinds to prevent direct sunlight falling on the screen. Place the TV on a sturdy platform of which the surface should be flat and steady. This will prevent it from falling over. Make sure the television is located in a position where it cannot be pushed or hit by objects, as pressure will break or damage the screen, and so that small objects cannot be inserted into the ventilation slots or openings in the cabinet.
LCD Screen
The LCD display panels are manufactured using an extremely high level of precision technology, however sometimes some parts of the screen may be missing picture elements or have luminous spots. This is not a sign of malfunction.
Unit and Accessories



Power cable
Quick Start Guide

User Guide
Getting Started
Front view

Remote Control Window (keep clear)
Packaging materials are no toys. Please keep away from children. Plastic bags can cause suffocation when pulled over the head.
Remote Control
Functions of remote control buttons
Depending on the model of the Television some keys will have no function

- Depending on the model
Remote control (continued)
Functions of remote control buttons
Depending on the model of the Television some keys will have no function

Remote control (continued)

Dependant on the model of TV some keys will have no function
*Dependant on Model
This button puts the Remote in TV control mode
This button puts the Remote in a Multi Satellite control mode
- A number of modes are available. See below for details
This button puts the Remote into an Internet Player mode
- This is only used on some TVs and Digital Boxes
To Set the Multi-Satellite Mode button
The Sat button is programmable in the remote and can be set as follows:
To set the button if you have no Satellite Receiver:
Press and at the same time press 0.
If you have a Satellite Receiver with Recorder (Known as "Plus" type)
Press and at the same time press 1.
If you have a Satellite Receiver with High Definition (Known as "HD" type)
Press at the same time press 2.
If you have a normal Digital Satellite Receiver (Known as "Digital" type)
Press and at the same time press 3.
If you want to use this button to switch on the DVBS Player
Press and at the same time press 4.
*DVBS only fitted on certain models.
O + 0 NO SAT RECEIVER
O + 1 SAT +
O + 2 SAT HD
O + 3 SAT DIGITAL
O + 4 FTA DVBS
Installing Batteries in the Remote Control
- Remove the battery compartment cover at the rear of the remote control by pushing the retaining clip forward and pulling up.
- Install the supplied batteries, ensuring the polarity matches what is shown in the battery compartment.
- Replace the battery compartment cover.

Aerial connection
WARNING! ENSURE THE TV AND ALL ANCILLARY EQUIPMENT IS UNPLUGGED FROM THE MAINS BEFORE MAKING ANY CONNECTIONS!
Connecting the TV Antenna
Connect the TV antenna to the aerial socket with a 75 ohm co-axial plug. For best results use a high gain TV aerial, preferably roof or loft mounted.
To improve picture quality in a poor signal area, purchase and install a signal amplifier.
- If the antenna needs to be split for two TVs, use a 2-Way Signal Splitter (not supplied).
Using the Remote Control
To use the remote control point it at the TV and press the required buttons. You must be within 6 meters and at an angle of less than 30 degrees from the center of the TV.
NOTE: Sunshine or other strong light sources may interfere with the signal from the remote control. In this situation turn the TV away from the light source.

WARNING! DO NOT LEAVE BATTERIES IN THE REMOTE CONTROL FOR EXTENDED PERIODS AS THEY CAN LEAK OR CORRODE CAUSING DAMAGE TO THE REMOTE CONTROL. CHECK THEM PERIODICALLY AND REPLACE THEM AS REQUIRED.

WARNING! DO NOT MIX BATTERY TYPES. WHEN INSERTING BATTERIES, REPLACE ALL BATTERIES AT THE SAME TIME. DO NOT MIX OLD AND NEW BATTERIES.

WARNING! EXHAUSTED BATTERIES MUST BE TREATED WITH CARE AND DISPOSED OF ACCORDING TO ANY SAFETY OR RECYCLING REGULATIONS IN FORCE IN YOUR LOCAL AREA, NEVER DISPOSE OF BATTERIES INTO GENERAL WASTE, OR FIRE.

WARNING! NEVER EXPOSE BATTERIES TO EXCESSIVE HEAT SUCH AS SUNSHINE, FIRE OR THE LIKE.

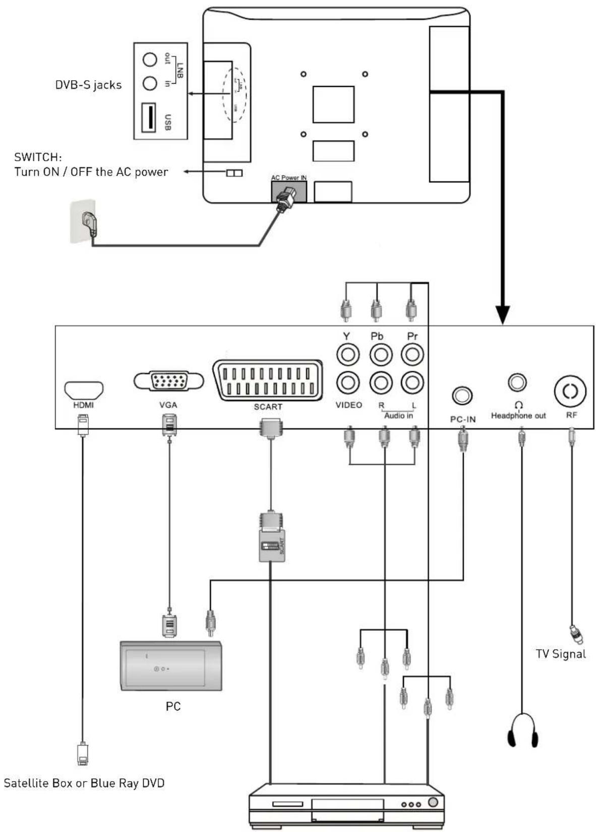
Connecting external devices
This instruction manual shows the simplest and most effective way of connecting your TV to ancillary equipment. Alternate methods are listed below.
HDMI Lead
You can connect this TV to a compatible device using a HDMI lead. This method will give the best picture.
Connect the cable from the HDMI equipment to the TV HDMI socket.
SCART Lead
You can connect this TV to a compatible device using a SCART lead. The connection uses component video signals, i.e. the red, green and blue (RGB) content of the video are sent on separate signals.
VGA Cable
You can use your TV as a monitor for your personal computer by using a VGA cable. Sound from your personal computer may also be played through the TV.
Connecting external devices (continued)

Connecting external devices (continued)
CONNECTIONS
| Name Function | Description |
| AC POWER IN Co | Connect to power supply |
| HDMI | Connect to the HDMI socket of your DVD or Satellite Box |
| VGA | Connect to the PC VGA output to display PC graphics |
| PC-IN PC audio | input |
| YPbPr | Connect to the YPbPr output on external devices |
| Video | Connect to the video output of external devices |
| [AUDIO] L/R IN | Audio signal input for AV[Shared with YPbPr] |
| SCART | Connect to the scant input / output of external devices |
| RF Connect to antenna | tenna or cable source |
| Headphone | Connect Headphone |
| USB (DVB-S) | Connect to USB device for multimedia and PVR |
| LNB IN | LNB IN is the connection for the LNB on your satellite dish. |
| LNB OUT | LNB OUT (LOOP OUT) this can be used for the connection of a second digital Receiver. Before you activate this connection the LCD TV must be switched off. |
VGA, HDMI PC Connection
Use a PC-VGA cable (not supplied) to connect the TV to your PC. You can also use an HDMI cable to connect to your PC (if your PC Graphic card supports HDMI). When the HDMI cable is used, the PC audio cable is no longer required. If you use the HDMI to DVI cable, you will need to use the PC audio cable. Connect all cables carefully and do not bend or break the connector pins.
When using the VGA cable
- Switch on the TV
- Switch on the PC
- Select PC/VGA as input source
When using the HDMI cable
- Select HDMI as input source

(All illustrated cables are not supplied)
Caution:
Before connecting external devices:
- Makes sure to disconnect the appliances from the power supply in order to avoid any potential damage from occurring.
- Make sure to establish the required connection.
- Make sure that the connectors are properly and correctly attached before connecting the appliances to the power supply.
PC connection
As PCs are sometimes still supplied with a 'conventional' CRT monitor, you may need to adjust the display settings of your PCs graphics card, otherwise the pictures may not appear correctly. Switch on your PC (still with your original monitor connected) now select the screen resolution, and select 60Hz refresh rate. Switch off your PC, then connect it to your TV while both appliances are still switched off.
Connecting Video camera and Video recorder
Video camera
- Connect the AV cable to the TV and to the video camera.
- Turn on both video camera and the TV.
- Select AV/CVBS source
- You can now see the playback picture from the video camera. Note:
- To connect the video camera using other cables, refer to the video camera instruction manual.
Video recorder
- Connect the Scart cable to the TV and video recorder.
- Turn on both video recorder and the TV.
- Select Scart source
- You can now see the playback picture from the video recorder.
Note:
- To connect the video recorder using other cables, refer to the video recorder instruction manual.


[All illustrated cables are not supplied]
Connecting an audio system
You can supply the TV sound to the stereo system (A) with the Scart socket. Use a special Scart cable SCART to RCA. (Please consult your hi-fi instructions for details). If you have a surround sound amplifier/decoder (B) Use the Scart cable or the special Scart cable Scart to RCA.


(All illustrated cables are not supplied)
Connecting a DVD player
Connect a DVD player using either a SCART cable or the HDMI cable. (only if your external equipment supports HDMI).

(All illustrated cables are not supplied)
When using the SCART cable
- Switch on the TV
- Switch on the DVD player
- Select SCART as input source
When using the HDMI cable
- Select HDMI as input source
Auto installation setup
Power On / Off the LCD TV
Power Switch On / Off
Press the power switch to setting and the standby indicator will light red.
To turn on the LCD TV
Press the power button on the LCD TV or the button on the remote control, the standby indicator will light green.
To turn off the LCD TV
Press the power button on the LCD TV or the button on the remote control, the standby indicator will light red.
To turn the LCD TV off completely press the power switch to setting and the standby indicator light will extinguish.
When you initially turn on the LCD TV you will see the first time installation menu as below:

Ensure that the aerial is plugged in to the TV, Make sure your Remote is in TV mode (by pressing button), switch on the TV by pressing. You will see the first time installation menu.
Press the OK button on the remote control to start the tuning procedure. This process will find all available ATV channels and store them.
By pressing the Quick Start button the first time installation can be recalled at any time.
Source Menu
You can select the input source menu by pressing the Source button on the remote control or the TV / AV button on the LCD TV.

Press Source button on the remote control.
Use ▲▼ to move to the desired input source
Press OK to select.
Menu Settings
- Turn the LCD TV on.
- Press the MENU button on the Remote Control.
3.Use the and buttons to navigate through the menu. - Press the EXIT button to exit the Menu.
CHANNEL MENU
Allows you to search channels and set up a variety of

PICTURE MENU
Allows you to make adjustments to your picture settings.

SOUND MENU
Allows you to customize the sound options and e

SETTING MENU
Allows you to setup a variety of setup options.

FUNCTION MENU
Allows you to set up a variety of lock/time and setup options.

Note: Use the left right up down navigation buttons to select the required options in the menus.
Use the and buttons to select the CHANNEL menu (as the picture above), press button to enter the menu.
The CHANNEL menu includes the following options :
Auto Search menu for ATV

Manual Program
Press button to enter the submenu.
Manual Program menu for ATV


| Program Select the program you want to edit. |
| Color Sys. Select the color system for the program you want to edit. |
| Sound Sys. Select the sound system for the program you want to edit. |
| Manual Search Use and button to manual search. |
| AFT Turn on off the Auto Frequency Tuning function for Manual Search. |
| Fine Use and button to fine-tune. |
| Skip Select "Yes" to skip the program when you scan the programs by CH+/-. |

| Country | Press \( \downarrow \) and \( \blacktriangleright \) buttons to select the Country. (Can be selected in ATV mode) |
| Auto Search | Press \( \blacktriangleright \) button to start auto search. |
Program Edit: Press button to enter the submenu as the following picture.
Program Edit menu for ATV

NAME: Select the channel, press GREEN button on the remote control to change the name of the channel.
[Use ▲▼□ button to name, and press OK button to confirm]
LOCK: Select the channel, press RED button to lock the channel. You have to enter the code to view the channel you have locked. Note: you could set the code in System Lock menu in FUNCTION menu, the original code is 0000.
INSERT: Select a channel you want to insert, press YELLOW button, then select the position, press GREEN button to insert, or you could press RED button to cancel the option.
Picture Menu

Use the and buttons to select the PICTURE menu (as the picture above), press button to enter the menu.
The PICTURE menu includes the following options :
| Picture Mode Cho | ose from Standard, Movie, Vivid and Personal. |
| Contrast Controls | the difference between the brightest and darkest regions of the picture. |
| Brightness Controls | ols the overall brightness of the picture. |
| Color Control the color. | |
| Sharpness Increase | ase this setting to see crisp edges in the picture; decrease it for soft edges. |
| Tint Controls the tint [ NTSC mode only]. | |
| Colour Temp. Change | ose from Normal, Cool, and Warm. |
| Noise Reduction | Reduce any interference noise by selecting "ON". (Can be selected in ATV mode). |
Note: Contrast, Brightness, Color and Sharpness can only be adjusted in the Personal mode option in the Picture Mode Settings.
Sound Menu

Use the and buttons to select the SOUND menu (as the picture above), press button to enter the menu.
The SOUND menu includes the following options:
| Sound Mode | Allows you to select among: Standard, Music, Movie and Personal. |
| Bass (Can be adjusted when the sound mode is set to Personal) Controls the relative intensity of lower pitched sounds. | |
| Treble (Can be adjusted when the sound mode is set to Personal) Controls the relative intensity of higher pitched sounds. | |
| Balance To adjust just the balance of the left and right sound track, or turn off the volume of the left and right sound track. | |
| AVL Control the volume of the program automatically when you turn on the function by selecting "On". | |
Setting Menu

Use the and buttons to select the SETTING menu (as the picture above), press button to enter the menu.
The SETTING menu includes the following options:
| Language | Allows you to select menu language. |
| OSD Timer | Allows you to select the time for OSD menu displays on the screen. |
| Transparency | Allows you to select the transparence for OSD menu displays on the screen. |
| Overscan | Turn on/off the overscan function. (Can be selected in HDMI mode) |
| Reset | Press▶ button to restore factory default. |
Function Menu

Use the and buttons to select the FUNCTION menu [as the picture above], press button to enter the menu.
The FUNCTION menu includes the following options :
| Sleep Timer | Allows you to setup the sleep timer to : 15min, 30min, 45min, 60min, 75min, 90min, 105min, 120min and off. |
| Aspect | Allows you to select the screen display mode. (Can be selected in DTV mode) |
| TT Language | Allows you to select the Teletext language. (Can be selected in ATV mode) |
| Blue Screen | Turn on the blue screen display in no signal state by selecting "ON" (Can be selected in ATV mode) |
| System Lock | Press▶ button, and enter the code to enter the submenu. The original code is 0000. |
| FUNCTION SYSTEM LOCK ON CHILD LOCK OFF KEY LOCK OFF PARENTAL OFF CHANGE CODE MOVE SELECT ENABLET | |
| System Lock: Turn on/off the system lock function. Child Lock: Lock the channel, you have to enter the code to view the channel. Key Lock: Lock the buttons on the TV set, you could not operate the TV by the buttons on the TV set. Parental: Select the parental control mode. Change Code: Change the code. | |
| FTI (First Time Installation) | Press▶ button to enter the First Time Installation menu. |
PC Setup Menu

Use the and buttons to select the PC SETUP menu (as the picture above), press button to enter the menu.
The PC SETUP menu includes the following options :
| H-Position Ad | ust the transverse position of the screen. |
| V-Position Adjust | just the vertical position of the screen. |
| Clock Adjust t | the pixel clock frequency, until the image size is maximized for the screen. |
| Phase Adjust | the phase of the ADC sampling clock relative to the sync signal, until a stable image is obtained. |
| Auto Adjust | Press▶ button to setup the parameter of the screen automatically. |
MAIN SATELLITE MENU
All the important settings and features of your receiver can be operated in Main Menu. The Main Menu consists of five sub-menus: "SETUP", "TV", "Radio", "Multimedia" and "Game". Press the MENU button when the menu is off, the MAIN MENU screen will appear.
Note: In Satellite mode the menus have a different appearance to TV mode. This is helpful to ensure you are in the correct mode.
Enter the menu of each mode by first selecting the mode (using Source key) and then press MENU.
1) SETUP
In MAIN MENU screen, press to select SETUP, this menu consists of the "Installation", "TV Setup", "Password", "Advance Timer", "SW Update" and "Set Default".

Installation
In SETUP menu, press ▲▼ to select Installation, then press OK key to enter Installation menu. In this menu, you can set General Setting, MY DISH, TP MANAGER.

General Setting: In this menu, you can set OSD Language, Audio Language, Subtitle Language, GMT usage, Time Zone, Set Date and Set Time.
MY DISH: In this menu, you can add satellite by pressing RED key, delete satellite by pressing GREEN key, edit satellite by pressing YELLOW key and auto scan by pressing BLUE key.

TP MANAGER: In this menu, press to switch satellite, press to switch Frequency, then press RED key, you can add Frequency, press GREEN key, you can delete Frequency, press YELLOW key, you can delete all.

Press OK key, you can edit Frequency.

TV Setup
In SETUP menu, press to select TV Setup, then press OK key to enter TV Setup menu. In this menu, you can set TV Mode (Auto, PAL), OSD Transparency (1~8), Banner Display Time (1S, 3S, 5S, 10S, 30S, Always),


Password
In SET UP menu, press to select Password, then press OK key to enter Password menu (if supported by the broadcasting channel). In this menu, you can setup Menu Lock(ON/OFF), Channel Lock (ON/OFF), Censorship Lock (No Block, Total Block, 02-18), and Change Password (NO/YES). The Master password is 0000.

Advance Timer
In SET UP menu, press to select Advance Timer, press OK key to enter this menu. In this menu, you can add timer by pressing RED key, you can setup Channel Type, Channel No., Channel Name, Start Date (Y/M/D), Start Time, End Time, Mode and Timer Mode, then press OK key to save.

SW Update
In SET UP menu, press to select SW Update, press OK key to enter this menu. In this menu, you can update the software by USB and backup to USB.

Set Default
Select Set Default and press OK key, then press OK key. This will delete all user settings and installed channels.

2] TV/Radio
The Radio operation is the same as TV.
In MAIN MENU screen, press to select TV, this menu consists of the "TV List" and "TV Guide".
![SEG Malaga - 2] TV/Radio - 1](/content/2026/02/377708/images/866ea65da5d0aca3eaf6c0a792130774f55febcd18b27c4384e731a6e1fd0642.jpg)
TV List
Select TV List and press OK key to enter TV List menu, in this menu, you can add channels to different favorite groups, Lock channels, Edit channels, Move channels, Sort channels, Delete channels.
Favorites: Press button to select a channel, press button to select Favorites, then press 1~8 key to add the channel to the favorite group which you want to add to.

Lock: Press button to select a channel, press button to select Lock, then press OK key to lock the channel, press OK key again to cancel lock. Press YELLOW button to save.

Edit: Press button to select a channel, press button to select Edit, then press OK key to enter the Program Info menu, in this menu, you can see the program information and rename the channel,

Move: Press button to select a channel, press button to select Move, press OK key, then press button to move the channel to the position where you want to move.

Sort: Press button to select a channel, press button to select Sort, you can sort the channels by "A-Z/Z-A", "Free-Pay/Pay-Free", "TP Asc./TP Desc."

Delete: Press button to select Delete, press OK key to delete the selected channel. Press GREEN button to delete all channels.

TV Guide
Select TV Guide and press OK key to enter TV Guide menu, in this menu, you can view the channel guide.

Press Guide button to enter the program guide.
3) MULTIMEDIA
In MAIN MENU screen, press to select MULTIMEDIA, this menu consists of the "My Album", "My Music", "My Movie"zzz.
You can also select this menu directly from viewing mode by the Media key (Yellow button)

My Album
Select My Album and press OK key, then press BLUE button to choose you photo folder, select a photo and press OK key to view.

My Movie
Select "My Movie" and press the OK key. Select folder through Menu structure on the left of screen. Use the keys to select a movie file. Press the OK key to play selected file. Press keys to play the previous movie or next movie, press to change the volume.
4] GAME
In MAIN MENU screen, press to select GAME, in this menu, you can play the game, view the calendar and use the calculator.
![SEG Malaga - 4] GAME - 1](/content/2026/02/377708/images/22140f8b5c17a77c2160da63fad7a7867e587f7a65892b3213f00d6d3ee5f4a2.jpg)
My Music
Select My Music and press OK key to enter, press button to choose a song, press OK or RED button to play, in playing, press RED button to pause, press GREEN button to stop, press YELLOW button to cycle and press BLUE button to speed

TROUBLE SHOOTING GUIDE
To assist in locating possible faults use the help guide below.
| SYMPTOM SOLUTION | |
| No Picture, no sound | Check that the TV is correctly plugged in. Check that the TV is connected to a suitable power source. Check the electrical supply is turned on. |
| No Picture | Ensure that the TV is powered on. Check that the cables are fitted securely. Ensure the aerial and/or external sources are connected. Press the SOURCE button to change the source. Turn the TV on or off. |
| No Sound Press the MUTE button | and check if Mute mode is set. Switch to another channel and see if the same problem occurs. Press V+ button to see if the problem can be solved. |
| No picture on some channels Check | Check that correct channel is selected. Adjust the antenna. |
| No colour on some channels (black & white) | Check if the same problem exists on other channels. Ensure the correct picture settings are selected. |
| Noisy, Snowy, Ghosting picture. | Check the antenna is connected correctly. Check that the antenna Is in good condition. Try moving the antenna. |
If none of the suggestions seem to work, try switching your TV off and then on again. If this does not work contact our technical helpline.
NOTE: The TV must only be repaired by a qualified registered service person. Never attempt to remove the back cover as the TV has dangerous voltages inside that may cause fatality or fire.
TECHNICAL SPECIFICATIONS
Specifications of the TV that you have just purchased may vary from the information in this table due to technical innovations.
TV Specifications
| TV System | PAL/BG/DK/I/SECAM/BG/DK/L/L |
| Audio Syste BG/DK/I/L/L' | |
| Screen size 22" (Diagonal) | |
| Resolution 1920 x 1080 Pixels | [RGB] |
| Aerial input 75 Ohm (unbalanced) | |
| Audio output power 2 x 3W | |
| Power requirements | 100-240V ~ 50/60Hz |
| Power consumption | < 60W |
| Standby power consumption | <1W |
| Weight | 4.36 kg |
DVBS Specifications
| DVBS Module | YES |
| TV-Radio | YES |
| LNB | Universal / 22KHz / DiSeqC |
| LNB Power 500mA | |
| EPG | YES |
| Quick-start tuning | YES |
| Favorite list | YES |
| Multimedia playback | USB |
| Sockets | LNB in & out, USB |
Remote control specifications
| Type Infrared | |
| Control distance 5m | |
| Control angle 30 degrees | (Horizontal) |
| Batteries 2 x 1.5V, Size AAA | |
| Dimensions | 48 x193 x20mm |
| Weight 120g (without batteries) |
Wall Mounting
- The stand must first be removed. Place the TV face down on a soft surface.
- Press the button on the stand base down and turn the stand carefully to the right to release it. Remove the one screw inside of the trunk of the stand still attached to the TV. Now remove the three screws on the back of the TV to release the remaining part of the stand.
- Remove and store the s tand and screws.
- Use four machine screws to mount the TV on the bracket.
This unit is VESA-Compliant and designed to be wall mounted with a VESA-Compliant 100mm× 100mm mounting kit. Mount this unit according to the instructions of the wall bracket (not supplied)

4 Mounting holes Screw size MB4 x 10
Waste Electrical Recycling
Correct disposal of Product

This sign indicates that this product may not be disposed of with your regular household waste. The recycling and separate collection of such products is your responsibility. Please drop off the above mentioned waste at a designated place for recycling waste electri
cal and electronic equipment. If you do not know where to drop off your waste equipment for recycling, please contact your local city office or household waste collection service.

The crossed out wheeled dust bin symbol indicates that batteries and/or accumulators must be collected and disposed of separately from household waste.
Hg Cd Pb
If the battery or accumulator contains more than the specified values of lead (Pb), mercury (Hg), and/or cadmium (Cd) defined in the Battery Directive [2006/66/EC], then the chemicals Hg Cd Pb symbols for lead(Pb), mercury (Hg) and/or cadmium (Cd) will appear below the crossed out wheeled dust bin symbol.
By participating in separate collection of batteries, you will help to assure the proper disposal of products and batteries thus help to prevent potential negative consequences for the environment and human health.
For more detailed information about the collection and recycling programmes available in your country, please contact your local city office or the shop where you purchased this product.

This appliance complies with European Safety and Electrical directives.
It fullfils the following EU regulations:
En55013:2001+A1:2003+A2:2006
EN55020:2007
EN61000-3-2: 2006 EN61000-3-3:1995+A1:2001+A2:2005
EN55022:2006[CLASS-A]
EN55024:1998+A1:2001+A2:2003
Manufacturer:
D-66780 Rehlingen-Siersburg (Germany)
Fon: +49{0}6835 92350-0
Fax: +49(0)6835 92350-500
Table des matieres
SPécifications Techniques 23
| SOURCE |
| ATV |
| HDMI |
| SCART |
| YPBPR |
| AV |
| VGA |
| DVBS |
EasyManual