BPV4631B - Hob BRANDT - Free user manual and instructions
Find the device manual for free BPV4631B BRANDT in PDF.
Questions des utilisateurs sur BPV4631B BRANDT
0 question sur cet appareil. Repondez a celles que vous connaissez ou posez la votre.
Poser une nouvelle question sur cet appareil
Download the instructions for your Hob in PDF format for free! Find your manual BPV4631B - BRANDT and take your electronic device back in hand. On this page are published all the documents necessary for the use of your device. BPV4631B by BRANDT.
USER MANUAL BPV4631B BRANDT
natural_image
Black-and-white photo of a bowl with mint leaves and a leaf, placed on a textured surface (no text or symbols visible)INSTRUCTIONS MANUAL EN
MANUEL D'INSTRUCTION FR
BPV2320B, BPV2421B, BPV2423B, BPV1641B BPV3637B, BPV4631B

EN INSTALLATION INSTRUCTIONS AND RECOMMENDATIONS FOR USING AND MAINTAINING CERAMIC HOT PLATES TOUCH CONTROL....5
natural_image
Four circular dotted patterns arranged in a 2x2 grid on a white background, with a legend at the bottom (no text or symbols within the circles)
natural_image
Four circular dotted patterns arranged in a 2x2 grid, with a small legend box labeled 'lmmed' below (no text or symbols within the circles)
natural_image
Three circular dotted patterns arranged horizontally, with a legend indicating small circles and symbols (no text or labels)
text_image
Brandt
natural_image
Abstract diagram with three dotted circular patterns and scattered symbols (circles, dots, and crosses) on a white background, labeled 'Brandt' at bottom right.Montage / Installation / Instalación
Minimum distances / Distances minimales / Distancias mínimas

text_image
650 mm 100 mm 70 mm
text_image
silicon
text_image
B A C D
You have just purchased a BRANDT product and we thank you for the trust you place in us. We have designed and manufactured this product with you, your lifestyle, your needs in mind, so that it best meets your expectations.
We put our know-how into it. to do, our spirit of innovation and all the passion that has driven us for more than 60 years.
In a permanent effort to always better meet your requirements, our consumer service is at your disposal and at your disposal to answer all your questions or suggestions.
Also connect to our website www.brandt.com where you will find our latest Innovations, as well as useful and additional Information.
BRANDT is happy to accompany you on a daily basis and wishes you to enjoy fully from your purchase..

Important: Before putting your appliance into operation, please read this installation and use manual carefully in order to familiarize yourself more quickly with its operation.
Safety warnings:
⚠️ If the ceramic glass breaks or cracks, immediately unplug the hob to avoid electric shocks.
⚠ This appliance is not designed to work with an external timer (not built into the appliance) or a separate remote control system.
Do not steam clean this device.
⚠ The device and its accessible parts may heat up during operation. Avoid touching the heating elements. Children younger than 8 years old must stay away from the hob unless they are permanently supervised.
⚠ This device may solely be used by 8 years old children or older, people with impaired physical, sensory or mental abilities, or those who are lacking of experience and knowledge, ONLY when supervised or if they have been given adequate instruction on the use of the device and understand the dangers its use involves. User cleaning and maintenance may not be done by unsupervised
children.
⚠️ Children must not play with the device.
⚠ Precaution. It is dangerous to cook with fat or oil without being present, as these may catch fire. Never try to extinguish a fire with water! in this event disconnect the device and cover the flames with a lid, a plate or a blanket.
⚠ Do not put any object on the cooking areas of the hob. Prevent a possible fire hazard.
⚠ “If the mains cord is damaged, should be replaced by the manufacturer or its after sales service”
CAUTION: Use
only cooktop protectors appropriately designed by the household manufacturer or the protectors already used in this appliance. The use of inappropriate protectors could cause accidents.
Installation
Emplacement with cutlery drawer
If you wish to mount furniture or a drawer under the hob, a separation board must be fitted between the two. Accidental contact with the hot surface of the device housing is thus prevented.
The board must be fitted 20 mm under the bottom cover of the hob.
Electrical connection
Before you connect the hob to the

EN
mains, check if the voltage and frequency match those specified on the hob label, which is placed under the hob or on the Guarantee card, or if applicable on the technical data sheet, which you must keep together with this manual throughout the product's service life.
The electrical connection will be via an all-pole circuit breaker or plug, whenever accessible, in accordance with the current and with a minimum 3 mm distance between contacts. This ensures disconnection in emergencies and allows hob cleaning.
Only the BRANDT official technical service can handle or repair the appliance, including replacement of the power cable.
Ensure that the inlet cable does not come into contact with the hob housing or the oven housing, if it is installed in the same unit.
Warning:

The electrical connection: be properly grounded, wing current regulations, wise the hob may malfunction.

Unusual high power surges damage the control system (with any electrical appliance).

Keep the Guarantee rate or the technical data together with the instructions throughout the product's life. These contain important and information.
Use and Maintenance
User instructions of the Touch Control
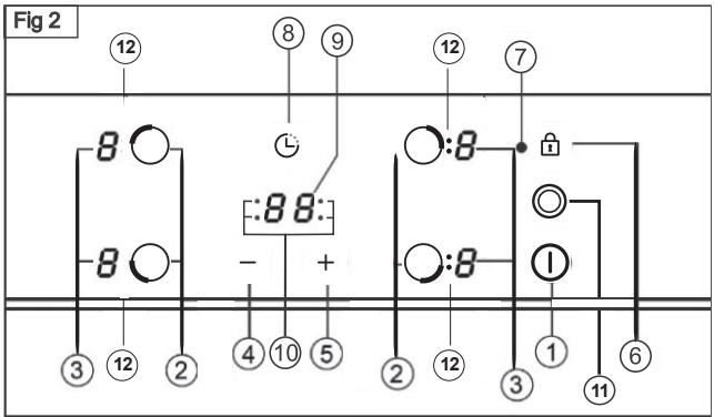
HANDLING ELEMENTS (fig. 2)
① On/off key.
② Hot plate selection touch keys.
③ **Power and/or residual heat indicator
④ "Minus" key
⑤ "Plus" key
⑥ Locking touch key for the control panel
⑦ **Lock icon.
⑧ Timer touch key.
⑨ **Timer indicator
⑩ Decimal dot of the timer
⑪* Double crown key
12* Double crown indicator
* Depending on model
** Only visible while running.
The manoeuvres are done by means of the touch keys. You do not need to exert force on the desired touch key, you only need to touch it with your fingertip to activate the required function.
Each action is notified by a beep.
SWITCHING ON THE DEVICE
When the hob is connected for the first time, it will be locked and the related pilot light (7) will be on. To unlock it, first touch the locking touch key 🔒

text_image
Fig 2 12 8 8 - + 12 7 8 8 1 10 5 3 12 2 4 10 5 2 12 3 1 6 11(6) until the pilot light(7) switches off.
1 Touch the On/Off touch key
①
(1) for at least one second.
The control panel is activated and a 0 appears with 50% brightness on all the power displays (3).
If any zone has residual heat indication before switching it on ,the display continues showing "H" instead of 0.
If you do not take any action in the next 10 seconds the control panel will switch off automatically.
Warning:

In a first run, H indication may be in a short time on the power day. This showing is related with no operation and it does not in the cooking zone is hot.
SWITCHING ON A COOKING ZONE
Once the control panel has been activated by means of the touch key ① (1), the power indicators of the the cooking zone will display a "0" (3)
1 Press the touch key of the selected cooking zone (2).
The related power indicator (3) will be activated and the brightness of the indicator will increase.
2 Using the touch key — or + (4/5), choose the desired power level.
The — and + touch keys are repetitive, so if you keep them pressed they increase or decrease with a 0.5
second interval.
Only one cooking zone can be selected at the same time
Warning:

To operate a hot plate, it must be selected first. When you want to use a hot plate, check the brightness of the power indicator. After using the hot plate, the brightness of the power indicator could increase.
Quick switch-on at maximum power: Once you have selected the cooking zone press the touch key (4) once. The cooking zone will be activated at full power.
SWITCHING OFF THE COOKING ZONE
The cooking zone must previously be selected.
2 Using the touch key (4), lower the power level to 0.
Quick switch-off alternatives :
i) If user keep finger on the selection sensor for 2 seconds, the related zone will be switched off.
ii) When you press the touch keys — and + (4/5) simultaneously, the hot plate will switch off quickly.
RESIDUAL HEAT INDICATOR
The power indicator of the hot plate will display an H when the glass surface reaches a temperature that could cause burning.
When this risk disappears,
i) the display switches off (if the device is in stand by),
ii) or displays 0 (if the appliance is still running).

Warning:
H indication is used for the safety purposes in any case. Even if the power is cut off for a long time, after power on, H indication appears.
SWITCHING OFF THE DEVICE
The device can be switched off at any time by pressing the general on/off touch key ① (1). In standby mode an H will appear in the zones that are hot. The rest of the displays will not light up.
Double burner hot plate
If your hob has this option, the double crown cooking zone offers the possibility of using the inside ring or also, in addition, the outside one, depending on the size of the pot or pan.
SWITCHING ON THE DOUBLE CROWN COOKING ZONE
1 The related hot plate must be selected.
2 Select the desired power (from 1 to 9) using the touch key ⊖ or ⊕(4/5).
3 Press the double hot plate touch key ⭕ (11) to activate the double burner. When the double zone will be activated, double zone indicator (12) light on.
SWITCHING OFF THE DOUBLE HOT PLATE
1 The key, by which its double burner hot plate was switched on previously is selected.
2 Press the double hot plate touch key ○(11) to deactivate the double burner. The double burner indicator (12) will light off and the outer ring will be deactivated
Locking of the touch keys of thehob
To prevent undesired manipulation, you can lock the entire control panel except for the on/off touch key, using the locking touch key ☎ (6). This function is useful for child safety. When the lock is activated, the lock indicator light (7) comes on.
However, remember when the control panel is on, the on/off touch key ①(1) allows you to switch it off, even if the lock is activated (the lock indicator light (7) on).
On the other hand, if the control panel is switched off, the locking function does not allow the on/off touch key ① (1) to be used.
To deactivate the locking function, press the locking touch key ⏻ (6) once again. Lock indicator (7) lights off and the control panel will be ready for use.
CHILD LOCK
The Child Lock is being used to prevent children from turning on the hob.
Activating Child Lock :
-
The hob is switched on via ①(1) On/Off touch key,
-
Any zone should not be selected. When any zone is not selected, Touch simultaneously the increase power key +(5) and the decrease power key - (4) for 3 seconds. Then, a short buzzer sound will be heard.
-
After the buzzer signal, touch the locking touch key (there is no need to press for a long time) and a long buzzer sound will be heard. Then, the Child Lock will be activated and all power display will show "L".
When the Child Lock is activated, if user touch any the display (main sensor included), "L" will flash on.
Warning : Child lock status is not being stored. If the energy of the hob is butted, child lock status could not be preserved.
Deactivating Child Lock :
To be able to deactivate Child Lock, the Child Lock should be activated before and all power displays show "L"
- Hold simultaneously the increase power touch + (5) and the decrease power touch — (4) for 3 seconds. Then, a chord buzzer sound will be heard.
- After the buzzer signal, touch the locking touch key (there is no need to press for a long time) and a long buzzer sound will be heard. Then, the Child Lock ⏻ will be deactivated and the indicator will be light off.
Preheat Function
This function facilitates cooking as you do not need to be present while it is being done. The hob pre-programmes the chosen hot plate at the maximum power and subsequently lowers it to the desired power level (which you have selected) after an approximate amount of time (see table 1).
Table 1
| Selected power | Time of the preheat function (in seconds) | |
| 0 | 0 | |
| 1 | 60 | |
| 2 | 180 | |
| 3 | 288 | |
| 4 | 390 | |
| 5 | 510 | |
| 6 | 150 | |
| 7 | 210 | |
| 8 | 270 | |
| 9 | - | 300 |
| P (maximum) | - | - |
SWITCHING THE PREHEAT FUNCTION ON
EN
1 The cooking zone must be selected.
2 Select power 9 and then press "plus" touch key +(5). After using the touch key, you must lower the continuous cooking power to the desired level, (for example 6). When the automatic cook function starts "A" indication flashes with desired power level on the display.
SWITCHING THE PREHEAT OFF
After at least 10 seconds have elapsed since the beginning of the automatic cook start function:
1 The hot plate must be selected.
2 Press touch key +(5) till the
indicator reaches level 9 and the automatic cook start function will be deactivated.
Timer Function
This function makes it easier to cook, as you do not need to be present throughout the process: the timed hot plate(s) will switch off automatically after the set time has lapsed. There is a separate timer for each hot plate, which allows all of the cooking zones to be timed simultaneously.
With these models you can use the timer as a timer for the cooking zones for times ranging from 1 to 99 minutes. All the cooking areas can be programmed individually and in a simultaneous manner.
TIMING ONE COOKING ZONE
1 The cooking zone to be timed must be selected.
2 Select a power level of the cooking zone from 1 to 9 using the touch keys + or —(5/4).
3 Press the timer touch key ⏻(8).Timer indicator (9) will display 00. Depending on the model,the timedcooking surface indicator (10) will flash.
On the power indicator (3), will flash during the time set.
4 Immediately afterwards, enter a cooking time between 1 and 99 minutes, by using the touch keys or — + (5/4).
When the power indicator (3) stops flashing, it will start to count down the time automatically. The respective timed cooking zone display (9) will continue flashing. Or, when the countdown starts, the relevant power level and will flash alternately on the power indicator (3) of the relevant cooking zone.
When the timer reaches 01, it will switch from counting down minutes to seconds.
Once the selected cooking time has elapsed, the cooking zone being timed is turned off and the clock emits a series of beeps for several seconds. The timer indicator will display a flashing 00 beside the cooking zone that has been disconnected.
If you wish to time another cooking zone at the same time, repeat steps 3 and 4.
If the heating zone turned off is hot, its indicator displays an H or otherwise an 0. To turn off the audible signal touch any sensor.
CHANGING THE PROGRAMMED TIME
To change the programmed time, you must press the touch key of the timed cooking zone (2) to select it and then the timer ⏻ (8). You may then read and change the time.
DISCONNECTION OF THE TIMER
If you want to stop the timer before the programmed time is up:
1 First select the hotplate and then press clock touch key ⏻ (8).
2 Use the touch key — (4) to recede the time to 00. The clock is cancelled.
Alternative method :
After zone selection if the timer touch key is pressed for two seconds, the related timer will be cancelled.
Boost Function
This function supplies “extra” power to the hot plate, above the nominal value.
1 Select power 9 and then press power touch key — + (5/4)
2 The power level indicator (3) will show the symbol P, and the plate will start to supply extra power.
Safety switch off function
If due to an error one or several hot plates do not switch off, the appliance will be automatically disconnected after a set amount of time (see table 2).
Table 2
| Selected power | MAXIMUM OPERATION TIME (In hours) | |
| 0 | 0 | |
| 1 | 10 | |
| 2 | 5 | |
| 3 | 5 | |
| 4 | 4 | |
| 5 | 3 | |
| 6 | 2 | |
| 7 | 2 | |
| 8 | 2 | |
| 9 | 1 | 1,5 |
| P | - | 1 |
When the “safety switch off” function has been triggered, a 0 is displayed if the glass surface temperature is not dangerous for the user or an H if there is a burn risk.
To reconnect the appliance, switch it off by pressing the on/off key ①(1) and then switch it on again.
Keep the control panel of the heating areas clean and dry at all times.
In case of operating problems or incidents not mentioned in this manual, disconnect the appliance and contact the BRANDT technical service.
Recommendation for the good use of vitroceramic hobs
* Use pots or pans with thick, completely flat bottoms.
* Pans with a smaller diameter than the shown heating area are not recommended.
* Do not slide pots and pans over the glass as they may scratch it.
* Although the glass can withstand knocks from large pots and pans without sharp edges, try not to knock it.
* To prevent damage to the ceramic glass induction surface, try not to slide the pots and pans over the glass, and keep the bottoms of the vessels clean and in good condition.

Try not to spill sugar or cts containing sugar on the while the surface is hot as could damage it.
Cleaning and maintenance
To keep the appliance in good condition, clean it using suitable products and implements once it has cooled down. This will make the job easier and avoid the build-up of dirt. Never use harsh cleaning products or tools that could scratch the surface, or steam-operated equipment.

A pot or pan may become to the glass due to a product g melted between them. Do y to lift the pot while the hot is cold! This could cause the break.

Do not step on the glass or on it as it could break and the injury. Do not use the glass surface for putting objects.
BRANDT reserves the right to make changes to its manuals that it deems necessary or useful, without affecting the product's essential features.
Environmental considerations

The symbol ■ on the product or its packaging means that this product cannot be treated like ordinary household waste. This product must be taken to a recycling collection point for electrical and electronic appliances. By ensuring that this product is disposed of correctly, you will avoid harming the environment and public health, which could happen if this product is not handled properly. For more detailed information about recycling this product, please contact your local authority, household waste service or the store where you purchased the product.
The packaging materials used are environmentally-friendly and can be recycled completely. Plastic components are marked >PE<, LD<, >EPS<, etc. Dispose packaging materials, like household waste, in your local container.
If something does not work
Before calling the technical service, perform the verifications specified below.
The appliance does not work: Ensure that the power cable is plugged in.
The pot sticks to the glass: If there is molten material between the pot and the glass, set the hot plate to maximum power and try to separate them.
Single Sensor Error :
If any of the sensors is active more than 10 seconds, this error situation occurs and error code "F1" is showed. This error can be related with different roots. One of them is that there may be an object (fork, knife...) on the any of the sensor.
Make sure that there is no any object on the control unit, hob glass is wiped with a dry cloth. If error situation continue after this solution, please take out plug or switch off fuse switch for 10 second.
Plural Sensor Error:
If more than 2 sensors are sensed at same time, this error situation occurs and error code "F2" is displayed.
Potential root reasons of the problem :
- There may be an object (pot...) or water accumulation(overflow liquid from pot...) that cover more than 2 sensors.
- Touch control location may exposure more heat or steam (from oven bottom of the hob...).
Please be sure that there is no any object on the sensors and switched off all steam and heat sources. Then, whip the hob glass with a dry cloth. If the problem remains, please take the plug out or switch off fuse switch for 10 second.
FC Error:
Fc message on the control and the hot plates switch off: Overheating in the electronics. Let thestove cool for a while.
After-sales service
Any maintenance on your equipment should be undertaken by:
- either your dealer,
- or another qualified mechanic who is an authorized agent for the brand appliances.
When making an appointment, state the full reference of your equipment (model, type and serial number).
This information appears on the manufacturer's nameplate attached to your equipment.
Estimado cliente,
EasyManual