13130 LAT PULL - Fitness Equipment CYBEX INTERNATIONAL - Free user manual and instructions
Find the device manual for free 13130 LAT PULL CYBEX INTERNATIONAL in PDF.
User questions about 13130 LAT PULL CYBEX INTERNATIONAL
0 question about this device. Answer the ones you know or ask your own.
Ask a new question about this device
Download the instructions for your Fitness Equipment in PDF format for free! Find your manual 13130 LAT PULL - CYBEX INTERNATIONAL and take your electronic device back in hand. On this page are published all the documents necessary for the use of your device. 13130 LAT PULL by CYBEX INTERNATIONAL.
USER MANUAL 13130 LAT PULL CYBEX INTERNATIONAL
Owner's and Service Manual
Strength Systems
Part Number 13130-999-4 C
CYBEX
VR1® Lat Pull
Owner's and Service Manual
Strength Systems
Part Number 13130-999-4 C
Cybex® and the Cybex logo are registered trademarks of Cybex International, Inc.
VR1^® and its mark are registered trademarks of Cybex International, Inc.
DISCLAIMER: Cybex International, Inc., makes no representations or warranties regarding the contents of this manual. We reserve the right to revise this document at any time or to make changes to the product described within it without notice or obligation to notify any person of such revisions or changes.
Copyright 2010, Cybex International, Inc. All rights reserved.
Printed in the United States of America.
10 Trotter Drive Medway, MA 02053 · 508-533-4300 · FAX 508-533-5183
www.cybexinternational.com • techhelp@cybexintl.com • techpubs@cybexintl.com • 13130-999-4 C • March 2010
Table of Contents
1 Safety
Safety 1-1
Safety Guidelines and Practices. 1-2
Warning/Caution Decals 1-3
Regular Maintenance Activities. 1-6
Use Proper Form. 1-6
2 Exercises
Intended Use. 2-1
Instructions 2-2
3 Customer Service
Contacting Service 3-1
Ordering parts 3-1
Return Material Authorization (RMA). 3-2
Damaged Parts 3-2
4Assembly 4-1
5 Maintenance
Daily Procedures 5-1
Weekly Procedures 5-4
Yearly Procedures 5-5
Cable Adjustments 5-6
Environment. 5-7
Storage 5-7
6 Service 6-1
1 - Safety
Safety
Read the Owner's Manual carefully before assembling, servicing or using the equipment.
It is the responsibility of the facility owner and/or owner of the equipment to instruct users on proper operation of the equipment and review all labels.

WARNING: Serious injury could occur if these safety precautions are not observed:
User Safety Precautions
- Obtain a medical exam prior to beginning an exercise program.
- Read and understand warning labels and user manual prior to exercising. Obtain instruction prior to use.
- Keep body and clothing free from and clear of all moving parts.
- Inspect machine prior to use. DO NOT use if it appears damaged or inoperable.
DO NOT attempt to fix a broken or jammed machine. Notify floor staff. - Use the machine only for the intended use. DO NOT modify the machine.
- Be sure that the weight pin is completely inserted. Use only the pin provided by the manufacturer. If unsure seek assistance.
- Never pin the weights in an elevated position. DO NOT use the machine if found in this condition. See assistance from floor staff.
Children must not be allowed near these machines. Teenagers must be supervised. - DO NOT use if guards are missing or damaged.
DO NOT use dumbbells or other incremental weights, except those provided by the manufacturer. - Inspect all cables and belts and connections prior to use. DO NOT use if any components are worn, frayed or damaged.
- DO NOT remove any labeling from equipment. Replace any damaged labels.
- Stop exercising if you feel faint, dizzy or experience pain at any time while exercising and consult your physician.
Facility Safety Precautions
- Read the Owner's Manual carefully before assembling, servicing or using the equipment.
- Securely anchor each machine to the floor using the anchor holes provided in each machine.
NOTE: Cybex is not responsible for the actual anchoring of equipment. Consult with a professional contractor.
NOTE: Use fasteners having a minimum of 500 lbs. tensile capacity (3/8" grade 2 bolts or better).
NOTE: If legs/frame does not contact surface, DO NOT pull down with anchors. Shim any leg or frame not in contact with surface using flat washers.
- Make sure that each machine is set up and operated on a solid level surface. Do not install equipment on an uneven surface.
- Make sure that all users are properly trained on how to use the equipment.
Make sure there is enough room for safe access and operation of the equipment. - Perform regular maintenance checks on the equipment. Also pay close attention to all areas most susceptible to wear, including (but not limited to) cables, pulleys, belts and grips.
- Immediately replace worn or damaged components. If unable to immediately replace worn or damaged components then remove from service until the repair is made.
- Use only Cybex supplied components to maintain/repair the equipment.
- Keep a repair log of all maintenance activities.
- Inspect all cables and belts and connections prior to use. DO NOT use if any components are worn, frayed or damaged.
NOTE: It is the sole responsibility of the user/owner or facility operator to ensure that regular maintenance is performed.
Safety Guidelines And Practices
Cybex recommends that all fitness equipment be used in a supervised area. It is recommended that the equipment be located in an access controlled area. Control is the responsibility of the owner. The extent of control is at the discretion of the owner.
It is the responsibility of the purchaser/user of Cybex products to read and understand the owner's manual, and warning labels; as well as instruct all individuals, whether end users or supervising personnel, on proper usage of the equipment.
PROPER USAGE:
Use machine only as described in the manual. Failing to follow proper instructions may result in injury.
Do Not Lean Against or Pull On the framework, weight stack, or any component, whether machine is at rest or in use. Inappropriate or improper use may result in injury to users or third parties (bystanders).
Do not use machine if it is not located on a solid level surface or is improperly installed.
Provide an adequate safety perimeter between the machine, walls and other equipment to ensure that the facility has the proper clearance for usage and training.
SECURING EQUIPMENT:
The machine has holes in the feet, which allow for ease in anchoring to the floor. Cybex strongly recommends that, to eliminate rocking, tipping or falling over due to incorrect usage and misuse, equipment be secured to a solid, level surface.
- The solid, level surface should not deviate more than 18 over a 10' distance or as defined and required by local building and architectural codes.
-
Anchoring of equipment must be completed by a qualified licensed contractor.
-
Anchoring holes are provided on the feet of the frame. All anchoring locations must be used when anchoring the equipment to the floor.
- Due to the wide variation of flooring on which machines may be anchored or installed, verify anchoring method and anchoring fasteners with a qualified and licensed contractor.
- A minimum pull out force of 220 lbs/100 kgs is required for each anchor position..
- Do not use machine until it is properly anchored.
MAINTENANCE:
Preventative maintenance allows proper equipment operation and reduces the risk of injury. Perform the maintenance requirements as specified in the manual.
STANDARD COMPLIANCE:
Cybex products meet or exceed applicable ASTM and EN Standards.

Warning/Caution Decals
Warning decals indicate a potentially hazardous situation, which, if not avoided, could result in death or serious injury.
Caution decals indicate a potentially hazardous situation, which, if not avoided, could result in minor or moderate injury.
The warning and caution decals are shown on the following page. The diagrams following the decals show where each decal is located.

WARNING
SERIOUS INJURY
COULD OCCUR IF
THESE PRECAUTIONS
ARE NOT OBSERVED
- Obtain a medical exam prior to beginning an exercise program.
- Read and understand warning labels and user manual prior to exercising.
Obtain instruction prior to use.

- Keep body and clothing free from and clear of all moving parts.
- Inspect machine prior to use. DO NOT use if it appears damaged or inoperable.
- DO NOT attempt to fix a broken or jammed machine. Notify floor staff.
- Use the machine only for the intended use. DO NOT modify the machine.
- Be sure that the weight pin is completely inserted. Use only the pin provided by the manufacturer. If unsure seek assistance.
- Never pin the weights in an elevated position. DO NOT use the machine if found in this condition. Seek assistance from floor staff.
- Children must not be allowed near this machine. Teenagers must be supervised.
- DO NOT use if guards are missing or damaged.
- DO NOT use dumbbells or other incremental weights, except those provided by the manufacturer.
- Inspect all cables and belts and connections prior to use. DO NOT use if any components are worn, frayed, or damaged.
- DO NOT REMOVE THIS LABEL. REPLACE IF DAMAGED.
4605-381-4A
B
WARNING
Arm will drop when knob is pulled.
Support arm while adjusting arm position.
Be sure detent pin is fully engaged before use. Return arm to storage position when not in use.
Failure to do so could result in personal injury.
8500-311-4 A

Description
Part No.
A. Warning Label............4605-381-4
B. Warning Decal............8500-311-4
Regular Maintenance Activities
Preventative maintenance activities must be performed to maintain normal operation of your equipment. Keeping a log sheet of all maintenance actions will assist you in staying current with all preventative maintenance activities. The preventative maintenance actions are described in detail in Chapter 5. Briefly, they include:
Daily
- Clean upholstery.
Weekly
- Inspect all nuts and bolts for looseness. Tighten as required.
- Inspect all cables and belts for damage or wear (see Chapter 5). If a cable or belt is worn or damaged, immediately discontinue use until cable or belt has been replaced.
- Check for worn handles, worn snap links, and worn warning labeling. Replace all worn parts immediately.
- Inspect for loose or worn grips. Replace all worn grips immediately.
- Inspect weight stacks for proper alignment and operation. Correct all improper alignment and operation issues immediately.
- Lubricate guide rods using automotive engine oil only.
Yearly
- Replace all cables and belts at least annually.
Using Proper Form
Before working out, read and understand the exercises located on the placard and in Chapter 2.
2 - Exercise
Intended Use
The intended use of this equipment is to aid or improve general physical fitness and exercise. For Commercial use.
Instructions
Read and understand all instructions and warnings prior to using this machine. See Chapter 1, Safety, in the Owner's Manual or consult with floor staff.

MUSCLES USED
Latissmus Dorsi, Teres Major, Lower Trapezius, Rhomboid, Biceps

START
FINISH

NOTE: Motion Developed: Shoulder Adduction,Elbow Flexion
NOTE: All adjustment points on the machine have yellow handles or knobs.
NOTE: See next page for "Set Up" and "Movement."
Set Up
- Adjust thigh pad for stabilization during exercise.
- Grasp bar and sit with thighs under pad.
Movement
- Pull bar down until elbows are by sides and hands are approximately level with shoulders.
3 - Customer Service
Contacting Service
Hours of phone service are Monday through Friday from 8:30 to 6:00 p.m. Eastern Standard Time.
For Cybex customers living in the USA, contact Cybex Customer Service at 888-462-9239.
For Cybex customers living outside the USA, contact Cybex Customer Service at 508-533-4300 or fax 508-533-5183.
Find information on the web at www.cybexintl.com or by e-mail at techhelp@cybexintl.com.
Ordering Parts
Fax orders to 508-533-5183. To speak with a customer service representative, call 888-462-9239 (for customers living within the USA) or 508-533-4300 (for customers outside the USA). You may also contact us through e-mail at techhelp@cybexintl.com
Having the following information ready when calling will assist our Cybex representatives in serving you.
- Unit Serial Number
Product Name
The unit serial number and product name can be found on the serial number decal. See Chapter 6 for exact location of serial number decal.
Part Description
Part Number
Part descriptions and part numbers are located in Chapter 6 of this manual.
Shipping Address
- Contact Name
In addition to your shipping address and contact name, your account number is helpful but not required.
Return Material Authorization (RMA)
The Return Material Authorization (RMA) system outlines the procedures to follow when returning material for placement, repair or credit. The system assures that returned materials are properly handled and analyzed. Follow the following procedures carefully.
Contact your authorized Cybex dealer on all warranty-related matters. Your local Cybex dealer will request a RMA from Cybex, if applicable. Under no circumstances will defective parts or equipment be accepted by Cybex without proper RMA and an Automated Return Service (ARS) label.
- Call the Customer Service Hot Line listed above for the return of any item that is defective.
- Provide the technician with a detailed description of the problem you are having or the defect in the item you wish to return.
- Provide the model and serial number of your Cybex equipment.
- At Cybex's discretion, the technician may request that you return the problem part(s) to Cybex for evaluation and repair or replacement. The technician will assign you a RMA number and will send you an ARS label. The ARS label and the RMA numbers must be clearly displayed on the outside of the package that contains the item(s) to be returned. Include the description of the problem, the serial number of the VR1 equipment and the name and address of the owner in the package along with the part(s).
- Forward the package through UPS to Cybex.
Attn: Customer Service Department
Cybex International, Inc.
1975 24th Ave SW
Owatonna, MN 55060
NOTE: Merchandise returned without an RMA number on the outside of the package or shipments sent COD will not be accepted by the Cybex receiving department.
Damaged Parts
Materials damaged in shipment should not be returned for credit. Shipping damages are the responsibility of the carrier (UPS, Federal Express, trucking companies, etc.)
Apparent Damage - Upon receipt of your shipment, check all items carefully. Any damage seen with a visual check must be noted on the freight bill and signed by the carrier's agent. Failure to do so will result in the carriers refusal to honor your damage claim. The carrier will provide you with the required forms for filing such claims.
Concealed Damage - Damage not seen with a visual check upon receipt of a shipment but notices later must be reported to the carrier as soon as possible. Upon discovery of the damage, a written or phone request to the carrier asking them to perform an inspection of the materials must be made within ten days of the delivery date. Keep all shipping containers and packing materials as they will be needed in the inspection process. The carrier will provide you with an inspection report and the necessary forms for filing a concealed damage claim. Concealed damage claim is the carrier's responsibility.
4 - Assembly
Tools Required
7/32" Allen wrench
3/4” Socket or wrench
- Hammer
3/16" Pin punch
NOTE: Two people will be required to perform this procedure.
NOTE: It is the responsibility of the facility owner/owner of the equipment to ensure that there is appropriate clearance around each machine to allow for safe use and passage.
NOTE: Refer to Chapter 6 for reference diagrams.
- Read and understand all instructions thoroughly before assembling this product.
- Verify you have received the appropriate configuration.
A. Verify that you received the correct color machine that you ordered.
B. Verify you received the proper weight stack and weight stack decals.
C. Verify you received the appropriate owner's manual.
D. Verify you received the warranty sheet.
- Move to desired location.
NOTE: If weight stacks need to be removed before moving to desired location proceed to step 7.
NOTE: If weight stacks need to be installed proceed to step 8.
4. Remove shipping feet.

WARNING: Use extreme caution when removing shipping cones and installing feet. Failure to do so could result in injury.
A. With an assistant, carefully remove each (standard) cone-shaped shipping support using a 3/4 ” socket or wrench.
B. Carefully place rubber feet (supplied with machine) on each foot of the frame.
NOTE: It is important that you perform regular inspection and maintenance activities on your equipment. See the CYBEX VR1 Owner's Manual for inspection and maintenance activities. If you do not have a CYBEX Owner's Manual or if you have any questions or concerns, Call Cybex Customer Relations at 888-462-9239.
5. Securely anchor machine to the floor.
A. Securely anchor machine to the floor using the anchor holes provided in each machine.
NOTE: Cybex is not responsible for the actual anchoring of equipment. Consult with a professional contractor.
NOTE: Use fasteners having a minimum of 500 lbs tensil capacity (3/8" grade 2 bolts or better).
NOTE: If legs/frame does not contact surface, DO NOT pull down with anchors. Shim any leg or frame not in contact with surface using flat washers.
6. Verify proper operation.
7. Removing weight plates.
A. Using a 7/32" Allen wrench, remove the two Button Head Socket Cap Screws (BHSCS) securing the top cap to the frame. See Figure 1.

Figure 1
B. Remove top cap and BHSCS and set aside.
C. Carefully lift shroud up and out of machine.
D. Slide spring loaded guide rod cap down guide rod until cap is clear of frame. NOTE: Guide rod cap is spring loaded.
E. Slowly release grasp of guide rod cap. See Figure 2. NOTE: Guide rod cap contains a compression spring that will fly if grasp is not released slowly.

Figure 2
F. Remove guide rod cap and spring and set aside.
G. Repeat steps 7D - 7F for other guide rod.
H. Using a 3/16" pin punch and hammer, carefully remove roll pin securing cable end to top weight connector. See Figure 3.
I. Carefully lean guide rods slightly outward. NOTE: Excessive pressure on guide rods may damage lower guide rod caps.

Figure 3
J. Slide top weight up and out of machine and carefully set aside.
K. Have an assistant hold guide rods vertical.
L. Carefully remove each weight plate and set aside.
M. Wipe guide rods clean over entire length. Lubricate with light coating of medium weight automotive engine oil.
8. Installing weight plates.
A. Have an assistant hold guide rods vertical.
B. Carefully align weight plates (removed in step 7M) over guide rods and slowly lower each weight plate. NOTE: Install weight plates in reverse order as removed in step 7M. NOTE: When installing weight plates, position plates so wide edges of bushings face upward and narrow edges of bushings face downward. See Figures 4A and 4B.

Figure 4A

Figure 4B
Cybex VR1 13130 Lat Pull Owner's Manual
C. Repeat steps 8A and 8B for each weight plate.
D. Carefully slide top weight (removed in step 7J) over guide rods.
9. Cable routing.
A. Verify cable is routed through top of pulley bracket and then route cable end to top weight connector.
B. Pull cable tight and secure in place with roll pin removed in step 7H.
C. Place weight stack pin in each plate to verify proper installation.
D. Without selecting any resistance, lift top weight up and down (simulating normal operation).
E. Have an assistant verify that the cable is moving smoothly and is routed straight from the pulley bracket to the top of the weight plate connector.
10. Install back shroud.
A. Carefully place shroud into position.
B. Secure top cap in place with the two BHSCS removed in step 7A.
11. Complete Steps 4 and 5.
5 - Maintenance
All preventive maintenance activities must be performed on a regular basis. Performing routine preventive maintenance actions can aid in providing safe, trouble-free operation of all Cybex Strength Systems equipment.
NOTE: Cybex is not responsible for performing regular inspection and maintenance actions for your machines. Instruct all personnel in equipment inspection and maintenance actions and also in accident reporting/recording. Cybex phone representatives are available to answer any questions or concerns that you may have.

NOTE: All inspections and repairs must be performed by trained service personnel only.
Cybex will void warranty if non-Cybex replacement parts are used.
Daily Procedures
- Upholstery - Wipe down all upholstery as per the recommendations listed below for light soiling and more difficult stains.
Light Soiling
- A solution of 10% household liquid soap with warm water applied with a soft damp cloth.
- If necessary, a solution of liquid cleanser and water applied with a soft bristle brush. Wipe away the residue with a water dampened cloth.
More Difficult Stains
- dampen a soft white cloth with a solution of 10% household bleach (sodium hypochlorite), 90% water. Rub gently. Rinse with a water dampened cloth to remove bleach concentration.
The same procedure can be used with full strength household bleach, if necessary. - Allow bleach to puddle on the affected area or apply with a soaked cloth for approximately 30 minutes. Rinse with a water dampened cloth to remove any remaining bleach concentration.
Alternative Method for Difficult Stains
-ampen a soft white cloth with rubbing alcohol and rub gently. Rinse with a water dampened cloth to remove any remaining rubbing alcohol concentration.
NOTE: To restore luster, a light coat of spray furniture wax can be used. Apply for 30 seconds and follow with a light buffing using a clean white cloth.
Please Review Carefully
When using strong cleaning agents such as rubbing alcohol or bleach, it is advisable to first test in an inconspicuous area. Other cleaning agents may contain harsh or unknown solvents and are subject to formula changes by the product manufacturer without notice. Should you desire to use other cleaning agents, carefully try them in an inconspicuous area to determine potential damage to the material. Never use harsh solvents or cleaners which are intended for industrial applications. To clean stained or soiled areas, a soft white cloth is recommended. Avoid use of paper towels.
Cleaning products may be harmful/irritating to your skin, eyes, etc. Use protective gloves and eye protection. Do not inhale or swallow any cleaning product. Protect surrounding area/clothing from exposure. Use in well ventilated area. Follow all product manufacturer's warnings. CYBEX and its vendors cannot be held responsible for damage or injuries resulting from the use or misuse of cleaning products.
- Frames - Wipe down all frames using a mild solution of warm water and car wash soap. Be sure to dry thoroughly. AVOID acid or chlorine based cleaners and also cleaners containing abrasives as these could scratch or damage the equipment.
- Chrome - Clean chrome tubes, first using chrome polish and then using a car wax seal. Neutral cleaners with a pH between 5.5 and 8.5 are recommended. Be sure to dry thoroughly. AVOID acid or chlorine based cleaners and also cleaners containing abrasives as these could scratch or damage the equipment.
4. Guidelines for cleaning front panel:
- Use clean soft cloths or sponges for application of cleaners and again for washing and rinsing.
- Follow up the application with warm water rinse.
- Don't use abrasives or high alkaline cleaners.
- Don't leave cleaners on for long periods, wash immediately.
- Don't apply cleaners in direct sunlight or at elevated temperatures.
- Don't use scrapers, squeegees or razors.
- Don't clean with gasoline.
Compatible Cleaners and Detergents:
Formula 409
Top Job
Joy
Palmolive
- Windex with Ammonia D
To Minimize Fine or Hairline Scratches:
Mild automotive polish applied and removed with a soft, clean cloth will help fill scratches.
Suggested Polishes:
- Johnson Paste Wax
- Mirror Glaze #10 Plastic Polish (by Mirror Bright Polish Co.)
- Novus Plastics Polish #1, #2 (By Novus Inc.)
Weekly Procedures
- Check all nuts and bolts for looseness. Tighten as required.
- Inspect all cables for wear or damage and proper tension. When inspecting cables, run fingers on the cable, paying particular attention to bends in cable and attachment points.

WARNING: Replace all worn cables immediately. The following conditions may indicate a worn cable:
A tear or crack in the cable sheath that exposes the cable. See Figure 1.

Figure 1.
A kink in the cable. See Figure 2.

Figure 2.
A curled sheath. See Figure 3.

Figure 3.
- "Necking", a stretched cable sheath. See Figure 4.

Figure 4.
- Inspect bars and handles for wear, paying particular attention to tab area connection points.
Replace all worn handles immediately.

CAUTION: Replace all worn handles immediately. Do not use if less than 1/8" of material remains to the edge. See Figure 5.

Figure 5
- Inspect snap links for proper latching (indicates wear)
Replace all worn snap links immediately.
- Inspect for loose or worn grips.
Replace all loose or worn grips immediately.
- Inspect all labeling for readability. This includes instructional placards, warning and caution decals.
Replace all worn labeling immediately.
- Inspect all weight stacks for proper alignment and operation.
Correct all improper alignment and operation issues immediately.
- Wipe Weight Stack Guide Rods clean over entire length. Lubricate with a light coat of medium weight automotive engine oil.
Yearly Procedures
- Replace all cables at least annually.
Cable Adjustment
Three types of cable tension adjustment are used on Cybex Strength Systems:
- Jam Nut Adjustment - This type uses a jam nut and a tension adjustment nut at the cable cam end as the primary adjustment. The other end of the cable usually contains a roll pin adjustment. See Figures 6 and 7.
- Rod End Adjustment - This type of adjustment contains a socket head cap screw (SHCS) securing a cable rod end bearing to the machine. Primary adjustment is by turning the rod end bearing. The other end of the cable usually contains a roll pin cable adjustment. See Figures 7 and 8.
- Roll Pin Adjustment - This type of adjustment utilizes a roll pin and series of holes in the weight stack top weight connector. See Figure 8.

Figure 6

Figure 7

Figure 8
Environment
Static Electricity - Depending upon where you live, you may experience dry air, causing a common experience of static electricity. This may be especially true in the winter time. You may notice a static build-up just by walking across a carpet and then touching a metal object. The same can hold true while working out on your unit. You may experience a shock due to the build-up of static electricity on your body and the discharge path of the unit. If you experience this type of situation, you may want to increase the humidity to a comfortable level through the use of a humidifier.
Humidity - The unit is designed to function normally in an environment with a relative humidity range of 30% to 75% .
NOTE: Do not install or use the unit in an area of high humidity, such as in the vicinity of a steam room, sauna, indoor pool or outdoors. Exposure to extensive water vapor, chlorine and/or bromine could adversely affect the electronics as well as other parts of the machine.
Temperature - The unit is designed to function normally in an environment with an ambient temperature range of 50^ ( 10^ ) to 104^(40^) degrees.
Storage
Humidity - The unit can be shipped and stored in an environment with a relative humidity range of 10% to 90% .
NOTE: Do not store the unit in an area of high humidity, such as in the vicinity of a steam room, sauna, indoor pool or outdoors. Exposure to extensive water vapor, chlorine and/or bromine could adversely affect the electronics as well as other parts of the machine.
Temperature - The unit can be shipped and stored in an environment with an ambient temperature range of 32^ F (0^) and 140F(60^) degrees.
This page intentionally left blank.
6 - Service
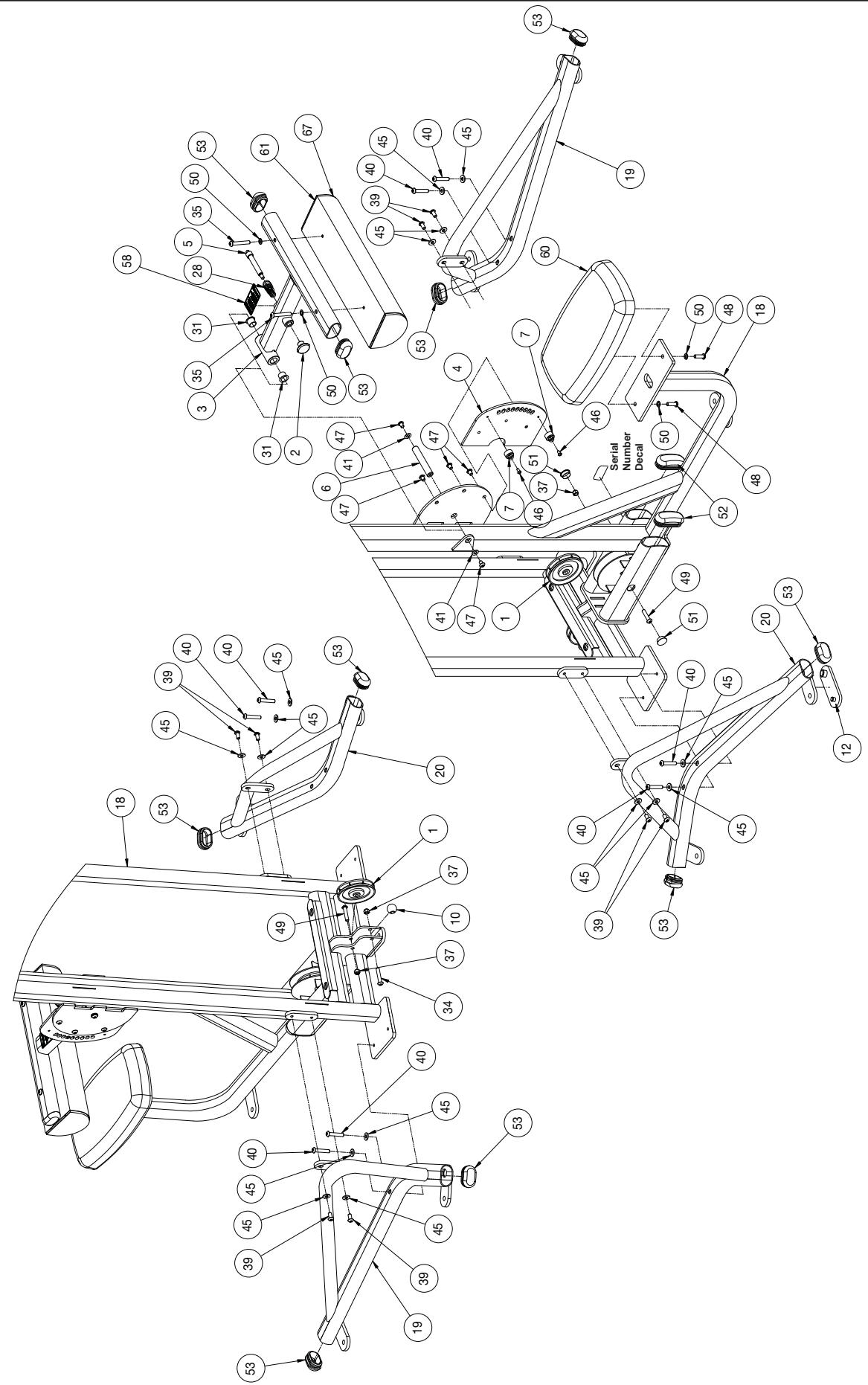
Please refer to the next several pages for parts lists, exploded-view diagrams and cable and belt routing diagrams.
CAUTION
Use only Cybex replacement parts when servicing.
Failure to do so could result in personal injury.
NOTE: All inspections and repairs must be performed by trained service personnel only.
Cybex will void warranty if non-Cybex replacement parts are used.
This page intentionally left blank.
Lat Pull
PRODUCT NO. 13130

NOTE: See exploded-view diagram for location of K (serial number decal)
DESCRIPTION
PART NO.
DESCRIPTION
PART NO.
A. Placard Decal 13130-598
B. Warning Decal 4605-381
C. Warning Decal. 8500-311
D. Cable 13130-002
E. Seat Pad 4800-188
F. Weight Selector Pin........... BH030207
G. Water Bottle Holder. 13000-400
H. VR1 Decal 13000-399
I. Thigh Pad W/wear cover.... 4800-196
J. Wear Cover 4800-196
K. Serial Number Decal
L. Grip.. PR400201
| ITEM | QTY | PART NO. | DESCRIPTION |
| 40 | 4 | HS-60536 | BOLT, BHSC .375-16 x 2.00 BLK ZINC |
| 41 | 2 | HS347600 | WASHER, SAE .375 |
| 42 | 2 | HS720004 | WASH, FELT .641 1.250 .125T |
| 43 | 2 | HT512517 | TAP SC 10-24 X 1.00 TYPE WB PN HD PHIL BLK |
| 44 | 1 | HT552515 | TAP SC NO. 8-16 X .75 PLASTITE PN HD PHIL BLK |
| 45 | 8 | HW-60085 | WASHER, USS .312 BLK ZINC |
| 46 | 2 | JC620412 | BHSCS .250-20 X .50 |
| 47 | 5 | JC700412 | BHSCS .375-16 X .50 |
| 48 | 2 | JC700420 | BHSCS .375-16 X 1.25 |
| 49 | 5 | JC700424 | BHSCS .375-16 X 1.75 |
| 50 | 4 | JS347400 | LOCKWASHER, INT TOOTH .375 |
| 51 | 2 | PN660200 | INSERT, PLASTIC 1.00 DIA-11 GA |
| 52 | 3 | PP130002 | INSERT, DOMED PLASTIC |
| 53 | 6 | PP130003 | INSERT, DOMED PLASTIC |
| 54 | 2 | PR060005 | BUMPER, WEIGHT |
| 55 | 4 | PR070004 | FOOT PAD, 3.00 x 5.00 |
| 56 | 2 | PR400201 | GRIP 14.0 LG .X .940 ID .188W |
| 57 | 1 | 4605-381-X* | WARNING DECAL |
| 58 | 1 | 8500-311-X* | WARNING DECAL |
| 59 | 1 | 13130-598-X* | PLACARD DECAL |
| 60 | 1 | 4800-188 | SEAT PAD |
| 61 | 1 | 4800-196 | THIGH PAD W/WEAR COVER |
| 62 | 1 | 13000-399 | VR1 DECAL |
| 63 | 1 | 13000-101 | WEIGHT OPTION 5 LB |
| 63 | 1 | 13000-102 | WEIGHT OPTION 7.5 LB |
| 64 | 1 | 13040-100 | EDGE TRIM |
| 65 | 10 | HT552511 | TAP SCREW 16 X .38 BLACK |
| 66 | 1 | 13000-208 | LATCH |
| 67 | 1 | 4800-199 | WEAR COVER |
| 68 | 1 | 13040-322 | FRONT PANEL |
| 69 | 1 | 13040-324 | BACK PANEL |
| 70 | 1 | 13130-999-X* | OWNER'S MANUAL (NOT SHOWN) |
| 71 | 14 | 13000-032 | WEIGHT PLATE PACK (LIGHT) |
| 72 | 14 | 13000-036 | WEIGHT PLATE PACK (STANDARD) |
| 73 | 1 | 4700-337 | WEIGHT PLATE (LIGHT) |
| 74 | 1 | 4700-338 | WEIGHT PLATE (STANDARD) |
| 75 | 1 | 4800-557 | DECAL, WEIGHT PLATE 10-150 |
| 76 | 1 | 13000-552 | DECAL, WEIGHT PLATE 10-220 |
| 77 | 1 | 13000-398 | DECAL, CYBEX |
| 78 | 1 | 11040-790 | DECAL, MADE IN U.S.A. |
| ITEM | QTY | PART NO. | DESCRIPTION |
| 1 | 5 | 08014 | PULLEY ASSEMBLY, 4.50 IN. |
| 2 | 1 | 11040-440 | KNOB |
| 3 | 1 | 12020-202 | CUSHION PIVOT |
| 4 | 1 | 12020-313 | DETENT PLATE |
| 5 | 1 | 12020-336 | DETENT PIN |
| 6 | 1 | 12060-347 | PIVOT PIN |
| 7 | 2 | 12100-303 | BUMPER |
| 8 | 2 | 12210-347 | GUIDE ROD CAP |
| 9 | 2 | 12210-348 | GUIDE ROD CAP |
| 10 | 2 | 13000-322 | ROLLER |
| 11 | 1 | 13000-342 | MOLDED TOP CAP |
| 12 | 7 | 13000-353 | FOOT PAD |
| 13 | 2 | 13000-364 | BEARING, FLANGE .62 ID. x .92 OD. x 1.75 LG |
| 14 | 1 | 13000-400 | HOLDER, WATER BOTTLE |
| 15 | 1 | 13000-403 | MOUNT, WATER BOTTLE HOLDER |
| 16 | 2 | 13040-336 | WT ROD .625 DIA X 66.43 |
| 17 | 1 | 13130-002 | CABLE ASSEMBLY |
| 18 | 1 | 13130-200 | MAIN FRAME |
| 19 | 1 | 13130-201 | LEG RH |
| 20 | 1 | 13130-202 | LEG LH |
| 21 | 1 | 3900-438 | DECAL, CYBEX |
| 22 | 1 | 4005-200 | COATED PULLDOWN BAR |
| 23 | 1 | 4700C070 | TOP WEIGHT, 15, 3 x 12 |
| 24 | 1 | 51198 | WARRANTY BOOKLET (NOT SHOWN) |
| 25 | 1 | BH030207 | PIN, WEIGHT SELECTOR |
| 26 | 2 | BR030206 | RING, RETAINING |
| 27 | 2 | BR030220 | RETAINING RING 1.250 INTERNAL |
| 28 | 1 | BS070201 | COM SPRING .56 x .66 1.50 LG |
| 29 | 2 | BS070208 | COMPRESSION SPRING |
| 30 | PATENT PEN (REMOVED 7/6/09) | ||
| 31 | 2 | FB130212 | BUSHING, FLANGE .75 ID x .875 OD x .75 LG |
| 32 | 1 | GQ000206 | SNAP LINK |
| 33 | 2 | HC700417 | BHSCS .375-16 X 1.00 |
| 34 | 2 | HC700426 | BHSCS .375-16 X 2.00 |
| 35 | 2 | HC700430 | BHSCS .375-16 X 2.50 |
| 36 | 2 | HF700000 | PANEL FASTNER, .375-16 , U TYPE |
| 37 | 7 | HN704901 | LOCKNUT, .375-16 NYLON |
| 38 | 1 | HP286819 | SPIRAL PIN .188 X 1.12 |
| 39 | 4 | HS-60531 | BOLT, BHSC .375-16 x .75 BLK ZINC |
| *Language Key |
| 1- German |
| 2- French |
| 3- Spanish |
| 4- English |
| 6- Japanese |
| 7- Swedish |
| 8- Russian |

LAT PULL MAIN ASSEMBLY DETAIL
LAT PULL PANEL AND WEIGHT PACK DETAIL

LAT PULL CABLE ROUTING DETAIL


EasyManual