ALE 600 - Luftentfeuchter ATIKA - Kostenlose Bedienungsanleitung
Finden Sie kostenlos die Bedienungsanleitung des Geräts ALE 600 ATIKA als PDF.
Benutzerfragen zu ALE 600 ATIKA
0 Frage zu diesem Gerät. Beantworten Sie die, die Sie kennen, oder stellen Sie Ihre eigene.
Eine neue Frage zu diesem Gerät stellen
Laden Sie die Anleitung für Ihr Luftentfeuchter kostenlos im PDF-Format! Finden Sie Ihr Handbuch ALE 600 - ATIKA und nehmen Sie Ihr elektronisches Gerät wieder in die Hand. Auf dieser Seite sind alle Dokumente veröffentlicht, die für die Verwendung Ihres Geräts notwendig sind. ALE 600 von der Marke ATIKA.
BEDIENUNGSANLEITUNG ALE 600 ATIKA
Originalbetriebsanleitung - Sicherheitshinweise - Ersatsteile
Air dehumidifier
Sie)durfen das Gerät nicht in Betrieb behmen, bevor Sie diese Betriebsanleitung gelesen, alle angegebenen Hinweise beachtet und das Gerät wie beschrieben montiert haben.
Betriebsanleitung für künftige Verwendungen aufbewahren.

Elektrische Geräte gehören nicht in den Hausmüll. Geräte, Zubehör und Verpackung einer umweltfreundlichen Wiederverwertung zuführen.
Gemäß der Europäischen Richtlinie 2002/96/EG über Elektround Elektronik-Altgeräte müssen nicht mehr gebrauchsfähige Elektrogeräte getrennt gesammelt und einer umweltgerechten Wiederverwertung zugeführrt werden.
Inhalt
EG-Konformitätserklung 1
Lieferumfang 1
Symbole Gerät 1
Symbole Betriebsanleitung 2
Bestimmungsgemäß Verwendung 2
2
Sicherheitschinweise 2
Elektrische Sicherheitschinweise 3
Funktionsbetrieb 3
Aufstellen des Luftentfeuchters 3
Aufstellen 3
- Netzanschluss 3
- Netzabsicherung 3
Inbetriebnahme 4
Vor Inbetriebnahme 4
Bedienfeld 4
Einschalten 4
Ausschalten 4
- Luftfeuchtigkeitswert einstehen 5
Abtau automatik 5
Betriebsstundenzahler 5
Wasserauslauf 5
Entfern des Wasserauffangbehalters 5
Dauerbetrieb oder langere Betriebszeit 6
Transport 6
Reinigung und Wartung 6
Reinigung Luftfilter 6
Entferen des Filters 6
- Einsetzen des Filters 7
Reinigung Gerät 7
Wartung 7
Lagerung 7
Mögliche Störungen 7
Störungsanzeige 8
Technische Daten 8
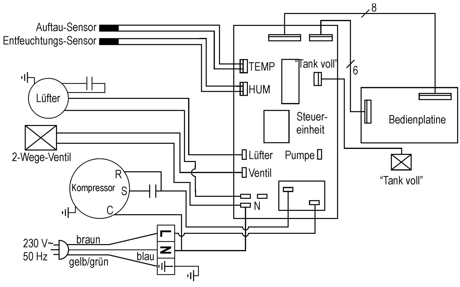
Schaltplan 9
Kältekreislauf 9
Ersatzteile 10
Garantie 10
EG-Konformitätserklärung
entspruchend der Richtlinie 2006/95/EG
Hiermit erklaren wir
ATIKA GmbH & Co. KG
Schinkelstraße 97 - 59227 Ahlen - Germany
in alleiniger Verantwortung, dass das Produkt
Luftentfeuchter Typ HT 600 und HT 800
(Modell ALE 600 und ALE 800)
Seriennummer: siehe letzte Seite
konform ist mit den Bestimmungen der o. a. EG-Richtlinien, sowie mit den Bestimmungen folgender weiterer Richtlinien: 2004/108/EG
Folgende harmonisierte Normen wurden angewandt:
EN 55014-1:2006; EN 55014-2:1997+A1:2001;
EN 61000-3-2:2006; EN 61000-3-3:2008;
EN 60335-1:2002 + A11:2004 + A1:2004 + A12:2006 +
A2:2006 + A13:2008
EN 60335-2-40:2003+A11:2004+A12:2005+A1:2006
Aufbewährung der technischen Unterlagen:
ATIKA GmbH & Co. KG - Technisches Buro - Schinkelstr. 97 59227 Ahlen - Germany

Ahlen, 16.04.2010
A. Pollmeier, Geschäftsführung
Lieferumfang
Überprüfen Sie nach dem Auspacken den Inhalt des Kartons auf
Vollständigkeit
evtl. Transportschäden
Teilen Sie Beanstandungen umgehend dem Handler, oder Hersteller mit. Spätere Reklamationen werden nicht anerkannt.
1 vormontierte Geräteinheit
1 Betriebsanleitung
Symbole Gerät

Vor Inbetriebnahme die Betriebsanleitung und Sicherheitshinweise lesen und beachten.

Vor Reparatur-, Wartungs- und Reinigungsrarbeiten Luftentfeuchter abstellen und Netzsteckerziehen.

Luftentfeuchter nicht kippen oder liegend transportieren.
Symbole Betriebsanleitung

Drohende Gefahr oder gefährliche Situation. Das Nichtbeachten dieser Hinweise kann Verletzungen zur Folge haben oder zu Sachbeschädigung führen.

Wichtige Hinweise zum sachgerechten Umgang. Das Nichtbeachten dieser Hinweise kann zu Störungen führen.

Benutzerhinweise. Diese Hinweise herself ihren, das Gerät optimal zu nutzen.

Montage, Bedienung und Wartung. Hier wird Ihnengenau erklart, was Sie tun,müssen.
Bestimmungsgemäß Verwendung
Der Luftentfeuchter ist nur für die Nutzung im Haus geeignet, zum Trocknen feuchter Wände, nach Wasserschäden oder zum Reduzieren der Luftfeuchtigkeit in geschlossenen Räumen.
Zur bestimmungsgemäßen Verwendung besteht auch die Einhaltung der vom Hersteller vorgeschreibenben Betriebs-, Wartungs- und Instandsetzungsbedingungen und die Befolgung der in der Anleitung enthaltenen Sicherheitshinweise.
Die für den Betrieb geltenden einschlagigen Unfallverhütungsvorschriften, sowie die sonstigen allgemein anerkannten arbeitsmedizinischen und Sicherheitstechnischen Regel sind einzuhalten.
Jeder weiter darüber hinausgehende Gebrauch gilt als nicht bestimmungsgemäß. Für hieraus resultierende Schäden jeder Art haftet der Hersteller nicht: das Risikoträgt allein der Benutzer.
Eigenmächtige Veränderungen am Luftentfeuchter schreiben eine Haftung des Herstellers für darauf entstehende Schäden jeder Art aus.
Restrisiken

Auch bei bestimmungsgemäßer Verwendung konnen Einhaltung aller einschlädigen Sicherheitsbestimmungen aufgrund der durch den Verwendungszweck bemten Konstruktion noch Restrisiken bestehen.
Restrisiken können minimiert werden, wenn die „Sicherheitschinweise" und die „Bestimmungsgemäße Verwendung", sowie die Betriebsanleitung insgesamt beachtet werden.
Rücksichtnahme und Vorsicht verringern das Risiko von Personenverletzungen und Beschädigungen.
- Gefährung durch Strom, bei Verwendung nicht ordnungsgemäßer Elektro-Anschlussleitungen.
- Berührung spannungsfuhrender Teile bei geöffneten elektrischen Bauteilen
Des weiteren können troz aller getroffener Vorkehrungen nicht offensichtliche Restrisiken bestehen.
Sicherheitshinweise
Lesen und beachten Sie vor Inbetriebnahme theses Erzeugnisses die folgenden Hinweise und die Unfallverhütungsvorschriften ihrer Berufsgenosellschaft bzw. die im jeweiligen Land gültigen Sicherheitsbestimmungen, um sich selbst und andere vor möglichen Verletzungen zu schätzen.
Geben Sie die Sicherheitshinweise an alle Personen weiter, die mit dem Gerät arbeiten.
Bewahren Sie diese Sicherheitschinweise gut auf.
- Machen Sie sich vor Gebrauch mit Hilfe der Betriebsanleitung mit dem Gerät vertraut.
- Benutzen Sie das Gerät nur zu dem Verwendungszweck, zu welchem es entwickelt wurde (siehe Bestimmungsgemebe Verwendung).
- Nehmen Sie das Gerät nur bei der angegebenen Netzspannung in Betrieb.
- Der Bedienende ist im Arbeitsbereich des Gerätes gegenüber Dritten verantwortlich.
- Kinder und Jugendliche unter 16 Jahren dürfen das Gerä nicht bedieten. Sie sind sich der Gefahren nicht bewusst, die mit der Benutzung dieser Gerä verbunden sind.
- Halten Sie Kinder vom Gerät fern.
- Betreiben Sie das Gerät nur mit kompletten und korrekt angebrachten Schutzeinrichtungen undändern Sie an dem Gerät nichts, was die Sicherheit beeinträchtigen kann.
- Schalten Sie das Gerät nicht bei Betriebsstörungen ein oder wenn das Gerät hingefallen ist und infolgedessen das Kabel oder der Stecker beschädigt wurden oder falls sich ein andere Teil als beschädigt erweist.
- Reparaturen an elektrischen Geräten)dürfen nur von qualifizierten Personen durchgeführt werden. Der Benutzer des Gerätes kann infolge unsachgemäßer Reparaturen schweere gesundheitliche Schädigungen erleiden.
- Schalten Sie das Gerät aus undziehen Sie den Netzstecker, wenn Sie es nicht benutzen oder wenn Sie das Gerät transportieren oder bevor Sie es reinigen.
- Schalten Sie bei Störungen am Gerät das Gerät aus,ziehen Sie den Netzstecker und verständigen Sie den Kundendienst.
- Tauchen Sie das Gerät nie in Wasser oder in eine andere Flüssigkeit.
- Legen Sie keine Gegenstände auf das Gerät.
- Halten Sie Fremdkörper von der Luftintritts- und Austritts-öffnung fern.
- Entleeren Sie vor dem Transport den Wasserbehälter, um Verschüttungen zu vermeiden.
- Kippen Sie das Gerät nicht, da das auslaufende Wasser sonst Schäden an dem Luftentfeuchter verursachen kann.
- Gießen oder Spruhen Sie niemals Wasser über das Gerät.

Elektrische Sicherheit
- Verwenden Sie Verlängerungskabel nach IEC 60245 (H 07 RN-F) mit einem Aderquerschnitt von mindestens
1,5 mm² bei Kabellänge bis 25 m
2,5 mm² bei Kabellange über 25 m
- Lange und dūnne Anschlussleitungen erzeugen einen Spanningsabfall. Der Motor erreicht nicht mehr seine maximale Leistung, die Funktion des Gerätes wird reduziert.
- Stecker und Kupplungsdosen an Anschlussleitungen müssen aus Gummi, Weich-PVC oder anderem thermoplastischen Material der gleichen Mechanischen Festigkeit sein oder mit thisem Material überzogen sein.
- Beim Verlegen der Anschlussleitungen darauf auf achten, dass sie nicht gequetscht, geknicht und die Steckverbindung nicht nass wird.
- Wickeln Sie bei Verwendung einer Kabeltrommel das Kabel vollständig ab.
- Verwenden Sie das Kabel nicht für Zwecke, für die es nicht bestimmt ist. Schätzen Sie das Kabel vor Hitze, Öl und scharfen Kanten. Verwenden Sie das Kabel nicht, um den Stecker aus der Steckdose zuziehen.
- Kontrollieren Sie das Verlängerungskabel regelmäßig und ersetzen Sie es, wenn es beschädigt ist.
- Verwenden Sie keine defekten Anschlussleitungen.
Keine provisorischen Elektroanschlüsse einsetzen.
Schutzeinrichtungen niemals überbrücken oder außer Betrieb setzen. - Schlieben Sie das Gerät über Fehlerstromschutzschalter (30 mA) an.

Der Elektroanschluss bzw. Reparaturen an elektrischen Teilen der Maschine haben durch eine konzessionierte Elektrofachkraft oder eine unserer Kundendienststellen zu erfolgen. Örtliche Vorschriften insbesondere hinsichtlich der Schutzmaßnahmen sind zu beachten.

Reparaturen an anderen Teilen der Maschine haben durch den Hersteller bzw. einer seiner Kundendienststellen zu erfolgen.

Nur Originalersatzteile verwenden. Durch den Gebrauch anderer Ersatzteile konnen Unfälle für den Benutzer entstehen. Für hieraus resultierende Schäden haftet der Hersteller nicht.
Funktionsprinzip
Der Luftentfeuchter arbeitet nach dem Kondensationsprinzip.
Die Raumluft wird durch einen Filter und durch ein Kühlelement gesaugt, wo die Wasserdampfe der Luft zu Wassertropfen kondensieren. Die Wassertropfen laufen anschließend in eine Kondenswasserschale und weiter in den Wasserbehälter, während die getrocknete kalte Luft durch den Kondensator des Gerätes geleitet und aufgeheizt wieder in den Raum geblasen wird. Die Temperatur der ausgeblasenen Luft liegt ca. 2 - 5^ über der Raumtemperatur. Diese Wärme gewinn entsteh durch die dem Kompressor und Ventilator zugeführte Energie, sowie der Wärme, die beim Kondensieren des Wasserdampfes frei wird.
Durch die ständige Zirkulation der Raumluft durch das Gerät, wird die relative Feuchtigkeit der Luft nach und nach gesenk, wodurch ein Schnelles und schonendes Austrocknen des Raumes erreicht wird.
i
Die Wasserdampfe der Luft bewegen sich leicht und ungehindert durch die Luft. Deshalb ist es wichtig, den Raum so gut wie möglich zu „versiegeln“, d. h. Türen und Fenster müssen geschlossen gehalten werden und das Hinein- und Hinausgehen aus dem Raum muss möglichst begrenzt werden. Andernfalls wird die Trocknungs-Wirkung des Gerätes wesentlich reduziert.
Aufstellen des Luftentfeuchters
Aufstellung
Der Luftentfeuchter sollte, so welt dies möglich ist, mitten im Raum aufgestellt werden, so dass eine gute Luftzirkulation im ganzen Raum erreicht wird.
Sollte dies nicht möglich sein, so muss der Luftentfeuchter so aufgestellt werden, dass die Luft ungehindert angesaugt und ausgeblasen werden kann.
Der Mindestabstand zur Wand muss 10 cm betragen.
Stellen Sie den Luftentfeuchter
waagerecht auf, damit das kondensierte Wasser ungehindert abfliesen kann.
nicht in der Höhe einer Wärmequelle (z. B. eines Heizkörpers).
① Beachten Sie, dass Fenster und Türen in dem zu entfeuchtenden Raum geschlossen sind.
Netzanschluss
Vergleichen Sie die auf dem Geräteypenschild angegebene Spannung, z.B. 230 V / 50 Hz mit der Netzspannung und schlieben Sie den Luftentfeuchter an die entsprechende und vorschrifsmäßige Steckdose an.
Verwenden Sie eine Steckdose: Netzspannung 230 V mit Fehlerstromschutzschalter (FI-Schalter 30 mA).
Netzabsicherung
10 A
Vor Inbetriebnahme
Haben Sie den Luftentfeuchter liegend oder schrager als 45^ transportiert?
Lassen Sie das Gerät vor Gebrauch mindestens eine Stunde aufrecht stehen.
(1) Hinweise
- Der Luftentfeuchter arbeitet nicht, wenn der eingestellte Feuchtigkeitswert higher ist als der Umgebung.
- Setzen Sie den Luftentfeuchter nur bei einer Raumtemperatur von 5^ bis 32^ ein. Außerhalb theses Bereichsfunktioniert der Luftentfeuchter nicht.
- Verwenden Sie den Luftentfeuchter nicht in stark staub-oder chlorhaltiger Umgebung.
- Wahlend der Entfeuchtung mussen der Luftermotor und der Kompressor mindestens 3 min. laufen, nach dem der Kompressor gestartet wurde. Um Schäden am Kompressor zu vermeiden, sollen Sie, wenn der Luftentfeuchter sich abgeschelt hat, 3 Minuten warten, bevor Sie das Gerät erneut einschalten.
- Wenn die Raumtemperatur unter 10^ liegt und die umgebende relative Luftfeuchigkeit ziemlich niedrig ist, ist es nicht erforderlich, den Luftentfeuchter zu benutzen.
- Die Luftentfeuchterleistung des Gerätes ist abhängig von der räumlichen Beschaffenheit, Raumtemperatur und relativier Raumluftfeuche.
- Leeren Sie den Behälter dann, wenn er voll ist. Anschließlich setzen Sie den leeren Wasserbehälter wieder ein, damit das Gerät wieder arbeiten kann.
- Transportieren Sie das Gerät nur in aufrechter Position.
- Sollte das Gerät nicht Funktionieren oder ist der Betrieb aus nicht bestimmten Gründen plötzlich unterbrochen siehe „Mögliche Störungen".
- Wenn der Luftentfeuchter in Betrieb ist, erzeugt der Kompressor Abwärme und die Raumtemperatur steigt kein an. Es handelt sich hierbei um einen normalen Vorgang.
Bedienfeld

1 Taste ON/OFF = EIN/AUS"
2 Anzeige „relative Luftfeuchtigkeit in %" oder Störungsfehler
3 Taste, Luftfeuchtigkeitswert steigt"
4 Anzeige Betriebsstundenzahler
5 Taste, Luftfeuchtigkeitswert verringern
6 Bildzeichen "Abtauen"
7 Bildzeichen, Ventilator lauft
8 Bildzeichen, Wasseraffangbehälter voll
9 Bildzeichen, Entfeuchungsbetrieb
Daueranzeige = Gerät entfeuchtet (Kompressor und Ventilator eingeschaltet)
blinkende Anzeige = Gerät entfeucht nicht (Kompressor ausgeschaltet - Ventilator eingeschaltet)
Störungsanzeige
Wenn die Störungsfehler E3 - E4 - E5 in der Anzeige 2 „relative Luftfeuchigkeit" angezeigt werden siehe „Mögliche Störungen".
Inbetriebnahme
① Wenn Sie das Anschlusskabel in die Steckdose stecken, ertränt ein Signalton.
Ertont der Signalon nicht, liegt eine Störung vor. Überprüfen Sie die Zuleitung, Steckdose und Sicherung.
Einschalten
Drücken Sie die Taste ON/OFF, um den Luftentfeuchter einzuschalten.
In der Anzeige 2 "Luftfeuchtigkeitswert" wird die werksseitig eingestellte Luftfeuchtigkeit von 60% angezeigt. Nach 5 sek. zeigt die Anzeige die aktuelle Luftfeuchtigkeit an.
Die Anzeige „Luftfeuchtigkeitswert" zeigt die Feuchtigkeit in einem Bereich zwischen 30% und 90% an.
Ausschalten
Drücken Sie erneut die Taste (ON/OFF), um den Luftentfeuchter auszuschalten.
Luftfeuchtigkeitswert einstellen
Betätigten Sie die Taste „Luftfeuchtigkeitswert steigt “ oder „Luftfeuchtigkeitswert verringn”, um die gewünschte Luftfeuchtigkeit einzustellen.
Wenn der eingestellte Feuchtgkeitswert weniger als 30% beträgt, entfeucht das Gerät fortlaufend und die Anzeige 2 zeigt CO^ an.
Tip: Eine relative Luftfeuchtigkeit von 50 - 60 % ist in der Regel ausreichend, um ein angenehmes Raumklima zu schaffen und Kondenswasserbildung an Bauteilen und Einrichtungen zu vermeiden.
Unterschiedet der gewünschte Feuchtigkeitswert die aktuelle Luftfeuchtigkeit um 3 % schaltet sich der Luftent-feuchter (Kompressor) automatisch ein. Daueranzeige des Bildzeichens "Entfeuchtungsbetrieb" im Display. Überschreitet der eingestellte Feuchtigkeitswert die aktuelle Luftfeuchtigkeit um 3 % schaltet sich der Luftent-feuchter (Kompressor) wieder selbsttätig ab. Das Bildzeichen "Entfeuchtungsbetrieb" blinkt.
Abtauatomatik
Bei einer Raumtemperatur unter 20^ bildet sich nicht nur Kondensat an der kalten Verdampferoberfläche sondern auch Eis. Diese Eis setzt den Wärmtauscher zu, so dass der Luft-durchsatz befindert wird. Die eingebaute Abtau automatik enteist den Verdampfer. Dies ermöglicht einen Entfeuchtungs-betrieb bis zu einer Temperatur von +5^ .
Während des Enteisens wird das Bildzeichen im Display angezeigt, der Kompressor lauft weiter, der Ventilator schaltet sich automatisch ab.
Nach Beenden des Abtauvorgangs schaltet der Luftentfeuchter wieder auf Entfeuchtungsbetrieb und das Bildzeichen erlischt.
Betriebsstundenzahler
Der Luftentfeuchter ist mit einem Betriebsstundenzahler ausgerüstet.

Wird der Luftentfeuchter eingeschaltet werden die Betriebsstunden, die das Gerät bereits in Betrieb war, im Display angezeigt. Solange das Gerät eingeschaltet ist, wird diese Zeit zu der bereits abgelaufendenazo addiert.
Wasserauslauf
Der Wasserauffangbehälter des Luftentfeuchters ist mit einem Schwimmer ausgestattet, der das Gerät automatisch abschelt, wenn der Auffangbehälter voll ist.
① Nach 45 sek. schaltet sich der Kompressor ab und der Ventilator bleibt stehen und es ertont ein Signatlon. Im Display wird das Bildzeichen und der Störungsfehler E4 angezeigt.
Wird der Wasserauffangbehälter nicht sofort geleert, ertont alle 5 Minuten ein Signalton.
Entfernen des Wasserauffangbehälters
- Schalten Sie das Gerät aus.
- Drücken Sie gegen die Gehäuseklappe (Pos. 1) ① undziehen Sie dann die Klappe auf ②.

- Entfernen Sie den Behälter (Pos. 2) und entleeren Sieihn unverzüglich.

- Setzen Sie den Behälter wieder ein. Stecken Sie während des Einsetzens den Entwasserungsschlauch (Pos. 3) in den Wasserauffangbehälter. Achten Sie darauf, dass Sie den Behälter in die richtige Position bringen.

- Schließen Sie die Gehäuseklappe.
- Schalten Sie den Luftentfeuchter wieder ein. Das Bildzeichen und der Störungsfehler E4 werden nicht mehr angezeigt.
Wird das Bildzeichen und der Störungfehler weiterhin angezeigt? Entfernen Sie den Behälter erneut und setzen Sieihn wieder ein.
Dauerbetrieb oder länger Betriebszeit
Bei hoher Luftfeuchtigkeit ist es von Vorteil, wenn Sie den Luftentfeuchter im Dauerbetrieb betreiben. Beim Dauerbetrieb entfällt die regelmäßige Entleerung des Wasserauffangbehalters.
Vor gehensweise:
- Nehmen Sie den Wasserauffangbehälter aus dem Gerät.
- Stecken Sie den Entwasserungsschlauch (Pos. 3) durch das Loch im Gehäuse ① undziehen Sieihn auf der anderen Seite aus dem Gerät hers aus ②.

- Setzen Sie den Aufgangbehälter wieder in das Gerät.
- Schließen Sie die Gehäuseklappe.
- Stellen Sie einen großen Auffangbehälter unter den Wasserauslauf.
Oder:
Verlangern Sie den Wasserauslauf mit einem Gartenschlauch, um das Wasser in einen Abfluss zu leiten.
Beachen Sie folgenden:
Achten Sie darauf, dass das Wasser immer frei abfließen kann.
Das Wasser ist vorzugsweise in einen tiefer liegenden Abfluss zu leiten.
Achten Sie darauf, dass der Schlauch in seiner Position bleibt, mit Gefälle verlegt wird, nicht geknicht oder aufgerollt ist.
Transport

Vor jedem Transport Gerät ausschalten und Netzsteckerziehen.
Transportieren Sie den Luftentfeuchter immer stehend, um Schäden am Kompressor zu vermeiden.
Tip: Haben Sie den Luftentfeuchter liegend transportiert bzw. zu stark gekippt, muss der Luftentfeuchter vor Gebrauch mindestens eine Stunde aufrecht stehen.
Reinigung und Wartung

Vor jeder Reinigung und Wartung Gerät ausschalten und Netzsteckerziehen.
Weitergehende Wartungs- und Reinigungsrarbeiten, als die in thism Kapitel beschrieben, * dürfen nur vom Kundendienst durchgefuhrt werden.
Nur Originalteile verwenden. Andere Teile konnen zu unvorhersehbaren Schäden und Verletzungen führen.
Reinigung
Luftfilter
EinverschmutzterFilter
setzen die Leistungsfähigkeit des Luftentfeuchters herab.
führt zu Verschmutzungen im Geräteinneren.
① Reinigen Sie den Filter je nach Betriebsbedingungen in regelmäßigen Abständen.
Entfernen des Filters
- Nehmen Sie die Gehäuseabdeckung (Pos. 4) ab.

- Ziehen Sie die drei Befestigungsstäbe (Pos. 5) Heraus ①. Nehmen Sie den Filter (Pos. 6) zur Reinigung aus der Gehäuseabdeckung ②.

Leichte Verschmutzung
Verwenden Sie einen Staubsauger oder klopfen Sie den Filterleitung aus.
Starke Verschmutzung
Waschen Sie den Filter mit lauwärmer Seifenlauge (max. 40^ ) vorsichtig aus und haltenihn anschließend gut trocknen. Setzen Sie den Filter zum Trocknen nicht der Sonne oder anderen Wärmequellen aus.
Einsetzen des Filters
- Legen Sie den Filter wieder in die Gehäuseabdeckung und befestigen Sieihn mit den drei Befestigungssätben.
- Bringen Sie die Gehäuseabdeckung wieder an.
Gerät
Reinigen Sie das Gerät in regelmäßigen Abständen außen mit einem feuchten Tuch und einem milden Reinigungsmittel (Seifenlaufe). Achten Sie darauf, dass kein Wasser in das Geräteinnere gelangt.
Verwenden Sie für die Reinigung keine Reinigungs- oder Lösungsmittel, diese können Teile des Gerätes angreifen.
Einmal jährlich oder je nach Betriebsbedingungen sollen der Luftentfeuchter vom Kundendienstinnen auf Verschmutzungen überprüft werden.
Wartung
Der Luftentfeuchter ist im Hinblick auf problemfreien Betrieb und minimale Überwachung konstruiert.
Alle beweglichen Teile haben eine Dauerschmierung.
Es befinden sich keine weiteren zu wartenden Teile im Geräteinneren.
Lagerung
Bewahren Sie unbenutzte Geräte an einem trockenen, verschlossenen Ort außerhalb der Reichweite von Kindern auf.
Beachten Sie folgenden, um die Lebensdauer des Luftentfeuchters zu verlangern und eine einwandfrei Funktion zu gewährleisten:
Entleeren Sie den Wasserauffangbehälter und trocknen ihn sorgfällig.
Reinigen Sie den Filter.
Führn Sie eine gründliche Reinigung durch.
Überprüfen Sie den Luftentfeuchter auf einwandfrei Zustand, damit nach einer Lagerung eine zuverlüssige Nutzung des Gerätes gewährleistet ist.
Decken Sie den Luftentfeuchter sorgfältig ab.
Mögliche Störungen

Vor jeder Störung Gerät ausschalten und Netzsteckerziehen.
| Störung | mögliche Ursache | Beseitigung |
| Motor lauft nicht an | Netzspannung fehl | Absicherung überprüfen |
| Anschlusskabel defect | überprüfen setzen (Elektrofachmann) | |
| Wasserauffangbehälter voll | Wasserauffangbehälter leeren | |
| Raumluftfeuchtigkeit niedriger als einge-stellt | eingestellten Luftfeuchtigkeitswert überprüfen, eventuell anderen Wert einstellen | |
| Gerät kondensiert weniger oder kein Wasser | Rumtemperatur oder Luftfeuchte liegen nicht im Arbeitsbereich | a) Raumtemperatur überprüfen (5 °C bis 32 °C) b) Luftfeuchtigkeit überprüfen (mind. 30 % r. F.) c) eingestellten Luftfeuchtigkeitswert überprüfen, eventuell anderen Wert einstellen |
| Luftfilter verschmutzt | Luftfilter reinigen (siehe „Reinigung und Wartung") | |
| Luftzufuhr oder Abluft blockiert | überprüfen, eventuell Gerät anders positionieren (Mindestabstand (10 cm) zur Wand beachten) | |
| a) Gerät voninnen stark verschmutzt b) Kältekreislauf defect | wenden Sie sich an den Hersteller bzw. Kunden- dienst | |
| Türen und/oder Fenster offen | Türen und/oder Fenster schließen | |
| Gerät schaltet ab bei Dauerbetrieb mit Ablaufschlauch | a) Ablaufschlauch geknicht oder gerollt b) nicht genugend Gefälle | Ablaufschlauch anders verlegen, damit das Wass- ser ungehindert ablaufen kann |
| Wasser im Schlauch gefriert | Vorkehrungen treffen, die ein gefrierten des Wasser verhindern | |
| Wasser lauft aus dem Gerät | Wasseraffangbehälter undicht | a) Wasseraffangbehälter kontrollierenb) Wasseraffangbehälter ersetzen |
| Außergewöhnliche Gerasche bzw. Vibrationen | Gerät steht auf unebenem Boden | Gerät auf ebenem Boden aufstellen |
| Schrauben, Muttern oder andere Teilelocker | Teile befestigenWenn die Teile nicht zu befestigen sind, sich imInneren des Gerätes befinden oder die Geraschebleiben: Hersteller bzw. Kundendienstelle aufsuchen. |
① Wenn alle Funktionskontrollen durchgeführt wurden und die Störung nicht behoben werden konnte, wenden Sie sichitte an den Hersteller bzw. Kundendienst.
Sollte ein Gerät nicht einwandfrei Funktionieren, so ist es sofort außer Betrieb zunehmen!
Störungsanzeige
Folgende Störungen können in der Anzeige 2 „relative Luftfeuchtigkeit" angezeigt werden:
| Störung | Fehler |
| E3 | Feuchtigkeitssensor defekt |
| E4 | Wasserauffangbehälter voll |
| E5 | Kühlkeislaufsensor defekt |
Erscheinen die Störungsmeldungen E3 und E5, wenden Sie sichitte zur Problemlösung an den Hersteller bzw. Kundendienst.
Technische Daten
| Typ | HT 600 | HT800 |
| Modell | ALE 600 | ALE 800 |
| Luftdurchsatz | 680 m3/h | 680 m3/h |
| Nenn-Leistung P1 | 1000 W | 1200 W |
| Nenn-Stromaufnahme | 4,6 A | 5,3 A |
| max. Leistung P1 | 1200 W | 1410 W |
| max. Stromaufnahme | 5,4 A | 6,4 A |
| Leistung, Ventilator | 50 W | 50 W |
| Stromversorgung | 230 V~ / 50 Hz | 230 V~ / 50 Hz |
| Netzabsicherung | 10 A | 10 A |
| Temperaturbereich | 5 - 32°C | 5 - 32°C |
| Luftfeuchtebereich | 30 - 90% relative Feuchtete | 30 - 90% relative Feuchtete |
| Entfeuchtungsleistung bei 30°C / 80% r. F. | 60 l / 24 h | 80 l / 24 h |
| Schutzart | IP X0 | IP X0 |
| Gefrierdruck | 2,5 MPa | 2,5 MPa |
| Dampfdruck | 1,0 MPa | 1,0 MPa |
| Kältemittel | R 407 C | R 407 C |
| Kältemittelmenge | 0,6 kg | 0,78 kg |
| Tankvolumen max. | 5,8 l | 5,8 l |
| LED-Anzeige „Tank voll" bei | 3,9 l | 3,9 l |
| Raumvolumen (bei einer Deckenhöhe von 2,5 m) | 150 - 200 m3 | 250 - 300 m3 |
| Raumfläche | 60 - 80 m2 | 100 - 120 m2 |
| Schallleistungspegel LWA | < 70 dB (A) | < 70 dB (A) |
| Schalldruckpegel LPA | 53 dB (A) | 53 dB (A) |
| Gewicht | 51,5 kg | 53,5 kg |

Kältekreislauf

Ersatzteilliste
| Pos. - Nr. | Ersatzteil- Nr. | Bezeichnung |
| 1 | 417659 | Gehäuseklappe |
| 2 | 417610 | Wasseraffangbehälter mit Stöpsel und Schwimmer |
| 3 | 417660 | Entwässerungsschlauch |
| 4 | 417661 | Gehäuseabdeckung |
| 5 | 417655 | Befestigungsstab |
| 6 | 417656 | Luftfilter |
| 7 | 417657 | Rad |
| 8 | 417658 | Schalterblende (Aufkleber) |
| 9 | 417622 | Schwimmer kpl. |
| 10 | 417618 | Sicherheitsaufkleber |
Bei Ersatzteilbestellung unbedingt angehen:
Luftentfeuchtertyp, Baujahr und Ersatzteilnummer.
Sonst ist eine korrekte Lieferung nicht möglich!

Garantie
Bitte beachten Sie die beiliegende Garantiererklärung.

ATIKA GmbH & Co. KG - Technique Bureau - Schinkelstr. 97
59227 Ahlen - Germany

Ahlen, 16.04.2010 A. Pollmeier, Direction de la société
Driftstimetaeller 44
Vandudləb 44
Fjernelse af vandopsamlingsbeholder 45
Konstant drift aller laengere driftstid 45
Transport 45
Folgende harmoniserede standarder er anvendt:
EN 55014-1:2006; EN 55014-2:1997+A1:2001;
EN 61000-3-2:2006; EN 61000-3-3:2008
EN 60335-1:2002 + A11:2004 + A1:2004 + A12:2006 +
A2:2006 + A13:2008
EN 60335-2-40:2003+A11:2004+A12:2005+A1:2006
Opbevaringssted for den tekniske dokumentation:
ATIKA GmbH & Co. KG - Technisches Buro - Schinkelstr. 97
59227 Ahlen - Germany

Ahlen, 16.04.2010
A. Pollmeier, direktion
Leveringsomfang
Kontroller after udpakningen kartonens indhold for
ATIKA GmbH & Co. KG - Technisch kantoor - Schinkelstr. 97 59227 Ahlen - Germany

Ahlen, 16.04.2010
Elektrische verilgheit
Schinkelstraße 97, 59227 Ahlen
Postfach 21 64, 59209 Ahlen
Germany
Tel.: 02382/892-0 • Fax: 02382/81812
E-mail: info@atika.de • Internet: www.atika.de

EinfachAnleitung