CUC 2021 - Fernsehen GRUNDIG - Kostenlose Bedienungsanleitung
Finden Sie kostenlos die Bedienungsanleitung des Geräts CUC 2021 GRUNDIG als PDF.
Questions des utilisateurs sur CUC 2021 GRUNDIG
0 question sur cet appareil. Repondez a celles que vous connaissez ou posez la votre.
Poser une nouvelle question sur cet appareil
Laden Sie die Anleitung für Ihr Fernsehen kostenlos im PDF-Format! Finden Sie Ihr Handbuch CUC 2021 - GRUNDIG und nehmen Sie Ihr elektronisches Gerät wieder in die Hand. Auf dieser Seite sind alle Dokumente veröffentlicht, die für die Verwendung Ihres Geräts notwendig sind. CUC 2021 von der Marke GRUNDIG.
BEDIENUNGSANLEITUNG CUC 2021 GRUNDIG
...Mo.-Fr. 8.00-18.00 Uhr
Technik:
TV 0180/52318-41
TV 0180/52318-49
SAT 0180/52318-48
VCR/LiveCam 0180/52318-42
HiFi/Audio 0180/52318-43
Car Audio 0180/52318-44
Telekommunikation 0180/52318-45
Fax: 0180/52318-51
Planatron (8.00-22.00 Uhr) 0180/52318-99
Ersatzteil-Verkauf:
Mo.-Fr. 8.00-19.00 Uhr
Telefon: 0180/52318-40
Fax: 0180/52318-50

Zusätzlich erforderliche
Unterlagen für den Komplettservice
Änderungen vorbehalten
Es gelten die Vorschriften und Sicherheitshinweise gemäß dem Service Manual "Sicherheit", Materialnummer 72010 800 0000, sowie zusätzlich die eventuell abweichenden, landesspezifischen Vorschriften!

Allgemeiner Teil 1-2...1-16
Meßerge. 1-2
Allgemeine Hinweise 1-3
Modulübersicht 1-4
Technische Daten 1-5
Sicherheits-/ServiceHinweise 1-6
Schaltplansymbole 1-7
Bedienhinweise (Greenville 560 SE 5587 TOP) 1-11
Service und Sonderfunktionen 1-15
Abgleich 2-1...2-2
Chassisplatte 2-1
Platinenabbildungen
und Schaltpläne 3-1...3-40
Chassisplatte 3-1
Oszillogramme (Chassis) 3-7
Chassisplatte (vergroßert) 3-9
Gesamtschaltplan:
- Teilschaltplan Netzteil 3-13
Teilschaltplan Ablenkung 3-15
-
Teilschaltplan Prozessor 3-17
-
Teilschaltplan Tuner/Buchsen 3-19
Teilschaltplan Video 3-21
Teilschaltplan Audio 3-23
Bildrohrplatte 3-25
Prozessor-Platte 3-27
SAT-Baustein 3-31
NF-Baustein Stereo 3-37
Ersatzteillisten 4-1...4-4
Allgemeiner Teil
Meßgeräte
Beachten Sieitte das Grundig Meßtechnik-Programm,das Sie unter folgender Adresse erhalten:
GB
Table of Contents
Page
Geschäftsbereich Instruments
Test- und Meßsysteme
Wurzburger Str. 150
D-90766 Fürth
Tel.: 0911/703-4118
Fax: 0911/703-4130
eMail: instruments@grundig.de
Internet: http://www.grundig-instruments.de
Allgemeine Hinweise
Materialnummern
Durch die EDV-Umstellung wurden die bisherigen 10-stelligen Materialnummern auf 12-stellige geändert.
Beispiel: bisher: 29504-111.22
neu: 29504 111 2200
Während der Umstellphase konnen im Service Manual beiden
Schreibweisen vorkommen.
Ersatzteillisten
Die vierstelligen, von der Ersatzteilbezeichnung abgesetzten Zahlen beziehen sich auf die letzten vier Stellen der Materialnummern der Chassis oder der Bausteine.
Beispiel: 3100 29704 004 3100
Typenschild des Gerätes
Zusätzlich zum Geräte typ und der Chassisbezeichnung enthalt das Geräteypenschild künftig eine sogenannte "Version number" z.B. VNA. Diese Kennzeichnung gibt Aufschluß über den technischen/ mechanischen Fertigungssstand.
Für die Bestellung von Ersatzteilen sind deshalb folgende Angaben unbedingt erforderlich:
Geratetype (z.B. "T 51-731 text")
- Chassis-Bezeichnung (z.B. "CUC 7303")
- Version number (z.B. "VNA")
- Materialnummer des Ersatzteils
General Notes
Part Numbers
Modulübersicht / Module List
| Materialnummer Part Number | Greenville 560 SE 5587 TOP | ST 55-855 TOP (VNM) | ST 55-805 TOP (VNM) | ST 55-805 TOP / TR (VNM) | |
| Bestell-Nr. Order No. | G.CH 4375 | G.CH 6372 G.CH 6383 | G.CH 8275 | G.CI 6475 | |
| Chassis | 29704 008 0100 | ● | - | - | - |
| 29704 008 0200 | - | - | ● | ● | |
| 29704 008 0300 | - | ● | - | - | |
| Tuner | 29504 301 0100 ww / or 81406 016 1200 | ● | ● | ● | ● |
| Bildrohrplatte CRT Panel | 29305 022 1900 | ● | ● | ● | ● |
| Prozessorplatte Processor Board | 29305 219 0200 | ● | ● | ● | ● |
| Fernbedienung TP 715 Remote Control TP 715 | 29642 062 1102 | ● | ● | ● | ● |
| NF-Baustein Stereo AF Module | 29504 102 8100 | ● | ● | ● | ● |
| SAT-Baustein SAT Module | 29504 106 2800 | nachrückbar retrofittable | nachrückbar retrofittable | nachrückbar retrofittable | nachrückbar retrofittable |
Technische Daten / Technical Data
| Greenville 560 SE 5587 TOP | ST 55-855 TOP (VNM) | ST 55-805 TOP (VNM) | ST 55-805 TOP / TR (VNM) | |
| Bildröhre / Picture Tube | ||||
| Sichtbares Bild Visible picture | 51cm | 51cm | 51cm | 51cm |
| Bildschirmidgonationale Screen diagonale | 55cm (21"), FST, Black Line D, Philips 27,5 kV small neck | 55cm (21"), FST, Black Line D, Philips 27,5 kV small neck | 55cm (21"), FST, Black Line D, Philips 27,5 kV small neck | 55cm (21"), FST, Black Line D, Philips 27,5 kV small neck |
| Ablenkwinkel Deflection angle | 90° | 90° | 90° | 90° |
| Bildwechselfrequenz Vertical frequency | 50Hz | 50Hz | 50Hz | 50Hz |
| Elektronik / Electronic | ||||
| Programmspeicherpläte Programme positions | 99 TV + 2 AV | 99 TV + 2 AV | 99 TV + 2 AV | 99 TV + 2 AV |
| Blue/Black stretch | ja / yes | ja / yes | ja / yes | ja / yes |
| AV-Auswertung AV evaluation | jeder Programmplatz einstellbar / programmable for every programme position | |||
| Tuner | Kabeltuner-Raster 8MHz für Hyperband / cabel tuner - 8MHz spacing for hyperband | |||
| TV-Normen TV-Standard | PAL B/G | PAL B/G | PAL B/G | PAL B/G |
| Stereo Systeme Stereo systems | German A2 | German A2 | German A2 | German A2 |
| Videotext Teletext | 8-Seiten-TOP/FLOF-text 8-pages-TOP/FLOF-text | 8-Seiten-TOP/FLOF-text 8-pages-TOP/FLOF-text | 8-Seiten-TOP/FLOF-text 8-pages-TOP/FLOF-text | 8-Seiten-TOP/FLOF-text 8-pages-TOP/FLOF-text |
| SAT-Nachrüstung SAT-Retrofitting | SER 2000 | SER 2000 | SER 2000 | SER 2000 |
| Musikleistung Music power | 2 x 8W | 2 x 8W | 2 x 8W | 2 x 8W |
| Anschlüsse Front / Connections Front | ||||
| Kopfhörer Headphones | Stereo 3,5mm Klinkenbuchse, Lautstärke regelbar, individuelle Tonkanalwahl bei 2-Ton-Empfang Stereo 3.5mm jacksocket, adjustable volume, individual channel selection with dual-sound broadcasts | |||
| Video IN | 1 x Cinch in AV2-Position | 1 x Cinch in AV2-Position | 1 x Cinch in AV2-Position | 1 x Cinch in AV2-Position |
| Audio IN | 2 x Cinch | 2 x Cinch | 2 x Cinch | 2 x Cinch |
| Anschlüsse Rückwand / Connections Rear Panel | ||||
| Euro AV 1 (schwarz/black) | FBAS Ein-/Ausgang, S-Video-Eingang, RGB Eingang CCVS in-/output, S-Video input, RGB input | FBAS Ein-/Ausgang, S-Video-Eingang, RGB Eingang CCVS in-/output, S-Video input, RGB input | FBAS Ein-/Ausgang, S-Video-Eingang, RGB Eingang CCVS in-/output, S-Video input, RGB input | FBAS Ein-/Ausgang, S-Video-Eingang, RGB Eingang CCVS in-/output, S-Video input, RGB input |
| Netzteil / Mains Stage | ||||
| Netzspannung (Regelbereich) Mains voltage (variable) | 165 ... 265V | 165 ... 265V | 165 ... 265V | 165 ... 265V |
| Netzfrequenz Mains frequency | 50 / 60Hz | 50 / 60Hz | 50 / 60Hz | 50 / 60Hz |
| Öko-Schalter Eco switch | ja / yes | - | - | - |
| Leistungsaufnahme Power consumption | ca. 65W | ca. 65W | ca. 65W | ca. 65W |
| Standby | ca. 6W | ca. 6W | ca. 6W | ca. 6W |
Sicherheits-Hinweise
Die in den Fernsehgeräten auftretende Röntgenstrahlung entspricht den Bestimmungen der Physikalisch-Technischen Bundesanstalt vom 8. Januar 1987.
Die Hochspannung für die Bildrohre und die damit auftretende Röntgenstrahlung ist abhängig von der exakten Einstellung der Netzeilspannung +A.
Nach jeder Reparatur im Netzeil oder in der Horizontalablenkung ist die Hochspannung zu messen und ggf. einzustellen.
Schutzschaltungen im Gerat dürfen nur kurzzeitig außer Betrieb gesetzt werden, um Folgeschäden am Chassis oder an der Bildrohre zu vermeiden.
Beim Austausch der Bildrohre * dürfen nur die in den Ersatzteillisten vorgeschreibenben Typen verwendet werden.
Safety Advices
Bevor Sie die Chassis-Verbindungsleitungen offen, muß die Leitungsverlegung zu den einzelnen Bausgruppen wie Netzschalterplatte, Bedieneinheit, Bildrohrplatte, Ablenkeit oder Lautsprecher beachtitet werden.
Nach erfolgter Reparatur ist es notwendig, die Leitungsführung wieder in den werkssheitigen Zustand zu versetzen, um evtl. spätere Ausfälle oder Störungen zu vermeiden.
Netzkabel
These Geräte dürfen nur mit dem Original-Netzanschlußkabel mit integrierter Entstörddrossel betrieben werden. Dieses Netzkabel verhindert Störungen aus dem Netz und ist Bestandteil der Gerätezulassung. Im Ersatzfall bestehen Sieitte ausschließlich das Netzkabel laut Ersatzteilliste.
GB
Service Notes
Dieses Kapitel enthalt Auszüge aus der Bedienungsanleitung. Weitergehende Informationen entnehmer Sieitte der geratespezifischen Bedienungsanleitung, deren
Materialnummer Sie in der entsprechenden Ersatzteilliste finden.
Programmplätze belegen, mit dem Suchlauf-Speicher-System ATS
Das Geraisit mit dem automatischen Programmsuchlauf ATS ausgestattet, der Ihnen das manuelle Belege den Programmplatze abnimmt.
Sie starten den Suchlauf und konnen danach die Programme in der Reihenfolge ihrer Wahl sortieren.
Sie können auch Programme - die mehrmals gegunden wurden oder deren Empfangsqualität zu schlecht ist - aus der Programmliste loschen.
1 Nach dem Einsatzen des Gerätes wird die Seite «SPRACHAUSWAHL« eingeblendet.

i Fur den Dialog zwischen Ihnen und dem Fernsehgerat kann aus mehreren Sprachen gewählt werden. Die Einblendungen der Benutzerführung erfolgen in der gewährten Sprache.
2 Dialogsprache mit Tasteoder auswahlen und mit Taste OK bestätigen.
Die Seite 串 AUTOMATIC TUNING SYSTEM* blendet sich ein.

Die Seite »AUTOMATIC TUNING SYSTEM« kann auch direkt aus dem «DIALOG CENTER« aufgerufen werden.
i Der Vorgang kann - je nach Anzahl der zu empfängenden Fernseh-Programme - eine Minute und länger dauern.
i Nach dem Sushvorgang schaltet das Gerat auf Programplatz 1 und die Seite «SORTIER.« wird eingebrendet.

eannnnnne
Programme loschen
1 Programm, das gelsocht werden soll, mit Taste oder anwahlen.
2 Programm mit Taste ausliesen
i Um weitere Programme zu loschen ist der Vorgang ab Pkt. 1 zu wiederholen.
Die Seiten >AUTOMATIC TUNING SYSTEM «
SORTIER. (unter)Programm Sortierung «) und
SPRACHAUSWAH | « konnen auch direkt aus dem
DIALOG CENTER « aufgerufen werden.
□Programme sortieren
1 Programm, das umsortiert werden soll, mit Taste oder anwahlen.
2 Programm mit Taste OK markieren.
3 Neuen Programplatz mit Taste oder anwahlen.
4 Einstellung mit Taste OK speichern.
1 Zum Sortieren weiterer Programme ist der Vorgang ab Pkt. [1] zu wiederholen.
5 Einstellungen mit Taste beenden.
eannnnnne
BegrenzederProgrammplatzwahl
Der ATS-Suchlauf speichert alle gefundenen Programme und "sperr" den ersten nichtbelegten Programmplatz automatisch. Dadurch konne bei der schrittweisen Programmplatzwahl ("Zappen") mit den Taten , nur die gefundenen Programme angewahlt werden.
Sie konnen diese Begrenzung auch manuell eingeben. Im Beispiel wurde ab Programmplatz 6 gespeit'.
1 Taste (1) und anschlieBend Taste (OK) drucken. Die Seite » DIALOG CTERK « blendt sich ein.
Die Zeile MANUELLE ABSTIMMUNG mit Tasteoder anwahlen und mit Taste bestatig.
3 In der Seite >MANUELLE ABSTIMMUNG « mit Taste oder « Programplatz 6 wahren.
Die Zeile C / S mit wahlen und mit Taste oder 念 Kanalwahlen.
Die Zeile Kanal wahlen und mit den Ziffern-Tasten ⑨ ⑨ 00eingegeben.
6 Einstellung mit Taste OK speichern und mit Taste 00 beenden.
Jetzt konnen die ersten 5 Programme in Schneller Folge durchgeschaltet werden, die nachfolgenden Programmpläte sind mit den Tasten , nicht mehr anwahbar. Alle einstigten Programmpläte konnen weiterhin mit den Zifferntasten ① ⑨ angewahlt werden.
Wird als Programmplatz 11 gespert, können alle nachfolgenden Programmpläte mit den Zifferntensten (8) ... angewahlt werden.
Fernseh-Programme manuell einstellen
1 Taste ① und anschliebend Taste OK drucken. Die Seite DIALOG CENTER< blendet sich ein.

Die Zeile MANUELLE ABSTIMMUNG mit Taste oder anwahlen und mit Taste OK bestätig.
Direkte Kanaleingabe
1 Programmplatz mit den Ziffernasten ① ... ⑨ oder mit Taste ④ oder ⑥ wahren.
Die Zeile C / S mit Taste oder wahlen. Mit Taste oder Kanal oder Sonderkanal wahlen.
Die Zeile Kanal mit Taste 豆 oder anwahlen. Gewunschte Kanalzahl mit den Ziffernastens ① ... ③ oder mit Taste 豆 oder eingeben.
4 Bild eventuell feinabstimmen. Dazu die Zeile «Finetun.« mit Taste « oder « anwahlen. Feinabstimmung mit den Tasten « oder « verändern.
5 Einstellung mit Taste OK speichern.
i Zum Einstellen weiterer Programme ist der Vorgang ab Pkt. 1 zu wiederholen.
6 Einstellung mit Taste (x) beenden.
Automatischer Suchlauf
Die Zeile Kanal mit Taste oder anwahlen.
2 Mit der >blauen « Taste den automatischen Sendersuchlauf也开始
3 Die Zeile Programm mit Taste oder anwahlen. Programplatz, auf dem Sie das gefundene Programm speichern möhen, mit den Zifertasten ① ... (01-99) wahren.
4 Bild eventuell feinabstimmen. Dazu die Zeile «Finetun.« mit Taste « oder « anwahlen. Feinabstimmung mit den Tasten « oder « verändern.
5 Einstellung mit Taste OK speichern.
i Zum Einstellen weiterer Programme ist der Vorgang ab Pkt. 1 zu wiederholen.
6 Einstellung mit Taste beenden.
Kurzbeschreibung für den Fernseh-Betrieb
Auf dieser Seite sind die Tasten der Fernbediellung nur kurz erklart. Ausfuhrliche Beschreibungen entnehmen Sie bisher den jeweiligen Kapiteln.

Video-Recorder fernbedienen
Mit der Fernbedienung thesef Fernsehgerätes konnen Sie auch GRUNDIG-Video-Recorder fernbedienen. Welche hierzu geeignet sind, sagt Ihnen Ihr Fachhandler.
TasteVIDEO drucken und gedrückt halten.
Damit schalten Sie die Fernbedienung auf Video-Recorder-Betrieb.
AnschlieBendie gewUNSchte Tastes drucken. Entnehmen Sie der folgenden Aufstellung, mit welchen Tasten die Recordefunktionen ausgelost werden konnen.
(Taste) = Bildschlauf rückwarts
(Taste ) = Bildschlauf vorwarts
(T a s t e ① ) = Aufnahmestart
(Taste AV@) = Stop
(Taste OK) = Wiedergabestart
=Programmplatz+
=Programmplatz-
II (Taste) = Pause
bunnneeppeep
unununununpun - un
Bild-Einstellungen
Wollen Sie individuelle Bild-Einstellungen vornehmen, können Sie dies mittels der Menüseite «Bild» oder mit den Tanten der Fernbedienung.
Bild
i Drucken Sie (Minus) oder + (Plus) der entsprechenden Taste solange, bis der gewUNSchte Wert eingestellt ist.
1 Helligkeit
Ton-Einstellungen
Wollen Sie individuelle Ton-Einstellungen vormen, können Sie dies mittels der Menüseite »Ton«.
>Ton
Damit kann das Gerat so voreingestellt werden, daß es sich - nach einer von Ihnen bestimmt den Zeit (Auswahl 1h bis 3h) - aus der Funktion Bereitschaft komplett abschelt. Sie sparen damit Energie.
1 Aus dem «DIAGLOG CENTER« die Zeile «SONDER-FUNKTIONEN« mit Taste oder anwahlen und mit Taste OK bestätigten.
Die Zeile>Oka-Netzschalt. «anwahlen und mit Taste gewunschte Abschaltzeit»1h, 2h, 3h oder aus wahren.
Einschalten mit ...
Wenn Sie das Gerat zahlig als AV-Monitor einsetzen - z.B. zusammen mit einer Camera als Überwachungsanlage oder bei Betrieb mit einem Satellten-Receiver - kann mit dieser Funktion dem Programmplatz AV « Vorrang eingeraum werden. Nach dem Einschalten des Gerates, mit der Netztaste, erscheidt anstelle des Programmplatzes P 1 « der Programmplatz AV «.
1 Aus dem «DIALOG CENTER« die Zeile «SONDER-FUNKTIONEN« mit Taste oder anwahlen und mit Taste OK bestätigten.
Die Zeile 串 TV einsch. mit anwahlen und mit Taste ② oder den gewünschten Programplatz, Prog 1串 oder AVwahlen.
Bild-/Tonskala
Beim Einstellungen der Funktionen Lautstarke, Helligkeit und Farbkontrast wird jewells eine Skala eingebrendet. Dieses kann unterbunden werden. Hierzu
1 aus dem «DIALOG CENTER« die Zeile «SONDER-FUNKTIONEN« mit Taste oder anwahlen und mit Taste bestätigten.
Die Zeile Bild-/Toneinst. « anwahlen und mit Taste oder « aus « einstellen.
Lautstärke anpassen
Die Lautstarke zwischen denmalen Fernsehsendungen und Werbeeinblendenungen kann entsprechlich laut sein. Dies können Sie ausgleichen.
1 Aus dem «DIALOG CENTER« die Zeile «SONDER-FUNKTIONEN« mit Taste oder anwahlen und mit Taste OK bestätigten.
2 Die Zeite Autom. Lautst. anwahlen und mit Taste oder ein wahren.
Decoder
1 Wird fur ein Programm ein Decoder (Descrambler) besteht und angeschlossen, daß muß – unter der Einblendung «Decoder», für den entsprechenden Programmplatz «ON 1, ON 2 oder ON 3« (abhängig vom jeweiligen Decoder) gewählt werden.
i! Wenn kein Decoder angeschlossen ist auf aus stellen.
Einstellung für den Betrieb mit Decoder.
sieheSeite15
Sleep Timer einstellen
i Mit dem Menu SLEEP TIMER« konnen Sie fur ihr Fernenheger eine Ausschaltzeit eingeben. Das Gerat schaltet nach Ablauf der eingestellen Zeit in Bereitschaft (standby).
1 Aus dem «DIALOG CENTER« die Zeile «SLEEP TIMER« mit Taste «oder « anwahlen und mit Taste «OK» bestätigten.
2 Das Menu SLEEP TIMER wird eingebrendet.

3 Mit den Ziffern-Tasten ⑧...⑨ die gewünschte Ausschaltzeit zweistelig eingeben (von 01...99 min).
4 Mit Taste kann die eingebene Ausschaltzeit gelöscht werden.
5 Mit Taste wird die Einstellung beendet.
Programmplatznummer einblenden
! Sie konnen die Nummer des Programplatzes standig einblenden.
1 Taste ① drucken und warten bis die Einblendung OK DIALOGENTERe erlischt. Die Einblendung der Programplatznummer erfolgt jetzt standig.
2 Funktion aufheben, dazu Taste (z) zweimal drucken.
Knnnne
Die Kindersicherung
Mit dieser Funktion konnen Sie eine Geheimzahl eingeben, mit der alle Funktionen gespeit werden
Kindersicherung aktivieren
1 «DIALOG CENTER« mit den Tasten ① und OK aufrufen.
2 Die Zeile »Kindersicherung« anwahlen und aufrufen.

3 Geheimzahl mit den Ziffern-Tasten ① ... ⑨ immer vierstig eingebehen (z.B. 1111).
4 Geheimzahl mit Taste OK speichern.
1 Der Schlüssel entscheid in "Rot", die Seite »KINDERSICHERUNG« mit Taste 175 abschalten.
Nach Aus- und Wiedereinschalten des Fernsehgerates blendet sich die Seite « Kindersicherung « ein; alle Funktionen sind gespent.
i Bittie die gespeicherte Geheimzahl gut merken! Falls Sie die Geheimzahl vergessen haben, hilft Ihnen eine Ziffernkombination auf der letzten Seite dieser Bedienungsanleitung weiter. Wenn Sie nacheinander these Tasten der Fernbedienung drucken, wird die „Verregelung" aufgehoben.
Kindersicherung abschalten
1 Gerat einschalten.
2 Geheimzahl mit den Ziffern-Tasten ⑧ ... ⑨ immer vierstellig eingegeben (Z.B.1111). Das Gerat schaltet auf das Fernsehbild. Nach erneutem Aus- und Wiedereinschalten des Gerates ist die Kindersicherung wieder aktiv.
i Funktion Kindersicherung aufheben (deaktivieren) Hierzu aus dem «DIALOG CENTER« die Zeile «Kindersicherung» anwahlen und aufrufen. Geheimzahl vierstig eigeben und die Taste Oaux drucken.
SERVICE-Funktion
1 «DIALOG CENTER« mit Taste ① und Taste OK aufrufen.
Die Zeile SERVICE mit Taste oder anwahlen und mit Taste OK aufrufen.
3 Gewünsche Funktionen (Decoder, Farbe, Blauer Bildschirm, Schwarz. Bildschirm, Sendername, SAT, Service Code) mit Taste oder anwahlen.
4 Mit Taste 一 oder 一 verändern.
Die Einstellungen werden jeweils mit Taste beendet.
Decoder (P1-99)
Siehe Einstellung fur Betrieb mit Decoder (Seite 15).
! Wird der Decoder programmplatzbezogen eingestellt ist automatisch die Einstellung »manuell« gewahlt.
Farbe (Farbnorm manuell einstellen)
Beim Belegen der Programmplatze mit dem Programmsuchlauf wird die Farbnorm automatisch zugeordnet. Ist die Farbe der verschiedenen Programme in Ordnung, brauchen Sie diese Einstellung nicht durchführten, sonst
1 kann zwischen PAL oder auto gewählt werden.
Blauer Bildschirm wahlen
Mit dieser Einstellung kann bei verrauschtem Bild auf ein blaes Bild umgeschalten werden.
Schwarzer Bildschirm wahlen
Mit dieser Einstellung wird storendes Programmflammern während des Umschalten des Programmplatzes vermieden.
□ Sendername
Von einigen Sendeanstalten wird der Sendername angeboten. Diese wird beim Wechseln des Programmplatzes kurz angezeigt. Sie können diese Anzeige abschalten.
1 Die Zeite 忍 Sendername 忍 anwahlen und mit Taste oder aus einstellten.
Beim Wechseln des Programmplatzes wird nur noch die Nummer des Programmplatzes angezeigt.
SAT
Theseinstellung muß auf »aus« stehen und dar nicht verandert werden. (Wurde SAT ON1/ON2 « gewählt, ist keine Pro grammplatzwahl möglich.
i Die Funktionen dieser Zeile sind dem Fachhandler vorbehalten.(IR-Dataprogrammer IDP 2 HP ist bei SAT-Nachrustung ohne Funktion.)
Service- und Sonderfunktionen
1. Einschaltfunktionen
1.1 ATS-Reset (Automatic Tuning System)
Netzschalter "EIN" mit gedrückter Fernbedientaste -> Sprachauswahl -> OK.
Das Automatische Sendersuchsystem stoppt bei jedem empfangswürdigen Sender (AFC und Koinzidenz) und speichert automatisch die entsprechenden Senderdaten mit dem jeweiligen Standard (die Speicherung findet unmittelbar im NVM staat). Danach wird der Suchlauf fortgesetzt.
Tastendruck "TXT" bricht den ATS-Lauf ab.
1.2 Mittelwerte / Notdatensatz laden (ROM-Daten)
Fernbedientaste gedrückt halten und das Gerät mit dem Netzschalter einschalten. Dadurch wird z. B. nach Austausch des IC82005 (NVM) das Gerät mit dem Notdatensatz gestartet.
Mit thisem Vorgang werden die Grund-Daten aus dem ROM des Prozessors IC81050 in den NVM IC82005 kopiert:
IC82005: (gerätespezifische Daten, über Dialog Center einstellbar)
- Farb- und Ton-Normen
- Decodereinstellungen
- Umkehrpunkt
- Sendername on/off
- OSD Position
- Blue Screen on/off, Black Screen on/off
- ATS-Reset
- Hotel-Mode on/off
- AGC und AFC
- Oko-Schalter
- Bildrohrrentype
- Analogwerte (Lautstärke, Helligkeit usw.)
- Bildschärfe
- Security on/off
- Geometrieabgleich
- Programmdaten (Kanal-/Feinabstimmung, Senderkennung)
Danach über das Dialog Center die persönlichen Werte, Bildgeometrie eingeben.
1.3 Programmsperre (Kindersicherung) aufheben
Durch Eingabe der Zahl 7038 wird die Sperre aufgehoben.
2. Sonderfunktionen im Dialog Center
2.1 Öko-Netzschalter aktivieren bzw. deaktivieren (optional)
Mit Taste "1" die Dialogzeile "Öko-Netzschalt." über "DIALOG CENTER" -> "OK" -> "SONDERFUNKTIONEN" -> "OK" aufrufen. Mit der Taste < oder > "1h...3h" sollen.
Das Gerät schaltet sich nach der eingestellen Zeit, oder durch zweimaligen Tastendruck der Taste aus dem Standby-Betrieb komplett ab.
In Stellung "aus" wird diese Funktion nicht genutzt.
2.2 Einschalten mit Programm "1" oder "AV"
Mit Taste "I" die Dialogzeile "TV einsch. mit" über "DIALOG CENTER" → "OK" → "SONDERFUNKTIONEN" → "OK" aufrufen. In Stellung "AV" erscheint beim Einsatzen das AV-Bild.
2.3 "Bild-/Toneinst." ein oder aus für alle Programme
Mit Taste "1" die Dialogzeile "Bild-/Toneinst." über "DIALOG CENTER" "OK" "SONDERFUNKTIONEN" "OK" aufrufen. In Stellung "aus" erscheinen keine Balkenanzeigen für die Analogwerte auf dem Bildschirm.
2.4 Automatische Lautstärkebegrenzung (Volume Limiter), optional
Mit Taste "1" die Dialogzeile "Autom. Lautst." über "DIALOG CENTER" "OK" "SONDERFUNKTIONEN" "OK" aufrufen. In Stellung "ein" wird bei großen Senderhübden die Lautstärke automatisch an den normalen Hub angepaßt.
2.5 Programmplatzbezogene Decoder-Einstellung
Mit Taste "i" die Dialogzeile "Decoder Pxx" über "DIALOG CENTER" -> "OK" -> "SONDERFUNKTIONEN" -> "OK" aufrufen. Mit der Taste oder können Sie programmplatzbezogen das Decoder-Bit setzen.
Setzen bzw. rücksetzen aller Programmplätze siehe Punkt 4.3.
3. Bild-Einstellungen
Grundeinstellung
Mit der roten Taste (Auge) das Bild-Menu aufrufen. Über die Menüführung ist die Regulierung von Kontrast, Bildscharfe und Tint (nur bei NTSC-Quellen) möglich.
Die Analogwerte für Kontrast, Bildschärfe und Tint werden beim Verlassen des Menus automatisch gespeichert.
4. Offene Service-Einstellungen
4.1 Maximale Programmnummer (Umkehrpunkt):
Programmnummer aufrufen, ab der die Programmplätze gesamt werden sollen. Mit Taste "i" die Dialogzeile "MANUELLE ABSTIMMUNG" über das "DIALOG CENTER" "OK" aufrufen. Über die Menüführung in der Dialogzeile Kanal "00" einstellen. Mit "OK" bestimmten und Menu beenden. Danach können im Programm-Mode mit den Tasten ▲ oder ▼ die nachfolgenden Programme nur bis zu dem mit "00" belegten Programmplatz fortgeschaltet werden.
Wird der Umkehrpunkt auf einen Programmplatz ≤ 10 gelegt ist nur eine einstellige Programmwahl möglich.
4.2 AFC Regelung
Die letzten zwei belegten Programmplätze vor dem Umkehrpunkt sind mit einer AFC-Regelung ausgestattet (Videorecorder über HF).
4.3 Decoder P1...99
Mit Taste "i" die Dialogzeile "Decoder (P1-99)" über "DIALOG CENTER" -> "OK" -> "SERVICE" -> "OK" aufrufen. Mit der Taste oder können Sie auf allen Programmplätzen das Decoder-Bit im EEPROM setzen bzw. rücksetzen.
"Manuell" zeigt, daß mindestens 1 Programmplatz auf Decoder "on" steht. Programmplatzbezogene Decoder-Einstellung siehe Punkt 2.5.
4.4 Farb-Zwangsumschaltung
Mit Taste "1" die Dialogzeile "Farbe" über "DIALOG CENTER" "OK" "SERVICE" "OK" aufrufen. Mit der Taste oder konnen Sie in schlechter Empfangslage programmplatzbezogen die automatische Farbumschaltung zwangsweise auf eine feste Farbnorm einstellen.
4.5 Blauen Bildschirmhintergrund abschalten
Mit Taste "i" die Dialogzeile "Blauer Bildschirm" über "DIALOG CENTER" "OK" "SERVICE" "OK" aufrufen. In Stellung "aus" ist der blaue Hintergrund (z.B. bei fehlendem Antennensignal) abgeschallt.
4.6 Schwarzer Bildschirm bei der Programmumschaltung
Mit Taste "i" die Dialogzeile "Schwarz. Bildschirm" über "DIALOG CENTER" -> "OK" -> "SERVICE" -> "OK" aufrufen. In Stellung "ein" wird der Bildschirm bei Programmwechsel dunkelgeschaltet.
4.7 IDP2 HP (Handler-Programmer)
Mit Taste "i" die Dialogzeile "IDP2 HP" über "DIALOG CENTER" -> "OK" -> "SERVICE" -> "OK" aufrufen. Der Schriftzug wird rot. Über den Handler-Programmer IDP2 konnen die Empfangskanäle programmiert werden.
4.8 Sendername aus-bzw. einblenden
Die Kennung wird über VT bzw. VPS ausgegeben (wird nicht von allen Sendern abgestraht).
Mit Taste "i" die Dialogzeile "Sendername" über "DIALOG CENTER" "OK" "SERVICE" "OK" aufrufen. In Stellung "aus" konnen Sie die kurzzeitige Einblendung des Sendernamens bei der Programmumschaltung unterträcken.
5. Service-Einstellungen für den Fachhandel
5.1 Service Menu
Mit Taste "i" das Service Menu über "DIALOG CENTER" -> "OK" -> "SERVICE" -> "OK" -> Service Code aufrufen.
Nach Eingabe der Codezahl "8500" kann der Fachhändler den Geräteabgleich It. Menüführung durchführren für:
-
WHITE ADJUSTMENT
-
GEOMETRIE
- AGC
- OSD horizontal
- OSD vertical
- Hotel
- Tube
- Cut-off align
- Overscan
- NTSC 3,6
-ASIS - Multi IF
-End
Abgleich:Seite 2-1
5.2 OSD-Lage
Mit Taste "1" die Dialogzeile "OSD" über "DIALOG CENTER" -> "OK" -> "SERVICE" -> "OK" -> Service Code "8500" aufrufen.
Mit der Taste oder können Sie die horizontale, oder vertikale Lage des Einblend-Menus verschieben.
Dialogzeile "End" mit "with mem." sichern.
5.3 Hotel-Mode
5.3.1 Hotel-Mode aktivieren
Mit Taste "1" die Dialogweite "Hotel" über "DIALOG CENTER" -> "OK" -> "SERVICE" -> "OK" -> Service Code "8500" aufrufen.
Bei aktiviertem "Hotel-Mode" ist:
- der Aufruf des "DIALOG CENTER" mit der Taste "i" nicht mehr möglich.
- die zuletzt eingestellte Lautstärke wird als maximale Lautstärke gespeichert.
5.3.2 Hotel-Mode ausschalten
Taste "i" der Fernbedienung gedrück gehen und das Gerät mit dem Netzschalter einschalten. Im Menu "SERVICE" Hotel-Mode wieder ausschalten.
5.4 Schutzschaltung deaktivieren
Taste "i" der Fernbedienung gedrück gehalten und das Gerät mit dem Netzschalter einschalten. Die Schutzschaltung des Gerätes wird am Videoprozessor IC34015-(50) nicht ausgewertet. Das Videosignal an der Bildröhre wird dunkelgetastet, das Netzeil nicht abgeschaltet. Die Menüeinblendung ist je nach Fehler möglich.
- Einstellung der Analogwerte
| Maximalwert | Optimalwert TDA 884x | |
| Helligeit | 63 | 32 |
| Farbkontrast | 63 | 40 |
| SW-Kontrast | 63 | 48 |
| Lautstärke | 63 | 22 |
| Bildschärfe | 5 | 2 |
| Tint | 63 | 32 |
Automatische Speicherung der Analogwerte:
- Nach ca. 8 Sekunden,
- nach Schalten in Standby,
- nach Wechsel von TV zu AV,
- nach Wechsel der einzelnen AV-Stellungen.
Nach Speicherung der Minimal-Lautstärke entscheidt beim Einschalten des Gerätes der Lautstärkebalken für ca. 10 Sekunden.
Mit "AUX" "OK" können Sie die Optimalwerte für die Ton- und Bildeinstellungen wiederherstellen.
Die Optimalwerte werden aus dem EEPROM IC82005 geladen.
7. Audio-/Video-Anschlüsse
AV-Buchsenbeschaltung
| Buchse | Eingang | Ausgang | Schaltsignal |
| AV1 | RGB (Pin 7,11,15) | - | 12V Schaltspannung (Pin 8) 1V Fastblanking (Pin 16) |
| FBAS (Pin 20) | FBAS (Pin 19) | 12V (Pin 8) |
Pin Signal
1 = Audio Ausgang rechts
2 = Audio Eingang rechts
3 = Audio Ausgang links
4 = Audio Masse
5 = Blau Masse
6 = Audio Eingang links
7 RGB Blau Eingang
Chroma Ein-/Ausgang bei SVHS
8 = Schaltspannung
FBAS/ExterneQuelle)
0/12V/(6V/nur bei 16:9)
9 Grun Masse
10 = Datenleitung MEGALOGIC
11 = RGB Grün Eingang
12 = Daten
13 = Rot Masse
14 =
15 = RGB Rot Eingang
Chroma Aus-/Eingang bei SVHS
16 = RGB Schaltspannung
(1V Fastblanking)
17 = Video Masse
18 = RGB Schaltspannung Masse
19 = FBAS/Y Ausgang
20 = FBAS/Y Eingang
21 = Abschirmung/Masse

21 19 1
Nach einer Reparatur bzw. Wechsel des NVM (IC82005) muß kontrolliert werden, ob der NTSC Quarz 3,58MHz (Q34044, Seite 3-3) bestückt ist. Bei nicht bestücktem Quarz muß über das Menu die Dialogzeile "NTSC 3,6" auf "aus" gestellt werden.
Taste "1" -> "OK" -> SERVICE -> "OK" -> SERVICE Code "8500" -> NTSC 3,6 "aus" und über die Dialogzeile "END" mit "with mem." sichern.
Alle nicht beschrieben Einstellelemente sind werkseitig abgegliedchen und dürfen im Service-Fall nicht verstellt werden.
Chassisplatte
Meßgeräte: Digitalvoltmeter, Farbbildgenerator, Spektrumanalyser, HF-Millivoltmeter
Servicearbeiten nach Austausch bzw. Reparatur:
-Netzteil:Abgleich1.
- Tuner: Abgleich 2.
- ZF, Videodemodulator: Abgleich 2.
- Bildrohre, Bildhrplatte: Abgleich 7...9.
- Ablenkung: Abgleich 9.
- NVM IC82005: Abgleich 2...7., 10...11.
| Abgleich | Vorbereitung | Abgleichvorgang |
| 1. +A Spannung | Nach jeder Reparatur und vor jedem Abgleich kontrollierten und gegebenfalls einstellen.Helligkeit: Minimum Digitalvoltmeter: Kathode D61016 | R60037 nach Tabelle im Teilschaltplan Netzteil einstellen. |
| 2. Tuner-AGC | Spektrumanalyser oder HF-Millivoltmeter unsymmetrischen an Tunerkontakt 10 oder 11.Senderbild oder Generator über die Antenne einspeisen, 70...80dBμV.Dialogzeile "AGC" über "i" (DIALOG CENTER) -> "OK" -> SERVICE -> "OK" -> Service Code "8500" aufrufen. | Mit der Taste < oder > 102dBμV (360mVss) einstellen.Ersatzweise wird ohne Spektrumanalyser oder HF-Millivoltmeter mit der Taste < oder > das Bild so abgestimmt, daß es gerade zu rauschen beginnnt. Dann soweit darüber-stehen, bis das Bild wieder rauschfrei wird.Dialogzeile "End" mit "with mem." beenden. |
| 3. OSD | Dialogzeile "OSD" über "i" (DIALOG CENTER) -> "OK" -> SERVICE -> "OK" -> Service Code "8500" aufrufen. | Mit der Taste < oder > das Menu in die Bildmitte stellen.Dialogzeile "End" mit "with mem." beenden. |
| 4. Tube(Bildrohrentyp) | Dialogzeile "Tube" über "i" (DIALOG CENTER) -> "OK" -> SERVICE -> "OK" -> Service Code "8500" aufrufen. | Mit der Taste < oder > die richtige Bildschirmdiagonale eingeben.Dialogzeile "End" mit "with mem." beenden. |
| 5. Overscan(Abschalt-verhalten derBildrohre) | Dialogzeile "Overscan" über "i" (DIALOG CENTER) -> "OK" -> SERVICE -> "OK" -> Service Code "8500" -> aufrufen. | Mit der Taste < oder > auf "aus" stellen.Dialogzeile "End" mit "with mem." beenden. |
| 6. NTSC 3,6 | Dialogzeile "NTSC 3,6" über "i" (DIALOG CENTER) -> "OK" -> SERVICE -> "OK" -> Service Code "8500" -> aufrufen. | Mit der Taste < oder > bei Geräten mit NTSC auf "ein" bzw. ohne NTSC auf "aus" stellen.Dialogzeile "End" mit "with mem." beenden. |
| 7. Weißwert | Grautreppe mit Burst einspeisen.Kontrast (Ø) Maximum.Farbkontrast (Ø) Mittelwert.Bildschirmhelligkeit (Ø) Mittelwert.Dialogzeile "WHITE ADJUSTMENT" über "i" (DIALOG CENTER) -> "OK" -> SERVICE -> "OK" -> Service Code "8500" aufrufen. | Mit der Taste < oder > "die Werte für Grün" bzw. "Blau" so einstehen, daß das Testbild unbunt wird.Kontrolle des Weißabgleichs mit Kontrast Minimum und Maximum.Mit Taste < zurück ins SERVICE-Menu und Dialogzeile "End" mit "with mem." beenden. |
| 8. Cut-off align(Schirmgitter-spannung UG2) | Dialogzeile "Cut-off align" über "i" (DIALOG CENTER) -> "OK" -> SERVICE -> "OK" -> Service Code "8500" aufrufen. | Mit dem Einstellregler U62 (Splittrafo) den zuerst erscheidenden roten, grünen, blauen oder mischfarbenen Strich gerade gut sightbar einstellen.Mit "OK" zurück ins Menu. |
| 9. Zeilenschärfe | Konvergenztestbild einspeisen.Kontrast (Ø) Maximum.Bildschirmhelligkeit (Ø) so einstellen, daß der schwarze Testbildhintergrund sich gerade aufzuhellen beginnnt. | Mit dem Focusregler U6 (Splittrafo) die vertikalien Linien ca. 5cm vom rechten und linken Bildrand auf keinste horizontalité Breite einstellen.Die Mittenschärfte darf nicht schlechter als die Randschärfte erscheinen, ggf. mitteln. |
Geometrieinstellung in betriebswarmem Zustand (ca. 15 Min.), mit dem Abgleich Mittelpunkt S-Korrektur (Vertical Slope) beginnen und Reihenfolge einhalten!
| Abgleich | Vorbereitung | Abgleichvorgang |
| 10. Mittelpunkt S-Korrektur (Vertical Slope) | Geometriebild einspeisen. Menu "Vertical Slope" über "I" (DIALOG CENTER) -> "OK" -> SERVICE -> "OK" -> Service Code "8500" -> "GEOMETRIE" -> "OK" aufrufen. | Die Mittellidine des Testbildes in der Dialogzeile "Vertical Slope" mit der Taste < oder > so abgleichen, daß sie gerade noch sightbar ist.Falls nach erfolgtem Geometrie-Abgleich am unteren oder oberen Bildrand Linearitätsfehler auftreten, Einstellung leicht korrigieren. |
| 10.1 Vertikale Bildlage (Vertical Correkt.) | Menu "Vertical Correkt." aufrufen. | Mit der Taste < oder > mittlere Gitterlinie auf Bildschirm-mitte einstellen. |
| 10.2 Vertical Amplitude | Menu "Vertical Amplitude" aufrufen. | Mit der Taste < oder > Bildamplitude einstellen. |
| 10.3 Vertical Linearit. | Menu "Vertical Linearit." aufrufen. | Mit der Taste < oder > nach Testbild einstellen.Mit Taste "I" darüber ins Menu "SERVICE" und Dialogzeile "End" mit "with mem." beenden. |
| 11. Horizontale Bildlage (Horizontal Shift) | Geometriebild einspeisen. Menu "Horizontal Shift" über "I" (DIALOG CENTER) -> "OK" -> SERVICE -> "OK" -> Service Code "8500" -> "GEOMETRIE" -> "OK" aufrufen. | Mit der Taste < oder > nach Testbild einstellen.Dialogzeile "End" mit "with mem." beenden. |
GB Alignment
Attention!
Platinenabbildungen und Schaltpläne / Layout of the PCBs and Circuit Diagrams
Chassisplatte
Koordinaten für die Bauteile der Bestückungsseite (Oberseite)
Chassis Board
Chassisplatte
Koordinaten für die Bauteile der Lötteite (Unterseite)
Chassis Board
Coordinates of the components on the Solder Side (Bottom Side)
| Pos.-Nr./Pos. No. | Coordinates | Pos.-Nr./Pos. No. | Coordinates | Pos.-Nr./Pos. No. | Coordinates | Pos.-Nr./Pos. No. | Coordinates | Pos.-Nr./Pos. No. | Coordinates | Pos.-Nr./Pos. No. | Coordinates | ||||||
| X | Y | X | Y | X | Y | X | Y | X | Y | X | Y | ||||||
| CBR100 | 208 | 48 | CC41009 | 258 | 37 | CD32421 | 97 | 53 | CR32502 | 45 | 63 | CR46026 | 170 | 68 | CR81072 | 213 | 116 |
| CBR108 | 80 | 95 | CC41011 | 261 | 43 | CD32460 | 78 | 67 | CR32521 | 52 | 83 | CR50011 | 96 | 76 | CR81073 | 179 | 114 |
| CBR111 | 97 | 64 | CC41012 | 252 | 44 | CD32465 | 86 | 60 | CR32522 | 43 | 83 | CR50012 | 91 | 78 | CR81080 | 201 | 96 |
| CBR114 | 106 | 76 | CC41013 | 17 | 8 | CD32465 | 94 | 53 | CR32523 | 40 | 84 | CR50019 | 69 | 148 | CR81081 | 221 | 91 |
| CBR121 | 213 | 79 | CD32465 | 94 | 53 | CR32524 | 54 | 83 | CR50027 | 59 | 112 | CR81082 | 188 | 68 | |||
| CBR124 | 25 | 110 | CC41112 | 260 | 91 | CD80007 | 173 | 48 | CR32525 | 69 | 79 | CR52247 | 110 | 68 | CR81083 | 191 | 68 |
| CBR125 | 20 | 50 | CC41113 | 255 | 90 | CR32526 | 48 | 82 | CR52251 | 115 | 76 | CR81084 | 194 | 76 | |||
| CBR126 | 55 | 76 | CC41116 | 263 | 90 | CIC32410 | 35 | 110 | CR32527 | 52 | 90 | CR52252 | 91 | 68 | CR81086 | 200 | 83 |
| CBR131 | 66 | 75 | CC43003 | 16 | 81 | ||||||||||||
| CBR133 | 24 | 127 | CR31021 | 25 | 46 | CR32528 | 48 | 85 | CR52254 | 97 | 67 | CR81087 | 195 | 93 | |||
| CC43008 | 16 | 78 | CR31041 | 27 | 37 | CR32529 | 34 | 83 | CR52255 | 111 | 60 | CR81089 | 171 | 57 | |||
| CBR134 | 25 | 108 | CC43013 | 10 | 65 | CR31043 | 41 | 34 | CR33014 | 92 | 94 | CR52261 | 113 | 76 | CR81091 | 192 | 76 |
| CBR135 | 54 | 109 | CC43018 | 14 | 71 | CR31044 | 69 | 31 | CR33018 | 73 | 72 | CR52262 | 99 | 79 | CR81120 | 179 | 102 |
| CBR140 | 20 | 110 | CC43057 | 148 | 76 | CR31046 | 15 | 50 | CR34031 | 125 | 58 | CR52264 | 32 | 137 | CR81121 | 170 | 101 |
| CBR141 | 24 | 124 | CC43058 | 145 | 76 | ||||||||||||
| CBR142 | 56 | 103 | CR31047 | 21 | 46 | CR34032 | 133 | 65 | CR52266 | 113 | 166 | CR81122 | 176 | 102 | |||
| CBR145 | 35 | 124 | CC43248 | 10 | 127 | CR31052 | 23 | 36 | CR34064 | 96 | 97 | CR54021 | 91 | 156 | CR81500 | 239 | 128 |
| CBR145 | 145 | 111 | CC44021 | 254 | 60 | ||||||||||||
| CBR147 | 29 | 137 | CC44031 | 248 | 52 | CR32011 | 60 | 81 | CR34070 | 139 | 103 | CR57002 | 35 | 132 | CR81501 | 239 | 126 |
| CBR150 | 221 | 86 | CC46004 | 224 | 114 | ||||||||||||
| CBR183 | 159 | 48 | CR32023 | 85 | 118 | CR34071 | 86 | 98 | CR57003 | 11 | 149 | CR81503 | 235 | 127 | |||
| CC46014 | 181 | 83 | CR32101 | 110 | 126 | CR34072 | 146 | 89 | CR57004 | 23 | 136 | CR81504 | 242 | 119 | |||
| CBR208 | 186 | 81 | CC46015 | 178 | 83 | CR32102 | 95 | 113 | CR34074 | 142 | 72 | CR57008 | 13 | 141 | CR81505 | 245 | 119 |
| CBR209 | 181 | 80 | CC46016 | 172 | 83 | CR32103 | 99 | 104 | CR34075 | 126 | 97 | CR57011 | 15 | 141 | CR81509 | 180 | 36 |
| CBR57000 | 9 | 136 | CR32104 | 107 | 125 | CR34076 | 153 | 80 | CR57012 | 18 | 141 | CR82001 | 217 | 84 | |||
| CBR81004 | 186 | 124 | CC46021 | 192 | 83 | ||||||||||||
| CBR81050 | 216 | 79 | CR32105 | 86 | 127 | CR34077 | 137 | 88 | CR57016 | 20 | 136 | CR82003 | 221 | 78 | |||
| CBR81013 | 212 | 83 | CC46023 | 180 | 76 | CR32107 | 110 | 108 | CR34079 | 142 | 103 | CR57021 | 94 | 143 | CR83001 | 254 | 113 |
| CBR84012 | 206 | 79 | CC46026 | 167 | 64 | CR32108 | 93 | 111 | CR34080 | 128 | 97 | CR57022 | 148 | 91 | CR83003 | 254 | 116 |
| CBR84019 | 28 | 127 | CC46027 | 176 | 79 | ||||||||||||
| CBR84019 | 27 | 46 | CC50011 | 102 | 76 | CR32111 | 103 | 103 | CR34084 | 144 | 39 | CR57025 | 147 | 113 | CR83004 | 254 | 119 |
| CBR31047 | 15 | 47 | CC50012 | 97 | 79 | CR32112 | 106 | 129 | CR34089 | 153 | 38 | CR57013 | 23 | 141 | CR84001 | 269 | 180 |
| CBR31048 | 16 | 37 | CC50013 | 53 | 157 | CR32113 | 124 | 119 | CR34022 | 161 | 35 | CR57016 | 27 | 158 | CR84002 | 252 | 171 |
| CBR31051 | 30 | 46 | CC50018 | 49 | 157 | CR32114 | 124 | 121 | CR34023 | 159 | 38 | CR57017 | 27 | 152 | CR84003 | 248 | 124 |
| CBR31052 | 33 | 46 | CC50021 | 56 | 157 | ||||||||||||
| CBR32026 | 71 | 122 | CC50026 | 62 | 150 | CR32119 | 61 | 121 | CR34032 | 189 | 16 | CR57014 | 27 | 154 | CR84007 | 162 | 126 |
| CBR32106 | 98 | 126 | CC50047 | 69 | 163 | CR32124 | 123 | 125 | CR34033 | 195 | 27 | CR60014 | 180 | 187 | CR84008 | 226 | 86 |
| CBR32110 | 95 | 126 | CC52007 | 8 | 169 | CR32128 | 108 | 101 | CR34038 | 136 | 15 | CR60031 | 189 | 190 | CR84009 | 226 | 88 |
| CBR32111 | 90 | 112 | CC52246 | 108 | 68 | CR32133 | 114 | 121 | CR34039 | 132 | 20 | CR60032 | 140 | 195 | CR84010 | 186 | 36 |
| CBR32118 | 80 | 131 | CC52248 | 113 | 68 | ||||||||||||
| CBR32121 | 125 | 125 | CC52266 | 186 | 116 | ||||||||||||
| CBR32124 | 119 | 126 | CC54021 | 87 | 152 | CR32142 | 118 | 120 | CR34052 | 105 | 43 | CR61041 | 106 | 149 | CR85001 | 255 | 179 |
| CBR32125 | 119 | 126 | |||||||||||||||
| CBR32152 | 90 | 105 | CC57003 | 94 | 79 | CR32150 | 109 | 129 | CR34061 | 66 | 18 | CR61051 | 149 | 150 | CT2305 | 254 | |
| CBR32201 | 26 | 79 | |||||||||||||||
| CBR32202 | 30 | 85 | CC57016 | 9 | 139 | ||||||||||||
| CR32153 | 72 | 118 | |||||||||||||||
| CR32154 | 72 | ||||||||||||||||
| CR32155 | 72 | ||||||||||||||||
| CR32156 | 72 | ||||||||||||||||
| CR32157 | 72 | ||||||||||||||||
| CR32158 | 72 | ||||||||||||||||
Chassisplatte Chassis Board
Bestückungsseite, Ansicht von oben Component Side, Top View

Chassisplatte
Chassis Board
Lötsite, Ansicht von unten Solder Side, Bottom View

Oszillogramme Chassis / Oscillograms Chassis

① 500mV / cm,2 s / cm

(2) 2 ~V / cm, 2 s / cm

(3) 200 ~mV / cm, 2 s / cm

(4) 100 ~V / cm, 2 s / cm

(5) 500 mV / cm, 5 ~ms / cm

(6) 1V/cm, 5ms/cm

⑦ 10V/cm, 5ms/cm

(8) 2 ~V / cm, 5 ~ms / cm

(9) 2 ~V / cm, 10 s / cm

(10) 2V/cm, 10μs/cm

12V/cm, 10μs/cm

(12) 200 ~V / cm, 10 s / cm

13 5V/cm, 10μs/cm

14 50V/cm, 10μs/cm

(15) 10 ~V / cm, 10 s / cm

16 20V/cm, 10μs/cm

(17) 1V/cm, 10μs/cm

(18) 500 mV / cm, 10 s / cm

(19) 1V/cm, 10μs/cm
Zeile / line

(20) 1 ~V / cm, 200 s / cm
Bild / picture
Oszillogramme Chassis / Oscillograms Chassis
Chassisplatte (vergroßert) Teil 1
Lötseite, Ansicht von unten
Chassisplatte (vergroßert) Teil 2
Lötseite, Ansicht von unten

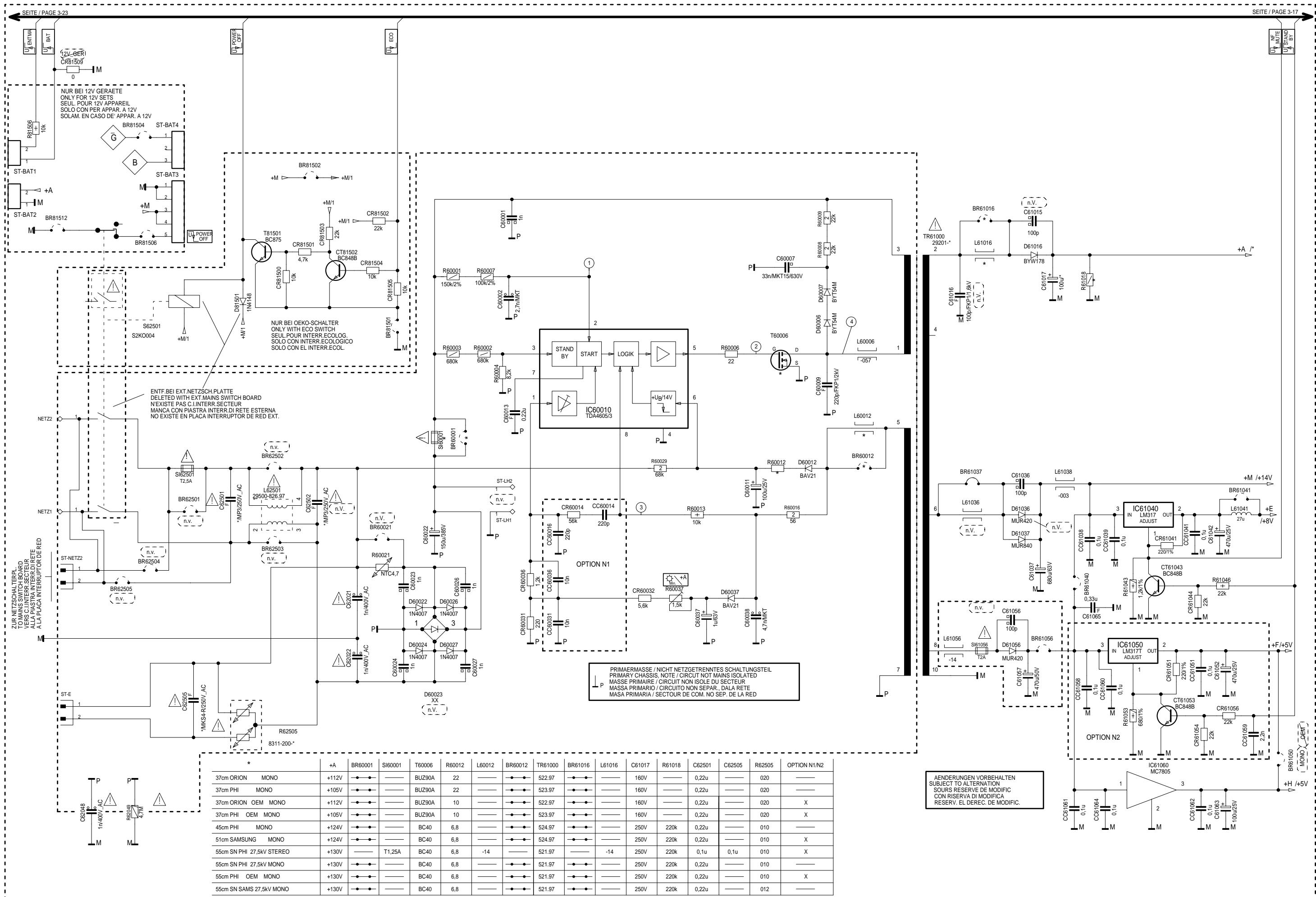
Teilschaltplan Netzteil / Circuit Diagram Mains Section
Teilschaltplan Ablenkung / Circuit Diagram Deflection Section

-
oder OPTION – siehe Seite 3-23
-
or OPTION - see page 3-23.

Teilschaltplan Prozessor / Circuit Diagram Processor Section
- oder OPTION - siehe Seite 3-23
- or OPTION - see page 3-23

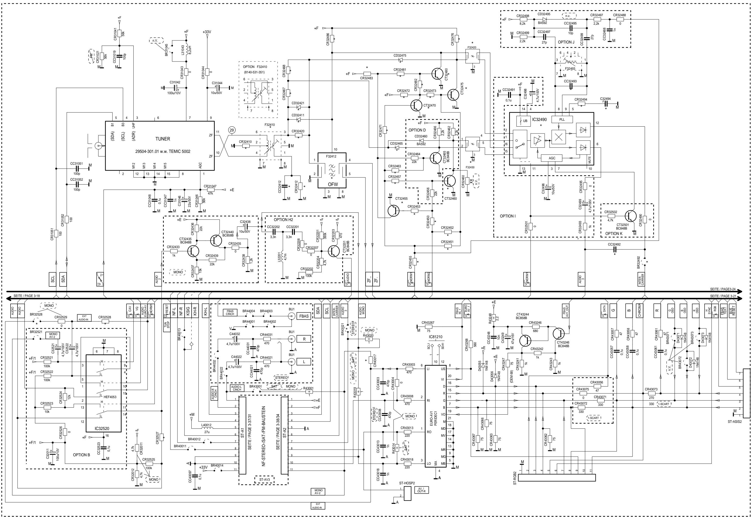
Teilschaltplan Tuner/Buchsen / Circuit Diagram Tuner/Socket Section
-
oder OPTION - siehe Seite 3-23
-
or OPTION - see page 3-23.

Teilschaltplan Video / Circuit Diagram Video Section
Teilschaltplan Audio / Circuit Diagram Audio Section
| * | INLAND MONO | FR MONO | INLAND STEREO | FR STEREO | MULTI/7 NICAM STEREO | OIRT MONO | MULTI/7 MONO | MULTI/8 MONO | MULTI/VI MONO | MULTI/8 STEREO |
| C32024 | - | - | 2,2n | 1,5n | 2,2n | - | - | - | - | 2,2n |
| F32109 | TPS5,5 | TPS6,0 | TPS5,5 | TPS6,0 | TPS6,0 | TPS5,5 | TPS6,0 | TPS6,0 | TPS5,5 | TPS6,0 |
| CR32111 | 560 | 1k | - | - | - | 560 | 560 | - | 560 | - |
| L32151 | 27u | 27u | - | - | - | 27u | 22u | - | 22u | - |
| CC32152 | 22p | 22p | - | - | - | 47p | 22p | - | 22p | - |
| BR32152 | - | - | X | X | X | - | - | X | - | X |
| CR32153 | - | - | - | - | - | - | - | 0 OHM | - | - |
| CR32160 | 0 OHM | - | - | - | - | - | - | - | - | - |
| CD32162 | - | BA592 | - | - | - | BA592 | - | - | - | - |
| F32162 | SFE5,5 | SFE5,5 | - | - | - | SFE5,5 | - | - | - | - |
| CR32163 | 680 | 680 | - | - | - | 680 | - | - | - | - |
| BR32165 | X | X | - | - | - | X | - | X | X | X |
| CR32167 | - | 4,7k | - | 4,7k | - | 0 OHM | 0 OHM | 0 OHM | 0 OHM | - |
| CD32167 | - | BA592 | - | - | - | BA592 | 0 OHM | 0 OHM | 0 OHM | - |
| F32167 | - | SFE6,0 | - | - | - | SFE6,5 | - | - | - | - |
| BR32167 | - | X | - | - | - | X | - | X | X | X |
| CR32410 | 0 OHM | - | 0 OHM | - | 0 OHM | 0 OHM | 0 OHM | - | 0 OHM | - |
| F32410 | 8141-107-600 | 8140-531-351 | 8141-107-600 | 8140-531-351 | 8141-107-600 | 8141-107-600 | 8140-531-351 | 8140-107-600 | 8140-531-351 | 8140-531-351 |
| CD32411 | - | BA592 | - | BA592 | BA592 | BA592 | BA592 | BA592 | BA592 | BA592 |
| CC32412 | - | 1n | - | 1n | 1n | 1n | 1n | 1n | 1n | 1n |
| CR32412 | 0 OHM | 1k | 0 OHM | 1k | 1k | 1k | 1k | 470 | 1k | 470 |
| F32412 | G1962 | K3451 | G1984 | K3451 | K3452 | K6255 | G6255 | K3451 | G6259 | K3451 |
| CR32420 | 0 OHM | - | 0 OHM | - | - | 0 OHM | 0 OHM | - | - | - |
| F32420 | - | L9460 | - | L9460 | - | - | - | L9460 | - | L9420 |
| CD32421 | - | BA592 | - | BA592 | BA592 | - | - | BA592 | - | BA592 |
| F32430 | - | - | - | - | - | - | - | K9554 | - | K9554 |
| CR32450 | - | 0 OHM | - | 0 OHM | - | - | - | 0 OHM | - | 0 OHM |
| CR32451 | - | - | - | - | 22k | 0 OHM | 0 OHM | - | 0 OHM | - |
| CR32450/52/53 | - | 22k | - | 22k | - | - | - | 22k | - | 22k |
| CR32455 | - | - | - | - | 0 OHM | 0 OHM | 0 OHM | 0 OHM | 0 OHM | 0 OHM |
| CT32455 | - | BC848 | - | BC848 | - | - | - | BC848 | - | BC848 |
| CR32457 | - | - | - | - | - | - | - | 22k | - | 22k |
| CT32460 | - | - | - | - | - | - | - | BC848 | - | BC848 |
| CR32463 | - | - | - | - | - | - | - | 22k | - | 22k |
| CD32465 | - | - | - | - | - | - | - | BA592 | - | BA592 |
| CR32467 | - | - | - | - | - | - | - | - | - | - |
| CR32468 | - | - | - | - | - | - | - | 0 OHM | - | 0 OHM |
| CT32470 | - | - | - | - | BC848 | - | - | BC848 | - | BC848 |
| CR32471 | - | - | - | - | 22k | - | 22k | 22k | - | 22k |
| CR32472 | - | - | - | - | 10k | 10k | 10k | 10k | - | 10k |
| CR32473 | - | - | - | - | - | 0 OHM | 0 OHM | 22k | 0 OHM | 22k |
| CD32475 | - | 0 OHM | - | 0 OHM | 0 OHM | - | - | BA592 | 0 OHM | BA592 |
| CT32475 | - | BC848 | - | BC848 | BC848 | - | - | BC848 | - | BC848 |
| CR32476 | - | 2,2k | - | 2,2k | 2,2k | - | 4,7k | 2,2k | 4,7k | 2,2k |
| CT32480 | - | BC848 | - | BC848 | BC848 | BC848 | BC848 | BC848 | BC848 | BC848 |
| CR32481 | - | 22k | - | 22k | - | - | - | 22k | - | 22k |
| CR32482 | - | - | - | - | 22k | 22k | 22k | 22k | 22k | 22k |
| CR32483 | - | 10k | - | 10k | - | - | - | 10k | - | 10k |
| CR32486 | - | 2,2k | - | 2,2k | 2,2k | 2,2k | 2,2k | 2,2k | 2,2k | 2,2k |
| IC32490 | - | U4467 | - | U4467 | - | - | - | U4488 | - | U4488 |
| CC32492 | - | - | - | 1n | - | - | - | - | 1n | 1n |
| BR32492 | - | - | - | - | - | - | - | X | - | X |
| CC32493 | - | - | - | - | - | - | - | 6,8p | - | 6,8p |
| F32493 | - | - | - | - | - | - | - | -352 | - | -352 |
| C32494 | - | - | - | - | - | - | - | 0,47u | - | 0,47u |
| CR32494 | - | - | - | - | - | - | - | 150 | - | 150 |
| CR32527/CR32528 | 0 OHM | - | - | - | - | 0 OHM | 0 OHM | - | 0 OHM | - |
| CC33021 | - | 1u | - | 1u | - | - | - | 1u | - | 1u |
| CC33022 | - | - | - | - | - | - | - | 1u | - | 1u |
| IC34015 | TDA8840 | TDA8842 | TDA8840 | TDA8842 | TDA8841 | TDA8841 | TDA8841 | TDA8842 | TDA8842 | TDA8842 |
| CC34039 | - | 0,22u | - | 0,22u | - | - | 0,22u | 0,22u | 0,22u | 0,22u |
| CR43017 | 0 OHM | - | 0 OHM | 0 OHM | 0 OHM | 0 OHM | 0 OHM | - | 0 OHM | 0 OHM |
| BR43021 | - | - | - | 0 OHM | - | - | - | - | - | - |
| CR81010 | - | 0 OHM | - | 0 OHM | - | - | 0 OHM | 0 OHM | 0 OHM | 0 OHM |
| OPTION A | - | X | - | X | X | X | X | X | X | X |
| OPTION B | - | X | - | - | - | - | - | X | - | - |
| OPTION C | - | X | - | - | - | X | - | - | - | - |
| OPTION D | - | - | - | - | - | - | - | X | - | X |
| OPTION F/G | - | X | - | X | X | X | X | X | X | X |
| OPTION H1/H2 | - | X | - | - | - | X | X | X | X | X |
| OPTION I | - | X | - | X | - | - | - | X | - | X |
| OPTION J | - | - | - | - | - | - | - | - | - | - |
| OPTION K | - | - | - | - | - | - | - | X | - | X |
| OPTION L | - | X | - | - | - | - | - | X |
D
| SAT-NACHRUESTUNG RETROFITTING SAT | R34073 | R43014 R43001 R43019 | R44014 R44013 |
| MONO | 1 | 1 | 1 |
| MONO SAT | - | - | - |
| STEREO | - | - | 1 |
| STEREO SAT | - | - | - |

CUC 2021 STEREO

Bildrohrplatte / CRT Panel

Bestückungsseite, Ansicht von oben / Component Side, Top View




Lötsite, Ansicht von unter / Solder Side, Bottom View

Prozessor-Platte / Processing Board
Prozessor-Platte / Processing Board

Bestückungsseite / Component Side

Bestückungsseite (SMD)/Component Side(SMD)
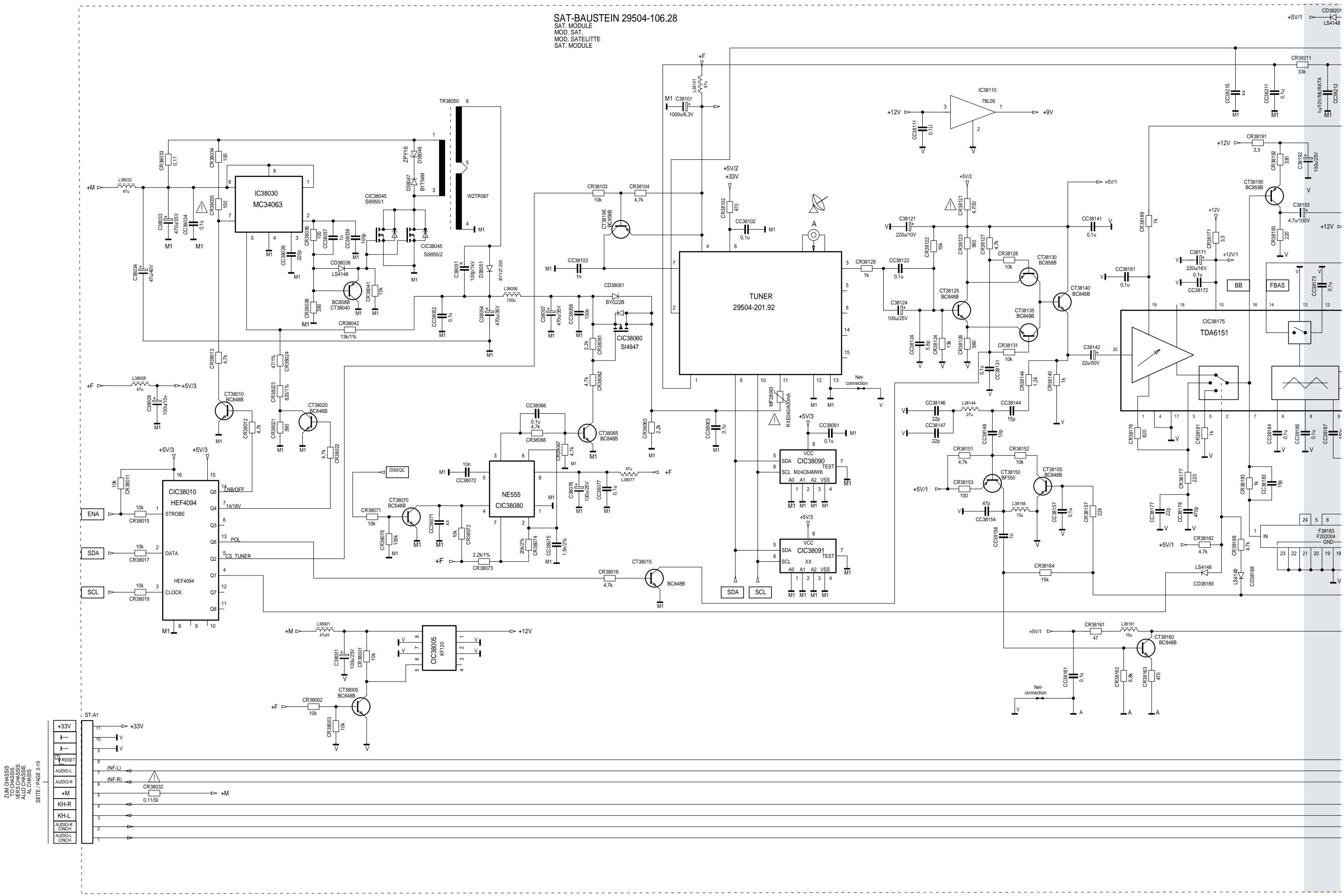
SAT-Baustein / SAT Module



Bestückungsseite, Ansicht von oben / Component Side, Top View
Koordinaten für die Bauteile der Bestückungsseite (Oberseite) Coordinates of the Components on the Components Side (Top Side
| Pos.-Nr./ Pos. No. | Koordinaten/ Coordinates | Pos.-Nr./ Pos. No. | Koordinaten/ Coordinates | ||
| X | Y | X | Y | ||
| C32322 | 17 | 25 | IC38030 | 80 | 132 |
| C32324 | 20 | 16 | IC38110 | 14 | 69 |
| C32327 | 72 | 47 | IC38220 | 50 | 85 |
| C32360 | 68 | 41 | |||
| C32364 | 105 | 51 | L32342 | 94 | 13 |
| L32343 | 64 | 6 | |||
| C38001 | 17 | 51 | L38001 | 10 | 42 |
| C38008 | 90 | 93 | L38008 | 100 | 80 |
| C38033 | 68 | 125 | L38032 | 71 | 116 |
| C38034 | 81 | 118 | |||
| C38051 | 100 | 114 | L38056 | 100 | 107 |
| L38077 | 63 | 108 | |||
| C38054 | 90 | 110 | L38101 | 110 | 76 |
| C38057 | 111 | 110 | L38144 | 72 | 53 |
| C38076 | 71 | 104 | L38156 | 90 | 51 |
| C38101 | 89 | 78 | |||
| C38121 | 55 | 54 | L38161 | 112 | 52 |
| C38124 | 78 | 76 | MF38063 | 110 | 91 |
| C38142 | 54 | 62 | |||
| C38171 | 25 | 62 | Q32305 | 99 | 41 |
| C38192 | 29 | 70 | |||
| C38193 | 38 | 69 | STA01 | 31 | 7 |
| STA02 | 91 | 7 | |||
| C38197 | 50 | 68 | STAV03 | 7 | 28 |
| C38222 | 69 | 85 | |||
| C38236 | 34 | 78 | |||
| C40010 | 41 | 24 | STV02 | 30 | 88 |
| C43032 | 110 | 42 | STV03 | 56 | 113 |
| STV03A | 42 | 99 | |||
| C43037 | 110 | 31 | STV04 | 21 | 78 |
| D38047 | 111 | 127 | TR38050 | 98 | 126 |
| D38051 | 100 | 117 | |||
| F38183 | 28 | 41 | |||
| IC32000 | 78 | 26 | |||
Koordinaten für die Bauteile der Lötteite (Unterseite) Coordinates of the components on the Solder Side (Bottom Side)
| Pos.-Nr./Pos. No. | Koordinaten/Coordinates | Pos.-Nr./Pos. No. | Koordinaten/Coordinates | Pos.-Nr./Pos. No. | Koordinaten/Coordinates | |||
| X | Y | X | Y | X | Y | |||
| CC30221 | 44 | 77 | CC32365 | 88 | 41 | CC38177 | 31 | 46 |
| CC32302 | 92 | 30 | CC32366 | 91 | 38 | |||
| CC32303 | 95 | 37 | CC32367 | 106 | 21 | CC38178 | 27 | 46 |
| CC32304 | 107 | 41 | CC38181 | 24 | 70 | |||
| CC32305 | 83 | 42 | CC38034 | 66 | 122 | CC38183 | 22 | 48 |
| CC38036 | 83 | 133 | CC38184 | 37 | 46 | |||
| CC32306 | 100 | 37 | CC38037 | 89 | 136 | CC38186 | 40 | 46 |
| CC32307 | 27 | 18 | CC38038 | 92 | 136 | |||
| CC32308 | 30 | 22 | CC38052 | 107 | 110 | CC38187 | 44 | 46 |
| CC32309 | 62 | 8 | CC38198 | 41 | 75 | |||
| CC32310 | 57 | 10 | CC38058 | 114 | 110 | CC38202 | 86 | 80 |
| CC38063 | 100 | 97 | CC38206 | 66 | 96 | |||
| CC32311 | 26 | 33 | CC38066 | 86 | 105 | CC38207 | 80 | 100 |
| CC32312 | 30 | 26 | CC38071 | 97 | 98 | |||
| CC32313 | 42 | 33 | CC38072 | 84 | 113 | CC38211 | 78 | 80 |
| CC32314 | 52 | 28 | CC38212 | 69 | 96 | |||
| CC32315 | 52 | 23 | CC38075 | 65 | 100 | CC38215 | 84 | 80 |
| CC38077 | 68 | 104 | CC38222 | 49 | 78 | |||
| CC32316 | 49 | 28 | CC38091 | 107 | 75 | CC38223 | 56 | 93 |
| CC32317 | 46 | 18 | CC38102 | 94 | 68 | |||
| CC32318 | 49 | 23 | CC38103 | 91 | 61 | CC38224 | 36 | 93 |
| CC32328 | 71 | 30 | CC38225 | 60 | 86 | |||
| CC32333 | 80 | 29 | CC38111 | 15 | 68 | CC38226 | 67 | 112 |
| CC38122 | 78 | 75 | CC38236 | 34 | 80 | |||
| CC32334 | 100 | 24 | CC38124 | 69 | 77 | CC38264 | 52 | 96 |
| CC32340 | 76 | 43 | CC38131 | 62 | 74 | |||
| CC32341 | 86 | 25 | CC38141 | 58 | 53 | CC39156 | 99 | 53 |
| CC32342 | 68 | 48 | CC40022 | 42 | 17 | |||
| CC32343 | 63 | 39 | CC38144 | 78 | 59 | CC40042 | 39 | 24 |
| CC38146 | 63 | 49 | CC43002 | 101 | 29 | |||
| CC32344 | 71 | 10 | CC38147 | 65 | 52 | CC43003 | 14 | 11 |
| CC32345 | 66 | 22 | CC38148 | 84 | 60 | |||
| CC32346 | 68 | 41 | CC38154 | 90 | 51 | CC43006 | 13 | 8 |
| CC32347 | 67 | 30 | CC43007 | 98 | 29 | |||
| CC32348 | 88 | 38 | CC38157 | 85 | 49 | CC43012 | 76 | 48 |
| CC38161 | 105 | 53 | CC43013 | 109 | 14 | |||
| CC32351 | 72 | 24 | CC38172 | 25 | 62 | CC43017 | 80 | 51 |
| CC32352 | 72 | 21 | CC38173 | 48 | 56 | |||

Lötsite, Ansicht von unten / Solder Side, Bottom View
| Pos.-Nr./Pos. No. | Koordinaten/Coordinates | Pos.-Nr./Pos. No. | Koordinaten/Coordinates | Pos.-Nr./Pos. No. | Koordinaten/Coordinates | Pos.-Nr./Pos. No. | Koordinaten/Coordinates | Pos.-Nr./Pos. No. | Koordinaten/Coordinates | Pos.-Nr./Pos. No. | Koordinaten/Coordinates | ||||||
| X | Y | X | Y | X | Y | X | Y | X | Y | X | Y | ||||||
| CC43018 | 111 | 20 | CR32315 | 52 | 19 | CR38019 | 95 | 78 | CR38128 | 65 | 73 | CR38197 | 46 | 66 | CR43036 | 60 | 41 |
| CC43020 | 110 | 6 | CR32317 | 50 | 19 | CR38021 | 89 | 118 | CR38129 | 79 | 68 | CR38198 | 46 | 70 | CT32308 | 26 | 22 |
| CC43021 | 112 | 14 | CR32318 | 38 | 20 | CR38022 | 109 | 84 | CR38131 | 70 | 73 | CR38201 | 48 | 97 | CT32310 | 26 | 28 |
| CC43031 | 96 | 11 | CR32319 | 36 | 34 | CR38023 | 87 | 122 | CR38132 | 25 | 82 | CR38202 | 81 | 80 | CT32312 | 45 | 28 |
| CC43036 | 101 | 10 | CR32321 | 22 | 32 | CR38024 | 87 | 126 | CR38133 | 24 | 74 | CR38207 | 75 | 100 | CT32315 | 45 | 22 |
| CD32367 | 106 | 35 | CR32322 | 30 | 13 | CR38032 | 6 | 6 | CR38143 | 62 | 53 | CR38211 | 75 | 80 | CT32320 | 21 | 27 |
| CD38038 | 88 | 132 | CR32323 | 20 | 15 | CR38033 | 73 | 133 | CR38144 | 69 | 56 | CR38223 | 48 | 99 | CT32325 | 21 | 20 |
| CD38061 | 113 | 99 | CR32324 | 25 | 11 | CR38034 | 71 | 129 | CR38151 | 100 | 56 | CR38224 | 5 | 59 | CT38005 | 12 | 63 |
| CD38188 | 74 | 56 | CR32326 | 20 | 32 | CR38035 | 78 | 132 | CR38152 | 89 | 58 | CR38226 | 67 | 117 | CT38010 | 77 | 123 |
| CD38189 | 53 | 69 | CR32327 | 15 | 30 | CR38036 | 86 | 136 | CR38153 | 96 | 57 | CR38227 | 64 | 117 | CT38015 | 85 | 75 |
| CD38201 | 63 | 95 | CR32336 | 92 | 12 | CR38038 | 103 | 135 | CR38157 | 80 | 54 | CR38231 | 42 | 92 | CT38020 | 83 | 123 |
| CR32340 | 73 | 38 | CR38041 | 100 | 134 | CR38161 | 108 | 55 | |||||||||
| CIC38005 | 11 | 51 | CR32342 | 75 | 40 | CR38042 | 90 | 126 | CR38232 | 43 | 85 | CT38040 | 96 | 135 | |||
| CIC38010 | 98 | 86 | CR32345 | 68 | 11 | CR38061 | 108 | 104 | CR38162 | 99 | 46 | CR38233 | 30 | 81 | CT38065 | 98 | 103 |
| CIC38045 | 108 | 127 | CR32350 | 65 | 11 | CR38163 | 96 | 48 | CR38234 | 27 | 78 | CT38070 | 93 | 98 | |||
| CIC38060 | 106 | 98 | CR38062 | 103 | 104 | CR38164 | 80 | 57 | CR38236 | 34 | 76 | CT38125 | 76 | 70 | |||
| CIC38080 | 78 | 109 | CR32351 | 62 | 13 | CR38063 | 112 | 84 | CR38171 | 19 | 59 | CR38261 | 48 | 106 | CT38130 | 65 | 69 |
| CR32352 | 57 | 25 | CR38066 | 86 | 108 | CR38176 | 25 | 53 | |||||||||
| CIC38090 | 101 | 72 | CR32353 | 56 | 15 | CR38067 | 85 | 102 | CR38262 | 54 | 98 | CT38135 | 70 | 69 | |||
| CIC38091 | 101 | 72 | CR32354 | 90 | 26 | CR38071 | 84 | 99 | CR38177 | 25 | 51 | CR38263 | 59 | 104 | CT38140 | 65 | 57 |
| CIC38175 | 37 | 55 | CR32355 | 95 | 22 | CR38181 | 34 | 46 | CR39199 | 46 | 74 | CT38150 | 94 | 53 | |||
| CIC38205 | 80 | 90 | CR38072 | 89 | 102 | CR38182 | 55 | 54 | CR40010 | 48 | 14 | CT38155 | 85 | 53 | |||
| CR32359 | 63 | 44 | CR38073 | 87 | 113 | CR38183 | 22 | 45 | CR40026 | 37 | 16 | CT38160 | 93 | 44 | |||
| CR32301 | 91 | 21 | CR32367 | 102 | 21 | CR38074 | 65 | 104 | CR38184 | 40 | 39 | ||||||
| CR32302 | 84 | 38 | CR38001 | 12 | 40 | CR38076 | 100 | 93 | CR40046 | 35 | 24 | CT38185 | 49 | 46 | |||
| CR32303 | 91 | 23 | CR38002 | 8 | 61 | CR38102 | 95 | 61 | CR38186 | 41 | 42 | CR43001 | 21 | 10 | CT38190 | 33 | 69 |
| CR32304 | 107 | 45 | CR38003 | 13 | 58 | CR38187 | 48 | 52 | CR43004 | 13 | 5 | CT38195 | 43 | 68 | |||
| CR32307 | 30 | 17 | CR38103 | 91 | 68 | CR38188 | 53 | 51 | CR43012 | 78 | 38 | CT38196 | 87 | 68 | |||
| CR38011 | 89 | 87 | CR38104 | 92 | 74 | CR38189 | 66 | 91 | CR43017 | 80 | 38 | CT38260 | 52 | 104 | |||
| CR32309 | 51 | 7 | CR38012 | 73 | 123 | CR38121 | 72 | 61 | CR38191 | 19 | 65 | ||||||
| CR32310 | 33 | 29 | CR38013 | 73 | 127 | CR38122 | 80 | 72 | CR43020 | 80 | 48 | CT38261 | 35 | 85 | |||
| CR32311 | 30 | 31 | CR38015 | 89 | 84 | CR38123 | 58 | 72 | CR38192 | 33 | 65 | CR43021 | 111 | 23 | |||
| CR32313 | 48 | 32 | CR38016 | 92 | 93 | CR38193 | 28 | 70 | CR43031 | 58 | 41 | ||||||
| CR32314 | 51 | 32 | CR38124 | 73 | 79 | CR38194 | 66 | 84 | CR43032 | 59 | 31 | ||||||
| CR38017 | 93 | 78 | CR38126 | 67 | 77 | CR38196 | 19 | 62 | CR43033 | 59 | 28 | ||||||
| CR38127 | 58 | 74 | |||||||||||||||

NF-Baustein Stereo / AF Module
Bestückungsseite, Ansicht von oben / Component Side, Top View

Lötsite, Ansicht von unter / Solder Side, Bottom View

Koordinaten für die Bauteile der Bestückungsseite (Oberseite)
Koordinaten für die Bauteile der Lötseite (Unterseite)
Ersatzteilliste Spare Parts Lis
TV
2 / 99
GREENVILLE 560 SE 5587 TOP
MATERIAL-NR./PART NO.:92179 901 7500
BESTELL-NR. / ORDER NO.: G.CH 43-75
SCHWARZ/BLACK
| POS. NR. | ABB. | MATERIAL-NR. | ANZ. | BEZEICHNUNG | DESCRIPTION |
| POS. NO. | FIG. | PART NUMBER | QTY. | D | GB |
| 92179 | 901 7500 | GREENVILLE 560 SE 5587 TOP SCHWARZ | |||
| 0200.000 | 29625 | 736 0100 | GEH-VORDERTEIL OFB | ||
| 0250.000 | 29633 | 790 0100 | TASTENKNOPF NETZSCHALTER | ||
| 0255.000 | 29633 | 789 0100 | TASTENSATZ PROGRAMM/LAUTSTAERKE | ||
| 0256.000 | 29633 | 804 0100 | ABDECKUNG CINCH-BUCHSEN | ||
| 0264.000 | 19126 | 025 9700 | 2 | LAUTSPRECHER | |
| 0268.000 | 29500 | 241 0400 | BAUSTEINSICHERUNG | ||
| 0269.000 | 29636 | 384 0102 | IR-FENSTER DRUCK KPL | ||
| 0270.000 | 29602 | 603 5100 | EMBLEM GRUNDIG | ||
| 0300.000 | 29631 | 940 8700 | GEH-RUECKTEIL | ||
| 0320.000 | 29618 | 753 6300 | TYPENAUFKLEBER | ||
| 0700.000 | △ | 09246 | 128 7500 | SPULE ENTMAGNETISIERUNG | |
| 1100.000 | 83000 | 206 5500 | BILDR.A51EAL155X01 PHI | ||
| 1200.000 | △ | 29201 | 360 0100 | ANODENKAPPE M.HOCHSPANNUNGSKABEL | |
| 2100.000 | △ | 82909 | 913 1600 | NETZKABEL KPL MIT ENTSTOERDROSSEL | |
| 2300.000 | △ | 29305 | 022 1900 | X | BILDROHRPLATTE |
| 2400.000 | 29642 | 062 1102 | TELEPILOT TP 715 | ||
| 21799 | 941 0100 | BEDIENUNGSANLEITUNG D/GB | |||
| 72010 | 024 7000 | SERVICE MANUAL D/GB | |||
| 72010 | 350 3500 | SERVICE TRAINING D | |||
| 72010 | 350 3600 | SERVICE TRAINING GB | |||
| 29656 | 004 0600 | MONTAGEZUBEHOER F.BILDROHR | |||
| 29704 | 008 0100 | X | KEIN E-TEIL | ||
| CHASSIS-FS-STEREO/INL | |||||
| CUC 2021 | |||||
| KEIN E-TEIL | |||||
| NO SPARE PART | |||||
| CHASSIS TV STEREO/INL | |||||
| CUC 2021 | |||||
| NO SPARE PART | |||||
| X = SEE GESONDERTE E-LISTE |

Es gelten die Vorschriften und Sicherheitschinweise gemäß dem Service Manual "Sicherheit", Mat.-Nummer 72010 800 0000, sowie zusätzlich die eventuell abweichenden, landespezifischen Vorschriften!
Btx *32700#
ÄNDERUNGEN VORBEHALTEN / SUBJECT TO ALTERATION
GRUNDIG
Ersatzteilliste
Spare Parts List
TV
2 / 99
DAVIO 55 ST 55-855 TOP
VERSION NR./VERSION NO.: VNM
MATERIAL-NR. / PART NO.: 92180 401 7200 BESTELL-NR. / ORDER NO.: G.CH 63-72 AGANA-GRAU/AGANA-GREY
MATERIAL-NR. / PART NO.: 92180 401 8300 BESTELL-NR. / ORDER NO.: G.CH 63-83 WEISS/WHITE
| POS. NO. | ABB. FIG. | MATERIAL-NR. ANZ. PART NUMBER QTY. | BEZEICHNUNG D | DESCRIPTION GB |
| 92180 401 7200 | ST 55-855 TOP AGANA-GRAU | ST 55-855 TOP AGANA-GREY | ||
| 92180 401 8300 | ST 55-855 TOP WEISS | ST 55-855 TOP WHITE | ||
| 0200.000 | 29635 256 0100 | GEH-VORDERTEIL DRUCK KPL. G.CH 63-72 | CABINET FRONT PART PRINTED G.CH 63-72 | |
| 0200.000 | 29635 256 0200 | GEH-VORDERTEIL DRUCK KPL. G.CH 63-83 | CABINET FRONT PART PRINTED G.CH 63-83 | |
| 0250.000 | 29501 688 0200 | TASTE NETZSCHALTER | KEY MAINS SUPPLY SWITCH | |
| 0251.000 | 29628 417 0100 | DRUCKFEDER NETZTASTE | PRESS SPRING KEY MAINS | |
| 0255.000 | 29501 716 0101 | TASTEN-SATZ PROGRAMM/LAUTSTAERKE | KEYS SET PROGRAMME/VOLUME | |
| 0256.000 | 29636 289 0103 | ABDECKUNG BUCHSEN CINCH | COVER CINCH SOCKETS | |
| 0260.000 | 29636 298 0100 | ABDECKUNG DRUCK KPL. | COVER SOCKETS CPL | |
| PROGRAMM/LAUTSTAERKE | PROGRAMME/VOLUME | |||
| 0300.000 | 29636 263 0100 | GEH-RUECKTEIL OFB G.CH 63-72 | REAR PANEL PART SURFACE G.CH 63-72 | |
| 0300.000 | 29636 263 0300 | GEH-RUECKTEIL OFB G.CH 63-83 | REAR PANEL PART SURFACE G.CH 63-83 | |
| 0310.000 | 29638 104 0100 | LS-BOX LINKS KPL. | LS-BOX LEFT CPL | |
| 0315.000 | 29638 105 0100 | LS-BOX RECHTS KPL. | LS-BOX RIGHT CPL | |
| 0320.000 | 29618 760 6300 | TYPENAUFKLEBER | TYPE LABEL SELF-ADHESIVE | |
| 0700.000 | A | 09246 128 7500 | SPULE ENT MagnetETISIERUNG | COIL DEGAUSSING W.HOLDER |
| 1100.000 | A | 83000 206 5500 | BILDR.A51EAL155X01 PHI | PIC.TUBE A51EAL155X01 PHI |
| 1200.000 | A | 29201 360 0111 | ANODENKAPPE M.HOCHSPANNUNSKABEL | ANOPE CAP W.HIGH VOLTAGE CABLE |
| 2100.000 | A | 82909 913 1600 | NETZKABEL KPL MIT ENTSTÖERDROSSEL | POWER CABLE WITH INTERFERENCE COIL |
| 29305 022 1900 | BILDROHRPLATTE | PICTURE TUBE BOARD | ||
| 2400.000 | 29642 062 1102 | TELEPILOT TP 715 | REMOTE CONTROL TP 715 | |
| 21804 941 0100 | BEDIENUNGSANLEITUNG | OPERATING INSTRUCTIONS | ||
| 72010 024 7000 | SERVICE MANUAL D/GB | SERVICE MANUAL D/GB | ||
| 72010 350 3500 | SERVICE TRAINING D | SERVICE TRAINING D | ||
| 72010 350 3600 | SERVICE TRAINING GB | SERVICE TRAINING GB | ||
| 29656 004 0600 | MONTAGEZUBEHOER F.BILDROHR | MOUNTING ACCESSORIES F.CRT | ||
| KEIN E-TEIL | NO SPARE PART | |||
| 29704 008 0300 | X CHASSIS-FS-STEREO/INL | CHASSIS TV STEREO/INL | ||
| CUC 2021 | CUC 2021 | |||
| KEIN E-TEIL | NO SPARE PART | |||
| X = SIEHE GESONDERTE E-LISTE | X = SEE SEPARATE PARTS LIST |

Es gelten die Vorschriften und Sicherheitshinweise gemäß dem Service Manual "Sicherheit", Mat.-Nummer 72010 800 0000, sowie zusätzlich die eventuell abweichenden, landesspezifischen Vorschriften!
ÄNDERUNGEN VORBEHALTEN / SUBJECT TO ALTERATION
Ersatzteilliste
Spare Parts List
TV
ST 55-805 TOP
2 / 99
MATERIAL-NR./PART NO.:921805017500
BESTELL-NR. / ORDER NO.: G.CH 82-75
SCHWARZ/BLACK VERSION NR./VERSION NO.: VNM
ST 55-805 TOP/TR
SCHWARZ/BLACK VERSION NR./VERSION NO.: VNM
| POS. NO. | ABB. FIG. | MATERIAL-NR. | ANZ. | BEZEICHNUNG | DESCRIPTION |
| PART NUMBER | QTY. | D | GB | ||
| 92180 | 501 7500 | ST 55-805 TOP SCHWARZ | |||
| 92180 | 527 7500 | ST 55-805 TOP/TR SCHWARZ | |||
| 0200.000 | 29625 | 770 0100 | GEH-VORDERTEIL DRUCK KPL | ||
| 0250.000 | 29636 | 063 0106 | TASTENKNOPF NETZSCH. ST 55-805 TOP | ||
| 0250.000 | 29636 | 063 0107 | TASTENKNOPF NETZSCH. ST 55-805 TOP/TR | ||
| 0255.000 | 29501 | 671 0101 | TASTEN-SATZ PROGRAMM/LAUTSTAERKE | ||
| 0257.000 | 29636 | 066 0103 | ABDECKUNG BUCHSEN CINCH | ||
| 0266.000 | 19126 | 025 0500 | 2 | LAUTSPRECHER | |
| 0267.000 | 19126 | 025 6101 | 2 | LAUTSPRECHER | |
| 0272.000 | 29636 | 065 0100 | IR-FENSTER | ||
| 0273.000 | 29632 | 114 0100 | EMBLEM GRUNDIG | ||
| 0300.000 | 29636 | 061 8701 | GEH-RUECKTEIL ST 55-805 TOP | ||
| 0300.000 | 29636 | 061 8712 | GEH-RUECKTEIL ST 55-805 TOP/TR | ||
| 0320.000 | 29618 | 759 6300 | TYPENAUFKLEBER ST 55-805 TOP | ||
| 0320.000 | 29618 | 759 6301 | TYPENAUFKLEBER ST 55-805 TOP/TR | ||
| 0700.000 | △ | 09246 | 128 7500 | SPULE ENTMAGNETISIERUNG | |
| 1100.000 | △ | 83000 | 206 5500 | BILDR.A51EAL155X01 PHI | |
| 1200.000 | △ | 29201 | 360 0111 | ANODEKAPPE M.HOCHSPANNNUNGSKABEL | |
| 2100.000 | △ | 82909 | 913 1600 | NETZKABEL KPL MIT ENTSTOERDROSSEL | |
| 29305 | 022 1900 | X | BILDROHRPLATTE | ||
| 2400.000 | 29642 | 062 1102 | TELEPILOT TP 715 | ||
| 21805 | 941 0100 | BEDIENUNGSANLEITUNG ST 55-805 TOP | |||
| 21805 | 941 0200 | BEDIENUNGSANLEITUNG ST 55-805 TOP/TR | |||
| 72010 | 024 7000 | SERVICE MANUAL D/GB | |||
| 72010 | 800 0000 | SERVICE MANUAL SICHERHEIT | |||
| 72010 | 350 3500 | SERVICE TRAINING D | |||
| 72010 | 350 3600 | SERVICE TRAINING GB | |||
| 29656 | 004 0600 | MONTAGEZUBEHOER F.BILDROHR | |||
| KEIN E-TEIL | |||||
| 29704 | 008 0200 | X | CHASSIS-FS-STEREO/INL | ||
| CUC 2021 | |||||
| KEIN E-TEIL | |||||
| NO SPARE PART | |||||
| CHASSIS TV STEREO/INL | |||||
| CUC 2021 | |||||
| NO SPARE PART | |||||
| X = SEE GESONDERTE E-LISTE | |||||
| X = SEE SEPARATE PARTS LIST | |||||
| 29625 770 0100 | |||||
| 29632 114 0100 | |||||
| 29636 063 0106 |
Es gelten die Vorschriften und Sicherheitschinweise gemäß dem Service Manual "Sicherheit", Mat.-Number 72010 800 0000, sowie zusätzlich die eventuell abweichenden, landespezifischen Vorschriften!
Btx*32700#

ÄNDERUNGEN VORBEHALTEN / SUBJECT TO ALTERATION
Ersatzteilliste
Spare Parts List
TV
2/99
CHASSIS-FS-STEREOCUC 2021 INL
CHASSIS-TV-STEREO CUC 2021 INL
MATERIAL-NR./PART NO.:29704 008 0100
MATERIAL-NR. / PART NO.: 29704 008 0200/0300 VERSION NR./VERSION NO.: VNM
| POS. NO. | ABB. FIG. | MATERIAL-NR. PART NUMBER | ANZ. QTY. | BEZEICHNUNG | DESCRIPTION | ||
| D | GB | ||||||
| 0100.000 | 29504 301 0100 | TUNER-GLOBAL (PLL) | TUNER-GLOBAL (PLL) | ||||
| WW. | 81406 016 1200 | TUNER PLL 5002PH5-3X0003 | TUNER PLL 5002PH5-3X0003 | ||||
| 0252.000 | 29303 390 4200 | KOPFHOERERBUCHSE 3,5 O.SCHALTER | HEADPHONE SOCKET 3,5 W/O SWITCH | ||||
| 0253.000 | 29303 168 0503 | CINCH-BUCHSE 3-FACH FBAS/NF L,R | CINCH SOCKET 3 FOLD FBAS/AF L,R | ||||
| 0255.000 | 29303 119 0602 | EURO-AV BUCHSENLEISTE 21P.SCHWARZ | EURO-AV SOCKET STRIP 21 P BLACK | ||||
| 0256.000 | 29700 643 0104 | ABDECKUNG EURO-AV | COVER EURO-AV | ||||
| 0264.000 | △ | 29210 703 0100 | FOKUSLEITUNG | FOCUSING CABLE | |||
| 0800.000 | 29504 102 8100 | BAUSTein STERO MODUL | MODULE STERO | ||||
| 1000.000 | △ | 09621 113 0206 | 4 | SICHERUNGSHALTER SI60001/62501 | FUSE HOLDER | ||
| 1400.000 | 29703 357 1100 | TASTSCHALTER PROGRAMM + TASTSCHALTER PROGRAMM - TASTSCHALTER LAUTSTAERKE + TASTSCHALTER LAUTSTAERKE - | KEY SWITCH PROGRAMME + KEY SWITCH PROGRAMME - | ||||
| 1500.000 | 29703 357 1100 | ||||||
| 1600.000 | 29703 357 1100 | ||||||
| 1700.000 | 29703 357 1100 | KEY SWITCH VOLUME + | |||||
| 2000.000 | △ | 29703 291 2105 | NETZSCHALTER O.WISCHER 008.02/03 | POWER SWITCH W/O WIPER 008.02/03 | |||
| WW. | △ | 29703 291 3100 | NETZSCHALTER O.WISCHER 4A 008.02/03 | POWER SWITCH W/O WIPER 4A 008.02/03 | |||
| 2000.000 | △ | 29703 291 7105 | NETZSCHALTER ECO O.WISCHER 008.01 | POWER SWITCH ECO W/O WIPER 008.01 | |||
| 2400.000 | △ | 29303 399 5100 | NETZ EINBAUGERAETESTECKER | APPLIANCE COUPLER W.CABLE | |||
| 2420.000 | 29303 153 0200 | 4 | MONTAGECLIP IC40000/50010/T53001/D61036 | MOUNTING CLIP IC40000/50010/T53001/D61036 | |||
| 2440.000 | 29303 153 1605 | 3 | MONTAGECLIP T60020/IC61040/61060 | MOUNTING CLIP T60020/IC61040/61060 | |||
| 2480.000 | 29303 156 2000 | 3 | FOLIE WAERMELEITEND T60020/IC61040/61060 | FOIL. HEAT CONDUCTING T60020/IC61040/61060 | |||
| WW. = WAHLWEISE | WW. = OPTIONAL | ||||||
POS.NR. MATERIAL-NR.BEZEICHNUNG
POS.NO. PART NUMBER DESCRIPTION
POS.NR. MATERIAL-NR.BEZEICHNUNG
POS.NO. PART NUMBER DESCRIPTION
C 40057 84529 961 0700 ELKO 2200UF 20% 16V
C 53002 85159 111 0200 FOKO FKP1/4 8500PF 3,5% 1600V
C 54011 86500 670 4600 HV-KERKO 100PF 20% 1KV
C 54012 84529 961 8700 ELKO 1000UF 20% 35V
C 54031 86500 670 4600 HV-KERKO 100PF 20% 1KV
C 60001 86500 811 2500 HV-KERKO 1000PF 20% 1KV
C 60009 85159 116 0500 FOKO FKP1 220PF 5% 2000V
C 60023 86500 811 2500 HV-KERKO 1000PF 20% 1KV
C 60024 86500 811 2500 HV-KERKO 1000PF 20% 1KV
C 60026 86500 811 2500 HV-KERKO 1000PF 20% 1KV
C 60027 86500 811 2500 HV-KERKO 1000PF 20% 1KV
C 61036 86500 670 4600 HV-KERKO 100PF 20% 1KV
C 62021 86600 982 3400 SI-KERKO B-SS 1000PF 20% 400V
C 62022 86600 982 3400 SI-KERKO B-SS 1000PF 20% 400V
C 62048 86600 982 3400 SI-KERKO B-SS 1000PF 20% 400V
C 62501 85117 930 1800 MP3 0,1UF 20% 250VW
C 62505 85637 324 2500 FOKO KF #25 0,1UF 20% 250V
C 81063 81405 401 0400 EMIFIL 0,1 UF -GR
CD 80007 83094 015 9200 SMD DIODE BA592 SIE/BA78
CT 32105 83010 058 1700 SMD-TRANS.BC 817-25
CT 32124 830100385800 SMD-TRANS.BC 858 B
CT 34031 83010 038 5800 SMD-TRANS.BC 858 B
CT 40065 83010 048 4800 SMD-TRANS.BC 848 B
CT 43244 83010 038 5800 SMD-TRANS.BC 858 B
CT 43246 83010 048 4800 SMD-TRANS.BC 848 B
CT 46004 83010 048 4800 SMD-TRANS.BC 848 B
CT 46009 83010 048 4800 SMD-TRANS.BC 848 B
CT 52260 83010 038 5800 SMD-TRANS.BC 858 B
CT 54020 83010 038 5800 SMD-TRANS.BC 858 B
CT 57005 83010 048 4800 SMD-TRANS.BC 848 B
CT 57020 83010 038 5800 SMD-TRANS.BC 858 B
CT 57021 83010 038 5800 SMD-TRANS.BC 858 B
CT 57112 83010 038 5800 SMD-TRANS.BC 858 B
CT 57113 83010 038 5800 SMD-TRANS.BC 858 B
CT 57124 83010 048 4800 SMD-TRANS.BC 848 B
CT 61043 83010 048 4800 SMD-TRANS.BC 848 B
CT 61053 83010 048 4800 SMD-TRANS.BC 848 B
CT 81058 83010 058 0800 SMD-TRANS.BC 808-2
CT 81065 83010 038 5800 SMD-TRANS.BC 858 B
CT 81070 83010 038 5800 SMD-TRANS.BC 858 B
CT 81075 830100385800 SMD-TRANS.BC 858B
CT 81091 83010 048 4800 SMD-TRANS.BC 848 B
CT 81125 83010 038 5800 SMD-TRANS.BC 858 B
CT 81502 83010 048 4800 SMD-TRANS.BC 848 B
D 40012 83092 150 4500 DIODE 1N4148
D 40060 83092 150 4500 DIODE 1N4148
D 40061 83092 150 4500 DIODE 1N4148
D 40062 83092 150 4500 DIODE 1N4148
D 40063 83097 200 7100 Z DIODE 7,5 C 0,5W
D 40064 83092 150 4500 DIODE 1N4148
D 40065 83092 150 4500 DIODE 1N4148
D 43055 83092 150 4500 DIODE 1N4148
D 43056 83092 150 4500 DIODE 1N4148
D 43071 83092 150 4500 DIODE 1N4148
Btx *32700#
ÄNDERUNGEN VORBEHALTEN / SUBJECT TO ALTERATION
POS.NR. MATERIAL-NR.BEZEICHNUNG POS.NO. PART NUMBER DESCRIPTION
D43072 830921504500DIODE1N4148
D 43073 830921504500 DIODE 1N4148
D 50022 83092 000 2100 DIODE BAV21 ITT/TFK
D 50023 83092 150 2000 DIODE 1 N 4004-GA
D 50026 83097 205 1000 Z DIODE 51 C 0,5W
D 50027 83091 985 4200 DIODE BAT42/43
D 52001 83092 150 4500 DIODE 1N4148
D 53003 83092 010 0500 DIODE BA157
D 54001 83092 042 6800 DIODE BYV16 TEMIC
D 54011 83092 010 0500 DIODE BA157
D 54021 83097 200 4800 Z DIODE 4,7 C 0,5W
D 54022 83097 071 3500 Z DIODE 33 B 0,5W
D 54031 83092 010 0500 DIODE BA157
D 57011 83092 150 4500 DIODE 1N4148
D 57013 83092 150 4500 DIODE 1N4148
D 57023 83092 150 4500 DIODE 1N4148
D 57122 83092 150 4500 DIODE 1N4148 A
D 60006 83095 168 5400 DIODE BYT 54 M
D 60007 83095 168 5400 DIODE BYT 54 M
D 60012 83092 000 2100 DIODE BAV21 ITT
D 60022 83092 151 2700 DIODE 1 N 4007-GA
D 60024 83092 151 2700 DIODE 1 N 4007-GA
D 60026 83092 151 2700 DIODE 1 N 4007-GA
D 60027 83092 151 2700 DIODE 1 N 4007-GA
D 60037 83092 000 2100 DIODE BAV21 ITT/TFK
D 61016 83095 171 7800 DIODE BYW178 TEMIC/
D 61036 83098 208 4000 DIODE MUR 840/B
D 81054 83092 150 4500 DIODE 1N4148
D 81123 83092 150 4500 DIODE 1N4148
D 81501 83092 150 4500 DIODE 1N4148
D 85001 83099 446 0100 LE DIODE TLHR 4601 TFK
F 32109 86027 550 2100 CER.TRAP 21 TPS 5,5 MHZ
F 32410 81411 076 0000 SPULE 7X7 #600 FARBE342
F 32412 83190 019 8400 OFWG 1984 M
IC 34015 83053 388 3900 IC TDA8840N2S1 PHI
IC 40050 830536729700 IC TDA7297
IC 50020 83053 383 5600 IC TDA8356N5 PHI
IC 60010 83053 546 0500 IC TDA4605/3
IC 61040 83052 043 1700 IC LM317T NSC/MOT/SGS
IC 61050 83052 043 1700 IC LM317T NSC/MOT/SGS
IC 61060 83052 057 0300 IC MC7805CT
IC 80000 83052 100 6500 IC MC33164P-5RP A
IC 80010 83054 612 3600 IC TSOP1236 TEMIC
IC 81050 29798 205 0100 IC SDA545X OTP PROG.KPL
008.01/03
WW. 83051 551 2200 IC SDA5257-2-G202
008.01/03
IC 81050 83051 551 2100 IC SDA5257-2-G201 008.02
WW. 29305 219 0200 PROZESSORPLATTE
IC 82005 83051 240 0800 IC M24C08B1/ M24C08-BN6
L 31043 814052644000 DR ST 0411-GRP 8,2UH 10%
L 32023 81405 260 7500 DR 0309 1UH 5%
L 32026 81405 260 3400 DR 0309 10UH 5 %
L 32109 81405 264 5700 DR 0309 12UH 5%
L 40012 81405 052 5900 DR A AX-GA 27UH 10%
L 53003 81049 820 5600 FERRITPERLE HF70 BTL 3,5X
FERRITE BEAD
L 53011 81405 052 4900 DR A AX-GA 10UH 10%
L 53021 29203 114 9500 LINEARITAETSREGLER
LINEARITY CONTROL
L 53074 09246 838 5100 ZB-SPULE/COIL
L 60006 81049 820 5700 FERRITPERLE 3,6UH 5720500
FERRITE BEAD
Es gelten die Vorschriften und Sicherheitschinweise gemäß dem Service Manual "Sicherheit", Mat.-Nummer 72010 800 0000, sowie zusätzlich die eventuell abweichenden, landespezifischen Vorschriften!
Btx*32700#
POS.NR. MATERIAL-NR.BEZEICHNUNG
POS.NO. PART NUMBER DESCRIPTION
L 60012 81049 820 1400 DAEMPF-PERLE 433003038102
L 61016 81049 820 1400 DAEMPF-PERLE 433003038102
DAMPING BEAD
L 61038 81049 820 0300 FERRITPERLE BL02RN2-R62 A
FERRITE BEAD
L 62501 29500 826 9700 FUNKENTSTOERDROSSEL
ÄNDERUNGEN VORBEHALTEN / SUBJECT TO ALTERATION
Ersatzteilliste
Spare Parts List
TV
2 / 99
BAUSTEIN STEREO MODUL
| POS. NR. | ABB. | MATERIAL-NR. | ANZ. | BEZEICHNUNG | DESCRIPTION |
| POS. NO. | FIG. | PART NUMBER | QTY. | D | GB |
0100.000
293038771100
2 BUCHSENLEISTE 11-POL
SOCKET STRIP 11 PLS
POS.NR. MATERIAL-NR. BEZEICHNUNG
POS.NO. PART NUMBER DESCRIPTION
POS.NR. MATERIAL-NR. BEZEICHNUNG
POS.NO. PART NUMBER DESCRIPTION
CT 32308 83010 038 5800 SMD-TRANS.BC 858 B
CT 32310 83010 038 5800 SMD-TRANS.BC 858 B
CT 32312 83010 038 5800 SMD-TRANS.BC 858 B
CT 32315 83010 038 5800 SMD-TRANS.BC 858 B
CT 32320 83010 068 0800 SMD-TRANS.BC 808-40
CT 32325 83010 068 0800 SMD-TRANS.BC 808-40
CT 32337 83010 038 5800 SMD-TRANS.BC 858 B
D 32336 83092 150 4500 DIODE 1N4148
IC 32000 83054 334 0500 IC MSP3401C-PO-C6
L 32342 81405 117 4900 DR AX 0411-GA 10UH 10%
L 32343 81405 117 4900 DR AX 0411-GA 10UH 10%
Q 32305 83824 391 8600 QUARZ #439-9 18,432MHZ 12PF
Es gelten die Vorschriften und Sicherheitschinweise gemäß dem Service Manual "Sicherheit", Mat.-Number 72010 800 0000, sowie zusätzlich die eventuell abweichenden, landespezifischen Vorschriften!

ÄNDERUNGEN VORBEHALTEN / SUBJECT TO ALTERATION
GRUNDIG
Ersatzteilliste
Spare Parts List
TV
10 / 98
BILDROHRPLATTE
PICTURE TUBE BOARD
MATERIAL-NR./PART NO.:29305 0221800/1900/2000
POS.NR.ABB.MATERIAL-NR.ANZ.
POS.NO. FIG. PART NUMBER QTY.
BEZEICHNUNG

BILDROHRFASSUNG 1900
BILDROHRFASSUNG 1800/2000
DESCRIPTION

CRT SOCKET 1900
CRT SOCKET 1800/2000
POS.NR. MATERIAL-NR.BEZEICHNUNG
POS.NO. PART NUMBER DESCRIPTION
POS.NR. MATERIAL-NR. BEZEICHNUNG
POS.NO. PART NUMBER DESCRIPTION
C 717 8531 593 80000 FOKO MKT10 4700PF 20% 1000V
CD 734 832500414800 SMD DIODE LS 4148
CD742 832500414800 SMD DIODE LS 4148
CD762 832500414800 SMD DIODE LS 4148
CD781 832500414800SMDDIODELS4148
CD 811 832500414800 SMD DIODE LS 4148
CT 810 8301 003 85800 SMD-TRANS.BC 858B 1800
R 733 △ 8705 369 09900 MOW 0617 12 KOHM 5% 1800/1900
R 753 8705 369 09900 MOW 0617 12 KOHM 5% 1800/1900
R773 870536909900MOW061712KOHMP5%1800/1900
T 736 8303 401 42100 TRANS.BF 421 E6323SIE/PHI.1800/1900
T 736 8302 220 42100 TRANS.BF 421 SIE E6323 2000
T 741 8302 220 87100 TRANS.BF 871 SG TFK/ 1800/1900
T741 830340142200 TRANS.BF422WW.BF422S 2000
T 756 8303 401 42100 TRANS.BF 421 E6323SIE/PHI.1800/1900
T 756 8302 220 42100 TRANS.BF 421 SIE E6323 2000
T 761 8302 220 87100 TRANS.BF 871 SG TFK/ 1800/1900
T 761 8303 401 42200 TRANS.BF 422 WW.BF 422 S 2000
T 776 8303 401 42100 TRANS.BF 421 E6323SIE/PHI.1800/1900
T776 830222042100 TRANS.BF421SIEE6323 2000
T 781 8302 220 87100 TRANS.BF 871 SG TFK/ 1800/1900
T781 830340142200 TRANS.BF422WW.BF422S2000
T 815 8303 401 29900 TRANS.BF 299 G ITT/PBF259 1800/1900
Es gelten die Vorschriften und Sicherheitschinweise gemäß dem Service Manual "Sicherheit", Sach-Nummer 72010 800 0000, sowie zusätzlich die eventuell abweichenden, landesspezifischen Vorschriften!
Btx *32700#

ÄNDERUNGEN VORBEHALTEN / SUBJECT TO ALTERATION
GRUNDIG
SAT
BAUSTEIN SAT
MODULE SAT
MATERIAL-NR./PART NO.:29504 106 2800
Ersatzteilliste
Spare Parts List
9/98
POS.NR.ABB.
POS.NO. FIG.
MATERIAL-NR. ANZ.
PART NUMBER QTY.
BEZEICHNUNG

INUNG

DESCRIPTION

0100.000
29504 106 2800
29504 201 9200
BAUSTEIN SAT (SER 2000)
TUNER ANALOG SAT SER 2000
MODULE SAT (SER 2000)
TUNER ANALOG SAT SER 2000
POS.NR. MATERIAL-NR. BEZEICHNUNG
POS.NO. PART NUMBER DESCRIPTION
C 38051 86500 670 4600 HV-KERKO 100PF 20% 1KV
C 38101 845296706400ELKO1000UF +50 - 20% 10V
CD 32367 83094 015 9200 SMD DIODE BA592 SIE/
CD 38038 83250 041 4800 SMD DIODE LS 4148
CD 38061 83253 280 2300 SMD DIODE BYG22D TEMIC
CD 38188 83250 041 4800 SMD DIODE LS 4148
CD 38189 83250 041 4800 SMD DIODE LS 4148
CD 38201 83250 041 4800 SMD DIODE LS 4148
CIC38005 83059 861 2000 IC KF120BD-TR SGS
CIC38010 83057 340 9400 SMD IC HEF4094BT
CIC38045 83017 099 5500 SMD TRANS SI9945AEY-T1
CIC38060 83017 094 4700 SMD TRANS SI4947DYT1
CIC38080 830581055500 SMD IC NE555D
CIC38090 830596006500 SMD IC M24C64MN6-TR
CIC38175 830584615100 SMD IC TDA6151X
CIC38205 83058 185 9100 SMD IC PCF8591T-T3
CT 32310 83010 038 5800 SMD-TRANS.BC 858 B
CT 32312 83010 038 5800 SMD-TRANS.BC 858 B
CT 32315 83010 038 5800 SMD-TRANS.BC 858 B
CT 32320 83010 068 0800 SMD-TRANS.BC 808-40
CT 32325 83010 068 0800 SMD-TRANS.BC 808-40
CT 38005 83010 048 4800 SMD-TRANS.BC 848 B
CT 38010 83010 048 4800 SMD-TRANS.BC 848 B
CT 38015 83010 048 4800 SMD-TRANS.BC 848 B
CT 38020 83010 048 4800 SMD-TRANS.BC 848 B
CT 38040 83010 038 5800 SMD-TRANS.BC 858 B
CT 38065 83010 048 4800 SMD-TRANS.BC 848 B
CT 38070 83010 048 4800 SMD-TRANS.BC 848 B
CT 38125 83010 048 4800 SMD-TRANS.BC 848 B
CT 38130 83010 038 5800 SMD-TRANS.BC 858 B
CT 38135 83010 048 4800 SMD-TRANS.BC 848 B
CT 38140 83010 048 4800 SMD-TRANS.BC 848 B
CT 38150 83011 305 5000 SMD-TRANS.BF 550
CT 38155 83010 048 4800 SMD-TRANS.BC 848 B
CT 38160 83010 048 4800 SMD-TRANS.BC 848 B
CT 38185 83010 038 5800 SMD-TRANS.BC 858 B
CT 38190 83010 038 5800 SMD-TRANS.BC 858 B
CT 38195 83010 038 5800 SMD-TRANS.BC 858 B
Es gelten die Vorschriften und Sicherheitschinweise gemäß dem Service Manual "Sicherheit", Sach-Nummer 72010 800 0000, sowie zusätzlich die eventuell abweichenden, landespezifischen Vorschriften!
Btx*32700#
POS.NR.
POS.NO.
SERIAL-NR. BEZEICHNUNG
POS.NO.
NUMBER DESCRIPTION
CT 38196
CT 38260
CT 38261
0 038 5800 SMD-TRANS.BC 858 B
0 048 4800 SMD-TRANS.BC 848 B
D. 38046
0 048 4800 SMD-TRANS.BC 848 B
D. 38046
7 030 2000 Z-DIODE ZPY16 ITT
D38047
51685400DIODE BYT 54M
D38051
5 162 7200 DIODE BYV27/200 PHI
F38183
$ 023 1900 FILTER 5X5 #319 4FACH
IC 32000
43341100 IC MSP3410D-PO-B3
IC 38030 83052 100 6300 IC MC34063AP MOT
IC 38110 83051 920 0900 IC 78L09AC
IC 38220 830536641500 IC TEA6415B/
L32342
98205300DAEMPF-PERLEHF70BTL3,5X9
DAMPING BEAD
L 32343 81405 117 4900 DR AX 0411-GA 10UH 10%
L 38001 81405 254 5500 SIEBDR.-GR 47UH LHLC06 TA
L 38008 81405 254 5500 SIEBDR.-GR 47UH LHLC06 TA
L 38032 81405 254 5500 SIEBDR.-GR 47UH LHLC06 TA
L 38056 814052544400 SIEBDR.-GR 100UH LHL08 TA
L 38077 814052645900DR030947UH5%ST
L 38101 81405 254 5500 SIEBDR.-GR 47UH LHLC06
L 38144 814052648500DRST0309-GRP27UH 10%
L 38156 814052606300DR030915UH 10%
L 38161 814052606300DR030915UH 10%
MF38063 831510016400 MULTIFUSE400MA
Q 32305
43918600 QUARZ #439-9 18,432MHZ 12PF
TR38050 81406 014 3700 UEBERTRAGER EF12,6 5451911
TRANSFORMER
ÄNDERUNGEN VORBEHALTEN / SUBJECT TO ALTERATION
EinfachAnleitung