Pro Tools HD 8.0 - Licence de logiciel & extension Avid - Notice d'utilisation et mode d'emploi gratuit
Retrouvez gratuitement la notice de l'appareil Pro Tools HD 8.0 Avid au format PDF.
| Caractéristiques techniques | Version : 8.0, Plateforme : Windows et Mac, Type : Licence de logiciel, Compatibilité : Pro Tools HDX et HD Native, Formats audio supportés : WAV, AIFF, MP3, etc. |
|---|---|
| Utilisation | Conçu pour l'enregistrement, le montage et le mixage audio professionnel, idéal pour les studios d'enregistrement, les producteurs et les ingénieurs du son. |
| Maintenance et réparation | Pas de maintenance physique requise, mises à jour logicielles disponibles via le site officiel d'Avid, support technique accessible pour les problèmes liés au logiciel. |
| Sécurité | Utiliser un antivirus à jour, sauvegarder régulièrement les projets, respecter les conditions d'utilisation pour éviter les problèmes de licence. |
| Informations générales | Licence à usage unique, nécessite un enregistrement pour l'activation, documentation complète disponible en ligne, forum d'utilisateurs pour le support communautaire. |
FOIRE AUX QUESTIONS - Pro Tools HD 8.0 Avid
Questions des utilisateurs sur Pro Tools HD 8.0 Avid
0 question sur cet appareil. Repondez a celles que vous connaissez ou posez la votre.
Poser une nouvelle question sur cet appareil
Téléchargez la notice de votre Licence de logiciel & extension au format PDF gratuitement ! Retrouvez votre notice Pro Tools HD 8.0 - Avid et reprennez votre appareil électronique en main. Sur cette page sont publiés tous les documents nécessaires à l'utilisation de votre appareil Pro Tools HD 8.0 de la marque Avid.
MODE D'EMPLOI Pro Tools HD 8.0 Avid
Guide d'installation
Pro Tools|HD®
Version 8.0

text_image
Pro Tools|HD® Version 8.0 0:59.128 Cursor 0:25.164 End Length 48x48x48x48x48x48x48x48x48x48x48x48x48x48x48x48x48x48x48x48x48x48x48x48x48x48x48x48x48x48x48x48x48x48xAvis légal
Ce guide est sous copyright ©2008 Digidesign, division d'Avid Technology, Inc. (ci-après Digidesign). Tous droits réservés. Aux termes de la législation sur les droits d'auteur, ce guide ne peut être reproduit intégralement ou partiellement sans l'autorisation écrite de Digidesign.
003, 96 I/O, 96i I/O, 192 Digital I/O, 192 I/O, 888|24 I/O, 882|20 I/O, 1622 I/O, 24-Bit ADAT Bridge I/O, AudioSuite, Avid, Avid DNA, Avid Mojo, Avid Unity, Avid Unity ISIS, Avid Xpress, AVoption, Axiom, Beat Detective, Bomb Factory, Bruno, C|24, Command|8, Control|24, D-Command, D-Control, D-Fi, D-fx, D-Show, D-Verb, DAE, Digi 002, DigiBase, DigiDelivery, Digidesign, Digidesign Audio Engine, Digidesign Intelligent Noise Reduction, Digidesign TDM Bus, DigiDrive, DigiRack, DigiTest, DigiTranslator, DINR, D-Show, DV Toolkit, EditPack, Eleven, HD Core, HD Process, Hybrid, Impact, Interplay, LoFi, M-Audio, MachineControl, Maxim, Mbox, MediaComposer, MIDI I/O, MIX, MultiShell, Nitris, OMF, OMF Interchange, PRE, ProControl, Pro Tools M-Powered, Pro Tools, Pro Tools|HD, Pro Tools LE, QuickPunch, Recti-Fi, Reel Tape, Reso, Reverb One, ReVibe, RTAS, Sibelius, Smack!, SoundReplacer, Sound Designer II, Strike, Structure, SYNC HD, SYNC I/O, Synchronous, TL Aggro, TL AutoPan, TL Drum Rehab, TL Everyphase, TL Fauxlder, TL In Tune, TL MasterMeter, TL Metro, TL Space, TL Utilities, Transfuser, Trillium Lane Labs, Vari-Fi Velvet, X-Form et XMON sont des marques commerciales ou des marques déposées de Digidesign et/ou d'Avid Technology, Inc. Xpand! est une marque déposée à l'Office des brevets des Etats-Unis (U.S. Patent and Trademark Office). Toutes les autres marques citées sont la propriété de leurs détenteurs respectifs.
Les caractéristiques et spécifications du produit, ainsi que la configuration requise peuvent faire l'objet de modifications sans préavis.
Référence du guide : 9106-59124-02 REV A 11/08
Commentaires sur la documentation :
Digidesign tente toujours d'améliorer sa documentation. Envoyez-nous vos réactions, corrections ou suggestions à l'adresse électronique techpubs@digldesign.com.
DECLARATION DE CONFORMITE
Nous, Digidesign,
2001 Junipero Serra Blvd.
Daly City, CA 94014-3886 Etats-Unis
650-731-6100
déclarons sous notre seule responsabilité que le produit
HD Core, HD Accel ou HDProcess
est conforme aux règlements FCC Part 15.
Son utilisation est soumise aux deux conditions suivantes : (1) cet équipement ne peut provoquer d'interférences nuisibles, et (2) cet équipement doit supporter toute interférence reçue, y compris les interférences susceptibles de provoquer un mauvais fonctionnement.
Déclaration de communication
REMARQUE : cet équipement a été testé et s'est révélé conforme aux limites d'un périphérique numérique de classe A, conformément aux règlements Part 15 de la FCC.
Ces limites ont pour but de fournir une protection raisonnable contre les interférences nuisibles dans une installation domestique. Cet équipement produit, utilise et peut émettre de l'énergie de fréquence radioélectrique et, s'il n'est pas installé et utilisé conformément aux instructions fournies, il peut provoquer des interférences nuisibles aux communications radio. Toutefois, aucune garantie n'est donnée que des interférences ne se produiront pas dans une installation particulière. Si cet équipement produit des interférences nuisibles à la réception de postes de radio ou de télévision, ce qui peut être décelé en allumant et en éteignant le poste, l'utilisateur peut tenter de corriger ces interférences en mettant en œuvre une ou plusieurs des mesures suivantes :
- réorienter ou déplacer l'antenne de réception ;
- éloigner l'équipement du poste récepteur ;
- connecter l'équipement à une prise électrique différente de celle du poste de réception ;
- demander conseil au revendeur ou à un technicien radio/TV expérimenté.
Toute modification de l'équipement, si elle n'est pas expressément approuvée par Digidesign, peut annuler le droit d'exploitation de l'utilisateur.
Déclaration de conformité pour le Canada
Cet appareil numérique de la classe A est conforme à la norme ICES-003 du Canada.
Cet appareil numérique de la classe A est conforme à la norme NMB-003 du Canada.
Conformité australienne

Avid
Conformité européenne

Digidesign est autorisé à apposer la mention CE (Conformité Européenne) sur les équipements conformes, déclarant ainsi la conformité à la directive EMC 89/336/EEC et à la directive 73/23/EEC sur les basses tensions.
table des matières
Chapitre 1. Bienvenue dans Pro Tools|HD....1
Systèmes Pro Tools|HD....1
Coffret système Pro Tools|HD 2
Fonctions de Pro Tools HD. 2
Présentation du matériel Pro Tools .... 3
Configuration requise et compatibilité....7
Enregistrement auprès de Digidesign 8
Conventions utilisées dans ce guide 9
Chapitre 2. Installation de Pro Tools sous Windows....11
Présentation de l'installation 11
Installation du matériel Pro Tools....11
Installation du logiciel Pro Tools HD....19
Lancement de Pro Tools 21
Logiciels supplémentaires du disque d'installation Pro Tools....22
Désinstallation de Pro Tools 23
Chapitre 3. Installation de Pro Tools sur Mac 25
Présentation de l'installation 25
Installation du matériel Pro Tools....25
Installation du logiciel Pro Tools HD. 35
Lancement de Pro Tools 36
Logiciels supplémentaires du disque d'installation Pro Tools....37
Désinstallation de Pro Tools 39
Chapitre 4. Configuration de votre système Pro Tools 41
Démarrage et arrêt du système 41
Vérification du système 42
Configuration du logiciel Pro Tools 45
Optimisation d'un système Windows pour Pro Tools 64
Optimisation d'un système Mac pour Pro Tools 68
Chapitre 5. Connexions Studio 73
Installation du studio 73
Exemple d'installation d'un studio avec une console de mixage.... 74
Exemple d'installation d'un studio sans console de mixage 75
Connexion des équipements à des entrées et des sorties audio numériques.... 77
Connexion à des unités d'effets 77
Connexion des périphériques MIDI 78
Connexion des périphériques de synchronisation SMPTE 79
Connexion des surfaces de contrôle Ethernet 79
Annexe A. Connexion des disques SCSI.... 81
Configuration SCSI requise 81
Connexion des disques SCSI 83
Annexe B. Configuration et maintenance du disque dur 85
Enregistrement déconseillé sur le lecteur système.... 85
Formats et types de disques durs pris en charge 85
Formatage d'un lecteur audio 86
Partition des disques 88
Défragmentation d'un lecteur audio.... 89
Utilisation de disques Mac sur des systèmes Windows 90
Espace de stockage du disque dur 91
Annexe C. Configuration de MIDI Studio Setup (Windows uniquement) 93
MIDI Studio Setup.... 93
Prise en charge de noms de patch MIDI.... 96
Annexe D. Configuration d'AMS (Mac OS X uniquement)....99
Audio MIDI Setup 99
Prise en charge de noms de patch MIDI 102
Annexe E. Retards de mixage inhérents au traitement DSP 103
Introduction aux retards induits par le DSP....103
Utilisation de la compensation de retard....104
Facteurs de délai 111
Annexe F. Mixage TDM et utilisation de DSP 115
Avantages de TDM II 115
Affectation de DSP....117
Utilisation des DSP et plug-in de la console de mixage 120
Utilisation de DSP avec des Plug-In TDM....126
Annexe G. Dépannage....127
Sauvegarde de votre travail 127
Problèmes courants....127
Utilisation de DigiTest en tant qu'outil de diagnostic....128
Facteurs de performances 128
Avant d'appeler le support technique de Digidesign 129
Annexe H. Ressources 131
À propos des guides Pro Tools .... 131
À propos de www.digidesign.com....132
Index 135
chapitre 1
Bienvenue dans Pro Tools|HD
Bienvenue dans Pro Tools|HD ^® . Les cartes et interfaces audio Pro Tools|HD permettent de réaliser des opérations d'enregistrement audio, d'édition, de traitement des signaux et de mixage haute définition via le système Pro Tools et offrent également des fonctions E/S de qualité numérique.
Ce guide présente la procédure de configuration et d'installation du matériel Pro Tools|HD et du logiciel Pro Tools ^® sur les plates-formes Windows et Mac.
Systèmes Pro Tools|HD
Le logiciel Pro Tools prend en charge les systèmes suivants :
Systèmes Pro Tools|HD (pour PCIe)
Les systèmes Pro Tools|HD (PCIe) sont disponibles dans les configurations suivantes :
Pro Tools|HD 1 (PCIe)
- Carte Accel Core (PCIe)
Pro Tools|HD 2 Accel (PCIe)
- Carte Accel Core (PCIe)
- Carte HDAccel (PCIe)
Pro Tools | HD 3 Accel (PCIe)
- Carte Accel Core (PCIe)
- Deux cartes HD Accel (PCIe)
Systèmes Pro Tools|HD (PCI)
Les systèmes Pro Tools|HD (PCI) sont disponibles dans les configurations suivantes :
Pro Tools | HD 1 (PCI)
- Carte HD Core (PCI)
Pro Tools|HD 2 Accel (PCI)
- Carte HD Core (PCI)
- Carte HD Accel (PCI)
Pro Tools|HD 3 Accel (PCI)
- Carte HD Core (PCI)
- Deux cartes HD Accel (PCI)

Pro Tools prend également en charge les systèmes antérieurs Pro Tools|HD 2 (PCI) et Pro Tools|HD 3 (PCI). Ces systèmes sont livrés avec les cartes HD Process au lieu des cartes HD Accel.

Dans certaines configurations système, Pro Tools HD peut prendre en charge plus de trois cartes HD. Pour plus d'informations, consultez le Guide des systèmes étendus.
Coffret système Pro Tools|HD
Tous les systèmes Pro Tools|HD comportent les éléments suivants :
- carte(s) Pro Tools|HD ;
- disques d'installation Pro Tools contenant le logiciel Pro Tools, les plug-in DigiRack™ TDM, RTAS™ (Real-Time AudioSuite) et AudioSuite™ ;
- clé iLok autorisée pour l'utilisation de Pro Tools HD ;
- c e Guide d'installation, qui aborde l'installation et la configuration de systèmes Pro Tools|HD ;
- le Guide de référence Pro Tools et autres documents ;
- un câble DigiLink pour connecter la carte principale à une interface audio ;
- des câbles souples TDM (système multicartes uniquement) pour connecter les cartes entre elles ;
- un formulaire d'enregistrement Digidesign.
Tous les systèmes Pro Tools|HD requièrent au moins une interface audio Digidesign® (vendue séparément). Pour plus d'informations, reportez-vous à la section "Interfaces audio", page 5.

Pour plus d'informations sur les ressources imprimées, électroniques ou Web relatives à l'utilisation de Pro Tools, reportez-vous à annexe H, "Ressources".
Fonctions de Pro Tools HD
Pro Tools HD sous Windows ou Mac intègre les fonctionnalités suivantes :
- jusqu'à 256 pistes audio, 160 pistes d'entrée auxiliaire, 64 pistes de fader principal, 128 pistes principales VCA, 256 pistes MIDI et 128 pistes d'instrument et 64 pistes vidéo par session ;
- résolution audio 16 ou 24 bits, à des fréquences d'échantillonnage pouvant atteindre 192 kHz ;
- édition à accès aléatoire non destructive et automation de mixage ;
- traitement audio avec 10 plug-in TDM ou RTAS par piste, selon la puissance de votre ordinateur ;
- jusqu'à 10 inserts matériels par piste ;
- jusqu'à 10 départs par piste ;
- jusqu'à 128 bus internes pour le mixage et l'assignation.
Le nombre de pistes audio pouvant être enregistrées ou lues simultanément est fonction du type du système Pro Tools|HD.
Fonctionnalités d'enregistrement et de lecture de pistes audio
Pro Tools|HD 1 (PCIe et PCI)
Les systèmes Pro Tools|HD 1 offrent des fonctions d'enregistrement et de lecture de fichiers audio 24 ou 16 bits, comportant les nombres de pistes suivants :
- jusqu'à 96 pistes à 44,1 kHz ou 48 kHz
- jusqu'à 48 pistes à 88,2 kHz ou 96 kHz
- Jusqu'à 18 pistes (PCIe) ou 12 pistes (PCI) à 176,4 kHz ou 192 kHz
Pro Tools | HD 2 Accel et HD 3 Accel (PCIe et PCI)
Les systèmes Pro Tools|HD 2 Accel et HD 3 Accel permettent la lecture et l'enregistrement fichiers audio 16 et 24 bits avec un nombre de pistes variable :
- jusqu'à 192 pistes à 44,1 kHz ou 48 kHz
- jusqu'à 96 pistes à 88,2 kHz ou 96 kHz
- jusqu'à 36 pistes à 176,4 kHz ou 192 kHz
Systèmes non HD Accel (PCI)
Les systèmes Pro Tools|HD 2 et HD 3 (systèmes Pro Tools|HD d'origine non équipés de carte HD Accel) permettent d'enregistrer et de lire des fichiers audio 16 et 24 bits avec un nombre de pistes variable :
- jusqu'à 128 pistes à 44,1 kHz ou 48 kHz
- jusqu'à 64 pistes à 88,2 kHz ou 96 kHz
- jusqu'à 24 pistes à 176,4 kHz ou 192 kHz
Présentation du matériel Pro Tools
Cette section offre une description des composants matériels d'un système Pro Tools|HD. Le nombre de cartes Pro Tools|HD du système dépend de la configuration de ce dernier.
Matériel Pro Tools|HD (PCIe)
Carte Accel Core (PCIe)
Tous les systèmes Pro Tools|HD (PCIe) sont équipés d'une carte Accel Core (PCIe).
La carte Accel Core (PCIe) fournit jusqu'à 96 pistes pour réaliser des enregistrements et des lectures directement sur le disque, ainsi que la puissance DPS pour les fonctions de mixage et de traitement des plug-in. Elle prend en charge des sessions allant jusqu'à 24 bits et 192 kHz.

Carte Accel Core (PCIe)
Port DigiLink Le port unique DigiLink de la carte Accel Core (PCIe) permet de connecter jusqu'à 32 canaux d'entrée et de sortie audio sur votre système Pro Tools|HD.
Port DigiSerial Le port DigiSerial de la carte Accel Core (PCIe) permet de connecter un périphérique SYNC de Digidesign. Il s'agit d'un connecteur mini DIN à huit broches.
Le port DigiSerial de la carte Accel Core (PCIe) ne prend pas en charge les connexions MachineControl.
Carte HD Accel (PCIe)
La carte HD Accel (for PCIe) est incluse sur les systèmes Pro Tools|HD 2 Accel (PCIe) et Pro Tools|HD 3 Accel (PCIe). Cette carte d'extension requiert la présence d'au moins une carte Accel Core (PCIe).
La carte HD Accel (PCIe) fournit des canaux supplémentaires pour enregistrer et lire directement sur le disque et augmente la puissance DPS pour les fonctions de mixage et de traitement par plug-in. Elle prend en charge des sessions allant jusqu'à 24 bits et 192 kHz.

text_image
DigiLinkCarte HDAccel (PCIe)
Port DigiLink Le port unique DigiLink de la carte HD Accel (PCIe) permet de connecter jusqu'à 32 canaux d'entrée et de sortie audio sur votre système Pro Tools|HD.
Port DigiSerial Le port DigiSerial de la carte HD Accel (PCIe) ne présente aucune fonctionnalité.
Matériel Pro Tools|HD (PCI)
Carte HD Core (PCI)
Tous les systèmes Pro Tools|HD (PCI) sont équipés d'une carte HD Core (PCI).
La carte HD Core (PCI) fournit jusqu'à 96 pistes d'enregistrement et de lecture directement sur disque, ainsi que la puissance DPS pour les fonctions de mixage et de traitement des plugin. Elle prend en charge des sessions allant jusqu'à 24 bits et 192 kHz.

Port DigiLink Le port unique DigiLink de la carte HD Core (PCI) permet de connecter jusqu'à 32 canaux d'entrée et de sortie audio sur votre système Pro Tools|HD.
Port DigiSerial Le port DigiSerial de la carte HD Core (PCI) permet de connecter un périphérique SYNC de Digidesign. Il s'agit d'un connecteur mini DIN à huit broches.
Le port DigiSerial de la carte HD Core (PCI) ne prend pas en charge les connexions MachineControl.
Si votre carte HD Core (PCI) dispose de deux ports DigiSerial, utilisez le port DigiSerial le plus proche du connecteur DigiLink.
Carte HD Accel (PCI)
La carte HD Accel (PCI) est incluse sur les systèmes Pro Tools|HD 2 Accel (PCI) et Pro Tools|HD 3 Accel (PCI). Cette carte d'extension requiert la présence d'au moins une carte HD Core (PCI).
La carte HD Accel (PCI) fournit des pistes supplémentaires pour enregistrer et lire directement sur le disque et augmente la puissance DPS pour les fonctions de mixage et de traitement par plug-in. Elle prend en charge des sessions allant jusqu'à 24 bits et 192 kHz.

text_image
DigiLinkCarte HD Accel (PCI)
Port DigiLink Le port unique DigiLink de la carte HD Accel (PCI) permet de connecter jusqu'à 32 canaux d'entrée et de sortie audio sur votre système Pro Tools|HD.
Port DigiSerial Le port DigiSerial de la carte HD Accel (PCIe) ne présente aucune fonctionnalité.
Câble souple TDM
Pour qu'une paire de cartes d'extension puisse partager des données sur le bus TDM, reliez chaque carte avec le câble souple TDM livré.

Le câble souple est une carte de circuits imprimés souple dont les tracés métalliques sont très sensibles. Pour cette raison, vous ne devez pas plier, ni tordre, ni pincer le câble. Ceci risque en effet d'entraîner un comportement imprévisible de Pro Tools, voire d'endommager votre système.

Pour enregistrer et lire de l'audio, vous devez disposer au moins de l'une des interfaces audio Digidesign suivantes :
192 interface d'E/S audio
- Prise en charge des fréquences d'échantillonnage allant jusqu'à 192 kHz. Au moins une interface d'E/S™ 192 ou d'E/S™ numérique 192 doit être connectée à votre système Pro Tools|HD pour l'enregistrement, le traitement et la lecture à une fréquence de 192 kHz.
- Prise en charge des connexions analogiques et numériques, y compris AES/EBU, S/PDIF, TDIF et ADAT :
- Numérique (carte d'E/S numérique) : 8 canaux, DB-25 (AES/EBU et TDIF) ou une paire de connecteurs Lightpipe (ADAT Optical). Extension possible jusqu'à 16 canaux numériques d'entrée et sortie, grâce à une carte d'extension numérique 192.
- Analogique : 8 canaux, connecteurs DB-25 (symétriques), entrées pouvant être réglées sur des valeurs comprises entre +4 dBu et -10 dBV, sorties +4 dBu uniquement. Extension possible jusqu'à 16 entrées analogiques ou 16 sorties grâce à une carte d'extension 192 analogique-numérique ou 192 numérique-analogique (facultative), respectivement.
- Numérique (châssis) : 2 canaux, connecteurs XLR (AES/EBU) ; 2 canaux, connecteurs RCA (S/PDIF).
- Optique (châssis) : 8 canaux, une paire de connecteurs optiques Lightpipe (ADAT), réglables sur 2 canaux, S/PDIF.
- Entrée et sortie Loop Sync pour la connexion des interfaces et des périphériques Pro Tools|HD.
- Les entrée et sortie d'horloge externe reçoivent ou envoient 1x Word clock (configurable à 256x pour la prise en charge des interfaces audio Legacy, reportez-vous à la section "Interfaces audio d'E/S Legacy optionnelles", page 7).
192d'E/S numérique 192
- Prise en charge des fréquences d'échantillonnage allant jusqu'à 192 kHz. Au moins une interface d'E/S 192 ou d'E/S numérique 192 doit être connectée à votre système Pro Tools|HD pour l'enregistrement, le traitement et la lecture à une fréquence de 192 kHz.
- Prise en charge des connexions numériques, y compris AES/EBU, S/PDIF, TDIF et ADAT :
- Numérique (2 cartes d'E/S numériques) : 16 canaux, DB-25 (AES/EBU et TDIF) ou une paire de connecteurs optiques Lightpipe (ADAT).
- Numérique (châssis) : 2 canaux, connecteurs XLR (AES/EBU) ; 2 canaux, connecteurs RCA (S/PDIF).
- Optique (châssis) : 8 canaux, une paire de connecteurs optiques Lightpipe (ADAT), réglables sur 2 canaux, S/PDIF.
- Entrée et sortie Loop Sync pour la connexion des interfaces et des périphériques Pro Tools|HD.
- Les entrée et sortie d'horloge externe reçoivent ou envoient 1x Word clock (configurable à 256x pour la prise en charge des interfaces audio Legacy, reportez-vous à la section "Interfaces audio d'E/S Legacy optionnelles", page 7).
96d'E/S 1622
- Prise en charge des fréquences d'échantillonnage allant jusqu'à 96 kHz.
- Prise en charge des connexions analogiques et numériques, y compris AES/EBU, S/PDIF, TDIF et ADAT :
- Analogique : 8 canaux, connecteurs TRS 1/4 de pouce (symétriques ou asymétriques), +4 dBu ou -10 dBV.
- Numérique : 2 canaux, connecteurs XLR (AES/EBU) ; 2 canaux, connecteurs RCA (S/PDIF).
- Optique : 8 canaux, une paire de connecteurs optiques Lightpipe (ADAT), réglables sur 2 canaux, S/PDIF.
- Les entrée et sortie d'horloge externe reçoivent ou envoient 1x Word clock (configurable à 256x pour la prise en charge des interfaces audio Legacy, reportez-vous à la section "Interfaces audio d'E/S Legacy optionnelles", page 7).
Interface audio d'E/S 96i
- Prise en charge des fréquences d'échantillonnage allant jusqu'à 96 kHz.
- 16 canaux d'entrée séparés et 2 canaux de sortie, avec des vumètres à 4 segments sur chacun des canaux. Les entrées et sorties audio comprennent :
- 16 canaux 24 bits, une entrée analogique pouvant atteindre 96 kHz, avec sensibilité d'entrée réglable ;
- 2 canaux 24 bits, une sortie analogique pouvant atteindre 96 kHz, avec niveau de fonctionnement sélectionnable ;
- 2 canaux 24 bits, une entrée et sortie RCA S/PDIF numérique pouvant atteindre 96 kHz.
- Entrée et sortie Loop Sync pour la connexion des interfaces et des périphériques Pro Tools|HD.
- Les entrée et sortie d'horloge externe reçoivent ou envoient 1x Word clock.
Interfaces audio d'E/\$ Legacy optionnelles
Pour les canaux d'entrée et de sortie supplémentaires, vous pouvez connecter des interfaces audio Digidesign plus anciennes (ou interfaces d'E/S Legacy) à l'interface d'E/S 192, à l'interface d'E/S numérique 192 ou à l'interface d'E/S ^TM 96, l'interface d'E/S ^TM 96i ne prenant pas en charge les interfaces Legacy. Vous ne pouvez utiliser les interfaces Legacy répertoriées ci-dessous que lors de sessions à 44,1 et 48 kHz :
888|24d'E/S 1622
- Analogique : 8 canaux, connecteurs XLR (symétriques ou asymétriques), pouvant être réglés sur des valeurs comprises entre +4 dBu et -10 dBV.
- Numérique : 8 canaux, connecteurs XLR (AES/EBU) ; 2 canaux, connecteurs RCA (S/PDIF).
882|20d'E/S 1622
- Analogique : 8 canaux, connecteurs TRS 1/4 de pouce (symétriques ou asymétriques), pouvant être réglés sur des valeurs comprises entre +4 dBu et -10 dBV.
- Numérique : 2 canaux, connecteurs RCA (S/PDIF).
1622d'E/S 1622
- Analogique : 16 canaux d'entrée et 2 canaux de sortie, connecteurs TRS 1/4 de pouce (symétrique ou asymétrique). Les entrées peuvent être réglées à des niveaux ligne allant de +4 dBu à -10 dBV et davantage dans les étapes de gain de 2 dB ; les sorties peuvent être réglées sur des valeurs allant de +4 dBu à -10 dBV.
- Numérique : 2 canaux, connecteurs RCA (S/PDIF).
Interface d'E/S ADAT Bridge 24 bits Digidesign
- Optique : 16 canaux, une paire de connecteurs Lightpipe (ADAT).
- Sortie analogique : 2 canaux, connecteurs TRS 1/4 de pouce (symétriques), pouvant être réglés sur des valeurs comprises entre +4 dBu et -10 dBV.
- Numérique : 2 canaux, connecteurs XLR (AES/EBU) ; 2 canaux, connecteurs RCA (S/PDIF).
Configuration requise et compatibilité
Les systèmes Pro Tools|HD peuvent être utilisés sur un PC Windows ou un ordinateur Macintosh agréé par Digidesign et exécutant le logiciel Pro Tools HD.
Un lecteur DVD est requis pour l'utilisation du disque d'installation de Pro Tools.
Digidesign peut assurer la compatibilité et fournir une assistance uniquement pour les matériels et les logiciels testés et approuvés par ses soins.
Pour connaître la configuration complète requise et la liste des ordinateurs, systèmes d'exploitation, disques durs et périphériques tiers approuvés par Digidesign, reportez-vous aux informations sur le site Web de Digidesign :
Les interfaces MIDI USB fonctionnent correctement avec les systèmes Pro Tools sous Windows et Mac. Les interfaces série MIDI sont prises en charge sur les systèmes Windows uniquement.

Seules les interfaces MIDI USB sont compatibles avec les systèmes Pro Tools sur Mac OS X. Les adaptateurs de port modem-série et les périphériques MIDI ne sont pas pris en charge.
Pour obtenir la liste des adaptateurs pris en charge, visitez le site Web de Digidesign (www.digidesign.com/ compatibility).
Configuration des disques durs
Pour une qualité optimale d'enregistrement et de lecture audio, tous les systèmes Pro Tools|HD requièrent un ou plusieurs disques durs agréés par Digidesign.

Pour plus d'informations sur la maintenance générale et sur la configuration du lecteur de disque dur reportez-vous à l'annexe B, "Configuration et maintenance du disque dur".
Si vous utilisez plusieurs lecteurs SCSI reportez-vous à l'annexe A, "Connexion des disques SCSI".
Si vous utilisez un disque dur ATA/IDE ou FireWire, initialisez-le à l'aide du Gestionnaire de disques de Windows ou de l'utilitaire Disk Utility fourni avec le logiciel système Apple (Mac).

Pour plus d'informations, reportez-vous à l'annexe B, "Configuration et maintenance du disque dur".
Enregistrement déconseillé sur le lecteur système
Il n'est pas recommandé de réaliser des enregistrements sur le lecteur du système. Les disques durs système fournissent parfois des performances d'enregistrement et de lecture inférieures à celles fournies par les lecteurs non système, ce qui se traduit par un nombre inférieur de pistes et de plug-in.
Enregistrement auprès de Digidesign
Lisez le formulaire d'enregistrement Digidesign ci-joint et suivez les instructions pour enregistrer rapidement votre produit en ligne. Il s'agit d'une des étapes les plus importantes pour tout nouvel utilisateur. L'enregistrement de votre achat est le seul moyen qui vous permet d'obtenir :
- une assistance technique gratuite ;
• des offres de mise à niveau ;
• garantie limitée sur le matériel.
Conventions utilisées dans ce guide
Tous les guides de Digidesign utilisent les conventions suivantes pour indiquer les commandes de menu et les touches de raccourci :
| Convention Action | |
| File > Save Dans le menu | File, sélectionnez Save. |
| Ctrl+N Maintenez la touche | Ctrl enfoncée et appuyez sur la touche N. |
| Ctrl+clic Maintenez la touche | Ctrl enfoncée tout en cliquant à l’aide du bouton de la souris. |
| Cliquez avec le bouton droit de la souris | Cliquez à l’aide du bouton droit de la souris. |
La police de caractère des noms de commandes, options et paramètres affichés à l'écran est différente.
Les symboles suivants sont utilisés pour mettre en évidence des informations importantes :

Les conseils aux utilisateurs sont des astuces qui vous permettent d'optimiser l'utilisation de votre système Pro Tools.

Les avertissements importants contiennent des informations susceptibles de modifier les données d'une session ou les performances de votre système Pro Tools.

Les raccourcis indiquent des raccourcis clavier et souris utiles.

Les références croisées vous dirigent vers des sections associées des guides de Pro Tools.
chapitre 2
Installation de Pro Tools sous Windows
Ce chapitre contient des informations propres aux systèmes Windows. Si vous souhaitez installer Pro Tools sur Mac, reportez-vous au chapitre 3, "Installation de Pro Tools sur Mac".
Avant de procéder à l'installation de cette version de l'application, lisez le fichier Lisez-moi du disque d'installation de Pro Tools.
Présentation de l'installation
L'installation d'un système Pro Tools|HD sur un ordinateur Windows comprend les étapes suivantes :
1 "Installation du matériel Pro Tools", page 11. Cette étape comprend :
- la désactivation des avertissements de signature du pilote ;
- l'installation et la connexion des cartes Pro Tools|HD ;
- la connexion des interfaces audio.
2 "Installation du logiciel Pro Tools HD", page 19.
3 "Lancement de Pro Tools", page 21.
4 Configuration de votre système pour une performance optimale (voir chapitre 4, "Configuration de votre système Pro Tools").
5 "Connexions Studio", page 73.
Installation du matériel Pro Tools
Désactivation des avertissements de signature du pilote
(Windows XP uniquement)
Avant d'installer vos cartes Pro Tools|HD, désactivez temporairement l'option d'avertissement de signature du pilote pour Windows XP. Cela vous permettra d'accélérer et d'automatiser une grande partie de la procédure d'installation. Si vous ne désactivez pas temporairement cette option, des messages vous avertissant que vous installez un pilote non signé s'afficheront après détection de chaque puce DSP lors de la phase d'installation de votre logiciel.
Pour désactiver l'option d'avertissement sur Windows :
1 Cliquez avec le bouton droit de la souris sur Poste de travail, puis sélectionnez Propriétés.
2 Cliquez sur l'onglet Ajout de matériel de la boîte de dialogue Propriétés système.
3 Cliquez sur le bouton Signature du pilote.
4 Sélectionnez l'option Ignorer - Forcer l'installation du logiciel sans demander mon approbation.
5 Cliquez sur OK pour fermer la fenêtre Options de signature du pilote.
6 Cliquez sur OK pour fermer la boîte de dialogue Propriétés système.
7 Eteignez l'ordinateur.
8 Passez à la section "Installation des cartes Pro Tools|HD", page 12.
Installation des cartes Pro Tools|HD
Cette section explique comment installer les cartes Pro Tools|HD sur un ordinateur Windows.

Pour installer les cartes sur un châssis d'extension, consultez le Guide des systèmes étendus.
Pour installer des cartes Pro Tools :
1 Éteignez votre ordinateur, ainsi que tous les périphériques. Laissez le câble d'alimentation de l'ordinateur branché pour que ce dernier soit mis à la terre.
2 Débranchez tous les câbles reliés à l'ordinateur (tels que ceux des disques durs, des moniteurs, des périphériques USB et FireWire), sauf le câble d'alimentation.
3 Ouvrez le boîtier de l'ordinateur.
4 Otez le panneau métallique du port d'accès situé derrière l'emplacement à utiliser en retirant la vis, puis en faisant coulisser le panneau.

Avant de manipuler une carte, déchargez l'électricité statique de vos vêtements ou de votre corps en touchant une surface métallique reliée à la terre, telle que le boîtier d'alimentation de votre ordinateur.
5 En fonction de la présence ou non d'emplacements pour cartes PCIe ou PCI, effectuez l'une des opérations suivantes :
- insérez la carte Accel Core (PCIe) dans le premier emplacement PCIe ;
- Ou -
- insérez la carte HD Core (PCI) dans le premier emplacement PCI.
6 Si vous installez des cartes Pro Tools supplémentaires (ou d'autres cartes), passez à l'étape suivante. Si vous n'avez plus de cartes à installer, procédez comme suit :
- Assurez-vous de bien fixer la carte à l'aide de la vis du port d'accès que vous aviez retirée.
- Refermez le boîtier de l'ordinateur.
- Passez à la section "Connexion d'interfaces audio", page 14.
7 En fonction de la présence ou non d'emplacements pour cartes PCIe ou PCI, effectuez l'une des opérations suivantes :
- insérez la première carte HD Accel (PCIe) dans le second emplacement PCIe ;
- ou -
- installez la première carte HD Accel (le cas échéant) dans le deuxième emplacement PCI.
8 Installez toute carte HD Accel supplémentaire dans les emplacements PCIe ou PCI consécutifs disponibles.
9 Si l'ordinateur est équipé d'emplacements pour cartes PCI, installez les cartes HD Process restantes dans les emplacements PCI disponibles consécutifs (32 ou 64 bits).
10 Si vous procédez à l'installation d'une carte HBA SCSI, installez-la dans l'emplacement restant portant le numéro le plus élevé.
11 Veillez à ce que toutes les cartes soient installées dans l'ordre adapté au système, en commençant par l'emplacement portant le numéro le plus petit :
- Carte d'affichage vidéo pour le moniteur de l'ordinateur
- Carte Accel Core (PCIe) ou carte HD Core (PCI)
• Cartes HD Accel
• Cartes HD Process - Adaptateur de bus hôte SCSI (HBA)
12 Assurez-vous de bien fixer les cartes à l'aide des vis précédemment ôtées.
Connexion de cartes Pro Tools|HD
Dans les systèmes HD qui contiennent plus d'une carte, connectez toutes les cartes Pro Tools|HD entre elles à l'aide de câbles souples TDM.
En haut de chaque carte Pro Tools|HD se trouvent deux ports : le port A et le port B. Le câble souple comporte deux connecteurs, également appelés Port A et Port B pour faciliter la connexion. L'échange des données entre plusieurs cartes s'effectue en connectant le port B de la première carte au port A de la carte suivante, à l'aide d'un câble souple TDM.

Le premier câble souple relie toujours le port B de la carte de type Core à la première carte d'extension, comme décrit dans la procédure suivante.
Pour connecter les cartes Pro Tools|HD :
1 Avant d'installer le câble souple sur les cartes, tenez-le face imprimée vers vous, puis éloignez de vous la partie reliée au port B et dirigez-la vers l'extérieur, comme illustré ci-dessous. Evitez de trop plier le câble, car vous risquez d'endommager ses tracés métalliques.

text_image
PORT A PORT B → PORT A PORT BAvant installation du câble souple TDM
2 Insérez le câble souple dans la fente de la carte de type Core de façon à ce que le connecteur du port B du câble souple soit aligné sur le port B de la carte de type Core. Passez ensuite au connecteur du port A du câble souple en l'alignant sur le port A de la deuxième carte comme illustré ci-dessous.

flowchart
graph TD
A["Port A"] --> B["Port B"]
B --> C["Port C"]
D["Port B"] --> E["Port C"]
F["Port A"] --> G["Port B"]
H["Port C"] --> I["Port B"]
J["Port A"] --> K["Port B"]
L["Port C"] --> M["Port B"]
N["Port A"] --> O["Port B"]
P["Port C"] --> Q["Port B"]
R["Port A"] --> S["Port B"]
T["Port C"] --> U["Port B"]
V["Port A"] --> W["Port B"]
X["Port C"] --> Y["Port B"]
Z["Port A"] --> AA["Port B"]
AB["Port C"] --> AC["Port B"]
AD["Port A"] --> AE["Port B"]
AF["Port C"] --> AG["Port B"]
AH["Port A"] --> AI["Port B"]
AJ["Port C"] --> AK["Port B"]
AL["Port A"] --> AM["Port B"]
AN["Port C"] --> AO["Port B"]
AP["Port A"] --> AQ["Port B"]
AR["Port C"] --> AS["Port B"]
AT["Port A"] --> AU["Port B"]
AV["Port C"] --> AW["Port B"]
AX["Port A"] --> AY["Port B"]
AZ["Port C"] --> BA["Port B"]
Insertion du câble souple TDM
3 Branchez le connecteur du port A du câble souple au port A de la seconde carte. Enfoncez délicatement le câble jusqu'à ce qu'il soit fermement connecté à la carte. Connectez l'autre extrémité du câble souple (appelée Port B) au port B de la carte de type Core.

text_image
HD Core PORT A PORT B PORT A PORT B HD AccelVue supérieure de deux cartes connectées à l'aide du câble souple TDM
4 Vérifiez la connexion. Assurez-vous que les ports du câble souple sont fermement fixés aux connecteurs des cartes et bien à plat.

text_image
PORT A PORT B PORT A PORT B PORT B PORT A PORT B HD CORE HD AccelVue latérale de deux cartes HD connectées à l'aide du câble souple TDM
5 Pour les systèmes disposant de plus de deux cartes, connectez chaque carte supplémentaire à la carte qui la précède. Utilisez des câbles souples pour connecter les paires de cartes, comme décrit ci-dessous, jusqu'à ce que toutes les cartes soient connectées (toutes les cartes HD Accel et HD Process sont fournies avec un câble souple).
6 Refermez le boîtier de l'ordinateur.
Connexion d'interfaces audio
Chaque interface audio Pro Tools|HD offre jusqu'à 16 canaux d'entrée et de sortie à votre système. Les interfaces audio sont directement connectées aux cartes Pro Tools|HD ou via les ports d'extension sur d'autres interfaces Pro Tools|HD.
Chaque carte Pro Tools|HD prend en charge jusqu'à 32 canaux. Pour qu'une carte fonctionne avec 32 canaux d'entrée/sortie, vous pouvez connecter (ou connecter bout à bout) une seconde interface d'entrée/sortie Pro Tools|HD à 16 canaux à la première interface d'entrée/sortie Pro Tools|HD, connectée directement à la carte Pro Tools|HD.
Pro Tools|HD prend en charge jusqu'à dix interfaces d'E/S 192, numérique 192 et 96. Il est possible d'utiliser jusqu'à cinq interfaces d'E/S 96i à la fois.
Pour consulter des exemples de connexions multiples d'interfaces d'E/S, reportez-vous à la figure 1 et à la figure 2, page 16.
Afin d'assurer un refroidissement correct, veillez à laisser suffisamment d'espace de chaque côté des interfaces audio Pro Tools|HD. N'obstruez pas les côtés de l'unité et ne déconnectez pas le ventilateur interne. Si les unités sont placées dans les baies d'un châssis, retirez tous les couvercles ou portes avant de faire fonctionner le système. L'absence d'une telle précaution risque de provoquer la surchauffe rapide des unités et d'endommager irrémédiablement les composants fragiles du système.
Les interfaces d'E/S Legacy peuvent également être connectées aux interfaces Pro Tools|HD (voir "Connexion d'interfaces d'E/S Legacy", page 17).
Pour connecter des Interfaces audio Pro Tools|HD :
1 Si vous utilisez une seule interface d'E/S 192, E/S numérique 192, ES 96 ou 96i, connectez son port Primary à la carte (pour PCI) à l'aide du câble DigiLink fourni avec cette dernière. Pour que Pro Tools puisse démarrer, vous devez connecter au moins une interface d'E/S 192, numérique 192, 96 ou 96i à votre système.
Si votre configuration système comprend au moins une interface d'E/S 192 ou numérique 192, celle-ci doit être connectée à la carte HD Core (pour PCI) en tant qu'interface principale.
2 Connectez les interfaces audio Tools|HD supplémentaires aux cartes audio Digidesign suivantes ou connectez vos interfaces bout à bout, en connectant le port Primary de l'interface secondaire au port Expansion de l'interface principale.

text_image
HD Core Câble DigiLink de 3,6 m Câbles Loop Sync Câble DigiLink de 45 cmFigure 1. Deux interfaces d'E/S 96 (système à 32 canaux)

flowchart
graph TD
A["HD Core"] --> B["Câble DigiLink de 3,6 m"]
B --> C["Câble Loop Sync"]
C --> D["Câble DigiLink de 45 cm"]
D --> E["Câble Loop Sync"]
E --> F["Câble DigiLink de 3,6 m"]
F --> G["Câble souple TDM"]
G --> H["Carte HD Accel ou HD Process"]
Figure 2. Trois interfaces d'E/S 96 (système à 48 canaux)
Si vous connectez à la fois les interfaces audio d'E/S 192 (ou numérique 192) et 96 à votre système, connectez l'interface d'E/S 192 (ou numérique 192) à votre carte HD Core (pour PCI), suivie de toute interface d'E/S 192 supplémentaire (ou numérique 192) aux cartes suivantes. Connectez ensuite les interfaces d'E/S 96 aux cartes suivantes ou à d'autres interfaces, puis les interfaces d'E/S 96i.
Vous pouvez également connecter une seule interface Pro Tools|HD à chaque carte Pro Tools|HD de votre système, à l'aide des câbles DigiLink fournis. Cette configuration ne présente toutefois aucun avantage par rapport à la connexion bout à bout d'interfaces.
Connexion de Loop Sync
Si vous utilisez plusieurs interfaces audio Pro Tools|HD ou un périphérique SYNC, Loop Sync doit être connecté de manière à assurer la synchronisation des différents périphériques.
Pour établir des connexlons Loop Sync :
1 Connectez ensuite la sortie Loop Sync de chaque interface à l'entrée Loop Sync de l'interface suivante à l'aide des câbles BNC inclus dans l'emballage.
2 Connectez ensuite la sortie Loop Sync de la dernière interface à l'entrée Loop Sync de l'interface principale ou du périphérique SYNC.
Connexion d'interfaces d'E/S Legacy
Chaque interface d'E/S 192, numérique 192 et 96 peut prendre en charge 16 canaux audio depuis et vers des interfaces d'E/S Digidesign Legacy (l'interface d'E/S 96i ne prend pas en charge l'interface d'E/S Legacy). Les interfaces d'E/S Legacy comprennent les interfaces d'E/S 888|24 I/O™, 882|20 I/O™, 1622 I/O™ et ADAT Bridge I/O™ 24 bits.
Les interfaces d'E/S 888 et 882 d'origine ne sont pas prises en charge par les systèmes Pro Tools|HD.
Les interfaces d'E/S 96i ne prennent pas en charge les interfaces d'E/S Legacy.
Pour connecter les interfaces d'E/S Legacy de Digidesign :
1 Connectez l'extrémité de la carte MIX du câble de périphérique fourni avec votre interface d'E/S Legacy (côté à 60 broches) au port correspondant de l'interface audio Pro Tools|HD principale. Connectez l'autre extrémité au port de l'ordinateur de l'interface d'E/S Legacy.
2 Effectuez l'une des opérations suivantes :
- De la même façon, connectez toutes les interfaces d'E/S Legacy supplémentaires aux interfaces audio Pro Tools|HD connectées directement aux cartes HD.
- ou -
- Connectez d'abord le câble en Y (adaptateur Legacy de câbles de périphérique à 16 canaux) au port Legacy, si vous en utilisez un, puis les câbles de périphérique de l'interface audio aux ports A et B du câble en Y.

text_image
Port "A" connecté à la première interface d'E/S Legacy Port "B" connecté à la deuxième interface d'E/S Legacy Vers le port Legacy de l'interface audio Pro Tools | HDAdaptateur de câbles périphériques à 16 canaux (facultatif)
3 Pour régler correctement l'horloge de l'interface d'E/S Legacy, connectez le port de sortie de l'horloge de l'interface d'E/S Pro Tools|HD à l'entrée de l'horloge esclave de l'interface d'E/S Legacy. Cette dernière passe en mode Slave une fois que l'horloge appropriée envoie des signaux depuis l'interface d'E/S Pro Tools|HD. Utilisez toujours le port de sortie Ext. de l'horloge externe de l'interface d'E/S à laquelle l'interface d'E/S Legacy est connectée.
Si vous utilisez le câble en Y pour connecter plusieurs interfaces audio MIX ^TM , connectez également la sortie de l'horloge esclave de la première interface Legacy à l'entrée de l'horloge esclave de la seconde interface Legacy, à l'aide du câble BNC fourni. Vous ne pouvez pas configurer les horloges de plus de deux interfaces audio MIX à partir d'une seule interface audio Pro Tools|HD. Si vous possédez une troisième interface audio MIX, son horloge 256x sera fournie par l'interface d'E/S
Pro Tools|HD à laquelle un câble à 60 broches est connecté (sur la deuxième interface audio ou directement sur une carte HD Accel ou HD Process).
Pour que les interfaces d'E/S Legacy (telles que 888|24 ou 882|20) fonctionnent correctement, lancez Pro Tools et initialisez ce type d'interface audio dans la boîte de dialogue Hardware Setup avant de les mettre sous tension (voir "Configuration d'E/S Legacy", page 61). Quittez ensuite Pro Tools, puis éteignez l'ordinateur. Au redémarrage du système Pro Tools mettez d'abord sous tension les interfaces d'E/S Legacy. Après leur initialisation, mettez les interfaces audio Pro Tools|HD sous tension, puis allumez l'ordinateur.
Avant de mettre sous tension vos interfaces d'E/S Legacy et de les configurer, réduisez le volume des périphériques de sortie. Un son numérique très puissant risque d'être émis avant l'initialisation de l'interface d'E/S Legacy.
Installation du logiciel Pro Tools HD
Une fois le matériel Pro Tools|HD installé et connecté, vous pouvez passer à l'installation du logiciel Pro Tools.
Assurez-vous d'avoir désactivé l'avertissement de signature du pilote avant de commencer l'installation du logiciel. Cela réduira le nombre de messages d'avertissement qui s'afficheront pendant l'installation. Pour plus d'informations, reportez-vous à la section "Désactivation des avertissements de signature du pilote", page 11.
Pour installer le logiciel Pro Tools HD :
1 Démarrez Windows en vous connectant avec des privilèges d'administrateur. Pour tout renseignement supplémentaire sur les privilèges d'administrateur, reportez-vous à la documentation Windows.
2 Lorsque la boîte de dialogue de l'Assistant Ajout de nouveau matériel détecté s'affiche, laissez-la ouverte. Ne cliquez pas sur Suivant.
3 Insérez le disque d'installation de Pro Tools dans le lecteur de DVD.
4 Sur le disque d'installation, cliquez deux fois sur le fichier Setup.exe.
5 Pour procéder à l'installation, suivez les instructions à l'écran et cliquez sur Suivant lorsque vous y êtes invité.
6 Pour procéder à l'installation, suivez les instructions à l'écran et cliquez sur Suivant lorsque vous y êtes invité.
7 Pour installer l'ensemble du logiciel Pro Tools ainsi que tous les plug-in, ne désélectionnez pas Pro Tools.
8 À la page de sélection des fonctionnalités, effectuez l'une des opérations suivantes :
- Pour installer tous les fichiers d'application Pro Tools et toutes les suites de plug-in gratuits (ainsi que les contenus correspondants), conservez les options d'installation définies par défaut et cliquez sur Continue.
-ou- - Sélectionnez (ou désélectionnez) l'option de personnalisation de la configuration des paramètres d'installation (voir "Paramètres d'installation", page 20) et cliquez sur Continue.
9 Cliquez sur Suivant.
10 Sélectionnez un environnement de travail. Cette opération lance le chargement d'un ensemble initial de paramètres Pro Tools, qui inclut ceux les plus couramment utilisés pour la postproduction, l'audio simple et l'audio MIDI.
Les paramètres par défaut peuvent être personnalisés à tout moment dans Pro Tools. Pour obtenir des informations supplémentaires, consultez le Guide de référence Pro Tools.
11 Cliquez sur Suivant.
12 Cliquez sur Install.
Plusieurs messages s'affichent pendant l'installation, mais vous pouvez les ignorer, y compris les boîtes de dialogue "Nouveau matériel détecté" et "Un problème est survenu pendant l'installation du matériel".
En outre, si un message d'avertissement vous indique que l'essai du logo Windows a échoué, cliquez sur Continuer.
13 Attendez que le programme ait installé tous les composants logiciels, pilotes et systèmes de fichiers PACE pour passer à l'étape suivante.
14 Une fois l'installation terminée, cliquez sur Terminer.
Paramètres d'installation
Options Pro Tools HD
Pour installer un sous-ensemble de logiciels et de plug-in Pro Tools (ainsi que les contenus correspondants), cliquez sur le signe (+) correspondant à l'option ProTools HD 8.0 sur la page de sélection des fonctionnalités du programme d'installation et désélectionnez, parmi les options suivantes, celles que vous ne souhaitez pas installer.
Fichiers d'application (requis pour Pro Tools)
Installez l'application Pro Tools ainsi que les fichiers de bibliothèque correspondants, nécessaires à l'exécution de Pro Tools. Cette option doit être sélectionnée pour installer Pro Tools.
Plug-in DigiRack Cette option installe des plug-in gratuits, parmi lesquels DigiRack, Bomb Factory, Eleven Free, TL Utilities ainsi que Digidesign D-Fi et Maxim.
Pro Tools Creative Collection Cette option installe des plug-in d'effets RTAS et des plug-in d'instruments virtuels gratuits (dont 4,4 Go d'exemples). Pour plus d'informations, reportez-vous au Guide des plug-in Creative Collection.
Utilitaires Pro Tools Ils installent les modèles du mode Calibration pour les systèmes Pro Tools|HD, DigiTest™ ainsi que les logiciels de mise à jour des microprogrammes pour SYNC I/O™ et SYNC HD™.
Options supplémentaires
Le programme d'installation Pro Tools permet d'installer, outre le logiciel et les plug-in Pro Tools, les options supplémentaires suivantes.
Option Mac HFS+ Disk Support Elle permet au système Pro Tools de lire, d'écrire, d'enregistrer et de relire des données à partir de disques au format Mac HFS+. Les disques HFS+ sont aussi souvent appelés disques Mac OS étendu.
Avid Video Engine Le composant Avid Video Engine est requis pour utiliser Pro Tools avec les périphériques vidéo Avid (par exemple, Avid Mojo® ou Digidesign AVoption|V10).
Contrôleur et pilote Command|8 Le pilote Command|8 ^® est nécessaire pour utiliser la surface de contrôle Digidesign Command|8.
Installation de QuickTime
Procédez à l'installation de QuickTime si vous prévoyez d'inclure des fichiers vidéo ou d'importer des fichiers MP3 ou MP4 (AAC) dans vos sessions Pro Tools. Vous pouvez télécharger gratuitement QuickTime pour Windows sur le site Web d'Apple.
Pour obtenir plus d'informations sur la version QuickTime compatible avec votre version de Pro Tools, reportez-vous aux pages relatives à la compatibilité sur le site Web de Digidesign : www.digidesign.com/compatibility
Pour installer QuickTime :
1 Sur le site www.apple.com, téléchargez le programme d'installation de QuickTime for Windows sur votre ordinateur.
2 Cliquez deux fois sur le programme et suivez les instructions qui s'affichent à l'écran.
3 Redémarrez votre ordinateur.

Si vous avez désactivé l'option d'avertissement de signature du pilote sur votre ordinateur, n'oubliez de la réactiver une fois le matériel et le logiciel Pro Tools installés.
Lancement de Pro Tools
L'utilisation de Pro Tools HD n'est possible que si vous avez inséré une clé iLok autorisée pour Pro Tools HD. Le système Pro Tools HD est fourni avec une clé iLok préautorisée.
Pour lancer le loglclel Pro Tools HD :
1 Assurez-vous que le matériel HD est connecté à l'ordinateur.
2 Insérez la clé iLok préautorisée dans un port USB disponible sur votre ordinateur.

Ne retirez pas la clé iLok lors du démarrage ou de l'utilisation de Pro Tools.
3 Effectuez l'une des opérations suivantes :
- Cliquez deux fois sur le raccourci Pro Tools HD sur le bureau.
- ou -
- Recherchez l'application Pro Tools HD sur votre disque dur et cliquez deux fois sur l'icône correspondante.
4 Utilisez la boîte de dialogue Quick Start pour effectuer l'une des opérations suivantes :
- Créer une session à partir d'un modèle.
- Créer une session vide.
• Ouvrir une session.

Boîte de dialogue Quick Start

Pour plus d'informations sur la boîte de dialogue Quick Start et les modèles de session, consultez le Guide de référence Pro Tools.
Logiciels supplémentaires du disque d'installation Pro Tools
Le disque d'installation Pro Tools HD contient des logiciels supplémentaires pour votre système, notamment une série HD Pack de plug-in, des applications et des plug-in tiers, des pilotes audio (pour la lecture d'autres applications audio via un dispositif Digidesign), ainsi qu'une session de démonstration Pro Tools.

Reportez-vous à votre disque d'installation de Pro Tools pour obtenir des logiciels et des programmes d'installation supplémentaires.
Plug-in HD Pack
Le coffret Pro Tools contient également la série HD Pack de plug-in de Digidesign et des partenaires de développement de Digidesign. Installez le contenu de HD Pack une fois l'installation de Pro Tools terminée.
Les programmes d'installation HD Pack se trouvent sur le disque d'installation Pro Tools, situé dans le dossier Additional Files\ HD Pack Installers.
Applications et plug-in tiers
Le coffret Pro Tools contient également plusieurs applications et plug-in gratuits d'autres développeurs Digidesign. Installez-les une fois l'installation de Pro Tools terminée.
Les programmes d'installation se trouvent sur le disque d'installation Pro Tools dans le dossier Additional Files\3rd Party Content.
Pilotes audio Windows
Le pilote ASIO et le pilote audio WaveDriver pour les systèmes Windows de Digidesign permettent d'utiliser l'interface matérielle Digidesign avec des applications tierces prenant en charge le pilote ASIO ou WaveDriver MME (Multimedia Extension).
Les pilotes Digidesign ASIO et WaveDriver pour votre matériel Digidesign sont installés automatiquement en même temps que Pro Tools.
Pilote ASIO de Digidesign
Le pilote ASIO (Audio Sound Input Output) de Digidesign est un pilote audio multicanal client unique qui permet à des programmes audio tiers prenant en charge la norme ASIO d'enregistrer et de lire des données audio via un dispositif Digidesign.

Pour plus d'informations sur la configuration du pilote ASIO de Digidesign, reportez-vous au guide correspondant.
Pilote WaveDriver de Digidesign
(Windows XP uniquement)
Le pilote WaveDriver pour système Windows de Digidesign est un pilote stéréo client unique qui permet à des programmes audio tiers compatibles WaveDriver MME (Multimedia Extension) de lire des données via un dispositif Digidesign.

Pour plus d'informations sur la configuration du pilote WaveDriver de Digidesign, reportez-vous au guide Digidesign correspondant.
Pilotes audio Windows autonomes
Les pilotes audio pour Windows de Digidesign peuvent être installés sur des systèmes Windows où le logiciel Pro Tools n'est pas installé. Utilisez alors la version autonome du programme d'installation des pilotes audio pour Windows de Digidesign (Digidesign Audio Drivers Setup.exe), qui se trouve sur le disque d'installation de Pro Tools.

Pour plus d'informations sur l'installation et la configuration de la version autonome des pilotes audio pour Windows de Digidesign, reportez-vous au guide Digidesign correspondant.
Session de démonstration Pro Tools
Le disque d'installation de Pro Tools HD comprend une session de démonstration permettant de vérifier le bon fonctionnement du système. La session de démonstration de Pro Tool HD s'intitule Meant To Be.
Avant d'installer la session de démonstration sur votre lecteur audio, vérifiez que ce dernier est configuré comme indiqué dans la section "Formatage d'un lecteur audio", page 86.
Pour installer la session de démonstration :
1 Insérez le disque d'installation de Pro Tools HD dans le lecteur de DVD.
2 Dans le dossier Additional Files du disque d'installation, recherchez et ouvrez le dossier Pro Tools Demo Session Installer.
3 Cliquez deux fois sur le fichier HD Demo Session Setup.exe.
4 Pour procéder à l'installation, suivez les instructions à l'écran.
5 Lorsque vous y êtes invité, sélectionnez le lecteur audio en tant qu'emplacement d'installation et cliquez sur Suivant pour commencer l'installation.
6 Une fois l'installation terminée, cliquez sur Terminer.
Vous pouvez ouvrir la session de démonstration en cliquant deux fois sur le fichier Meant To Be.ptf (situé dans le dossier Pro Tools Demo Session).
Désinstallation de Pro Tools
Pour désinstaller le logiciel Pro Tools de votre ordinateur, utilisez le programme de désinstallation.
Pour supprimer Pro Tools de votre ordinateur :
1 Assurez-vous que vous êtes connecté en tant qu'administrateur au compte sur lequel Pro Tools est installé.
2 Accédez à C:\Program Files\Digidesign\Pro Tools\Pro Tools Utilities et cliquez deux fois sur le fichier Uninstall Pro Tools Setup.exe.
3 Cliquez sur Suivant pour procéder à la désinstallation.
4 Cliquez sur Désinstaller.
5 Entrez le mot de passe administrateur, puis cliquez sur OK.
6 Cliquez sur Finish pour redémarrer l'ordinateur et terminer la désinstallation.
chapitre 3
Installation de Pro Tools sur Mac
Ce chapitre contient des informations propres aux systèmes Mac. Si vous souhaitez installer Pro Tools sous Windows, reportez-vous au chapitre 2, “Installation de Pro Tools sous Windows”.
Avant de procéder à l'installation de cette version de l'application, lisez le fichier Lisez-moi du disque d'installation de Pro Tools.
Présentation de l'installation
L'installation d'un système Pro Tools|HD sur un Mac comprend les étapes suivantes :
1 "Installation du matériel Pro Tools", page 25. Cette étape comprend :
- l'installation et la connexion des cartes Pro Tools|HD ;
- la connexion des interfaces audio.
2 "Installation du logiciel Pro Tools HD", page 35.
3 "Lancement de Pro Tools", page 36.
4 Configuration de votre système pour une performance optimale (voir chapitre 4, "Configuration de votre système Pro Tools").
5 "Connexions Studio", page 73.
Installation du matériel Pro Tools
Avant d'installer le matériel Pro Tools|HD, vous devez installer les cartes Pro Tools|HD et, pour les systèmes équipés de plus d'une carte, connecter les cartes à l'aide d'un câble souple TDM.
Installation des cartes Pro Tools|HD
Cette section explique comment installer les cartes Pro Tools|HD dans un ordinateur Mac. La procédure d'installation dépend du type d'ordinateur Mac.
Si vous souhaitez installer des cartes dans un ordinateur Mac Pro, reportez-vous à "Installation des cartes Pro Tools|HD dans un ordinateur Mac Pro", page 26.
Si vous souhaitez installer des cartes dans un ordinateur Power Mac, reportez-vous à "Installation des cartes Pro Tools|HD dans un ordinateur Power Mac G5", page 28.

Pour installer les cartes sur un châssis d'extension, consultez le Guide des systèmes étendus.
Installation des cartes Pro Tools|HD dans un ordinateur Mac Pro
Le Mac Pro équipé d'une carte PCI Express dispose de trois emplacements PCIe (portant les numéros 2, 3 et 4). Les numéros des emplacements PCIe sont classés par ordre croissant de bas en haut sur la face latérale du boîtier de l'ordinateur. Insérez la carte Accel Core (PCIe) dans l'emplacement PCI n° 2.

text_image
Baies de disques et disques SATA Emplacement PCI n° 4 (caché) Emplacement PCI n° 3 Emplacement PCI n° 2 Emplacement PCI n° 1 (carte vidéo)Figure 3. Mac Pro
Veillez à suivre ces instructions afin d'éviter d'endommager la carte et ses composants.
Pour installer des cartes Pro Tools dans un ordinateur Mac Pro :
1 Éteignez votre ordinateur, ainsi que tous les périphériques. Laissez le câble d'alimentation de l'ordinateur branché pour que ce dernier soit mis à la terre.
2 Débranchez tous les câbles reliés à l'ordinateur (tels que ceux des disques durs, des moniteurs, des périphériques USB et FireWire), sauf le câble d'alimentation.
3 Allongez l'ordinateur sur le côté, en plaçant le panneau d'accès vers le haut.
4 Ouvrez le boîtier de l'ordinateur en utilisant la serrure placée à l'arrière de l'ordinateur.
5 Retirez la pièce fixant les panneaux métalliques des ports d'accès au châssis.
6 Retirez les panneaux métalliques des ports d'accès des emplacements que vous souhaitez utiliser.
7 Retirez les baies de disques SATA. Retirez également tout autre disque SATA installé. Pour savoir comment retirer les disques et les baies de disques SATA, reportez-vous à la documentation fournie avec votre ordinateur.
Avant de manipuler une carte, déchargez l'électricité statique de vos vêtements ou de votre corps en touchant une surface métallique reliée à la terre, telle que le boîtier d'alimentation de votre ordinateur sans en déconnecter le câble d'alimentation.
8 Installez la carte Accel Core (pour PCIe) à l'emplacement de l'ordinateur portant le numéro le plus petit (emplacement n° 2). Il s'agit de l'emplacement situé le plus près de la carte graphique, comme l'illustre la figure 3, page 26. Procédez de la manière suivante :
- Tenez la carte au-dessus de l'emplacement n° 2 de manière à ce que l'avant de la carte soit surélevé par rapport à l'arrière (au niveau duquel se situe le connecteur DigiLink de la carte), ainsi que l'illustre la figure 4.

Figure 4. La carte est tenue de biais au-dessus de l'emplacement
- Tout en maintenant la carte dans cette position, appuyez les crochets arrière de la carte contre le bord du châssis au niveau duquel se situe le port d'accès de l'emplacement.
- Faites glisser doucement l'avant de la carte dans la glissière en plastique gris (là où se trouvent les numéros des emplacements) pour cartes PCIe de l'emplacement n° 2, comme l'illustre la figure 5.

Figure 5. L'avant de la carte est inséré dans la glissière pour carte PCIe
- Les connecteurs PCIe de la carte dirigés vers le bas, faites glisser la carte précautionneusement en ligne droite vers le bas et appuyez fermement pour insérer les connecteurs dans l'emplacement PCIe n° 2, en veillant à ce que les composants sur la face avant de la carte soient placés à une certaine distance de la glissière en plastique gris, comme l'illustre la figure 6.

Figure 6. Figure 3. Les connecteurs PCIe sont dirigés vers le bas
A Ne forcez pas la carte dans l'emplacement PCI. Présentée correctement, la carte doit pouvoir être glissée facilement. Dans le cas contraire, ajustez l'inclinaison de la carte.
9 Installez la première carte d'extension (le cas échéant) dans le deuxième emplacement (emplacement 3).
10 Installez la deuxième carte d'extension (le cas échéant) dans le quatrième emplacement.
11 Si vous procédez à l'installation d'une carte HBA SCSI, installez-la dans l'emplacement restant portant le numéro le plus élevé.
12 Veillez à ce que toutes les cartes soient installées dans l'ordre adapté au système, en commençant par l'emplacement portant le numéro le plus petit :
- Carte d'affichage vidéo pour le moniteur de l'ordinateur
- Carte Accel Core (PCIe)
- Cartes HD Accel (PCIe)
- Carte de capture vidéo agréée par Digidesign
- Adaptateur de bus hôte SCSI (HBA)
13 Remplacement des disques SATA
14 Replacez la pièce fixant les cartes et les panneaux métalliques des ports d'accès au châssis.
Les connecteurs PCIe de la carte ne seront entièrement insérés qu'une fois cette pièce remise en place.
Installation des cartes Pro Tools|HD dans un ordinateur Power Mac G5
Suivez les instructions ci-dessous pour installer les cartes Pro Tools|HD dans des ordinateurs Power Mac G5 équipés de PCI ou PCI Express.
Pour installer des cartes Pro Tools dans un ordinateur Power Mac G5 :
1 Éteignez votre ordinateur, ainsi que tous les périphériques. Laissez le câble d'alimentation de l'ordinateur branché pour que ce dernier soit mis à la terre.
2 Débranchez tous les câbles reliés à l'ordinateur (tels que ceux des disques durs, des moniteurs, des périphériques USB et FireWire), sauf le câble d'alimentation.
3 Allongez l'ordinateur sur le côté, en plaçant le panneau d'accès vers le haut.
4 Ouvrez le boîtier de l'ordinateur en utilisant la serrure placée à l'arrière de l'ordinateur.
5 Otez le panneau métallique du port d'accès situé derrière l'emplacement à utiliser en retirant la vis, puis en faisant coulisser le panneau.
Avant de manipuler une carte, déchargez l'électricité statique de vos vêtements ou de votre corps en touchant une surface métallique reliée à la terre, telle que le boîtier d'alimentation de votre ordinateur.
6 Installez la carte Accel Core (PCIe) ou HD Core (PCI) à l'emplacement de l'ordinateur portant le numéro le plus petit. Cet emplacement est celui qui est situé le plus près de la carte graphique, comme le montrent les exemples suivants :
Power Mac G5 (PCI Express) : le Power Mac G5 équipé d'une carte PCI Express dispose de trois emplacements PCIe (portant les numéros 2, 3 et 4). Les numéros des emplacements PCIe sont classés par ordre croissant de bas en haut sur la face latérale du boîtier de l'ordinateur. Insérez la carte Accel Core (PCIe) dans l'emplacement PCI n° 2.

text_image
Emplacement PCI n° 4 Emplacement PCI n° 3 Emplacement PCI n° 2 Emplacement PCI n° 1 (carte vidéo) G5Power Mac G5 (PCI Express)
Power Mac G5 (PCI) : le Power Mac G5 équipé d'une carte PCI dispose de trois emplacements PCI (portant les numéros 2, 3 et 4). Les numéros des emplacements sont classés par ordre croissant de bas en haut sur la face latérale du boîtier de l'ordinateur. Insérez la carte HD Core (PCI) dans l'emplacement PCI n° 2.

text_image
Emplacement PCI n° 4 Emplacement PCI n° 3 Emplacement PCI n° 2 Emplacement PCI n° 1 (carte vidéo)Power Mac G5 (PCI)
7 Installez la première carte d'extension (le cas échéant) dans le deuxième emplacement (emplacement 3).
8 Si vous procédez à l'installation d'une carte HBA SCSI, installez-la dans l'emplacement restant portant le numéro le plus élevé.
9 Veillez à ce que toutes les cartes soient installées dans l'ordre adapté au système, en commençant par l'emplacement portant le numéro le plus petit :
- Systèmes Pro Tools|HD (pour PCIe)
- Carte d'affichage vidéo pour le moniteur de l'ordinateur
- Carte Accel Core (PCIe)
- Cartes HD Accel (PCIe)
- Carte de capture vidéo agréée par Digidesign
- Adaptateur de bus hôte SCSI (HBA)
• Systèmes Pro Tools|HD (PCI)
- Carte d'affichage vidéo pour le moniteur de l'ordinateur
- Carte HD Core (PCI)
• Cartes HD Accel (PCI)
• Cartes HD Process (PCI) - Carte de capture vidéo agréée par Digidesign
- Adaptateur de bus hôte SCSI (HBA)
10 Assurez-vous de bien fixer les cartes à l'aide des vis précédemment ôtées.
Connexion de cartes Pro Tools|HD
Dans les systèmes HD qui contiennent plus d'une carte, connectez toutes les cartes Pro Tools|HD entre elles à l'aide de câbles souples TDM.
En haut de chaque carte Pro Tools|HD se trouvent deux ports : le port A et le port B. Le câble souple comporte deux connecteurs, également appelés Port A et Port B pour faciliter la connexion. L'échange des données entre plusieurs cartes s'effectue en connectant le port B de la première carte au port A de la carte suivante, à l'aide d'un câble souple TDM.

Le premier câble souple relie toujours le port B de la carte de type Core à la première carte d'extension, comme décrit dans la procédure suivante.
La numérotation des emplacements sur votre ordinateur détermine le sens de connexion des cartes à respecter (de droite à gauche ou de gauche à droite). Reportez-vous aux instructions qui suivent en fonction du modèle de votre ordinateur.
Pour connecter les cartes Pro Tools|HD :
1 Avant d'installer le câble souple sur les cartes, tenez-le face imprimée vers vous, puis éloignez de vous la partie reliée au port B et dirigez-la vers l'extérieur, comme illustré ci-dessous. Evitez de trop plier le câble, car vous risquez d'endommager ses tracés métalliques.

text_image
PORT A PORT B → PORT A PORT BAvant installation du câble souple TDM
2 Insérez le câble souple dans la fente de la carte de type Core de façon à ce que le connecteur du port B du câble souple soit aligné sur le port B de la carte de type Core. Passez ensuite au connecteur du port A du câble souple en l'alignant sur le port A de la deuxième carte comme illustré ci-dessous.

flowchart
graph TD
A["Port A"] --> B["Port B"]
B --> C["Port C"]
D["Port B"] --> E["Port C"]
E --> F["Port D"]
G["Port C"] --> H["Port D"]
H --> I["Port E"]
J["Port B"] --> K["Port C"]
K --> L["Port D"]
M["Port A"] --> N["Port C"]
N --> O["Port D"]
P["Port B"] --> Q["Port C"]
Q --> R["Port D"]
S["Port C"] --> T["Port D"]
T --> U["Port E"]
V["Port D"] --> W["Port E"]
W --> X["Port C"]
Insertion du câble souple TDM
3 Branchez le connecteur du port A du câble souple au port A de la seconde carte. Enfoncez délicatement le câble jusqu'à ce qu'il soit fermement connecté à la carte. Connectez l'autre extrémité du câble souple (appelée Port B) au port B de la carte de type Core.

text_image
HD Core PORT A PORT B PORT A PORT B HD AccelVue supérieure de deux cartes connectées à l'aide du câble souple TDM
4 Vérifiez la connexion. Assurez-vous que les ports du câble souple sont fermement fixés aux connecteurs des cartes et bien à plat.

Vue latérale de deux cartes HD connectées à l'aide du câble souple TDM
5 Pour les systèmes disposant de plus de deux cartes, connectez chaque carte supplémentaire à la carte qui la précède. Utilisez des câbles souples pour connecter les paires de cartes, comme décrit ci-dessous, jusqu'à ce que toutes les cartes soient connectées (toutes les cartes HD Accel et HD Process sont fournies avec un câble souple).
6 Refermez le boîtier de l'ordinateur.
Connexion d'interfaces audio
Chaque interface audio Pro Tools|HD (à l'exception de 96i I/O) offre jusqu'à 16 canaux d'entrée et de sortie à votre système. Les interfaces audio sont directement connectées aux cartes Pro Tools|HD ou via les ports d'extension sur d'autres interfaces Pro Tools|HD.
Chaque carte Pro Tools|HD prend en charge jusqu'à 32 canaux. Pour qu'une carte fonctionne avec 32 canaux d'entrée/sortie, vous pouvez connecter (ou connecter bout à bout) une seconde interface d'entrée/sortie Pro Tools|HD à 16 canaux à la première interface d'entrée/sortie Pro Tools|HD 16 canaux, connectée directement à la carte Pro Tools|HD.
Pro Tools|HD prend en charge jusqu'à dix interfaces d'E/S 192, numérique 192 et 96. Il est possible d'utiliser jusqu'à cinq interfaces d'E/S 96i à la fois.
Pour consulter des exemples de connexions multiples d'interfaces d'E/S, reportez-vous à la figure 7 et à la figure 8, page 32.

Afin d'assurer un refroidissement correct, veillez à laisser suffisamment d'espace de chaque côté des interfaces audio Pro Tools|HD. N'obstruez pas les côtés de l'unité et ne déconnectez pas le ventilateur interne. Si les unités sont placées dans les baies d'un châssis, retirez tous les couvercles ou portes avant de faire fonctionner le système. L'absence d'une telle précaution risque de provoquer la surchauffe rapide des unités et d'endommager irrémédiablement les composants fragiles du système.
Les interfaces d'E/S Legacy peuvent également être connectées aux interfaces Pro Tools|HD (voir "Connexion d'interfaces d'E/S Legacy", page 33).

text_image
Carte HD Core ou Accel Core Câble DigiLink de 45 cm Câble DigiLink de 3,6 m Câbles Loop SyncFigure 7. Deux interfaces d'E/S 96 (système à 32 canaux)

flowchart
graph TD
A["Carte HD Core ou Accel Core"] --> B["Câble HD Accel ou HD Process"]
B --> C["Câble HD Accel ou Accel Core"]
C --> D["Câble DigiLink de 3,6 m"]
D --> E["Câbles Loop Sync"]
E --> F["Câble DigiLink de 45 cm"]
F --> G["Câble DigiLink de 3,6 m"]
G --> H["Câble Loop Sync"]
H --> I["Câble DigiLink de 3,6 m"]
I --> J["Câble DigiLink de 45 cm"]
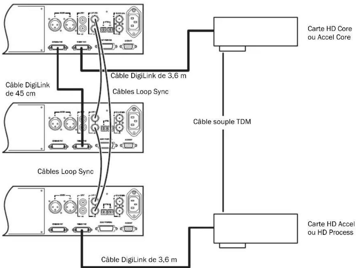
Figure 8. Trois interfaces d'E/S 96 (système à 48 canaux)
Pour connecter des interfaces audio Pro Tools|HD :
1 Si vous utilisez une seule interface d'E/S 192, numérique 192, 96 ou 96i, connectez son port Primary à la carte Accel Core (PCIe) ou HD Core (PCI) à l'aide du câble DigiLink fourni avec cette dernière. Pour que Pro Tools puisse démarrer, vous devez connecter au moins une interface d'E/S 192, numérique 192, 96 ou 96i à votre système.
Si votre configuration système comprend au moins une interface d'E/S 192 ou numérique 192, celle-ci doit être connectée à la carte Accel Core (PCIe) ou HD Core (PCI) en tant qu'interface principale.
2 Connectez les interfaces audio Tools|HD supplémentaires aux cartes audio Digidesign suivantes ou connectez vos interfaces bout à bout, en connectant le port Primary de l'interface secondaire au port Expansion de l'interface principale.
Si vous connectez à la fois les interfaces audio d'E/S 192 (ou numérique 192) et 96 à votre système, connectez l'interface d'E/S 192 (ou numérique 192) à votre carte HD Core (PCI) ou Accel Core (PCIe), suivie de toute interface d'E/S 192 supplémentaire (ou numérique 192) aux cartes suivantes. Connectez ensuite les interfaces d'E/S 96 aux cartes suivantes ou à d'autres interfaces, puis les interfaces d'E/S 96i.
Vous pouvez également connecter une seule interface Pro Tools|HD à chaque carte Pro Tools|HD de votre système, à l'aide des câbles DigiLink fournis. Cette configuration ne présente toutefois aucun avantage par rapport à la connexion bout à bout d'interfaces.
Connexion de Loop Sync
Si vous utilisez plusieurs interfaces audio Pro Tools|HD ou un périphérique SYNC, Loop Sync doit être connecté de manière à assurer la synchronisation des différents périphériques.
Pour établir des connexlons Loop Sync :
1 Connectez ensuite la sortie Loop Sync de chaque interface à l'entrée Loop Sync de l'interface suivante à l'aide des câbles BNC inclus dans l'emballage.
2 Connectez ensuite la sortie Loop Sync de la dernière interface à l'entrée Loop Sync de l'interface principale ou du périphérique SYNC.
Connexion d'interfaces d'E/S Legacy
Chaque interface d'E/S 192, numérique 192 et 96 peut prendre en charge 16 canaux audio depuis et vers des interfaces d'E/S Digidesign Legacy (l'interface d'E/S 96i ne prend pas en charge l'interface d'E/S Legacy). Les interfaces d'E/S Legacy comprennent les interfaces d'E/S 888|24, 882|20, 1622 et ADAT Bridge 24 bits ^TM .
Les interfaces d'E/S 96i ne prennent pas en charge les interfaces d'E/S Legacy.
Les interfaces d'E/S 888 et 882 d'origine ne sont pas prises en charge par les systèmes Pro Tools|HD.
Pour connecter les interfaces d'E/S Legacy de Digldesign :
1 Connectez l'extrémité de la carte MIX du câble de périphérique fourni avec votre interface d'E/S Legacy (côté à 60 broches) au port correspondant de l'interface audio Pro Tools|HD principale. Connectez l'autre extrémité au port de l'ordinateur de l'interface d'E/S Legacy.
2 Effectuez l'une des opérations suivantes :
- De la même façon, connectez toutes les interfaces d'E/S Legacy supplémentaires aux interfaces audio Pro Tools|HD connectées directement aux cartes Pro Tools|HD.
- ou -
- Connectez d'abord le câble en Y (adaptateur Legacy de câbles de périphérique à 16 canaux) au port Legacy, si vous en utilisez un, puis les câbles de périphérique de l'interface audio aux ports A et B du câble en Y.
Port "A" connecté à la première interface d'E/S Legacy
Port "B" connecté à la deuxième interface d'E/S Legacy
Vers le port
Legacy de
l'interface audio
Pro Tools|HD

Adaptateur de câbles périphériques à 16 canaux (facultatif)
3 Pour régler correctement l'horloge de l'interface d'E/S Legacy, connectez le port de sortie de l'horloge de l'interface d'E/S Pro Tools|HD à l'entrée de l'horloge esclave sur l'interface d'E/S Legacy. Cette dernière passe en mode Slave une fois que l'horloge appropriée envoie des signaux depuis l'interface d'E/S HD Pro Tools|HD I/O. Utilisez toujours le port de sortie Ext. de l'horloge externe de l'interface d'E/S à laquelle l'interface d'E/S Legacy est connectée.
Si vous utilisez le câble en Y pour connecter plusieurs interfaces audio MIX, connectez également la sortie de l'horloge esclave de la première interface Legacy à l'entrée de l'horloge esclave de la seconde interface Legacy, à l'aide du câble BNC fourni. Vous ne pouvez pas configurer les horloges de plus de deux interfaces audio MIX à partir d'une seule interface audio Pro Tools|HD.
Si vous possédez une troisième interface audio MIX, son horloge 256x sera fournie par l'interface d'E/S Pro Tools|HD à laquelle un câble à 60 broches est connecté (sur la deuxième interface audio ou directement sur une carte HD Accel ou HD Process).
Pour que les interfaces d'E/S Legacy (telles que 888|24 ou 882|20) fonctionnent correctement, lancez Pro Tools et initialisez ce type d'interface audio dans la boîte de dialogue Hardware Setup avant de les mettre sous tension (voir "Configuration d'E/S Legacy", page 61). Quittez ensuite Pro Tools, puis éteignez l'ordinateur. Au redémarrage du système Pro Tools mettez d'abord sous tension les interfaces d'E/S Legacy, puis patientez pendant le chargement. Une fois les interfaces audio Legacy démarrées, mettez les interfaces audio Pro Tools|HD sous tension, puis allumez l'ordinateur.
Avant de mettre sous tension vos interfaces d'E/S Legacy et de les configurer, réduisez le volume des périphériques de sortie. Un son numérique très puissant risque d'être émis avant l'initialisation de l'interface d'E/S Legacy.
Installation du logiciel Pro Tools HD
Une fois le matériel Pro Tools|HD installé et connecté, vous pouvez passer à l'installation du logiciel Pro Tools.
A N'installez/n'utilisez pas Pro Tools lors d'une session ouverte avec le compte d'utilisateur racine. L'utilisateur racine est autorisé à réaliser certaines opérations pouvant entrer en conflit avec les tâches de gestion de fichiers de Pro Tools.
Pour installer le logiciel Pro Tools HD :
1 Assurez-vous que vous êtes connecté en tant qu'administrateur pour le compte sur lequel vous souhaitez installer Pro Tools. Pour obtenir des détails sur les privilèges d'administrateur sur Mac OS X, reportez-vous à votre documentation Apple OS X.
2 Insérez le disque d'installation de Pro Tools dans le lecteur de DVD.
3 Sur le disque d'installation, double-cliquez sur le fichier Install Pro Tools HD.mpkg.
4 Pour procéder à l'installation, suivez les instructions à l'écran.
5 Cliquez sur Continue à chaque invite.
6 A la page Type d'installation, effectuez l'une des opérations suivantes :
- Pour installer tous les fichiers d'application Pro Tools et toutes les suites de plug-in gratuits (ainsi que les contenus correspondants), conservez les options d'installation définies par défaut et cliquez sur Continue.
- ou -
- Sélectionnez (ou désélectionnez) l'option de personnalisation de la configuration des paramètres d'installation (voir "Paramètres d'installation", page 36) et cliquez sur Continue.
7 Cliquez sur Install.
8 À l'invite, saisissez votre mot de passe administrateur et cliquez sur OK pour accepter l'installation.
9 Sélectionnez un environnement de travail. Cette opération lance le chargement d'un ensemble initial de paramètres Pro Tools, qui inclut ceux les plus couramment utilisés pour la postproduction, l'audio simple et l'audio MIDI.
Les paramètres par défaut peuvent être personnalisés à tout moment, dans Pro Tools. Reportez-vous au Guide de référence Pro Tools pour de plus amples informations.
10 Cliquez sur Continue.
11 Lorsque l'installation est terminée, cliquez sur Restart.
Paramètres d'installation
Options Pro Tools HD
Pour installer un sous-ensemble de logiciels et de plug-in ProTools (ainsi que les contenus correspondants), cliquez sur le triangle permettant d'afficher l'option Pro Tools HD 8.0 dans le programme d'installation et désélectionnez, parmi les options suivantes, celles que vous ne souhaitez pas installer.
Fichlers d'application (requils pour Pro Tools)
Installez l'application Pro Tools ainsi que les fichiers de bibliothèque correspondants, nécessaires à l'exécution de Pro Tools. Cette option installe également le pilote CoreAudio Digidesign et doit être sélectionnée pour installer Pro Tools.
Plug-in DigiRack Cette option installe des plug-in gratuits, parmi lesquels DigiRack, Bomb Factory, Eleven Free, TL Utilities ainsi que Digidesign D-Fi et Maxim.
Pro Tools Creative Collection Cette option installe des plug-in d'effets RTAS et des plug-in d'instruments virtuels gratuits (dont 4,4 Go d'exemples). Pour plus d'informations, reportez-vous au Guide des plug-in Creative Collection.
Utilitaires Pro Tools Ils installent les modèles du mode Calibration pour les systèmes Pro Tools|HD, DigiTest ainsi que les logiciels de mise à jour des microprogrammes pour SYNC I/O et SYNC HD.
Options supplémentaires
Le programme d'installation Pro Tools permet d'installer, outre le logiciel et les plug-in Pro Tools, les options supplémentaires suivantes.
Pilote Digidesign CoreAudio Cette option installe le pilote Digidesign CoreAudio qui permet d'utiliser des interfaces audio agréées par Digidesign avec des applications tierces prenant en charge la norme CoreAudio Driver.
Avid Video Engine Le composant Avid Video Engine est requis pour utiliser Pro Tools avec les périphériques vidéo Avid (par exemple, Avid Mojo ou Digidesign AVoption|V10).
Pilote d'E/S MIDI Le pilote d'E/S MIDI est requis pour l'utilisation de l'interface d'E/S MIDI Digidesign ^TM .
Lancement de Pro Tools
L'utilisation de Pro Tools HD n'est possible que si vous avez inséré une clé iLok autorisée pour Pro Tools HD. Le système Pro Tools HD est fourni avec une clé iLok préautorisée.
Pour lancer le logiciel Pro Tools HD :
1 Assurez-vous que le matériel HD est connecté au système informatique.
2 Insérez la clé iLok préautorisée dans un port USB disponible sur votre ordinateur.
Ne retirez pas la clé iLok lors du démarrage ou de l'utilisation de Pro Tools.
3 Effectuez l'une des opérations suivantes :
- Cliquez sur l'icône Pro Tools HD dans le Dock.
- ou -
- Recherchez l'application Pro Tools HD sur votre disque dur et cliquez deux fois sur l'icône correspondante.
4 Utilisez la boîte de dialogue Quick Start pour effectuer l'une des opérations suivantes :
- Créez une session à partir d'un modèle.
- Créer une session vide.
- Ouvrez une session.

Boîte de dialogue Quick Start

Pour plus d'informations sur la boîte de dialogue Quick Start et les modèles de session, consultez le Guide de référence Pro Tools.
Logiciels supplémentaires du disque d'installation Pro Tools
Le disque d'installation Pro Tools HD contient des logiciels supplémentaires pour votre système, notamment une série HD Pack de plug-in, des applications et des plug-in tiers, des pilotes audio (pour la lecture d'autres applications audio via un dispositif Digidesign), ainsi qu'une session de démonstration Pro Tools.

Reportez-vous à votre disque d'installation de Pro Tools pour obtenir des logiciels et des programmes d'installation supplémentaires.
HD Pack Plug-ins
Le coffret Pro Tools contient également la série HD Pack de plug-in de Digidesign et des partenaires de développement de Digidesign. Installez le contenu de HD Pack une fois l'installation de Pro Tools terminée.
Les programmes d'installation HD Pack se trouvent sur le disque d'installation Pro Tools, situé dans le dossier Additional Files\ HD Pack Installers.
Applications et plug-in tiers
Le coffret Pro Tools contient également plusieurs applications et plug-in gratuits d'autres développeurs Digidesign. Installez-les une fois l'installation de Pro Tools terminée.
Les programmes d'installation se trouvent sur le disque d'installation Pro Tools dans le dossier Additional Files\3rd Party Content.
Pilote CoreAudio de Digidesign
Le pilote CoreAudio de Digidesign est un pilote audio multiclient et multicanal qui permet à des applications compatibles CoreAudio de lire et d'enregistrer des données via un périphérique Digidesign.
Le pilote CoreAudio est installé par défaut lorsque vous installez Pro Tools.

Pour plus d'informations sur la configuration du pilote CoreAudio, reportez-vous au guide correspondant.
Pilote CoreAudio en version autonome
Il est possible d'installer la version autonome du pilote CoreAudio de Digidesign sur des systèmes Mac non équipés de Pro Tools.

Pour plus d'informations sur l'installation et la configuration de la version autonome du pilote CoreAudio, reportez-vous au guide correspondant.

Si Pro Tools est désinstallé, le pilote CoreAudio l'est aussi automatiquement.
Session de démonstration Pro Tools
Le disque d'installation de Pro Tools HD comprend une session de démonstration permettant de vérifier le bon fonctionnement du système. La session de démonstration de Pro Tool HD s'intitule Meant To Be.

Avant d'installer la session de démonstration sur votre lecteur audio, vérifiez que ce dernier est configuré comme indiqué dans la section "Formatage d'un lecteur audio", page 86.
Pour installer la session de démonstration :
1 Insérez le disque d'installation de Pro Tools HD dans le lecteur de DVD.
2 Dans le dossier Additional Files du disque d'installation, recherchez et ouvrez le dossier Pro Tools Demo Session Installer.
3 Cliquez deux fois sur le fichier HD Demo Session Setup.pkg.
4 Pour procéder à l'installation, suivez les instructions à l'écran.
5 Lorsque vous y êtes invité, sélectionnez le lecteur audio en tant qu'emplacement d'installation et cliquez sur Continue pour commencer l'installation.
6 Cliquez sur Install.
7 Une fois l'installation terminée, cliquez sur Close.
Vous pouvez ouvrir la session de démonstration en cliquant deux fois sur le fichier Meant To Be.ptf (situé dans le dossier Pro Tools Demo Session).
Désinstallation de Pro Tools
Pour désinstaller le logiciel Pro Tools de votre ordinateur, utilisez le programme de désinstallation.
Pour supprimer Pro Tools de votre ordinateur :
1 Assurez-vous que vous êtes connecté en tant qu'administrateur au compte sur lequel Pro Tools est installé.
2 Accédez au dossier Applications/Digidesign/Pro Tools/Pro Tools Utilities, puis cliquez deux fois sur le fichier Uninstall Pro Tools.
3 Cliquez sur Continue pour procéder à la désinstallation.
4 Sélectionnez le type de désinstallation à effectuer :
Safe Uninstall : conserve les plug-in et systèmes de fichiers requis pour la compatibilité avec certains produits Avid.
Clean UnInstall : supprime tous les fichiers Pro Tools, y compris les systèmes de fichiers, les plug-in Digidesign et les noms de patch MIDI.
5 Cliquez sur Désinstaller.
6 Entrez le mot de passe administrateur, puis cliquez sur OK.
7 Cliquez sur Finish pour fermer la fenêtre du programme d'installation.
chapitre 4
Configuration de votre système Pro Tools
Une fois le système connecté et le logiciel Pro Tools installé, la configuration du système Pro Tools peut commencer.
Démarrage et arrêt du système
A chaque démarrage du système, tous les composants doivent être mis sous tension dans un ordre précis.
Lancez le système Pro Tools selon l'ordre suivant :
1 Assurez-vous que tous vos appareils (y compris votre ordinateur) sont éteints.
2 Diminuez le volume de tous les périphériques de sortie du système.
3 Dans le cas des systèmes Pro Tools|HD dotés d'un châssis d'extension, mettez ce dernier sous tension.
4 Mettez tous les disques durs externes sous tension. Patientez environ 10 secondes jusqu'à ce qu'ils aient atteint leur vitesse nominale.
5 Mettez les surfaces de contrôle (comme Command|8) ou les surfaces de travail (comme D-Command) sous tension.
6 Mettez les interfaces et les périphériques MIDI ou les périphériques de synchronisation sous tension.
7 Baissez le volume de tous les périphériques de sortie et mettez sous tension les interfaces d'E/S Pro Tools Legacy (comme une E/S 888|24 ou 882|20). Patientez au moins pendant quinze secondes (durée d'initialisation de l'interface audio). Les voyants lumineux cessent de clignoter.
8 Diminuez le volume de tous les périphériques de sortie, puis mettez les interfaces audio Pro Tools|HD sous tension. Patientez au moins pendant quinze secondes (durée d'initialisation de l'interface audio). Les voyants lumineux cessent de clignoter.
9 Mettez l'ordinateur sous tension.
10 Lancez Pro Tools ou toute autre application
tierce audio ou MIDI.
Arrêtez votre système Pro Tools dans l'ordre suivant :
1 Quittez Pro Tools et toute autre application utilisée.

Pour quitter Pro Tools, sélectionnez File > Exit (Windows) ou Pro Tools > Quit (Mac).
2 Réduisez le volume de tous les périphériques de sortie du système ou éteignez-les.
3 Mettez votre ordinateur hors tension.
4 Eteignez toutes les interfaces audio Pro Tools.
5 Dans le cas des systèmes Pro Tools|HD dotés d'un châssis d'extension, mettez ce dernier hors tension.
6 Mettez hors tension les interfaces et périphériques MIDI ou les périphériques de synchronisation.
7 Mettez hors tension les éventuelles surfaces de contrôle ou de travail.
8 Mettez hors tension les disques durs externes.
Vérification du système
Avant d'utiliser Pro Tools, exécutez l'application de diagnostics DigiTest pour vous assurer que toutes les cartes Pro Tools|HD du système sont reconnues et installées à l'endroit approprié et qu'elles possèdent les connexions de câble souple TDM correctes.
Exécution de DigiTest
DigiTest est installé avec Pro Tools et se trouve dans le dossier suivant sur votre disque dur : Digidesign/Pro Tools/Pro Tools Utilities.

Avant d'exécuter DigiTest, diminuez le volume de tous les périphériques de sortie. Il arrive qu'un son numérique assourdissant soit émis lors du test.

Pour plus d'informations sur l'application DigiTest, consultez le Guide DigiTest.
Pour exécuter DigiTest :
1 Fermez Pro Tools s'il est en cours d'exécution.
2 Diminuez le volume de tous les périphériques de sortie du système.
3 Sur le disque dur, recherchez l'icône DigiTest et cliquez deux fois dessus.
DigiTest s'ouvre et affiche la liste des cartes prises en charge détectées sur le système, avec leur emplacement respectif.
Si votre système est équipé d'un nombre important de cartes et d'interfaces audio, l'affichage de la fenêtre DigiTest risque de prendre un certain temps, car DigiTest effectue une recherche de toutes les cartes et interfaces connectées au système.

Fenêtre principale de DigiTest

Il est possible que l'ordre dans lequel apparaissent les cartes dans la liste de DigiTest ne corresponde pas aux emplacements actuels des cartes installées sur votre ordinateur ou sur votre châssis d'extension. Cela est tout à fait normal et n'affecte en rien le fonctionnement de DigiTest.
4 Sélectionnez les cartes de votre système que vous souhaitez tester en cliquant sur la case située à gauche de chaque carte.
5 Cliquez sur Run.
Si les cartes ne sont pas installées dans l'ordre approprié, DigiTest affiche les codes d'erreur dans la colonne Status de chaque carte configurée de façon incorrecte.
Plus le nombre de cartes et d'interfaces audio installées sur votre système est élevé, plus le test est long.
6 Lorsque vous y êtes invité, éteignez puis rallumez tous les périphériques Pro Tools de votre système. Cliquez sur Continue.
7 Pour tester les interfaces connectées à votre système, activez l'option Test I/O Box.

Les voyants des interfaces numériques peuvent s'allumer en cours de test, ce qui est normal.
8 Lorsque le test est terminé, vous pouvez afficher les résultats en procédant comme suit :
- Cliquez sur le bouton Get Results en regard du nom de la carte.
- Cliquez sur l'onglet Results, puis choisissez un emplacement de carte dans le menu déroulant.
9 Dans la page Results de la fenêtre DigiTest, cliquez sur Show Failures Only pour afficher tout test ayant échoué pour la carte sélectionnée ou cliquez sur Show All Results pour afficher tous les résultats pour la carte sélectionnée.

Pour obtenir la description des codes d'erreurs, consultez "Codes d'erreur DigiTest", page 44.
10 Cliquez sur Quit pour refermer DigiTest.
11 Redémarrez votre ordinateur.
Erreurs et cartes non détectées
Suivez la procédure ci-dessous si l'un des cas de figure suivants se produit :
■ DigiTest ne s'exécute pas.
- Un message d'erreur s'affiche dans DigiTest à propos d'une carte.
- Une carte prise en charge est installée sans toutefois être automatiquement détectée pendant le test DigiTest.
Si une carte prise en charge est installée sans être automatiquement détectée :
1 Quittez DigiTest.
2 Refermez complètement le système Pro Tools.
3 Réinstallez les cartes Pro Tools|HD.
4 Vérifiez que la carte est correctement insérée.
5 Vérifiez les branchements du câble souple TDM. Vérifiez l'orientation du câble entre les cartes (port B vers port A) et l'intégrité des connexions du câble souple aux cartes.
6 Mettez le système sous tension.
7 Relancez l'application DigiTest.
Codes d'erreur DigiTest
Codes d'erreur DigiTest
| Code Description | |
| Err3 Les cartes | provenant de différents systèmes Pro Tools ne sont pas correctement combinées. Voir les chapitres sur la configuration. |
| Err4 Les cartes | affichant cette erreur sont installées dans le désordre. Voir les chapitres sur la configuration. |
| Err5 Trop de cartes | des ce type sont installées sur le système. Visitez le site Web Digidesign pour obtenir des informations sur la compatibilité. |
| Err6 Une carte est installée à un emplacement réservé. Exemple : une carte Digidesign est installée à l'emplacement réservé à la carte d'interface hôte du châssis d'extension. Consultez les chapitres sur la configuration, ainsi que les guides d'installation connexes. | |
| Err1220 La carte | accélératrice SCSI n'est pas installée au bon emplacement. Voir les chapitres sur la configuration pour connaître la position correcte de la carte. |
| Err1221 La carte | d'interface hôte du châssis d'extension n'est pas installée au bon emplacement. Voir le Guide des systèmes étendus pour connaître la position correcte de la carte. |
Identification des cartes Digidesign avec DigiTest
Vous pouvez utiliser DigiTest pour savoir quelles cartes se trouvent dans quels emplacements de votre système. Ceci s'avère utile lorsque votre système comprend plusieurs cartes Digidesign du même type.
Pour identifier les cartes Digidesign avec DigiTest
1 Fermez Pro Tools s'il est en cours d'exécution.
2 Sur le disque dur, recherchez l'icône DigiTest et cliquez deux fois dessus.
La fenêtre Digitest s'ouvre et répertorie les cartes prises en charge installées sur votre système.
3 Ouvrez le boîtier de votre ordinateur ou le châssis d'extension de façon à voir le bord supérieur des cartes installées sur votre système.
4 Dans la fenêtre DigiTest, cochez la case ID en regard du nom de la carte. Le voyant vert situé à côté du bord supérieur des cartes correspondantes clignote.
Affichage des informations sur les cartes avec DigiTest
DigiTest peut afficher des informations d'identification, telles que le numéro de série, la date de fabrication et la version du microprogramme de mémoire morte, pour chaque carte de votre système. Ces informations sont utiles si vous souhaitez contacter le service d'assistance technique de Digidesign à propos de votre matériel Pro Tools.
Pour afficher les informations relatives à une carte de votre système :
1 Fermez Pro Tools s'il est en cours d'exécution.
2 Sur le disque dur, recherchez l'icône DigiTest et cliquez deux fois dessus.
3 Cliquez sur l'onglet Slot Info.
4 Sélectionnez un emplacement de carte dans le menu déroulant.
Mise à jour du microprogramme de périphérique audio avec DigiTest
Pour mettre à jour le microprogramme de l'une des vos interfaces audio Pro Tools|HD (interface d'E/S 192, interface d'E/S numérique 192, interface d'E/S 96 ou 96i), vous pouvez utiliser DigiTest. Dans DigiTest, la page de mise à jour du microprogramme indique la version utilisée pour le périphérique sélectionné et permet de l'actualiser, si nécessaire.
Pour mettre à jour le microprogramme dans l'Interface audio Pro Tools|HD :
1 Fermez Pro Tools s'il est en cours d'exécution.
2 Recherchez l'application DigiTest sur votre disque dur et cliquez deux fois sur l'icône correspondante.
3 Cliquez sur l'onglet Firmware.
4 Sélectionnez un emplacement de carte dans le menu déroulant. Si une interface audio Pro Tools|HD est connectée à la carte, les options Primary ou Secondary deviennent disponibles dans la section HD Peripheral de la page Firmware.
Si les interfaces connectées ne sont pas reconnues, vérifiez les connexions et l'alimentation de chaque interface et cliquez sur Re-Scan.
5 Dans HD Peripheral, sélectionnez Primary ou Secondary pour afficher la version du microprogramme de l'interface correspondante. La version du microprogramme s'affiche en dessous de la section HD Peripheral, sur la page Firmware.
6 Si la version du microprogramme n'est pas actuelle, cliquez sur Begin Update pour mettre à jour l'interface audio sélectionnée.
L'état du processus de mise à jour du microprogramme s'affiche dans la zone d'état située dans la partie inférieure de la page Firmware.
7 Une fois la mise à jour terminée, cliquez sur Quit pour fermer DigiTest.
Configuration du logiciel Pro Tools
Paramètres système de Pro Tools
Dans la boîte de dialogue Playback Engine, Pro Tools vous permet d'ajuster les performances de votre système en changeant les paramètres système relatifs à ses capacités de traitement, de lecture et d'enregistrement. Ces paramètres système sont disponibles dans la boîte de dialogue Playback Engine (Setup >Playback Engine).
Dans la plupart des cas, les paramètres par défaut de votre système fournissent des performances optimales, mais vous pouvez souhaiter les régler afin que le système puisse prendre en charge de longues sessions et des sessions à traitement intensif de Pro Tools.
Taille du buffer matériel
Le paramètre Hardware Buffer Size contrôle la taille du buffer utilisé pour effectuer les tâches de traitement hôte telles que le traitement des effets des plug-in en temps réel (RTAS, Real-Time AudioSuite™).
- Des valeurs inférieures de buffer matériel permettent de réduire les problèmes de latence dans certains cas d'enregistrement, ainsi que certains problèmes de performance système.
- Des paramètres réduits permettent de réduire les latences RTAS MIDI vers audio (par exemple en cas de lecture d'un instrument virtuel RTAS en direct et de surveillance de la sortie de l'instrument). Ils permettent également d'améliorer la réponse de l'écran et l'exactitude des plug-in et des données d'automation de Mute.
- Les paramètres réduits limitent les latences de surveillance qui se produisent sur les pistes possédant un ou plusieurs plug-in RTAS. Ils permettent également d'améliorer l'exactitude de la synchronisation des pistes MIDI sur les systèmes qui n'utilisent pas une E/S MIDI (ou autre interface MIDI qui prend le marquage temporel en charge). Des paramètres réduits permettent également une meilleure synchronisation des pistes utilisant des instruments virtuels MIDI ne prenant pas le marquage temporel en charge.
- Une grande taille de buffer matériel est utile pour les sessions qui utilisent davantage de plugins RTAS pour la lecture. Ces valeurs permettent d'effectuer davantage de traitements audio. Elles permettent également de réduire le nombre d'erreurs sur des machines qui nécessitent une taille de buffer plus importante.
Pour modifier la taille du buffer matériel :
1 Sélectionnez Setup > Playback Engine.
2 Dans le menu contextuel H/W Buffer Size, sélectionnez la taille du buffer audio, exprimée en échantillons.

Boîte de dialogue Playback Engine du système Pro Tools|HD
3 Cliquez sur OK.
Processeurs RTAS
Le paramètre RTAS Processors permet de déterminer le nombre de processeurs de votre ordinateur alloués au traitement des plug-in RTAS (Real-Time AudioSuite).
Dans le cas d'ordinateurs multiprocesseurs, ce paramètre permet de gérer la prise en charge de processeurs multiples pour le traitement RTAS. Dans le cas d'ordinateurs multiprocesseurs prenant l'Hyper-Threading en charge (et ayant cette fonction activée), vous devez désactiver
cette fonction pour que ce paramètre soit disponible. Pour plus d'informations sur la procédure permettant d'accéder au BIOS et de désactiver la fonction Hyper-Threading, reportez-vous à la documentation de votre ordinateur.
Utilisé conjointement avec le paramètre CPU Usage Limit, il vous permet de contrôler le traitement RTAS et d'autres tâches Pro Tools réalisées par le système. Par exemple :
- Pour les sessions avec un nombre important de plug-in RTAS, vous pouvez allouer 2 processeurs ou plus aux traitements RTAS et paramétrer une limite d'utilisation des processeurs élevée.
- Pour les sessions comptant un faible nombre de plug-in RTAS, limitez le nombre de processeurs alloués à ces plug-in et prévoyez une limite d'utilisation de processeur réduite pour éviter de monopoliser les ressources et optimiser la précision de l'automation, la réponse de l'écran et les performances vidéo.
- Augmentez ces paramètres pour assurer la conversion de plug-in TDM en RTAS. Inversement, diminuez ces paramètres si vous n'utilisez que des plug-in TDM ou convertissez des plug-in RTAS en TDM. La conversion TDM/RTAS peut s'avérer nécessaire lors de l'enregistrement. Cela dépend de la latence, des besoins en matière d'assignation des voix et des possibilités d'écoute en enregistrement des plug-in TDM et RTAS.
- Selon l'importance accordée à la réponse générale de l'écran et aux performances vidéo, et selon la densité des données d'automation utilisées, vous devrez parfois tenter différentes combinaisons (entre traitement RTAS et limite d'utilisation du processeur) pour obtenir un résultat optimal. Ainsi, pour améliorer la réponse de l'écran au cours d'une session de taille moyenne avec un nombre modéré de plug-in RTAS, il peut être préférable de réduire le nombre de plug-in RTAS alloués et de maintenir une limite d'utilisation maximale (99 %) sur un système doté d'un seul processeur.
Pour définir le nombre de processeurs RTAS :
1 Sélectionnez Setup > Playback Engine.
2 Dans le menu contextuel RTAS Processors, sélectionnez le nombre de processeurs disponibles que vous souhaitez allouer au traitement des plug-in RTAS. Cela varie en fonction du nombre de processeurs disponibles sur votre ordinateur :
- Sélectionnez 1 Processor pour limiter le traitement RTAS à un processeur dans le système.
- Sélectionnez 2 Processors pour permettre l'équilibrage de charge entre deux processeurs disponibles.
- Sur les systèmes de quatre processeurs ou plus, sélectionnez le nombre de processeurs RTAS voulu.
3 Cliquez sur OK.
Pourcentage d'utilisation du processeur
Le pourcentage d'utilisation du processeur (CPU Usage Limit) contrôle la proportion des ressources de processeur allouées aux tâches de traitement hôte de Pro Tools. Utilisé conjointement avec le paramètre RTAS Processors, il vous permet de contrôler les tâches Pro Tools réalisées par le système.
- En attribuant une valeur peu élevée au paramètre CPU Usage Limit, vous limitez l'impact du traitement de Pro Tools sur d'autres tâches requérant une utilisation intensive du processeur telles que le traçage d'écrans. Cela peut s'avérer utile lorsque la réponse de système est très lente ou lorsque d'autres applications sont en cours d'utilisation en même temps que Pro Tools.
- Un pourcentage élevé d'utilisation du processeur permet d'allouer davantage de puissance de traitement à Pro Tools et s'avère utile lorsque vous lisez de larges sessions ou que vous utilisez davantage de plug-in temps réel.
Le pourcentage d'utilisation maximum dépend du nombre de processeurs sur votre ordinateur et du nombre de processeurs dédiés au traitement RTAS. Cette valeur se situe entre 85 % pour un ordinateur à processeur unique et 99 % pour un ordinateur équipé de plusieurs processeurs.
Sur les ordinateurs multi-processeurs, la valeur maximale du pourcentage d'utilisation du processeur est réduite lorsque vous utilisez tous vos processeurs (comme indiqué dans le menu contextuel RTAS Processing). Ainsi, avec des ordinateurs à deux processeurs, la limite est de 90 %. Sur des ordinateurs à quatre processeurs, cette limite atteint 95 %.
L'augmentation du pourcentage d'utilisation du processeur peut entraîner un ralentissement de l'affichage des écrans sur des ordinateurs lents.
Pour modifier le pourcentage d'utilisation du processeur :
1 Sélectionnez Setup > Playback Engine.
2 Dans le menu contextuel CPU Usage Limit, sélectionnez le pourcentage de puissance du processeur à allouer à Pro Tools.
3 Cliquez sur OK.
RTAS Engine (Suppression d'erreurs RTAS)
L'option RTAS Engine permet de déterminer le rapport d'erreurs RTAS au cours de la lecture et de l'enregistrement. Cela est particulièrement utile lors de l'utilisation de plug-in d'instrument.
Il est recommandé de n'activer la suppression d'erreurs RTAS que si les rapports d'erreurs RTAS interrompent trop souvent votre processus créatif. L'activation de cette option peut entraîner une diminution de la qualité audio. Elle constitue néanmoins une solution envisageable dans la mesure où elle évite les interruptions de lecture et d'enregistrement lorsque vous travaillez avec des plug-in d'instrument. Désactivez l'option de suppression d'erreurs RTAS lorsque la plus haute qualité audio est requise, par exemple pour un mixage final.
Pour activer la suppression d'erreurs RTAS :
1 Sélectionnez Setup > Playback Engine.
2 Sélectionnez Ignore Errors During Playback/Record.
3 Cliquez sur OK.
Option de suppression d'erreurs RTAS
Les systèmes Pro Tools|HD disposent d'une seule option RTAS Engine :
Ignore Errors During Playback/Record : lorsque cette option est activée, Pro Tools continue la lecture et l'enregistrement même si les exigences de traitements RTAS dépassent la limite d'utilisation du processeur sélectionnée. Cela peut entraîner des claquements et des clics dans l'audio, mais n'interrompt pas le transport.
Nombre de voix
Le paramètre Number of Voices permet de contrôler le nombre de voix disponibles sur votre système. Par exemple, le nombre de voix par défaut sur un système Pro Tools|HD 1 est de 48, avec un DSP (à des fréquences d'échantillonnage de 44,1 kHz ou 48 kHz).
La modification du nombre de voix affecte l'utilisation des ressources DSP, le nombre total de pistes pouvant héberger des voix et les performances générales de votre système.
Plusieurs choix s'offrent à vous en fonction de la fréquence d'échantillonnage actuelle et du nombre de cartes de votre système, ainsi que de l'utilisation éventuelle d'un châssis d'extension.

Pour plus d'informations sur le nombre de voix, reportez-vous au Guide de référence Pro Tools.
Pour modifier le nombre de voix et de ressources DSP à allouer :
1 Sélectionnez Setup > Playback Engine.
2 Sélectionnez le nombre de voix et de DSP à allouer pour l'assignation des voix en sélectionnant une valeur dans le menu contextuel Number Of Voices.
- Sélectionnez un nombre de voix restreint si vous utilisez des cartes PCI ou PCIe dotées de bandes passantes étendues (cartes de capture vidéo, par exemple) avec vos cartes Digidesign. Ces paramètres assignent la charge de traitement la moins importante à chaque puce DSP allouée, mais ils requièrent généralement un nombre de puces DSP dédiées à l'assignation de voix et au mixage plus élevé, ce qui réduit le nombre de puces affectées aux plug-in.
- Sélectionnez un nombre de voix intermédiaire lorsque les cartes Digidesign sont installées dans un châssis d'extension ou lorsque d'autres cartes PCI ou PCIe sont utilisées avec les cartes Digidesign. Ces paramètres offrent généralement un équilibre optimal entre le nombre de puces nécessaires pour l'assignation de voix et la charge de traitement de chacune d'entre elles.
- Sélectionnez des nombres de voix élevés lorsque les seules cartes PCI ou PCIe présentes sur votre ordinateur sont des cartes Digidesign, ou lorsque vous utilisez un châssis d'extension pour exécuter davantage de pistes (par exemple 64 pistes à 96 kHz) et que vous souhaitez utiliser davantage de voix par DSP (par exemple 16 voix par DSP à 96 kHz). Ces paramètres utilisent moins de puces DSP que pour le mixage (laissant ainsi plus de puces pour les plug-in), mais assignent la charge de traitement la plus importante à chacune d'entre elles.

Fréquence d'échantillonnage par défaut
Le paramètre Sample Rate détermine la fréquence d'échantillonnage par défaut lorsque vous crééez une session. La fréquence d'échantillonnage ne peut être modifiée que si aucune session n'est ouverte. Autrement, la fréquence d'échantillonnage est affichée, mais ne peut pas être modifiée.

Le paramètre Sample Rate peut avoir un impact sur le nombre de voix disponibles.

Vous pouvez modifier la fréquence d'échantillonnage lors de la création d'une session Pro Tools en sélectionnant une fréquence différente dans la boîte de dialogue New Session.
Vous pouvez également modifier la fréquence d'échantillonnage par défaut dans la boîte de dialogue Hardware, à condition qu'aucune session ne soit ouverte.
Pour modifier la fréquence d'échantillonnage par défaut dans le moteur de lecture :
1 Sélectionnez Setup > Playback Engine.
2 Dans le menu contextuel Sample Rate, sélectionnez une fréquence d'échantillonnage.
3 Cliquez sur OK.
Moteur de compensation de retard
Le moteur de compensation de retard permet de déterminer la quantité de ressources DSP consacrées à la compensation de retard, qui assure la gestion des retards DSP dans la console Pro Tools.
Dans une session, vous pouvez activer ou désactiver la compensation de retard (Options > Delay Compensation).
Le paramètre Delay Compensation permet de gérer automatiquement les retards DSP qui se produisent sur les pistes audio, les entrées auxiliaires ou les pistes de fader principal en raison de l'utilisation des plug-in et des acheminements vers la console. Lorsque la fonction est activée, Pro Tools préserve l'alignement temporel dont la phase est cohérente entre les pistes dont les plug-in présentent des différences au niveau du retard inhérent au DSP, les pistes comportant des chemins de mixage différents, les pistes interrompues et recombinées par l'intermédiaire de la console et les pistes comportant des inserts matériels.
Pour conserver un alignement temporel dont la phase est cohérente, Pro Tools ajoute la quantité de retard exacte nécessaire pour que le retard d'une piste donnée soit le même que le retard total du système. Le retard système s'affiche dans la fenêtre Session Setup.
La compensation de retard doit être activée pendant le mixage et la lecture pour permettre un alignement temporel dont la phase est cohérente entre les sorties de pistes.
Lorsque la fonction de compensation de retard est activée, il est recommandé de n'utiliser aucun insert sur les pistes d'entrée auxiliaire ou de fader principal auxquelles il est fait appel pour surveiller le volume des mixages de retours. Évitez également l'utilisation d'inserts sur les pistes d'enregistrement (certains inserts à faible latence peuvent être acceptables en fonction des préférences talentâs).
Lors de l'enregistrement, la compensation de retard peut généralement être activée. Il est toutefois recommandé de la désactiver pour certaines opérations de doublage (l'enregistrement de plusieurs pistes audio en série, par exemple).
Pour plus d'informations sur l'utilisation de la compensation de retard, consultez le Guide de référence Pro Tools.
Pour configurer le moteur de compensation de retard, procédez comme suit :
1 Sélectionnez Setup > Playback Engine.
2 Dans le menu contextuel Delay Compensation Engine, sélectionnez un paramètre de compensation de retard.
3 Cliquez sur OK.
Paramètres de compensation de retard
Il existe trois paramètres dans la boîte de dialogue Playback Engine permettant d'attribuer des ressources DSP à la fonction de compensation de retard :
None : n'attribue aucune ressource DSP en vue de la compensation de retard.
Short : attribue un nombre réduit de ressources DSP pour la compensation de retard de chaque canal. Il s'agit du paramètre le plus efficace pour les systèmes Pro Tools|HD Accel. Pour les sessions disposant d'un nombre peu élevé de plug-in qui n'entraînent pas de retard DSP excessif, ce paramètre devrait suffire.
Long : attribue un nombre maximal de ressources DSP pour la compensation de retard de chaque canal de console. Sélectionnez ce paramètre pour les sessions disposant d'un grand nombre de plug in entraînant beaucoup de retard DSP.
Taille du buffer de lecture DAE
Le paramètre DAE Playback Buffer Size détermine la quantité de mémoire DAE allouée aux buffers de disque. En outre, ce paramètre permet d'afficher les valeurs en millisecondes, qui indiquent la quantité d'audio mise en mémoire tampon lorsque le système lit à partir du disque.
La taille du buffer de lecture DAE maximale pour les opérations de disque correspond à 1500 ms (niveau 2).
- Les paramètres de taille de buffer de lecture DAE inférieurs à 1500 ms (niveau 2) peuvent améliorer la vitesse de lecture et d'enregistrement. Cependant, une valeur inférieure peut entraîner une baisse de la fiabilité de la lecture ou de l'enregistrement de pistes en cas de sessions contenant un grand nombre de pistes ou de points d'édition, ou de systèmes possédant des disques durs plus lents ou fortement fragmentés.
- Une taille supérieure au niveau 1500 ms (niveau 2) permet une densité d'édition plus élevée au cours d'une session ou un nombre de pistes plus important lors de l'utilisation de disques durs plus lents. Cependant, un niveau élevé peut également provoquer un retard lors du démarrage de la lecture ou de l'enregistrement, ou un retard audible plus long lors de l'édition en cours de lecture.

Une grande taille de buffer de lecture DAE réduit la mémoire système affectée aux autres tâches. Nous vous conseillons d'utiliser la valeur par défaut de 1500 ms (niveau 2) à moins que vous ne rencontrez les erreurs -9073 de disques trop lents ou trop fragmentés.
Pour modifier la taille du buffer de lecture DAE :
1 Sélectionnez Setup > Playback Engine.
2 Dans le menu contextuel DAE Playback Buffer, sélectionnez une taille de buffer. La configuration de mémoire requise pour chaque paramètre est indiquée dans la partie inférieure de la boîte de dialogue Playback Engine.

Menu Playback Buffer Size de la boîte de dialogue Playback Engine
3 Cliquez sur OK.
Si Pro Tools nécessite davantage de mémoire système pour le buffer de lecture DAE, vous êtes invité à redémarrer l'ordinateur.
Taille du cache
La taille du cache permet de déterminer la quantité de mémoire attribuée par le DAE à l'audio avant mise en mémoire tampon pour la lecture et la mise en boucle lors de l'utilisation d'Elastic Audio.
La taille de cache optimale pour la plupart des sessions correspond au paramètre Normal.
- L'utilisation du paramètre de taille de cache Minimum permet de réduire la quantité de mémoire système utilisée pour les opérations de disque et de libérer de la mémoire pour les autres tâches du système. Cependant, l'utilisation des fonctions Elastic Audio pour ce paramètre risque de conduire à une diminution des performances.
- Une grande taille de cache permet d'améliorer la performance lors de l'utilisation des fonctions d'Elastic Audio, mais cela entraîne une réduction de la quantité de mémoire disponible pour les autres tâches du système comme par exemple le traitement RTAS.

Une mémoire cache de grande taille réduit la quantité de mémoire système affectée aux autres tâches. Le paramètre par défaut (Normal) est recommandé, sauf en cas d'erreurs -9500 de cache trop petit.
Pour modifier la taille du cache :
1 Sélectionnez Setup > Playback Engine.
2 Dans le menu contextuel Cache Size, sélectionnez une taille de cache disque.

Menu Cache Size dans la boîte de dialogue Playback Engine
3 Cliquez sur OK.
Affectation de mémoire système
Lors du démarrage de l'ordinateur, Pro Tools attribue automatiquement une partie de la mémoire système au buffer de lecture DAE. Cette portion de mémoire n'est plus disponible pour les autres applications, même si Pro Tools n'est pas en cours d'exécution.
Vous pouvez définir Pro Tools afin qu'il réserve uniquement la quantité minimale de mémoire requise, de sorte que la mémoire système reste disponible pour d'autres applications.
Pour limiter l'allocation de mémoire système :
1 Sélectionnez Setup > Playback Engine.
2 Sélectionnez l'option "Minimize System Memory Allocation".
3 Cliquez sur OK.
4 Redémarrez votre ordinateur.
Taille du buffer de plug-in de streaming (Structure Plug-in seulement)
Ce paramètre s'affiche dans la boîte de dialogue Playback Engine à condition que le plug-in instrument Structure sampler soit installé sur votre système. La taille du buffer de plug-in de streaming permet de déterminer la quantité de mémoire allouée par DAE pour la lecture en streaming à partir du disque, à l'aide du plug-in Structure. Ce paramètre a une incidence sur la lecture si le streaming de disque est activé dans les contrôles du plug-in Structure (reportez-vous au document Structure Plug-in Guide pour obtenir des informations supplémentaires).
La taille optimale du buffer de plug-in de streaming pour la plupart des sessions est 250 ms (niveau 2).
- Les paramètres de taille de buffer de plug-in de streaming inférieure à 250 ms (niveau 2) réduisent la taille de mémoire système utilisée pour la lecture d'échantillons et libèrent de la mémoire pour les autres tâches du système. Cependant, la fiabilité de la lecture des échantillons risque d'être affectée.
- Les paramètres de taille de buffer de plug-in de streaming supérieure à 250 ms (niveau 2) améliorent la fiabilité de la lecture d'échantillons, mais réduisent la quantité de mémoire disponible pour les autres tâches du système telles que le traitement RTAS.

Une grande taille de buffer de plug-in de streaming réduit la mémoire système affectée aux autres tâches. Le paramètre par défaut de 250 ms (niveau 2) est conseillé à moins que vous ne rencontrez des problèmes de fiabilité avec le streaming de lecture à partir du disque.
Pour modifier la taille du buffer de plug-in de streaming :
1 Sélectionnez Setup > Playback Engine.
2 Dans le menu contextuel Plug-in Streaming Buffer Size, sélectionnez une taille de buffer.

Optimisation de la taille du buffer de plug-in de streaming
(Structure Plug-in seulement)
Cette option s'affiche dans la boîte de dialogue Playback Engine à condition que le plug-in instrument Structure sampler soit installé sur votre système. Elle s'avère utile lors de la lecture d'échantillons à partir du même disque contenant de l'audio pour la session en cours. Lorsque cette option est sélectionnée, Pro Tools optimise automatiquement la taille du buffer de plug-in de streaming afin de faciliter l'accès au disque à partir de Pro Tools et de Structure. Le menu contextuel Plug-in Streaming Buffer Size n'est pas disponible si cette option est sélectionnée.
Pour paramétrer Pro Tools pour une optimisation automatique de la taille du buffer de plug-in de streaming :
1 Sélectionnez Setup > Playback Engine.
2 Sélectionnez l'option Optimize for Streaming Content on Audio Drives.
3 Cliquez sur OK.
Configuration MIDI
Si vous prévoyez d'utiliser des périphériques MIDI avec Pro Tools, effectuez l'une des opérations suivantes :
- Sous Windows, configurez votre MIDI à l'aide de MIDI Studio Setup. Pour plus d'informations, reportez-vous à l'annexe C, "Configuration de MIDI Studio Setup (Windows uniquement)".
-OU-
- Sous Mac, configurez votre MIDI à l'aide d'Audio MIDI Setup. Pour plus d'informations, reportez-vous à la section annexe D, "Configuration d'AMS (Mac OS X uniquement)".
Configuration des paramètres matériels Pro Tools
Dans la boîte de dialogue Hardware Setup, Pro Tools permet de définir la fréquence d'échantillonnage et la source d'horloge par défaut pour le système, ainsi qu'un ensemble de commandes spécifiques à chaque type d'interface audio.
Fréquence d'échantillonnage par défaut
Le paramètre Sample Rate (fréquence d'échantillonnage) s'affiche par défaut lorsque vous crééez une session. Ce paramètre est disponible dans la boîte de dialogue Hardware Setup uniquement lorsqu'aucune session n'est ouverte.

Vous pouvez modifier la fréquence d'échantillonnage lors de la création d'une session Pro Tools en sélectionnant une fréquence différente dans la boîte de dialogue New Session.
Pour modifier la fréquence d'échantillonnage par défaut :
1 Sélectionnez Setup > Hardware.

text_image
Hardware Setup Interface: 192 I/O Main Analog In Analog Out Digital Input Output Digital Format 1-2 Analog 1-2 + Analog 1-2 AES/EBG 3-4 Analog 5-4 Analog 5-4 S/PDF 5-6 Analog 5-6 Analog 5-6 Optical (S/PDF) 7-8 Analog 7-8 Analog 7-8 S/PDF Format 9-10 AES/EBG 1-2 Digital 1-2 Tecism 11-12 AES/EBG 3-4 Digital 3-4 Port Settings 13-14 AES/EBG 5-6 Digital 5-6 Expansion I/O 15-16 AES/EBG 7-8 Digital 7-8 Legacy I/O Est. Check Outputs Word Clean (44.1 Hz) Set To Default OK IO Core KI Clock Source Internal Loop Master: 192 I/O (P) Sample Rate 44.1 HzBoîte de dialogue Hardware Setup pour l'interface d'E/S 192, onglet Main
2 Sélectionnez la fréquence d'échantillonnage dans le menu contextuel Sample Rate.
3 Cliquez sur OK.
Fréquences d'échantillonnage élevées et systèmes étendus
Les fréquences d'échantillonnage 176,4 kHz et 192 kHz permettent d'utiliser jusqu'à 4 cartes Pro Tools|HD. Toute carte supplémentaire (7 maximum pour tout le système) sera réglée sur le mode Inactive. Les cartes et autres périphériques connectés redeviendront actifs lorsque vous réglerez la fréquence d'échantillonnage sur 96 kHz ou sur une valeur inférieure. Pour plus d'informations, reportez-vous au Guide des systèmes étendus Pro Tools.
Clock Source
La boîte de dialogue Hardware Setup de Pro Tools permet de sélectionner la source d'horloge du système (Clock Source).
Internal : si vous enregistrez un signal analogique directement dans Pro Tools, vous utiliserez généralement la source d'horloge interne (Internal) de Pro Tools.
External : si vous transférez des données dans Pro Tools depuis un périphérique numérique externe ou si vous utilisez un signal d'horloge interne commun, synchronisez Pro Tools sur ce périphérique numérique ou sur le signal commun. Selon le type d'interface audio, les options externes peuvent inclure AES/EBU [Encl], S/PDIF, Optical [Encl], AES/EBU 1–8, TDIF, ADAT et Word Clock. Pour des informations détaillées, reportez-vous au Guide de référence Pro Tools ou au guide fourni avec votre interface audio.
Pour sélectionner la source d'horloge :
1 Sélectionnez Setup > Hardware.
2 Dans le menu contextuel Clock Source, sélectionnez une source d'horloge.
3 Cliquez sur OK.
A. Votre périphérique d'entrée numérique doit être connecté et sous tension pour que la synchronisation de Pro Tools avec ce périphérique se réalise avec succès. S'il n'est pas sous tension, laissez la source d'horloge définie sur Internal.
Configuration des interfaces audio
Les interfaces audio Pro Tools|HD prennent en charge 16 canaux d'entrées/sorties simultanées et des formats multiples d'entrée/sortie (notamment les formats analogique, AES/EBU, ADAT Optical, S/PDIF et TDIF).
L'onglet Main de la boîte de dialogue Hardware Setup permet de définir les entrées et sorties physiques de votre interface audio assignées aux entrées et sorties Pro Tools. Vous pouvez considérer cette fenêtre comme un patch vous permettant d'acheminer n'importe quelle sortie ou entrée de vos interfaces audio Pro Tools|HD vers les affectations de canaux de votre console de mixage Pro Tools.

Boîte de dialogue Hardware Setup pour l'interface d'E/S 192, onglet Main
La page Main fournit également des commandes permettant de définir si les périphériques des ports Expansion ou Legacy sont activés.
Des pages supplémentaires sont disponibles afin de configurer d'autres paramètres pour chaque interface audio (tels que les niveaux de fonctionnement).
Identification d'interfaces audio
Si vous avez relié plusieurs interfaces audio du même type à votre système, vous devez, avant d'effectuer toute connexion audio, confirmer l'identité de chaque interface. En effet, cela vous offre la garantie de choisir l'interface appropriée dans la liste Peripherals lorsque vous définissez ses entrées et sorties dans la boîte de dialogue Hardware Setup.
Pour identifier les interfaces audio de votre système :
1 Sélectionnez Setup > Hardware.
2 Dans la liste des périphériques, sélectionnez une interface audio connectée à votre système.

Utilisez les touches fléchées vers le haut et vers le bas pour faire défiler la liste des périphériques dans la boîte de dialogue Hardware Setup.
3 Assurez-vous que la page Main est affichée.
4 Sélectionnez l'option Identify, située dans l'angle inférieur gauche de la boîte de dialogue Hardware Setup. Cela a pour effet d'allumer tous les voyants situés sur le panneau avant de l'interface audio sélectionnée.
5 Notez l'interface dans votre configuration de studio correspondant à l'interface sélectionnée.
6 Répétez les étapes ci-dessus pour toute interface audio ajoutée à votre configuration.

Les interfaces d'E/S Legacy doivent être initialisées dans la liste des périphériques pour pouvoir être identifiées. Pour plus d'informations, reportez-vous à la section "Configuration d'E/S Legacy", page 61.
Pour configurer les Interfaces audio Pro Tools|HD :
1 Sélectionnez Setup > Hardware.
2 Dans la liste Peripherals, sélectionnez l'interface audio Digidesign connectée à la première carte de votre système. Il s'agit de la première interface figurant dans la liste.
3 Cliquez sur l'onglet Main.
4 Dans le menu contextuel Clock Source, sélectionnez la source d'horloge appropriée pour l'interface.
Vous utiliserez Internal dans de nombreux cas. Les autres choix permettent d'adapter Pro Tools à des sources d'horloge externes. Selon l'interface audio, vous avez le choix parmi les options Clock Source suivantes : AES/EBU [Encl], S/PDIF, Optical [Encl], AES/EBU 1-8, TDIF, ADAT et Word Clock (des fréquences de signal Word Clock optionnelles sont disponibles si vous travaillez avec des fréquences d'échantillonnage plus élevées).
5 Si vous souhaitez envoyer une sortie d'horloge aux autres périphériques reliés à l'interface audio, sélectionnez la sortie appropriée dans le menu déroulant Ext. Ext. Clock Output.
Si le port d'E/S Legacy est activé (et non pas le port d'E/S Expansion), alors la sortie Ext. Clock Output passe automatiquement en mode Slave Clock (fréquence d'échantillonnage 256x). Pour réinitialiser la sortie Ext. Clock Output sur Word Clock, réglez à nouveau le paramètre Port Settings sur Expansion I/O, puis sélectionnez Legacy I/O dans la liste des périphériques et réglez-la sur No Interface dans le menu contextuel Interface. Les interfaces d'E/S 96i ne prennent pas en charge les interfaces d'E/S Legacy.
6 Sélectionnez le port d'E/S numérique du châssis de votre interface audio actif en sélectionnant une option dans Digital Format. Selon le type d'interface de votre système, vous avez le choix entre AES/EBU, S/PDIF et Optical (S/PDIF). Si vous sélectionnez l'option Optical (S/PDIF), le port numérique d'entrée/sortie (huit canaux de l'interface d'E/S optique ADAT, par défaut) est redéfini sur deux canaux d'interface d'E/S optique S/PDIF. L'interface d'E/S 96i prend uniquement en charge les entrées et sorties numériques stéréo RCA S/PDIF. Pour plus d'informations sur le châssis Pro Tools|HD et les ports de carte, reportez-vous au guide de votre interface audio.
7 Pour la compatibilité S/PDIF avec les enregistreurs DAT Tascam DA-30, sélectionnez Tascam sous S/PDIF Format.
8 Pour les interfaces E/S 96 et 96i, cliquez sur le menu contextuel Meters et sélectionnez l'affichage des vumètres d'entrée ou de sortie.
9 Dans les menus contextuels des canaux d'entrée et de sortie, sélectionnez les ports physiques (tels que Analog 1-2 ou Optical 1-2) qui seront affectés aux canaux d'entrée et de sortie Pro Tools (comme Ch 1-2 ou Ch 3-4), affichés dans la partie gauche de la page Main. Cette fonction n'est pas disponible avec l'interface d'E/S 96i.
Pour différencier les entrées et sorties d'un même format, celles-ci sont désignées différemment dans les menus contextuels des canaux d'entrée et de sortie. Par exemple, les entrées et sorties AES/EBU du châssis de l'interface 192 I/O sont répertoriées comme AES/EBU [Encl], tandis que les entrées et sorties AES/EBU de la carte d'E/S numérique installée en usine sont identifiées (par paires) comme AES/EBU 1-2, AES/EBU 3-4, AES/EBU 5-6 et AES/EBU 7-8. Pour les interfaces d'E/S 192 dotées de la carte optionnelle d'E/S numérique, les ports supplémentaires d'E/S AES/EBU de la carte optionnelle sont identifiés comme AES/EBU 9-10, AES/EBU 11-12, AES/EBU 13-14 et AES/EBU 15-16.

Consultez le guide de votre périphérique pour obtenir des informations sur la configuration et autres restrictions. Par exemple, les canaux optiques 1 à 8 (situés sur le châssis de l'interface d'E/S 192) ne sont pas disponibles pour des sessions à des fréquences d'échantillonnage de 88,2 kHz ou supérieure, tandis que les ports de la carte d'E/S numériques de l'interface d'E/S 192 seront toujours disponibles.
10 Configurez les commandes de votre interface audio Pro Tools|HD. Pour plus d'informations, reportez-vous aux sections "Configuration des commandes des interfaces d'E/S 192 et numérique 192", page 58, "Configuration des commandes de l'interface d'E/S 96", page 60 et "Configuration des commandes de l'interface d'E/S 96i", page 60.
11 Pour chaque interface Pro Tools|HD supplémentaire, sélectionnez l'interface dans la liste des périphériques et répétez les étapes précédentes.
Configuration des commandes des interfaces d'E/S 192 et numérique 192
Pour configurer les commandes pour une Interface d'E/S 192 :
1 Lorsque 192 I/O est sélectionné dans la liste des périphériques, cliquez sur l'onglet Analog In pour les options suivantes :
- Vous pouvez configurer le niveau de fonctionnement de votre système, canal par canal, en sélectionnant un niveau de référence compris entre +4 dBu et -10 dBV. Ces paramètres correspondent à deux types de connecteurs d'entrée différents, situés à l'arrière de l'interface d'E/S 192. Reportez-vous au Guide de l'interface d'E/S 192 pour plus d'informations sur la configuration des niveaux de fonctionnement.
- Chaque canal de l'interface d'E/S 192 comporte deux rognages d'entrée, intitulés A et B, qui assurent un étalonnage précis et permettent de commuter entre différents niveaux. Vous pouvez sélectionner le rognage d'entrée A ou B, canal par canal. Reportez-vous au Guide de l'interface d'E/S 192 pour obtenir des informations sur les rognages du panneau arrière.
- Vous pouvez sélectionner Soft Clip, canal par canal. Le limiteur Soft Clip atténue le signal analogique entrant, fournissant ainsi une protection supplémentaire contre les transitoires d'écrêtage temporaires susceptibles de provoquer une distorsion numérique lorsqu'ils dépassent l'entrée maximale de l'unité. Lorsque l'option Soft Clip est activée, l'interface d'E/S 192 accepte une marge de sécurité supplémentaire de 4 dB en arrondissant à 4 dB supérieurs à l'endroit de l'écrêtage. Ceci est utile pour éliminer un transitoire parasite ou émuler une saturation de bande analogique.

text_image
Hardware Setup Peripherals 192 I/O (#) Interface: 192 I/O Name Analog Out Digital HD Core (#) Reference Level Input Trim Salt Clip On 1 -+ dBU 10 dBV A B On 2 -+ dBU 10 dBV A B On 3 -+ dBU 10 dBV A B On 4 -+ dBU 10 dBV A B On 5 -+ dBU 10 dBV A B On 6 -+ dBU 10 dBV A B On 7 -+ dBU 10 dBV A B On 8 -+ dBU 10 dBV A B Clock Source Internal S List Master: 192 I/O (#) Sample Rate 44.1 Hz D Modify Set To Default OKBoîte de dialogue Hardware Setup pour l'interface d'E/S 192, onglet Analog In
2 Cliquez sur l'onglet Analog Out pour afficher les options suivantes :
- Chaque canal de l'interface d'E/S 192 comporte deux rognages de sortie, intitulés respectivement A et B. Vous pouvez sélectionner le rognage de sortie A ou B, canal par canal.

text_image
Hardware Setup Peripherals 192 V/D @1 Interface: 192 V/D Main Analog In Analog Out Digital HD Core @1 Clock Source Internal Loop Master: 192 V/D @1 Sample Rate 44.1 Hz Output Trim Ch 1 A B Ch 2 A E Ch 3 A B Ch 4 A B Ch 5 A B Ch 6 A B Ch 7 A B Ch 8 A B Set To Default... OK IdentityBoîte de dialogue Hardware Setup pour l'interface d'E/S 192, onglet Analog Out
Pour configurer les commandes d'une Interface d'E/S 192 onumérique 192 avec carte d'entrée/sortie numérique optionnelle :
■ Sur l'interface d'E/S numérique 192 ou d'E/S 192 dotée d'une carte d'entrée/sortie numérique (facultative), cliquez sur l'onglet Digital pour définir l'option Input Format (AES/EBU, TDIF ou ADAT Optical) et activer la conversion de fréquence d'échantillonnage en temps réel (dans les paires de canaux, avec l'option SR Conversion).
Pour des fréquences d'échantillonnage de sessions supérieures à 48 kHz, la conversion de la fréquence d'échantillonnage pour les entrées TDIF et Optical (ADAT) de la carte d'E/S numérique est activée automatiquement pour les huit entrées du format sélectionné.

text_image
Hardware Setup Peripherals 192 UO Interface: 192 UO Main Analog In Analog Out Digital Input Format ACI-3BU 1-8 ADAT 1-8 TOM 1-8 58 Conversion Ch 1-2 Ch 3-4 Ch 5-6 Ch 7-8 Clock Source Internal 8 Large Master, 192 UO #1 Sample Rate 44.1 Hz 5 Identity Set To Default OKBoîte de dialogue Hardware Setup pour l'interface d'E/S 192, onglet Digital
Configuration des commandes de l'interface d'E/S 96
Pour configurer les commandes pour une Interface d'E/S 96 :
1 Après avoir sélectionné l'interface d'E/S 96 dans la liste des périphériques, configurez les vumètres du panneau avant de votre interface d'E/S à partir du menu contextuel Meters afin d'afficher les vumètres d'entrée/sortie.
2 Cliquez sur l'onglet Analog In pour afficher les options suivantes :
- Vous pouvez configurer le niveau de fonctionnement de votre système, canal par canal, en sélectionnant un niveau de référence compris entre +4 dBu et -10 dBV. Reportez-vous au Guide de l'interface d'E/S 96 pour obtenir des informations sur la configuration des niveaux de fonctionnement.

text_image
Hardware Setup Peripherals 96 I/O # Interface: 96 I/O Main Analog In Analog Out HD-Corn #1 Clock Source Internal Log Rotor: 96 I/O #1 Sample Rate 44.1 GHz Reference Level On 1 -+8 dBu ○ 10 dBV On 2 -+8 dBu ○ 10 dBV On 3 -+8 dBu ○ 10 dBV On 4 -+8 dBu ○ 10 dBV On 5 -+8 dBu ○ 10 dBV On 6 -+8 dBu ○ 10 dBV On 7 -+8 dBu ○ 10 dBV On 8 -+8 dBu ○ 10 dBV Set To Default OK IdentityBoîte de dialogue Hardware Setup pour l'interface d'E/S 96, onglet Analog In
3 Cliquez sur l'onglet Analog Out pour afficher les options suivantes :
- Vous pouvez configurer le niveau de sortie de votre système, canal par canal, en sélectionnant un niveau de référence compris entre +4 dBu et -10 dBV. Reportez-vous au Guide de l'interface d'E/S 96 pour obtenir des informations sur la configuration des niveaux de fonctionnement.

text_image
Hardware Setup Peripherals 34 V/D @1 Interface: 96 V/D Name Analog to Analog Out Reference Level On 1 -+ dBV ○ 10 dBV On 2 -+ dBV ○ 10 dBV On 3 -+ dBV ○ 10 dBV On 4 -+ dBV ○ 10 dBV On 5 -+ dBV ○ 10 dBV On 6 -+ dBV ○ 10 dBV On 7 -+ dBV ○ 10 dBV On 8 -+ dBV ○ 10 dBV Clock Source Internal 5 Line Master: 96 V/D @1 Sample Rate 44.1 Hz Identify Set To Default OKBoîte de dialogue Hardware Setup pour l'interface d'E/S 96, onglet Analog Out
Configuration des commandes de l'interface d'E/S 96i
Pour configurer les commandes pour une Interface d'E/S 96i :
1 Avec l'interface d'E/S 96i sélectionnée dans la liste des périphériques, configurez les vumètres du panneau avant de votre interface d'E/S pour l'affichage des vumètres d'entrée/sortie, depuis le menu déroulant Meters.
2 Pour configurer la sensibilité d'entrée, procédez comme suit :
- Pour les entrées 1 à 4, réglez le curseur d'entrée pour que sa valeur corresponde à celle du niveau de sortie de l'instrument connecté (entre -12 dBV et +4 dBu). Si vous ne connaissez pas le niveau de sortie du dispositif, utilisez le niveau d'entrée par défaut, puis ajustez la sensibilité du niveau d'entrée en suivant la procédure ci-après.
- Pour chaque entrée de 5 à 16 utilisée, sélectionnez la valeur correspondant le mieux au niveau de sortie du périphérique connecté (entre -8 dBV ou +4 dBu).
3 Configurez les niveaux de sortie (choisissez entre -10 dBV ou +4 dBu).
4 Cliquez sur Done.

text_image
Hardware Setup Peripherals 95/10 #1 K0 Core #1 Clock Source Internal Loop Matrix: 95/10 #1 Sample Rate 42.1kHz Interface: 95/10 Input Sensitivity 1-2 3-4 Ch 5 ○ +4 dBu ○ -3 dBV Ch 6 ○ +4 dBu ○ -8 dBV Ch 7 ○ +4 dBu ○ -9 dBV Ch 8 ○ +4 dBu ○ -9 dBV Ch 9 ○ +4 dBu ○ -9 dBV Ch 10 ○ +4 dBu ○ -9 dBV Ch 11 ○ +4 dBu ○ -8 dBV Ch 12 ○ +4 dBu ○ -8 dBV Ch 13 ○ +4 dBu ○ -9 dBV Ch 14 ○ +4 dBu ○ -9 dBV Ch 15 ○ +4 dBu ○ -9 dBV Ch 16 ○ +4 dBu ○ -9 dBV Ch 1-2 Input ○ Analog ○ S/PDF Output Line Level ○ +4 dBV ○ -10 dBV 5/PDF Format □ Taxcon Notes: Output Est. Clock Output: WordClock (RGBHz) Identity OKConfiguration matérielle pour l'interface d'E/S 96i
Vous pouvez sélectionner l'entrée numérique ou analogique comme sources pour les canaux 1-2 de l'interface d'E/S 96i. Seuls ces deux canaux permettent d'accéder aux entrées S/PDIF.
Pour sélectionner l'entrée numérique ou analogique des canaux 1 et 2 :
1 Pour afficher la fenêtre de l'interface d'E/S 96i, choisissez Setup > Hardware, puis sélectionnez l'interface d'E/S 96i dans la liste Peripherals.
2 Sélectionnez le format analogique ou S/PDIF approprié pour configurer les canaux 1 et 2.

L'interface d'E/S 96i ne prend en charge que les commutations analogique-numérique pour les canaux 1 et 2 et uniquement depuis les boîtes de dialogue Hardware Setup et I/O Setup. Cette interface ne prend pas en charge la réaffectation des chemins lors de la configuration des E/S.
Configuration d'E/S Legacy
Avant de pouvoir configurer une interface Legacy I/O, vous devez l'initialiser dans Hardware Setup.
Pour initialiser une interface d'E/S Legacy sur un système Pro Tools|HD :
1 Réduisez le volume de vos périphériques de sortie.
2 Démarrez votre système Pro Tools (voir "Démarrage et arrêt du système", page 41).

Veillez à baisser le volume de vos périphériques de sortie avant d'activer votre interface d'E/S Legacy. Un son numérique très puissant risque d'être émis avant l'initialisation de l'interface d'E/S Legacy.
3 Dans Pro Tools, sélectionnez Setup > Hardware.
4 Dans la liste Peripherals, sélectionnez l'interface audio principale (l'interface à laquelle votre interface d'E/S Legacy est connectée).
5 Dans la page Main de la boîte de dialogue Hardware Setup, sélectionnez l'option Legacy I/O sous Port Settings.
6 Dans la liste Peripherals, No Interface est indiqué deux fois, directement sous l'interface audio principale. Cliquez sur la première occurrence de No Interface. Le menu contextuel Interface s'affiche dans la boîte de dialogue Hardware Setup, répertoriant les options d'interfaces d'entrée/sortie prises en charge.
7 Dans le menu contextuel Interface, sélectionnez le type de l'interface d'E/S que vous avez connectée.
Après la sélection du type d'interface d'E/S Legacy, la page Main affiche les commandes pouvant être configurées. Si votre interface Legacy ne figure pas dans la liste, vérifiez les connexions et répétez la procédure précédente, depuis l'étape 1.
8 Répétez les étapes précédentes pour chaque interface d'E/S Legacy.
9 Cliquez sur OK pour refermer la boîte de dialogue Hardware Setup.

Pour obtenir des informations sur les commandes Hardware Setup pour chaque interface d'E/S Legacy, consultez le guide fourni avec l'interface.
Pour supprimer une interface d'E/S Legacy :
1 Réduisez le volume de vos périphériques de sortie.
2 Mettez l'interface d'E/S Legacy hors tension.
3 Dans Pro Tools, sélectionnez Setup > Hardware.
4 Dans la liste Peripherals, sélectionnez le nom d'une interface Legacy.
5 Dans le menu déroulant Interface, sélectionnez No Interface.
6 Répétez les étapes 4 et 5 pour chaque interface d'E/S Legacy.
7 Dans la liste Peripherals, sélectionnez le nom de l'interface audio Pro Tools|HD à laquelle votre interface d'E/S Legacy est connectée.
8 Sélectionnez l'option Expansion I/O dans Port Settings.
9 Cliquez sur OK pour refermer la boîte de dialogue Hardware Setup.
Périphériques hors ligne
Lorsqu'une interface d'E/S Legacy et des périphériques Pro Tools|HD sont connectés à votre périphérique Pro Tools|HD principal, un seul périphérique peut être en ligne à la fois. Lorsqu'un périphérique est hors ligne, son nom apparaît entre crochets dans la liste des périphériques de la boîte de dialogue Hardware Setup. Si, par exemple, vous avez connecté une interface d'E/S 96 et une interface 882|20 à une interface d'E/S 192 et que l'interface d'E/S 96 est hors ligne, le nom de cette dernière apparaît dans la liste des périphériques comme suit : [96 I/O].
Les périphériques sont également mis hors ligne si l'interface audio ou la carte à laquelle ils sont connectés est désactivée.
Configuration de la boîte de dialogue I/O Setup
La boîte de dialogue I/O Setup offre une représentation graphique de l'acheminement des signaux pour chaque interface audio branchée, ainsi que des commandes d'affectation des ports physiques de l'interface audio aux entrées et sorties Pro Tools. Les paramètres de ces commandes reflètent ceux des commandes d'acheminement de la boîte de dialogue Hardware Setup : les modifications apportées au routage dans une boîte de dialogue sont toujours reflétées dans l'autre boîte de dialogue.
La boîte de dialogue I/O Setup offre des outils permettant d'identifier et d'assigner les chemins des signaux d'entrée, de sortie, d'insert et de bus de Pro Tools. La boîte de dialogue I/O Setup comprend également des paramètres importants pour l'écoute, les vumètres et le son surround.
Les paramètres de I/O Setup qui s'affichent au démarrage de Pro Tools sont les paramètres par défaut. Vous devez accéder à la boîte de dialogue I/O Setup uniquement si vous souhaitez réaffecter ou renommer les chemins d'entrée/sortie par défaut ou si vous modifiez le matériel de votre système (par exemple, lors de l'ajout d'une carte d'extension sur une interface d'E/S 192).

Reportez-vous au Guide de référence Pro Tools pour en savoir plus sur la configuration des chemins d'entrée et de sortie.
Pour configurer l'acheminement d'E/S dans I/O Setup :
1 Choisissez Setup > I/O.
2 Cliquez sur l'onglet Input ou Output pour afficher les connexions correspondantes.
3 Pour modifier le nom d'un chemin ou d'un sous-chemin, cliquez deux fois directement sur le nom du chemin, tapez le nouveau nom et appuyez sur Entrée.
4 Pour modifier la destination d'un chemin ou sous-chemin d'entrée ou de sortie, cliquez directement sur un sélecteur d'entrée ou de sortie pour une paire de canaux d'interface, juste en dessous de l'icône de l'interface audio. Cette fonction n'est pas disponible avec l'interface d'E/S 96i.
5 Dans le menu déroulant, sélectionnez une paire de ports physiques (tels que Analog 1-2), pour l'acheminer à la paire de canaux Pro Tools correspondants (tels que A 1-2) dans la colonne Path Name, située dans la partie gauche.
6 Répétez les étapes précédentes pour toute paire de canaux supplémentaire.
7 Cliquez sur OK.

text_image
I/O Setup Input Output Insert Bus Mac Proamp H/M Insert Delay A 192 I/O #1 A#00 A#00 A#00 A#00 A#00 A#00 A#00 A#00 A#00 A#00 A#00 A#00 A#00 A#00 A#00 A#00 A#00 A#00 A#00 A#00 A#05 A#05 A#05 A#05 A#05 A#05 A#05 A#05 A#05 A#05 A#05 A#05 A#05 A#05 A#05 A#05 A#05 A#05 A#05 A#05 A#06 A#06 A#06 A#06 A#06 A#06 A#06 A#06 A#06 A#06 A#06 A#06 A#06 A#06 A#06 A#06 A#06 A#06 A#06 A#06 A#07 A#07 A#07 A#07 A#07 A#07 A#07 A#07 A#07 A#07 A#07 A#07 A#07 A#07 A#07 A#07 A#07 A#07 A#07 A#07 A#08 A#08 A#08 A#08 A#08 A#08 A#08 A#08 A#08 A#08 A#08 A#08 A#08 A#08 A#08 A#08 A#08 A#08 A#08 A#08 A#09 A#09 A#09 A#09 A#09 A#09 A#09 A#09 A#09 A#09 A#13-13-13-13-13-13-13-13-13-13-13-13-13-13-13-13-13-13-13-13-13-13-13-13-13-13-13-13-13-13-13-13-13-13- 1.1 Default Path Order - P New Path Comparative for Input delays after record pass Default New Sub-Path Determine Path S.1 Default Path Order - P Import Settings Export Settings Cancel OKBoîte de dialogue I/O Setup pour système Pro Tools | HD
Assignation d'une paire de sorties Pro Tools à des destinations multiples
Les paires de canaux Pro Tools peuvent être assignées à plusieurs sorties de votre interface audio Digidesign à l'aide de la boîte de dialogue Hardware Setup.
Si, par exemple, vous affectez les deux sorties d'interface Analog 1–2 et Analog 3–4 à la paire de sorties Pro Tools 1–2, un signal envoyé à la paire de sorties Pro Tools 1–2 est acheminé simultanément aux deux paires de sorties de l'interface audio.
Ceci vous donne la possibilité d'envoyer le même signal (tel qu'une paire stéréo, un prémixage ou un mixage multicanal) vers de nombreuses destinations (telles que divers périphériques de mastering).
Pour assigner une paire de canaux de sortie Pro Tools à plusieurs ports de sortie d'Interface audio :
1 Sélectionnez Setup > Hardware.
2 Dans la liste Peripherals, sélectionnez l'interface souhaitée.
3 Cliquez sur l'onglet Main.
4 Sélectionnez une paire de sorties dans un menu déroulant Output.
5 Tout en cliquant sur Démarrer (Windows) ou Ctrl (Mac), cliquez une deuxième fois sur ce même menu déroulant pour sélectionner une paire de ports de sortie supplémentaire.
Le nom de sortie est alors précédé par un signe plus (+) pour signaler que plusieurs ports sont sélectionnés. Dans le menu contextuel, chaque paire de ports physiques affectée à la paire de sorties Pro Tools est signalée par une coche.

text_image
Hardware Setup Interface: 192 I/O Main Analysis In: Analysis Out: Digital Input 1-2 Analog 1-2 Analog 1-4 Analog 1-6 Analog 1-8 Analog 1-10 Analog 1-12 Analog 1-14 Analog 1-16 Analog 1-18 Analog 1-20 Analog 1-22 Analog 1-24 Analog 1-26 Analog 1-28 Analog 1-30 Analog 1-32 Analog 1-34 Analog 1-36 Analog 1-38 Analog 1-40 Analog 1-42 Analog 1-44 Analog 1-46 Analog 1-48 Analog 1-50 Analog 1-52 Analog 1-54 Analog 1-56 Analog 1-58 Analog 1-60 Analog 1-62 Analog 1-64 Analog 1-66 Analog 1-68 Analog 1-70 Analog 1-72 Analog 1-74 Analog 1-76 Analog 1-78 Analog 1-80 Analog 1-82 Analog 1-84 Analog 1-86 Analog 1-88 Analog 1-90 Analog 1-92 Analog 1-94 Analog 1-96 Analog 1-98 Analog 1-100 Digital (Text) (AES/USB, S/MSF) Optical 1-2 (ADAT) Optical 3-4 (ADAT) Optical 5-6 (ADAT) Optical 7-8 (ADAT) Digital 9-2 (all formats) Digital 3-4 (all formats) Digital 5-6 (all formats) Digital 7-8 (all formats) OKBoîte de dialogue Hardware Setup pour l'interface d'E/S 96, page Main
6 Répétez les étapes précédentes pour sélectionner des destinations de sortie supplémentaires. Le nombre de sorties disponibles sur votre système est la seule limite au choix des sorties.
Les paires de sorties Pro Tools peuvent également être acheminées vers plusieurs sorties depuis la boîte de dialogue I/O Setup. Pour plus d'informations, consultez le Guide de référence Pro Tools.
Sauvegarde de la configuration du système
Une fois la configuration de Pro Tools et du système terminée, enregistrez une image de votre disque système à l'aide d'un utilitaire de sauvegarde tel que Acronis True Image, Norton Ghost (Windows) ou Bombich Carbon Copy Cloner (Mac). Cette opération vous permet, en cas de problèmes, de restaurer rapidement la configuration et les paramètres de votre système.
Optimisation d'un système Windows pour Pro Tools
Pour des performances optimales avec Pro Tools|HD, configurez l'ordinateur avant d'utiliser le matériel et le logiciel Pro Tools.
Pour optimiser un système Mac, consultez "Optimisation d'un système Mac pour Pro Tools", page 68.
Avant de configurer votre ordinateur, assurez-vous que vous êtes connecté en tant qu'administrateur pour le compte sur lequel vous souhaitez installer Pro Tools. Pour tout renseignement complémentaire sur les privilèges d'administrateur, reportez-vous à la documentation Windows.
Optimisations requises
Pour garantir des performances Pro Tools optimales, configurez les paramètres suivants avant d'utiliser le logiciel Pro Tools.
Lorsque vous avez terminé de modifier les paramètres système Windows, redémarrez votre ordinateur.
Activation de DMA
L'activation de l'option DMA (Direct Memory Access) de votre ordinateur permet de libérer de l'espace sur la bande passante du processeur pour l'exécution d'autres tâches Pro Tools.
Dans la plupart des cas, l'option DMA est déjà activée, car Windows détecte et active par défaut le mode DMA.
Pour activer l'option DMA sur les disques durs IDE :
1 Cliquez avec le bouton droit de la souris sur Poste de travail (Windows XP) ou sur Ordinateur (Windows Vista).
2 Sous Outils système du volet de gauche de la fenêtre Gestion de l'ordinateur, cliquez sur Gestionnaire de périphériques.
3 Dans le volet de droite, cliquez sur le signe plus (+) pour développer l'entrée Contrôleurs IDE ATA/API.
4 Cliquez avec le bouton droit de la souris sur Contrôleur IDE principal et sélectionnez Propriétés.
5 Cliquez sur l'onglet Paramètres avancés.
6 En fonction du système d'exploitation, procédez de la manière suivante pour chaque périphérique :
- définissez le mode de transfert sur DMA si disponible (Windows XP)
- Ou -
- Cochez la case Activer l'accès direct à la mémoire (DMA) (Windows Vista)
7 Cliquez sur OK.
8 Répétez les étapes ci-dessus pour tout canal IDE supplémentaire.
9 Fermez la fenêtre Gestion de l'ordinateur.
Désactivation du contrôle de compte d'utilisateur
(Windows Vista uniquement)
Pour optimiser les performances de Pro Tools sous Windows Vista, désactivez l'option Contrôle de compte d'utilisateur.
Pour désactiver la fonction Contrôle de compte d'utilisateur :
1 Sélectionnez Démarrer > Panneau de configuration.
2 Cliquez deux fois sur Comptes d'utilisateur.
3 Cliquez sur "Activer ou désactiver le contrôle de compte d'utilisateur."
4 Désélectionnez l'option "Utiliser le contrôle des comptes d'utilisateurs pour vous aider à protéger votre ordinateur".
5 Cliquez sur OK.
Désactivation de la mise en veille et de la gestion de l'alimentation
Si vous utilisez Pro Tools, le mode de mise en veille du système Windows doit être défini sur Toujours actif. Ceci réduit le risque qu'une longue session d'enregistrement ou de lecture s'arrête inopinément à cause de la mise hors tension des ressources système.
Pour configurer la gestion de l'alimentation Windows (Windows Vista) :
1 Sélectionnez Démarrer > Panneau de configuration.
2 Cliquez deux fois sur Options d'alimentation.
3 Dans la fenêtre Options d'alimentation, sélectionnez Performances élevées.
4 Cliquez sur Modifier les paramètres du mode.
5 Dans la fenêtre Modifier les paramètres du mode de gestion de l'alimentation, cliquez sur Modifier les paramètres d'alimentation avancés.
6 Dans la boîte de dialogue Options d'alimentation, ouvrez Disque dur > Arrêter le disque dur après.
7 Cliquez sur l'option Paramètres.
8 Sélectionnez une valeur dans le champ des paramètres (minutes), puis appuyez sur la touche Retour arrière du clavier.
9 Appuyez sur Entrée. Le paramètre d'arrêt du disque dur devient Jamais et la boîte de dialogue des options d'alimentation se ferme.
10 Dans la fenêtre Modifier les paramètres du mode de gestion de l'alimentation, cliquez sur Enregistrer les modifications et fermez la fenêtre.
Pour configurer la gestion de l'alimentation Windows (Windows XP) :
1 Sélectionnez Démarrer > Panneau de configuration.
2 Cliquez deux fois sur Options d'alimentation.
3 Cliquez sur l'onglet Modes de gestion de l'alimentation.
4 Dans le menu contextuel Modes de gestion de l'alimentation, sélectionnez Toujours.
5 Vérifiez que les paramètres suivants sont définis sur Jamais :
- Arrêt des disques durs
- Mise en veille
- Mise en veille prolongée
6 Cliquez sur OK.
Optimisations recommandées
D'autres pilotes logiciels et matériels installés sur votre ordinateur peuvent également interférer avec Pro Tools. Pour obtenir des performances optimales, nous vous suggérons d'effectuer les opérations suivantes :
- Évitez d'exécuter simultanément Pro Tools et des programmes dont vous n'avez pas absolument besoin.
- Désactivez les logiciels qui fonctionnent en tâche de fond, tels que Windows Messenger, les calendriers et les programmes de maintenance de disque.
- Lorsque vous exécutez Pro Tools, éteignez tous les périphériques USB qui ne sont pas indispensables.
- Si votre carte vidéo le permet, activez le contrôle de bus (Bus Mastering) dans le Panneau de configuration du fabricant. Pour plus d'informations, consultez la documentation du fabricant.
Optimisations facultatives
Grâce aux optimisations décrites ci-dessous les performances de Pro Tools sur certains systèmes peuvent être améliorées. Il est recommandé de ne recourir à ces optimisations qu'en cas de nécessité, car elles peuvent désactiver ou compromettre certaines fonctionnalités des autres programmes installés sur votre système.
Désactivation des cartes réseau
Désactivez toutes les cartes réseau de votre système, à l'exception des cartes FireWire que vous pourriez être amené à utiliser pour connecter un disque externe à votre système.
Pour désactiver une carte réseau :
1 Cliquez avec le bouton droit de la souris sur Poste de travail (Windows XP) ou Ordinateur (Windows Vista) et sélectionnez Gérer.
2 Dans Outils système, choisissez Gestionnaire de périphériques.
3 Dans la fenêtre du Gestionnaire de périphériques, cliquez deux fois sur Cartes réseau, puis deux fois sur la carte réseau que vous souhaitez désactiver.
4 Dans l'onglet Général, choisissez Ne pas utiliser ce périphérique (désactiver) dans le menu contextuel Utilisation du périphérique, puis cliquez sur OK.
5 Fermez la fenêtre Gestion de l'ordinateur.
Réglage des performances des applications
Pour régler les performances des applications :
1 Cliquez avec le bouton droit de la souris sur Poste de travail (Windows XP) ou Ordinateur (Windows Vista) et sélectionnez Propriétés.
2 Dans la fenêtre Propriétés système, cliquez sur l'onglet Avancé.
3 Dans la zone Performances, cliquez sur le bouton Paramètres.
4 Dans la fenêtre Options de performances, cliquez sur l'onglet Avancé.
5 Dans la section Performance des applications, sélectionnez l'option Services d'arrière-plan.
6 Dans Utilisation de la mémoire, sélectionnez le cache système.
7 Cliquez sur OK pour fermer la fenêtre Options de performances.
8 Cliquez sur OK pour fermer la fenêtre Propriétés système.
9 Redémarrez l'ordinateur pour que les modifications prennent effet.
Désactivation des éléments de démarrage du système
Les ressources disponibles pour Pro Tools dépendent du nombre d'éléments en cours d'utilisation sur votre ordinateur. Certaines applications de démarrage consomment inutilement les ressources du processeur et peuvent être désactivées.
Soyez prudent au moment de désactiver les éléments de démarrage suivants :
- le numéro de série d'un support portable (nécessaire aux applications utilisant une clé de protection contre la copie) ;
• le service Plug and Play ; - le rapport des activités ;
• les services cryptographiques.
Pour désactiver les éléments de démarrage du système :
1 Dans Exécuter (Windows XP) ou Rechercher (Windows Vista) du menu Démarrer, saisissez "msconfig" et cliquez sur OK pour ouvrir l'utilitaire de configuration du système.
2 Sous l'onglet Général, choisissez Démarrage sélectif.
3 Désactivez l'option Charger les éléments de démarrage, puis cliquez sur OK.
4 Cliquez sur Redémarrer pour redémarrer l'ordinateur.
5 Après le redémarrage, un message relatif à la configuration système s'affiche à l'écran. Vérifiez que les performances de Pro Tools ont été améliorées avant de désactiver la case Ne plus afficher ce message. Si les performances n'ont pas été améliorées, exécutez la commande msconfig et sélectionnez le mode de démarrage normal au lieu du mode de démarrage sélectif, ou désactivez un par un les éléments lancés au démarrage et les processus non indispensables.
Optimisation d'un système Mac pour Pro Tools
Pour des performances optimales avec Pro Tools, configurez l'ordinateur avant d'installer le logiciel Pro Tools.

Pour une optimisation d'un système Windows, consultez "Optimisation d'un système Windows pour Pro Tools", page 64.
Avant de configurer votre ordinateur, assurez-vous que vous êtes connecté en tant qu'administrateur pour le compte sur lequel vous souhaitez installer Pro Tools. Pour obtenir des détails sur les privilèges d'administrateur sur Mac OS X, reportez-vous à votre documentation Apple OS X.

N'utilisez pas la fonction de mise à jour logicielle automatique de Mac OS X, car cela risquerait d'entraîner la mise à jour de votre système avec une version de Mac OS qui n'a pas été validée pour Pro Tools. Pour plus de détails sur les versions de Mac OS agréées, reportez-vous aux informations de compatibilité accessibles sur le site Web de Digidesign (www.digidesign.com/compatibility).
Désactivation de la mise à jour logicielle
Pour désactiver la fonction de mise à jour loglcile :
1 Dans le menu Pomme, sélectionnez Préférences Système, puis cliquez sur Mise à jour de logiciels.
2 Cliquez sur l'onglet de mise à jour de logiciels.
3 Désélectionnez Rechercher les mises à jour.
1 Désactivation de l'économiseur d'énergie.
Pour désactiver la fonction d'économie d'énergie :
1 Dans le menu Pomme, sélectionnez Préférences Système, puis cliquez sur Économiseur d'énergie.
2 Cliquez sur l'onglet Suspendre, puis effectuez les opérations suivantes :
- Définissez le mode de veille de l'ordinateur sur Jamais.
- Définissez le paramètre de veille d'affichage sur Jamais.
- Désélectionnez l'option Suspendre dès que possible l'activité du ou des disques durs.
Configuration des performances du processeur
Pour configurer les performances du processeur :
1 Dans le menu Pomme, sélectionnez Préférences Système, puis cliquez sur Économiseur d'énergie.
2 Cliquez sur Options et choisissez le niveau de performances le plus élevé.
Désactivation ou réaffectation des raccourcis clavier Mac utilisés par Pro Tools
Pour disposer de tous les raccourcis clavier de Pro Tools, vous devez désactiver ou réaffecter dans les Préférences Système Apple les raccourcis clavier Mac OS X en conflit, dont les suivants :
- "Afficher le menu d'aide"
- Sous "Navigation clavier"
- Sous "Dock, Exposé et Dashboard"
- "Masquage/affichage du Dock automatique"
- "Toutes les fenêtres"
- "Fenêtre de l'application"
- “ Bureau ”
- “ Dashboard”
- “ Espaces ”
- Sous "Spotlight"
- "Afficher le champ de recherche Spotlight"
- "Afficher la fenêtre Spotlight"
Pour obtenir une liste complète des raccourcis clavier de Pro Tools, reportez-vous au guide des raccourcis clavier (Aide > Raccourcis clavier).
Pour désactiver ou réaffecter des raccourcis clavier Mac OS X
1 Dans le menu Pomme, sélectionnez Préférences Système, puis cliquez sur Clavier et souris.
2 Cliquez sur l'onglet Raccourcis clavier.
3 Effectuez l'une des opérations suivantes :
- Désélectionnez les options Mac OS X qui entrent en conflit avec les raccourcis clavier Pro Tools.
-OU-
- Attribuez-leur des raccourcis clavier différant de ceux de Pro Tools.
Réattribution de raccourcis clavier Spaces
Si vous souhaitez utiliser Spaces, vous devez réattribuer les raccourcis clavier Spaces afin d'éviter que des conflits n'apparaissent avec les principaux raccourcis clavier Pro Tools. Pour éviter ces conflits, vous pouvez réattribuer des raccourcis clavier Spaces afin d'utiliser une combinaison de touches de modification (Commande+Option+Ctrl+Maj) outre les raccourcis clavier Spaces attribués par défaut.
Pour réattribuer des raccourcis clavier Spaces afin d'utiliser des combinaisons de touches de modification n'entrant pas en conflit avec les raccourcis clavier Pro Tools :
1 Dans le menu Pomme, sélectionnez Préférences Système, puis cliquez sur Exposé et espaces.
2 Cliquez sur l'onglet Spaces.
3 Vérifiez que vous avez bien sélectionné Activer Spaces.
4 Appuyez sur les touches
Commande+Option+Ctrl+Maj sans les relâcher et sélectionnez "Ctrl+Option+Maj+ Commande+F8" dans le menu déroulant d'activation des espaces.
5 Appuyez sur les touches Commande+Option+Ctrl+Maj sans les relâcher et sélectionnez "Ctrl+Option+Maj+ Commande+Touches fléchées" dans le menu déroulant de permutation des espaces.
6 Appuyez sur les touches Commande+Option+Ctrl+Maj sans les relâcher et sélectionnez "Ctrl+Option+Maj+Commande+Touches numériques" dans le menu déroulant de de permutation directe des espaces.
Désactivation de l'indexation Spotlight
La fonction Spotlight de Mac OS X indexe automatiquement les fichiers et dossiers de disques durs locaux en arrière-plan, sans que cela n'ait, dans la plupart des cas, de répercussions sur les activités de Pro Tools. Cependant, si Spotlight indexe des disques tout en enregistrant de manière prolongée dans le cadre d'une session Pro Tools avec un grand nombre de pistes, les performances du système Pro Tools peuvent diminuer. Il peut s'avérer alors préférable de désactiver l'indexation Spotlight pour tous les disques durs avant d'utiliser Pro Tools pour des projets d'enregistrement volumineux.
Si l'indexation Spotlight est désactivée, la fonction Find de Mac OS X l'est également.
Pour désactiver l'Indexation Spotlight :
1 Dans le menu Pomme, sélectionnez Préférences Système, puis cliquez sur Spotlight.
2 Dans la fenêtre Spotlight, cliquez sur l'onglet Confidentialité.
3 Faites glisser l'icône du disque que vous ne souhaitez pas indexer du bureau vers la liste.
Activation de la journalisation des lecteurs audio
Les performances des lecteurs audio peuvent être augmentées en activant la journalisation.
Pour activer la journalisation :
1 Dans le dossier Applications/Utilitaires, démarrez le logiciel Utilitaire de disque.
2 Sélectionnez le volume dans la colonne de gauche de la fenêtre de l'utilitaire de disque.
3 Sélectionnez Activer la journalisation dans la barre d'outils.
chapitre 5
Connexions Studio
Ce chapitre fournit des informations d'ordre général relatives à la connexion de Pro Tools à votre système, notamment aux équipements numériques, aux unités d'effets, à l'équipement MIDI et aux périphériques de synchronisation SMPTE.
Consultez le Guide de l'interface d'E/S 192, le Guide de l'interface d'E/S numérique 192, le Guide de l'interface d'E/S 96 ou le Guide de l'interface d'E/S 96i pour obtenir des informations détaillées relatives aux éléments suivants :
- Les connecteurs et indicateurs des panneaux avant et arrière
- L'installation des cartes d'extension d'E/S (interface d'E/S 192 uniquement).
Afin d'assurer un refroidissement correct, veillez à laisser suffisamment d'espace de chaque côté des interfaces audio Pro Tools|HD. N'obstruez pas les côtés de l'unité et ne déconnectez pas le ventilateur interne. Si les unités sont placées dans les baies d'un châssis, retirez tous les couvercles ou portes avant de faire fonctionner le système. L'absence d'une telle précaution risque de provoquer la surchauffe rapide des unités et d'endommager irrémédiablement les composants fragiles du système.
Installation du studio
La figure 9, page 74 représente une installation de studio classique dans laquelle l'interface d'E/S 192 est connectée à une console de mixage et des équipements d'effets.
La figure 10, page 75 illustre une installation sans console de mixage dans laquelle les processeurs d'effets et les équipements de contrôle sont directement connectés à une interface d'E/S 96.
Exemple d'installation d'un studio avec une console de mixage

flowchart
graph TD
A["ADAT"] -->|Entrées/sortie optiques vers ADAT| B["External Audio System"]
C["DAT"] -->|Entrées/sorties numériques vers l'enregistreur DAT| B
D["Sorties analogiques"] -->|Entrees analogiques| B
E["Périphérique d'effets numériques (réglé sur synchronisation externe)| F[External Audio System"]
G["Retours sur bande ou entrées"] --> F
H["Instruments connectés à la console"] --> F
I["Amplificateur de puissance et haut-parleurs"] --> F
Figure 9. Configuration de studio classique utilisant une interface d'E/S 192 avec connexions à une console de mixage
Exemple d'installation d'un studio sans console de mixage

flowchart
graph TD
A["Micro, préamplificateur, boîtier direct, synthétiseur"] --> B["Entrées analogiques"]
C["Drainer"] --> B
D["Drainer"] --> E["Sorties analogiques"]
F["Drainer"] --> G["Sorties analogiques"]
H["Drainer"] --> I["Amplificateur de puissance et haut-parleurs"]
J["Drainer"] --> K["Périphériques d'effets"]
L["Drainer"] --> M["Périphériques d'effets numériques vers l'enregistreur DAT"]
N["Drainer"] --> O["Entrée/sortie optiques vers ADAT"]
P["Drainer"] --> Q["Entrée/sortie optiques vers l'enregistreur DAT"]
R["Drainer"] --> S["Entrée/sortie optiques vers ADAT"]
T["Drainer"] --> U["Périphérique d'effets numériques (réglé sur synchronisation externe)"]
V["Drainer"] --> W["Drainer"]
Figure 10. Configuration de studio classique utilisant une interface d'E/S 96 sans console de mixage
192 I/O
L'interface d'E/S 192 possède deux connecteurs DB-25 pour deux ensembles comportant chacun huit entrées, à +4 dBu et à -10 dBV.
Il n'y a pas de sorties -10 dBV. Les sorties analogiques proviennent cependant d'une seule sortie DB-25 avec des niveaux de fonctionnement de +4 dBu.

Lorsque vous acheminez des lignes asymétriques vers la carte de sortie de l'interface d'E/S 192, les terminaux négatifs (-) doivent rester déconnectés. Si ce n'est pas le cas, vous risquez d'obtenir des sorties bruyantes.
L'interface d'E/S 192 requiert un câble serpent DB-25. D'ailleurs, Digidesign vend plusieurs câbles DigiSnake DB-25. Pour plus d'informations, contactez Digidesign ou votre revendeur.
192 Digital I/O
L'interface d'E/S 192 numérique possède deux connecteurs DB-25 pour deux ensembles comportant chacun huit entrées et sorties AES/EBU ou TDIF, ainsi qu'une paire de ports optiques ADAT.
L'interface d'E/S numérique 192 requiert un câble serpent DB-25. D'ailleurs, Digidesign vend plusieurs câbles DigiSnake (DB-25). Pour plus d'informations, contactez Digidesign ou votre revendeur.
96 I/O
Les connecteurs audio analogiques de l'interface d'E/S 96 sont de type TRS ^1/4 de pouce avec la broche TIP reliée au plus (+), RING au moins ( - ) et SLEEVE à la masse. Si vous effectuez des connexions sur des charges asymétriques, utilisez des câbles asymétriques TS.
Il existe une rangée de huit entrées (commutables par contrôle logiciel de façon linéaire entre les niveaux de ligne +4 dBu et -10 dBV).
Il existe une rangée de huit sorties (qui utilisent des niveaux de ligne de +4 dBu).
Interface d'E/S 96i :
Les connecteurs audio analogiques de l'interface d'E/S 96i sont de type TRS ^1/4 de pouce avec la broche TIP reliée au plus (+), RING au moins ( - ) et SLEEVE à la masse. Si vous effectuez des connexions sur des charges asymétriques, utilisez des câbles asymétriques TS.
L'interface d'E/S 96i fournit 16 entrées et 2 sorties. Les entrées 1 à 4 présentent une sensibilité d'entrée variable, sur plusieurs niveaux, contrôlable depuis Pro Tools (de -12 dBV à +4 dBu). Les entrées 5 à 16 offrent deux niveaux de fonctionnement fixes (défini sur -8 dBV ou sur +4 dBu).
Vous pouvez définir les sorties 1 et 2 sur des valeurs comprises entre -10 dBV et +4 dBu.
Connexion des équipements à des entrées et des sorties audio numériques
Chaque interface audio Pro Tools|HD est dotée d'au moins une option numérique AES/EBU, S/PDIF ou optique (ADAT). L'interface d'E/S 192 contient des ports AES/EBU et optiques supplémentaires, un connecteur TDIF, des câbles doubles pour la transmission de signaux AES/EBU à 192 kHz ainsi que des convertisseurs de fréquences d'échantillonnage. L'interface d'E/S 96i fournit deux canaux de S/PDIF uniquement. Pour obtenir des informations détaillées, reportez-vous à la documentation fournie avec votre interface audio.
L'exemple suivant fournit des instructions sur la connexion de Pro Tools à un enregistreur DAT.
Pour connecter votre système Pro Tools à un enregistreur DAT :
1 Connectez la sortie AES/EBU ou S/PDIF de votre interface audio Pro Tools|HD à l'entrée AES/EBU ou S/PDIF de votre machine DAT. Par défaut, ce port est affecté aux sorties Pro Tools 1 et 2.
2 Connectez l'entrée AES/EBU ou S/PDIF de votre interface audio à la sortie AES/EBU ou S/PDIF de votre machine DAT. Acheminez l'entrée numérique vers les entrées Pro Tools dans la boîte de dialogue Hardware Setup.

Vous pouvez acheminer n'importe quelle paire d'entrée ou de sortie physique vers tout canal d'entrée et de sortie dans la console de mixage Pro Tools. Les interfaces d'E/S 96i ne prennent pas en charge l'affectation des entrées. Pour plus d'informations, consultez le Guide de référence Pro Tools.
Connexion à des unités d'effets
Les interfaces d'E/S 192, d'E/S numérique 192 et d'E/S 96 permettent de connecter des unités d'effets analogiques ou numériques au système Pro Tools, puis de les utiliser en tant qu'inserts ou destination des départs et retours d'effets. L'interface d'E/S 96i prend en charge une seule paire d'inserts matériels utilisant les canaux 1 et 2. Pour plus d'informations, consultez le Guide de l'interface d'E/S 96i.
Chaque canal audio peut bénéficier de cinq inserts. Chaque insert peut être un insert matériel (ou un plug-in logiciel) mono ou stéréo.
Lors de l'utilisation d'un insert matériel, vous devez connecter le périphérique aux entrées et sorties appropriées de votre système. Par exemple, un insert stéréo peut utiliser les sorties 7-8 et les entrées 7-8 pour les départs et les retours, respectivement. L'acheminement des entrées et des sorties physiques de l'interface vers les entrées et sorties de Pro Tools peut se faire dans la boîte de dialogue Hardware Setup ou dans la boîte de dialogue I/O Setup. Vous pouvez également définir des inserts à partir de la boîte de dialogue I/O Setup et les affecter aux canaux de l'interface audio. Pour plus d'informations, consultez le Guide de référence Pro Tools.
Vous pouvez également connecter des unités d'effets à votre système en utilisant n'importe quelle entrée ou sortie analogique ou numérique en tant qu'entrée ou sortie auxiliaire pour les départs et les retours d'effets. L'unité d'effets connectée de cette façon, vous pouvez transférer une quantité variable de sons vers l'unité d'effets, via ces sorties, à l'aide d'un départ dans Pro Tools.
Les dix commandes de départ séparées de chaque piste Pro Tools permettent de transférer de l'audio vers les sorties disponibles connectées à votre système, via l'un des 128 bus internes de la console TDM de Pro Tools. Vous pouvez à nouveau basculer les sorties en entrées auxiliaires pour un mixage ou un traitement automatique.
Lorsque vous utilisez un effet dans cette configuration de départ et de retour, assurez-vous que le mixage interne de l'unité ou l'équilibre entre les signaux de type "direct" (non traité) et "wet" (traité) est tel que seul le signal traité est renvoyé vers Pro Tools. Dans la plupart des unités d'effets, il convient de régler l'équilibre sur 100 % (complètement "wet").
Si vous avez utilisé une unité d'effets lors de l'installation d'un instrument, par exemple un rack d'effets de guitare, l'équilibre se situera en dessous de 50 %. Si l'unité est dotée de boutons de niveau de types dry et effet séparés, désactivez l'option dry. Dans le cas contraire, le signal "dry" non traité sera présent à la sortie de l'effet, avec le son traité, et vous aurez des difficultés à contrôler avec précision l'équilibre de l'effet dans votre mixage final.
Connexion numérique d'unités d'effets
Pour utiliser les entrées et les sorties de votre interface audio en tant que départs et retours d'effets vers un périphérique d'effets numériques, définissez votre interface sur Internal dans la boîte de dialogue Hardware Setup (sauf si elle est déjà synchronisée avec une autre source d'horloge ou un autre périphérique). Configurez les périphériques d'effets numériques de manière à ce qu'ils acceptent une horloge numérique externe et
puissent être synchronisés avec Pro Tools. Vérifiez que vous réglez la paire de canaux sur l'entrée numérique dans la boîte de dialogue Hardware Setup (ou I/O Setup).
Connexion des périphériques MIDI
L'ajout d'une interface compatible MIDI à votre système vous permettra de tirer parti de toutes les fonctions MIDI de Pro Tools, fonctions d'enregistrement et d'édition de pistes MIDI, et fonctions de synchronisation avec le timecode ou l'horloge MIDI comprises.
Les interfaces MIDI USB fonctionnent correctement avec les systèmes Pro Tools sous Windows et Mac. Les interfaces série MIDI sont prises en charge sur les systèmes Windows uniquement.
Seules les interfaces MIDI USB sont compatibles avec les systèmes Pro Tools sur Mac OS X. Les adaptateurs de port modem-série et les périphériques MIDI ne sont pas pris en charge.
Pour plus d'informations sur l'identification de périphériques MIDI externes connectés à l'interface MIDI pour une utilisation avec Pro Tools, reportez-vous à l'annexe C, Configuration de MIDI Studio Setup (Windows uniquement) ou à l'annexe D, Configuration d'AMS (Mac OS X uniquement).
Pour connecter des périphériques MIDI à votre système :
1 Branchez l'interface MIDI à votre ordinateur en suivant les instructions figurant dans la documentation de votre interface MIDI.
2 Installez tout pilote MIDI requis par l'interface MIDI. Après avoir installé l'interface MIDI (logiciel et matériel), assurez-vous que l'ensemble fonctionne correctement en réalisant les procédures figurant dans la documentation qui l'accompagne.
3 Connectez la sortie MIDI de votre dispositif MIDI à l'entrée MIDI de votre interface MIDI.
4 Connectez l'entrée MIDI de votre dispositif MIDI à la sortie MIDI de votre interface MIDI.
Connexion des périphériques de synchronisation SMPTE
Si vous envisagez d'effectuer une synchronisation SMPTE entre Pro Tools et des périphériques externes, assurez-vous que votre système est bien connecté. Pour plus d'informations sur SMPTE et la synchronisation, reportez-vous au Guide de référence Pro Tools ou au Guide SYNC HD.
Périphériques SYNC Digidesign
Les périphériques SYNC Digidesign fournissent toutes les fonctions et connexions requises pour effectuer la synchronisation sur divers périphériques avec Pro Tools|HD.
Les périphériques SYNC Digidesign prennent en charge toutes les fréquences d'échantillonnage Pro Tools et se basent sur les normes principales de timecode et de référence d'horloge des productions audio, vidéo, cinématographiques et multimédia pour leur synchronisation.
Les périphériques SYNC s'intègrent dans la configuration Loop Sync d'un système Pro Tools|HD, permettant ainsi d'effectuer des synchronisations à verrouillage extrêmement rapide, d'une précision proche de celle de l'échantillonnage, et de fournir une horloge à variation faible. Ces fonctions permettent de bénéficier d'une qualité professionnelle et d'une fidélité audio optimale dans des conditions de synchronisation les plus diverses.

Pour plus informations, reportez-vous au Guide SYNC HD.
Connexion des surfaces de contrôle Ethernet
Si l'ordinateur est relié directement (par opposition à une connexion réseau) à D-Control®, D-Command®, ProControl™ ou Control|24™ via un port Ethernet ou une carte PCI ou PCIe Ethernet intégré(e), l'adresse TCP/IP doit être définie manuellement. Les paramètres manuels par défaut sont appropriés à la plupart des configurations. Utilisez DHCP uniquement si l'ordinateur est connecté à un réseau exécutant les services correspondants.
annexe a
Connexion des disques SCSI
Les disques durs SCSI sont des supports d'enregistrement pris en charge par les systèmes Pro Tools|HD sous Windows et Mac.
Bien que Pro Tools autorise l'enregistrement sur votre disque dur système, cela est généralement déconseillé. Les disques durs système fournissent parfois des performances d'enregistrement et de lecture inférieures à celles fournies par les lecteurs non système, ce qui se traduit par un nombre inférieur de pistes et de plug-in.
L'enregistrement sur votre disque système risque d'utiliser tout l'espace disponible sur votre disque dur, ce qui peut altérer la stabilité et les performances du système pour toutes les applications incluses dans Pro Tools.
Pour obtenir les dernières informations sur la configuration du disque dur requise et d'autres recommandations, visitez le site Web de Digidesign (www.digidesign.com).
Configuration SCSI requise
Digidesign recommande l'utilisation de disques durs SCSI agréés et d'une carte d'adaptateur de bus hôte SCSI (HBA) agréée ou d'un connecteur HBA SCSI intégré sur la carte mère agréé (systèmes Windows).
Pour obtenir la liste des disques durs SCSI et des cartes HBA SCSI agréés, visitez le site Web de Digidesign (www.digidesign.com).
A Le logiciel RAID n'est pas pris en charge pour les lecteurs audio.
Câbles SCSI
Pour améliorer la fiabilité du système, utilisez des câbles SCSI plus courts. Le tableau 1 fournit des instructions concernant la longueur maximale de câble requise selon le type de disque SCSI.
Dans le tableau ci-dessous, la longueur maximale de câble inclut tous les câbles de la chaîne et pas uniquement les connexions point à point.
Tableau 1. Longueur maximale de câble et nombre de disques pris en charge selon le type de disque SCSI
| Type SCSI et débit | Longueur de câble maxlmale | Nombre maximum de lecteurs |
| Fast SCSI 10 Mo/s | 3 mètres 8 | |
| Wide SCSI 20 Mo/s | 3 mètres 16 | |
| Ultra SCSI 20 Mo/s 8 bits (narrow) | 3 mètres 5 | |
| Ultra SCSI 40 Mo/s 16 bits (wide) | 3 mètres 5 | |
| Ultra SCSI 20 Mo/s 8 bits (narrow) | 1,5 mètres 6-8 | |
| Ultra SCSI 40 Mo/s 16 bits (wide) | 1,5 mètres 6-8 | |
| Ultra1 SCSI Technologie LVD 160 Mo/s | 12 mètres 16 |
Tableau 1. Longueur maximale de câble et nombre de disques pris en charge selon le type de disque SCSI
| Type SCSI et débit | Longueur de câble maximale | Nombre maximum de lecteurs |
| Ultra2 SCSI Technologie LVD 80 Mo/s | 12 mètres 16 | |
| Ultra3 SCSI Technologie LVD 320 Mo/s | 12 mètres 16 |
Répartition des données audio sur plusieurs disques
Pour optimiser les résultats d'enregistrement et de lecture, évitez d'enregistrer et de lire tous les fichiers audio sur le même disque. Utilisez plutôt les fonctions d'allocation de disque de Pro Tools pour répartir les fichiers audio sur les divers disques. Pour plus de renseignements, consultez le Guide de référence Pro Tools.
Séparation des fichiers vidéo et audio
Si vous travaillez sur des séquences QuickTime, les fichiers vidéo et audio doivent résider sur des bus SCSI différents. Si certains fichiers audio résident sur des disques connectés à la carte HBA SCSI, les données vidéo doivent résider sur des disques connectés à un bus SCSI différent.
Cartes HBA SCSI à deux canaux
Si vous utilisez une carte HBA SCSI à deux canaux, répartissez une quantité égale de fichiers audio sur les disques connectés aux deux bus de la carte pour optimiser les performances.
Si vous utilisez des fichiers vidéo, répartissez-les sur un bus et les fichiers audio sur l'autre bus.
Connexion des disques SCSI
Pour connecter un disque SCSI externe :
1 Mettez l'ordinateur et le disque dur hors tension.
2 Reliez le câble SCSI du port SCSI du disque dur au port SCSI de la carte HBA SCSI ou de l'ordinateur.
3 Assurez-vous que les connecteurs du câble sont correctement reliés au disque dur et à l'ordinateur.
4 Connectez les disques supplémentaires bout à bout. Assurez-vous que les câbles ne dépassent pas la longueur maximale (voir tableau 1).
5 Vérifiez que le dernier périphérique SCSI de la chaîne a été correctement terminé. (Pour plus d'informations, reportez-vous à la section "Terminaison SCSI", page 84.)
6 Vérifiez que chaque périphérique SCSI possède un ID unique.
L'ID SCSI 7 est réservé à l'ordinateur hôte. Ne l'utilisez pas pour les périphériques SCSI.
7 Branchez les câbles d'alimentation sur les disques durs.

text_image
Carte HBA SCSI Vers disque SCSIConnexion d'un câble SCSI à une carte HBA SCSI

Connexion d'un disque dur SCSI externe
Terminaison SCSI
La chaîne SCSI de l'ordinateur doit être correctement terminée pour que le système fonctionne correctement. Seul le dernier périphérique de la chaîne doit être terminé à l'aide du type de terminaison recommandé par le fabricant du disque dur.
Le disque doit utiliser un terminateur externe ou les terminateurs internes doivent être activés. Si vous utilisez un terminateur, Digidesign vous recommande d'acheter et d'utiliser un terminateur actif.
A Veuillez ne pas activer la terminaison interne et installer un terminateur externe sur le même disque, car ceci entraîne des erreurs SCSI. Pour plus d'informations concernant le type de terminaison utilisé, consultez la documentation sur le disque dur.
annexe b
Configuration et maintenance du disque dur
Il est recommandé de démarrer avec un disque audio externe ou secondaire interne venant d'être formaté. Il est également conseillé de défragmenter périodiquement le lecteur audio pour garantir des performances stables.

Avant de formater le lecteur, effectuez une sauvegarde des données importantes qu'il contient, car toutes les données seront supprimées.
Enregistrement déconseillé sur le lecteur système
Il n'est pas recommandé de réaliser des enregistrements sur le lecteur du système. En effet, les performances d'enregistrement et de lecture sur un lecteur système sont amoindries, ce qui se traduit par un nombre inférieur de pistes et de plug-in.
Formats et types de disques durs pris en charge
Formats des disques durs
Windows : les systèmes Windows doivent utiliser des disques au format NTFS exclusivement.

Les systèmes Windows prennent aussi en charge les disques durs formatés avec le système HFS+ (aussi appelés Mac OS étendu). Pour plus d'informations, reportez-vous au Guide de référence Pro Tools.
Mac : les systèmes Mac doivent utiliser des disques durs formatés avec le système de fichiers HFS ou HFS+ uniquement.

Les disques durs HFS peuvent être utilisés comme disques de transfert uniquement.
Les performances du disque dur dépendent de facteurs tels que la configuration du système, le nombre de pistes, la fréquence d'échantillonnage de la session, le nombre de points d'édition et l'utilisation de crossfades et autres processus tels que le Beat Detective dans une session.
Pour connaître toutes les exigences en matière de disques durs, reportez-vous au site Web de Digidesign (www.digidesign.com/compatibility).
Disques durs SCSI
Digidesign recommande l'utilisation de disques durs SCSI agréés et d'une carte d'adaptateur de bus hôte SCSI (HBA) agréée ou d'un connecteur HBA SCSI intégré sur la carte mère agréé (systèmes Windows).

Pour plus d'informations, reportez-vous au annexe A, Connexion des disques SCSI..
Pour plus d'informations sur les disques SCSI (nombre de pistes, nombre de disques pris en charge, configuration), reportez-vous au site Web de Digidesign (www.digidesign.com/compatibility).
Disques durs FireWire
Digidesign recommande l'utilisation de disques durs FireWire agréés pour tous les systèmes. Les systèmes sans ports Fire Wire devront de préférence être équipés d'adaptateurs hôtes Fire Wire agréés par Digidesign.
Pour plus d'informations sur les disques FireWire (nombre de pistes, nombre de disques pris en charge, configuration), reportez-vous au site Web de Digidesign (www.digidesign.com).
Disques durs IDE/ATA/SATA
Vous pouvez utiliser un lecteur IDE/ATA/SATA interne en tant que lecteur audio dédié.
Pour plus d'informations sur le nombre de pistes disponibles avec des lecteurs internes, visitez le site Web de Digidesign ( www.digidesign.com).

Les disques durs IDE/ATA/SATA fournissent un nombre limité de pistes et ne sont pas pris en charge en cas d'utilisation d'un châssis d'extension. Pour plus d'informations sur les procédures relatives au châssis d'extension, consultez le Guide des systèmes étendus fourni avec votre système Pro Tools.
Formatage d'un lecteur audio
Formatage des lecteurs audio Windows
Pour des performances optimales, les disques audio doivent être au format NTFS.
Pour formater un lecteur audio :
1 Cliquez avec le bouton droit de la souris sur Poste de travail (Windows XP) ou Ordinateur (Windows Vista) et sélectionnez Gérer.
2 Sous Stockage, sélectionnez Gestion des disques.

Fenêtre de gestion des disques
3 Si le volume est sain, effectuez la procédure suivante :

Les volumes sains sont des volumes déjà partitionnés et formatés.
- Dans la fenêtre de gestion des disques, cliquez avec le bouton droit de la souris sur le disque dur que vous utiliserez pour l'audio et choisissez Formater.
- Dans la fenêtre Format, nommez le volume.
- Sélectionnez un système de fichiers. Pour des performances optimales, les lecteurs audio doivent être au format NTFS.
- Sélectionnez "Effectuer un formatage rapide".
- Vérifiez que l'option "Activer la compression des fichiers et dossiers" n'est pas sélectionnée.
- Définissez la taille d'unité d'allocation sur la valeur par défaut.
- Cliquez sur OK.

Pro Tools prend uniquement en charge les lecteurs de base. Ne convertissez pas le lecteur en lecteur de type dynamique.
4 Si le volume n'est pas alloué, effectuez la procédure suivante :
- Dans la fenêtre de gestion des disques, cliquez avec le bouton droit de la souris sur le disque dur que vous utiliserez pour l'audio et choisissez Nouvelle partition.
- Dans la fenêtre Assistant Création d'une nouvelle partition, cliquez sur Suivant.
- A l'invite, sélectionnez le type de partition.

Digidesign recommande d'utiliser des partitions principales plutôt que des partitions étendues.
- Suivez les instructions à l'écran pour sélectionner une taille et définir les autres paramètres de la nouvelle partition.
- A l'invite, sélectionnez un système de fichiers. Pour des performances optimales, les lecteurs audio doivent être au format NTFS.
- Sélectionnez "Effectuer un formatage rapide".
- Vérifiez que l'option "Activer la compression des fichiers et dossiers" n'est pas sélectionnée.
- Définissez la taille d'unité d'allocation sur la valeur par défaut.
- Cliquez sur OK.

Pro Tools prend uniquement en charge les lecteurs de base. Ne convertissez pas le lecteur en lecteur de type dynamique.
Formatage des lecteurs audio Mac
Pour des performances optimales, les lecteurs audio doivent être au format Mac OS Extended (Journaled).
Pour formater un lecteur audio :
1 Dans le dossier Applications/Utilitaires, démarrez le logiciel Utilitaire de disque.

Utilitaire de disque (Mac OS X)
2 Cliquez sur l'onglet Effacer.
3 Dans la colonne à gauche de la fenêtre, sélectionnez le lecteur à initialiser.
4 Choisissez Mac OS Extended (Journaled).
A Ne sélectionnez pas l'option de sensibilité à la casse, car Pro Tools ne fonctionnerait pas correctement.
5 Tapez le nom du nouveau volume.
6 Si vous envisagez de connecter le lecteur à un ordinateur équipé du système d'exploitation Mac OS 9, sélectionnez Installer les pilotes Mac OS 9.
7 Cliquez sur Effacer.
Le lecteur intitulé du nom du nouveau volume s'affiche sur le bureau.
Partition des disques
Le partitionnement entraîne la création d'un ou plusieurs volumes logiques sur un lecteur physique, selon une procédure comparable à la création de disques durs virtuels. Ces partitions peuvent alors être formatées avec le système de fichiers (NTFS pour Windows, HFS+ pour Mac).
Le système de fichiers NTFS permet de considérer les disques comme des volumes entiers. La taille d'un fichier audio individuel Pro Tools ne peut excéder 3,4 Go.
Le système Mac OS permet aux disques d'une capacité supérieure à 4 096 Mo d'être considérés comme des volumes entiers. Vous devez initialiser les disques à l'aide d'un utilitaire de disque pouvant détecter une limite de 2 téraoctets. La taille d'un fichier audio individuel Pro Tools ne peut excéder 3,4 Go.
Temps de recherche sur disques partitionnés
Les temps de recherche sont en réalité plus rapides sur les disques partitionnés (à condition que les opérations de lecture et d'écriture soient réalisées sur une seule partition), car les têtes limitent leur recherche à la partition, au lieu de l'étendre à l'intégralité du disque dur.
L'utilisation de partitions de petite taille permet d'améliorer les performances du système, au détriment de l'espace de stockage, qui lui, est beaucoup plus réduit. Lors du partitionnement d'un disque, il est nécessaire de rechercher un compromis répondant à vos besoins en matière de performance et de stockage.
Au cours d'une session, évitez de répartir des fichiers audio sur plusieurs partitions d'un même disque, car cela risque d'avoir une incidence négative sur les performances du disque.
Défragmentation d'un lecteur audio
Systèmes Mac
Lorsque vous travaillez sur des fichiers volumineux (par exemple des fichiers vidéo), vous pouvez limiter la fragmentation en sauvegardant les fichiers importants sur un autre disque, en effaçant le contenu du disque dur, puis en copiant de nouveau les fichiers (plutôt que d'effectuer une défragmentation).
Systèmes Windows
Pensez à défragmenter régulièrement les lecteurs audio afin de stabiliser les performances du système.
Pour optimiser l'efficacité de l'enregistrement et de la lecture, les données doivent être écrites sur le disque dur de manière contiguë. Ceci permet de réduire le temps d'accès aux données à lire. Un ordinateur ne peut malheureusement pas toujours procéder au stockage de fichiers audio de cette manière. Les données sont écrites sur le disque à l'endroit où de l'espace libre est disponible.
Lors d'un enregistrement multipiste, les pistes audio sont écrites sur des fichiers répartis à intervalles réguliers sur le disque. Même si les fichiers individuels ne sont pas fragmentés, il est possible que les pistes soient trop espacées, ce qui augmente considérablement le temps d'accès aux données. En outre, l'espace disque disponible restant n'est pas contigu, ce qui multiplie les chances d'une fragmentation des fichiers lors des transmissions d'enregistrements suivantes.
Une fragmentation accrue multiplie également les risques d'erreurs au niveau du disque, ce qui peut entraver la lecture des données audio et provoquer des erreurs de fonctionnement.
Sur un PC, pour éviter toute fragmentation, formatez les disques possédant des clusters de grande taille (32 Ko par exemple).
Optimisation (défragmentation) des disques durs
Pour éviter toute fragmentation, vous pouvez optimiser le disque dur et ainsi stocker les fichiers de façon contiguë. La plupart des logiciels d'optimisation permettent d'exécuter une vérification sur un disque, afin de déterminer le pourcentage de fragmentation. Si le disque présente les signes d'une fragmentation modérée ou accentuée, il est conseillé de l'optimiser.
Si vous utilisez le système pour la réalisation de nombreuses éditions ou si vous supprimez régulièrement des fichiers audio ou de fondu de votre disque dur, vous risquez de devoir défragmenter les disques une fois, voire deux fois par semaine, car la fragmentation des disques durs, même de grande taille, prend peu de temps.
Sauvegarde des données avant optimisation
Les fichiers du disque dur étant réécrits lors de l'optimisation, réalisez toujours une copie de sauvegarde de ces données avant de défragmenter le disque dur. Vous devez également vous servir d'un utilitaire de disque dur pour localiser et résoudre tout problème avant l'optimisation des données ou la réinitialisation de vos disques. Si les répertoires du disque dur sont endommagés avant la défragmentation, vous risquez de perdre un grand volume de données.
Défragmentation des lecteurs audio Windows
Pour défragmenter un lecteur audio :
1 Cliquez avec le bouton droit de la souris sur Poste de travail (Windows XP) ou Ordinateur (Windows Vista) et sélectionnez Gérer.
2 Sous Stockage, sélectionnez Défragmenteur de disque.
3 Dans la fenêtre de défragmentation de disque, sélectionnez le lecteur que vous souhaitez défragmenter.
4 Cliquez sur Défragmenter et suivez les instructions à l'écran.
Lorsque la défragmentation est terminée, fermez la fenêtre Gestion de l'ordinateur.
Utilisation de disques Mac sur des systèmes Windows
Pro Tools pour Windows permet d'enregistrer et de lire des sessions directement à partir d'un disque formaté Mac (HFS+) connecté à un système Windows. Cette fonctionnalité nécessite que l'ensemble des sessions Mac et fichiers audio soient stockés sur des disques formatés Mac.
Au cours de l'installation de Pro Tools, veillez à sélectionner l'option Mac HFS+ Disk Support. Elle permet au système Pro Tools de lire, d'écrire, d'enregistrer et de relire des données à partir de disques au format Mac HFS+.

Pour plus d'informations sur le partage de sessions entre les systèmes Mac et Windows, consultez le Guide de référence de Pro Tools.
Formatage et maintenance de disques HFS+
Pour formater et partitionner un disque HFS+, connectez les disques à un ordinateur Mac et ouvrez l'utilitaire de disque d' Apple OS X.
Espace de stockage du disque dur
Les pistes audio mono enregistrées en résolution 16 bits à 44,1 kHz (qualité CD) nécessitent environ 5 Mo d'espace disque par minute. Les mêmes pistes enregistrées en résolution 24 bits requièrent environ 7,5 Mo par minute.
Les pistes audio stéréo enregistrées en résolution 16 bits à 44,1 kHz (qualité CD) nécessitent environ 10 Mo d'espace disque par minute. Les mêmes pistes enregistrées en résolution 24 bits requièrent environ 15 Mo par minute.
Le tableau 2 indique la quantité d'espace disque nécessaire en fonction du nombre et de la durée des pistes.
Tableau 2. Espace disque requis pour les pistes audio (exemples de sessions à 44,1 kHz et 48 kHz)
| Nombre de pistes et durée 16 bits à 44,1 kHz | 16 bits à 48 kHz | 24 bits à 44,1 kHz | 24 bits à 48 kHz | |
| 1 piste mono, 1 minute 5 Mo 5,5 Mo | 7,5 Mo 8,2 Mo | |||
| 1 piste stéréo (ou deux pistes mono), 5 minutes | 50 Mo 55 Mo | 75 Mo 83 Mo | ||
| 1 piste stéréo (ou deux pistes mono), 60 minutes | 600 Mo 662 | Mo 900 Mo 991 Mo | ||
| 24 pistes mono, 5 minutes 600 Mo | 662 Mo 900 Mo 991 Mo | |||
| 24 pistes mono, 60 minutes 7 Go 7,8 | Go 10,5 Go 11,6 | Go | ||
| 32 pistes mono, 5 minutes | 800 Mo | 883 Mo | 1,2 Go | 1,3 Go |
| 32 pistes mono, 60 minutes | 9,4 Go | 10,4 Go | 14 Go | 15,4 Go |
Configuration de MIDI Studio Setup (Windows uniquement)
MIDI Studio Setup
MIDI Studio Setup (MSS) permet de configurer les contrôleurs MIDI et les générateurs de son connectés au système. Il permet également de contrôler l'acheminement des données MIDI entre le matériel MIDI et Pro Tools.
MSS détecte automatiquement les interfaces MIDI et vous permet de personnaliser les noms de chaque port MIDI dans le document MIDI Studio Setup.
MSS prend également en charge les noms de fichier patch au format XML dans le cadre du stockage et de l'importation des noms de patch de vos périphériques MIDI externes.
Vous pouvez importer et exporter l'ensemble des configurations MIDI Studio Setup créées dans MSS.
Fenêtre MIDI Studio Setup
La fenêtre MIDI Studio Setup est organisée en trois sections. Les commandes d'affichage se trouvent dans la partie supérieure de la fenêtre. A gauche, une liste répertorie le nom de tous les instruments que vous avez définis. Enfin, à droite, la section Properties affiche les détails des paramètres MIDI.

text_image
Instrument Create Delete Setup Import Export Show Duplicate Emulated Outputs Name Properties E-ase Proteus 1 Grou Proteus 1 Roland D-50 Roland D-50 Kuizwell K2000VX 1 Kunzwell K2000A Instrument Name: Kuizwell K2000VX 1 Manufacturer: Kuizwell Model: K2000VX Input Port: Digikesign MCI 10 Port 1 Output Port: Digikesign MCI 10 Port 1 Send Channels: 1 2 3 4 5 6 7 8 9 10 11 12 13 14 15 16 Receive Channels: 1 2 3 4 5 6 7 8 9 10 11 12 13 14 15 16Fenêtre MIDI Studio Setup
Commandes d'interface
Create : ajoute le nom d'un instrument à la liste.
Delete : supprime de la liste le nom des instruments sélectionnés.
Import : permet d'importer un fichier MIDI Studio Setup existant.
Export : permet d'exporter un fichier MIDI Studio Setup existant.
Show Duplicate Emulated Outputs : si votre interface MIDI prend en charge le marquage temporel (E/S MIDI par exemple), sélectionnez cette option pour afficher dans la fenêtre MIDI Studio Setup, outre les ports MIDI du système Mbox 2, les ports de sortie horodatés DirectMusic ainsi que les ports de sortie émulés dupliqués sans horodatage.
Dans certains cas, vous devez quitter et relancer Pro Tools pour que les interfaces MIDI puissent charger ou décharger correctement leurs pilotes. Pour plus d'informations, consultez la documentation de votre interface MIDI.
Liste des instruments
La liste des instruments répertorie tous les instruments que vous avez définis. Sélectionnez un instrument pour afficher ses propriétés dans la section Properties de la fenêtre.
Section Properties
Dans cette section, vous pouvez modifier les informations relatives aux nouveaux instruments ou aux instruments sélectionnés dans la liste des instruments.

text_image
Properties Instrument Name: Protous Manufacturer: E-mu Model: None Input Port: Dig idesign MID IIO 1 Port 1 Output Port: Dig idesign MID IIO 1 Port 1 Send Channels: 1 2 3 4 5 6 7 8 9 10 11 12 13 14 15 16 Receive Channels: 1 2 3 4 5 6 7 8 9 10 11 12 13 14 15 16Section Properties de la fenêtre MIDI Studio Setup
L'affichage de la section Properties se modifie et indique les propriétés de l'instrument sélectionné dans la liste des instruments, si celui-ci a été défini précédemment.
Pour définir un instrument avec MIDI Studio Setup :
1 Sélectionnez Setup > MIDI > MIDI Studio.
2 Cliquez sur Create.
3 Dans le champ Instrument Name, tapez le nom de l'instrument, puis appuyez sur la touche Entrée.

Si vous n'entrez pas le nom de l'instrument, le champ hérite automatiquement des informations contenues dans les menus contextuels Manufacturer et Model.
4 Indiquez le fabricant et le modèle du nouveau périphérique dans les menus contextuels correspondants. Si le fabricant et le modèle de votre périphérique ne s'y trouvent pas, choisissez None (aucun).
5 Dans le menu contextuel Input, sélectionnez le port d'entrée de l'interface MIDI connectée au port de sortie MIDI de l'instrument.
6 Dans le menu contextuel Output, sélectionnez le port de sortie de l'interface MIDI connectée au port d'entrée MIDI de l'instrument.
7 Activez les canaux MIDI requis (1 à 16) pour les options Send Channel et Receive Channel, qui déterminent respectivement les canaux d'envoi et de réception MIDI.
Champ Instrument Name
Le nom de l'instrument actuellement sélectionné apparaît dans le champ Instrument Name. Ce nom est défini par l'utilisateur.
Manufacturer
Ce menu contextuel contient la liste des fabricants de matériel MIDI, issue des fichiers de périphériques MIDI au format XML.

Pour plus d'informations, reportez-vous à la section "Prise en charge de noms de patch MIDI", page 96.
Menu déroulant Model
Ce menu contextuel contient la liste de périphériques MIDI regroupés par fabricant. Cette liste est issue des fichiers de périphériques MIDI au format XML contenus dans l'installation Pro Tools.

Pour plus d'informations, reportez-vous à la section "Prise en charge de noms de patch MIDI", page 96.
Menu déroulant Input Port
Le menu contextuel Input Port contient la liste des ports d'entrée disponibles de l'interface MIDI. Ce menu permet de définir et d'afficher le port de l'interface MIDI par lequel les données MIDI sont envoyées, du périphérique MIDI externe spécifié dans le champ Instrument Name vers l'interface MIDI.

Si vous choisissez la valeur None pour le port d'entrée, l'instrument défini n'apparaîtra pas dans le sélecteur d'entrée MIDI.
Output Port
Le menu contextuel Output Port contient la liste des ports de sortie disponibles de l'interface MIDI. Ce menu permet de définir et d'afficher le port par lequel les données MIDI sont envoyées, de l'interface MIDI vers le périphérique MIDI spécifié dans le champ Instrument Name.

Si vous choisissez la valeur None pour le port de sortie, l'instrument défini n'apparaîtra pas dans le sélecteur de sortie MIDI.
La grille Send Channels définit les canaux d'envoi pour les périphériques MIDI spécifiés dans le champ Instrument Name.
La grille Receive Channels définit les canaux de réception pour les périphériques MIDI spécifiés dans le champ Instrument Name.
Prise en charge de noms de patch MIDI
Pro Tools est compatible avec le langage XML (Extensible Markup Language) pour l'archivage et l'importation des noms de patch des périphériques MIDI externes. Pro Tools installe les fichiers .midnam des noms de patch d'usine par défaut de nombreux périphériques MIDI standard. Ces fichiers résident dans des répertoires, triés par fabricant, sous Program Files\ Common Files\Digidesign\MIDI Patch Names\ Digidesign.
Pour importer des noms de patch MIDI dans Pro Tools :
1 Notez le nom du périphérique MIDI, indiqué dans la fenêtre MIDI Studio Setup (voir "MIDI Studio Setup", page 93).
2 Vérifiez si la sortie de la piste d'instrument ou de la piste MIDI est correctement attribuée au périphérique MIDI.
3 Cliquez sur le bouton de sélection des patches de la piste d'instrument ou de la piste MIDI.

text_image
MIDI 1 regions none auto readBouton Patch Select
Bouton Patch Select, fenêtre Edit

text_image
vol 127 MIDI 1Bouton Patch Select
Bouton de sélection des patches, fenêtre Mix
4 Dans la boîte de dialogue Patch Select, cliquez sur Change.

Boîte de dialogue Patch Select
5 Dans la boîte de dialogue Open, accédez au nom du fabricant sous Program Files\Common Files\Digidesign\MIDI Patch Names\Digidesign\
6 Cliquez sur Open.
La liste des noms de patch s'inscrit dans la boîte de dialogue Patch Select et le menu contextuel Patch Name Bank s'affiche dans le coin supérieur gauche de la fenêtre.

text_image
MIDI 1 Node: Programs Patch: Controller ID: 0 Controller 32 Bank: Programs 00 Name Special FX1 Dark World Bigg Stand Bunny Feet Showe Path Harmonic Syn Blue Color Kissus Power Base & Synth Hill Strings Beyond FX1 Sox/Tambore Inception Obesity In Charles Krody's Time Apoen/Blom Movie Frame Rip Pad Big Country Risikia Risikia Risikia Risikia Risikia Risikia Risikia Risikia Risikia Risikia Risikia Risikia Risikia Risikia Risikia Risikia Risikia Risikia Risikia Risikia Risikial Path Oraa, Brass SloosyBox Mood Box Holling" Holling" Holling" Holling" Holling" Holling" Holling" Holling" Holling" Holling" Holling" Holling" Holling" Holling" Holling" Holling" Holling" Holling" Holling" Holling" Holling" Holling" Holling" Holling" Holling" Holling Tilang Tilang Tilang Tilang Tilang Tilang Tilang Tilang Tilang Tilang Tilang Tilang Tilang Tilang Tilang Tilang Tilang Tilang Tilang Tilang Tilang Tilang Tilang Tilang Tilang Tiluang Tiluang Tiluang Tiluang Tiluang Tiluang Tiluang Tiluang Tiluang Tiluang Tiluang Tiluang Tiluang Tiluang Tiluang Tiluang Tiluang Tiluang Tiluang Tiluang Tiluang Tiluang Tiluang Tiluang Tiluang Tiluang Tiluang Tiluang Tiluang Tiluang Tiluang Tiluang Tiluang Tiluang Tiluang Tiluang Tiluang Tiluang Tiluang Tiluang Tiluang Tiluang Tiluang Tiluang Tiluang Tiluang Tiluang Tiluang Tiluang Tiluang Ttiliangdum- Pakaralam- Pakaralam- Pakaralam- Pakaralam- Pakaralam- Pakaralam- Pakaralam- Pakaralam- Pakaralam- Pakaralam- Pakaralam- Pakaralam- Pakaralam- Pakaralam- Pakaralam- Pakaralam- Pakaralam- Pakasian- Pakasian- Pakasian- Pakasian- Pakasian- Pakasian- Pakasian- Pakasian- Pakasian- Pakasian- Pakasian- Pakasian- Pakasian- Pakasian- Pakasian- Pakasian- Pakasian- Pakasian- Pakasian- Pakasian- Pakasan- Pakasian- Pakasian- Pakasian- Pakasian- Pakasian- Pakasian- Pakasian- Pakasian- Pakasian- Pakasian- Pakasian- Pakasian- Pakasian- Pakasian- Pakasian- Pakasian- Pakasian- Pakasian- Pakasian- Pakasiana- Pakasiana- Pakasiana- Pakasiana- Pakasiana- Pakasiana- Pakasiana- Pakasiana- Pakasiana- Pakasiana- Pakasiana- Pakasiana- Pakasiana- Pakasiana- Pakasiana- Pakasiana- Pakasiana- Pakasiana- Pakasiana- Pakasiana- Pakasian- Pakasian- Pakasian- Pakasian- Pakasian- Pakasian- Pakasian- Pakasian- Pakasian- Pakasian- Pakasian- Pakasian- Pakasian- Pakasian- Pakasian- Pakasian- Pukasiana- Pukasiana- Pukasiana- Pukasiana- Pukasiana- Pukasiana- Pukasiana- Pukasiana- Pukasiana- Pukasiana- Pukasiana- Pukasiana- Pukasiana- Pukasiana- Pukasiana- Pukasiana- Pukasiana- Pukasiana- Pukasiana- Pukasiana- Pukasian- Pukasian- Pukasian- Pukasian- Pukasian- Pukasian- Pukasian- Pukasian- Pukasian- Pukasian- Pukasian- Pukasian- Pukasian- Pukasian- Pukasian- Pukasian- Pukasian- Pukasian- Pukasiana- Pukasiana- Pukasiana- Pukasiana- Pukasiana- Pukasiana- Pukasiana- Pukasiana- Pukasiana- Pukasiana- Pukasiana- Pukasiana- Pukasiana- Post Pupkast: Post Pupkast: Post Pupkast: Post Pupkast: Post Pupkast: Post Pupkast: Post Pupkast: Post Pupkast: Post Pupkast: Post Pupkast: Post Pupkast: Post Pupkast: Post Pupkast: Post Pupkast: Post Pupkast: Post Pupkast: Post Pupkast: Post Puppust: Post Puppust: Post Puppust: Post Puppust: Post Puppust: Post Puppust: Post Puppust: Post Puppust: Post Puppust: Post Puppust: Post Puppust: Post Puppust: Post Puppust: Post Puppust: Post Puppust: Post Puppust: Post Puppust: Post Pufiunl. Post Pufiunl. Post Pufiunl. Post Pufiunl. Post Pufiunl. Post Pufiunl. Post Pufiunl. Post Pufiunl. Post Pufiunl. Post Pufiunl. Post Pufiunl. Post Pufiunl. Post Pufiunl. Post Pufiunl. Post Pufiunl. Post Tiliunl. Post Tiliunl. Post Tiliunl. Post Tiliunl. Post Tiliunl. Post Tiliunl. Post Tiliunl. Post Tiliunl. Post Tiliunl. Post Tiliunl. Post Tiliunl. Post Tiliunl. Post Tiliunl. Post Tiliunl. Post Tiliunl. Post Tiliunl. Post Tiliunl. Pastonuuln; Pastonuuln; Pastonuuln; Pastonuuln; Pastonuuln; Pastonuuln; Pastonuuln; Pastonuuln; Pastonuuln; Pastonuuln; Pastonuuln; Pastonuuln; Pastonuuln; Pastonuuln; Pastonuuln; Pastonuuln; Pastonuuln; Pastonuoln; Pastonuuln; Pastonuuln; Pastonuuln; Pastonuuln; Pastonuuln; Pastonuuln; Pastonuuln; Pastonuuln; Pastonuuln; Pastonuuln; Pastonuuln; Pastonuuln; Pastonuuln; Pastonuuln; Pastonuuln; Pastonuuln; Pastoneurinl. Pastoneurinl. Pastoneurinl. Pastoneurinl. Pastoneurinl. Pastoneurinl. Pastoneurinl. Pastoneurinl. Pastoneurinl. Pastoneurinl. Pastoneurinl. Pastoneurinl. Pastoneurinl. Pastoneurinl. Pastoneurinl. Pastoneurinl. Pastoneurinl. PastoneurineoioioioioioioioioioioioioioioioioioioioioioioioioioioioioioioioioioioioioioioioioioioioioioioioioioioioioioioioioioioioioioioioioioioioioioioioioioioioioioioioioioioioioioioioioioioioioioioioioioioioioieoiiiiiiiiiiiiiiiiiiiiiiiiiiiiiiiiiiiiiiiiiiiiiiiiiiiiiiiiiiiiiiiiiiiiiiiiiiiiiiiiiiiiiiiiiiiiiiiiiiiiiiiiiiiiiiiiiiiiiiiiiiiiiiiiiiiiiiiiiiiiiiiiiiiiiiiiiiiiiiiiiiiiiiiiiiiiiiiiiiiiiiiiiiiiiiiiiiiiiiiiiiiiiiiiiiiiiiiiiiiiiiiiiiiiiiiiiiiiiiiiiiiiiiiiiiiiiiiiiiiiiiiiiiiiiiiiiiiiiiiiiiiiiiiiiiiiiiiiiiiiiiiiiiiiiiiiiiiiiiiiiiiiiiiiiiiiiiiiiiiiiiiiiiiiiiiiiiiiiiiiiiiiiiiiiiiiiiiiiiiiiiiiiiiiiiiiiiiiiiiiiiiiiiiiiiiiiiiiiiiiiiiiiiiiiiiiiiiiiiiicccBoîte de dialogue Patch Select contenant les noms de patches
Une fois les noms de patch importés dans Pro Tools, vous pouvez les utiliser pour ce périphérique MIDI dans toutes les sessions.
Pour effacer des noms de patch :
■ Dans la boîte de dialogue Patch Select, cliquez sur Clear, puis sur Done.

Vous pouvez modifier les fichiers .midnam dans un éditeur de texte. Vous pouvez également créer vos propres noms de patch à l'aide d'éditeurs ou de bibliothèques de noms de patch tiers.
annexe d
Configuration d'AMS (Mac OS X uniquement)
Audio MIDI Setup
Pro Tools identifie les ports de l'interface MIDI comme des ports génériques. Sous Mac OS X, utilisez l'utilitaire Audio MIDI Setup (AMS) d'Apple pour identifier les périphériques externes connectés à votre interface MIDI et configurez votre studio MIDI pour l'utiliser avec Pro Tools.

Pour des performances optimales, ne modifiez pas la configuration AMS en cours de lecture dans Pro Tools. Arrêtez le transport Pro Tools avant de lancer AMS.
Pour configurer votre studio MIDI dans AMS :
1 Effectuez l'une des opérations suivantes :
- Lancez Audio MIDI Setup (qui se trouve dans le répertoire Applications/Utilities).
-ou-
- Dans Pro Tools, sélectionnez Setup > MIDI > MIDI Studio.
2 Cliquez sur l'onglet MIDI Devices. AMS parcourt le système à la recherche d'interfaces MIDI connectées. Si l'interface MIDI est correctement connectée, elle s'affiche avec chacun de ses ports numérotés.

text_image
Audio MIDI Setup Audio Devices MIDI Devices Default View User Size Configuration Add Devices Remove Devices Show info Reset MIDX Test setup MIDI I/O 3Boîte de dialogue Audio MIDI Setup (onglet MIDI Devices)
3 Pour tous les périphériques MIDI connectés à l'interface MIDI, cliquez sur Ajouter périphérique. L'icône du périphérique externe s'affiche avec l'image du clavier MIDI par défaut.
4 Faites glisser l'icône du nouveau périphérique vers l'emplacement de votre choix dans la fenêtre.
5 Connectez le périphérique MIDI à l'interface MIDI en cliquant sur la flèche correspondant au port de sortie de périphérique approprié et en faisant glisser la connexion (câble) vers la flèche d'entrée du port correspondant de l'interface MIDI.

text_image
Audio MIDI Setup Audio Devices MIDI Devices Default View Size Configuration Add Device Remove Device View info Remove MIDI Test Setup MIDI I/O 1 MK-461CConnexion des entrées et sorties MIDI
6 Cliquez sur la flèche correspondant au port d'entrée de périphérique approprié et faites glisser le câble vers la flèche correspondant au port de sortie de l'interface MIDI.

Pour supprimer une connexion, sélectionnez le câble et appuyez sur la touche de suppression.
7 Répétez les étapes 3 à 6 pour chaque périphérique MIDI à ajouter à la configuration MIDI.
Pour configurer un périphérique MIDI externe :
1 Sélectionnez l'icône de périphérique externe et cliquez sur Afficher infos (ou cliquez deux fois sur l'icône correspondant au nouveau périphérique).

Icône de périphérique externe
2 Sélectionnez le fabricant et le modèle du nouveau périphérique dans les menus déroulants correspondants. Si le fabricant et le modèle de votre périphérique ne se trouvent pas dans les menus déroulants correspondants, vous pouvez saisir vous-même un nom.

Attribution d'un nom à un nouveau périphérique MIDI

Les noms de fabricant et de modèle sont quant à eux contenus dans un ou plusieurs fichiers .middev qui se trouvent dans le répertoire Root/Library Audio/MIDI Devices. Pro Tools installe un fichier Legacy Devices List.middev qui contient des informations sur de nombreux périphériques MIDI disponibles à la vente. Si les noms de fabricant et de modèle d'un périphérique externe MIDI ne sont pas disponibles dans les menus contextuels AMS Manufacturer et Model, vous pouvez les ajouter en modifiant le fichier .middev dans un éditeur de texte, tel que TextEdit).
3 Cliquez sur la flèche de l'option More Information pour ouvrir la boîte de dialogue, puis activez les canaux MIDI appropriés (1 à 16) pour les options Transmits et Receives. Cette opération détermine les canaux qui seront utilisés pour envoyer et recevoir des données MIDI.

text_image
MK-461C Properties Device Name: MK-461C Manufacturer: M-Audio Model: MK-461C Open Icon Browser Less Information ▲ Properties Ports Transmits Channels (max 16) 1 2 3 4 5 6 7 8 9 10 11 12 13 14 15 16 MIDI Beat Clock MIDI Time Code Receives... Channels (max 1) 1 2 3 4 5 6 7 8 9 10 11 12 13 14 15 16 MIDI Beat Clock MIDI Time Code Features... General MIDI MIDI Machine Control System Exclusive ID: Revert ApplyActivation de canaux MIDI
4 Cliquez sur l'image du périphérique. La fenêtre s'agrandit pour afficher des images correspondant aux divers périphériques MIDI (tels que les claviers, les modules, les interfaces et les consoles de mixage). Sélectionnez une icône pour votre périphérique.

Sélection d'une icône de périphérique
Pour utiliser vos icônes personnalisées, vous pouvez placer des fichiers image TIFF dans le répertoire /Library/ Audio/MIDI Devices/Generic/Images. Vous pouvez ensuite les sélectionner dans la fenêtre du périphérique AMS.
5 Sélectionnez une image de périphérique, puis cliquez sur Apply.
6 Fermez la fenêtre AMS pour quitter l'application AMS.
Les noms de périphériques que vous saisissez peuvent ensuite être sélectionnés comme entrée ou sortie MIDI dans Pro Tools.
Prise en charge de noms de patch MIDI
Pro Tools est compatible avec le langage XML (Extensible Markup Language) pour l'archivage et l'importation des noms de patch des périphériques MIDI externes. Pro Tools installe les fichiers .midnam des noms de patch d'usine par défaut de nombreux périphériques MIDI standard. Ces fichiers se trouvent dans des répertoires, triés par fabricant, dans /Library/Audio/MIDI Patch Names/Digidesign.
Pour Importer des noms de patch MIDI dans Pro Tools :
1 Notez le nom du périphérique MIDI, indiqué dans la fenêtre Audio MIDI Setup (voir "Audio MIDI Setup", page 99).
2 Vérifiez si la sortie de la piste d'instrument ou de la piste MIDI est correctement attribuée au périphérique MIDI.
3 Cliquez sur le bouton de sélection des patches de la piste d'instrument ou de la piste MIDI.

text_image
MIDI 1 regions none auto read Bouton Patch SelectBouton Patch Select, fenêtre Edit

text_image
vol 127 MIDI 1 Bouton Patch SelectBouton de sélection des patches, fenêtre Mix
Guide d'installation Pro Tools|HD102
4 Dans la boîte de dialogue Patch Select, cliquez sur Change.

text_image
MIDI 1 Mode: Patch Controller 0 Controller 32 Bats: Now 9 13 25 33 40 59 69 79 89 99 109 119 0 10 20 30 40 50 68 70 89 90 100 110 120 1 11 21 31 41 51 61 71 81 91 101 111 121 2 12 22 32 42 52 62 72 82 92 102 112 122 3 13 23 33 43 53 63 73 83 93 103 113 123 4 14 24 34 44 54 64 74 84 94 104 114 124 5 15 25 35 45 55 65 75 85 95 105 115 125 6 16 26 36 46 56 66 76 86 96 106 116 126 7 17 27 37 47 57 67 77 87 97 107 117 127 8 18 28 38 48 58 68 78 88 98 108 118 Patch name file: None Increment Patch Entry Change... Clear Cancel Done Bouton ChangeBoîte de dialogue Patch Select
5 La boîte de dialogue Open s'ouvre, vous permettant d'accéder au nom du fabricant dans /Library/Audio/MIDI Patch Names/ Digidesign/
6 Cliquez sur Open.
La liste des noms de patch s'inscrit dans la boîte de dialogue Patch Select et le menu contextuel Patch Name Bank s'affiche dans le coin supérieur gauche de la fenêtre.
Une fois les noms de patch importés dans Pro Tools, vous pouvez les utiliser pour ce périphérique MIDI dans toutes les sessions.
Pour effacer des noms de patch :
■ Dans la boîte de dialogue Patch Select, cliquez sur Clear, puis sur Done.
Vous pouvez modifier les fichiers .midnam dans un éditeur de texte. Vous pouvez également créer vos propres noms de patch à l'aide d'éditeurs ou de bibliothèques de noms de patch tiers.
Retards de mixage inhérents au traitement DSP
Cette annexe offre un aperçu des retards de console induits par le DSP et explique comment compenser ces retards pour améliorer l'alignement temporel et l'alignement des phases de vos données audio dans certaines étapes de mixage complexes ou critiques.
- Pour obtenir plus de renseignements quant aux retards induits par le DSP et à leur compensation, reportez-vous à la section "Introduction aux retards induits par le DSP", page 103.
- Pour plus d'informations sur la compensation automatique des retards avec Delay Compensation (Pro Tools HD uniquement), reportez-vous à la section "Utilisation de la compensation de retard", page 104.
- Pour plus de détails sur les retards inhérents au DSP, reportez-vous à la section "Facteurs de délai", page 111.
Introduction aux retards induits par le DSP
Dans tous les systèmes numériques, le traitement DSP occasionne des retards plus ou moins importants. Ces retards induits par le DSP varient de quelques microsecondes à quelques millisecondes selon le type de traitement ou d'acheminement que vous effectuez.

Il ne faut pas confondre les retards induits par le traitement des signaux avec la latence d'écoute ou le traitement des effets de découpage temporel (tels que les retards, échos, réverbérations et autres effets de retard désirés).
Chaque plug-in, insert matériel et affectation de mixage sur une piste retarde cette piste d'une valeur égale au total des facteurs de retards induits par le DSP. Pour en savoir plus sur ces retards, reportez-vous à "Facteurs de délai", page 111.
Dans certains cas, les retards de traitement des signaux ne posent problème que si vous utilisez un plug-in TDM temps réel sur un seul des canaux d'un signal stéréo ou multicanal. En effet, le nombre de retards sur ce canal diffère alors du nombre de signaux, ce qui provoque l'annulation indésirable de certaines fréquences.

Le filtrage en peigne et la perte des hautes fréquences font partie des symptômes audibles relatifs aux problèmes de phase.
En résumé, les retards induits par le DSP peuvent entraîner des décalages lorsque les différentes sources audio arrivent à la sortie principale (ou à une sortie de prémixage). Pour conserver l'alignement temporel, vous pouvez compenser les retards induits par le DSP.
Quand faut-il compenser ?
En effet, peut-être aurez-vous besoin de procéder à la compensation des retards uniquement entre des pistes qui doivent rester en phase (par exemple, les instruments enregistrés avec plusieurs microphones ou paires stéréo). Si vous travaillez des signaux mono et que les retards accumulés sont faibles (quelques échantillons, par exemple), il ne sera probablement pas nécessaire de vous préoccuper de la compensation des retards.
Les sessions de taille plus élevée avec un plus grand nombre de voix et de pistes, plusieurs plug-in et/ou des acheminements vers la console complexes peuvent cependant être nettement simplifiées lorsque les retards induits par le DSP sont compensés pour conserver un alignement temporel dont la phase est cohérente.
Dans toute session, si vous désirez conserver un alignement temporel absolu pour l'ensemble des pistes, il est recommandé de toujours compenser les retards de traitement des signaux. La compensation de retard doit être activée lors de la lecture et du mixage pour permettre une synchronisation correcte des sorties de la totalité des pistes.
Lors de l'enregistrement, la compensation de retard doit en général être désactivée (voir "Ecoute à latence réduite lors de l'enregistrement", page 109).
Utilisation de la compensation de retard
Pro Tools propose automatiquement la compensation de retard pour la gestion des retards DSP à partir d'inserts plug-in et matériels, ainsi que les acheminements vers la console (utilisation des bus et départs). Lorsque la fonction est activée, Pro Tools préserve l'alignement temporel avec phase cohérente entre les pistes dont les plug-in présentent des différences au niveau du retard inhérent au DSP, les pistes comportant des chemins de mixage différents, les pistes interrompues et recombinées par l'intermédiaire de la console et les pistes comportant des inserts matériels.
Il est conseillé de toujours activer la compensation de retard lors de la lecture et du mixage pour conserver un alignement temporel avec une phase cohérente. La compensation de retard doit être utilisée pour la plupart des enregistrements.
Activation de la compensation de retard
Pour activer cette fonction, procédez comme suit :
■ Choisissez Options > Delay Compensation.
Lorsque la compensation de retard est activée, son indicateur d'état s'affiche dans la barre d'outils de la fenêtre.

text_image
0:30.068 Start 0:30.068 End 0:41.739 Length 0:11.671 Cursor 0:30.384 -2084384 DlyIndicateur de la compensation de retard
La vue de compensation de retard pour les pistes peut être affichée dans la fenêtre Mix (voir "Affichage de la compensation de retard", page 106).
Configuration du moteur de compensation de retard
Le montant de compensation de retard disponible pour votre session est défini dans Playback Engine. La fenêtre Session Setup affiche le montant total de retard dû aux inserts et aux acheminements vers la console pour l'ensemble de la session.
Il existe trois paramètres dans la boîte de dialogue Playback Engine permettant d'attribuer des ressources DSP à la fonction de compensation de retard :
None : n'attribue aucune ressource DSP en vue de la compensation de retard.
Short : attribue un nombre réduit de ressources DSP pour la compensation de retard de chaque canal. Il s'agit du paramètre le plus efficace pour les systèmes Pro Tools|HD Accel. Pour les sessions disposant d'un nombre peu élevé de plug-in qui n'entraînent pas de retard DSP excessif, ce paramètre devrait suffire.
Long : attribue un nombre maximal de ressources DSP pour la compensation de retard de chaque canal de console. Sélectionnez ce paramètre pour les sessions disposant d'un grand nombre de plug in entraînant beaucoup de retard DSP.
Pour configurer le moteur de compensation de retard, procédez comme suit :
1 Sélectionnez Setup > Playback Engine.
2 Dans le menu contextuel Delay Compensation Engine, sélectionnez un paramètre de compensation de retard.
3 Cliquez sur OK.
Les valeurs de retard peuvent être exprimées en échantillons ou en millisecondes, comme sélectionné avec le paramètre Delay Compensation Time Mode dans la page des préférences d'affichage.
Limite de compensation de retard
Dans le menu contextuel Delay Compensation Engine de la boîte de dialogue Playback Engine, la limite de compensation de retard est exprimée en échantillons. Il s'agit du montant maximal de compensation de retard disponible pour la session. Cette valeur est fonction de la fréquence d'échantillonnage de la session ainsi que de l'option Delay Compensation Engine sélectionnée.
Retard du système
Pro Tools ajoute la quantité de retard exacte nécessaire pour que le retard d'une piste donnée soit le même que le retard total du système. Le retard total du système est le retard le plus important relevé pour une piste, majoré du délai dû à l'acheminement vers la console.
Le retard système s'affiche dans la fenêtre Session Setup (Session > Setup). Référencez le retard système relevé afin de vérifier si vous approchez de la limite de compensation de retard.

text_image
0.0.0 Session Setup Format Sample Rate: 44.1 MHz Audio Format: A/FF Session Start: 00:00:00:00 Bit Depth: 24 bit Clock Source: WD MT = Optical (ADAT) 100 samples Hearing Time: Time Color Rate: 24 Face-Frames Rate: 24 Time Core 2: 30 SYNC Setup & Time Code Offsets Time Code Settings Retard systèmeRetard du système dans la fenêtre Session Setup
Affichage de la compensation de retard
La vue de compensation de retard indique, pour chaque piste, la quantité totale de retard de plug-in (TDM et RTAS) et d'insert matériel. Elle permet d'appliquer un décalage défini par l'utilisateur pour le retard de piste et elle affiche la quantité totale de retard appliquée par Pro Tools à chaque piste. La vue de compensation de retard peut être affichée ou masquée dans la fenêtre Mix.

text_image
vol -3.3 dyn keys dly 12 +/- 0 cmp 13 vol -5.0 dyn guit dly 11 +/- 0 cmp 14 vol -0.3 dyn bass dly 0 +/- 0 cmp 25 Indicateur de retard Indicateur de compensation de piste Champ du décalage défini par l'utilisateurAffichage de la compensation de retard
La vue de compensation de retard n'affiche que le retard d'insert pour chaque piste. Pour visionner le retard total du système, englobant les retards d'acheminements vers la console, reportez-vous à Retard du système dans la fenêtre Session Setup (voir "Retard du système", page 106).
Pour afficher les Informations de compensation de retard :
■ Sélectionnez View > Mix Window > Delay Compensation.
Indicateurs et champs de la vue de compensation de retard
Indicateur de retard (dly)
L'indicateur de retard (dly) relève le retard total au niveau des inserts de plug-in (TDM et RTAS) et des inserts matériels sur la piste.
Le rapport de l'indicateur de retard au moteur de compensation de retard de Pro Tools peut être désactivé lorsque la compensation de retard est activée. Cette désactivation est utile pour la synchronisation manuelle d'une piste lorsque le retard total d'une piste dépasse la limite de compensation de retard. Pour plus d'informations, reportez-vous à la section "Retard dépassant la limite de compensation", page 108.
La couleur indique le retard de piste comme suit :
Vert : indique que le relèvement de retard de piste est activé et que la piste ne dépasse pas le montant de retard de compensation disponible.
Orange : indique qu'il s'agit de la piste pour laquelle le retard au niveau des inserts de plug-in et des inserts matériels est le plus important de la session.
Rouge : indique que le montant de retard au niveau des inserts de plug-in et des inserts matériels dépasse le montant de retard de compensation disponible (voir "Retard dépassant la limite de compensation", page 108).
Gris : le relèvement de retard de piste est désactivé.
Champ du décalage défini par l'utilisateur (+/-)
Ce champ permet d'ajuster les retards de piste manuellement lorsque la compensation de retard est activée. Le décalage défini par l'utilisateur est ajouté au montant du retard appliqué par la compensation de piste ou en est soustrait. Il peut s'avérer utile dans les cas suivants :
- pour synchroniser manuellement une piste dans le cas où un plug-in renvoie un retard incorrect ;
- pour modifier le "feeling" de la synchronisation d'une piste.
La couleur des valeurs de ce champ signale l'état du décalage défini par l'utilisateur :
Blanc : indique que le décalage défini par l'utilisateur est activé pour la piste et que la valeur de ce décalage lui est appliquée.
Grls : indique que le décalage défini par l'utilisateur est désactivé pour la piste et que la valeur de ce décalage ne lui est pas appliquée.
Pour modifier le retard de piste à l'aide du champ - :
1 Dans la vue de compensation de retard, cliquez dans le champ du décalage défini par l'utilisateur (+/-).
2 Pour définir la valeur de retard (en échantillons ou en millisecondes selon vos préférences actuelles), procédez de l'une des manières suivantes :
- Entrez une valeur positive (avec ou sans le modificateur +) pour un retard positif (vers l'avant dans le temps), ou négative (avec le modificateur -) pour un retard négatif (vers l'arrière dans le temps).
- Faites glisser le curseur sur le champ +/- pour définir une nouvelle valeur. Pour affiner la résolution, appuyez sur la touche Commande (Mac) ou Ctrl (Windows) et faites glisser le curseur.
- Utilisez les flèches Haut et Bas pour augmenter ou réduire les valeurs numériques.
3 Appuyez sur Entrée.
Pour désactiver le retard défini par l'utilisateur :
- Cliquez dans le champ +/- tout en maintenant enfoncées les touches Pomme+Ctrl (Mac) ou Ctrl+Démarrer (Windows). Le retard défini par l'utilisateur apparaît alors grisé et n'est pas appliqué à la piste.
Indicateur de compensation de retard (cmp)
Cet indicateur affiche la valeur de compensation de retard que Pro Tools applique à chaque piste.
La couleur indique le montant de compensation de retard appliqué comme suit :
Vert : indique que la compensation est activée et que la piste ne dépasse pas la limite de compensation de retard. Le montant de compensation de retard affiché par l'indicateur est appliqué à la piste.
Bleu (pistes audio uniquement) : indique que la compensation de retard est activée de force sur la piste. Lorsque la piste est en mode d'enregistrement ou en mode TrackInput, la compensation de retard n'est pas suspendue et reste activée (voir "Annulation de la suspension de la compensation de retard", page 109).
Rouge : indique que le retard de piste dépasse le montant disponible de compensation de retard et aucune compensation de retard n'est appliquée à la piste (voir "Retard dépassant la limite de compensation", page 108).
Grls : indique que la compensation de retard de la piste est désactivée et aucun retard n'est appliqué à la piste.
Retard dépassant la limite de compensation
Lorsque le retard total d'une piste dépasse la quantité totale disponible de compensation de retard (sélectionnée dans la boîte de dialogue Playback Engine), aucune compensation de retard n'est appliquée à cette piste. L'audio éventuellement présent sur cette piste n'est plus synchronisé et devient hors phase. L'indicateur de compensation de retard et l'indicateur de compensation de piste s'affichent en rouge pour indiquer que le retard de piste dépasse la limite de compensation de retard. La compensation de retard maximale est appliquée au reste des pistes.
Vous pouvez toutefois compenser manuellement le retard de pistes dépassant la limite de compensation de retard.
Pour compenser un retard qui dépasse la limite de compensation, effectuez l'une des opérations suivantes :
- Si le paramètre Delay Compensation Engine du moteur de lecture est défini sur Short, modifiez-le pour qu'il soit défini sur Long.
-OU-
- S'il est déjà défini sur Long, effectuez l'une des opérations suivantes :
- Désactivez le retard rapporté pour la piste en cliquant sur l'indicateur de retard tout en maintenant enfoncées les touches Démarrer+Ctr (Windows) ou Pomme+Ctrl (Mac). L'information concernant la piste s'affiche en grisé une fois qu'elle est désactivée.
-et-
- Avancez manuellement toute donnée audio se trouvant à un point antérieur de la piste en fonction de la quantité de retard rapportée dans l'indicateur de la piste.
Ecoute à latence réduite lors de l'enregistrement
Lorsqu'une piste audio est prête à l'enregistrement (activée en enregistrement), avec TrackInput et DestructivePunch activés, ou possède un point d'entrée en enregistrement, sa compensation de retard est automatiquement interrompue et son indicateur de compensation affiche la valeur 0. Cela permet d'effectuer un contrôle à faible latence sur les sorties de ces pistes.
Les pistes qui ne sont pas activées en enregistrement appliquent tout de même la compensation de retard. Pro Tools compense automatiquement tout décalage de temps entre les matériaux enregistrés et le mixage avec compensation de retard. Lors de la lecture de la piste (avec l'activation en enregistrement et TrackInput désactivés), celle-ci est synchronisée correctement avec les autres pistes avec retard compensé.
Annulation de la suspension de la compensation de retard
Vous pouvez annuler la suspension automatique de la compensation de retard sur des pistes activées en enregistrement, mais cela risque d'entraîner une latence dans le chemin du signal en fonction de la quantité de compensation de retard. Cette latence peut être acceptable en fonction de la source d'enregistrement.

Pour certaines procédures de doublage, vous pouvez répercuter en cascade les enregistrements à partir de bus sur plusieurs pistes. Veillez dans ce cas à annuler la suspension automatique de la compensation de retard sur les pistes d'enregistrement.
Pour appliquer la compensation de retard aux pistes sur lesquelles elle a été Interrompue :
- Tout en maintenant enfoncées les touches Démarrer+Ctrl (Windows) ou Pomme+Ctrl (Mac), cliquez sur l'indicateur de compensation de piste. Le retard de piste est appliqué à la piste et l'indicateur de compensation de piste s'affiche en bleu.
Compensation de retard au niveau des entrées auxiliaires
La compensation de retard au niveau des entrées auxiliaires peut être ignorée pour vous permettre d'écouter les sources externes (comme les pistes audio d'un appareil vidéo asservi) à latence réduite, tout en relevant le retard de la piste.
Pour désactiver la compensation de retard d'une entrée auxillaire :
- Tout en maintenant enfoncées les touches Démarrer+Ctrl (Windows) ou Pomme+Ctrl (Mac), cliquez sur l'indicateur de compensation de piste. Le retard de piste porte la valeur 0 et apparaît grisé.
Compensation de retard pour un événement MIDI
Lorsque la compensation de retard est active, un événement MIDI enregistré de façon à sembler synchronisé avec des données à compensation de retard est en fait enregistré avec un décalage du retard total en vigueur.
Pour compenser, les événements MIDI sont reculés dans le temps d'un retard total de session suivant chaque passage d'enregistrement MIDI.
Enregistrement à latence réduite avec des instruments MIDI virtuels
Lorsqu'une piste MIDI ou d'instrument qui achemine des données MIDI vers un plug-in d'instrument est activée pour l'enregistrement, Pro Tools interrompt automatiquement la compensation de retard via les sorties principales de la piste audio, de l'entrée auxiliaire ou de la piste d'instrument dans lesquelles le plug-in d'instrument est inséré. Cela permet d'effectuer une écoute sans latence du plug-in d'instrument lors de l'enregistrement.

La compensation de retard des instruments MIDI virtuels ne fonctionne que lorsque toutes les connexions MIDI et audio sont réalisées dans Pro Tools. Pro Tools n'interrompt pas la compensation de retard lorsque vous utilisez ReWire pour connecter des synthétiseurs et des échantillonneurs dans d'autres applications client ReWire (telles que Reason). Il ne peut donc pas prendre en compte les latences survenant dans le client ReWire.
Plug-in de traitement MIDI et audio
Certains plug-in de traitement audio (tels que Bruno et Reso de Digidesign) et de nombreux plug-in d'instrument vous laissent traiter des données audio tout en permettant aux données MIDI de contrôler les paramètres de traitement. Lorsque vous activez pour l'enregistrement une piste MIDI ou d'instrument qui contrôle un plug-in de traitement audio, la piste sur laquelle le plug-in est inséré passe en mode à latence réduite, entraînant la lecture anticipée des données audio traitées. Les méthodes permettant d'éviter ce phénomène et de conserver la synchronisation des données audio dépendent du type de la piste sur laquelle le plug-in se trouve.
Pour que l'audio reste synchronisé durant l'enregistrement avec un plug-in commandé via MIDI sur une piste audio :
- Tout en maintenant enfoncées les touches Démarrer+Ctrl (Windows) ou Pomme+Ctrl (Mac), cliquez sur l'indicateur de compensation de piste de la piste audio pour appliquer la compensation de retard.
Pour que l'audio reste synchronisé durant l'enregistrement avec un plug-in commandé via MIDI sur une entrée auxiliaire :
1 Tout en maintenant enfoncées les touches Démarrer+Ctrl (Windows) ou Pomme+Ctrl (Mac), cliquez sur l'indicateur de compensation de piste de l'entrée auxiliaire pour désactiver la compensation de retard.
2 Entrez le retard système total dans le champ User Offset.
Configuration des mixages de retours avec compensation de retard
En présence d'une session Pro Tools utilisant différents inserts plug-in et acheminements vers la console, vous activerez probablement la compensation de retard. Pour enregistrer toutefois des enregistrements fractionnés avec un auteur-compositeur-interprète ("l'artiste"), vous devez configurer des mixages d'écoute (mixages casque ou de retours).
Utilisez les mixages de retours partant de bus vers le chemin de sortie audio pour permettre à l'artiste l'écoute sur casque. Outre le mixage principal, écouté dans la cabine de contrôle, transférez les départs de piste à au moins une piste de chemin de sortie audio pour l'écoute des mixages de détours. L'utilisation de départs vous permet de configurer différents mixages à partir du mixage principal pour l'écoute des mixages de détours. À l'enregistrement d'un guitariste par exemple, l'artiste souhaitera s'écouter dans le mixage de détours plus que vous ne souhaiterez l'écouter dans le mixage principal.
Exemple de configuration utilisant des départs pour mIxages de détours
1 Affectez la sortie principale de chaque piste aux sorties du mixage principal.
2 Assignez un départ (mono ou stéréo) à chaque piste et définissez les sorties des départs sur les chemins de sortie 3 et 4 de votre interface audio.
3 Activez le bouton FMP (Follow Main Pan) sur tous les départs de manière à ce que le mixage des détours possède le même panoramique que le mixage principal.
4 Définissez tous les départs sur gain unitaire et post-fader. Cela vous permet d'utiliser le même mixage pour l'artiste tout en vous permettant de renforcer (ou d'atténuer) le niveau du signal de l'artiste dans le mixage de détours en adaptant le niveau de départ.
5 Cliquez sur Track > New.
6 Indiquez le type de piste (Main Fader) et le format (stereo), puis cliquez sur Create.
7 Dans le sélecteur de chemin de sortie de la piste Master Fader, sélectionnez les chemins de sortie 3 et 4 pour écouter le mixage.
8 Réglez le fader de la piste Master Fader pour contrôler le volume global du mixage de détours.
Lorsque la fonction de compensation de retard est activée, il est recommandé de n'utiliser aucun insert sur les pistes d'entrée auxiliaire ou de fader principal auxquelles il est fait appel pour surveiller le volume des mixages de retours. Évitez également l'utilisation d'inserts sur les pistes d'enregistrement (certains inserts à faible latence peuvent être acceptables en fonction des préférences de l'artiste).
9 Répétez les étapes précédentes pour les mixages de détours additionnels des sorties supplémentaires sur votre interface audio, si nécessaire.
Facteurs de délai
Avec Pro Tools HD, un certain nombre de processus génèrent des retards :
- Prémixage de pistes Pour plus d'informations, reportez-vous à la section "Prémixage de pistes", page 112.
- Traitement en temps réel avec inserts de plug-in Pour plus d'informations, reportez-vous à la section "Utilisation d'inserts plug-in", page 112.
- Mixage et acheminement avec départs Pour plus d'informations, reportez-vous à la section "Utilisation des départs", page 112.
- Mixage et acheminement avec E/S matérielles, départs ou inserts (pour plus d'informations, voir "Utilisation d'inserts ou d'envois matériels", page 112.
Prémixage de pistes
Le prémixage de pistes occasionne du retard supplémentaire :
Prémixage sur bus : le transfert d'une piste vers une autre par l'intermédiaire d'un bus, suivi de l'enregistrement du résultat entraîne les retards suivants :
Retards de prémixage sur bus sur chaque système Pro Tools
| Console de mixage HD Delay | |
| Console de mixage stéréo 10 échantillons | |
| Console de mixage Surround 8 échantillons |
Lorsque la compensation de retard est activée, Pro Tools effectue une compensation automatique des retards sur bus.
Bounce to Disk : la commande File > Bounce To Disk ne génère aucun retard sur les systèmes Pro Tools|HD, qui intègrent une option de compensation de retard pour le prémixage. Cette forme de prémixage est préférable au prémixage sur bus. Pour plus d'informations, consultez le Guide de référence Pro Tools.
Utilisation d'inserts plug-in
L'utilisation d'inserts plug-in sur une piste risque d'entraîner un délai supplémentaire.

Pour plus de détails sur les quantités de retard pour les plug-in DigiRack ou Digidesign, reportez-vous au Guide des plug-in DigiRack ou au Guide des plug-in Digidesign.
L'activation de la compensation de retard permet à Pro Tools de compenser automatiquement les retards causés par les inserts de plug-in.
Utilisation des départs
Lorsque vous envoyez une piste sur une autre piste et que vous la renvoyez à une piste (audio, d'entrée auxiliaire, de fader principal), les retards suivants surviennent :
Retards des départs pour les systèmes Pro Tools|HD
| Console de mixage HD | Départs Delay | |
| Console de mixage stéréo | Départpré-fader vers le bus | 10 échantillons |
| Départpost-fader vers le bus | 8 échantillons | |
| Console de mixage Surround | Départpré-fader vers le bus | 8 échantillons |
| Départpost-fader vers le bus | 12 échantillons |
Les départs matériels occasionnent également des retards (voir ci-dessous).
Lorsque la compensation de retard est activée, Pro Tools effectue une compensation automatique des retards causés par les envois.
Utilisation d'inserts ou d'envois matériels
Lorsqu'une interface audio est utilisée sur un insert ou un départ, il se produit un retard résultant de la traversée d'une paire de convertisseurs N-A et A-N (sur les périphériques analogiques) ou d'une connexion d'E/S numérique (sur les périphériques numériques) sur l'interface audio.
Lorsque la compensation de retard est activée, Pro Tools effectue une compensation automatique de ces retards.
Pour compenser le retard (latence) des périphériques matériels externes (par exemple, une unité d'effets) utilisés en tant qu'inserts matériels dans la session, vous pouvez définir la valeur de compensation (en millisecondes) de chacun d'entre eux. Les commandes permettant de configurer les inserts matériels se trouvent dans la boîte de dialogue I/O Setup. Pour obtenir des informations supplémentaires, consultez le Guide de référence Pro Tools.
annexe f
Mixage TDM et utilisation de DSP
Avantages de TDM II
La technologie TDM de Digidesign (ou time division multiplexing) repose sur le concept d'une autoroute de données unique à haut débit ou d'un bus qui transmet des données entre le processeur Pro Tools, les cartes Pro Tools et les puces DSP des cartes.
Les cartes Pro Tools|HD intègrent l'architecture TDM II améliorée de Digidesign. L'architecture TDM II apporte de nombreux avantages par rapport à l'architecture TDM d'origine (ou TDM I) en termes de capacité de mixage et de flexibilité.
Sur les systèmes TDM, les canaux provenant de pistes enregistrées sur des pistes audio, des départs ou des bus sont transmis à partir de cartes son Pro Tools, puis combinés ou multiplexés sur le bus TDM pour que tous les signaux puissent être acheminés simultanément et être accessibles au sein d'une seule période d'échantillon. Côté réception, les cartes son surveillent toutes les connexions du bus et récupèrent les données requises.
Le bus TDM est suffisamment rapide pour héberger simultanément de nombreux signaux audio. Chaque signal ou flux audio occupe un seul Time Slot sur ce bus multiplexé.
L'une des fonctions les plus puissantes de l'architecture TDM est le fait qu'un seul Time Slot puisse être utilisé pour diffuser simultanément des données vers de nombreuses destinations.
La technologie TDM II permet non seulement d'envoyer simultanément des données à de nombreuses destinations, mais aussi d'envoyer des signaux de manière bidirectionnelle et privée entre les puces DSP, ce qui permet de disposer d'un nombre beaucoup plus grand de Time Slots. Le nombre de connexions potentielles pour l'acheminement, le traitement et le mixage des signaux audio dans Pro Tools est donc plus élevé.
TDM II
Les cartes Pro Tools bénéficiant de la technologie TDM II sont dotées d'un bus d'I/O TDM entre chaque puce DSP, possédant chacune jusqu'à 512 Time Slot bidirectionnels pour une fréquence d'échantillonnage de session de 44,1 ou 48 kHz (entre les DSP sur chaque carte et entre les DSP qui communiquent entre les cartes). Les puces DSP sont disposées en série, avec un bus d'I/O TDM connectant une puce à la puce qui suit. Ainsi, chaque connexion TDM II utilise uniquement les Time Slot entre les deux DSP connectées. Pour plus d'informations, reportez-vous à la section figure 11, page 116.
En considérant l'exemple ci-dessus, si une piste audio possède un insert de plug-in Reverb One, un Time Slot est utilisé entre la DSP Moteur (transmettant la piste audio) et la DSP avec l'instance Reverb One. Si l'insert Reverb One est traité par une puce DSP située à côté de la DSP gérant les tâches de mixage de traitement DSP, comme dans l'illustration ci-dessous, le Time Slot 2 reste utilisable par les DSP 3 à 9 et sur les cartes Pro Tools|HD suivantes.

flowchart
graph LR
A["Engine DSP 1"] -->|slot 1 used| B["Mixer DSP 2"]
B -->|slot 2 used| A
B -->|slot 1 free| C["ReverbOne DSP 3"]
C -->|slot 2 free| C
style A fill:#f9f,stroke:#333
style B fill:#f9f,stroke:#333
style C fill:#f9f,stroke:#333
La consommation maximale de Time Slot pour une seule connexion se produit lorsque les données audio doivent être acheminées entre la première et la dernière DSP du système. Dans ce cas, un Time Slot entre chaque DSP est utilisé pour atteindre la dernière DSP de la chaîne.
Un autre exemple de l'efficacité de l'architecture TDM II par rapport à TDM I est de la comparer à une carte HD Core dotée d'une puce Moteur et deux puces de console de mixage. La communication entre la deuxième console de mixage et les DSP chargées d'instances de plug-in associées à la première console n'est pas nécessaire ; par conséquent, le nombre de Time Slot déjà utilisé peut être réutilisé par la deuxième console de mixage pour communiquer avec d'autres DSP chargées de plug-in différents.

Figure 11. Bus TDM sur matériel Pro Tools | HD
Affectation de DSP
La fonction de traitement des signaux numériques (DSP) est l'un des éléments les plus puissants de votre système. Les puces DSP du système fournissent la puissance de traitement en temps réel requise par la console de mixage TDM et les plug-in. Le nombre de fonctions assurées simultanément par une puce DSP varie selon les systèmes. Conformez-vous aux directives de cette section pour exploiter au mieux la capacité DSP disponible.
Principes d'affectation de DSP
A l'instar de ce qui se produit en analogique, tout bus de départ ou de sortie de mixage utilisé implique la présence d'une console de sommation pour ce bus. Sur une console analogique, le nombre de ces bus de sommation est déterminé par la configuration physique de la console. Dans l'environnement de mixage Pro Tools, ce nombre varie en fonction du nombre de mixages de sortie ou de départs que vous choisissez de créer. Pro Tools attribue la puissance DSP requise pour la construction des consoles de mixage à chaque session.
Nous qualifierons certaines fonctions de mixage ou de traitement des signaux comme “utilisant un DSP” ou “utilisant deux DSP”. Ceci vient du fait qu’il y a 9 puces DSP sur une carte.
Chaque puce de la carte ne peut produire qu'un certain nombre de fonctions de traitement. Si vous disposez d'une seule carte Pro Tools|HD et que vous créez une console de mixage TDM de grande taille, sur laquelle vous utilisez beaucoup de départs ou de plug-in, vous risquez de saturer la capacité DSP de la carte.
Mixage et utilisation de DSP
Pro Tools crée une console de mixage TDM à chaque ouverture de session. Notez que le terme "voie de la console de mixage" s'applique aux pistes audio (y compris les pistes virtuelles) et aux pistes d'entrée auxiliaire ainsi qu'aux départs et aux retours faisant appel à l'un des 128 bus internes. Au-delà d'un certain nombre de voies de console, Pro Tools utilisera un autre DSP pour accroître la capacité de mixage.
Les pistes Master Fader n'utilisent pas de puissance DSP supplémentaire.
DSP Manager
Pro Tools inclut DSP Manager, composant logiciel d'optimisation de la capacité DSP sur les systèmes Pro Tools|HD.
Sur les systèmes équipés d'une carte Pro Tools|HD, si l'utilisation actuelle de DSP est proche de la capacité maximale de la carte et que vous tentez d'ajouter un canal de console ou d'affecter un plug-in, DSP Manager essaie automatiquement de faire de la place sur la carte Pro Tools|HD pour la nouvelle console ou le nouveau plug-in. Pour ce faire, il réattribue les ressources des consoles de mixage TDM et des plug-in, de façon à utiliser le plus efficacement possible la capacité DSP disponible sur la carte Pro Tools|HD.
Visualisation de l'utilisation DSP
La fenêtre System Usage permet de visualiser l'utilisation des ressources DSP. Grâce à ces indicateurs, vous pouvez essayer différentes configurations de mixage et organisations de plug-in, de départs et d'entrées auxiliaires afin d'optimiser l'utilisation de la puissance DSP disponible.
Pro Tools HD inclut également un cache de plug-in et de mixage pour les DSP alloués, lors de la fermeture et de l'ouverture de session. Cela n'a aucun effet sur le temps d'ouverture de la première session. Lorsque que vous avez ouvert Pro Tools une première fois, les ouvertures et les fermetures de session Pro Tools suivantes sont rapides, en particulier si vous utilisez la commande Revert To Saved ou si vous ouvrez des sessions configurées de façon similaire.
Tant que Pro Tools est en cours d'exécution, les DSP ne seront entièrement purgées que si vous ouvrez une session ayant une fréquence différente ou une session ayant des paramètres Playback Engine différents.
À propos de la bande passante de traitement
Les indicateurs de la fenêtre System Usage indiquent la quantité de puissance du système utilisée pour le traitement des sons et pour l'écriture et la lecture des données d'automation.
Lorsque ces indicateurs approchent de leurs limites, le traitement natif, l'enregistrement ou la lecture des données d'automation peuvent se voir altérés. Des erreurs système peuvent se produire en raison d'une activité intense du processeur ou de l'interface PCI. Si l'activité sur le disque est élevée, Pro Tools risque de manquer la lecture de certaines données d'automation au cours de périodes d'activité particulièrement denses, notamment en cas de recours à la commande Bounce to Disk.
Indicateurs d'activité du système
PCI : affiche le trafic du bus PCI.
CPU (RTAS) : affiche la capacité de traitement du processeur pour un traitement RTAS.
CPU (Elastic) : affiche la capacité de traitement pour les processus Elastic Audio en temps réel.
Disque : affiche la capacité de traitement du disque dur.
Indicateurs supplémentaires :
Voix TDM allouées : affiche le nombre total de voix of TDM pouvant être allouées et le nombre de voix actuellement allouées. Cela inclut toutes les voix, qu'elles aient été allouées explicitement ou dynamiquement, ainsi que toutes les voix utilisées pour l'acheminement du traitement RTAS.
Time Slots TDM utilisés : affiche le nombre total de Time Slots TDM disponibles et le nombre de Time Slots TDM actuellement utilisés.
DSP Usage (Accel Core, HD Core, HD Accel et HD Process) : affiche le pourcentage actuel d'utilisation de chaque puce DSM sur chaque carte ProTools|HD pour les configurations de mixage et les plug in TDM.
Activité du système
TDM
Cache DSP
Utilisation des ressources DSP
Fenêtre System Usage
Pour contrôler l'utilisation des ressources DSP au cours d'une session Pro Tools :
■ Sélectionnez Window > System Usage.
Cache DSP
Pro Tools HD inclut également un cache de plug-in et de mixage pour les DSP alloués, lors de la fermeture et de l'ouverture de session. Cela n'a aucun effet sur le temps d'ouverture de la première session. Lorsque que vous avez ouvert Pro Tools une première fois, les ouvertures et les fermetures de session Pro Tools suivantes sont rapides, en particulier si vous utilisez la commande Revert To Saved ou si vous ouvrez des sessions configurées de façon similaire.
Tant que Pro Tools est en cours d'exécution, les DSP ne seront entièrement purgées que si vous ouvrez une session ayant une fréquence différente ou une session ayant des paramètres Playback Engine différents.
Lorsque vous utilisez un cache DSP, il se peut que la fenêtre System Usage n'affiche pas les ressources DSP exactes utilisées au cours de la session. Pour afficher l'utilisation exacte des ressources DSP, vous pouvez soit désactiver la mise en mémoire cache DSP, soit purger le cache DSP.
Pour activer (ou désactiver) le cache DSP :
1 Ouvrez la fenêtre System Usage (Windows > System Usage).
2 Ouvrez le menu contextuel du cache DSP et sélectionnez (ou désélectionnez) Use DSP Cache.
Pour purger le cache DSP :
1 Ouvrez la fenêtre System Usage (Windows > System Usage).
2 Ouvrez le menu contextuel du cache DSP et sélectionnez (ou désélectionnez) Purge Cache. Le contenu de la fenêtre System Usage est actualisé.
Autre fonction permettant de mieux gérer la puissance DSP : la commutation Active/Inactive. Reportez-vous au Guide de référence Pro Tools pour de plus amples informations.
Configuration de sessions pour une utilisation efficace des DSP
L'environnement de mixage configurable dynamiquement de Pro Tools permet de choisir des options en fonction du type de configuration souhaité : le nombre d'entrées choisi pour la console, le nombre de plug-in à utiliser ou le nombre de départs requis.
Vous pouvez, par exemple, utiliser la totalité de la puissance DSP pour créer une console de grande taille, possédant des dizaines de voies, mais ce sera au détriment du nombre de bus, de départs ou de plug-in TDM. A l'inverse, vous pouvez également créer une console d'un nombre de voies plus réduit, mais dont chacune possédera plusieurs départs et plusieurs plug-in TDM, ainsi que les entrées auxiliaires nécessaires pour les retours effets.

Les plug-in RTAS (Real-Time AudioSuite) et AudioSuite n'utilisent pas de DSP et sont toujours disponibles. Pour en savoir plus, reportez-vous au Guide des plug-in DigiRack.
Vous pouvez configurer une session à partir d'un des modèles fournis avec votre système ou la créer entièrement. Si vous n'utilisez pas de modèle, il est conseillé de commencer par construire la console, l'un au moins des DSP du système étant automatiquement réservé au mixage. Créez les pistes audio, puis ajoutez les départs et les entrées auxiliaires avant d'ajouter les plug-in selon la capacité DSP disponible. Les pistes Master Fader n'utilisent pas de puissance DSP supplémentaire.
Utilisation des DSP et plug-in de la console de mixage
Concept de consoles de mixage
Les systèmes Pro Tools|HD sont fournis avec deux types de plug-in de console : Stéréo et Surround (disponibles tous les deux avec ou sans dithering). Ces plug-in sont utilisés par Pro Tools pour créer des consoles de mixage dynamiques, c'est-à-dire des consoles dont la taille peut augmenter ou diminuer en fonction de l'ajout ou de la suppression de canaux de mixage dans Pro Tools. Plus le nombre de canaux est élevé, plus la consommation de puissance DSP des dispositifs Pro Tools est importante. Ceci est différent des consoles de mixage matérielles où le dispositif (analogique ou numérique) crée des configurations de mixage figées composées d'un nombre fixe de sorties, bus ou départs principaux.
L'attribution de ressources DSP au mixage dans un système Pro Tools|HD repose sur le concept de consoles de mixage de sommation DSP. Tout bus de départ ou mixage de sortie utilisé requiert la présence d'une console de sommation pour ces signaux. Tout chemin de signal mixé requiert l'utilisation d'un plug-in de console (qu'il s'agisse d'une sortie principale connectée à un dispositif, à un bus ou à un départ). Ceci se vérifie également pour un signal distinct acheminé du disque dur vers une sortie matérielle individuelle. Ces consoles de mixage dynamiques sont créées en utilisant le plug-in de console TDM approprié (stéréo ou Surround) installé dans le dossier Plug-Ins.
Une entrée peut être une piste audio, un départ ou une connexion à un bus interne. L'ajout d'une sortie ou d'un chemin de bus (mono ou multicanal) requiert de la puissance DSP, afin de mixer les signaux.
Chaque carte Pro Tools|HD dispose de neuf DSP qui peuvent prendre en charge un certain nombre de tâches de traitement de signaux. Les ressources DSP sont attribuées dynamiquement à mesure de l'augmentation du nombre de consoles de mixage et d'entrées.
La console de mixage TDM constitue le bloc de base utilisé par des applications telles que Pro Tools pour créer une large gamme de configurations de mixage.
Mono et stéréo
Toutes les consoles de mixage TDM mono ou stéréo sont de dimension N x 2, ce qui signifie qu'elles mélangent un nombre variable d'entrées vers une paire de sorties. Par exemple : une session de six pistes assignées à la sortie 1-2 requiert une seule console de mixage 6 x 2. Toutefois, si l'une des six pistes est assignée à la sortie 3-4, deux consoles sont nécessaires : une console 5 x 2 assignée à la sortie 1-2 et une console 1 x 2 assignée à la sortie 3-4.
Surround multicanal
Les consoles de mixage Surround sont équipées d'un nombre variable de sorties et d'entrées. Par exemple, le format 7.1 nécessite huit sorties. Une piste mono unique attribuée à une sortie ou à un chemin de bus 7.1 nécessite une console de mixage 1 x 8 alors qu'une piste mono plus une piste stéréo requièrent une console 3 x 8.
Retenez que chaque sortie (qu'il s'agisse d'une sortie I/O ou de bus) nécessite qu'une console lui soit attribuée. Ainsi, la création d'un départ vers le bus 1 impose la création d'une console pour les sorties de bus 1-2 ; cette console sera dotée d'une sortie.
Mixage avec les départs et les bus
Chaque départ ajoute une entrée à la paire de sorties de destination. Par exemple, un départ vers la sortie 1 ajoute une autre entrée à la console de mixage de sortie 1-2. Si la destination du départ n'est pas encore dotée d'une console de mixage pour sa paire de sortie, une nouvelle console est créée. Un départ vers le bus 3 génère une console de mixage 1 x 2 pour le bus 3 si aucune autre source de bus 3 n'a encore été créée.
De plus, l'ajout d'une nouvelle piste et l'assignation de son entrée à une source de bus entraîne la création d'une console pour cette paire de bus, s'il n'en existe pas encore.
Par exemple, la création d'une piste d'entrée auxiliaire et l'affectation de son entrée au bus 5 crée une console 1 x 2 pour le bus 5, même si aucune source n'a été créée.
Prémixage
Lorsque le nombre de canaux à mixer dépasse la capacité d'une seule puce DSP, des consoles principales supplémentaires ainsi que des consoles de prémixage de sommation (qui additionnent les consoles principales) sont créées automatiquement. L'utilisation de consoles de prémixage permet de créer des configurations de mixage importantes.
Sur un système Pro Tools|HD, par exemple, lorsqu'une console de mixage stéréo fonctionnant à 44,1 kHz doit augmenter sa capacité pour atteindre plus de 68 entrées, une console de prémixage et une console principale sont créées pour fournir X entrées de plus que 68. La console 68 x 2 d'origine et la nouvelle console X x 2 offrant des entrées supplémentaires sont acheminées vers une console de prémixage et les sorties sont envoyées à la destination souhaitée, telle que la sortie 1–2 de l'interface audio principale.
Notez que les retards minimes (de l'ordre de quelques échantillons) créés restent égaux entre ces consoles de mixage principales, car ils sont cumulés par les consoles de prémixage et ne sont pas répercutés en cascade.
Le nombre total de pistes pouvant héberger des voix prises en charge par votre configuration Pro Tools détermine le nombre maximal de canaux de la console TDM.
Consoles de mixage et dispositif DSP
Il existe divers plug-in de mixage, utilisant différentes capacités de puissance DSP selon les cartes son (et leurs puces DSP), comme indiqué dans les tableaux suivants.

Pour plus d'informations, reportez-vous à la section "Plug-in de console de mixage", page 125.
Dans les systèmes Pro Tools|HD, le nombre de consoles de mixage par puce DSP dépend du type de carte et de la fréquence d'échantillonnage de la session.
Carte HD Accel (PCI ou PCIe), consoles de mixage standard
| Console de mixage | Fréquence d'échantillonnage (kHz) | Utilisation par puce |
| Stéréo 44,1 et 48 | 124 x 2 | |
| 88,2 et 96 54 x 2 | ||
| 176,4 et 192 16 x 2 | ||
| Surround, 5.1 44,1 et 48 46 x 6 | ||
| 88,2 et 96 34 x 6 | ||
| 176,4 et 192 8 x 6 | ||
| Surround, 7.1 44,1 et 48 34 x 8 | ||
| 88,2 et 96 25 x 8 | ||
| 176,4 et 192 4 x 8 | ||
Carte HD Accel (PCI ou PCIe), consoles de mixage avec dithering
| Console de mixage | Fréquence d'échantillonnage (kHz) | Utilisation par puce |
| Stéréo avec dithering | 44,1 et 48 113 x | 2 |
| 88,2 et 96 54 x 2 | ||
| 176,4 et 192 16 x 2 | ||
| Surround avec dithering, 5.1 | 44,1 et 48 44 x 6 | |
| 88,2 et 96 27 x 6 | ||
| 176,4 et 192 8 x 6 | ||
| Surround avec dithering, 7.1 | 44,1 et 48 34 x 8 | |
| 88,2 et 96 20 x 8 | ||
| 176,4 et 192 4 x 8 |
Carte HD (PCI), consoles de mixage standard par défaut
| Console de mixage | Fréquence d'échantillonnage (kHz) | Utilisation par puce |
| Stéréo | 44.1, 48 | 68 x 2 |
| 88.2, 96 | 44 x 2 | |
| 176.4, 192 | 16 x 2 | |
| Surround, 5.1 | 44.1, 48 | 22 x 6 |
| 88.2, 96 | 12 x 6 | |
| 176.4, 192 | 4 x 6 | |
| Surround, 7.1 | 44.1, 48 | 16 x 8 |
| 88.2, 96 | 8 x 8 | |
| 176.4, 192 | 2 x 8 |
Carte HD (PCI), consoles de mixage avec dithering
| Console de mixage | Fréquence d'échantillonnage (kHz) | Utilisation par puce |
| Stéréo avec dithering | 44.1, 48 56 x 2 | |
| 88.2, 96 34 x 2 | ||
| 176.4, 192 14 x 2 | ||
| Surround avec dithering, 5.1 | 44.1, 48 19 x 6 | |
| 88.2, 96 10 x 6 | ||
| 176.4, 192 1 x 6 | ||
| Surround avec dithering, 7.1 | 44.1, 48 15 x 8 | |
| 88.2, 96 7 x 8 | ||
| 176.4, 192 Pas de | prise en charge |
Précision de mixage 48 bits
Les plug-in de console Pro Tools utilisent une zone de registre à l'intérieur des DSP sur le dispositif pour maintenir une précision intégrale de 48 bits lors du mixage des signaux. Ceci permet de baisser le niveau d'un fader sans perte de résolution (même si le niveau du fader est baissé quasiment au maximum, l'ensemble des 24 bits du système est préservé).
Marge de sécurité de la console de mixage
L'utilisation de la précision 48 bits lors du mixage permet de configurer la console de manière à ce qu'elle fournisse une très grande marge de sécurité ; les faders de la console Pro Tools peuvent ainsi être placés dans la position d'écoute optimale sans écrêtage.
Les plug-in de console livrés avec les systèmes Pro Tools|HD offre une précision de 48 bits avec une marge de sécurité de 48 dB. Ainsi, au niveau de l'entrée du bus (où s'effectue la sommation des signaux), les signaux ne peuvent jamais être écrêtés (même si les faders de canaux sont réglés sur un gain intégral de +12 dB).
Néanmoins, la sortie de la console de sommation (où le signal est envoyé dans l'environnement 24 bits d'une sortie numérique ou sur le bus TDM) peut saturer. Vous pouvez utiliser un fader principal (qui ne consomme aucune DSP) pour régler le niveau de sortie de n'importe quel point de sommation du mixage (qu'il s'agisse d'un bus ou d'une sortie physique). Les vumètres du fader principal indiquent si vous écrêtez le bus de mixage, et le fader peut être utilisé pour régler le niveau en toute sécurité, afin d'éviter l'écrêtage, sans perte de qualité.

Si vous mixez un grand nombre de signaux, utilisez toujours un fader principal pour surveiller les niveaux du bus (à l'aide du vumètre du fader principal) et pour rogner le résultat de manière à éviter l'écrétage. Comme les faders principaux ne consomment aucune DSP, il n'y a aucune raison de se priver de leur utilisation.
Notez que l'écrêtage au niveau de l'entrée d'une console de mixage n'est pas un problème sur les systèmes Pro Tools|HD. Il est pratiquement impossible d'écrêter l'entrée d'un plug-in de console Pro Tools|HD, car la marge de sécurité de 48 dB fournie évite la surcharge, même avec un nombre maximal d'entrées alimentées par des signaux intégraux avec des gains de faders maximaux. Comme il est possible de saturer le côté sortie de la console de mixage, vous pouvez utiliser un fader principal en toute sécurité pour corriger votre bus de mixage afin d'éviter toute saturation (en surveillant tout signe de
saturation sur le vumètre du fader principal et en reculant le fader jusqu'à ce que la saturation disparaisse ; assurez-vous que les plug-in figurant sur les inserts du fader principal ne sont pas en cause). La précision 48 bits de la console de mixage permet d'effectuer un réglage de gain sur le fader principal sans perte de l'intégrité des données ni de la qualité audio ; il est donc inutile de limiter les faders d'entrée pour éviter l'écrêtage.
Automation du mixage
L'automation du volume sur toutes les versions des consoles de mixage se mesure pratiquement à l'échantillon près (tout comme l'automation du panoramique sur les versions stéréo). De plus, le DAE fournit des valeurs interpolées de 24 bits entre les points d'inflexion du mixage, apportant ainsi une résolution proche du type analogique. Ce processus d'interpolation signifie qu'une série de données fluide est créée entre deux points d'inflexion spécifiés dans Pro Tools. Le DAE calcule ces transitions fluides sur le dispositif DSP avec une précision de 24 bits, produisant ainsi des changements de volume extrêmement fluides. En outre, le DAE dézippe toute entrée en direct vers la console de mixage pour que les changements rapides et en temps réel du fader provenant de ses déplacements (sur l'interface utilisateur ou les surfaces de contrôle Pro Tool) ne provoquent pas d'altérations audibles lorsque la console essaie de s'adapter aux changements rapides qu'elle reçoit.
Consoles de mixage stéréo et Surround avec dithering
Les plug-in des consoles Stéréo et Surround avec dithering fournissent un dithering non lié en plus des autres attributs de base des consoles décrits ci-dessus. Tout point de sommation de sortie (que ce soit vers un bus interne ou une sortie physique) a subi en dithering dans ces consoles de mixage. Cette technique est utilisée pour éviter les artefacts audibles provoqués par la troncation de données de niveau extrêmement bas lorsque les signaux passent de l'environnement 48 bits d'une console TDM à l'environnement 24 bits d'une connexion de bus TDM ou d'une sortie matérielle. Tout F tronqué est en dessous de -144 dBF (reflétant 24 bits de gamme dynamique).
Il existe une polémique dans le monde de l'audio quant à savoir si les artéfacts de cette zone peuvent être audibles (on estime que la gamme dynamique normale de l'oreille humaine se situe aux alentours de 120 dB, depuis le seuil d'audibilité jusqu'au seuil de la douleur).
Digidesign a mis au point une console de mixage qui apporte tous les avantages des plug-in d'une console Stéréo et Surround standard et qui fournit également un dithering non lié sur les sorties sommées. Ceci fournit un niveau de bruit de dithering continu à un niveau extrêmement faible, entraînant ainsi la conversion des artefacts de troncation en bruit blanc continu. Mais, l'ajout de dithering non lié requiert plus de puissance DSP. Par conséquent, le décompte d'instances des canaux issu des versions en dithering des consoles se situe à environ 15 % de moins (ou plus) que celui des versions standard sans dithering (ceci varie avec la fréquence d'échantillonnage et le type de console de mixage).
De ce fait, nous proposons deux types de plug-in de console. Vous souhaiterez peut-être utiliser la console de mixage standard sans dithering dans la plupart des applications à cause de sa meilleure efficacité (vous pourrez mixer plus de canaux sans manquer de puissance DSP) ou la console avec dithering à cause de ses avantages théoriques.
Remarque à propos du dithering 16 bits et des plug-in de dithering
Les consoles avec dithering fournissent un dithering de 24 bits au niveau de leurs points de sommation. Lors de la création d'un mixage final 16 bits (par exemple pour le mastering de CD), le dithering final doit être pris en charge par des plug-in Dither. Pour utiliser correctement le dithering sur le résultat de mixage final, insérez le plug-in de dithering dans les inserts post-fader d'un fader principal. Vous trouverez des détails sur le dithering et sur l'utilisation des plug-in de dithering dans le Guide de référence Pro Tools.
Plug-in de console de mixage
Les systèmes Pro Tools|HD sont livrés avec quatre types de console de mixage : Stéréo, Surround, Stéréo avec dithering et Surround avec dithering.
Les plug-in de console Stéréo et Surround sont installés par défaut. Lorsque vous lancez le programme d'installation de Pro Tools, une copie des consoles stéréo avec dithering et Surround avec dithering est placée dans le dossier "Plug Ins (Unused)".
Caractéristiques du plug-in
Consoles de mixage Surround et stéréo standard
Les plug-in de console Surround et stéréo sont dotés des caractéristiques suivantes :
- Sortie numérique 24 bits à partir d'une sortie audio ou d'un prémixage sur disque. Les calculs de niveaux de mixage s'effectuent en 48 bits, avec utilisation d'un accumulateur 56 bits pour une précision maximale.
- 48 dB de marge de sécurité pour le mixage.
- Indication d'écrêtage en sortie.
- Formats de mixage multicanaux pour Surround (disponibles avec la console Surround uniquement).
Consoles Surround et stéréo avec dithering
Les plug-in de consoles Surround et stéréo avec dithering sont dotés des caractéristiques suivantes :
- Les mêmes fonctions que celles des consoles Pro Tools|HD Stéréo et Surround standard avec un dithering non lié vers une sortie ou un départ de bus.
L'utilisation de codeurs Dolby Digital ou Dolby E limite votre choix à la console de mixage sans dithering. En effet, vous n'obtiendrez pas une lecture en Dolby Digital ou Dolby E satisfaisante sur une sortie de console de mixage avec dithering.
Changement des plug-in de console de mixage
Pour changer de plug-In de console TDM :
1 Quittez Pro Tools.
2 Effectuez l'une des opérations suivantes :
- Sur systèmes Windows, ouvrez le dossier Plug-Ins (Unused) sous Program Files\ Common Files\Digidesign\DAE).
- ou -
- Sur systèmes Mac, ouvrez le dossier Plug-ins (Unused) sur votre lecteur de démarrage (Library/Application Support/Digidesign).
3 Après avoir localisé le plug-in de console à utiliser, faites-le glisser ver le dossier Plug-ins.
4 Ouvrez le dossier Plug-ins, repérez le plug-in de console que vous ne souhaitez plus utiliser et placez-le dans le dossier Plug-ins (Unused).
5 Lancez Pro Tools.
Instructions d'utilisation de la console de mixage
Les conditions suivantes s'appliquent au mixage avec les systèmes Pro Tools|HD.
♦ Une puce DSP est automatiquement dédiée au mixage dans l'environnement TDM.
Lorsque vous atteignez la limite de mixage pour une seule puce DSP, le système attribue automatiquement les ressources DSP d'une autre puce (le cas échéant), ce qui la rend indisponible pour les plug-in.
- Chaque bus ou connexion de départ nécessite une puce DSP pour mixer les signaux. Ainsi, chaque départ ou entrée auxiliaire créés consomment de la puissance DSP pour mixer les résultats.
Utilisation de DSP avec des Plug-In TDM
Pour une utilisation optimale des plug-in TDM, prenez en compte les instructions suivantes :
- Les systèmes Pro Tools|HD disposent de la technologie MultiShell™ de Digidesign permettant aux plug-in compatibles MultiShell de partager les puces DSP sur les cartes HD. Cinq types de plug-in compatibles MultiShell peuvent partager une même puce DSP.

Pour en savoir plus sur les plug-in MultiShell, reportez-vous au Guide des plug-in DigiRack.
- En général, les plug-in DSP stéréo utilisent jusqu'à deux fois plus de ressource DSP que les plug-in mono.
- Les pistes de fader principal ne consomment pas de DSP supplémentaires. Vous pouvez donc les utiliser librement pour contrôler des niveaux de prémixage, des niveaux de sortie de départs ou de bus et le niveau de sortie principale de votre session.
Les modèles de sessions fournis avec votre système intègrent plusieurs configurations de session exploitant efficacement les ressources DSP.
Si votre ordinateur possède des emplacements inutilisés, vous pouvez accroître à tout moment les ressources DSP disponibles en ajoutant des cartes HD au système Pro Tools|HD.
annexe g
Dépannage
Sauvegarde de votre travail
Il est vivement conseillé de sauvegarder régulièrement votre travail, en particulier avant de modifier la configuration du système.
Sauvegarde des données d'une session
Sauvegardez fréquemment les informations et les données audio d'une session. De nombreux supports permettent de sauvegarder des projets de différentes tailles, depuis les systèmes de sauvegarde automatique sur bande jusqu'aux lecteurs optiques haute capacité, en passant par les graveurs de CD/DVD.
Le meilleur moyen de sauvegarder une session dans sa totalité est d'utiliser la commande Save Copy In. Cette commande permet d'enregistrer sous un nouvel emplacement le fichier de la session ainsi que les fichiers qui lui sont associés.

En outre, la fonction Auto Save Backup de la page Operation Preferences permet une sauvegarde automatique du fichier de session pendant l'exécution de Pro Tools.
Sauvegarde de la configuration du système
Une fois la configuration de Pro Tools et du système terminée, enregistrez une image de votre disque système à l'aide d'un utilitaire de sauvegarde tel que Norton Ghost (Windows) ou Bombich Carbon Copy Cloner (Mac). Cette opération vous permet, en cas de problèmes, de restaurer rapidement la configuration et les paramètres de votre système.
Problèmes courants
Pro Tools ne démarre pas
Problème
Lorsque vous cliquez deux fois sur l'application Pro Tools ou sur un fichier de session Pro Tools, l'application ne se lance pas ou affiche un message d'erreur.
Solutions possibles
- Assurez-vous que l'ordinateur dispose de suffisamment de RAM pour lancer Pro Tools. Consultez le site Web de Digidesign (www.digidesign.com/compatibility).
- Essayez de redémarrer tout le système. Mettez hors tension les interfaces audio, les périphériques et l'ordinateur, puis remettez-les sous tension dans l'ordre qui convient.
-
Si vous avez tenté de lancer Pro Tools en cliquant deux fois sur un fichier de session Pro Tools, procédez comme suit :
-
Fermez les messages d'erreur éventuels.
- Cliquez deux fois sur l'application Pro Tools.
- Dans Pro Tools, sélectionnez File > Open Session pour ouvrir la session.
♦ Réinstallez le logiciel Pro Tools à l'aide du disque d'installation Pro Tools.
L'interface audio n'est pas reconnue
Problème
Au lancement, Pro Tools ne reconnaît pas une interface audio ou une interface audio connectée n'est pas disponible.
Solutions possibles
♦ Eteignez votre ordinateur et vérifiez que tous les câbles sont correctement reliés à l'ordinateur et aux interfaces audio.
♦ Vérifiez que les paramètres de la boîte de dialogue Hardware Setup sont corrects.
- Si vous disposez d'une seule interface, veillez à ce qu'elle soit connectée à la carte Accel Core (PCIe) ou HD Core (PCI).
♦ Vérifiez les connexions Loop Sync, SuperClock et autres connexions de synchronisation sur votre interface audio. Déconnectez la source d'horloge de l'interface et vérifiez si le problème persiste.
Utilisation de DigiTest en tant qu'outil de diagnostic
L'utilitaire DigiTest effectue des tests de diagnostic sur les cartes Pro Tools de votre système. Si DigiTest signale l'échec d'une des cartes, cliquez sur le bouton Info en regard de la carte en question. Notez les informations qui s'affichent à l'écran et communiquez-les à votre revendeur Digidesign ou au service d'assistance technique Digidesign.
Facteurs de performances
Un certain nombre de conditions peuvent altérer les performances de Pro Tools, dont les suivantes :
Connexions réseau : fermez toutes les connexions de réseau si elles ne sont pas utilisées pour l'échange de données audio en réseau.
Applications d'arrière-plan : tous les utilitaires logiciels qui s'exécutent en arrière-plan ou provoquent une activité du disque (logiciels antivirus, optimiseurs de disque ou sauvegarde de fichiers) doivent être désactivés ou supprimés.
Économiseurs d'écran : il est conseillé de désactiver les économiseurs d'écran de votre ordinateur avant d'exécuter Pro Tools.
Fonctionnalités d'économie d'énergie : certaines fonctionnalités automatiques d'économie d'énergie, par exemple, celles qui ralentissent le disque dur, peuvent altérer les performances de Pro Tools. Il est préférable de les désactiver.
Avant d'appeler le support technique de Digidesign
Enregistrez votre système
Enregistrez immédiatement votre produit après avoir pris connaissance des informations contenues dans le formulaire d'enregistrement Digidesign fourni avec le système Pro Tools. En vous enregistrant, vous bénéficiez d'une assistance technique gratuite ainsi que d'offres de mises à jour. Il s'agit donc d'une étape importante pour tout nouvel utilisateur.
Rassemblement d'informations importantes
Digidesign souhaite vous aider à résoudre vos problèmes le plus rapidement et le plus efficacement possible. En réunissant les informations ci-après avant de contacter le support technique, vous faciliterez le diagnostic de votre problème. Prenez quelques minutes pour réunir ces informations élémentaires.
Informations sur le système
L'ordinateur :
- marque, modèle, vitesse du processeur ;
• qu antité de RAM ; - système d'exploitation (version de Mac OS ou de Windows) ;
- pilotes, utilitaires de disque et toute application relative au système installé.
Le dispositif Digidesign :
- type de cartes, d'interfaces ou de périphériques ;
-
emplacement des cartes ;
-
ordre d'installation des cartes PCI ou PCIe dans l'ordinateur ou sur le châssis ;
- interface connectée à chaque carte.
Les disques durs :
- m a r q u e, m o d è l e;
• taille du disque dur (Go) ;
• vitesse du disque (en trs/mn) ; - type de disque (SCSI, FireWire, IDE/ATA) ;
- utilitaire servant à formater le disque dur ;
- nombre et taille des partitions du disque.
Les logiciels Digidesign :
• version du logiciel Pro Tools ;
- version duplug - in;
- autres logiciels Digidesign ;
- autres plug-in fournis par des partenaires de développement de Digidesign.
Autre dispositif
Pour plus de détails sur le fonctionnement, consultez la documentation du fabricant.
Les composants de dispositif supplémentaires les plus utilisés sont les suivants :
- cartes adaptateur de bus hôte SCSI (HBA) (fabricant, modèle, paramètres) ;
- cartes 1394 (FireWire) pour les systèmes Windows (fabricant, modèle) ;
- châssis d'extension (fabricant, modèle, type de circuit en pont) ;
- cartes d'acquisition vidéo (fabricant, modèle).
Visitez le site Web de Digidesign (www.digidesign.com) pour vous assurer que votre dispositif peut prendre en charge le système Pro Tools.
Autres logiciels
Si vous utilisez d'autres applications audio ou vidéo, consultez la documentation du fabricant pour en savoir plus sur leur fonctionnement.
En cas de problème, répertoriez tous les autres logiciels en cours de fonctionnement.
Informations de diagnostic
DigiTest
Si vous avez exécuté un test DigiTest, notez tous les codes ou messages d'erreur générés.
Autres informations
Notez toutes les erreurs de DAE ou autres codes d'erreur rencontrés. Vérifiez également si le problème peut se reproduire dans des conditions différentes, par exemple, avec une autre session ou après la modification de paramètres tels que la taille du buffer matériel.
annexe h
Ressources
Si vous êtes un nouvel utilisateur de Pro Tools ou ne vous êtes pas encore entièrement familiarisé avec votre système, nous vous conseillons de consulter les multiples guides fournis avec Pro Tools et d'en suivre les instructions. Les nombreuses ressources disponibles en ligne vous permettront également de trouver notamment des conseils d'utilisation et des réponses à vos questions concernant Pro Tools.
À propos des guides Pro Tools
Outre la documentation imprimée livrée avec le système, des versions PDF des manuels Pro Tools et de nombreux autres guides, ainsi que des fichiers Lisez-moi, sont automatiquement installés avec l'application. Les versions PDF des documents sont situées dans le dossier Digidesign/Documentation sur votre disque local.

Des copies imprimées du Guide de référence Pro Tools et d'autres documents sont accessibles à partir de DigiStore à l'adresse www.digidesign.com.
Guide d'installation imprimé
Ce Guide d'installation HD imprimé du système fournit des instructions détaillées pour l'installation et la configuration du logiciel et du matériel afin d'obtenir des performances optimales.
Guide de référence Pro Tools imprimé
Le Guide de référence Pro Tools imprimé offre une description détaillée de toutes les fonctionnalités logicielles de Pro Tools, ainsi que des procédures utiles d'exécution des tâches dans Pro Tools.
Guide imprimé des systèmes étendus
Le Guide des systèmes étendus imprimé fournit des instructions pour l'expansion d'un système Pro Tools|HD au moyen de cartes et d'interfaces audio Digidesign supplémentaires, avec ou sans châssis d'extension.
Guides accessibles dans Pro Tools
Les principaux guides Pro Tools sont accessibles à partir du menu d'aide de Pro Tools. Cliquez sur Aide, puis sélectionnez un guide.
Les guides disponibles sont les suivants :
- 1 e Guide des raccourcis, qui fournit une liste complète des raccourcis clavier et souris pour Pro Tools ;
- le Guide des plug-in DigiRack, qui décrit les plug-in DigiRack inclus dans Pro Tools pour le traitement audio en temps réel et des fichiers ;
- le Guide des menus Pro Tools, qui répertorie tous les menus de Pro Tools ;
- le Guide de référence Pro Tools, qui décrit en détail le fonctionnement du logiciel Pro Tools.
Documentation installée automatiquement avec Pro Tools
Lorsque vous installez Pro Tools, vous obtenez des versions PDF de nombreux guides et fichiers Lisez-moi Pro Tools. Ces documents se trouvent aux emplacements suivants :
Pour afficher ou imprimer les versions PDF, utilisez Adobe Reader ou Apple Preview (Mac uniquement).
Fichiers Lisez-moi
Ils contiennent les informations les plus récentes et les problèmes connus inhérents aux configurations des logiciels et des dispositifs Pro Tools. Les fichiers Lisez-moi sont ajoutés au dossier Documentation à l'installation de Pro Tools.
À propos de www.digidesign.com
Le site Web de Digidesign (www.digidesign.com) est la meilleure source d'informations en ligne pour optimiser votre logiciel Pro Tools. Vous trouverez ci-après quelques exemples des services et fonctions disponibles.
Enregistrement du produit Enregistrez votre produit en ligne.
Assistance et téléchargements Contactez le support technique ou le service clientèle de Digidesign, téléchargez les mises à jour logicielles et les manuels en ligne les plus récents, consultez les documents de compatibilité et les informations de configuration requise, utilisez la base de recherche en ligne (Answerbase) ou rejoignez la communauté mondiale Pro Tools lors des conférences d'utilisateurs Digidesign.
Formation
Étudiez directement en ligne ou découvrez les méthodes de formation utilisées dans les centres de formation certifiés Pro Tools.
Produits et développeurs Découvrez les produits Digidesign, nos partenaires de développement ainsi que leurs plug-in, applications et matériels et téléchargez des logiciels démo.
Actualité et événements Accédez aux informations de dernière minute publiées par l'équipe de Digidesign et inscrivez-vous pour obtenir une démo de Pro Tools.
Vidéos Pro Tools accélérées Visionnez les vidéos du didacticiel gratuit. Les vidéos accélérées sont conçues pour faciliter la prise en main de Pro Tools et de ses plug-in.
Ressources en ligne utiles
Voici une liste de ressources en ligne qui peuvent vous être utiles :
- Pour trouver des informations utiles et des astuces et obtenir de l'aide, visitez le site de la communauté mondiale des utilisateurs de Pro Tools sur le forum Digidesign User Conference (DUC). Rendez-vous sur la page suivante : http://duc.digidesign.com
- Si vous avez des questions concernant l'installation, visitez la base de recherche en ligne de Digidesign (Answerbase). Rendez-vous sur la page suivante : http://www.digidesign.com/answerbase
- Si vous ne trouvez pas la réponse à votre question sur le forum ou dans la base de recherche, contactez le service de support de Digidesign en remplissant le formulaire en ligne. Rendez-vous sur la page suivante : http://www.digidesign.com/tsr
index
Entrées numériques
192 I/O 58, 59, 76
192, interface d'E/S numérique 6, 58, 59, 76
96 I/O 60, 76
96i I/O 60, 76
A
Accel Core (PCIe) 3
Acheminement, effets numériques 78
Adaptateur de câbles périphériques 16 canaux 18, 34
ADAT Bridge
interface d'E/S 7
interface d'E/S 24 bits 7
Alignment temporel 104
Alimentation, paramètres de gestion (Windows) 66
ASIO, pilote (pour Windows) 22
Cartes réseau (Windows), désactivation 67
Champ du décalage défini par l'utilisateur (+/-)107
Clock Source 55
Code d'erreur, DigiTest 43
Compensation automatique des retards 50
Compensation de retard 50, 104
activation 104
application aux pistes automatiquement désactivées 109
champ du décalage défini par
l'utilisateur (+/-) 107
configuration du moteur de compensation de retard 105
dépassement de la limite de compensation 108
désactivation 107
indicateur Delay (dly) 106
informations 106
mode 105
modification du retard de piste 107
paramètres 105
Connexion
appareils de synchronisation SMPTE 79
disque SCSI externe 83
enregistreurs numériques 77
Pro Tools, cartes 13, 30
Console de mixage, plug-in 125
Console stéréo, plug-in 125
Contrôle de compte d'utilisateur désactivation 65
CPU Usage Limit, paramètre 48
D
DAT, enregistreur
connexion de Pro Tools 77
Delay (dly), indicateur 106
entrées auxiliaires 126
mixage 117
pistes Master Faders 126
plug-in TDM 126
visualisation de l'utilisation 119
DSP Manager 117
DSP, retards 103
compensation automatique 50
E
E/S 882|20 7
E/S 888|24 7
E/S 96 6
E/S 96i 6
Economiseur d'énergie (Mac), désactivation 69
Économiseurs d'écran 128
Éléments lancés au démarrage (Windows), désactivation 67
Entrée auxiliaire, utilisation DSP 126
Ext. Clock Output 57
F
Fader principal, utilisation DSP 126
Formatage de disque
Mac 88
Windows 87
Formulaire d'enregistrement 8
H
HD Accel 5
HD Accel (PCIe), carte 4
HD Core, carte 4
|
I/O Setup, boîte de dialogue 62
I/O SYNC 3, 4, 79
IDE/ATA, configuration requise 86
Indicateur de compensation de retard (cmp) 108
Installation de Pro Tools 19, 35
Guide d'installation Pro Tools|HD136
Installation de QuickTime (pour Windows) 20
Installation des cartes Pro Tools|HD 12, 26, 28
Installation du logiciel Pro Tools
Mac 35
Windows 19
Interface
E/S 1622 7
E/S Legacy 61
interface
E/S 192 5
Interface audio
chaleur et ventilation 14, 31
connexion 15
HD 5
Legacy 7
microprogramme (Windows) 45
Internet, site 132
J
Maintenance de disque 85
Matériel, configuration
Ext. Clock Output 57
menu contextuel Meters pour l'interface 96 I/0 58
Microprogramme
interfaces audio (Windows) 45
MIDI
configuration (pour Mac) 99
configuration (pour Windows) 93
connexion 78
MIDI Studio Setup (MSS) (pour Windows) 93
Mise à jour logicielle (Mac), désactivation 69
Mixage, utilisation DSP 117
Moteur de compensation de retard 105
MultiShell 126
N
Number of Voices, paramètre 49
0
Optimisation des disques durs 89
Optimisation du système
Mac 68
Windows 67
Option DMA (Windows), activation 65
Options, menu
affectation de mémoire système 53
buffer de plug-in de streaming 54
buffer matériel, taille 46
fréquence d'échantillonnage 50, 55
I/O Setup 62
nombre de voix 49
pourcentage d'utilisation du processeur 48
RTAS Engine 48
source d'horloge 55
taille du buffer de plug-in de streaming 53
taille du cache 52
Partition des disques durs 88
Performances du processeur (Mac) 69
Peripherals, liste 56, 57
Phase 104
Pilote audio
pilote ASIO (pour Windows) 22
pilote CoreAudio (pour Mac) 38
pilote WaveDriver (pour Windows) 22
Pilote CoreAudio (pour Mac) 38
Playback Engine, paramètre RTAS Processors 46
Plug-in, paramètre RTAS Processors 46
Pour régler les performances des applications (Windows) 67
Préférences 35
Pro Tools|HD, cartes
session de démonstration (Mac) 38
session de démonstration (Windows) 23
suppression (Mac) 39
suppression (Windows) 23
Pro Tools, désinstallation
Windows 23
Pro Tools, suppression
Windows 23
Program Change, boîte de dialogue 96, 102
Q
QuickTime, installation (pour Windows) 20
R
Retard d'échantillonnage (voir retards de DSP)
RTAS Engine 48
RTAS Processors, paramètre 46
s
Sample Rate 50, 55
SCSI
configuration requise 81, 86
longueur de câble 82
terminaison 84
SCSI, disques
connexion 83
Session de démonstration
Mac 38
Windows 23
avec console de mixage 74
sans console de mixage 75
Suppression d'erreurs RTAS 48
Suppression de Pro Tools
Mac 39
Surround, console de mixage 125
System 118
System Usage, fenêtre 118, 119
cache DSP 119
Système
affectation de mémoire 53
arrêt 41
démarrage 41
optimisation (Mac) 68
optimisations facultatives (Windows) 67
optimisations recommandées (Windows) 66
optimisations requises (Windows) 65
T
Taille
buffer de lecture DAE 51
buffer de plug-in de streaming 53
buffer matériel 46
cache 52
TDM, plug-in
console 125, 126
MultiShell 126
utilisation DSP 126
Terminaison des disques SCSI 84
Traitement des signaux numériques (voir DSP)
W
WaveDriver (pour Windows) 22
Window, menu
System Usage, fenêtre 119
Word Clock 57

digidesign
A choice of Avid
www.digidesign.com
DIGIDESIGN
2001 Junipero Serra Boulevard
Daly City, CA 94014-3886
Etats-Unis
Tél.: 650.731.6300
Fax:650.731.6399
ASSISTANCE TECHNIQUE
(Etats-Unis)
Tél.: 650.731.6100
Fax:650.731.6375
INFORMATIONS SUR
LES PRODUITS (Etats-Unis)
Tél.: 800.333.2137
BUREAUX INTERNATIONAUX
Visitez le site Web de Digidesign pour de plus amples informations
Notice Facile