TC 38 - Tracteur de jardin HUSQVARNA - Notice d'utilisation et mode d'emploi gratuit
Retrouvez gratuitement la notice de l'appareil TC 38 HUSQVARNA au format PDF.
| Caractéristiques techniques | Tracteur de jardin HUSQVARNA TC 38 avec moteur à essence de 15,5 ch, largeur de coupe de 97 cm, et transmission automatique. |
|---|---|
| Utilisation | Idéal pour les jardins de taille moyenne, facile à manœuvrer grâce à son rayon de braquage réduit. |
| Maintenance et réparation | Entretien régulier recommandé : vérification de l'huile, nettoyage du filtre à air, affûtage des lames. Pièces de rechange disponibles chez les revendeurs agréés. |
| Sécurité | Équipé de dispositifs de sécurité tels que l'arrêt d'urgence et un système de protection contre le surmenage du moteur. |
| Informations générales | Poids : 150 kg, dimensions : 160 x 90 x 110 cm, garantie de 2 ans, niveau sonore de 100 dB. |
FOIRE AUX QUESTIONS - TC 38 HUSQVARNA
Questions des utilisateurs sur TC 38 HUSQVARNA
0 question sur cet appareil. Repondez a celles que vous connaissez ou posez la votre.
Poser une nouvelle question sur cet appareil
Téléchargez la notice de votre Tracteur de jardin au format PDF gratuitement ! Retrouvez votre notice TC 38 - HUSQVARNA et reprennez votre appareil électronique en main. Sur cette page sont publiés tous les documents nécessaires à l'utilisation de votre appareil TC 38 de la marque HUSQVARNA.
MODE D'EMPLOI TC 38 HUSQVARNA
Manuel d'instructions
Merci de lire très attentivement le manuel d'instructions. Assurez-vous d'avoir tout compris avant d'utiliser ce tracteur.
Nous nous réservons le droit d'apporter des modifications sans avis préalable.
- Lisez toutes les instructions soigneusement. Familiarisez vous avec les commandes pour apprendre à utiliser efficacement cette machine.
- Ne jamais autoriser les enfants ou les personnes qui n'auraient pas lu ce manuel d'utilisation à utiliser ce tracteur de pelouse. La règlementation locale peut de plus interdire l'utilisation de telle machine au-dessous d'un certain âge.
- Ne jamais tondre à proximité de personnes, d'enfants ou d'animaux.
- Ne pas oublier que tout utilisateur ou propriétaire d'un tracteur de pelouse est responsable des accidents ou dommages causés à une personne ou a ses biens.
- Ne transportez pas de passagers.
-
Tous les utilisateurs doivent rechercher et obtenir une formation personnelle sérieuse et pratique qui devra insister :
-
sur la nécessité absolue d'être attentif et concentré lorsqu'on utilise un tracteur de pelouse,
- le fait qu'un tracteur de pelouse glissant sur une pente ne pourra pas être arrêté en appuyant simplement sur la pédale de frein.
Les raisons principales de cette perte de contrôle sont :
a) L'adhérence insuffisante des pneus,
b) Une conduite trop rapide,
c) Un freinage insuffisant,
d) Un tracteur de pelouse inadaptée aux conditions d'utilisation,
e) Une mauvaise appréciation des contraintes résultant de la nature du terrain à entretenir et, tout particulièrement de la présence de pentes sur ce terrain,
f) L'attelage incorrect d'une remorque et la mauvaise répartition des masses.
II. PRÉPARATION
- Pour réduire le risque d'incendie – avant l'usage, lorsque vous faites le plein et chaque fois que vous cessez de ton-dre – inspectez le tracteur et éliminez tous les débris accu-mulés sur le tracteur, la tondeuse et derrière les protections.
- Pendant la tonte, ne porter que des chaussures solides et des pantalons longs. Ne jamais tondre pieds nus ou chaussé de sandales.
- Contrôlez systématiquement et soigneusement l'état de la surface à tondre et retirer tous les objets susceptibles de devenir des projectiles lors du passage de la ma chine.
-
ATTENTION – Le carburant est très inflammable.
-
Pour transporter ou stocker le carburant, n'utiliser exclusivement que des récipients conçus et approuvés pour ces usages.
- Toujours remplir le réservoir de carburant à l'air libre et ne pas fumer pendant le remplissage.
- Remplir le réservoir de carburant avant de démarrer le moteur. Ne jamais retirer le bouchon du réservoir et ne jamais rajouter de carburant tant que le moteur est en fonctionnement ou qu'il est encore chaud.
- Si du carburant a été renversé, ne pas tenter de démarrer le tracteur, mais le pousser hors de la zone où le carburant a été renversé et éviter de créer une quelconque source de chaleur avant que les vapeurs de carburant ne se soient dissipées.
- Refermer avec précautions les bouchons des réservoirs ou des récipients contenant du carburant pour garantir la sécurité.
- Remplacer les pots d'échappement défectueux.
- Avant d'utiliser un tracteur de pelouse, toujours vérifier que les lames, les boulons de lame et le carter de coupe ne sont pas usés ou endommagés. Toujours remplacer les lames et les boulons simultanément de façon à éviter tout problème d'équilibrage.
- Sur les tracteurs de pelouse multi-lames, ne pas oublier que la rotation d'une lame peut entraîner celle des autres.
III. UTILISATION
- Ne jamais démarrer un moteur à l'intérieur dans un espace confiné où des émanations dangereuses de monoxyde de carbone pourraient s'accumulées.
- Tondre uniquement à la lumière du jour ou avec une bonne lumière artificielle.
- Avant de tenter de démarrer le moteur, s'assurer que les lames sont débrayées et que la boîte de vitesses est au point mort.
- Ne jamais utiliser un tracteur de pelouse sur des pentes supérieures à 15°.
-
Se souvenir qu'il n'existe pas de pente «sûre». Conduire sur des pentes herbeuses demande une attention particulière. Afin d'éviter tout risque de retournement du tracteur, appliquer avec soin les consignes suivantes :
-
ne pas s'arrêter ou démarrer brusquement dans une pente.
- embrayer doucement et ne jamais arrêter le tracteur de pelouse dans une pente, et plus particulièrement dans le sens de la descente.
- conduire toujours lentement dans les pentes, tout comme dans les virages serrés,
- faire attention aux irrégularités du terrain.
- ne jamais tondre en travers d'une pente, à moins que le tracteur de pelouse n'ait été spécialement conçu à cet effet.
- Faire attention lors de la traction de charges ou lors de l'utilisation d'équipements lourds.
- N'utiliser que des points d'attelage approuvés.
- Limiter les charges à celles qu'il est possible de contrôler avec sécurité.
- Ne pas tourner trop brusquement. Rester très pru dent lors des conduites en marche arrière.
-
Utiliser les masses de roues ou les contrepoids lorsqu'ils sont conseillés dans ce manuel d'utilisation.
-
Faire attention à la circulation lorsque l'on doit utiliser le tracteurprèsd'unerouteoulorsqu'ondoitraverseruneroute.
- Toujours stopper la rotation des lames lorsqu'on doit traverser une surface autre que du gazon.
- Lors de l'utilisation d'accessoires, ne jamais les utiliser ou les déposer à proximité de quelqu'un.
- Ne jamais utiliser le tracteur à gazon avec un déflecteur ou protecteur défectueux, ou sans les dispositifs de protection en place.
- Conserver le régime de rotation du moteur et ne jamais le faire fonctionner au dessus de son régime nominal car cela peut être dangereux.
- Avant de quitter le siége :
- débrayer les lames et abaisser le carter de coupe,
- mettre le levier de vitesse au point mort et enclencher le frein de parking,
arrêter le moteur et retirer les clés,
- Débrayer les lames, arrêter le moteur, et débrancher le (s) fil (s) de (s) bougie (s) d'allumage ou retirer la clef de contact :
- avant de retirer l'insert broyeur ou avant de retirer la goulotte d'éjection pour la nettoyer.
-
avant de contrôler, nettoyer ou travailler sur le carter de coupe,
-
avant de retirer un objet coincé dans le tracteur de pelouse. Dans ce cas inspecter aussitôt la machine pour s'assurer qu'elle n'est pas endommagée et, si nécessaire, faire ou faire faire impérativement les réparations avant de la remettre en marche et de la faire fonctionner à nouveau.
-
si la machine commence à vibrer anormalement. Dans ce cas vérifier immédiatement le carter de coupe.
-
Débrayer systématiquement les lames quand le tracteur n'est pas utilisé ou quand il doit être transporté.
-
Débrayer les lames puis arrêter le moteur :
-
avant de faire le plein d'essence,
- avant d'enlever le collecteur,
- avant de régler la hauteur de coupe à moins que ce réglage ne puisse s'effectuer du poste de conduite.
- Lorsque la tonte est terminée, réduire les gaz avant de couper le moteur et, si le tracteur de pelouse est équipée d'un robinet d'arrêt du carburant, fermer celui-ci.

ATTENTION : LES ENFANTS PEUVENT ÊTRE BLES-SÉS PAR CET ÉQUIPEMENT. Selon l'Académie américaine de pédiatrie, il faut que les enfants aient au minimum 12 ans avant d'utiliser une tondeuse à pousser et au minimum 16 ans avant d'utiliser une tondeuse autoportée.
- Il ne faut pas dépasser un angle maximum de 15° pour charger et décharger cette machine.
- Le port d'Équipements de protection individuelle (EPI) appropriés est conseillé pendant l'utilisation de cette machine et comprend (au moins) des chaussures robustes, des lunettes de sécurité et des protections auditives. Ne tondez pas en chaussures découvertes et/ou à bout ouvert.
- Les niveaux de vibrations indiqués dans le présent manuel ne sont pas ajustés pour l'exposition des travailleurs aux vibrations. Il convient aux employeurs de calculer les valeurs équivalentes à 8 heures d'exposition [A(8)] et de limiter en conséquence l'exposition des travailleurs.
- Veillez à informer une tierce personne que vous êtes en train de tondre à l'extérieur.
IV. ENTRETIEN ET ENTREPOSAGE
- S'assurer que tous les écrous, boulons et vis sont bien serrés pour être certain que l'équipement est prêt à fonctionner de nouveau, dans de bonnes conditions.
- Ne jamais entreposer le tracteur de pelouse avec du carburant dans le réservoir, dans un bâtiment où les vapeurs pourraient s'enflammer au contact d'une flamme ou d'une étincelle de l'allumage.
- Attendre le refroidissement du moteur avant d'entreposer la tondeuse autoportée dans un espace fermé.
- Pour supprimer les risques d'incendie s'assurer que le moteur, le pot d'échappement, le logement de la batterie et du réservoir de carburant ne sont pas encrassés par de l'herbe, des feuilles ou des surplus de graisse.
- Vérifier souvent le bac ou le collecteur pour vous assurer qu'il est propre et qu'il n'est pas endommagé.
- Pour plus de sécurité, remplacer systématiquement les pièces usées ou détériorées.
- Si le réservoir de carburant doit être vidangé, procéder à cette opération à l'extérieur.
- Sur les tracteur de pelouse multi-lames, ne pas oublier que la rotation d'une lame peut entraîner celle des autres.
- Quand le tracteur de pelouse est garé, entreposé ou tout simplement inutilisé, régler la hauteur de coupe dans sa position la plus basse.

ATTENTION: Toujours débrancher le fil de la bougie d'allumage et le placer de telle sorte qu'il ne puisse, en aucun cas, entrer en contact avec la bougie afin de prévenir les démarrages accidentels, lors du montage, du transport, des réglages ou des réparations.

I. INSTRUCCIÓN
| Capacité et type d'essence : | 5,67 Litre / 1.5 GallonsSans plomb ordinaire |
| Type d'huile :(API : SJ-SN) | SAE 30 (au-dessus de 0 °C/32 °F)SAE 5W30 (en dessous de 0 °C/32 °F) |
| Capacité du réservoir d'huile | 44 Oz. / 1,3 L |
| Bougie : Champion XC12YC(Écart : .030"/0,76 mm) | |

RODUCTSPECIFICATIONS
| Capaciteit en type benzine: | 5,67 Liter / 1.5 GallonsNormaal ongelood |
| Type olie:(API: SJ-SN) | SAE 30 (hoger dan 32 °F/0 °C)SAE 5W30 (lager dan 32 °F/0 °C) |
| Oliecapaciteit: 44 Oz. / 1,3 L | |
| Bougie: Champion XC12YC(Afstand: .030"/0,76 mm) | |
GB These symbols may appear on your machine or in the literature supplied with the product. Learn and understand their meaning.
DE Diese Symbole finden Sie auf Ihrer Maschine oder in Unterlagen, die mit dem Produkt ausgehändigt wurden. Bitte machen Sie sich mit deren Bedeutung vertraut.
FR Ces symboles peuvent figurer sur tracteur ou dans les publications fournies avec le produit. Apprenez à comprendre la significa-tion de ces symboles.
(ES) Estos símbolos pueden aparecer sobre su unidad o en la literatura proporcionada con el producto. Aprenda y comprenda sus significados.
⑪ Simboli utilizzati sull'apparato di taglio o nella documentazione fornita unitamente al prodotto. E' importante conoscerne bene il significato.
NL Deze symbolen kunnen op uw machine of in de bij het produkt geleverde documentatie aanwezig zijn. Lees en begrijp de betekenis.

REVERSE
RÜCKWÄRTSFAHRT
MARCHE ARRIÈRE
MARCHA ATRÁS
RETROMARCIA
ACHTERUIT-RIJDEN

NEUTRAL
LEERLAUF
PÓSITIÓN NEUTRE
ITO NEU
FOLLA
NEUTRAALSTAND

HIGH
HOCH
HAUT
ALTO
AUMENTARE
HOOG

LOW
NIEDBIG
BAS
BAJÓ
DIMINUIRE
LAAG

FAST
SCHNELLFAHRT
VITESSE RAPIDE
MARCHA RÁPIDA
AVANZAMENTO VELOCE
VELOCE

SLOW
LANGSAMFAHRT
VITESSE LENTE
MARCHA LENTA
AVANZAMENTO LENTO
LANGZAAM RIJDEN

LIGHTS ON
LICHT AN
PHARES ALLUMÉS
LUCES ENCENDIDAS
LUCI ACCESE
LICHTEN AAN

IGNITION
ZÜNDUNG
ALLUMAGE
IGNICIÓN
AVVIAMENTO
ONTSTEKING

ENGINE OFF
MOTOR AUS
MOTEUR ARRÊTE
MOTOR APAGADO
MOTORE SPENTO
MOTOR UIT

ENGINE ON
MOTOR LÄUFT
MOTEUR EN MARCHE
MOTOR ENCENDIDO
MOTORE ACCESO
MOTOR AAN

ENGINE START
ANLASSEN DES MOTORS
DÉMARRAGE DU MOTEUR
ARRANQUE DEL MOTOR
Consultez le manuel pour connaître
es Modes de fonctionnement sûre.
Risque d'incendie provoqué
par l'accumulation de débris.
AVERTISSEMENT£: Veuillez lire le Manuel d'utilisation du moteur –
Risques d'incendie – Fumées ou gaz toxiques
PRUDENCE£: Risque d'accrochage des doigts ou de la main - courroie de transmission
FR Pièces non-assemblées
Avant d'utiliser la tondeuse autoportée, certains éléments livrés dans l'emballage doivent être montés.
- Montez la rallonge d'arbre (8) sur l'arbre de direction (11).
- Faites glisser le support de direction supérieur (9) le long de la rallonge.
- Orientez le support de direction afin que sa base re- pose à plat sur la partie supérieure du tableau de bord.
- Installez quatre vis à tôle (10) à l'aide d'un tournevis Phillips n° 2.
- Serrez chaque vis à la main jusqu'à atteindre le support de direction, puis serrez de 90 degrés supplémentaires.
REMARQUE : Ne serrez pas trop les vis.
- Montez le cache de l'arbre principal (6). Assurez-vous que les pattes de guidage du cache introduisent le cache dans les trous respectifs.
- Őtez l'adaptateur (7) du volant et glissez-le sur l'arbre de direction (5). Verifiez que les roues avant sont orientées vers l'avant et placez la roue sur le moyeu.
- Assemblez la grande rondelle plate (4) et bloquez-la avec la rondelle (3) et le boulon (2). Serrez à fond.
- Clipsez l'insert (1) au centre du volant.

Déposez les boulons et les rondelles papillon qui maintiennent le siège dans l'emballage en carton et conservez-les pour l'assemblage du siège sur le tracteur. Enlevez l'emballage en carton et jetez-le.
IMPORTANT : ne retirez pas le ruban adhésif (1) de la poignée de réglage tant que le siège n'est correctement fixé au tracteur.
- Branchez le faisceau de câblage (2) au commutateur du siège (3).
REMARQUE : les trois patins ne s'installeront pas en même temps. Le patin central doit être installé en premier avant de pouvoir aligner les autres patins avec les trous d'assemblage.
- Placez le siège sur le plateau du siège (4) de sorte que le patin central (5) soit aligné avec le trou d'assemblage de la fente centrale (6).
- Insérez le patin et tirez le siège vers l'arrière du tracteur jusqu'à ce que les deux patins avant (7) soient alignés avec les trous d'assemblage de la fente avant (8).
- Insérez les patins en appliquant une pression légère et uniforme vers le bas et tirez le siège vers l'arrière du tracteur (9), en veillant à ce que les patins avant soient engagés sur le plateau du siège.
- Levez le siège. Montez les boulons (10) et les rondelles papillons (11) et serrez fermement au niveau des patins avant (12).
REMARQUE : assurez-vous que « UP » se lise côté droit vers le haut et que la flèche pointe vers le haut sur les rondelles papillon, comme illustré.
- Retirez le ruban adhésif (13) et mettez-le au rebut.
AVERTISSEMENT : assurez-vous que l'ensemble de siège est solidement fixé sur le plateau de siège avant de monter à bord du tracteur ou de l'utiliser.
- Abaissez le siège en position de travail et asseyez-vous sur le siège. Enfoncez la pédale d'embrayage/de frein et maintenez-la enfoncée à fond. Si la position de conduite n'est pas confortable, réglez le siège.
RÉGLAGE DU SIÈGE
Saisissez la poignée de réglage (14) et tirez-la vers le haut. Faites glisser le siège dans la position souhaitée et relâchez la poignée de réglage.
IMPORTANT : avant d'utiliser le tracteur, assurez-vous que le détecteur de présence de l'opérateur fonctionne correctement (voir « CONTROLE DU DÉTECTEUR DE PRÉSENCE DE L'OPÉRATEUR » dans la section ENTRETIEN de ce manuel).
- Vis de mise à la masse (argentée)
- Câble NOIR (-)
- Câble ROUGE (+)
- Manchon de protection
- Extrémité cosse

AVERTISSEMENT: Le non-respect des instructions d'installation peut être à l'origine d'une production d'étincelles, d'arcs électriques ou de flammes nues susceptibles de provoquer des blessures corporelles graves ou des dommages matériels.

AVERTISSEMENT: S'assurer que le commutateur d'allumage du tracteur est sur la position d'arrêt (OFF) et que la clé de contact est RETIREE.
- Localiser la vis argentée de mise à la masse (1) sur la plaque latérale droite du tracteur, au-dessus de la roue arrière droite.
- Localiser les câbles de batterie NOIR et ROUGE situés dans la même zone. S'assurer que le câble ROUGE (3) est correctement fixé au solénoïde de démarreur, et que le câble NOIR (2) n'est pas attaché avec le manchon de protection (4) recouvrant complètement l'extrémité cosse (5).
- À l'aide d'une clé ou d'une douille de 13 mm (½ pouce), retirer complètement la vis argentée de mise à la masse (1) et la mettre de côté. NE PAS la mettre au rebut car elle sera réutilisée ultérieurement.
- Faire glisser le manchon de protection (4) du câble NOIR (2) vers l'arrière, de façon à exposer l'extrémité cosse (5).
- Réinstaller la vis argentée de mise à la masse précédemment retirée (1) à son emplacement initial en la faisant passer par l'extrémité cosse (5).
- Serrer correctement. Effectuer un contrôle visuel du câble pour vérifier que le manchon de protection (4) n'est en aucun point coincé sous la tête de la vis de mise à la masse. Si nécessaire, desserrer la vis argentée de mise à la masse, repositionner le manchon, puis resserrer la vis.
- Dépliez le sac et posez-le de sorte que le côté droit soit orienté vers le haut.
- Introduisez le châssis avant (1) à travers les boucles du sac en toile de chaque côté du bac.
- Enclenchez la partie inférieure du châssis avant (1) dans la pièce située à l'avant du fond du bac.
- Faites glisser les segments de boucle en toile (2), situés aux extrémités du sac, sur le tube du châssis supérieur du bac.
- Retirez deux boulons hexagonaux (1/4"-20 x 1,15") (3) de l'avant du châssis supérieur.
- Remettez les deux boulons hexagonaux (1/4"-20 x 1,15") (3) en place en passant à travers les orifices de la partie supérieure du châssis avant du bac et enfilez-les dans les écrous à l'intérieur des tubes du châssis.

- Placez les contre-écrous (1/4"-20) (4) dans la partie inférieure du châssis avant du bac.
- Dépliez les renforts (5) et fixez-les aux boulons de carrosserie dans les coins inférieurs du châssis avant du bac.
- Replacez les contre-écrous (1/4"-20)(4) et serrez-les jusqu'à ce qu'ils soient complètement bloqués.

text_image
4 5- Retirez l'axe de chape (6) et l'attache à ressort (7) de la poignée du bac (8).
- Faites glisser la poignée du bac (8) vers le bas à travers le couvercle et les orifices de la structure supérieure soudée du châssis.

text_image
7 8 6- Remettez l'axe de chape (6) en place en le faisant passer à travers l'orifice de la partie inférieure de la poignée du bac et faites glisser le ressort de retenue (7) dans l'orifice à l'extrémité de la cheville jusqu'à ce qu'il se verrouille en position.
REGLAGE DES MONTURES DE SUSPENSION
Le tracteur sort d'usine avec l'ergot du bac préréglé dans une position fixe. En cas de nécessité, cette position peut être ajustée afin de maintenir une distance suffisante (A) entre le garde-boue et la partie supérieure du bac. La distance idéale est de 0,2" environ (5,1 mm).
REMARQUE : La monture de suspension peut ainsi être ajustée au besoin de chaque côté.
- Déposez le bac.
REMARQUE : NE REGLEZ QU'UN COTE A LA FOIS. REGLAGE VERTICAL
- Desserrez les écrous des boulons du chariot (1) afin de pouvoir glisser la plaque de réglage (2) vers le haut ou vers le bas. Déplacez-la comme il convient. Resserrez correctement les écrous pour fixer la plaque de réglage dans sa nouvelle position.
- Répétez la procédure pour le côté opposé.

- Desserrez les écrous des boulons du chariot (3) afin de pouvoir glisser la plaque de réglage (4) vers l'avant ou vers l'arrière. Déplacez-la comme il convient. Resserrez correctement les écrous pour fixer la plaque de réglage dans sa nouvelle position.
- Répétez la procédure pour le côté opposé.

text_image
A 4 3- Recommencez le réglage si nécessaire.
POUR INSTALLER LES RESSORTS DE BLOCAGE DU BAC DE RAMASSAGE
Les ressorts se trouvent sur la plaque de fond (1), un dans chaque coin inférieur.
- Avant l'installation, couper le moteur du tracteur et serrer le frein à main.
- Installer chaque ressort de blocage en orientant la boucle (2) vers le bas, face au bac de ramassage.
- Introduire le boulon (3) dans l'extrémité recourbée du ressort de blocage, à travers la plaque de fond, puis le fixer à l'aide de l'écrou (4) comme illustré. Serrer à fond.

text_image
BAG LATCH ③ ② ① ④- Le fond du bac de ramassage doit entrer en contact avec la boucle de manière à être solidement maintenu en place une fois fermé.

REMARQUE : Après un réglage en hauteur de l'ensemble du bac de ramassage, il peut être nécessaire d'ajuster la hauteur du ressort du bac pour maintenir l'ensemble du bac correctement fermé. Pour effectuer cet ajustement, desserrez suffisamment l'écrou (4) pour permettre un déplacement du verrou à ressort du bac. Faites glisser le verrou à ressort du bac vers le haut ou vers le bas de manière à assurer que l'ensemble du bac de ramassage soit correctement fermé. Resserrez correctement l'écrou.
POUR INSTALLER LE LEVIER DE VIDAGE DU BAC AVEC L'EXTENSION
Le moteur du tracteur doit être à l'arrêt et le frein à main serré avant toute tâche d'installation ou de réglage.
- Démontez la goulotte d'éjection centrale. (Voir la section 6 "Démontage de la goulotte centrale" du présent manuel.)
- Enlevez le boulon (1). Placez le levier (2) dans l'encoche et remontez le boulon (1). Effectuez le réglage nécessaire.

Faites glisser le levier de vidage du bac avec palette dans la position voulue (3).
- Pour l'herbe plus lourd/humide, poussez le levier de vidage entièrement à l'intérieur.
- Pour une herbe plus légères/sèche, tirez le levier de vidage entièrement à l'extérieur.

PARA MONTAR EL CONTENEDOR
FR REGLAGE DES ROULETTES DE JAUGE (le cas échéant)
Les roulettes de jauge sont correctement réglées lorsqu'elles se trouvent légèrement au-dessus du sol pendant la tonte, le carter de coupe étant à la hauteur désirée pour la coupe.
- Régler les roulettes de jauge lorsque le tracteur se trouve sur un terrain plat.
- Régler le carter de coupe à la hauteur de coupe désirée.
- Lorsque le carter de coupe est à la hauteur souhaitée, la roulette de jauge doit être placée légèrement au dessus du sol. Fixer la roulette de jauge dans le trou approprié du support situé sur le carter de coupe à l'aide de la boulon, de la rondelle plate et de l'écrou frein. Serrer à fond.
- Répéter cette opération pour l'autre côté en plaçant la seconde roulette dans le trou correspondant à celui utilisé pour la première roulette de jauge.
3. Description du fonctionnement. 3. Descripción del funcionamiento.
Emplacement des commandes
- Interrupteur des phares
- Commande des gaz et starter
- Pédale de frein et d'embrayage
- Levier de commande de la boîte de vitesses
- Embrayage/débrayage du groupe de coupe
- Abaissement et relevage du plate au de coupe
- Serrure de contact
- Frein de parking

FR 2. Commande des gaz et starter
La commande des gaz permet de faire varier le régime du moteur et donc la vitesse de rotation des lames. En poussant la manette vers le haut jusqu'en butée, le stater s'enclenche automatiquement. Lorsque la manette se trouve en position la plus basse, le moteur tourne au ralenti. Entre ces deux positions extrêmes, se trouve le régime optimum pour la tonte. Il est signalé par une encoche située sur le bord de la fente dans laquelle se déplace la manette.
FR 3. Pédale de frein/D'embrayage
Permet de débrayer et de freiner le tracteur et de démarrer le moteur.
ES 3. Pedal del embrague/Freno
4. Commande de la boîte de vitesses
La boîte de vitesses possèdent des vitesses avant, une position neutre (point mort) et une marche arrière. Le pas sage des vitesses peut s'effectuer du point mort jusqu'à la vitesse maximale sans s'arrêter sur les rapports intermédiaires. Toutefois il est indispensable d'appuyer sur la pédale d'embrayage (et donc de débrayer) lorsqu'on passe d'un rapport à un autre, quel qu'il soit! Le démarrage du tracteur pouvant intervenir indépendamment de la po si tion du levier de vitesse, il est in dis pens able de bien vérifier que celui-ci est au point mort avant d'actionner la clef de contact et de démarrer le moteur.
REMARQUE!
Toujours stopper le tracteur avant de passer de la marche arrière à un rapport de marche avant et inversement. Le passage entre les différents rapports de marche avant ne doit jamais être effectué pen dant le déplacement du tracteur. Ne jamais forcer sur le levier lors du passage d'un rapport dans un autre.

FR 5. Commande d'embrayage et de débrayage du carter de coupe
Pousser le levier vers l'avant et le verrouiller pour embrayer le carter de coupe. Les courroies d'entraînement seront alors en tension et les lames commenceront à tourner. Ramener le levier vers l'arrière pour débrayer le carter de coupe, les lames seront alors freinées par le frottement des patins de frein sur les poulies d'entraînement.
6. Relevage et abaissement du carter de coupe
Tirer sur le levier vers l'arrière pour relever rapidement le carter de coupe lors du passage sur une surface accidentée. Pour le transport, le carter de coupe doit être dans sa position la plus élevée (relevé au maximum). Pour cela, tirer le levier vers l'arrière jusqu'à sa butée.
7. Clé de contact et de démarrage
La clé de contact a quatre positions différentes.
OFF Le circuit électrique est coupé (éteint)
ROS ON Sécurité Marche Arrière (ROS) branchée
ON Le circuit électrique est fermé (allumé)
START Le démarreur du moteur est alimenté
Le dispositif de sécurité marche arrière (ROS) permet de faire fonctionner une faucheuse ou tout autre équipement quand la marche arrière est enclenchée (Voir Section 5 – "Conduite").
ATTENTION!
Lorsque la machine doit rester sans surveillance, même pour un court instant, toujours arrêter le moteur, mettre le levier de commande de vitesse au point mort (Neutre) et retirer la clé de contact.
8. Frein de stationnement
Pour enclencher le frein de stationnement :
- Enfoncer à fond la pédale d'embrayage/frein
- Relever vers le haut le levier du frein de stationnement et le maintenir dans cette po si tion.
- Relâcher la pédale d'embrayage/frein. Relâcher le levier du frein de stationnement qui restera dans sa position verrouillée (en haut).
Pour desserrer le frein de parking, il suffit d'enfoncer la pédale d'embrayage/frein pour que le levier du frein de parking soit déverrouillé et qu'il revienne automatiquement dans sa po si tion de repos.

4. Avant de démarrer. 4. Antes del arranque.
(FR) Plein de carburant
Remplissez jusqu'au fond de la goulotte de remplissage du réservoir de carburant. Ne remplissez pas excessivement. Utilisez de l'essence fraîche, propre et sans plomb ayant un indice d'octane d'au moins 91 RON (87 AKI aux États-Unis). Ne mélangez pas l'huile à l'essence. Achetez le carburant par quantités pouvant être utilisées dans les 30 jours pour assurer sa fraîcheur.
ATTENTION!
L'essence est un produit inflammable. Prendre les précautions nécessaires et faire le plein en extérieur. Ne jamais fumer lors du remplissage du réservoir, ou à proximité, et ne pas refaire le plein tant que le moteur est encore chaud. Ne pas trop remplir le réservoir, penser à l'expansion de l'essence à la chaleur ce qui risquerait d'entraîner le débordement du réservoir. Toujours s'assurer, après le plein, que le bouchon du réservoir est correctement vissé et serré. Conserver l'essence dans un récipient spécialement conçu à cet effet et dans un local frais et aéré. Vérifier régulièrement le réservoir et le circuit d'alimentation en carburant.
Le bouchon de remplissage d'huile et la jauge d'huile sont accessibles lorsque le capot est relevé. Il convient de vérifier le niveau d'huile dans le moteur avant chaque utilisation. Assurez-vous que le tracteur se trouve sur une surface plane. Dévissez la jauge d'huile et nettoyez-la. Replacez la jauge d'huile sans la visser. Retirez-la à nouveau et vérifiez le niveau.

text_image
CAUTION - DOFR Le niveau d'huile doit se situer entre les deux marques indiquées sur la jauge d'huile. Si nécessaire, ajoutez de l'huile jusqu'en haut de la section hachurée sur la jauge. Pour connaître la capacité approximative et le type d'huile, reportez-vous à la section « CARACTERISTIQUES DU PRODUIT » du présent manuel. Ne remplissez pas excessivement.
FR Pression de gonflage des pneus
Vérifier régulièrement la pression de gonflage des pneus. Vérifiez si les pneus sont correctement gonflés à la pression indiquée sur les pneus.
Asseyez-vous sur le siège en position de conduite, appuyez sur la pédale de frein et tirez le frein à main. S'assurer que le carte de coupe est en position de transport (en position supérieure) et que le contrôle pour l'embrayage/débrayage du carte de coupe est en position de débrayage.
REMARQUE!
La machine est équipée d'un dispositif de sécurité qui arrête le moteur immédiatement, s'il est encore en fonctionnement, lorsque le conducteur quitte le siège. Le carter de coupe est également muni d'un dispositif de sécurité qui empêche l'embrayage des lames tant que le collecteur ou le déflecteur (en option) ne sont pas correctement mis en place à l'arrière du tracteur.

Arranque del motor
Tourner la clef de contact en position de démarrage "START".
REMARQUE
Ne pas faire tourner le démarreur pendant plus de 5 secondes à la fois. Si le moteur ne démarre pas, attendre une dizaine de secondes avant de refaire un essai de démarrage.
FR Laisser revenir la clef de contact à la position "ON" lorsque le moteur a démarré. Amener la manette de gaz à la po si- tion de régime moteur désiré. Pour la coupe, positionner la manette dans l'encoche correspondant au régime moteur optimal pour la tonte (acclération maximale du moteur).
Abaisser le carter de coupe en amenant le levier vers l'avant. Embrayer les lames. Choisir la vitesse d'avancement en fonction du terrain et de la qualité de tonte désirée (Généralement, la position optimale correspond à l'encoche prévue à cet effet au niveau de la commande des gaz). Relâcher doucement la pédale d'embrayage/frein.
ES Conducción
Moteur "ON" (Fonctionnement normal)
Motor "ON" (Funcionamiento Normal)
Sécurité Marche Arrière (ROS)
Votre tracteur est équipé d'un dispositif de sécurité de fonctionnement en marche arrière (ROS). Dès que l'opérateur essaie d'enclencher la marche arrière en actionnant l'embrayage de l'équipement, le moteur s'arrête si la clé de contact n'est pas en position ROS "ON" (sécurité marche arrière).
ATTENTION! Il est fortement déconseillé de faire marche arrière avec l'embrayage de l'équipement enclenché. Mettre la sécurité ROS en position "ON" pour faire marche arrière avec l'embrayage de l'équipement enclenché uniquement lorsque l'opérateur décide que cette opération est nécessaire pour repositionner le tracteur avec l'équipement enclenché. N'utiliser la faucheuse en marche arrière que si c'est absolument nécessaire.
UTILISATION DU DISPOSITIF DE SECURITE ROS
- Appuyer sur la pédale d'embrayage/frein jusqu'en bas.
- Laisser tourner le moteur et tourner la clé de contact vers la gauche sur ROS "Marche" (ON).
- Regarder en bas et derrière avant de faire marche arrière.
- Enclencher le levier de vitesse sur marche arrière et relâcher lentement la pédale embrayage/frein.
- Quand les manœuvres avec le dispositif ROS sont terminées, tourner la clé de contact vers la droite sur la position Moteur "Marche" (ON).

FR Conseils pour la tonte
- Retirer de la pelouse, les pierres et autres objets qui pourraient être propulsés par les lames et devenir ainsi des pro jec tiles dangereux.
- Localiser et marquer les pierres et autres obstacles fixes afin d'éviter une éventuelle collision pendant la tonte.
- Commencer par couper assez haut, puis réduire progressivement cette hauteur de coupe jusqu'à ob ten tion du résultat souhaité.
- Le meilleur résultat de coupe sera obtenu avec un régime de rotation du moteur élevé (Les lames tournent très vite) et une vitesse d'avancement réduite (Le tracteur avance lentement). Si l'herbe n'est pas trop longue, ni trop épaisse, vous pouvez augmenter la vitesse en passant une vitesse supérieure ou en augmentant la vitesse du moteur, sans compromettre le résultat final.
- Les plus belles pelouses sont celles qui sont tondues souvent. La coupe est plus régulière et l'herbe est mieux répartie sur la surface. Le temps passé pour effectuer la tonte ne sera pas nécessairement plus important, car la vitesse d'avancement pourra être plus élevée sans que l'aspect de la pelouse n'en soit affecté.
- Eviter de tondre une pelouse mouillée, car la qualité de la coupe ne pourrait être correcte du fait de l'enfoncement des roues du tracteur dans le sol.
- Nettoyer le carter de coupe, et en particulier le fond, au jet ou au nettoyeur à haute pression, après chaque utilisation. Une raclette peut être utile pour décoller l'herbe fraîche du carter ou de la goulotte d'éjection.
Pour convertir la tondeuse:
(Pour la conversion à paillage ou éjection arrière, l'achat de ces accessoires est nécessaire).
Pour le paillage
- Mettez le châssis en position de coupe haute.
- Déposez le bac ou le déflecteur d'éjection arrière en option.
- Décrochez les deux (2) sangles et déposez la goulotte d'éjection.
- Introduisez le bouchon et la manette dans la plaque arrière et sur l'adaptateur de la goulotte du châssis de la tondeuse.
- Fixez le bouchon en reliant les deux sangles au-dessus de la poignée et le crochet dans les orifices présents.
- Remettre en place le collecteur ou le déflecteur optionnel à l'arrière du tracteur. Ceci est in dis pens able pour tondre du fait du contacteur de sécurité situé au niveau du panneau arrière.
Vous êtes à présent prêt à commencer le paillage.
Vers la goulotte d'éjection arrière
- Mettez le châssis en position de coupe haute.
- Déposez le bac et la plaque de paillage (si installée).
- Installez la goulotte d'éjection par l'ouverture dans la plaque arrière et faites-la glisser au-dessus de l'adaptateur du châssis.
- Attachez la goulotte en accrochant les deux sangles dans les orifices dans la bride de la goulotte.
- Fixez le déflecteur d'éjection à la plaque arrière en vis-sant les quatre (4) vis à oreilles dans les inserts filetés se trouvant dans la plaque arrière.
- Serrez fermement les vis à oreilles.
Pour l'ensachage
- Mettez le châssis en position de coupe haute.
- Déposez le déflecteur d'éjection arrière ou la plaque de déchiquetage.
- Introduisezlagoulotted'éjection dans l'ouverturesituée dans laplaque arrière etsurl'adaptateur duchâssis de latondeuse.
- Attachez la goulotte au tracteur en accrochant les deux sangles à la bride de la goulotte.
• Montez le bac sur le tracteur.

Para convertir la segadora:
FR Pour vider le bac
Votre tracteur est muni d'une alarme de bascule du sac. Pour désactiver l'alarme, désengager la commande de l'embrayage.
- Amener le tracteur là ou vous souhaitez le décharger.
- Vérifier que la boîte de vitesse est au point mort. Engagez le frein de stationnement.
- Tirer le leiver de vidange du bac vers le haut puis vers l'avant afin d'ouvrir le bac et vider l'herbe coupée.
- Remettre ensuite le levier dans sa position initiale. Vérifier que le collecteur est bien refermé et qu'il se trouve dans la bonne position avant de réembrayer les lames.
- Ne jamais utiliser un tracteur sur des pentes excédant 15°. Les risques de renversement étant alors très importants.
- Ne jamais rouler parallèlement à la pente du fait des risques de renversement. Toujours rouler perpendiculairement à la pente, aussi bien en montant, qu'en descendant.
- Ne jamais arrêter ou démarrer un tracteur en pente.

ADVERTENCIA!
(FR) Arrête le moteur
Débrayez la commande de l'embrayage. Positionnez l'accélérateur sur la vitesse rapide. Relevez l'unité de coupe et tournez la clé de contact sur la position d'arrêt "STOP".
ES Apagar el motor
Ne jamais laisser la clé de contact sur la ma chine lorsqu'elle reste sans surveillance afin d'éviter que des enfants ou d'autres personnes non autorisées ne puissent démarrer le moteur.
ES ADVERTENCIA!
Avant toute intervention sur le moteur ou le carter de coupe suivre les instructions ci-dessous:
- Enfoncer la pédale d'embrayage/frein pour verrouiller le frein de stationnement.
- Amener le levier de vitesse en position "Neutre" (point mort).
• Débrayer les lames. - Arrêter le moteur.
- Débrancher le câble d'allumage de la bougie.

ADVERTENCIA!
(2) Connexion des phares

(1) Cubierta
- Relever le capot,
• Débrancher les phares, - Après s'être placé devant le tracteur, prendre le capot par les côtés, le faire basculer vers l'avant puis le soulever pour le libérer des encoches qui le retiennent au châssis.
• Pour le remettre en place, repositionner les ergots du capot dans les encoches du châssis. - Rebrancher les phares et refermer le capot.

Cubierta del motor
REMARQUE : Le tracteur doit être entretenu régulièrement afin de maintenir ses performances.

ATTENTION! Toujours débrancher le fil de la bougie, afin d'éviter tout démarrage accidentel, lors d'une réparation, d'une inspection ou d'une opération de maintenance.
Avant chaque utilisation :
- Contrôler le niveau d'huile et lubrifier, si nécessaire, les points d'articulation,
- Vérifier que tous les boulons, écrous et épingles sont en place et solidement fixés,
- Contrôler la batterie, ses cosses et sa mise à l'air libre,
- La recharger doucement à 6 ampères, si nécessaire,
- Nettoyer la grille de ventilation du moteur,
- Nettoyer le filtre à air,
- Nettoyer le tracteur afin d'évacuer la poussière et les brindilles qui risqueraient d'endommager le moteur ou de provoquer un échauffement anormal.
• Vérifier le fonctionnement du frein.
Nettoyage
Il n'est pas recommandé de nettoyer le tracteur à l'aide d'un tuyau d'arrosage ou d'un appareil de nettoyage haute pression, sauf si le moteur et la transmission sont correctement protégés contre l'eau. Une pénétration d'eau dans le moteur ou la transmission réduirait la durée de vie utile du tracteur. Utiliser de l'air comprimé ou un souffleur de feuilles pour retirer l'herbe, les feuilles et les saletés du tracteur et de la tondeuse.
Nettoyage De La Plaque De Direction :
- Nettoyez toute trace de débris sur la plaque de direction. Les débris peuvent empêcher le mouvement de l'arbre de la pédale de frein/d'embrayaget, provoquant le glissement de la courroie avec perte d'entraînement.

ATTENTION: Évitez les points de coïncement et les pièces mobiles.

1. ATTENTION : POINTS DE COINCEMENT
- La Plaque De Direction.
- Système de direction, tableau de bord, pare-chocs et faucheuse non illustrés.
- Nettoyez le haut.
- Pédale de frein/d'embrayage.

Mantenimiento
PRUDENCE: Si le moteur a tourné pendant une période prolongée juste avant la vidange de l'huile, l'huile sera chaude.
- Glissez le bec de vidange sur le châssis, sous l'orifice de vidange.
- Placez un récipient sous le bec pour récupérer l'huile.
- Dévissez et enlevez le bouchon de vidange à l'aide d'une clé à douille de 1/2 pouce (12 points) (rallonge recommandée).
- Vidangez l'huile à travers le bec de vidange.
• Refermez le bouchon de vidange d'huile
ATTENTION: Ne serrez pas excessivement(13 Ft. Lbs./17 Nm).
- Orifice de vidange d'huile
- Bec de vidange d'huile
- Bouchon de vidange d'huile
ES PARA CAMBIAR EL ACEITE
- Vis de mise à la masse (argentée)
- Manchon de protection
- Extrémité cosse
- Câble ROUGE (+) de batterie
- Goujon de solénoïde
- Support de porte de compartiment batterie (en position ouverte sur l'illustration)
ES 1. Batería
- Porte de compartiment batterie
- Supports de porte de compartiment batterie
- Écrou carré
- Boulon
- Câble NOIR (-)
- Borne de batterie
A. AVANT DU TRACTEUR
AVERTISSEMENT: Le non-respect des instructions peut être à l'origine d'une production d'étincelles, d'arcs électriques ou de flammes nues susceptibles de provoquer des blessures corporelles graves ou des dommages matériels. Avant de manipuler la batterie (1), retirer tout bijou (bracelets métalliques, bracelet de montre, bagues, etc.). Un contact entre ces objets et la batterie provoquerait des brûlures.
AVERTISSEMENT: S'assurer que le commutateur d'allumage du tracteur est sur la position d'arrêt (OFF) et que la clé de contact est RETIRÉE.
DÉPOSE
- Localiser la vis argentée de mise à la masse (2) sur la plaque latérale droite du tracteur, au-dessus de la roue arrière droite.
- À l'aide d'une clé ou d'une douille de 13 mm (½ pouce), retirer complètement la vis argentée de mise à la masse (2) et la mettre de côté.
- Tirer le manchon de protection (3) sur l'extrémité cosse exposée (4) de façon à la recouvrir COMPLETEMENT.
- À l'aide d'une clé ou douille de 11 mm (7/16 pouces), déposer le gros câble de batterie ROUGE (+) (5) du goujon de solénoïde (6). NE PAS DEPOSER le petit câble rouge du faisceau de câblage du goujon de solénoïde.
ATTENTION: Le support de porte de compartiment batterie (7) doit reposer dans la fente située en dessous de la porte du compartiment de batterie (8) lorsque cette dernière est en position ouverte, et être maintenu par les fixations (9) au-dessus de la porte du compartiment batterie (8) lorsqu'elle est en position fermée.
- Depuis l'arrière du tracteur, ouvrir la porte du compartiment batterie (8) et la bloquer dans la fente.
- Extraire la batterie (1) de son compartiment avec les deux câbles fixés et la faire reposer sur la porte du compartiment batterie (8).
ENTRETIEN
- Déposer les écrous carrés (10), les boulons (11) et les câbles de la batterie.
- Nettoyer/déposer/remplacer la batterie (1) selon le besoin.
INSTALLATION
AVERTISSEMENT: La borne positive (+) doit être connectée EN PREMIER pour éviter la formation d'étincelles résultant d'une mise à la terre accidentelle.
- Connecter le câble de batterie ROUGE (5) à la borne (+) puis le câble NOIR (12) à la borne (-) à l'aide des écrous carrés (10) et des boulons (11) précédemment déposés. Serrer au maximum.
REMARQUE : Le câble NOIR (12) doit être doté d'un manchon de protection (3) au niveau de l'extrémité cosse connectée au châssis du tracteur.
- Graisser les bornes de la batterie (13) pour éviter la corrosion.
- Pour l'installation, inverser les étapes de la procédure de dépose.
ES MANTENIMIENTO DE LA BATERÍA
| Consigner les dates d'intervention après chaque opération d'entretien. | Selon les besoins | Toutes les 8 H | Toutes les 25 H | Toutes les 50 H | Toutes les 100 H | Toutes les 200 H |
| Vidange de l'huile moteur (sans filtre à huile) * ...... | ...... | ...... | ● | |||
| Vidange de l'huile moteur (avec filtre à huile) * ...... | ...... | ...... | ● | |||
| Graissage des articulations ...... | ...... | ...... | ● | |||
| Vérification des freins ...... | ● | |||||
| Nettoyage de la grille d'aération * ...... | ...... | ● | ||||
| Remplacement de la cartouche du filtre à air * ...... | ...... | ● | ||||
| Nettoyage des ailettes de refroidissement moteur * ...... | ...... | ● | ||||
| Remplacement de la bougie ...... | ...... | ● | ||||
| Vérification du gonflage des pneus ...... | ● | |||||
| Remplacement du filtre à carburant ...... | ...... | ● | ||||
| Charger la batterie (12,4 volts minimum) ...... | ● | |||||
| Nettoyage des cosses de la batterie et des connexions * | ...... | ● | ||||
| Vérification du pot d'échappement ...... | ...... | ● |
Inspectez le silencieux toutes les 50 heures de fonctionnement ou tous les six mois pour vérifier qu'il est exempt de détériorations. S'il présente des détériorations, reportez-vous à la liste des pièces de réparation ou contactez votre revendeur local pour commander une pièce de rechange.
* Nettoyez l'élément plus souvent en cas d'utilisation dans un environnement sale ou poussiéreux.

INFORME DE SERVICIO
La grille d'aération se trouve au-dessus de la prise d'air du souffleur, située au-dessus du moteur. Veillez à ce que la grille d'aération reste exempte de poussière et de brindilles afin d'éviter tout endommagement du moteur par surchauffe. Nettoyez-la à l'aide d'une brosse métallique ou d'air comprimé afin d'éliminer la poussière et les fibres de gomme séchées les plus tenaces.
FILTRE À AIR
Votre moteur risque de ne pas fonctionner correctement si vous utilisez un filtre à air sale. Nettoyez le filtre à air plus souvent en cas d'utilisation dans des conditions poussiéreuses.
ES LIMPIEZA DE LA MALLA DE AIRE
Système de détection opérateur et sécurité de marche arrière (ROS)
S'assurer que les dispositifs de sécurité (présence opérateur et marche arrière) fonctionnement correctement. Si votre tracteur ne fonctionne pas comme il est décrit plus haut, remédier au problème immédiatement.
- Le moteur ne devrait pas démarrer si la pédale du frein n'est pas complètement appuyée et si l'embrayage de l'équipement n'est pas relâché.
VERIFIER LE CAPTEUR DE PRESENCE OPERATEUR:
- Le moteur s'arrêtera chaque fois que l'opérateur se lève de son siège sans avoir d'abord enclenché le frein de stationnement.
- Le moteur s'arrêtera chaque fois que l'opérateur se lève de son siège et que l'embrayage de l'équipement est enclenché.
- L'embrayage de l'équipement ne devrait jamais être enclenché si l'opérateur n'est pas assis dans son siège.

- Le moteur s'arrêtera chaque fois que l'opérateur essaie d'enclencher la marche arrière quand la clé de contact est sur la position Moteur "Marche" (ON) et que l'embrayage de l'équipement est enclenché.
- Le moteur s'arrêtera chaque fois que l'opérateur essaie d'enclencher la marche arrière quand la clé de contact est en position ROS "Marche" (ON) et que l'embrayage de l'équipement est enclenché.

Les lames doivent être parfaitement affûtés pour obtenir une belle coupe. L'affûtage peut être réalisé à l'aide d'une lime ou d'une meule.
REMARQUE: Il est très important d'affûter les deux extrémités de la lame de façon identique afin d'éviter tout déséquilibrage.

Cuchillas
ATTENTION: Les deux lames de la tondeuse sont différentes et chacune d'entre elles doit être installée à sa place dans le carter de coupe. Il est vivement conseillé de travailler sur une lame à la fois pour s'assurer du bon as sem blage des composants.

- Relever au maximum la machine pour avoir accès aux lames de coupe.
- Enlevez le boulon de blocage de la lame.
- Mettre en place une lame neuve, ou la lame d'origine réaffutée, avec le tranchant tourné vers le haut (fond du carter de coupe), comme indiqué sur la figure.
ATTENTION: Le montage de la lame est correct lorsque son alésage central en forme d'étoile est parfaitement emboîtée sur l'étoile se trouvant à l'extrémité du moyeu.
ATTENTION: La vis de fixation de la lame est traitée thermiquement en classe 8, bien respecter le couple de serrage.
- Lame avec orifice en forme d'étoile à cinq branches Le centre de cette lame est doté d'un orifice en forme d'étoile à cinq (5) branches. Le boulon de fixation de cette lame est doté d'un filetage normal à droite. Pour le desserrer, le tourner dans le sens antihoraire (√) et pour le serrer, le tourner dans le sens horaire (√)
- Réinstaller le boulon de la lame et bien le serrer (62-75 Nm.).
2. Lame avec Étoile des Six Branches
Cette lame est fixée au moyeu par un boulon avec filetage à gauche. On déserre le boulon en le faisant tourner dans le sens des aiguilles d'une montre et on le resserre en le faisant tourner dans le sens inverse.
- Remettre en place la rondelle plate, la rondelle grower et la vis dans l'ordre indiqué.
- Resserrer la vis avec un couple de serrage de 37-47 Nm.

FR Pour enlever la goulotte de centrage
- Déposez le bac.
• Déposez les écrous à oreilles (1). - Faites glisser la goulotte de centrage (2) à l'extérieur de la partie postérieure du tracteur.
- Pour le montage, procédez dans le sens inverse du démontage.
Pour Démonter La Faucheuse
- Déposez la goulotte de centrage comme décrit précédemment.
- Placez l'embrayage de l'accessoire en position "DÉGAGÉ".
- Faites descendre le levier de levage de l'accessoire dans sa position la plus basse.
• Retirez le cache de l'arbre.
• Pour retirer le câble (P), appuyez sur le taquet (L) - Otez la courroie de la faucheuse de la poulie de l'embrayage (M).
- Déposer le ressort en forme d'épingle à cheveauz (E) et enlever le levier.
- Déposer le ressort en forme d'épingle à cheveauz (A) et enlever le levier.
- Déposer le ressort en forme d'épingle à cheveauz (D) et enlever le levier.

PRUDENCE: Le levier de levage est à ressort. Saisissez-le fermement et libérez-le lentement.
- Faites sortir la faucheuse en la faisant glisser par l'avant du tracteur.

FR Mise en place du carter de coupe
- Pousser le carter de coupe sous le tracteur. Le déflecteur du canal d'éjection doit se trouver du côté droit.
- La mise en place se fait dans l'ordre inverse de celui de la dépose.
FR Pour remplacer la courroie de transmission
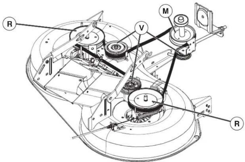
DÉMONTAGE DE LA COURROIE DE TRANSMISSION DE LA TONDEUSE
- Garez le tracteur bien à plat. Engagez le frein de stationnement.
- Faites descendre le levier de levage de l'accessoire dans sa position la plus basse.
- Eliminez la saleté ou les brins d'herbe qui s'accumulent autour des arbres et à la surface du pont supérieur.
- Retirez la courroie de la poulie d'embrayage (M), de la poulie du mandrin (R) et des poulies guides (V). MONTAGE DE LA COURROIE DE TRANSMISSION DE LA TONDEUSE
- Placez la courroie autour des deux poulies (R) de l'arbre et des poulies folles (V) de la façon illustrée.
- Montez la courroie sur la poulie (M) de l'embrayage.
IMPORTANT: Vérifiez si la courroie est correctement passée dans toutes les gorges des poulies de la tondeuse. - Faites monter le levier de levage de l'accessoire dans sa position la plus élevée.

Pour mettre la tondeuse à niveau
Vérifiez si les pneus sont correctement gonflés à la pression indiquée sur les pneus. Des pneus trop ou trop peu gonflés risquent de nuire à l'aspect de votre pelouse et de vous laisser croire que votre tondeuse est mal réglée.
- Si votre pelouse est inégale même si les pneus sont correctement gonflés, observez de quel côté la tondeuse tond plus bas.
- Avec une clé de 3/4 de pouce ou une clé réglable, faites tourner l'écrou de réglage (A) vers la gauche pour baisser la tondeuse ou vers la droite pour la monter (Fig. 1).
REMARQUE: Chaque tour complet de l'écrou de réglage fait monter (descendre) la tondeuse de 3/16 de pouce environ.
- Vérifiez si votre réglage est correct en tondant un peu d'herbe et en observant l'aspect final. Répétez le réglage en cas de besoin jusqu'à ce que vous soyez satisfait du résultat.
RÉGLAGE BILATÉRAL DE PRÉCISION
- Les pneus étant correctement gonflés, garez le tracteur sur un sol plat ou dans une allée.
⚠ DANGER: La lame est tranchante. Protégez vos mains en portant des gants et(ou) enveloppez les lames dans une étoffe épaisse.
2. Faites monter la tondeuse dans sa position la plus élevée.
3. Des deux côtés de la tondeuse, placez la lame sur le côté et mesurez la distance (A) entre le bas de la lame et le sol. La distance doit être la même des deux côtés (Fig. 2).
4. Si vous devez effectuer le réglage, reportez-vous aux étape 2 des Instruction du réglage visuel qui précèdent.
5. Vérifiez à nouveau la distance et réglez-la au besoin jusqu'à ce que les deux côtés soient identiques.
RÉGLAGE D'AVANT EN ARRIÈRE
IMPORTANT: Le pont doit être mis à niveau bilatéralment.
Pour que la coupe soit parfaite, les lames de la tondeuse doivent être réglées de façon à ce que la pointe avant se trouve 1/8-3/8" pouce plus bas que la pointe arrière lorsque la tondeuse est dans sa position la plus élevée.
⚠ DANGER: La lame est tranchante. Protégez vos mains en portant des gants et(ou) enveloppez les lames dans une étoffe épaisse.
- Faites monter la tondeuse dans sa position la plus élevée.
- Placez les lames de façon à ce que la pointe soit orientée vers l'avant. Mesurez la distance (B) entre le sol et les pointes avant et arrière de la lame (Fig. 3).
- Si la pointe avant de la lame n'est pas 1/8–3/8" pouce plus bas que la pointe arrière, allez à l'avant du tracteur.
- Avec une clé réglable ou de 11/16 pouce, desserrez le contre-écrou (A) de plusieurs tours pour libérer le contre-écrou B.
- Avec une clé de 3/4 de pouce ou une clé réglable, faites tourner l'écrou de réglage (B) de la connexion avant en sens horaire (serrage) pour faire monter l'avant de la tondeuse ou en sens antihoraire (desserrage) pour l'abaisser (Fig. 4).
REMARQUE: Chaque tour complet de l'écrou de réglage fait monter (descendre) la tondeuse de 1/8 de pouce environ.
- Vérifiez à nouveau la mesure, réglez au besoin jusqu'à ce que la pointe de la lame se trouve 1/8–3/8" de pouce plus bas que la pointe arrière.
- Maintenez l'écrou de réglage dans cette position à l'aide de la clé et serrez solidement le contre-écrou contre l'écrou de réglage.

text_image
Fig. 1 A
text_image
Fig. 2 A A
Pour remplacer la courroie de transmission du mouvement
DÉPOSE
- Garez le tracteur sur une surface plane. Serrez le frein de stationnement.

ATTENTION : Veillez à ce que la clé de contact soit retirée pendant les opérations effectuées sur le tracteur.
- Déposez le bac.
- Déposez la goulotte d'éjection de centrage comme décrit précédemment.
- Déposer l'unité de coupe comme décrit précédemment.
- Depuis la partie postérieure du tracteur, travaillez à travers la plaque arrière et déposez la courroie de transmission de la tondeuse de la poulie de la boîte-pont (1) et des poulies folles arrière (2).
- Déposez la courroie des poulies folles intermédiaires (3)
- Sortez la courroie de la poulie du moteur (4) et faites-la passer autour du guide de courroie (5).
INSTALLATION
- Démarrez la courroie au-dessus de la plaque du support de direction (6) à gauche de l'arbre de direction (7).
REMARQUE: Veillez à ce que la courroie se trouve au-dessus de la partie supérieure de l'embrayage/arbre de la pédale de frein (8).
- Faites passer la courroie sur la poulie du moteur (4) et sous le guide de courroie (5).
- Continuez l'installation de la courroie dans l'ordre inverse de sa dépose.
IMPORTANT: Contrôlez la courroie pour assurer son bon acheminement dans toutes les gorges et les guides de poulie de la tondeuse.

Pour Vérifier Le Frein
Le tracteur a besoin de plus de cinq (5) pieds pour s'arrêter complètement lorsqu'il est lancé à pleine vitesse et que la vitesse supérieure est engagée, sur une surface en béton sec ou pavée, les freins ont donc besoin d'être entretenus.
Vous pouvez aussi vérifiez le frein en:
-
Stationnant le tracteur sur une surface plate, en béton sec ou pavée, en appuyant à fond sur la pédale de frein et en engageant le frein de stationnement.
-
Vérifier que la boîte de vitesse est au point mort.
REMARQUE: La boîte de vitesse est au point mort lorsque les roues arrières du tracteur peuvent être manoeuvrées librement.
Les roues arrière doivent se verrouiller et patiner si vous essayez de pousser le tracteur à la main vers l'avant. Si les roues arrière tournent, le frein a besoin d'être révisé. Adressez-vous à un service après-vente ou à un mécanicien spécialisé.

Controlar El Freno
Le châssis de votre tracteur est doté d'un port de lavage nécessaire pour le nettoyage. Il est conseillé d'en faire usage après chaque utilisation de la tondeuse.
REMARQUE: Pour les modèles avec des protections françaises, le port de lavage se trouve sur la protection gauche, juste devant le pneumatique arrière.
- Amenez le tracteur sur une surface plane, assez près d'une arrivée d'eau pour y brancher votre tuyau d'arrosage.
IMPORTANT : Veillez à ce que la goulotte d'éjection du tracteur ne soit PAS orientée vers votre maison, garage, voiture en stationnement, etc. Retirez l'ensacheuse ou le cache-paillis, si présent.
- Vérifiez que la commande d'embrayage de l'équipement est en position "DÉBRAYÉE", mettez le frein de stationnement et arrêtez le moteur.
- Reculez le collier de serrage de l'adaptateur d'embout sur le tuyau d'arrosage (A) et enfoncez l'adaptateur dans le port de lavage, à l'extrémité gauche du châssis de la tondeuse (B). Replacez le collier de serrage pour fixer l'adaptateur sur l'embout.
IMPORTANT : Tirez sur le tuyau pour vous assurer qu'il est bien attaché.
- Ouvrez l'arrivée d'eau.
- Prenez place sur le fauteuil du tracteur, puis redémarrez le moteur et mettez le levier d'accélérateur en position «Fast» ("")
IMPORTANT : Vérifiez à nouveau que rien ni personne ne se trouve à proximité du tracteur.
- Mettez la commande d'embrayage du tracteur en position "EMBRAYÉE". Restez à la place du conducteur jusqu'à ce qu'à la fin du nettoyage.
- Mettez la commande d'embrayage du tracteur en position "DEBRAYEE". Mettez la clé de contact sur STOP afin d'arrêter le moteur du tracteur. Fermez l'arrivée d'eau.
- Retirez le collier de serrage de l'adaptateur d'embout pour sortir l'adaptateur du port de lavage.
- Déplacez le tracteur vers une zone sèche, de préférence goudronnée ou pavée. Mettez la commande d'embrayage de l'équipement en position "Embrayée" pour retirer l'excès d'eau et faire sécher le tracteur avant de le ranger.

AVERTISSEMENT: En l'absence de raccord de lavage ou si le raccord de lavage utilisé est endommagé, tout objet entrant en contact avec la lame risque être projeté et représente un danger pour vous ou toute autre personne.
- Remplacez les raccords de lavage absents ou endommagés immédiatement, avant la prochaine utilisation de la tondeuse.
- Bouchez tout éventuel orifice dans la tondeuse à l'aide de boulons et d'écrous.

BOCA DE LAVADO DE LA PLATAFORMA
FR Le moteur ne démarre pas
- Manque de carburant dans le réservoir.
- Bougie d'allumage défectueuse.
- Le câblage de la bougie d'allumage défectueux.
- Il y a des impuretés dans le carburateur ou dans le circuit du carburant.
Le démarreur n'entraîne pas le moteur
- La batterie est déchargée.
- Mauvais contact entre les cosses des câbles de batterie et les bornes de la batterie.
- Le levier de commande d'embrayage/débrayage n'est pas en bonne position.
- Le fusible principal est hors d'usage.
- Le contacteur de démarrage est endommagé.
- Le contacteur de sécurité sur la pédale d'embrayage/frein est défectueux ou endommagé.
- La pédale d'embrayage/frein n'est pas suffisamment enfoncée.
Le moteur ne tourne pas régulièrement
- Un rapport de vitesse trop élevé est enclenché.
- La bougie est défectueuse.
- Le carburateur est mal réglé.
- Le filtre à air est colmaté.
- La mise à l'air libre du réservoir est bouchée.
- Le réglage de l'allumage est incorrect.
- Il y a des impuretés dans le circuit de carburant.
Le moteur manque de puissance
- Le filtre à air est colmaté.
- La bougie d'allumage est défectueuse
- Il y a des impuretés dans le circuit de carburant.
- Le carburateur est mal réglé.
Le moteur chauffe
- Le moteur est en surcharge.
- La prise d'air ou les ailettes de refroidissement sont colmatées.
- La turbine de refroidissement est endommagée.
- Le niveau d'huile est trop bas ou il n'y a pas d'huile dans le moteur.
- Le réglage de l'allumage est incorrect.
- La bougie d'allumage est défectueuse.
La batterie ne charge pas
- Le fusible est hors d'usage.
- Une ou plusieurs cellules sont endommagées.
- Mauvais contact entre les bornes de la batterie et les cosses des câbles de batterie.
L'éclairage ne fonctionne pas
- Le connecteur du câble des phares ne doit pas être relié.
- Les ampoules sont grillées.
- L'interrupteur de commande est défectueux.
- Il y a un court circuit dans le faisceau de raccordement.
Le tracteur vibre
- Les lames de coupe sont mal fixées ou mal positionnées.
- Le moteur est mal fixé.
- Un déséquilibre est apparue à la suite de l'endommagement d'une ou de plusieurs lames de coupe ou à la suite d'un mauvais affûtage.
Coupe irrégulière
- Mauvais affûtage des lames de coupe.
- Le carter de coupe n'est pas à l'horizontale.
- L'herbe est haute et humide.
- L'herbe est accumulée sous le carter de coupe.
- La pression de gonflage des pneumatiques n'est pas identique du côté droit et du côté gauche.
- Le rapport de vitesse enclenché est trop élevé.
- La courroie d'entraînement du carter de coupe patine.
ES El motor no arranca
FR Suivre la procédure suivante une fois la saison terminée:
- En fin de saison, suivre la procédure suivante pour le remisage. N'utilisez pas de nettoyeur haute pression pour le lavage. L'eau pourrait s'infiltrer dans le moteur et abréger ainsi la durée de l'appareil.
- Nettoyer l'ensemble de la machine et plus particulièrement l'intérieur du carter de coupe.
- Effectuer les retouches de peinture qui s'avèreraient nécessaires afin d'éviter la corrosion.
- Vidanger le moteur.
- Retirer la bougie d'allumage et verser une cuillère à soupe d'huile dans le moteur. Faire tourner le moteur à la main pour répartir l'huile et remettre la bougie en place.
- Déposer la batterie et la remisée dans un endroit frais après l'avoir rechargée. La protéger des grands froids.
- Remiser la machine à l'abri dans un endroit sec et protégé de la poussière.
ATTENTION!
Ne jamais utiliser d'essence pour effectuer le nettoyage. Utiliser un détergent du commerce et de l'eau chaude.
Entretien et réparations
Pour commander des pièces de rechange, indiquer le nom du modèle, sa version, l'année d'achat, l'année de fabrication et le numéro de série de la machine. Prendre contact avec le revendeur local pour les révisions sous garantie et pour les réparations. Toujours utiliser des pièces de rechange d'origine.
Nous, Husqvarna AB, SE 561 82 Huskvarna, SUÈDE, déclarons sous notre responsabilité exclusive que le produit représenté :
| Description Tondeuse autoportée alimentée par | moteur à combustionpour conducteur assis |
| Marque Husqvarna | |
| Plate-forme / Type / Modèle TC 38 | |
| Lot Numéro de série à partir de 2017 |
est entièrement conforme à la réglementation et aux directives de l'UE suivantes :
| Directive/Réglementation Description | |
| 2006/42/EC « relative aux machines » | |
| 2014/30/UE « relative à la compatibilité électromagnétique » | |
| 2000/14/CE ; 2005/88/CE « relative au bruit extérieur » |
Les normes harmonisées et/ou les spécifi cations techniques appliquées sont comme suit :
EN ISO 12100, ISO 14982, ISO 5395-1 & 3, ISO 3744, ISO 11094, EN 1032
Conformément à la directive 2000/14/CE, Annexe V, les valeurs déclarées saines sont stipulées dans la section Données techniques de ce manuel et dans la Déclaration de Conformité signée de la CE.
La tondeuse autoportée alimentée par moteur à combustion pour conducteur assis fournie correspond à l'exemplaire soumis à l'examen.

Notice Facile