Easy - Thermostat Carel - Notice d'utilisation et mode d'emploi gratuit
Retrouvez gratuitement la notice de l'appareil Easy Carel au format PDF.
| Caractéristiques techniques | Thermostat électronique programmable, plage de température : -10 à 50 °C, précision : ±0,5 °C |
|---|---|
| Utilisation | Conçu pour le contrôle de la température dans les systèmes de chauffage, ventilation et climatisation (CVC) |
| Maintenance et réparation | Vérification régulière des connexions électriques, nettoyage des capteurs, mise à jour du firmware si nécessaire |
| Sécurité | Protection contre les surcharges électriques, conforme aux normes de sécurité CE |
| Informations générales | Facilité d'installation, interface utilisateur intuitive, compatibilité avec divers systèmes CVC |
FOIRE AUX QUESTIONS - Easy Carel
Questions des utilisateurs sur Easy Carel
0 question sur cet appareil. Repondez a celles que vous connaissez ou posez la votre.
Poser une nouvelle question sur cet appareil
Téléchargez la notice de votre Thermostat au format PDF gratuitement ! Retrouvez votre notice Easy - Carel et reprennez votre appareil électronique en main. Sur cette page sont publiés tous les documents nécessaires à l'utilisation de votre appareil Easy de la marque Carel.
MODE D'EMPLOI Easy Carel
thermostats digitaux avec contrôle de décongélation
CAREL



Manuel d'utilisation


MISES EN GARDE

CAREL base le développement de ses produits sur une expérience de plusieurs dizaines d'années dans le secteur HVAC, sur l'investissement continu en innovation technologique de produit, sur des procédures rigoureuses de qualité avec des tests in-circuit et fonctionnels sur la totalité de sa production, sur les technologies de production les plus innovatrices disponibles sur le marché. CAREL et ses filiales/franchises ne garantissant cependant pas que tous les aspects du produit et du software compris dans le produit répondront aux exigencies de l'application finale, bien que le produit soit fabriqué selon les techniques de l'état de l'art. Le client (fabricant, dessinateur ou installerateur de l'équipment final) assume toute la responsabilité et les risques liés à la configuration du produit dans le but d'obtenir les résultats prevus en fonction de l'installation et/ou équipment final spécifique. CAREL S.p.A. dans ce cas, moyenant accords spécifique préalables, peut intervenir comme conseiller pour la bonne réseau de la mise en service de la machine finale/application, mais ne peut en aucurn cas être tenue responsable du bon fonctionnement de l'équipment/installation finale. Le produit CAREL S.p.A. est un produit avancé, dont le fonctionnement est spécifique dans la documentation technique fournie avec le produit ou qui peut être décharge, même avant l'acquisition, depuis le site internet www.carel.com. Tout produit CAREL S.p.A., en fonction de son niveau technologique avancé, requiert une phase de qualification/ configuration/programmation pour qu'il puisse fonctionner au moins pour l'application spécifique. L'absence de cette phase d'étude, comme indiquée dans le manuel, peut générer des dysfonctionsements dans les produits finaux dont CAREL S.p.A. ne pourrait pas être tenue responsable. Seul du personnel qualifié peut installer ou effectuer des interventions d'assistance technique sur le produit. Le client final ne doit utiliser le produit que selon les modalités décrites dans la documentation sur le produit lui-même. Sans exculre l'obligation de respecter les mises en garde supplémentaires générées dans le manuel, nous insistons sur le fait que dans tous les cas, pour tout Produit CAREL, il faut:
- éviter que les circuits électroniques ne se mouillent. La pluie, l'humidité et tous les types de liquides ou la condensation renferment des substances minérales corrosives qui peuvent endommager les circuits électroniques. Dans tous les cas, le produit doit être utilisé ou stocké dans des ambiances qui respectent les limites de température et d'humidité spécifiées dans le manuel;
- ne pas installer le dispositif en ambiances particulièrement chaudes. Des températures tropées peuvent réduire la durée des disposits électroniques, les endommager et déformer ou faire fondre les parties en plastique. Dans tous les cas, le produit doit être utilisé ou stocké dans des ambiances qui respectent les limites de température et d'humidité spécifiées dans le manuel;
- ne pas essayer d'ouvoir le dispositif d'une autre façon que celles indiquées dans le manuel;
- ne pas faire tomber, cogner ou secouer le disposit parce que les circuits internes et les mécanismes pouraient sourffir des dommages irreparables;
- ne pas utiliser de produits chimiques corrosifs, de dissolvants ou des détergents agressifs pour nettoyer le dispositif;
- ne pas utiliser le produit dans des millieux d'application autres que ceux spécifiés dans le manuel technique.
Toutes les suggestions reprises ci-dessus sont également valables pour le contrôle, les cartes série, les clés de programmation et en général tout autre accessoire du portefeuille produits CAREL.
CAREL S.p.A. adopte une politique de développement continu. Par conséquent elle se reserve le droit d'apporter sans prévis des modifications et améliorations à tout produit décrit dans le present document.
Les données techniques fournies dans le manuel peuvent subir des modifications sans obligation de préavis.
La responsabilité de CAREL S.p.A. quant à son propre produit est règie par les conditions générales du contrat CAREL S.p.A. publiées sur le site www.carel.com et/ou par les accords spécifiques pris avec les clients; en particulier, dans la mesure permise par les normes applicables, enaucun cas CAREL S.p.A., ses employés ou ses filiales/franchises ne seront responsables de manques de gains ou de ventes, de pertes de données et d'information, des coûts de marchandises ou de services de remplacement, de dommages aux choses ou personnes, d'interruptions d'activité, ou d'eventuels dommages directs, indirects, accidentaux, patrimoniaux, de couverture, punissables, speciaux ou conséquents causes de n'importe qu'elle façon, quils soient contractuels, extra contractuels ou dus à négligence ou autre responsabilité dérivant de l'installation, utilisation ou impossibilité d'utilisation du produit, même si CAREL S.p.A. ou ses filiales/franchises ont été prévenus de la possibilité de dommages.
ATTENTION

READ CAREFULLY IN THE TEXT!
Séparer le plus possible les cables des sondes et des entrées numériques des cables des charges inductives et de puissance afin d'éviter de possibles interférences electromagnétiques. Ne jamais insérer dans les mêmes canivaux (y compris ceux des tableaux électriques) les cables de puissance et les cables de signal.

Fig.1 Fig.2
MISE AU REBUT:INFORMATIONS POUR LES UTILISATEURS
A litre et conserver
Aux termes de la Directive 2012/19/CE du Parlement europeen et du Conseil du mercredi 4 juillet 2012 et aux normes nationales d'application correspondantes, nous vous informons que:
- Les déchets d'equipements électriques et électroniques (DEEE) ne doivent pas été éliminés comme des déchets urbains, mais être collectés séparément afin de pouvoir être recyclés,traités ou éliminés conformément à la loi.
- L'utilisateur est tenu de confier les équipements ELECTriques et électroniques (EEE) ayant atteint la fin de leur cycle de vie, ainsi que leurs composants essentiels, aux centres de collecte des DEEE identifiés par les autorités locales. La directive prévoit également la possibilité de renvoyer l'équipement ayant atteint la fin de son cycle de vie au distributeur ou au détaillant en cas d'achat d'un nouveau type équivalent dans le rapport de un à un ou de un à zéro pour les équipements dont le plus grand côte mesure moins de 25 cm;
- Cet apparéil peutContainir des substances dangereuses : un usage impropre ou une élimination non correcte pourrait avoir des effets négatifs sur la santé humaine et sur l'environnement.
- Le symbole (conténeur déchets à roues barre - Fig. 1), si elle est représenté sur le produit ou sur l'emballage, indique que l'appareil arrivé à la fin de son cycle de vie doit faire l'objet d'une collecte sélective.
- Si les EEE arrivés à la fin de leur cycle de vie contiennent une pile (Fig. 2), celle-ci doit être retiree conformement aux instructions figurant dans le manuel d'utilisation avant la mise au rebut. Les piles usées doivent être remises aux points de collecte sélective prevus a cet effet, conformément à la reglementation locale.
- En cas d'élimination abusive des déchets électriques et électroniques, des sanctions sont prévues par les réglementations locales en vigueur en matière d'élimination des déchets.
Introduction
1. INTRODUCTION 7
1.1 Principales caractéristiques 7
1.2 Modèle 7
1.3 Principales différences entre easy, easy compact et easy split....8
1.4 Sondes NTC et PTC 9
1.5 Accessoires.. 9
1.6 Definitions 9
2. MONTAGE ET INSTALLATION 10
2.1 Montage 10
2.2 Connexions electriques 11
2.3 Connexion pour unité multiple 13
3. INTERFACE UTILISATEUR ET MISE EN SERVICE 14
3.1 easy 14
3.2 easy compact 14
3.3 easy split 14
3.4 Configurations préliminaires 15
3.5 Fonctions activables depuis clvier 15
4. FONCTIONS ET PARAMETRES 16
4.1 Programmation sondes tempereature 16
4.2 Affichage temperature 16
4.3 Régulation temperature 17
4.4 Duty Setting 17
4.5 Cycle continu 17
4.6 Protection du compresseur 18
4.7 Dégivrage 18
4.8 Paramétres alarmes 20
4.9 Gestion ouverture et fermeture porte 23
4.10 Par. gestion ventilateur evaporateur 24
4.11 Param. horloge et tranches horaires 25
4.12 Programmation rapide set parametes (EZY) 26
4.13Autres pre-installations 26
5. TABLEAUX ALARMES ET PARAMETRES 28
5.1 Tableau alarmes et signalisations 28
5.2 Description des principales signalisations et alarmes 29
5.3 Erreur données méorises 29
5.4 Modification des paramétres 29
5.5 Programmation paramétres par défaut 30
5.6 Tableau paramètres easy 30
5.7 Tableau paramétres easy compact.. 31
5.8 Tableau des paramétres easy split 32
5.9 Tableau set du paramètre EZY 33
5.10 Recherche et elimination des pannes 35
6. CHARACTERISTIQUES TECHNIQUES 36
6.1 Caracteristiques techniques easy 36
6.2 Caracteristiques techniques easy compact.. 36
6.3 Caracteristiques techniques easy split 37
6.4 Compatibilité electromagnetique 38
6.5 Gas refrigeranti inflammabili 38
1. INTRODUCTION
easy, easy compact et easy split sont des régulateurs Electroniques à microprocesseur avec affichage à LED conçus pour la gestion de chambres frigorifiques, vitrines et bancs frigos.
Ils réunissant l'expérience et lesuccès de la gamme PJ32 dans le but d'offrir un produit avancé, simple et économique. La structure paramétrique s'est enrichie de nouvelles fonctions qui permettent une gestion plus
dynamique et efficace de la tempereature et du degivrage.
easy compact le modele easy le plus petit et le plus economique, avec un seul relais, et un affichage simplifie.
easy split modele avec terminal et carte de puissance séparés.
1.1 Principales caractéristiques
Le tableau suivant presente les principales caractéristiques des contrôles easy, easy compact et easy split.
\section*{Caracteristiques Modèles}
| easy easy compact easy split | |||
| Clavier ergonomique à trois touches en polycarbonate | ✓ | ✓ | ✓ |
| Protection clavier pour éviter des manipulations | ✓ | ✓ | ✓ |
| Accès aux paramètres de configuration par password | ✓ | ✓ | ✓ |
| Affichage chiffres -199...999 -99...99 -199...999 | |||
| Point décimal | ✓ | ✓ | ✓ |
| Affichage en °C ou °F | ✓ | ✓ | ✓ |
| LED affichage | © ☐ ☐ ☐ ☐ ☐ ☐ ☐ ☐ ☐ ☐ ☐ ☐ ☐ ☐ ☐ ☐ ☐ ☐ ☐ ☐ ☐ ☐ ☐ ☐ ☐ ☐ ☐ ☐ ☐ ☐ ☐ ☐ ☐ ☐ ☐ ☐ ☐ ☐ ☐ ☐ ☐ ☐ ☐ ☐ ☐ ☐ ☐ ☐ ☐ ☐ ☽ | ✓ | ✓ |
| Dégivrage (*) par arrêt du compresseur | ✓ | ✓ | |
| - par résistance | ✓ | ✓ | |
| - par gaz chaudi | ✓ | ✓ | |
| - par résistance thermostat | ✓ | ✓ | |
| Fonction duty setting | ✓ | ✓ | ✓ |
| Fonction cycle continu | ✓ | ✓ | ✓ |
| Sorties relatifs (*) | © ☐ ☐ ☐ ☐ ☐ ☐ ☐ ☐ ☐ ☐ ☐ ☐ ☐ ☐ ☐ ☐ ☐ ☐ ☐ ☐ ☐ ☐ ☐ ☐ ☐ ☐ ☐ ☐ ☐ ☐ ☐ ☐ ☐ ☐ ☐ ☐ ☐ ☐ ☐ ☐ ☐ ☐ ☐ ☐ ☐ ☐ ☐ ☐ ☌ | ✓ | ✓ |
| Jusqu'à deux entrées analogiques pour sondes NTC ou PTC (*) | ✓ | ✓ | |
| Jusqu'à deux entrées analogiques NTC/NTC-HT | - | ✓ | |
| Entrée multifonctionnelle analogue ou digitale (*) | ✓ | ✓ | |
| Sur les modèles avec au moins 2 sondes: affichage deuxième/troisième sonde (*) | ✓ | ✓ | ✓ |
| Entrée pour clé de programmation CAREL IROPZKEY** (*) | ✓ | ✓ | ✓ |
| Entrée pour connecteur externe CAREL IROPZ485 (réseau RS485)(*) | ✓ | ✓ | ✓ |
| Buzzer (signalisation acoustique alarmes) (*) | ✓ | ✓ | |
| Bornes fixes ou amovibles | ✓ | ✓ | |
| Fixation à l'arrête panneau ou l'avant panneau | ✓ | ✓ | ✓ |
| Easy Set (seLECTION rapide configuration outil) | ✓ | ✓ | ✓ |
Tab.1.a
(*) Vérifier que le modele à disposition en soit doté.

Attention: chaque caractéristique doit être vérifiée avec le et à disposition.
1.2 Modèles
Les contrôles easy et easy compact se différencient par fonctionnement, nombre d'entrees et sorties. Les modèles easy split se composent d'un terminal et d'une carte de puissance séparés. Les PQEZ* sont été spécialement conçues pour une utilisation dans des applications avec des réfrigerants inflammables.
Modèleseasy:
Contrôles P(J,Q)EZS (0,1,6,7);P(J,Q)EZ(X,Y);P(J,Q)EZC et thermométreilseul P(J,Q)EZM(0,1,6,7).
Modèleseasycompact:
contrôle P(J,Q)EZS(N,P) et thermométre seul PJZM(N,P)
Modèleseasysplit:
contrôles PJEZ8*** avec un relais consacré à la sortie éclairage.
Modèles et caractéristiques
Modèle S-P(J,Q)EZS*
Solution ideale pour la gestion d'unités réfrigerées statiques (c'est-à-dire sans ventilateur sur l'évaporateur) qui fonctionnent à température normale (au-dessus de 0^ ). Ce modèle fait, en effet, les fonctions de thermomètre en affichtant la température de l'unité et de thermostatnétronique en activer le compresseur (ou l'électrovanne dans le cas d'unités canalisées) de façon à十年er la température demandée. De plus, il dispose d'algorithmes de protection du compresseur et de la fonction de dégivrage automatique par l'arrêt force du compresseur.
Modèles X et Y - P(J,Q)EZX*, P(J,Q)EZY*
Solution concue pour la gestion d'unités statiques fonctionnant à basse température (c'est-à-dire sous 0 °C), qui requiennent un dégivrage par résistance électrique ou injection de gaz chaud. P(J,Q)EZ(Y,X) en plus de fonctionner comme thermomètre et thermostat ( comme P(J,Q)EZS), procédé à la gestion de l'actionneur de dégivrage. La fréquence et la durée de dégivrage sont programmables; la fin du dégivrage peut se produit pour température atteinte (en connectant une sonde sur l'évaporateur) ou pour temps. En outre ces modèles disposent de deux entêtes sonde pour la régulation (ambiance), pour le dégivrage (defrost) et une entée digitale (configurable comme sonde). Deux sorties sont presents, pour la commande de l'actionneur (compresseur) et pour la commande (déconçation). Les modèles P(J,Q)FZY et P(J,Q)FZX se différencient uniquement parce que
P(J,Q)EZY se compose de relais connectés électriquement entre eux;
P(J,Q)EZX se compose de relais indépendants
Modèle C P(J,Q)EZC*
Une solution plus complète pour les unités ventilées à basse température, dotée de trois relais pour le contrôle complet des fonctions de commande du compresseur, de gestion de la ventilation et de la décongénation. Trois relais ont pu être intégrés à l'intérieur d'un conteneur aux dimensions très réduites dans des versions qui prévoient aussi le transformateur d'alimentation 230 V ou 115 V et le tout sans compromètre les performances ou la fiabilité du produit.
Modèle MS P(J,Q)JEZM*
Solution pour la mesure de la température seulement.
Tableau résumé des fonctions associées aux modèles
| fonction ref. | paragr. | easy easy compact easy split | |||||||||||||||
| mod. C | mod. X | mod. Y | mod. S mod. | M mod. S mod. | mod. | S | |||||||||||
| 2 sondes + entrée multif. | 1 sonde | 2 sondes + entrée multif. | 1 sonde | 2 sondes | 1 sonde | 2 sondes | 1 sonde | ||||||||||
| affichage de la température 4,2 | ✓ | ✓ | ✓ | ✓ | ✓ | ✓ | ✓ | ✓ | ✓ | ||||||||
| mesure de la température en "C/°F | 4,2 | ✓ | ✓ | ✓ | ✓ | ✓ | * | ✓ | ✓ | * | ✓ | ✓ | |||||
| accès aux paramétres à travers password 5,4 | ✓ | ✓ | ✓ | ✓ | ✓ | * | ✓ | ✓ | * | ✓ | ✓ | ||||||
| modification du point de consigne | 3,4 | ✓ | ✓ | ✓ | ✓ | ✓ | * | ✓ | ✓ | * | ✓ | ✓ | |||||
| gestion du point de consigne nocturne | 4,3 | ✓ | ✓ | ✓ | ✓ | - | ✓ | - | - | - | - | - | ✓ | ✓ | |||
| habilitation/déshabilitation directe alarme sone 2 | 4,2 | - | - | - | - | - | - | ✓ | - | - | - | ✓ | - | ✓ | ✓ | ✓ | |
| calibration des sondes températures | 4,1 | ✓ | ✓ | ✓ | ✓ | ✓ | * | ✓ | ✓ | * | ✓ | ✓ | |||||
| régulation température modalité DIRECT | 4,3 | ✓ | ✓ | ✓ | ✓ | ✓ | - | - | ✓ | ✓ | - | - | ✓ | ✓ | |||
| régulation de la température modalité REVERSE | 4,3 | ✓ | ✓ | ✓ | ✓ | ✓ | - | - | ✓ | ✓ | - | - | ✓ | ✓ | |||
| protections du compresseur | 4,6 | ✓ | ✓ | ✓ | ✓ | ✓ | - | - | ✓ | ✓ | - | - | ✓ | ✓ | |||
| duty setting | 4,4 | ✓ | ✓ | ✓ | ✓ | ✓ | - | - | ✓ | ✓ | - | - | ✓ | ✓ | |||
| cycle continu | 4,5 | ✓ | ✓ | ✓ | ✓ | ✓ | - | - | ✓ | ✓ | - | - | ✓ | ✓ | |||
| dégivrage | 4,7 | ✓ | ✓ | ✓ | ✓ | ✓ | - | - | ✓ | ✓ | - | - | ✓ | ✓ | |||
| alarme de haute/basse température | 4,8 | ✓ | ✓ | ✓ | ✓ | ✓ | * | ✓ | ✓ | * | ✓ | ✓ | |||||
| alarme pour condenseur encrasse | 4,8 | ✓ | ✓ | ✓ | ✓ | - | ✓ | - | ✓ | - | ✓ | - | ✓ | ✓ | |||
| gestion ventilateur evaporateur | 4,9 | ✓ | - | - | - | - | - | - | - | - | - | - | - | - | - | ✓ | |
| ON/OFF | 3,4 | ✓ | ✓ | ✓ | ✓ | ✓ | * | ✓ | ✓ | * | ✓ | ✓ | |||||
| configuration sortie AUX | 4,12 | ✓ | ✓ | ✓ | ✓ | ✓ | * | ✓ | ✓ | * | ✓ | ✓ | |||||
| habilitation/déshabilitation clavier | 4,12 | ✓ | ✓ | ✓ | ✓ | ✓ | * | ✓ | ✓ | * | ✓ | ✓ | |||||
| habilitation/déshabilitation buzzer | 4,12 | ✓ | ✓ | ✓ | ✓ | ✓ | * - | - | - | - | ✓ | ✓ | |||||
| lecture paramétrés modifiés | 4,12 | ✓ | ✓ | ✓ | ✓ | ✓ | * | ✓ | ✓ | * | ✓ | ✓ | |||||
| séléction rapide set paramétrés | 4,11 | ✓ | ✓ | ✓ | ✓ | - | - | ✓ | ✓ | - | - | ✓ | ✓ | ||||
| horloge et gestion des tranches horaires | 4,10 | ✓ | ✓ | ✓ | - | - | - | - | - | - | - | - | ✓ | ✓ | |||
| commutateur porte avec gestion de l'éclairage | 4,9 | - | - | - | - | - | - | - | - | - | - | - | - | - | ✓ | ✓ | |
| déactivation alarmedé température elevée au démarrage | 5,1 | - | - | - | - | - | - | - | - | - | - | - | - | - | ✓ | ✓ | |
| sortie deuxieme comprésur en parallèle | 4,13 | - | - | - | - | - | - | - | - | - | - | - | - | - | ✓ | ✓ | |
| sortir deuxieme comprésur avec réglage à double étage avec ou sans rotation | 4,13 | - | - | - | - | - | - | - | - | - | - | - | - | - | ✓ | ✓ | |
| gestion ventilateurs avec comprésur éteint | 4,10 | - | - | - | - | - | - | - | - | - | - | - | - | - | ✓ | ✓ | |
| fonctionnement nocturne avec gestion de l'éclairage | 4,11 | - | - | - | - | - | - | - | - | - | - | - | - | - | ✓ | ✓ | |
- préSENT mais non configurable ni à partir de la clé ni à partir de la clé de programmation.
1.3 Principales différences entre easy, easy compact et easy split
Les modèles easy split sont composés, contrairement aux modèles easy et easy compact, d'un terminal et d'une carte de puissance séparée. Il y a d'autres différences, comme le relais auxiliaire multifonctions pour la gestion de la sortie éclairage ou d'un deuxième compresseur et de nouvelles fonctions logiciéles. Ci-après un tableau montrant les différences et la référence de la page avec l'explication.
| sujet | easy, easy compact | easy split | paramètre easy split | page |
| type de sondes pouvant être connectées (selectionnables à partir des paramètres uniquement pour easy split) | NTC, PTC | NTC, NTC-HT | /P | 9 |
| relais consacre à la sortie éclairage | NON | OUI | H1=4 | 15 |
| activation/désactivation de l'éclairage depuis le clavier | uniquement décongénation | OUI | H1=4 | 29 |
| fonction assoupissement visualisation sondes | NON | OUI | /3 | 17 |
| commutateur ridesau (fonctionnement nocturne) avec gestion de l'éclairage | NON | OUI | A4=4 | 24 |
| éclairage non géré/géré avec commutateur portet et verrouillage ventilation evaporateur | NON | OUI | A4=7, 10 | 25 |
| éclairage non géré/géré avec commutateur portet et verrouillage ventilation evaporateur et compresseur | NON | OUI | A4-8, 11 | 25 |
| gestion ouverture et fermetre porte | NON | OUI | Ado | 25 |
| sortie deuxilme comprésseur en parallèle avec relais consacre | NON | OUI | H1=5 | 29 |
| sortie deuxilme comprésseur avec réglage à double étage avec ou sans rotation | NON | OUI | H1=7/6 | 29 |
| retard deuxilme comprésseur | NON | OUI | c11 | 19 |
| gestion ventilateurs avec comprésseur étant | NON | OUI | F2=2, F4, F5 | 27 |
| fonctionnement nocturne avec gestion de l'éclairage | NON | OUI | A4=4, H1=4 | 24 |
| configuration années, mois, jour du mois dans la date | NON | OUI | YEr, MOn, dMO | 28 |
| déactivation alarmé température élevée au démarrage | NON | OUI | - | 31 |
| signalisation demande de maintenance (Src) | NON | OUI | HMP, HMd, HMr | 30 |
Tab. 1.c
1.4 Sondes NTC et PTC
Tous les modèles easy et easy compact utilisant des sondes PTC et NTC conformes au standard CAREL avec valeurs de résistance à 25 °C de 985Ω pour PTC et de 10 KΩ pour NTC. Le type de sonde pouvant être installé dépend du modele (code achat). Les modèles easy split n'utilisant en revanche que des sondes NTC et NTC à température élevée (50 KΩ à 25°C), sélectionnables à partir des paramètres. Ci-dessous sont repris certains modèles CAREL parmi les plus commons.
| code description inter. de travail degré de | prot. | |
| NTC***HP00 sonde NTC, bulbe 6x15 mm, plastique | -50T50 °C IP67 | |
| NTC***HT00 sonde NTC température élevée, bulbe 5x20 mm, polyester | 0T120 °C(max 150 °C pend. 3000 h) | IP55 |
| NTC***WP00 sonde NTC, bulbe 6x40 mm, métallique | -50T100 °C IP67 | |
| PTC***W000 sonde PTC, bulbe 6x40 mm, métallique, long. 1,5 m | -50T100 °C IP67 |
Tab.1.d
1.5 Accessoires
- clé de programmation CAREL IROPZKEY* (pour la duplication des paramètres);
- convertisseur RS485 CAREL IROPZ485S0 (pour le réseau de supervision RS485).
- convertisseur USB/RS485 CAREL CVSTDUMOR0 pour interfacer un réseau RS485 à un PC par le port USB;
- VPM, programme teléchargeable depuis http://ksa.carel.com. Grace à cet outil, il est d'effectuer depuis l'ordinateur la mise en service du contrôle, de changer la programmation des paramétres et d'effectuer la mise à jour du firmware;
COM TOOL, programme téléchargeable depuis http://ksa.carel.com. grâce à cet outil, il est possible de programmer le contrôle à partir de n'importe quei PC, de sauvegarder les différentes configurations sur un fichier qui peuvent etre interpellés uniquely au moment de la programmation finale, de creer des reglages personalisés a partir des parametes pour une programmation rapide et d'équiper les différents utilisateurs de profils d'acces protégés par un mot de passage. Il est nécessaire de connecter le PC au convertisseur USB/RS485 code CVSTDUMOR0; - cable de branchement entre le terminal et la carte de puissance (uniq. pour easy split). Il est disponible avec longueurs différentes (PEOPZC1500=1,5 m, PEOPZC3000=3,0 m, PEOPZC5000=5,0 m).
1.6 Définitions
Cycle continu: fonction qui force l'activation du compresseur pendant un temps programmable.
Dégivrage: Fonction que regule le dégivrage de l'évaporateur.
Duty setting: fonction de sécurité en cas de panne de la sonde de régulation, qui maintain le compréseur en fonctionnement à intervalles de temps programmables.
easy: denomination commerciale des thermostats P(J,Q)EZ(S, X, Y, C, M)*
easy compact: la version la plus compacte et la plus économique de easy. Prévoit les modèles PJEZ(S, M)*.
easy split: version avec terminal séparé de la carte de puissance. il existe des versions avec (PJEZ8R) ou sans (PJEZ8I) RTC et la carte de puissance peut être fournie avec (PJEZ85) ou sans (PJEZ84) conteneur plastique.
2. MONTAGE ET INSTALLATION
2.1 Montage

Mises en garde: Eviter de monter les cartes dans des ambiances
avec les caractéristiques suivantes:
- humidité relative supérieure à 90% ou présence de condensation;
fortes vibrations ou chocs;
expositions à jets d'eau continus;
exposition à atmospheres agressives et polluantes (ex: gaz sulfuriques ou ammoniaux, brouillards salins, fumées) ayant pour conséquence la corrosion et/ou oxydation;
- fortes interférences magnétiques et/ou radiofréquences (eviter donc l'installation des machines à proximate d'antennes de transmission);
expositions au rayonnement solaire direct et aux agents atmosphériques en general;
- fluctuations amples et rapides de la température ambiente;
- locaux ou sont presents des explosifs ou melanges de gaz inflammables;
- locaux exposés aux poussières (formation de couche corrosive avec possible oxydation et réduction de l'isolement).
Pour installer easy, easy compact et easy split: pratiquer un orifice sur le panneau conformément au gabarit de perçage 71x29 mm.
Montage sur panneau au moyen de 2 étriers arrêté (Fig. 2.a et 2.b)
- introuille l'instrument dans I'orifice (phase 1);
- bloquer l'instrument en faisant coulisser les étriers dans les guides de l'instrument jusqu'à les comprimer contre le panneau (phase 2);

easy

Fig.2.a
Démontage sur panneau au moyen d'étriers
- débloquer l'instrument en appuyant sur les deux étriers au niveau de "push" et en les faisant coulibser en arrière sur les guides.
Montage sur panneau frontal au moyen d'une vis (Fig. 2.c)
- l'épaissur du panneau de fixation ne doit pas dépasser 3 mm;
- retarder la plaquette frontale et vérifier que les deux dents d'accrochage soient à leur place (elles ne doivent pas sortir au-delà de la dimension du gabarit de perçage). Eventuellement dévisser les deux vis en faisant pression. Ne pas trop dévisser la vis, elle ne doit pas se soulever du frontal (phase 1);
- introduire l'instrument dans l'orifice sur le panneau et le maintainir en position en appuyant au centre du frontal (phase 1);
-
avec un tournevis étoile tourner de 90^ envrille la vis inférieure (la dent doit sortir de son emplacement et accrocher le panneau), visser jusqu'au blocage du frontal. Ne pas trop serrer, quand le frontal se bloque, 1/2 tour suffit pour comprimer le joint. Si la dent n'accroche pas le panneau, dévisser la vis tout en faisant pression avec le tournevis pour faire reculer la dent. Ne pas trop visser, la tete de la vis ne doit pas se lever de la surface du panneau frontal (phase 2);
-
repeter la même opération pour la vis supérieure (phase 2);
appliqueer le cadre frontal (phase 3).

①

(2)

(3)
Fig. 2.c
(*) ne pas trop serrer les vis.
Démontage frontal au moyen de vis
decrocher le cadre frontal;
- dévisser la vis inférieure, au moment de détacher le frontal du panneau, notamment la pression sur la vis et dévisser encore une fois de 90^ pour faire rentrer la dent à sa place;
- repeter pour la vis supérieure;
retirer l'instrument du panneau en le tenant en position horizontale
easy split: dimensions et montage carte de puissance
Le montage se fait au moyen d'espaceurs en plastique d'accrochage ou avec des tourelles en plastique. La carte de puissance est fournie sur demande montée dans un boitier standard de tableau ayant des dimensions de 190x140x70.

Fig.2.d

Avertissements:
- les câbles de branchement doivent garantir l'isolement au moins jusqu'à 90°C;
- si la carte est installée dans un tableau électrique avec une enveloppe metallique, prévoir au moins 10 mm de distance entre celui-ci et chaque point de la carte (retro, bords et trous de montage);
- les branchements des sondes et des entrées numériques doivent être inférieures à 10 m de distance, adopter les mesures appropriées des séparation des cables conformément aux normes d'immunité;
- bloquer de façon adequate les cables de connexion des sorties pour évier tout contact avec les composants à très basse tension.
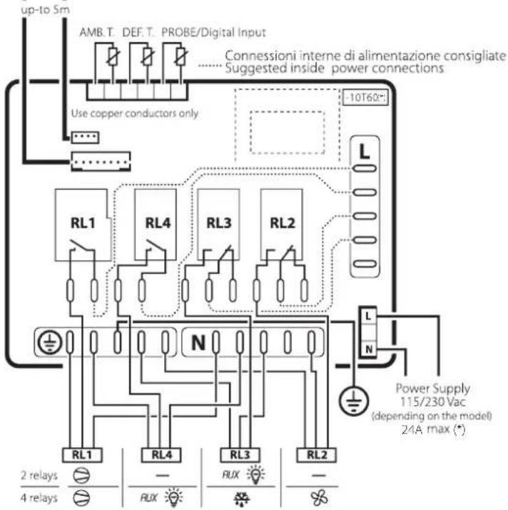
2.2 Connexions électriques

Mises en garde:
les connexions electriques doivent etre effectuees exclusivement par un electricien qualifie;
- une tension d'alimentation électrique autre que celle indiquée peut endommager sérieusement le système;
- sur les modèles easy split écipés d'un conteneur en plastique, étant donné la valeur élevée de courant maximum d'alimentation (16 A), il est possible que des phénomènes de surchauffe se produit: dans ce cas, vérifier que la température maximale admire ne soit pas dépassée. Voir le tableau des caractéristiques techniques;
- séparer le plus possible les cables des signaux des sondes et des entrées digitales des cables des charges inductives et de puissance pour évierer de possibles interférences electromagnétiques. No jamais insérer dans les mêmes caniveauux (y compris ceux des cables électriques) des cables de puissance et les cables des sondes. Eviter que les cables des sondes soient installés à proximite des dispositifs de puissance (contacteurs, disposits magnétothermieques ou autre);
- réduire le plus possible le parcours des cables des capteurs et évier des parcours en spiral qui renferment des dispositifs de puissance. Les sondes doivent être connectées par des cables blindés (section minimale pour chaque conducteur: 0,5 mm²);
- éviter le contact direct avec des composants électroniques internes;
- des erreurs de connexion (et raccordements différents de ceux indiqués dans le present manuel) peuvent composer des dangers pour la sécurité des utilisateurs et cause des pannes aux instruments et aux composants connectés;
- prévoir toutes les securités electromécaniques nécessaires pour garantir un fonctionnement correct et la totale sécurité de l'utilisateur.

Informations:
- les sondes peuvent être éloignées jusqu'à une distance maximale de 30 m à partir du contrôle (10 m pour easy split). Pour prolonger les sondes, utiliser des cables avec section minimale de 1 mm², si possible blindés. Dans ce cas, la tresse devra être connectée au cable commun des sondes. Ne pas connecter à terre ou à autres références l'autre extrémité de la tresse (c'est-à-dire la partie vers le capteur);
- n'utiliser comme sonde de fin dégivrage que des sondes IP67 et positionner les sondes avec le bulbe vertical vers le haut de façon à favoriser le drainage de la condensation évientuelle. Les sondes de température thermostor (NTC ou PTC) n'ont pas de polarité, par conséquent l'ordre de raccordement des extrémités est indifférent;
- utiliser des cosses adaptées aux bornes utilisées. Desserrer chaque vis et y insérer les cosses, ensuite serrer les vis. Àpres avoir terminé cette opération, tirer légarement sur les cables pour en vérifier le serrage correct.
Les connexions des entrées et des sorties, en fonction des modèles, peuvent se faire à travers des bornes:
- fixes par vis;
- amovibles avec taquets de connexion des cables avec vis;
- amovibles avec taquets de connexion des cables par sertissage.
- amovibles, qui offrent une simplification considérable pour la connexion de l'instrument tant en phase d'installation que d'entretien. En outre, elles empêchent des erreurs de connexion puisque trois taquets de connexion ont été prévus avec numéro de voies différentes.
Connector les entrées et les sorties en respectant le schéma repris sur l'étiquette de l'instrument.
Pour les versions 12 Vac:
- sill'alimentation disponible est celle de reseau, utiliser un transformateur de sécurité pour garantir la double isolation entre l'alimentation et l'électronique interne à très basse tension. Si requis, le fusible de protection en série au primaire (32 mAT pour le code TRA12VDE00) est aussi indispensable. La connexion transformateur-instrument doit être la plus courte possible;
-
si l'alimentation disponible est déjà en basse tension, mais différente de 12 Vac, utiliser un transformateur d'adaptation avec des caractéristiques déequates; double isolation entre primaire et secondaire et caractérisation sur primaire au niveau approprié (2000 V pour application en milieu industriel);
-
puisqu'il est impossible de garantir la double isolation entre les connecteurs d'alimentation et les sorties relais, il est recommendé d'utiliser des charges alimentées uniquement lorsque la tension de sécurité est très basse (jusqu'à 42 V nominales de valeur efficace).
La tension fournie par le contrôle à travers les bornes d'alimentation (voir schémas électriques) doit correspondre, dans les limites des tolérances indiquées, à la valeur reprise sur l'étiquette de connexion de l'instrument. L'isoaction électrique prévue sur l'instrument, pour les versions avec alimentation depuis réseau électrique (230 Vac et 115 Vac), correspond à une isolation renforcée. Par contre, les versions avec alimentation 12 Vac/ Vdc ne prévoient pas d'isolement.
Pour easy split:
Se référer au schéma électric de branchement suivant;
- alimentation L, N, PE: utiliser des cables ayant une section appropriée à la charge (2,5 mm2 pour des courants allant jusqu'à 16 A et 4 mm2 pour des courant allant jusqu'à 24 A);
connexion des charges: terminaison avec contacts fast-on femelle - 6,3 mm avec des cables ayant une section équivalent à 2,5 mm2 pour des courants allant jusqu'à 16 A;
- pontages internes pour alimentation des charges comme au point précédent;
connexion des sondes et des entreees numeriques avec des cables de 0,5a1,5mm - connexion terminal avec les cables prévus.

schemas electriques easy










Fig. 2.e
Schemas electriques easy compact

PJEZS***0**
PJEZS*1

PJEZS***E**

PJEZMN*0
PJEZMN1**

PJEZMNE**

PJEZMP0
PJEZM*P*1

PJEZMPE**
Fig.2.f
Schemeélectriquet easy split


Fig.2.g
() Pour les codes PJEZ8*5 la plage de température est de -10T50 °C et le courant maximal est de 16 A. Voir le tableau des caractéristiques techniques.
connexions d'alimentation internes conseillées.
2.3 Connexion pour unité multiple
Le convertisseur RS485 (IROPZ485S0) permet de connecter les instruments easy, easy compact et easy split au réseau de supervision permettant ainsi le contrôle total et la surveillance des easy connectés.
Le système permé:
jusqu'a 207 unités faciles sans RTC a connecter ensemble.
- jusqu'à 30 unités facies avec RTC à connecter ensemble.
Longueur maximale de 1000 m.
Connector le convertisseur RS485 aux unités easy, easy compact ou easy split par un cable à l'aide d'un cable 4 voies et effectuer le branchement comme indiqué en figure. La ligne doit être commencée et terminée par une résistance de 120 1/4 W. Pour l'assignation de l'adresse série, nous renvoyons au paramètre H0. Le cable conseillé pour la connexion est un cable torsadé à deux fils avec blinding et section de 0,5 à 1,5 mm² (type AW6 22-24).

Fig. 2.h
easy split:
La connexion série pour les modèles easy split à 4 relais est subordonnée à la configuration du paramètre H7, puisque la gestion du quatrième reliais (RL4) et la communication série s'excluent mutuellesment.
la configuration en usine est H7=1, correspondant au fonctionnement du quatrième relatifs activé. Pour effectuer le raccordement en réseau de supervision:
- débrancher le contrôle;
- déconnecter le cable 4 pôles de l'arrête de l'afficheur;
- raccorder l'afficheur au convertisseur IROPZ485s0 et ce dernier au reseau PS485;
- brancher le contrôle et configurer H7=0 et l'adresse de réseau dans le paramètre H0.
Pour reconfigurer la sortie du quatrième relais (RL4):
- débrancher le contrôle;
- déconnecter le convertisseur IROPZ485S0 de l'armére de l'afficheur;
- connecter à l'afficheur le cable quadripolaire provenant de la carte de puissance;
- branchier le contrôle et configurer H7=1.

Mises en garde:
- le convertisseur RS485 (IROPZ48SS0) est sensible aux décharges electrostatiques par conséquent il doit être manie très prudèment;
- vérifier la documentation technique de l'option CAREL IROPZ48550 pour les modalités de connexion dans le but d'éviter d'endommager l'instrument;
- fixer ajustement le convertisseur pour éviter toute déconnexion;
effectuer les cablage en l'absence d'alimentation; - maintainir séparés les cables de l'option série IROPZ485S0 de ceux de puissance (sorties reliais et alimentation).
3. INTERFACE UTILISATEUR ET MISE EN SERVICE
3.1 easy
Affichage

Fig. 3.a
| réf. fonction fonctionnement normal start up | ||||
| ON OFF clignot. | ||||
| 1 compresseur allumé éteint demandé ON | ||||
| 2 ventilateur allumé éteint demandé ON | ||||
| 3 déquivrage allumé éteint demandé ON | ||||
| 4 sortie auxiliaire (AUX) | sortie en fonction | sortie non en fonction | - | ON |
| 5 horloge (RTC) RTC péscent, habilité (TEN=1) et au moins une tranche horsaire a été programmée | RTC non présente ou non habilité (TEN=0) ou aucune tranche horsaire n'a été programmée | ON (si avec l'horloge) | ||
| 6 alarmé alarmé en cours | aucune alarmé | en cours | - | ON |
| 7 chiffres | formés de trois digits avec point decimal et intercalle -199...999. Voir paramétres /4, /5, /6 pour l'affichage type de sonde, valeurs en °C/°F et point decimal | |||
Tab.3.a
Clavier (modeles C, S, X, Y)

Fig. 3.b
| réf. | fonctionnement normal | start up | ||
| pression de la touche individuelle | pression combinée | |||
| 1 plus de 3 s: aterne états ON/OFF | enforcée avec 3 active/désactive cycle continu | |||
| 2 - 1 : affiche/permet de programmer point de consigné- plus de 3 s: accès menu programmation paramétrés (introduire password 22) - annule alarme acoustique (buzzcr) | - | pendant 1 s RESETbanc EZY actuel | enforcéesensemble (2 et 3) activent procédure RESET paramétrés | |
| 3 plus de 3 s: active/désactive dégivrage | enforcée avec 1 active/désactive cycle continu | pendant 1 saffichecode version firmware | ||
Tab.3.b
3.2 easy compact
Affichage

Fig. 3.c
| réf. | fonction | fonctionnement normal | start up | ||
| ON | OFF | clignot. | |||
| 1 | compresseur allumé | étéint demandé ON | |||
| 2 | chiffres | formatés de deux digits avec le signe et point decimal avec un intervalte -99...99(*) . Voir paramétres /4, /5, /6 pour l'affichage type de sonde, valeurs en °C/F et point decimal | |||
Tab.3.c
(*) Depuis superviseur, il est possible de programmer les paramétres qui prévoient des valeurs à trois chiffres. Dans ce cas, l'écran affichera".
Clavier (modèles S)

Fig. 3.d
| réf. | fonctionnement normal | start up | ||
| pression de la touche individuelle | pression combinée | |||
| 1 | plus de 3 s: alterne états ON/OFF | enforcée avec 3 active/désactive cycle continu | ||
| 2 | - 1 s: affiche/permet de programmer point de consigné plus de 3 s: accès menu programmation paramètres (introilure password 22) - annuile alarme acoustique (buzzer) | - | pendant 1 s RESET banc LZY actuel | enforcées ensemble (2 et 3) activent procédure RESET paramètres |
| 3 | plus de 3 s: active/désactive dégivrage | enforcée avec 1 active/désactive cycle continu | pendant 1 s affiche code vers. firmware | |
Tab. 3.d
Clavier fonctions easy et easy compact modes M (seulement pour modetes avec clavier)

Fig. 3.e
| réf. | fonctionnement normal | start up | |
| pression de la touche individuelle | |||
| 1 | plus de 3 s: altermé étsats ON/OFF | - | |
| 2 | -1 s: affichi/permét de programme le point de consigné- plus de 3 s: accès menu programmation paramétres (introduire password 22)- annule alarme acoustique (tuzzer) | - | enforcésensembleactivementprocédure RESETparamétrés |
| 3 | séléction rapide lorsde affichée pendant 1 s | affiche codeversion firmware | |
Tab. 3.e
3.3 easy split
Affichage

Fig. 3.f
| réf. | fonction | fonctionnement normal | start up | ||
| ON OFF | clignot. | ||||
| 1 | compresseur 1/2 | allumé | éteint | demandé | ON |
| 2 | ventilateur allumé | éteint | demandé ON | ||
| 3 | dégivrage | allumé | éteint | demandé | ON |
| 4 | sortie auxiliaire (AUX) - éclairage | sortie en fonction | sortie non en fonction | - | ON |
| 5 | horloge (RTC) | RTC spécifique, habilité (tEN=1) et au moins trunche horsaire a été programmée | RTC non spécifique ou non habilité (tEN=0) ou aucune tranche horsaire n'a été programmée | ON (si avec l'horloge) | |
| 6 | alarme | alarme en cours | aucune alarmé en cours | - | ON |
| 7 | chiffres | formations de trois digits avec point décalmain et intervalle -199...999. Voir paramètres /4, /5, /6 pour l'affachage type de sonde, valeurs en °C/°F et point décalmain | |||
Tab.3.f
Clavier

Fig. 3.g
| réf. fonctionnement normal start up | |||
| pression de la touche individuelle | pression combinée | ||
| 1 plus de 3 s: alterne états ON/OFF enfoncéa | |||
| 2-1 | s: affiche/permet de programmer point de consigné- plus de 3 s: accès menu programmation paramétres (introduire password 22)- annule alarme acoustique (buzzer) | - pendant 1 s | RESET banc EZY actuel |
| enforcées ensemble (2 et 3) aktivent procédure RESET paramétres | |||
| 3 plus de 3 s: activé/désactive éclairage (H1=4) dégivrage | enforcée avec 1 activé/désactive cycle continu ou décongénation (voir param. H16) | pendant 1 s affiche code version firmware | |
Tab. 3.g
3.4 Configurations préliminaires
Après avoir effectué les connexions électriques, il suffit de donner l'alimentation au contrôle pour le faire fonctionner. comme premières actions à effectuer, CAREL conseille de vérifier que sur l'écran n'apparaissent pas de signaux d'alarmes (voir par. "5.1 Tableau alarmes et signalisations" page 31), ensuite programme l'heure et la date (sur les modèles dotés d'horloge RTC, voir par. "4.11 Paramétres horloge et tranchesHoraires" page 28), et finally configurer les paramétres en fonction de ses propres exigences. Les principaux paramétres sont les suivants:
Paramètres régulateur
st point de consigne
rd différentiel de point de consigne
Paramètres dégivrage
d0 type de degivrage
dl intervalle entre deux degivrages
dt température de fin dégivrage
dP durée maximale dégivrage
Parametres alarme
Ad retard blarmes de températe
AL seuil/écart alarmede bassetemperature
AH seuil/dcart alarmede haute temperature
Tab. 3.h

Note: Les modalités de modification des paramêtres sont décrites au par. "5.4 Modification des paramêtres" page 32.
3.5 Fonctions activables depuis clavier
Allumage et teignage
Allumage de l'instrument (ON): enforcer pendant plus de 3 s UP (pendant la pression de la touche l'écran affiche ON).
Eteignage de l'instrument (OFF): enforcer pendant plus de 3 s UP. L'eteignage est confirmé par l'affichage sur lecran du message "OFF" alterné à la température mesurée par la sonde programmée. A l'état de OFF sont déshabilitées, si prévues sur le modele, les fonctions suivantes:
- régulation comptesseur / duty setting / cycle continu;
- dégivrage;
- réglage ventilateur;
-
alarmes: 'LO, 'HI, 'IA, 'chT, 'CHT;
commutateurporte: -
easy, easy compact: A4=7/8;
-
easy split: A4=7/8/10/11
-
buzzer (quand disponible)
Par contre, sont habilités:
- affichage de la température alternée avec le message "OFF";
affichage et modification parametes; - alarmes:"E0","E1","E2";
- le timer interne correspondant au parametre d'est mis a jour. Si d'arrive à échéance pendant l'état OFF, au rallumage un dégivrage sera effectué;
-
gestion relais auxiliaire, seulement dans les configurations:
-
H1= 1/2 (seulement pour alarme "EO")
-11=3,A4=6; - H1=4 (uniquement easy split)

Notes: au moment de sortir de l'atat de OFF sont mises a zero les
programmations suivantes (c'est-à-dire l'etat precedent OFF n'est pas conservé en mémoire): hysteresis alarmes et gestion ventilateur evaporateur (A0), hysteresis réglage température (rd), hysteresis alarme pre-cht (AE). En outre, est mis à zéro le timer de retard affichage alarmes tempor. (Ad, d8, c6), celui d'égouttement (dd) et de post égouttement (Fd).

Mises en garde:
- à la première connexion, easy est déjà allumé et préts être utilisé;
- l'allumage de l'instrument est disponible depuis PC de supervision et aussi à travers un contact externe (en programmeant A4 = 5 ). Ce dernier a priorité sur les autres modalités.
Programmation point de consigne (valeur de température souhaitation)
Les contrôles easy, easy et easy split compact réglient de façon directe et dynamique la température (dite de point de consigne) que l'on souhaite maintainir à l'intérieur du banc ou de la chambre frigorifique.
Pour contrôler et modifier le point de consigne:
- appuyer pendant 1 s SET, après quelques instants, la valeur progr. alignote;
augmenter ou diminuier la valeur avec UP ou DOWN; - enforcer SET pour confirmer la nouvelle valeur.

Attention: les modèles PJEZM* dotés de clavier se limitent à
signaler l'alarme. Sur ces modèles, le réglage point de consigne ne peut être modifié qu'à travers le paramètre "St".
Demandé dégivrage manuel
Non presente sur les modeles thermometre M de easy et easy compact. Enconcer pendant plus de 3 s DOWN (ne s'active que si les conditions de température sussistono, uniquelyment pour easy split si la sortie éclairage n'est pas configurée, H1≠4). Sinon, sur les modeles easy split, si la sortie éclairage est configurée (H1=4), il est possible d'activer le dégivrage en appuyant en même temps sur les touches UP et DOWN, avec H6=1).
Cycle continu
Non present sur les modeles thermometre M de easy et easy compact. Enconcer pendant plus de 3 s UP+DOWN (ne s'active que si les conditions de temperature sont presents et pour easy split uniquement avec H6=0). Le cycle continu permet de maintainir active et continue la réfrigération du banc ou de la chambre frigorifique, independamment des températures internes de l'unité. Il peut être utile pour obtenir une diminution rapide de la temperature même en dessous de la valeur du point de consigne.
Eclairage (uniquement easy split)
Donc, en presence d'une sortie éclairage configurée (H1=4), la touche DOWN commande l'allumage/arret de l'éclairage, dan le cas contraire, elle commande la start/stop dégivrage.
Affichage rapide de la température des autres sondes (préSENT seulement sur les modèles easy et easy compact thermomètre M)
En appuyant la touche DOWN il est possible de faire defiler les températures relevantes par les sondes. A chaque pression de la touche DOWN, sur l'écran apparaitra le nom de la sonde Pr1, Pr2 ou Pr3 (seulement sur les modèles à 3 entrées et avec entree multifonction configurée comme sonde) et en attendant 1 s la temperature relevante par la sonde seLECTIONnée clignotera. Pour afficher les sondes suivantes, appuyer a nouveau DOWN. Pour returner à l'affichage normal, n'enforcer aucune touche pendant 3 s (sortie pour timeout).
4. FONCTIONS ET PARAMETRES
Ce chapitre déscrit toutes les fonctions de easy, easy compact et easy split.
Vérifier sur le Tab. 1.b la compatibilité de la fonction avec son propre modele.

Attention:
les modeles easy compact n'affichent que deux chiffres. En cas
d'intervalles inférieurs à -99 et supérieurs à 99 le terminal affichera "--". Les codes des paramètres composés de 3 digits sont transformés de la façon suivante:
Alors que les messages deviennent:
4.1 Programmation sondes température
En fonction des modèles, les contrôles easy et easy compact disposent d'une ou de deux entrées analogiques. Les contrôles easy, en outre, disposent d'une entree multifonctionnelle (analogique ou digitale). Tous les modèles easy split sont équipés de deux entrées analogiques et entree multifonctionnelle (analogique ou numérique).Après l'installation, les valeurs relevantes par les sondes de température peuvent etre corrigées et stabilises au moyen des paramétres suivants.
/2: stabilité mesure sondes
Coefficient utilisé pour stabiliser la mesure de température lue par les sondes. /2 agit comme "filtr" sur les variations minimes de mesure de la température et en même temps calcule la valeur moyenne de la mesure effectuee.
- valeurs basses assignées à /2 permettent un réponse rapide du capteur aux variations de température (lecture plus sensible aux interférences);
- valeurs élevées ralentissent la réponse mais garantissant une plus grande immunité aux interférences (lecture stable et plus précise).
73: assouplissement visualisation des sondes (uniquement easy split)
Ce paramètre permet de configurer la vitesse de mise à jour à l'écran de la température affichée. La température affichée à l'écran aura tendance à suivre très lentement les écarts brusques par rapport au point de consigne et, vice-versa, elle se déplacera très rapidement dans le cas où la température à visualiser se déplace en direction du point de consigne. Dans le cas où la température de réglage dépasse le seuil de température elevée ou basse et que par conséquent une alarme AH ou AL se déclenché, le filtrage est immédiatement by-passé et la température affichée devient la température effectivement mesurée jusqu'àrouturcomplet des alarmes. L'action du paramètre /3' n'a d'effet que sur la température affichée et non sur celle utilisée par le réglage. La vitesse de mise à jour decroit lorsque la valeur du paramètre de 1 à 15 augmente.
Parametre /3
| Valeur 0 = déactivé |
| 1 = mise à jour rapide |
| ... |
| 15 = mise à jour lente |
Exemple: Dans le cas de comptoirs frigo "Bottle cooler", dans le cadre d'une utilisation typique de supermarché, il est possible qu'en cas d'ouverture frequente des portes et à cause de l'inertie thermique des liquides par rapport à l'air, la sonde étant dans l'air et non directement sur les produits, l'instrument détecte une température plus élevé par rapport à la température effective des boissons, affichtant donc à l'écran
une température peu "réalisée". En configurant le paramètre '3' à une valeur différente de 0, toutes les variations brusques de température sont "filtrées" au moment de l'affichage, montrant un comportement de la température plus "pres" du comportement réel de la température de la marchandise.
/C1/C2/C3: offset sondes 1,2,3
Corrigent la température détectée par les sondes (/C1 sonde 1, /C2 sonde 2 et /C3 sonde 3), à travers une valeur en dixièmes de degré. Cette valeur, dite de effet, est ajouté (en programmant /C1/C2/C2>0) ou retiree (en programmant /C1/C2/C3<0) à la valeur relevante par la sonde associée.

Attention: le paramètre /C3 n'est pas present sur les modèles easy compact
/P: selection du type de sonde (uniquement easy split)
Il permet de selectionner le type de sonde à utiliser pour la mesure:
/P=0 NTC standard: -50T90°C;
P = 1 NTC températe élevée: -40T150°C.
4.2 Affichagetempérature
La température affichée, le type d'unité de mesure et la résolution décimale peuvent être programmés en fonction des paramétres suivants: /4, /5 et /6.
/4: selection sonde affichee
Permet deCHOISIR SI AFFICHER LA TEMPERATURE DE LA SOND DE REGULATION Sonde 1, Sonde 2 ou I'Etat de I'ENTREE multifonction (analogique ou digitale).
Entree numérique = 0 contact fermé.
Entree numerie = 1 : contact ouvert.
Le paramètre /4 selectionne l'entrée affichée sur l'écran, toutes les autres modalités d'affichage et de régulation restent inchangées.

Attention: les modèles easy compact peuvent afficher jusqu'à 2 sondes.
5: selection ^ C / F
Definit l'unité de mesure utilisée pour la régulation de la température.
/5 = 0 pour travailler en °C
/5=1 pour travailler en °F.

Mise en garde:
- lors du passage d'une unité de mesure à une autre, toutes les valeurs des paramètres de température doivent être remplacées par la nouvelle unité de mesure.
- Les limites max et min des paramétres absolus de température sont les mêmes tant pour °C que °F. Donc l'intervalle de température admis est différent entre °C et °F:
/6: déshabilité point decimal
habilité ou déshabilité l'affichage de la température avec la résolution du dixieme de degré entre -20 et + 20 (easy et easy split) ou -10 et +10 (easy compact).
/6 = 0 températe affichée avec le dixieme de dégré;
/6 = 1 température affichée sans le dixieme de degré.

Note: l'exclusion du point decimal concerne seulement l'affichage mesure sur l'écran (les calculs internes au contrôle restent inchages).
7: habilitation alarmé sonde 2 (seulement modèles M)
Sur les modèles thermomètre M, équipés de deux sondes, en programmeant 7/7 = 1 on habilité l'alarme de la deuxième sonde (E1).
4.3 Régulation température
Les paramètres pour régier la température sont: St, r1, r2, r3, r4 et rd.
St: point de consigne, r1 valeur minimale et r2 valeur maximale du point de consigne
Le paramètre St déterminé la température que l'on souhaite maintainir à l'intérieur du banc ou,chambre frigorifique (point de consigne).Les paramètres r1 (valeur minimale) et r2 (maximale)programmert l'intervalle de température à l'intérieur duquel il est possible d'établier le point de consigne.

Note: le point de consigne peut êtreprogrammé à travers la
touche SET (voir par. "Programmation point de consigne (valeur de température souhaitee)" page 16).
r3: sélection fonctionnement direct/reverse
Definit la modalite de fonctionnement du dispositif:
- r3 = 0 : direct avec dégivrage. Permet de demander l'allumage du compresseur quand la température mesurée par la sonde 1 dépasse le niveau de point de consigne. Cette modalité prévoit aussi le dégivrage (aussi appelée "modalité froid", voir Fig. 4.a)
r3=1: direct sans dégivrage (Fig. 4.a) - r3 = 2 : reverse sans dégivrage (Fig. 4.a). Permet de demander l'allumage du compresseur quand la température mesurée par la sonde 1 descend en dessous du niveau du point de consigne. Cette modalité NE prévoit PAS le dégivrage (aussi appelée modalité "chaud" voir Fig. 4.a).

Modalité "direct" (froid) Modalité "reverse" (chaud)
Legendre:
- demande compresseur;
- sonde 1

Attention: la modalité de fonctionnement peut être programmes
égarlement par contact externe connecté à l'entrée digitale multifonctionnelle (paramètre A4=9). Dans ce cas, le contact règle le fonctionnement (direct/reverse) avec priorité par rapport au paramètre r3.
Valeur qui augmente automatiquement la température du point de consigne pendant les tranches horaires de fonctionnement nocturne.
r4=0: point de consigne nocturne=St
r4>0: point de consigne nocturne=St + r4

Attention:
- pour habiliter le fonctionnement noctune, il ne suffit pas de programme r4>0, il faut aussi habiliter et configurer l'entrée digitale (voir paramètre A4=4 switch ridesau/fonctionnement nocturne) ou habiliter une tranche hora nocturne (voir par. "4.11 Paramétres horloge et tranches horas" page 28);
- Par fonctionnement nocturne, nous n'entendons pas obligatoirement la nuit mais les tranches horaires durant lesquelles on souhaite modifier la valeur du point de consigne. D'habitude elles correspondant à la période pendant laquelle le banc frigo n'est pas utilisé (fermeture magasin) et quand le rideau de couverture est fermé.
rd Différentiel de régulation
Valeur qui s'ajoute (ou se déduit en modalité 'reverse') au point de consigne de température.
rd= valeurs basses:
- plus grande précision dans le réglage de la température;
- fréquence élevée d'allumage/éteignage du compresseur en cas d'écarts minimes de la température (avec le risque d'en endommager le fonctionnement).
rd=valeurs hauts:
- précision plus réduite dans le réglage de la température;
- faible fréquence d'allumage/éteignage du comprésur en cas d'écarts minimes de la température.

Attention: il est possible de protégier le compréseur également à
travers les paramétres qui limitent le nombre d'insertions/heure et le temps min. d'éteignage (voir par. "4.6 Protection du compresseur" page 19).
4.4 Duty Setting
Modalité de sécurité qui assure le fonctionnement du compresseur même en cas de sonde de régulation en panne. En cas d'alarme E0, duty setting garantit le fonctionnement du compresseur en attendant que la panne soit éliminée. Etant donné que le compresseur ne peut pas être actionné en fonction de la température, il est mis en marche cycliquement pendant un temps de fonctionnement (temps de ON) égal à la valeur assignée au paramètre c4 (en minutes) et un temps d'éteignage (temps de OFF) fixe de 15 minutes, voir Fig. 4.b.

Fig. 4.b
c4: temps d'allumage comprésseur avec duty setting
c4=0 en cas de panne sonde ambiante, le compresseur
reste tousjres eteint.
c4=100 le compresseur reste tousjours allumé et les 15
(c4=99 minutes d'teignage ne demarrent pas.
pour easy compact)
0<c4<100
(0<c4<99
pour easy compact)
quand se produit une erreur sonde (E0),le cycle de duty setting du compresseur commence (I'etat du compresseur est maintainu) et le temps déjà ecoulé n'est pas pris en considération.
Les temps du compresseur régés par les paramétres c1, c2, c3 sont de toute façon toujours respectés.
Tab. 4.d
Duty setting et dégivrage
Si I'erreur sonde de regulation se produit alors que le contrôleur se trouve en dégivrage, la fonction n'est pas interrompu mais est terminée comme prévu; en outre le dégivrage peut être effectué quand une demande intervient. Pendant le dégivrage, le timer du duty settint n'est pas arrêté mais continue à compter les temps de ON et OFF.
Duty setting et cycle continnu
Sile contrôle est en train d'effectuer le cycle continu, il sort instantanément de l'état où il se trouve et active le fonctionnement duty setting (ceci aussi pour des raisons de sécurité étant donné que pendant le cycle continu, l'alarme de basse température est déshabilité). Pour réactiver le fonctionnement en cycle continu, il faut rétablier la sonde ambiente.
Si l'erreur soit disparait, la machine returne au fonctionnement normal. Le compresseur recommence à suivre la logique du réglage en respectant les temps de c1, c2, c3.
4.5 Cycle continu
Permet demaintenirunerefrigérationactiveretcontinue,independamment des températures internes de l'unité. Cette fonction doit être utilisée quand une diminution rapide de la temperature du produit est requise, par exemple après les phases de chargement. Au cours de cette phase, la temperature peut descendre en dessous du point de consigne de la valeur programmée avec le paramètre AH. Pour activer ou désactiver le cycle continu depuis le clavier, se réferer au paragraphe 3.5, l'écran visualise "cc" et l'icone apparait (c) clignotante (2 clignotements, pause).
cc: durée cycle continu
Temps en heures pendant lequel le compresseur reste continulement actif pour réduire la température même en dessous du point de consigne. Si cc=0, le cycle continu n'est pas activé. Le contrôleur sort de la procédure cycle continu après que le temps programme pour le paramètre "cc" se soit écoué ou quand la température minimale prévue a été atteinte (voir alarmé température minimale, paramètre AL).
c6: exclusion alarmé température après cycle continu
Temps en heures pendant lequel l'alarme de température est désactivée après un cycle continu. Si à la fin du cycle continu, la température diminue par inertie en dessous du niveau minimum (point de consigne-AL), l'alarme de basse température est retardée du temps c6. Nous rappelons qu'à la température (point de consigne-AL), la désactivation du cycle continu estforcée.
4.6 Protection du compresseur
Les contrôles easy, easy compact et easy split sont dotés d'un système de protection du compresseur pour éviter des allumages ou éteignages continus de la machine. Cette protection peut être régée à travers les programmes des temps en minutes des paramètres c0, c1, c2, c3:
c0 retard demarrage compresseur et ventilateur à l'allumage
Au démarrage, le contrôle retardé l'allumage du compresseur et du ventilateur evaporateur (voir Fig. 4.c).
c1 temps minimum entre allumages successifs compresseur
Retarde l'allumage entre deux allumages successifs (voir Fig. 4.d).

Notes:
- si le nombre d'allumages/heure maximum admis est égal à 10, il suffira de programme c1=6 pour garantir le bon fonctionnement du contrôle.
- en plus du temps de c1 il faut tenir compte également du paramètre "dd" (temps d'égouttement), qui force l'arrêt du compresseur et du ventilateur de l'évaporateur après un dégivrage.
c2/c3 temps minimum d'eteignage/allumage du compresseur
Déterminant les temps minimum d'éteignage (c2) et allumage (c3) du compresseur. Les demandes arrivant au compresseur ne seront pas satisfaites si les temps c2 et c3 ne se seront pas écoulés (voir Fig. 4.e et 4.f).




Légende Fig.4.c...4.f
1 allumage instrument;
2.2.2.2.1.2 demande intervention compressor
3 compresseur
c11: retard deuxieme compresseur (uniquement easy split)
Ce paramètre déterminé le retard du deuxième comprésseur par rapport au comprésseur principal, en phase d'allumage. L'arrêt des deux comprésseurs a lieu en même temps.
Attention: Il est nécessaire de selectionner la sortie auxiliaire comme sortie du deuxieme compresseur en parallele (H1 = 5), deuxieme compresseur avec reglage à double étage, sans rotation (H1 = 6) ou deuxieme compresseur avec reglage à double étage, avec rotation (H1 = 7).
4.7 Dégivrage
Pour une utilisation sure et correcte des contrôles easy, easy compact et easy split, il est indispensable de programmer des fonctions de dégivrage.
Type de dégivrage (paramètre d0):
Le dégivrage peut être effectué par arrêt compréseur, par résistance ou gaz chaud. En outre il peut être effectué:
- en fonction de la température: en utilisant la sonde de dégivrage située sur l'évaporateur. Dans tous les cas, le dégivrage sera interrompu après une durée maximale de sécurité calculable. L'alarme "Ed" fin dégivrage pour durée maximale (paramètre A8) peut être déshabilitée.
en fonction du temps: en l'absence de sonde de dégivrage.
- en fonction du temps thermostaté (seulément avec résistance); pendant un temps programmable: permet d'activer la sortie du dégivrage seulement quand la température est en dessous du seuil de fin dégivrage, garantissant ainsi économie d'énergie et un dégivrage de l'évaporateur même dans les situations les plus difficiles (voir Fig. 4.g).

Legendre
1 demande degivrage;
2 température sonde dégivrage;
3 résistance dégivrage.
Tab. 4.e
| d0 | type de dégivrage | type sortie dégivrage |
| 0 par résistance en fonction de la | température | |
| 1 par gaz chaudièt | ||
| 2 par résistance en fonction du temps | ||
| 3 par gaz chaudièt | ||
| 4 par résistance thermostaté | ||
Attention: sur les modeles easy et easy compact et sur les modeles easy sans relais de dégivrage, il n'est possible de dégiver que par arrêt du compresseur. Dans ces cas, le dégivrage peut êtreprogramme en fonction du temps (conseilé d0 = 2 ) ou de la température (si la sonde de dégivrage est presente, conseilé d0 = 0 ).
Comment activer le dégivrage:
- depuis clavier en appuyant touche DOWN pendant 3 s (dégivrage manuel), (pour easy split ce doit être H1≠4, Si H1=4, on peut appuyer en même temps sur les touches UP et DOWN, avec H6=1);
- depuis entrée digitale (sur les modeles qui en sont dotés et en programmant le paramètre A4=3);
- depuis superviseur;
- avec programmation de tranches horaires (si RTC presente/habilité):
- à la fin de l'intervalle entre deux dégivrages (paramètre cl>0);
- à l'allumage de l'instrument (paramètre d4=1).

Attention: les modèles easy compact, puisqu'ils ne disposent pas
d'horloge RTC et d'entree digitale, ne permettent pas la programmation de tranches horaires dégivrage ou de connecter un contact externe pour la gestion du dégivrage.
Le dégivrage peut être demandé, mais ne pas s'activer en cas de:
cycle continu
- égouttement (dd>0);
post-égouttement (Fd>0);
protections compresseur;
-état de OFF;
- déshabilitation depuis entree digitale(A4=2)
- en programmant le retard de temps (d5>0) avec la fonction de dégivrage à l'allumage de l'instrument (d4=1);
- régulation modalité seulement direct sans dégivrage (r3=1) ou reverse (r3=2) (dans ce cas, la demande de dégivrage ne se produit même pas);
- dégivrage en fonction de température (d0=0, 1) et température relevante par la sonde de dégivrage supérieur au point de consigne de fin dégivrage (dt).
Le dégivrage se termine correctement:
- à la fin du temps préétabli (voir paramètre "dP");
- une fois que la température programmée est atteinte (dt).
Quand le dégivrage se termine correctement, se mettent en marche les activités d'égouttement (égal au temps programme au paramètre dd) et post-égouttement (paramètre Fd).
Le dégivrage se termine par avance:
- depuis clavier en appuyant la touche DOWN pendant 3 s (demande de fin dégivrage manuel, pour easy split ce doit être H1≠4 ou sinon en appuyant en même temps sur UP+DOWN pendant 3 s avec H6=1);
- pour alarmé externe immediate "IA";
- pour alarme condenseur encrasse "CHt";
- pour programmation modalité seulement direct sans dégivrage (r3=1) ou reverse (r3=2);
- pour état de OFF;
- pour demande du superviseur,
- depuis entree digitale (voir parametre A4=2) (la demande degivrage reste en attente).
Dans ce cas l'arrêt anticipé du dégivrage ne compte pas l'égouttement et le post-égouttement.

Attention:
- le dégivrage est disponible uniquement en modalité direct, c'est-à-dire avec les paramètres r3=0 ou A4=9 (ce dernier a la priorité sur r3);
- à travers le paramètre d0, et en fonction du modele à disposition, il est possible deCHOISIRLETPede dégivrage aactiver;
- le dégivrage a priorité par rapport au réglage normal de température, il peut avoir priorité même sur les protections du compresseur (voir paramètre d9);
- pendant le dégivrage, il est possible de suspendre l'affichage de la température sur l'écran (voir paramètre d6);
- l'etat de cycle continu a priorite sur le dégivage.
Paramétres pour programme le dégivrage dl: intervalle entre les dégivrages
Le dégivrage est effectué périodiquement à une période égale à la valeur de "dl" (en heures ou minutes, voir paramètre dC). L'intervalle est compté à partir du début du dégivrage en cours. Si le temps est égal à 0 (dl=0), le dégivrage ne s'effectue jamais sauf dans les cas où il estforcé au start-up, depuis clavier, entree digitale, superviseur ou tranche hora. Pendant le dégivrage, les alarmes de température sont inhibées.
dt: point de consigne température fin dégivrage/seuil température dégivrage thermostaté
Sur les modèles dotés de sonde de dégivrage, il est possible de fixer la température de l'évaporateur à atteindre à la fin du dégivrage (la température de l'évaporateur est relevante par la sonde de dégivrage). Le différentiel de thermostatation de la sortie dégivrage est fixé à 1^ (dégivrage thermostaté, d0 = 4
Si au début d'un cycle dégivrage avec sortie contrôle à température (d0 = 0,1) , la température détectée par la sonde est supérieure à celle programmée en "dt", le dégivrage ne s'effectue pas. Dans le cas de dysfonctionnement de la sonde, le contrôle effectue un dégivrage par temps d'une durée "dP". De cette façon même si le point de consigne de fin dégivrage n'est pas atteint, le dégivrage est interrompu après une durée maximale égale à la valeur de dP et l'erreur Ed s'affiche (si habilité par A8), qui durable jusqu'à ce qu'un cycle de dégivrage correct ne soit effectué.
dP: durée maximale dégivrage
Determine la durée maxime du dégivrage (en minutes ou secondes, voir paramètre dC). Quand un dégivrage par temps estprogrammé (d0=2/3/4)dP représenté la durée effective du dégivrage.
d4: dégivrage à l'allumage de l'instrument
Active un dégivrage à l'allumage de l'instrument (d4= 1). Avec priorité sur l'insertion du compresseur et sur l'activation du cycle continu.
Forcer un dégivrage à l'allumage de l'instrument peut être utile dans des situations particulières (ex. fréquentes chutes de tension).
Cas 1: de féquentes chutes de tension se produit dans l'installation
En cas d'absence de tension, l'instrument met à zéro l'horloge interne qui calcule l'intervalle entre deux dégivrages, en repartant de zéro. Si la fréquence de la chute de tension était supérieure à la fréquence de dégivrage (par ex. une chute de tension toutes les 8 heures contre un dégivrage toutes les 10 heures), le contrôle n'effectuait jamais aucun dégivrage. Dans une situation de ce genre, il est préféable d'activer le dégivrage à l'allumage (d4 = 1) , sur tout si le dégivrage est contrôle en température (sonde sur l'évaporateur) par conséquent on évite des dégivrages inutilles ou on réduit les temps d'exécution.
Cas 2: Installations avec de nombreuses unités frigorifiques
Dans cette situation, si le dégivrage s'active à l'allumage (d4=1), il serait possible, après une chute de tension, que toutes les unités partent en dégivrage. Ceci peut cause des surcharges. Pour remédier à cet inconvenient il est possible de programmermer le paramètre "d5" qui permet d'insérer un retard avant le dégivrage, retard qui doit bien être différent pour chaque unité.

Legende:
1 allumage 2 tension
d5: retard dégivrage à l'allumage ou depuis habil. entree digitale
Temps qui doit s'écouer entre l'allumage du contrôleur et le début du dégivrage. L'entrée digitale peut être utilisée pourmettre en marche un dégivrage par contact externe (voir par. A4 = 3 d5 représenté le retard entre I'habilitation du dégivrage, ou sa demande, et le début effectif. L'entrée digitale de dégivrage peut être utilisée pour effectuer des dégivages en temps réel, quand l'options RTC n'est pas presente sur la machine. Il suffira de connecter un timer à l'entrée digitale pour activer le dégivrage à la fermeture du contact du timer.
Dans le cas de plusieurs unités connectées au même timer, nous conseillons d'utiliser la paramètre d5 pour retarder les dégivrages avec un temps différent pour chaque unité. En outre, pour éviter des dégivrages non souhaiés commandés par le timer interne de l'instrument, nous conseillons de programmer le paramètre dl=0 (seulement dégivrages manuels depuis clavier ou depuis contact) ou bien de programmerdl avec une valeur supérieure à l'intervalle maximum prévu.
| A4 Signification d5 | |
| 3 début dégivrage sur front defermeture | retard entre demande et débuteffectif |
Tab. 4.f
d6: blocage affichage température de réglage pendant dégivrage
Pendant le dégivrage, l'affichage de la température ambiente se bloque à la démarche valeur lui avant le dégivrage en cours (d6=1).
d6= 0 affichage alternatif du message "dF" et de la température relevée par la sonde de régulation;
d6=1 blocage de l'affchage de la derniere température relevante avant le dégivrage.
L'affichage reprend normalement quand la température de régulation atteint le point de consigne ou, dans tous les cas, endeans le temps programme comme exclusion alarme après le dégivrage (paramètre d8). La modalité de blocage vaut également pour l'affichage de la deuxieme et de la troisième sonde, si habitités (paramètre /4).
dd: temps d'égouttement
Force l'arrêt du compresseur et du ventilateur de l'évaporateur après un dégivrage, dans le but de favoriser l'égouttement de l'évaporateur. La valeur du paramètre indique les minutes d'arrêt du compresseur et du ventilateur. Si dd=0, le temps d'égouttement n'est pas prévu et par conséquent à la fin du dégivrage, le compresseur est immédiatement réactif.

Legende:
1 dégivrage;
2 demande insertion compresseur;
3 compresseur.
d8: temps exclusion alarmes après dégivrage
Temps d'exclusion signal d'alarme température élevée à partir de la fin d'un dégivrage ou de l'ouverture de la porte de la cellule, au cas où l'entrée numérique serait branchée au "commutateur porte" (paramètre A4).
d9: priorité dégivrage sur protections compresseur
Annule les temps de protection du compresseur (c0, c1, c2, c3) au début du dégivrage. Les valeurs prévues sont:
d9= 0 temps de protection respectés;
d9= 1 temps de protection non respectés; le dégivrage a une priorité supérieure et ne respecte pas les temps du compresseur.
Ceci est utile, par exemple, au cours du dégivrage par gaz chaud pour éviter de retarder le dégivrage si le compréseur vient de s'éteindre ou si un temps minimum entre deux insertions estprogrammé. Dans ce cas, le nombre maximum d'insertions heures du compréseur pourrait ne pas être respecté.
d:/ mesure sonde dégivrage
Permet d'afficher la valeur relevante par la sonde de degivrage sur les instruments qui en sont dotés.
dC: base des temps
Modifie l'unité de mesure utilisée pour compter les temps dans les paramétres dl (intervalle de dégivrage) et dP (durée du dégivrage).
Les valeurs sont:
| dC dI dP | ||
| 0 heures minutes | ||
| 1 minutes secondes |
Tab. 4.g
Le parametre dC=1 sort a:
- tester le fonctionnement du dégivrage avec des temps réduits;
- la gestion des sécheurs d'air. Le cycle de dégivrage devient le cycle de vidange condensation qui doit se faire à des intervalles rapprochés (minutes) et avec des durée très courtes (seconds).

Attention: nous conseillons d'utiliser ce parametre (dC=1) si le
dégivrage requiert l'insertion du comprésseur (à gaz chaud) et avec d9=1, parce que le comprésseur pourrait s'endommager à cause d'un nombre élevé d'insertions répetées.
4.8 Paramètres alarmes
Les alarmes peuvent etre programmées comme seuil, typologie et retard d'activation. Pendant une alarme, la machine peut interromper le fonctionnement normal et signaler l'anomalie sur I'écran (en fonction du type d'alarme survenue).
A0: température différentiel alarmes et ventilateur
Différentiel qui désactive ou retardé l'activation des alarmes de haute et bassé température ("AH", "AL") et pour la gestion du ventilateur. Dans le cas d'alarme, comme montré sur la figure ci-dessous, la valeur de "A0" concourent à la détermination des points d'intervention réelle des alarmes de température. De la valeur de "A0" (négative ou positive), dépend la nature des alarmes "AL" et "AH" (absolues ou relatives respectivement), en particulier:
A0≤0 AL et AH exprimés en mode absolu
A0>0 AL et AH exprime en mode relatif par rapport au point de consigne (St ou bien St +14 en fonct. nocturne)

Legende:
1 alarmebasse temperature;
2 alarmé haute température.
AL: température absolue ou relative pour alarmé de basse température
Determine le seuil d'activation de l'alme de basse tempereature.
| AL | Alarme (normale) basse températ. si... | Alarme (nocturne) basse températ. si... | Alarme deshabitit. si... |
| absoluè | temp. sonde 1 ≤ AL | temp. sonde 1 ≤ AL | AL= -50 |
| relative | temp. sonde 1 ≤ St-AL | temp. sonde 1 ≤ St+4-AL | AL= 0 |
Tab. 4.h
AH: températ. absolue ou relative pour alarmé de haute températ.
Determine le seuil d'activation de l'alarme de haute température.
| AH | Alarme (normale) haute températ. si... | Alarme (nocturne) haute températ. si... | Alarme deshabil. si... |
| absolue | temp. sonde 1 ≥ AH | temp. sonde 1 ≥ AH | AH=150 |
| relative | Temp. sonde 1 ≥ St+ AH | temp. sonde 1 ≥ St+r4+ AH | AH=0 |
Tab. 4.i
Note: les alarmes de basse et haute temperature sont à réarmement automatique; si la temperature retoume dans l'intervalle admis, la signalisation d'alarme s'annule automatiquement. Pendant une alarme de haute ou basse temperature, sur l'écran clignote le message "HI" ou "LO", respectivement, alterné à la temperature; si present, le buzzer se met en marche.
Ad: retard alarmé température
Indique après combien de minutes l'alarme de tempéature est signalée à compter du moment où elle a été détectée. Si la tempéature, après le retard Ad, est comprise dans les limites admises, l'alarme n'est pas signalée. Imposer un retard à la signalisation des alarmes de tempéuration peut contributor à éliminer de fausses alarmes dues à des interférences sur le signal de la sonde ou à des situations limitées dans le temps (par exemple la porte de la chambre ouverte pour une courte période). Le retard de l'alarme de tempéuration n'a pas d'effet avec le dégivrage et le cycle continu. Pour retarder d'eventuelles alarmes de tempéuration après ces fonctions, il faut programmermer les paramétres d8 pour le dégivrage et c6 pour le cycle continu. Nous rappelons que pendant le dégivrage et le cycle continu, les alarmes de tempéuration ne sont pas générées. Déf.: Ad=0 (alarme de tempéuration instantanée).
A4: configuration 3^ entrée (multifonction)
L'entrée multifonction n'est presente que sur les modèles easy avec trois entrées; elle n'est pas disponible sur les modèles easy compact. Permet de programmer les fonctions de l'entrée digitale.
| 0 Entrée non active |
| 1 Alarme externe instantanée (A7=0) ou retard (A7>0) |
| Entrée ouverte=alarme |
| Entrée fermée=ok |
| 2 Habilitation dégivrage |
| Entrée ouverte=déshabilité |
| Entrée fermée=habilité |
| 3 début dégivrage su front de fermetre |
| SI MODELE M: selection sonde affichée, Entrée ouverte=sonde 1, |
| Entrée fermée=sonde 2 |
| 4 Switch ridesau ou fonctionnement nocturne |
| Entrée ouverte=point de consigne normal |
| Entrée fermée=point de consigne nocturne [r4] |
| 5 ON - OFF à distance |
| Entrée ouverte=OFF, Entrée fermée=ON |
| 6 Actionnement direct sortie AUX avec H1=3 |
| Entrée ouverte=AUX non excité, Entrée fermée=AUX excité |
| 7 Switch portecavec blocage ventilateur |
| Alarmé "dor":-istantanée(A7=0)ou retardée(A7>0) |
| - actionnement sortie AUX(H1=3) |
| Entrée ouverte=porte ouverte |
| Entrée fermée=porte fermée |
| 8 Switch portecavec blocage ventilateur et compresseur |
| Alarmé "dor":-istantanée(A7=0)ou retardée(A7>0) |
| - actionnement sortie AUX(H1=3) |
| Entrée ouverte=porte ouverte |
| Entrée fermée=porte fermée |
| 9 Modalité de fonctionnement direct/ reverse |
| SE r3=0 entrée ouverte=direct+dégivrage |
| entrée fermée=reverse |
| SE r3=1/2 entrée ouverte=direct |
| entrée fermée=reverse |
| 10 Sonde pour alarmé condenseur encrasé |
| 11 Sonde produit |
A1=0 entrée multifonctionnelle déshabilité
L'entrée multifonction n'est pas activée et ne peut pas être utilisée comme entrée digitale ou analogue.
A4=1 alarme externe
contact ouvert= détction d'une alarme contact fermé=fonctionnement normal.
Avec A4=1, il est possible de connecter easy à un contact externe pour la détction immédiate d'alarmes. La signalisation de l'alarme peut être retardée en programmant le paramètre A7.
L'activation de l'alarme déterminé la signalisation sur écran (voir par. "5.1 Tableau alarmes et signalisations" page 31), l'activation du buzzer (sur les modèles qui en sont dotés) et compte le blocage comprésur pour alarme externe (immediaté si A7=0), alors que le ventilateur continue à fonctionner selon les paramétres F0, F1, F2, F3, Fd.
Si l'alarme externe est detectée pendant un dégivrage ou un cycle continu, le contrôle les interrompt (sans effectuer la phase égouttement ou post-égouttement en cas de dégivrage).
Quand l'alarme cesse, la machine retoume a fonctionner normalement, et donc:
- la possibilité d'effectuer le cycle continu (cc) est rétable;
- la possibilité d'effectuer le dégivrage est rétable;
- le compresseur repartira après l'éventuelle période d'éteignageprogrammée avec le paramètre c2 (temps minimum d'éteignage du compresseur).
A4=2 Habilitation dégivrage contact ouvert= non habilité contacte féme= habilité.
Avec A4-2, il est possible de connecter easy à un contact exteme pour l'habilitation du dégivrage; celui-ci ne pourra etre activé que si le contact est fermé et en respectant le retard programme avec le parametre d5. Si le contact est ouvert pendant un dégivrage en cours, celui-ci est immédiatement interrompu et le contrôle reprend le fonctionnement normal (sans effectuer les phases d'égouttement ou de postégouttement). Le LED ®ommence a clignoter, indiquant la demande de dégivrage, en attente de la prochaine habilitation (suivante fermeture du contact), quand le dégivrage reprend (le timer dP est mis à zéro).
A4=3 Debut dégivrage suivant une transition de ferméture
Relève que l'entrée digitale passé de l'ouverture à la fermeture pour générer la demande de dégivrage.
Avec A4=3, il est possible de connecter easy à un contact externe pour faire partir le dégivrage suite à une transition de fermeture. En programmant dl=0 (aucun intervalle entre deux dégivrages) et sans tranches horaires habitées, l'ouverture du contact externe commande la démarrage immédiat du dégivrage.
Cette fonction est indiquée pour effectuer des dégivages en temps réel avec des contrôles dépourvus d'horloge RTC (avec laquelle il est possible de programmer des tranches horaires de dégivage). Dans ce cas, en connectant l'entrée digitale à un timer cyclique, mécanique ou électronique et en programmant A4=3 il sera possible de garantir des cycles de dégivage.
Il est possible de connecter plusieurs unités à un seul timer. Dans ce cas, pour éviter que tous les dégivages ne partent en même temps, nous conseillons de programmer le paramètre d5 à des intervalles de temps différents pour chaque unité connectée (voir Fig. 4.k).
Sur les modeles PJEZM*, permet de selectionner la sonde dont la valeur est affichee sur I'ecran de I'instrument: contact ouvert=sonde 1 contact fermé=sonde 2.

Légende: 1 demande de dégivrage; 2 ouvert; 3 fermé.
A4=4 Switch ridesau et fonctionnement nocturne contact ouvert=rideau levé, fonctionnement normal, contact fermé=rideau abaisse et fonctionnement nocturne
Avec A4=4, il est possible de connecter easy à un contact exteme pour gérer l'ouverture et la fermeture du rideau de son propre banc frigo et en activer le fonctionnement nocturne.

Attention:
- avec le contact fermé, le point de consigne de température passée à noctume et donc la valeur de r4 s'ajoute (fonctionnement "direct") ou se soustrait (fonctionnement "reverse") à la valeur associée à "st";
- par fonctionnement nocturne, nous n'entendons pas obligatoirement la nuit, mais les tranches horaires auxquelles on souhaite modifier la valeur du point de consigne. Ceci correspond d'habitude à la période où le banc frigo n'est pas utilisé (fermeture magasin) ou quand le rideau de couverture est fermé.
| Contact Fonctionnement Mode fonctionnement | P.consigne | |
| ouvert normal direct / reverse St | ||
| fermé noctuème direct St + r4 | ||
| reverse St - r4 | ||
A4=5 ON-OFF à distance de l'instrument
contact ouvert etelignage contrôle contact fermé allumage contrôle.
Avec A4 = 5 it is possible de connecter easy a un contact externe pour regler l'allumage et I'eteignage de I'instrument. L'ON-OFF depuis contact externe a priorite par rapport a celui depuis clavier ou supervision. Voir par."3.5 Fonctions activables depuis clavier page 15 pour approfondir les fonctions de I'instrument a I'etat OFF.
A4=6 Actionnement direct sortie AUX avec H1=3
contact ouvert = sortie AUX non activée contact fermé = sortie AUX activée
Avec A4=6, il est possible de connecter easy à un contact externe pour pilotier la sortie auxiliaire (H1=3 sortie auxiliaire liée à entrée digitale).
A4=7 Switch porta avec blocage ventilateur evaporateur contact ouvert= porto ouverte contact fermé- portefermée
Permet de signaler l'alarme de porte ouverte et de bloquer le ventilateur de l'évaporateur. Voir le paragraphe 4.9 "Gestion ouverture et fermeture de la porte".
A4=8 Commutateur porte avec blocage ventilation evaporateur et compresseur contact ouvert=porte ouverte contact fermé=portefermée
Voir A4=7 avec en plus le blocage du compresseur pendant la pré-alarme (A7 ou d8). L'habilitation de l'entrée digitale A4=8 est prioritaire sur les paramétres de protection du comprisseur (c0,c1,c2,c3). Voir le paragraphe 4.9 "Gestion ouverture et fermeture de la porte".
A4=9 Modalité de fonctionnement direct/reverse contact ouvert=fonctionnement direct contact fermé=fonctionnement reverse
Le paramètre A4=9 a priorité sur le paramètre r3; seule la valeur r3=0 spécifie l'activation du contrôle dégivrage.
Tab. 4.1
| r3 | contact | résultat |
| 0 ouvert | fonctionnement Direct avec contrôle dégivrage | |
| fermé | fonctionnement Reverse | |
| 1 ouvert | fonctionnement Direct | |
| fermé | fonctionnement Reverse | |
| 2 ouvert | fonctionnement Direct | |
| fermé | fonctionnement Reverse | |
A4=10 Sonde pour alarme condenseur encrassé
Entree multifonction analogique d'alarme et pre-alarme condenseur encrassé, à travers l'utilisation de la troisième sonde.
Pourhabilitercettefonction,programmer:
- troisieme sonde:
- paramètre Ac: point de consigne température au-dessus duquel easy signale l'alarme de condenseur encrassé;
- paramètre AE: différentiel de tempéature qui, avec celui de Ac, déterminée la pré-alarme de condenseur encrassé;
- parametre Acd: retard de signalisation alarme condenseur encrassé;
- paramètre A4=10: habilitation de la sonde et des alarmes condenseur encrassé.
Pré-alarme "cht" condenseur encrasse:
indique le depassement de la limite entre Ac et AE (derivee du calcul: Ac-AE/2,voir Fig.4.l);
- easy continue à fonctionner normalement;
- rétablissement automatique (si la température de la sonde 3 descend sous Ac-AE);
- affiche "cht" sur écran altermé à la température actuelle.
Alarme "CHt condenseur encrassé:
indique le depassement du point de consigne de temp. Ac (voir Fig. 4.1);
- le temps de retard Acd s'est ecoule;
easybloquetouteslesfonctions;
- se déclenché le buzzer acoustique (pour annuler appuyer sur SET ou pour désactiver programme H4=1);
- affiche "CHt" sur l'écran alterné à "chlt" et à la température.

Attention: l'alarme "CHt" (voir par. 5.1 Tableau alarmes et
signalisations" page 31) ne pourrait être rétable que manuellement, ou bien en éteignant le contrôle en appuyant UP pendant 3 s ou en retardant le courant (à l'allumage, si la température est encore supérieure à la valeur de "Ac", l'alarme se reactivera).

Fig. 4.1
Legende:
- température de condensation;
- pré-alarme seulement affichage alarme "cht" (rétablissement automatique)
3.alarme "CHt et"OFF" refrigeration (rétablissement manuel);
A4=11: Sonde produit
3^ entree (borne 11) configuree comme sonde produit
L'entrée est utilisé en modalité analogique pour la sonde 3 (produit).
Tableau résumé de la relation du paramètre A4 avec les autres actionneurs:
Tab. 4.m
| sorties | ||||
| alarme | AUX | FAN | COMP | |
| A4=1 | "‘A” | - | - | ✓ |
| A4=6 | - | ✓ | - | - |
| A4=7 | "‘dor” | ✓ | ✓ | - |
| A4=8 | "‘dor” | ✓ | ✓ | ✓ |
Dans ce paragraphe, les différences de configuration du paramètre A4 entre easy, easy compact et easy split sont soulignées.
easy split
A4 Signification
| 0 | Entrée non activée |
| 1 | Alarme exte me instantanée (A7=0) ou retardée (A7>0) |
| Entrée ouverte=alarme | |
| Entrée fermée=ok | |
| 2 | Activation dégivrage |
| Entrée ouverte=déactivée | |
| Entrée fermée=activée | |
| 3 | Débit dégivrage sur frontal de fermeture |
| SI MODELE M: sélection sonde affichée | |
| Entrée ouverte=sonde 1 | |
| Entrée fermée=sonde 2 | |
| 4 | Commutateur ridesau ou fonctionnement nocturne |
| Entrée ouverte=point de consigne normal et luminière allumée (H1=4) | |
| Entrée fermée=point de consigne nocturne [r4] et luminière éteinte (H1=4) | |
| 5 | ON-OFF à distance. |
| Entrée ouverte=OFF | |
| Entrée fermée=ON | |
| 6 | Actionnement direct sortie AUX avec H1=3 |
| Entrée ouverte=AUX désexcité | |
| Entrée fermée=AUX excité |
easy split
A4 Signification
| 7 Commutateur porte avec blocage ventilation et éclairage non géné (voir paramètre Ado) Alarme "dor":- instantanée (A7=0) ou retardée (A7>0) - actionnement sortie AUX (H1=3) Entrée ouverte= porte ouverte Entrée fermée= porte fermée |
| 8 Commutateur porte avec blocage ventilation et comprésur et éclairage non géné (voir paramètre Ado) Alarme "dor":- instantanée (A7=0) ou retardée (A7>0) - actionnement sortie AUX (H1=3) Entrée ouverte= porte ouverte Entrée fermée= porte fermée |
| 9 Mode de fonctionnement direct/ inverse SE r3=0 entrée ouverte= direct + dégivrage entrée fermée= inversée SE r3=1/2 entrée ouverte= directe entrée fermée= inversée |
| 10 Commutateur porte avec blocage ventilation evaporateur et éclairage non géné (voir paramètre Ado) 11 Commutateur porte avec blocage ventilation evaporateur et compresseur non géné (voir paramètre Ado) 12 Sélection EASY SET depuis entree générique 13 Sondere alarme pour condensateur encrasé 14 Sondere produit |
Tab.4.0
A4=0,1,2,3; voir A4=0,1,2,3 pour easy, easy compact au paragraphe precedent.
A4=4 Commutateur ridesau et fonctionnement nocturne
Voir le paragraphe precedent. Sur les modèles easy split, si l'entrée éclairage (H1=4) est configurée, en fonctionnement normal la lumière est allumée et en fonctionnement nocturne elle est éteinte.
A4=5,6 voir A4=5,6 pour easy, easy compact au paragraphe precedent.
A4=7 Commutateur porte avec blocage ventilation evaporateur et éclairage non généré
Voir A4-7 pour easy, easy compact au paragraphe precedent. Sur les modèles easy split avec la sortie éclairage configurée (H1=4), l'état de ce dernier reste inchangé. Voir le paragraphe 4.9 "Gestion ouverture et fermeture de la porte".
A4=8 Commutateur porte avec blocage ventilation evap. et compress. et éclairage non géné.
Voir A4=8 pour easy, easy compact au paragraphe precedent. Sur les modeles easy split avec la sortie éclairage configuerée (H1=4), l'état de ce dernier reste inchangé. Voir le paragraphe 4.9 "Gestion ouverture et fermetre de la porte".
A4=9: Voir A4=9 pour easy, easy compact au paragraphe precedent.
A4=10: Commutateur porte avec blocage ventilation evaporateur et éclairage géné
Voir le paragraphe 4.9 "Gestion ouverture et fermetre porte".
A4=11: Commutateur porte avec blocage ventilation evaporateur et compress. et éclairage géné
Voir le paragraphe 4.9 "Gestion ouverture et fermeture porte".
A4=12: Sélection EASY SET depuis entree numérique
Elle peut de selectionner la configuration des parametes à utiliser pour le réglage en fonction de l'état de l'entrée numérique.
Entree numerie ouverte = easy set
Entree numerieferme = easy set 2
Lechioix de l'easy set depuis l'entree numerique est prioritaire par rapport au parametre EZY; cela signifie que toute tentative de changeur l'easy set au moyen du parametre EZY n'est ignoreré si A4 = 12.
A4=13: Sonde pour alarmé condensateur encrasse
Voir A4=10 pour easy, easy compact au paragraphe precedent.
A4=14: Sonde produit
Voir A4=11 pour easy, easy compact au paragraphe precedent.
Tableau recapitulatif de la relation du parametre A4 avec les actionneurs:
| sorties | ||||
| alarme | AUX | VENTILATEUR | COMP | |
| A4=1 | “I/A” | - | - | ✓ |
| A4=6 | - | ✓ | - | - |
| A4=7 | “dor” | ✓ | ✓ | - |
| A4=8 | “dor” | ✓ | ✓ | ✓ |
| A4=10 | - | - | ✓ | - |
| A4=11 | - | - | ✓ | ✓ |
Tab. 4.p
Autres paramètres d'alarme
A7: retard alarmé entrée digitale
Etablit le retard (en minutes) de la détction alarme exteme quand A4= 1, 7 ou 8. Pour easy split, ce doit etre A4=1,7,8,10,11.
A8: habilitation alarme "Ed" (fin dégivrage pour timeout)
L'alarme 'Ed' signale la fin du dégivrage pour "avoir atteint la durée maximale du temps de dégivrage" (dP). Peut de toute façon être déshabilitée en programmeant A8=0.
La signalisation "Ed" disparait à la prochaine demande de dégivrage.
Ac: Point de consigne alarmé condenseur encrassé
Programme le point de consigne de température au-dessus duquel se déclenché l'alarme condenseur encrassé "CHt" (voir paramètre A4=10 pour easy, easy compact et A4=13 pour easy split).
AE: Température différentiel alarmé condenseur encrassé
Programme la valeur de température pour déterminer l'intervalle de pré-alarme condenseur encrassé "cht" (voir paramètre A4=10 pour easy, easy compact et A4=13 pour easy split).
Acd: retard alarme condenseur encrassé
Programme le retard en minutes avant d'activer l'alarme condenseur encrasse "CHt"(voir parametre A4=10 pour easy, easy compact et A4=13 pour easy split).
4.9 Gestion ouverture et fermetre porte
Modalité pour configurer l'entrée numérique:
4. s'assurer que la porte de l'unité est équipée d'un contact de signal d'ouverture et de fermetre de la porte;
5. étabir la durée de pré-alarme (paramètres A7 (en minutes) ou d8 (en heures) 0 pour activer e signal de pré-alarme à l'écran et pour bloquer la ventilation de l'évaporateur;
6. activer l'entree numérique A4=7,8. Pour easy split ce doit etre A4=7,8,10,11.
Lorsque la porte s'ouvre, le contrôle commencerà compter le temps de pré-alarme si les durées A7 ou d8 ne sont pas égales à zéro. Si en revanche A7=0 et d8=0, l'alarme apparaître immidiatement et à l'écran s'altereront le signal "dor" et la valeur de la température. L'alarme ne pourrait être rétablet que lorsque la porte sera fermée, ou en éteignant le contrôle en appuyant sur UP pendant 3 s (lors de l'allumage, si la porte est encore ouverte, le temps de pré-alarme se déclenchera à nouveau).

Attention: en configurant A7=0 et d8=0 les temps de pré-alarme sont ignores, à l'écran s'altereront le signal "dor" et la température
et la ventilation ne se bloquera pas.
Cas particuliers:
- cycle continu: il est effectué normalement, cependant l'arrêt de la ventilation de l'évaporateur est déterminé parles durées configurées avec A7;
- dégivrage: il est effectué normalement et règle l'activation de la ventilation grâce au paramètre F3 (état ventilation de l'évaporateur durant le dégivrage). Si F3=1, l'entrée numérique ne pourrait que signaler l'ouverture de la porte, sans avoiraucun effet sur l'arrêt de la ventilation.
Easy e easy compact
Durant la pre-alarme (A7 ou d8=0):
- la ventilation est bloquée;
- la LED et la température à l'écran clignotent (sauf eventuèlement le comprésseur s'il est allumé);
les alarmes de tempereature elevée sont desactivées.
Durant l'alarme "dor" (à la fin de la pré-alarme A7 ou d8):
- la ventilation rétablit le fonctionnement normal;
- à l'écran s'alterment le signal"dor" et la valeur de la température;
les alarmes de température elevée sont activées. - le buzzer acoustique se déclenché (pour l'arrêt, appuyer sur SET ou pour désactiver configurer H4=1);
- si la sortie auxiliaire AUX est "liee" à l'entrée numérique (H1=3), le relais auxiliaire s'activera.
Exemple: En configurant A4=7 et A7=10 dans une cellule équipée d'un contact, lorsque la porte s'ouvrira à l'écran clignoteront pendant 10 minutes la LED et la température (sauf eventuèlement la LED du compréseur) et la ventilation se bloquera. Au bout des 10 minutes, si al porte est encore ouverte, la ventilation reviendra au fonctionnement normal et à l'écran s'altereront le signal "dor" et la valeur de la température affichée.
Easy split
Sur les modeles easy split, l'algorithmme de gestion de la portependra du type de machine selectionnées, selon le paramètre Ado, et par la selection du paramètre A4.
Ado = 0: armoire
Ouverture de la porte:
Lorsque la portes s'ouvre, si la parametre A7 ou d8 0 le contrôle entre en etat de pre-alarme:
- la température affichée et l'icone d'alarme (cloche) clignotent;
- l'alarme de température élevée est désactivée;
- si A4=7,10 le ventilateur est eteint;
- si A4=8,11 le ventilateur et le compresseur sont eteints;
- si A4=10,11 et si la sortie éclairage est configurée (H1=4), la lumière est allumée.
Si la porte reste ouverte pendant une période dépassant A7, le contrôle entre en état d'alarme:
- la température affichée et l'inscription 'dor's'alterment;
le buzzer est activé - la lumière reste allumées si une sortie configurée comme sortie éclairage est présente (H1 = 4)
- l'alarme de température elevée est activée, en respectant le retard Ad;
- le reliais auxiliaire est activé si H1 = 3;
- le ventilateur est sur ON;
- si A4=8,11 le compresseur est reactifé, en respectant les temps de protection eventuels (paramètres 'c');
Fermeture de la porte:
Le contrôle revient en fonctionnement normal:
- les ventilateurs et le compresseur sont allumés si exigés (en respectant les temps de protection eventuels - paramètres 'c')
- la lumière est eteinte si une sortie configuree comme sortie eclairage est presente (H1 = 4)
- le relais auxiliaire est désactifé si H1 = 3;
- le buzzer est désactiveré;
- le clignotement de la température se bloque et l'icone d'alarme s'éteint (cloche);
- l'alarme de température elevée est activée en respectant le retard Ad.
Ado = 1 :cellul frigorifique
on suppose que l'utilisateur entre dans la cellule frigorifique en fertant la porte une première fois puis qu'il sort de la cellule en ouvrant et en fertant la porte pour la deuxieme fois. Si l'utilisateur entre dans la cellule et sort immédiatement en fertant a porte, le contrôle attend la deuxieme ouverture de la porte et si cela ne se produit pas dans un temps donné (A7 ou d8), il revient au fonctionnement normal.
Première ouverture de la porte:
Lorsque la portes s'ouvre, si les parametes A7 et d8 sont 0 , le contrôle entre en etat de pre-alarme:
- la température affichée et l'icone d'alarme (cloche) clignotent;
- l'alarme de température élevée est désactivée;
si A4=7,10 le ventilateur est désacté; - si A4=8,11 le ventilateur et le compresseur sont désactivés;
- si A4=10,11 et si la sortie éclairage est configurée (H1=4), la lumière est activée;
Si la porte reste ouverte pendant une période dépassant A7, le contrôle entre en état d'alarme:
ventilateurs et compresseurs allumés si exigés; lorsque le compresseur se rallume, les temps de protection doivent être respectés (paramètres 'c');
- la lumière reste allumée si une sortie configurée comme sortie éclairage est présente (H1=4);
- le relais auxiliaire est excité si H1 = 3;
- la température affichée et l'inscription 'dor' s'alterment;
- le buzzer s'active;
- l'alarme de température élevée est activée en respectant le retard Ad.
Première fermetre de la porte:
le contrôle maintain la situation de I'etat precedent:
- les ventilateurs et/ou le compresseur (voir paramètre 'A4') restent désactifs;
- la lumière reste allumée si une sortie configurée comme sortie éclairage est présente (H1=4);
- la température affichée et l'icone d'alarme (cloche) clignotent;
- l'alarme de température elevée est désactivée;
Si, après la première fermetre, la porte reste fermée pendant une durée de passant AZ, le contrôle relance le fonctionnement normal:
ventilateurs et/ou compresseur allumés si exigés; lorsque le compresseur se rallume, les temps de protection doivent être respectés (paramètres 'c')
- la lumière reste allumée si une sortie configurée comme sortie éclairage est présente (H1=4);
- l'alarme de température elevée est activée en respectant le retard Ad.
- le clignotement de la température se bloque et l'icone d'alarme s'éteint (cloche);

Remarque: on suppose que l'utilisateur soit déjà sortit de la
cellule frigorifique, et dans ce cas; il pourrait eteindre la luziere de l'extérieur en appuyant sur le bouton DOWN, ou qu'il soit encore en train de travailler a l'intérieur.
Si après la première fermeture, la lumière est eteinte manuellement (l'utiliseur est hors de la cellule), le contrôle relance le fonctionnement normal sans attendre la deuxieme ouverture de la porte:
ventilateurs et/ou compresseur allumés si exigés; lorsque le compresseur se rallume, les temps de protection doivent être respectés (paramètres 'c');
- l'alarme de température élevée est activée en respectant le retard Ad.
- le clignotement de la tempér. se bloque et l'icone d'alarme s'éteint (cloche);
Deuxieme ouverture de la porte: etat inchangé.
Deuxieme fermetre de la porte:
- ventilateurs et/ou compresseur allumés si exigés; lorsque le compresseur se rallume, les temps de protection doivent être respectés (paramètres 'c')
- l'alarme de température elevée est activée en respectant le retard Ad.
- la lumière est eteinte si une sortie configuree comme sortie eclairage est presente (H1 = 4)
- l'alarme de température elevée est activée en respectant le retard Ad.
4.10 Par. gestion ventilateur evaporateur
Le ventilateur s'actionne en fonction de la programmation des paramétres et de l'état du contrôle. La température pour régulation du ventilateur evaporateur est détectée par la Sonde 2, (borne 10). Pour savoir àquelle sortie est associé le ventilateur, consulter le schéma du modele de "easy" utilisé (voir par, "2.2 Connexions électriques" page 11).

Att: ces paramétres ne sont pas disponibles sur les modélles compact.
En fonctionnement normal, le ventilateur de l'évaporateur peut être générés des façon suivantes:
toujours allumé (FO=0);
allumé en fonction de la température de l'évaporateur (F0=1; F1)
arrêté quand le comprisseur est arrêté (F2=1);
- activé en mode cyclique allumé/éteint (quand le compréseur est éteint - easy split uniquely).
En dégivrage, l'etat du ventilateur de l'évapor. est déterminé par le param. F3:
- régèle selon F0 (F3=0);
- eteint(F3=1)
Le ventilateur reste eteint:
- pendant la période d'équottage, si paramètre dd=0;
- pendant la période de post-égouttement, si paramètre Fd≥0;
- pendant un temps égal à c0 depuis l'allumage de l'instrument, si le paramètre c0≠0.
F0: activation régulateur ventilateur evaporateur
F0=0 le ventilateur est allumé;
F0=1 le ventilateur est soumis à la régulation du point de consigné (voir paramètre F1). Si la sonde del'évaporateur est en panne, le ventilateur s'allume.
F1: point de consigne régulateur ventilateur evaporateur
Le régulateur n'active le ventilateur que quand la température de l'évaporateur est plus BASSE que la valeur F1-A0. F1 est la valeur effective (réelle) de température et non l'écart par rapport au point de consigne. Une fois étant, le ventilateur repart quand la différence entre la sonde et le point de consigne est égale à +A0, où A0 est le différenciel du régulateur ventilateur. Avec F0=1:
- pour température evaporateur < F1-A0, le ventilateur est ON;
- pour température evaporateur > F1, le ventilateur est OFF.

Fig. 4.m
F2: stop ventilateur evaporateur si stop compresseur
F2=0 le ventilateur fonctionné selon F0 même quand le comprésseur est arrêté;
F2 = 1 le ventilateur est arrete quand le compresseur est arrete.
F2=2 (easy split uniquely): la ventilation est gérée en mode cyclique allumé/ éteint. Les temps d'allumage et d'arrêt sont configurable respectivement au moyen des paramétres F4 et F5. La séquence d'allumage et d'arrêt après le stop réglage commence avec la phase de ON de façon à profiter du fait que l'évaporateur est encore froid.

Fig. 4.n
Legende
F4 temps d'ON ventilateurs t temps
F5 temps d'OFF ventilateurs
VENTILATEUR ventilateurs
CP Compresseur
F3: état ventilateur evaporateur pendant dégivrage
F3=0 la ventilation fonctionne pendant le dégivrage;
F3=1 le ventilateur est arrêté pendant le dégivrage.
Fd: temps de post-égouttement
Le ventilateur, après le dégivrage, peut être bloqué pendant une période supplémentaire (en minutes) autredd, définié par la valeur de Fd. Ceci est utilypourpermietre à l'évaporateur de returner àtempérature après le dégivrage et éviter ainsi de forcer de l'air "chaud" à l'intérieur de la chambre frigorifique.Dans le cas de gestion avec régulateur ventilateur, il ne faut pas selectionner un temps Fd puisque le régulateur fait repartir le ventilateur quand l'évaporateur est àtempérature.Si le régulateur ventilateur est activé (F0 = 1) ,en assignant a une valeur 0 ,le ventilateur reste éteint pendant le temps de Fd indépendamment de la température de l'évaporateur.
F4: temps d'ON ventilateurs (avec F2 = 2) (easy split uniquement)
Ce parametre n'est significatif que si F2 = 2 .
Il définit le temps exprime en minutes pendant la période (F4 + F5) durant laquelle les ventilateurs sont gardés allumés en l'absence de demande contraire.
F5: temps d'OFF ventilateurs (avec F2 = 2 ) (easy split uniquement)
Ce paramètre n'est significatif que si F2 = 2 .
Il définit le temps exprime en minutes pendant la période (F4 + F5) durant laquelle les ventilateurs sont gardés etints en l'absence de demande contraire.
4.11 Param. horloge et tranches horaires
L'horloge RTC (Real Time Clock) n'est pas présente sur les modèles easy compact et permet de gérer en temps réel les fonctions de dégivrage, switch ridesau/fonctionnement nocturne et sortie AUX. L'utilisateur peuthabiliter/déshabiliter l'horloge et programmermer l'heure actuelle à l'aide des paramétres dédiés. En particulier, il est possible de programmermer jusqu'à 4 tranches horaires au cours desquelles il est possible d'effectuer le dégivrage, une tranche horaire pour gérer le fonctionnement noctume et une pour agir sur l'AUX. L'alarme horloge en panne "EtC" n'intervient que dans le cas où l'horloge est effectivement utilisée, c'est-à-dire dans le cas où elle est habilitée, que l'heure est programmée et qu'il y a au moins une tranche horaire valable.
Réglage de l'horloge:
- appuyer la touche SET pendant plus de 3 s (en cas d'alarme, annuler d'abord le buzzer) sur l'écran apparait le code du paramètre "PS" (password);
- enforcer la touche SET pour entrer en édition du password et avec les touches UP et DOWN faire défilier les numérios jusqu'à afficher "22" (password pour l'accès aux paramétres de configuration);
- appuyer la touche SET pour confirmer le password;
- avec les touches UP et DOWN faire defiler les noms des paramétres jusqu'à atteindre le paramètre tEn;
- appuyer SET pour afficher la valeur associée au paramètre;
- avec les touches UP ou DOWN atteindre la valeur 1 pour l'activation de l'horologe;
- appuyer SET pour mémoriser temporairement la nouvelle valeur et returner à l'affichage du paramètre;
- répéter cette opération pour programmer les valeurs des paramètres dAY (jour de la semaine), hr (réglage heures), Min (réglage minutes). Pour easy split équivalent YEr, MOn, dMO.
- à la fin de ces opérations, appuyer la touche SET pendant plus de 3 secondes pour mémoriser de façon définitive les valeurs sélectionner et pour sortir.
Programmer tranches horaires:
Effectuer les opérations du point 1 au point 7 indiquées ci-dessus:
- selectionner le parametre correspondant à la tranche souhaitiée (ex: d1d=TRANCHE HORAIRE 1 DEGIVRAGE pour programmation JOUR);
appuyer SET pour afficher I'etat du parametre; - avec les touches UP ou DOWN atteindre la valeur souhaitée;
- appuyer SFT pour ménoriser temporairement la nouvelle valeur et returner à l'affichage précédent;
- repeter cette opération pour programmer les valeurs des paramétres d'1h (paramètre de TRANCHE HORAIRE 1 pour programmer l'heure), d'1m (paramètre de TRANCHE HORAIRE pour programmer les minutes)
- à la fin de ces opérations, enforcer la touche SET pendant plus de 3 secondes pour memoriser définitivement les valeurs seLECTIONnées et pour sortir.
Paramétres pour programmer l'horloge RTC
tEn habilitation horloge RTC (tEn=1 RTC habilité)
dAY: jour de la semaine en cours (1...7 = lundi...dimanche);
hr heure courante (24 h)
Min minute en cours
Exemple: si je doit programmermer heute et date actuelle et nous sommes lejeudi 3 mai 2007 à 15.07,je programme:
tEn=1,
Le contrôle aura une mémoire et comptera l'heure et les jours de la这段时间, mois et années (sur les contrôles easy and easy compact le mois et l'année sont laissés de côte).

Note: l'instrument ne gère pas le passage autom. à l'heure légale.
Paramètres pour programmer jusqu'à 4 tranches horaires de demande de dégivrage
d1d...d4d Programmation de l'intervalle des jours evénement dégivrage
d1d...d4d=0 aucun événement dégivrage
d1d...d4d=1...7lundi...dimanche
d1d...d4d=8du lundi au vendredi
d1d...d4d=9 du lundi au samedi
d1d...d4d=10 samedi et dimanche
d1d...d4d=11 tous les jours
d1h...d4h Programmation heure evenement degivrage (24h)
d1M...d4M Programmation minute événement dégivrage
Exemple: Si je souhaite programmer une demande de dégivrage (d1d) tous les samedis et dimanches à 19 heures 31, je programme: d1d=10 (intervalle de jours) d1h=19 (heures), d1M=31 (min).

Attention: l'évenement dégivrage ne déterminé qu'une
demande. L'execution du dégivrage et la durée eventuelle
dépendront de l'etat du contrôle au moment de la demande.
Paramètres pour programme la tranche horsaire du set nocturne
nOd Programmation debut intervals de jours de la tranche hora du set nocturne
nOd=0aucun événementprogramme
nOd=1...7lundldimanche
nOd=8du lundi au vendredi
nOd=9du lundi au samedi
nOd=10 samedi et dimanche
nOd=11 tous les jours
nOh Programmation heure début tranche set nocturne
nOM Programmation minute début tranche set noctunre
nFd Programmation fin intervals de jours de la tranche hora du set
nFh Programmation heure fin tranche set nocturne
nFM Programmation minute fin tranche set nocturne
Sur les modeles easy split, l'entrée dans la tranche hora nocturne entraine la modification automatique du point de consigne et de la sortie éclairage (si H1=4)
Exemple: Si je souhaite programmer un set nocturne (nOd) tous les jours depuis 12 heures 31 jusqu'à 13 heures 29, je programme: nOd=11 (intervalle de jours), nOh=12 (heure début), nOM=31(min début), nFh=13 (heure fin) et nFM=29 (minutes fin).
Pendant le fonctionnement nocturne, le point de consigne se modifie: st nocturne=st+14(en modalite direct), st nocturne=st-14(en modalite reverse). Et si present, le ridesau de protection ferme le banc (A4=4).
Paramètres pour programme la tranche d'activation sortie AUX
AOd Programmation intervals de jours de la tranche hora d'activation sortie AUX
AOd=0 aucun événement programme
AOd=1...7 lundi...dimanche
AOd=8du lundi au vendredi
AOd=9 du lundi au samedi
AOd=10 samedi et dimanche
AOd=11 tous les jours
AOh Programmation heure debut tranche horaire activation sortie AUX
AOM Programmation minute debut tranche activation sortie AUX
AFd Configuration intervals des jours de la tranche hora de désactivation sortie AUX
AFh Programmation heure fin tranche activation sortie AUX
AFM Programmation minute fin tranche activation sortie AUX
Exemple: Si je souhaite programme l'activation de la sortie AUX tous les jours depuis 12 heures 31 à 13 heures 29, je programme: AOd=11 (intervalle de jours), AOh=12 (heure début), AOM=31(min début), AFh=13 (heure fin) et AFM=29 (minutes fin).

Attention: l'activation de la tranche horaire de fonctionnement
sortie AUX est liée aux paramètres H1=3 et A4≠6/7/8 et pour easy
split également A4≠10,11.
4.12 Programmation rapide set parametes (EZY)
Les contrôles easy, easy compact et easy split disposent du paramètre EZY (sur les modèles compact, il s'appelle EY) qui permet de désirrapidement une liste de paramétres, avec leurs valeurs correspondantes, pour le contrôle de sa propre installation frigorifique.
En programmant le paramètre EZY=1, 2, 3, 4, il est possible de selectionner une des 4 listes composées au maximum de 25 paramètres (pour les listes, voir par. "5.9 Tableau set du paramètre EZY" page 36). Les valeurs de la liste可以选择 sur écriront les paramètres opératifs correspondants.

Notes:
- pour rétablier en tout moment la programmation rapide désignée est éteindre en retardant le courant et rallumer en maintainant enforcé SET. Sur l'écran apparait "CE" pour indiquer que le set rapide seLECTIONné (EZY= 1, 2, 3, 4) a de nouveau écrit sur les paramètres opératifs en rétablissant ainsi la programmation rapide préinstallée à l'origine;
- si on souhaite rétablit tous les paramétres et returner aux valeurs par défaut originales (usine), éteindre et rallumer le contrôle en maintainant enforcées les touches DOWN et SET jusqu'à l' apparition sur l'écran de "CF". Utiliser cette modalité avec beaucoup d'attention, elle pourrait comprometttre des programmations fondamentales du contrôle;
- EZY=0 n'implique aucun changement;
- sur les modèles thermomètre (PJEZM*) le paramètre EZY (FY pour les modèles easy compact) n'exist pas.
4.13 Autres pré-installations
Le fonctionnement du dispositif est compléte par une série de fonctions supplémentaires, telles que l'assignation de l'adresse à un réseau série de supervision, la configuration du relais AUX, l'habilitation du clavier et du buzzer.
H0: adressée série
Assigne à l'instrument une adresse identificative pour quand il est connecté à un système de supervision ou de téléassistance (def. H0=1).
H1: configuration sortie AUX
Etablit la logique de fonctionnement du relais auxiliaire; en particulier, elle définit s'il est utilisé comme sortie alarme ou comme sortie auxiliaire liée à l'entrée digitale. Sur les modèles easy split, il y a aussi les sorties éclairage et deuxieme comprésseur, avec ou sans rotation.
H1=0 Aucune fonction associée à la sortie
H1=1 sortie alarmé: norm. excité (relais non excité si alarmé)
H1=2 sortie alarmé: norm. non excitée (relais excite si alarmé)
H1=3 sortie AUX liée à Entr. Num.
- easy, easy compact: A4 = [6/7/8];
-easy split: A4 = [6/7/8/10/11];
Entr. Num. OUVERTE = AUX désexcité
Entr.Num. FERMEE = AUX excité+visualisation LED "AUX"
H1=4 sortie éclairage (easy split uniquely): il est possible d'allumer la lumière en appuyant sur la touche correspondante depuis le clavier ou lorsque la porte s'yvre si e commutateur porté est activé avec gestion de l'éclairage (voir paramètre Ado)
H1=5 sortie deuxieme compresse en parallele (easy split uniquely): la sortie s'active quelques secondes après l'activation du premier compresseur (retard = c11). Le deuxieme compresseur respecte les temps de protection c0, c1, c2, c3 du premier compresseur;
H1=6 sortie deuxieme compresse avec reglage à double etage sans rotation(easy split uniquely):le deuxieme compresse est demanded quand la temperature relevée par la sonde ambiente s'eligne le plus d'un milieu différentiel (rd/2) du point de consigne;

Fig. 4.0
Legende
AMB_T Sonde de régulation CP2 Compresseur 2
CP1 Compresseur 1 rd Différentiel
t temps
H1=7 sortie deuxieme compresse avec reglage a double etage avec rotation (easy split uniquely): les roles de comprasse primaire et secondaire sont alternes a chaque arré de façon à ce qu'a la demande successive d'allumage (arrêt) la sortie n'était pas occupée lors du precedent allumage (arrêt) soit activée (déactivée). Les deux comprisseurs doivent respecter les temps de protection c0, c1, c2 et c3.
Exemples de fonctionnement:


Fig. 4.q

Fig. 4.r

Fig. 4.s
Legende
REQ1 commande compresseur 1 CP1 Compresseur 1
REQ2 demandecompresseur2 CP2Compresseur2
t temps

Note:
- dans les modalités H1 = 1/2, les alarmes qui commandent la sortie AUX sont: "LO", "HI", "EO", "IA", "CHT";
- la modalité H1= 1 est utile pour signaler avec une alarmé également l'absence d'alimentation
H2:habilitation clavier
Permet d'empêcher toute tentative de modification du point de consigne et des autres paramètres de fonctionnement quand l'instrument est situé dans des zones accessibles au public.
H2=0 clavier déshabilité:
- paramétres F en lecture scule
- paramétres C modifiables (par password)
- aucune modification du point de consigne
-aucun degivrage manuel - aucun cycle continu
non ON/OFF
H2=1 clavier habilité
H2-2 clavier habilité sauf ON/OFF
H4: déshabilitation buzzer
En programmeant H4= 1, le fonctionnement du buzzer acoustique est déshabilité.
H5: code identificatif
Valeur affichable seulement: elle ne peut être modifié qu'au moyen de connexion série (cle ou supervision). Programme à une valeur positive (de 0 à 31 sont utilisés par CAREL pour les modèles de base), si un paramètre, y compris le point de consigne, est modifié depuis clavier, il devient négatif. De cette façon, il est possible de vérifier les modifications aux paramètres par rapport au réglage initial.
H6: selection de la commande associée aux boutons UP + DOWN (easy splituniq.)
Les valeurs admises sont:
H6=0: start/stop cycle continu;
H6=1: start/stop dégivrage.
H7: gestion quatrième relais/connexion série (easy split uniquement)
Ce paramètre permet d'activer la sortie du quatrième relais (RL4). Sur les modèles à 4 relais, la gestion du quatrième relais et la connexion série s'excluent mutuellesment.
H7 = 0: quatrième relais désactifé et connexion série activée;
H7 = 1: quatrième relais activé et connexion série désactivée.
(voir paragraphe "2.3 Branchement pour unités multiples" page 13).
PS: password
Code de protection pour la modification des paramètres de configuration (défaut = 22). Le valeur du password peut être personnalisée depuis superviseur.
HMP: Intervalle max. de temps pour l'entretien (easy split uniquement)
Cette fonction exige que l'horloge interne (RTC) soit activée (tEn=1). Si HMP = 0, la demande d'entretien est désactivée. Le paramètre HMP, exprime en jours, est utile pour configurer l'intervalle maximum après quoi le contrôle produit une demande de maintenance (le compteur d'heures HMd a dépasse le seuil HMP), qui consiste à ce que le message SrC et l'icône alarmé disparaissant de l'écran. Le signal peut être désactivé en mettant le paramètre HMr = 1 au moyen du clavier ou supervision. Cette opération sauvégarde la date courante et relance le compteur d'heures Hmd.
HMD: Jours ecoulés depuis le dernier entretien (easy split uniquement)
Parametre de lecture seule. Voir l'explication du parametre HMP.
HMr: desactivation du signal entret. e redemarrage HMd (easy split uniqu.)
Si il est placé sur 1, il désactive le signal SrC et relanse le compteur d'heures Hmd.
Opération pouvant être effectuee par le clavier ou par un superviseur.
5. TABLEAUX ALARMES ET PARAMETRES
5.1 Tableau alarmes et signalisations
Quand une alarme se déclenché, le message correspondant apparait sur l'écran et clignote en s'alternant à la température; et si prênts et habitités, le buzzer et le reliais d'alarme s'activent eventuellement eux aussi. Toutes les alarmes sont à réarmement automatique (c'est-à-dire qu'elles s'arrêtent quand disparait la cause qui les a provoquées) sauf l'alarme "CHt" qui est à réarmement manuel (eteignage de l'instrument et rallumage à travers la touche UP ou en retirant la tension d'almentation). En appuyant le touche SET, on annule le buzzer, alors que le code affiché et le reliais d'alarme ne s'éteignent que quand la cause qui a généralé l'alarme disparait.
Remarques: sur les contrôles easy split, lorsque le réglage démarre (allumage du contrôle et/ou sortie de l'état de OFF), le signal d'alarme de température élevée est désactiver jusqu'au premier arrêt du compresseur afin d'éviter toute fausse alarme. Le premier arrêt du compresseur signale que la température a atteint le point de consigne, et, par conséquent, le signal d'alarme de température élevée est de nouveau activé. La fonction est toujours active.
Les codes d'alarme prévus sont repris dans le tableau suivant:
Tab. 5.a
| codealarmé | buzzer etrelais alarmé | LED description alarmé réarmement paramètres concernés | HABILITATION ALARMÉ | easy compact | easy split | ||
| E0 | activés | ON | erreur sonde 1= régulation | automatique | - | ✓ | ✓ |
| E1 | non activés | ON | erreur sonde 2= dégivrage | automatique | d0= 0/1/4, F0= 1 | ✓ | ✓ |
| E2 | non activés | ON | erreur sonde 3= condenseur/produit | automatique | easy, easy compact [A4=10/11]easy split [A4=13/14] | ✓ | - |
| IA | activés | ON | alarme exterme | automatique | [A4 = 1][+A7] | ✓ | - |
| dOr | activés | ON | alarme porte ouverte | automatique | easy, easy compact [A4=7/8][+A7]easy split [A4=7/8/10/11][+A7] | ✓ | - |
| LO | activés | ON | alarme bassé température | automatique | [AL] [Ad] | ✓ | ✓ |
| HI | activés | ON | alarme haute température | automatique | [AI J] [Ad] | ✓ | ✓ |
| EF | non activés | ON | erreur paramètres de machine | impossible | - | ✓ | ✓ |
| EF | non activés | ON | erreur paramètres de fonctionnement | manuel | - | ✓ | ✓ |
| Ed | non activés | ON | dégivrage terminé par timeout | au premier dégivrage terminé correctement | [dP] [dt] [d4] [A8] | ✓ | ✓ |
| dF | non activés | OFF | dégivrage en cours | automatique | [d6-0] | ✓ | ✓ |
| cht | non activés | ON | pré-alarme condenseur encrassé | automatique | easy, easy compact [A4=10]easy split [A4=13] | ✓ | - |
| CHt | activés | ON | alarme condenseur encrassé | manuel | easy, easy compact [A4=10]easy split [A4=13] | ✓ | - |
| EtC | non activés | ON | alarme horloge | en programmant l'heure | si tranches activées | ✓ | - |
| SC(easy split unquément) | non activés | ON | signalisation demande de maintenance | manuel, configurer HMr=1 | [HMP] [HId] [HMr] | - | - |
5.2 Description des principales signalisations et alarmes
LED clignotant
L'insertion de la fonction correspondante est retardée par une temporisation, en attente d'une autorisation externe ou empêchee par une autre procEDURE déjà en cours. Ex. si un cycle continu est en cours et un dégivrage est demandé, ce dernier restera en attente jusqu'à la conclusion du cycle continu et le LED correspondant (dégivrage) clignotera.
E0 fixe ou clignotant -erreur sonde de regulation:
- sonde qui ne fonctionne pas: le signal sonde est interrompu ou en court-circuit;
- sonde non compatible avec l'instrument;
La signalisation d'alarme E0 est stable si c'est l'unique alarme presente (la valeur de température n'est plus affichée), et est clignotante si d'autres alarmes sont presents ou si la deuxieme sonde est affichée.
E1 clignotant
erreur sonde evaporateur ou bien sonde de conservation alimentes:
- sonde qui ne fonctionne pas, le signal sonde est interrompu ou en court-circuit;
- sonde non compatible avec l'instrument;
E2 clignotant - erreur sonde condenseur ou bien sonde de conservation alimentes:
- sonde qui ne fonctionne pas, le signal sonde est interrompu ou en court-circuit;
- sonde non compatible avec l'instrument;
IA clignotant - alarme depuis entree digitale multifimmediate ou retardede:
- vérifier l'entree multifonction et le parametre A4 et A7.
dOr clignotant - alarmé porte ouverte:
- vérifier l'entree multifonction et le parametre A4 et A7.
LO clignotant - alarmé de basse tempér. La sonde a relevé une température inférieure au point de consigne d'une valeur supérieure au par. AL:
- vérifier les paramètres AL, Ad et A0.
L'alarme s'annule automatiquement quand la temperature retoume dans les limites selectionnées (voir parametre AL).
HI clignotant
alarme de haute température. La sonde a détecté une température supérieure au point de consigne d'une valeur supérieur au param. AH.
verifier les parametes AH, Ad et AO.
L'alarme s'annule automatiquement quand la temperature retoune dans les limites selectionnées (voir parametre AH).
EE affichés pendant le fonctionnement ou à l'allumage
erreur dans la lecture des parametes machine. Voir Erreurs données méorises.
EF affichés pendant le fonctionnement ou à l'allumage
erreur dans la lecture des paramétres de fonctionnement. Voir Erreurs données méorises.
Ed clignant
Le dernier dégivrage est terminé pour dépassement de la durée maximale au lieu de pouvoir atteint le set de fin dégivrage:
-
vérifier paramétres dt, dP et d4;
-
vérifier l'efficacité du dégivrage.
L'indication disparait si le dégivrage suivant se termine correctement.
dF clignotant - dégivrage en exécution:
- il ne s'agit pas d'une signalisation d'alarme mais d'une indication sur le fait que l'instrument est en train d'effectuer un dégivrage. Apparait uniquement si le paramètre d6 = 0 .
cht clignotant - pré-alarme condenseur encrassé:
- vérifier les paramétres A4, Ac, AE et Acd.
CHt clignotant
alarme condenseur encrasse:
- vérifier les paramètres A4, Ac, AE et Acc.
EtC clignantant
erreur horloge interne.
Signal demande d'assistance. Il n'apparait que si le parametre HMP 0
5.3 Erreur données méorisées
Dans des situations defonctionnement très particulières, il peut se produit que l'instrument détecte des erreurs dans la mémorisation interne des données. Ces erreurs pouraient comprometter le fonctionnement correct de l'instrument. Dans le cas où le microproceseur identifieait une erreur dans la mémorisation des données, le sigle "EE" s'affichera sur l'écran. Si le comportement anomal devait continuer, il faudra replacer le contrôle. Si par contre l'indication disparait, il est possible de continuer à l'utiliser. Quand l'erreur "EE" se présente fréquement et/ou disparait avec difficultés, nous conseillons de faire vérifier de toute façon le contrôleur parce que la précision d'origine pourrait ne pas être garantie.
5.4 Modification des paramètres
Navigation des paramètres
Les paramétres de fonctionnement, modifiables à travers le clavier frontal, se divisent en deux types: usage fréquent (type F) et de configuration (type C). L'accès à ce dernier est protégé par un password (défaut = 22) qui empêche des modifications casuelles par des personnes non autorisées.
Accès aux paramètres de type F:
appuyer la touche SET pendant plus de 3 s (en cas d'alarme, annuler le buzzer). Sur l'écran apparaît le code du paramètre 'PS' (password);
- avec les touches UP et DOWN faire défiler les paramétres. Sur l'écran apparait le LED de la catégorie d'appartenance (voir Tab. 5.b);
- enforcer SET pour afficher la valeur associée au paramètre;
augmenter ou diminuer la valeur avec les touches UP et DOWN respectivement;
- appuyer SET pour mémoriser temporairement la nouvelle valeur et returner à l'affiche du paramètre;
- repeter la procedure pour les autres param. que l'on souhaite modifier;
- appuyer la touche SET pendant plus de 3 s pour memoriser définitivement les paramétres et pour sortir de la procédure de modification.
Accès aux paramétres de type C:
- appuyer la touche SET pendant plus de 3 s (en cas d'alarme, annuler le buzzer) sur l'écran apparait le code du paramètre "PS" (password);
- enforcer la touche SET pour entrer en édition du password;
- avec les touches UP et DOWN faire défiler les numérios jusqu'à afficher "22" (password pour l'accès aux paramétres);
appuyer la touche SET pour confirmer le password; - avec les touches UP et DOWN faire défiler les paramétres. Sur l'écran apparait le LED de la catégorie d'appartenance des par. (voir Tab. 5.b);
- appuyer SET pour afficher la valeur associée au paramètre;
augmenter ou diminuer la valeur avec les touches UP et DOWN respectivement; - enforcer SET pour ménoriser temporairement la nouvelle valeur et returner à l'affichage du paramètre;
- repeter la procEDURE pour les autres paramètres que l'on souhaite modifier;
- appuyer la touche SET pendant plus de 3 s pour memoriser définitivement les paramétres et pour sortir de la procédure de modification des paramétres.

Mises en garde: si aucune touche n'est enforcée pendant 60 s,
toutes les modifications aux paramétres, mémorisées temporairement dans la RAM, seront annulées et les programmations précédentes rétables.
Les paramètres dAY, hr, Min, dMo, Mom, YEr ne sont pas rétablis parco qu'ils sont mémorés à l'insertion ( = uniquement pour easy split).
Dans le cas où le courant serait retier à l'instrument avant la mémorisation (pression de la touche SET pendant 3 s) toutes les modifications apportées aux paramètres et temporairement méorisées seront perdues.
Tab.5.b
| Catégorie Initiale l'ocien | ||
| Paramètres sonde / - | ||
| Paramètres de régulation r - | ||
| Paramètres compresseur c | © | |
| Paramètres dégivrage d | © | |
| Paramètres alarmes A | ▲ | |
| Paramètres ventilateur F | © | |
| Paramètre configuration sorties AUX H1 | AUX | |
| Paramètres RTC | © |
5.5 Programmation paramètres par défaut

Mises en garde:
l'application de cette procédure comporte la perte de la personnalisation du set de paramètres évientuèlement liént.
Pour programmer les paramètres par défaut:
retirer le courant a l'instrument;
- remetre le courant en maintainant enforcées les touches SET et DOWN;
sur Iecran apparait l'inscription CF
- après qu'enque seconde, l'instrument commence a fonctionner selon la configuration par defaut. Il fautmettrea jour les parametesprogrammés differement.
5.6 Tableau paramètres easy
| Par. | Description | Type | Min | Max | U.M. | Déf. | Visibilité du paramètre sur les modélles |
| PS password F 0 200-22 M/S (avec 1 et 2 sondes), X, Y, C | |||||||
| /2 | stabilité de mesure sondes | C | 1 | 15 | - | 4 | M/S (avec 1 et 2 sondes), X, Y, C |
| /4 | séléction de la sonde affichée | F | 1 | 3 | - | 1 | M/S (avec 2 sondes), X, Y, C |
| /5 | séléction °C/°F | C | 0(°C) | 1(°F) | - | 0 | M/S (avec 1 et 2 sondes), X, Y, C |
| /6 | déshabilité le point décalal | C | 0 | 1 | - | 0 | M/S (avec 1 et 2 sondes), X, Y, C |
| /7 | habilitation de l'alarme sonde 2 (seulement mod. M) | C | 0 | 1 | 0 | 0 | M |
| /C1 | offset sonde 1 | F | -50.0 | 50.0 | (°C/°F) | 0 | M/S (avec 1 et 2 sondes), X, Y, C |
| /C2 | offset sonde 2 | F | -50.0 | 50.0 | (°C/°F) | 0 | M/S (avec 2 sondes), X, Y, C |
| /C3 | offset sonde 3 | F | -50.0 | 50.0 | (°C/°F) | 0 | M/S (avec 2 sondes), X, Y, C |
| St | point de consigne | S | r1 | r2 | °C/°F | 4 | M/S (avec 1 et 2 sondes), X, Y, C |
| rd | différentiel de régulation | F | 0 | 19.0 | °C/°F | 2 | S (avec 1 et 2 sondes), X, Y, C |
| r1 | valeur minimale du point de consigne | C | -50 | r2 | °C/°F | -50 | M/S (avec 1 et 2 sondes), X, Y, C |
| r2 | valeur maximal du point de consigne | C | r1 | 200 | °C/°F | 90 | M/S (avec 1 et 2 sondes), X, Y, C |
| r3 | séléction du fonctionnement direct/reverse | C | 0 | 2 | - | 0 | S (avec 1 et 2 sondes), X, Y, C |
| r4 | delta set nocturne | C | -50 | 50 | °C/°F | 3 | M/S (avec 2 sondes), X, Y, C |
| c0 | retard démarrage du compresseur et ventilateur à l'allumage | C | 0 | 100 | min | 0 | S (avec 1 et 2 sondes), X, Y, C |
| c1 | tempes minimum entre allumages successifs comprésur | C | 0 | 100 | min | 0 | S (avec 1 et 2 sondes), X, Y, C |
| c2 | tempes minimum d'éteignage du compresseur | C | 0 | 100 | min | 0 | S (avec 1 et 2 sondes), X, Y, C |
| c3 | tempes minimum d'allumage du compresseur | C | 0 | 100 | min | 0 | S (avec 1 et 2 sondes), X, Y, C |
| c4 | tempes d'allumage comprésur avec duty setting | C | 0 | 100 | min | 0 | S (avec 1 et 2 sondes), X, Y, C |
| cc | durée du cycle continu | C | 0 | 15 | h | 4 | S (avec 1 et 2 sondes), X, Y, C |
| c6 | exclusion alarme température après cycle continu | C | 0 | 15 | h | 2 | S (avec 1 et 2 sondes), X, Y, C |
| d0 | type de dégivrage | C | 0 | 4 | - | 0 | S (avec 1 et 2 sondes), X, Y, C |
| dl | intervalle entre les dégivages | F | 0 | 199 | h/min (voir dC) | 8 | S (avec 1 et 2 sondes), X, Y, C |
| dt | point de consigne température fin dégivrage/seuil température dégivrage thermostat | F | -50 | 130 | °C/°F | 4 | S (avec 2 sondes), X, Y, C |
| dp | durée maxima dégivage | F | 1 | 199 | min/s (voir dC) | 30 | S (avec 1 et 2 sondes), X, Y, C |
| d4 | dégivage à l'allumage de l'instrument | C | 0 | 1 | - | 0 | S (avec 1 et 2 sondes), X, Y, C |
| d5 | retard dégivage à l'allumage ou par habilitation entree digitale | C | 0 | 199 | min | 0 | S (avec 1 et 2 sondes), X, Y, C |
| d6 | blocage affichage temporé de régulation pendant dégivage | C | 0 | 1 | - | 1 | S (avec 1 et 2 sondes), X, Y, C |
| dd | tempes dégouttément | F | 0 | 15 | min | 2 | S (avec 1 et 2 sondes), X, Y, C |
| d8 | tempes d'exclusion alarmes après dégivage | F | 0 | 15 | h | 1 | S (avec 1 et 2 sondes), X, Y, C |
| d9 | priorité dégivage sur protection comprésur | C | 0 | 1 | - | 0 | S (avec 1 et 2 sondes), X, Y, C |
| d/ | mesure de sonde dégivage (2) | F | - | - | °C/°F | - | S (avec 2 sondes), X, Y, C |
| dc | base des temps | C | 0 | 1 | - | 0 | S (avec 1 et 2 sondes), X, Y, C |
| A0 | température différentiel alarmes et ventilateur | C | -20 | 20.0 | °C/°F | 2 | M/S (avec 1 et 2 sondes), X, Y, C |
| AL | température absolue/écart pour alarmé de basse température | F | -50 | 250 | °C/°F | 0 | M/S (avec 1 et 2 sondes), X, Y, C |
| AH | température absolue/écart pour alarmé de haute température | F | -50 | 250 | °C/°F | 0 | M/S (avec 1 et 2 sondes), X, Y, C |
| Ad | retard alarmé température | C | 0 | 199 | min | 0 | M/S (avec 1 et 2 sondes), X, Y, C |
| A4 | configuration 3° entree | C | 0 | 11 | - | 0 | M/S (avec 2 sondes), X, Y, C |
| A7 | retard alarmé entree digitale | C | 0 | 199 | min | 0 | M/S (avec 2 sondes), X, Y, C |
| A8 | habilitation alarmé "Ed" (fin dégivrage pour timeout) | C | 0 | 1 | - | 0 | S (avec 2 sondes), X, Y, C |
| Ac | point de consigne alarmé condenseur encassé | C | -50 | 250 | °C/°F | 70 | M/S (avec 2 sondes), X, Y, C |
| AE | température différentiel alarmé condenseur encassé | C | 0.1 | 20.0 | °C/°F | 5.0 | M/S (avec 2 sondes); X, Y, C |
| Acd | retard alarmé condenseur encassé | C | 0 | 250 | min | 0 | M/S (avec 2 sondes), X, Y, C |
| F0 | activation du régulator ventilateur evaporateur | C | 0 | 1 | - | 0 | C |
| F1 | point de consigne régulator ventilateur evaporateur | F | -50 | 130 | °C/°F | +5 | C |
| F2 | stop ventilateur evaporateur si stop compresseur | C | 0 | 1 | - | 1 | C |
| F3 | état ventilateur evaporateur pendant dégivage | C | 0 | 1 | - | 1 | C |
| Fd | tempes de post-égouttement | F | 0 | 15 | min | 1 | C |
| H0 | adresse série | C | 0 | 207 | - | 1 | M/S (avec 1 et 2 sondes), X, Y, C |
| H1 | configuration de la sortie AUX | C | 0 | 3 | - | 0 | M/S (avec 1 et 2 sondes), X, Y, C |
| H2 | habilitation du clayier | C | 0 | 1 | - | 1 | M/S (avec 1 et 2 sondes), X, Y, C |
| H4 | déshabilitation du buzzer | C | 0 | 1 | - | 0 | M/S (avec 1 et 2 sondes), X, Y, C |
| H5 | code identificatif (lecture seulement) | F | 0 | 199 | - | - | M/S (avec 1 et 2 sondes), X, Y, C |
| EZY | séléction rapide set paramètres | C | 0 | 4 | - | 0 | S (avec 1 et 2 sondes), X, Y, C |
| tEn | habilitation de l'horloge RTC | C | 0 | 1 | - | 0 | X, Y, C (*) |
| d1d | tranche horsire dégivrage 1° jour | C | 0 | 11 | jours | 0 | X, Y, C (*) |
| d1h | tranche horsire Tère heures | C | 0 | 23 | h | 0 | X, Y, C (*) |
| d1m | tranche horsire 1° minute | C | 0 | 59 | min | 0 | X, Y, C (*) |
| d2d | tranche horsire dégivrage 2° jour | C | 0 | 11 | jours | 0 | X, Y, C (*) |
| d2h | tranche horsire 2°ère heures | C | 0 | 23 | h | 0 | X, Y, C (*) |
| Par. | Description | Type | Min | Max | U.M. | Déf. | Visibilité du paramètre sur les modèles |
| d2m tranche horsire 2" minute C 0 59 min 0 | X, Y, C (*) | ||||||
| d3d | tranche horsire dégivrage 3° jour | C | 0 | 11 | jours | 0 | X, Y, C (*) |
| d3h | tranche horsire 3ère heures | C | 0 | 23 | h | 0 | X, Y, C (*) |
| d3m tranche horsire 3° minute C 0 59 min 0 | X, Y, C (*) | ||||||
| d4d | tranche horsire dégivrage 4° jour | C | 0 | 11 | jours | 0 | X, Y, C (*) |
| d4h | tranche horsire 4ème heures | C | 0 | 23 | h | 0 | X, Y, C (*) |
| d4m tranche horsire 4° minute C 0 59 min 0 | X, Y, C (*) | ||||||
| nOd | tranche horsire nuit ON jour | C | 0 | 11 | jours | 0 | X, Y, C (*) |
| nOh | tranche horsire nuit ON heures | C | 0 | 23 | h | 0 | X, Y, C (*) |
| nOm | tranche horsire nuit ON minute | C | 0 | 59 | min | 0 | X, Y, C (*) |
| nFd | tranche horsire nuit OFF jour | C | 0 | 11 | jours | 0 | X, Y, C (*) |
| nFh | tranche horsire nuit OFF heures | C | 0 | 23 | h | 0 | X, Y, C (*) |
| nFm | tranche horsire nuit OFF minute | C | 0 | 59 | min | 0 | X, Y, C (*) |
| Aod | tranche horsire AUX ON jour | C | 0 | 11 | jours | 0 | X, Y, C (*) |
| Aoh | tranche horsire AUX ON heures | C | 0 | 23 | h | 0 | X, Y, C (*) |
| Aom | tranche horsire AUX ON minute | C | 0 | 59 | min | 0 | X, Y, C (*) |
| Afd | tranche horsire AUX OFF jour | C | 0 | 11 | jours | 0 | X, Y, C (*) |
| AFH | tranche horsire AUX OFF heures | C | 0 | 23 | h | 0 | X, Y, C (*) |
| Afm | tranche horsire AUX OFF minute | C | 0 | 59 | min | 0 | X, Y, C (*) |
| dAY | RTC jour semaine | C | 1 | 7 | jours | 0 | X, Y, C (*) |
| hr | RTC heures | C | 0 | 23 | h | 0 | X, Y, C (*) |
| Min | RTC minute | C | 0 | 59 | min | 0 | X, Y, C (*) |
Tab.5.c
5.7 Tableau paramétres easy compact
| Par. | Description | Type | Min | Max | U.M. | Déf. | Visibilité du paramètre sur les modèles: |
| P5 | password | F | 0 | 99 | - | 22 | S(avec 1 et 2 sondes), M(avec 1 et 2 sondes) |
| /2 | stabilité de mesure sondes | C | 1 | 15 | - | 4 | S(avec 1 et 2 sondes), M(avec 1 et 2 sondes) |
| /4 | séléction de la sonde affichée | F | 1 | 2 | - | 1 | S(avec 2 sondes), M(avec 2 sondes). |
| /5 | séléction °C/°F | C | 0 | 1 | - | 0 | S(avec 1 et 2 sondes), M(avec 1 et 2 sondes) |
| /6 | déshabilité le point décimal | C | 0 | 1 | - | 0 | S(avec 1 et 2 sondes), M(avec 1 et 2 sondes) |
| /7 | habilitation de l'alarme sonde 2 (seulement mod. M) | C | 0 | 1 | 0 | 0 | M |
| /C1 | offset sonde 1 | F | -50.0 | 50.0 | °C/°F | 0 | S(avec 1 et 2 sondes), M(avec 1 et 2 sondes) |
| /C2 | offset sonde 2 | F | -50.0 | 50.0 | °C/°F | 0 | S(avec 2 sondes), M(avec 2 sondes) |
| St | point de consigne | S | r1 | r2 | °C/°F | 4 | S(avec 1 et 2 sondes), M(avec 1 et 2 sondes) |
| rd | différentiel de régulation | F | 0 | 19.0 | °C/°F | 2 | S(avec 1 et 2 sondes) |
| r1 | valeur minimale de point de consigne | C | -50.0 | r2 | °C/°F | -50 | S(avec 1 et 2 sondes), M(avec 1 et 2 sondes) |
| r2 | valeur maximale de point de consigne | C | r1 | 99 | °C/°F | 90 | S(avec 1 et 2 sondes), M(avec 1 et 2 sondes) |
| r3 | séléction du fonctionnement direct/reverse | C | 0 | 2 | - | 0 | S(avec 1 et 2 sondes) |
| c0 | retard démarrage comprésor et ventilateur à l'allumage | C | 0 | 100 | min | 0 | S(avec 1 et 2 sondes) |
| c1 | tempo minimum entre allumages successifs comprésor | C | 0 | 100 | min | 0 | S(avec 1 et 2 sondes) |
| c2 | tempo minimum d'éteignage du comprésor | C | 0 | 100 | min | 0 | S(avec 1 et 2 sondes) |
| c3 | tempo minimum d'allumage du comprésor | C | 0 | 100 | min | 0 | S(avec 1 et 2 sondes) |
| c4 | tempo d'allumage comprésor avec duty setting | C | 0 | 100 | min | 0 | S(avec 1 et 2 sondes) |
| cc | durée du cycle continu | C | 0 | 15 | h | 4 | S(avec 1 et 2 sondes) |
| c6 | exclusion de l'alarme température après cycle continu | C | 0 | 15 | h | 2 | S(avec 1 et 2 sondes) |
| d0 | type de dégivrage | C | 0 | 4 | - | 0 | S(avec 1 et 2 sondes) |
| dl | intervalle entre les dégivages | F | 0 | 199 | h/min(dC) | 8 | S(avec 1 et 2 sondes) |
| dt | point de consigne température fin dégivrage | F | -50 | 130 | °C/°F | 4 | S(avec 2 sondes) |
| dP | durée maximalé dégivrage | F | 1 | 199 | min/s (dC) | 30 | S(avec 1 et 2 sondes) |
| d4 | dégivrage à l'allumage de l'instrument | C | 0 | 1 | - | 0 | S(avec 1 et 2 sondes) |
| d5 | retard dégivrage à l'allumage ou par habilitation entée digitale | C 0 199 min | 0 | S(avec 1 et 2 sondes) | |||
| d6 | blocage affichage température de régulation pendant dégivrage | C 0 1 - | 1 | S(avec 1 et 2 sondes) | |||
| dd | temps d'égouttement | F | 0 | 15 | min | 2 | S(avec 1 et 2 sondes) |
| d8 | temps d'éxclusion alarmes après dégivrage | F | 0 | 15 | h | 1 | S(avec 1 et 2 sondes) |
| d9 | priorité dégivrage sur protections comprésor | C | 0 | 1 | - | 0 | S(avec 1 et 2 sondes) |
| d/ | mesure sonde dégivrage (2) | F | - | - | °C/°F | - | S(avec 2 sondes) |
| dC | base des temps | C | 0 | 1 | - | 0 | S(avec 1 et 2 sondes) |
| A0 | température différentiel alarmes et ventilateur | C | -20 | +20 | °C/°F | 2 | S(avec 1 et 2 sondes) |
| AL | température absolue/écart pour alarme de basse température | F | -50 | +99 | °C/°F | 0 | S(avec 1 et 2 sondes) |
| AH | température absolue/écart pour alarme de haute température | F | -50 | +99 | °C/°F | 0 | S(avec 1 et 2 sondes) |
| Ad | retard alarme température | C | 0 | 199 | min | 0 | S(avec 1 et 2 sondes) |
| A8 | habilitation alarme "Ed" (fin dégivrage pour timeout) | C | 0 | 1 | - | 0 | S(avec 2 sondes) |
| H0 | adresse série | C | 0 | 207 | - | 1 | S(avec 1 et 2 sondes), M(avec 1 et 2 sondes) |
| H1 | configuration de la sortie AUX | C | 0 | 2 | - | 0 | S(avec 1 et 2 sondes), M(avec 1 et 2 sondes) |
| H2 | habilitation du clavier | C | 0 | 2 | - | 1 | S(avec 1 et 2 sondes), M(avec 1 et 2 sondes) |
| H5 | code identificatif (seulument lecture) | F | 1 | +199 | - | 0 | S(avec 1 et 2 sondes), M(avec 1 et 2 sondes) |
| EY | selection rapide set paramétres | C | 0 | 4 | - | 0 | S(avec 1 et 2 sondes) |
Tab. 5.d

Att: les modèlees easy compact affichent seulement deux chiffres. En cas d'intervalles inférieurs à -99 et supérieurs à 99, le terminal afficherera"--.
5.8 Tableau des paramétres easy split
| Par. Description Type Min Max U.M. Déf. Visibilité | ||||||
| PS mo | de passé F 0 200 - 22 S.C | |||||
| /2 | stabilité mesure sondes | C | 1 | 15 | - | 4 S.C |
| /3 | assoupiissement affchage sondes | C | 0 | 15 | - | 0 S.C |
| /4 sélection sonde affichée | F 1 | 3 | 1 | S.C | ||
| /5 | sélection °C/F | C | 0 | 1 | - | 0 S.C |
| /6 | déstructive point décimal | C | 0 | 1 | - | 0 S.C |
| /7 | offset Sonde 1 | F | -50 | 50 | °C/F) | 0 S.C |
| /8 | offset Sonde 2 | F | -50 | 50 | °C/F) | 0 S.C |
| /9 | offset Sonde 3 | F | -50 | 50 | °C/F) | 0 S.C |
| /10 | sélection type de sonde | C | 0 | 1 | - | 0 S.C |
| St | point de consigne | F | r1 | r2 | °C/F | 4 S.C |
| rd | différentiel | F | 0 | 19 | °C/F | 2 S.C |
| r1 | valeur minimum de point de consigne | C | -50 | r2 | °C/F | -50 S.C |
| r2 | valeur maximum de point de consigne | C | r1 | 300 | °C/F | 90 S.C |
| r3 | sélection du fonctionnement direct/inversé | C | 0 | 2 | - | 0 S.C |
| r4 | della configuration nocturne | C | -50 | +50 | °C/F | 3 S.C |
| c0 | retard démarrage comprésur et ventilation à l'allumage | C | 0 | 100 | min | 0 S.C |
| c1 | tempes minimum entre les allumages consécutifs du comprésur | C | 0 | 100 | min | 0 S.C |
| c2 | tempes minimum d'airét du comprésur | C | 0 | 100 | min | 0 S.C |
| c3 | tempes minimum d'allumage du comprésur | C | 0 | 100 | min | 0 S.C |
| c4 | tempes d'allumage du comprésur avec duty setting | C | 0 | 100 | min | 0 S.C |
| cc | durée cycle continu | C | 0 | 15 | h | 4 S.C |
| c6 | exclusion alarmé température après un cycle continu | C | 0 | 15 | h | 2 S.C |
| c11 | retard deuxilme comprésur | C | 0 | 250 | s | 4 S.C |
| d0 | type de dégivrage | C | 0 | 4 | - | 0 S.C |
| dl | intervalle entre les dégivages | F | 0 | 199 | h/min (yoir dC) | 8 S.C |
| dt point de consigné température de fin dégivage/seuil température dégivage thermostat | F | -50 | 300 | °C/F | 4 | S.C |
| dP | durée maximum dégivage | F | 1 | 199 | min/s | 30 S.C |
| d4 | dégivage à l'allumage de l'instrument | C | 0 | 1 | - | 0 S.C |
| d5 | retard dégivage à l'allumage ou par l'activation de l'entrée numérique | C | 0 | 199 | min | 0 S.C |
| d6 | verrouillage affchage température de réglage pendant le dégivage | C | 0 | 1 | - | 1 S.C |
| dd | tempes découlement | F | 0 | 15 | min | 2 S.C |
| d8 | tempes d'exclusion des allarmes après dégivage | F | 0 | 15 | h | 1 S.C |
| d9 | priorité dégivage sur les protections du comprésur | C | 0 | 1 | - | 0 S.C |
| d/ | mesure sonde dégivage | F | - | - | °C/F | - S.C |
| dC | base des temps | C | 0 | 1 | - | 0 S.C |
| A0 | température différentiel des allarmes et ventilation | C | -20 | 20 | °C/F | 2 S.C |
| AL | température absolue/écart pour les allarmes de basse température | F | -50 | 300 | °C/F | 0 S.C |
| AH | température absolue/écart pour les allarmes de température élevée | F | -50 | 300 | °C/F | 0 S.C |
| Ad | retard allarme température | C | 0 | 199 | min | 0 S.C |
| A4 | configuration 3° entée | C | 0 | 14 | - | 0 S.C |
| A7 | retard allarme entée numérique | C | 0 | 199 | min | 0 S.C |
| A8 | activation allarme «Ed» (fin dégivage pour timeout) | C | 0 | 1 | - | 0 S.C |
| Ac | point de consigne allarme condensateur encrasé | C | -50 | 300 | °C/F | 70 S.C |
| AE | température différentiel allarme condensateur encrasé | C | 0.1 | 20.0 | °C/F | 5 S.C |
| Acd | retard allarme condensateur encrasé | C | 0 | 250 | min | 0 S.C |
| Ado | algorithmhe de gestion de la porte | C | 0 | 1 | - | 0 S.C |
| F0 | activation régulateur ventilation evaporateur | C | 0 | 1 | - | 0 C |
| F1 | point de consigne régulateur ventilation evaporateur | F | -50 | 300 | °C/F | 5 C |
| F2 | stop ventilation evaporateur si stop comprésur | C | 0 | 2 | - | 1 C |
| F3 | état ventilation evaporateur durant le dégivage | C | 0 | 1 | - | 1 C |
| Fd | tempes de post écoulement | F | 0 | 15 | min | 1 C |
| F4 | tempes d'ON ventilateurs (avec F2=2) | C | 0 | 100 | min | 5 C |
| F5 | tempes d'OFF ventilateurs (avec F2-2) | C | 0 | 100 | min | 10 C |
| H0 | adresse série | C | 0 | 207 | - | 1 S.C |
| H1 | configuration sorting AUX | C | 0 | 7 | - | 4 S.C |
| H2 | activation clavier | C | 0 | 2 | - | 1 S.C |
| H4 | déactivation buzzer | C | 0 | 1 | - | 0 S.C |
| H5 | code d'identification (read-only - lecture seule) | F | 1 | 199 | - | 0 S.C |
| H6 | sélection de la commande associée aux boutons UP + DOWN | C | 0 | 1 | - | 1 S.C |
| H7 | gestion du quatrième reliais/communication série | C | 0 | 1 | - | 1 C |
| EZY | sélection rapiède configuration des paramètres | C | 0 | 4 | - | 0 S.C |
| tEn | activation horloge RTC | C | 0 | 1 | - | 0 S.C (*) |
| d1d | tranche horsere dégivage 1" jour | C | 0 | 11 | jour | 0 S.C (*) |
| d1h | tranche horsere 1'ère heures | C | 0 | 23 | h | 0 S.C (*) |
| d1M | tranche horsere 1'minute | C | 0 | 59 | min | 0 S.C (*) |
| d2d | tranche horsere dégivage 2" jour | C | 0 | 11 | jour | 0 S.C (*) |
| d2h | tranche horsere 2'ème heures | C | 0 | 23 | h | 0 S.C (*) |
| d2M | tranche horsere 2'minute | C | 0 | 59 | min | 0 S.C (*) |
| d3d | tranche horsere dégivage 3" jour | C | 0 | 11 | jour | 0 S.C (*) |
| d3h | tranche horsere 3'ère heures | C | 0 | 23 | h | 0 S.C (*) |
| d3M | tranche horsere 3'minute | C | 0 | 59 | min | 0 S.C (*) |
| d4d | tranche horsere dégivage 4" jour | C | 0 | 11 | jour | 0 S.C (*) |
| d4h | tranche horsere 4'ème heures | C | 0 | 23 | h | 0 S.C (*) |
| d4M | tranche horsere 4'minute | C | 0 | 59 | min | 0 S.C (*) |
| nOd | tranche horsere sleep ON jour | C | 0 | 11 | jour | 0 S.C (*) |
| nOh | tranche horsere sleep ON heures | C | 0 | 23 | h | 0 S.C (*) |
| nOM | tranche horsere sleep ON minute | C | 0 | 59 | min | 0 S.C (*) |
Par. Description Type Min Max U.M. Def. Visibilité
| nFd tranche horséairesleep OFF jour C 0 11 jour 0 S,C(*) | |||||||
| nFh tranche horséairesleep OFF heures C 0 23 h 0 S,C(*) | |||||||
| nFM | tranche horséairesleep OFF minute | C | 0 | 59 | min | 0 | S,C(*) |
| AOd | tranche horsaire AUX ON jour | C | 0 | 11 | jour | 0 | S,C(*) |
| AOh | tranche horsaire AUX ON heures | C | 0 | 23 | h | 0 | S,C(*) |
| AOM | tranche horsaire AUX ON minute | C | 0 | 59 | min | 0 | S,C(*) |
| AFd | tranche horsaire AUX OFF jour | C | 0 | 11 | jour | 0 | S,C(*) |
| AFh | tranche horsaire AUX OFF heures | C | 0 | 23 | h | 0 | S,C(*) |
| AFM | tranche horsaire AUX OFF minute | C | 0 | 59 | min | 0 | S,C(*) |
| YEr | RTC : année | C | 0 | 99 | année | 0 | S,C(*) |
| Mon | RTC : mois | C | 1 | 12 | mois | 1 | S,C(*) |
| dMo | RTC : jour du mois | C 1 31 | hour 1 S,C(*) | ||||
| dAY | RTC : jour de la semaine | C | 1 | 7 | jour | 1 | S,C(*) |
| hr | RTC : heures | C 0 23 | h 0 S,C(*) | ||||
| MIn | RTC : minute | C 0 59 | min 0 S,C(*) | ||||
| HMP | intervalle maximum de temps pour entretien | C | 0 | 999 | jour | 0 | S,C(*) |
| HMd | jours écoulés depuis la dernière maintenance | C | 0 | 999 | jour | 0 | S,C(*) |
| HMr | déactivation signal de maintenance et redémarge HMd | F | 0 | 1 | 0 | S,C(*) | |
(*) Paramétres non visibles sur les modèles sans RTC
Tab. 5.e
5.9 Tableau set du paramètre EZY
Set banks paramétres easy (EZY)
| Par. | Description | modèles S-X (température normale) | modèles Y-C (basse température) | ||||||
| EZY=1 | EZY=2 | EZY=3 | EZY=4 | EZY=1 | EZY=2 | EZY=3 | EZY=4 | ||
| /4 | sélection de la sonde affichée | 1 | 1 | 1 | 1 | - | - | - | - |
| /5 | sélection °C/°F | 0 | 0 | 0 | 0 | - | - | - | - |
| rd | différentiel de régulation | 3,0 | 3,0 | 5,0 | 2,0 | 3,0 | 4,0 | 5,0 | 2,0 |
| r1 | valeur minimale de point de consigne | -10,0 | -15,0 | -20,0 | -30,0 | -30,0 | -30,0 | -30,0 | -30,0 |
| r2 | valeur maximale de point de consigne | 15,0 | 20,0 | 20,0 | 40,0 | 20,0 | 20,0 | 30,0 | 40,0 |
| r3 | sélection fonctionnement direct/reverse | 1 | 0 | 2 | 0 | ||||
| r4 | delta set nocturne | - | - | - | - | 5,0 | 5,0 | 2,0 | 4,0 |
| c1 | temps minimum entre allumages successifs compresseur | 3 | 5 | 0 | 6 | 4 | 5 | 3 | 6 |
| c2 | temps minimum d'éteignage du compresseur | 2 | 4 | 0 | 4 | 2 | 3 | 0 | 5 |
| d0 | type de dégivrage | 2 | 2 | 0 | 4 | 1 | 2 | 3 | 4 |
| dl | intervalle entre les dégivages | 6 | 10 | 6 | 12 | 5 | 7 | 10 | 12 |
| dt point de consigne température fin dégivage/seuil température dégivrage thermostats | température dégivrage thermostats | 5,0 | 5,0 | 5,0 | 5,0 | 5,0 | 5,0 | 5,0 | 4,0 |
| dp | durée maximale dégivrage | 40 | 40 | 40 | 40 | 20 | 40 | 10 | 50 |
| d6 | blocage affichage température de régulation pendant dégivrage | 1 | 1 | 1 | 1 | - | - | - | - |
| dC | base des temps | 0 | 0 | 0 | 0 | 0 | 0 | 0 | 0 |
| A0 | température différentiel alarmes et ventilateur | 2,0 | 2,0 | 2,0 | 2,0 | 2,0 | 2,0 | 2,0 | 2,0 |
| AL | seuil/Ecart d'alarme de basse température | 20,0 | 25,0 | 20,0 | 20,0 | 22,0 | 15,0 | 18,0 | 20,0 |
| AH | seuil/Ecart d'alarme de haute température | 20,0 | 25,0 | 20,0 | 20,0 | 22,0 | 25,0 | 20,0 | 25,0 |
| Ad | retard de l'alarme température | 60 | 70 | 60 | 60 | 20 | 40 | 30 | 25 |
| A4 | configuration 3° entée | - | - | - | - | 0 | 4 | 1 | 0 |
| A7 | retard de l'alarme entrée digitale | - | - | - | - | 0 | 20 | 30 | 20 |
| Ac | point de consigne alarme condenseur encrasse | 55,0 | 50,0 | 70,0 | 55,0 | 55,0 | 55,0 | 55,0 | 55,0 |
| AE | température différentiel alarme condenseur encrasse | 10,0 | 8,0 | 10,0 | 10,0 | 10,0 | 10,0 | 10,0 | 10,0 |
| Acd | retard de l'alarme condenseur encrasse | 60 | 40 | 200 | 60 | 60 | 60 | 60 | 60 |
| F0 | activation du régulateur ventilateur evaporateur | - | - | - | - | 1 | 0 | 1 | 0 |
| F1 | point de consigne régulateur ventilateur evaporateur | - | - | - | - | 5,0 | 5,0 | 5,0 | 5,0 |
| F2 | stop ventilateur evaporateur si stop compresseur | - | - | - | - | 1 | 1 | 1 | 1 |
| F3 | état ventilateur evaporateur pendant dégivage | - | - | - | - | 1 | 1 | 1 | 1 |
| Fd | temps de post-égouttement | - | - | - | - | 3 | 4 | 5 | 6 |
Tab. 5.f
Legendre:
| EZY= | température normale | basse température |
| 1 | sans dégivrage dégivrage par qaz chaud | |
| 2 | avec dégivrage par temps | variation automatique set nocturne par entrée digitale |
| 3 | sortie en heating (inversé) | gestion alarme entree digitale |
| 4 | dégivrage thermostat (d0=4) | dégivrage thermostat (d0=4) |
Set bancs paramétres easy compact (EY)
| Par. Description modèle S (température normale) | |||||
| EY=1 | EY=2 | EY=3 | EY=4 | ||
| /4 sélection de la sonde affichée 1 1 1 1 | |||||
| /5 sélection "C/F" 0 0 0 0 | |||||
| rd différentiel de régulation 3,0 3,0 5,0 2,0 | |||||
| r1 valeur minimale de point de consigne -10,0 -15,0 -20,0 -30,0 | |||||
| r2 valeur maximale de point de consigne 15,0 20,0 20,0 40,0 | |||||
| r3 sélection fonctionnement direct/reverse 1 0 2 0 | |||||
| c1 | temps minimum entre allumages successifs compresseur | 3 | 5 | 0 | 6 |
| c2 | temps minimum d'éteignage du compresseur | 2 | 4 | 0 | 4 |
| d0 | type de dégivrage | 2 2 0 4 | |||
| dl intervalle entre les dégivrages | 6 10 | 6 12 | |||
| dt point de consigne fin dégivrage | 5,0 5,0 5,0 | ||||
| dP | durée maximale dégivrage | 40 | 40 | 40 | 40 |
| d6 | blocage affichage température de régulation pendant dégivrage | 1 | 1 | 1 | 1 |
| dC | base des temps | 0 0 0 0 | |||
| A0 | température différentiel alarmes et ventilateur | 2,0 | 2,0 | 2,0 | 2,0 |
| AL | température absolue ou écart pour arme de basse température | 20,0 | 25,0 | 20,0 | 20,0 |
| AH | température absolue ou écart pour arme de haute température | 20,0 | 25,0 | 20,0 | 20,0 |
| Ad | retard de l'alarme température | 60 | 70 | 60 | 60 |
Tab. 5.g
Legende:
| EY= | température normale |
| 1 | sans dégivrage |
| 2 | avec dégivrage par temps |
| 3 | sortie en heating (inverse) |
| 4 | dégivrage thermostat (d0= 4) |
Configuration comptoirs parametes easy split (EZY) - comme tableau easy
| Par. | Description | modèles S-X (température normale) | modèles Y-C (basse température) | ||||||
| EZY=1 | EZY=2 | EZY=3 | EZY=4 | EZY=1 | EZY=2 | EZY=3 | EZY=4 | ||
| /4 | sélectionsonsde affichée | 1 | 1 | 1 | 1 | - | - | - | - |
| /5 | sélection°C/F | 0 | 0 | 0 | 0 | - | - | - | - |
| rd | différenciel de réglage | 3,0 | 3,0 | 5,0 | 2,0 | 3,0 | 4,0 | 5,0 | 2,0 |
| r1 | valeur minimum de point de consigne | -10,0 | -15,0 | -20,0 | -30,0 | -30,0 | -30,0 | -30,0 | -30,0 |
| r2 | valeur maximum de point de consigne | 15,0 | 20,0 | 20,0 | 40,0 | 20,0 | 20,0 | 30,0 | 40,0 |
| r3 | sélection du fonctionnement direct/inversé | 1 | 0 | 2 | 0 | - | - | - | - |
| r4 | della configuration nocturne | - | - | - | - | 5,0 | 5,0 | 2,0 | 4,0 |
| c1 | temps minimum entre les allumages consécutifs du compresseur | 3 | 5 | 0 | 6 | 4 | 5 | 3 | 6 |
| c2 | temps minimum d'arrêt du compresseur | 2 | 4 | 0 | 4 | 2 | 3 | 0 | 5 |
| d0 | type de dégivrage | 2 | 2 | 0 | 4 | 1 | 2 | 3 | 4 |
| dl | intervalle entre les dégivages | 6 | 10 | 6 | 12 | 5 | 7 | 10 | 12 |
| dt | point de consigne température de fin dégivage/seuil température dégivrage thermostat | 5,0 | 5,0 | 5,0 | 5,0 | 5,0 | 5,0 | 5,0 | 4,0 |
| dP | durée maximum dégivage | 40 | 40 | 40 | 40 | 20 | 40 | 10 | 50 |
| d6 | verrouillage affichage température de réglage pendant le dégivrage | 1 | 1 | 1 | 1 | - | - | - | - |
| dC | base des temps | 0 | 0 | 0 | 0 | 0 | 0 | 0 | 0 |
| A0 | température différenciel des alarmes et ventilation | 2,0 | 2,0 | 2,0 | 2,0 | 2,0 | 2,0 | 2,0 | 2,0 |
| AL | seuil/Ecart d'alarme de basse température | 20,0 | 25,0 | 20,0 | 20,0 | 22,0 | 15,0 | 18,0 | 20,0 |
| AH | seuil/Ecart d'alarme de température élevée | 20,0 | 25,0 | 20,0 | 20,0 | 22,0 | 25,0 | 20,0 | 25,0 |
| Ad | retard alarmé température | 60 | 70 | 60 | 60 | 20 | 40 | 30 | 25 |
| A4 | configuration 3° entrée | - | - | - | - | 0 | 4 | 1 | 0 |
| A7 | retard alarmé entrée numérique | - | - | - | - | 0 | 20 | 30 | 20 |
| Ac | point de consigne alarmé condensateur encrasé | 55,0 | 50,0 | 70,0 | 55,0 | 55,0 | 55,0 | 55,0 | 55,0 |
| AE | température différenciel alarmé condensateur encrasé | 10,0 | 8,0 | 10,0 | 10,0 | 10,0 | 10,0 | 10,0 | 10,0 |
| Acd | retard alarmé condensateur encrasé | 60 | 40 | 200 | 60 | 60 | 60 | 60 | 60 |
| F0 | activation régulator ventilation evaporateur | - | - | - | - | 1 | 0 | 1 | 0 |
| F1 | point de consigne régulator ventilation evaporateur | - | - | - | - | 5,0 | 5,0 | 5,0 | 5,0 |
| F2 | stop ventilation evaporateur si stop compresseur | - | - | - | - | 1 | 1 | 1 | 1 |
| F3 | état ventilation evaporateur durant le dégivage | - | - | - | - | 1 | 1 | 1 | 1 |
| Fd | temps de post écoulement | - | - | - | - | 3 | 4 | 5 | 6 |
Tab. 5.h
Legende:
| EZY= | température normale | basse température |
| 1 | non dégivrage | dégivrage à gaz chaude |
| 2 | avec dégivrage par temps | variation automatique configuration nocturne depuis l'entrée numérique |
| 3 | sortie en heating (inversé) gestion alarmé entree numérique | |
| 4 | dégivrage thermostat (d0=4) | dégivrage thermostat (d0=4) |
5.10 Recherche et élimination des pannes
Le tableau suivant reprend quelques situations de fonctionnement anomal qu'il peuvent se produit sur les différents modèles.
Nous indiquons les causes les plus fréquentes et suggérons certaines dérivations:
Tab. 5.i
| problème causes vérifications | ||
| le compresseur ne part pas (signalé par le LED compresseur clignotant) | · retard compresseur inséré ·égouttement post-dégivrage en cours | paramètres c0, c1 et c2 et dd |
| la température est hors des limites prévues mais il n'y a pas d'indication d'alarme et le buzzer, si présente, ne fonctionne pas | retard alarmé inséré paramètres Ad, c6, d8 | |
| l'alarme IA (entree multifonction) est signalée sans qu'elle soit réellement active | l'entrée multifonction génére une alarmé quand le contact s'ouvre | connexion de l'entrée et si fermée en fonctionnement normal |
| l'alarme connectée à l'entrée multifonction n'est pas déetectée | retard alarmé inséré ou erreur de programmation des paramètres | 1. si A4=12. l'état de l'entrée digitale A7 |
| le dégivrage n'est pas activé · durée dégivrage trop courte (dP) · Intervalle entre dégivrage dl=0: dans ce cas le dégivrage n'est pas activé | paramètres dP et dl et H1 pour modèles S | |
| la température de fin dégivrage est trop basse ou la température d'évaporateur est trop élevé | paramètres dt et d/ (sonde de dégivrage) | |
| le dégivrage n'est pas activé et le LED dégivrage clignote | les temps de protection du compresseur sont insérés | paramètre d9 (selectionner d9=1) |
| l'alarme de haute température apparait après un dégivrage | le retard alarmé après le dégivrage est trop court ou le seuil d'alme trop bas | paramètres d8 et AH |
| le blocage écran continue même après un dégivrage | a température ambiente n'a pas encore atteint la valeur de point de consigne ou bien le temps d8 ne s'est pas écoulé | attendre ou réduire d8 |
| après la modification d'un paramètre, le contrôleur continue à travailler avec les anciennes valeurs | l'instrument n'a pas mis à jour l'ancienne valeur ou bien la programmation des paramètres n'a pas été terminée correctement c'est-à-dire en enforcant la touche SET pendant 3 s | étéindre et rallumer l'instrument ou bien recommencer la programmation des paramètres corrélement |
| pour les modèles C, le ventilateur ne part pas 1. un retard à l'insertion du compresseur et du ventilateur a été sélectionné2. si F0=1 (ventilateur géré par régulateur ventilateur) · l'évaporateur est "chaud": on peut dire la température de l'évaporateur en selectionnant le paramètre /d; · l'égouttement est en cours; · F1 (point de consigne régulateur ventilateur évaporateur) trop bas. · un retard post-déguittement est inséré3. si F0=0 · F2=1 et le compresseur est arrêté · l'égouttement est en cours · l'arrêt post-déguittement est en cours | 1. paramètre c02. paramètres F0, F1, Fd, dd et d/3. paramètres F0, F2, dd et Fd |
6. CHARACTERISTIQUES TECHNIQUES
6.1 Caracteristiques techniques easy
| allimentation (*) 230 Vac +10 / -15% 50/60 Hz; | ||
| 115 Vac +10 / -15% 50/60 Hz | ||
| 12 Vac 10/-15 %, 50/60 Hz classe 2 | ||
| 12 Vdc (11...16 Vdc) classe 2 | ||
| puissance nominale | 1,5 VA | |
| entretes (*) sonde NTC ou PTC 1 ou 3 entretes. Entr. digitale comme alternative à troisieme sonde | ||
| sorties relatais (*) | ||
| PIZZ POZ | ||
| 2 HP relay | UL-12 A Res. 12 FLA 72 LRA - 240 Vac (***), UL-12 A Res. 10/ LA 60 LRA - 240 Vac (****) EN60730-1: 10(10) A 250 Vac (**) | UL-60730: 12 A Res. 8 FLA 48 LRA - 240 Vac, EN60730: 10(6) A 250 Vac |
| 16 A relay | UL-12 A Res. 5 FLA 301 LRA - 240 Vac C300, EN60730-1: 12(2) A NO/NC, 10(4) A up to 60 °C NO, 2(2) A CO 250 Vac | UL-60730: 12 A Res. 5 FLA 301 LRA - 240 Vac C300, EN60730: 12(2) A NO 100k cycles, 12(2) A NC 30k cycles, 2(2) A CO 30k cycles - 250 Vac |
| 8 A relay | UL-8 A Res. 2 FLA 12 LRA - 240 Vac C300, EN60730-1: 8(4) A NO, 6(4) A NC, 2(2) A CO - 250 Vac | UL-60730: 8 A Res. 2 FLA 12 LRA - 240 Vac C300, EN60730: 8(3) A NO, 6(3) A NC, 2(2) A CO - 250 Vac |
| 30 A relay | UL-16 A Res. 16 FLA 96 LRA - 240 Vac (**) EN60730-1: 20(10) A 250 Vac (**) UL-12 A Res. 12 LA 72 LRA - 240 Vac EN60730: 12(10) A 250 Vac | UL-60730: 12 A Res. 12 FLA 72 LRA - 240 Vac EN60730: 12(10) A 250 Vac |
| 5 A relay | UL-5 A Res. 1 FLA 6 LRA - 240 Vac C300, EN60730-1: 5(1) A - 250 Vac | UL-60730: 5 A Res. 1 FLA 6 LRA - 240 Vac C300, EN60730: 5(1) A - 250 Vac |
| type de sonde (*) NTC Std CAREL 10 KΩ à 25 °C | ||
| PTC Std CAREL 985 O à 25 °C | ||
| connexions (*) bornes | fixes à vis pour cables avec sect. de 0,5 mm 2 à 1,5 mm². Bornes armovibles pour taqués à vis ou avec contact à serrir (sect. cable jusqu'à 2,5 mm²). Courant nominal maximum pour borne 12 A. | |
| montage (*) pour terminat: au moyen de vis depuis le frontal ou avec étriers arrêté | ||
| affichage écran LED 3 chiffres avec signe -199...999 et point decimal; six LED d'etat | ||
| conditions de fonctionnement -10 à 50 °C - humidité <90% H.R. sans cond. conditions de stockage -20 à 70 °C - humidité <90% H.R. sans cond. intervalle de détention -50 à 90 °C - résolution 0,1 °C | ||
| degré de protection frontale montage sur cadre avec joint IP65 conteneur terminal plastique, 81x36x65 mm | ||
| classification selon la protection contre les seccousses électriques pollution ambiente normale | ||
| PTI des matériel d'isolation 250 V | ||
| période des sollicitations électriques des parties isolantes | ||
| catégorie de résistance à la chaleur et au feu | ||
| immunité contre les surtensions | ||
| type d'action et déconnexion | ||
| name de cycles de manoeuvre des opérations autom. relais (*) | ||
| classé et structure du software | ||
| nettoyage de l'instrument | ||
| longueur max. cables | ||
Tab. 6.a
() Les caractéristiques indiquées varient en fonction du modele
(^) TOFF minimum entre deux start moteur doitetre supérieur a 1 min.
(^) uniquely pour les modèles PJEZ (M, S, X) *
(^) uniquely pour les modèles PJEZ (C,Y) ,

Mise en garde: ne pas passer de cable de puissance a moins de 3
m. de la partie inférieure du dispositif ou des sondes; pour les connexions n'utiliser que des cables en cuivre.

Fig. 6.a
6.2 Caracteristiques techniques easy compact
| alimentation (*) | 230 Vac, -10+15 % 50/60 Hz;115 Vac, -10+15 % 50/60 Hz;12 Vdc ±10% o 12Vac, ±10% 50/60 Hz(seulement sur les PJEZM* sans relais AUX); |
| puissance nominale | 0,5 VA |
| entretres (*) | Sonde NTC ou PTC, 1 ou 2 entrées |
| sorties relatifs (*) relais 2HP | UL: 12A 10 FLA 60 LRA 250 Vac 30000 cycles;EN60730-1: 10(10)A 250Vac 100000 cycles (**)relais 16A:UL: 12A résistifs 5FLA, 30LRA 250Vac 30000 cyclesEN60730-1: 12(2)A ou 10(4)A (seulement N.O.)250VAC 100000 cycles; |
| type de sonde (*) | NTC Std CAREL 10 KO à 25 °CPTC Std CAREL 985 Ω à 25 °C |
| Connectorialmentation/sortierelais (*) | bordes fixes à vis pas 5mm pour cables de sect.de 0,5 mm² à 1,5 mm²; 12A max;bomes amovibles pas 5,08 mm pour taqués à visou avec contact à serrir pour cables avec sect. de0,5 mm² jusqu'à 2,5 mm²; 12A max; |
| Connectorionsondes (*) | bordes fixes à vis:- 2 voies pas 5mm pour modèle à 1 sonde section cables de 0,5 mm² à 1,5 mm²; 12A max;- 3 voies pas 3,81mm pour modèle à 2 sondes section cables de 0,08 mm² à 1,5 mm²; 6A max;bomes amovibles pour taqués à vis ou aveccontact à serrir:- 2 voies pas 5,08mm pour modèle à 1 sonde section cables de 0,5 mm² à 1,5 mm²; 12A max;- 3 voies pas 3,81mm pour modèle à 2 sondes section cables de 0,08 mm² à 1,5 mm²; 8A max; |
| Connectoriersérie | N.1 connecteur pour la connexion au réseau desupervision ou pour la connexion de la clé deprogrammation des paramètres (seulement surles modèles qui le prévoient); |
| Montage | au moyen de vis depuis le frontal ou avec étriersarrière |
| Affiche | écran LED à 2 chiffres avec signe, point décimalet icône comprésur |
| Clavier | N.3 touches à membrane |
Tab. 6.b
() Les caractéristiques indiquées varient en fonction des modèles.
(^*) TOFF minimum entre deux start moteur doit etre supérieur a 1 min.



Fig. 6.b
6.3 Caracteristiques techniques easy split
Tab. 6.c
| alimentation (*) 230 Vac +10/-15%, 50/60 Hz; | 115 Vac +10/-15%, 50/60 Hz | |
| puissance absorbée (contrôle uniquement) 7 VA: 30 mA~ à 230 Vac;7 VA: 60 mA~ à 115Vac | A~ à 230 Vac;7 VA: 60 mA~ à 115Vac | |
| entretues 2 entrées sonde NTC (-50 à 90°C) ou NTC HT (-40 à 150°C)1 entree numérique en alternative à la troisième sonde | 40 à 150°C1 entree numérique en alternative à la troisième sonde | |
| sorties relais (**) RL1: EN60730-1: 12(10)A 250Vac 10000 cycles, | UL: 16A Rés. 16FLA 96LRA 250Vac (**) 30000 cycles | |
| RL4: EN60730-1: 12(10)A 250Vac 100000 cycles,UL: 12A Rés. 12FLA 72LRA 250Vac (**) 30000 cycles | ||
| RL3, RL2: EN60730-1: 12(10)A 250Vac 100000 cycles (uniquement contact N.O.),UL: 12A Rés. 2HLA 121 RA 250Vac (**) 30000 cycles | ||
| type de sonde NTC Std CAREL 10kΩ ±1% à 25°C | NTC-HT Std CAREL 50kΩ ±1% à 25°C | |
| connexions -signaux d'input/output: bornes à vis avec cables de section de 0,5 à 1,5 mm2;-terminaux fast-on: cables avec section conseillée 2,5 mm2 pour des courants jusqu'à 16A;-alimentation: cables avec une section de 2,5 mm2 pour des courants jusqu'à 16A et 4mm2 pour des courants jusqu'à 24A. | PJEZ*8**4* (sans boitier plastique): courant maximum d'alimentation 24A | |
| PJEZ*8**5* (avec boitier plastique): courant maximum d'alimentation 16A | ||
| montage-terminal: au moyen de vis sur le frontal ou avec étriers à l'arière- Carte de puissance: sur les modèles PJEZ*8**5* elle est fournie avec boitier plastique pour usage interieur | ||
| affichage écran LED 3 chiffres avec marque -199...199 et point décimal, 6 LED d'état | ||
| conditions de fonctionnement PJEZ*8**4" (sans boitier plastique):-10T60°C pour la carte de puissance;-10T60°C pour l'écran; humidité <90% U.R. non condensante. | PJEZ*8**5* (avec boitier plastique):-10T50°C pour la carte de puissance;-10T60°C pour l'écran; humidité <90% U.R. non condensante. | |
| conditions de stockage -20T70°C, humidité <90% U.R. non condensante | ||
| intervalle de détction -sonde NTC: -50 à 90°C(-58 à 194°F), résolution 0,1 °C/°F-sonde NTC-HT: -40T150°C(-40T302°F), résolution 0,1 °C/°F | ||
| degré de protection frontale écran montage sur tableau avec joint IP65 | ||
| dimensions terminal plastique: 81x36x38,29 mm | carte de puissance: boite plastique 190x140x70 mm | |
| classification selon la protection contre les secousses électriques | classse II avec incorporation appropriée | |
| pollution environnementale | degré 2 | |
| PTI des matériaux d'isolation | 250 V | |
| période des sollicitations électriques des parties isolantes | longue | |
| catégorie de résistance à la chaleur et au feu | catégorie D (UL94 - V0) | |
| immunité contre les surtensions | catégorie 3 | |
| type d'action et déconnexion | contacts relatis 1C | |
| nb de cycles de manoeuvre des opérations autom. | EN60730-1: 100000 opérations;UL873: 30000 opérations. | |
| relais | ||
| classe et structure du logiciel | classe A | |
| nettoyage | n'utiliser que des détergents neutres et de l'eau | |
| longueurs max. câbles | série: 1 km; sondes/entrées numériques: 10 m; relais: 10 m | |
| conformité | EN60730-1, EN61000-6-1, EN61000-6-2, EN61000-6-3, EN61000-6-4, EN61000-4-2, EN61000-4-3, EN61000-4-4, EN61000-4-5, EN61000-4-6, EN61000-4-11, | |
() Les caractéristiques indiquées varient en fonction des modèles.
(^) TOFF minimum entre deux start moteur doit etre supérieur a 1 min.
(^*) La conformite a la norme UL873 ne concerne que les modetes sans
boitier plastique.

Terminal

Fig. 6.c

Carte de puissance
Fig. 6.d
6.4 Compatibleé electromagnetique
La série easy, easy compact et easy split est conforme aux normes UE de compatibilité electromagnétique:
- pour apparéils pour usage domestique EN55014-2 et EN55014-1;
- pour local résidentiel commercial et pour industrié légère EN50082-1 et EN50081-1;
- pour local industriel EN50082-2 et EN50082-1;
- du point de vue de la sécurité est conforme à la norme EN60730-1 et EN60730-2-9.
6.5 Gaz frigorigènes inflammables
Les modèles PJEZ de la série « easy » utilisant des composants, et plus précisément, des reliais electromécaniques testés conformément à UL 60079-15 ed. 4 / ISA 12.12.01: 2013 (Sealed or Enclosed Break Device). L'acceptation de ces reliais dans l'application finale où des gaz frigorigénes inflammables sont utilisés doit être revue et évaluée en fonction de l'application finale.
Pour l'utilisation des modèles PQEZ de la série « easy » avec gaz frigorigènes inflammables, les réguleurs ont été testés et jugés conformes aux exigences stipulées dans les standards de la série IEC 60335 :
- l'annexe CC de IEC 60335-2-24 : 2010 à laquelle la clause 22.109 fait reférence et l'annexe BB de IEC 60335-2-89: 2010 à laquelle la clause 22.108 fait reférence ; les composants qui générent des arcs ou desétincelles au cours de leur fonctionnement normal ont été testés etjugés conformes aux exigences de UL/IEC 60079-15;
- IEC/EN/UL 60335-2-24 (clauses 22.109, 22.110) pour réfrigerateurs et congélateurs domestiques
- IEC / EN / UL 60335-2-40 (clauses 22.116, 22.117) pour pompes à chaleur électricques, climatiseurs et déshumidificateurs
- IEC/EN/UL 60335-2-89 (clauses 22.108, 22.109) pour équipements de réfrigeration commerciaux
Les régulateurs ont été testés pour les températures maximales de tous les composants, lesquelles au cours des essais prévus par IEC 60335 cl. 11 et 19 ne dépassent pas 272^ .
L'acceptation de ces réguleurs dans l'application finale ou des gaz frigorigènes inflammables sont utilisés doit être revue et évaluée en fonction de l'application finale.

CAREL INDUSTRIES-HQs
Notice Facile