2620 - Cheminée DOVRE - Notice d'utilisation et mode d'emploi gratuit
Retrouvez gratuitement la notice de l'appareil 2620 DOVRE au format PDF.
| Caractéristiques | Détails |
|---|---|
| Type de cheminée | Cheminée à bois |
| Puissance nominale | 8 kW |
| Rendement énergétique | 80% |
| Dimensions (L x P x H) | 600 x 500 x 900 mm |
| Poids | 150 kg |
| Matériau de construction | Fonte |
| Capacité de chargement | Log de bois jusqu'à 40 cm |
| Système de ventilation | Air primaire et secondaire réglable |
| Normes de sécurité | Conforme aux normes EN 13229 |
| Entretien | Nettoyage régulier du foyer et du conduit de fumée recommandé |
| Garantie | 2 ans |
FOIRE AUX QUESTIONS - 2620 DOVRE
Questions des utilisateurs sur 2620 DOVRE
0 question sur cet appareil. Repondez a celles que vous connaissez ou posez la votre.
Poser une nouvelle question sur cet appareil
Téléchargez la notice de votre Cheminée au format PDF gratuitement ! Retrouvez votre notice 2620 - DOVRE et reprennez votre appareil électronique en main. Sur cette page sont publiés tous les documents nécessaires à l'utilisation de votre appareil 2620 de la marque DOVRE.
MODE D'EMPLOI 2620 DOVRE
kachelruitreiniger 24
schoolteenbrand 9,18,22
ventilatie 9-10
Déclaration des performances 4
Sécurité 9
Conditions d'installation.9
Généralités 9
Cheminee.9.
Ventilation de la pierce.10.
Sol et murs.11
Description du produit 11
Installation 12
Preparation 12
Encastrer dans une cheminée existante.. 14
Encastrer dans une nouvelle chiminge... 14
Monter cadre extérieur. 16
Utilisation 17
Premiereutilisation. 17
Combustible 18
Allumage 18
La combustion au bois. 19
Allumer un feu avec des briquettes de lignite 20
Allumer un feu avec de I'anthracite 20
Réglage de l'air decombustion 21
Extinction du foyer 22
Décendrage 22
Brouillard et brume 22
Résolutionproblèmes 22
Entretien 22
Conduit de cheminée 22
Nettoyage et autre entretien régulier.... 23
Annexe 1: Caracteristiques techniques 25
Annexe 2: Schémas de raccordement 27
Annexe 3: Dimensions 30
Annexe 4: Distance d'éloignement avec des matériaux combustibles 39
Annexe 5: Tableau de diagnostic. 40
Index 41
Introduction
Chere utilisatrice, cher utiliser, En achetant ce poèle DOVRE, vous avez opté pour un produit de qualité. Ce produit fait partie d'une nouvelle génération d'appareils de chauffage ecologiques et économiques en énergie. Ces apparèils utilisent de manière optimale la chaleur convective, ainsi que la chaleur rayonnante.
Votre poèle DOVRE est fabriqué avec les moyens de fabrication les plus modernes. Si vous rencontrez un dernierquelconque sur votre apparéil, vous pouvez toujours faire appel au service DOVRE.
L'appareil ne doit jamais être modifié ; veuillez:toujours utiliser des pièces d'origine.
L'appareil est prévu pour être place dans un logement. Il doit être raccordé hermétiquement à un conduit de cheminée fonctionnant correctement.
- Nous vous recommendons de faire appel à un chauffagiste agréé professionnel pour installer votre apparéil.
DOVRE decline toute responsabilité pour des problèmes ou des dommages dus à une installation incorrecte.
Lors de l'installation et de l'utilisation, les consignes de sécurité décrites ci-après doivent toutes être respectées.
Ce mode d'emploi contient des informations concernant l'installation, l'utilisation et l'entretien en toute sécurité de l'appareil de chauffage DOVRE. Si vous souhaitez receivevoir des informations complémentaires ou des specifications techniques ou si vous rencontres un problème lors de l'installation, veuilles d'abord contacter votre distributeur.
© 2013 DOVRE NV
Déclaration des performances
SeIon le reglement produits de construction 305/2011
n° 102-CPR-2013
- Code d'identification unique du produit type:
2020S / 2200 / 2210 / 2220
- Numéro de type, lot ou série, ou autre élément d'identification du produit de construction, coprescrit à l'article 11, paragraphe 4:
Numero de série unique.
- Usages prévus du produit de construction, conformément à la Specification technique harmonis applicable, comme prévu par le fabricant:
Poèle pour combustible solide sans production d'eau chaude selon EN 13240.
- Nom, raison sociale ou marque déposée et adresse de contact du fabricant, comme prescrit ticle 11, paragraphe 5:
- Le cas échéant, nom et adresse de contact du mandataires dont le mandat couvre les tâche l'article 12, paragraphe 2:
一
- Le ou les systèmes d'évaluation et de vérification de la constance des performances du pro construction, conformément à l'annexe V:
Système 3
- Dans le cas de la déclaration des performances concernant un produit de construction couve une norme harmonisée:
L'instance chargée RRF, enregistrée sous le numéro 1625, a réalisé un essai de type selon le système 3 et a délivré le rapport de test n^ 2905903.
-
Dans le cas de la déclaration des performances concernant un produit de construction pour une évaluation technique européen a été délivrée:
-
Performance déclarée :
| La forme harmonisée EN 13240 :20 | 01/A2 :2004/AC :2007 | ||
| Caracteristiques essentielles | PerformancesBois | PerformancesLignite | PerformancesAnthracite |
| Sécurité incendie | |||
| Résistance au feu A1 A1 A1 | |||
| Distance d'éloignement avec des matériauxinflammables(distance minimale en mm) | Arrière: 100Côté: 100 | Arrière: 100Côté: 100 | Arrière: 100Côté: 100 |
| Risque de projections de braises Conforme | Conforme Conforme | ||
| Émission de produits de combustion | CO: 0,10% (13%O2) | CO: 0,06% (13%O2) | CO: 0,04% (13%O2) |
| Température de surface Conforme Conforme | Conforme | ||
| Sécurité électrique - - - | |||
| Facile à nettoyer | Conforme Conforme Conforme | ||
| Pression de service maximale | - - - | ||
| Température des gaz de fumée à la puissancenominale | 295 °C | 289 °C | 272 °C |
| Résistance mécanique(support du poids de la cheminée) | Non déterminé | Non déterminé | Non déterminé |
| Puissance nominale | 7 kW | 7 kW | 8 kW |
| Rendement | 78,3 % | 75,4 % | 76,4 % |
- Les prestations du produit identifié aux points 1 et 2 sont conformes aux prestations indiqu point 9.
La presente déclaration des performances est établie sous la seule responsabilité du fabricant ide au point 4:
26/08/2013 Weelde

Tom Gehem PDG

SeIon le reglement produits de construction 305/2011
n° 105-CPR-2013
- Code d'identification unique du produit type:
2500/2510/2520/2620
- Numéro de type, lot ou série, ou autre élément d'identification du produit de construction, coprescrit à l'article 11, paragraphe 4:
Numéro de série unique.
- Usages prévus du produit de construction, conformément à la Specification technique harmonis applicable, comme prévu par le fabricant:
Poèle pour combustible solide sans production d'eau chaude selon EN 13240.
- Nom, raison sociale ou marque déposée et adresse de contact du fabricant, comme prescrit ticle 11, paragraphe 5:
-
Le cas échéant, nom et adresse de contact du mandataire dont le mandat couvre les tâche l'article 12, paragraphe 2:
-
Le ou les systèmes d'évaluation et de vérification de la constance des performances du pro construction, conformément à l'annexe V:
Système 3
- Dans le cas de la déclaration des performances concernant un produit de construction couve une norme harmonisé:
L'instance chargee RRF, enregistrree sous le numero 1625, a realise un essai de type selon le systeme 3 et a delivré le rapport de test no 2905904.
-
Dans le cas de la déclaration des performances concernant un produit de construction pour une évaluation technique européen a été délivrée:
-
Performance déclarée :
| La forme harmonisée EN 13240 :20 | 01/A2 :2004/AC :2007 | ||
| Caracteristiques essentielles | PerformancesBois | PerformancesLignite | PerformancesAnthracite |
| Sécurité incendie | |||
| Résistance au feu A1 A1 A1 | |||
| Distance d'éloignement avec des matériauxinflammables(distance minimale en mm) | Arrière: 100Côté: 100 | Arrière: 100Côté: 100 | Arrière: 100Côté: 100 |
| Risque de projections de braises Conforme | Conforme Conforme | ||
| Émission de produits de combustion | CO: 0,10% (13%O2) | CO: 0,09% (13%O2) | CO: 0,05% (13%O2) |
| Température de surface Conforme Conforme | Conforme | ||
| Sécurité électrique - - - | |||
| Facile à nettoyer | Conforme Conforme Conforme | ||
| Pression de service maximale | - - - | ||
| Température des gaz de fumée à la puissancenominale | 264 °C | 318 °C | 314 °C |
| Résistance mécanique(support du poids de la cheminée) | Non déterminé | Non déterminé | Non déterminé |
| Puissance nominale | 10 kW | 10 kW | 10 kW |
| Rendement | 80,0 % | 76,4 % | 79,0 % |
- Les prestations du produit identifié aux points 1 et 2 sont conformes aux prestations indiqu point 9.
La presente déclaration des performances est établie sous la seule responsabilité du fabricant id au point 4:
26/08/2013 Weelde

Tom Gehem PDG

Les produits faisant l'objet d'une amélioration permanente, les specifications de l'appareil livre pourront diverger de celles mentionnées dans cette brochure sans avis préalable.
DOVRE N.V.
Belgique E-mail: info@dovre.be
Sécurité
Attention! Toutes les consignes de sécurité doivent être strictement respectées.
Avant d'utiliser votre poèle, lisez attentionivement les instructions pour l'installation, l'utilisation et l'entretien.
L'appareil doit être installé conformément à la législation et aux prescriptions nationales.
Toutes les dispositions régionales et les dispositions concernant les normes européennes et nationales doivent être respectées lors de l'installation de l'appareil.
Nous vous recommendons de faire installer le poèle par un installateur agreé. Ce spécialiste connait les dispositions et les réglementations en vigueur.
L'appareil est conçu pour le chauffage. Toutes les surfaces, y compris la vitre et le conduit raccordement, peuvent être brulantes (plus de 100^ ! Pour manipuler l'appareil, portez tous jours un gant résistant à la chaleur ou utilisez une poignée main froide.
Assurez-vous de garantir une protection suffisante lorsque de jeunes enfants, des personnes handicapées et des personnes âgées se trouvent à proximate de l'appareil.
Respectez impératifement les distances de sécurité entre le poèle et les materiaux inflam-mables
Ne placez jamais de rideaux, vêtements, linges ou autres matières inflammables sur où a proximé du poèle.
Lorsque votre poèle fonctionne, n'utilisez jamais de produits explosifs ou facilement inflammbables à proximé du poèle.
Prévenez tout départ de feu dans le conduit de cheminée en faisant ramoner régulièrement le conduit concerné. Ne laissez jamais le feu brûlér avec la porte du poèle ouverte.
En cas de depart de feu dans le conduit de cheminée: fermez les arrivées d'air du poèle etappelez les pompiers.
Si la vitre du poèle est brisée ou fendue, elle doit être remplaçaee avant d'utiliser a nouveau l'appareil.
Veillez à garantir une aération suffisante de la pièce où se trouve le poèle. Une aération insuffisante peut engendrer une combustion incomplete et l'échévement de gaz toxiques dans la pièce. Consultez le chapitre « Conditions d'installation » pour de plus amples informations concernant l'aération.
L'appareil doit être raccordé à un conduit de cheminée fonctionnant correctement.
Pour les dimensions de raccordement : voir l'annexe « Caracteristiques techniques »
Informez-vous auprès d'un professionnel des pompiers et/ou de votre compagnie d'assurances pour connaître les éventuelles exigences et dispositions spécifiques.
Cheminée
La cheminée est nécessaire pour:
L'évacuation des gaz de combustion par tirage naturel.
L'air chaud dans la cheminée est plus léger que l'air extérieur et s'éleve donc dans le conduit de cheminée.
L'aspiration d'air est nécessaire pour la combustion du combustible dans le poèle.
Une cheminée fonctionnant mal peut engendrer un retour de fumée lors de l'ouverture de la porte. Les dommages dus à un retour de fumée sont exclus de la garantie.
Il est interdit de raccorder plusieurs apparéils (la chaudière du chauffage central, par exemple) au même conduit de cheminée, sauf dans des cas précis prévus par la réglementation régionale ou nationale. Lors de deux raccordements, veillez en tout cas que la

différence de hauteur entre les raccordements obstaclesavoisinants.
s'éleve au moins à 200 mm.
Demandez à votre chauffagiste des conseils concernant la cheminée. Consultez la norme europeenne EN13384 pour calculer correctement la configuration de la cheminée.
La cheminée doit satisfaire aux conditions suivantes :
La cheminée doit être fabriquée en matériaux rétaires, de préférence en acier inoxydable ou en céramique.
La cheminée doit être étanche, bien propre et garanti un tirage suffisant.
Un tirage/dépression de 15 - 20 Pa à l'allure nominale est idéal.
La cheminée doit être aussi verticale que possible en partant de la sortie de l'appareil. Les changements de direction et les sections horizontales perturbent l'évacuation des gaz de combustion et peuvent creer une accumulation de suie.
La section interieure du conduit ne doit pas etre trop importante, afin d'eviter un refroidissement trop important des gaz de combustion risquant deréduire le tirage.
La cheminée doit de préférence partager le même diamètre que le diamètre de la buse de rac-cordement.
Pour le diamètre nominal : voir l'annexe « Caracteristiques techniques ». Si le conduit de fumée est correctement isolé, le diamètre peut eventuèlement être plus important (au maximum deux fois la section de la buse de raccordement).
La section (surface) de conduit de fumée doit être constante. Les élargissements et (plus particulièrement) les rétrécissements pertubent l'évacuation des gaz de combustion.
En cas de pose d'une mitre à la sortie de la cheminée : veillez à ce que la mitre ne réduise pas sortie d'évacuation de la cheminée et qu'elle ne peut turbe pas l'évacuation des gaz de combustion.
La cheminée doit déboucher dans une zone non turbée par des batiments, arbres ou autres

Ve ntilation de la piece
L'appareil a besoin d'air (oxygène) pour garantir uneonne combustion. L'appareil est alimenté en air de la piece ou il se trouve, par le biais d'admissions d'air réglables.
Un manque d'aération peut engender une combustion incomplète et des gaz toxiques peuvent se repandre dans la piece.
La règle de base est que l'alimentation en air doit être de 5,5cm^2 /kW . Une aération supplémentaire est nécessaire dans les cas suivants :
L'appareil est placé dans une piece correctement isolée.
Il existe une aération mécanique (VMC), un système d'aspiration central ou une hotte de cuisine dans une cuisine americaine, par exemple.
Pous pouze creer une aeration supplémentaire en pla- cant une grille d'aeration dans un mur donnant sur l'ex- terieur.
Veiliez à ce que les autres apparèils utilisant l'air (seche-linge, second apparéil de chauffage ou

aérateur de salle de bain) aient une propre arrivée d'air
extérieur ou soient eteints lorsque le poele est allun
Description du produit
Sol et murs
Le sol sur lequel l'appareil sera posé, doit partager une force portative suffisante. Pour connaître le poids de l'appareil : voir l'annexe « Caracteristiques techniques »

Aucun fil électrique ne doit se couver dans sol sous l'appareil et dans les parois ajustur l'appareil.

Tous les matériaux inflammables doivent être rétérés du dessous de l'appareil, ou être protégés avec une dalle de béton d'au moins 6 d'épaissur.


Les parois inflammables proches de l'appareil doivent etre protégées avec une paroi en pierred'au moins 10 cm d'épaisseur et 5 cm d'iso-lation.

Protégez les parois ignifuges proches de l'appareil avec une isolation d'au moins 2,5 cm d'épaisseur pour éviter toute fissure.

Protégez le sol inflammable contre l'émission de chaleur et les cendres éventuelles en posant un hourdis ignifuge. Voir l'annexe « Distance d'éloignement avec des matériaux inflammables »

Veiliez à ce qu'il y ait une distance suffisante entre l'appareil et les matériaux inflammables, tels que le mobilier.


Assurez-vous qu'il y ait suffisamment de ventilation autour des materiaux inflammables, comme une poutre decorative, par exemple. Voir annexe « Distance d'eloiignement avec des materiaux inflammables »
- Registre d'air secondaire
- Porte
- Cadre décoratif extérieur

Les tapis doivent se trouver au moins à 80 du foyer.
Tige de tisonnage
5. Registre d'air primaire

Ne placez aucun matériel inflamnable a moins. Verrou de 50 cm des eventuelles ouvertures d'air de convection. 7. Corbeil
- Verrou
- Corbeille
- Plaques interieures refractaires
Caracteristiques de l'appareil
L'appareil est livre avec une poignée séparée permettant d'ouvrir la porte, il s'agit de la « main froide »
L'appareil est vendu avec une deuxième poignée séparée permettant de-retirer le bac à cendres, il s'agit de la « main froide »; voir image suivante.

convection vers les autres pieces.
L'appareil est doté de deux ventilateurs intégrés qui favorisent la convection. La vitesse de rotation des ventilateurs est régliable par un régulateur de régime. Le régulateur de régime est fourni. Le ventilateur et le régulateur de régime sont raccordés au réseau électrique ; voir le paragraphe « Raccordement du ventilateur au réseau électrique »
Le ventilateur est un ventilateur thermostatique, ce qui signifie qu'il n'entre en fonction que lorsque l'insert de cheminée est suffisamment chaud, et qu'il se désactive lorsque l'insert est suffisamment refroidi.
L'appareil peut etre livre avec un cadre extérieur sur lequel vous pouvez fixer un cadre decoratif. Le cadre decoratif est disponible en option.
Installation
Preparation
<Le sens d'ouverture de la porte peut etre modifie L'appareil est livre avec une porte s'ouvrant sur la droite. Pour obtenir une porte tournant vers la gauche, une tige de verrouillage disponible en option est necessaire. Un livre d'instructions pour la modification du sens de rotation est fourni avec cette tige de verrouillage.
L'appareil est livré avec un set de raccordement pour l'apport d'air extérieur.
L'appareil n'est pas adapté pour un usage conti
Le foyer encasirable est doté d'un système de convection intégré. Lors de l'encastrement de l'appareil, il n'est donc pas nécessaire de construire d'espace de convection particulier, ni de placer des grilles d'admission d'air ou des grilles d'évacuation d'air pour la convection.
Contrôler le poèle immédiatement à la réception en recherchant les dommages (de transport) et autres manquements évventuels.
En cas de manquements ou dommages (de transport) eventuèlement constatés, n'utilise pas le poële et informez le fournisseur.
Déposez les pièces démontables (plaques intérieures réfractaires, plaque de fond, corbeille, volet de décendrage et bac à cendres) de l'appareil avant d'installer ce dernier.
Afin de faciliter la manipulation et de prévenir des endommagements, vous pouvez d'abord retarder toutes les pieces démontables de l'ap-pareil.
Veillez bien à la position d'origine de ces pieces, afin de pouvoir les replacer correctement après l'installation.
- Ouvrez la porte de l'appareil.
Retirez les plaques interieures refractaires.
L'espace entre le foyer en fonte et le boitier de convection en acier fait fonction d'espace de convection. L'air ambient est aspire par le dessous de l'appareil. L'air circule autour du foyer ou il se rechauffe. Ensuite, l'air chaud s'échappe de l'espace de convection en pas-1. tant par le passage pour l'air qui se trouve en haut de la cheminée.
L'appareil est doté de deux raccordements supplémentaires pour transporter la chaleur de

i
Les plaques interieures en fonte protégent la 1. chambre de combustion et refractent la chaleur dans l'environnement.
- Vissez le verrou de la porte.
- Dévissez le tenon de fermeture de la porte se trouvant sur le montant.
- Retirez les pivots d'articulation des charnières.
Monter la poignée
L'appareil est fourni avec une poignée séparée dite main froide »

Assurez-vous de soutenir suffisamment la porte; sans pivots d'articulation, la porte peut se détacher de l'appareil.
La forme de la main froide dépend du modele de l'appareil. 4.F
- Retirez la porte de l'appareil.
Fixer la poignée en bois avec la vis M8x50 fournie 5a 4tez les bagues de fermeture du tenon de charpiece de reduction ; voir illustration suivante. niere et placez-les de l'autre cote de l'appareil.

Pour ouvrir la porte, voir l'illustration suivante.

Modifier le sens d'ouverture deporte
Si vous le souhaitez, vous pouvez modifier le sens d'ouverture de la porte. L'appareil est livré avec une porte s'ouvrant sur la droite. Suivez les instructions suivantes.
- Positionnéz la porte au-dessus des tenons de charnière et placez les pivots d'articulation dans les charnières.
- Vissez le verrou de l'autre cotoé de la porte.
- Vissez le tenon de charnière de l'autre côté de la porte.
Remarque: Pour ajuster la fermeture de la porte, reportez-vous au chapitre « Entretien »
Raccorder le ventilateur au réseau électrique
Le foyer encastrable est livre avec deux ventilateurs intégrés et un variateur de vitesse séparé. L'appareil est également équipé d'un interrupteur thermoelectrique éteignant et allumant le ventilateur selon la température demandée.
Ces pièces doivent être raccordées au réseau électrique selon un des schémas de raccordementprésentés ci-dessous.

Le schéma de raccordement est propre au modele.

Le raccordement doit être executé par un installateur compétent.

Le foyer encasable est équipé d'un cable électrique à trois brins.

Le foyer encastrable doit etre sépare du réseau électrique par un interrupteur bipolaire.

Assurez-vous que le foyer encastrable soit mis à terre convenablement.

Voir annexe 2 pour des schémas de raccordement plus détaillés.
Encastrer dans une cheminée existante
Avant d'encastrer le foyer dans une cheminée existante, suivez les instructions suivantes:
- Placez l'appareil à la bonne hauteur, sur un sol et à niveau.
Gardez à disposition le cable électrique de l'appareil. - Si vous souhaitez placer un cadre extérieur sur l'appareil, fixez d'abord les éclisses fournies sur les côtes de l'appareil, sans serrer totalement les vis. Le cadre extérieur est coincide entre l'appareil et les éclisses; voir image suivante.

Si vous utilisez un tube flexible en inox: vissez le tube à la piece de raccordement fournie, placez la piece de raccordement dans le collier de raccord puis fixez la piece en pliant les deux bords vers l'extérieur.
L'image suivantes you montre un exemple de placement de foyer encastrable dans une cheminée construite en respectant les instructions et les recom-mandations precedentes. plat

A Cheminée existante
- Fermez la base de la cheminée avec un matériel ignifuge.
B Espace de ventilation (15 mm minimum)
C Conduite d'évacuation de fumée existante
- Effectuez une ouverture d'un diamètre de 150 cm dans la base, pour y laisser passer le tuyau d'éva cuation.
D Matériel réfractaire ou une piece de jonction à- Ouverture prévenant une remontée de pression
- Effectuez l'ouverture au centre de la base en main-tenant le collier de raccord sur le foyer.
Encastrer dans une nouvelle cheminée
- Faites passer le tuyau d'évacuation par l'ou- cheminee verture. Assurez-vous que le tuyau puisse etre tire Installation d'un foyer encastrable se fait en deux vers le bas afin d'être fixe au collier de raccord.étapes: Vous pouvez, par exemple, utiliser un tuyau à longueur ajustable.

Le placement et le raccordement du foyer encas-trable
En cas de maconnerie fraiche, attendez qu'elle soit suffisamment sèche.
La construction de la cheminée autour du foyer encastrable.
Evacuer I'air de convection
Placer et raccarder le foyer trable
L'appareil est doté de deux raccordements sup- encaientaires pour transporter la chaleur de convection vers les autres pieces. Il doit y avoir des grilles de sortie d'air dans ces espaces. Si vous souhaitez utiliser sol petite fonction, voici les étapes à suivre:
- Placez l'appareil à la bonne hauteur, sur un sol et à niveau.
-
Si vous souhaitez placer un cadre extérieur sur l'appareil, fixez d'abord les éclisses fournies sur les côtes de l'appareil, sans serrer totalement les vis. Le cadre extérieur est coincé entre l'appareil et les éclisses; voir image suivante.
-
Retirez les deux plaques d'impression au-dessus du boîtier de convection en les délogeant avec un marteau.
- Montez les deux colliers de raccord de 125 mm de diamètre, fournis avec l'appareil, sur les ouvertures, à l'aide des vis M8x16 et des écrous M8 fournis.
- Raccordez-y le flexible de 125 mm de diamètre, et dirigez-le vers les espaces désirés.
- Raccordez le flexible aux grilles de sortie d'air dans les espaces prevus.

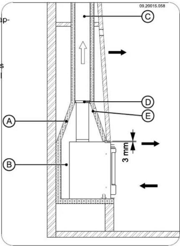
Construction de la nouvelle cheminée
Vous allez construire l'espace de convection dans la cheminee. L'air doit pouvoir circuler librement dans cet espace. L'air doit pouvoir etre tire pour la combustion, et I'air chauffe par le foyer encastrable (I'air de convection) doit pouvoir circuler librement dans I'espace a chauffer; voir image suivante.
- Assurez-vous qu'il y ait un espace de convectio de 15 mm entre les deux parois existantes, ise lees correctement (voir le chapitre « Conditions d'isoation »), et l'arrive de I'appareil.
Suivez les instructions suivantes lors de la construction de la cheminée:
- La maconnerie ne doit pas reposer sur le foyer encastrable. Utilisez, si nécessaire, un support, tel qu'un support en fer. Laissez un espace d'au moins 3 mm entre le support et l'appareil.
La partie supérieure de la cheminée doit être fermée hermetiquement avec un ergot de blocage ignifuge et refractaire.
- Raccordez hermétiquement le poèle au conduit cheminée.
L'ergot de blocage doit être à niveau et se situer au moins 30 cm sous l'ouverture pour gaz fumigénes au plafond.
- Contrôlez le tirage de la cheminée et l'étanchéité du raccordement à la conduite d'évacuation de gaz fumigènes en allumant un petit feu d'essay avec du papier journal et du bois fin et sec.
Si vous le souhaitez, vous pouvez placer une grille de sortie d'air supplémentaire au-dessus de la cheminée et juste en-dessous de l'ergot de blocage.
N'utilisez pas de matériel inflammable dans l'espace de construction, et évitez la formation
de ponts thermiques en utilisant des materiaux caloriferes.
Suivez les instructions suivantes lors de la construction de la cheminée:
- RÉalisiez le pied du foyer en maçonnerie.
Assurez-vous que la porte du foyer puisse s'vrir facilement au-dessus du plateau du foyer.
- Continue la maconnerie jusqu'à la hotte.
Assurez-vous qu'il y ait always un espace de 2 mm entre le foyer encasable et la maconnerie, afin de pouvoir recuperer la chaleur émise par le foyer encasable.
- Si nécessaire, couvrez l'intérieur de la cheminée avec un matériel d'iso1ation refléchissant.
i Une couche supplémentaire dans l'espace de construction previent toute émission de chaleur superflue vers les murs extérieurs et/ou vers les espaces attenants. Cela empêche egaliment la détérioration de l'iso1ation des murs creux.
- Continue la maconnerie autour de la cheminée jusqu'à l'ouverture pour gaz fumigènes au plafon
La maconnerie ne doit pas reposer sur le foyer encastrable. Placez un support tel qu'un fer peur. Laissez un espace d'au moins 3 mm ent le support et l'appareil.
5. Fermez l'espace de construction avec l'ergot de blocage.
6. Placez une grille d'air sous l'ergot de blocage p la ventilation de l'appareil.
7. Effectuez une ouverture au-dessus de l'ergot de blocage pour éviter toute remontée de pression.
L'image suivantes you montre un exemple de placement de foyer encasable dans une cheminée construite en respectant les instructions et les reccamandations precedentes.

A Cheminée
B Matériel réfractaire ou une piece de jonction
C Ergot de blocage
D Matériel d'isolation (5 cm minimum)
F Mur ignifuge
F Mur inflammable
Espace de ventilation (15 mm minimum)
Plafond ignifuge
Plafond inflammable
J Ouverture air de convection
K Isolation (en option)
L Sol ignifuge
Sol inflammable
N Ouverture contre la remontée de pression
O Raccord pris
P Air de convection autre espace
Monter cadre extérieur
L'appareil peut être livré avec un cadre assorted à trois ou quatre faces. Il est également possible de receivevoir en option un cadre décoratif se fixant sur le cadre extérieur.
- Montez le cadre extérieur en fixant les cotsés les uns aux autres avec deux vis; voir image suivante.

- Montez le cadre décoratif en fixant les côtes du cadre décoratif à l'aide du raccord, et en les attachant au raccord en serrant les deux vis (A); voir image suivante.

- Fixez le cadre (monté) sur l'appareil en faisant glisser les cordures de fixation situées sur les parois verticales du cadre, entre l'appareil et les éclisses; voir image suivante.

- Centrez le cadre décoratif par rapport au cadre extérieur; voir image suivante.


Finition
- Replacez toutes les pieces démonteses au bon endroit sur l'appareil.
- Assurez-vous que la nouvelle cheminée soit suffisamment sèche avant d'allumer un feu.

Ne faites jamais faire fonctionner chez appareil si les plaques interieures refractaires ne sont pas montées.
L'appareil est a present pret pour l'emploi.
Utilisation
Première utilisation
Lorsque vous utilisez le poèle pour la première fois, faites un feu intensif pendant quelques heures. Ce feu durcira la lique résistance à la chaleur. Cela peut

- Placez trois plaques de support sur chaque côté, entre le cadre décoratif et le cadre extérieur; vo image suivante.
toutefois générer de la fumée et une odeur incommodante. Ouvrez eventuellesment quelques minutes les portes et les fenêtres de la piece dans laquelle trouve le poële.
Combustible
Il est possible de brûler du bois naturel (scié, haché suffisamment sec), des briquettes de lignite ainsi que de l'anthracite dans l'appareil.
N'utilisez jamais d'autres combustibles que celui de prévu pour le poèle, car ils risquent d'endommager irrécidiblement le poèle.
Les combustibles suivants ne doivent jamais être utilisés car ils sont polluants, et peuvent encrasser intèsivement l'appareil et le conduit de cheminée et engendrer un départ de feu dans le conduit de cheminée :
Bois traités, tels que bois de démolition, bois bois imprégné, bois conservé, contreplaqué et aggloméré.
Plastique, vieux papier et déchets menagers.
Bois
Utilisez de préférence du bois dur provenant d'essences feuillues telles que le chêne, le hêtre, le bouleau et les arbres fruitiers. Ces bois brûlent l'oment avec des flammes douces et régulières. Les bois de conifères contient plus de résine, brûle par rapidement et produit plus d'étincelles.
Utilisez du bois sec d'un pourcentage d'humidité maximum de 20%. Pour cela le bois doit avoir séchépendant 2 ans au moins.
Sciez le bois à la mesure et fendez-le lorsqu'il est Pour allumez le poèle, suivez les instructions dans encore vert. Le bois vert se fend plus facilement ete paragraphe « Allumage » le bois fendu sèche比较好. Stockez le bois sous un auvent ou le vent peut circuler.
Utilisez de préférence de l'anthracite de catégorie A avec une faible teneur en cendres.
Utilisez le calibre recommandé 12/22 ou 20/30.
Just Pour allumez le poèle, suivez les instructions dans qui est ete paragraphe « Allumage ».
N'utilise pas de bois mouillé. Le bois mouillé donne moins de chaleur car toute l'énergie va être consacré à l'évaporation de l'humidité. Cela produit également beaucoup de fumée et des dépôts de suie sur la porte du poèle et dans le conduit de cheminée. La vapeur d'eau se condense dans le poèle et peut provoquer des fuites le long des joints épu poèle et des tâches noires sur le sol de la pierce. La vapeur d'eau peut aussi se condenser dans le conduit de cheminée et former de la créosote. Le créosote est extrémement inflammable et peut conduire un départ de feu dans la cheminée.
Briquettes de lignite
Les briquettes de lignite seront a peu pris les yeux.
memes caractéristiques de combustion que le bois.
Avant de placer des briquettes de lignite, veillez a avoir un bon lit de charbon de bois.
int. Pour allumez le poèle, suivez les instructions dans le paragraphe « Allumage »
Boulets d'anthracite
Les anthracites sont répartis dans différentes catégories d'après leurs caractéristiques, déterminées dans certains cas par la réglementation, telles que le pourcentage de matières volatiles. La teneur en cendres de l'anthracite se situe entre 3% et 13% .
Le plus la teneur en cendres est faible, plus la puissance Le calorifique est élevée et moins il sera nécessaire de décendre le poèle.
Allumage
Vous pouvez vérifier le tirage de la cheminée en allumant une boule de papier au-dessus du déflecteur du poèle. Si la cheminée est froide, le tirage dans le conduit de cheminée est souvent insuffisant et la fumée peut se repandre dans la piece. Procedez comme suit pour allumer le poèle afin de prévenir le risque d'enfumage de la piece.
- Empilez deux couches de buches de taille moyenne l'une sur l'autre en les croisant.
- Empilez sur les bùches deux couches de bois lumage l'une sur l'autre en les croisant.
- Posez un allume-feu dans la couche inférieure de bois d'allumage et allumez-le en suivant les instructions sur son emballage.

- Fermez la porte du poèle et ouvrez l'arrivée d'air primaire et l'arrivée d'air secondaire du poèle ; voi l'illustration suivante.
- Laissez brûler le feu d'allumage jusqu'à ce qu'il yait un lit de braises ardentes. Vous pouvez ensuitemettre un peu plus de combustible et régler lepoèle, voir le paragraphe « La combustion au bois »


$$ \begin{array}{l} \bullet = \text {F e r m e} \ \circ = \text {O u v e r t} \ \end{array} $$
La combustion au bois
Utilisation des registres d'air
L'appareil est doté de deux registres d'air. Le registre d'air primaire se trouve sur le dessous, dans la porte, et permet de régler l'air sous la grille. Le registre d'air seconde se trouve au-dessus de la porte et régule l'air pour la vitre (systeme air-wash).
Il est possible de manipuler le registre d'air avec la3. main froide. La forme de la main froide dépend du modele de l'appareil.
Pour ce qui est de la position ouverte et fermée du registre d'air, voir les images suivantes.
Pourès avoir suivi les instructions pour faire un feu d'allicelle image :
Ouvrez lentement la porte de l'appareil.
r
Étalez uniformément le lit de braises dans le fond du foyer.
Empilez quelques bùches sur le lit de charbon de bois.

Empilage non serre

Quand le bois est empilé non serré, il brûlera vite d'ait que l'oxygène pourra atteindre facilement chaque bùche. Un empilage de cette façon est recommendés si vous souhaitez chauffer pendant une période courte.
Empilage serre

Quand le bois est empilé serré, il brûlera plus lentement du fait que l'oxygène ne pourrait atteindre que quelques bùches. Un empilage serré est recommendé si vous souhaitez chauffer pendant une longue période.
-
Fermez la porte de l'appareil.
-
Fermez l'arrivée d'air primaire et laissez l'arrivée d'air secondaire ouverte.

Remplissez au maximum un tiers du volume total du corps de chauffe.
Allumer un feu avec des briquettes de lignite
Les briquettes de lignite brûlent presque de la même manière que le bois. Veillez à une alimentation en air suffisante sous le feu en utilisant l'admission d'air primaire. Voir également le paragraphe « Combustion au bois »
La combustion de briquettes de lignite produit beaucoup de cendres. Il faut donc eliminer régulièrement les cendres excédantaires. Voir le chapitre « Decendrage » pour consulter les instructions.

Pour connaître les caractéristiques et la maniere d'utiliser les briquettes de lignite : consultez votre fournisseur de briquettes de lignite ou lisez l'emballage des briquettes de lignite.
Après avoir suivi les instructions d'allumage :
- Ouvrez lentement la porte de l'appareil.
- Étalez uniformément le lit de braises dans le fond du foyer.
- Placez les briquettes de lignite sur le lit de braises
- Fermez la porte.
Allumer un feu avec de l'anthracite
Utilisez une corbeille pour conserver l'anthracite ; voir image suivante. Le manchon est disponible en option.


Fermez toujours le registre d'air secondaire lorsque vous allumez un feu avec des boulet d'anthracite.
Réglage de l'air de combustion
Ouvrez la grille de chauffage en tirant la tigeLepoèle est doté de différents dispositifs pour régler tisonnage vers l'avant. l'air.
Après avoir suivi les instructions d'allumage :
- Ouvrez complètement le registre d'air primaire.
- Ouvrez lentement la porte de l'appareil.
- Étalez uniformément le lit de braises dans le fond du foyer.
-
Étalez le contenu d'une pelle de boulets sur le de braises et attendez que les boulets soient rouges avant d'ajouter une dose supplémentaire.
-
Ajoutez lieutenant plus de boulets.
Attention de ne pasétouffer le feu en ajoutant une dose trop importante de boulets d'un seul coup.
La quantité maximale a été atteinte lorsque la quantité précédente de boulets ardents est tout juste visible.
-
Fermez la porte.
-
Laissez le charbon brûler pendant 20 à 30 minutes et reglez l'apport d'air avec le registre d'air primaire.
-
Utilisez la tige de tisonnage pour secouer la grille jusqu'à ce que des charbons luiants tombent dans le cendrier.
-
Ouvrez complètement le registre d'air primaire.
-
Ajoutez de nouveau du charbon jusqu'à la quantité maximale.
Assurez-vous que la grille soit ouverte après avoir tiré la tige de tisonnage vers l'avant.
- ÀpRES quelsques minutes, placez le registre d'air pprime maire dans la position désirée.
Si la corbeille ou la grille de tisonnage commencent à rougir, votre feu est trop fort La de tisonnage et/ou la corbeille risquent de se déformer.
Ne laissez jamais le feu brûler avec la portedu poële ouverte.
Faites régulierement un feu intensif dans le poèle.
Lorsque l'on brule du bois pendant une longue période à faible régime, il peut se former dans la cheminée des dépôts de goudron et de créosote. Le goudron et la créosote sont extrémement inflammables. Quand ces dépôts deviennent trop importants, une augmentation subite de la température de la cheminée peut provoquer un feu dans le conduit de cheminée. C'est pourquoit il est recommendé de faire régulierement un feu bien vif, afin de faire disparaître ces dépôts eventuels de goudron et créosote.
En outre, en cas de feu trop faible, du goudron peut se déposer sur la vitre et la porte du poèle. En cas de température extérieure douce, il est préféable de faire un bon feu vif pendant quelques heures,只不过 que de faire fonctionner le poèle avec un feu faible pendant une longue période.
Réde
glez l'admission d'air avec l'arrivée d'air seconde.
i
L'arrivée d'air secondaire oxygène non seulement le feu, mais « balaye » aussi la vitre ce qui prévient son encrassement prematuré.
Ouvrez temporairement l'arrivee d'air primaire si l'admission d'air par l'arrivee d'air secondaire est insuffisante ou si vous souhaitez raviver le feu.
- Remplir régulierement avec une petite quantité de buches de bois est moins que de remplir avec une grossse quantité de buches d'un coup.
Il est préféable d'ajouter une petite quantité de quettes de lignite ou de boulets d'anthracite à la fois,只不过 que d'enmettre une grande quantité d'un seul coup.

Extinction du foyer
N'ajoutez plus de combustible et laissez le foyer s'eteindre de lui-même. Si la puissance du feu est diminuée en réduisant l'alimentation d'air, des gaz toxiques se dégagent. Pour cette raison, laissez tous jours le foyer s'eteindre de lui-même. Surveillance le ti jusqu'à ce qu'il soit totalement étéint. Une fois le fé totalement étéint, vous pouvez fermer tous les registres d'air.

Décendrage
Après la combustion du bois, une quantité de cendres4. Replaces 1'appareil. relativement réduite resté dans l'appareil. Ce lit de
cendres est un excellent isolant pour le fond du foyer et garantit une(Meilleurecombustion.De ce fait, il B
recommandé de laisser une fine couche de cendre le fond du foyer.
Après avoir fait un feu avec des briquettes de ligni des boulets d'anthracite, il reste beaucoup de cendres. Éliminez régulièrement les cendres excédentaires.
- Replacez le bac à cendres et fermez la porte de l'appareil.
Brouillard et brume
Le brouillard et la brume perturbent l'évacuation des gaz de combustion au travers du conduit de chêtinge. La fumée peut être rabattue dans la pierce et doivent très incommodante. S'il n'est pas juste nécessaire de chauffer avec le poèle, il est recommandé de ne pas faire de feu en cas de brume ou brouillard.

Les cendres ne doivent jamais toucher la partie
inférieure de la grille. La grille risque de surchauffer et d'être endommagée.
Résolutionproblèmes
Consulter l'annexe « Tableau de diagnostic » pour la résoudre des problèmes éventuels pendant l'usage du clou-cu-chaque.
Entretien
L'alimentation en air par le fond du foyer ne doit ta tefois pas etre perturbee et il faut prevenir toute aed mulation de cendres derriere la plaque interieure. Il
faut donc éliminer régulierement les cendres excédentaires.
Pour conserver votre apparéil en bon état, suivez les instructions d'entretien représentées dans ce chapitre.
Conduit de cheminée
-
Utilisez la tige de tisonnage pour faire tomber les cendres excédentaires à travers la grille et dans le cendrier.
-
Retirez le bac à cendres en utilisant la main froi dans de nombreux pays, la loi impose le contrôle et fournie et videz le cendrier; voir les deux images entretien par un professionnel des conduits de che-suivantes. minée.

Au début de la salle de chauffe: faites ramone cette convi du cheminée par un spécialiste agree.
- Pendant la saition de chauffe et après une longue période d'inutilisation de la cheminée : faites contrôle les dépôts eventuels de suie dans le conduit de cheminée.
A la fin de la salle de chauffe: bouchez le conduit de cheminée avec du papier journal.

En éliminant régulièrement la cende qui s'accumule éventuellesment derrière les plaques interieures en fonte permet de prolonger leur durée de vie. Si la cende accumulée derrière une plaque en fonte n'est pas retiree, la plaque ne peut refracter la chaleur dans l'environnement et risque de se déformer, voir se fendre.

Ne faites jamais faire fonctionner votre apparéil si les plaques interieures refractaires ne sont pas montées.
Nettoyage et autre entretien régulier

Ne nettoyez pas votre poèle si celui-ci est encore chaud.
Nettoyez l'extérieur du poèle avec un chiffon sec non pelucheux.
À la fin de la salle de chauffe, vous pouvez nettoyer l'intérieur de l'appareil comme suit : 2. S
Déposez tout d'abord éventuelles le plaques interieures réfractaires. Voir le chapitre « Installation » pour consulter les instructions concernant la dépose et le remontage des plaques interieures.
Nettoyez eventuèlement les canaux d'alimentation en air.
Déposez le déflecteur qui se trouve au-dessus de l'appareil et nettoyez-le.
Le clapet et le déflecteur sont démontables. Pour démonter le déflecteur, vous devez d'abordsterolir le et clapet et sa tige.
- Ouvrez la porte de l'appareil.
- Soulevez légèrement le clapet fermé et faites le glisser au-dessus du déflecteur, afin que les deux soient libérés.
- Retirez le clapet et la tige de l'appareil.
- Devissez le support de piece en desserrant l'écrou M8. Le support de piece se trouve au centre, contre la plaque supérieure de l'appareil.
- Soulevez l'avant du déflecteur, tirez-le verse l'avant, puis retirez le déflecteur de l'appareil.
Contrôle des plaques interieures refractaires
Les plaques interieures réfractaires sont des pieces sujettes à l'usure. Les plaques interieures en vermiculite sont fragiles. Ne heures pas les plaques in rieures avec les buches. Contrôlez régulièrement les plaques interieures et remplacez-les si nécessaire.
Voir le chapitre « Installation » pour consulter les instructions concernant la dépose et le remontage des plaques interieures.

Les plaques interieures isolantes en vermiculite ou en chamotte peuvent presenter desdraquelures. Ces dernières ne nuisent cependant pas au bon fonctionnement des plaques.
Nettoyage du verre
Une surface en verre propre retient moins facilement à poussière. Procedez comme suit :
Éliminez la poussière et la suite avec un chiffon sec.
Nettoyez le verre avec un nettoyant pour vitres de poèle :
a. Appliquez du nettoyant pour vitres de poèle sur une éponge, répartissez-le sur toute la surface en verre et laissez agir.
b. Éliminez ensuite les saletés avec un chiffon humide ou de l'essuie-tout.

-
Nettoyez une nouvelle fois la surface en verre suivante.
avec un produit ordinaire de nettoyage du verre. -
Nettoyez la surface en verre en la frottant avec un chiffon sec ou de l'essuie-tout.
N'utilisez jamais de produits abrasifs ou mordants pour nettoyer la surface en verre.
- Portez des gants de nettoyage pour protégger vos mains.
Si la vitre du poèle est brisée ou fendue, il faut la replacer avant d'utiliser à nouveau l'ap-pareil.
Veillez à ce que le nettoyant pour vitres de poèle ne s'infiltré pas entre le verre et la porte en fonte.
Graissage
Bien que la fonte soit un métal autolubrifiant, vous nevez régulièrementGRAisser les pieces mobiles.
Graisses les pièces mobiles (telles que systèmes de guidage, charnières, verrous et réglettes d'air), avec de laGRAISSINInflammabledisponible dans commerce spécialisé.

1e Ouvrez la porte de l'appareil; le montant charnière est à présent visible et accessible.
Réparation de la couche de finition Desserfrez legerement les deux vis de fixation du montant chamiere. Les vis de fixation se trouvent Les petits dommages de la laque peuvent etre réparés à l'intérieur du foyer. avec un aerosol de laque spéciale résistant à la cha- Faites glisser le montant chamiere dans la posi- leur et disponible apres de votre fournisseur. tion sousbaitee
Contrôle de l'étanchéité
Vérifiez que le cordon d'étanchéité ferme hermetiquement la porte. Le cordon d'étanchéité s'use et doit être remplace à temps.
tant charniere dans la largeur de l'appareil. 5. Serrez les deux vis de fixation et controlez la fermeture de la porte.
Dépistez les fuites d'air eventuelles de l'appareil. Mastiquez les interstices eventuels avec du kit pour poèle.
Avant d'allumer le poèle, laissez bien secher le kit qui autrement gonflera à cause de l'humidité qu'il contient, provoquant une nouvelle fuite d'air.
Ajustage de la porte
Vérifiez que la porte ferme correctement, et, si nécessaire, ajustez le montantARNière; voir image

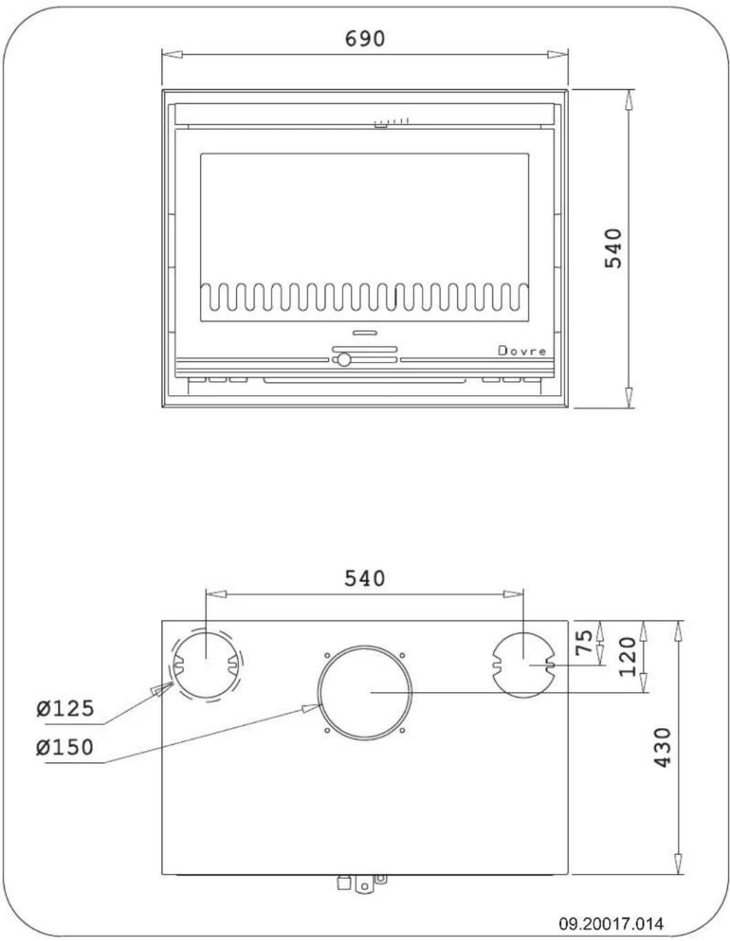
Annexe 1: Caractéristiques techniques
Modèle 2200 / 2210 / 2220 / 2020
| Modèle 2200 2210 2220 2020 | ||||
| Puisance nominale 8 kW 8 kW 8 kW | 7 kW | |||
| Raccordement au conduit de cheminée (diamètre) | 150 mm 150 | mm 150 | mm 150 | mm |
| Poids | 140 kg | 175 kg | 150 kg | 130 kg |
| Combustible recommends | Bois | Bois | Bois | Bois |
| Caracteristique combustible, longueur max. bois | 50 cm | 50 cm | 50 cm | 40 cm |
| Branchement électrique | 230 V, 50 Hz, 0,5 A | |||
| Combustible | Bois | Briquettes de lignite | Boulets d'anthracite |
| Débit massique de gaz de fumée | 7,7 g/s | 8,9 g/s | 7,8 g/s |
| Augmentation de la température mesurée à la section de mesure | 295 K | 289 K | 272 K |
| Température mesurée à la sortie d'évaluation de l'appareil | 340 °C | - | - |
| Tirage minimum | 14 Pa | 14 Pa | 14 Pa |
| Émission CO (13 %) | 0,10 % | 0,06 % | 0,04 % |
| Émission NOx (13 %) | 106 mg/Nm3 | - | - |
| Émission CnHm (13 %) | 51 mg/Nm3 | - | - |
| Émission de poussières | 31 mg/Nm3 | - | - |
| Rendement | 78,3 % | 75,4 % | 76,4 % |
Modèle 2500 / 2510 / 2520 / 2620
| Modèle 2500 2510 2520 2620 | ||||
| Puisance nominale 10 kW 10 kW 10 | kW 10 kW | |||
| Raccordement au conduit de cheminée(diamètre) | 150 mm 150 | mm 150 mm | 50 mm | |
| Poids | 150 kg | 180 kg | 160 kg | 160 kg |
| Combustible recommends | Bois | Bois | Bois | Bois |
| Caracteristique combustible, longueur max. bois | 50 cm | 50 cm | 50 cm | 50 cm |
| Branchement électrique | 230 V, 50 Hz, 0,5 A | |||
| Combustible | Bois | Briquettes de lignite | Boulets d'anthracite |
| Débit massique de gaz de fumée | 9,2 g/s | 9,7 g/s | 8,1 g/s |
| Augmentation de la température mesurée à la section de mesure | 264 K | 318 K | 314 K |
| Température mesurée à la sortie d'évaluation de l'appareil | 320 °C | - | - |
| Tirage minimum | 14 Pa | 14 Pa | 14 Pa |
| Émission CO (13 %)D | 0,10 % | 0,09 % | 0,05 % |
| Émission NOx (13 %)D | 52 mg/Nm3 | - | - |
| Émission CnHm (13 %)D | 21 mg/Nm3 | - | - |
| Émission de poussières | 16 mg/Nm3 | - | - |
| Rendement | 80,0 % | 76,4 % | 79,0 % |
Annexe 2: Schémas de raccordement
Voici la signification des indications apparaissant dans les schémas:
T1 interrupteur thermoelectrique
V1 ventilateur
V2 ventilateur
L1 lampe
R1 resistance
S1 2-regulateur
Modèle 2020

Modèle 2220, modèle 2520 et modèle 2620

Modèle 2210 et modèle 2510


Les modèles 2200 et 2500 sont équipés d'un régulateur à deux niveaux permettant de ré-il n'y a pas de fonction thermostat.
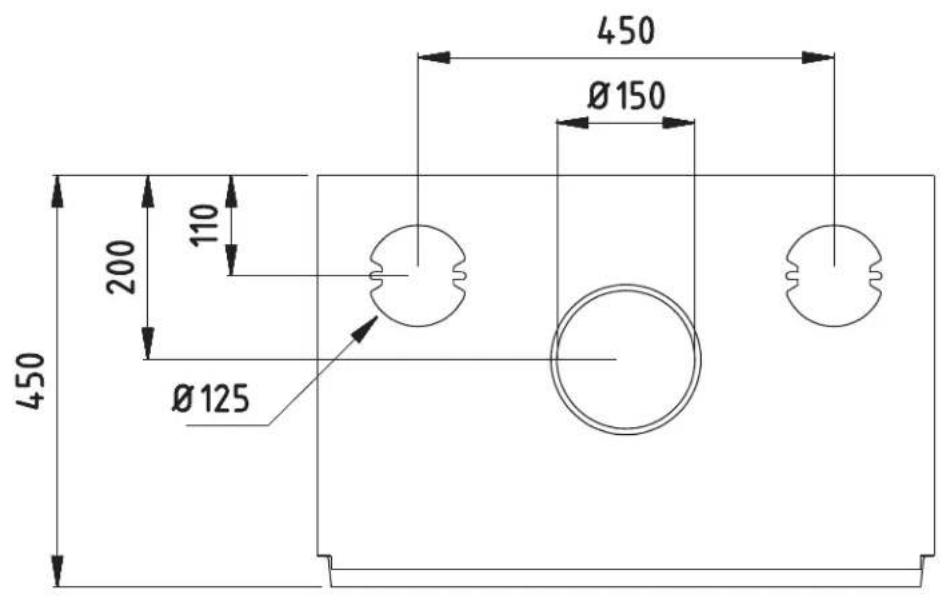
Annexe 3: Dimensions
2020

2200


09.20017.043
2210

2220

2500

2510

2520

2520BS

2620SC

Annexe 4: Distance d'éloignement avec des matériaux combustibles
Espace de ventilation minimum hors de la plage de rayonnement

Dimensions en centimètres du hourdis ignifugé


Dimensions minimaales hourdis ignifuge
$$ \begin{array}{l} V > H + 3 0 > 6 0 \ S > H + 2 0 > 4 0 \ \end{array} $$
Annexe 5: Tableau de diagnostic
| Problème | |||||
| ● | Le bois ne continue pas de brûler | ||||
| ● | Dégage une chaleur insuffisante | ||||
| ● | Retour de fumée lors du replissage du poële | ||||
| ● | Le feu est trop vif, impossible de bien régler le poële | ||||
| Dépôt sur la vitre | |||||
| cause possible solution | éventuelle | ||||
| ● | ● | ● | Tirage insuffisant | Une cheminée froide présente au tirage insuffisant. Pour allumer un feu, suivez les instructions données au chapitre « Utilisation »; ouvrez une fenêtre. | |
| ● | ● | ● | ● Le bois est trop humide Utilisez du bois à 20% d'humidité maximum. | ||
| ● | ● | ● | ● Dimensions du boistrop importantes | Utilisé du petit bois pour allumer votre feu. Utilisez des souches de boissfendues d'une circonférence maximale de 30 cm. | |
| ● | ● | ● | ● | Le bois est mal emplé | Posez le bois en veillant à ce que suffisamment d'air puisse passer entre les bùches (empilage non serré, voir « La combustion au bois »). |
| ● | ● | ● | ● Mauvais fonctionnement de la cheminé | Vérifièze que la cheminée satisfait aux conditions suivantes: 4 mètres de haut minimum, diamètre approprié, isolation correcte, intéérieur du conduit lisse, sans trop de coudes, aucune obstruction (nid d'oi-seaux, dépôt de suie important), hermétique (sans interstices). | |
| ● | ● | ● | ● Sortie de la cheminée inadéquate | Doit être suffisamment haute au-dessus du toit, dans une zone déga-gée. | |
| ● | ● | ● | ● | Réglage inadéquat des alimentations d'air | Ouvrez entièrement les alimentations d'air. |
| ● | ● | ● | ● Raccordement inadéquat du poële au conduit de cheminée | Le raccordement doit être hermétique. | |
| ● | ● | ● | ● Dépression dans la pièce où le poële installé | est Désactivez les systèmes d'aspiration. | |
| ● | ● | ● | ● Alimentation insuffisante en air frais | Prévoyez une alimentation en air frais suffisante, utilisez sinéces-saire un raccordement d'air extérieur. | |
| ● | ● | ● | ● Conditions météorologiques défavorables? Inversion (flux d'air inversé dans la cheminée du fait d'une température extérieure élevée), fortes rafalesde vent | En casd'inversion du fluxd'air, l'utilisation de l'appareil est déconseilé. Posez si nécessaire une hotte aspirante sur la cheminée. | |
| ● | Courant d'air dans la pièce | Évitez les courants d'air dans la pièce, évitez de poser le poële à proximé d'une porte ou de gaines d'air de chauffage. | |||
| ● | Les flammes touchent la vitre | Veillezà ce que le bois ne se trouve pas trop près de la vitre. Fermez un peu plus'arrivée d'air primaire. | |||
| ● | De l'air s'échappe du poële Vérifiezles | fermetures de la porte et les joints de l'appareil. | |||
Index
A
Aération du feu.21
Ajout
boulets d'anthracite.22
briquettes de lignite.22
Ajout de combustible.22..
Alimentation en air extérieur raccordement.15
Allumage .18 Arrivee d'air primaire.19.. Arrivee d'air secondaire 19
Arrivées d'air..19 Augmentation de la températe section de mesure 2
Avertissement
aération 9 conditions d'assurances 9 consignes 9 départ de feu dans conduit de cheminée 9 départ de feu dans le conduit de cheminée 21 feu dans le conduit de fumée 18
matériaux inflammables 9 nettoyant pour vitres de poèle 24
plaques interieures refractaires 17
surface brûlante 9
ventilation 10
vitre brisée ou fendue 9,24
B
Bac à cendres ouverture 22
Bois 18
conservation 18
essence adaptee 18
mouille .18.
ne brule pas 40
sechage 18
Bois d'allumage 40
Bois de conifères 18
Bois mouillé 18
Bord decoratif monter 16
Bouletsd'anthracite. 183
Briquettes de lignite. 184
Brouillard, ne pas faire de feu
Brume, ne pas faire de feu 22
C
Cadre monter 16
Chaleur,insuffisante 22,40
Charbons teneur en cendres 18
Charniere
ajuster 24
Cheminée conditions 10 diametre de raccordement. 25-26
Clapet monter 23
Combustible adaptable 18
ajout 22
anthracite 18
bois 18
bouletsd'anthracite.18.
briquettes de lignite 18
inadapté 18
lignite 18
quantité nécessaire.22
reemplissage 22
Combustible adapté 18
Combustible inadapté 18.
Combustion 19
ajout de combustible 20
anthracite 20
briquettes de lignite 20. chaleur insuffisante. 22,40
feu trop vif. 40
impossible de bien régler le poèle. 40
replissage du combustible. 19
replissage en combustible. 22
Conditions meteorologiques, ne pas faire de feu 22
Conduit de cheminée
entretien 22
raccordement .15
Convection espaces externes. 12, 15 soutirage 12, 15
Cordon d'étanchéité de la porte 24
Couche de finition, entretien 24
Creosote 21


D
Décendrage 22 lignite 20
Déflecteur monter .23
Dimensions 30
Émission de poussières. 25-26
E
Empilage desbuches 20
Entretien conduit de cheminée 22.
étanchéité .24.
graissage .24.
nettoyage du poèle .23.
nettoyage du verre .23.
plaques interieures refractaires.. 23
Ergot de blocage espace de convection 15
Espace de convection ergot de blocage 15
Eteindre le foyer 22
F
Feu allumage 18
Feudallumage 18
Finition cadre decoratif. 16
Fonte
plaques interieures 13
réfractaire 13
Force portative du sol.11.
Foyer extinction 22
Fuite d'air. 24
Fumée lors de la première utilisation 17
G
Gaz de fumée
débit massique 25-26
température 5,7
Goudron 21
Graissage 24
Graisse pour graissage 24
Grille de ventilation. 10
H
Hauteur de remplissage du poèle 20
1
Interstices dans l'appareil 24
L
Laque 17
Lignite
cendre 20
combustion 20
M
Matériau combustible remplissage 20
Matéraux combustibles distance entre 39
Mise en place dimensions 30
Mitre de cheminée 10
Mitre sur la cheminée..10.
Murs
s.ecuiteré incendie. 11
N
Nettoyage poèle 23
verre 23
nettoyant pour vitres de poèle 23
0
Ouvrir bac a cendres 22
P
Plaques intérieures enfonte 13
Plaques interieures refractaires
avertissement 17
entretien 23
Poids 25-26
Porte
ajuster 24
cordon d'étanchéité 24
fermeture 24
modifier le sens d'ouverture.12
Prévention d'un départ de feu dans le conduit de cheminée.21
Problèmes eventuels 22
Puissance nominale.22.25-26.
R
Raccordement
dimensions 30
Ramonage du conduit de cheminée.22....
Réglage de l'air 21
Réglage de l'air de combustion.21
Réglage de l'arrivée d'air 21
Remplissage en combustible. 22
Remplissage en matériel combustible
retour de fumée 40
Rendement 5,7,25-26
Résolution de problèmes 40
Retirer
cendres 22
Retirer les cendres 22
Retour de fumée 9,40
s
Sechage du bois.18
Sécurité incendie
distance entre le poèle et les matériaux combustibles 39
meubles 11
murs 11
sol 11
Sens d'ouverture
modifier 12
Sols
force portative 11
sécurité incendie 11
Soutirage
chaleur de convection 12, 15
stockage du bois. 18
T
Tapis 11
Température 25-26
Tirage 25-26
U
Utilisation continue. 12
V
Ventilateur
électrique 12
thermostatique 12
Ventilation 10
reglede base 10
Verre
dépôt 40
nettoyage 23
Vitres
depôt 40
nettoyage 23
Inhaltsverzeichnis
Einleitung 3
Emission de particules 25-26
Encendido 18-19
Notice Facile