DNX1700 - Table de mixage DENON - Notice d'utilisation et mode d'emploi gratuit
Retrouvez gratuitement la notice de l'appareil DNX1700 DENON au format PDF.
| Caractéristique | Détails |
|---|---|
| Type de produit | Table de mixage |
| Nombre de canaux | 4 canaux |
| Entrées audio | 2 entrées phono, 2 entrées ligne, 1 entrée microphone |
| Sorties audio | Sortie principale, sortie casque, sortie enregistrement |
| Égaliseur | 3 bandes (grave, médium, aigu) par canal |
| Effets intégrés | Effets numériques avec contrôle de profondeur |
| Connectivité | USB, MIDI, RCA, XLR |
| Alimentation | Alimentation externe, 100-240V |
| Dimensions | Dimensions compactes pour un transport facile |
| Peso | Poids léger pour une utilisation mobile |
| Maintenance | Nettoyage régulier des faders et boutons, vérification des connexions |
| Sécurité | Utiliser dans un environnement sec, éviter les chocs électriques |
| Informations générales | Idéal pour DJ, événements live, et enregistrement studio |
FOIRE AUX QUESTIONS - DNX1700 DENON
Questions des utilisateurs sur DNX1700 DENON
0 question sur cet appareil. Repondez a celles que vous connaissez ou posez la votre.
Poser une nouvelle question sur cet appareil
Téléchargez la notice de votre Table de mixage au format PDF gratuitement ! Retrouvez votre notice DNX1700 - DENON et reprennez votre appareil électronique en main. Sur cette page sont publiés tous les documents nécessaires à l'utilisation de votre appareil DNX1700 de la marque DENON.
MODE D'EMPLOI DNX1700 DENON
Manuel de l'Utilisateur



Cet appelé numérique de la classe R est conforme à la norme NMB-003 du Canada.
Le ventilation ne doit pas être géné de reconnuant les ouvertures de la ventilation avec des espaces tirés que journés, directes de la verification ave. des objets (les que journex, nederux, tissus, etc. - Ascuns fi lamme nu, par exemple une boujo, ro doit etre clope sur (sucurel). Veillez a respecter les icle en vigueur lorsque vous etez les ples eegos. Lappareire do paa eae exoase a eau o aurnisie. - Ne pas coer d'objet contener du liquide, par exemple un vase.
Nous déclarons sous notre seule responsabilité que l'appel, auquel se réfère cette déclaration, est conforme aux standards suivants: ENF8068, ENF55013, ENF55020, ENF6100.3.2 et: ENF100.3.3. ENF55022, ENF55024 US3 comme plus de rationnement. D'après les dispositions de la Directive 2XXX/65/EC et 2001/108/EC.
Les matériaux d'emballage de ce produit sont recyclables et très réutilisés. Veuillez déspatch des matériaux conformément aux lois sur la recyclage en vigueur.
Lorsque vous mettez cet appareil au rebut, respectez les lois ou réglementations en vigueur
Les piles ne doivent jamais être jetées ou incinérées, mais mises au rebut conformément aux lois en vigueur sur la mise au rebut des piles.
Ce produit et les accessoires inclus, à l'exception des piles, sont des produits conformes à la directive DEEE.
Pour déconnecter complètement ce produit du courant secteur, débranchez la prise de la prise murale. La prise secteur est utilisée pour couper complètement l'alimentation de l'appareil et l'utilisateur doit pouvoir y accéder facilement.
| Installation | 1 |
| Principales Characteristiques | 2 |
| Nomenclature et fonctions | 3 |
| Panneau supérieur | 3 |
| Panneau arriere | 5 |
| Atti chage | 6 |
Connexions
| Préparatifs | 7 |
| Câties utilisés pour les connexions | 7 |
Opérations de base
| Préparatifs | 8 |
| MIC (entree de microphone) | 8 |
| Fonction Ducking | 8 |
| MONITOR (sortie casque d'écoute) | 8 |
Fonction d'effeteur
| Fonction BeatBreaker | 9 |
| Écran d'effecteur | 10 |
| Opérations d'effecteur | 10 |
| Sélectionner les unités d'effecteur et les canaux | 10 |
| Régler le BPM | 10 |
| Régier le batternol | 11 |
| Sélectionner les effets | 11 |
| Activer et désactiver les effets | 11 |
Démarrage du fader
| Démarriage du Fader de Canal | 11 |
| Démarriage du Crossfader | 11 |
| FADER (regler la courbe de fader) | 12 |
| Pour ajuster le couple de glissement du crossfader | 12 |
Réglages USB
| Sélectionner le mode USB | 13 |
| Audio USB | 13 |
| Régier la sortie audio USB | 13 |
| Régier l'entrée audio USB | 13 |
| MIDI | 14 |
| Régier les canaux MIDI | 14 |
| Régier l'horloge MIDI | 14 |
| Opérations de couche MIDI | 14 |
| Opérations de Utility | 17 |
| Mode Owner Setting | 18 |
| Exportation des présections | 18 |
| Rappel des présections | 18 |
| Importation des présections | 18 |
Spécifications 19
| Schéma du système | 20 |
Installation
Lorsque le DN-X1700 est monté à l’intérieur d’un coffret ou d’une cabine de DJ, nous vous conseillons dans la mesure du possible de laisser un espace vide de 20 mm (Pied 2,5 mm) au-dessus du mixer.

Principales caractéristiques
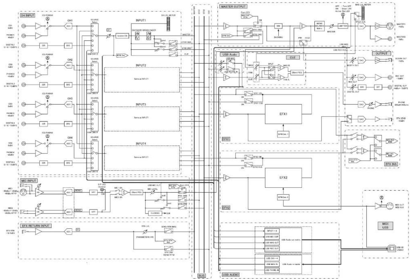
La configuration de base de cet appareil comprend 4 entrées CD et PHONO, 4 entrées numériques, 2 entrées de microphone, 2 sorties. Master, 1 sortie Booth, 1 sortie REC et 1 sortie numérique : 1 entrée/ sortie d'effet et 4 systèmes entrées/sorties audio USB sont aussi fournis.
Cet appareil est également un mélangeur entièrement numérique DJ prenant en charge la conversion numérique-analogique 96 kHz/32 bits et doté de fonctions d'interface MIDI et USB MIDI pour sorte à prise.
- Conception orientée pour un rendu sonore de qualité supérieure
- L'appleire est équés d'un processeur de signal numérique (DSP) flottant 96 kHz/32 bits et d'un convertisseur numérique-analogique (DAC) 32 bits (sorte Master). Il enroule une qualité sonore fidèle aux sources originées, d'un degree de précision très élevé. L'appareil est doté d'un amplificateur de microphone à transistor independant et à faible bruit d'entree de 127 dB, ainsi qu'un amplificateur phono TEC independant a rapport de signal/bruit de 89 dB. Le transformateur du puissance analogue employe est un transformateur R-core à faible brut. Des condensateurs electrolytiques à grande capacité adaptés au DENON DJ sont utilisés dans l'unité d'alimentation. Nous avons aussi adopté pour l'unité de traitement du signal audio, des condensateurs à film concès pour rehauser la qualité sonore, et des résistances à couche métallique de haute precision. Il en résultat une qualité sonore incroyablement élevée.
- Facilité d'utilisation et conception d'une grande fiabilité parfaitement adaptée à l'usage professionnel
Grand écran couleur LCD 3,5 pouces - Sélecteurs de source Matrix permanent à l'utilisateur de selectionner l'une ou l'autre des 6 sources d'entrée - Faders de canal de 60 mm de long en plastique conducteur longue durée, garantis pour 300 000 opérations - La force du glissement du crossfader peut être régie afin d'obtenir la sensation soucaitée. - Des égalisseurs isolateurs sont intégrés à chacun des canaux d'entrée. Il est aussi possible de personneliser les fréquences de point de croissement des barres, à l'aide de préféctions. L'amplicateur de casque d'écoute est entrainé par transistor independant à configuration symétrique. La grande puissance de sortie de 400mW40 ohms permet d'effectuer le contrôle du son dans tout type d'environnement.
- Effet double
L'appareil est doté de 2 effecteurs indépendants liés au nombre de battements régis en synchronisation avec le nombre de battements par minute (BPM) des compositions musicales. Outre le tout nouveau BeatBreaker, nous avons intégré 11 effecteurs différents au total, dont ceux de retard, d'écho, de réverbération, de boucle, de flanger, de déchireur et de changement de tonalité. - La configuration d'envoi d'effet rend possible l'envoi simultané de plusieurs signaux de canal d'entrée vers l'effecteur. Cela permet des présentations basées sur des groupes d'effets par système A ou B, par exemple. 4. Interfaces audio USB et MIDI - Fonction d'entrée/sortie audio USB 96 kHz à 8 canaux (4 canaux stéréo) - Lecteur ASIO à faible latence compris dans l'emballage - Fonction de commutateur d'attribution USB permettant au système de permuter entre les entrées audio USB à l'aide d'une seule touche - Une fonction de couche MIDI est aussi disponible pour contrôler le logiciel DJ sur un canal, pour chacun des canaux. La sortie MIDI est activée pour presque toutes les autres opérations impliquant les commandes de panneau. - Les prises de sortie MIDI DIN à 5 broches prennent en charge la synchronisation avec les appareils externes.
- Autres caractéristiques
La fonction d'importation/exportation de présélections permet d'apporter avec soi des données prédéfinies enregistrées sur une mémoire USB ou autres périphériques similaires. Cela réduit le temps nécessaire aux préparatifs. - Fonction de Ducking pour atténuer le son ambiant sur l'entrée de microphone - Fonctions fader de canal et démarrage de crossfader
Nomenclature et fonctions
Pour plus de détails sur les fonctions et autres aspects des composants de l'appareil, reportez-vous aux numéros de page indiqués entre parenthèses.

Commande MASTER LEVEL
Règle le niveau des sorties MASTER. Le voyant LIMITER indique l'état de fonctionnement ou limiteur de sortie master.
Limiteur désactivé: le voyant est éteint
- Limiteur activé : le moyen est allumme en vert.
- Pendant le fonctionnement du limitateur : le moyen est allumé en rouge.
2 Touches master EFX INS 1, 2
Ces touches permettent d'obtenir les divers effets du côté sélectionné, soit EFX 1 ou EFX 2, pour les signaux de sortie Master.
Commande BOOTH LEVEL
Règle le niveau des sorties Booth
4 Touche USB ASSIGN CH/master
Sert à permuter la destination d'attribution des signaux d'entrée audio USB émis par l'ordinateur.
Les signaux sont attribués aux canaux (1 à 4).
Les signaux sont attribués au bus Master et au bus de contrôle.
5 Touche MIDI CLOCK start/stop
Permet à l'horloge MIDI correspondant à la valeur BPM d'être envoyée des prises de sortie MIDI et USB MIDI à un ordinateur (logiciel) ou à un périphérique externe.
(envoi de l'horpe MID) est démarré.
L'envoi de l'octet MID est arrêté.
6 Touche utility/-usb a/usb b
Permet de régir les présélections, et de régir, modifier ou référer les informations système. Lorsqu'elle est maintenue enfoncée pendant plus d'une seconde, l'écran de permutation en mode USB s'ouvre, et vous pouvez sélectionner le mode de périphérique USB ou le mode d'hôte USB.
7 Touches BEAT
Le battement/tempos diminue.
Le battement/tempos augmente.
8 Touche TAP lock/auto/input BPM
Lorsque vous appuyez plusieurs fois sur cette touche, la valeur BPM (battements par minute) est mesurée selon l'intervalle entre les pressions.
Lorsque vous appuyez sur la touche une fois en mode BPM automatique, la valeur BPM mesurée automatique est vérifiée.
AUTO BPM :
Lorsque vous maintenez la touche enfoncée pendant une seconde, le mode BPM automatique s'active et la valeur BPM mesurée s'affiche.
INPUT BPM :
Itouche anfondecendant deux secondes ou plus, e moded'entre BPM s'active et vous pouvez saisir directement la valeur BPM à l'aide des touches
BEAT Lorsque vous appuyez de nouveau, le mode se désactive
9 Touche time/back
Cette touche est à désigner si il faut changer les effets produits à l'aide des touches.
BEAT, en fonction du nombre de battements au du temps.
BACK (côté EFX 2 uniquement)
Sert a revenir a l'écran précédent pendant l'exécution d'opérations sur l'écran de réglage.
10 Touche CUE d'effet
Lorsque cette touche est régée sur ON, le son des effets (tauf celui des effets DELAY, ECHO et REVERB) peut être contrôlé même si l'effect est à l'état de activé.
Commande EFX SELECT
Sert à sélectionner l'effet à utiliser.
Reportez-vous aux fonctions d'effet (page 9).
Touchéde paramètre activ/désactiv
Sert à contrôler les réglages d'activation et de déactivation des paramètres d'effet.
Commande PARAMETER mix/max
Sert à ajuster la fréquence de coupure du filtre, et autres paramètres d'effet. Les paramètres sont modifiés par l'effet sélectionné.
Commande DRY/WET
Utiliser cette fonction afin d'ajuster le rapport du son original et du son avec effets.
Touche d'effet activé/désactivé
- Sert à activer ou désactiver les effets de EFX 1 ou EFX 2.
16 Crossfader
Contrôle du niveau de sortie relatif des Mixes A et B additionnels. Lorsque le fader est positionné à l'extrême gauche, seul le Mix A est audible à partir des Sorties. Lorsque le fader est déplacé vers la droite, le niveau de Mix B augmente et le niveau de Mix A diminue. Lorsque le fader est au centre, des niveaux égaux de Mixes A et B sont transmis aux Sorties. Positionné complètement à droite, seul le Mix B est transmis aux Sorties.
Fader d'entrée de canal (CH FADER)
Contrôle le niveau de l'entrée sélectionnée.
Prise de sortie HEADPHONE
Accepte les prises de casque d'écoute 1/4".
Commande du niveau HEADPHONE
Règle le volume des casques d'écoute
Commande HEADPHONE PAN
Sert à ajuster la balance entre le son CUE et le son Master qui sont contrôlés à l'aide du casque d'écoute.
Touch SPLIT CUE
Il y a deux modes de contrôle par casque d'écoute.
Les signaux Cue et les signaux Master peuvent être contrôlées en stéréo.
Mode SPLIT CUE
Les signaux Cue mono sont audibles par le canal gauche du casque d'écoute, et les signaux Master mono par le canal droit.
Commande CROSSFADER contour
Permet de régler la "forme" de la réponse du Crossfader d'une courbe douce pour de longs fondus, à un pic raide pour des effets de scratch et de coupure.
Commutateur CH FADER START
Celette fonction permet de démarrer la lecture du lecteur CD avec le fader de canal automatiquement activé ou désactivé.
Commutateurs crossfader START
Utiliser pour activer et désactiver la fonction Crossfader Start.
Commande MIC SEND LEVEL
Sert à ajuster le niveau auquel les signaux de microphone sont envoyés à la sortie Master.
7 Touches de microphone EFX INS 1, 2
Ces touches permettent d'ouvrir les divers effets du côté sélectionné, soit EFX 1 ou EFX 2, pour les signaux d'entrée de microphone.
28 Commandes MIC EQ
Profil de la réponse en fréquence de l'entrée Mic de -15 dB à +15 dB.
Utiliser cette fonction afin de commuter la fonction Talk over entre ON et OFF. (ON/OFF est cyclique)
Lorsque le bouton est allumé, le niveau des signaux, à part celui des micros, est atténué.
- Le niveau d'atténuation du docking peut être ajusté en « UTILITY » mode.
30 Commandes MIC1, MIC2 TRIM
Règle niveau de l'entrée de Main Mic.
Touches MIC1.2
Lorsque le témoin de la touche s'allume, les signaux de microphone sont actifs.
3 Sélecteurs d'entrée de ligne cd/phono
Permet de sélectionner en tant que CD ou PHONO l'entrée de ligne de chaque canal.
Entrée de prise LINE1-4 CD du panneau arrière PHONO :
Entree de prise LINE1-4 PHONO du panneau arriere
43 Commandes SOURCE SEL LN1/LN2/LN3/LN4/D1-4/USB (selecteur d'entrée de canal) Permet de sélectionner une ou plusieurs des six entrées, pour chaque canal. La même entrée peut être sélectionnée pour plus d'un canal. Lorsque DIGITAL est sélectionné, le témoin de la touche correspondante s'allume en rouge ; lorsque USB est sélectionné, il s'allume en bleu.

3 Sélecteurs de couche MIDI
Lorsque ces touches sont réglées sur ON, les commandes des canaux sélectionnées fonctionnent en tant que contrôleurs MIDI. De plus, les bagues de commande d'égalisation s'allument en bleu.
Commandes LEVEL d'entrée de canal
Servent à ajuster le niveau des entrées sélectionnées.
Commandes d'égaliser isolateur de canal HI. MID. LOW
Servent à changer la réponse en fréquence des entrées sectionnées.
En position centrale, la réponse en fréquence est plate.
À la position ~, la fréquence de toutes les bandes est coupée complètement.
6 Mesure CH LEVEL
Affiche le niveau d'entrée après le réglage des commandes LLEVEL et Source EO
8 Touches EFX SEND 1,2 de canal
Ces touches permettent d'ouvrir les divers effets du titre sélectionné, soit EFX 1 ou EFX 2, pour les signaux audio de canal. Le même effet (EFX 1 ou 2) peut être sélectionné pour plusieurs canaux.
Le mèton de la touche EFX du côté sélectionné pour chaque canal s'allume.
9 Touches CUE de canal
En appuyant sur une ou l'ensemble des touches CUE, la source respective est transmise au casque d'écoute et aux sections de mesure d'entrée. En appuyant sur plusieurs touches, il est possible de dériver un son mixte à partir des sources sélectionnées.
Le mode SOLO sans signaux mélangés peut aussi être sélectionné en tant que préselection.
4 Commutateur CROSSFADER ASSIGN
La source d'analyse est attribuée à A ou B du crossfader.
Sélectionner cette fonction lorsque vous n’attribuez pas la source du canal au crossféder.
Commande MASTER balance
Permet de régler le contrôle de la courbe de volume du fader de canal.
Indicateur de niveau master l/cue, r/pgm
Un des deux modèles peut être sélectionné pour l'affichage sur cet indicateur.
Split CUE désactivé :
Le niveau audio de la sortie Master s'affiche.
Split CUE active :
Le niveau audio (mono) de CUE Master du canal croit, et le niveau audio (mono) de CUE du canal gauche saff chent.
Sig/pk
Il s'agit de l'indicateur de signal/créte pour le niveau d'entree du microphone.
Désactiver
Pas d'entree de signaux (moins de -60 dB/FSI
Vert
Entrée de signat-60dB/FSa moins de-20dB/FS1
Niveau d'entrée de signal aqueat (-20 dB/FS à moins de -6 dB/FS)
Bouge
Niveau d'entrée de signal trop élevé (plus de -6 dB/FS)
Panneau arrêté

Prises d'entree PHONO 1,2,3,4/CD 1,2,3,4 Ces prises RCA stereo asymétriques servant a connecter des appleirls tels qu'un tourne-disque (RIIAI) avec cassette a aimant mobile ou qu'un lecteur de CD. DIGITAL IN 1,2,3,4 input terminals Servant a connecter les prises de sortie numériques des lecteurs CD et des lecteurs numériques. Prise COXIAL DIGITAL OUT [44,1/48/96 kHz] Cette prise RCA émet des données de sortie numériques. Ces signaux ne sont pas affectés par les régîages du niveau Master. Il est recommendé d'utiliser un cable RCA conçu pour les signaux numériques (75 ohms). (Ces cables sont disponibles dans les magazines du matériel audiovucl.) 4 Prises de sortie LINE 1,2,3,4 FADER Reilier ces prises aux prises d'entrée du Fader des DN-S1200, DN-S3700, etc. à l'aide du mini cordon stéroide de 3,5 mm. Prise USB B Se connecte à un ordinateur pour envoyer et receivevoir des signaux USB MIDI, HID et USB audio. La prise prend en charge la norme USB 2.0 haute villesse.
6 Prise USB a
Un seul dispositif de stockage de masse, soit une mémoire USB ou un disque dur USB, peut être connecté à cette prise.
* Les concentrateurs USB ne sont pas pris en charge.1
La prise prend en charge la norme USB 2.0 haute vitesse.
7 Prise de sortie MIDI
Sortie de connecteur DIN à 5 broches. Se connecte à un appareil compatible MIDI.
8 Prises REC OUT
Il s'agit des prises de sortie d'enregistrement.
9 Prises MASTER OUT (unbalanced)
- Ces deux prises stéréo RCA offrent une sortie de niveau de ligne non balancée.
- Relier ces prises aux prises d'entrée analogue non balancées sur un amplificateur ou une console.
10 Connecteurs MASTER OUT (balanced)
- Ces connecteurs de type XLR offrent une sortie de niveau de ligne balancée.
- Référez-vous connecteurs aux connecteurs d'entrée analogue balancée sur un amplificateur ou une console.
- Disposition des broches: 1. GND, 2. Chaud, 3. Froid
- Connecteur approprié: Cannon XLR-3-32 ou équivalent.
Connecteurs BOOTH OUT (balanced)
Les prises TRS sont des prises de sortie symétriques ; les niveaux de signal s'ajustent à l'aide de la commande BOOTH LEVEL sur le panneau supérieur.
Disposition des broches (TRS):
Conseil: Chaud, Anneau: Froid, Gaine: GND
12 Prises send/3return
- Ces prises mono 1/4" TS permettant un traitement extré du signal du programme. Lorsqu'un processeur d'effets de type monaural est connecté, utiliser l'entrée et la sortie Lch.
SEND (sortie)
Connectez-la à la prise d'entrée sur l'effecteur externe.
RETURN(entreé)
Connectez-la à la prise de sortie sur l'effecteur externe.
14 Prise d'entrée MIC1
Un microphone se connecte à cette prise combo symétrique avec connecteur XLR ou fiche TRS 1/4 po. - Disposition des broches: 1. GND, 2. Chaud, 3. Froid - Connecteur approprié: Cannon XLR-3-32 ou équivalent.
15 Prise d'entrée MIC2
- Accepte un microphone balancé avec des prises 1/4".
Disposition des broches (TRS):
Conseil: Chaud, Anneau: Froid, Gaine: GND
16 Commutateur POWER
Sert à allumer (ou éteindre) l'appareil.

Témoin INT/EXT
Indique l'emplacement de la préselection en cours d'utilisation.
INT: les informations de préselection internes sont utilisées.
EXT: les informations de préémission enregistrées sur un périphérique USB sont utilisées.
Témoin USB a/usb b
Indique le mode USB en cours d'utilisation.
USB A: mode hôte USB
USBB: mode depéripérisque USB
Témoin de verrouillage d'égaliseur
Clignote lorsque les égaliseurs et les fadeurs
sontvergulles.
Témoin MIDI
S'affiche lors de l'exécution de la communication
MIDL
Affichage de navigation
Indique les états actuels lorsque des opérations
ont été exécutées
Connexions
Se référer au schéma des connexions ci-dessous.
- S'assurer que l'alimentation électrique est coupée pendant les connexions.
- Des câbles de qualité dont une différence importante dans la fiabilité et la force de la reproduction. Utiliser des câbles audio de qualité.
- Ne pas utiliser des cables de longueur excessive. S'assurer que les prises et les fiches sont correctement liées. Des connexions lâches peuvent provoquer du bruit, du bourdonnement ou des coupures qui risquent d'endommager vos enceintes.
- Connecter toutes les sources d’entrée stéréo, connecter ensuite tous les effets dans l’effet stéréo, si vous en utilisez. Connecter vos microphones et casques d’écoute moniteur. S’assurer que tous les faders sont placés sur "zero" et que l’appareil est éteint. Veiller à connecter un seul câble à la fois, vérifier les positions L et R des prises sur le DN-X1700 et sur l’équipement externe.
- Connecter les sorties stéréo aux amplificateur(s) et/ou aux platines cassette et/ou aux enregistreurs MD et/ou aux enregistreurs CD.
Remarque
Toujours allumer vos sources d'entrée audio, tels les lecteurs CD, en premier, puis votre mixeur, et en dernier les amplificateurs. Lors de l'extinction, tousiers inverser cette opération en éteignant les amplificateurs, puis votre mixeur et ensuite les dispositifs entrants.
Cables utilisés pour les connexions
Sélectionnez les câbles en fonction de l'équipement à connecter.
Cables audio
Pilote ASIO compris Versions des systèmes d'exploitation compatibles avec le DN-X1700 Windows XP SP2, Vista, Mac OS X 10.4 ou plus récent Notez également, qu'étant donné que les ordinateurs tournant sous un autre système d'exploitation ne sont pas compatibles avec le protocole USB MIDI, vous constaterez peut-être des dysfonctionnements en cas de connexion au DN-X1700 par USB. - Windows est à la fois une marque déposée et une marque de la société Microsoft Incorporated aux États-Unis / ou dans d'autres pays. MAC est à la fois une marque déposée et une marque de la société Apple Incorporated aux États-Unis / ou dans d'autres pays.
Remarque
Mantenez le volume à des niveaux audio raisonnables et évitez une écoute prolongée assourdissante qui peut provoquer une perte temporaire ou permanente de l'ouïe.
Préparatifs
1 Réglez le commutateur POWER sur ON. 2 Utilisez les commandes SOURCE SELECT pour sélectionner les sources (LN1-LN4, D1-D4, USB) des canaux 1 à 4 à utiliser.
Utilisez les sélecteurs d'entrée de ligne CD/PHONO des lignes pour définir CD ou PHONO comme ligne d'entrée.
3 Vérifiez l'indicateur de niveau et ajustez les niveaux d'entrée à l'aide des commandes de niveau d'entrée de canal (commandes LEVEL). 4 Ajustez la qualité sonore à l'aide des commandes d'égaliseur isolateur de canal III, MID et LOW. 5 Specifiez ou les signaux de canal doivent être attribués, à l'aide des commutateurs CROSSFADER ASSIGN (A/THRU/B).
Réglez ces commutateurs sur la position TIRU si vous ne prévoyez pas utiliser le crossfader.
6 Ajustez le niveau du volume à l'aide du fader de canal et du crossfader. 7 Ajustez le niveau de sortie à l'aide de la commande MASTER LEVEL.
MIC (entrée de microphone)
1 Lors de l'utilisation d'un microphone, appuyez sur la touche MIC1 ou MIC2 pour l'activer. 2 Ajustez le niveau du volume MIC1 à l'aide de la commande MIC1 TRIM, et le niveau du volume MIC2 à l'aide de la commande MIC2 TRIM.
Tout en faisant entrer des signaux audio sur l'appareil, observez les voyants sur l'indicateur SIG/PK (signal/peak). Si les voyants s'allument parfois en rouge mais qu'il n'y a pas de distorsion, puis s'allument en amber, vous avez réglé le niveau de manière adéquate.
3 Ajustez la qualité sonore à l'aide des commandes MIC EFX (HI/LOW). 4 Si la touche DUCKING ON/OFF est réglée sur ON, toutes les sorties autres que le son du microphone sont atténuées lors de la réception de signaux par le microphone. Pour ajouter les fonctions d'effet à l'entrée du microphone, régler les touches Mic EFX INS sur ON.
Fonction ducking
Cette fonction sert à détecter l'entrée de microphone et à réduire le niveau des signaux de musique sur la sortie Master. Elle empêche que le son du microphone ne soit couvert par la musique lors de l'utilisation d'un microphone.
Pour activer la fonction Ducking, régalez la touche DUCKING ON/OFF sur ON. Le témoin de la touche s'allume. 2 Le niveau d'atténuation de la sortie Master pendant l'exécution de la fonction Ducking est réglable sur une plage de -30dB + / - 10dB en Utility Mode.
Monitor (sortie casque d'écoute)
1 Sélectionnez la source à contrôler à l'aide des touches CUE des canaux. Lorsqu'une source est sélectionnée, le témoin de la touche CUE s'allume. Le contrôle CUE pour les canaux 1 à 4, ainsi que pour EFX 1 et EFX 2 peut être sélectionné.
2 Sélectionnez le mode STEREO ou SPLIT CUE. Utilisez la touche SPLIT CUE pour sélectionner le mode STEREO ou SPLIT CUE. Lorsque le mode est sélectionné, le témoin de la touche SPLIT CUE s'allume.
En mode SPLIT CUE (mono), les signaux sélectionnés pour le Cue sont émis par le haut-parleur de canal gauche du casque d'écoute, et les signaux Master sont émis par le haut-parleur de canal droit. En mode STEREO, les signaux Master et les signaux sélectionnés pour Cue sont émis en stéréo.
3 Utilisez la commande PAN du casque d'écoute pour ajuster la balance entre les signaux Cue et les signaux de sortie Master. Lorsque la commande est tournée vers la gauche, seuls les signaux Cue sont émis par le casque d'écoute, tandis que lorsqu'elle est tournée vers la droite, seuls les signaux de sortie Master sont émis. 4 Utilisez la commande HEADPHONES LEVEL pour ajuster la sortie du casque d'écoute sur le niveau désiré.
Fonction d'effeteur
L'appel est d'ordre 2 facteurs indépendants lié au nombre de battements réglé en synchronisation avec le nombre de battements par minute (BPM) des compositions musicales. Sa configuration d'envoi d'effet permet aussi d'envoyer plusieurs canaux d'entrée simultanément vers les effecteurs. Cela permettait d'effectuer des présentations basées sur les groupes d'effets des effecteurs A et B, d'ajouter les effets produits par les 2 effecteurs et différents pour l'entrée de canal et la sortie Master, et de présenter une large gamme d'autres effets acoustiques.
Types d'effet et détails d'exécution
| N° Effet Description de l'exécution de l'effet | |
| 1 Delay Ajoute les signaux retardés suivant le temps du réglage de battement. | |
| 2 Echo | Ajoute les signaux d'écho retardés suivant le temps du réglage de battement. |
| 3 Trans | Coupe les signaux suivant le temps du réglage de battement. |
| 4 Flanger | Ajoute les signaux dont le temps de retard varie dans la période LFO du réglage de battement. |
| 5 Filter | Fait varier la fréquence de coupure du fière en fonction du temps du réglage de battement. |
| 6 Phasor | Ajoute les signaux dont la phase varie dans la période LFO du réglage de battement. |
| 7 Reverb | Ajoute les signaux de réverbération retardés suivant le temps du réglage de battement. |
| 8 Loop | Lance le même traitement d'échantillonner de boucles que la fonction LOOP de nos produits DJ. |
| 9 Rev. Loop | Lance le traitement de lecture inverse des signaux de boucle ci-dessus. |
| 10 Pitch Shift | Lance le traitement de changement de tonaité des signaux d'entrée, puis émet le résultat. |
| 11 BeatBreaker | Lance le traitement d'insertion partielle des sons d'avaque des battements, suivant le motif de battement. |
| 12 SEND/RTN | Envoiè les signaux dont les effets ont été sélectionnés vers l'effecteur externe, et revoie les signaux de l'effecteur externe. Il n'est pas possible de selectionner en même temps EFX 1 et EFX 2. |
Pour obtenir des effets normaux, régalez sur la valeur BPM qui correspond au nombre de battements des compositions musicales.

1. Ce que fait l'effetteur beatbreaker
Cet effecteur divise en 16 sections d'un quart de battement à la fois les signaux de musique dans chaque barre obtenue de la valeur BPM, remplace ces sections par un motif de battement prédéfini, puis les lie pour donner un effet où le battement de la composition sociale originale est modifié.
2. Détails de l'exécution
Les motifs de battement sont composés de 16 blocs, et lorsque ces blocs s'allument, le son est remplacé par le son initial du battement.
Lorsque cet effet est activé, le bloc en cours de lecture s'allume en bleu.
Example:

Dans le cas du motif 1 présenté sur l'illustration, lorsque les signaux de musique sont reçus, l'appareil met le son des signaux qui sont produits en remplaçant le son du premier quart de battement par la section allumée.
3. Méthode d'exécution
À l'aide des touches Effect ON/OFF, l'effet est ajouté au début au moment de l'activation des touches. Le motif de battement se sélectionne à l'aide des touches BEAT. Cinq prisesctions d'utiliser ne peuvent être prises en Utility Mode.

0 Affichage d'effet
Le nom des effets actuellement sélectionnés s'affiche ici.
Témoin de mode BPM
AUTO saft che après AUTO BPM est sélectionné comme réglage du mode BPM.
TAP s'affiche lorsque le mode d'entrée TAP est sélectionné
Témoin de source BPM s'affiche lorsque le mode INPUT est sélectionné.
Témoin de source BPM
La source du signal qui fait l'objet de la détection BPV automatique s'affiche ici.
Icone de verrouillage
S'allume lorsque BPM est verrouillé.
Θ affichage BPM d'effeteur
La valeur BPM actuelle s'affiche.
6 Affichage du battement
Le réglage du battement (nombre de battements) s'affiche ci.
Barre d'affichage du battement
9 Barre d'affichage du temps
Témoin de contrôle des paramètres
Témoin de contrôle Dry/Wet
Avec les canaux d'entrée :
À l'aide de la touche EFX SEND 1 ou 2, sélectionnez l'unité d'effet à utiliser. Le même effet peut être sélectionné pour plusieurs canaux.
Avec l'entrée de microphone et la sortie master :
À l'aide de la touche EFX INS 1 ou 2, sélectionnez l'unité d'effet à utiliser. L'opération d'insertion est lancée et un seul canal est sélectionné.
Pour aucun des canaux il n'est possible de sélectionner les deux unités d'effet en même temps.
Régler le BPM
1 Si le compteur BPM automatique est inactif, appuyer sur la touche TAP pendant plus d'une seconde pour activer le compteur BPM automatique. 2 Lorsque le compteur BPM automatique est activé, appuyer sur la touche TAP et la relâcher immédiatement. Les données mesurées avec la fonction BPM automatique sont verrouillées. *Le dernier canal pour lequel l'unité d'effet a été sélectionnée à l'aide de la touche EFX SEND ou EFX INS s'applique comme canal utilisé pour la mesure du compteur BPM automatique. 3 Maintenir enfoncée la touche TAP pendant plus de 2 secondes. Il est désormais possible de saisir le BPM manuellement. La valeur BPM peut être réglée directement en appuyant sur les touches BEAT, 4 La valeur BPM est mesurée selon l'intervalle auquel les touches TAP sont pressées de manière répétée.
Régler le battement
1 Appuyez sur les touches BEAT ① ②, pour régler le nombre de battements. 2 Lorsque l'on appuie sur la touche TIME, l'appareil passe en mode de saisie du temps. Le temps peut être ajusté en appuyant sur les touches BEAT ① ②. 3 Lorsque l'on appuie de nouveau sur la touche TIME, l'appareil rétablit le mode de réglage du nombre de battements.
Sélectionner les effets
Tournez les commandes EFX SELECT pour sélectionner l'effet, puis appuyez sur la commande pour valider l'effet désiré.
Activer et désactiver les effets
La pression sur les touches Effect ON/OFF active ou désactive l'effet.
Démarrage du fader de canal
1 À l'aide des sélecteurs de source d'entrée de canal (SOURCE SEL LN1/LN2/LN3/LN4/D1-4/USB), sélectionnez la source désirée parmi LINE1 CD, LINE2 CD, LINE3 CD et LINE4 CD. 2 Activez la commutateur CH. FADER START. 3 Faites descendre jusqu'en bas le fader d'entrée de canal (CH FADER) de la commande CH-1, CH-2, CH-3 ou CH-4. 4 Réglez le mode de veille sur le lecteur de CD. 5 Lorsque vous souhaitez mettre le lecteur en marche, déplacez fader d'entrée de canal (CH FADER) vers le haut et le lecteur de CD commencera la lecture.
Démarrage du crossfader
1 À l'aide des sélecteurs de source d'entrée de canal (SOURCE SEL LN1/LN2/LN3/LN4/D1-4/USB), sélectionnez la source désirée parmi LINE1 CD, LINE2 CD, LINE3 CD et LINE4 CD. 2 Réglez les commutateurs CROSSFADER ASSIGN (A/THRU/B) sur A ou B.
Activez les commutateurs CROSSFADER START. 4 Faites glisser entièrement le Crossfader dans la direction opposée par rapport à la source que vous souhaitez lancer. (Dans l'exemple suivant, la mise en route est effectuée avec le lecteur de CD connecté réglé sur Assign A.)
5 Régler le mode de veille sur le lecteur de CD. 6 Utilisez la commande CROSSFADER CONTOUR afin de contrôler la courbe de mise en marche du Crossfader. 7 Lorsque Crossfader est déplacé dans la direction opposée, la lecture du lecteur de CD commence.
Fader de canal I Lorsque I'on tourne la commande CH FADER CONTOUR vers la gauche la hausse de la courbe devient plus graduelle, tandis que lorsqu'on tourne la commande vers la droite la hausse de la courbe devient plus prononcée. En position centrale, la hausse de la courbc est moyen. * Le même type de courbe s'applique aux canaux 1 à 4. Crossfader
Lorsque I'on tourne la commande CH FADER CONTOUR vers la gauche la hausse de la courbe devient plus graduelle, tandis que lorsqu'on tourne la commande vers la droite la hausse de la courbe devient plus prononnée, et des opérations d'entrées de coupure et de sortie de coupure seront écutivees. En position centrale, la hausse de la courbe est moyenne.
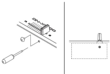
Pour ajuster le couple de glissement du crossfader
1 Retirez le capuchon de caoutchouc du panneau avant. 2 Déplacez le crossfader complètement vers la droite, jusqu'à ce que la tête de la vis soit visible.
3 Insérez un tournevis et ajustez le couple de glissement.
Lorsque on tourne la vis vers la droite : le couple de glissement augmente, rendant le crossfader plus difficile à déplacer. Lorsque on tourne la vis vers la gauche : le couple de glissement diminue, rendant le crossfader plus facile à déplacer.
Remettez en place le capuchon de caoutchouc du panneau avant.
Remarque
- Le crossfader étant d'une grande précision, il risque d'être endommagé ou de mal fonctionner si vous serrez la vis trop fort ou la desserrez trop.

Sélectionner le mode USB
Les fonctions respectives induites ci-dessus sont exécutées dans les modes d'opération de la prise USB A (mode d'hôte USB) et de la prise USB B (mode de périphérique USB).
USB A
- Fonction d'importation/exportation des données de présélection
- Mise à niveau de la version
USBB
- Fonction d'interface audio USB
- Fonction d'interface USB MIDI
Le mode de fonctionnement à activer à la mise sous tension de l'appareil peut être désignée par un réglage Utility.
(Réglage d'usine: USB A)
Pour passer de USB A (mode d'hôtel) à USB B (mode de périphérique):

3 Sélectionnez ok/cancel à l'aide de la commande EFX SELECT (EFX2), puis appuyez sur la commande pour valider la sélection.
4 Le témoin passe de USB-A à USB-B, et le mode de périphérique est activé. (^* Lorsqu'une période de temps spécifique s'écoule sans périphérique connecté à la prise USB B, le témoin revient à USB-A, et le mode d'hôte est automatiquement sélectionné.) Pour sélectionner à nouveau le mode d'hôte, appuyez sur la touche UTILITY/USB A/USB B pendant une seconde, puis sélectionnez les réglages en suivant les mêmes étapes.
Audio USB
Cet appareil est doté d'une fonction de carte son à entrée/sortie audio USB 24 bits 96 kHz prenant en charge jusqu'à 8 canaux 14 systèmes stéréo. La fréquence d'échantillonnage peut être réglée sur 44,1 kHz, 48 kHz ou 96 kHz à l'aide d'un réglage Utility (réglage d'usine : 96 kHz).
Lorsque l'appareil est connecté à un ordinateur tournant sous Windows XP, Vista ou un système d'exploitation similaire, installez le pilote DENON DJ ASIO Ver2 qui se trouve sur le CD-ROM fourni. Si le pilote Ver1 est déjà installé, désinstallez-le avant d'installer le pilote Ver2. * Suivant l'ordinateur utilisé, sélectionnez les réglages de la section PC/MAC, sous System Setting dans les réglages Utility.
Régler la sortie audio USB
L'un ou l'autre des 4 systèmes de source sonore fournis — canaux d'entrée 1 à 4 (pré-égaliseur), entrée de microphone (Post Send VRI), sortie Master (pro-limiteur) ou sortie d'enregistrement — peut être sélectionnée comme sortie audio USB. Le niveau de sortie audio USB peut être ajusté à l'aide d'un réglage Utility.
1 Appuyez sur la touche utility/-usb a/usb b. l'écran de réglage utility s'affiche.
2 À l'aide de la commande EFX SELECT (EFX2), sélectionnez Audio Setting USB Audio Setting Output Source Select. Vous pouvez sélectionner une des sources audio à attribuer aux canaux de sortie USB sur l'écran de sélection qui s'affiche. 3 Appuyez sur la touche UTILITY/-USB A/USB B. L'écran de réglage Utility se ferme.
Régler l'entrée audio USB
Vous pouvez régler l'appareil sur l'un des deux modes ci-dessous à l'aide de la touche USB ASSIGN CH/MASTER pour les destinations d'attribution d'entrée audio USB.
Le voyant du côté correspondant au mode sélectionné s'allume.
Les niveaux d'entrée audio USB peuvent être ajustés à l'aide des réglages Utility. Les valeurs de réglage sont enregistrées séparément pour chaque mode.
Mode CH INPUT
Sélectionnez ce mode pour mélanger le son en utilisant uniquement le DN-X1700, sans utiliser les fonctions de mélange du logiciel DJ. Les signaux d'entrée audio USB sont attribuées suivant la configuration indiquée ci-dessous.
Entrees 1 et 2 de canal USB-Canal d'entree 1 Entrees 3 et 4 de canal USB-Canal d'entree 2 Entrees 5 et 6 de canal USB-Canal d'entree 3 Entrees 7 et 8 de canal USB-Canal d'entree 4
② Mode MASTER
Sélectionne ce mode pour utiliser à la fois les fonctions de mélange du logiciel DJ et les fonctions du DN-X1700. Les signaux d'entrée audio USB sont attribués aux bus indiqués ci-dessus.
Entrées 1 et 2 de canal USB - bus Master
Entrées 3 et 4 de canal USB—bus de contrôle Cue Entrées 5 et 6 de canal USB - désactivées
Entrées 7 et 8 de canal USB - désactivées
La sortie mélangeur du logiciel DJ est mélangée sur les buses par le DN-X1700. Assurez-vous que les réglatges de sortie audio du logiciel DJ correspondent aux specifications indiquées ci-dessus.
Ce appelé est doté de fonctions d'entrée/sortie USB MIDI et de sortie MIDI DIN à 5 broches. Ces fonctions prennent en charge les fonctions de commande MIDI de presque toutes les commandes, ainsi que l'horloge MIDI.
Régler les canaux MIDI
Appuyez sur le bouton UTILITY/USB A/USB B. 2 à l'aide de la commande EFX SELECT (EFX2), sélectionnez MIDI Setting MIDI INPUT CH ou MIDI OUTPUT CH. Réglez les canaux MIDI.
Régler l'horloge MIDI
A l'aide de la commande EFX SELECT (EFX2), émettez l'horologie MIDI synchronisée avec la valeur BPM déficiente. (60 à 300 BPM) 1 Appuyez sur la touche MIDI CLOCK START/STOP. L'horloge MIDI est émise par les prises USB MIDI et MIDI. Le témoins de la touche MIDI CLOCK START/ STOP est allumé.
Opérations de couche MIDI
L'appareil comprend une fonction de couche MIDI pour les canaux d'entrée. Cette fonction permet de commander les périphériques externes et les logiciels en tant que contrôleur MIDI.
1 Appuyez sur les sélecteurs de couche MIDI. Les bagues de commande d'égaliseur s'allument en bleu, et les opérations de couche MIDI sont exécutées. 2 Les commandes MIDI correspondant aux opérations effectuées à l'aide des commandes de panneau sont émises. L'opération ne s'applique pas au DN-X1700. Les signaux MIDI sont reçus et les voyants s'allument ou s'éteignent.
- Bloc d'opérations de sortie MIDI Commandes d'égaliseur isolateur de canal HI, MID, LOW; touches EFX SEND 1, 2; touches CUE; fader de canal
- Bloc d'opérations d'entrée MIDI Indicateur de niveau de canal; touches de canal EFX SEND 1, 2; affichage de la touche CUE
3 Lorsque vous appuyez de nouveau sur le selecteur de couche MIDI, les bagues de commande d’égaliseur deviennent ambre et les opérations de couche MIDI se terminent. Les opérations sont appliquées au DN-X1700 sans être émises vers les prises de sortie MIDI.
4 Si, à la fin des opérations de couche MIDI, la position des commandes d'égaliseur isolateur de canal (Hi, MID, LOW) et du fader de canal est différente des états internes du DN-X1700, le DN-X1700 verrouille ses états internes sans appliquer la position des commandes. Pendant que ces états sont verrouillés, les bagues de commande d'égaliseur clignotent. 5 Si vous utilisez une commande dont l'état est verrouillé, l'écran de verrouillage apparait en affichant l'icone de position et la position de verrouillage (ligne rouge). 6 Lorsque la commande correspond à la position verrouillée, le verrou est libéré et les opérations sont appliquées au DN-X1700.
Liste des commandes MIDI Commandes d'envoi
| Items | MIDI command | |||
| Command Number Value | ||||
| CH1 | EQ-HIGH VR 0x8n 0x02 0x00 to 0x7F | |||
| EQ MID VR 0x8n 0x03 0x00 to 0x7F | ||||
| EQ LOW VR 0x8n 0x04 0x00 to 0x7F | ||||
| FADEH | 0x8n 0x05 0x00 to 0x7F | |||
| EFFECT SEND1 | SW ON: 0x9n / SW OFF: 0x8n | 0x01 | SW ON: 0x40 / SW OFF: 0x00 | |
| EFFECT SEND2 | SW ON: 0x9n / SW OFF: 0x8n | 0x02 | SW ON: 0x40 / SW OFF: 0x00 | |
| CUE | SW ON: 0x9n / SW OFF: 0x8n | 0x03 SW ON: 0x40 / SW OFF: 0x00 | ||
| MIDI LAYER mode | 0x8n 0x46 OFF: 0x00 / ON: 0x7F | |||
| CH2 | EQ-HIGH VR 0x8n 0x08 0x00 to 0x7F | |||
| EQ MID VR 0x8n 0x09 0x00 to 0x7F | ||||
| EQ LOW VR 0x8n | 0x0A 0x00 to 0x7F | |||
| FADEH | 0x8n | 0x03 | 0x00 to 0x7F | |
| EFFECT SEND1 | SW ON: 0x9n / SW OFF: 0x8n | 0x05 | SW ON: 0x40 / SW OFF: 0x00 | |
| EFFECT SEND2 | SW ON: 0x9n / SW OFF: 0x8n | 0x06 | SW ON: 0x40 / SW OFF: 0x00 | |
| CUE | SW ON: 0x9n / SW OFF: 0x8n | 0x07 | SW ON: 0x40 / SW OFF: 0x00 | |
| MIDI LAYER mode | 0x8n 0x17 OFF: 0x00 / ON: 0x7F | |||
| CH3 | EQ-HIGH VR 0x8n | 0x0D 0x00 to 0x7F | ||
| EQ MID VR 0x8n | 0x0E 0x00 to 0x7F | |||
| EQ LOW VR 0x8n 0x0C+ 0x00 to 0x7F | ||||
| FADEH | 0x8n 0x10 0x00 in 0x7F | |||
| EFFECT SEND1 | SW ON: 0x9n / SW OFF: 0x8n | 0x08 | SW ON: 0x40 / SW OFF: 0x00 | |
| EFFECT SEND2 | SW ON: 0x9n / SW OFF: 0x8n | 0x0A | SW ON: 0x40 / SW OFF: 0x00 | |
| CUE | SW ON: 0x9n / SW OFF: 0x8n | 0x03 | SW ON: 0x40 / SW OFF: 0x00 | |
| MIDI LAYER mode | 0x8n 0x48 OFF: 0x00 / ON: 0x7F | |||
| CH4 | EQ-HIGH VR 0x8n | 0x012 0x00 to 0x7F | ||
| EQ MID VR 0x8n 0x13 0x00 to 0x7F | ||||
| EQ LOW VR 0x8n 0x14 0x00 to 0x7F | ||||
| FADEH | 0x8n 0x15 0x00 to 0x7F | |||
| EFFECT SEND1 | SW ON: 0x9n / SW OFF: 0x8n | 0x00 | SW ON: 0x40 / SW OFF: 0x00 | |
| EFFECT SEND2 | SW ON: 0x9n / SW OFF: 0x8n | 0x02 | SW ON: 0x40 / SW OFF: 0x00 | |
| CUE | SW ON: 0x9n / SW OFF: 0x8n | 0x0F | SW ON: 0x40 / SW OFF: 0x00 | |
| MIDI LAYER mode | 0x8n 0x49 OFF: 0x00 / ON: 0x7F | |||
| CRSS FADER | CRSS FADER | 0x8n 0x16 0x00 in 0x7F | ||
| MASTER | MASTER LEVEL VR | 0x8n 0x19 0x00 to 0x7F | ||
| BALANCE VR | 0x8n | 0x1A | 0x00 to 0x7F | |
| BOOT LEVEL VR | 0x8n | 0x1B | 0x00 to 0x7F | |
| EFFECT INSERT1 | SW ON: 0x9n / SW OFF: 0x8n | 0x11 | SW ON: 0x40 / SW OFF: 0x00 | |
| EFFECT INSERT2 | SW ON: 0x9n / SW OFF: 0x8n | 0x12 | SW ON: 0x40 / SW OFF: 0x00 | |
| Items | MIDI command | |||
| Command Number Value | ||||
| EFFECT1 | BEAT UP | SW ON : 0x9n / SW OFF : 0x8n | 0x16 | SW ON : 0x40 / SW OFF : 0x00 |
| BEAT DOWN | SW ON : 0x9n / SW OFF : 0x8n | 0x17 | SW ON : 0x40 / SW OFF : 0x00 | |
| TAP | SW ON : 0x9n / SW OFF : 0x8n | 0x18 | SW ON : 0x40 / SW OFF : 0x00 | |
| TIME | SW ON : 0x9n / SW OFF : 0x8n | 0x19 | SW ON : 0x40 / SW OFF : 0x00 | |
| CUE | SW ON : 0x9n / SW OFF : 0x8n | 0x1A | SW ON : 0x40 / SW OFF : 0x00 | |
| EFFECT SELECT KNOB SW | SW ON : 0x9n / SW OFF : 0x8n | 0x1B | SW ON : 0x40 / SW OFF : 0x00 | |
| PARAMETER SW | SW ON : 0x9n / SW OFF : 0x8n | 0x1C | SW ON : 0x40 / SW OFF : 0x00 | |
| EFFECT ON/OFF | SW ON : 0x9n / SW OFF : 0x8n | 0x1D | SW ON : 0x40 / SW OFF : 0x00 | |
| EFFECT SELECT KNOB | 0x8n 0x44 | Increment 0x00 Decrement 0x7F | ||
| PARAMETER VR | 0x8n | 0x1C | 0x00 to 0x7F | |
| DRY/WET VR | 0x8n | 0x1D | 0x00 to 0x7F | |
| EFFECT2 | BEAT UP | SW ON : 0x9n / SW OFF : 0x8n | 0x1E | SW ON : 0x40 / SW OFF : 0x00 |
| BEAT DOWN | SW ON : 0x9n / SW OFF : 0x8n | 0x1F | SW ON : 0x40 / SW OFF : 0x00 | |
| TAP | SW ON : 0x9n / SW OFF : 0x8n | 0x20 | SW ON : 0x40 / SW OFF : 0x00 | |
| TIME | SW ON : 0x9n / SW OFF : 0x8n | 0x21 | SW ON : 0x40 / SW OFF : 0x00 | |
| CUE | SW ON : 0x9n / SW OFF : 0x8n | 0x22 | SW ON : 0x40 / SW OFF : 0x00 | |
| EFFECT SELECT KNOB SW | SW ON : 0x9n / SW OFF : 0x8n | 0x23 | SW ON : 0x40 / SW OFF : 0x00 | |
| PARAMETER SW | SW ON : 0x9n / SW OFF : 0x8n | 0x24 | SW ON : 0x40 / SW OFF : 0x00 | |
| EFFECT ON/OFF | SW ON : 0x9n / SW OFF : 0x8n | 0x25 | SW ON : 0x40 / SW OFF : 0x00 | |
| EFFECT SELECT KNOB | 0x8n 0x45 | Increment 0x00 Decrement 0x7F | ||
| PARAMETER VR | 0x8n | 0x1E 0x00 to 0x7F | ||
| DRY/WET VR | 0x8n 0x1F 0x00 to 0x7F | |||
| MICROPHONES | MIC EQ HIGH VR | 0x8n 0x21 0x00 to 0x7F | ||
| MIC EQ LOW VR | 0x8n 0x22 0x00 to 0x7F | |||
| MIC SEND LEVEL VR | 0x8n 0x23 0x00 to 0x7F | |||
| MIC1 ON/OFF | SW ON : 0x9n / SW OFF : 0x8n | 0x26 | SW ON : 0x40 / SW OFF : 0x00 | |
| MIC2 ON/OFF | SW ON : 0x9n / SW OFF : 0x8n | 0x27 | SW ON : 0x40 / SW OFF : 0x00 | |
| MIC EFFECT INSERT1 | SW ON : 0x9n / SW OFF : 0x8n | 0x28 | SW ON : 0x40 / SW OFF : 0x00 | |
| MIC EFFECT INSERT2 | SW ON : 0x9n / SW OFF : 0x8n | 0x29 | SW ON : 0x40 / SW OFF : 0x00 | |
| DLCKING | SW ON : 0x9n / SW OFF : 0x8n | 0x34 | SW ON : 0x40 / SW OFF : 0x00 | |
| Others | Utility mode 0x8n | 0x4A | Utility mode on : 0x7F Utility mode off : 0x00 | |
n-MIDICH
Commandes de réception
| Items | MIDI command | |||
| Command Number Value | ||||
| LED 0xBn | ↑ | |||
| CH1 | Love Motor -10dB | ON TRG -0x50OFF TRG -0x51 | 0x01 | |
| Love Motor -30dB | ↑ | 0x02 | ||
| Love Motor -20dB | ↑ | 0x03 | ||
| Love Motor -15dB | ↑ | 0x04 | ||
| Love Meter 10dB | ↑ | 0x05 | ||
| Love Meter 7dB | ↑ | 0x06 | ||
| Love Meter -4dB | ↑ | 0x07 | ||
| Love Meter 20dB | ↑ | 0x08 | ||
| Love Meter 1dB | ↑ | 0x09 | ||
| Love Meter 0dB | ↑ | 0x0A | ||
| Love Meter 1dB | ↑ | 0x0B | ||
| Love Meter 2dB | ↑ | 0x0C | ||
| Love Motor 4dB | ↑ | 0x0D | ||
| Love Motor 7dB | ↑ | 0x0E | ||
| Love Motor 10dB | ↑ | 0x0F | ||
| Love Motor PEAK | ↑ | 0x10 | ||
| CH2 | Love Motor -10dB | ↑ | 0x11 | |
| Love Motor -30dB | ↑ | 0x12 | ||
| Love Motor -20dB | ↑ | 0x13 | ||
| Love Meter -15dB | ↑ | 0x14 | ||
| Love Meter -10dB | ↑ | 0x15 | ||
| Love Motor -7dB | ↑ | 0x16 | ||
| Love Meter 4dB | ↑ | 0x17 | ||
| Love Meter 20dB | ↑ | 0x18 | ||
| Love Meter 1dB | ↑ | 0x19 | ||
| Love Meter 0dB | ↑ | 0x1A | ||
| Love Meter 1dB | ↑ | 0x1B | ||
| Love Meter 2dB | ↑ | 0x1C | ||
| Love Meter 4dB | ↑ | 0x1D | ||
| Love Meter 7dB | ↑ | 0x1E | ||
| Love Motor 10dB | ↑ | 0x1F | ||
| Love Motor PEAK | ↑ | 0x20 | ||
| CH3 | Love Meter -40dB | ↑ | 0x21 | |
| Love Meter -30dB | ↑ | 0x22 | ||
| Love Motor -20dB | ↑ | 0x23 | ||
| Love Meter -15dB | ↑ | 0x24 | ||
| Love Meter 10dB | ↑ | 0x25 | ||
| Love Meter -7dB | ↑ | 0x26 | ||
| Love Meter -4dB | ↑ | 0x27 | ||
| Love Meter -20dB | ↑ | 0x28 | ||
| Love Meter -10dB | ↑ | 0x29 | ||
| Love Meter 0dB | ↑ | 0x2A | ||
| Love Meter 1dB | ↑ | 0x2B | ||
| Love Meter 2dB | ↑ | 0x2C | ||
| Love Meter 4dB | ↑ | 0x2D | ||
| Love Meter 7dB | ↑ | 0x2E | ||
| Love Meter 10dB | ↑ | 0x2F | ||
| Love Meter FEAK | ↑ | 0x30 | ||
| Items | MIDI command | |||
| Command Number Value | ||||
| LED 0xBn | ↑ | |||
| CH2 | Level Meter -40dB | ↑ | 0x31 | |
| Level Meter -30dB | ↑ | 0x32 | ||
| Level Meter -20dB | ↑ | 0x33 | ||
| Level Meter -15dB | ↑ | 0x34 | ||
| Level Meter -10dB | ↑ | 0x35 | ||
| Level Meter -7dB | ↑ | 0x36 | ||
| Level Meter -4dB | ↑ | 0x37 | ||
| Level Meter -2dB | ↑ | 0x38 | ||
| Level Meter 1dB | ↑ | 0x39 | ||
| Level Meter 0dB | ↑ | 0x40 | ||
| Level Meter 1dB | ↑ | 0x3A | ||
| Level Meter 2dB | ↑ | 0x3B | ||
| Level Meter 4dB | ↑ | 0x3C | ||
| Level Meter 7dB | ↑ | 0x3D | ||
| Level Meter 10dB | ↑ | 0x3E | ||
| Level Motor PEAK | ↑ | 0x40 | ||
| CH1 | EFX SEND1 | ↑ | 0x41 | |
| EFX SEND1 Dimmer | ↑ | 0x42 | ||
| EFX SEND2 | ↑ | 0x43 | ||
| EFX SEND2 Dimmer | ↑ | 0x44 | ||
| CUE | ↑ | 0x45 | ||
| CUE Dimmer | ↑ | 0x46 | ||
| CH2 | EFX SEND1 | ↑ | 0x47 | |
| EFX SEND1 Dimmer | ↑ | 0x48 | ||
| EFX SEND2 | ↑ | 0x49 | ||
| EFX SEND2 Dimmer | ↑ | 0x4A | ||
| CUE | ↑ | 0x4B | ||
| CUE Dimmer | ↑ | 0x4C | ||
| CH3 | EFX SEND1 | ↑ | 0x4D | |
| EFX SEND1 Dimmer | ↑ | 0x4E | ||
| EFX SEND2 | ↑ | 0x4F | ||
| EFX SEND2 Dimmer | ↑ | 0x50 | ||
| CUE | ↑ | 0x51 | ||
| CUE Dimmer | ↑ | 0x52 | ||
| CH4 | EFX SEND1 | ↑ | 0x53 | |
| EFX SEND1 Dimmer | ↑ | 0x54 | ||
| EFX SEND2 | ↑ | 0x55 | ||
| EFX SEND2 Dimmer | ↑ | 0x56 | ||
| CUE | ↑ | 0x57 | ||
| CUE Dimmer | ↑ | 0x58 | ||
n-MIDICH
En Utilité Mode, il est possible de définir les données de préselection à l'intérieur de l'écran.

1. Appuyez sur la touche UTILITY/-USB A/USB B. L'écran Utility apparait. 2. À l'aide de la commande EFFECT SELECT2, sélectionnez l'option, puis appuyez sur la commande pour valider la sélection.
Une fois la sélection validée, les options et données sont permutées selon la hiérarchie indiquée dans le tableau ci-dessous.
Pour revenir à la sélection, appuyez sur la touche BACK. L'opération revient à l'écran précédent.
En Utility Mode, appuyez sur la touche UTILITY/USB A/USB B pour désactiver le Utility Mode. Les données définies sont alors enregistrées dans la mémoire interne.
Options de préselection et données
| Category Item | Parameter Value | Default Settings | |||
| 1 Audio Setting | 1 Master Setting | 1 MONO | ON / OFF | OFF | |
| 2 Mic Setting | 1 Ducking Level | 20dB to 40dB | -30dB | ||
| 2 Mic EQ | 1 Hi | 1kHz to 4kHz | 2kHz | ||
| 2 Low | 500Hz to 2kHz | 1kHz | |||
| 3 Default | |||||
| 3 Mic to Booth/Rec | ON / OFF | OFF | |||
| 3 isolator EQ | 1 X Over Hi | 1kHz to 8kHz | 2kHz | ||
| 2 X Over Low | 100Hz to 800Hz | 350Hz | |||
| 3 Default | |||||
| 4 Cue Setting | 1 Cue Mode *1 | CUE (Mix) / Solo | CUE (Mix) | ||
| 5 Head Phones EQ | 1 EQ Hi | -15dB to +15dB | 0dB | ||
| 2 EQ Low | -15dB to +15dB | 0dB | |||
| 3 Default | |||||
| 6 EFX Pin | 1 Unity Level Select | -10dBV / 0dBV | -10dBV | ||
| 7 USB Audio Setting | 1 OutputSourceSelect | 1 USB1 / USB2 | Non, CH1, CH2, CH3, CH4, Master, Rec, Mic | Master | |
| 2 USB3 / USB4 | Mic | ||||
| 3 USBs / USB6 | CH2 | ||||
| 4 USB7 / USB8 | CH3 | ||||
| 2 Output Level VR | -20dB to +20dB | 0dB | |||
| 3 CH Input Level VR | -20dB to +20dB | -6dB | |||
| 4 Max Input Level VR | -20dB to +20dB | -6dB | |||
| 5 Cue Input Level VR | -20dB to +20dB | -6dB | |||
| B Digital I/O Setting | 1 Digital Output VR | -20dB to +20dB | 0dB | ||
| 2 Digital Input Level | CH1 | -2dB / -8dB / -14dB | -8dB | ||
| CH2 | -2dB / -8dB / -14dB | -8dB | |||
| CH3 | -2dB / -8dB / -14dB | -8dB | |||
| CH4 | -2dB / -8dB / -14dB | -8dB | |||
| 9 X-Fader Setting | 1 A Side Cut Position *2 | -2.0mm to +8.0mm | 0.0mm | ||
| 2 B Side Cut Position *2 | -2.0mm to +8.0mm | 0.0mm | |||
| 10 Beat Breaker Setting | 1 to 5 | 1 | |||
| 2 System Setting | 1 Sampling Frequency | 44.1KHz / 46KHz / 96KHz | 96KHz | ||
| 2 Display Brightness | 1 to 40 | 27 | |||
| 3 Display Backlight | 1 to 25 | 5 | |||
| 4 Display Contrast | 1 to 16 | 15 | |||
| 5 PC/MAC*PC Mode / MAC Mode PC Mode | |||||
| 6 Version(SYS) | XXXX | - | |||
| 3 MIDI Setting | 1 MIDI INPUT CH | 1 to 16, OVINI | 1 | ||
| 2 MIDI OUTPUT CH | 1 to 16 | 1 | |||
| 3 MIDI Output Enable | 1 5Pin | ON / OFF | ON | ||
| 2 USB | ON / OFF | ON | |||
| 4 MIDI CLK | 1 5Pin | ON / OFF | ON | ||
| 2 USB | ON / OFF | ON | |||
| 4 Other Setting | 1 Preset Export | Exit / Execute* | Exit | ||
| 2 DN-X1/00 Initialize | Exit / Execute* | Exit | |||
| 5 Owner Setting | Display only | ||||
1 Lorsque SOLO est sélectionné comme réglage du mode CUE, une seule des deux touches CUE (le dernieré sur laquelle vous avec apuyé) est opérationale. ^ 2 La position de coupure du crossfader peut etre ajustee séparément pour chaque cote. *3 Lorsque l'appareil est connecté à un ordinaire tournant sous Windows XP, Vista ou un système d'exploitation similaire, sélection le mode PC. Lorsqu'il est connecté à un ordinateur tournant sous Mac OSX ou un système d'exploitation similaire, selectionnez le mode MAC. *4 Les réglages de ces préférences et du mode Utilisateur peut être enregistrés sur une mémoire USB exteme ou autre support de mémoire. ^ 5 Les réglages de ces préférences sont définit en sur les valeurs d'usine.
Lorsque vous reglez le commutateur POWER sur la position ON tout en maintenant enfoncée la touche UTILITY-USB A/USB B, le mode Owner Setting s'active et vous pouvez sélectionner les réglages indiqués ci-dessous. Pour quitter le mode Owner Setting, reglez le commutateur POWER sur la position OFF.
| Paramétres Valeurs | Par défaut | ||
| 1. Limiter OFF / ON OFF | |||
| 2. Limiter Threshold 20dB to 10dB | 20 dB | ||
| 3. Digital Output FS INT / 44.1kHz / 48kHz / 96kHz 44.1 kHz | |||
| 4. Power ON USB Mode | USB A / USB B | USB A | |
| 5. Preset Import | Exit / Execute*1 | - | |
| 6. DN-X1700 Initialize | Exit / Execute*2 | - | |
À vide des préselections enregistrées sur un support externe, la mémoire interne est mise à jour et les réglages sont appliqués sur l'appareil. Les valeurs d'usine sont rétablies pour tous les Owner Setting et les préselections.
Exportation des présélections
1 Connectez le périphérique de mémoire USB à l'appareil, puis exécutez l'exportation des présélections à l'aide des réglages Utility. 2 Les états de présélection sont écrits sur le périphérique de mémoire USB. * Si le fichier d'exportation existe déjà, un écran apparait pour inviter l'utilisateur à confirmer que le fichier doit être écrasé.
Rappel des présélections
1 Insérez dans le DN-X1700 le périphérique de mémoire USB qui contient les fichiers d'exportation, ou allumez l'appareil avec le périphérique déjà inséré. 2 Un écran apparait pour inviter l'utilisateur à confirmer que les préférences doivent être appelées. 3 Si vous sélectionnez OK, les préférences de Audio Setting et de MIDI Setting que contient le fichier d'exportation sont appelées. (Les informations de préférence enregistrées sur le DN-X1700 ne sont pas mises à jour.) 4 Lorsque le périphérique de mémoire USB est retiré, un écran apparait pour inviter l'utilisateur à confirmer le retour à l'état antérieur au rappel des préférences. (Il n'est pas possible de sélectionner l'annulation.) 5 Lorsque OK est sélectionné, les préférences sont remplacées par l'état interne à leur rappel.
Une fois les préselections rappelées, elles sont conservées tant que l'appareil ne reste connecté à l'ordinateur, même si le mode USB B est sélectionné.
Importation des présélections
1 En mode Owner Setting, insérez dans le DN-X1700 le périphérique de mémoire USB contenant les fichiers d'exportation ou activez le mode Owner Setting avec le périphérique déjà inséré. 2 Un écran apparait pour inviter l'utilisateur à confirmer que la mémoire de préselection doit être mise à jour. 3 Lorsque OK est sélectionné, le contenu de la mémoire de préselection est mis à jour avec le contenu des fichiers d'exportation.
N'oubiez pas que les données antérieures à la mise à jour ne seront pas conservées.
Spécifications
AUDIO (0 dBu = 0,775 Vrms, 0 dBV = 1 Vrms)
- Entrées PHONO Stereo x 4 Prise RCA asymétrique
Impédance d'entrée: 47 kΩ/kohms
Niveau
- Entrées CD
Impédance d'entrée:
Niveau
- Égaliseur (LINE) 3 bandes
Plage de réglage pour l'égalisation de canal :
HI: -∞-90dBa+10dB
MID-90dBa+10dB
LOW:-90dBa+6dB
Mono x 2 Prise TS 1/4 oo
10 kO/kohns
-10 dBV/0 dBV /valeur par défaut: -10 dBV
Mono × 2
Symétriques et asymétriques Connecteurs XLR et prise TS 1/4 po
1: terre, 2: chaud, 3: froidi
Symétrique Prise TBS 1/4 po
extrémité: chaud, anneau: froid, gaine: terre
5 kO/kohms
-60 a -20 dBu
Moins de -127 dBu (Rs = 150 Ω/ohms)
Plus de 80 dB (1 kHz)
- bandes
H1-15a+15dB
LOW: -15 a +15 dB
- Entrées coaxiales numériques
- Entrees audio USB Sortie MASTER
Symétrique
Convertisseur NA : Impédance de charge : Niveau Réponse en fréquence : DHT : Rapport signal/bruit :
Diaphonie :
Asymétrique :
Impédance de charge :
Niveau
Sortie REC
Impédance de charge:
Niveau:
Prise XLR symétrique stéréo (1: terre, 2: chaud, 3: froid) Convertisseur multibits évolué à suréchantillonnage 128x 32 bits plus de 600 C/ohms 4dBu 20Hzà20kHz±0.5dBi Moins de 0.05% 100 dB 89 dB (Phono) Moins-110dB(1kH) Prise BCA stéréo 10 kO/kohms 0 dBu Prise RCA asymétrique stéréo 10 kΩ/kohms -10 dBV
- Sortie BOOTH
Impédance de charge :
Niveau
Sortie SEND Impedance de charge: Niveau Sortie casque d'écoute Impedance charge: Niveau Sortie coaxiale numérique
Sortie audio USB
GENÉRALITÉS
USB MIDI I/O MIDI OUT:
Indicateurs de niveau de canal : Indicateurs de niveau Master Cue : Fader de canal : Crossfader : Dimensions : Poids : Tension d'alimentation :
Consommation électrique :
Température de fonctionnement : Humidité de fonctionnement : Température de stockage :
extrémité: chaud, anneau: froid, gaine: terre Plus de 600 Ω/chms +4dBu
Prise TS 1/4 ng symétrie stéréo Mono×2 10 kO/kohms -10 dBV Stéréo 40.0/ghms 400mW Prise RCA stéréo, IEC958 Consommateur (Fs:44,1 kHz, 48 kHz, 96 kHz) Stéréo x 4 (mono x 8) 24 bits, 44,1 kHz, 48 kHz, 96 kHz USB B
IN:1 canal, OUT:1 canal MIDI 1,0, horloge MIDI USB B OUT:1 canal MIDI 1,0, horloge MIDI DIN a 5 broches voyants à 16 points PPM de -40 à +10 dB, affichage de créte voyants à 24 points PPM de -50 à +16 dB, affichage de créte Fader en plastique conducteur 60 mm Fader FLEX 45 mm (couple de glissement du fader réclable) 320L×357P×90Hmm 76kg CA 120V,60 Hz (Modles pour les U. S. A. et le Canada) CA 230V,50 Hz (Modèlees européens)
+5℃ à +35℃ de 25% à 85% de -20°C à +60°C

Unit: mm

Résolutions de problèmes
Les composants sont-ils tous bien connectés?
Les opérations ont-elles été exécutées correctement, en suivant les instructions du manuel de l'utilisateur? L'amplificateur et les enceintes fonctionnent-ils correctement?
Si l'appareil ne fonctionne pas correctement, vérifiez dans le tableau ci-dessus si la solution proposée pour le symptôme constaté permet de régler le problème. Les types de problème non indiqués dans le tableau ci-dessous peuvent être dus à un dysfonctionnement de l'appareil. Le cas échéant, informez-vous auprès du revendeur. Si le revendeur ne peut pas vous aider, informez-vous auprès d'un centre de service à la clientèle ou du centre de réparation le plus proche.
| Symptème Cause | Solution | N° de page | |
| L'apparéil ne s/allume pas. | • Le cordon d'alimentation n'est pas branché dans la prise de courant. | • Branchez le cordon d'alimentation dans la prise de courant. | 7 |
| Aucun son n'est émis ou le niveau du volume est bas. | • Côtains câbles ne sont pas correctement connectés. • Les commandes SOURCE SEL LN1/LN2/LN3/LN4/D1-4/USB ne sont pas régies sur les bonnes positions. • La fonction Ducking du microphone est activée. | • Vérifi ez les connexions des cables. • Régiez les commandes SOURCE SEL LN1/LN2/LN3/LN4/D1-4/USB sur les positions qui correspondent au composant en cours de lecture. • Régiez la touche DUCKING ON/OFF sur la position OFF. | 7 3 |
| Il y a de la distorsion sonore. | • Le niveau audio de la sortie Master est trop élevé. • Le niveau d'entrée est trop élevé. | • Ajustez la commande MASTER LEVEL. • Ajustez les commandes LFLEVEL d'entrée de canal. | 3 3 |
| Impossiblè de lancer le démarriage de facer du lecteur de CD. | • Côtains câbles ne sont pas correctement connectés. • Le commutateur CH FADER START et le commutateur CROSSFAIDER START ne sont pas régles sur la position ON. | • Connectez le lecteur de CD à l'apparéil au moyen des mini-prises stéroid. • Réglez le commutateur CH FADER START et le commutateur CROSSFAIDER START sur la position ON. | 7 3 |
Le DN-X1700 ne fonctionne pas correctement, ou aucun son n'est produit.
- Les câbles USB, audio, etc., ont-ils été correctement connectés?
- Le volume sonore de la source, périphérique audio, application, système d'exploitation, etc., a-t-il été correctement configuré? Avez-vous choisi le bon périphérique audio dans votre application? La fréquence d'échantillonnage désignée est-elle correcte?
Pour résoudre ce problème, il est possible de régler le mode de préréglage du DN-X1700 et de l'application sur la même valeur, ou de régler le DN-X1700 sur "AUTO".
- Certains fichiers WAV ont-ils été enregistrés avec une fréquence d'échantillonnage ou un débit binaire différent? En fonction de l'application audio que vous utilisez, certaines fréquences d'échantillonnage ou débits binaires différents ne pourront pas être reproduits simultanément.
- Un autre périphérique USB est-il en cours d'utilisation ? Si d'autres périphériques USB sont connectés, essayez de ne connecter que des DN-X1700 pour détecter d'éventuels problèmes.
- Le connecteur USB de votre ordinateur personnel est-il compatible avec la norme USB 2.0 (Haute vitesse)? Utilisez qu'un câble compatible USB 2.0.
Le son est coupé ou déformé
D'autres applications ou pilotes sont-ils en cours d'utilisation ? Quittez toutes les applications non nécessaires. - Plusieurs fichiers WAV sont-ils en cours de lecture ? Il est possible que le son soit interrompu lors de la lecture simultanée de plusieurs fichiers WAV, en fonction notamment des capacités de votre ordinateur.
TOKYO, JAPAN
www.denon.com
Notice Facile