ELS 110 DF WH/-EU BLANC - Chauffage FALCON - Notice d'utilisation et mode d'emploi gratuit

Retrouvez gratuitement la notice de l'appareil ELS 110 DF WH/-EU BLANC FALCON au format PDF.

📄 30 pages Français FR 💬 Question IA 8 questions ⚙️ Specs
Notice FALCON ELS 110 DF WH/-EU BLANC - page 2
Type d'appareilChauffage à combustible mixte
Combustibles compatiblesDeux types de combustibles
InstallationMurale ou au sol
Mode d'emploiInstructions d'installation et d'entretien fournies
EntretienRecommandé régulièrement
PuissanceNon précisé
DimensionsNon précisées
PoidsNon précisé
Type de combustionMixte
SécuritéNormes conformes
GarantieNon précisée
UtilisationRésidentielle ou commerciale
MarqueNon précisée
ModèleNon précisé
AccessoiresNon précisés
PoidsNon précisé

FOIRE AUX QUESTIONS - ELS 110 DF WH/-EU BLANC FALCON

Comment installer le FALCON ELS 110 DF WH/-EU BLANC ?
Pour installer le FALCON ELS 110 DF WH/-EU BLANC, commencez par lire le manuel d'instructions fourni. Assurez-vous que l'appareil est placé sur une surface plane et stable. Branchez-le à une prise électrique conforme aux spécifications de l'appareil. Suivez les étapes de montage indiquées dans le manuel.
Que faire si l'appareil ne démarre pas ?
Vérifiez que l'appareil est correctement branché à une prise fonctionnelle. Assurez-vous que le disjoncteur n'a pas sauté. Si l'appareil ne s'allume toujours pas, contactez le service client.
Comment nettoyer le FALCON ELS 110 DF WH/-EU BLANC ?
Pour nettoyer l'appareil, débranchez-le d'abord. Utilisez un chiffon humide et un détergent doux pour nettoyer les surfaces externes. Évitez d'utiliser des produits abrasifs qui pourraient rayer la finition.
Quels sont les accessoires inclus avec le produit ?
Le FALCON ELS 110 DF WH/-EU BLANC est livré avec un manuel d'utilisation, un cordon d'alimentation et, selon le modèle, des accessoires supplémentaires comme des grilles ou des plaques de cuisson.
Comment régler la température sur le FALCON ELS 110 DF WH/-EU BLANC ?
Pour régler la température, utilisez le tableau de commande situé sur le devant de l'appareil. Tournez le bouton de température à la valeur souhaitée et attendez que l'appareil atteigne cette température avant de commencer la cuisson.
Que faire si l'appareil dégage une odeur étrange lors de la première utilisation ?
Il est normal que des odeurs se dégagent lors de la première utilisation, en raison des résidus de fabrication. Faites chauffer l'appareil à vide pendant environ 30 minutes pour éliminer ces odeurs.
Quel est le niveau de consommation énergétique du FALCON ELS 110 DF WH/-EU BLANC ?
Le niveau de consommation énergétique est indiqué sur l'étiquette énergétique de l'appareil. Assurez-vous de consulter cette étiquette pour des informations spécifiques sur la consommation.
Comment contacter le service après-vente ?
Pour contacter le service après-vente, référez-vous au manuel d'utilisation pour les coordonnées spécifiques. Vous pouvez aussi visiter le site web du fabricant pour plus d'informations.

Questions des utilisateurs sur ELS 110 DF WH/-EU BLANC FALCON

0 question sur cet appareil. Repondez a celles que vous connaissez ou posez la votre.

Poser une nouvelle question sur cet appareil

L'email reste privé : il sert seulement à vous prévenir si quelqu'un répond à votre question.

Aucune question pour l'instant. Soyez le premier à en poser une.

Téléchargez la notice de votre Chauffage au format PDF gratuitement ! Retrouvez votre notice ELS 110 DF WH/-EU BLANC - FALCON et reprennez votre appareil électronique en main. Sur cette page sont publiés tous les documents nécessaires à l'utilisation de votre appareil ELS 110 DF WH/-EU BLANC de la marque FALCON.

MODE D'EMPLOI ELS 110 DF WH/-EU BLANC FALCON

Instructions d'installation et d'entrietien

1. Avant de Commencer... 1

Important! 1

Installation et Entretien 1

Odeur de Neuf 1

Si vous Sentez une Odeur de Gaz 1

Ventilation 1

Sécurité Personnelle 1

Entretien de la cuisine 2

Nettoyage 2

2. Vue d'ensemble de la cuisine 3

Brûleurs de table de cuisson 3

Bruleur de wok 4

Plaque à griller (option) 5

Gril Coulissant « Glide-out » 6

Fours 6

Accessoires 9

Eclairage du four principal 10

Rangement 10

3. Conseils pour la Cuisson 11

Conseils pour la Fours Multifonction 11

Conseils généraux pour la cuisson au four 11

4. Cuisson de la table 12

5. Nettoyage de la Cuisinière 13

Informations Importantes 13

Bruleurs de Table de Cuisson 13

Brûleurs Mono-élément 13

Bruleur de Wok 13

Support Spcial de Wok 14

Plaque à Griller 14

Gril Coulissant 14

Panneau de Commande et Portes 15

Fours 15

Tableau Nettoyage 16

6. Dépannage 17

7. Installation 19

A l'intention de l'installateur 19

Mesures et règlements de sécurité 19

Ventilation 19

Emplacement de la cuisineire 19

Modification 19

Positionnement de la cuisineire 21

Déplacement de la cusinière 21

Baissez les deux galets arriere 22

Exécution du mouvement 22

Montaged'undispositifstabilisateur 22

Repositionnement de la cuisine 23

Modification en vue de l'utilisation 23

d'un autre gaz 23

Mise à niveau 23

Montage la balustrade 23

Raccordement de l'alimentation en gaz 24

Raccordement electrique 24

Montage de la plinthe 25

Conseils à la clientèle 25

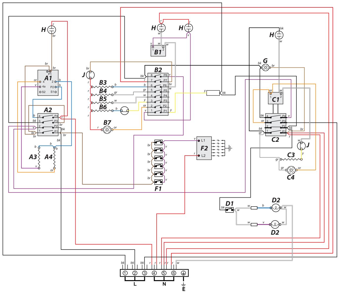
8. Schémas de câblage 26

9. Fiche technique 27

1. Avant de Commencer…

Nous vous remercions d'avoir acheté cette cusinière. Installée et utilisée correctement, cette cusinière vous donna de nombreuses années de service fiable. Il est important de dire la presente section avant de commencer, en particulier si vous n'avez jamais utilisé de cusinière mixte.

Important!

FALCON ELS 110 DF WH/-EU BLANC - Important! - 1

Cet apparéil est donc uniquement pour un usage domestique. Toute autre utilisation n'engage ni la responsabilité, ni la garantie du fabricant. En particulier, n'utilise PAS le four pour chauffer la cuisine – non seulement cette pratique invalidera les réclamations, mais elle constituya un gaspillage d'énergie et un risque de surchauffe des boutons de commande.

FALCON ELS 110 DF WH/-EU BLANC - Important! - 2

Cette cuisinière est un apparéil électroménager de classe 1.

Installation et Entretien

Son installation doit être conforme aux instructions appropriées des générées et satisfaire à la réglementation nationale et locale en vigueur, ainsi qu'aux prescriptions des compagnies de gaz et d'électricité locales.

Vérifiez que l'alimentation en gaz est en service et que la cuisine est raccordée à l'alimentation électrique et sous tension (la cuisine a besoin d'électricité).

La cusinière doit faire l'objet d'un entretien effectué par un technicien d'entretien qualifié, lequel doit utiliser uniquement des pieces de rechange approvées.

Laissez toujours la cusinière refroidir et mettez-la hors tension avant de la nettoyer ou d'effectuer une intervention d'entretien, sauf indication contraire dans les prsentes instructions.

Odeur de Neuf

Une légère odeur de neuf peut se dégager lors de la première utilisation de la cusinière. Elle disparaître rapidement à l'utilisation.

Avant la première utilisation de l'appareil, assurez-vous qu'il ne resteaucun matériel d'emballage,puisreglezlesfoursur 200^ etfaites-les marcherpendantuneheureafindeliminer I'odeur de neuf.

Avant la première utilisation du grill, allumez-le et faites-le marcher pendant 15 minutes, avec la lèchefrite bien en place, et en laissant la porte du grill ouverte.

Veillez à ce que la pièce soit bien ventilée (voir « Ventilation » ci-dessous). Il est recommendé aux personnes souffrant de problèmes respiratoires ou d'allergies de quitter la pièce pendant ce temps.

Sivous Sentez une Odeur de Gaz

N'actionnezaucuninterrupteurélectrique,ni pour allumer,ni pour éteindre.
- Ne fumez pas.
N'tutilisez pas de flammes hues.
- Coupe le gaz au compteur ou au niveau de la bouteille de gaz.
Ouvrez portes et fenêtres pour évacuer le gaz.
Eloignez toute personne de l'endetroit concerné.
- Appelez votre fournisseur de gaz.

Ventilation

L'utilisation d'un apparéil de cuisson produit de la chaleur et de l'humidité dans la piece contenant l' apparéil. Par conséquent, veillez à ce que la cuisine soit bien ventilée. Laissez les ouvertures de ventilation naturelle ouvertes ou installez une hotte aspirante à évacuation extérieure. En cas d'utilisation simultanée de plusieurs brûleurs ou d'utilisation prolongée de la cusinière, ouvrez une fenêtre ou mettez en marche une hotte aspirante.

Sécurité Personnelle

Appareil ne DOIT PAS estre modifie.
A Cet apparéil n'est pas prévu pour être utilisé par des personnes (y compris des enfants) dont les capacité physiques, sensorielles ou mentalles sont réduites, ou par des personnes manquant d'expérience ou de connaissances, sauf si elles ont pu bénéficiair, par l'intérémière d'une personne responsable de leur sécurité, d'une surveillance ou d'instructions préalables concernant l'utilisation de l'appareil.
N'utilise PAS de nettoyeur à vapeur sur votre cuisinière.
Les parties accessibles de la cusinière deviennent chaudes lorsque celle-ci est en marche et resteront chaudes même après la cuisson. Ne laissez pas les bébés et les enfants s'approcher de la cusinière et ne portez jamais de vêtements amples ou flottants lors de l'utilisation de la cusinière.

Vérifiez toujours que les commandes sont sur la position Arrêt [OFF] lorsque le four n'est pas en marche et avant de nettoyer la cuisineire.

A Lorsque le four est en marche, ne laissez PAS la portedu four ouverte plus longtemps que nécessaire,afin de prévenir une surchauffe des boutons decommande.
Lors de l'utilisation du grill, veillez à ce que la l'échefrite soit en place et insérée à fond dans l'enceinte du grill, ici pour prévenir le risque de surchauffe des boutons de commande.

François

A Notez que cet appeareil electroménager possede un ventilateur. Lorsqu'un four ou une grille est en fonctionnement le ventilateur fonctionnera pour refroidir la commande et les boutons de commandes.

Veillez à ce que les matériaux combustibles, (rideaux, liquides inflammables, etc.) soient toujours suffisamment éloignés de la cuisine.

N'utilise PAS d'aerosols à proximé de la ciusinière lorsque celle-ci est en marche.

Au besoin, utilisez des gants isolants secs - l'emploi de gants humides risque de cause des brûlures dues à la vapeur lors du contact avec une surface chaude. N'utilisez pas de torchon ou autre chiffon écais à la place d'un gant isolant - ils risquent de d'enflammier au contact d'une surface chaude.

Ne faites jamais fonctionner la cusinière avec les mains mouillées.
A Ne recouvre pas les grilles, les panneaux internes ou la voûte du four de papier aluminium.
Ne chauffez jamais des récipiens alimentaires qui n'ont pas été ouverts. La pression accumulée à l'intérieur des récipiens peut les faire éclater et blesser l'utilisateur.
A N'utilisez pas des casseroles instables. Tournez toujours les manches des recipients de cuisson vers l'intérieur de la table de cuisson.
N'UTILISEZ PAS de récipiens de cisson de diamètre supérieur à celui du foyer.

Ne laissiez jamais la table de cuisson en marche sans surveillance si les brûleurs sont régliés sur maximum. Le débordement des recipients peut produit de la fumée et des taches de gras qui risquent de s'enflammer. Si possible, utilisez un thermomètre à bain de friture pour prévenir une surchauffe de l'huile au-delà du point de fumée.
Ne laissiez jamais une friteuse sans surveillance. Faites toujours chauffer l'huile lentement, en la surveillant. Les friteuses ne doivent être remplies qu'à un tiers de leur capacité. Une friteuse trop pleine peut déborder lorsqu'on y plonge des alimentés. Si vous utilisez un mélange d'huile et de graisse pour la friture, mélangez-les avant de chauffer, ou pendant la fonte des graisses.

Les alimentés à frire doivent être le plus sec possible. La présence de cristaux de glace sur des alimentés congelés ou d'humidité sur des alimentés frais peut provoquer une ébullition et un débordement de l'huile. Surveilliez attentivement pour prévenir les débordements et la surchauffe pendant la friture à haute ou moyenne température. N'essayez jamais de déplacer un recipient de cuisson contenant de l'huile chaude, en particulier une friteuse. Attendeze que l'huile ait refroidi.

Lorsque le grill est en marche, ne vous servez pas de la grille d'évacuation (la grille le long de la partie arrêté de la cusinière) pour réchauffer des assiettes ou des plats, sécher des torchons ou ramollir du beurre.

N'utilisez pas d'eau pour eteindre les incendies dus à la graisse et ne soulevez jamais un reciipient de cuisson qui a pris feu. Eteignez la cusinière et etouffez un reciipient qui a pris feu sur une table de cuisson en le recouvrant complètement avec un couvercle de taille appropriée ou une plaque de cuisson. Si possible, utilisez un extincteur à poudre chimique ou à mousse de type polyvalent.

La cuisson d'aliments à haute teneur en eau peut produit une « bouffée de vapeur » à l'ouverture de la porte du four. Lorsque vous ouvre la porte du four, reculez-vous et attendez que la vapeur se soit dissipée

FALCON ELS 110 DF WH/-EU BLANC - François - 1

Veillez à prévenir toute infiltration d'eau dans l'appareil.

Cet apparéil est lourd; prenez garde lorsque vous le déplacez.

Entretien de la cuisineire

En raison de la condensation de vapeur pendant la cuisson, vous devrez peut-etre essuyer (avec un chiffon doux) des gouttelettes d'eau presents sur la garniture extérieure du four. Cette précaution contribuera également à prévenir les taches et la décoloration de l'extérieur du four dues aux vapeurs de cuisson

Nettoyage

Pour des raisons d'hygiene et de sécurité, la cusinière doit toujours être propre, afin de prévenir le risque d'incendie causé par l'accumulation de graisse et autres particules alimentaires.

Nettoyez uniquement les composants indiqués dans les prsentes instructions.

Nettoyez avec précaution. Si vous utilisez une éponge ou un chiffon humide pour essuyer des taches sur une surface chaude, prenez garde au risque de brûlures par la vapeur. Certains produits nettoyants peuvent produit des vapeurs nocives au contact d'une surface chaude.

2. Vue d'ensemble de la cusinière

FALCON ELS 110 DF WH/-EU BLANC - Vue d'ensemble de la cusinière - 1

La cusinière à gaz avec four électrique 110 (Fig.2-1) possède les caractéristiques suivantes:

A. 6 brûleurs de table de caisson (Dont 2 brûleurs wok)
B. Un panneau de commande
C. Un grill coulissant
D. Un four multifonctions principal
E. Un four ventilé
F. Un tiroir de rangement

Brûleurs de table de cisson

Le schéma à côté de chaque bouton indique le brûleur associé à ce bouton.

Chaque brûleur est doté d'un dispositif de sécurité spécial qui coupe l'alimentation en gaz en cas d'extinction de la flamme.

Lorsque you appuyez sur un bouton de la table de cuisson, une étincelle se produit à chaque brûleur – ce qui est tout à fait normal. N'essayez jamais de démonter ou de nettoyer autour d'un brûleur lorsqu'un autre brûleur est allumé. Vous risqueriez de receivevoir une décharge électrique.

Pour allumer un brûleur, appuyez sur le bouton de commande associé et mettez-le sur le symbole grande flamme (♦) (Fig.2-2).

FALCON ELS 110 DF WH/-EU BLANC - Brûleurs de table de cisson - 1

François

FALCON ELS 110 DF WH/-EU BLANC - François - 1
Fig.2-3

FALCON ELS 110 DF WH/-EU BLANC - François - 2
Fig.2-4
Fig.2-5

FALCON ELS 110 DF WH/-EU BLANC - François - 3

FALCON ELS 110 DF WH/-EU BLANC - François - 4
Fig.2-6

FALCON ELS 110 DF WH/-EU BLANC - François - 5
Fig.2-7

FALCON ELS 110 DF WH/-EU BLANC - François - 6
Fig.2-8

Le dispositif d'allumage produit une étincelle et allume le gaz. Continuez d'appuyer sur le bouton pendant quelques secondes pour permettre l'arrivée du gaz dans le brûleur.

Si le brûleur s'éteint lorsque vous relâchéze le bouton de commande, le dispositif de sécurité n'a pas été enclenché. Mettez le bouton de commande sur la position Arrêt [Off] et attendez une minute avant d'essayer de nouveau, en appuyant un peu plus longtemps sur le bouton.

Tournez le bouton en sens anti-horaire pour régler la hauteur de flamme (Fig.2-3). Sur cette cusinière, la position minimum est au-delà de la position maximum, et non pas entre position maximum et arrêt. Le symbole petite flamme indique le réglage minimum.

Si la flamme d'un brûleur s'éteint, mettez le bouton de commande sur la position Arrêt [Off] et attendez une minute avant de rallumer.

Veillez à ce que les flammes ne dépassent pas des recipients de cuisson. Utilisez un couvercle sur les recipients de cuisson pour porter à ébullition plus rapidement (Fig.2-4).

Veillez à ce que les recipients de cuisson de grande taille soient bien espacés entre eux.

N'utilissez pas de casseroles ou marmites à fond concave ou à fond à rebord incurve vers le bas (Fig.2-5).

L'utilisation de dispositifs de mjotage, de type plaques d'amiate ou plaques métalliques, est DECONSEILLEE (Fig.2-6). Ces dispositifs diminueront les performances de la cuisinière et risquent d'endommager les grilles de la table de cuisson.

N'utilise pas des recipients de cuisson instables ou déformés susceptibles de se renverser, ni des recipients de cuisson à fond de très petit diamètre (casseroles à lait, pocheuses individuelles, etc.) (Fig.2-7).

Le diamètre minimum recommendé pour les récipients de cuisson est de 120mm . Le diamètre maximum pour les récipients de cuisson est de 250mm .

N'UTILISEZ PAS de recipients de cuisson de diamètre supérieur à celui du foyer.

Brûleur de wok

Le brûleur de Wok (coup de feu) est donc pour fournir une chaleur uniforme sur une grande surface. Il est parfait pour les grandes poèles et la friture rapide à feu vif (Fig.2-8).

Les petits brûleurs sont plus adaptés aux réciPIents de cuisson plus petits.

Les composants du brûleur sont démontables pour faciliter le nettoyage. Voir « Nettoyage de la cuisine »

En cas de débordement, essuyezès que possible la surface émaillée autour des brûleurs de la table de cuisson. Tâchez d'essuyer la substance renversée pendant que l'émail est encore chaud.

Remarque: Les écipients en aluminium peuvent laisser des traces métalliques au niveau des grilles de la table de cuisson. Ces traces sont sans incidence sur la durabilité de l'email et peuvent être éliminées à l'aide d'un nettoyant pour métaux.

Support spécial de wok

Le support spécifique de wok est donc pour permettre l'utilisation d'un wok professionnel de 35 cm. Si vous utilisez un autre modèle de wok, vérifie qu'il repose correctement sur le support spécifique. Les woks peuvent avoir des tailles et des formes très variées. Il est important que le wok repose correctement sur le support - mais si le wok est trop petit, il ne sera pas bien maintainu en place par le support spécifique (Fig.2-9).

Le support spécial de wok doit être utilisé uniquement sur le brûleur de wok à triple élément. Lorsque vous place le support spécial, vérifie que le wok repose bien sur les barres avant et arrêté et qu'il est bien soutenu par une grille de la table de cuisson. Vérifie que le support spécial est stable et que le wok est placé à niveau sur le brûleur (Fig.2-10).

Le support spécial deviendra très chaud pendant l'utilisation – laissez-le refroidir suffisamment longtemps avant de le retirer.

Plaque à griller (option)

La plaque chauffante entre dans le support central de la casserole, d'avant en arrêté (Fig.2-11). Elle s'utilise pour la cuisson directe des alimentés. N'utilise pas de écincipents de cuisson sur cette plaque. La plaque à griller a une surface antiadhésive susceptible d'être endommagée par des ustensiles de cuisine métalliques (spatules, par exemple). Utilisé des ustensiles en bois ou en plastique thermorésistant.

FALCON ELS 110 DF WH/-EU BLANC - Plaque à griller (option) - 1

NE LA PLACEZ PAS transversalement - elle sera mal placée et instable. (Fig 2-12).

FALCON ELS 110 DF WH/-EU BLANC - Plaque à griller (option) - 2

NE LA PLACEZ PAS SUR aucun autre brûleur - elle n'est pas conscience pour être placée sur un autre logement de la table de cuisson.

Placez la plaque à griller sur les grilles des brûleurs de la table de cuisson. Vérifié qu'elle est placée correctement.

Avant l'utilisation, vous pouvez enduire la plaque d'une légère couche d'huile à friture (Fig 2-13). Allumez les brûleurs de la table de cuisson et réglez la hauteur de flamme selon les besoins.

Préchauffez la plaque à griller pendant 5 minutes au maximum avant d'y déposer les alimentents. Un préchauffage plus long risque de l'endommager. Pour réduire la chaleur, tournez les boutons de commande vers le réglage inférieur indiqué par le symbole petite flamme.

FALCON ELS 110 DF WH/-EU BLANC - Plaque à griller (option) - 3

Veillez à ce qu'il y ait toujours suffisamment de place autour de la plaque à griller pour permettre l'échéppement des gaz.

FALCON ELS 110 DF WH/-EU BLANC - Plaque à griller (option) - 4

N'utilisez jamais deux plaques à griller côte à côte (Fig 2-14).

Après la cuisson, laissez refroidir la plaque à griller avant de la nettoyer.

FALCON ELS 110 DF WH/-EU BLANC - Plaque à griller (option) - 5

FALCON ELS 110 DF WH/-EU BLANC - Plaque à griller (option) - 6

FALCON ELS 110 DF WH/-EU BLANC - Plaque à griller (option) - 7

FALCON ELS 110 DF WH/-EU BLANC - Plaque à griller (option) - 8

FALCON ELS 110 DF WH/-EU BLANC - Plaque à griller (option) - 9

FALCON ELS 110 DF WH/-EU BLANC - Plaque à griller (option) - 10

François

FALCON ELS 110 DF WH/-EU BLANC - François - 1
Fig.2-15

FALCON ELS 110 DF WH/-EU BLANC - François - 2
Fig.2-16

FALCON ELS 110 DF WH/-EU BLANC - François - 3
Fig.2-17

Tableau 2-1

FonctionUtilisation
DécongélationDécongélation de petites quantités d'aliments dans le four sans chaleur
Four ventiléFonction de cuisson complète, chaleur uniforme; idéale pour la pâtisserie
Gril ventiléGril des viandes et poissons, avec porte du grill fermée
Four ventilé mixteFonction de cuisson complète; parfaite pour les rôts et la pâtisserie
Four conventionnelFonction de cuisson complète pour les rôts et la pâtisserie dans la partie inférieure du four
Elément gratineurPour gratiner les plats recouverts de fromage
Chaleur inférieurePour dorer les fonds de quiches, pizzas ou pâtisseries

Gril Coulissant « Glide-out »

Ouvrez la porte du grill et tirez le support de la lèchefrite vers l'avant à l'aide de la poignée (Fig.2-15).

Le grill a deux éléments qui permettent deCHAuffer la totalité de la lèchefrite ou seulement la partie droite de cette-ci.

Tournez le bouton de commande pour régler la chaleur du grill. Pour un chauffage total, tournez le bouton en sens horsaire (Fig.2-16).

Pour le chauffage de la partie droite, tournez le bouton en sens antihoraire. Le voyant à côté de la commande du grill s'allumera.

Pour deromeurs résultats, faire rentrer le chariot dans la chambre du grill et préchauffer la/les partie(s) appropriée(s) du grill pendant deux minutes. Vous pouvez retirer la grille de la lèchefrite et y déposer les alimentés pendant le préchauffage.

FALCON ELS 110 DF WH/-EU BLANC - Gril Coulissant « Glide-out » - 1

NE LAISSEZ PAS LE GRIL EN MARCHE pendant plus de quelques instantsi si la l'échefrite n'est pas en place sous le gril, ceci pour prévenir le risque de surchauffe des boutons de commande.

Après préchauffage, retirez le support du grill de l'enceinte du grill. Replacez la l'échefrite et réinsérez le support du grill dans l'enceinte du grill. Vérifie qu'il est bien inséré.

FALCON ELS 110 DF WH/-EU BLANC - Gril Coulissant « Glide-out » - 2

Des composants accessibles risquent devenir chauds pendant l'utilisation du grill. Eloignez les enfants de la cuisineire.

La grille de la l'échefrite est réversible pour permettre deux positions de grill (Fig.2-17).

Ne laissiez jamais le grill en marche pendant plus de quelques instants si la l'échefrite n'est pas en place sous le grill.

FALCON ELS 110 DF WH/-EU BLANC - Gril Coulissant « Glide-out » - 3

Ne fermez jamais la porte du grill lorsque celui-ci est en marche.

Fours

Remarque - Les références au four gauche et droit s'entendant vu de l'avant. Le four gauche est un four multifonctions; Le four droit est un four ventilé.

Four multifonctions gauche

Outre le ventilateur de four et l'élement du ventilateur, le four est doté de deux éléments chauffants supplémentaires, l'un visible dans la voûte, et l'autre sous la sole. Veilze à ne pas toucher l'élement supérieur et le déflecteur de l'élement lors de l'insertion ou du retrait des plats dans le four.

Le four Multifonctions a trois fonctions de cuisson principales : cuisson ventilée, cuisson ventilée mixte et cuisson conventionnelle. Utilisez ces fonctions pour effectuer l'essentiel de la cuisson.

L'élement gratineur et la chaleur inférieure peuvent être utilisés en fin de cuisson pour finir certains plats. Utilisez les fonctions grill ventilé pour la cuisson au grill et décongélation pour décongeler de petites quantités d'aliments surgelés.

Le Tableau 2-1 récapitule les modes Multifonctions.

Le four multifonctions permet de nombreuses utilisations variees. Nous vous conseillons de bien surveiller la cuisson jusqu'à ce que vous soyez familiarisé avec chaque fonction. N'oubliez pas: toutes les fonctions ne convennent pas à tous les types d'aliments.

N'oubliez pas: toutes les cusinières sont différentes - les températures de vos nouveaux jours peuvent être différentes de celles de votre ancienne cusinière.

Fonctions du four multifonctions

Décongélation

FALCON ELS 110 DF WH/-EU BLANC - Décongélation - 1

Avec cette fonction, le ventilateur du four brasse uniquement de l'air froid. Il n'y a pas de chaleur.

Cette fonction permet de décongeler des alimentes,

en petites quantités, par exemple des desserts, gâteaux à la crème, morceaux de viande, poisson et volaille.

Ce type de décongélation accélère le processus de décongélation et protège les alimentés des mouches. Placez les morceaux de viande,.POsson et volaille sur une grille, au-dessus d'une plaque prévue pour I'égouttement. N'oubliez pas de nettoyer la grille et la plaque après décongélation.

La porte du four doit être fermée pendant la décongélation.

Des alimentés plus volumineux, tels que des poulets entiers et des rôts, ne doivent pas être décongelés de cette façon. Nous vous conseillons de les décongeler au réfrigérateur.

Ne décongelez pas des alimentés dans un four tiège ou à côté d'un four en marche ou encore chaud.

Vérifiez que les alimentés à base de produits laitiers, la viande et la volaille sont complètement décongelés avant de les cuire.

Four ventile

FALCON ELS 110 DF WH/-EU BLANC - Four ventile - 1

Cette fonction commande le ventilateur et l'élement chauffant autour de celui-ci. Une chaleur uniforme est produit partout dans le four, ce qui permet la

cuisson rapide de grandes quantités d'aliments.

La cuisson par four ventilé est particulièrement utile pour la cuisson simultanée d'aliments sur plusieurs grilles et est une excellente fonction « polyvalente ». Vous devrez peut-être diminuer la température de 10^ environ pour des plats que vous aviez l'habitude de cuire dans un four conventionnel.

Si vous souhaitez préchauffer le four, attendez que levoyant s'éteigne avant demettre le plat au four.

Gril ventilé

FALCON ELS 110 DF WH/-EU BLANC - Gril ventilé - 1

Cette fonction commande le ventilateur pendant que l'élement chauffant supérieur est en marche.

On obtient ainsi une chaleur plus uniforme, moins

intense que celle d'un grill conventionnel. Pour obtenir lesailleurs résultats possibles, placez les alimentes à griller sur une grille sur un plat à roir qui doit être plus petit qu'une l'échefrite de grill conventionnel. Ceci assure une(Meilleure circulation de l'air. Ce type de cuisson est idéal pour les morceaux de viande ou de poisson épais, car la circulation de l'air diminue l'intensité de la chaleur du grill.

La porte du four doit être fermée pendant la cuisson au grill pour éviter un gaspillage d'énergie.

Vous constaterez que vous devrez moins surveiller et tourner les alimentes cuits de cette façon. Ce type de cuisson nécessite un préchauffage du four.

Four ventilé mixte

FALCON ELS 110 DF WH/-EU BLANC - Four ventilé mixte - 1

Cette fonction commande le ventilateur et brasse l'air.
chauffé par les éléments chauffants de la voûte et de la sole du four. Cette fonction, qui combine la cuisson

ventilée et la cuisson conventionnelle (chaleur supérieure et inférieure), est un moyen de cuisson idéal pour les alimentés volumineux (gros roti, par exemple) pour lesquels une cuisson complète est très importante.

On peut également faire cuire des plats simultanément sur deux grilles, mais les plats devront être intervertis pendant la cuisson, car, avec cette fonction, la chaleur est plus intense dans la voûte du four qu'au niveau de la sole.

Ce mode de cuisson est intensif et rapide; surveiliez les alimentents cuits de la sorte jusqu'à ce que vous soyez familiarisé avec cette fonction.

Four conventionnel (chaleur de voûte et de sole)

FALCON ELS 110 DF WH/-EU BLANC - Four conventionnel (chaleur de voûte et de sole) - 1

Cette fonction combine la chaleur fournie par les éléments supérieurs et inférieurs. Elle est particulièrement utile pour la cuisson d'aliments rôtis

et des pâtes à tartes, gâteaux et biscuits.

Les alimentés cuits sur la grille supérieure gratineront et doreront plusrapidement queceux placés sur la grille inférieure car la chaleur est plus intense dans la voute du four qu'au niveau de la sole, comme dans le cas de la fonction « Four ventilé mixte ». Des alimentéssemblables cuits de la sortedevrontetreintervertis pour cuireuniformément.Cette fonction permetdoncdecuire des alimentinsecessitant destempératuresde cuissondifferentes,enutilisantla partie moinschaude dans la partieinférieure du four et la partiepluschaude dans la partie supérieure du four.

Elément gratineur

FALCON ELS 110 DF WH/-EU BLANC - Elément gratineur - 1

Cette fonction utilise uniquement l'élément situé dans la voûte du four. C'est une fonction utile pour gratiner ou finir des gratins de pâtes, des légumes

en sauce et des lasagnes, le plat à gratiner étant déjà chaud avant la mise en marche de l'élement supérieur.

Chaleur inférieure

FALCON ELS 110 DF WH/-EU BLANC - Chaleur inférieure - 1

Cette fonction utilise uniquement l'élément inférieur.
Elle permettra de dorer le fond de votre pizza ou de votre quiche ou de terminer la cuisson d'un fond de

tarte sur une grille inférieure. C'est également une chaleur douce, parfaite pour le mjotage de plats placés au milieu du four ou pour réchauffer des assiettes.

Les fonctions Elément gratineur et Chaleur inférieure sont des adjonctions utiles à votre four et vous permettent de finir vos plats à la perfection. Vous constaterezrapidement que leur utilisation contribue àétendre vos compétencesculinaires.

François

FALCON ELS 110 DF WH/-EU BLANC - François - 1
Fig.2-18
Sélecteur de température
Sélecteur de fonction

FALCON ELS 110 DF WH/-EU BLANC - François - 2
Fig.2-19

FALCON ELS 110 DF WH/-EU BLANC - François - 3
Fig.2-20

FALCON ELS 110 DF WH/-EU BLANC - François - 4
Fig.2-21

Fig.2-22
FALCON ELS 110 DF WH/-EU BLANC - François - 5
A - Vue d'en haut, B - Vue de côté, C - Garde d'étagère, D - Avant Le protège-grille doit être à l'arrière, et pointer vers le haut

Four droit à ventilateur

Le four croit à ventilateur est un four ventilé qui fait circuler de l'air chaud en continu, ce qui permet une cuisson rapide et plus constante.

En général, les températures de cisson recommendées pour un four ventilé sont plus basses que celles pour un four conventionnel.

N'oubliez pas: toutes les cusinières sont différentes - les températures de vos nouveaux jours peuvent être différentes de celles de votre ancienne cusinière.

Fonctionnement du four

Fonctionnement du four multifonction à gauche

Le four multifonctions est doté de deux commandes, un sélecteur de fonction et un bouton de réglage de température (Fig.2-18).

Tournez le sélecteur de fonction pour lemettre sur une fonction de cuisson. La Fig.2-19 montre le réglage pour la cuisson au four à convection.

Mettez le bouton de réglage de température du four sur la température requise (Fig.2-20).

Levoyant du four restera allumé jusqu'à ce que le four atteigne la température requise. Le système démarre alors un cycle de marche-arrêt puisque le four maintainé la température sélectionnée (Fig.2-21).

Fonctionnement du four ventilé à droite

Mettez le bouton du four sur la température requise (Fig.2-20).

Levoyant du four restera allumé jusqu'à ce que le four atteigne la température requise. Il s'allumera et s'éteindrapendant la cuisson (Fig.2-21).

Accessoires

Grilles de four

Outre la grille plate (Fig.2-22), certains modèles sont fournis avec une grille surbaissée (Fig.2-23), qui augmente les possibités d'espacement entre les grilles de four.

Les grilles de four peuvent etre facilement retirées et remises en place.

Tirez la grille vers l'avant jusqu'à ce que l'arrière de la grille soit arrêté par les butées d'arrêt latérales du four (Fig.2-24).

Soulevez l'avant de la grille pour faire passer l'arrière de la grille sous la butée d'arrêt, puis tirez la grille vers l'avant (Fig.2-25).

Pour remettre la grille en place, mettez la grille à niveau avec une glissière latérale du four, puis insérez la grille à fond jusqu'à ce que les extrémités soient en contact avec la butée d'arrêt de la grille. Soulevez l'avant de la grille pour que les extrémités poussent dépasser les butées, puis abaissez l'avant pourmettre la grille à l'horizontal, avant de l'insérer à fond (Fig.2-26).

Le Handyrack (Fig.2-27) se monte uniquement sur la portedu four gauche. Il est facile de surveiller les alimentés faisantainsi car vous pouzey acceder lorsque la porte est ouverte.

Le Handyrack peut supporter un poids maximum de 5,5 kg. Il ne doit être utilisé qu'avce le plat à rôtir fourni, qui est spécialement concu pour être utilisé avec le Handyrack. Tout autre récipient de cuisson risque d'être instable.

Vous pouvez le monter sur deux positions. Retirez une des grilles et placez l'autre selon les besoin.

Lorsque le Handyrack est utilisé sur sa position supérieure, d'autres plats peuvent être cuits sur une grille placée à la position inférieure ou placée directement sur la sole du four.

Lorsque le Handyrack est utilisé sur sa position inférieure, d'autres plats peuvent être cuits sur une grille placée à la deuxième position du four ou directement sur la sole du four.

Pour monter le Handyrack, placez un côté sur le support de la porte (Fig.2-28): extraire l'autre côté pour l'accrocher sur l'autre support (Fig.2-29).

FALCON ELS 110 DF WH/-EU BLANC - Grilles de four - 1

FALCON ELS 110 DF WH/-EU BLANC - Grilles de four - 2

FALCON ELS 110 DF WH/-EU BLANC - Grilles de four - 3

FALCON ELS 110 DF WH/-EU BLANC - Grilles de four - 4

FALCON ELS 110 DF WH/-EU BLANC - Grilles de four - 5

François

FALCON ELS 110 DF WH/-EU BLANC - François - 1
Fig.2-30

FALCON ELS 110 DF WH/-EU BLANC - François - 2
Fig.2-31

FALCON ELS 110 DF WH/-EU BLANC - François - 3

FALCON ELS 110 DF WH/-EU BLANC - François - 4
Fig.2-32

FALCON ELS 110 DF WH/-EU BLANC - François - 5
Fig.2-33

Eclairage du four principal

Appuyez sur le bouton approprié pour allumer l'éclairage du four (Fig.2-30).

Si l'éclairage est défectueux, mettez la cusinière hors tension avant de changer l'ampoule. Pour des informations détaillées sur la façon de changer une ampoule de four, reportez-vous à la section « Dépannage »

Rangement

Le tiroir inférieur permet le rangement des plaques de cuisson et autres ustensiles de cuisine. Il peutdeerir très chaud; n'y rangez pas des objets susceptibles de fondre ou de s'enflammer.

Pour retirer le tiroir, tirez vers l'avant (Fig.2-31).

Poussez les extrémités des attaches en plastique – vers le bas du côté gauche et vers le haut du côté droit – pour relâcher les taquets qui reliennent le tiroir sur les rails latéraux (Fig.2-32). En même temps, tirez le tiroir hors des rails latéraux.

Par sécurité, repoussez les glissières du tiroir.

Pour remonter le tiroir de la cusinière, tirez sur les glissières laterales. Poussez soigneusement le tiroir entre les glissières et déposez-le sur les glissières laterales.

En soutenant l'avant du tiroir de chaque côté, tirez sur la glissière latérale pour que les dispositifs de maintainien s'enclenchent afin demaintenir le tiroir sur les glissières (Fig.2-33).

3. Conseils pour la Cuisson

Conseils pour la Fours Multifonction

N'oubliez pas : toutes les fonctions ne convennent pas à tous les types d'aliments. Les températures du four et les temps de cuisson sont fournis à titre indicatif uniquement.

Conseils généraux pour la cuisson au four

Veillez à ce que les grilles soient toujours insérées à fond dans le four.

Placez les plaques de cuisson, plats à rôtir, etc., à niveau, au centre des grilles du four. Placez les autres plats au centre sur les grilles. Eloignez les plaques et les plats de cuisson des bords du four, afin de ne pas trop dorer les alimentés.

Pour dorer un plat uniformément, il est recommendé d'utiliser une plaque de cuisson de dimensions maximales de 340mm× 340mm

Lorsque le four est en marche, NE LAISSEZ PAS la portedu four ouverte plus longtemps que nécessaire, afin deprévenir une surchauffe des boutons de commande.

  • Laissez toujours un « doigt de largeur » entre des plats placés sur une grille de four. Ceci afin de facilititer la circulation de chaleur autour des plats.
    Pour réduire les projections grasses lorsque vous ajoutez des légumes dans laGRAISSÉchaude autour d'un roti, séchez soigneusement les légumes ou enduisez-les d'un peu d'huile à friture.
  • Placez les plats susceptibles de bouillir et déborderpendant la cuisson sur une plaque de cuisson.
    Le four produit assez de chaleurpendant la cuisson pour rechauffer des assiettes placées dans l'enceinte du grill.
    Si vous souhaitez dorer un fond de tarte, préchauffez une plaque de cuisson pendant 15 minutes avant de placer le plat au centre de la plaque.

4. Cuisson de la table

Les températures du four et les temps de cuisson sont fournis à titre indicatif uniquement. En fonction des goûts de chacun, les températures devront peut-être être modifiées dans un sens ou dans l'autre, pour obtenir les résultats que vous recherchez.

Dans un four ventilé les plats sont cuits à une température plus basse que dans un four traditionnel. Lorsque vous suivez une recette, réduisez la température indiquée de 10^ et le temps de cuisson de 5-10 minutes. La température dans un four ventilé ne varie pas selon la position dans le four - vous pouvez donc utiliser n'importe chaque grille.

FALCON ELS 110 DF WH/-EU BLANC - Cuisson de la table - 1

Température Four

Conventional ^ C

Position

de grille

Température

Four Ventile ^ C Temps de Cuisson Approximatif

Bceuf160C15030-35 minutes par 500g +30-35 minutes.Farcietrouledé Ajoutezapproximativement 10 minutes/500gaux temps de cuisson ci-dessus oufaites cuire à 200°C pendant 20minutes, puis à 160°C pendant lereste de la cuisson.
200C19020-25 minutes par 500g +20-25 minutes.
Agneau160C15030-35 minutes par 500g +30-35 minutes.
200C19020-25 minutes par 500g +20-25 minutes.
Porc160C15035-40 minutes par 500g +35-40 minutes.
200C19025-30 minutes par 500g +25-30 minutes.
VolailléeVolaillefarcie-Cuisson à 200°C ou à200°Cpendant 20 minutes,puis à160°Cpendant le resté de la cuisson.Preémballée(fraîche ou congelée):Suivres les temps de cuisson indiquéssur l'emballage.Avant la cuisson,decongelezcompletement les rotis et volaillescongeles.
Poulet160C15020-25 minutes par 500g +20-25 minutes.
200C19015-20 minutes par 500g +15-20 minutes.
Dinde160C15025-30 minutes par 500g +25-30 minutes.
200C19020 minutes par 500g +20 minutes.
Canard160C15025-30 minutes par 500g.
200C19020 minutes par 500g.
Plat braisé140-150C130-1402-4 heures selon la recette.
Poisson
190C180Filet 15-20 minutes. Morceau entier 15-20 minutes par 500g.
190C180Morceau entier 10 minutes par 500g +10 minutes.
190C180Steaks selon l'épaisseur.Avec un four traditionnel: lorsque lacuisson est aux deux tiers, laissez au moins un espace de coullisse entre lestabletes.Placelez plateau de cuisson avec lapartie antérieure à l'avant de la tablettedu four.Lors de la cuisson à deux étages, lesplaques doivent être inversées aprèsenviron la moitié du temps de cuisson.
Gâteau
Cake 100% fruits confits140C/B13045-50 minutes par 500g de pâté.
Fruits 180mm150C/B1402-2,5 heures.
Fruits 230mm150C/B1403,5 heures.
Gâteau quatre quarts 180mm180C17020-30 minutes.
Desserts
Tarte pâté brisée200C19030-40 minutes.
Tourtes aux fruits180C17030-40 minutes permutation après 25 minutes.
Tartelettes180C17015-20 minutes.Les trois tiers peuvent être cuits dansun four ventilé en même temps, maisveilles laisser au moins un espace decouissèentre chaque tablette surlaquelle vous faites cuire.
Pâté feuilletée220C21020-40 minutes selon la taille.
Meringues100C902-2,5 heures selon la taille.
Pain220C21020-30 minutes.

5. Nettoyage de la Cuisinière

Informations Importantes

Avant un nettoyage complet, mettez la cuisinière hors tension. Laissez-la refroidir.

N'utilise jamais de solvants pour peinture, de cristaux de soude, de nettoyants caustiques, de poudres biologiques, d'eau de Javel, de nettoyants chlorés, ni de produits abrasifs à gros grain ou de sel. Ne mélangez pas plusieurs produits nettoyants, car ils risquent de réagir entre eux et d'avoir des effets nocifs.

Toutes les parties de la cuisine ne peuvent etre lavées à l'eau savonneuse chaude - mais voirlez a prévenir toute infiltration d'eau dans I'appareil.

N'oubliez pas de mesure de l'électricité avant de réutiliser la cuisine.

Brûleurs de Table de Cuisson

Certains modèles ont un anneau de garniture séparé qui se place sur la tête du brûleur.

Les têtes et chapeaux de brûleurs sont démontables pour faciliter le nettoyage. Vérifié qu'ils sont complètement secs avant de les remettre en place.

Brûleurs Mono-élément

Lors de la remise en place de la tête du brûleur, assurez-vous que l'encoche est en face de l'électrode ou du trou sur le socle. Vérifie que la tête du brûleur est à niveau et que le chapeau est bien centré sur la tête du brûleur (Fig.5-1).

Brûleur de Wok

Le brûleur de Wok est un peu plus complexe mais est aussi démontable à des fins de nettoyage.

Lors du remontage des éléments du brûleur de Wok (Fig.5-2), returnez l'anneau de garniture et repérez la partie en forme de « D » (Fig.5-3). Tournez la tête jusqu'à ce que le « D » corresponde à celui situé sur le socle du brûleur. Retournez la tête et placez-la sur le socle du brûleur.

Pour monter le petit brûleur interne, repérez la grande encoche d'électrode sur le bord du brûleur. Alignez-la sur l'électrode d'allumage blanche et placez le brûleur interne sur le grand annexe du socle (Fig.5-4).

Montez les deux chapeaux de brûleur, en vérifiant qu'ils sont placés correctement.

Assurez-vous que les orifices de brûleur ne sont pas obstrués. En cas d'obstruction des orifices, retirez les particules tenaces à l'aide d'un bout de fusible.

FALCON ELS 110 DF WH/-EU BLANC - Brûleur de Wok - 1
A-Chapeau, B-Tete, C-Encoche, D-Socle, E-Electrode

FALCON ELS 110 DF WH/-EU BLANC - Brûleur de Wok - 2
Fig.5-2

FALCON ELS 110 DF WH/-EU BLANC - Brûleur de Wok - 3
A - Chapeau de brûleur interne, B - Chapeau de brûleur externe, C - Tête de brûleur interne, D - Tête de brûleur externe, E - Socle de brûleur de Wok

FALCON ELS 110 DF WH/-EU BLANC - Brûleur de Wok - 4

FALCON ELS 110 DF WH/-EU BLANC - Brûleur de Wok - 5
A - Encochrome, B - Electrode allumage

François

FALCON ELS 110 DF WH/-EU BLANC - François - 1
Fig.5-5

FALCON ELS 110 DF WH/-EU BLANC - François - 2
Fig.5-6

FALCON ELS 110 DF WH/-EU BLANC - François - 3
Fig.5-7

FALCON ELS 110 DF WH/-EU BLANC - François - 4
Fig.5-8

FALCON ELS 110 DF WH/-EU BLANC - François - 5
Fig.5-9

Support Spécial de Wok

Il est recommandé d'utiliser de l'eau savonneuse chaude, un tampon recureur savonnex humide, un produit de nettoyage semi-liquide ou un tampon recureur en nylon pour le nettoyage.

Plaque à Griller

Nettoyez toujours la plaque à griller après usage. Attende qu'elle soit complètement refroidie avant de la retirer. Plongez la plaque dans de l'eau savonneuse chaude. Utilisez un chiffon doux ou, dans le cas de taches tenaces, une Brosse à vaisselle en nylon.

Remarque: si la plaque chauffante est lavée dans un lavevaisselle, il est possible que des résidus apparaisent à l'arrête. Ceci est normal et n'affectora pas les performances de votre plaque chauffante.

Gril Coulissant

FALCON ELS 110 DF WH/-EU BLANC - Gril Coulissant - 1

Avant de retarder des composants du grill pour les nettoyer, assurez-vous qu'ils ont refroidi ou protégéz-vous avec des gants isolants.

La lèchefrite et le support sont amovibles pour faciliter le nettoyage.

Lavez la lèchefrite et la grille à l'eau savonneuse chaude.

Après les grillades de viandes ou d'aliments salissants, faites tremper dans l'évier, pendant quelques minutes, immédiatement après la cuisson. Les taches tenaces sur la grille peuvent être enlevées à l'aide d'une brosse en nylon.

La l'échefrite peut aussi être lavée au lave-vaisselle.

Procedez comme suit pour-retirer la lèchefrite à des fins de nettoyage. Pour-retirer le support de la lèchefrite, tirez la lèchefrite vers l'avant (Fig.5-5).

Soulevez la lèchefrite du support. Le support est maintainu sur les glissières laterales par deux clips de chaque côté (Fig.5-6).

Pour chaque côté, soutenez la glissière latérale d'une main et, de l'autre, soulevez le support pour le dégager des clips lateraux (Fig.5-7).

Par sécurité, repoussez les glissières laterales dans l'enceinte du grill.

Pour faciliter le nettoyage de l'enceinte du gril, vous pouvez-retirer les glissières laterales en les decrochant des cotsés de l'enceinte (Fig.5-8) et essuyer les cotsés avec un chiffon doux imbibé de détergent doux.

NE LAVEZ PAS les glissières laterales au lave-vaissette.

Après nettoyage, raccrochez les glissières laterales sur les côtes de l'enceinte du grill. Pour remonter le support, tirez les glissières laterales vers l'avant, et, pour chaque côté, soutenez la glissière et appuyez sur le support pour le réinsérer dans les glissières. Replacez la l'échéfrite. Lors de la remise en place de la l'échéfrite, assurez-vous que le bord large est à l'avant (Fig.5-9).

Panneau de Commande et Portes

N'utilise pas des produits nettoyants abrasifs, y compris des produits nettoyants semi-liquides, sur les surfaces en acier inoxydable brossé. Les mêleurs résultats s'obtiennent avec des détergents liquides.

Le panneau et les boutons de commande doivent uniquement être nettoyés avec un chiffon doux imbibé d'eau savonnuse chaude – mais prenez garde à ce qu'aucun excédent d'eau ne s'infiltré dans l'appareil. Essuyez avec un chiffon propre puis astique avec un chiffon sec.

Fours

Panneaux autonettoyants du four

Les jours sont dotés de panneaux amovibles à revêtement émailé qui sont partiellement autonettoyants. Ceci n'empêche pas complètement la formation de taches sur le revêtement, mais réduit le nettoyage manuel nécessaire.

Le nettoyage automatique des panneaux est plus efficace à une température supérieure à 200^ . Si, en général, vous utilisez le four à des températures inférieures, retirez occasionallyment les panneaux et essuyez-les avec un chiffon non pelucheux imbibé d'eau savonneuse chaude. Séchez et replacez les panneaux dans le four chauffé à 200^ pendant environ une heures. Ceci assurera un bon fonctionnement des panneaux autonettoyants.

N'utilise pas de paille de fer ou tout autre matériel susceptible de rayer la surface.

Enlever les revêtements du four

Certains panneaux internes de four sont amovibles afin de permettre leur nettoyage. Retirez d'abord les grilles du four.

Chaque panneau latorial est maintainu en place par quatre vis de fixation. Les panneaux peuvent etre retirés sans avoir à enlever les vis. Soulevez chaque panneau latorial pour le décrocher des vis (Fig.5-10). Tirez-le ensuite vers l'avant.

Après retrait des panneaux internes, vous pouvez nettoyer l'intérieur émailé du four.

FALCON ELS 110 DF WH/-EU BLANC - Enlever les revêtements du four - 1

François

Tableau Nettoyage

Les produits nettoyants indiqués sont en vente dans les supermarchés ou les magasins d'accessoires électriques. Pour les surfaces émaillées, utilisez un produit nettoyant recommandé pour l'émail vitrifé.

Un nettoyage régulier est recommandé. Pour faciliter le nettoyage, essuyez les taches immédiatement.

Pour éviter les projections grasses dans le four, recouvre les rôts de papier aluminium ou utilisez un sac de cuisson. Enduisez les légumes de matière grasse avant de les placer autour de la viande.

Table de cuisson

ComposantFinitionMéthode de nettoyage recommendée
Surface de la table de cuissonEmail ou acier inoxydableEau savonneuse chaude, chiffon doux. FrottezDoucement avec un tampon à récurer en nylon pour éliminer les taches tenaces.
Plaques électriques étanchesFonteNettoyz la rouille et les résidus alimentaires à l'aide d'un tampon à récurer en païle de fer savonnoux en frottant dans le sens du grain. Rincez et laissez sécher. Utilisez un produit rénovateur pour plaques de cuisson (en vente dans les magasin d'accessoires électriques) pour rénover la couleur et protégger les plaques.
Table de cuisson céramique/inductionVerre tempéEau savonneuse chaude, nettoyant crème/tampon à récurer si nécessaire.
Plaque à griller (selon les modèles)Surface antiadhésiveLaissez refroidir. Lavez à l'eau savonneuse chaude. N'utilise pas de produits nettoyants/tampons abrasifs. Lave-vaiselle.
Zone de réchauffage (selon les modèles)Verre tempéEau savonneuse chaude, nettoyant crème/tampon à récurer si nécessaire.
Extrieur de la cusinière
ComposantFinitionMéthode de nettoyage recommendée
Porte, pourtour de portet extérieur du tiroir de rangementEmail ou peintureEau savonneuse chaude, chiffon doux.FrottezDoucement les tâches tenaces avec un détergent liquide.
Acier inoxydableChiffon multi-uses en microfibre (supermarché)
Côtés et plintheSurface peinteEau savonneuse chaude, chiffon doux.
Dosseret / Grille arrêteEmail ou acier inoxydableEau savonneuse chaude, chiffon doux. Nettoyez soigneusement avec un produit nettoyant semi-liquide, si nécessaire.
Panneau de commandePeinture, émail ou acier inoxydableEau savonneuse tiège. N'utilise pas de produits nettoyants abrasifs sur les caractères.
Boutons de commande/poignées et garnituresPlastique/chrome ou cuivreEau savonneuse tiège, chiffon doux.
LaitonProduit de polissage pour laiton (supermarché).
Vitre de porte de four / Couvercle en verreVerre tempéEau savonneuse chaude, nettoyant crème/tampon à récurer si nécessaire.
Four et Grill
ComposantFinitionMéthode de nettoyage recommendée
Parois, sole et voûte du four - PAS les PANNEAUX AUTONETTOYANTS (voir ci-dessous)EmailTout produit nettoyant pour four utilisable avec l'émail. ATTENTION : PRODUITS NETTOYANTS CORROSIFS/CAUSTIQUES POUR FOURS : SUIVEZ LES INSTRUCTIONS DU FABRICANT.Evitez tout contact avec les éléments du four.
Panneaux autonettoyants de four (selon les modèles)Email spécifique partiellement autonettoyantCette surface est autonettoyante à 200 °C ou plus; vous pouze également retarder les panneaux et les nettoyer à l'eau savonneuse chaude et avec une Brosse en nylon.
Grilles de four, Handyrack, grille de l'echefrite, HandygrillChromeTout produit nettoyant pour four utilisable avec le chrome. Tampon à récurer savonneux. Lave-vaiselle.
L'echefrite/Plat à viande (selon les modèles)EmailEau savonneuse chaude. Tampon à récurer savonneux. Lave-vaiselle.

6. Dépannage

Défaillance de l'allumage ou des brûleurs de la table de cuisson

L'appareil est-il sous tension? Si ce n'est pas le cas, l'alimentation électrique est peut-être défectueuse.

Les encoches du générateur d'étincelles (électrode d'allumage) ou du brûleur sont-elles obstruées par des débris ?

Les anneaux de garniture et les chapeaux des brûleurs sont-ils places correctement : voir la section « Nettoyage de la cuisine »?

Souvenez-vous que chaque brûleur a un dispositif de sécurité spécial qui coupe l'alimentation en gaz en cas d'extinction de la flamme. À l'allumage d'un brûleur, le dispositif de sécurité doit être désactivé en maintainant le bouton de commande enforcé pour permettre au gaz de s'échapper. Le détecteur de flamme peut ainsi s'échauffer et enclencher le dispositif de sécurité.
Continuez d'appuyer sur le bouton pendant quelques secondes pour permettre l'arrivée du gaz dans le brûleur. Le système d'allumage produit une étincelle et allume le gaz.

Si le brûleur s'éteint lorsque vous relâchez le bouton de commande, le dispositif de sécurité n'a pas été enclenché. Mettez le bouton de commande sur la position Arrêt [Off] et attendez une minute avant d'essayer de nouveau, en appuyant un peu plus longtemps sur le bouton.

Les brûleurs de la table de cuisson ne s'allument pas

Assurez-vous que les éléments du brûleur ont été replaced correctement après avoir été essuyés ou retirés pour nettoyage.

Vérifiez que l'alimentation en gaz n'est pas défectueuse. Pour ce faire, vérifie le fonctionnement de vos autres apparèils à gaz.

Les brûleurs produits-ils une étincelle lorsque vous appuyez sur le bouton? Si ce n'est pas le cas, vérifie que la cuisine est sous tension.

De la vapeur s'échappe du four

Pendant la cuisson d'aliments à haute teneur en eau (frites surgelées, par exemple) un peu de vapeur peut être visible à la grille à l'arrière du chauffe-plats.Faites attention en ouvrant la porte du four, une bouffée de vapeur peut s'échapper momentarily à l'ouverture du four. Reculez-vous et attendez que la vapeur se soit dissipée.

Le ventilateur du four est bruyant

Le bruit du ventilateur peut changer pendant le chauffage du four - ici est tout a fait normal.

Quels sont les produits de nettoyage recommendés pour la cuisineire?

Reportez-vous à la section « Nettoyage » pour en savoir plus sur le matériel recommendé pour le nettoyage.

N'utilise jamais de produits nettoyants caustiques ou abrasifs qui abimeront la surface.

Les boutons de commande deviennent chauds lorsque j'utilise le four ou le grill. Comment faire pour empêcher cela?

Ceci est dû à la chaleur provenant du four ou du gril. Ne laissez pas la porte du four ouverte.

Lorsque vous utilisez le grill, assurez-vous que la l'echefrite du grill est bien inseree jusqu'à la butee arriere.

Laissez toujours la porte de l'enceinte du grill ouverte pendant l'utilisation du grill.

Les commandes deviennent chaudes lorsque j'utilise le four ou le grill

La cusinière est refroidie par un ventilateur. Si les commandes deviennent excessivement chaudes lorsque la cusinière est en fonctionnement, alors le ventilateur peut avoir une défaillance. Si tel est le cas, veuillez contacter votre installerateur, un ingénieur de réparation qualifié ou le service client pour effectuer les réparations.

En cas de problème concernant l'installation, si mon installateur d'origine ne peut pas venir résoudre le problème, à qui incombent les frais?

C'est à vous qu'incombent ces frais. Les sociétés d'entretien factureront leurs interventions si elles réparent une installation effectuee par votre installerur d'origine. Il est de votre intérêt de contacter votre installerur d'origine.

Les alimentés cièsent trop lentement, trop rapidement, ou brûlent

Les temps de cuisson peuvent être différents de ceux de votre ancien four. Vérifie que vous utilisez les températures et positions de grilles de four recommendées. Les températures du four et les temps de cuisson sont fournis à titre indicatif uniquement. En fonction des goûts de chacun, les températures devront peut-être être modifiées dans un sens ou dans l'autre, pour obtenir les résultats que vous recherchez.

La ciisson au four n'est pas uniforme

Dans le cas d'un grand plat, vous devrez peut-être le tourner pendant la cuisson.

Si vous utilisez deux grilles, vérifie qu'il y a assez de place pour permettre à la chaleur de circuler. Lorsque vous insérez une plaque de cuisson dans le four, voirlez à la placer au centre de la grille.

François

FALCON ELS 110 DF WH/-EU BLANC - François - 1
Fig.6-1

FALCON ELS 110 DF WH/-EU BLANC - François - 2
Fig.6-2

FALCON ELS 110 DF WH/-EU BLANC - François - 3

FALCON ELS 110 DF WH/-EU BLANC - François - 4
Fig.6-3

FALCON ELS 110 DF WH/-EU BLANC - François - 5
Effet de l'ajustement de la charnière - exagéré pour plus de clarté

FALCON ELS 110 DF WH/-EU BLANC - François - 6
Fig.6-4
Ligne centrale de I'axe de charnière
Omission de la porte du four pour plus de clarté

Vérifiez que le joint d'étanchéité de la porte n'est pas endommagé et que le loquet de porte est régle de façon à ce que la porte soit bien appuyée contre le joint.

Vérifiez que le joint d'étanchéité de la porte n'est pas endommagé.

Un récipient d'eau place sur la grille doit avoir une profondeur uniforme. (S'il est plus profund à l'arrière, par exemple, l'arrête de la cusinière doit être levé ou l'avant de la cusinière abaisse)

Si la cuisine n'est pas à niveau, demandez à votre fournisseur de la dette à niveau.

Le four ne s'allume pas

L'appareil est-il sous tension?

Si ce n'est pas le cas, l'alimentation électrique est peut'être défectueuse.

Avez-vous sélectionné une fonction pour la cisson ?

Avec le temps, la température du four de la cuisinière devient plus chaude

Si le fait demettre le bouton de réglage sur une température inférieure n'a pas eu d'effet ou a eu un effet-temporaire, vous devrez peut-être replacer le thermostat. Cette intervention doit être effectue par un spécialiste de l'entretien.

L'éclairage du four ne fonctionne pas

L'ampoule a probablement grillé. Vous pouvez acheter une ampoule de rechange (non couverte par la garantie) dans un magasin d'accessoires électriques. Demandez une ampoule à culot vissable Edison 15 W 240 V, POUR FOURS. Cette ampoule doit pouvoir résister à une température de 300^ (Fig.6-1).

Avant de-retirer l'ampoule usagée,mettez la cuisinière hors tension et assurez-vous que le four a refroidi.

Ouvrez la portedu four et retirez les grilles du four.

Dévissez le couvercle de l'ampoule en tournant en sens anti-horaire (il peut être très difficile à dévisser) (Fig.6-2).

Dévissez l'ampoule en tournant en sens anti-horaire, en vous protégéant les mains avec un gant pour ne pas vous blesser.

Vissez l'ampoule de rechange, puis revissez le couvercle de l'ampoule.Remettez l'appareil sous tension et contrôle le fonctionnement de I'éclairage.

La porte du four est alignée mal

La charnière inférieure de la porte peut être ajustée afin de modifier l'angle de la porte (Fig. 6-3). Desserrez les vis de fixation de la charnière inférieure, et utilisez le cran et un tournevis à lame plate pour changer la position de la charnière et la régler (Fig.6-4).

Resserrez les vis de la charnière.

7. Installation

A l'intention de l'installateur

Avant de commencer l'installation, veuillez replir la fiche ci-dessous. Ceci permettra à votre client de vous contacter facilement en cas de problème relatif à l'installation.

Nom de l'installateur
Société de l'installateur
Numéro de telephone de l'installateur
Numéro de série d'appareils

Mesures et règlements de sécurité

FALCON ELS 110 DF WH/-EU BLANC - Mesures et règlements de sécurité - 1

Cette cusinière doit être installée conformément aux instructions appropriées des prsentes et à la réglementation nationale et locale en vigueur, ainsi qu'aux prescriptions des compagnies de gaz et d'électricité locales.

Avant l'installation, vérifie que la cusinière convient au type de gaz et à la tension d'alimentation électrique. Reportez-vous au badge technique.

Cet apparéil doit être installé conformément à la réglementation en vigueur, et uniquement dans un endroit bien ventilé.

Lisez les instructions avant d'installer ou d'utiliser cet apparéil.

Dans votre intérêt et par souci de sécurité, légalement, tous les apparêils à gaz doivent être installés par des personnes compétentes. Une installation incorrecte n'engage ni la responsabilité, ni la garantie du fabricant, et peut donner lieu à des poursuites.

Cet apparéil peut être modifié afin d'être utilisé avec d'autres types de gaz.

Ventilation

Cet apparéil n'est pas raccordé à un dispositif d'évacuation des produits de combustion. Prétez particulièrement attention à la reglementation en vigueur concernant la ventilation.

Toutes les pieces nécessitent une fenêtre ouvrable ou un dispositif équivalent, et certaines pieces nécessitent une mise à l'air libre permanente en plus de la fenêtre ouvrable.

Emplacement de la cusinière

La cusinière peut être installée dans une cuisine/un salon-cuisine, mais PAS dans une piece contenant une baignoire ou une douche.

Cet apparéil est conçu uniquement pour un usage domestique. Toute autre utilisation n'engage ni la responsabilité, ni la garantie du fabricant.

REMARQUE: Un apparéil utilisable avec du gaz de petrole liquéfié (GPL) ne doit pas être installé dans une piece ou un espace interieur souterrain, par exemple dans un sous-sol.

Modification

La cuisine est de catégorie:

Cat II _2 H3+

Cat II _2E+3+

Cat II2L3B/P

Cat II2E3B/P

Cat I2H3B/P

Cat II2ELL3B/P

A la livraison, cet appeareil est reglé sur gaz naturel de type H (G20 à 20 millibars). Un kit de modification permettant l'utilisation d'autres gaz est fourni avec la cusinière.

Si la cuisine doit être modifiée pour fonctionner avec un autre gaz, nous recommendons d'effectuer cette modification avant l'installation. Reportez-vous aux instructions fournies avec le kit de modification.

Après modification de l'appareil, veuillez apposer l'étiquette de modification sur la partie appropriée du badge technique, pour permettre d'identifier le type de gaz utilisé pour l'installation de la cuisineire.

INSTALLATION

Une fois le travail terminé, vérifie que les alimentations de gaz et d'électricité sont correctement rebranchées.

L'installation de la cuisine nécessitera l'emploi du matériel indiqué ci-dessous:

Dispositif stabilisateur: Un dispositif stabilisateur (équerre ou chaîne) doit être monté sur la cusinière si celle-ci est alimentée en gaz par le biais d'un tuyau flexible;

Ce dispositif stabilisateur n'est pas fourni avec l'appareil mais est en vente dans la plupart des magasins de bricolage;

Manometre;
Tuyau flexible de gaz: Doit être conforme aux normes appropriées;
Multimetre: Pour les contrôles électriques.

You aurez aussi besoin des outils suivants:

  1. Perceuse électrique;
  2. Foret à maconnerie (nécessaire seulement pour montage sur sol en pierre ou en béton);
  3. Chevilles Rawlplugs (necessaires seulement pour montage sur sol en pierre ou en béton);
  4. Metre en acier;
  5. Tournevis cruciforme;
  6. Tournevis à lame plate;
  7. Niveau à bulle;
  8. Crayon;
  9. Clé réglable;
  10. Vis pour le montage de l'équerre stabilisatrice.

Vérification des Pièces:

Outil de mise à niveau et clés hexagonales4 grilles de table de cuisson
Le support spécial de WokLèchefrite et grille
2 grille plates2 grilles surbaissée
HandyrackPlat à rôtir et grilles
Plinthe

Positionnement de la cuisineire

Fig.7-1 Le schéma indique les cotes minimales recommendées entre la ciusinière et les surfaces adjacentes.

Ne placez pas la cuisineire sur un support.

Le pourtour de la table de cuisson doit être au niveau ou audessus de tout plan de travail adjacent.

Laissez un espace de 75 mm AU-DESSUS du niveau de la table de cuisson entre chaque côte de la cusinière et toute surface verticaleAdjacente.

Pour les surfaces non combustibles (telles que le métal non point ou les carrelages), cette cote peut être de 25mm .

Laissez un espace de 650~mm au minimum entre la partie supérieure de la table de cuisson et une surface horizontally combustible.

La Fig.7-2 indique les dégagements recommendés audessus de la cusinière.

*Toute hotte de cusinière doit être installée conformément aux instructions du fabricant de hotte.

Les surfaces des meubles et des murs de chaque côté et à l'arrière de l'appareil doivent être résistantes à la chaleur, aux éclaboussures et à la vapeur. Certains types de meubles de cuisine en vinyle ou en stratifié sont particulièrement susceptibles aux risques de dommages thermiques et de décoloration.

Nous déclinons toute responsabilité pour des dommages resultant d'une utilisation normale de la cusinière et subis par des matériaux qui se décollent ou se décolorent à des températures de moins de 65^ au-dessus de la température ambiente.

Nous recommendons de laisser un espace de 1110 mm entre les unités pour permettre le déplacement de la cusinière. La cusinière ne doit pas être encastrée – elle doit pouvoir être déplacée vers l'avant et vers l'arrête pour le nettoyage et l'entretien.

Si la cusinière est pres d'un coin de la cuisine, un dégagement de 130 mm est nécessaire pour permettre l'ouverture des portes de jours (Fig.7-3). La cote d'ouverture des portes est légèrement inférieure à ce dégagement, mais ceci inclut une marge de sécurité pour la protection des mains lors de l'ouverture de la porte.

Déplacement de la cuisineire

FALCON ELS 110 DF WH/-EU BLANC - Déplacement de la cuisineire - 1

N'essayez jamais de déplacer la cusinière lorsque cette-ci est sous tension.

FALCON ELS 110 DF WH/-EU BLANC - Déplacement de la cuisineire - 2

La cuisine est très lourde, faites très attention.

Nous recommendons de faire appel à deux personnes pour déplacer la cusinière. Assurez-vous que le revêtement du sol est solidement fixé en place ou retirez-le afin de ne pas l'abîmer en déplaçant la cusinière.

Deux galets arrêté de mise à niveau et deux supports avant vissables facilitent le déplacement de la cusinière. Vous devrez utiliser l'outil de mise à niveau.

FALCON ELS 110 DF WH/-EU BLANC - Déplacement de la cuisineire - 3

FALCON ELS 110 DF WH/-EU BLANC - Déplacement de la cuisineire - 4

FALCON ELS 110 DF WH/-EU BLANC - Déplacement de la cuisineire - 5

INSTALLATION

Une fois le travail terminé, vérifie que les alimentations de gaz et d'électricité sont correctement rebranchées.

FALCON ELS 110 DF WH/-EU BLANC - INSTALLATION - 1
Fig.7-4

FALCON ELS 110 DF WH/-EU BLANC - INSTALLATION - 2

FALCON ELS 110 DF WH/-EU BLANC - INSTALLATION - 3
Fig.7-5

FALCON ELS 110 DF WH/-EU BLANC - INSTALLATION - 4
Fig.7-6
Fig.7-7

FALCON ELS 110 DF WH/-EU BLANC - INSTALLATION - 5

Fig.7-8
FALCON ELS 110 DF WH/-EU BLANC - INSTALLATION - 6
A-Visage demur, B-Mise a nivea des rouleaux,
C-Mise à niveau despiecis, D -Ligne de crayon sur le plancher

Retirez le socle d'emballage en polystyrene. Depuis l'avant, inclinez la cuisinière vers l'avant et retirez la partie avant du socle d'emballage en polystyrene (Fig.7-4). Repétez cette procédure à l'arrière et retirez la partie arrière du socle.

Baissez les deux galets arriere

ABAISSEZ LES DEUX GALETS ARRIERE. Insérez d'abord l'outil de mise à niveau sur l'écrou de réglage hexagonal (Fig.7-5). Effectuez 10 tours complets (360^) en sens hora (Fig.7-6). ((Tournez et retirez l'outil de mise à niveau 20 fois.)

Exécution du mouvement

Dépliez le bord arrêté du plateau d'emballage. Ouvrez la porte du grill et la porte du four droit afin d'avoir une bonne prise sur la partie inférieure du panneau de commande pour déplacer la cusinière (Fig.7-7).

Poussez la cusinière vers l'arrière avec précaution pour la dégager de son socle d'emballage. Retirez le plateau d'emballage.

Poussez la cuisine ne pres de sa position finale, en laissant juste assez de place pour pouvoir avoir accès à l'arrière.

FALCON ELS 110 DF WH/-EU BLANC - Exécution du mouvement - 1

N'utilise pas les poignées de portes ou les boutons de commande pour déplacer la cusinière.

Montage d'un dispositif stabilisateur

Montez une équerre ou une chaîne stabilisatrice (non fournie avec la cusinière) sur la cusinière si celle-ci est raccordée à un tuyau flexible d'alimentation en gaz.

Avant le montage d'un dispositif stabilisateur, lisez les générantes instructions ainsi que les instructions de montage fournies avec le dispositif.

  1. Placez la cusinière à l'emplacement prévu et mettez-la à niveau.
  2. Tracez une ligne au crayon à 70 mm du bord avant des supports de mise à niveau.
  3. Tracez l'axe pour l'équre re à 550 mm du côte gauche de la cuisine.
  4. Déplacez la cuisinière vers l'avant.
  5. A partir de la ligne au crayon mesurez 550~mm vers l'arrière pour indiquer le bord avant de I'équerre (Fig.7-8).
  6. Placez l'équerre de sorte qu'elle soit éloignée de l'axe de la cusinière pour réduire le risque d'entravement du cable électrique ou du tuyau de gaz.
  7. Attachez léquerre au sol.
  8. Mesurez la hauteur entre le niveau du sol et le bord de prise à l'arrière de la cusinière. Ajoutez 3 mm à cette cote et montez l'équerre stabilisatrice à cette hauteur (entre le niveau du sol et le revers du membre supérieur), et vérifie que l'équerre ne gène pas le brûleur du four (Fig.7-9).

Repositionnement de la cusinière après raccordement

Si vous nevez déplacer la cusinière après son raccordement, débranche la cusinière, agrippez-la sous le panneau de commande et levez légèrement l'avant de la cusinière (Fig.7-7), puis vérifie à l'arrière de l'appareil que le cable d'alimentation n'est pas entravé.

Pendant le déplacement de la cusinière, assurez-vous que le cable électrique et le tuyau de gaz ne sont pas entravés.

Si la cusinière est dotée d'une chaîne stabilisatrice, défaites-la pour pouvoir manœuvrer la cusinière. N'oubliez pas de la remettre en place lorsque vous replacez la cusinière.

Lors de la remise en place de la cusinière, vérifie de nouveau que le cable électrique et le tuyau de gaz ne sont pas entravés ou coincés.

Modification en vue de l'utilisation d'un autre gaz

A ce stade, vous doivent effectuer la modification nécessaire si vous souhaitez utiliser la cuisineire avec un autre type de gaz. Reportez-vous à la section sur la modification dans les générantes instructions et reportez-vous aux instructions fournies avec le kit de modification.

Mise à niveau

Nous vous recommendons d'utiliser un niveau à bulle place sur une des grilles de four pour vérifier le niveau.

Placez la cusinière à l'emplacement prévu pour son installation, en veillant à ne pas exercer de force de torsion lorsque vous l'insérez entre les éléments de cuisine, pour ne pas l'endommager ou endommager les éléments.

Les supports avant et les galets arrêté réglables permettent la mise à niveau de la cusinière. Pour régler la hauteur de l'arrière de la cusinière, utilisez l'outil de mise à niveau fourni pour tourner les écrous de réglage aux coins avant inférieurs de l'appareil. Pour régler les supports avant, tournez les socles pour lever ou abaiser.

Laissez l'outil de mise à niveau dans le tiroir de rangement pour que le client puisse l'utiliser, s'il le désire, pour déplacer la cusinière.

Installation de la rampe

En utilisant la clé Allen 2 mm fournie, dévisser les 2 vis de fixation sur la base et le côté du support de rampe. Installer le support de rampe dans les socles de positionnement sur le panneau.

Remarque : Les supports de poignée doivent indiquer vers le haut.

Pousser le support contre le panneau et visser les 2 vis de fixation (Fig.7-10). Vérifier que chaque support est sécurisé.

Positionner la rampe dans les attaches du support. En utilisant la clé Allen 2,5 mm fournie, visser les 2 vis de fixation au bas de chaque extrémité de la rampe pour sécuriser (Fig.7-11).

FALCON ELS 110 DF WH/-EU BLANC - Installation de la rampe - 1
A - Arrière de la cuisinière, B - Dispositif stabilisateur

FALCON ELS 110 DF WH/-EU BLANC - Installation de la rampe - 2

FALCON ELS 110 DF WH/-EU BLANC - Installation de la rampe - 3
Fig.7-10

FALCON ELS 110 DF WH/-EU BLANC - Installation de la rampe - 4

INSTALLATION

Une fois le travail terminé, vérifie que les alimentations de gaz et d'électricité sont correctement rebranchées.

FALCON ELS 110 DF WH/-EU BLANC - INSTALLATION - 1
Fig.7-12

Toutes les dimensions en millimetre

Raccordement de l'alimentation en gaz

Doit etre conforme aux normes appropriées.

Le tuyau flexible (non fourni avec la cusinière) doit être conforme aux normes en vigueur. Les tuyaux flexibles sont disponibles dans la plupart des magasins de matérielux et de bricolage.

L'alimentation en gaz domestique doit être terminée par un raccord baïonnette orienté vers le bas.

Le raccord de l'appareil estitué juste au-dessous du niveau de la table de cuisson, à l'arrête de la cusinière. En cas de doute, contactez votre fournisseur.

Les boîtiers arrêté de la cusinière limitent la position du point d'alimentation.

Il est difficile de donner des cotes précises, étant donné que la hauteur de la cuisine est régiable et que chaque raccordement est différent.

Vous pouvez utiliser un tuyau flexible de 900~mm , mais un tuyau de 1250~mm offre plus de flexibilité quant au positionnement du raccord baïonnette et facilitite le déplacement de la cuisinière.

Montez le tuyau de façon à ce que les raccords d'admission et de sortie soient verticaux et que le tuyau pende en forme de «U».

Idéalement, le raccord d'alimentation domestique doit être dans la partie ombrée 'A' indiquée (Fig.7-12).

Vissez l'extrémité filétée du tuyau flexible dans l'admission de gaz.

Lorsque le raccordement est terminé, effectuez un essai de pression pour contrôle l'étanchéité de la cusinière.

Essai de pression

La pression de gaz peut être mesurée au niveau de l'injecteur de l'un des brûleurs centraux de la table de cuisson (non pas au niveau du brûleur de Wok).

La pression de gaz peut être mesurée au niveau de l'injecteur d'un des brûleurs de la table de cuisson gauche.

Retirez la tête d'un des brûleurs. Montez le manomètre sur le giclreur. Mettez en marche un des autres brûleurs de la table de cuisson.

Tournez et appuyez sur le bouton de commande du brûleur avec manomètre, pour permettre l'arrivée du gaz.

Reportez-vous au badge technique pour les pressions d'essais.

Eteignez les bruleurs. Replacez le chapeau du bruleur, en veillant à le remonter correctement sur le corps du bruleur.

INSTALLATION

Une fois le travail terminé, vérifie que les alimentations de gaz et d'électricité sont correctement rebranchées.

Raccordement electrique

Cet apparéil doit être installé par un électricien qualifié, conformément à la réglementation en vigueur et aux prescriptions de la compétie d'électricité locale.

Disjoncteurs différentiels

L'utilisation conjointe de votre cuisinière et d'autres appeareils domestiques peut entraîner des disjonctions fortuites; par conséquent, nous recommendons de protéger la cuisinière par un disjoncteur différentiel.

EN CAS DE Doute, CONSULTEZ UN ELECTRICIEN QUALIFIE.

Remarque: La cusinière doit être raccordée à l'alimentation électrique correcte, indiquée sur l'étiquette de tension sur l'appareil, par le biais d'une unité de commande de cusinière appropriée à interrupteur bipolaire (avec une séparation de contact de 3 mm au minimum entre les pôles).

Cette cuisinière ne doit pas etre raccordee a une prise d'alimentation domestique ordinaire.

Pour acceder au bornier d'alimentation secteur, retirez le boitier électrique sur le panneau arrêté. Raccordez le cable d'alimentation secteur aux bornes correctes pour votre type d'alimentation électrique (Fig.7-13). Vérifiez que les connecteurs sont montés correctement et que les vis des bornes sont bien serrées. Fixez le cable d'alimentation secteur à l'aide du serre-câble.

Contrôle de la table de cuisson

Contrôlez le fonctionnement de chaque brûleur (voir la section "Brûleurs de la table de cuisson" au début des générées instructions).

Contrôle du grill

Tournez le bouton de commande du grill et vérifie que le grill commence àCHAuffer.

Contrôle des jours

Allumez les fours. Vérifié que les ventilateurs des fours se mettent en marche et que les fours commencer à chauffer.

Remarque: Les ampoules des éclairages des jours ne sont pas inclues dans la garantie.

Eteignez le four.

Montage de la plinthe

Dévissez les trois vis le long du bord inférieur avant de la cusinière. Insérez l'encôche centrale en forme de trou de serrure sur la vis centrale. Tournez et insérez les encoches d'extrémités en trou de serrure sur leurs vis respectives. Serrez les vis de fixation. (Fig.7-14).

Conseils à la clientèle

Veuillez inscrite les informations vous concernant dans les générées instructions. De même, indiquez à l'utilisateur comment faire fonctionner la cuisine et remettez-lui les instructions.

Merci.

FALCON ELS 110 DF WH/-EU BLANC - Conseils à la clientèle - 1

FALCON ELS 110 DF WH/-EU BLANC - Conseils à la clientèle - 2

8. Schémas de câblage

FALCON ELS 110 DF WH/-EU BLANC - Schémas de câblage - 1

Le raccord indiqué sur le schéma de câblage est pour une alimentation monophasée. Les capacités nominales sont pour 230 V 50 Hz.

CodeDescription
A1Commande de grill
A2Thermostat de Commande de grill
A3Élement du grill gauche
A4Élement du grill droit
B1Le bouton de commande du four droit Multifonctions
B2Interrupteur de commande de four gauche Multifonctions
B3Élement interieur de Multifonctions four gauche
B4Élement supérieur de four gauche (Paire extérieure)
B5Élement gratineur de four gauche (Paire intérieure)
B6Élement de ventilateur de four Multifonctions gauche
CodeDescription
B7Elément du four Multifonctions ventilé gauche
C1Le bouton de commande du four ventilé droit
C2Thermostat du four droit
C3Elément du four ventilé droit
C4Ventilateur du four droit
D1Interrupteur d'éclairage du four
D2Eclairage de fourt
F1Contacteur d'allumage
F2Générateur d'allumage
GMoteur de refroidissement
HNéon
JProtecteur thermique
CodeCouleur
bBleu
brBrun
bkNoir
orOrange
rRouge
vVoilet
wBlanc
yJaune
g/yVert / jaune
grGris

9. Fiche technique

LA CUISINIÈRE EST DE CATEGORIES: II2H3+; II2E+3+; II2L3B/P; (II2E3B/P; II2ELL3B/P); II2H3B/P.

A la livraison, cet apparéil est régèle sur gaz naturel de type H (G20 à 20 millibars). Un kit de modification permettant l'utilisation d'autres gaz est fourni avec la cuisine.

A L'INTENTION DE L'INSTALLATEUR: Veuillez remetre les prsentes instructions à l'utilisateur.

EMPLACEMENT DU BADGE TECHNIQUE: Arrière de la cusinière, badge auxiliaire de numéro de série sous l'ouverture de la porte du four.

PAYS DE DESTINATION: GB, IE, FR, BE, NL, DE, SE.

Raccordements (Voir le badge technique de l'appareil pour les pressions d'essais)

Gas (Rp 1/2 au niveau du côte arrière droit)Electricité
Gaz naturel20 mbar220-240 V 50 Hz
Butane29 mbar
Propane37 mbar

Dimensions Voir « Positionnement de la cuisine »

Hauteurminimum 910 mmmaximum 930 mm
Largeur hors tout1092 mm
Profondeur hors tout595 mm ( jusqu'à l'avant de la façon); 646 mm (au dessus des poignées)

Puisances

Gaz Naturel 20 mbLe gaz propane liquide
Table de cuissonInjecteurVisInjecteurVis
Brûleur de Wok3,5 kWinterne 80963,5 kW (246 g/h)interne 5457
externe 129externe 77
Grands brûleurs3,0 kW134543,0 kW (210 g/h)8740
Brûleur de taille moyenne1,7 kW109391,7 kW (119 g/h)6832
Petit brûleur1,0 kW75381,0 kW (70 g/h)5128

Efficacité de four

FoursFour gaucheFour droit
MultifonctionConvection forçée
Catégorie d'efficacité énergétique: Sur une échelle de A (plus efficace) à G (moins efficace)AA
Maximum output2,5 kW2,5 kW
Consommation d'énergie basée sur une charge standard0,90 kWh0,90 kWh
Volume utilisable (litres)6867
TailleGrandGrand
Temps de cuisson – charge standard41 minutes41 minutes
Surface de cuisson1400 cm²1400 cm²
Gril2,3 kW

Charge électrique totale maximale à 230 V: 7,4 kW (total approx. complenant éclairages de jours, ventilateur de four, etc.)

AGA RANGEMaster

Sommaire Cliquez un titre pour y accéder
Assistant notice
Powered by Anthropic
En attente de votre message
Informations produit

Marque : FALCON

Modèle : ELS 110 DF WH/-EU BLANC

Catégorie : Chauffage