TOLS9OEISI/-EU - Plaque de cuisson induction FALCON - Notice d'utilisation et mode d'emploi gratuit
Retrouvez gratuitement la notice de l'appareil TOLS9OEISI/-EU FALCON au format PDF.
| Type de plaque | Induction |
| Nombre de foyers | 4 |
| Puissance totale | Non précisé |
| Commandes | Touches tactiles |
| Affichage | LED |
| Dimensions (L x P) | Non précisé |
| Matériau de surface | Verre céramique |
| Sécurité enfants | Oui |
| Minuterie | Oui |
| Fonction boost | Oui |
| Détection de casserole | Oui |
| Protection contre la surchauffe | Oui |
| Installation | Encastrable |
| Alimentation électrique | 230 V |
| Couleur | Noir |
| Garantie | Non précisé |
FOIRE AUX QUESTIONS - TOLS9OEISI/-EU FALCON
Questions des utilisateurs sur TOLS9OEISI/-EU FALCON
0 question sur cet appareil. Repondez a celles que vous connaissez ou posez la votre.
Poser une nouvelle question sur cet appareil
Téléchargez la notice de votre Plaque de cuisson induction au format PDF gratuitement ! Retrouvez votre notice TOLS9OEISI/-EU - FALCON et reprennez votre appareil électronique en main. Sur cette page sont publiés tous les documents nécessaires à l'utilisation de votre appareil TOLS9OEISI/-EU de la marque FALCON.
MODE D'EMPLOI TOLS9OEISI/-EU FALCON
Instructions d'installation et d'entretien

U110026-01
Table des Matieres
1. Avant de commencer... 1
Installation et Entretien 1
Odeurdeneuf 1
Ventilation 1
Sécurité personnelle 1
Conseils relatifs à l'utilisation de la table
de cuisson 3
Entretien de la cuisine 3
Nettoyage 3
2. Vue d'ensemble de la cusinière 4
La table de cuisson 4
Gril / Gril Coulissant « Glide-out » 6
Fours 7
Horloge 10
Accessoires 14
Eclairage du four principal 14
3. Conseils pour la Cuisson 15
Utilisation de votre cuisinière à induction 15
Conseils pour la cuisson avec minutes 15
Conseils généraux pour la cuisson au four 15
4. Cuisson de la table 16
5. Nettoyage de la Cuisinière 17
Informations Importantes 17
Table de Cuisson 17
Nettoyage des Débordements 17
Nettoyage des Déversements Brûlés 17
Grill 18
Panneau de Commande et Portes 18
Fours 19
Four Principal 19
Four Haut 19
Tableau Nettoyage 20
6. Dépannage 21
7. Installation 24
A l'intention de l'installateur 24
Prescriptions de Sécurité 24
Ventilation 24
Emplacement de la Cuisinière 24
Positionnement de la Cuisinière 25
Déballage de la Cuisinière 25
Déplacement de la Cuisinière 26
Abaisement des Deux Galets Arriere 26
Positionnement Final 26
Raccordement Électrique 27
Contrôle de la Table de Cuisson 27
Contrôle du grill 27
Contrôle des Fours 27
Montage des poignées et de la 27
balustrade (selon le modele) 27
Montage de la Plinthe 28
Montage du dosseret (option) 28
Conseils à la clientèle 28
8. Schémas de câblage 29
Scheme de câblage: Table de cuisson 29
Scheme de cablage: Four de ventilator 30
Schéma de câblage: Four Multifonction (Elan) 31
Scheme de câblage: Four Multifonction 23
32 (Classic Deluxe)
9. Fiche technique 33
1. Avant de commencer…
Cette notice d'utilisation couvre plusieurs modèles. Mème si certaines illustrations peuvent ne pas se rapporter spécifique à votre modèle, les fonctions sont les mêmes. Nous espérons que ceci ne prétera pas à confusion.
Nous vous remercions d'avoir acheté une cuisinière Falcon. Installée et utilisée correctement, cette cuisinière vous donna de nombreuses années de service fiable. Il est donc important de dire la présente section avant de commencer, en particulier si vous n'avez jamais utilisé de cuisinière à induction.

Cet apparéil est coçu uniquement pour un usage domestique. Toute autre utilisation n'engage ni la responsabilité, ni la garantie du fabricant. En particulier, n'utilise PAS le four pour chauffer la cuisine – non seulement cette pratique invalidera les réclamations, mais elle constituya un gaspillage d'énergie et un risque de surchauffe des boutons de commande.
Installation et Entretien
Son installation doit être conforme aux instructions appropriées des générées et satisfaire à la réglementation nationale et locale en vigueur, ainsi qu'aux prescriptions des compagnies d'électricité locales.
Vérifiez que la cusinière est raccordée à l'alimentation électrique et sous tension.
Demandez à l'installateur de vous indiquer l'emplacement du commutateur de commande de la cuisineire. Notez cet emplacement à des fins de reférence.
L'affichage des commandes de la table de cuisson clignotera pendant deux secondes environ à la mise sous tension initiale – ceci est tout à fait normal.
Réglez l'horloge pour permettre le fonctionnement des jours - voir la section appropriée des générées instructions.
La cuisine doit faire l'objet d'un entretien effectué par un technicien d'entretien qualifié, lequel doit utiliser uniquement des pieces de rechange approvées.
Laissez toujours la cusinière refroidir et mettez-la hors tension avant de la nettoyer ou d'effectuer une intervention d'entretien, sauf indication contraire dans les prsentes instructions.
Odeur de neuf
Une légère odeur de neuf peut se dégager lors de la première utilisation de la cusinière. Elle disparaître rapidement à l'utilisation.
Avant la première utilisation de l'appareil, assurez-vous qu'il ne resteaucun matériel d'emballage,puis,réglezlesfours sur 200^ etfaites-les marcherpendant uneheureafin d'éliminer I'odeur de neuf.
Avant la première utilisation du grill, allumez-le et faites-le marcher pendant 30 minutes, avec la l'echefrite bien en place, et en laissant la porte du grill ouverte.
Veillez à ce que la pièce soit bien ventilée (voir « Ventilation » ci-dessous). Il est recommandé aux personnes souffrant de problèmes respiratoires ou d'allergies de quitter la pièce pendant ce temps.
Ventilation
L'utilisation d'un apparéil de cuisson produit de la chaleur et de l'humidité dans la piece contenant l'appareil. Par conséquent, veillez à ce que la cuisine soit bien ventilée : laissez les ouvertures de ventilation naturelle ouvertes ou installez une hotte aspirante à évacuation extérieure. En cas d'utilisation simultanée de plusieurs brûleurs ou d'utilisation prolongée de la cusinière, ouvrez une fenêtre ou mettez en marche une hotte aspirante.
Sécurité personnelle
Si vous étés porteur d'un stimulator cardiaque ou d'une pompe à insuline implantable : Les fonctions de la table de cuisson sont conformes aux normes européennes en vigueur relatives à l'interférence electromagnétique. Si vous étés porteur d'un stimulator cardiaque ou d'une pompe à insuline implantable et étés inquiet quant aux risques d'interférence, veuillez demander conseil à votre médecin.
Eloignez les objets magnétiques (cartes de crédit et de débit, disques informatiques, calculateurs, etc.) de la table de cuisson lorsque celle-ci est en marche.
Cet apparéil ne DOIT PAS être modifié.
A Cet apparéil n'est pas prévu pour être utilisé par des personnes (y compris des enfants) dont les capacities physiques, sensorielles ou mentalles sont réduites, ou par des personnes manquant d'expérience ou de connaissances, sauf si elles ont pu bénéficier, par l'intémediaire d'une personne responsable de leur sécurité, d'une surveillance ou d'instructions préalables concernant l'utilisation de l' apparéil.
Veillez à ce que les enfants et les personnes infirmes ne jouent pas avec l'appareil.
N'UTILISEZ PAS de nettoyeur à vapeur pour nettoyer la cuisine.
A Les parties accessibles de la cusinière deviennent chaudes lorsque celle-ci est en marche et resteront chaudes même après la cuisson. Pour prévenir les risques de brûlures, ne laissez pas les bébés ni les enfants s'approcher de la cusinière et ne portez jamais de vêtements amples ou flottants lors de l'utilisation de la cusinière.
Vérifiez toujours que les commandes sont sur la position Arrêt [OFF] lorsque le four n'est pas en marche et avant de nettoyer la cuisine.
Faites attention lorsqu vous touchez les zones de cuisson sur la table de cuisson.
Lorsque le four est en marche, ne laissez PAS la portedu four ouverte plus longtemps que nécessaire,afin de prévenir une surchauffe des boutons decommande.
Lors de l'utilisation du grill, veillez à ce que la lechefrite soit en place et insérée à fond dans l'enceinte du grill, ici pour prévenir le risque de surchauffe des boutons de commande.
Veillez à ce que les matériaux combustibles, (rideaux, liquides inflammables, etc.) soient toujours suffisamment éloignés de la cusinière.
François

Fig.1-1

Fig.1-2
N'utilise PAS d'aerosols à proximé de la cusinière lorsqu'elle-ci est en marche.
La cuisson d'aliments à haute teneur en eau peut produit une « bouffée de vapeur » à l'ouverture de la porte du four. Lorsque vous ouvrez la porte du four, reculez-vous et attendez que la vapeur se soit dissipée (Fig.1-1).
Au besoin, utilisez des gants isolants secs - l'emploi de gants humides risque de cause des brûlures dues à la vapeur lors du contact avec une surface chaude. N'utilise pas de torchon ou autre chiffon épais à la place d'un gant isolant - ils risquent de d'enflammier au contact d'une surface chaude.
Ne faites jamais fonctionner la cuisine et avec les mains mouillées.
Ne recouvre pas les grilles, les panneaux internes ou la voute du four de papier aluminium.
Ne chauffez jamais des recipients alimentaires qui n'ont pas ete ouverts. La pression accumulée a l'intérieur des reciplents peut les faire eclater et bleisser l'utilisateur.
N'utilise pas des casseroles instables. Tournez toujours les manches des recipients de cuisson vers l'intérieur de la table de cuisson.
Ne laissiez jamais la table de cuisson en marche sans surveillance si les brûleurs sont régles sur maximum. Le débordement des recipients peut produit de la fumée et des taches de gras qui risquent de s'enflammer. Si possible, utilisez un thermomètre à bain de friture pour prévenir une surchauffe de l'huile au-delà du point de fumée.
Ne laïsez jamais une friteuse sans surveillance. Faites toujours chauffer l'huile lentement, en la surveillant. Les friteuses ne doivent être remplies qu'à un tiers de leur capacité. Une friteuse trop pleine peut déborder lorsqu'on y plonge des alimentents. Si vous utilisez un mélange d'huile et de graisse pour la friture, mélangez les avant de chauffer, ou pendant la fonte des graisses.
Les alimentés à frire doivent être le plus sec possible. La présence de cristaux de glace sur des alimentés congelés ou d'humidité sur des alimentés frais peut provoquer une ébullition et un débordement de l'huile. Surveillance attentivement pour prévenir les débordements et la surchauffe pendant la friture à haute ou moyenne température. N'essayez jamais de déplacer un-scriptent de cuisson contenant de l'huile chaude, en particulier une friteuse. Attendeze que l'huile ait refroidi.
Lorsque le grill est en marche, ne vous servez pas de la grille d'évacuation (la grille le long de la partie arrête de la cuisine) pour réchauffer des assiettes ou des plats, sécher des torchons ou ramollir du beurre.
N'utilisez pas d'eau pour éteindre les incendies dus à laGRAISSÉ et ne soulevez jamais un réciipient de cuisson qui a pris feu. Eteignez la cusinière etétouffez un réciipient qui a pris feu sur une table de cuisson en le recouvrant complètement avec un couvercle de taille appropriée ou une plaque de cuisson. Si possible, utilisez un extincteur à poudre chimique ou à mousse de type polyvalent.
Veillez à prévenir toute infiltration d'eau dans l'appareil.
Cet apparéil est lourd; prenez garde lorsque vous le déplacez.
N'autorisez jamais qui que ce soit à grimper ou se tenir debout sur la table de cuisson.
Conseils relatifs à l'utilisation de la table de cuisson
A Ne faites jamais cuire des alimentes à même la table de cuisson (Fig.1-2).
Ne découpez pas des alimentés sur la table de cuisson.
Ne laissez pas des ustensiles, alimentés ou produits combustibles sur la table de cuisson lorsqu'elle n'est pas en service (torchon, ou poèle contenant de l'huile, par exemple).
Ne placez pas des feuilles en plastique ou aluminium ou des recipients en plastique sur la table de cuisson.
Ne laïsez pas les foyer allumés s'ils ne sont pas utilisés pour la cuisson.
Ne déposez pas d'objets lourds sur la table de cuisson. Meme si la surface en vitrocéramique est très résistante, un impact violent ou la chute accidentelle d'un objet sur la surface risque de la fissurer (Fig.1-3).
Dès l' apparition d'une fissure sur la table de cuisson, mettez immédiatement la cusinière hors tension et faites-la réparer.
SOULEVEZ toujours les recipients pour les retarder de la table de cuisson. Ne les faites pas glisser sur la surface, car vous risquez de la marquer et de la rayer (Fig.1-4). Mettez toujours le bouton de commande sur la position arrêt [Off] avant de retarder un recipient.
Ne placez rien entre le fond du écipient de cuisson et la surface de cuisson (plaque d'amiate, feuille de papier aluminium ou support de Wok, par exemple).
Entretien de la cuisineire
En raison de la condensation de vapeur pendant la cuisson, vous devrez peut-etre essuyer (avec un chiffon doux) des gouttelettes d'eau presents sur la garniture extérieure du four. Cette précaution contribuera également à prévenir les taches et la décoloration de l'extérieur du four dues aux vapeurs de cuisson (Fig.1-5).
Nettoyage
N'utilisez pas de produits nettoyants ou tampons de nettoyage abrasifs, ni d'aérosol, de tampon de nettoyage de four ou de détachant sur la table de cuisson.
Pour des raisons d'hygiene et de sécurité, la cusinière doit toujours être propre, afin de prévenir le risque d'incendie causé par l'accumulation de graisse et autres particules alimentaires.
Nettoyez uniquement les composants indiqués dans les générées instructions.
Evitez d'essuyer toute partie de la table de cuisson tant que celle-ci n'a pas refroidi et que l'indicateur de chaleur résiduelle n'est pas eteint. Cette recommandation ne s'applique pas aux déversements de substances sucrées (voir « Nettoyage de la cuisinière »). Avres nettoyage, utilisez un chiffon sec ou du papier essuie-tout pour eliminer les traces de nettoyant semi-liquide.
Nettoyez la surface après chaque utilisation pour prévenir les rayures et les taches. Mais veiliez à nettoyer avec précaution car certains produits nettoyants peuvent produit des vapeurs nocives au contact d'une surface chaude.
Nettoyez avec précaution. Si vous utilisez une éponge ou un chiffon humide pour essuyer des taches sur une surface chaude, prenez garde au risque de brûlures par la vapeur. Certains produits nettoyants peuvent produit des vapeurs nocives au contact d'une surface chaude.



2. Vue d'ensemble de la cuisineire

Fig.2-1

Fig.2-2




Fig.2-3
La cusinière à induction 90 (Fig.2-1) comprend :
A. 5 foyers de cuisson à induction
B. Un panneau de commande.
C. Un grill séparé ou un grill coulissant (selon le modele)
D. Four ventilé principal ou four Multifonctions (selon le modele)
E. Four haut ventilé
La table de cuisson
Utilisez uniquement des recipients de cuisson concus pour les tables de cuisson à induction. Nous recommendons l'emploi de recipients de cuisson en acier inoxydable, en acier émailé ou en fonte à fond émailé. Certains recipients en acier inoxydable ne convennent pas pour les tables de cuisson à induction; vérifie soigneusement avant l'achat.
N'utilisez pas de récipients en cuivre, aluminium ou céramique sur les tables de cuisson à induction. Le type de récipient de cuisson utilisé et la quantité d'aliments ont une incidence sur le réglage requis. Pour les quantités d'aliments importantes, utilisez un réglage plus élevé.
Utilisez des recipients de cuisson à fond écais, lisse et plat (Fig.2-2). Ceci assure un transfert de chaleur optimal entre la table et le récipient de cuisson, et donc une cuisson plus rapide et plus économique. N'utilise jamais de Wok à fond rond, même avec un support.
Les récipients de cuisson les比较好 sont ceux qui, à l'état froid, sont très légèrement bombés vers l'intérieur (Fig.2-3). En plaçant une règle sur le fond de ces récipients, on peut constater que la surface est légèrement incurée
vers le milieu. Sous l'effet de la chaleur, le métal se dilate et la totalité du fond du récipient est en contact avec la surface de cuisson.
Veillez à ce que le fond du écipient de cuisson soit propre et sec pour éviter que des résidus alimentaires ne brûlent et n'attachent sur la table de cuisson. Ceci permet également de prévenir les rayures et les dépôts.
Veillez à toujours utiliser des recipients de même taille (ou légèrement plus grands) que le diamètre indiqué sur la surface de cuisson. Utilisez un couvercle sur les recipients de cuisson pour porter à ébullition plus rapidement.

Faites toujours attention avant de toucher la table de cuisson, car, même éteinte, celle-ci peut être encore chaude!
La table de cuisson à induction comprend cinq foyer contenant des éléments à induction de puissances et diamètres différents (Fig.2-4), chacun doté d'un détector de récipient et d'un indicateur de chaleur résiduelle,et un affichage des commandes.
L'affichage des commandes de la table de cuisson (Fig.2-5) you informe sur les fonctions de la table, à l'aide des symboles suivants :
Detection de recipient de cuisson
H Indicateur de chaleur résiduelle
R Chauffage automatique
L Verrouillage sécurité enfants
Détction de récipient de cuisson,
IMPORTANT : ÀpRES usage, éteignez le foyer à l'aide du bouton de commande – NE VOUS FIEZ PAS UNIQUÉMENT à la fonction Détention de récipient de cuisson.
Si un foyer est en marche et qu'il n'y a pas de-scriptique de cuisson sur celui-ci ou si le-scriptique est trop petit pour le foyer, la table n'émettra pas de chaleur. Le symbole [u] apparaitra sur l'affichage des commandes de la table; il s'agit du « symbole Absence de-scriptique ». Placez un-scriptique de taille appropriée sur le foyer, le symbole [u] disparaitra et la cuisson pourrait commencer. Si, après 10 minutes, il n'y a toujours pas de détention de-scriptique, le foyer s'est automatiquement.
Le Tableau 2-1 indique les dimensions de recipients minimales recommandées pour chaque foyer.
Remarque: L'utilisation de recipients de diamètres inférieurs aux dimensions recommandées aura pour effet une diminution de la puissance.
Indicateur de chaleur résiduelle, H
Après usage, un foyer restera chaud pendant un certain temps, jusqu'à dissipation totale de la chaleur. ÀpRES arrêt d'un foyer, le symbole de l'indicateur de chaleur résiduelle [H ] apparaitra sur l'affichage de la table de cuisson. Ceci indique que la température du foyer est supérieure à 60^ et qu'il y a encore un risque de brûlure. Le symbole [H] s'éteint lorsque la température est inférieure à 60^ .
Chauffage automatique, R
Cette fonction est disponible pour tous les foyer de la table de cuisson. Elle permet un chauffage rapide de l'élément du foyer jusqu'à la température de cuisson requise. Lorsque le foyer a atteint la température requise, la puissance diminuée automatiquement jusqu'à niveau de puissance sélectionné.


Tableau 2-1
| Cuisson de la zone | Diamètre minimum de casserole (fond de casserole) mm |
| Gauche avant | 140 |
| Gauche arrière | 180 |
| Centre | 180 |
| Droit arrêté | 180 |
| Droit avant | 140 |
François
| Niveau de puissance | Automatique réchauffez le temps à 100% (min:secs) |
| 1 | 0:48 |
| 2 | 2:24 |
| 3 | 3:48 |
| 4 | 5:12 |
| 5 | 6:48 |
| 6 | 2:00 |
| 7 | 2:48 |
| 8 | 3:36 |
| 9 | 0:10 |
Tableau 2-2
| Fig.2-6 |



Pour sélectionner cette fonction, tournez le bouton de commande momentanément en sens antihoraire jusqu'à l'affichage du symbole [R] sur l'affichage des commandes de la table de cuisson. Tournez ensuite le bouton de commande pour lemettre sur le niveau de puissance requis (1 à 9).Le récipient est chauffé à 100% pendant une durée spécifiée, puis au niveau de puissance sélectionné.
Après activation de la fonction Chauffage automatique, l'affichage des commandes de la table de cuisson clignotera, alternant entre le réglage [R] et le niveau de puissance sélectionné.
A la fin du chauffage automatique, l'affichage cessera de clignoter et affichera seulement le niveau de puissance sélectionné.
La fonction Chauffage automatique peut être désactivée de deux façon : par rotation du bouton de commande pour le remettre sur le réglage de puissance « 0 » ou par rotation du bouton de commande pour lemettre sur le réglage de puissance « 9 »
A titre indicatif, le Tableau 2-2 indique la durée disponible à 100% de puissance, en fonction du niveau de puissance sélectionné en mode Chauffage automatique.
Verrouillage sécurité enfants, L
La table de cuisson peut être verrouillée pour empêcher son utilisation accidentelle par des enfants.
IMPORTANT : Cette fonction ne peut être activée que lorsque tous les foyers sont éteints.
Pour verrouiller la table de cuisson, activez puis désactiver une des commandes de la table pourmettre en marche l'affichage de la table, puis tournez simultanément les deux commandes à induction arriere externes en sens antihoraire (Fig.2-6) jusqu'à l'affichage du symbole [L] sur l'affichage des commandes de la table de cuisson pour tous les foyers.
Ceci sera SANS effet sur le fonctionnement des fours ou du gril.
Pour déverrouiller la table de cuisson, tournez simultanément les deux commandes à induction arrière externes en sens antihoraire jusqu'à la disparition du symbole [L].
Protection contre le fonctionnement à sec
Cette fonction déetecte l'augmentation rapide de la température du réseau de cuisson et maintainé cette température à un niveau sur. Elle ne gène pas la cuisson normale.

Veillez à ne pas laisser la table de cuisson en marche sans surveillance. Veillez à ne pas laisser les reçipients de cuisson fonctionner à sec après ébullition.
Gril / Gril Coulissant « Glide-out »
Ouvrez la porte du grill et tirez la l'échéfrite (Fig.2-7) ou le support de grill (Fig.2-8) vers vous à l'aide de la poignée.
Le grill a deux éléments qui permettent deCHAuffer la totalité de la lèchefrite ou seulement la partie droite de cette-ci.
Tournez le bouton de commande pour régler la chaleur du grill. Pour un chauffage total, tournez le bouton en sens horsaire (Fig.2-9).
Pour le chauffage de la partie droite, tournez le bouton en sens antihoraire. Le voyant a côté de la commande du grill s'allumera.
Pour obtenir lesassageurs résultats possibles, prechauffez pendant deux minutes avec la l'echefrite en place. Vous pouvez restorer la grille de la l'echefrite et y déposer les alimentents pendant le préchauffage.
NE LAISSEZ PAS LE GRIL EN MARCHE pendant plus de quelques instantsi la lèchefrite n'est pas en place sous le grill, ceci pour prévenir le risque de surchauffe des boutons de commande.
Après préchauffage du grill, retirez de nouveau la l'échefrite et replacez la grille avec les alimentents sur la l'échefrite. Réinsérez la l'échefrite ou le support de l'échefrite dans l'enceinte du grill. Lorsque vous utilisez le grill, vérifie que la l'échefrite du grill est bien insérée jusqu'àu fond.
Des composants accessibles risquent devenir chauds pendant l'utilisation du grill. Eloignez les enfants de la cusinière.
La grille de la l'échefrite est réversible pour permettre deux positions de grill (Fig.2-10).
4 Ne fermez jamais la porte du grill lorsque celui-ci est en marche.
Fours
L'horloge doit être réglée sur l'heure pour que le four principal (four calculable gauche) puisse fonctionner. Voir les instructions de la section « Horloge » pour le réglage de l'heure.
Remarque - Les références au four gauche et droit s'entendant vu de l'avant.
Le four gauche est un four ventilé (Fig.2-11) ou un four Multifonctions (Fig.2-12), selon le modele.
Le four droit haut est un four ventilé (Fig.2-13).
Le ventilateur du four brasse l'air chaud continuellement, assurant ainsi une cuisson plus rapide et plus uniforme. En général, les températures de cuisson recommandées pour les jours ventilés sont inférieures à celles pour des jours conventionnels.
Les fours Multifonctions ont un ventilateur et un élément de four ventilé, ainsi que deux éléments chauffants supplémentaires. Un élément est dans la voûte du four et l'autre sous la sole du four.
Le four Multifonctions a trois fonctions de cuisson principales : cuisson ventilée, cuisson ventilée mixte et cuisson conventionnelle. Utilisez ces fonctions pour effectuer l'essentiel de la cuisson.
L'élement gratineur et la chaleur inférieure peuvent être utilisés en fin de cuisson pour finir certains plats.
Utilisez les fonctions grill ventilé pour la cuisson au grill et décongélation pour décongeler de petites quantités d'aliments surgelés.
Le Tableau 2-3 récapitule les modes Multifonctions.
Le four multifonctions permet de nombreuses utilisations variees. Nous vous conseillons de bien surveiller la cuisson jusqu'à ce que vous soyez familiarisé avec chaque fonction. N'oubliez pas : toutes les fonctions ne convennent pas à tous les types d'aliments.




Tableau 2-3
| Fonction | Utilisation |
| Décongélation | Décongélation de petites quantités d'aliments dans le four sans chaleur |
| Four ventilé | Fonction de cuisson complète, chaleur uniforme; idéale pour la pâtisserie |
| Gril ventilé | Gril des viandes et poissons, avec portedu grill fermée |
| Four ventilé mixte | Fonction de cuisson complète; parfaite pour les rôts et la pâtisserie |
| Four conventionnel | Fonction de cuisson complète pourles rôts et la pâtisserie dans la partieinférieure du four |
| Élement gratinéur | Pour gratiner les plats recouverts defromage |
| Chaleur inférieure | Pour dorer les fonds de quiches, pizzas ou pâtisseries |
François
Fonctions du four multifonctions
Réponse Rapide (Classic Deluxe seulement)

Le réglage Réponse Rapide permet un préchauffage ultrarapide du four. Elle utilise l'élement du four ventilé et la chaleur supplémentaire d'un des
éléments de la voûte du four. Les fours ventilés préchauffent rapidement, mais la fonction Réponse Rapide accélère le préchauffage pour vous permettre de commencer la cuisson plus rapidement.
Pour utiliser la fonction Réponse Rapide, il suffit de tournier le bouton de commande de fonction sur R et de régler à la température requise. Levoyant sur le panneau de commande à côté du symbole R s'allumera.
Lorsque le four atteint la température requise, l'élement supérieur s'eteint et le témoin s'eteint.
La température du four est ensuite maintainue par l'élement et par le ventilateur du four ventilé.
Si vous choisissez de placer des alimentés dans le four froid avant la cuisson tout en utilisant la fonction Réponse Rapide, voirlez à ce que les gâteaux, etc. ne soient pas placés trop haut dans le four.
Four ventile

Cette fonction commande le ventilateur et l'élement chauffant autour de celui-ci. Une chaleur uniforme est produit partout dans le four, ce qui permet la
cuisson rapide de grandes quantités d'aliments.
La cuisson par four ventilé est particulièrement utile pour la cuisson simultanée d'aliments sur plusieurs grilles et est une excellente fonction « polyvalente ». Vous devrez peut-être diminuer la température de 10^ environ pour des plats que vous aviez l'habitude de cuire dans un four conventionnel.
Si vous souhaitez préchauffer le four, attendez que le voyant s'éteigne avant demettre le plat au four.
Gril ventile

Cette fonction commande le ventilateur pendant que l'élément chauffant supérieur est en marche.
On obtient ainsi une chaleur plus uniforme, moins
intense que celle d'un grill conventionnel. Pour obtenir les plusieurs résultats possibles, placez les alimentes à griller sur une grille sur un plat à rôtir qui doit être plus petit qu'une l'échefrite de grill conventionnel. Ceci assure une(Meilleure) circulation de l'air. Ce type de cuisson est idéal pour les morceaux de viande ou de poisson épais, car la circulation de l'air diminue l'intensité de la chaleur du grill.
La porte du four doit être fermée pendant la cuisson au grill pour éviter un gaspillage d'énergie.
Vous constaterez que vous devrez moins surveiller et tourner les alimentes cuits de cette façon. Ce type de cuisson nécessite un préchauffage du four.
Four ventilé mixte

Cette fonction commande le ventilateur et brasse l'air.
chauffé par les éléments chauffants de la voûte et de la sole du four. Cette fonction, qui combine la cuisson
ventilée et la cuisson conventionnelle (chaleur supérieure et inférieure), est un moyen de cuisson idéal pour les alimentés volumineux (gros roti, par exemple) pour lesquels une cuisson complète est très importante.
On peut également faire cuire des plats simultanément sur deux grilles, mais les plats devront être intervertis pendant la cuisson, car, avec cette fonction, la chaleur est plus intense dans la voûte du four qu'au niveau de la sole.
Ce mode de cuisson est intensif et rapide; surveillez les alimentents cuits de la sorte jusqu'à ce que vous soyez familiarisé avec cette fonction.
Four conventionnel (chaleur de voûte et de sole)

Cette fonction combine la chaleur fournie par les éléments supérieurs et inférieurs. Elle est particulièrement utile pour la cuisson d'aliments rôts à tarte, gâteaux et biscuits.
L'élement supérieur exposé risquant de cuire certains alimentés trop rapidement, nous vous recommendons de placer les alimentés dans la partie inférieure du four. Vous devrez peut-être aussi diminuer la température du four.
Des alimentéssemblablescuits ainsidevrontetreintervertis pour cuire uniformément.
Elément gratineur

Cette fonction utilise uniquement l'objet situé dans la voûte du four. C'est une fonction utile pour gratiner ou finir des gratins de pâtes, des légumes
en sauce et des lasagnes, le plat à gratiner étant déjà chaud avant la mise en marche de l'élement supérieur.
Chaleur inférieure

Cette fonction utilise uniquement l'élément inférieur.
Elle permettra de dorer le fond de votre pizza ou de votre quiche ou de terminer la cuisson d'un fond de
tarte sur une grille inférieure. C'est également une chaleur douce, parfaite pour le mjotage de plats placés au milieu du four ou pour réchauffer des assiettes.
Les fonctions Elément gratineur et Chaleur inférieure sont des adjonctions utiles à votre four et vous permettent de finir vos plats à la perfection. Vous constaterezrapidement que leur utilisation contribue àétendre vos compétencesculinaires.
Décongélation

Avec cette fonction, le ventilateur du four brasse uniquement de l'air froid. Il n'y a pas de chaleur.
Cette fonction permet de décongeler des alimentés, des quantités, par exemple desdesserts, gâteaux à la morceaux de viande, poisson et volaille.
Ce type de décongélation accélère le processus de décongélation et protège les alimentés des mouches. Placez les morceaux de viande, poisson et volaille sur une grille, au-dessus d'une plaque prévue pour l'égouttement. N'oubliez pas de nettoyer la grille et la plaque après décongélation.
La porte du four doit être fermée pendant la décongélation.
Des alimentés plus volumineux, tels que des poulets entiers et des rôts, ne doivent pas être décongelés de cette façon. Nous vous conseillons de les décongeler au réfrigérateur.
Ne décongelez pas des alimentés dans un four tiède ou à côté d'un four en marche ou encore chaud.
Vérifiez que les alimentés à base de produits laitiers, la viande et la volaille sont complètement décongelés avant de les cuire.
Fonctionnement du four
Four ventile
Mettez le bouton du four sur la température requise (Fig.2-14).
Levoyant du four restera allumé jusqu'à ce que le fouratteigne la température requise. Il s'allumera et s'éteindrapendant la cuisson.
Four Multifonction
Le four multifonctions est doté de deux commandes, un sélecteur de fonction et un bouton de réglage de température (Fig.2-15).
Tournez le sélecteur de fonction pour leMETTE sur une fonction de cuisson. Mettez le bouton de réglage de température du four sur la température requise (Fig.2-14).
Levoyant du four restera allumé jusqu'à ce que le four atteigne la température requise. Il s'allumera et s'éteindra pendant la cuisson pendant que le thermostat du four maintient la température requise.
Pendant la cuisson d'aliments à haute teneur en eau, un peu de vapeur peut être visible à la grille à l'arrière du chauffe-plates. Ceci est tout à fait normal.



Fig.2-16


A-Bouton Minuterie, B-Bouton Reglage

Fig.2-17



Fig.2-18



Fig.2-19



Fig.2-20



Fig.2-21



Fig.2-22


Horloge
Vous pouvez utiliser la minuterie pourmettre en marche et eteindre le four gauche. L'horloge doit etre réglee sur l'heure actuelle pour que le four puisse fonctionner.
Remarque : Lors de l'utilisation de la minuterie, réglez d'abord l'horloge selon les besoin avant de seLECTIONner la fonction du four et de régler la température (fours Multifonctions seulement).
Horloge de 2 boutons
Réglage de l'heure
L'horloge est montré dedans (Fig.2-16). Àpès raccordement initial de l'horloge, l'affichage clignotera pour indiquer (0.00) et ( ) alternatively.
Pour régler l'horloge sur l'houre actuelle, tournez et appuyez sans relâcher sur le bouton Minuterie pour lemettre sur le symbole horloge (①) tout en tournant le bouton Réglage vers la gauche ou vers la droite jusqu'à l'affichage de l'houre correcte.
N'oubliez pas que c'est une horloge 24 heures.
Relâchez le bouton Minuterie; il reviendra à la position verticale de réglage manuel de four.
IMPORTANT: Le four ne fonctionnera pas si l'horloge n'a pas ete reglee.
Minuterie
Tournez le bouton Minuterie vers la croite jusqu'à la position minuterie (Ω) – vous devrez entendre un déclic lorsqu'il est à la position correcte (Fig.2-17).
Utilisez le bouton Réglage pour régler le temps de cuisson comme indiqué ci-dessous (Fig.2-18).
Vous pouvez remettre le bouton sur la position verticale de réglage manuel (凹) pour pouvoir voir l'heure ou le laisser sur la position minuterie (凹) pendant toute la durée de la cuisson.
Tournez le bouton Réglage en sens antihoraire pour arrêté le signal sonore.
Le « temps de cuisson », c'est-à-dire la durée pendant laquelle vous voulez que le four fonctionne.
« L'heure d'arrêt», c'est-à-dire l'heure à laquelle vous poulez que le four s'arrête.
Arrêt automatique du four gauche
Tournez le bouton Minuterie pour lemettre sur la position (口), (Fig.2-19).
Réglez l'heure d'arrêt du four à l'aide du bouton Réglage. Vous pouvez régler le four pour qu'il s'arrête à n'importe quel moment dans les 24 heures qui suivent. AUTO sera affché (Fig.2-20).
Tournez le bouton Minuterie pour lemettre sur la position « AUTO »
Le signal sonore indiquera la fin de la cuisson à l'heure prévue. Tournez le bouton Minuterie pour lemettre sur la position verticale (m) pour revenir au fonctionnement manuel.
Mise en marche et arrêt du four gauche avec minuterie
Vous ne pouvez pas régler directement une heures de mise en marche – celle-ci est réglée automatiquement lors de la
sLECTION du temps de cuisson et de l'heure d'arrêt.
Tournez le bouton Minuterie pour lemettre sur la position ( 念 ) (Fig.2-21).
Utilisez le bouton Réglage pour régler le « temps de cuisson » comme indiqué ci-dessous (Fig.2-22).
Tournez le bouton Minuterie pour lemettre sur la position ()。.L'affichage indiquera l'heure et le « temps de cuisson » que vous venez de regler. Utilisez le bouton Reglage pour regler « l'heure d'arrêt » comme indiqué ci-dessous (Fig.2- 23).
« L'heure d'arrêt » [« stop time »] sera affichée, « AUTO » sera affchéé. Reglez le (les) four(s) à la température requise. Tournez le bouton Minuterie pour lemettre sur la position « Auto ».
Le signal sonore indiquera la fin de la cuisson. Tournez le bouton Minuterie pour lemettre sur la position verticale (m) pour revenir au fonctionnement manuel.
Si vous étés absent pendant la cuisson, ne vous inquiétez pas au sujet de l'arrêt du signal sonore, celui-ci s'arrête après un certain temps. A votre retour, tournez le bouton Minuterie pour lemettre sur la position verticale (®) pour revenir au fonctionnement manuel.
AUTO est affché, et vous foulez remetre le four sur fonctionnement manuel
Pour annuler tout réglage automatique tournez brièvement le bouton Minuterie pour lemettre sur le symbole horloge (①) puis relâchéz-le.
Fonction de verrouillage
Après activation de la fonction de verrouillage, le four droit peut fonctionner normalement, mais le four gauche est verrouillé et ne s'allumera pas.
Activation de la fonction de verrouillage
Vérifiez que l'horloge est sur le mode manuel et annulez tout programme en cours.
Tournez et appuyez sans relâcher sur le bouton Minuterie pour lemettre surlesymbole horloge (一) pendant environ 8 secondes. «On» ([Marche]) sera affiché (Fig.2-24).
Tout en maintainant le bouton Minuterie sur le symbole horloge (⑦), tournez le bouton Réglage en sens horaire jusqu'à l'affichage du symbole clé (1) et de « OF » ([Arrêt]) (Fig.2-25). Relâchéz les boutons.
Le four gauche est à présent verrouillé, comme indiqué par l'affichage de l'heure et du symbole clé (Fig.2-26).
Désactivation de la fonction de verrouillage
Tournez and appuyez sans relâcher sur le bouton Minuterie pour lemettre sur lesymbole horloge (①)pendant environ 8 secondes.« OF » ([Arrêt]) sera affché (Fig.2-27).
Tout en maintainant le bouton Minuterie sur le symbole horloge (©) , tournez le bouton Réglage en sens hora jusqu'à ce que le symbole clé (丨) soit replacé par l'affichage de « On » ([Marche]) (Fig.2-28). Relâchez les boutons.
Après quelques secondes, l'heure est de nouveau affichée.
Le four peut être maintainant utilisé normalement.






François

Fig.2-29

A-Minuterie,B-«temps de cuisson》,C-«I'heure d'arrêt》,D-Manuel,E&F-Boutons'darrangementde temps

Fig.2-30

Fig.2-31



Fig.2-32




Fig.2-33



Fig.2-34




Fig.2-35



Fig.2-36



Fig.2-38

Fig.2-37




Horloge de 6 boutons
Réglage de l'heure
L'horloge est montré dedans (Fig.2-29). Àpès raccordement initial de l'horloge, l'affichage clignotera pour indiquer (0.00) et ( ) alternatively.
Appuyez en continu sur les boutons [♀] et [♀] comme indiqué à la Fig.2-30. En même temps, appuyez sur (-) ou (+) jusqu'à l'affichage du temps de cuisson requis.
N'oubliez pas qu'il s'agit d'une horloge 24 heures.
Si vous faites une erreur ou si vous vous trompez de bouton, mettez l'appareil hors tension pendant une ou deux minutes, puis reconnendez la procédure.
Minuterie
Appuyez sans relâcher sur la minuterie (4) (Fig. 2-31). En même temps, appuyez sur (-) ou (+) jusqu'à l'affichage du temps de cuisson requis (Fig.2-32).
Vous pouvez vérifier le temps de cuisson qui reste en appuyant sur (圆) , et annuler le signal sonore en appuyant encore une fois sur (圆) .
Le « temps de cuisson », c'est-à-dire la durée pendant laquelle vous voulez que le four fonctionne.
« L'heure d'arrêt », c'est-à-dire l'heure à laquelle vous poulez que le four s'arrête.
Arrêt automatique du four gauche
Appuyez sans relâcher sur le bouton Heure d'arrêt (口),
(Fig.2-33). En même temps, appuyez sur (-) ou (+) jusqu'à « l'heure d'arrêt » s'affiche (Fig.2-34). AUTO sera affchéé.
Le signal sonore indiquera la fin de la cuisson à l'heure prévue. Mettez d'abord le bouton de commande du four sur la position 0 (Arrêt), puis appuyez une fois sur (凹) pour arrêté le signal sonore, appuyez de nouveau sur (凹) pour revenir au fonctionnement manuel.
Mise en marche et arrêt du four gauche avec minuterie
Avant de régler la minuterie,CHOISSEZ le « temps de cuisson », et « l'heure d'arrêt »
Remarque : Vous ne pouvez pas régler directement
une heures de mise en marche – celle-ci est régée automatiquement lors de la seLECTION du « temps de cuisson » et de « l'heure d'arrêt »
Appuyez sans relâcher sur le bouton Temps de cuisson (),
(Fig.2-35). En même temps, appuyez sur (-) ou (+) jusqu'à l'affichage du temps de cuisson requis (Fig.2-36).
Appuyez sans relâcher sur le bouton Heure d'arrêt (口),
(Fig.2-37). En même temps, appuyez sur (-) ou (+) jusqu'à « l'heure d'arrêt » s'affiche (Fig.2-38). Relâchez les boutons.
AUTO sera affché.
Réglez le four sur la température requise. Le signal sonore indiquera la fin de la cuisson. Mettez d'abord le bouton de commande du four sur la position 0 (Arrêt), puis appuyez une fois sur (凹) pour arrêter le signal sonore, appuyez de nouveau sur (凹) pour revenir au fonctionnement manuel.
Si vous étés absent pendant la cuisson, ne vous inquiètez pas au sujet de l'arrêt du signal sonore, celui-ci s'arrêtea après un certain temps. A votre retour, mettez d'abord le bouton de commande du four sur 0, puis appuyez deux fois sur (®) pour revenir au fonctionnement manuel.
AUTO est affché, et vous foulez remetre le four sur fonctionnement manuel
Pour revenir à un fonctionnement manuel après un fonctionnement automatique, vous doivent annuler le « temps de cuisson ». Appuyez en continu sur la touche [□], puis appuyez sur la touche [-] jusqu'à ce que l'affichage indique (0.00).
Appuyez sur la touche [m] pour revenir à un fonctionnement manuel.
Fonction de verrouillage
Après activation de la fonction de verrouillage, le four droit peut fonctionner normalement, mais le four gauche est verrouillé et ne s'allumera pas.
Déactivation de la fonction de verrouillage
Vérifiez que l'horloge est sur le mode manuel et annulez tout programme en cours.
Appuyez sans relâcher sur les boutons Minuterie (♀) et Temps de caisson (♂). « On » ([Marche]) sera affché (Fig.2-39). Appuyez une fois sur le bouton « + ». Le symbole clé (♀) et « OF » (Arrêt) s'afficheront (Fig.2-40). Relâchez les boutons.
Le four gauche est à créé verrouillé, comme indiqué par l'affichage de l'heure et du symbole clé (l), (Fig.2-41).
Désactivation de la fonction de verrouillage
Appuyez sans relâcher sur les boutons Minuterie (♀) et Temps de caisson (♂. « OF » (Arrêt) sera affché (Fig.2-42). Appuyez une fois sur le bouton « + ». Le symbole de clé (♂) disparait et « On » ([Marche]) s'affiche (Fig.2-43). Relâchez les boutons.
Après quelques secondes, l'houre est de nouveau affichée.
Le four peut être à présent utilisé normalement.






François









Accessoires
Grilles de four - Four gauche (four principal)
Outre la grille plate (Fig.2-44), certains modèles sont fournis avec une grille surbaissée (Fig.2-45), qui augmente les possibités d'espacement entre les grilles de four.
Les grilles de four s'inserent et s'exraient facilement.
Tirez la grille vers l'avant jusqu'à ce que l'arrière de la grille soit arrêté par les butées d'arrêt laterales du four (Fig.2-46).
Soulevez l'avant de la grille pour faire passer l'arrière de la grille sous la butée d'arrêt, puis tirez la grille vers l'avant (Fig.2-47).
Pour remettre la grille en place, mettez la grille à niveau avec une glissière latérale du four, puis insérez la grille à fond jusqu'à ce que les extrémités soient en contact avec la butée d'arrêt de la grille. Soulevez l'avant de la grille pour que les extrémités puissant dépasser les butées, puis abaissez l'avant pourmettre la grille à l'horizontal, avant de l'insérer à fond (Fig.2-48).
Grilles de four - Four croit (four haut)
Le four haut est fourni avec quatre grilles de cuisson ordinaires (Fig.2-49), et une grille chauffe-plats (Fig.2-50).
Lorsque vous utilisez le four haut, vous pouvez faire cuire des alimentes sur les quatre grilles simultanement, mais voirlez à ce que les plats soient bien écarts les uns des autres pour permettre à l'air chaud de circuler.
Le Handyrack (Fig.2-51) se monte uniquement sur la portedu four gauche. Il est facile de surveiller les alimentes cuiisantainsi car vous pouvez y acceder lorsque la porte est ouverte.
Le Handyrack peut supporter un poids maximum de 5,5 kg. Il ne doit être utilisé qu'avce le plat à rottir fourni, qui est spécialement concu pour être utilisé avec le Handyrack. Tout autre réseau de cuisson risque d'être instable.
D'autres plats à rôtir sont disponibles dans notre gamme d'ustensiles de cuisine – Référence de piece RM027.
Vous pouvez le monter sur deux positions. Retirez une des grilles et placez l'autre selon les besoin.
Lorsque le Handyrack est utilisé sur sa position supérieure, d'autres plats peuvent être cuits sur une grille placée à la position inférieure ou placée directement sur la sole du four.
Lorsque le Handyrack est utilisé sur sa position inférieure, d'autres plats peuvent être cuits sur une grille placée à la deuxieme position du four ou directement sur la sole du four.
Pour monter le Handyrack, placez un côté sur le support de la porte (Fig.2-52).
Extraire l'autre côté pour l'accrocher sur l'autre support (Fig.2-53).
Eclairage du four principal
Appuyez sur le bouton approprié pour allumer l'éclairage du four (Fig.2-54).
Si l'éclairage est défectueux, mettez la cusinière hors tension avant de changer l'ampoule. Pour des informations détaillées sur la façon de changer une ampoule de four, reportez-vous à la section « Dépannage »
François
3. Consels pour la Cuisson
Utilisation de votre cuisinière à induction
Si vous n'avez jamais utilisé de cuisinière à induction, tenez compte des conseils suivants :
Assurez-vous que les recipients de cuisson que vous possédez ou que vous achetez sont adaptés à la cuisson par induction. L'acid inoxydable, l'acid émaille ou la fonte sont ideals. Vérifiez bien avant l'achat : les recipients de cuisson doivent avoir un fond magnétique.
Prenez le temps de vous familiariser avec la cuisson à induction qui, bien que douce, est une cuisson rapide et puissant. Lors du mijotage, vous remarquerez peut-être que le mijotage des liquides sembler cesser puis reprendre presque immédiatement. Ceci est tout à fait normal.
Vous pourrez entendre un léger bruit de vibration provenant des récipients pendant la cuisson à induction. Ici aussi, ceci est tout à fait normal et dépendra du type et de la forme des récipients utilisés.
Les éléments chauffants à induction s'allument et s'éteignent pendant la cuisson. Meme si un foyer en marche semble s'éteindre et s'allumer, une chaleur constante continue d'être fournie au réseau de cuisson – ceci est tout à fait normal.
Conseils pour la cuisson avec minuterie
Si vous désirez cuire plusieurs plats simultanément,CHOISSE des plats nécessitant approximativement le même temps de cuisson. Cependant, la cuisson de certains plats peut etre légèrement « ralentie » en utilisant des petits plats de cuisson et en les recouvrant d'une feuille de papier aluminium, ou « accélérée » en utilisant de plus petites quantités ou des plats de cuisson plus grands.
Evitez d'utiliser des alimentes rapidement périsibles (poisson, porc, etc.) si vous prévoyez une longue période d'attente, surtout par temps chaud.
Ne place pas des alimentés chauds dans le four qui sera utilisé avec la fonction minuterie.
N'utilise pas un four deja chaud avec la fonction minuterie.
A N'utilisez pas la fonction minuterie avec un four si le four adjacent est déjà chaud.
Décongelez complètement les volailles entières avant de lesmettre au four. Assurez-vous que les viandes et volailles sont bien cuites avant de les servir.
Conseils généraux pour la cuisson au four
Veillez à ce que les grilles soient toujours insérées à fond dans le four.
Placez les plaques de cuisson, plats à rôtir, etc., à niveau, au centre des grilles du four. Placez les autres plats au centre sur les grilles. Eloignez les plaques et les plats de cuisson des bords du four, afin de ne pas trop dorer les alimentés.
Pour dorer un plat uniformément, il est recommandé d'utiliser une plaque de cuisson de dimensions maximales de 340 mm x 340 mm pour le four gauche (four principal) et de 232 mm x 321 mm pour le four droit (four haut).
Lorsque le four est en marche, NE LAISSEZ PAS la portedu four ouverte plus longtemps que nécessaire, afin deprévenir une surchauffe des boutons de commande.
- Laissez toujours un « doigt de largeur » entre des plats placés sur une grille de four. Ceci afin de facilititer la circulation de chaleur autour des plats.
Pour réduire les projections grasses lorsque vous ajoutez des légumes dans laGRAisse chaude autour d'un roti, séchez soigneusement les légumes ou enduisez-les d'un peu d'huile à friture. - Placez les plats susceptibles de bouillir et déborderpendant la cuisson sur une plaque de cuisson.
Le four produit assez de chaleur pendant la cuisson pour rechauffer des assiettes placées dans l'enceinte du grill. - Si vous souhaitez dorer un fond de tarte, préchauffez une plaque de cuisson pendant 15 minutes avant de placer le plat au centre de la plaque.
- Les panneaux internes autonettoyants (voir la section « Nettoyage de la cuisine ») sont plus efficaces lorsqu'on évite les projections grasses. Couvrez la viande pendant la cuisson.
François
4. Cuisson de la table
Les températures du four et les temps de cuisson sont fournis à titre indicatif uniquement. En fonction des goûts de chacun, les températures devront peut-être être modifiées dans un sens ou dans l'autre, pour obtenir les résultats que vous recherchez.
Dans un four ventilé les plats sont cuits à une température plus basse que dans un four traditionnel. Lorsque vous suivez une recette, réduisez la température indiquée de 10^ et le temps de cuisson de 5-10 minutes. La température dans un four ventilé ne varie pas selon la position dans le four - vous pouvez donc utiliser n'importe chaque grille.

Position de grille
- Avant la cuisson, décongelez complètement les viandes et volailles congeées.
Temperature Four Position Température Conventional ^ C de grille Four Ventilé ^ C Temps de Cuisson Approximatif
| Vande | |||||
| Bœuf | 160 | C | 150 | 30-35 minutes par 500g +30-35 minutes. | Farci et roulé - Ajoutezapproximativement 10 minutes/500gaux temps de cuisson ci-dessus oufastes cuire à 200°C pendant 20minutes, puis à 160°C pendant lereste de la cuisson. |
| 200 | C | 190 | 20-25 minutes par 500g +20-25 minutes. | ||
| Agneau | 160 | C | 150 | 30-35 minutes par 500g +30-35 minutes. | |
| 200 | C | 190 | 20-25 minutes par 500g +20-25 minutes. | ||
| Porc | 160 | C | 150 | 35-40 minutes par 500g +35-40 minutes. | |
| 200 | C | 190 | 25-30 minutes par 500g +25-30 minutes. | ||
| Volaille | |||||
| Poulet | 160 | C | 150 | 20-25 minutes par 500g +20-25 minutes. | Volaille farcie - Cuisson à 200°C ouà 200°C pendant 20 minutes, puis à160°C pendant le reste de lacuisson.Preéballée (fraîche ou congelée):Suivre les temps de cuissonindiqués sur l'emballage.Avant la cuisson, decongelezcompletement les rotis et volaillescongeles. |
| 200 | C | 190 | 15-20 minutes par 500g +15-20 minutes. | ||
| Dinde | 160 | C | 150 | 25-30 minutes par 500g +25-30 minutes. | |
| 200 | C | 190 | 20 minutes par 500g +20 minutes. | ||
| Canard | 160 | C | 150 | 25-30 minutes par 500g. | |
| 200 | C | 190 | 20 minutes par 500g. | ||
| Plat braisé | 140-150 | C | 130-140 | 2-4 heures selon la recette. | |
| Poisson | |||||
| 190 | C | 180 | Filet 15-20 minutes. Morceau entier 15-20 minutes par 500g. | ||
| 190 | C | 180 | Morceau entier 10 minutes par 500g +10 minutes. | ||
| 190 | C | 180 | Steaks selon l'épaisseur. | ||
| Gâteau | |||||
| Cake 100% fruits confits | 140 | C/B | 130 | 45-50 minutes par 500g de pâte. | |
| Fruits 180mm | 150 | C/B | 140 | 2-2,5 heures. | |
| Fruits 230mm | 150 | C/B | 140 | 3,5 heures. | |
| Gâteau quatre quarts 180mm | 180 | C | 170 | 20-30 minutes. | |
| Desserts | |||||
| Tarte pâté brisée | 200 | C | 190 | 30-40 minutes. | |
| Tourtes aux fruits | 180 | C | 170 | 30-40 minutes permutation après 25 minutes. | |
| Tartelettes | 180 | C | 170 | 15-20 minutes. | |
| Pâté feuilletée | 220 | C | 210 | 20-40 minutes selon la taille. | |
| Meringues | 100 | C | 90 | 2-2,5 heures selon la taille. | |
| Pain | 220 | C | 210 | 20-30 minutes. | |
5. Nettoyage de la Cuisinière
Informations Importantes
Avant un nettoyage complet, mettez la cuisinière hors tension. Laissez-la refroidir.
N'utilisez jamais de solvants pour peinture, de cristaux de soude, de nettoyants caustiques, de poudres biologiques, d'eau de Javel, de nettoyants chlorés, ni de produits abrasifs à gros grain ou de sel. Ne mélangez pas plusieurs produits nettoyants, car ils risquent de réagir entre eux et d'avoir des effets nocifs.
Toutes les parties de la cuisine ne peuvent etre lavées à l'eau savonneuse chaude, mais veillez a prévenir toute infiltration d'eau dans I'appareil.
Nous avons développé une gamme de produits nettoyants qui permettent d'obtenir des résultats optimaux sans abimer les surfaces émailées et peintes. Des informations complémentaires figurent dans la brochure Collection Ustensiles de cuisine [Cookware Collection] fournie avec votre cuisinière ou sur notre site Internet www.rangemaster.co.uk.
N'oubliez pas de remettre sous tension et de régler de nouveau l'horloge avant d'utiliser la cuisineire.
Table de Cuisson
Entretien Quotidien
Vérifiez tout d'abord que tous les indicateurs de chaleur résiduelle sont éteints et que la table de cuisson a refroidi. Appliquez une petite quantité de nettoyant semi-liquide pour surface vitrocéramique au centre de chaque zone à nettoyer. A l'aide de papier essuie-tout propre et humide, étalez le produit nettoyant sur la surface de cuisson. Pour finir, essuyez la surface avec du papier essuie-tout propre et sec.
Nettoyage des Débordements
En cas de déversement ou débordement accidentel pendant la cuisson, éteignez la cusinière et essuyez autour de la zone chaude avec du papier essuie-tout propre. Si les alimentés renversés (autres qu'une substance sucrée) se trouvent sur une zone chaude de la table de cuisson, attendez que celle-ci ait entièrement refroidi pour nettoyer et suivez les instructions ci-dessous (« Nettoyage des déversements brûlés »).
En cas de fonte accidentelle d'un objet ou de déversement d'aliments à forté teneur en sucre (confiture, sauce tomat, jus de fruit, etc.), ENLEVEZ IMMEDIATEMENT les aliments déversés à l'aide d'un racloir à lame pendant que la table est encore chaude.
IMPORTANT: Utilisez un gant isolant pour ne pas vous brûler.
Raclez le plus gros des alimentés déversés ou de toute matière qui aurait fondu sur la zone de cuisson et poussez-les vers une zone froide. Mettez ensuite la cusinière sur la position Arrêt [OFF] et laissez-la refroidir avant de continuer le nettoyage. Lorsque la surface de cuisson a refroidie et que les indicateurs de chaleur résiduelle sont éteints, suivez la procédure de nettoyage quotidien décrite plus haut.
Nettoyage des Déversements Brûlés
Vérifiez que les indicateurs de chaleur résiduelle sont éteints et que la table de cuisson a refroidi. Retirez toute matière brûlée à l'aide d'un racloir à lame simple. Tenez le racloir à un angle d'environ 30^ au-dessus de la surface et raclez pour éliminer les dépôts (Fig.5-1).

François

Fig.5-2

Fig.5-3

Fig.5-4

Fig.5-5

Fig.5-6
Lorsque le plus gros a ete enleve a l'aide du racloir, suivez la procedure de nettoyage quotidien decrite plus haut.
Gril
Avant de retarder des composants du grill pour les nettoyer, assurez-vous qu'ils ont refroidi ou protégéz-vous avec des gants isolants.
Lavez la lèchefrite et la grille à l'eau savonneuse chaude.
Après les grillades de viandes ou d'aliments salissants, faites tremper dans l'évier, pendant quelques minutes, immédiatement après la cuisson. Les taches tenaces sur la grille peuvent être enlevées à l'aide d'une brose en nylon. La l'échefrite peut aussi être lavée au lave-vaisselle.
Retrait du Gril coulissant
Procedez comme suit pour-retirer la l'échéfrite à des fins de nettoyage. Pour-retirer le support de la l'échéfrite, tirez la l'échéfrite vers l'avant (Fig.5-2).
Soulevez la lèchefrite du support. Le support est maintainu sur les glissières laterales par deux clips de chaque côté (Fig.5-3).
Pour chaque côté, soutenez la glissière latérale d'une main et, de l'autre, soulevez le support pour le dégager des clips lateraux (Fig.5-4).
Par sécurité, repoussez les glissières laterales dans l'enceinte du grill.
Pour faciliter le nettoyage de l'enceinte du grille, vous pouvez-retirer les glissières laterales en les decrochant des cotsés de l'enceinte (Fig.5-5) et essuyer les cotsés avec un chiffon doux imbibé de détergent doux.
NE LAVEZ PAS les glissières laterales au lave-vaiselle.
Après nettoyage, raccrochez les glissières laterales sur les côtes de l'enceinte du grill. Pour remonter le support, tirez les glissières laterales vers l'avant, et, pour chaque côté, soutenez la glissière et appuyez sur le support pour le réinsérer dans les glissières. Replacez la l'échefrite. Lors de la remise en place de la l'échefrite, assurez-vous que le bord large est à l'avant (Fig.5-6).
Panneau de Commande et Portes
N'utilise pas des produits nettoyants abrasifs, y compris des produits nettoyants semi-liquides, sur les surfaces en acier inoxydable brossé. Les mêleurs résultats s'obtiennent avec des détergents liquides.
Le panneau et les boutons de commande doivent être nettoyés uniquement avec un chiffon doux imbibé d'eau savonneuse chaude. Veillez à prévenir toute infiltration d'eau dans l'appareil.
Après nettoyage, lustrez à l'aide d'un chiffon sec.
Fours
Panneaux de porte vitrée
Sur certains modèles, le panneau avant de la porte du four peut être retirepour permettre le nettoyage des panneaux en verre. Avancez la cusinière afin de pouvoir acceder aux parties laterales (veuillez dire la section « Déplacement de la cusinière » des générées instructions).
Entrouvre la porte du four et retirez les vis de fixation du panneau avant des côtés de la porte (deux de chaque côté) (Fig.5-7).
Soulevez le panneau de porte extérieur avec précaution. Vous pouvez à présent nettoyer la face interieure des panneaux, en veillant à ne pas déplacer ni mouiller les joints d'étanchéité de la porte.
Remarque: Si la porte est dotée d'un triple vitrage, les panneaux interieurs sont fixés ensemble et ne doivent pas séparés.
Après nettoyage, reposez le panneau de porte extérieur avec précaution et replacez les vis de fixation.

N'UTILISEZ PAS de produits nettoyants décapants et abrasifs ni de racloirs métalliques acérés pour nettoyer la surface en verre de la porte du four, afin de prévenir tout risque de rayures et de fissures du verre.
Four Principal
Le four principal est doté de panneaux amovibles à revêtement émailé qui sont partiellement autonettoyants. Ceci n'empêche pas complètement la formation de taches sur le revêtement, mais réduit le nettoyage manuel nécessaire.
Le nettoyage automatique des panneaux est plus efficace à une température supérieure à 200^ . Si, en général, vous utilisez le four à des températures inférieures, retirez occasionnellement les panneaux et essuyez-les avec un chiffon non pelucheux imbibé d'eau savonneuse chaude. Séchez et replacez les panneaux dans le four chauffé à 200^ pendant environ une heures. Ceci assurera un bon fonctionnement des panneaux autonettoyants.
N'utilise pas de paille de fer ou tout autre matériel susceptible de rayer la surface.
Dépose des panneaux internes du four principal
Certains panneaux internes de four sont amovibles afin de permettre leur nettoyage. Retirez d'abord les grilles du four.
Chaque panneau létal est maintainu en place par quatre vis de fixation. Les panneaux peuvent être retirés sans avoir à enlever les vis. Soulevez chaque panneau létal pour le décrocher des vis (Fig.5-8). Tirez-le ensuite vers l'avant.
Après retrait des panneaux internes, vous pouvez nettoyer l'intérieur émailé du four.
Four Haut
Pour nettoyer les parois du four, retirez les grilles, décrochez et retirez les supports latéraux (Fig.5-9).



François
Tableau Nettoyage
Les produits nettoyants indiqués sont en vente dans les supermarchés ou les magasins d'accessoires électriques. Pour les surfaces émaillées, utilisez un produit nettoyant recommendé pour l'émail vitrifié.
Un nettoyage régulier est recommende. Pour faciliter le nettoyage, essuyez les taches immédiatement.
Pour éviter les projections grasses dans le four, recouvre les rôts de papier aluminium ou utilisez un sac de cuisson. Enduisez les légumes de matière grasse avant de les placer autour de la viande.
| Table de cuisson | ||
| Composant | Finition | Méthode de nettoyage recommandée |
| Surface de la table de cuisson | Email ou acier inoxydable | Eau savonneuse chaude, chiffon doux. FrottezDoucement avec un tampon à récurer en nylon pour éliminer les taches tenaces. |
| Plaques électriques étanches | Fonte | Nettoyz la rouille et les résidus alimentaires à l'aide d'un tampon à récurer en paillage de fer savonnoux en frottant dans le sens du grain. Rincez et laissez sécher. Utilisez un produit renovateur pour plaques de cuisson (en ventedans les magasins d'accessoires électriques) pour rénover la couleur et protégger les plaques. |
| Table de cuisson céramique/induction | Verre trempé | Eau savonneuse chaude, nettoyant crème/tampon à récurer si nécessaire. |
| Plaque à griller (selon les modèles) | Surface antiadhésive | Laissez refroidir. Lave à l'eau savonneuse chaude. N'utilise pas de produits nettoyants/tampons abrasifs. Lave-vaiselle. |
| Zone de réchauffage (selon les modèles) | Verre trempé | Eau savonneuse chaude, nettoyant crème/tampon à récurer si nécessaire. |
| Extrieur de la cusinière | ||
| Composant | Finition | Méthode de nettoyage recommandée |
| Porte, pourtour de porte et extérieur du tiroir de rangement | Email ou peinture | Eau savonneuse chaude, chiffon doux. FrottezDoucement les tâches tenaces avec un détergent liquide. |
| Acier inoxydable | Chiffon multi-uses en microfibre (supermarché) | |
| Côtés et plinthe | Surface peinte | Eau savonneuse chaude, chiffon doux. |
| Dosseret / Grille arrière | Email ou acier inoxydable | Eau savonneuse chaude, chiffon doux. Nettoyz soigneusement avec un produit nettoyant semi-liquide, si nécessaire. |
| Panneau de commande | Peinture, émail ou acier inoxydable | Eau savonneuse tiège. N'utilise pas de produits nettoyants abrasifs sur les caractères. |
| Boutons de commande/poignées et garnitures | Plastique / chrome ou cuivre / laiton laqué | Eau savonneuse tiège, chiffon doux. |
| Laiton | Produit de polissage pour laiton (supermarché). | |
| Vitre de portede four / Couvercle en verre | Verre trempé | Eau savonneuse chaude, nettoyant crème/tampon à récurer si nécessaire. |
| Four et Gril | ||
| Composant | Finition | Méthode de nettoyage recommandée |
| Parois, sole et voûte du four - PAS les PANNEAUX AUTONETTOYANTS (voir ci-dessous) | Tout produit nettoyant pour four utilisable avec l'émail. ATTENTION: PRODUITS NETTOYANTS CORROSIFS/CAUSTIQUES POUR FOURS: SUIVEZ LES INSTRUCTIONS DU FABRICANT. Evitez tout contact avec les éléments du four. | |
| Panneaux autonettoyants de four (selon les modèles) | Email spécifique partiellement autonettoyant | Cette surface est autonettoyante à 200°C ou plus; vous pouze également retarder les panneaux et les nettoyer à l'eau savonneuse chaude et avec une brose en nylon. |
| Grilles de four, Handyrack, grille de l'echefrite, Handygrill | Chrome | Tout produit nettoyant pour four utilisable avec le chrome. Tampon à récurer savonneux. Lave-vaiselle. |
| L'echefrite/Plat à viande (selon les modèles) | Eau savonneuse chaude. Tampon à récurer savonneux. Lave-vaiselle. | |
6. Dépannage
A
NE PAS faire effectuer de modifications ou de réparations de la table de cuisson par des personnes non qualifiées. N'essayez pas de réparer la table de cuisson; vous risquez de vous blesser et d'endommager la table. Faites effectuer la réparation par une personne compétente.
Remarque: La table de cuisson à induction est dotée d'un système de diagnostic automatique et peut afficher ces diagnostics sur l'affichage des commandes de la table. Des codes d'erreur peuvent être affichés dans le cas d'un fonctionnement défectueux de la table de cuisson.
Les informations ci-dessous pourront vous être utiles pour remédier au problème en cas d'affichage d'un code d'erreur ou de fonctionnement défectueux de la cuisine.
Affichage du code d'erreur E2
L'unité électronique est trop chaude. Vérifiez l'installation de la cusinière, pour vous assurer que la ventilation en place est suffisante. Dans des cas extrêmes, ce code d'erreur peut être affché si un recipient de cuisson continue de fonctionner à sec après ébullition. En cas de doute, veuillez contacter votre installerateur ou un réparateur qualifié.
Absence d'affichage
Surtension ou absence de tension d'alimentation de la cusinière. En cas de doute, veuilles contacter votre installerateur ou un réparateur qualifié.
Affichage du code d'erreur ERxx ou Ex
L'appareil présente un problème technique interne qui ne peut pas etre rectifie par l'utilisateur. Veuillez contacter votre installerateur ou un reparateur qualifie.
Le fusible saute ou le disjoncteur différentiel est déclenché féquemment
Veuillez contacter votre installer ou un réparateur qualifié.
La table de cuisson ne se met pas en marche
Votre système électrique domestique a-t-il fait sauter un fusible ou déclenché un disjoncteur différentiel ?
La table de cuisson a-t-elle ete connectee correctement a l'alimentation secteur ?
La fonction verrouillage sécurité enfants a-t-elle ete activee ? Voir la section Verrouillage sécurité enfants pour plus d'informations sur cette fonction.
La table de cuisson à induction est bruyante
Lors de l'utilisation de la table de cuisson à induction, un « bruit » peut être audible au niveau des foyers. Ceci est normal et peut être plus audible dans le cas d'une cuisson aux puissances maximes ou de l'utilisation simultanée des cinq foyers. Le type de recipient de cuisson peut aussi contribuer à ce « bruit »
Une fissure est visible sur la surface de la table de cuisson
Mettez immédiatement la cusinière hors tension et faites-la réparer. N'utilise pas la cusinière tant qu'elle n'a pas été réparée.
La table de cuisson est rayée
Utilisez toujours les méthodes de nettoyage recommandées dans les Presents instructions, et voirlez à utiliser des recipients de cuisson à fond lisse et propre.
Les traces laissées par les dépôts mineraux dus à l'eau et aux alimentes, peuvent être éliminés à l'aide d'un produit nettoyant semi-liquide. Il n'est pas toujours possible d'éliminer les toutes petites rayures, mais celles-ci s'estomperont à la longue après plusieurs nettoyages.
Le ventilateur du four est bruyant
Le bruit du ventilateur peut changer pendant le chauffage du four - ici est tout à fait normal.
Le gril ne cuit pas correctement
Utilisez-vous la lèchefrite et la grille fournies avec la cuisine ? Utilisez-vous la lèchefrite sur les glissières et non pas directement sur la surface inférieure de l'enceinte du gril ? La lèchefrite est-elle insérée à fond jusqu'à la butée arrête ?
Les boutons de commande deviennent chauds lorsqu j'utilise le four ou le grill. Comment faire pour empêcher cela ?
Ceci est dû à la chaleur provenant du four ou du gril. Ne laissez pas la porte du four ouverte.
Lorsque vous utilisez le grill, assurez-vous que la l'echefrite du grill est bien insérée jusqu'à la butée arrêté.
Laissez toujours la porte de l'enceinte du grill ouverte pendant l'utilisation du grill.
En cas de problème concernant l'installation, si mon installer d'origine ne peut pas venir résoudre le problème, à qui incombent les frais ?
C'est à vous qu'incombent ces frais. Les sociétés d'entretien factureront leurs interventions si elles réparent une installation effectuee par votre installerur d'origine. Il est de votre intérêt de contacter votre installerur d'origine.
Pannde courant
En cas de panne de courant, n'oubliez pas de régler de nouveau l'horloge pour permettre le fonctionnement automatique du four.

Fig.6-1

Fig.6-2
Les alimentés cièsent trop lentement, trop rapidement, ou brûlent
Les temps de cuisson peuvent etre différents de ceux de.
votre ancien four.
Vérifiez que vous utilisez les températures et positions de grilles de four recommendées. Les températures du four et les temps de cuisson sont fournis à titre indicatif uniquement.
En fonction des goûts de chacun, les températures devront peut-être être modifiées dans un sens ou dans l'autre, pour obtenir les résultats que vous recherchez.
La ciisson au four n'est pas uniforme
N'utilise pas de plat ou de plaque de cuisson de dimensions supérieures à celles indiquées dans la section « Conseils généaux pour la cuisson au four »
Dans le cas d'un grand plat, vous devrez peut-être le tourner pendant la cuisson.
Si vous utilisez deux grilles, vérifie qu'il y a assez de place pour permettre à la chaleur de circuler. Lorsque vous insérez une plaque de cuisson dans le four, voirlez à la placer au centre de la grille.
Vérifiez que le joint d'étanchéité de la porte n'est pas endommagé et que le loquet de porte est régle de façon à ce que la porte soit bien appuyée contre le joint.
Un récipient d'eau place sur la grille doit avoir une profondeur uniforme. (S'il est plus profond à l'arrière, par exemple, l'arrête de la cusinière doit être levé ou l'avant de la cusinière abaisse). Si la cusinière n'est pas à niveau, demandez à votre fournisseur de laMETTE à niveau.
Le four ne s'allume pas lorsqu'il est mis en marche manuellement
L'appareil est-il sous tension? L'horloge est-elle éclairée? Si ce n'est pas le cas, l'alimentation électrique est peut-être défectueuse. Le sectionneur de l'alimentation électrique de la cusinière est-il sur la position Marche?
L'heure a-t-elle ete reglee?
Le symbole clé (†) s'affiche-t-il pour indiquer le verrouillage du four ? Reportez-vous à la section « Horloge » des générées instructions pour un complément d'informations sur la fonction de verrouillage.
Le four ne s'allume pas avec la mise en marche automatique
Le bouton de commande du four a-t-il eté laissé par erreur sur ARRET (OFF)? Four est-il verrouillé (voir ci-dessus)?
Avec le temps, la température du four de la cuisineille devient plus chaude
Si le fait demettre le bouton de réglage sur une température inférieure n'a pas eu d'effet ou a eu un effet-temporaire, vous devrez peut-être replacer le thermostat. Cette intervention doit être effectué par un spécialiste de l'entretien.
L'éclairage du four ne fonctionne pas
L'ampoule a probabilité grillé. Vous pouvez acheter une ampoule de rechange (non couverte par la garantie) dans un magasin d'accessoires électriques. Demandez une ampoule à culot vissable Edison 15 W 240 V, POUR FOURS. Cette ampoule doit pouvoir résister à une température de 300^ (Fig. 6-1).
Avant de-retirer l'ampoule usagée,mettez la cusinière hors tension et assurez-vous que le four a refroidi.
Ouvrez la porte du four et retirez les grilles du four.
Dévissez le couvercle de l'ampoule en tournant en sens antihoraire (il peut être très difficile à dévisser) (Fig. 6-2).
Dévissez l'ampoule en tournant en sens antihoraire, en vous protégeant les mains avec un gant pour ne pas vous blesser. Vissez l'ampoule de rechange, puis revissez le couvercle de l'ampoule. Remettez l'appareil sous tension et contrôlez le fonctionnement de l'éclairage.
La porte du four est alignée mal
La charnière inférieure de la porte peut être ajustée afin de modifier l'angle de la porte (Fig. 6-3). Desserrez les vis de fixation de la charnière inférieure, et utilisez le cran et un tournevis à lame plate pour changer la position de la charnière et la régler (Fig. 6-4).
Resserrez les vis de la charnière.


INSTALLATION
8. Schémas de câblage

Scheme de câblage: Table de cuisson
| Code | Élement |
| A | Panneau de commande tactile Touchlite |
| B | Tableau de distribution |
| C | Commande avant gauche |
| D | Commande arrière gauche |
| E | Commande centrale |
| F | Commande avant droite |
| G | Commande arrière droite |
| CU1 | Unité de commande double gauche (esclave) |
| CU2 | Unité de commande centrale (esclave) |
| CU3 | Unité de commande double droite (maître) |
| Code | Couleur |
| b | Bleu |
| br | Brun |
| bk | Noir |
| or | Orange |
| r | Rouge |
| v | Voilet |
| w | Blanc |
| y | Jaune |
| g/y | Vert / jaune |
| gr | Gris |
François
Scheme de câblage: Four de ventilator

Legende
Les raccords indiqués sur la schéma de câblage sont pour une alimentation monophasée. Les capacities nominales sont pour 230V 50Hz.
| Code | Élément |
| A1 | Régulateur de puissance de grill |
| A2 | Interrupteur avant de grill |
| A3 | Éléments de grill |
| B1 | Thermostat de four gauche |
| B2 | Interrupteur avant de four gauche |
| B3 | Élément de four gauche |
| B4 | Ventilateur du four gauche |
| C1 | Thermostat de four droit |
| C2 | Interrupteur avant de four droit |
| Code | Élément |
| C3 | Élément de four droit |
| C4 | Ventilateur de four droit |
| D | Horlage |
| F | Ventilateur de refroidissement |
| G1 | Interrupteur d'éclairage de four |
| G2 | Eclairage de four |
| H | Protecteur thermique |
| J | Néon |
| K | Bloc de raccordement |
| Code | Couleur |
| b | Bleu |
| br | Brun |
| bk | Noir |
| or | Orange |
| r | Rouge |
| v | Voilet |
| w | Blanc |
| y | Jaune |
| g/y | Vert / jaune |
| gr | Gris |
Scheme de câblage: Four Multifonction (Elan)

Legende
Les raccords indiqués sur la schéma de câblage sont pour une alimentation monophasée. Les capacities nominales sont pour 230V 50Hz.
| Code | Élément |
| A1 | Interrupteur avant de grill |
| A2 | Régulateur de puissance de grill |
| A3 | Éléments de grill |
| B1 | Interrupteur avant de four gauche |
| B2 | Thermostat de four gauche |
| B3 | Élement supérieur de four gauche (Paire extérieure) |
| B4 | Élement supérieur de four gauche (Paire interieure) |
| B5 | Élement centre de four gauche |
| B6 | Ventilateur du four gauche |
| B7 | Élement interieur de four gauche |
| Code | Élément |
| B8 | Interrupteur avant de Multifontions |
| C | Horlage |
| D1 | Interrupteur avant de four croit |
| D2 | Thermostat de four croit |
| D3 | Élément de four croit |
| D4 | Ventilateur de four croit |
| F1 | Ventilateur de refroidissement |
| F2 | Interrupteur d'éclairage de four |
| G | Eclairage de four |
| H | Protecteur thermique |
| I | Néon |
| Code | Couleur |
| b | Bleu |
| br | Brun |
| bk | Noir |
| or | Orange |
| r | Rouge |
| v | Voilet |
| w | Blanc |
| y | Jaune |
| g/y | Vert / jaune |
| gr | Gris |
François
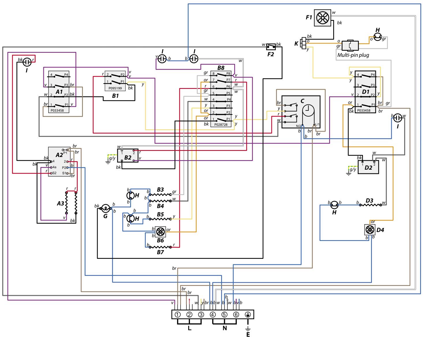
Scheme de câblage: Four Multifonction (Classic Deluxe)

Legende
Les raccords indiqués sur la schéma de câblage sont pour une alimentation monophasée. Les capacities nominales sont pour 230V 50Hz.
| Code | Élément |
| A1 | Interrupteur avant de grill |
| A2 | Régulateur de puissance de grill |
| A3 | Éléments de grill |
| B1 | Interrupteur avant de four gauche |
| B2 | Thermostat de four gauche |
| B3 | Élement supérieur de four gauche (Paire extérieure) |
| B4 | Élement supérieur de four gauche (Paire interieure) |
| B5 | Élement centre de four gauche |
| B6 | Ventilateur du four gauche |
| B7 | Élement interieur de four gauche |
| Code | Élément |
| B8 | Interrupteur avant de Multifontions |
| C | Horlage |
| D1 | Interrupteur avant de four droit |
| D2 | Thermostat de four droit |
| D3 | Élément de four droit |
| D4 | Ventilateur de four droit |
| F1 | Ventilateur de refroidissement |
| F2 | Interrupteur d'éclairage de four |
| G | Eclairage de four |
| H | Protecteur thermique |
| I | Néon |
| Code | Couleur |
| b | Bleu |
| br | Brun |
| bk | Noir |
| or | Orange |
| r | Rouge |
| v | Voilet |
| w | Blanc |
| y | Jaune |
| g/y | Vert / jaune |
| gr | Gris |
9. Fiche technique
A L'INTENTION DE L'INSTALLATEUR: Veuillez remetre les presente instructions à l'utiliseur.
EMPLACEMENT DE BADGE TECHNIQUE: Arrière de la cusinière, badge auxiliaire de numéro de série sous l'ouverture de la porte du four.
Raccordments
| Electricité | 220 - 240V 50Hz |
Dimensions
| Hauteur hor tout | minimum 905mm | maximum 932mm |
| Largeur hors tout | 900mm | |
| Profondeur hors tout | 602 (pour panneau y compris le dosseret); 610mm (au-dessus du table de cuisson) | |
Voir "Positionnement de la cuisineire.

Puisances
| Fours | Four principal | Four haut | ||
| Convection | Multifonction | Multifonction (avec Réponse Rapide) | Convection | |
| 2.5kW | 2.5kW | 3.7kW | 2.5kW | |
| Catégorie d'efficacité énergétique : Sur une échelle de A (plus efficace) à G (moins efficace) | A | B | B | B |
| Consommation d'énergie basée sur une charge standard | 0.85kWh | 0.90kWh | 0.90kWh | 0.99kWh |
| Volume disponible (litres) | 67 | 62 | 62 | 53 |
| Taille | Grande | Grande | Grande | Moyenne |
| Temps de cuisson – charge standard | 38 minutes | 41 minutes | 41 minutes | 49 minutes |
| Surface de cuisson | 1400cm2 | 1400cm2 | 1400cm2 | 790cm2 |
| Gril | 2.3kW |
Charge électrique totale maximale à 230 V
Variante de four de ventilateur : 17.1kW (total approximatif comprenant éclairages de fours, ventilateur de four, etc.)
Variante de four multifonction : 17.1kW (total approximatif comprenant éclairages de fours, ventilateur de four, etc.)
Variante de four multifonction (avec Réponse Rapide) : 18.3kW (total approximatif complenant éclairages de fours, ventilateur de four, etc.)
Notice Facile