KCH100DFSS/C-EU - Chaudière FALCON - Notice d'utilisation et mode d'emploi gratuit
Retrouvez gratuitement la notice de l'appareil KCH100DFSS/C-EU FALCON au format PDF.
| Type d'appareil | Chaudière à combustible mixte |
| Combustible | Mixte (non précisé) |
| Puissance | Non précisé |
| Installation | Murale ou au sol (non précisé) |
| Mode d'emploi | Inclus |
| Entretien | Instructions fournies |
| Marque | Non précisé |
| Modèle | Non précisé |
| Dimensions | Non précisées |
| Poids | Non précisé |
| Type de chauffage | Central |
| Contrôle | Non précisé |
| Garantie | Non précisée |
| Normes | Non précisées |
| Accessoires | Non précisés |
FOIRE AUX QUESTIONS - KCH100DFSS/C-EU FALCON
Questions des utilisateurs sur KCH100DFSS/C-EU FALCON
0 question sur cet appareil. Repondez a celles que vous connaissez ou posez la votre.
Poser une nouvelle question sur cet appareil
Téléchargez la notice de votre Chaudière au format PDF gratuitement ! Retrouvez votre notice KCH100DFSS/C-EU - FALCON et reprennez votre appareil électronique en main. Sur cette page sont publiés tous les documents nécessaires à l'utilisation de votre appareil KCH100DFSS/C-EU de la marque FALCON.
MODE D'EMPLOI KCH100DFSS/C-EU FALCON
Gammecombustible Mixte

Mode D'emploi
Instructions D'installation et D'entrietien

U110079 - 03
Table des Matieres
1. Avant de Commencer... 1
Important! 1
Installation et Entretien 1
Odeur de Neuf 1
Si you Sentez une Odeur de Gaz 1
Ventilation 1
Sécurité Personnelle 1
Entretien de la Cuisinière 2
2. Vue D'ensemble de la Cuisinière 3
Bruleurs de Table de Cuisson 3
Bruleur de Wok 4
Support Spécial de Wok (Option) 5
Plaque à Griller (Option) 5
Gril / Gril Coulissant « Glide-out » (Option) 6
Fours 6
Horloge 7
Accessoires 11
1 Eclairage du Four Principal 11
3. Conseils pour la Cuisson 12
Conseils pour la Cuisson avec Minuterie 12
Conseils Généaux pour la Cuisson au Four 12
4. Cuisson de la Table 13
5. Nettoyage de la Cuisinière 14
Brûleurs de Table de Cuisson 14
Support Spécial de Wok 14
Plaque à Griller 14
Grill 15
Panneau de Commande et Portes 15
Fours 16
Four Haut 16
6. Dépannage 18
7. Installation 20
A L'intention de L'installateur 20
Mesures et Règlements de Sécurité 20
Ventilation 20
Emplacement de la Cuisinière 20
Modification 20
Positionnement de la Cuisinière 22
Déplacement de la Cuisinière 22
Exécution du Mouvement 23
Fixation de L'équre ou Chaine 23
de Stabilisation 25
Repositionnement de la Cuisinière
23
Modification en vue de L'utilisation
d'unAutre Gaz 24
Mise à Niveau 24
Raccordement de L'alimentation en Gaz 24
Raccordement Electrique 25
Vérifications Finales 26
Montage de la Plinthe 26
Conseils à la Clientèle 26
8. Schémas de Câblage 27
9. Fiche Technique 28
1. Avant de Commencer…
Nous vous remercions d'avoir acheté cette cusinière. Installée et utilisée correctement, cette cusinière vous donna de nombreuses années de service fiable. Il est important de dire la presente section avant de commencer, en particulier si vous n'avez jamais utilisé de cusinière mixte.
Important!

Cet apparéil est donc uniquement pour un usage domestique. Toute autre utilisation n'engage ni la responsabilité, ni la garantie du fabricant. En particulier, n'utilise PAS le four pour chauffer la cuisine - non seulement cette pratique invalidera les réclamations, mais elle constituya un gaspillage d'énergie et un risque de surchauffe des boutons de commande.
Installation et Entretien
Son installation doit être conforme aux instructions appropriées des générées et satisfaire à la réglementation nationale et locale en vigueur, ainsi qu'aux prescriptions des compagnies de gaz et d'électricité locales.
Vérifiez que l'alimentation en gaz est en service et que la cuisine est raccordée à l'alimentation électrique et sous tension (la cuisine a besoin d'électricité).
Réglez l'horloge pour permettre le fonctionnement des fours - voir la section appropriée des prsentes instructions.
La cusinière doit faire l'objet d'un entretien effectué par un technicien d'entretien qualifié, lequel doit utiliser uniquement des pieces de rechange approvées.
Laissez toujours la cusinière refroidir et mettez-la hors tension avant de la nettoyer ou d'effectuer une intervention d'entretien, sauf indication contraire dans les prsentes instructions.
Odeur de Neuf
Une légère odeur de neuf peut se dégager lors de la première utilisation de la cusinière. Elle disparaître rapidement à l'utilisation.
Avant la première utilisation de l'appareil, assurez-vous qu'il ne resteaucun matériel d'emballage,puisreglezlesfours sur 200^ etfaites-les marcherpendantuneheurafind'éliminer l'odeur de neuf.
Avant la première utilisation du grill, allumez-le et faites-le marcher pendant 30 minutes, avec la lèchefrite bien en place, et en laissant la porte du grill ouverte.
Veillez à ce que la pièce soit bien ventilée (voir « Ventilation » ci-dessous). Il est recommendé aux personnes souffrant de problèmes respiratoires ou d'allergies de quitter la pièce pendant ce temps.
Si vous Sentez une Odeur de Gaz
N'actionnez aucun interrupteur électrique, ni pour allumer, ni pour éteindre
Ne fumez pas
N'utilisez pas de flammes hues
- Coupe le gaz au compteur ou au niveau de la bouteille de gaz
Ouvrez portes et fenêtres pour évacuer le gaz
Eloignez toute personne de l'endetroit concenné
- Appelez votre fournisseur de gaz
Ventilation

ATTENTION : L'utilisation d'un apparéil de cuisson produit de la chaleur et de l'humidité dans la piece contenant l' apparéil. Par conséquent, veillez à ce que la cuisine soit bien ventilée. Laissez les ouvertures de ventilation naturelle ouvertes ou installez une hotte aspirante à évacuation extérieure. En cas d'utilisation simultanée de plusieurs brûleurs ou d'utilisation prolongée de la cusinière, ouvrez une fenêtre ou mettez en marche une hotte aspirante.
Sécurité Personnelle

Cet apparéil ne DOIT PAS être modifié.

Cet apparéil peut être utilisé par des enfants âgés de 8 ans et plus, outre par des personnes aux capacités physiques, sensorielles ou mentales réduites ou qui manquent d'expérience et de connaissances à l'égard de l' apparéil, à condition d'être surveillés ou d'avoir reçu des instructions claires pour utiliser cet apparéil en toute sécurité et d'en comprendre les risques. Les enfants ne doivent pas journé avec cet apparéil. Son nettoyage et son entretien ne doivent pas été effectuels par des enfants non supervisés.

AVERTISSEMENT: L'appareil et ses pièces accessibles chauffent pendant leur utilisation. Veillez à ne pas toucher les éléments chauffants. Les enfants de moins de 8 ans doivent être gardés à distance à moins qu'ils ne soient constamment surveillés.

N'utilise PAS de nettoyeur à vapeur sur votre cuisine.

Les parties accessibles de la cusinière deviennent chaudes lorsque celle-ci est en marche et resteront chaudes même après la cuisson. Ne laissez pas les bébés et les enfants s'approcher de la cusinière et ne portez jamais de vêtements amples ou flottants lors de l'utilisation de la cusinière.

ATTENTION: Un processus de cuisson de longue durée doit être surveilé de temps à autre. Un processus de cuisson de courte durée doit être surveillé en permanence.

Risque d'incendie : NE PAS stocker d'objets sur les surfaces de cuisson.
François
Pour éviter toute surchauffe, NE PAS installer la cusinière derrière une porté décorative.
NE PAS utiliser de produits nettoyants abrasifs ni de grattoirs pointus en métal pour nettoyer le couvercle en verre car ils pourraient rayer la surface et briser ainsi le verre.
Vérifiez toujours que les commandes sont sur la position Arrêt [OFF] lorsque le four n'est pas en marche et avant de nettoyer la cuisine原因之一.
A Lorsque le four est en marche, ne laissez PAS la portedu four ouverte plus longtemps que nécessaire,afin de prévenir une surchauffe des boutons decommande.
Lors de l'utilisation du gril, veilles à ce que la l'échefrite soit en place et insérée à fond dans l'enceinte du gril, ici pour prévenir le risque de surchauffe des boutons de commande.
A Notez que cet apparéil électroménager possède un ventilateur. Lorsqu'un four ou une grille est en fonctionnement le ventilateur fonctionnera pour refroidir la commande et les boutons de commandes.
Pour prévenir le risque de rayures et de fissures, N'UTILISEZ PAS de produits nettoyants décapants et abrasifs ni de racloirs métalliques acérés pour nettoyer la porte en verre du four.
Veillez à ce que les matériaux combustibles, (rideaux, liquides inflammables, etc.) soient toujours suffisamment éloignés de la cuisine.
N'utilise PAS d'aerosols à proximé de la ciusinière lorsque celle-ci est en marche.
Au besoin, utilisez des gants isolants secs - l'emploi de gants humides risque de causeur des brûlures dues à la vapeur lors du contact avec une surface chaude. N'utilisez pas de torchon ou autre chiffon écais à la place d'un gant isolant - ils risquent de d'enflammier au contact d'une surface chaude.
Ne faites jamais fonctionner la cusinière avec les mains mouillées.
Ne recouvre pas les grilles, les panneaux internes ou la voute du four de papier aluminium.
A Ne chauffez jamais des récipiens alimentaires qui n'ont pas été ouverts. La pression accumulée à l'intérieur des récipiens peut les faire éclater et blesser l'utilisateur.
N'utilisez pas des cassetoles instables. Tournez toujours les manches des recipients de cuisson vers l'intérieur de la table de cuisson.
N'UTILISEZ PAS de recipients de cisson de diamètre supérieur à celui du foyer.
Ne laissiez jamais la table de cuisson en marche sans surveillance si les brûleurs sont régliés sur maximum. Le débordement des recipients peut produit de la fumée et des taches de gras qui risquent de s'enflammer. Si possible,
utilisez un thermomètre à bain de friture pour prévenir une surchauffe de l'huile au-delà du point de fumée.
A AVERTISSEMENT!
Tout processus de cuisson non surveillé sur une table de cuisson, à base de graisse ou d'huile, peut être dangereux et déclencher un incendie.
A Ne laisseriez jamais une friteuse sans surveillance. Faites toujours chauffer l'huile lentement, en la surveillant. Les friteuses ne doivent être remplies qu'à un tiers de leur capacité. Une friteuse trop pleine peut déborder lorsqu'on y plonge des alimentés. Si vous utilisez un mélange d'huile et de graisse pour la friture, mélangez-les avant de chauffer, ou pendant la fonte des graisses.
Les alimentés à frire doivent être le plus sec possible. La présence de cristaux de glace sur des alimentés congelés ou d'humidité sur des alimentés frais peut provoquer une ébullition et un débordement de l'huile. Surveilliez attentivement pour prévenir les débordements et la surchauffe pendant la friture à haute ou moyenne température. N'essayez jamais de déplacer un écipient de cuisson contenant de l'huile chaude, en particulier une friteuse. Attendeze que l'huile ait refroidi.
Lorsque le grill est en marche, ne vous servez pas de la grille d'évacuation (la grille le long de la partie arrêté de la cusinière) pour réchauffer des assiettes ou des plats, sécher des torchons ou ramollir du beurre.
N'utilise pas d'eau pour eteindre les incendies dus à la graisse et ne soulevez jamais un recipient de cuisson qui a pris feu. Eteignez la cusinière et etouffez un recipient qui a pris feu sur une table de cuisson en le recouvrant complètement avec un couvercle de taille appropriée ou une plaque de cuisson. Si possible, utilisez un extincteur à poudre chimique ou à mousse de type polyvalent.
La cuisson d'aliments à haute teneur en eau peut produit une « bouffée de vapeur » à l'ouverture de la porte du four. Lorsque vous ouvre la porte du four, reculez-vous et attendez que la vapeur se soit dissipée.
Veillez à prévenir toute infiltration d'eau dans l'appareil.
Cet apparéil est lourd; prenez garde lorsque vous le déplacez.
Entretien de la Cuisinière
En raison de la condensation de vapeur pendant la cuisson, vous devrez peut-être essuyer (avec un chiffon doux) des gouttelettes d'eau presents sur la garniture extérieure du four. Cette précaution contribuera également à prévenir les taches et la décoloration de l'extérieur du four dues aux vapeurs de cuisson.

2. Vue D'ensemble de la Cuisinière

Fig.2-1
La cusinière 100 à gaz avec four électrique (Fig.2-1) possède les caractéristiques suivantes :
A. 5 brûleurs de table de cuisson, y compris un brûleur de wok
B. Un bandeau de commande à minuterie intégrée
C. Un grill coulissant
D. Un four principal
E. Four haut ventilé
Brûleurs de Table de Cuisson
Le schéma à côté de chaque bouton indique le brûleur associé à ce bouton.
Chaque brûleur est doté d'un dispositif de sécurité spécial qui coupe l'alimentation en gaz en cas d'extinction de la flamme.
Lorsqu'on appuie sur le bouton de commande, une étincelle se produit à chaque brûleur – ceci est normal. N'essayez jamais de démonter ou de nettoyer autour d'un brûleur lorsqu'un autre brûleur est allumé. Vous risqueriez de recevoir une décharge électrique.
Pour allumer un brûleur, appuyez sur le contacteur d'allumage et appuyez sur le bouton de commande associé et mettez-le sur le symbole grande flamme (H) (Fig.2-2).

Fig.2-2
François

Fig.2-3

Fig.2-4

Fig.2-5

Fig.2-6

Fig.2-7

Fig.2-8
Le dispositif d'allumage produit une étincelle et allume le gaz. Continuez d'appuyer sur le bouton pendant quelques secondes pour permettre l'arrivée du gaz dans le brûleur.
Si le brûleur s'éteint lorsque vous relâchez le bouton de commande, le dispositif de sécurité n'a pas été enclenché. Mettez le bouton de commande sur la position Arrêt [Off] et attendez une minute avant d'essayer de nouveau, en appuyant un peu plus longtemps sur le bouton.
Tournez le bouton en sens anti-horaire pour régler la hauteur de flamme (Fig.2-3). Sur cette cusinière, la position minimum est au-delà de la position maximum, et non pas entre position maximum et arrêt.
Si la flamme d'un brûleur s'éteint, mettez le bouton de commande sur la position Arrêt [Off] et attendez une minute avant de rallumer.
Veillez à ce que les flammes ne dépassent pas des récipients de cuisson. Utilisez un couvercle sur les récipients de cuisson pour porter à ébullition plus rapidement (Fig.2-4).
Veillez à ce que les recipients de cuisson de grande taille soient bien espacés entre eux.
N'utilissez pas de casseroles ou marmites à fond concave ou à fond à rebord incurve vers le bas (Fig.2-5).
L'utilisation de dispositifs de mischief, de type plaques d'amiente ou plaques métalliques, est DECONSEILLEE
(Fig.2-6). Ces dispositifs diminuéreront les performances de la cuisine et risquent d'endommager les grilles de la table de cuisson.
N'utilise pas des recipients de cuisson instables ou déformés susceptibles de se renverser, ni des recipients de cuisson à fond de très petit diamètre (casseroles à lait, pocheuses individuelles, etc.) (Fig.2-7).
Le diamètre minimum recommendé pour les recipients de cuisson est de 120mm . Le diamètre maximum pour les recipients de cuisson est de 250mm .
N'UTILISEZ PAS de recipients de cuisson de diamètre supérieur à celui du foyer.
Brûleur de Wok
Le brûleur de wok (coup de feu) est donc pour fournir une chaleur uniforme sur une grande surface. Il est parfait pour les grandes poèles et la frêture rapide à feu vif (Fig.2-8).
Les petits brûleurs sont plus adaptés aux réciPIents de cuisson plus petits.
Les composants du brûleur sont démontables pour faciliter le nettoyage. Voir « Nettoyage de la Cuisinière »
En cas de débordement, essuyezès que possible la surface émaillée autour des brûleurs de la table de cuisson. Tâchez d'essuyer la substance renversée pendant que l'émail est encore chaud.
Remarque: Les récipiens en aluminium peuvent laisser des traces métalliques au niveau des grilles de la table de cuisson. Ces traces sont sans incidence sur la durabilité de l'email et peuvent être éliminées à l'aide d'un nettoyant pour métaux.
Support Spécial de Wok (Option)
Le support spécial de wok est donc pour permettre l'utilisation d'un wok de 35cm . Si vous utilisez un autre modèle de wok, vérifie qu'il repose correctement sur le support spécial. Les woks peuvent avoir des tailles et des formes très variees. Il est important que le wok repose correctement sur le support - mais si le wok est trop petit, il ne sera pas bien maintainu en place par le support spécial (Fig.2-9).
Le support spécial de wok doit être utilisé uniquement sur le brûleur de wok à triple élément. Lorsque vous placez le support spécial, vérifie que le wok repose bien sur les barres avant et arrière et qu'il est bien soutenu par une grille de la table de cuisson. Vérifie que le support spécial est stable et que le wok est placé à niveau sur le brûleur (Fig.2-10).
Le support spécial deviendra très chaud pendant l'utilisation – laissez-le refroidir suffisamment longtemps avant de le retirer.
Plaque à Griller (Option)
La plaque s'adapte sur les plaques de cuisson gauche, de l'avant vers l'arrière (Fig.2-11). Elle s'utilise pour la cuisson directe des alimentes. N'utilise pas de recipients de cuisson sur cette plaque. La plaque a griller a une surface antiadhésive susceptible d'être endommagée par des ustensiles de cuisine métalliques (spatules, par exemple). Utilisé des ustensiles en bois ou en plastique thermorésistant.

NE LA PLACEZ PAS transversalement - elle sera mal placée et instable (Fig.2-12).

NE LA PLACEZ PAS SUR aucun autre brûleur - elle n'est pas conscience pour être placée sur un autre logement de la table de cuisson.
Placez la plaque à griller sur les grilles des brûleurs de la table de cuisson. Vérifiez qu'elle est place correctement.
Avant l'utilisation, vous pouvez enduire la plaque d'une légère couche d'huile à friture (Fig.2-13). Allumez les brûleurs de la table de cuisson et réglez la hauteur de flamme selon les besoins.
Préchauffez la plaque à griller pendant 5 minutes au maximum avant d'y déposer les aliments. Un préchauffage plus long risque de l'endommager. Pour réduire la chaleur, tournez les boutons de commande vers le réglage inférieur indiqué par le symbole petite flamme.

Veillez à ce qu'il y ait toujours suffisamment de place autour de la plaque à griller pour permettre l'échévement des gaz.

N'utilisez jamais deux plaques à griller côte à côte (Fig.2-14).
Après la cuisson, laissez refroidir la plaque à griller avant de la nettoyer.






François





Gril / Gril Coulissant « Glide-out » (Option)
Ouvrez la porte du grill et tirez la lèchefrite (Fig.2-15) ou le support de grill (Fig.2-16) vers vous à l'aide de la poignée.
Le grill a deux éléments qui permettent deCHAuffer la totalité de la lèchefrite ou seulement la partie droite de cette-ci.
Tournez le bouton de commande pour régler la chaleur du grill. Pour un chauffage total, tournez le bouton en sens horsaire (Fig.2-17).
Pour le chauffage de la partie droite, tournez le bouton en sens antihoraire. Le voyant à côté de la commande du grill s'allumera.
Pour obtenir les salariés résultats possibles, préchauffez pendant deux minutes avec la l'échéfte en place. Vous pouvez-retirer la grille de la l'échéfte et y déposer les alimentés pendant le préchauffage.
NE LAISSEZ PAS LE GRIL EN MARCHE pendant plus de quelques instantsi la lèchefrite n'est pas en place sous le grin,eci pour prévenir le risque de surchauffe des boutons de commande.
Après préchauffage du grill, retirez de nouveau la l'échefrite et replacez la grille avec les alimentents sur la l'échefrite. Réinsérez la l'échefrite ou le support de l'échefrite dans l'enceinte du grill. Lorsque vous utilisez le grill, vérifie que la l'échefrite du grill est bien insérée jusqu'àu fond.
Des composants accessibles risquent devenir chauds pendant l'utilisation du grill. Eloignez les enfants de la cusinière.
La grille de la l'échefrite est réversible pour permettre deux positions de gril (Fig.2-18).
Ne fermez jamais la porte du grill lorsque celui-ci est en marche.
Fours
L'horloge doit être réglée sur l'heure actuelle pour que les jours puissant fonctionner. Voir les instructions de la section « Horloge » pour le réglage de l'heure.
Remarque - Les références au four gauche et droit s'entendant vu de l'avant.
Les deux jours sont jours à convection. Le ventilateur du four brasse l'air chaud continulement, assurant ainsi une cuisson plus rapide et plus uniforme.
En général, les températures de cuisson recommendées pour un four ventilé sont plus basses que celles pour un four conventionnel.
N'oubliez pas : toutes les cusinières sont différentes - les températures de vos nouveaux jours peuvent être différentes de celles de votre ancienne cusinière.
Fonctionnement du Four
Mettez le bouton de réglage de température du four sur la température requise (Fig.2-19).
Levoyant du four restera allumé jusqu'à ce que le fouratteigne la température requise (Fig.2-20). Il s'allumera et
s'eteindra pendant la cuisson pendant que le thermostat du four Maintain la temperature requisite.
Horloge
Vous pouvez utiliser la minuterie pourmettre en marche et eteindre le four gauche. L'horloge doit etre réglee sur I'heure actuelle pour que le four puisse fonctionner.
Horloge de 2 Boutons (Professional+)
Réglage de L'heure
L'horloge est montré dedans (Fig.2-21). Àpès raccordement initial de l'horloge, l'affichage clignotera pour indiquer (0.00) et ( ) alternatively.
Pour régler l'horloge sur l'houre actuelle, tournez et appuyez sans relâcher sur le bouton Minuterie pour lemettre sur le symbole horloge [⑦] tout en tournant le bouton Réglage vers la gauche ou vers la droite jusqu'à l'affichage de l'houre correcte. N'oubliez pas que c'est une horloge 24 heures.
Relâchéz le bouton Minuterie; il reviendra à la position verticale de réglage manuel de four.
IMPORTANT: Le four ne fonctionnera pas si l'horloge n'a pas ete reglee.
Minuterie
Tournez le bouton Minuterie vers la croite jusqu'à la position minuterie [Ω] vous devrez entendre un déclic lorsqu'il est à la position correcte (Fig.2-22).
Utilisez le bouton Réglage pour régler le temps de cuisson comme indiqué ci-dessous (Fig.2-23).
Vous pouvez remettre le bouton sur la position verticale de réglage manuel [ ] pour pouvoir voir l'heure ou le laisser sur la position minuterie [ ] pendant toute la durée de la cuisson.
Tournez le bouton Réglage en sens antihoraire pour arrêté le signal sonore.
Le « temps de cuisson », c'est-à-dire la durée pendant laquelle vous poulez que le four fonctionne.
« L'heure d'arrêt », c'est-à-dire l'heure à laquelle vous poulez que le four s'arrête.
Arrêt Automatique du Four Gauche
Tournez le bouton Minuterie pour lemettre sur la position [□] (Fig.2-24).
Réglez l'heure d'arrêt du four à l'aide du bouton Réglage. Vous pouvez régler le four pour qu'il s'arrête à n'importe quel moment dans les 24 heures qui suivent. AUTO sera affché (Fig.2-25).
Tournez le bouton Minuterie pour lemettre sur la position « AUTO »
Le signal sonore indiquera la fin de la cuisson à l'heure prévue. Tournez le bouton Minuterie pour lemettre sur la position verticale [ ] pour revenir au fonctionnement manuel.






François

Fig.2-26

Fig.2-27

Fig.2-28
Fig.2-29


Fig.2-30

Fig.2-31

Fig.2-32
Mise en Marche et Arrêt du Four Gauche Avec Minuterie
Vous ne pouvez pas régler directement une heures de mise en marche – celle-ci est réglée automatiquement lors de la sélection du temps de cuisson et de l'heure d'arrêt.
Tournez le bouton Minuterie pour lemettre sur la position [ ] (Fig.2-26).
Utilisez le bouton Réglage pour régler le « temps de cuisson » comme indiqué ci-dessous (Fig.2-27).
Tournez le bouton Minuterie pour lemettre sur la position []. L'affichage indiquera l'heure et le « temps de cuisson » que you venez de regler. Utilisez le bouton Reglage pour régler « l'heure d'arrêt » comme indiqué ci-dessous (Fig.2-28).
« L'heure d'arrêt » sera affichée, « AUTO » sera affiché. Réglez le (les) four(s) à la température requise. Tournez le bouton Minuterie pour lemettre sur la position « Auto »
Le signal sonore indiquera la fin de la cuisson. Tournez le bouton Minuterie pour lemettre sur la position verticale [d] pour revenir au fonctionnement manuel.
Si vous étés absent pendant la cuisson, ne vous inquiétez pas au sujet de l'arrêt du signal sonore, celui-ci s'arrête après un certain temps. A votre retour, tournez le bouton Minuterie pour lemettre sur la position verticale [D] pour revenir au fonctionnement manuel.
AUTO est Affché, et vous Voulez Remetre le Four sur Fonctionnement Manuel
Pour annuler tout réglage automatique tournez brièvement le bouton Minuterie pour lemettre sur le symbole horloge [①]puisrelâchez-le.
Fonction de Verrouillage
Après activation de la fonction de verrouillage, le four droit peut fonctionner normalement, mais le four gauche est verrouillé et ne s'allumera pas.
Activation de la Fonction de Verrouillage
Vérifiez que l'horloge est sur le mode manuel et annulez tout programme en cours.
Tournez et appuyez sans relâcher sur le bouton Minuterie pour lemettre surlesymbole horloge[1]pendant environ 8 secondes.«On»[Marche] sera affiché (Fig.2-29).
Tout en maintainant le bouton Minuterie sur le symbole horloge [⑦], tournez le bouton Réglage en sens horaire jusqu'à l'affichage du symbole clé [1] et de «OF» [Arrêt] (Fig.2-30). Relâchéz les boutons.
Le four gauche est à présent verrouillé, comme indiqué par l'affichage de l'heure et du symbole clé (Fig.2-31).
Désactivation de la Fonction de Verrouillage
Tournez et appuyez sans relâcher sur le bouton Minuterie pour lemettre sur lesymbole horloge [①]pendant environ 8 secondes.« OF »[Arrêt] sera affché (Fig.2-32).
Tout en maintainant le bouton Minuterie sur le symbole horloge [⊙], tournez le bouton Réglage en sens hora jusqu'à ce que le symbole clé [⊙] soit replacé par l'affichage de « On » [Marche] (Fig.2-33). Relâchéz les boutons.
Après quelques secondes, l'heure est de nouveau affichée.
Le four peut être maintainant utilisé normalement.
Horloge de 6 Boutons (Kitchener)
Réglage de L'heure
L'horloge est montré dedans (Fig.2-34). Àpès raccordement initial de l'horloge, l'affichage clignotera pour indiquer (0.00) et ( ) alternatively.
Appuyez en continu sur les boutons [Ω] et [Ξ] comme indiqué à la Fig.2-35. En même temps, appuyez sur (-) ou (+) jusqu'à l'affichage du temps de cuisson requis.
N'oubliez pas qu'il s'agit d'une horloge 24 heures.
Si vous faites une erreur ou si vous vous trompez de bouton, mettez l'appareil hors tension pendant une ou deux minutes, puis recommencez la procédure.
Minuterie
Appuyez sans relâcher sur la minuterie [Ω] (Fig.2-36). En même temps, appuyez sur (-) ou (+) jusqu'à l'affichage du temps de cuisson requis (Fig.2-37).
Vous pouvez vérifier le temps de cisson qui reste en appuyant sur [] , et annuler le signal sonore en appuyant encore une fois sur [] .
Le « temps de cuisson», c'est-à-dire la durée pendant laquelle vous pouze que le four fonctionne.
« L'heure d'arrêt», c'est-à-dire l'heure à laquelle vous poulez que le four s'arrête.
Arrêt Automatique du Four Gauche
Appuyez sans relâcher sur le bouton Heure d'arrêt [□], (Fig.2-38). En même temps, appuyez sur (-) ou (+) jusqu'à « l'heure d'arrêt » s'affiche (Fig.2-39). AUTO sera affchéé.
Le signal sonore indiquera la fin de la cuisson à l'heure prévue. Mettez d'abord le bouton de commande du four sur la position 0 [Arrêt], puis appuyez une fois sur [ ] pour arrêté le signal sonore, appuyez de nouveau sur [ ] pour revenir au fonctionnement manuel.
Mise en Marche et Arrêt du Four Gauche avec Minuterie
Avant de régler la minuterie,CHOISSEZ le « temps de cuisson», et « l'heure d'arrêt »
Remarque : Vous ne pouvez pas régler directement une heures de mise en marche – celle-ci est régée automatiquement lors de la sélection du « temps de cuisson » et de « l'heure d'arrêt »
Appuyez sans relâcher sur le bouton Temps de cuisson [®, (Fig.2-40). En même temps, appuyez sur (-) ou (+) jusqu'à l'affichage du temps de cuisson requis (Fig.2-41).






François








Appuyez sans relâcher sur le bouton Heure d'arrêt [□], (Fig.2-42). En même temps, appuyez sur (-) ou (+) jusqu'à « l'heure d'arrêt » s'affiche (Fig.2-43). Relâchez les boutons.
AUTO sera affché.
Réglez le four sur la température requise. Le signal sonore indiquera la fin de la cuisson. Mettez d'abord le bouton de commande du four sur la position 0 (Arrêt), puis appuyez une fois sur [ ] pour arrêter le signal sonore, appuyez de nouveau sur [ ] pour revenir au fonctionnement manuel.
Si vous étés absent pendant la cuisson, ne vous inquiétez pas au sujet de l'arrêt du signal sonore, celui-ci s'arrêtea après un certain temps. A votre retour, mettez d'abord le bouton de commande du four sur 0, puis appuyez deux fois sur [ ] pour revenir au fonctionnement manuel.
AUTO est Affché, et Vous Voulez Remetre le Four sur Fonctionnement Manuel
Pour revenir à un fonctionnement manuel après un fonctionnement automatique, vous doivent annuler le « temps de cuisson ». Appuyez en continu sur la touche [—], puis appuyez sur la touche [—] jusqu'à ce que l'affichage indique (0.00).
Appuyez sur la touche [M] pour revenir à un fonctionnement manuel.
Fonction de Verrouillage
Après activation de la fonction de verrouillage, le four droit peut fonctionner normalement, mais le four gauche est verrouillé et ne s'allumera pas.
Déactivation de la Fonction de Verrouillage
Vérifiez que l'horloge est sur le mode manuel et annulez tout programme en cours.
Appuyez sans relâcher sur les boutons Minuterie [ ] et Temps de caisson [ ]. « On » [ Marche ] sera affché (Fig.2-44). Appuyez une fois sur le bouton « + ». Le symbole clé [ ] et « OF » [ Arrêt ] s'afficheront (Fig.2-45). Relâché les boutons.
Le four gauche est à créé verrouillé, comme indiqué par l'affichage de l'heure et du symbole clé [†], (Fig.2-46).
Déactivation de la Fonction de Verrouillage
Appuyez sans relâcher sur les boutons Minuterie [♀] et Temps de caisson [♀]. « OF » [Arrêt] sera affché (Fig.2-47). Appuyez une fois sur le bouton « + ». Le symbole de clé [♂] disparait et « On » [Marche] s'affiche (Fig.2-48). Relâchez les boutons.
Après quelques secondes, l'houré est de nouveau affichée.
Le four peut être à présent utilisé normalement.
Accessoires
Grilles de Four - Four Gauche (Four Principal)
Outre la grille plate, certains modèles sont fournis avec une grille surbaissée (Fig.2-49), qui augmente les possibités d'espacement entre les grilles de four.
Les grilles de four peuvent être facilement retirees et remises en place. Tirez la grille vers l'avant jusqu'à ce que l'arrête de la grille soit arrêté par les butées d'arrêt latérales du four (Fig.2-50).
Soulevez l'avant de la grille pour faire passer l'arrière de la grille sous la butée d'arrêt, puis tirez la grille vers l'avant (Fig.2-51).
Pour remettre la grille en place, mettez la grille à niveau avec une glissière latérale du four, puis insérez la grille à fond jusqu'à ce que les extrémités soient en contact avec la butée d'arrêt de la grille. Soulevez l'avant de la grille pour que les extrémités poussent dépasser les butées, puis abaissez l'avant pourmettre la grille à l'horizontal, avant de l'insérer à fond (Fig.2-52).
Grilles de Four - Four Droit (Four Haut)
Le four haut est fourni avec quatre grilles de cuisson ordinaires (Fig.2-53), et une grille chauffe-plats (Fig.2-54).
Lorsque vous utilisez le four haut, vous pouvez faire cuire des alimentes sur les quatre grilles simultanement, mais veillez à ce que les plats soient bien écartsés les uns des autres pour permettre à l'air chaud de circuler.
Le Handyrack (Fig.2-55) se monte uniquement sur la portedu four gauche. Il est facile de surveiller les alimentés faisantainsi car vous pouzey acceder lorsque la porte est ouverte.
Le Handyrack peut supporter un poids maximum de 5,5 kg. Il ne doit être utilisé qu'avce le plat à rôtin fourni, qui est spécialement élevé pour être utilisé avec le Handyrack. Tout autre récipient de cuisson risque d'être instable.
Vous pouvez le monter sur deux positions. Retirez une des grilles et placez l'autre selon les besoin.
Lorsque le Handyrack est utilisé sur sa position supérieure, d'autres plats peuvent être cuits sur une grille placée à la position inférieure ou placée directement sur la sole du four.
Lorsque le Handyrack est utilisé sur sa position inférieure, d'autres plats peuvent être cuits sur une grille placée à la deuxième position du four ou directement sur la sole du four.
Pour monter le Handyrack, placez un côté sur le support de la porte (Fig.2-56). Extraire l'autre côté pour l'accrocher sur l'autre support (Fig.2-57).
Eclairage du Four Principal
Appuyez sur le bouton approprié pour allumer l'éclairage du four (Fig.2-58).
Si l'éclairage est défectueux, mettez la cusinière hors tension avant de changer l'ampoule. Pour des informations détaillées sur la façon de changer une ampoule de four, reportez-vous à la section « Dépannage »

Fig.2-50

Fig.2-51


Fig.2-53



Fig.2-56


Fig.2-58
François
3. Consels pour la Cuisson
Conseils pour la Cuisson avec Minuterie
Si vous désirez cuire plusieurs plats simultanément,CHOISSE des plats nécessitant approximativement le même temps de cuisson. Cependant, la cuisson de certains plats peut etre légèrement « ralentie » en utilisant des petits plats de cuisson et en les recouvrant d'une feuille de papier aluminium, ou « accélérée » en utilisant de plus petites quantités ou des plats de cuisson plus grands.
Evitez d'utiliser des alimentes rapidement périssables (poisson, porc, etc.) si vous prévoyez une longue période d'attente, surtout par temps chaud.
Ne placez pas des alimentes chauds dans le four qui sera utilisé avec la fonction minuterie.
N'utilise pas un four deja chaud avec la fonction minuterie.
N'utilise pas la fonction minuterie avec un four si le four adjacent est déjà chaud.
Décongelez complètement les volailles entières avant de lesmettre au four. Assurez-vous que les viandes et volailles sont bien cuites avant de les servir.
Conseils Généaux pour la Cuisson au Four
Veillez à ce que les grilles soient toujours insérées à fond dans le four.
Placez les plaques de cuisson, plats à rôtir, etc., à niveau, au centre des grilles du four. Placez les autres plats au centre sur les grilles. Eloignez les plaques et les plats de cuisson des bords du four, afin de ne pas trop dorer les alimentés.
Pour dorer un plat uniformément, il est recommandé d'utiliser une plaque de cuisson de dimensions maximales de 340 mm x 340 mm pour le four gauche (four principal) et de 232 mm x 321 mm pour le four droit (four haut).
Lorsque le four est en marche, NE LAISSEZ PAS la portedu four ouverte plus longtemps que nécessaire, afin deprévenir une surchauffe des boutons de commande.
- Laissez toujours un « doigt de largeur » entre des plats placés sur une grille de four. Ceci afin de facilititer la circulation de chaleur autour des plats.
Pour réduire les projections grasses lorsque vous ajoutez des légumes dans laGRAISSÉchaude autour d'un roti, séchez soigneusement les légumes ou enduisez-les d'un peu d'huile à friture. - Placez les plats susceptibles de bouillir et déborderpendant la cuisson sur une plaque de cuisson.
- Les panneaux internes autonettoyants (voir la section « Nettoyage de la Cuisinière ») sont plus efficaces lorsqu'on évite les projections grasses. Couvre la viande pendant la cuisson.
Le four produit assez de chaleur pendant la cuisson pour rechauffer des assiettes placées dans l'enceinte du grill.
Si vous souhaitez dorer un fond de tarte, préchauffez une plaque de cuisson pendant 15 minutes avant de placer le plat au centre de la plaque.
4. Cuisson de la Table
Les températures du four et les temps de cuisson sont fournis à titre indicatif uniquement. En fonction des goûts de chacun, les températures devront peut-être être modifiées dans un sens ou dans l'autre, pour obtenir les résultats que vous recherchez.
Dans un four ventilé les plats sont cuits à une température plus basse que dans un four traditionnel. Lorsque vous suivez une recette, réduisez la température indiquée de 10^ et le temps de cuisson de 5-10 minutes. La température dans un four ventilé ne varie pas selon la position dans le four – vous pouvez donc utiliser n'importe qu'elle grille.

Température Four Conventional ^ C
Position de grille
Température
Four Ventilé ^ C Temps de Cuisson Approximatif
H-Haut; C-Centre; B-Base
Vianne
| Bœuf | 160 | C | 150 | 30-35 minutes par 500g +30-35 minutes. | Farci et roulé - Ajoutezapproximativement 10 minutes/500gaux temps de cuisson ci-dessus oufaites cuire à 200°C pendant 20minutes, puis à 160°C pendant lereste de la cuisson. |
| 200 | C | 190 | 20-25 minutes par 500g +20-25 minutes. | ||
| Agneau | 160 | C | 150 | 30-35 minutes par 500g +30-35 minutes. | |
| 200 | C | 190 | 20-25 minutes par 500g +20-25 minutes. | ||
| Porc | 160 | C | 150 | 35-40 minutes par 500g +35-40 minutes. | |
| 200 | C | 190 | 25-30 minutes par 500g +25-30 minutes. | ||
| Volatile | |||||
| Poulet | 160 | C | 150 | 20-25 minutes par 500g +20-25 minutes. | Volatile farcie - Cuisson à 200°C ou à200°C pendant 20 minutes, puis à160°C pendant le reste de la cuisson.Preémballée (fraîche ou congelée):Suiviè les temps de cuisson indiquéssur l'emballage.Avant la cuisson, decongelezcompletement les rotis et volaillescongeles. |
| 200 | C | 190 | 15-20 minutes par 500g +15-20 minutes. | ||
| Dinde | 160 | C | 150 | 25-30 minutes par 500g +25-30 minutes. | |
| 200 | C | 190 | 20 minutes par 500g +20 minutes. | ||
| Canard | 160 | C | 150 | 25-30 minutes par 500g. | |
| 200 | C | 190 | 20 minutes par 500g. | ||
| Plat braisé | 140-150 | C | 130-140 | 2-4 heures selon la recette. | |
| Poisson | |||||
| 190 | C | 180 | Filet 15-20 minutes. Morceau entier 15-20 minutes par 500g. | ||
| 190 | C | 180 | Morceau entier 10 minutes par 500g +10 minutes. | ||
| 190 | C | 180 | Steaks selon l'épaisseur. | ||
| Gâteau | Avec un four traditionnel : lorsque lacuisson est aux deux tiers, laissez au moins un espace de coullisse entre lestabletes.Placeze le plateau de cuisson avec lapartie antérieure à l'avant de la tablettedu four.Lors de la cuisson à deux étages, lesplaques doivent être inversées aprèsenviron la moitié du temps de cuisson. | ||||
| Cake 100% fruits confits | 140 | C/B | 130 | 45-50 minutes par 500g de pâté. | |
| Fruits 180mm | 150 | C/B | 140 | 2-2,5 heures. | |
| Fruits 230mm | 150 | C/B | 140 | 3,5 heures. | |
| Gâteau quatre quarts 180mm | 180 | C | 170 | 20-30 minutes. | |
| Desserts | |||||
| Tarte pâté brisée | 200 | C | 190 | 30-40 minutes. | |
| Tourtes aux fruits | 180 | C | 170 | 30-40 minutes permutation après 25 minutes. | |
| Tartelettes | 180 | C | 170 | 15-20 minutes. | Les trois tiers peuvent être cuits dansun four ventilé en même temps, maisveiliez laisser au moins un espace decoullisse entre chaque tablettes surlaquelle vous faites cuire. |
| Pâté feuilletée | 220 | C | 210 | 20-40 minutes selon la taille. | |
| Meringues | 100 | C | 90 | 2-2,5 heures selon la taille. | |
| Pain | 220 | C | 210 | 20-30 minutes. | |
5. Nettoyage de la Cuisinière

A-Chapeau, B-Tete, C-Encoche, D-Socle, E-Electrode

A - Chapeau de brûleur interne, B - Chapeau de brûleur externe, C - Tête de brûleur interne, D - Tête de brûleur externe, E - Socle de brûleur de wok


A - Encochrome, B - Electrode allumage
Avant un nettoyage complet, mettez la cuisinière hors tension. Laissez-la refroidir.
N'TUTILISEZ jamais de solvants pour peinture, de cristaux de soude, de nettoyants caustiques, de poudres biologiques, d'eau de Javel, de nettoyants chlorés, ni de produits abrasifs à gros grain ou de sel.
NE MÉLANGEZ pas plusieurs produits nettoyants, car ils risquent de réagir entre eux et d'avoir des effets nocifs.
Toutes les parties de la cusinière peuvent être lavées à l'eau savonneuse chaude – mais voirlez à prévenir toute infiltration d'eau dans l'appareil.
N'oubliez pas de remettre sous tension et de régler de nouveau l'horloge avant d'utiliser la cuisine.
Brûleurs de Table de Cuisson
Les têtes et chapeaux de brûleurs sont démontables pour faciliter le nettoyage. Vérifié qu'ils sont complètement secs avant de les remettre en place.
Brûleurs Mono-élément
Lors de la remise en place de la tête du brûleur, assurez-vous que l'encoche est en face de l'électrode ou du trou sur le socle. Vérifiez que la tête du brûleur est à niveau et que le chapeau est bien centré sur la tête du brûleur (Fig.5-1).
Brûleur de Wok
Le brûleur de wok est un peu plus complexe mais est aussi démontable à des fins de nettoyage.
Lors du remontage des éléments du brûleur de wok (Fig.5-2), returnez l'anneau de garniture et repérez la partie en forme de « D » (Fig.5-3). Tournez la tête jusqu'à ce que le « D » corresponde à celui situé sur le socle du brûleur. Retournez la tête et placez-la sur le socle du brûleur.
Pour monter le petit brûleur interne, repêrez la grande encoche d'électrode sur le bord du brûleur. Alignez-la sur l'électrode d'allumage blanche et placez le brûleur interne sur le grand annexe du socle (Fig.5-4).
Montez les deux chapeaux de brûleur, en vérifiant qu'ils sont placés correctement.
Assurez-vous que les orifices de brûleur ne sont pas obstrués. En cas d'obstruction des orifices, retirez les particules tenaces à l'aide d'un bout de fusible.
Support Spécial de Wok
Il est recommandé d'utiliser de l'eau savonneuse chaude, un tampon recureur savonneux humide, un produit de nettoyage semi-liquide ou un tampon recureur en nylon pour le nettoyage.
Plaque à Griller
Nettoyez toujours la plaque à griller après usage. Attende qu'elle soit complètement refroidie avant de la retirer.
Plongez la plaque dans de l'eau savonneuse chaude. Utilisez un chiffon doux ou, dans le cas de taches tenaces, une Brosse à vaissele en nylon.
Remarque: Si la plaque chauffante est lavée dans un lavevaisselle, il est possible que des résidus apparaissent à l'arrête. Ceci est normal et n'affectora pas les performances de votre plaque chauffante.
Grid
La lèchefrite et le support sont amovibles pour facilitier le nettoyage. Lavez la lèchefrite et la grille à l'eau savonneuse chaude. Àpres les grillades de viandes ou d'aliments salissants, faites tremper dans l'évier, pendant quelques minutes, immédiatement après la cuisson. Les taches tenaces sur la grille peuvent être enlevées à l'aide d'une brosse en nylon.

Avant de prisoner des composants du grill pour les nettoyer, assurez-vous qu'ils ont refroidi ou protégéz-vous avec des gants isolants.
Gril Coulissant
La lèchefrite peut aussi être lavée au lave-vaisselle.
Procedez comme suit pour-retirer la lèchefrite à des fins de nettoyage. Pour-retirer le support de la lèchefrite, tirez la lèchefrite vers l'avant (Fig.5-5). Soulevez la lèchefrite du support. Le support est maintainu sur les glissières laterales par deux clips de chaque côté (Fig.5-6). Pour chaque côté, soutenez la glissière latérale d'une main et, de l'autre, soulevez le support pour le dégager des clips latéraux (Fig.5-7).
Par sécurité, repoussez les glissières laterales dans l'enceinte du grill. Pour faciliter le nettoyage de l'enceinte du grill, vous pouvez-retirer les glissières laterales en les decrochant des côtés de l'enceinte (Fig.5-8) et essuyer les côtés avec un chiffon doux imbibé de détergent doux.

NE LAVEZ PAS les glissières laterales au lavevaisselle.
Après nettoyage, raccrochez les glissières laterales sur les côtes de l'enceinte du grill. Pour remonter le support, tirez les glissières laterales vers l'avant, et, pour chaque côté, soutenez la glissière et appuyez sur le support pour le réinsérer dans les glissières. Replacez la l'échéfrite. Lors de la remise en place de la l'échéfrite, assurez-vous que le bord large est à l'avant (Fig.5-9).
Panneau de Commande et Portes
N'utilise pas des produits nettoyants abrasifs, y compris des produits nettoyants semi-liquides, sur les surfaces en acier inoxydable brossé. Les mêleurs résultats s'obtiennent avec des détergents liquides.
Le panneau et les boutons de commande doivent uniquement être nettoyés avec un chiffon doux imbibé d'eau savonneuse chaude – mais prenez garde à ce qu'aucun excédent d'eau ne s'infiltré dans l'appareil. Essuyez avec un chiffon propre puis astique avec un chiffon sec.





François

Fig.5-10

Fig.5-11
Fig.5-12

Panneaux de Porte Vitrée
Sur certains modèle, le panneau avant de la porte du four peut être retireé pour permettre le nettoyage des panneaux en verre. Avancez la cusinière afin de pouvoir acceder aux parties laterales (veuillesz dire la section « Déplacement de la Cusinière » des générées instructions).
Entrouvre la porte du four et retirez les vis de fixation du panneau avant des côts de la porte (deux de chaque côté) (Fig.5-10). Soulevez le panneau de porte extérieur avec précaution. Vous pouvez à présent nettoyer la face interieure des pannaaux, en veillant à ne pas déplacer ni mouiller les joints d'étanchéité de la porte.
Remarque: Si la porte est dotée d'un triple vitrage, les panneaux interieurs sont fixés ensemble et ne doivent pas séparés.
Après nettoyage, reposez le panneau de porte extérieur avec précaution et replacez les vis de fixation.

N'UTILISEZ PAS de produits nettoyants décapants et abrasifs ni de racloirs métalliques acérés pour nettoyer la surface en verre de la porte du four, afin de prévenir tout risque de rayures et de fissures du verre.
Fours
Panneaux Autonettoyants du Four
Le four principal est doté de panneaux amovibles à revêtement émailé qui sont partiellement autonettoyants. Ceci n'empêche pas complètement la formation de taches sur le revêtement, mais réduit le nettoyage manuel nécessaire.
Le nettoyage automatique des panneaux est plus efficace à une température supérieure à 200^ . Si, en général, vous utilisez le four à des températures inférieures, retirez occasionallyment les panneaux et essuyez-les avec un chiffon non pelucheux imbibé d'eau savonneuse chaude. Séchez et replacez les panneaux dans le four chauffé à 200^ pendant environ une heures. Ceci assurera un bon fonctionnement des panneaux autonettoyants.

N'utilise pas de paille de fer ou tout autre matériel susceptible de rayer la surface.
Dépose des Panneaux Internes du Four Principal
Certains panneaux internes de four sont amovibles afin de permettre leur nettoyage. Retirez d'abord les grilles du four.
Chaque panneau latorial est maintainu en place par quatre vis de fixation. Les panneaux peuvent etre retirés sans avoir à enlever les vis. Soulevez chaque panneau latorial pour le décrocher des vis (Fig.5-11). Tirez-le ensuite vers l'avant.
Après retrait des panneaux internes, vous pouvez nettoyer l'intérieur émailé du four.
Four Haut
Pour nettoyer les parois du four, retirez les grilles, décrochez et retirez les supports latéraux (Fig.5-12).
Tableau Nettoyage
Les produits nettoyants indiqués sont en vente dans les supermarchés ou les magasins d'accessoires électriques (Tableau 5-1).
Pour les surfaces émaillées, utilisez un produit nettoyant recommende pour l'email vitrifé.
Un nettoyage régulier est recommandé. Pour faciliter le nettoyage, essuyez les taches immédiatement.
Table de Cuisson
Tableau 5-1
| Composant | Finition | Méthode de Nettoyage Recommandée |
| Surface de la table de cuisson | Email ou acier inoxydable | Eau savonneuse chaude, chiffon doux. Frottez doucement avec un tampon à récurer en nylon pour éliminer les taches tenaces. |
| Table de cuisson céramique/induction | Verre trempé | Eau savonneuse chaude, nettoyant crème/tampon à récurer si nécessaire. |
| Plaque à griller (selon les modèles) | Surface antiadhésive | Laissez refroidir. Lave à l'eau savonneuse chaude. N'utilise pas de produits nettoyants/tampons abrasifs. Lave-vaisselle. |
| Zone de réchauffage (selon les modèles) | Verre trempé | Eau savonneuse chaude, nettoyant crème/tampon à récurer si nécessaire. |
| Extrérieur de la Cuisinière | ||
| Composant | Finition | Méthode de Nettoyage Recommandée |
| Porte, pourtour de portet et extérieur du tiroir de rangement | Email ou peinture | Eau savonneuse chaude, chiffon doux.Frottez doucement les tâches tenaces avec un détergent liquide. |
| Acier inoxydable | Chiffon multi-uses en microfibre (supermarché). | |
| Côtés et plinthe | Surface peinte | Eau savonneuse chaude, chiffon doux. |
| Dosseret / Grille arrête | Email ou acier inoxydable | Eau savonneuse chaude, chiffon doux. Nettoyez soigneusement avec un produit nettoyant semi-liquide, si nécessaire. |
| Panneau de commande | Peinture, émail ou acier inoxydable | Eau savonneuse tiège. N'utilise pas de produits nettoyants abrasifs sur les caractères. |
| Boutons de commande/poignées et garnitures | Plastique/chrome ou cuivre | Eau savonneuse tiège, chiffon doux. |
| Laiton | Produit de polissage pour laiton (supermarché). | |
| Vitre de portedou / Couvercle en verre | Verre trempé | Eau savonneuse chaude, nettoyant crème/tampon à récurer si nécessaire. |
| Four et Gril | ||
| Composant | Finition | Méthode de Nettoyage Recommandée |
| Parois, sole et voute du four - PAS les 'PANNEAUX AUTONETTOYANTS' (voir ci-dessous) | Tout produit nettoyant pour four utilisable avec l'émail. ATTENTION: PRODUITS NETTOYANTS CORROSIFS/CAUSTIQUES POUR FOURS : SUIVEZ LES INSTRUCTIONS DU FABRICANT. Evitez tout contact avec les éléments du four. | |
| 'Panneaux autonettoyants' de four (selon les modèles) | Email spécifique partiellement autonettoyant | Cette surface est autonettoyante à 200°C ou plus; vous pouze également retarder les panneaux et les nettoyer à l'eau savonneuse chaude et avec une Brosse en nylon. |
| Grilles de four, Handyrack, grille de l'echefrite, Handygrill | Chrome | Tout produit nettoyant pour four utilisable avec le chrome. Tampon à récurer savonneux. Lave-vaisselle. |
| L'echefrite/Plat à viande (selon les modèles) | Eau savonneuse chaude. Tampon à récurer savonneux. Lave-vaisselle. | |
François
6. Dépannage
Défaillance de l'allumage ou des brûleurs de la table de cuisson
L'appareil est-il sous tension? L'horloge est-elle éclairée?
Si ce n'est pas le cas, l'alimentation électrique est peut-être défectueuse.
Les encoches du générateur d'étincelles (électrode d'allumage) ou du brûleur sont-elles obstruées par des débris?
Les tubulures des brûleurs sont-elles placées
correctement? Les couronnes sont-elles placées
correctement?Voir la section «Nettoyage»?
Les brûleurs de la table de cuisson ne s'allument pas
Assurez-vous que les éléments du brûleur ont été replaced correctement après avoir été essuyés ou retirés pour nettoyage.
Vérifiéz que l'alimentation en gaz n'est pas défectueuse.
Pour ce faire, vérifie le fonctionnement de vos autres apparèils à gaz.
Les brûleurs produits-ils une étincelle lorsque vous appuyez sur le bouton?
Les brûleurs produits-ils une étincelle lorsque vous appuyez sur le bouton de commande?
De la vapeur s'échappe du four
Pendant la cuisson d'aliments à haute teneur en eau (frites surgelées, par exemple) un peu de vapeur peut être visible à la grille à l'arrête du chauffe-plats.
Faites attention en ouvrant la porte du four, une bouffée de vapeur peut s'échapper momentarily à l'ouverture du four. Reculez-vous et attendez que la vapeur se soit dissipée.
Quels sont les produits de nettoyage recommendés pour la cuisineire?
Reportez-vous à la section « Nettoyage » pour en savoir plus sur le matériel recommendé pour le nettoyage.

N'utilise jamais de produits nettoyants caustiques ou abrasifs qui abimeront la surface.
Le ventilateur du four est bruyant
Le bruit du ventilateur peut changer pendant le chauffage du four - ceci est tout a fait normal.
Les boutons de commande deviennent chauds lorsque j'utilise le four ou le grill. Comment faire pour empêcher cela?
Ceci est d'à la chaleur provenant du four ou du gril. Ne laissez pas la porte du four ouverte.
Lorsque vous utilisez le grill, assurez-vous que la l'echefrite du grill est bien insérée jusqu'à la butée arrêté.
Laissez toujours la porte de l'enceinte du grill ouverte pendant l'utilisation du grille.
Les commandes deviennent chaudes lorsque j'utilise le four ou le grill
La cusinière est refroidie par un ventilateur. Si les commandes deviennent excessivement chaudes lorsque la cusinière est en fonctionnement, alors le ventilateur peut avoir une défaillance. Si tel est le cas, veillez contacter votre installerateur, un ingénieur de réparation qualifié ou le service client pour effectuer les réparations.
En cas de problème concernant l'installation, si mon installateur d'origine ne peut pas venir résoudre le problème, à qui incombent les frais?
C'est à vous qu'incombent ces frais. Les sociétés d'entretien factureront leurs interventions si elles réparent une installation effectuee par votre installerur d'origine. Il est de votre intérêt de contacter votre installerur d'origine.
Panne de courant
En cas de panne de courant, n'oubliez pas de régler de nouveau l'horloge pour permettre le fonctionnement automatique du four.
Les alimentés cièsent trop lentement, trop rapidement, ou brûlent
Les temps de ciisson peuvent être différents de ceux de leur ancien four.
Vérifiez que vous utilisez les températures et positions de grilles de four recommendées. Les températures du four et les temps de cuisson sont fournis à titre indicatif uniquement.
En fonction des goûts de chacun, les températures devront peut-être être modifiées dans un sens ou dans l'autre, pour obtenir les résultats que vous recherchez.
La cuisson au four n'est pas uniforme
N'utilise pas de plat ou de plaque de cuisson de dimensions supérieures à celles indiquées dans la section « Conseils Généaux pour la Cuisson au Four »
Dans le cas d'un grand plat, vous devrez peut-être le tourner pendant la cuisson.
Si vous utilisez deux grilles, vérifie qu'il y aASFez de place pour permettre à la chaleur de circuler. Lorsque vous inserez une plaque de cuisson dans le four, veillez à la placer au centre de la grille.
Vérifiez que le joint d'étanchéité de la porte n'est pas endommagé et que le loquet de porte est régle de façon à ce que la porte soit bien appuyée contre le joint.
Un récipient d'eau place sur la grille doit avoir une profondeur uniforme. (S'il est plus profond à l'arrière, par exemple, l'arrête de la cusinière doit être levé ou l'avant de la cusinière abaisse.) Si la cusinière n'est pas à niveau, demandez à votre fournisseur de laMETRE à niveau.
Le four ne s'allume pas lorsqu'il est mis en marche manuellement
L'appareil est-il sous tension? L'horloge est-elle éclairée? Si ce n'est pas le cas, l'alimentation électrique est peut-être défectueuse.
Le sectionneur de l'alimentation electrique de la cuisine est-il sur la position Marche?
L'heure a-t-elle ete reglee?
Le symbole clé [t] s'affiche-t-il pour indiquer le verrouillage du four? Reportez-vous à la section « Horloge » des générantes instructions pour un complément d'informations sur la fonction de verrouillage.
Le four ne s'allume pas avec la mise en marche automatique
Le bouton de commande du four a-t-il eté laissé par erreur sur ARRET (OFF)?
Four est-il verrouillé (voir ci-dessus)?
Avec le temps, la température du four de la cuisinière devient plus chaude
Si le fait demettre le bouton de réglage sur une température inférieure n'a pas eu d'effet ou a eu un effet-temporaire, vous devrez peut-être replacer le thermostat. Cette intervention doit être effectuee par un spécialiste de l'entretien.
L'éclairage du four ne fonctionne pas
L'ampoule a probablement grillé. Vous pouvez acheter une ampoule de rechange (non couverte par la garantie) dans un magasin d'accessoires électriques. Demandez une ampoule à culot vissable Edison 15W 230V, POUR FOURS. Cette ampoule doit pouvoir résister à une température de 300^ (Fig.6-1).
Coupez l'alimentation à l'aide du disjoncteur.
Avant dePTRer l'ampoule usagee, mettez la cuisiniere hors tension et assurez-vous que le four a refroidi. Ouvrez la portedu four et retirez les grilles du four.
Dévissez le couvercle de l'ampoule en tournant en sens anti-horaire (il peut être très difficile à dévisser) (Fig.6-2).
Dévissez l'ampoule en tournant en sens anti-horaire, en vous protégéant les mains avec un gant pour ne pas vous blesser.
Vissez l'ampoule de rechange, puis revissez le couvercle de l'ampoule. Remettez l'appareil sous tension et contrôle le fonctionnement de l'éclairage.
La porte du four est alignée mal
La charnière inférieure de la porte peut être ajustée afin de modifier l'angle de la porte (Fig.6-3). Desserrez les vis de fixation de la charnière inférieure, et utilisez le cran et un tournevis à lame plate pour changer la position de la charnière et la régler (Fig.6-4).
Resserrez les vis de la charnière.

Fig.6-1
Fig.6-2




Fig.6-3
Effet de l'ajustement de la charnière - exagéré pour plus de clarté

Ligne centrale de l'axe de charniere
Omission de la porte du four pour plus de clarté
7. Installation
A L'intention de L'installateur
Avant de commencer l'installation, veuillez replir la fiche ci-dessous. Ceci permettra à votre client de vous contacter facilement en cas de problème relatif à l'installation.
| Nom de l'installateur |
| Société de l'installateur |
| Numéro de Telephone de l'installateur |
| Numéro de Série D'appareils |
Mesures et Règlements de Sécurité

Cette cusinière doit être installée conformément aux instructions appropriées des prsentes et à la réglementation nationale et locale en vigueur, ainsi qu'aux prescriptions des compagnies de gaz et d'électricité locales.

Avant l'installation, vérifie que la cusinière convient au type de gaz et à la tension d'alimentation électrique. Reportez-vous au badge technique.

Cet apparéil doit être installé conformément à la réglementation en vigueur, et uniquement dans un endroit bien ventilé.

Lisez les instructions avant d'installer ou d'utiliser cet apparéil.

Dans votre intérêt et par souci de sécurité, légalement, tous les apparèils à gaz doivent être installés par des personnes compétentes. Une installation incorrecte n'engage ni la responsabilité, ni la garantie du fabricant, et peut donner lieu à des poursuites.

Cet apparéil peut être modifié afin d'être utilisé avec d'autres types de gaz.
Ventilation
Cet apparéil n'est pas raccordé à un dispositif d'évacuation des produits de combustion. Prétez particulièrement attention à la reglementation en vigueur concernant la ventilation.
Toutes les pieces nécessitent une fenêtre ouvrable ou un dispositif équivalent, et certaines pieces nécessitent une mise à l'air libre permanente en plus de la fenêtre ouvrable.
Emplacement de la Cuisinière
La cusinière peut être installée dans une cuisine/un salon-cuisine, mais PAS dans une piece contenant une baignoire ou une douche.
Cet apparéil est conçu uniquement pour un usage domestique. Toute autre utilisation n'engage ni la responsabilité, ni la garantie du fabricant.
Remargue: Un apparéil utilisable avec du gaz de petrole liquéfié (GPL) ne doit pas être installé dans une piece ou un espace interieur souterrain, par exemple dans un sous-sol.
Modification
L'appareil est placé pour :
G20 20 mbar
Cat II _2 H3+
Cat II _2E+3+
Cat II2L3B/P
Cat II2E3B/P
Cat II2H3B/P
Cat II2ELL3B/P
Un kit de modification permettant l'utilisation d'autres gaz est fourni avec la cuisineire.
Si la cuisine doit être modifiée pour fonctionner avec un autre gaz, nous recommendons d'effectuer cette modification avant l'installation. Reportez-vous aux instructions fournies avec le kit de modification.
Après modification de l'appareil, veuillez apposer l'étiquette de modification sur la partie appropriée du badge technique, pour permettre d'identifier le type de gaz utilisé pour l'installation de la cuisine.
INSTALLATION
Une fois le travail terminé, vérifie que les alimentations de gaz et d'électricité sont correctement rebranchées.
Vérification des Pièces:
| 3 grilles de table de cuisson | Plaque à griller |
| Support spécial de Wok | Lèchefrite et grille |
| 1 grille surbaissée | 1 grille de four plate |
| Plat à rôtir | Handyrack |
| Grilles et supports de grillés de four haut | Plinthe |
L'installation de la cuisine nécessitera l'emploi du matériel indiqué ci-dessous :
Dispositif stabilisateur: Un dispositif stabilisateur (équerre ou chaine) doit être monté sur la cusinière si celle-ci est alimentée en gaz par le biais d'un tuyau flexible.
Ce dispositif stabilisateur n'est pas fourni avec l'appareil mais est en vente dans la plupart des magasins de bricolage.
Manometre.
Tuyau flexible de gaz: Doit être conforme aux normes appropriées.
Multimetre: Pour les contrôles électriques.
Vouraurezaussibonsoutsuilisuivants:
- Perceuse électrique
- Foret à maconnerie (nécessaire seulement pour montage sur sol en pierre ou en béton)
- Chevilles Rawlplugs (necessaires seulement pour montage sur sol en pierre ou en béton)
- Metre en acier
- Tournevis cruciforme
- Tournevis à lame plate
- Niveau à bulle
- Crayon
- Clé réglable
- Vis pour le montage de l'équerre stabilisatrice
- 4mm et 3mm clé hexagonale
- Clé polygonale ou à douilles de 13 mm
INSTALLATION
Une fois le travail terminé, vérifie que les alimentations de gaz et d'électricité sont correctement rebranchées.




Positionnement de la Cuisinière
Le schéma indique les cotes minimales recommandées entre la cusinière et les surfaces adjacentes (Fig.7-1).
Ne placez pas la cusinière sur un support. Le pourtour de la table de cuisson doit être au niveau ou au-dessus de tout plan de travail adjacent. Laissez un espace de 75 mm
AU-DESSUS du niveau de la table de cuisson entre chaque côté de la cusinière et toute surface verticale adjacente.
Pour les surfaces non combustibles (telles que le métal non point ou les carrelages), cette cote peut être de 25mm .
Laissez un espace de 650mm au minimum entre la partie supérieure de la table de cuisson et une surface horizontally combustible. La Fig.7-2 indique les dégagements recommends audessus de la cuisinière.
*Toute hotte de cusinière doit être installée conformément aux instructions du fabricant de hotte.
Les surfaces des meubles et des murs de chaque côté et à l'arrière de l'appareil doivent être résistantes à la chaleur, aux éclaboussures et à la vapeur. Certains types de meubles de cuisine en vinyle ou en stratifié sont particulièrement susceptibles aux risques de dommages thermiques et de décoloration.
Nous déclinons toute responsabilité pour des dommages resultant d'une utilisation normale de la cusinière et subis par des matériaux qui se décollent ou se décolorent à des températures de moins de 65^ au-dessus de la température ambiente.
Nous recommendons de laisser un espace de 1000mm entre les unités pour permettre le déplacement de la cusinière. La cusinière ne doit pas etre encastree - elle doit pouvoir etre déplacee vers l'avant et vers l'arriere pour le nettoyage et I'entretien.
Si la cusinière est pres d'un coin de la cuisine, un dégagement de 130mm est nécessaire pour permettre l'ouverture des portes de jours. La cote d'ouverture des portes est légèrement inférieure à ce dégagement, mais ici inclut une marge de sécurité pour la protection des mains lors de l'ouverture de la porte (Fig.7-3).
Déplacement de la Cuisinière
N'essayez jamais de déplacer la cusinière lorsqu'elle-ci est sous tension.
La cuisine est très lourde, faites très attention.
Nous recommendons de faire appel à deux personnes pour déplacer la cusinière. Assurez-vous que le revêtement du sol est solidement fixé en place ou retirez-le afin de ne pas l'abîmer en déplaçant la cusinière.
Deux galets arrêté de mise à niveau et deux supports avant vissables facilitent le déplacement de la cuisine. Vous devrez utiliser l'outil de mise à niveau.
Retirez le socle d'emballage en polystyrene. Depuis I'avant, inclinez la cuisinière vers I'avant et retirez la partie avant du socle d'emballage en polystyrene (Fig.7-4). Repétez cette procédure à l'arrière et retirez la partie arrière du socle.
INSTALLATION
Une fois le travail terminé, vérifie que les alimentations de gaz et d'électricité sont correctement rebranchées.
Baissez les Galets Arriere
Il y a deux écrous de réglage, un pour chaque galet, aux coins avant inférieurs de la cuisine (Fig.7-5).
Pour ajuster la hauteur de l'arrière de la cusinière,mettre d'abord une clé à douille ou à crochet de 13 mm dans l'écrou hexagonal d'ajustement. Tourner l'écrou dans le sens horaire pour soulever et dans le sens antihoraire pour baisser.
Exécution du Mouvement
Dépliez le bord arrêté du (carton) plateau d'emballage. Ouvrez la porte du grill et la porte du four croit afin d'avoir une bonne prise sur la partie inférieure du panneau de commande pour déplacer la cusinière (Fig.7-6).
Poussez la cuisine vers l'arriere avec précaution pour la dégager de son socle d'emballage. Retirez le plateau d'emballage.
Poussez la cuisine pres de sa position finale, en laissant juste assez de place pour pouvoir avoir accès à l'arrière.

N'utilise pas les poignées de portes ou les boutons de commande pour déplacer la cuisineire.
Fixation de L'équre ou Chaine de Stabilisation
Sauf indication contraire, une cusinière raccordée à un tuyau flexible de gaz doit être fixée avec un dispositif stabilisateur adapté.
Les dispositifs stabilisateurs adaptés sont représentés en Fig.7-7, Fig.7-8 et Fig.7-9.
Si vous utilisez une chaine de stabilisation (Fig.7-7), la chaine devra alors estre aussi courte que possible et fixe fermement à l'arriere de la cuisineire.
Si vous utilisez une équerre de stabilisation (Fig.7-8 et Fig.7-9), ajustez alors l'équerre de façon à avoir le moins de dégagement possible entre l'équerre et le rail de prise à l'arrière de la cusinière.
Fixez l'équerre de sorte qu'elle s'encastre le plus loin possible dans le chassiné de la cuisine.
Repositionnement de la Cuisinière Après Raccordement
Si vous nevez déplacer la cusinière après son raccordement, débranche la cusinière, agrippez-la sous le panneau de commande et levez légèrement l'avant de la cusinière (Fig.7-6), puis vérifie à l'arrière de l'appareil que le cable d'alimentation n'est pas entravé.
Pendant le déplacement de la cuisine, assurez-vous que le cable électrique et le tuyau de gaz ne sont pas entravés.
Si la cusinière est dotée d'une chaine stabilisatrice, défaites-la pour pouvoir manœuvrer la cusinière. N'oubliez pas de la remettre en place lorsque vous replace la cusinière.
Lors de la remise en place de la cusinière, vérifie de nouveau que le cable électrique et le tuyau de gaz ne sont pas entravés ou coincés.






Fig.7-10
Toutes les dimensions en millimetre

Fig.7-11
Modification en vue de L'utilisation d'un Autre Gaz
A ce stade, vous devez effectuer la modification nécessaire si vous souhaitez utiliser la cusinière avec un autre type de gaz. Reportez-vous à la section sur la modification dans les générantes instructions et reportez-vous aux instructions fournies avec le kit de modification.
Mise à Niveau
Nous vous recommendons d'utiliser un niveau à bulle place sur une des grilles de four pour vérifier le niveau.
Placez la cusinière à l'emplacement prévu pour son installation, en veillant à ne pas exercer de force de torsion lorsque vous l'insérez entre les éléments de cuisine, pour ne pas l'endommager ou endommager les éléments.
Raccordement de L'alimentation en Gaz
Doit etre conforme aux normes appropriées.
Le tuyau flexible (non fourni avec la cusinière) doit être conforme aux normes en vigueur. Les tuyaux flexibles sont disponibles dans la plupart des magasins de matérielux et de bricolage.
L'approvisionnement en gaz doit se terminer par un côté faisant face coude de tuyau et d'une connexion à la baisse face à pipe baïonnanette.
Le raccord de l'appareil estitué juste au-dessous du niveau de la table de cuisson, à l'arrête de la cuisinière. En cas de doute, contactez votre fournisseur.
Les boîtiers arrêté de la cusinière limitent la position du point d'alimentation.
Il est difficile de donner des cotes précises, étant donné que la hauteur de la cusinière est réglable et que chaque raccordement est différent. Vous pouvez utiliser un tuyau flexible de 900mm , mais un tuyau de 1250mm offre plus de flexibilité quant au positionnement du raccord baïonnanette et facile le déplacement de la cusinière.
Montez le tuyau de façon à ce que les raccords d'admission et de sortie soient verticaux et que le tuyau pende en forme de «U». Idealement, le raccord d'alimentation domestique doit être dans la partie ombrée 'A' (Fig.7-10). Vissez l'extrémité filétée du tuyau flexible dans l'admission de gaz.
Le raccord d'admission de la cusinière est de type interne ISO 7-1. Si le raccordement doit être de type ISO 228-1, utilisez le raccord d'adaptation ISO 7-1-ISO 228-1 fourni dans le kit de modification (Fig.7-11).
Vissez le raccord dans l'admission de la cuisineire en serrant à la main. A l'aide de deux outils appropriés, l'un place au niveau de l'admission située sur la cuisineire pour veiller à en assurer stabilité et l'autre sur le raccord, vissez le raccord dans l'admission.
Couple minimum 15 Nm. Couple maximum 20 Nm.
Raccordement du tuyau flexible au connecteur.
INSTALLATION
Une fois le travail terminé, vérifie que les alimentations de gaz et d'électricité sont correctement rebranchées.
Lorsque le raccordement est terminé, effectuez un essai de pression pour contrôler l'étanchéité de la cuisine.
Essai de Pression
La pression de gaz peut être mesurée au niveau de l'injecteur de l'un des brûleurs centraux de la table de cuisson (non pas au niveau du brûleur de wok).
La pression de gaz peut être mesurée au niveau de l'injecteur d'un des brûleurs de la table de cuisson gauche.
Retirez la tête d'un des brûleurs. Montez le manomètre sur le giclreur. Mettez en marche un des autres brûleurs de la table de cuisson.
Tournez et appuyez sur le bouton de commande du brûleur avec manomètre, pour permettre l'arrivée du gaz.
Reportez-vous au badge technique pour les pressions d'essais.
Eteignez les brûleurs. Replacez le chapeau du brûleur, en veillant à le remonter correctement sur le corps du brûleur.
Raccordement Electrique
Cet apparéil doit être installé par un électricien qualifié, conformément à la réglementation en vigueur et aux prescriptions de la Compagnie d'électricité locale.
Disjoncteurs Differentials
L'utilisation conjointe de votre cuisinière et d'autres apparêls domestiques peut entraîner des disjonctions fortuites; par conséquent, nous recommendons de protéger la cuisinière par un disjoncteur différentiel.
EN CAS DE Doute, CONSULTEZ UN ELECTRICIEN QUALIFIE.
Remarque: La cusinière doit être raccordée à l'alimentation électriche correcte, indiquée sur l'étiquette de tension sur l'appareil, par le biais d'une unité de commande de cusinière appropriée à interrupteur bipolaire (avec une séparation de contact de 3 mm au minimum entre les pôles).

Cette cuisinière ne doit pas etre raccordee a une prise d'alimentation domestique ordinaire.
Pour acceder au bornier d'alimentation secteur, retirez le boitier électrique sur le panneau arrêté. Raccordez le cable d'alimentation secteur aux bornes correctes pour votre type d'alimentation électrique (Fig.7-12 et Fig.7-13). Vérifiez que les connecteurs sont montés correctement et que les vis des bornes sont bien serrées. Fixez le cable d'alimentation secteur à l'aide du serre-câble.



Fig.7-14

Fig.7-15

Fig.7-16
Vérifications Finales
Contrôle de la Table de Cuisson
Contrôlez le fonctionnement de chaque brûleur (voir la section « Brûleurs de la Table de Cuisson » au début des générées instructions).
Contrôle du Gril
Tournez le bouton de commande du grill et vérifie que le grill commence àCHAuffer.
Contrôle des Fours
Réglez l'horloge conformément aux instructions données precedemment, et allumez les jours. Vérifiez que les ventilateursurs des jours se mettent en marche et que les jours commencent àCHAuffer.
Remarque: Les ampoules des éclairages des jours ne sont pas inclues dans la garantie.
Eteignez le four.
Montage de la Plinthe
Montage de la Plinthe 1 Pièce (Professional+)
Dévissez les trois vis le long du bord inférieur avant de la cusinière. Insérez l'encôche centrale en forme de trou de serrure sur la vis centrale. Tournez et insérez les encoches d'extrémités en trou de serrure sur leurs vis respectives. Serrez les vis de fixation (Fig.7-14).
Montage de la Plinthe 2 Pièce (Kitchenener)
Montez la plinthe interieure à l'avant inférieur de la cuisine à l'aide des quatre vis fournies (Fig.7-15).
Fixez la plinthe extérieure (une vis à chaque extrémité) à la plinthe interieure. Grâce à l'encoche, vous pouvez ajuster la position de la plinthe extérieure en la faisant glisser vers le haut ou le bas (Fig.7-16).
Conseils à la Clientèle
Veuillez inscrite les informations vous concernant dans les générées instructions. De même, indiquez à l'utilisateur comment faire fonctionner la cuisine et remettez-lui les instructions.
Merci.
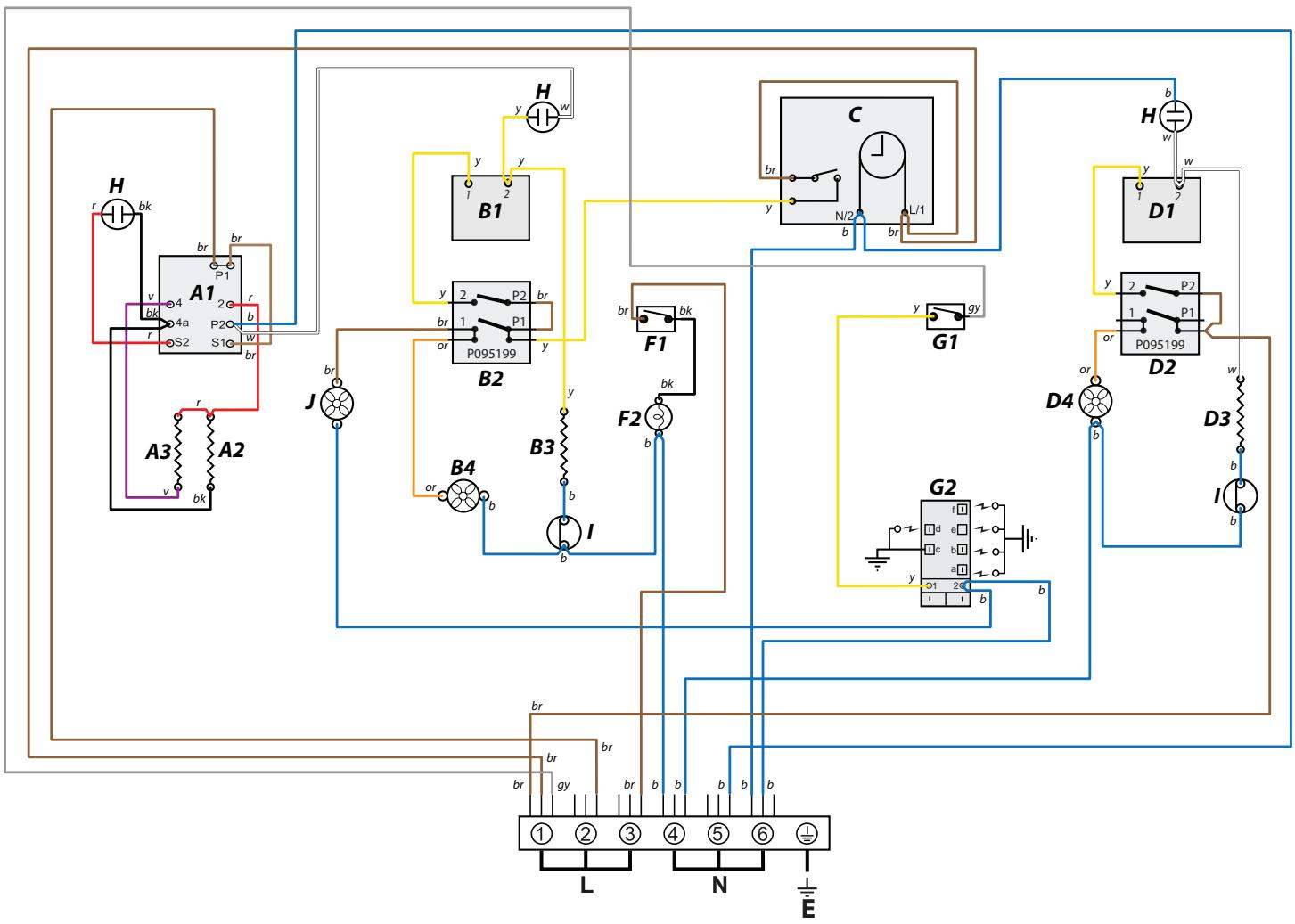
8. Schémas de Câblage

Legende
Le raccord indiqué sur le schéma de câblage est pour une alimentation monophasée.
Les capacités nominales sont pour 230V 50 Hz.
| Code | Description |
| A1 | Commande de grill |
| A2 | Éléments de grill,droit |
| A3 | Éléments de grill,gauche |
| B1 | Thermostat de four ventilé gauche |
| B2 | De commande de four ventilé gauche |
| B3 | Élement du four gauche |
| B4 | Ventilateur du four gauche |
| C | Horloge |
| D1 | Thermostat de four ventilé droit |
| D2 | De commande de four ventilé droit |
| D3 | Élement du four ventilé droit |
| D4 | Ventilateur du four droit |
| Code | Description |
| F1 | Interrupteur d'éclairage du four |
| F2 | Eclairage de four |
| G1 | Contacteur d'allumage |
| G2 | Générateur d'allumage |
| H | Néon |
| I | Protecteur thermique |
| J | Ventilateur de refroidissement |
| Code | Couleur |
| b | Bleu |
| br | Brun |
| bk | Noir |
| or | Orange |
| r | Rouge |
| v | Voilet |
| w | Blanc |
| y | Jaune |
| g/y | Vert / jaune |
| gr | Gris |
François
9. Fiche Technique
LA CUISINIERE EST DE CATEGORY :Catll2H3+; Catll2E+3+; Catll2L3B/P; Catll2E3B/P; Catll2ELL3B/P; Catll2H3B/P.
A la livraison, cet appeareil est regle sur gaz naturel de type H. Un kit de modification permettant l'utilisation d'autres gaz est fourni avec la cuisineire.
A L'INTENTION DE L'INSTALLATEUR : Veuillez remetre les presentes instructions à l'utilisateur.
EMPLACEMENT DU BADGE TECHNIQUE: Arrière de la cuisine, badge auxiliaire de numero de série sous l'ouverture de la porte du four.
PAYS DE DESTINATION: GB, IE, FR, NL, BE, LU, DE, AT, SE.
Raccordements
| Gaz (Rp 1/2 au niveau du côte arrière droit) | Electricité | |
| Gaz naturel | 20 mbar | 230/400V 50Hz |
| Butane | 29 mbar | |
| Propane | 37 mbar | |
Voir le badge technique de l'appareil pour les pressions d'essais.
Dimensions
| Hauteur hors tout | Minimale 905 mm | Maximale 930 mm |
| Largeur hors tout | 994 mm | |
| Profondeur hors tout | 610 mm (au dessus des poignées); 649 mm (jusqu'à l'avant de la façon) | |
Voir « Positionnement de la Cuisinière »
Puisances
| Table de cuisson | Gaz Naturel 20 mb | Le gaz propane liquide (LP) | ||||
| Injecteur | Vis | Injecteur | Vis | |||
| Brûleur de Wok | 3,5 kW | Interne 80 | 96 | 3,5 kW (246 g/h) | Interne 54 | 57 |
| Externe 129 | Externe 77 | |||||
| Grands brûleurs | 3,0 kW | 134 | 54 | 3,0 kW (210 g/h) | 87 | 40 |
| Brûleurs moyens | 1,7 kW | 109 | 39 | 1,7 kW (119 g/h) | 68 | 32 |
| Petit brûleur | 1,0 kW | 75 | 38 | 1,0 kW (70 g/h) | 51 | 28 |
Efficacité de Four
| Fours | Four principal | Four droit |
| Convection forçée | Convection forçée | |
| Puisance maximale @ 230V 50 Hz | 2,5 kW | 2,5 kW |
| Catégorie d'efficacité énergétique: Sur une échelle de A (plus efficace) à G (moins efficace) | A | A |
| Consommation d'énergie basée sur une charge standard | 0,99 kWh | 0,99 kWh |
| Volume disponible (litres) | 67 | 81 |
| Taille | Grand | Grand |
| Temps de cuisson – charge standard | 38 minutes | 48 minutes |
| Surface de cuisson | 1400 cm2 | 1056 cm2 |
| Gril | 2,3 kW |
Charge électrique totale maximale à 230V (total approximatif complenant éclairages de fours, ventilateur de four, etc.): 7,4kW.
Notice Facile