CDL9ODFOG/B-EU - Piano de cuisson FALCON - Notice d'utilisation et mode d'emploi gratuit
Retrouvez gratuitement la notice de l'appareil CDL9ODFOG/B-EU FALCON au format PDF.
| Type de produit | Four à gaz encastrable |
| Caractéristiques techniques principales | 9 foyers, 1 four, commandes manuelles |
| Alimentation électrique | 220-240 V |
| Dimensions approximatives | Largeur : 90 cm, Profondeur : 60 cm, Hauteur : 90 cm |
| Poids | 85 kg |
| Compatibilités | Compatible avec les cuisines encastrées standard |
| Type de batterie | Non applicable |
| Tension | 220-240 V |
| Puissance | Max. 3000 W |
| Fonctions principales | Cuisson, rôtissage, grillade |
| Entretien et nettoyage | Nettoyage à l'eau savonneuse, éviter les produits abrasifs |
| Pièces détachées et réparabilité | Disponibles auprès du fabricant ou des revendeurs agréés |
| Sécurité | Système de sécurité pour éviter les fuites de gaz, thermostat de sécurité |
| Informations générales utiles | Garantie de 2 ans, installation par un professionnel recommandée |
FOIRE AUX QUESTIONS - CDL9ODFOG/B-EU FALCON
Questions des utilisateurs sur CDL9ODFOG/B-EU FALCON
0 question sur cet appareil. Repondez a celles que vous connaissez ou posez la votre.
Poser une nouvelle question sur cet appareil
Téléchargez la notice de votre Piano de cuisson au format PDF gratuitement ! Retrouvez votre notice CDL9ODFOG/B-EU - FALCON et reprennez votre appareil électronique en main. Sur cette page sont publiés tous les documents nécessaires à l'utilisation de votre appareil CDL9ODFOG/B-EU de la marque FALCON.
MODE D'EMPLOI CDL9ODFOG/B-EU FALCON
Ingrédients (nb de personnes : 5)
- 600 g de cerises
- 30 g de beurre + beurre pour le moule 4 cuil. à soupe rases de farine
- 50 cl de lait frais 4 œufs 4 cuil. à soupe rasées de sucre semoule 1 cuil. à soupe de sucre cristallisé 1 pincée de sel
Méthode de preparation
- Faites chauffer le four à 200°C, th.7.
- Beurrez un moule à tarte de 24 cm de diamètre ou un plat à gratin.
- Lavez rapidement les cerises, épongez-les et équeutez-les, puis disposez-les dans le moule.
- Faites juste fondre le beurre.
- Tamisez la farine avec le sel dans une terrine et délayez-la peu à peu avec le lait et le beurre fondu.
- Cassez les œufs dans une autre terrine, ajoutez le sucre semoule et battez-les à la fourchette.
- Versez dessus le mélange de farine, de lait et de beurre, à travers un tamis pour éliminer les grumeaux. Mélangez.
- Versez doucement la pâte sur les cerises, mettez le plat au four et faites cuire pendant 40 min.
- Laissez tiédir, puis poudrez avec le sucre cristallisé et servez dans le plat de cuisson.

Ingrédients (nb de personnes : 4)
150g de chapelure 1 cuil. à soupe de graines de fenouil - 6 brins de thym frais 4 cuil. à soupe d'huile d'olive 1 cuil. à soupe de moutarde à l'ancienne 2 cuil. à soupe de lait demi-écrémé 1 rosbif ficelé et non barde de 1,1 kg environ
8 carottes coupées en gros morceaux 3 navets coupés en deux 800 g de pommes de terre à chair ferme coupées en gros morceaux - 6 belles échalotes pelées - 5 cl de porto blanc - sel, poivre
Méthode de preparation
- Préchauffez le four à 190°C (th. 6/7). Mélangez la chapelure avec les graines de fenouil et 2 brins de thym effeuillés dans un bol. Ajoutez 2 cuil. à soupe d'huile d'olive, la moutarde à l'ancienne et le lait. Mélangez jusqu'à obtention d'une pâte épaisse.
- Huilez légèrement un plat à four pouvant aller sur le feu. Mettez-y le rosbif et enrobez-le de la préparation précédente en appuyant bien. Laissez macérer le temps de préparer les légumes.
- Portez à ébullition une grande casserole d'eau. Plongez-y les carottes, les navets et les pommes de terre. Laissez-les cuire 5 min à feu doux, puis égouttez-les et répartissez-les autour du rosbif. Ajoutez les échalotes. Nappez les légumes du reste d'huile d'olive, salez, poivrez et parsemez du reste de thym effeuillé. Versez 10 cl d'eau dans le fond du plat et enfournez pour 40 min (50 à 55 min si vous préférez un rôti bien cuit).
- Disposez le rosbif sur un plat avec les légumes. Couvrez de papier sulfurisé et laissez reposer 15 min.
- Pendant ce temps, posez le plat à four sur feu moyen. Ajoutez le porto et 5 cl d'eau, mélangez en gratant les sucs de cuisson avec une cuillère en bois et laissez réduire quelques minutes. Rectifiez l'assaisonnement et versez dans une saucière.
- Coupez le rosbif en tranches, délicatement pour ne pas trop émietter la croûte de thym. Servez-le entouré de légumes, en représentant la sauce à part.
1. Avant de commencer... 1
Sécurité Personnelle 1
Raccordement de l'alimentation en gaz 1 sécurité
Si vous sentez une odeur de gaz 1
Odeur de Neuf 2
Ventilation 2
Son entretien 2
Conseils relatifs à la four 3
Conseils Relatifs à l'Utilisation de la
Table de Cuisson 4
Gril/Gril Coulissant « Glide-out » 4
Le ventilateur de refroidissement 4
Entretien de la Cuisinière 4
Nettoyage 4
2 Vue d'ensemble de la cuisinière 5
Brûleurs de Table de Cuisson 5
Brûleur de Wok 6
Support Special de Wok (option Kitchener) 7
Gril Coulissant « Glide-out » 8
Fours 9
Fonctions du Four Multifonctions 10
Réponse Rapide 10
Fonctionnement du four 11
Accessoires 12
4 Conseils pour la cuisson 18
Conseils pour la Cuisson avec Minuterie 18
Conseils Généraux pour la Cuisson au Four18
6. Nettoyage de la cuisinière 20
Plaque à Griller 21
Grill 21
Fours 22
Four Haut 22
Tableau Nettoyage 23
8. Installation 26
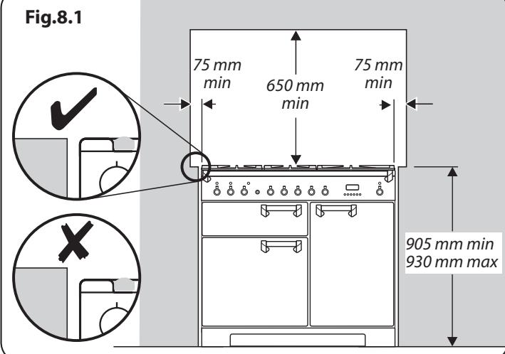
Mesures et Règlements de Sécurité 26
Ventilation 26
Emplacement de la cuisinière 26
Modification 26
Positionnement de la Cuisinière 28
Déplacement de la Cuisinière 29
Exécution du Mouvement 29
Fixation de l'équerre ou chaîne de stabilisation 29
Repositionnement de la Cuisinière avec raccordement 30
Modification en vue de l'utilisation d'un autre gaz 30
Mise à Niveau 30
Vérifications finales 30
Raccordement de l'Alimentation en Gaz 31
Raccordement Électrique 32
Montage final 33
Conseils à la Clientèle 33
9. Conversion au gaz PL 34
Injecteurs 34
Réglage du robinet de commande 34
Étiquette autocollante 34
Essai de Pression 35
11. Fiche technique 38
Catégories de gaz et réglages de pression 38
Puisances 38
Raccordements 39
Dimensions 39
Données d'efficacité du Réchaud 40
Données du Four : Classic Deluxe 41
Données du Four: Kitchener, Profesional+ 42
1. Avant de commencer...
Cette notice d'utilisation couvre plusieurs modèles. Même si certaines illustrations peuvent ne pas se rapporter spécifiquement à votre modèle, les fonctions sont les mêmes. Nous espérons que ceci ne prédera pas à confusion.
Nous vous remercions d'avoir acheté cette cuisinière. Installée et utilisée correctement, cette cuisinière vous donnera de nombreuses années de service fiable. Il est important de lire la présente section avant de commencer.
Sécurité personnelle
Cet appareil ne doit être utilisé que pour la cuisson. Il ne doit pas être utilisé à d'autres fins, par exemple pour chauffer la pièce. L'utiliser à toute autre fin pourrait invalider toute garantie ou réclamation de responsabilité. En plus d'invalider des réclamations, cela gaspille du combustible et pourrait surchauffer les boutons de contrôle.
Son installation doit être conforme aux instructions appropriées des générateurs et satisfaire à la réglementation nationale et locale en vigueur, ainsi qu'aux prescriptions des compagnies de gaz et d'électricité locales.
- Cet appareil peut être utilisé par des enfants âgés de 8 ans et plus, autrement par des personnes aux capacités physiques, sensorielles ou mentales réduites ou qui manquent d'expérience et de connaissances à l'égard de l'appareil, à condition d'être surveillés ou d'avoir reçu des instructions claires pour utiliser cet appareil en toute sécurité et d'en comprendre les risques.
- Les enfants ne doivent pas jouer avec cet appareil. Son nettoyage et son entretien ne doivent pas être effectués par des enfants non supervisés.
- Cet appareil est donc uniquement pour un usage domestique. Toute autre utilisation n'engage ni la responsabilité, ni la garantie du fabricant.
- L'appareil et ses pièces accessibles chauffent pendant leur utilisation. Veillez à ne pas toucher les éléments chauffants.
- Un processus de cuisson de longue durée doit être surveillé de temps à autre. Un processus de cuisson de courte durée doit être surveillé en permanence.
- NE PAS stocker d'objets sur les surfaces de cuisson.
- Pour éviter toute surchauffe, NE PAS installer la cuisinière derrière une porte décorative.
- Les parties accessibles de la cuisinière deviennent chaudes lorsque celle-ci est en marche et resteront chaudes même après la cuisson. Ne laissez pas les bébés et les enfants s'approcher de la cuisinière et ne portez jamais de vêtements amples ou flottants lors de l'utilisation de la cuisinière.
- N'utilisez PAS de nettoyeur à vapeur sur votre cuisinière. Veillez à ce que les matériaux combustibles,
(rideaux, liquides inflammables, etc.) soient toujours suffisamment éloignés de la cuisinière.
- N'utilisez PAS d'aérosols à proximité de la cuisinière lorsque celle-ci est en marche.
Raccordement de l'alimentation en gaz sécurité
Cette cuisine est un appareil de classe 2 et de sous-classes 1
- Cet appareil peut être modifié afin d'être utilisé avec d'autres types de gaz.
- Avant l'installation, vérifie que la cuisinière convient au type de gaz et à la tension d'alimentation électrique. Reportez-vous au badge technique.
- N'utilise pas de commandes de gaz remises à neuf ou non autorisées.
- Débranche la cuisinière de l'alimentation électrique avant de réaliser l'entretien,
- Lors de l'entretien ou du remplacement de composants d'alimentation en gaz, débranchez le gaz avant le début de l'intervention et, au terme de celle-ci, effectuez les contrôles de sécurité nécessaires pour les appareils à gaz.
- Vérifiez que l'alimentation en gaz est en service et que la cuisinière est raccordée à l'alimentation électrique et sous tension (la cuisinière a besoin d'électricité).
- Dans votre intérêt et par souci de sécurité, légalement, tous les appareils à gaz doivent être installés par des personnes compétentes. Une installation incorrecte n'engage ni la responsabilité, ni la garantie du fabricant, et peut donner lieu à des poursuites.
- Un appareil utilisable avec du gaz de pétrole liquéfié (GPL) ne doit pas être installé dans une pièce ou un espace intérieur souterrain, par exemple dans un sous-sol.
Si vous sentez une odeur de gaz
- Ne actionnez aucun interrupteur électrique, ni pour allumer, ni pour éteindre
- Ne fumez pas
- N'utilisez pas de flammes nues
- Coupe le gaz au compteur ou au niveau de la bouteille de gaz. Ouvrez portes et fenêtres pour évacuer le gaz. Eloignez toute personne de l'endroit concerné.
- Appelez votre fournisseur de gaz
Odeur de neuf
Lorsque vous utilisez votre cuisinière pour la première fois, il est possible qu'une odeur s'en dégage. Cela devrait s'arrêter après son utilisation.
Avant d'utiliser votre cuisinière pour la première fois, veillez à ce que l'intégralité de l'emballage ait été retirée, puis pour chasser les odeurs issues de la fabrication, allumez tous les brûleurs sur 200°C et laissez-les en fonctionnement pendant au moins 1 heures.
Avant la première utilisation du grill, allumez-le et faites-le marcher pendant 30 minutes avec la l'échefrite bien en place, et en laissant la porte du grill ouverte.
Veillez à ce que la pièce soit bien ventilée (voir « Ventilation » ci-dessous). Il est recommandé aux personnes souffrant de problèmes respiratoires ou d'allergies de quitter la pièce pendant ce temps.
Ventilation
L'utilisation d'un appareil de cuisson produit de la chaleur et de l'humidité dans la pièce contenant l'appareil. Par conséquent, veillez à ce que la cuisine soit bien ventilée. Laissez les ouvertures de ventilation naturelle ouvertes ou installez une hotte aspirante à évacuation extérieure.
Entretien sonore
Il est conseillé de faire entretenir cet appareil tous les ans. - N'UTILISEZ PAS de récipients de cuisson de diamètre supérieur à celui du foyer. - Laissez toujours la cuisinière refroidir et mettez-la hors tension avant de la nettoyer ou d'effectuer une intervention d'entretien, sauf indication contraire dans les présentes instructions. - N'ESSAYEZ jamais de démonter ou de nettoyer autour d'un brûleur lorsqu'un autre brûleur est allumé. Vous risqueriez de recevoir une décharge électrique. - Ne faites jamais fonctionner la cuisine et avec les mains mouillées. - N'UTILISEZ pas de torchon ou autre chiffon épais à la place d'un gant isolant - ils risquent de s'enflammer au contact d'une surface chaude. - NE PAS UTILISER de dispositif de protection pour plaques chauffantes, papier aluminium ou couvercle de plaque chauffante de quelque sorte que ce soit. Ils poursuivent affaiblir la sécurité d'utilisation des brûleurs de vos plaques chauffantes et sont potentiellement dangereux pour la santé. - Ne chauffez jamais des récipients alimentaires qui n'ont pas été ouverts. La pression accumulée à l'intérieur des récipients peut les faire éclater et blesser l'utilisateur. - N'utilisez pas des casserolas instables. Tournez toujours les manches des récipients de cuisson vers l'intérieur de la table de cuisson.
- Ne laissez jamais la table de cuisson en marche sans surveillance si les brûleurs sont réglés sur maximum. Le débordement des récipients peut produire de la fumée et des taches de gras qui risquent de s'enflammer. Si possible, utilisez un thermomètre à bain de friture pour prévenir une surchauffe de l'huile au-delà du point de fumée.
- Tout processus de cuisson non surveillé sur une table de cuisson, à base de graisse ou d'huile, peut être dangereux et déclencher un incendie.
- Ne laissez jamais une friteuse sans surveillance. Faites toujours chauffer l'huile lentement, en la surveillant. Les friteuses ne doivent être remplies qu'à un tiers de leur capacité.
- Une friteuse trop pleine peut déborder lorsqu'on y plonge des aliments. Si vous utilisez un mélange d'huile et de graisse pour la friture, mélangez-les avant de chauffer, ou pendant la fonte des graisses.
- Les aliments à frire doivent être le plus sec possible. La présence de cristaux de glace sur des aliments congelés ou d'humidité sur des aliments frais peut provoquer une ébullition et un débordement de l'huile. Surveillez attentivement pour prévenir les débordements et la surchauffe pendant la friture à haute ou moyenne température. N'essayez jamais de déplacer un récipient de cuisson contenant de l'huile chaude, en particulier une friteuse. Attendez que l'huile ait refroidi.
- Lorsque le grill est en marche, ne vous servez pas de la grille d'évacuation (la grille le long de la partie arrière de la cuisine) pour réchauffer des assiettes ou des plats, sécher des torchons ou ramollir du beurre.
- N'utilisez pas d'eau pour éteindre les incendies dus à la graisse et ne soulevez jamais un réseau de cuisson qui a pris feu. Éteignez la cuisinière et étouffez un réseau qui a pris feu sur une table de cuisson en le recouvrant complètement avec un couvercle de taille appropriée ou une plaque de cuisson. Si possible, utilisez un extincteur à poudre chimique ou à mousse de type polyvalent.
- Cet appareil ne DOIT PAS être modifié. L'appareil n'est pas censé être utilisé avec une minuterie externe ni avec un système de contrôle à distance séparé.
- Les produits inflammables risquent d'exploser et de causer des incendies et des dommages matériaux.
Conseils relatifs à la fourneaux
- Vérifiez toujours que les commandes sont sur la position Arrêt [OFF] lorsque le four n'est pas en marche et avant de nettoyer la cuisinière. Utilisez un gant isolant pour ne pas vous brûler.
- La cuisson d'aliments à haute teneur en eau peut produire une « bouffée de vapeur » à l'ouverture de la porte du four. Lorsque vous ouvrez la porte du four, reculez-vous et attendez que la vapeur se soit dissipée. (Fig. 1.1).
- Le côté intérieur de la porte est fait en verre de sécurité renforcé. Faites attention à NE PAS rayer la surface sur le panneau de verre.
- Des dommages accidentels peuvent fissurer la porte en verre.
- Ne pas obstruer les conduits d'évacuation.
- NE PAS utiliser de produits nettoyants abrasifs ni de grattoirs pointus en métal pour nettoyer le couvercle en verre car ils pourraient rayer la surface et briser ainsi le verre.
- Veillez à ce que les grilles soient toujours insérées à fond dans le four. NE PAS fermer la porte sur les grilles du four.
- Ne recouvre pas les grilles, les panneaux internes ou la voûte du four de papier aluminium.
- Lorsque le four est en marche, ne laissez PAS la porte du four ouverte plus longtemps que nécessaire, afin d’prévenir une surchauffe des boutons de commande.
- N'utilisez pas la fonction minuterie avec un four si le four adjacent est déjà chaud.
- Ne placez pas des aliments chauds dans le four qui sera utilisé avec la fonction minuterie.
- N'utilisez pas un four déjà chaud avec la fonction minuterie.
- Au besoin, utilisez des gants isolants secs - l'emploi de gants humides risque de causer des brûlures dues à la vapeur lors du contact avec une surface chaude.
Fig. 1.1
Conseils relatifs à l'utilisation de la table de cuisson
- N'autorisez jamais qui que ce soit à grimper ou se tenir debout sur la table de cuisson.
- Ne découpez pas des aliments sur la table de cuisson.
- Ne laissez pas des ustensiles, alimentés ou produits combustibles sur la table de cuisson lorsqu'elle n'est pas en service (torchon, ou poële contenant de l'huile, par exemple).
- Ne placez pas des feuilles en plastique ou aluminium ou des récipients en plastique sur la table de cuisson.
- Mettez toujours le bouton de commande sur la position arrêt [Off] avant de désterowler un récipient.
- Evitez de faire chauffer un récipient de cuisson vide. Ceci risque en effet d'abîmer la table de cuisson et le récipient.
Gril/gril coulissant « glide-out
- Lors de l'utilisation du grill, veillez à ce que la l'échefrite soit en place et insérée à fond dans l'enceinte du grill, ici pour prévenir le risque de surchauffe des boutons de commande.
- NE LAISSEZ PAS LE GRIL EN MARCHE pendant plus de quelques instants si la l'échefrite n'est pas en place sous le grill, ceci pour prévenir le risque de surchauffe des boutons de commande.
- Ne fermez jamais la porte du grill lorsque celui-ci est en marche.
- Les pièces accessibles peuvent chauffer lorsque le grill est en marche. Les jeunes enfants doivent être tenus à distance.
Le ventilateur de refroidissement
Notez que cet appareil électroménager a la possibilité d'un ventilateur. Lorsqu'un four ou une grille est en fonctionnement, le ventilateur fonctionnera pour refroidir la commande et les boutons de commandes.
Entretien de la cuisinière
En raison de la condensation de vapeur pendant la cuisson, vous devrez peut-être essuyer (avec un chiffon doux) des gouttelettes d'eau présentes sur la garniture extérieure du four. Cette précaution contribuera également à prévenir les taches et la décoloration de l'extérieur du four dues aux vapeurs de cuisson.
Nettoyage
- Avant un nettoyage complet, mettez la cuisinière hors tension. Laissez-la refroidir. Pour des raisons d'hygiène et de sécurité, la cuisinière doit toujours être propre, afin de prévenir le risque d'incendie causé par l'accumulation de graisse et autres
particules alimentaires.
- Nettoyez uniquement les composants indiqués dans les instructions.
- Nettoyez avec précaution. Si vous utilisez une éponge ou un chiffon humide pour essuyer des taches sur une surface chaude, prenez garde au risque de brûlures par la vapeur. Certains produits nettoyants peuvent produire des vapeurs nocives au contact d'une surface chaude.
- N'utilise jamais de solvants pour peinture, de cristaux de soude, de nettoyants caustiques, de poudres biologiques, d'eau de Javel, de nettoyants chlorés, ni de produits abrasifs à gros grain ou de sel.
- Ne mélangez pas plusieurs produits nettoyants, car ils risquent de réagir entre eux et d'avoir des effets nocifs.
- Toutes les parties de la cuisinière peuvent être lavées à l'eau savonneuse chaude, mais veillez à prévenir toute infiltration d'eau dans l'appareil. Veillez à prévenir toute infiltration d'eau dans l'appareil.
- Avant de démonter des composants du gril pour les nettoyer, assurez-vous qu'ils ont refroidi ou protégez-vous avec des gants isolants.
- NE PAS utiliser de substances abrasives.
- NE LAVEZ PAS les glissières latérales au lave-vaisselle.
- Ne lavez pas les têtes de brûleur au lave-vaisselle
- N'utilisez jamais de produits nettoyants caustiques ou abrasifs qui abimeront la surface.
- N'utilise pas de paille de fer ou tout autre matériel susceptible de rayer la surface.
- Ne rangez jamais de produits inflammables dans le tiroir. Ces produits incluent les objets en papier, en plastique et en tissu, tels que les livres de cuisine, les ustensiles en plastique et les torchons, ainsi que les liquides inflammables. Ne rangez pas de produits explosifs, tels que des bombes aérosols, sur ou près de la cuisinière.
- Ne rangez pas d'explosifs comme les aérosols, sur ni près de l'appareil.
- N'utilisez pas de paille de fer ou tout autre matériel susceptible de rayer la surface.
- N'essayez jamais de démonter ou de nettoyer autour d'un brûleur lorsqu'un autre brûleur est allumé. Vous risqueriez de recevoir une décharge électrique.
2 Vue d'ensemble de la cuisinière
Fig.2.1
La cuisinière à gaz avec four électrique 900 possède les caractéristiques suivantes (Fig.2.1):
A. 5 brûleurs pour chauffe-assiettes complément 1 brûleur pour wok B. Un panneau de commande C. Un grill séparé ou un grill coulissant D. Four ventilé principal programmable (Kitchenener, Professional+) ou four Multifonctions (Classic Deluxe) E. Four haut ventilé
Brûleurs de table de cuisson
Le schéma à côté de chaque bouton indique le brûleur associé à ce bouton. Chaque brûleur est doté d'un dispositif de sécurité spécial qui coupe l'alimentation en gaz en cas d'extinction de la flamme.
Lorsque vous appuyez sur un bouton de la table de cuisson, une étincelle se produit à chaque brûleur – ce qui est tout à fait normal. N'essayez jamais de démonter ou de nettoyer autour d'un brûleur lorsqu'un autre brûleur est allumé. Vous risqueriez de recevoir une décharge électrique.
Remarque: pour le modèle Classic Deluxe, enlevez et tournez simplement le bouton de commande.
Pour allumer un brûleur, appuyez sur le bouton de commande associé et mettez-le sur le symbole grande flamme (§), (Fig.2.2).
Fig.2.2
Fig.2.3
Fig.2.4 Fig.2.5

Fig.2.6
Fig.2.7
Fig.2.8
Le dispositif d'allumage produit une étincelle et allume le gaz. Continuez d'appuyer sur le bouton pendant quelques secondes pour permettre l'arrivée du gaz dans le brûleur.
Si le brûleur s'éteint lorsque vous relâchez le bouton de commande, le dispositif de sécurité n'a pas été enclenché. Mettez le bouton de commande sur la position Arrêt [Off] et attendez une minute avant d'essayer de nouveau, en appuyant un peu plus longtemps sur le bouton.
Tournez le bouton pour régler la hauteur de flamme. Sur cette cuisinière, la position minimum est au-delà de la position maximum, et non pas entre position maximum et arrêt. Le symbole petite flamme indique le réglage minimum (Fig. 2.3).
Si la flamme d'un brûleur s'éteint, mettez le bouton de commande sur la position Arrêt [Off] et attendez une minute avant de rallumer.
Veillez à ce que les flammes ne dépassent pas les recipients de cuisson. Par sécurité, réglez les flammes de façon à ce qu'elles ne dépassent pas les bords du recipient de cuisson (Fig. 2.4).
Utilisez un couvercle sur les récipients de cuisson pour porter à ébullition plus rapidement.
Veillez à ce que les récipients de cuisson de grande taille soient bien espacés entre eux.
N'utilisez pas de casseroles ou marmites à fond concave ou à fond à rebord incurvé vers le bas (Fig.2.5).
L'utilisation de dispositifs de mjotage, de type plaques d'amiate ou plaques métalliques, est DECONSEILLEE (Fig.2.6). Ces/dispositifs diminuéreront les performances de la cuisinière et risquent d'endommager les grilles de la table de cuisson.
N'utilise pas des récipients de cuisson instables ou déformés susceptibles de se renverser, ni des récipients de cuisson à fond de très petit diamètre (casseroles à lait, pocheuses individuelles, etc.) (Fig.2.7).
Le diamètre minimum recommandé pour les récipients de cuisson est de 120mm. Le diamètre maximum pour les récipients de cuisson est de 260mm.
N'UTILISEZ PAS de récipients de cuisson de diamètre supérieur à celui du foyer.
Brûleur de wok
Le brûleur de wok (coup de feu) est conçu pour fournir une chaleur uniforme sur une grande surface. Il est parfait pour les grandes poêles et la friture rapide à feu vif (Fig. 2.8).
Les petits brûleurs sont plus adaptés aux récipients de cuisson plus petits.
En cas de débordement, essuyez dès que possible la surface émaillée autour des brûleurs de la table de cuisson. Tâchez d'essuyer la substance renversée pendant que l'émail est encore chaud.
Remarque: Les récipients en aluminium peuvent laisser des traces métalliques au niveau des grilles de la table de cuisson. Ces traces sont sans incidence sur la durabilité de l'émail et peuvent être éliminées à l'aide d'un nettoyant pour métaux.
Support spécial de wok (option kitchener)
Le support spécial de wok doit être utilisé uniquement sur un brûleur de wok.
Les woks peuvent avoir des tailles et des formes très variées. Il est important que le wok repose correctement sur le support – mais si le wok est trop petit, il ne sera pas bien maintenu en place par le support spécifique (Fig.2.9).
Lorsque vous placez le support spécial, vérifiez que le Wok repose bien sur les barres avant et arrière et qu’il est bien soutenu par une grille de la table de cuisson (Fig.2.10). Vérifiez que le support spécial est stable et que le Wok est placé à niveau sur le brûleur.
Le support spécial deviendra très chaud pendant l'utilisation – laissez-le refroidir suffisamment longtemps avant de le retirer.
Plaque à griller (option kitchener)
La plaque s'adapte sur les plaques de cuisson gauche, de l'avant vers l'arrière (Fig.2.11). Elle s'utilise pour la cuisson directe des aliments. N'utilise pas de récipients de cuisson sur cette plaque. La plaque à griller a une surface antiadhésive susceptible d'être endommagée par des ustensiles de cuisine métalliques (spatules, par exemple). Utilisez des ustensiles en bois ou en plastique thermorésistant.

NE LA PLACEZ PAS transversalement - elle sera mal placée et instable (Fig. 2.12).

NE LA PLACEZ PAS SUR aucun autre brûleur - elle n'est pas conçue pour être placée sur un autre logement de la table de cuisson.
Placez la plaque à griller sur les grilles des brûleurs de la table de cuisson. Vérifiez qu'elle est placée correctement.
Avant l'utilisation, vous pouvez enduire la plaque d'une légère couche d'huile à friture (Fig. 2.13). Allumez les brûleurs de la table de cuisson et réglez la hauteur de flamme selon les besoins.
Préchauffez la plaque à griller pendant 5 minutes au maximum avant d'y déposer les aliments. Un préchauffage plus long risque de l'endommager. Pour réduire la chaleur, tournez les boutons de commande vers le réglage inférieur indiqué par le symbole petite flamme.

Veillez à ce qu'il y ait toujours suffisamment de place autour de la plaque à griller pour permettre l'échappement des gaz.

N'utilise jamais deux plaques à griller côte à côte (Fig. 2.14).
Après la cuisson, laissez refroidir la plaque à griller avant de la nettoyer.






Fig. 2.15 Kitchener
Gril coulissant « glide-out
ATTENTION: Cet appareil est destiné à la cuisson uniquement. Il ne doit pas être employé à d'autres fins, comme chauffer une pièce par exemple. ATTENTION: Les pièces accessibles peuvent chauffer lorsqu'le grill est en marche. Les jeunes enfants doivent être tenus à distance.
Ouvrez la porte du gril et tirez la lèchefrite vers l'avant à l'aide de la poignée (Fig. 2.15, Fig. 2.16 au Fig. 2.17).
Le grill a deux éléments qui permettent de chauffer la totalité de la lèchefrite ou seulement la partie droite de cette-ci.
Tournez le bouton de commande pour régler la chaleur du grill. Pour un chauffage total, tournez le bouton en sens horaire (Fig.2.18).
Pour le chauffage de la partie droite, tournez le bouton en sens antihoraire. Le voyant à côté de la commande du gril s'allumera.
Pour obtenir les meilleurs résultats possibles, préchauffez pendant deux minutes avec la l'échefrite en place. Vous pouvez retirer la grille de la l'échefrite et y déposer les aliments pendant le préchauffage.
NE LAISSEZ PAS LE GRIL EN MARCHE pendant plus de quelques instants si la l'échefrite n'est pas en place sous le grill, ici pour prévenir le risque de surchauffe des boutons de commande.
Après préchauffage du grill, retirez de nouveau la l'échefrite et replacez la grille avec les aliments sur la l'échefrite. Réinsérez la l'échefrite ou le support de l'échefrite dans l'enceinte du grill. Lorsque vous utilisez le grill, vérifiez que la l'échefrite du grill est bien insérée jusqu'au fond.
La grille de la l'échefrite est réversible pour permettre deux positions de grill (Kitchenener & Professional + (Fig.2.19))).
La grille de l'écha-frites peut être placée sur quatre hauteurs différentes, ce qui est possible en la retournant dans les sens avant-arrière et haut-bas (Classic Deluxe (Fig.2.20)).
Ne fermez jamais la porte du grill lorsque celui-ci est en marche.
Fours
L'horloge doit être réglée sur l'heure pour que le four principal (four calculable gauche) puisse fonctionner. Voir les instructions de la section « Horloge » pour le réglage de l'heure.
Remarque - Les références au four gauche et droit s'entendent vue de l'avant.
Le four gauche est un four ventilé (Fig.2.21) ou un four Multifonctions (Fig.2.22), selon le modèle.
Le four droit est un four ventilé (Fig.2.23).
Four ventilé
Un four ventilé qui fait circuler de l'air chaud en continu, ce qui permet une cuisson rapide et plus constante. En général, les températures de cuisson recommandées pour un four ventilé sont plus basses que celles pour un four conventionnel.
N'oubliez pas : Toutes les cuisinières sont différentes – les températures de vos nouveaux jours peuvent être différentes de celles de votre ancienne cuisinière.
Four multifonction
Les fours multifonctions ont un ventilateur et un élément de four ventilé, ainsi que deux éléments chauffants supplémentaires. Un élément est dans la voûte du four et l'autre sous la sole du four.
Remarque: Veillez à ne pas toucher l'élément supérieur et le déflecteur de l'élément lors de l'insertion ou du retrait des plats dans le four.
Le four multifonctions a trois fonctions de cuisson principales : cuisson ventilée, cuisson ventilée mixte et cuisson conventionnelle. Utilisez ces fonctions pour effectuer l'essentiel de la cuisson.
L'élément gratineur et la chaleur inférieure peuvent être utilisés en fin de cuisson pour finir certains plats.
Utilisez les fonctions grill ventilé pour la cuisson au grill et décongélation pour décongeler de petites quantités d'aliments surgelés.
Le Tableau 2.1 récapitule les modes multifonctions. Le four multifonctions permet de nombreuses utilisations variées. Nous vous conseillons de bien surveiller la cuisson jusqu'à ce que vous soyez familiarisé avec chaque fonction. N'oubliez pas : toutes les fonctions ne conviennent pas à tous les types d'aliments.



Tableau 2.1
| Fonction | Utilisation |
| Réponse Rapide | Pour chauffer rapidement le four |
| Décongélation | Décongélation de petites quantités d'aliments dans le four sans chaleur |
| Four ventilé | Fonction de cuisson complète, chaleur uniforme; idéale pour la pâtisserie |
| Gril ventilé | Gril des viandes et poissons, avec porte du gril fermée |
| Four ventilé mixte | Fonction de cuisson complète; parfaite pour les rôts et la pâtisserie |
| Four conventionnel | Fonction de cuisson complète pour les rôts et la pâtisserie dans la partie inférieure du four |
| Élement gratineur | Pour gratiner les plats recouverts de fromage |
| Chaleur inférieure | Pour dorer les fonds de quiches, pizzas ou pâtisseries |
Fonctions du four multifonctions
(Classic Deluxe)
Réponse rapide

Le réglage Réponse Rapide permet un préchauffage ultrarapide du four. Elle utilise l'élément du four ventilé et la chaleur supplémentaire d'un des
éléments de la voûte du four. Les fours ventilés préchauffent rapidement, mais la fonction Réponse Rapide accélère le préchauffage pour vous permettre de commencer la cuisson plus rapidement.
Pour utiliser la fonction Réponse Rapide, il suffit de tourner le bouton de commande de fonction sur R et de régler à la température requise. Le voyant sur le panneau de commande à côté du symbole R s'allumera.
Lorsque le four atteint la température requise, l'élement supérieur s'éteint et le témoin s'éteint.
La température du four est ensuite maintenue par l'élément et par le ventilateur du four ventilé. Si vous désirez placer des aliments dans le four froid avant la cuisson tout en utilisant la fonction Réponse Rapide, veillez à ce que les gâteaux, etc. ne soient pas placés trop haut dans le four.
Four ventilé

Cette fonction commande le ventilateur et l'élément chauffant autour de celui-ci. Une chaleur uniforme est produite partout dans le four, ce qui permet la
cuisson rapide de grandes quantités d'aliments.
La cuisson par four ventilé est particulièrement utile pour la cuisson simultanée d'aliments sur plusieurs grilles et est une excellente fonction « polyvalente ». Vous devrez peut-être diminuer la température de 10°C environ pour des plats que vous aviez l'habitude de cuire dans un four conventionnel.
Si vous souhaitez préchauffer le four, attendez que le voyant s'éteigne avant de mettre le plat au four.
Gril ventile

Cette fonction commande le ventilateur pendant que l'objet chauffant supérieur est en marche. On obtient ainsi une chaleur plus uniforme, moins
intense que celle d'un grill conventionnel.
Pour obtenir les meilleurs résultats possibles, placez les aliments à griller sur une grille sur un plat à rôtir qui doit être plus petit que l'échelle de grill conventionnel. Ceci assure une meilleure circulation de l'air. Ce type de cuisson est idéal pour les morceaux de viande ou de poisson écais, car la circulation de l'air diminue l'intensité de la chaleur du grill.
La porte du four doit être fermée pendant la cuisson au grill pour éviter un gaspillage d'énergie.
Vous constaterez que vous devrez moins surveiller et tourner les aliments cuits de cette façon. Ce type de cuisson nécessite un préchauffage du four.
Pour obtenir les meilleurs résultats, nous vous recommandons de ne pas placer le plateau du grill sur la grille la plus élevée.
Four ventilé mixte

Cette fonction commande le ventilateur et brasse l'air chauffé par les éléments chauffants de la voûte et de la sole du four. Cette fonction, qui combine la cuisson
ventilée et la cuisson conventionnelle (chaleur supérieure et inférieure), est un moyen de cuisson idéal pour les aliments volumineux (gros rôti, par exemple) pour lesquels une cuisson complète est très importante.
On peut également faire cuire des plats simultanément sur deux grilles, mais les plats devront être intervertis pendant la cuisson, car, avec cette fonction, la chaleur est plus intense dans la voûte du four qu'au niveau de la sole.
Ce mode de cuisson est intensif et rapide ; surveillez les aliments cuits de la sorte jusqu'à ce que vous soyez familiarisé avec cette fonction.
Four conventionnel (chaleur de voute et de sole)

Cette fonction combine la chaleur fournie par les éléments supérieurs et inférieurs. Elle est particulièrement utile pour la cuisson d'aliments rôtis.
et des pâtes à tartes, gâteaux et biscuits.
Les aliments cuits sur la grille supérieure gratineront et doreront plus rapidement que ceux placés sur la grille inférieure car la chaleur est plus intense dans la voute du four qu'au niveau de la sole, comme dans le cas de la fonction « Four Ventile Mixte ». Des aliments similaires cuits de la sorte devront être intervertis pour cuire uniformément. Cette fonction permet donc de cuire des aliments nécessitant des températures de cuisson différentes, en utilisant la partie moins chaude dans la partie inférieure du four et la partie plus chaude dans la partie supérieure du four.
L'élement supérieur exposé risquant de cuire certains aliments trop rapidement, nous vous recommandons de placer les aliments dans la partie inférieure du four. Vous devrez peut-être aussi diminuer la température du four.
Élément gratineur

Cette fonction utilise uniquement l'élément situé dans la VOITE DU FOUR. C'est une fonction utile pour gratiner ou finir des gratins de pâtes, des légumes en
sauce et des lasagnes, le plat à gratiner étant déjà chaud avant la mise en marche de l'élement supérieur.
Chaleur inférieure

Cette fonction utilise uniquement l'élément inférieur. Elle permettra de dorer le fond de votre pizza ou de votre quiche ou de terminer la cuisson d'un fond de
tarte sur une grille inférieure. C'est également une chaleur douce, parfaite pour le mijotage de plats placés au milieu du four ou pour réchauffer des assiettes.
Les fonctions Élément gratineur et Chaleur inférieure sont des adjonctions utiles à votre four et vous permettent de finir vos plats à la perfection. Vous constaterez rapidement que leur utilisation contribue à étendre vos compétences culinaires.
Décongélation

Avec cette fonction, le ventilateur du four brasse uniquement de l'air froid. Assurez-vous que la commande de température est réalisée sur et
qu'aucune chaleur n'est appliquée. Cette fonction permet de décongeler des aliments, en petites quantités, par exemple des desserts, gâteaux à la crème, morceaux de viande, poisson et volaille.
Ce type de décongélation accélère le processus de décongélation et protège les alimentés des mouches. Placez les morceaux de viande,. POSSON et VOLAILE sur une grille, au-dessus d'une plaque prévue pour I'égouttement. N'oubliez pas de nettoyer la grille et la plaque après décongélation.
La porte du four doit être fermée pendant la décongélation.
Des aliments plus volumineux, tels que des poulets entiers et des rôts, ne doivent pas être décongelés de cette façon. Nous vous conseillons de les décongeler au réfrigérateur.
Ne décongelez pas des alimentés dans un four tiège ou à côté d'un four en marche ou encore chaud. Vérifiez que les alimentés à base de produits laitiers, de viande et de volaille sont complètement décongelés avant de les cuire.
Four ventilé
Mettez le bouton du four sur la température requise (Fig. 2.24).
Le voyant du four restera allumé jusqu'à ce que le four atteigne la température requise. Il s'allumera et s'éteindra pendant la cuisson.
Four multifonction
Le four multifonctions est doté de deux commandes : un sélecteur de fonction et un bouton de réglage de température (Fig.2.25).
Tournez le sélecteur de fonction pour le mettre sur une fonction de cuisson. Mettez le bouton de réglage de température du four sur la température requise (Fig.2.24).
Le voyant du four restera allumé jusqu'à ce que le four atteigne la température requise. Le système démarre alors un cycle de marche-arrêt puisque le four maintient la température sélectionnée.


Fig.2.26
Fig.2.27
Fig.2.28
Fig.2.29
Fig.2.30
Fig.2.31
Fig.2.32
Fig.2.33
Fig.2.34
Fig.2.35
Grilles de four - four gauche (four principal)
Les grilles de four (Fig.2.26) sont retenues lorsqu'elles sont tirées vers l'avant mais elles peuvent aisément être enlevées et remises.
Tirez la grille vers l'avant jusqu'à ce que l'arrière de la grille soit arrêté par les butées d'arrêt latérales du four (Fig.2.27).
Soulevez l'avant de la grille pour faire passer l'arrière de la grille sous la butée d'arrêt, puis tirez la grille vers l'avant (Fig.2.28).
Pour remettre la grille en place, mettez la grille à niveau avec une glissière latérale du four, puis insérez la grille à fond jusqu'à ce que les extrémités soient en contact avec la butée d'arrêt de la grille. Soulevez l'avant de la grille pour que les extrémités puissent dépasser les butées, puis abaissez l'avant pour permettre la grille à l'horizontal, avant de l'insérer à fond (Fig.2.29).
Grilles de four - four droit (four haut)
Le four haut est fourni avec quatre grilles de cuisson ordinaires (Fig.2.30), et une grille chauffe-plats (Fig.2.31).
Lorsque vous utilisez le four haut, vous pouvez faire cuire des aliments sur les quatre grilles simultanément, mais veillez à ce que les plats soient bien écartés les uns des autres pour permettre à l'air chaud de circuler.
Le Handyrack (Fig. 2.32) se monte uniquement sur la porte du four gauche. Il est facile de surveiller les aliments faisant ainsi car vous pouvez y accéder lorsque la porte est ouverte.
Le Handyrack peut supporter un poids maximum de 5,5 kg. Il ne doit être utilisé qu'avec le plat à rôtir fourni, qui est spécialement conçu pour être utilisé avec le Handyrack. Tout autre récipient de cuisson risque d'être instable. Vous pouvez le monter sur deux positions. Retirez une des grilles et placez l'autre selon les besoins. Lorsque le Handyrack est utilisé sur sa position supérieure, d'autres plats peuvent être cuits sur une grille placée à la position inférieure ou placée directement sur la sole du four. Lorsque le Handyrack est utilisé sur sa position inférieure, d'autres plats peuvent être cuits sur une grille placée à la deuxième position du four ou directement sur la sole du four.
Pour monter le Handyrack, placez un côté sur le support de la porte (Fig. 2.33). Extrayez l'autre côté pour l'accrocher sur l'autre support (Fig. 2.34).
Éclairage du four
Appuyez sur le bouton approprié pour allumer l’éclairage du four (Fig. 2.35). Si l’éclairage est défectueux, mettez la cuisine hors tension avant de changer l’ampoule. Pour des informations détaillées sur la façon de changer une ampoule de four, reportez-vous à la section « Dépannage ».
3. Horloge
L'horloge doit être réglée sur l'heure actuelle pour que les jours puissent fonctionner.
Réglage de l'heure
- Une fois que la cuisinière est connectée et allumée, l'affichage se met à clignoter.
- Pour régler l'heure, placez le bouton du Programmateur (A) sur la position Horloge (C) et revenez à la position Manuel (D). Le point central clignote indiquant que l'heure peut être réglée. Tournez le bouton de Réglage (B) dans le sens horaire ou anti-horaire (Fig. 3.1) pour régler l'heure.
- Une fois l'heure réglée, attendez que le point central cesse de clignoter, l'heure est maintenant paramétrée.
Régler le rappel de minute
Le rappel de minute (E) est une fonctionnalité qui permet de définir un certain nombre de minutes et qui déclenche une alarme une fois la durée spécifique écoulée.
- Tournez le bouton du Programmateur (A) sur la position de réglage de la Minuterie (E), un clic doit se faire entendre une fois la position atteinte (Fig. 3.2).
- Tournez le bouton de Réglage (B) pour définir la durée souhaitée. La durée minimum est d'une (1) minute (Fig. 3.3).
- Replacez le bouton du programmateur (A) en position manuel (D) pour afficher l'heure actuelle et le symbole de la « cloche » sur l'écran.
Annuler l'alarme de la minuterie
Une fois la durée spécifique écoulée, une alarme est émise. Il existe deux façons d'annuler l'alarme:
- Tournez le bouton de réglage (B) dans le sens antihoraire ou horaire (Fig. 3.4).
- Avec le bouton de la minuterie (A), sélectionnez soit l'horloge (C) ou le réglage du rappel de minute (E). Retournez sur le réglage manuel (D) pour le mode de cuisson normal (Fig. 3.4).
Remarque
Si l'alarme n'est pas désactivée manuellement, elle s'arrête après 2 minutes environ.
Lorsque la minuterie est active, l'intensité d'affichage de l'horloge ne diminue pas entre 22 heures et 6 heures.








Pour arrêter le four multifonction à une heure spécifique de la journée
Vous avez réglé la température et le mode de fonctionnement requis pour le four multifonction et vous souhaitez arrêter automatiquement le four multifonction.
Conseil
Notez l'heure actuelle afin de ne pas l'oublier.
- Tournez le bouton de la minuterie (A) sur le réglage Heure d'arrêt (G). « AUTO » s'affiche à l'écran (Fig. 3.5).
- Tournez le bouton de Réglage (B) pour définir la durée de cuisson souhaitée. L'écran affiche l'heure en cours, plus la durée de cuisson supplémentaire que vous avez définie (Fig. 3.6).
- Tournez le bouton de la minuterie (A) sur le réglage Auto (H). L'affichage indique alors l'heure actuelle, le symbole Cuisson et le mot « AUTO » (Fig. 3.7).
- Une fois la durée spécifiée écoulée, une alarme est émise et le four multifonction s'arrête de fonctionner. Le symbole « Cuisson » disparaît de l'affichage et le mot « AUTO » se met à clignoter (Fig. 3.8).
- Lors de votre retour, replacez le bouton du Programmateur (A) sur la position Manuel (D) pour revenir au mode de cuisson manuel (Fig. 3.8).
Vous pouvez vérifier la durée restante à courir en plaçant le bouton du Programmateur (A) de Auto (H) à Heure d'arrêt (G) et en revenant sur AUTO (H).
Mise en marche et arrêt du four avec minuterie
Il est possible d’allumer et d’arrêter automatiquement le four multifonction en définissant la durée de la cuisson et l’heure de l’arrêt. Cela vous permet de faire cuire vos plats tout en étant absent. Il n’est pas possible de définir l’heure d’allumage effective.
- Tournez le bouton de la minuterie (A) sur le réglage du temps de cuisson (F). Tournez le bouton de réglage (B) dans le sens horaire afin de définir la durée du temps de cuisson requis (Fig. 3.9).
- Tournez le bouton de la minuterie (A) sur le réglage Heure d'arrêt (G) (Fig. 3.10). L'affichage indique alors l'heure actuelle plus le temps de cuisson que vous avez sélectionné.
- Tournez le bouton Réglage (B) pour régler l'heure à laquelle vous souhaitez que votre four s'arrête (Fig. 3.11).
- Réglez le four à la température de cuisson et au mode de fonctionnement désirés.
- Tournez le bouton du Programmateur (A) sur la position Auto (H) (Fig. 3.12). Si l’écran affiche l’heure en cours et
AUTO, cela indique qu'une programmation a été définie (heure d'allumage et heures d'extinction).
- Lorsque le programme démarre, le symbole de cuisson apparaît à l'écran. Une fois la durée écoulée, une alarme retentit et le four multifonction cesse de fonctionner. Le symbole de Cuisson disparaît et le mot AUTO clignote (Fig. 3.13).
- Une fois la durée spécifique éc z référer à la section Annuler l'alarme de la minuterie à la page 13
- Le « temps de cuisson », c'est-à-dire la durée pendant laquelle vous pouvez que le four fonctionne.
- « L'heure d'arrêt », c'est-à-dire l'heure à laquelle vous pouvez que le four s'arrête.
Retourner au mode de cuisson manuel
Pour annuler tous les réglages automatiques, tournez le bouton de la minuterie (A) pour sélectionner le réglage de l'horloge (C) (Fig. 3.14).
Remarque : Cette opération annule tous les paramètres du programme automatique, mais n'arrête pas la minuterie.
Réglage de la tonalité du bip sonore
La tonalité du bip sonore peut être réglée sur trois niveaux différents.
Tournez le bouton du Programmateur (A) sur la position Horloge (C). Tournez le bouton Réglage (B) dans le sens antihoraire jusqu'à ce que les barres de volume s'affichent (Fig. 3.15).
Pour régler le volume de l'alarme, relâchez le bouton Réglage (B) et tournez à nouveau dans le sens antihoraire (Fig. 3.16). Le volume de l'alarme change. Répétez ces étapes jusqu'à ce que le volume souhaité soit défini.







Fig. 3.17 A - Minuterie, B - «Temps de cuisson», C - «Heure d'arrêt», D - Manuel, E & F - Boutons d'arrangement de temps
Tableau 3.1
| Symbole | Fonction | Notes |
| [?] | Le minuteur est actif | |
| [...] | Le(s) four(s) peuvent être utilisés | Si le symbole « cuisson » [?] ne s'affiche pas : le programme est terminé et le(s) four(s) ne sont pas opérationnels le(s) four(s) sont commandés par un programme automatique qui n'a pas démarré |
| [AUTO] | Le(s) four(s) sont commandés en mode semi-automatique ou automatique | |
| [P] | Le mode d'auto-nettoyage (par pyrolyse) a été activé | Votre cuisinière n'est peut-être pas dotée de cette fonction de pyrolyse |
| [dot] | Clignote lors du réglage de l'heure de la journée |





Horloge
Vous pouvez utiliser l'horloge (Fig. 3.17) pour mettre en marche et éteindre les fours. L'horloge doit être réglée sur l'heure actuelle pour que les fours puissent fonctionner.
Tableau 3.1 décrit les symboles qui s'affichent sur l'écran numérique.
Réglage de l'heure
Lorsque la cuisinière est branchée pour la première fois au secteur, ou en cas de panne de courant prolongée, l'affichage de l'horloge clignote sur [0.00] et [RUTF].
Pendant le processus de réglage de l'heure, le point du milieu clignote. Une fois le processus terminé, le point s'arrête de clignoter et le symbole [ ] s'affiche.
L'heure de la journée peut être réglée de deux manières :
- Appuyez sur le bouton [in] et maintenez-le enfoncé. Appuyez maintenant sur les boutons [+] ou [-] pour augmenter ou diminuer l'heure (Fig. 3.18). Le fait de maintenir les boutons [+] ou [-] enfoncés pendant plus de 2 secondes permettra de faire avancer ou reculer l'heure rapidement. Relâchez les boutons pour régler l'heure de la journée.
- Appuyez en continu sur les boutons [+] et [-] (Fig. 3.19). En même temps, appuyez sur (-) ou (+) jusqu'à l'affichage du temps de cuisson requis.
N'oubliez pas qu'il s'agit d'une horloge 24 heures.
Si vous faites une erreur ou si vous vous trompez de bouton, mettez l'appareil hors tension pendant une ou deux minutes, puis recommencez la procédure.
Réduction automatique de l'intensité lumineuse
À condition qu'aucun programme automatique ne soit paramétré et que le minuteur ne soit pas actif, l'intensité lumineuse de l'horloge sera automatiquement réduite entre 22h00 et 06h00.
Minuterie
Appuyez sans relâcher sur la minuterie [A] (Fig. 3.20). En même temps, appuyez sur (-) ou (+) jusqu'à l'affichage du temps de cuisson requis (Fig. 3.21).
Vous pouvez vérifier la durée restante en appuyant sur [Ω]. Lorsque le bip sonore retentit, annulez-le en appuyant sur n'importe quel bouton.
- Le « temps de cuisson », c'est-à-dire la durée pendant laquelle vous voulez que le four fonctionne. L'heure d'arrêt «, c'est-à-dire l'heure à laquelle vous voulez que le four s'arrête.
Régler une durée de cuisson
Appuyez sans relâcher sur le bouton Temps de cuisson [, (Fig. 3.22). En même temps, appuyez sur (-) ou (+) jusqu'à l'affichage du temps de cuisson requis. L'horloge contrôle
Arrêtez la période de cuisson de votre ou vos four(s). Le symbole [+] et [AUTO] s'afficheront.
Une fois la période de cuisson terminée, le bip sonore retentit et le symbole [AUTO] clignote. Tournez le bouton de commande du four sur 0, puis appuyez sur n'importe quel bouton pour arrêter le bip sonore. Appuyez sur [ ] pour revenir en mode de cuisson manuelle.
Régler une heure de fin de cuisson
Appuyez sans relâcher sur le bouton Heure d'arrêt (E), (Fig. 3.23). En même temps, appuyez sur (-) ou (+) jusqu'à « l'heure d'arrêt » s'affiche (Fig. 3.24). Le symbole [ ] et [AUTO] s'afficheront.
Une fois l'heure d'arrêt atteinte, le bip sonore retentit et le symbole [AUTO] clignote. Tournez le bouton de commande du four sur 0, puis appuyez sur n'importe quel bouton pour arrêter le bip sonore. Appuyez sur [ ] pour revenir en mode de cuisson manuelle.
Mise en marche et arrêt du four avec minuterie
Avant de régler la minuterie, CHOISSEZ le « temps de cuisson », et « l'heure d'arrêt »
Remarque : Vous ne pouvez pas régler directement une heure de mise en marche – celle-ci est réglée automatiquement lors de la sélection du « temps de cuisson » et de « l'heure d'arrêt ».
Appuyez sans relâcher sur le bouton Temps de cuisson [□], (Fig. 3.25). En même temps, appuyez sur (-) ou (+) jusqu'à l'affichage du temps de cuisson requis (Fig. 3.26).
Appuyez sans relâcher sur le bouton Heure d'arrêt [□], (Fig. 3.27). En même temps, appuyez sur (-) ou (+) jusqu'à « l'heure d'arrêt » s'affiche (Fig. 3.28). Relâchez les boutons.
AUTO sera affiché (Fig. 3.29).
Réglez le ou les four(s) à la température souhaitée. Une fois la cuisson terminée, [AUTO] clignote et le bip sonore retentit. Tournez le ou les bouton(s) du four à la position OFF en premier, puis appuyez une fois sur n'importe quel bouton pour arrêter le bip sonore ; appuyez sur le bouton [d] pour revenir en mode de cuisson manuelle.
Si vous êtes absent pendant la cuisson, ne vous inquiétez pas au sujet de l'arrêt du signal sonore, celui-ci s'arrête après un certain temps. À votre retour, mettez d'abord le bouton de commande du four sur 0, puis appuyez deux fois sur [d] pour revenir au fonctionnement manuel.
AUTO est affiché, et vous voulez remettre le four sur fonctionnement manuel
Pour revenir en mode de cuisson manuelle à partir d'un réglage automatique, appuyez simultanément sur les boutons [+] et [-]. Le programme automatique sera ainsi effacé et vous reviendrez en mode manuel.
Cette action effacera également le réglage [Minuteur].
Pour obtenir une vue d'ensemble des fonctions, reportez-vous au Tableau 3.2.
Fig. 3.23
Fig. 3.24
Fig. 3.25
Fig. 3.26
Fig. 3.27
Fig. 3.28
Fig. 3.29
Tableau 3.2
| Symbole | Fonction | Notes |
| [+] | Règle le minuteur | Utilisé avec les boutons [+] et [-] |
| [...] | Règle la durée / le temps de cuisson | Utilisé avec les boutons [+] et [-] |
| [?] | Règle l'heure de fin / d'arrêt de la cuisson | Utilisé avec les boutons [+] et [-] |
| [or] | Permet de régler l'heure de la journée lorsque le mode « AUTO » n'est pas actif | Utilisé avec les boutons [+] et [-] |
| [...] & [?] | ||
| [+] | Réinitialise la commande de cuisson en mode manuel | |
| [-] | Diminue l'intervalle de temps | Un réglage rapide est obtenu enMAINANT ce bouton enforcé |
| [+] | Augmente l'intervalle de temps | Un réglage rapide est obtenu enMAINANT ce bouton enforcé |
| [+] & [?] | Efface tous les programmes « AUTO » et du minuteur |
Conseils pour la cuisson avec minuterie
Si vous désirez cuire plusieurs plats simultanément, choisissez des plats nécessitant approximativement le même temps de cuisson. Cependant, la cuisson de certains plats peut être légèrement « ralentie » en utilisant des petits plats de cuisson et en les recouvrant d'une feuille de papier aluminium, ou « accélérée » en utilisant de plus petites quantités ou des plats de cuisson plus grands.
4 Ne placez pas des aliments chauds dans le four qui sera utilisé avec la fonction minuterie. N'utilisez pas un four déjà chaud avec la fonction minuterie. N'utilisez pas la fonction minuterie avec un four si le four adjacent est déjà chaud.
Décongelez complètement les volailles entières avant de les mettre au four. Assurez-vous que les viandes et volailles sont bien cuites avant de les servir.
Conseils généaux pour la cuisson au four
Veillez à ce que les grilles soient toujours insérées à fond dans le four.
Placez les plaques de cuisson, plats à rôtir, etc., à niveau, au centre des grilles du four. Éloignez les plaques et les plats de cuisson des bords du four, afin de ne pas trop dorer les aliments.
Pour dorer un plat uniformément, il est recommandé d'utiliser une plaque de cuisson de dimensions maximales 340mm× 340mm.
Lorsque le four est en marche, NE LAISSEZ PAS la porte du four ouverte plus longtemps que nécessaire, afin de prévenir une surchauffe des boutons de commande.
- Laissez toujours un « doigt de largeur » entre des plats placés sur une grille de four. Ceci afin de faciliter la circulation de chaleur autour des plats.
- Placez les plats susceptibles de bouillir et déborder pendant la cuisson sur une plaque de cuisson. Pour réduire les projections grasses lorsque vous ajoutez des légumes dans la graisse chaude autour d'un roti, séchez soigneusement les légumes ou enduisez-les d'un peu d'huile à friture.
- Les panneaux internes autonettoyants (voir la section « Nettoyage de la Cuisinière ») sont plus efficaces lorsqu'on évite les projections grasses. Couvre la viande pendant la cuisson.
- Le four produit assez de chaleur pendant la cuisson pour réchauffer des assiettes placées dans l'enceinte du grill.
- Si vous souhaitez dorer un fond de tarte, préchauffez une plaque de cuisson pendant 15 minutes avant de placer le plat au centre de la plaque.
5 Cuisson de la table
Les températures du four et les temps de cuisson sont fournis à titre indicatif uniquement. En fonction des goûts de chacun, les températures devront peut-être être modifiées dans un sens ou dans l'autre, pour obtenir les résultats que vous recherchez.
Dans un four ventilé, les plats sont cuits à une température plus BASSE que dans un four traditionnel. Lorsque vous suivez une recette, réduisez la température indiquée de 10°C et le temps de cuisson de 5-10 minutes. La température dans un four ventilé ne varie pas selon la position dans le four - vous pouvez donc utiliser n'importe quelle grille.
H-Haut; C-Centre; B-Base
| Fonction de Four à Chaleur Tournante °C | Position de Grille | Fonction du Four Conventional °C | Temps de Cuisson Approximatif | |
| Vande | ||||
| Boeuf | 150 | C | 160 | 30-35 minutes par 500g +30-35 minutes. |
| 190 | C | 200 | 20-25 minutes par 500g +20-25 minutes. | |
| Agneau | 150 | C | 160 | 30-35 minutes par 500g +30-35 minutes. |
| 190 | C | 200 | 20-25 minutes par 500g +20-25 minutes. | |
| Porc | 150 | C | 160 | 35-40 minutes par 500g +35-40 minutes. |
| 190 | C | 200 | 25-30 minutes par 500g +25-30 minutes. | |
| Volaille | ||||
| Poulet | 150 | C | 160 | 20-25 minutes par 500g +20-25 minutes. |
| 190 | C | 200 | 15-20 minutes par 500g +15-20 minutes. | |
| Dinde | 150 | C | 160 | 25-30 minutes par 500g +25-30 minutes. |
| 190 | C | 200 | 20 minutes par 500g +20 minutes. | |
| Canard | 150 | C | 160 | 25-30 minutes par 500g. |
| 190 | C | 200 | 20 minutes par 500g. | |
| Plat braisé | 130-140 | C | 140-150 | 2-4 heures selon la recette. |
| Poisson | ||||
| 190 | C | 200 | Filet 15-20 minutes. Morceau entier 15-20 minutes par 500g. | |
| 190 | C | 200 | Morceau entier 10 minutes par 500g +10 minutes. | |
| 190 | C | 200 | Steaks selon l'épaisseur. | |
| Gâteau | ||||
| Cake 100% fruits confits | 140 | C/B | 150 | 45-50 minutes par 500g de pâte. |
| Fruits 180mm | 150 | C/B | 160 | 2-2,5 heures. |
| Fruits 230mm | 150 | C/B | 160 | 3,5 heures. |
| Gâteau quatre quarts 180mm | 180 | C | 190 | 20-30 minutes. |
| Desserts | ||||
| Tarte pâté brisée | 180 | C | 190 | 30-40 minutes. |
| Tourtes aux fruits | 180 | C | 190 | 30-40 minutes permutation après 25 minutes. |
| Tartelettes | 180 | C | 190 | 15-20 minutes. |
| Pâté feuilletée | 210 | C | 220 | 20-40 minutes selon la taille. |
| Meringues | 90 | C | 100 | 2-2,5 heures selon la taille. |
| Pain | 210 | C | 220 | 20-30 minutes. |
6. Nettoyage de la cuisinière
Fig.6.1 A-Chapeau, B-Tête, C-Encoche, D-Socle, E-Électrode
Fig.6.2 A-Chapeau de brûleur interne, B-Chapeau de brûleur externe, C-Tête de brûleur interne, D-Tête de brûleur externe, E-Socle de brûleur de wok
Fig.6.3
Fig.6.4 A - Encochromé, B - Électrode allumage
Avant un nettoyage complet, mettez la cuisinière hors tension. Laissez-la refroidir.

N'utilisez jamais de solvants pour peinture, de cristaux de soude, de nettoyants caustiques, de poudres biologiques, d'eau de Javel, de nettoyants chlorés, ni de produits abrasifs à gros grain ou de sel.

Ne mélangez pas plusieurs produits nettoyants, car ils risquent de réagir entre eux et d'avoir des effets nocifs.
Toutes les parties de la cuisinière peuvent être lavées à l'eau savonneuse chaude – mais veillez à prévenir toute infiltration d'eau dans l'appareil.
N'oubliez pas de remettre sous tension et de régler de nouveau l'horloge avant d'utiliser la cuisine.
Brûleurs de table de cuisson
Vérifiez qu'ils sont complètement secs avant de les remettre en place.

Ne lavez pas les têtes de brûleur au lave-vaisselle.
Brûleurs mono-élément
Lors de la remise en place de la tête du brûleur, assurez-vous que l'encoche est en face de l'électrode ou du trou sur le socle. Vérifiez que la tête du brûleur est à niveau et que le chapeau est bien centré sur la tête du brûleur (Fig. 6.1).
Brûleur de wok
Le brûleur de wok est un peu plus complexe mais est aussi démontable à des fins de nettoyage.
Lors du remontage des éléments du brûleur de wok (Fig.6.2), retournez l'anneau de garniture et repérez la partie en forme de « D » (Fig.6.3). Tournez la tête jusqu'à ce que le « D » corresponde à celui situé sur le socle du brûleur. Retournez la tête et placez-la sur le socle du brûleur.
Pour monter le petit brûleur interne, repérez la grande encoche d'électrode sur le bord du brûleur. Alignez-la sur l'électrode d'allumage blanche et placez le brûleur interne sur le grand anneau du socle (Fig.6.4).
Montez les deux chapeaux de brûleur, en vérifiant qu'ils sont placés correctement.
Assurez-vous que les orifices de brûleur ne sont pas obstrués. En cas d'obstruction des orifices, retirez les particules tenaces à l'aide d'un bout de fusible.
Support spécial de wok
Il est recommandé d'utiliser de l'eau savonneuse chaude, un tampon recureur savonnée humide, un produit de nettoyage semi-liquide ou un tampon recureur en nylon pour le nettoyage.
Plaque à griller
Nettoyez toujours la plaque à griller après usage. Attendez qu'elle soit complètement refroidie avant de la retirer. Plongez la plaque dans de l'eau savonneuse chaude. Utilisez un chiffon doux ou, dans le cas de taches tenaces, une Brosse à vaisselle en nylon.
Remarque: si la plaque chauffante est lavée dans un lave-vaisselle, il est possible que des résidus apparaissent à l'arrête. Ceci est normal et n'affectora pas les performances de votre plaque chauffante.
Gril
Lavez la l’échefrite et la grille à l'eau savonneuse chaude. Après les grillades de viandes ou d'aliments salissants, faites tremper dans l’évier, pendant quelques minutes, immédiatement après la cuisson. Les taches tenaces sur la grille peuvent être enlevées à l'aide d’une brosse en nylon. La l’échefrite peut aussi être lavée au lave-vaiselle.

Avant de retirer des composants du gril pour les nettoyer, assurez-vous qu'ils ont refroidi ou protégez-vous avec des gants isolants.
Retrait du gril coulissant
Procédez comme suit pour retirer la lèchefrite à des fins de nettoyage. Pour retirer le support de la lèchefrite, tirez la lèchefrite vers l'avant (Fig.6.5).
Soulevez la lèchefrite du support. Le support est maintenu sur les glissières latérales par deux clips de chaque côté (Fig.6.6).
Pour chaque côté, soutenez la glissière latérale d'une main et, de l'autre, soulevez le support pour le dégager des clips latéraux (Fig.6.7).
Par sécurité, repoussez les glissières latérales dans l'enceinte du grill.
Pour faciliter le nettoyage de l'enceinte du grill, vous pouvez retirer les glissières latérales en les décrochant des côtés de l'enceinte (Fig. 6.8) et essuyer les côtés avec un chiffon doux imbibé de détergent doux.

NE LAVEZ PAS les glissières latérales au lave-vaisselle.
Après nettoyage, raccrochez les glissières latérales sur les côtés de l'enceinte du gril. Pour remonter le support, tirez les glissières latérales vers l'avant, et, pour chaque côté, soutenez la glissière et appuyez sur le support pour le réinsérer dans les glissières. Replacez la l'échefrite. Lors de la remise en place de la l'échefrite, assurez-vous que le bord large est à l'avant (Fig. 6.9)
Panneau de commande et portes
N'utilise pas des produits nettoyants abrasifs, y compris des produits nettoyants semi-liquides. Les meilleurs résultats s'obtiennent avec des détergents liquides.
Le panneau et les boutons de commande doivent uniquement être nettoyés avec un chiffon doux imbibé d'eau savonneuse chaude – mais prenez garde à ce qu'aucun excédent d'eau ne s'infiltre dans l'appareil. Essuyez avec un chiffon propre puis astiquez avec un chiffon sec.








Panneaux de porte vitrée
Sur certains modèles, le panneau avant de la porte du four peut être retiré pour permettre le nettoyage des panneaux en verre. Avancez la cuisinière afin de pouvoir accéder aux parties latérales (veuillez consulter la section « Déplacement de la Cuisinière » des instructions générales).
Entrouvez la porte du four et retirez les vis de fixation du panneau avant des côtés de la porte (deux de chaque côté) (Fig. 6.10).
Soulevez le panneau de porte extérieur avec précaution. Vous pouvez à présent nettoyer la face intérieure des panneaux, en veillant à ne pas déplacer ni mouiller les joints d'étanchéité de la porte.
Remarque: Si la porte est dotée d'un triple vitrage, les panneaux internes sont fixés ensemble et ne doivent pas être séparés.
Après nettoyage, reposez le panneau de porte extérieur avec précaution et replacez les vis de fixation.
N'UTILISEZ PAS de produits nettoyants décapants et abrasifs ni de racloirs métalliques acérés pour nettoyer la surface en verre de la porte du four, afin de prévenir tout risque de rayures et de fissures du verre.
Panneaux autonettoyants du four
Le four principal est doté de panneaux amovibles à revêtement émaillé qui sont partiellement autonettoyants. Ceci n'empêche pas complètement la formation de taches sur le revêtement, mais réduit le nettoyage manuel nécessaire.
Le nettoyage automatique des panneaux est plus efficace à une température supérieure à 200°C. Si, en général, vous utilisez le four à des températures inférieures, retirez occasionnellement les panneaux et essuyez-les avec un chiffon non pelucheux imbibé d'eau savonneuse chaude. Séchez et replacez les panneaux dans le four chauffé à 200°C pendant environ une heure. Ceci assurera un bon fonctionnement des panneaux autonettoyants.
N'utilisez pas de paille de fer ou tout autre matériel susceptible de rayer la surface.
Déposer les panneaux pour nettoyer l'intérieur en émail
Si vous souhaitez nettoyer l'intérieur du four qui est en émail, vous devez restorer les grilles avant d'enlever les parois. Il n'est pas nécessaire de restorer les supports pour enlever les parois. Soulevez chaque paroi et dégagez-la en la faisant coulisser sur les supports (Fig. 6.11). Une fois que les panneaux ont été retirés, l'intérieur en émail du four peut être nettoyé.
Remontez dans l'ordre inverse.
Four haut
Pour nettoyer les parois du four, retirez les grilles, décrochez et retirez les supports latéraux (Fig. 6.12).
Tableau nettoyage
Les produits nettoyants (Tableau 6.1) indiqués sont en vente dans les supermarchés ou les magasins d'accessoires électriques.
Pour les surfaces émaillées, utilisez un produit nettoyant recommandé pour l'émail vitrifé.
Un nettoyage régulier est recommandé. Pour faciliter le nettoyage, essuyez les taches immédiatement.
Tableau 6.1
| Table de Cuisson | ||
| Composant | Finition | Méthode de Nettoyage Recommendée |
| Surface de la table de cuisson (Têtes de brûleur et bouchons de brûleur inclus) | Émail, acier inoxydable, aluminium | Eau savonneuse chaude, chiffon doux. Frottez doucement avec un tampon à récurer en nylon pour éliminer les taches tenaces. |
| Table de cuisson céramique/induction | Verre trempé | Eau savonneuse chaude, nettoyant crème/tampon à récurer si nécessaire. |
| Plaque à griller (selon les modèles) | Surface antiadhésive | Laissez refroidir. Lave à l'eau savonneuse chaude. N'utilise pas de produits nettoyants/tampons abrasifs. Lave-vaiselle. |
| Zone de réchauffage (selon les modèles) | Verre trempé | Eau savonneuse chaude, nettoyant crème/tampon à récurer si nécessaire. |
| Exterieur de la Cuisinière | ||
| Composant | Finition | Méthode de Nettoyage Recommendée |
| Porte, pourtour de porte et extérieur du tiroir de rangement | Émail ou peinture | Eau savonneuse chaude, chiffon doux. Frottez doucement les tâches tenaces avec un détergent liquide. |
| Acier inoxydable | Chiffon multi-uses en microfibre (supermarché). | |
| Côtés et plinthe | Surface peinte | Eau savonneuse chaude, chiffon doux. |
| Dosseret / Grille arrière | Émail ou acier inoxydable | Eau savonneuse chaude, chiffon doux. Nettoyez soigneusement avec un produit nettoyant semi-liquide, si nécessaire. |
| Panneau de commande | Peinture, émail ou acier inoxydable | Eau savonneuse tiège. N'utilise pas de produits nettoyants abrasifs sur les caractères. |
| Boutons de commande/poignées et garnitures | Plastique/chrome ou cuivre | Eau savonneuse tiège, chiffon doux. |
| Laiton | Produit de polissage pour laiton (supermarché). | |
| Vitre de portedue four / Couvercle en verre | Verre trempé | Eau savonneuse chaude, nettoyant crème/tampon à récurer si nécessaire. |
| Four et Gril | ||
| Composant | Finition | Méthode de Nettoyage Recommendée |
| Parois, sole et voute du four - PAS les PANNEAUX AUTONETTOYANTS (voir ci-dessous) | Émail | Tout produit nettoyant pour four utilisable avec l'émail. ATTENTION: PRODUITS NETTYANTS CORROSIFS/CAUSTIQUES POUR FOURS : SUIVEZ LES INSTRUCTIONS DU FABRICANT. Evitez tout contact avec les éléments du four. |
| Panneaux autonettoyants de four (selon les modèles) | Émail spécifique partiellement autonettoyant | Cette surface est autonettoyante à 200°C ou plus; vous pouze également retarder les panneaux et les nettoyer à l'eau savonneuse chaude et avec une Brosse en nylon. |
| Grilles de four, Handyrack, grille de l'echefrite, Handygrill | Chrome | Tout produit nettoyant pour four utilisable avec le chrome. Tampon à récurer savonneux. Lave-vaiselle. |
| L'echefrite/Plat à viande (selon les modèles) | Émail | Eau savonneuse chaude. Tampon à récurer savonneux. Lave-vaiselle. |
Défaillance de l'allumage ou des brûleurs de la table de cuisson
L'appareil est-il sous tension ? L'horloge est-elle éclairée ?
Si ce n'est pas le cas, l'alimentation électrique est peut-être défectueuse.
Les encoches du générateur d'étincelles (électrode d'allumage) ou du brûleur sont-elles obstruées par des débris?
Les tubulures des brûleurs sont-elles placées correctement? Les couronnés sont-elles placées correctement? Voir la section « Nettoyage ».
Les brûleurs de la table de cuisson ne s'allument pas
Assurez-vous que les éléments du brûleur ont été replaced correctement après avoir été essuyés ou retirés pour nettoyage.
Vérifiez que l'alimentation en gaz n'est pas défectueuse. Pour ce faire, vérifiez le fonctionnement de vos autres appareils à gaz.
Les brûleurs produisent-ils une étincelle lorsque vous appuyez sur le bouton?
Les brûleurs produisent-ils une étincelle lorsque vous appuyez sur le bouton de commande?
De la vapeur s'échappe du four
Pendant la cuisson d'aliments à haute teneur en eau (frites surgelées, par exemple), un peu de vapeur peut être visible à la grille à l'arrêt du chauffe-plats.
Faites attention en ouvrant la porte du four, une bouffée de vapeur peut s'échapper momentanément à l'ouverture du four. Reculez-vous et attendez que la vapeur se soit dissipée.
Quels sont les produits de nettoyage recommandés pour la cuisinière?
Reportez-vous à la section « Nettoyage » pour en savoir plus sur le matériel recommandé pour le nettoyage.

Le ventilateur du four est bruyant
Le bruit du ventilateur peut changer pendant le chauffage du four - ceci est tout à fait normal.
Ceci est dû à la chaleur provenant du four ou du gril. Ne laissez pas la porte du four ouverte.
Lorsque vous utilisez le grill, assurez-vous que la l'échafaud du grill est bien insérée jusqu'à la butée arrière.
Laissez toujours la porte de l'enclenche du grill ouverte pendant l'utilisation du grill.
Les commandes deviennent chaudes lorsque j'utilise le four ou le grill
La cuisinière est refroidie par un ventilateur. Si les commandes deviennent excessivement chaudes lorsque la cuisinière est en fonctionnement, alors le ventilateur peut avoir une défaillance. Si tel est le cas, veillez contacter votre installateur, un ingénieur de réparation qualifié ou le service client pour effectuer les réparations.
En cas de problème concernant l'installation, si mon installateur d'origine ne peut pas venir résoudre le problème, à qui incombent les frais?
C'est à vous qu'incombent ces frais. Les sociétés d'entretien factureront leurs interventions si elles réparent une installation effectuée par votre installateur d'origine. Il est de votre intérêt de contacter votre installateur d'origine.
Panne de courant
En cas de panne de courant, n'oubliez pas de régler de nouveau l'horloge pour permettre le fonctionnement automatique du four.
Les alimentés cessent trop lentement, trop rapidement, ou brûlent
Les temps de cuisson peuvent être différents de ceux de leur ancien four.
Vérifiez que vous utilisez les températures et positions de grilles de four recommandées. Les températures du four et les temps de cuisson sont fournis à titre indicatif uniquement.
En fonction des goûts de chacun, les températures devront peut-être être modifiées dans un sens ou dans l'autre, pour obtenir les résultats que vous recherchez.
La cuisson au four n'est pas uniforme
N'utilise pas de plat ou de plaque de cuisson de dimensions supérieures à celles indiquées dans la section « Conseils Généraux pour la Cuisson au Four »
Dans le cas d'un grand plat, vous devrez peut-être le tourner pendant la cuisson.
Si vous utilisez deux grilles, vérifiez qu'il y a assez de place pour permettre à la chaleur de circuler. Lorsque vous insérez une plaque de cuisson dans le four, veillez à la placer au centre de la grille.
Vérifiez que le joint d'étanchéité de la porte n'est pas endommagé et que le loquet de porte est réglé de façon à ce que la porte soit bien appuyée contre le joint.
Un réseau d'eau placé sur la grille doit avoir une profondeur uniforme. (S'il est plus profond à l'arrière, par exemple, l'arête de la cuisinière doit être levé ou l'avant de la cuisinière abaissé.) Si la cuisinière n'est pas à niveau, demandez à votre fournisseur de la mettre à niveau.
Fig.7.1
Fig.7.2

Fig.7.3
Effet de l'ajustement de la charnière - exagéré pour plus de clarté
Fig. 7.4 Ligne centrale de l'axe de charnière. Omission de la porte du four pour plus de clarté.
Le four ne s'allume pas lorsqu'il est mis en marche manuellement
L'appareil est-il sous tension ? L'horloge est-elle éclairée ? Si ce n'est pas le cas, l'alimentation électrique est peut-être défectueuse.
Le sectionneur de l'alimentation électrique de la cuisine est-il sur la position Marche?
L'heure a-t-elle été réglée?
Le four ne s'allume pas avec la mise en marche automatique
Le bouton de commande du four a-t-il été laissé par erreur sur ARRET (OFF)?
Four est-il verrouillé (voir ci-dessus)?
Si le fait de mettre le bouton de réglage sur une température inférieure n'a pas eu d'effet ou a eu un effet temporaire, vous devrez peut-être remplacer le thermostat. Cette intervention doit être effectuée par un spécialiste de l'entretien.
L'éclairage du four ne fonctionne pas
L'ampoule a probablement grillé. Vous pouvez acheter une ampoule de rechange (non couverte par la garantie) dans un magasin d'accessoires électriques. Demandez une ampoule à culot vissable Edison 15W 230V, POUR FOURS. Cette ampoule doit pouvoir résister à une température de 300°C (Fig. 7.1).
Coupez l'alimentation à l'aide du disjoncteur.
Avant de retirer l'ampoule usagée, mettez la cuisinière hors tension et assurez-vous que le four a refroidi. Ouvrez la porte du four et retirez les grilles du four.
Dévissez le couvercle de l'ampoule en tournant en sens anti-horaire (il peut être très difficile à dévisser) (Fig. 7.2).
Dévissez l'ampoule en tournant en sens anti-horaire, en vous protégeant les mains avec un gant pour ne pas vous blesser.
Vissez l'ampoule de rechange, puis revissez le couvercle de l'ampoule. Remettez l'appareil sous tension et contrôlez le fonctionnement de l'éclairage.
La porte du four est alignée mal
La charnière inférieure de la porte de gauche peut être ajustée afin de modifier l'angle de la porte (Fig. 7.3). Desserrez les vis de fixation de la charnière inférieure, et utilisez le cran et un tournevis à lame plate pour changer la position de la charnière et la régler (Fig. 7.4).
Resserrez les vis de la charnière.
Installation
Une fois le travail terminé, vérifie que les alimentations de gaz et d'électricité sont correctement rebranchées.
8. Installation
Avant de commencer l'installation, veuillez remplir la fiche ci-dessous. Ceci permettra à votre client de vous contacter facilement en cas de problème relatif à l'installation.
Mesures et règlements de sécurité
Cette cuisinière doit être installée conformément aux instructions appropriées des présentes et à la réglementation nationale et locale en vigueur, ainsi qu'aux prescriptions des compagnies de gaz et d'électricité locales. Si l'appareil doit être installé en Suisse, les règlements et les directives suivantes doivent être respectées:
- SVGW - Principes de gaz G1: l'installation de gaz.
- EKAS - Forme 1942: directive sur le gaz liquide, Partie 2.
- la réglementation des instances cantonales (régulateurs de sécurité par exemple, incendie).
A1 Cette cuisinière est un appareil de classe 2 et de sous-classe 1. Avant l'installation, vérifie que la cuisine convient au type de gaz et à la tension d'alimentation électrique. Reportez-vous au badge technique. A Cet appareil doit être installé conformément à la réglementation en vigueur, et uniquement dans un endroit bien ventilé. Lisez les instructions avant d'installer ou d'utiliser cet appareil.
Dans votre intérêt et par souci de sécurité, légalement, tous les appareils à gaz doivent être installés par des personnes compétentes. Une installation incorrecte n'engage ni la responsabilité, ni la garantie du fabricant, et peut donner lieu à des poursuites. Cet appareil peut être modifié afin d'être utilisé avec d'autres types de gaz.
Ventilation
Cet appareil n'est pas raccordé à un dispositif d'évacuation des produits de combustion. Prêtez particulièrement attention à la réglementation en vigueur concernant la ventilation.
Toutes les pièces nécessitent une fenêtre ouvrable ou un dispositif équivalent, et certaines pièces nécessitent une mise à l'air libre permanente en plus de la fenêtre ouvrable.
Emplacement de la cuisinière
La cuisinière peut être installée dans une cuisine/un salon-cuisine, mais PAS dans une pièce contenant une baignoire ou une douche.
Cet appareil est conçu uniquement pour un usage domestique. Toute autre utilisation n'engage ni la responsabilité, ni la garantie du fabricant.
Remarque: Un appareil utilisable avec du gaz de pétrole liquéfié (GPL) ne doit pas être installé dans une pièce ou un espace intérieur souterrain, par exemple dans un sous-sol.
Modification
Un kit de modification permettant l'utilisation d'autres gaz est fourni avec la cuisinière.
Si la cuisinière doit être modifiée pour fonctionner avec un autre gaz, nous recommandons d'effectuer cette modification avant l'installation. Reportez-vous aux instructions fournies avec le kit de modification.
Après modification de l'appareil, veuillez apposer l'étiquette de modification sur la partie appropriée du badge technique, pour permettre d'identifier le type de gaz utilisé pour l'installation de la cuisinière.
Installation
Une fois le travail terminé, vérifie que les alimentations de gaz et d'électricité sont correctement rebranchées.
L'installation de la cuisinière nécessitera l'emploi du matériel indiqué ci-dessous:
Dispositif stabilisateur : Un dispositif stabilisateur (équerre ou chaîne) doit être monté sur la cuisinière si celle-ci est alimentée en gaz par le biais d'un tuyau flexible.
Ce dispositif stabilisateur n'est pas fourni avec l'appareil mais est en vente dans la plupart des magasins de bricolage.
Manomètre. Tuyau flexible de gaz: Doit être conforme aux normes appropriées. Multimètre: Pour les contrôles électriques.
Vous aurez aussi besoin des outils suivants:
- Perceuse électrique
- Foret à maçonnerie (nécessaire seulement pour montage sur sol en pierre ou en béton)
- Chevilles Rawlplugs (nécessaires seulement pour montage sur sol en pierre ou en béton)
- Metre en acier
- Tournevis cruciforme
- Tournevis à lame plate
- Niveau à bulle
- Crayon
- Clé réglable
- Vis pour le montage de l'équerre stabilisatrice
- 4 mm et 3 mm clé hexagonale
Vérification des Pièces :
| 3 grilles de table de cuisson | Plaque à griller |
| Le support spécial de wok | L'échefrite et grille |
| 2 grille plates | Plat à rôtir |
| Handyrack | Grilles et supports de grillés de four haut |
| Plinthe (modèle standard illustré) | Dosseret (Classic Deluxe) |
| Stabilité emplacement support |



Positionnement de la cuisinière
Fig. 8.1 Le schéma indique les cotes minimales recommandées entre la cuisinière et les surfaces adjacentes. Ne placez pas la cuisinière sur un support.
Le pourtour de la table de cuisson doit être au niveau ou au-dessus de tout plan de travail adjacent.
Laissez un espace de 75 mm AU-DESSUS du niveau de la table de cuisson entre chaque côté de la cuisinière et toute surface verticale adjacente.
Pour les surfaces non combustibles (telles que le métal non point ou les carrelages), cette cote peut être de 25mm.
Laissez un espace de 650 mm au minimum entre la partie supérieure de la table de cuisson et une surface horizontalement combustible.
La Fig. 8.2 indique les dégagements recommandés au-dessus de la cuisinière.
- Toute hotte de cuisinière doit être installée conformément aux instructions du fabricant de hotte.
Tout revêtement doit être installé conformément aux instructions du fabricant. Une marge doit être appliquée pour le poids supplémentaire du conduit qui est installé sur la plaque chauffante de la cuisinière.
Les surfaces des meubles et des murs de chaque côté et à l'arrière de l'appareil doivent être résistantes à la chaleur, aux éclaboussures et à la vapeur. Certains types de meubles de cuisine en vinyle ou en stratifié sont particulièrement susceptibles aux risques de dommages thermiques et de décoloration.
Nous déclinons toute responsabilité pour des dommages résultant d'une utilisation normale de la cuisinière et subis par des matériaux qui se décollent ou se décolorent à des températures de moins de 65°C au-dessus de la température ambiante.
Nous recommandons de laisser un espace de 910 mm entre les unités pour permettre le déplacement de la cuisinière. La cuisinière ne doit pas être encastrée - elle doit pouvoir être déplacée vers l'avant et vers l'arrière pour le nettoyage et l'entretien.
Si la cuisinière est près d'un coin de la cuisine, un dégagement de 130 mm est nécessaire pour permettre l'ouverture des portes de jours (Fig. 8.3). La cote d'ouverture des portes est légèrement inférieure à ce dégagement, mais ceci inclut une marge de sécurité pour la protection des mains lors de l'ouverture de la porte.
Installation
Une fois le travail terminé, vérifie que les alimentations de gaz et d'électricité sont correctement rebranchées.
Déplacement de la cuisinière

N'essayez jamais de déplacer la cuisine lorsque cette-ci est sous tension.

La cuisine est très lourde, faites très attention.
Nous recommandons de faire appel à deux personnes pour déplacer la cuisinière. Assurez-vous que le revêtement du sol est solidement fixé en place ou retirez-le afin de ne pas l'abîmer en déplaçant la cuisinière.
Deux galets d'arrêt de mise à niveau et deux supports avant vissables facilitent le déplacement de la cuisinière. Vous devrez utiliser l'outil de mise à niveau.
Retirez le socle d'emballage en polystyrène. Depuis l'avant, inclinez la cuisinière vers l'avant et retirez la partie avant du socle d'emballage en polystyrène (Fig. 8.4). Répétez cette procédure à l'arrière et retirez la partie arrière du socle.
Baissez les deux galets arrière
Mettre d'abord une clé à douille ou à crochet de 13 mm dans l'écrou hexagonal d'ajustement. Effectuez 10 tours complets (360°) en sens inverse (Fig. 8.5).
Veillez à abaisser les DEUX GALETs ARRIÉRÉS. Il y a deux écrous de réglage, un pour chaque galet, aux coins avant inférieurs de la cuisinière.
Exécution du mouvement
Dépliez le bord arrêté du plateau d'emballage. Ouvrez la porte du gril et la porte du four droit afin d'avoir une bonne prise sur la partie inférieure du panneau de commande pour déplacer la cuisinière (Fig. 8.6).
Poussez la cuisinière vers l'arrière avec précaution pour la dégager de son socle d'emballage. Retirez le plateau d'emballage.
Poussez la cuisinière près de sa position finale, en laissant juste assez de place pour pouvoir avoir accès à l'arrière.

N'utilise pas les poignées de portes ou les boutons de commande pour déplacer la cuisinière.
Fixation de l'équerre ou chaîne de stabilisation
Sauf indication contraire, une cuisinière raccordée à un tuyau flexible de gaz doit être fixée avec un dispositif stabilisateur adapté.
Les dispositifs stabilisateurs adaptés sont représentés en Fig.8.7, Fig.8.8, Fig.8.9 et Fig.8.10.
Si vous utilisez une chaîne de stabilisation (Fig.8.7), la chaîne devra alors être aussi courte que possible et fixée fermement à l'arrière de la cuisinière.
Si vous utilisez un support de stabilité ; fixez d'abord le dispositif de localisation de support à l'arrière de la cuisinière (Fig.8.8). Puis ajustez le support pour engager dans la fente de l'appareil (Fig.8.9 et Fig.8.10).






Fig.8.10
Repositionnement de la cuisinière après raccordement
Si vous devez déplacer la cuisinière après son raccordement, débranchez la cuisinière, agrippez-la sous le panneau de commande et levez légèrement l'avant de la cuisinière (Fig. 8.6), puis vérifiez à l'arrière de l'appareil que le câble d'alimentation n'est pas entravé.
Pendant le déplacement de la cuisinière, assurez-vous que le câble électrique et le tuyau de gaz ne sont pas entravés.
Si la cuisinière est dotée d'une chaîne stabilisatrice, défaites-la pour pouvoir manœuvrer la cuisinière. N'oubliez pas de la remettre en place lorsque vous replacez la cuisinière.
Lors de la remise en place de la cuisinière, vérifie de nouveau que le câble électrique n'est pas entravé ou coincé.
Modification en vue de l'utilisation d'un autre gaz
À ce stade, vous devez effectuer la modification nécessaire si vous souhaitez utiliser la cuisinière avec un autre type de gaz. Reportez-vous à la section sur la modification dans les générales instructions et reportez-vous aux instructions fournies avec le kit de modification.
Mise à niveau
Nous vous recommandons d'utiliser un niveau à bulle placé sur l'une des grilles de four pour vérifier le niveau.
Placez la cuisinière à l'emplacement prévu pour son installation, en veillant à ne pas exercer de force de torsion lorsque vous l'insérez entre les éléments de cuisine, pour ne pas l'endommager ou endommager les éléments.
Les supports avant et les galets arrêté réglables permettent la mise à niveau de la cuisinière. Pour régler la hauteur de l'arrière de la cuisinière, utilisez l'outil de mise à niveau fourni pour tourner les écrous de réglage aux coins avant inférieurs de l'appareil. Pour régler les supports avant, tournez les socles pour lever ou abaiser.
Contrôle de la table de cuisson
Contrôlez le fonctionnement de chaque brûleur (voir la section "Brûleurs de la Table de Cuisson" au début des instructions).
Contrôle du gril
Tournez le bouton de commande du grill et vérifiez que le grill commence à chauffer.
Contrôle des fours
Réglez l'horloge conformément aux instructions données précédemment, et allumez les jours. Vérifiez que les ventilateurs des jours se mettent en marche et que les jours commencent à chauffer.
Remarque: Assurez-vous d'avoir réglé l'horloge (voir 'Section 2').
Raccordement de l'alimentation en gaz
Doit être conforme aux normes appropriées.
Le tuyau flexible (non fourni avec la cuisinière) doit être conforme aux normes en vigueur. Les tuyaux flexibles sont disponibles dans la plupart des magasins de matériaux et de bricolage.
L'approvisionnement en gaz doit se terminer par un côté faisant face au coude de tuyau et d'une connexion à la bague baïonnette (Fig. 8.11).
Le raccord de l'appareil est situé juste au-dessous du niveau de la table de cuisson, à l'arrière de la cuisine. En cas de doute, contactez votre fournisseur.
Les boîtiers d'arrêt de la cuisinière limitent la position du point d'alimentation. Il est difficile de donner des cotes précises, étant donné que la hauteur de la cuisinière est réglable et que chaque raccordement est différent.
Vous pouvez utiliser un tuyau flexible de 900 mm, mais un tuyau de 1100 mm offre plus de flexibilité quant au positionnement du raccord baïonnette et facilite le déplacement de la cuisinière.
Montez le tuyau de façon à ce que les raccords d'admission et de sortie soient verticaux et que le tuyau pendente en forme de «U». Idéalement, le raccord d'alimentation domestique doit être dans la partie ombragée 'A' (Fig. 8.12).
Vissez l'extrémité filetée du tuyau flexible dans l'admission de gaz. Lorsque le raccordement est terminé, effectuez un essai de pression pour contrôler l'étanchéité de la cuisinière.
Le raccord d'admission de la cuisinière est de type interne ISO 7-1. Si le raccordement doit être de type ISO 228-1, utilisez le raccord d'adaptation ISO 7-1-ISO 228-1 fourni dans le kit de modification (Fig. 8.13).
Vissez le raccord dans l'admission de la cuisinière en serrant à la main. À l'aide de deux outils appropriés, l'un placé au niveau de l'admission située sur la cuisinière pour veiller à en assurer la stabilité et l'autre sur le raccord, vissez le raccord dans l'admission. Couple minimum 15 Nm. Couple maximum 20 Nm. Raccordement du tuyau flexible au connecteur.
Essai de pression
La pression de gaz peut être mesurée au niveau de l'injecteur de l'un des brûleurs centraux de la table de cuisson (non pas au niveau du brûleur de wok).
La pression de gaz peut être mesurée au niveau de l'injecteur d'un des brûleurs de la table de cuisson.
Retirez la tête d'un des brûleurs. Montez le manomètre sur le gicleur. Mettez en marche un des autres brûleurs de la table de cuisson. Tournez et appuyez sur le bouton de commande du brûleur avec manomètre, pour permettre l'arrivée du gaz.
Reportez-vous au badge technique pour les pressions d'essais.
Eteignez les brûleurs. Replacez le chapeau du brûleur, en veillant à le remonter correctement sur le corps du brûleur.
Fig.8.11
Fig.8.12 Toutes les dimensions en millimètre
Fig.8.13
Disjoncteurs différentiels
L'utilisation conjointe de votre cuisinière et d'autres appareils domestiques peut entraîner des disjonctions fortuites ; par conséquent, nous recommandons de protéger la cuisinière par un disjoncteur différentiel.
EN CAS DE Doute, CONSULTEZ UN ELECTRICIEN QUALIFIE.
Fig.8.14
Fig.8.15
Raccordement électrique
Cet appareil doit être installé par un électricien qualifié, conformément à la réglementation en vigueur et aux prescriptions de la compagnie d'électricité locale.
Remarque: La cuisinière doit être raccordée à l'alimentation électrique correcte, indiquée sur l'étiquette de tension sur l'appareil, par le biais d'une unité de commande de cuisinière appropriée à interrupteur bipolaire (avec une séparation de contact de 3 mm au minimum entre les pôles).
A1 cette cuisinière ne doit pas être raccordée à une prise d'alimentation domestique ordinaire.
Pour accéder au bornier d'alimentation secteur, retirez le boîtier électrique sur le panneau arrière. Raccordez le câble d'alimentation secteur aux bornes correctes pour votre type d'alimentation électrique (Fig. 8.14 et Fig. 8.15). Vérifiez que les connecteurs sont montés correctement et que les vis des bornes sont bien serrées.
Montage des poignées et de la balustrade
Déposez les vis Allen 4 mm des portes à l'aide de la clé hexagonale (Fig. 8.11). Vissez les poignées de portes.

Les poignées doivent être au-dessus des fixations.
Retirez les vis Allen 4 mm des coins supérieurs du bandeau (Fig. 8.12). Montez la barre à torchons et fixez-la à l'aide des vis 4 mm
Montage du dosseret
Placez le dosseret à l'arrière de la table de cuisson et fixez-le à l'aide des vis fournies.
Montage de la plinthe 1 pièce (professional+)
Dévissez les trois vis le long du bord inférieur avant de la cuisine. Insérez l'encoche centrale en forme de trou de serrer sur la vis centrale. Tournez et insérez les encoches d'extrémités en trou de serrer sur leurs vis respectives. Vissez et fixez chaque encoche en forme de trou de serrer sur leurs vis respectives. Serrez les vis de fixation (Fig. 8.18).
Montage de la plinthe 2 pièces
Montez la plinthe intérieure à l'avant inférieur de la cuisine à l'aide des quatre vis fournies (Fig. 8.19).
Fixez la plinthe extérieure (une vis à chaque extrémité) à la plinthe intérieure.
Grâce à l'encoche, vous pouvez ajuster la position de la plinthe extérieure en la faisant glisser vers le haut ou le bas (Fig. 8.20).
Conseils à la clientèle
Veuillez inscrire les informations vous concernant dans les générées instructions. De même, indiquez à l'utilisateur comment faire fonctionner la cuisinière et remettez-lui les instructions.
Merci.





9. Conversion au gaz PL
Fig. 9.1
A - Gicleurs, B - Injecteur interne, C - Injecteur externe
Fig. 9.2
Fig. 9.3 Fig. 9.4

Vérifiez sur la Fiche Technique au verso de la présente brochure si la cuisinière peut être modifiée pour pouvoir utiliser le gaz de votre choix.
Cette modification doit être effectuée par une personne compétente. Avant modification, l'installation doit être conforme aux réglementations en vigueur, ainsi qu'aux prescriptions de la compagnie d'électricité locale. Lisez les instructions avant d'effectuer une modification sur cet appareil.
Une modification incorrecte n'engage ni la responsabilité, ni la garantie du fabricant, et peut donner lieu à des poursuites. Lors de l'entretien ou du remplacement de composants d'alimentation en gaz, débranchez le gaz avant le début de l'intervention et, au terme de cette-ci, effectuez les contrôles de sécurité nécessaires pour les appareils à gaz. N'utilisez pas de commandes de gaz remises à neuf ou non autorisées. Débranchez l'appareil avant toute intervention d'entretien. Avant de rebrancher l'alimentation électrique, effectuez les contrôles de sécurité nécessaires.
Injecteurs
Retirez les chapeaux et les têtes des brûleurs. Retirez les gicleurs usagés (Fig. 9.1). Montez les nouveaux gicleurs. Le type de gicleur correct est indiqué sur la Fiche technique au dos de la présente brochure. Remontez en procédant dans l'ordre inverse.
Démontage du dispositif de commande
Retirez tous les boutons de commande. Déposez la barre ornamentale en desserrant les 2 vis de fixation des supports d'extrémité (Fig. 9.2). Ouvrez la porte du grill et du four droit et retirez les 3 vis de fixation au-dessous du panneau de commande (Fig. 9.3).
Le panneau de commande devrait descendre légèrement. Il est maintenu sur la partie supérieure par deux languettes sur le bord supérieur, qui s'insèrent sur des languettes sur le panneau intérieur (Fig. 9.3). Décrochez le panneau de commande du panneau interne et tirez-le vers l'avant. Veillez à ne pas endommager ou trop tirer les câbles.
Ajustement de vis de dérivation
Tournez la vis de dérivation de chaque commande à fond dans le sens horaire. (Fig. 9.4). Replacez le tableau de commande et les boutons de commande.
Étiquette autocollante
Apposez l'étiquette appropriée sur le badge technique pour indiquer le gaz à utiliser avec la cuisinière.
Installation
Une fois le travail terminé, vérifie que les alimentations de gaz et d'électricité sont correctement rebranchées.
Essai de pression
Raccordez la cuisine à l'alimentation en gaz.
La pression de gaz peut être mesurée au niveau de l'injecteur de l'un des brûleurs de la table de cuisson (non pas au niveau du brûleur de Wok).
Retirez la tête d'un des brûleurs. Montez le manomètre sur le giclueur. Allumez le brûleur de la table de cuisson et allumez l'un des autres brûleurs.
Après avoir vérifié la pression, fermez les robinets et replacez la tête du brûleur.
Replacez le chapeau du brûleur, en veillant à le remonter correctement sur le corps du brûleur.
Contrôlez l'étanchéité de l'appareil.
Contrôlez le fonctionnement de tous les brûleurs.

Légende
Le raccord indiqué sur le schéma de câblage est pour une alimentation monophasée. Les capacités nominales sont pour 230V 50Hz.
| Code | Description |
| A1 | Interrupteur avant de la grille |
| A2 | Régulateur d'énergie de la grille |
| A3 | Éléments de la grille |
| B1 | Thermostat de four gauche |
| B2 | Interrupteur multifonction gauche |
| B2a | Interrupteur du thermostat du four gauche |
| B3 | Élement de base de four gauche |
| B4 | Élement supérieur de four gauche (extérieur) |
| B5 | Élement supérieur de four gauche (intérieur) |
| B6 | Élement de ventilateur de four gauche |
| B7 | Ventilateur de four gauche |
| C | Horloge |
| D1 | Thermostat du four droite |
| D2 | Interrupteur du thermostat du four droite |
| Code | Description |
| D3 | Élément de four droite |
| D4 | Ventilateur de four droite |
| F1 | Ventilateur de refroidissement |
| F2 | Interrupteur d'éclairage du four |
| G | Eclairage de four |
| H | Protecteur thermique |
| I | Grill néon |
| I1 | Multifonction neon four |
| I2 | Rapid néon d'échauffement |
| K | Néon de four à droite |
| N1 | Contacteur d'allumage |
| N2 | Générateur d'allumage |
| Code | Couleur |
| b | Bleu |
| br | Brun |
| bk | Noir |
| or | Orange |
| r | Rouge |
| v | Voilet |
| w | Blanc |
| y | Jaune |
| g/y | Vert / jaune |
| gr | Gris |

Légende
Le raccord indiqué sur le schéma de câblage est pour une alimentation monophasée. Les capacités nominales sont pour 230V 50Hz.
| Code | Description |
| A1 | Interrupteur avant de la grille |
| A2 | Régulateur d'énergie de la grille |
| A3 | Éléments de la grille |
| B1 | Gauche interrupteur avant du four |
| B2 | Thermostat du four gauche |
| B3 | Gauche élément ventilateur du four |
| B4 | Éléments de four de gauche |
| C | Horloge |
| D1 | Droite interrupteur avant du four |
| D2 | Thermostat du four à droite |
| D3 | Ventilateur de four droite |
| D4 | Élement de four à droite |
| F1 | Interrupteur d'éclairage du four |
| F2 | Contacteur d'allumage |
| Code | Description |
| F3 | Générateur d'allumage |
| G1 | Lumière du four à gauche |
| H | Protecteur thermique |
| J | Neon |
| K | Ventilateur de refroidissement |
| Code | Couleur |
| b | Bleu |
| br | Brun |
| bk | Noir |
| or | Orange |
| r | Rouge |
| v | Voilet |
| w | Blanc |
| y | Jaune |
| g/y | Vert / jaune |
| gr | Gris |
11. Fiche technique
A L'INTENTION DE L'INSTALLATEUR: Veuillez remettre les présentes instructions à l'utilisateur.
EMPLACEMENT DU BADGE TECHNIQUE: Arrière de la cuisinière, badge auxiliaire de numéro de série sous l'ouverture de la porte du four.
PAYS DE DESTINATION: GB, IE, FR, NL, DE, SE, BE.
Catégories de gaz et réglages de pression
Cet appareil est fourni avec un réglage associé à une des catégories de gaz énumérées dans le tableau ci-dessous, dépendant du pays de destination.
| Categorie | Pays de Destination | Gaz naturel | GPL |
| Cat II 2H3+ | GB, IE | G20 20mbar | G30 butane 29mbar G31 propane 37mbar |
| Cat II 2E3B/P | DE | G20 20mbar | G30 butane 29mbar G31 propane 29mbar |
| Cat II 2ELL3B/P | G25 20mbar | G30 butane 50mbar G31 propane 50mbar | |
| Cat II 2E+3+ | FR, BE | G20 20/25mbar | G30 butane 29mbar G31 propane 37mbar |
| Cat II 2H3B/P | SE | G20 20mbar | G30 butane 29mbar G31 propane 29mbar |
| Cat II 2L3B/P | NL | G25 25mbar | G30 butane 29mbar G31 propane 29mbar |
Consultez l'insigne de données pour des informations relatives au gaz et à la pression pour lesquelles l'appareil est réglé.
Veuillez suivre les directives de conversion si celle-ci est requise.

Puissances
| Table de Cuisson | Vis de Dérivation* | Gaz Naturel G20 20 mb | Le Gaz Propane Liquide 29/37 mb | ||
| Injecteur | Injecteur | ||||
| Brûleur de Wok | 57 | 4 kW | interne 78 | 4 kW (285 g/h) | interne 53 |
| externe 126 | externe 82 | ||||
| Brûleur rapide / grand | 40 | 3 kW | 134 | 3.0 kW (210 g/h) | 87 |
| Brûleur semi-rapide / moyen | 32 | 1.7 kW | 109 | 1.7 kW (119 g/h) | 68 |
| Brûleur auxiliaire / petit | 28 | 1 kW | 75 | 1.0 kW (70 g/h) | 51 |
| Table de Cuisson | Vis de Dérivation* | Gaz Naturel G25 25 mb | Le Gaz Propane Liquide 29 mb | ||
| Injecteur | Injecteur | ||||
| Brûleur de Wok | 57 | 4 kW | interne 73 | 4 kW (285 g/h) | interne 53 |
| external 127 | external 82 | ||||
| Brûleur rapide / grand | 40 | 3 kW | 135 | 3.0 kW (210 g/h) | 87 |
| Brûleur semi-rapide / moyen | 32 | 1.7 kW | 105 | 1.7 kW (119 g/h) | 68 |
| Brûleur auxiliaire / petit | 28 | 1 kW | 76 | 1.0 kW (70 g/h) | 51 |
| Table de Cuisson | Vis de Dérivation* | Gaz Naturel G25 20 mb | Le Gaz Propane Liquide 50 mb | ||
| Injecteur | Injecteur | ||||
| Brûleur de Wok | 57 | 4 kW | interne 73 | 4 kW (285 g/h) | interne 42 |
| externe 131 | externe 69 | ||||
| Brûleur rapide / grand | 40 | 3 kW | 141 | 3.0 kW (210 g/h) | 81 |
| Brûleur semi-rapide / moyen | 32 | 1.7 kW | 113 | 1.7 kW (119 g/h) | 60 |
| Brûleur auxiliaire / petit | 28 | 1 kW | 85 | 1.0 kW (70 g/h) | 46 |
- Les valves dans cette cuisinière sont installées avec des vis de réglage de dérivation. Si l'appareil est fourni avec un réglage pour le gaz naturel, les vis de dérivation seront dévisées. Pour une conversion de GPL, les vis de dérivation doivent être complètement visées.
Si l'appareil est fourni avec un réglage pour le GPL, les vis de dérivation seront complètement visées. Pour une conversion de gaz naturel, les vis de dérivation doivent être visées conformément aux instructions se trouvant dans la trousse de conversion incluse.
Raccordements
| Electricité | 230/400V 50 Hz |
Dimensions
| Identification du Modèle | Classic Deluxe 90 Dual Fuel | |
| Hauteur | minimale 905 mm | maximale 930 mm |
| Largeur hors tout | 900 mm | |
| Profondeur hors tout | 608 mm sans poignées, 670 mm avec poignées | |
| La hauteur minimale au-dessus de la plaque de cuisson | 650 mm | |
| Identification du Modèle | Kitchener 90 Dual Fuel | |
| Hauteur | minimale 905 mm | maximale 930 mm |
| Largeur hors tout | 900 mm | |
| Profondeur hors tout | 607 mm sans poignées, 655 mm avec poignées | |
| La hauteur minimale au-dessus de la plaque de cuisson | 650 mm | |
| Identification du Modèle | Professional + 90 Dual Fuel | |
| Hauteur | minimale 905 mm | maximale 930 mm |
| Largeur hors tout | 900 mm | |
| Profondeur hors tout | 604 mm sans poignées, 648 mm avec poignées | |
| La hauteur minimale au-dessus de la plaque de cuisson | 650 mm | |
Astuces d'économie d'énergie réchaud
Utiliser une batterie de cuisine avec une base plate.
Utiliser une batterie de cuisine à la bonne taille.
Utiliser une batterie de cuisine avec un couvercle.
Réduire la quantité de liquide ou de graisse au minimum.
Dès que le liquide commence à bouillir, baisser le feu.
La consommation repose sur G30.
Astuces d'économie d'énergie four
Cuisiner si possible les aliments en même temps.
Observer un temps de pré-cuisson court.
Ne pas prolonger le temps de cuisson.
Ne pas oublier d'éteindre l'appareil à la fin de la cuisson.
Ne pas ouvrir la porte du four en cours de cuisson.
Données d'efficacité du réchaud
| Marque | Falcon |
| Identification du Modèle | Classic Deluxe Kitchener Professional + |
| Taille | 90 |
| Type | Mixte |
| Type de Plaque | GAZ |
| Nombre de brûleurs à gaz | 5 |
| Brûleur auxiliaire / petit (brûleur à gaz EE) | - |
| Brûleur semi-rapide / moyen (brûleur à gaz EE) | 58% |
| Brûleur semi-rapide / moyen (brûleur à gaz EE) | 58% |
| Brûleur rapide / grand (brûleur à gaz EE) | 56% |
| Brûleur rapide / grand (brûleur à gaz EE) | - |
| Wok (brûleur à gaz EE) | 53% |
| Wok (EE gas burner) | - |
| Plaque gaz EE réchaud (*) | 56% |
Les informations qui sont marquées par (*) ne sont pas nécessaires avec les plaques de cuisson à combustible mixte.
Données du Four : Classic Deluxe
| Marque | Falcon | |
| Identification du Modèle | Classic Deluxe | |
| Type de Four | Électriques | |
| Masse | kg | 118 |
| Nombre de cavités | 2 | |
Efficacité énergétique côté gauche
| Type de combustible | Électrique | |
| Type de cavité | Multifonction | |
| Courant - Par convention | 2.2 | |
| Courant - Convection forçée | 2.5 | |
| Volume | Litres | 73 |
| Consommation d'énergie (électricité) - conventionnelle | kWh / cycle | 1.08 |
| Consommation d'énergie (électricité) - convection forçée | kWh / cycle | 0.91 |
| Indice d'efficacité énergétique - conventionnelle | 126.1 | |
| Indice d'efficacité énergétique - convection forçée | 106.2 | |
| Classe énergétique | A |
Efficacité énergétique côté droit
| Type de combustible | Électrique | |
| Type de cavité | Four éventées | |
| Courant - Par convention | - | |
| Courant - Convection forçée | 2.5 | |
| Volume | Litres | 67 |
| Consommation d'énergie (électricité) - conventionnelle | kWh / cycle | - |
| Consommation d'énergie (électricité) - convection forçée | kWh / cycle | 0.8 |
| Indice d'efficacité énergétique - conventionnelle | - | |
| Indice d'efficacité énergétique - convection forçée | 96.2 | |
| Classe énergétique | A |
Informations supplémentaires
| Ce four est conforme à la norme EN 60350-1 | |
| Rendement maximum @ 230 V 50 Hz | |
| Par convention | 2.2 kW |
| Multifonction | - |
| Multifonction (Réponse Rapide) | 3.7 kW |
| Convection forçée | 2.5 kW |
| Grid | 2.3 kW |
| Cuisson lente | - |
| Tiroir pour calibrage du pain | - |
| Charge électrique totale maximale à 230V (total approx. complenant éclairages de fours, ventilateur de four, etc.) | 8.6 kW |
Données du Four: Kitchener, Profesional+
| Marque | Falcon | |
| Identification du Modèle | Kitchener | |
| Masse | kg | 105 |
| Identification du Modèle | Professional+ | |
| Masse | kg | 111 |
| Type de Four | Electric | |
| Nombre de cavités | 2 | |
| Efficacité énergétique côte gauche | ||
| Type de combustible | Électrique | |
| Type de cavité | Attisé | |
| Courant - Par convention | - | |
| Courant - Convection forçée | 2.5 | |
| Volume | Litres | 73 |
| Consommation d'énergie (électricité) - conventionnelle | kWh / cycle | - |
| Consommation d'énergie (électricité) - convection forçée | kWh / cycle | 0.88 |
| Indice d'efficacité énergétique - conventionnelle | - | |
| Indice d'efficacité énergétique - convection forçée | 102.7 | |
| Classe énergétique | A | |
| Efficacité énergétique côte droit | ||
| Type de combustible | Électrique | |
| Type de cavité | Four éventées | |
| Courant - Par convention | - | |
| Courant - Convection forçée | 2.5 | |
| Volume | Litres | 67 |
| Consommation d'énergie (électricité) - conventionnelle | kWh / cycle | - |
| Consommation d'énergie (électricité) - convection forçée | kWh / cycle | 0.8 |
| Indice d'efficacité énergétique - conventionnelle | - | |
| Indice d'efficacité énergétique - convection forçée | 96.2 | |
| Classe énergétique | A | |
| Informations supplémentaires | |
| Ce four est conforme à la norme EN 60350-1 | |
| Rendement maximum @ 230 V 50 Hz | |
| Par convention | 2.2 kW |
| Multifonction | - |
| Multifonction (Réponse Rapide) | - |
| Convection forçée | 2.5 kW |
| Gril | 2.3 kW |
| Cuisson lente | - |
| Tiroir pour calibrage du pain | - |
| Charge électrique totale maximal à 230V (total approx. complenant éclairages de fours, ventilateur de four, etc.) | 7.4 kW |
Notice Facile