GEMMA - Hotte aspirante FABER - Notice d'utilisation et mode d'emploi gratuit
Retrouvez gratuitement la notice de l'appareil GEMMA FABER au format PDF.
| Intitulé | Valeur / Description |
|---|---|
| Type de produit | Hotte de cuisine |
| Caractéristiques techniques principales | Hotte murale, extraction ou recyclage, moteur puissant |
| Alimentation électrique | 230 V, 50 Hz |
| Dimensions approximatives | Largeur : 90 cm, Profondeur : 50 cm, Hauteur : 70 cm |
| Poids | Environ 15 kg |
| Compatibilités | Compatible avec les cuisines de taille standard |
| Type de batterie | Non applicable |
| Tension | 230 V |
| Puissance | 300 W |
| Fonctions principales | Éclairage LED, plusieurs niveaux de puissance, filtre à graisse |
| Entretien et nettoyage | Filtres lavables en machine, surface en acier inoxydable facile à nettoyer |
| Pièces détachées et réparabilité | Disponibilité de pièces de rechange, manuel d'entretien inclus |
| Sécurité | Protection contre la surchauffe, conforme aux normes de sécurité européennes |
| Informations générales utiles | Garantie de 2 ans, installation recommandée par un professionnel |
FOIRE AUX QUESTIONS - GEMMA FABER
Téléchargez la notice de votre Hotte aspirante au format PDF gratuitement ! Retrouvez votre notice GEMMA - FABER et reprennez votre appareil électronique en main. Sur cette page sont publiés tous les documents nécessaires à l'utilisation de votre appareil GEMMA de la marque FABER.
MODE D'EMPLOI GEMMA FABER
AVERTISSEMENT - POUR MINIMISER LE RISQUÉ D'UN FEU DE GRAISSE SUR LA TABLE DE CUISSON : a) Ne jamais laisser un élément de la table de cuisson fonctionner sans surveillance à la puissance de chauffage maximale; un renversement/ débordement de matièreGRAISSUE pourrait provoquer une inflammation et le génération de fumée. Utiliser toujours une puissance de chauffage moyenne ou basse pour le chauffage d'huile. b) Veiller à tous jours faire fonctionner le ventilateur de la hotte lors d'une cuisson avec une puissance de chauffage élevé ou lors de la cuisson d'un mets à flamber (i.e. Crepes Suzette, Cherries Jubilee, Peppercorn Beef Flambé). c) Nettoyer féquèment les ventilateurs d'extraction. Veiller à ne pas laisser de la graisse s'accumuler sur les surfaces du ventilateur ou des filtres. d) Utiliser always un ustensile de taille appropriée. Utiliser always un ustensile de taille adapté à la taille de l'élement chauffant.
AVERTISSEMENT: - POUR PRÉVENIR LES BLESSURES EN CAS DE FEU SUIVRE LES RECOMMANDATIONS SUIVANTES (^) : a) ÉTOUFFEZ LE FEU avec un couvercle métallique et fermez le brûleur. Si le feu ne s'éteint pas tout de suite, QUIT-TEZ LES LIEUX ET APPELEZ LES POMPIERS. b) NE TOUCHEZ JAMAIS UNE CASSEROLE EN FLAMMES. c) N'UTILISEZ JAMAIS DE L'EAU ou un torchon mouillé pour éteindre le feu - ce qui pourrait cause une Explosion de vapeur. d) N'utilisez un extincteur que si: 1. Vous avez un modèle ABC et vous connaissiez bien son mode d'emploi. 2. Le feu est petit et peu repandu. 3. Les pompiers sont déjà prévenus. 4. Vous avez une sortie derrière vous. (^) Basé sur la "cuisine Firesafety incline"édité par NFPA.
TOUTE OUVERTURE DANS LE MUR OU LE PLANCHER À PROXIMATE DE LA HOTTE DOIT ÉTRSCELLÉ
Gardez 24 po. de hauteur entre le bas de la hotte et la surface de cuisson. Cette hauteur minimum peut etre plus haute suivant le code municipal. Par exemple, les cusinières à gaz peuvent requérir 30 po. de hauteur. Les armoires au-dessus de chaque cote devront etre au moins a 18 po. au-dessus de la surface de cuisson. Consultez la fiche technique avant de decouper les armoires.
VENTING REQUIREMENTS
Confirmer la sortie d'évacuation - soit par le mur, soit par le toit.
Utilisez une longueur de tuyauterie minimale avec les moindres de coudes pour la plus grande efficacité. Le diamètre de tuyauterie doit être uniforme. N'installez jamais 2 coudes ensemble. Scellez bien tous les joints avec un ruban adhésifét metallique à l'intérieur et scellez bien le clapet extérieur avec du calfeurtrage.
Utilisez un tuyau d'évacuation rigide lorsque possible. Un tuyau flexible égale deux fois plus qu'un tuyau rigide, ce qui réduit la puissance d'évacuation.
Veillez à ce que l'espace pour le tuyau soit ample - ainsi on n'aurait pas besoin de découvertes les supports de mur interieur. Si ce découvertage est nécessaire, veillez bien à ce qu'un renforcement soit mis en place.
Pour deilleurs résultats,utilisez un tuyau de transition de 9 pouces dEs que possible.
RÉGLEMENTS D'ÉVACUATION ADDITIONELL - PAGE 8.
AVERTISSEMENT - Pour Ne Pas Risquer Un Feu, Utilisez Seulement Les Matériaux Métalliques.
Installations pour régions à climat froid
On devrait installer un clapet antireflux additionnel pour minimiser le reflux d'air froid, et incorporer un élément non métallique d'isolation thermique pour minimiser la conduction de chaleur par l'intermédiaire du conduit d'évacuation, de l'intérieur de la maison à l'extérieur. Le clapet anti-reflux doit être placé du côte air froid par rapport à l'élement d'isolation thermique. L'isolant thermique doit être aussi proche que possible de l'endroit où le système d'évacuation s'introduit dans la partie chauffée de la maison.

AVENTISSEMENT
- Le système d'évacuation DOIT sortir à l'extérieur.
N'EVACUEZ PAS le conduit soit dans une mansarde soit dans un espace enfermé.
N'UTILISEZ PAS un clapet de séchoir à 4 pouces. - N'utilisz pas un conduit flexible.
N'ENCOMBREZ PAS la circulation d'air. - Faute de suivre cet averissement pourrait occasionner un feu.
FICHE TECHNIQUE ÉLECTRIQUE
Le raccordement électrique doit se faire avec un circuit séparé de 15 ampères fusible à 120V, 60 Hz, courant alternant. On recommende un coupe-circuit. La taille du fusible doit se conformer aux codes municipaux suivant la Specification électrique sur la plaque interieure. Le diamètre du fil devra aussi se conformer aux règlements du code national électrique, ANSI/NFPA 70 - ainsi qu'aux règlements locaux et les specifications de cet apparéil. On peut obtenir ces informations chez:
l'Association Nationale de la Prévention du Feu Batterymarch Park
Quincy, Massachusetts 02269
Raccordez cet apparéil directement au coupe-circuit avec un fil flexiblè couvert en cuivre en laissant un peu de l'achement dans le fil pour permettre le déplacement de l' apparéil. Veillez a ce qu'un contact d'un demi-pouce (1/2 po.) soit installé à chaque bout de fil (soit à l' apparéil ainsi qu'à la boite à fusible).
Faites un trou de 1 1/4 po. dans le mur. S'il s'agit d'un trou en bois - sablez-le bien, tandis qu'un trou passant par le métal demande un bouche-trou.
AVERTISSEMENT - POUR RÉDUIRE LE RISQUE D'INCENDIE OU DE CHOC ELECTRIQUE, ne pas utiliser ce ventilateur en konjection avec un dispositif de réglage de vitesse à semi-conducteurs.
AVERTISSEMENT - POUR MINIMISER LES RISQUES D'INCENDIE, CHOC ÉLECTRIQUE OU DOMMAGES CORPORELS, OBSERVER LES PRESCRIPATIONS SUIVANTES: Suivez les recommandations du fabricant et entre en communication avec lui pour toute information.
Fermez le courant avant tout entretien et voirlez a ce qu'il reste fermé. Si on ne peut pas verrouiller le panneaux du service électrique, affichez un avis de danger sur la porte.
AVIS: Pour L'évacuation Générale - Veillez à Ne Pas Evacuer Des Matériaux Ou Vapeurs Explosif.
AVERTISSEMENT - POUR MINIMISER LES RISQUES D'INCENDIE, CHOC ÉLECTRIQUE OU DOMMAGES CORPORELS, OBSERVER LES PRESCRIPATIONS SUIVANTES:L'ssition EtLe Raccordement Electrique Doivent Se Faire Par Un Technicien Qualifie Selon Tous Les Codes Municipaux.
Afin d'obtenir un rendement maximal en ce qui a trait à la combustion ainsi qu'à l'évacuation des gaz par la conduite de cheminée, une bonne aération est nécessaire pour tous les apparèils à combustion. Suívez les conseils et mesures de sécurité du fournisseur tels que ceux publiés par l'Association Nationale de la Sauvegarde contre l'Incendie et l'Association Amérique d'Ingénieurs de Chauffage, Frigorifaction et Air Climatisé ainsi que les codes municipaux.
En perçant un mur veillez à ne pas perforer un autre fil électrique.
Une ventilateur à évacuation extérieure doit être raccordée à l'extérieur.

AVERTISSEMENT
- Une prise à terre est nécessaire pouc cette hotte.
- N'utilise pas un tuyau à l'eau froide pour la mise à terre s'il est branché à un joint plastique, non-métallique ou autre.
- NE JOIGNEZ PAS la mise à terre à conduit de gaz.
- N'INSTALLLEZ PAS un fusible dans le circuit de mise à terre - ce qui peut cause une secousse électrique.
- Vérifiez avec un électricien certifié à ce que la hotter soit bien mise à terre.
- Faute de suivre ces recommendations pourrait occasionner un feu.
Une cheminée supérieure de 40 po
HIGH1
NOTE : Si employant le kit à haut plafond, vous devez canaliser ce capot à l'extérieur de votre maison. La conversion sans canal n'est pas possible en employant ce kit.
Ductless Conversion Kit /
Kit Pour Conversion Du Conduit
Replacement Charcoal Filters / Filtres au Charbon
FILTER2
Panneau de commandes
Le panneau de commandes est situé sur le moyen sous la hotte. La position et la fonction de chaque bouton sont indiquées à la (FIGURE 12)
Bouton marche-arrêt de la lumière (L)
Interrupteur marche-arrêt pour la lumière. Régler à « 1 » pourmettre en circuit (ON) et à « 0 » pourmettre hors circuit (OFF).
Ventilateur autre de bouton (M)
Outre du commutateur pour le ventilateur. Le ventilateur peut etre actionné en appuyant sur les boutons l'uns des de vitesse
Bouton de vitesse du ventilateur (V)
Commande de vitesse pour le ventilateur. Pressez le " de commutateur ; 1" ; pour à vitesse réduite, " ; 2" ; pour la vitesse MOYENNE et le " ; 3" ; pour la vitesse. Maintenez le bouton de la vitesse 3 pendant 5 secondes pour activer la vitesse intensive. Ce qui fonctionne le capot pendant 10 minutes sur la vitesse et renvoie alors la vitesse précédente.

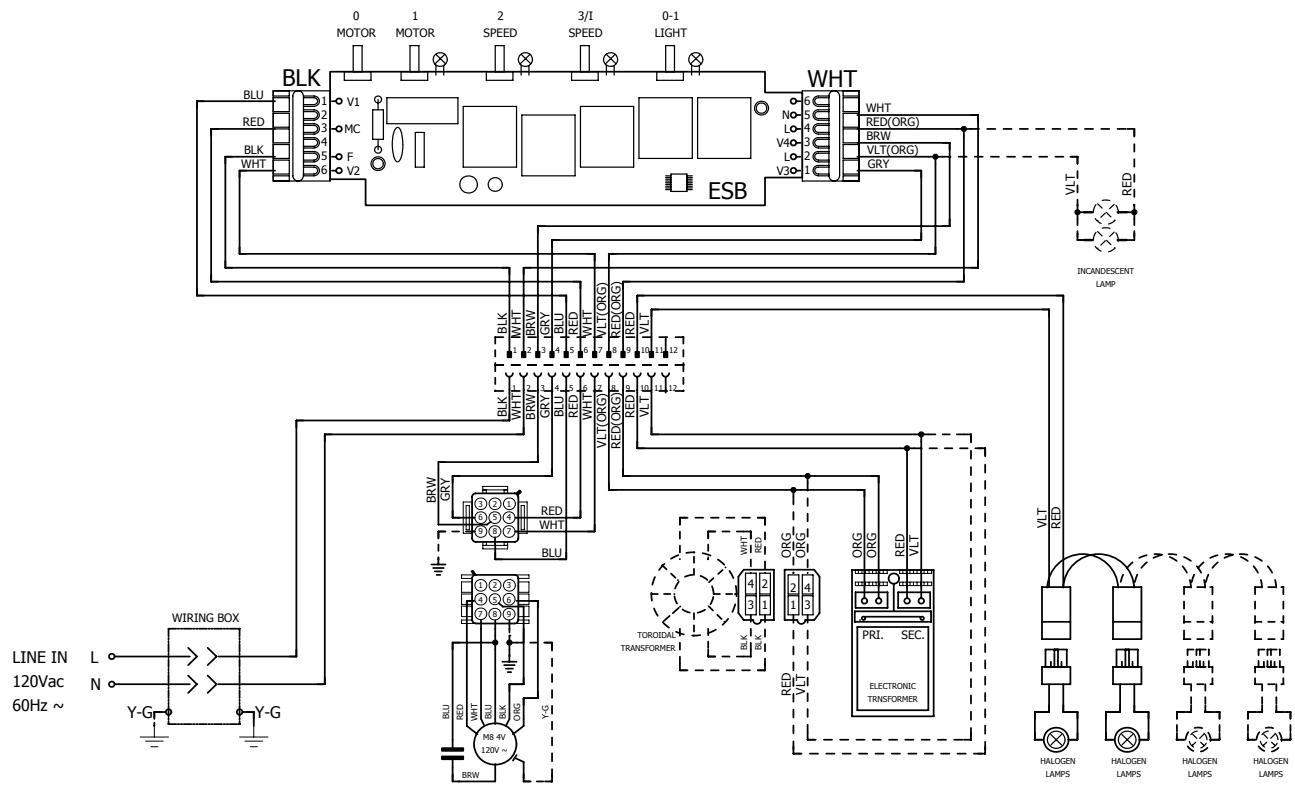
WIRING DIAGRAM FOR 3-SPEED 600 CFM MODEL
DIAGRAMME DE CÂBLAGE MODELE 3 VITESSE 600 PCM
FABER WARRANTY & SERVICE (SAVE FOR YOUR RECORDS)
Pour réduire le risque du feu et correctement à l'air d'échéppement, soyez sur de canaliser l'extérieur d'air - n'exhalez pas l'air d'échéppement dans les.
PLAN DE L'INSTALLATION
Cette hotte peut etre installee avec ou sans conduit. Pour une installation avec conduit, la ventilation peut s'effectuer par le mur ou le plafond. Pour une ventilation par le mur, un coude de 90^ est utilise.
AVERTISSEMENT! AVANT DE FAIRE UNE COUPE OU DES TROUS POUR L'INSTALLATION, DETERMINER QUELLEMÉTHODE DE VENTILATIONSERA UTILISÉE ET CALCULER LES MESURES DE FAÇON PRECISE.
OUTILS NÉCESSAIRES À L'INSTALLATION
- Scie sauteuse ou à découvert
Perceuse - Foret à bois 1 1/4 po
Pinces - Tournevis Phillips
- Tournevis à lame plate
- Dénude fil ou couteau tout usage
- Pince coupante à fil métallique
Ruban à mesurer ou règle
Niveau - Crayon
- Outil à calfeutrer
Ruban a conduit
PIÉCES FOURNIES POUR L'INSTALLATION
- 1 nécessaire de ferrures
1 nécessaire de documentation
PIÉCES NÉCESSAIRES POUR L'INSTALLATION
- 2 connecteurs de conduit
Cable d'alimentation - 1 capuchon de mur ou de toit
Conduit en métal

AVERTISSEMENT
RISQUE DE BLESSURE
À cause du poids et de la dimension de la hotte, deux ou plusieurs personnes sont nécessaires pour déplacer et installer la hotte de façon sécurité.
Si la hotter n'est pas soulevée de façon appropriée, il peut en résultat des dommages au produit ou des blessures.
ASSEMBLAGE DE LA HOTTE
A. HOTTE
B. CHEMINEE SUPERIEURE
C. CHEMINÉE INFÉRIEURE
D. LES VIS DE FIXATIONS
E. FIXATIONS DE CHEMINÉE
F.LE REGISTRE
G. LES VIS DE CHEMINÉE


FIGURE 1
CALCUL DE LONGUEUR DU CONDUIT
La longueur du conduit ne doit jamais excéder 35 pi s'il s'agit de conduit rond de 6 po. Calculer la longueur du conduit en ajoutant l'équivalent en pied de la FIGURE 2 pour chaque piece du conduit du système. Un exemple est donné à la FIGURE 3. Pour deaillesurs résultats, ne pas utiliser plus de trois coudes de 90^ S'assurer qu'il y ait un minimum de 24 po de conduit droit entre les coudes si I'on utilise plus d'un coude. Ne pas installer deux coudes ensemble.
9 pi de conduit droit 9,0 pi
2 Coudes 90^ 10,0 pi
Capuchon demur 0,0pi
Système total 19,0 pi
FIGURE 3
Les cheminées de Gemma sont régibles et conçues pour rencontres des tailles de plafond variables comme indiqué dedans (le SCHEMA 4). Les cheminées peuvent être ajustées à plafonds entre 7^ ; 7^ ; et 8^ ; 10 3/8 ; selon la distance entre le fond du capot et le cooktop (distance X sur le SCHEMA 4).

PREPARATION DU MUR
- Débrancher et enlever la cusinière afin d'avoir un meilleur accès aux armoires supérieures et au mur arrêté. Placer un recouvrement écais sur la plaque de cuisson, la cusinière encastrée ou le dessus du comptoir pour protégger des dommages et de la poussière.
- Déterminer et marquer clairement, à l'aide d'un crayon, la ligne centrale sur le mur où la hotte sera installée.
- Basé sur votre taille de plafond et/ou personnel la préférence, déterminent la distance que vous voudriez entre le fond du capot et le cooktop (VOIR LE SCHEMA 4 ET 5). Les dimensions illustrrent monter la verrière 24" ; au-dessus de la surface à cuire.
NOTE : sinstallant le capot sans canal, n'installez pas la parenthèse supérieure (supérieure) de cheminée jusqu'à après installer le kit sans canal
- Les bats de cheminée par deux parenthèses (E sur le SCHEMA 1). Notez la position des parenthèses. La parenthèse supérieure devrait être installée au sujet de 1/8" ; à partir du plafond. La parenthèse inférieure doit être installée au point inférieur de la douille supérieure de cheminée. Voir le"; Y"; sur le SCHEMA5, et utilisez 2 vis (G sur le SCHEMA 1) pour attacher chacune des parenthèses au mur. Employez la ligne centrale sur le mur comme point moyen pour les parenthèses de cheminée.
- Pour l'installation la plus bloquée, les VIS de SUPPORT (D sur le SCHEMA 1) qui montent la SECTION de VERRIÈRE (A sur le SCHEMA 1) devrait être installé sur le bois. Marquez le mur le long du trait horizontal 4 9/16"; dans de la ligne centrale de chaque côte ( comme indiquédans X - le SCHEMA 5) et installent les VIS de SUPPORT sur le mur partant au sujet de 1 / 4" ; entaillez entre le mur et la tête de la vis.
Déterminez l'endetroit approprié pour chaque parenthèse et installez les parenthèses sur le mur.
ASSUREZ-VOUS QUE LES PARENTHÉSES SONT SOLIDEMENT ATTACHEES AU MUR.
- Détérincez et faites tout le nécessaire coupe dedans le mur pour la canalisation. Installez la canalisation avant le rangehood si canalisant dehors.
- Déterminez l'endetroit approprié pour le cable d'alimentation d'énergie. Employez un 1 1/4" ; Peu de foret pour faire ce trou. Courez le cable d'alimentation d'énergie. Employez le calfeurage pour sceller autour du trou. Ne rétablissez pas le courant jusqu'à ce que l'installation soit complète.

INSTALL THE RANGEHOOD
- Retirer l'appareil de la boîte et le déposer sur une surface plane pour l'assemblage. Couvrir la surface pour éviter tout dommage. Retirer toutes les pieces incluant les ferrures avant de jeter la boîte. (A,B,C in FIGURE 1)
- Retirer les filtres pour laGRAisse de l'appareil et lesmettre dcôté. Retirer les filtres pour laGRAisse en pressant sur la poignée à l'avant du filtre, tel qu'il estillustré à la FIGURE 7. Au moment de les replacer, s'assurer que les filtres soient positionnés adequatement, la poignée vers l'avant et visible.
- Avant de monter la SECTION de VERRIÈRE, serrez les deux les vis de mise à niveau ont place pres des points de montage de SECTION de VERRIÈRE comme indiqué sur le SCHEME 6.
- Accrochez le corps dessus sur les VIS de SUPPORT (D sur le SCHEMA 6) et serrent entiement les VIS de SUPPORT.
- Ajustez les vis de mise à niveau pour niveler la SECTION de VERRIÈRE.

- Brancher le cable d'alimentation sur la hotte. Attacher le fil blanc du cable d'alimentation sur le fil blanc de la hotte avec une cosse. Attacher le fil noir du cable d'alimentation au fil noir de la hotte avec une cosse. Brancher le fil de mise à la terre vert (jaune et vert) sous la vis de mise à la terre verte. Replacer le couvercle du compartment de câblage.
- Pour les installations canalisées, l'amortisseur doit être attaché à l'ouverture d'échémpement sur le dessus de la verrière. Reliez la canalisation et scellez tous les raccordements avec la bande de conduit. Sinstallant le capot sans canal, allez au "; POUR INSTALLATIONS" SANS CANAL ;
- Voir le SCHEMA 1 pour la reférence, la couverture supérieure de cheminée peut être installé avec les trous de passage latéraux sur le dessus vers le plafond, ou renversez la cheminée et cachez les trous sous la cheminée inférieure. Installez la COUVERTURE SUPérieURE de CHEMINÉE (Bsurle SCHEMA 1) en élargissant légèrement les deux côts et en les accrochant derrière les SUPPORTS de CHEMINÉE (e). Fixez les côts aux SUPPORTS de CHEMINÉE avec les 4 VIS (G) de CHEMINÉE. Installez la COUVERTURE INFÉRIEURE de CHEMINÉE (c) en élargissant légèrement les deux côts de la COUVERTURE INFÉRIEURE de CHEMINÉE et en les accrochant entre la COUVERTURE SUPérieURE de CHEMINÉE et le mur en veillant qu'il vacomfortablement. Fixez la COUVERTURE INFÉRIEURE de CHEMINÉE à la SECTION de VERRIÈRE (a) avec 2 VIS (G) de CHEMINÉE.
CONTINUÉZ À TOUTES LES INSTALLATIONS SUR LA PROCHAINE PAGE
POUR LES INSTALLATIONS SANS CANAL
La COUVERTURE SUPÉRIEURE de CHEMINÉE doit être installée d'abord, avant la CHEMINÉE INFÉRIEURE.
Les installations sans canal exigent un kit sans canal de conversion, achete séparément (le SCHEMA 7). Ce kit se compose d'un FILTRE de CHARBONDE BOIS (Asurle SCHEMA 7), un AIGUILAGE SANS CANAL (b) et les MORCEAUX de PROLONGATION (c),
et le MUR d'AIGUILAGE SOUTIENNENT (d), et VIS (e).

1) Voyez que (le SCHEMA8), prolongation d'aiguillage d'etape 1 - reliez B (aiguillage) et C (2-) rassemble, une sur chaque extrémité. Tenez (d) l'appui de mur d'aiguillage sur le mur 1/8'' ; du plafond utilisant la ligne centrale comme point de référence moyen. Utilisant 2 vis, attachez la parenthèse de cheminée sur (e) l'appui de mur d'aiguillage ensemble dans le mur. Étape 2 - Attachez l'aiguillage et les morceaux de prolongation (B, C) à l'appui de mur d'aiguillage avec une vis (e).
2) Employez un peu de canalisation ronde en métal de 6 pouces (achétée séparément), pour relier la sortie de conduit sur la verrière à l'aiguillage sans canal près du plafond. Attachez du ruban adhésiif au conduit au dessus et au bas pour sceller.
3) Étape 3, attachent la cheminée supérieure au dessus et des parenthèses de cheminée du fond, en enveloppant la cheminée derrière les parenthèses de mur, et utilise d'étape 4 que la cheminée visse pour fixer la cheminée aux parenthèses. EnveloppEZ la couverture inférieure de cheminée au-dessus de la couverture supérieure, et vissez la cheminée inférieure à la verrière au fond.




FIGURE 8
CONTINUEZ SANS CANAL INSTALLENT SUR LA PROCHAINE PAGE

4) Installez le FILTRE de CHARBON DE BOIS derrière l'ouverture centrale de filtrre de graisse par l'insertion et le verrouillage sur l'endetrot, comme indiqué sur le SCHEMA9. replacez les filtres de graisse de nouveau dans le fond du capot et cassez dans l'endetrot.
TOUTES LES INSTALLATIONS
Mettre l'alimentation en circuit. Mettre en circuit le ventilateur et la luziere. Si la hotte ne fonctionne pas, vérifier si le disjoncteur n'est pas déclenché ou si le fusible n'est pas grillé. Si l'appareil ne fonctionne toujours pas, débrancher l'alimentation et vérifier si les connexions ont eteffectuees correctement.
UTILISATION ET ENTRETIEN
Cette hotte est conque pour enlever la fumée, les vapeurs de cuisson et les odeurs de la cuisine.
Pour deromeilleurs résultats
Mettre la hotte en circuit avant de commencer la cuisson. Laisser l'appareil fonctionner quelques minutes après la cuisson pour eliminer la fumée et les odeurs de la cuisine.
Nettoyage
Les filtres à graisse en métal devraient être nettoyés féquèment dans une solution d'eau chaude et de détergent oumettre au lave-vaisselle. Utiliser un nettoyant pour l'acier inoxydable sur les hottes en acier inoxydable. Ne pas utiliser de produits abrasifs ou de récurants, car ils peuvent égratigner le fini en acier inoxydable et ils ne devraient pas été employés pour nettoyer les surfaces de finition. Voir le SCHEME 10 pour enlever les filtres de graisse
Remplacement de la lumière halogène
Enlever le dispositif métallique de blocage du verre par encliquetage en exercant une pression sous l'embout en le soutenant d'une main (de la FIGURE 11). Extraire la lampe du support. Remplacer la lampe par une nouvelle ayant le même caractéristiques, ennant soin d'insérer correctement les deux fiches dans le support. Remonter le
dispositif de blocage du verre par encliquetage.


FABER GARANTIE ET SERVICE (ECONOMISER POUR VOS ENREGISTREMENTS)
Faber garantit à l'utilisateur-acheteur d'origine que les produits Faber vendus neufs par nous sont sans vice de matériel et de main-d'oeuvre d'origine pour une période d'un an à partir de la date d'achat. La garantie couvre la main-d'oeuvre et les pieces de remplacement. Afin d'obtenir un service sous garantie, communiquer avec le marchand où la hotte a eté achetée ou le distributeur Faber de la région. Si l'on ne peut trouver de distributeur Faber, communiquer avec nous au (508) 358-5353 afin d'obtenir le nom d'un distributeur dans la région.
Les frais suivants ne sont pas couverts par la garantie Faber :
- Les appeals de service pour corriger l'installation de votre hotte de cuisineire, pour vous indiquer comment utiliser votre hotte de cuisineire, pour remplaner ou réparer les fusibles de votre maison ou pour corriger votre cablage ou votre système de plomberie.
- Les appeals de service pour remplacer ou réparer les ampoules, les fusibles ou les filtres de votre hotte de cuisineire.
- Les réparations lorsque vous hotte de cuisineira a ete utilisee plus que la normale, c'est-à-dire plus que pour une famille par foyer.
- Les dommages résultat d'un accident, de l'altération, d'une mal utilisation, d'un acte de Dieu, d'une installation inappropriée, d'une installation non-conforme aux normes d'électricité ou de plomberie ou d'une utilisation de l'appareil non approuvée par Faber.
- Les pieces de remplacement ou les frais de main d'oeuvre pour les unités utilisées en dehors du Canada ou des États Unis, incluant toutes hotte de cuisineière approuvée par Faber non UL ou C-UL.
- Les réparations dues à des modifications non autorisées sur votre hotspot de cuisineire.
- Les frais de transport de l'appareil pour réparations à distance.
Enregistrez Notre Information Ci-dessous:
Sequentiel #: Date d'achat:
Notice Facile