P34 5 00 X - Table_de_cuisson_gaz BERTAZZONI - Notice d'utilisation et mode d'emploi gratuit
Retrouvez gratuitement la notice de l'appareil P34 5 00 X BERTAZZONI au format PDF.
| Type d'appareil | Plaque de cuisson à gaz |
| Dimensions (L x P) | 860 mm x 500 mm |
| Installation | Encastrable |
| Nombre de foyers | Non précisé |
| Type de gaz | Gaz naturel ou propane |
| Sécurité | Certifiée, avec consignes de sécurité strictes |
| Usage | Usage domestique non professionnel |
| Instructions | Fournies en plusieurs langues, y compris français |
| Précautions | Ne pas utiliser comme chauffage d'appoint |
| Service et installation | Doit être effectué par un professionnel qualifié |
| Garantie | Non précisé |
| Matériaux | Non précisé |
| Type de commandes | Non précisé |
| Nettoyage | Non précisé |
| Consommation énergétique | Non précisé |
| Accessoires fournis | Non précisé |
FOIRE AUX QUESTIONS - P34 5 00 X BERTAZZONI
Téléchargez la notice de votre Table_de_cuisson_gaz au format PDF gratuitement ! Retrouvez votre notice P34 5 00 X - BERTAZZONI et reprennez votre appareil électronique en main. Sur cette page sont publiés tous les documents nécessaires à l'utilisation de votre appareil P34 5 00 X de la marque BERTAZZONI.
MODE D'EMPLOI P34 5 00 X BERTAZZONI
Installation, service et instructions pour l'utilisateur
Tables de cuisson gaz à encastrer


OBSERVER TOUS LES CODES ET LES ORDONNANCES PRINCIPAUX.
ATTENTION: Au cas où les informations dans ce manuel ne seraient pas suivies avec précision, un incendie ou une explosion peut se produire en provoquant des dommages matériels, des blessures ou la mort.
Ne pas stocker ou utiliser d'essence, d'autres vapeurs ou liquides inflammables à proximité de celui-ci ou de n'importe quel autre appareil.
Ce qu'on DOIT FAIRE en cas d'odeur de gaz
- N'essayez d'allumer aucun appareil.
- Ne touchez aucun interrupteur électrique.
- N'utilisez aucun téléphone dans votre établissement.
- Appelez immédiatement votre fournisseur de gaz par le téléphone d'un voisin.
Suivez les instructions du fournisseur de gaz.
- Si vous ne pouvez pas atteindre vos fournisseurs de gaz, appelez les pompiers.
L'installation et le service doivent être exécutés par un installateur qualifié, une agence de service ou par le fournisseur du gaz.
Lisez ce livre d'instructions avant d'installer ou d'utiliser l'appareil.
Le fabricant ne sera responsable d'aucun dommage à la propriété ou aux personnes provoqué par l'installation incorrecte ou l'utilisation inexacte de l'appareil.
Le fabricant se réserve le droit d'apporter des modifications à ses produits au cas où il le jugerait nécessaire ou utile, sans influencer les caractéristiques essentielles de sécurité et de fonctionnement.
Cet appareil a été uniquement conçu pour une utilisation non-professionnelle et domestique.

Jamais utiliser cet appareil comme réchauffeur d'une espace ou d'une chambre. Cette utilisation de l'appareil pourrait provoquer un empoisonnement par le monoxyde de carbone.
Manuel pour l'installation, page 13-14
Insertion de la table de cuisson... page 14
Exigences... page 14
Fixation de la table de cuisson. page 15
Branchement du gaz... page 15
Branchement électrique.. page 16
Schéma de câblage. page 17
Instructions de montage de la protection du fond portant page 17
Ventilation du local. page 18
Positionnement et dégazage. page 18
Remplacement des becs... page 18
Réglage des brûleurs. page 19
Instructions de service et d'entretien. page 19
Instructions pour l'utilisateur. page 20
Descriptions... page 20
Utilisation des brûleurs. page 20-21
Nettoyage de l'appareil. page 21
Manuel pour l'installation
Cet appareil devra uniquement être installé par une personne autorisée. Il devra être installé selon les instructions d'installation des fabricants. IMPORTANT: cet appareil doit être installé selon les normes en vigueur du pays concerné.
L'installation de cet appareil doit se conformer aux codes et aux ordonnances locales. En l'absence de codes locaux, l'installation de cet appareil doit se conformer aux Normes Nationales Américaines, "National Fuel Gas Code" ANSI Z223.1 - dernière édition** ou B149.1.
Au cas où les codes locaux le permettraient, utilisez un dispositif de raccordement en métal flexible avec le nouveau dessin certifié AGA ou CGA, de 1,5 mètres de longueur maximum, 12 I. D. recommandé pour le branchement de cette table de cuisson au conduit d'alimentation des gaz. Ne pliez pas ou n'endommagez pas le connecteur flexible en déplaçant la table de cuisson. Le régulateur de pression a un filetage au pas du gaz femelle de 12. Vous devrez déterminer le raccordement demandé, selon la dimension du conduit d'alimentation des gaz, du connecteur en métal flexible et du robinet d'arrêt.
L'appareil, lorsqu'il est installé, doit être mis à la terre selon les codes locaux ou, en l'absence de ceux-ci, avec le "National Electrical Code", ANSI/NFPA 70.
L'appareil et son robinet d'arrêt individuel doivent être débranchés du système du conduit d'amnée des gaz pendant tous les essais sous pression de ce système à une pression d'essai supérieure à 1/2 psi (3,5 kPa).
L'appareil doit être isolé du système du conduit d'amnée des gaz, en fermant son robinet d'arrêt individuel pendant tous les essais sous pression de celui-ci à une pression égale ou inférieure à 1/2 psi (3.5 kPa).
Pour l'utilisation avec un régulateur de pression. Le régulateur fourni doit être employé avec cet appareil.
Le dispositif de réglage de pression doit être prédisposé pour le gaz avec lequel l'appareil est employé.
Cet apparéil peut être utilisé avec Gaz Naturel ou Gaz LP. Il est livré par l'usine et régle pour l'utilisation avec Gaz Naturel: LES INJECTÉURS FIXE POUR LA CONVERSION DU GAZ SONT PLACE DANS L'EMBALLAGE IN DOTATION AVEC L'APPAREIL.
Le kit d'injecteurs pour le changement du type de gaz est contenu dans l'emballage avec le kit d'installation de la table et le livre d'instructions.
La pression d'alimentation maximum du gaz en entrée dans le régulateur de pression de l'appareil à gaz est de 20" colonne d'eau (w. c.) (5 kPa)
La pression d'alimentation minimum du gaz pour le contrôle du réglage du régulateur doit être au moins de 1" colonne d'eau (w. c.) (249 Pa) au-dessus de la pression du collecteur d'admission à l'appareil spécifiée (cette pression de fonctionnement est de 4" colonne d'eau (1.00 kPa) pour le Gaz Naturel et 11" colonne d'eau (2.75 kPa) pour le Gaz LP).
ATTENTION: Une valve manuelle doit être installée dans une position accessible dans la ligne du gaz externe à l'appareil afin d'ouvrir ou d'arrêter le gaz à l'appareil.
AVERSTISSEMENT: Ne pas utiliser de pulvérisateurs d'aérosol à proximité de cet apparéil lorsqu'il est en fonction.
Insertion de la table de cuisson
Après avoir enlevé les différentes parties libres à l'intérieur et à l'extérieur de l'emballage, assurez-vous que la table de cuisson ne soit pas endommagée et qu'elle soit appropriée pour l'utilisation du gaz spécifique.
L'étiquette du type de gaz se trouve en dessous de la base de la table de cuisson.
En cas de doute, n'employez pas l'appareil et contactez le personnel préposé.
Gardez toutes les pièces de l'emballage (mousse de polystyrène, carton, agrafes, etc.) loin des enfants.
Considérez les dimensions critiques de l'appareil avant d'effectuer une ouverture dans la surface supérieure du banc de travail. (mesures relatives selon la Fig 1-2).
fig.1
fig. 2
1. Distances des meubles suspendus (valeurs minimum)
Les distances minimales doivent être conformes aux valeurs minimales indiquées dans la table n. 1 et sont illustrées dans la fig. 1-2.
Les hottes de cuisine et les ventilateurs aspirant doivent être installées selon les instructions du fabricant. Cependant, dans aucun cas, la distance entre la partie supérieure du brûleur le plus haut de l'appareil de cuisson et la hotte d'aspiration devra être inférieure à 30"(762mm). Voir la Fig.1-2.
N'importe quelle autre surface combustible orientée vers le bas à moins de 600mm vers la partie supérieure du brûleur le plus haut devra être protégée pour sa largeur complète et profondeur de la zone à cuire.
Cependant, dans ce cas, cette distance à n'importe quelle surface devra être inférieure à 173/4"(450mm). La profondeur maximum des armoires suspendues est de 13" (330mm).
2. Distances latérales (valeurs minimum)
Les différentes distances latérales doivent être conformes aux valeurs minimum indiquées dans la table n.1 et illustrées dans la fig. 1-2 La zone de la surface à cuire est définie comme la partie de l'appareil où on fait normalement la cuisson, et n'inclut pas les parties de l'appareil qui contiennent les boutons de contrôle.
Table n.1
| Distances Min. | pouches (mm) |
| L1 | 18 7/8” (480) |
| L2 | 1 9/16“ (40) |
| L3 | 3 3/8” (86) |
| L4 | 18” (457) |
| L5 | 24” (610) |
| L6 | 13” (330) |
| L7 | 33 7/8” (860) |
| L8 | 3/4“ (20) |
| L9 | 3 15/16” (100) |
| Distances Min. | pouches (mm) |
| L10 | 33" (840) |
| L11 | 32" (813) |
| W | 33 7/8" (860) |
| D | 19 2/3" (500) |
| B1 (*) | 1 3/8" (35) |
| B2 (*) | 3 1/2" (90) |
| B3 (*) | 3" (76) |
| B4 (*) | 3 1/2" (90) |
| R | 5 1/8" (135) |
-B1 est la distance minimale entre le bord frontal de l'appareil et le bord frontal de l'armoire. -B2 et B4 sont les distances minimales entre le bord latéral droit/gauche de l'appareil et le mur latéral (si présent). -B3 est la distance minimale entre le bord arrière de l'appareil et le mur arrière.
Fixation de la table de cuisson
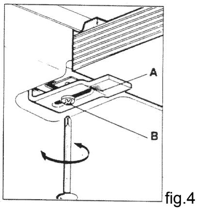
Pour empêcher les liquides de fuir accidentellement dans l'espace de stockage sous-jacent, l'appareil est équipé d'une garniture spéciale. Pour appliquer cette garniture, suivez attentivement les instructions dans la Fig. 3. Disposez les bandes d'étanchéité protectrices le long des bords de l'ouverture du banc de travail et couvrez soigneusement l'extrémité de la bande. (Voir Fig. 3). Insérez la table de cuisson dans l'ouverture du banc de travail. À l'aide d'un tournevis, assemblez les supports A en dessous de la table de cuisson au moyen des vis B. (Voir Fig. 4). Positionnez les crochets dans la position et fixez-les avec les vis.
Recoupez la partie des bandes protectrices qui s'étendent au-delà de la base de la table de cuisson.
fig.3

Branchement du gaz
Avant de brancher l'appareil à l'alimentation gaz, enlevez d'abord le bouchon en plastique qui est monté en force dans le raccord d'admission du gaz ; pour l'enlever, le tirer simplement.
- Vérifiez l'étiquette du "type de gaz" attachée à la table de cuisson. Les détails concernant les dimensions des injecteurs utilisés sont indiqués sur la plaquette des données situées sur la base de l'appareil.
- Cet appeareil devra etre instalé selon les conditions d'installation de l'autorité locale du gaz du code d'installation approprié.
- Avant d'installer la table de cuisson, considé
- Pour les modèles LPG la ligne de distribution de gaz est connectée au régulateur qui est fourni séparément. Le branchement d'entrée a un filtage mâle de 1/2 B. S. P (filtage Whitworth pour tuyaux). IL EST ESSENTIEL QUE LE COUDE SUR L'APPAREIL SOIT FERMEMENT RETENU AVEC UNE CLE LORSQU'ON BRANCHE L'ALIMENTATION. NE PAS SERRER. La pression réglée pour LPG est de 11" colonne d'eau. (Voir Fig. 5A).
- Pour les modèles GN (gaz naturel) la ligne de distribution de gaz est connectée au régulateur qui est fourni séparément. Le branchement d'entrée a un filtage mâle de 1/2" B. S. P. (filtage Whitworth pour tuyaux). IL EST ESSENTIEL QUE LE COUDE SUR L'APPAREIL SOIT FERMEMENT RETENU AVEC UNE CLE LORSQU'ON BRANCHE L'ALIMENTATION. NE PAS SERRER. La pression régée pour GN est de 4" colonne d'eau (Voir Fig. 5A).
- Pour la position d'entrée du gaz de l'appareil, reférez-vous à la Fig 5A et 5B. Àpres avoir installé l'alimentation du gaz et après avoir effectué tous les branchements, contrôlez soigneusement les éventuelles fuites. Tournez tous les boutons de commande de l'unité sur la position 'OFF'. Ouvrez la valve sur l'alimentation du gaz. En utilisant une solution avec du savon et de l'eau contrôlez tous les branchements du gaz, un après l'autre, en frottant la solution sur le raccord. La présence de bulles indiquera une fuite. Serrer le raccordement et recontrôlez les fuites. Au cas où il ne serait pas possible de corriger la fuite, remplacez le raccord. Pour n'importe qu'elle circonceance utilisez des allumettes ou des flammes pour vérifier les fuites.
- Pour vérifier l'introduction de pression dans l'appareil il faut agir comme il suit: a) Disjoindre la courant électrique avant de vérifier la pression. b) Enlever un des chapeaux de brûleurs et la relative tête bruleur au fin d'accé ûleur ensuite ouvrir la relative manette en la gardant poussée à la position maximale, après mesurez la sortie de pression par l'injector du brûleur. d) Quand on a terminé le contrôle de la pression, remettre le chapeau du brûleur et la tête bruleur dans la position originale et correcte et rejoindre la courant électrique à l'appareil.
- Ouvrez le robinet de commande sur l'appareil et allumez chaque brûleur. Vérifiez une flamme bleu-clair sans formation de pointes jaunes. Si les brûleurs montrent quelques anomalies, vérifiez qu'ils soient positionnés correctement et en ligne avec la tête d'injecteur à filage mâle.
- Parfois les brûleurs ne s'enflamment pas immédiatement et semblent 'souffler' légèrement quand ils s'allument. Cela est dû à l'air dans les canalisations de gaz, qui disparaît dans peu de secondes.
- Si après les instructions données, une performance satisfaisante n'a pas été obtenue, contactez l'autorité locale du gaz pour demander conseil et assistance.
Branchement électrique
Le branchement de la table de cuisson au réseau est effectué par le fil électrique et la fiche tripolaire positionnée sous la table de cuisson. L'appareil fonctionne à une tension du réseau de 120V c. a., fréquence 60Hz. L'absorption d'énergie électrique est d'environ 1W.
AVERTISSEMENT: Instructions pour la mise à terre électrique: L'appareil est équipé d'une borne de mise à terre (trois pôles) pour votre protection contre le risque de choc et devra être branché directement à une prise correctement mise à terre. Ne coupez pas ou n'enlevez pas les pôles de cette borne.

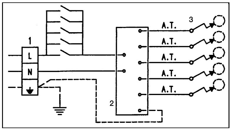
Description du schéma de câblage
- Cosse de cable
- Générateur d'étincelles
- Étincelle d'allumage L. Noir N. Blanc T. Vert (terre)
Instructions de montage de la protection du fond portant

1 VIS M5 2 PROTECTION DU FOND PORTANT 3 RIVET M5 4 FOND PORTANT 5 PLAN DE TRAVAIL
Après avoir installé la table cuisson (5), procéder avec le montage de la protection du fond portant (2) en le plaçant comme indiqué en figure et en le fixant avec les vis en dotation (1) avec les accessoires (3) présents sur le fond portant (4).

Ventilation du local - positionnement et dégazage
NOTE : Un ventilateur extracteur qui aide l'évacuation des produits de la combustion peut être utilisé dans le local où se trouve l'appareil ; en chaque cas il doit être eventuellement installé conformément aux normes nationales en vigueur.
NOTE : Le fonctionnement d'une hotte d'aspiration peut avoir influence sur les autres appareils à gaz qui fonctionnent dans le même local; en chaque cas elle doit être eventuellement installée conformément aux normes nationales en vigueur.
Conversion à différents types de gaz
Avant d'effectuer n'importe quel travail d'entretien, débranche l'appareil de l'alimentation gaz et électrique. Pour le Gaz Naturel, utilisez le régulateur illustré en Fig. 5A. Pour LP Gaz, utilisez celui illustré en Fig. 5A.
- Remplacement des BECS pour l'utilisation avec d'autres TYPES de gaz:
Pour changer les becs des brûleurs, suivez le procédé suivant:
Soulevez les brûleurs et dévissez les becs (Fig. 6) en employant une clé réglable de 7mm et changez les becs avec ceux conçus pour la nouvelle alimentation de gaz, selon les informations fournies dans le TABLEAU A ci-dessous.

fig.7
TABLEAU A: Adaptation aux différents types de gaz
| Gaz | NATUREL (A) | LP (E) | |||||||
| Brûleur | Pressure [i.w.c.] | Diam inj. [1/100mm.] | Débit nom. [BTU/h] | Débit reducti [BTU/h] | Pressure [i.w.c.] | Diam inj. [1/100mm.] | Débit nom. [BTU/h] | Débit reducti [BTU/h] | Diam. bypass [1/100mm.] |
| Auxiliaire | 4" | 0,9 | 3400 | 900 | 11" | 0,54 | 3400 | 900 | 29 |
| Semi-Rapide | 1,18 | 6100 | 1500 | 0,7 | 6100 | 1500 | 37 | ||
| Rapide | 1,55 | 10400 | 3700 | 0,92 | 10400 | 3700 | 58 | ||
| Poisson | 1,55 | 10200 | 4000 | 0,92 | 10200 | 4000 | 61 | ||
| Triple couronne | 1,65 | 11900 | 5300 | 1,02 | 12300 | 5300 | 73 | ||
ATTENTION: gardez les orifices enlevés de l'appareil pour une utilisation future
Réglage du "minimum" sur les brûleurs
Pour régler le minimum sur les brûleurs suivez le procédé indiqué ci-dessous:
1) Allumez le brûleur et mettez le bouton sur la position de MINIMUM (petite flamme). 2) Enlevez le bouton (Fig. 7) du robinet qui est réglé pour la pression standard. Le bouton se trouve sur la barre du robinet-même. 3) Près de la barre du robinet sur le top de travail, insérez un petit tournevis à encoches dans la tige de soupape (Fig. 7) et tournez la vis du réducteur de pression à droite ou à gauche jusqu'à ce que la flamme du brûleur soit réglée de la manière la plus appropriée au MINIMUM. 4) S'assurer que la flamme ne sorte pas en changeant rapidement la position du MAXIMUM en position de MINIMUM.
ATTENTION: Le réglage décrit ci-dessus peut être seulement effectué avec des brûleurs qui emploient le gaz naturel, tandis qu'avec les brûleurs qui emploient le gaz propane, la vis doit être complètement visée, dans le sens des aiguilles d'une montre.
Adaptation du régulateur de pression pour l'utilisation avec des différents types de gaz
Le régulateur de pression fourni avec l'appareil est un régulateur de pression du type convertible pour l'utilisation avec Gaz Naturel à une pression de sortie nominale de 4" w. c. (colonne d'eau) ou LP gaz à une pression de sortie nominale de 11" w. c. (colonne d'eau) et il est prédisposé par l'usine pour fonctionner avec l'un de ces gaz/pression, comme indiqué sur les étiquettes de réglage apposées sur l'appareil, l'emballage et le livre d'instructions.
Pour convertir le régulateur pour l'utilisation avec un gaz différent de celui qui a été arranged, il suffit d'effectuer les opérations suivantes:
1) Dévisser à la main le bouchon en plastique supérieur du régulateur (Fig. 5A). 2) Dévisser à la main la pièce en plastique blanche vissée sous le bouchon en métal susmentionné, ensuite le visser encore dans le sens opposé sous le bouchon en métal (pour la référence du gaz voir l'écriture "LP" et "NAT" avec les flèches relatives sur la partie blanche). 3) Vissser encore à la main le bouchon en métal dans la position originale sur le régulateur.
En opérant de cette façon, le régulateur est transformé pour l'utilisation avec l'autre gaz/pression.
Le service et l'entretien doit seulement être exécutés par une personne autorisée
Pour remplacer les parties telles que les brûleurs, les valves et les composants électriques, la table de cuisson doit être enlevée du banc de travail en libérant les crochets de fixation, desserrant les vis de fixation de chaque brûleur, dévissant les écrous de fixation des crochets de fixation de la table de cuisson qui sont visibles au fond de la surface, enlevant la partie supérieure de la table de cuisson et replaçant ensuite les pièces défectueuses.
Avertissement: si les valves doivent être replacées, désassemblez d'abord les câbles des interrupteurs d'allumage.
Il est recommandé de remplacer les joints de la valve chaque fois que la valve est remplacée, assurant ainsi l'étanchéité parfaite entre le corps et le train de gaz.
ATTENTION: Débranche l'alimentation avant l'entretien de l'unité.
Pour le positionnement de la prise au mur pour le branchement de la borne de mise à terre à trois pôles de l'appareil, voir les indications illustrées en Fig. 1-2
ATTENTION: Après la première installation de l'appareil ou après n'importe quelle intervention d'entretien concernant les parties principales du gaz de l'appareil, effectuez le test de fuite en utilisant de l'eau avec du savon sur les raccordements de gaz pour vérifier l'installation correcte. N'utilisez pas de feu pour le test de fuite du gaz.
Attention:
Maintenir la zone de l'appareil propre et libre des matériaux combustibles, de l'essence et d'autres vapeurs et liquides inflammables.

Jamais utiliser cet appareil comme réchauffeur d'un espace ou d'une chambre. Cette utilisation de l'appareil pourrait provoquer un empoisonnement par le monoxyde de carbone.
Ne stockez aucun matériel dangereux ou inflammable dans les meubles suspendus sur l'appareil ; stockez-les dans un lieu sûr pour éviter les risques potentiels.
Pour une utilisation sûre de l'appareil, ne l'employez pas pour le chauffage des locaux.
N'utilisez pas de pulvérisateurs d'aérosol à proximité de cet appareil lorsqu'il est en fonction.
Pour la description des tables de cuisson, réferez-vous aux instructions d'installation.
TABLES de cuisson
- Brûleur petit
- Brûleur moyen
- Brûleur rapide
- Brûleur double couronne (poêle chinoise)
- Bouton de commande du brûleur frontal à gauche
- Bouton de commande du brûleur frontal à droite
- Bouton de commande du brûleur arrêté à gauche
- Bouton de commande du brûleur arrêté à droite
- Bouton de commande du brûleur central

Utilisation des brûleurs
Un diagramme est gravé sur le tableau de commande sur chaque bouton qui indique quel brûleur correspond à ce bouton.
Allumage manuel:
L'allumage manuel est toujours possible même lorsque l'alimentation est débranchée ou en cas de panne de courant prolongée.
Tournez le bouton qui correspond au brûleur choisi dans le sens contraire des aiguilles d'une montre dans la position de MAXIMUM à l'étoile gravée (flamme large) et mettez une allumette allumée sur le brûleur.
Allumage électrique automatique:
Tournez le bouton qui correspond au brûleur choisi dans le sens contraire des aiguilles d'une montre à la position de MAXIMUM à l'étoile gravée (flamme large) et puis appuyez sur le bouton pour activer l'allumage par étincelle. Une fois qu'il est allumé, continuez à appuyer sur le bouton pendant 10 secondes environ, pour permettre à la flamme de chauffer le thermocouple. Si le brûleur ne reste pas allumé après avoir relâché le bouton, répétez le procédé ci-dessus.
Avertissement: Il est recommandé de ne pas essayer d'allumer le brûleur si le chapeau de la flamme, n'est pas en position correcte.
Suggestions pour une utilisation correcte des brûleuses:
ATTENTION: Pendant l'utilisation de chaque brûleur, réglez la dimension de la flamme du brûleur correctement de façon à ce qu'elle ne se prolonge pas au-delà du bord des ustensiles de cuisine. C'est une instruction basée sur des considérations de sécurité.
- Utilisez les casseroles appropriées pour chaque brûleur (voir la Fig. 16 et le Tableau B)
- Quand le liquide bout, tournez le bouton vers le bas à la position de MINIMUM.
- Utilisez toujours des casseroles avec un couvercle.
Fig.16
Tableau B
| Brûleur | Diamétares recommendés en pouces pour les casseroles (mm) |
| Petit | 35½"-551/8"(90 – 140) |
| Moyen | 551/8"- 1023/8"(140 – 260) |
| Large | 707/8"- 1023/8" (180 – 260) |
| Double couronne (poèle chinoise) | 862/3"-1023/8" (220 – 260) |
Utilisation correcte des cassetoles:
- Essuyez le fond de la casserole avant de la positionner sur la plaque de cuisson.
- Utilisez les pots avec un fond plat et épais, à l'exception de la cuisson avec poêles chinoises.
- Quand vous utilisez les brûleuses, assurez-vous d'avoir positionné correctement les manches des casseroles. Tenir les enfants loin de l'appareil.
- Quand vous cuisinez des mets avec de l'huile ou de la graisse, qui sont très inflammables, l'utilisateur ne devra pas laisser l'appareil sans surveillance.
ATTENTION: Si l'alimentation est découpée, les brûleurs peuvent être allumés avec des allumettes
Les brûleurs équipés d'un thermocouple de sécurité peuvent seulement être allumés lorsque le bouton est en position de MAXIMUM (gravure de flamme large).
Avertissement: L'utilisation d'un appareil de cuisson à gaz produit de la chaleur et de l'humidité dans la chambre où il est installé. Par conséquent, une ventilation appropriée dans la chambre est nécessaire ainsi que les ouvertures normales de ventilation qui doivent être sans obstructions et doivent activer les ventilateurs à tirage d'air/hottes d'aspiration. Une utilisation intensive et continue de l'appareil peut exiger une ventilation additionnelle, par exemple en ouvrant une fenêtre, ou en augmentant la puissance du ventilateur à tirage d'air/hotte d'aspiration, si installés.
N'utilise jamais de produits à nettoyer abrasifs
Avant le nettoyage de l'appareil, il faut le débrancher du réseau électrique.
Nettoyage de la surface de travail : nettoyez périodiquement les têtes des brûleurs, les grilles en fonte et les chapeaux des brûleurs en utilisant de l'eau chaude.
Tous les débordements qui se vérifient doivent être enlevés aussitôt que possible en utilisant un chiffon.
S'il devient difficile d'ouvrir ou fermer une valve, ne la forcez pas, mais demandez immédiatement l'assistance du personnel du service technique.
Nettoyage des parties émaillées: Les parties émaillées devront être nettoyées régulièrement avec de l'eau savonneuse. N'utilisez jamais de poudres abrasives. Ne laissez pas de substances acides ou alcalines sur les parties émaillées (comme par exemple du vinaigre, jus de citron, sel, sauce de tomate, etc.) et ne lavez pas les parties émaillées lorsqu'elles sont encore chaudes.
Nettoyage des parties en acier inox: Nettoyez les parties avec de l'eau savonneuse et séchez-les en utilisant un chiffon mou. La brillance est maintenue en utilisant périodiquement des produits spécifiques pour nettoyage d'acier inox. N'employez jamais de poudres abrasives. Utilisez le même produit spécifique pour éliminer la colle qui reste après l'enlèvement de la pellicule bleu de protection du table travail.
Nettoyage des chapeaux des brûleurs : Soulevez les chapeaux des brûleurs des têtes des brûleurs, lavez-les dans l'eau savonneuse et séchez-les soigneusement. Avant le remplacement sur la tête du brûleur, assurez-vous que les trous ne soient pas obstrués.
ATTENTION : pour toutes autres informations sur le nettoyage de l'appareil, contactez le détaillant où vous avez acheté l'appareil.
Service après vente:
Voir les informations ci-dessous pour le service après-vente.
Se référer au certificat de garantie pour les conditions de la garantie.
Revendeur / Importateur:
Nom, adresse, téléphone
| CENTRES DE SERVICE | |
| Nom | TEL录取 |
VIA PALAZZINA, 8 - 42016 GUASTALLA (REGGIO E.) ITALY
Tél. 0522/226411 - fax 0522/226440 - http://www.bertazzoni-italia.com
| Number drawing Ref. vue écle | Code Composan | Description | Composant | |
| 1 | 601620 | CABLAGE | CIRCUIT DIAGRAM | 1 |
| 13 | 510506 | COUPE BRULEUR CORONNE | ULTRA RAPID BURNER | 1 |
| 13 | 510507 | COUPE BRULEUR PETIT | SMALL BURNER | 1 |
| 13 | 510508 | COUPE BRULEUR MOYEN | SEMI RAPID BURNER | 2 |
| 13 | 510509 | COUPE BRULEUR RAPID | RAPID BURNER | 1 |
| 14 | 504108 | TETE BRULEUR COURONNE | ULTRA RAPID FLAME SPREADER | 1 |
| 14 | 504128 | TETE BRULEUR PETIT | SMALL FLAME SPREADER | 1 |
| 14 | 504129 | TETE BRULEUR MOYEN | MEDIUM FLAME SPREADER | 2 |
| 14 | 504130 | TETE BRULEUR RAPID | RAPID FLAME SPREADER | 1 |
| 15 | 504158 | COUVERCLE COURONNE AVG | COVER OUT FOR ULTRA RAPID FLAME SPREADER | 1 |
| 15 | 504159 | COUVERCLE COURONNE AVG | COVER IN FOR ULTRA RAPID FLAME SPREADER | 1 |
| 15 | 504160 | COUVERCLE PETIT AVD | COVER FOR SMALL FLAME SPREADER | 1 |
| 15 | 504161 | COUVERCLE MOYEN ARD ARG | COVER FOR MEDIUM BURNER | 2 |
| 15 | 504162 | COUVERCLE RAPID | COVER FOR RAPID BURNER | 1 |
| 22 | 202365 | FOND | LOAD BEARING BOTTOM | 1 |
| 23 | 202359 | PROTECTION DU FOND PORTANT | DOUBLE CARTER P9 | 1 |
| 32 | 505050 | RACCORD COUDE | ELBOW | 1 |
| 36 | 202271 | CROCHET DE FIXAGE | FIXING HOOK | 4 |
| 160 | 309130 | CLAMEAUX FIXAGE ROBINETS | BRIDLE FOR FIXING GAS VALVES | 5 |
| 163 | 502174 | ROBINET BP029 | GAS VALVE BY-PASS029 +MICRO FOR IGNITION | 1 |
| 163 | 502175 | ROBINET BP037 | GAS VALVE BY-PASS037 +MICRO FOR IGNITION | 2 |
| 163 | 502176 | ROBINET BP058 | GAS VALVE BY-PASS058 +MICRO FOR IGNITION | 1 |
| 163 | 502178 | ROBINET BP073 | GAS VALVE BY-PASS073 +MICRO FOR IGNITION | 1 |
| 313 | 301073 | VIS M5X10 | SCREW 5MAX10 TCT | 4 |
| 385 | 306024 | RESSORT DE FIXATION BOUGIE | STOP SPRING FOR SPARK PLUG | 5 |
| 415 | 415054 | BOUGIE ALLUMAGE FIL 350MM | SPARK PLUG 350MM | 2 |
| 415 | 415057 | BOUGIE ALLUMAGE FIL 700MM | SPARK PLUG 700MM | 2 |
| 415 | 415066 | BOUGIE ALLUMAGE BRULEUR COURONNE AVG | SPARK PLUG FOR ULTRA RAPID BURNER | 1 |
| 421 | 411044 | GARNITUDE POUR RACCORD | RUBBER FOR PIPE | 2 |
| 430 | 415065 | ALLUMAGE | ACCUMULATOR | 1 |
| 583 | 508021 | THERMOCOUPLE BRUL. 600MM | TERMOCOUPLE MM600 | 2 |
| 583 | 508025 | THERMOCOUPLE BRUL. 300MM | TERMOCOUPLE MM300 | 2 |
| 583 | 508031 | THERMOCOUPLE BRULEUR COURONNE | TERMOCOUPLE | 1 |
| 648 | 601990 | BOITE A BORNES | TERMINAL SEPARATOR | 1 |
| 723 | 411070 | GARNTURE | GASKET | 5 |
| 943 | 308031 | BOUCHON EN CAOUTCHOUÇ POUR GRILLE FONTE | BUMPER FOR PAN SUPPORT | 4 |
| 961 | 408054 | GRILLE EN FONTE | CAST IRON GRID 2 BURNERS | 2 |
| 961 | 408056 | GRILLE EN FONTE | CENTRAL CAST IRON GRID | 1 |
| 1031 | 401861 | POIGNEE | KNOB | 5 |
| 1624 | 210202 | SUPPORT INOX | WORK TABLE | 1 |
| 1627 | 501398 | RAMPE ALIMENTATION | GAS COLLECTOR P910/P990 | 1 |
| 1628 | 501472 | TUYAU BRULEUR | TUBE FOR SMALL BURNER | 1 |
| 1629 | 501475 | TUYAU BRULEUR | TUBE FOR RAPID BURNER | 1 |
| 1630 | 501473 | TUYAU BRULEUR | TUBE FOR RIGHT BACK BURNER | 2 |
| 1632 | 501477 | TUYAU BRULEUR | TUBE FOR CENTRAL BURNER | 1 |

Notice Facile