P34 5 00 X - Gas cooktop BERTAZZONI - Free user manual and instructions
Find the device manual for free P34 5 00 X BERTAZZONI in PDF.
Download the instructions for your Gas cooktop in PDF format for free! Find your manual P34 5 00 X - BERTAZZONI and take your electronic device back in hand. On this page are published all the documents necessary for the use of your device. P34 5 00 X by BERTAZZONI.
USER MANUAL P34 5 00 X BERTAZZONI
Installation, Service and User Instructions (instruction en français page 12)
Built-in gas hotplates
BERTAZZONI


DIMENSIONS: 33 7 / 8" (860 mm)(W) x 192/3" (500 mm)(D)
Models P34 5 00 X
[P910..T4X5D]
IMPORTANT: SAVE FOR LOCAL ELECTRICAL INSPECTOR'S USE. READ AND SAVE THESE INSTRUCTIONS FOR FUTURE REFERENCE. OBSERVE ALL GOVERNING CODES AND ORDINANCES.
WARNING: If the information in this manual is not followed exactly, a fire or explosion may result causing property damage, personal injury or death.
Do not store or use gasoline or other flammable vapors and liquid in the vicinity of this or any other appliance.
WHAT TO DO IF YOU SMELL GAS
- Do not try to light any appliance.
- Do not touch any electrical switch.
- Do not use any phone in your building.
- Immediately call your gas supplier from a neighbor's phone. Follow the gas supplier's instructions.
- If you cannot reach your gas suppliers, call the fire department.
Installation and service must be performed by a qualified installer, service agency or the gas supplier.
Read this instruction booklet before installing and using the appliance.
The manufacturer will not be responsible for any damage to property or to persons caused by incorrect installation or improper use of the appliance.
The manufacturer reserves the right to make changes to its products when considered necessary and useful, without affecting the essential safety and operating characteristics.
This appliance has been designed for non-professional, domestic use only.

WARNING
NEVER use this appliance as a space heater to heat or warm the room. Doing so may result in carbon monoxide poisoning.
INDEX:
Installation manual.. .pag.2
Inserting the hotplate. .pag.3
Requirements.. pag.3-4
Attaching the hotplate.. .pag.4
Gas connection. pag.4-5-6
Electrical connection. .pag.6
Wiring diagrams.. .pag.6
Instructions for assembly of load bearing bottom protection.. pag.6-7
Room ventilation.. .pag.7
Location and venting. .pag.7
Replacement of nozzles.. .pag.7
Regulation of burners.. .pag.8
Service & maintenance instructions.. .pag.8
User instructions.. pag.9
Descriptions.. .pag.9
Using burners.. .pag.9-10
Cleaning the appliance. .pag.10
Installation manual
This appliance shall only be installed by an authorized person. This appliance shall be installed in accordance with the manufacturers installation instructions, IMPORTANT: this appliance must be installed in accordance with the norms in force of the country concerned.
The installation of this appliance must conform to local codes and ordinances. In the absence of local codes, Installations must conform to American National Standards, National Fuel Gas Code ANSI Z223.1 – latest edition** or B149.1.
If local codes permit, a flexible metal appliance connection with the new AGA or CGA certified design, max. 5 feet (1,5 m) long, 12 I.D. recommended for connecting this cooktop to the gas supply line. Do not bend or damage the flexible connector when moving the cooktop. The pressure regulator has 12 female pipe thread. You will need to determine the fitting required, depending on the size of your gas supply line, the flexible metal connector and the shutoff valve.
The appliance, when installed, must be electrically grounded in accordance with local codes or, in the absence of local codes, with the National Electrical Code, ANSI/NFPA 70.
The appliance and its individual shutoff valve must be disconnected from the gas supply piping system any pressure testing of that system at test pressure in excess of 12 psi (3,5 kPa).
The appliance must be isolated from the gas supply piping system by closing its individual manual shutoff valve during any pressure testing of the gas supply piping system at test pressures equal to or less than 12 psi (3.5 kPa).
For use with a pressure regulator. The regulator supplied must be used with this appliance.
The gas appliance pressure regulator must be set for the gas with which the appliance is used.
This appliance can be used with Natural Gas and LP Gas. It is shipped from the factory adjusted for use with Natural Gas: CONVERSION FIXED ORIFICES ARE LOCATED IN THE LITERATURE PACK SUPPLIED WITH THE UNIT.
Injectors kit for the change of type of gas are contained inside the package jointly with the hob installation kit and Instruction booklet.
The maximum inlet gas supply pressure incoming to the gas appliance pressure regulator is 20” water column (5 kPa).
The minimum gas supply pressure for checking the regulator setting shall be at least 1" w.c. (249 Pa) above the inlet specified manifold pressure to the appliance (this operating pressure is 4" w.c. (1.00 kPa) for Natural Gas and 11" w.c. (2.75 kPa) for LP Gas).
ATTENTION: A manual valve shall be installed in an accessible location in the gas line external to the appliance for the purpose of turning on or shutting off gas to the appliance
WARNING: Do not use aerosol sprays in the vicinity of this appliance while it is in operation
Inserting the hotplate
After having removed the various loose parts from the internal and external packing, make sure that the hotplate in not damaged and is suitable for the specific gas usage. The gas type label is on the underside of the hotplate base.
In case of doubt, do not use the appliance and contact skilled personnel.
Keep all the packing parts (polystyrene foam, cardboard, staples, etc.) away from children.
Consider the critical dimensions of the appliance, before making an opening in the top surface of the bench top. (relative measurements as per Fig 1-2).

fig.1

Requirements
1. Overhead clearances (Minimum values)
The minimum overhead clearances shall be in accordance with the minimum values indicated in the table n.1 and are shown and in the fig. 1-2
Range hoods and exhaust fans shall be installed in accordance with the manufacturer's instructions. However, in no case shall the clearance between the top of the highest burner of the cooking appliance and the range hood be less than 30" (762mm). See Fig. 1-2.
Any other downward facing combustible surface less than 600mm above the top of the highest burner shall be protected for the full width and depth of the cooking surface area.
However, in no case shall this clearance be less than 173/4 (450mm.)
Maximum depth for the overheads cabinet is 13" (330mm)
2. Side clearances (Minimum values)
The different side clearances shall be in accordance with the minimum values indicated in the table n.1 and are shown and in the fig. 1
The cooking surface area is defined as that part of the appliance where cooking normally takes place and does not include those parts of the appliance containing control knobs.
Table n.1
| Min. Clearances | inches (mm) |
| L1 | 18 7/8” (480) |
| L2 | 1 9/16“ (40) |
| L3 | 3 3/8” (86) |
| L4 | 18” (457) |
| L5 | 24” (610) |
| L6 | 13” (330) |
| L7 | 33 7/8” (860) |
| L8 | 3/4“ (20) |
| L9 | 3 15/16” (100) |
| Min. Clearances | inches (mm) |
| L10 | 33" (840) |
| L11 | 32" (813) |
| W | 33 7/8" (860) |
| D | 19 2/3" (500) |
| B1 (*) | 1 3/8" (35) |
| B2 (*) | 3 1/2" (90) |
| B3 (*) | 3" (76) |
| B4 (*) | 3 1/2" (90) |
| R | 5 1/8" (135) |
(*) Note:
-B1 is the min. clearance between the front edge of the appliance and the front edge of the cabinet.
-B2 and B4 are the min. clearance between the left/right side edge of the appliance and the side wall (if present).
-B3 is the min. clearance between the back edge of the appliance and the back wall.
Attaching the hotplate
To prevent liquids from leaking accidentally into the underlying storage space, the appliance is equipped with a special gasket. To apply this gasket, carefully follow the instructions in Fig. 3. Lay out the protective sealing strips along the edges of the opening in the bench top and carefully overlap the strip end. (See Fig. 3). insert the hotplate into the bench top opening. With a screwdriver assemble the brackets A to the hotplate bottom by means of the screws B. (See Fig. 4). Slide the hooks into position and secure them with the screws.
Trim the part of the sealing strips which extend beyond the hotplate base

Gas connection
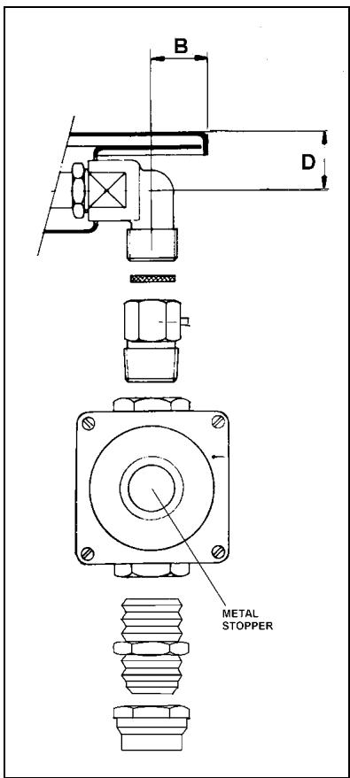
Before connecting the appliance to the gas supply, first remove the plastic plug on which is press-fitted into the gas inlet union; to remove, just pull it off.
- Check the 'gas type' sticker attached to the hotplate. Details of the injector sizes used are recorded on the data plate located on the base of the appliance.
- This appliance shall be installed in accordance with installation requirements of the local gas authority of the appropriate installation code.
-
Before installing the hotplate consider the location of the gas supply and routing the gas line.(Refer fig.5B)
-
For LPG models the gas supply is connected to the regulator which is supplied loose. The inlet connection has a 1/2 B.S.P. male thread. IT IS ESSENTIAL THAT THE ELBOW ON THE APPLIANCE BE HELD FIRMLY WITH A SPANNER WHEN CONNECTING THE SUPPLY. DO NOT OVER TIGHTEN. The regulated pressure For LPG is 11" w.c. (See Fig. 5A).
- For NG models the gas supply is connected to the regulator which is supplied loose. The inlet connection has a 1/2 B.S.P. male thread. IT IS ESSENTIAL THAT THE ELBOW ON THE APPLIANCE BE HELD FIRMLY WITH A SPANNER WHEN CONNECTING THE SUPPLY. DO NOT OVER TIGHTEN. The regulated pressure For NG is 4 w.c. (See Fig. 5A).
- For gas inlet position of appliance refer Fig 5A and 5B. After installing the gas supply and making all connections check thoroughly for possible leaks. Turn all control knobs on the unit to 'OFF' position. Open the valve on the gas supply. Using a soap and water solution check each gas connection one at the time, by brushing the solution over the connection. Presence of bubbles will indicate a leak. Tighten the fitting and re-check for leaks. If it is not possible to correct the leak, replace fitting. Under no circumstances use matches or flame for checking leaks.


Fig.5A
Fig.5B
| Inches | mm | |
| A | 1 9/16” | 45 |
| B | 8 1/4” | 210 |
| C | 8 1/2” | 215 |
| D | 1/8” | 22 |
- To checking inlet pressure at the appliance operate as follow:
a) Disconnect electric power before pressure checking be carried out.
b) Take off one of the gas burner cap and the relative flame spreader in order to get access to the burner injector.
c) Put in position the pressure detector directly on the burner injector afterward open the relative burner knob at maximum position keeping it pressed, then measure the outlet pressure from the burner injector.
d) Once the pressure checking has been carried out, replace the burner cap and flame spreader in the correct and original position and re-connect electric power to the appliance.
-
Turn on appliance control cock and light each burner. Check for a clear blue flame without yellow tipping. If burners show any abnormalities check that they are located properly and in line with the injector nipple.
-
Sometimes the burners will not ignite immediately and seem to 'blow' slightly when they do ignite. This usually due to air in the gas lines, which will clear itself within seconds.
- If after following the instructions given, satisfactory performance cannot be obtained, contact the local gas authority for advice and assistance.
Electrical connection
The connection of the hobs to mains is effected via the flex and the three pin plug located underneath the hotplate. The appliance operates at a main voltage of 120V a.c., frequency 60Hz. Electric power absorption is about 1W.
WARNING: Electrical Grounding Instructions: This appliance is equipped with a (three-prong) grounding plug for your protection against shock hazard and should be plugged directly into a properly grounded receptable. Do not cut or remove the grounding prong from this plug.
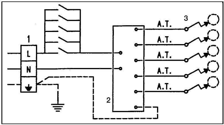
Wiring diagrams

Wiring diagram description
- Cable terminal
- Spark generator
- Ignition spark
L. Black
N. White
T. Green (earth)
Instructions for assembly of load bearing bottom protection

1 SCREW M5
2 LOAD BEARING BOTTOM PROTECTION
3 RIVET M5
4 LOAD BEARING BOTTOM
5 WORK TABLE
After the installation of the hob (5) proceed with the assembly of the load bearing bottom protection (2) placing it in the position showed in picture and fixing it with screws supplied (1) with inserts (3) present on the load bearing bottom (4).

SECTION VIEW OF THE RIGHT ASSEMBLY
Room ventilation – Location and venting.
ATTENTION: An exhaust fan may be used with the appliance; in each case it shall be installed in conformity with the national standards in force.
ATTENTION: Exhaust hood operation may affect other vented appliances; in each case it shall be installed in conformity with the national standards in force.
Conversion to different types of gas
Before carrying out any maintenance work, disconnect the appliance from the gas and electric supply. For Natural Gas fit regulator assembly described in Fig. 5A. For LP Gas fit assembly described in fig. 5A.
- CHANGING THE NOZZLES FOR USE WITH OTHER TYPES OF GAS:
To change the nozzles of the burners use the following procedure:
Lift up the burners and unscrew the nozzles ( Fig. 6) using an adjustable spanner of 7mm and change the nozzles with those designed for the new gas supply according to the information given in TABLE A shown below.


TABLE A: Adapting to different types of gas
| Gas | NATURAL (A) | LP (E) | |||||||
| Burner Type | Pressure [i.w.c.] | Inj. size 1/100mm | Input Rate [BTU/h] | Simmer Rate [BTU/h] | Pressure [i.w.c.] | Inj. size 1/100mm | Input Rate [BTU/h] | Simmer Rate [BTU/h] | By-pass size [1/100mm] |
| Auxiliary | 4" | 0,90 | 3400 | 900 | 11" | 0,54 | 3400 | 900 | 29 |
| Semi-Rapid | 1,18 | 6100 | 1500 | 0,70 | 6100 | 1500 | 37 | ||
| Rapid | 1,55 | 10400 | 3700 | 0,92 | 10400 | 3700 | 58 | ||
| Fish | 1,55 | 10200 | 4000 | 0,92 | 10200 | 4000 | 61 | ||
| Triple Ring | 1,65 | 11900 | 5300 | 1,02 | 12300 | 5300 | 73 | ||
CAUTION: save the orifices removed from the appliance for future use
Regulation of burners
Regulation of the "MINIMUM" on the burners
To regulate the minimum on the burners carry out the following procedure indicated below:
1) Turn on the burner and put the knob onto position MINIMUM ( small flame ).
2) Remove the knob ( Fig. 7) of the tap which is set for standard pressure. The knob is found on the bar of the tap itself.
3) Beside the tap bar on the work top, insert a small slotted screwdriver into the hole on the vale rod (Fig. 7) and turn the choke screw to the right or left until the flame of the burner is regulated in the most suitable way to MINIMUM.
4) Make sure that the flame does not go out when changing the position quickly from MAXIMUM to the MINIMUM position.
ATTENTION: The regulation described above can be carried out only with burners using natural gas, while with burners using propane gas the screw must be fully screwed in, in a clockwise direction.
Adaptation of the pressure regulator for use with different type of gas
The pressure regulator supplied with the appliance is a convertible type pressure regulator for use with Natural Gas at a nominal outlet pressure of 4" w.c. or LP gas at a nominal outlet pressure of 11" w.c. and it is pre-arranged from the factory to operate with one of these gas/pressure as indicated in the pre-arranging labels affixed on the appliance, package and Instruction booklet.
To convert the regulator for use with the other gas different from which one it is pre-arranged it is enough to perform the following operations:
1) Unscrew by hand the upper metal stopper of the regulator (Fig. 5A).
2) Unscrew by hand the white plastic piece screwed under the above mentioned metal stopper, afterward screw it again in opposite way under the metal stopper (for gas reference see the written "LP" and "NAT" with relative indicating arrows on the white piece).
3) Screw again by hand the metal stopper in the original position on the regulator.
Operating in this way the gas regulator is converted for use with the other gas/pressure.
Service & maintenance instructions
Service and maintenance only to be carried out by an authorised person
To replace parts such as burners, valves and electric components, the hotplate must be removed from the bench top by releasing the attachment hooks, loosening the attachment screws of each burner, unscrewing the hotplate attachments nuts which are visible at the bottom of the surface, removing the hotplate top and finally replacing the defective parts.
Note: if the valves must be replaced, first disassemble the ignitions switches wires.
It is recommended to replace the valve gaskets each time the valve is replaced, thus ensuring a perfect seal between the body and the gas train.
WARNING: Disconnect power before servicing unit.
For the location of the wall receptable for the connection of the three-pin earthed plug of the appliance, see indications given in Fig. 1-2
WARNING: After first installation of the appliance or after any service intervention concerning main gas parts of the appliance, make the leak test using water with soap on the gas connections in order to verify the correct installation. Do not use fire for gas leak testing.
User instructions
WARNING:
Keeping appliance area clear and free from combustible materials, gasoline and other flammable vapors and liquid.

WARNING
NEVER use this appliance as a space heater to heat or warm the room. Doing so may result in carbon monoxide poisoning.
Do not store dangerous or flammable material in the cabinet areas above appliance; store them in a safe place in order to avoid potential hazards.
For safe use of appliance, do not use it for space heating.
Do not use aerosol sprays in the vicinity of this appliance while it is in operation
For description of hotplates refer to installation instructions.
Descriptions
DESCRIPTEV CAPTION FOR HOB
- Small Burner
- Medium burner
- Rapid burner
- Double ring (wok) burner
- Fish burner
- Front left side burner control knob
- Front right side burner control knob
- Back left side burner control knob
- Back right side burner control knob
10.Middle burner control knob

Using burners
A diagram is etched on the control panel above each knob which indicates which burner corresponds to that knob.
Manual ignition:
Manual ignition is always possible even when the power is cut off or in the event of prolonged power failure.
Turn the knob that corresponds to the burner selected counterclockwise to the MAXIMUM position at the etched star (large flame) and place a lit match up to the burner.
Automatic electric ignition:
Turn the knob that corresponds to the burner selected counterclockwise to the MAXIMUM position at the etched star (large flame) and then press the knob down to activate the spark ignition. Once ignited, keep pressing the knob for about 10 seconds to allow the flame to heat the thermocouple. If the burner does not remain alight after releasing the knob repeat the above procedure,
Note: It is recommended not to try to ignite the burner if the relative flame cap is not in the correct position
Tips for using burners correctly:
WARNING: During use of each gas burner(s) adjust the burner flame size properly so it does not extend beyond the edge of the cooking utensil. This is an instruction based on safety considerations
- Use suitable pots for each burner (see Fig. 16 and Table B)
- When the liquid is boiling, turn down the knob to the MINIMUM position.
- Always use pots with a cover.

Fig.16
Table B
| Burner | Recommended pan diameters inches (mm) |
| Small | 35½"-551/8"(90 – 140) |
| Medium | 551/8"- 1023/8"(140 – 260) |
| Large | 707/8"- 1023/8"(180 – 260) |
| Double ring (wok) | 862/3"-1023/8" (220 – 260) |
Correct usage of pans:
- Dry the bottom of the pan before placing it on the hotplate.
- Use pots with a flat, thick bottom, except for wok cooking.
- When using the burners, ensure that the handles of the pans are correctly positioned. Keep children away from the appliance.
- When cooking foods with oil and fat, which are very flammable, do not leave the appliance unattended.
WARNING: If the power is cut off, the burners can be lit with matches.
The burners equipped with a safety thermocouple can only be lit when the knob is in the MAXIMUM position (large flame etching).
Note: The use of a gas cooking appliance produces heat and humidity in the room where it is installed. Therefore, proper ventilation in the room is needed and natural ventilation openings must remain unobstructed and activating the mechanical exhaust fan/range hood. Intensive and continuous use of the appliance may require additional ventilation, for example by opening a window, or increasing the power of the mechanical exhaust fan/range hood, if installed.
Cleaning the appliance:
Never use abrasive cleaners
Before cleaning the appliance it should be disconnected from the power supply.
Cleaning the work surface: periodically clean the burner heads, the cast iron pan supports and the burner caps using warm water.
Any spillage must always be removed as soon as possible using a rag.
If it become difficult to open or close a valve, do not force it, but immediately request the assistance of the technical service personnel.
Cleaning the enamelled parts: Enamelled parts should be cleaned frequently with soapy water. Never use abrasive powder. Do not leave acidi or alkaline substances on the enamelled parts (such as vinegar, lemon juice, salt, tomato sauce, etc.) and do not wash the enamelled parts while they are still hot.
Cleaning the stainless steel parts: Clean the parts with soapy water and dry them with a soft cloth. The shine is maintained by periodically using specific stainless steel cream cleaner. Never use abrasive powders. Use specific stainless steel cream cleaner to eliminate the glue remains after the elimination of the blue plastic protection film on the worktop after installation.
Cleaning the burner caps: Lift the burner caps from the burner heads and wash them in soapy water and dry thoroughly. Before replacement on the burner head ensure that the holes are not clogged.
ATTENTION: for further details about cleaning of the appliance, please contact your appliance retailer.
AFTER SALE SERVICE:
Please note here below details for after save service.
Refer to warranty certificate for warranty conditions
Dealer/Importer:
Name, address, phone
| SERVICE CENTERS | |
| Name | Phone |
MANUFACTURER:
BERTAZZONI SPA
VIA PALAZZINA, 8 - 42016 - GUASTALLA (REGGIO E.) ITALY
Tel. 0522/226411 - telefax 0522/226440 - http://www.bertazzoni-italia.com
DIMENSIONS: 33 7 / 8" (860 mm)(W) x 192/3" (500 mm)(D)
Modèles P34 5 00 X
[P910..T4X5D]
IMPORTANT: A CONSERVER POUR L'UTILISATION DE L'INSPECTEUR ELECTRIQUE LOCAL.
LIRE ET CONSERVER CES INSTRUCTIONS POUR LES REFERENCES FUTURES.
EasyManual