RBT 320 DA - Radiateur S.PLUS - Notice d'utilisation et mode d'emploi gratuit
Retrouvez gratuitement la notice de l'appareil RBT 320 DA S.PLUS au format PDF.
| Type | Double allure |
| Modèle | RBT 200 DA – 320 DA |
| Température de fonctionnement | Basse température |
| Usage | Chauffage |
| Installation | Par professionnel qualifié |
| Compatibilité gaz | Vérifier selon conditions locales |
| Risque d'installation | Ne pas installer dans locaux à risque d'explosion |
| Interdiction | Arrêt par fermeture alimentation gaz interdit |
| Arrêt autorisé | Arrêt électrique uniquement |
| Normes | Conforme aux normes en vigueur |
| Entretien | Manuel d'installation et d'entretien fourni |
| Utilisation recommandée | Locaux sans vapeurs ou solvants |
| Protection | Éviter poussières combustibles |
| Fabricant | Non précisé |
| Dimensions | Non précisées |
| Poids | Non précisé |
FOIRE AUX QUESTIONS - RBT 320 DA S.PLUS
Téléchargez la notice de votre Radiateur au format PDF gratuitement ! Retrouvez votre notice RBT 320 DA - S.PLUS et reprennez votre appareil électronique en main. Sur cette page sont publiés tous les documents nécessaires à l'utilisation de votre appareil RBT 320 DA de la marque S.PLUS.
MODE D'EMPLOI RBT 320 DA S.PLUS
Modèle RBT 200 DA - 320 DA
MANUEL D'INSTALLATION ET D'ENTRETIEN
Preambule :
Il ne doit pas etre instalé de tubes radiants dans des locaux presentant des risques d'explosion par la nature des produits entreposés, dégageant des vapeurs ou des solvants, ou dans des locaux à fort e teneur en poussieres combustibles (sciure de bois, farines ...), hydrocarbures chlorés.
Avant installation, verifier la compatibilité des conditions locales de distribution, la nature et la pression de gaz avec le réglage de l'appareil.
L'installation de l'appareil doit être réalisée par un professionneliel qualifié et conformément aux normes en vigueur ainsi qu'aux régles de l'art. Voir aussi "Le Guide d'Installation du Chauffage par Radiant Gaz"édité par l'A.T.G. - 62 rue de Courcelles - 75008 PARIS
ATTENTION : L'arrêt des appeareils par fermeture générale ou particulière de l'alimentation gaz est strictement interdit. Seul un arrêt électrique est autorisé.
S.PLUS - SMG Sarl - 20 rue des Moulissards - Z.I. - 21240 TALANT - Tel.: 0380 555 113 - Fax: 0380 555 615
www.splus.fr - info@splus.fr
SIRET 332 388 818 00020 - CODE APE 2521Z
TABLE DES MATIERES
1.- GENERALITES page 3
1.1.- Description page 3
1.2. - Caracteristiques page 4
2.- DIFFUSION DU RAYONNEMENT page 5
2.1.- Mise en place de l'appareil page 5
2.2.- Hauteurs de fixation page 5
-
- DONNEES TECHNIQUES POUR INSTALLATION page 5
3.1. - Supportage page 5
3.2. - Inclinaison
3.3.-Raccordement gaz page 6
- DONNEES TECHNIQUES POUR INSTALLATION page 5
4.- EVACUATION DES PRODUITS DE COMBUSTION - VENTILATION page 7
4.1.-Généralités page 7
4.2.-Evacuation de fumée non raccordee page 7
4.3.-Evacuation de fumee raccordee page 8
4.4.-Evacuation ventouse de toiture page 8
4.5. -Evacuation ventouse murale page 9
4.6.- Dimensions des orifices et diametre des conduits page 10
4.7. - Connecteur électrique page 10
5.- INSTALLATION page 11
5.1. - Contrôle à la livreaison page 11
5.2.-Généralités page 11
5.3.- Raccordement gaz page 11
5.4.-Evacuation des fumées et prise d'air page 11
5.5.- Thermostat d'ambiance ou capteur « boule noire » page 12
5.6. - Assemblage et dimensions RBT 200 L DA.. page 12
5.7. - Assemblage et dimensions RBT 320 L DA.. page 13
6.- MISE EN SERVICE page 14
6.1. - Avant la mise en service page 14
6.2.- Mise en service page 14
6.3.- Reglage de la puissance page 15
6.4. - Contrôle du fonctionnement page 15
6.5.- Mise hors service du radiant page 16
6.6.- Deteuts de fonctionnement page 16
6.6.1 - Delfaute d'alimentation electrique page 16
6.6.1 - Delfaurs hors circonstances particulieres page 16
-
- MAINTENANCE ET COMPOSANTS
7.1.- Entretien annuel
7.2. - Pressostat air page 17
7.3. - Vanne gaz page 17
7.4.- Electrodes page 18
7.5. Relais page 18
7.6. - Tableau de dépannage page 19
7.7.- Schemaelectrique page 20
- MAINTENANCE ET COMPOSANTS
AVERTISSEMENT
Une installation, un réglage, une modification, une réparation ou un entretien mal exécutés peuvent entraîner des dommages matériels, des blessures ou une explosion. Tous les travaux doivent être exécutés par des professionnels reconnus et qualifiés. Lorsque l'appareil n'est pas installé suivant les prescriptions, la garantie n'est pas assurée.
1. -GENERALITES
1.1.-Description
Le radiant gaz basse température double allure type RBT DA est un système de chauffage par rayonnement.
Chaque radiant est composé :
d'un bruleur gaz automatique avec allumage electrique, reglage et dispositif complet de sécurité.
d'un extracteur qui allonge la flamme et tire vers l'extérieur les produits de combustion.
- d'un tube rayonnant en u dans lequel circule les gaz chauds.
- de reflecteurs en aluminium qui dirigent le rayonnement vers le sol
RBT 300 DA

A - Brûleur
B - Rereflecteur
C - Extracteur de fumée
D-Etrier central
E - Etrier de suspension
F-Témoin de panne (inox)
G-Boulons/écrous M
BRULEUR

01

02
01 Bruleur
A - Application électrique
B - Branchement gaz 1/2"
C - Aspiration d'air brûleur
Ø 100 mm
02 Bruleur
A-Bouton de remise a zéro
B-Bloc gaz
C - Relais contrôle de flamme
D - Pressostat(s)
E - Raccordement electrique avec fusible
1.2. - Caracteristiques
| G 20 | ||||||||
| Type T | Poidskg | A kW | B kW | C mbar | D1 mbar | D2 mbar | EN3/h | F mm |
| RBT 200 DA | 100 | 18.40 | 16.5 | 20.0 | 10.6 | 6.8 | 1.90 | 3.6 |
| RBT 320 DA | 120 | 32.4 | 30.0 | 20.0 | 10.6 | 6.8 | 3.44 | 4.9 |
| G 25 | ||||||||
| Type T | Poids kg | A kW | B kW | C mbar | D1 mbar | D2 mbar | E n3/h | F mm |
| RBT 200 DA | 100 | 18.40 | 16.5 | 25.0 | 16.0 | 10.2 | 2.14 | 3.6 |
| RBT 320 DA | 120 | 32.4 | 30.0 | 25.0 | 16.0 | 10.2 | 3.84 | 4.9 |
| G30 | ||||||||
| I = AT - K = DK, ES, FI, GR, NO, SE | ||||||||
| Type T | Poids kg | G kW | H kW | I mbar | K1 mbar | K2 mbar | L kg/h | M mm |
| RBT 200 DA | 100 | 16.50 | 14.7 | 50.0 | 29.0 | 18.6 | 1.36 | 2.0 |
| RBT 320 DA | 120 | 32.4 | 29.2 | 50.0 | 29.0 | 18.6 | 2.62 | 2.8 |
A - Puissance G20/G25
B - Puissance utile G20/G25
C - Pression de gaz G20/G25
D1 - Pression bruleur puissance maxi G20/G25
D2 - Pression bruleur puissance mini G20/G25
E - Débit de gaz G20/G25
F - Diametre injecteur G20/G25
G - Puissance inférieure G30/G31
H - Puissance utile G30/G31
I - Pression de gaz G30/G31
K1 - Pression brûleur puissance maxi G30/G31
K2 - Pression bruleur puissance mini G30/G31
L - Débit de gaz G30/G31
M - Diametre injecteur G30/G31
Passage Pmaxi/Pmini :
Puisance mini = 0,8× puissance maxi
Pression bruleur mini = 0,64× pression bruleur maxi
Pour un kit de transformation de gaz propane à gaz naturel, consulter votre distributeur.
2. - DIFFUSION DU RAYONNEMENT
2.1. - Mise en place de l'appareil
Lors du choix du lieu d'implantation du radiant et de sa mise en place :
- Pensez à conserver une distance suffisante entre l'appareil et d'eventuelles zones de passage ou d'entreposage de marchandises non protégées craignant la chaleur (produits inflammbables ... - Fig. 2).
- Les radiants chauffent à hauteur d'homme (2 mètres au-dessus du sol) une bande d'une largeur d'environ deux fois la hauteur de suspension ; au-delà de cette surface, le rayonnement est alors réduit (Fig. 1).
- Le chiffage par rayonnement n'est sensible qu'aux points d'ou l'on peut voir les tubes rayonnant; il faut donc éviter les obstacles.
L'ecart idéal deux appeareils d'axe en axe est égal à deux fois la hauteur de pose. - La distance par rapport aux parois verticales doit etre au moins d'une fois la hauteur de pose du radiant, afin d'eviter de grosses pertes de chaleur par les murs.

Fig. 1

Fig. 2
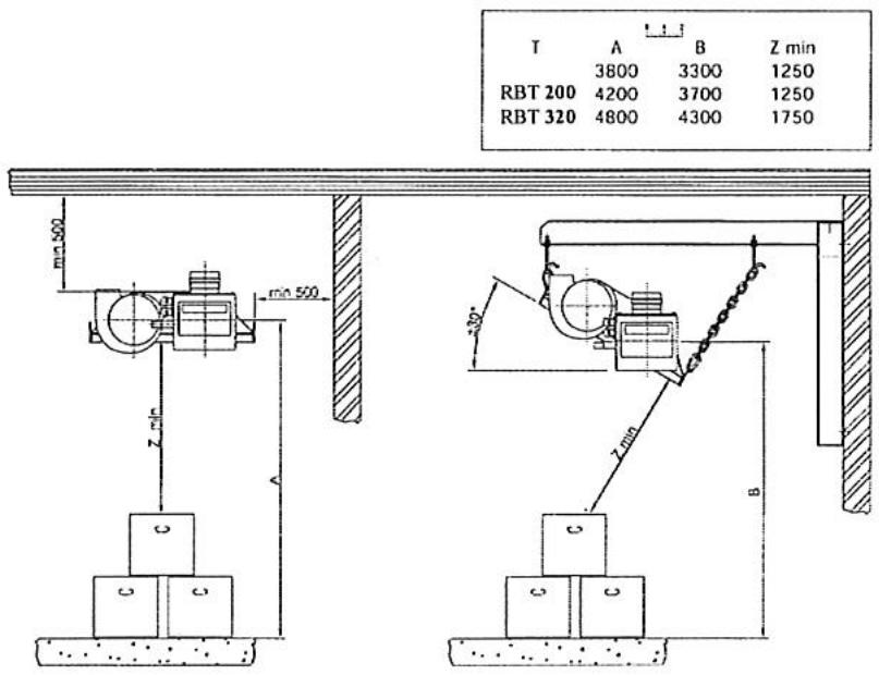
2.2. - Hauteurs de fixation
Le radiant doit être suspendu à une distance minimum (Z min) des murs et/ou toitures (Fig. 2). Ces distances n'ont qu'une valeur indicative. Elles pourront être modifiées par l'installateur en fonction des contraintes d'installation.
La hauteur minimale conseillée (voir Fig. 2): T - Type
T - Type
A - Positionnement horizontal
B - Positionnement oblique
3. - DONNEES TECHNIQUES POUR INSTALLATION
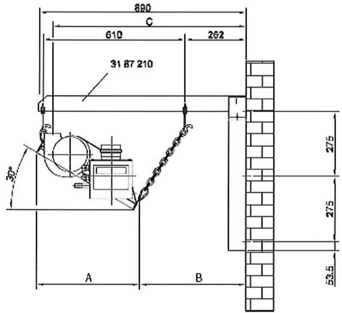
3.1. - Supportage - Fig. 3
Le radiant basse température peut être suspendu:
- avec des chaînes galvanisées pourvus de maillons d'un diamètre minimum de 4 mm,
- avec des tiges filetées de 10mm et une bonne protection antirouille.
Dans le cas de suspension par chaînes, il est conseilé de prévoir des tendeurs régibles afin d'avoir une tension équivalente à chaque point d'accrochage et de régler l'inclinaison sur le plan horizontal.
Les apparêils peuvent être suspendus avec une inclinaison de 30^ maximum. Des consoles murales sont livrables sur commande.
Veillez à ce que les poutres, croisillons, murs etc... à partir desquels les radiants seront fixer soient suffisamment résistants.

Fig. 3

Fig. 4
3.2.-Inclinaison- Fig.4
L'appareil doit être monté avec une inclinaison d'environ 25 mm : A - Mauvaise suspension
B - Mauvaise suspension
C - Suspension correcte
3.3. - Raccordement gaz
Une vanne manuelle doit etre place sur l'alimentation gaz a proximde du radiant et, si necessaires, un filtre et un detendeur adaptes. La liaison entre le kit gaz et le radiant sera impereativement realizede au moyen d'un tuyau de raccordement flexible agree, permettant d'absorber les eventuelles vibrations et dilatations des tubes (80 mm pour RBT 320 DA)
A - Robinet du gaz 3/4" (en option)
B - Raccord (en option)
C - Tuyau flexible (en option)
D - Coude 90^1 / 2'' (en option)
E - Mamelon du manchon de réduction 1/2'' × 3/4'' (en option)
F-Bruleur



Le flexible de raccordement doit être placé de telle sorte que l'appareil puisse en service bouger librement, sans aucune tension sur l'alimentation gaz. Au montage du flexible vous assurez que le raccord interne du brûleur n'aie pas « bouge »
4. - EVACUATION DES PRODUITS DE COMBUSTION - VENTILATION
4.1.-Généralités
Dans les locaux industriels, les apparciels peuvent fonctionner sans raccordement a un conduit d'évacuation, sous réserve que les locaux chauffés assurent un renouvellement d'air d'au moins 2 volumes par heures. Néanmoins, nous conseillons viviment le raccordement a un conduit d'évacuation des produits de combustion. Les conduits d'évacuation des produits de combustion devront etre réalisés selon les normes en vigueur. Ils pourront etre verticaux ou horizontaux, avec prise d'air a l'intérieur ou a l'extérieur du batiment chauffé. Les conduits d'évacuation seront réalisés en matière au classé M 0.
En E.R.P. (en FRANCE), les taux de ventilation sont indiqués à l'article GZ 21 du "Règlement de Sécurité contre l'Incendie en E.R.P."
Débits d'air mini à introduire : pour un raccordement sans coupe-tirage 1,75 m3/h/kW de puissance installée, pour un raccordement avec coupe-tirage 3, 5 m3/h/kW de puissance installée
Il est obligatoire de prévoir des sections libres de 27~cm^2 par kW (débit calorifique) afin d'assurer l'air nécessaire au bon fonctionnement.
L'application de ces régles est également recommendée dans le secteur industriel.
4.2. -Evacuation de fumée non raccordée - Type A
ATTENTION: la non évacuation des produits de combustion peut être incompatible avec l'activité dans certains locaux (modification de l'hygrométrie...) ou avec la réglementation.
Si you ne raccordez pas I'evacuation, il faut avoir un renouvellement d'air suffisant (cf. 4.1.), veiller a ce que les produits de combustion n'entrent pas en contact avec des matieres inflammables et/ou des surfaces froides (danger respectivement d'incendie et de condensation sur les Ponts thermiques).

Type A
4.3. -Evacuation de fumée raccordée - Type B12
Lorsque, seule, l'évacuation des produits de combustion est raccordée, prévoir un régulateur de tirage à la sortie de l'extracteur si nécessaire.
L'installation de la conduite d'évacuation des gaz de combustion doit toujours être contrôle pour s'assurer qu'aucun gaz de combustion de s'échappe par le dessous du dispositif de coupe tirage (eventuellement en utilisant un miroir froid).
Si une forte pollution ou une dépression peuvent survenir dans le local, il faut raccorder l'évacuation de fumée (type C32 ou type C1).

B12
Le raccordement des fumées peut se faire par simple tuyau et sans coupé tirage quand la « sous pression » du bathtub est au maximum de 5 PA.
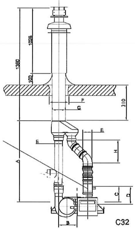
4.4. -Evacuation ventouse de toiture - Type B32
Le radiant basse température sera installé dans un environnement avec des conditions d'utilisation normales et une évacuation par ventouse de toiture. La ventouse est liée à l'appareil et homologue CE. La prise d'air et l'évacuation des fumées se font à l'extérieur du batiment, en toiture.
La longueur maximum de l'évacuation des gaz de fumée est de 6 m avec 2 × 2 coudes de 90^ . Les liaisons entre la ventouse et les viroles de l'évacuation de fumée et du conduit d'amnée d'air comburant seront réalisées en aluminium ou acier inoxydable T250.

| T | 0 mm | |||||||
| A | B | C | D | E | F | G | H | |
| RBT 200 | 750 | 195 | 165 | 190 | 80 | 130 | 125 | 210 |
| RBT 320 | 800 | 250 | 220 | 230 | 100 | 150 | 145 | 240 |
4.5. -Evacuation ventouse murale - Type C12
Le radiant basse température sera installé dans un environnement avec des conditions d'utilisation normales et une évacuation par ventouse murale. La ventouse est liée à l'appareil et homologue CE. La prise d'air et l'évacuation des fumées se font à l'extérieur du batiment, en toiture.
La longueur maximum de l'évacuation des gaz de fumée est de 6 m avec 2 × 2 coudes de 90^ .
Les liaisons entre la ventouse et les viroles de l'évacuation de fumée et du conduit d'amnée d'air comburant seront réalisées en aluminium ou acier inoxydable T250.

Rayon (coude) = 3D = 3× diametre tube 80mm
4.6. - Dimension des orifices et diamètre des conduits
| T | A | B | C | C | D |
| G20/G25 | G30 | ||||
| RBT 200 DA | 80 | 77 | 34 | 34 | 44 |
| RBT 320 DA | 100 | 102 | 60 | 60 | 60 |

| 8.1.2.3mm | |||||
| T | A | B | C | C | D |
| G20/G25 | G30 | ||||
| RBT 200 DA | 80 | 77 | 34 | 34 | 44 |
| RBT 320 DA | 100 | 102 | 60 | 60 | 60 |

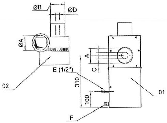
01 - Brûleur
02 - Ventilateur de gaz de fumée
T - Type
A - Diametre evacuation des fumées et arrivée d'air
B - Diametre du tube acier retour du radiant
C - Orifice air de combustion
G25 - Gaz naturel
G30 - Butane
G20 - Gaz naturel
G31 - Propane
4.7. - Connection électrique
NB: en plus des raccordements sur le brûleur, il est nécessaire d'alimenter l'extracteur des fumées depuis le brûleur (Voir schéma électrique).
L'extracteur est livre avec une boite de déivation montée.
A l'intérieur de cette boîte se trouve le connecteur « trapezoidal » qui va sur le brûleur.
Tirer un cable 3 conducteurs entre l'extracteur et le brûleur.
| T | Motor | ||
| RBT 200 DA | 0,07 kW | 1~230V | IP20 |
| RBT 320 DA | 0,07 kW | 1~230V | IP20 |

Le branchement electrique doit satisfaire aux prescriptions locales et nationales en vigueur et doit etre muni de fusibles presentant une sécurité de fission de maximum 6A.
5.- INSTALLATION
5.1. - Contrôle à la livraison
Lors de la livraison, contrôle si toutes les pieces sont presentes et s'il n'y a pas d'avaries. Contrôlez également si le type est conforme au matériel commandé.
5.2.-Généralités
Les appareils doivent etre installés suivant la reglementation et les normes en vigueur dans le pays de destination. L'installation, l'entretien de l'appareil, l'adaptation a d'autres gaz doit etre realizedes par une personne qualifiee.
Le système de chauffageasse temperaturepar rayonnement infrarouge ne peut etre instalé qu'apres verification de la nature des locaux achauffer.
Il faut veiller notamment que le ou les locaux ne soient classés à risque : solvants, sciure ... et notamment de disposer d'une hauteur suffisante dans leur positionnement par rapport au corps de chauffe.
Locaux Industriels (FRANCE)
La réglementation générale est constituée essentiellement du Code du Travail, qui ne traitant pas spécifiquement du chauffage des locaux par radiants gaz, définit dans ses articles R. 232. 1 à R. 232. 4 les exigences en matière d'aération et assainissement.
La reglementation de base des installations classées pour la protection de l'environnement est la loi N° 76.663 du 19.07.1976. Les arrêtés types contiennent les interdictions particulières en matière de chauffage selon les activités.
Locaux et Etablissements Recevant du Public (FRANCE)
Les dispositions reglementaires formulées dans le "Règlement de Sécurité contre l'Incendie dans les E.R.P." concernent les apparêls, l'installation, la mise en service, l'entretien, les vérifications, le circuit gaz, la ventilation du local (articles CH et GZ). Les plus importants sont les CH 53, 54, 55 et GZ 21.
5.3. - Raccordement gaz
S'assurer que la nature du gaz et la pression correspondant aux caractéristiques portées sur l'arrière de l'appareil. Raccordement gaz 15 x 21 male sur le cote du brûleur.
Il est conseilé de prévoir un filtr gaz en amont, pour la prévention des conséquences eventuelles dues aux dépôts, pouvant exister dans les canalisations.
La liaison au réseau d'alimentation doit impérativement être assurée par un élémentouple susceptible d'absorber des dilatations du système.
5.4. -Evacuation des fumées et prise d'air
Les conduits d'évacuation des gaz brûles et de prise d'air doivent avoir une résistance minimum, donc un minimum de coude. De diamètre constant sur toute leur longueur, ils ne doivent pas reposer sur le radiant mais seront fixés.
5.5. - Thermostat d'ambiance ou capteur à «boule noire »
Pour un réglage optimal, ils doivent être placés à une hauteur d'environ 1,50 m du sol et dans le champ du rayonnement de l'appareil.
5.6. - Assemblage et dimensions RBT 200 DA
Assemblier les tuyaux et l'armature de suspension uniquement avec le matériel de fixation joint.
Utilisez des doubles écrous pour les boulons M8 (INOX).
Voyez schem 06-1207 pour la chronologie de montage. Fixez les reflecteurs (C & C1) uniquely aux points
d'attaches indiquées pour tener compte de la dilatation. Voir schéma 06-1207.
N'utilisez que le matériel de fixation joint à la livraison.
Le montage errone de tuyaux et/ou de reflecteurs entraine l'annulation de la garantie d'usine. Schema 06-1207 & 06-1203.
Fixez le brûleur A au tube de rayonnement E3 à l'aide du matériel de montage joint.
Fixez le ventilateur d'évacuation des fumées E4 à l'aide du matériel de montage joint.
L'ensemble est accroché aux étriers de suspension D.

E3 Tube de combustion (en alu/calorifique) L = 2880 76× 1.5
E4 Tube de rayonnement (en alu/calorifique) L = 2880 76× 1.5
D Etrier de suspension 5x
C Rereflecteur
G Plaque d'extrémité
A Bruleur
B Ventilateur d'évacuation des fumées
Points de fixation du reflecteur
1.5.9

61 Kg


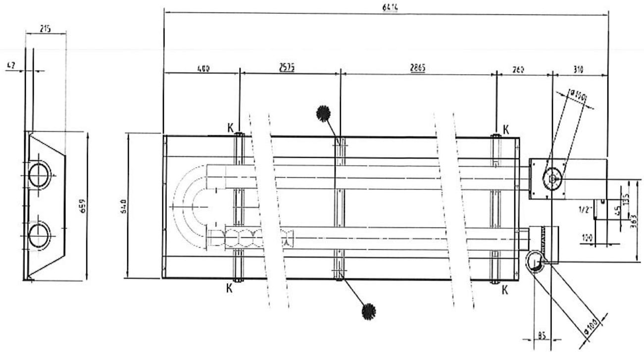
5.7.Assemblage et dimensions RBT 320 DA
Assembler les tuyaux et l'armature de suspension uniquement avec le matériel de fixation joint.
Utilisez des doubles écrous pour les boulons M8 (INOX).
Voyez schema 06-1208 pour la chronologie de montage. Fixez les reflecteurs (C & C1) uniquement aux points d'attaches indiquées pour tener compte de la dilatation. Voir schema 06-1208.
N'utilisez que le matériel de fixation joint à la livraison.
Le montage erroné de tuyaux et/ou de reflecteurs entraine l'annulation de la garantie d'usine. Schéma 06-1208 & 06-1204.
Fixez le brûleur A au tube de rayonnement E7 à l'aide du matériel de montage joint. Fixez le ventilateur d'évacuation des fumées E4 à l'aide du matériel de montage joint L'ensemble est accroché aux étriers de suspension D.

F Coude 180^
G Plaques d'extrémité
E7
Tube de combustion
1x L=28850101.6x1.5
E8
Tube de rayonnement
3x L=28850101.6x1.5
D Etrier de suspension
J Retardateur
H Etrier de suspension milieu
C Rereflecteur
A Bruleur
B Ventilateur d'évacuation des fumées
Points de fixation du reflecteur

83 Kg

6. - MISE_EN_SERVICE
6.1. - Avant la mise en service
Vérifier que la nature du gaz correspond à celle de l'appareil installé (voir l'étiquette fixée sur l'appareil). Contrôlez que le fonctionnement du radiant ne soit pas perturbé par :
des objets ou obstacles situés proximé du radiant directement dans le champs du rayonnement,
des vapeurs corrosives ou explosives.
S'assurer que les vannes gaz d'arrêt soient ouvertes (purger les canalisations si nécessaire). Contrôlez l'étanchéité des raccordements pour détecter d'eventuelles fuites, NE PAS UTILISER DE FLAMME. Refermer ensuite la vanne gaz.
6.2.-Mise en service
Si le radiant est raccordé sur:
- l'électricité
- le gaz
- l'évacuation des fumées / l'arrivée d'air de combustion
- le thermostat de régulation ou autres
il peut'être mis en service.
Proceder alors comme suit :
a - Mettre le thermostat en demande de temperature
b - Basculer l'interrupteur de l'alimentation électrique en position marche
c-Ouvrir la vanne gaz
6.3. - Réglage de la puissance
Contrôle de la puissance maximale :
Veilz durant le contrôle a ce que le radiant ne soit arrete par le thermostat. Pour cela, regler le thermostat dans sa position maximale.
Branchez ensuite un manometre gaz sur la prise de pression à vis (B) et mesurez la pression amont. La valeur lui doit être conforme aux valeurs des tableaux paragraphe 1.2.- page 4. ÀpRES mesure, la prise de pression doit être refermée.
Branchez ensuite le manomètre gaz sur la prise de pression à vis (A) et mesurez la pression aval. Cette pression peut être corrigée en tournant la vis (C) du régulateur de pression (vers la gauche pour la baisser, vers la droite pour l'augmenter). La valeur lui doit être conforme aux valeurs des tableaux paragraphe 1.2.- page 4. ÀpRES mesure, la prise de pression doit être refermée.

A - Prise de pression aval (alimentation brûleur)
B - Prise de pression amont (alimentation gaz)
C - Vis de réglage du régulateur de pression (sous la plaque de protection)
ATTENTION:
Un radiant neuf fumera lors de sa première mise en service en raison de l'évaporation des huiles de conservation représentes.
Lors de la mise en marche, le local doit par conséquent être bien ventilé. Il faut laisser fonctionner le brûleur pendant au moins une heures avant de commencer l'analyse des fumées afin d'éviter d'endommager les apparéils de mesure.
6.4. - Contrôle du fonctionnement et du rendement
Après le temps de préchauffage, on peut réaliser l'analyse des fumées et contrôler la consommation gaz du radiant par l'intermédiaire du compteur (mettre hors service tous les autres apparciels consommant du gaz, y compris les veilleuses).
Les radiants sont pre régles et toutes leurs fonctions contrôlées en usine.
Contrôlez le fonctionnement du thermostat : pour une consigne affichée inférieure à la température ambiente, le brûleur doit s'éteindre ; pour une consigne supérieure à la température ambiente, le brûleur se remettra en marche. Il est conseilé d'installer un dispositif de réarmement à proximate du thermostat en cas.
6.5. -Mise hors service du radiant
Pour une durée limitee:
Régler le thermostat sur la température minimum.
Ne pas couper l'alimentation électrique.
Pour une période plus prolongée :
a - Regler le thermostat sur la temperature minimum
b - Fermer la vanne gaz
c - Couper l'alimentation électrique
6.6. - Défauts de fonctionnement - Tableau page 18
Ils peuvent etre provoqués par un manque de gaz ou un defaut d'alimentation electrique. Avant la remise en route de l'appareil, appuyer sur le bouton de réinitialisation (ou reset).
6.6.1. - Défaut d'alimentation électrique
Il provoque la fermetre de la vanne gaz et l'arrête l'extracteur. Le brûleur s'arrête. Vérifier l'alimentation électrique et remettre le radiant en marche.
6.6.2 - Défaut hors circonstances particulières
Si le brûleur s'eteint : faire deux ou trois tentatives d'allumage avec de courtes interruptions entre elles. Ne jamais déconnecter la vanne gaz. Si le radiant ne peut pas être remis en marche de cette façon, rechercher la cause de la panne (exemples : défaut du pressostat d'air, des electrodes d'allumage ou d'ionisation, inversion phase / neutre).
7. - MAINTENANCE ET COMPOSANTS
7.1. - Entretien annuel
Il sera réalisé au moins une fois par an, plus souvent si nécessaire. Pour cela :
- Debrancher l'alimentation électrique et fermer la vanne gaz.
- Contrcler l'ecartement entre I'electrode d'allumage et d'ionisation (voir fig. 5), modifier si neccessaire.
- Contraler les tubes du radiant à l'extérieur et à l'intérieur (sue et/ou condensation), ramoner et nettoyer si nécessaire.
- ÀpRES avoir ouvert la vanne gaz et rebranché l'alimentation électrique, mettez le thermostat dans sa position maximum.
- Contrôlez en fonctionnement les pressions gaz et l'aspect de la flamme.
- Contrôlez l'étanchéité de la vanne et vérifier la coupure de l'alimentation gaz.
- Pour un ayant déjà fonctionné, après préchauffage (environ 30 minutes), précérer à l'analyse de l'opacité des fumés et effectuer les réglages si nécessaires.
Pour le nettoyage de l'extracteur, débrancher l'alimentation électrique et fermer la vanne gaz. Dévisser l'extracteur et netoyer la roue et le corps à l'aide d'une brosse et/ou d'air compré (voir fig. 6).
Fig. 5 A - Electrode d'allumage (+)

B - Electrode d'allumage (-)
C - Electrode d'ionisation


Fig. 6
7.2.-Pressostat air
Le pressostat air controle la depresion en amont de l'extracteur. Si cette depresion est insuffisante, le cycle d'allumage est interrompu.
Réglage:
La prise de pression est plombée en usine et ne doit être ajustée qu'en cas de nécessité absolue par un monteur agréé.

D - Disque de réglage
E - Raccordement depression
F - Raccordement suppression

7.3. - Vanne gaz
Si I'on met la vanne gaz sous tension, les clapets s'ouvre. Avant de proceper au reglage de la pression aval (bruleur), retirer le cache de protection. On peut maintainant tourner la vis de reglage a l'aide d'un tournevis. En la tournant vers le droite, la pression aval augmente; en la tournant vers la gauche, la pression aval diminue.
ATTENTION: Ne par forcer la vis de réglage.
La prise de pression se fait sur le raccord L (enlever la vis de fermeture et la remetre après contrôle).
La pression du bruleur a ete reglee en usine mais elle doit controllee lors de la mise en route a l'aide d'un manometre


Bloc gaz deux allures :
Réglage puissance maxi par écrou (H) M6.
Réglage puissance mini par vis G; tenir écrou (H) M6.
A - Vis de remise à zéro
B - Dispositif automatique bruleur
C - Prise de pression amont
D - Vis de réglage de pression
E - Cache de protection
F - Cache de protection
F - Cache de protection
G - Vis de réglage de pression haute
H-Écroude blocage
K - Regulateur de deux allure
L - Raccord de mesure aval (brûleur)
7.4. - Electrodes
Electrode d'ionisation :
Elle utilise la capacité de la flamme à conduire l'électricité. Il est donc important que l'électrode d'ionisation ne fasse pas de contact avec la terre et que l'appareil soit mit à la terre.
Electrode d'allumage :
Grace au relais electronique de la flamme, une eticelle est formée entre les bornes ^+ et -de l'electrode (voir fig. 5 - page 16). L'ecart entre les deux electrodes doit etre de 3mm
7.5. - Relais
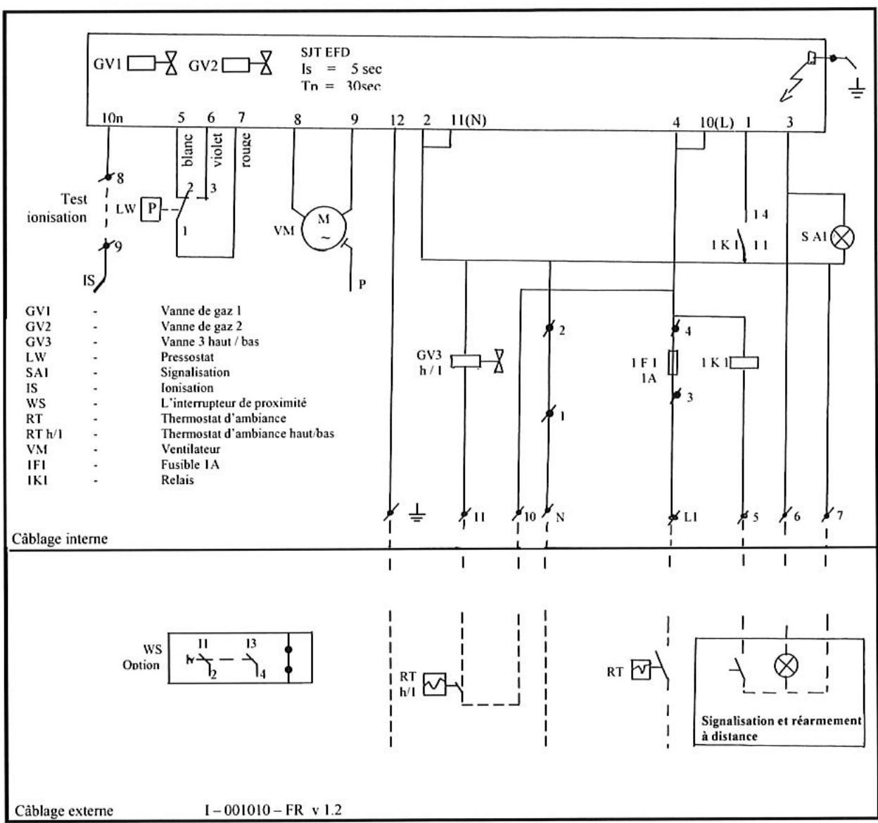
Scheme de raccordement relais



7.6. -Tableau de dépannage panneau radiant
7.7.- Schemaelectrique

Notice Facile