MOD 182 E2C - Chauffe-eau gaz S.PLUS - Notice d'utilisation et mode d'emploi gratuit
Retrouvez gratuitement la notice de l'appareil MOD 182 E2C S.PLUS au format PDF.
| Type d'appareil | Chauffage gaz |
| Modèles | MOD 182 E2, 262 E2, 352 E2, 422 E2, MOD 182 E2C, 262 E2C, 352 E2C, 422 E2C |
| Type de ventilateur | Hélicoïde ou centrifuge |
| Installation | Professionnelle recommandée |
| Usage | Intérieur, locaux sans risque d'explosion |
| Alimentation | Gaz |
| Arrêt | Interdit par coupure d'alimentation électrique ou gaz |
| Commande | Thermostat ou coffret de commande |
| Normes | Conforme aux normes en vigueur |
| Entretien | Manuel d'installation et d'entretien fourni |
| Poids | Non précisé |
| Dimensions | Non précisées |
| Puissance | Non précisée |
| Type de combustible | Gaz naturel ou propane |
| Garantie | Non précisée |
| Accessoires | Non précisés |
FOIRE AUX QUESTIONS - MOD 182 E2C S.PLUS
Téléchargez la notice de votre Chauffe-eau gaz au format PDF gratuitement ! Retrouvez votre notice MOD 182 E2C - S.PLUS et reprennez votre appareil électronique en main. Sur cette page sont publiés tous les documents nécessaires à l'utilisation de votre appareil MOD 182 E2C de la marque S.PLUS.
MODE D'EMPLOI MOD 182 E2C S.PLUS
TYPE MOD 182 E2 - 262 E2 - 352 E2 - 422 E2 (Ventilateur hélicoïde)
TYPE MOD 182 E2C - 262 E2C - 352 E2C - 422 E2C (Ventilateur centrifuge)
MANUEL D'INSTALLATION ET D'ENTRETIEN
Praambule:
Il ne doit pas etre instalé de modulthermes dans des locaux presentant des risques d'explosion par la nature des produits entreposés, dégageant des vapeurs ou des solvants, ou dans des locaux à fort e teneur en poussières combustibles (sciure de bois...).
L'installation de l'appareil doit être réalisée par un professionnel qualifié et conformément aux normes en vigueur ainsi qu'aux règes de l'art.
ATTENTION: L'arrêt des apparciels par coupure de l'alimentation gaz ou de l'alimentation électrique est strictement interdit. Seul est autorisé l'arrêt par manipulation du thermostat ou du coffret de commande.
Ref. MOD 8-07.05/1U
Notice destinée à l'installateur et à l'utilisateur
DESCRIPTION :
Le Modultherme est un apparéil de chauffage à puissance variable.
Il permet un échange thermique entre les produits de combustion du gaz et un flux d'air introduit par un ventilateur d'air chaud et directement souffle dans le local dont la direction peut être modifiée par l'intémedinaire des ailettes de la grille de soufflage. A la demande de la sonde d'ambiance du régulateur de température, la puissance du brûleur du Modultherme varie dans une plage de 35 à 100 % et ne délivre que les calories nécessaires au maintainen de la température du local à la consigne affichée.
Le fonctionnement du ventilateur à début constant est régulé par un airstat pour éviter :
-enlimitebasse,lesoufflage d'airfroid,
-enlimitehaute,la surchauffede l'appareil.
Entirement automatique et sans veilleuse, l'appareil est allumé à distance sur commande du coffret de régulation installé dans le local chauffé. Ce régulateur pilote ensuite la puissance délivrée en fonction du besoin.
Dans le cas d'un mauvais fonctionnement du ventilateur et d'une surchauffe de l'échangeur, le contact "limit" provoque l'arrêt du brûleur. Les produits de combustion sont évacués à l'extérieur grâce à l'extracteur situé sur le conduit d'évacuation. Dans le cas d'une obstruction de celui-ci, un pressostat différentiel provoque la fermeture de l'électrovanne d'alimentation en gaz.
En fonctionnement d'etre, on peut utiliser le Modultherme pour la ventilation des locaux. Interrupteur et arrêt-hiver à l'arrière de l'appareil ou boîtier de commande à distance (option).
1-ETATDELIVRAISON
- Les Modulthermes S.PLUS sont livrés emballés et calés dans une caisse à claire-voie.

2-INSTALLATIONETREGLEMENTATION
- Les appareils doivent être installés suivant la réglementation et les normes en vigueur dans le pays de destination.
- L'installation, l'entretien de l'appareil, l'adaptation à d'autres gaz doivent être réalisés par une personne qualifiée.
Locaux Industriels (FRANCE)
- La réglementation générale est constituée essentiellement du Code du Travail, qui ne traite pas spécifique du chauffage des locaux par aérothermes gaz, mais qui définit dans ses articles R.232.1 à R.232.4 les exigences en matière d'airation et d'assainissement.
* La reglementation de base des installations classes pour la protection de I'environnement est la loi N° 76.663 du 19.07.1976. Les arretes types contiennent les interdictions particulieres en matière de chauffage selon les activités de l'installation.
Locaux et Etablissements Recevant du Public (FRANCE)
- Les dispositions réglementaires formulées dans le "Règlement de Sécurité contre l'incendie dans les E.R.P." concernent les apparciels, l'installation, la mise en service, l'entretien, les vérifications, le circuit gaz, la ventilation du local (articles CH et GZ dont les plus importants sont les articles CH 53, 54, 55 et GZ 21.).
3-MISE EN PLACE
- L'appareil est livré avec 4 points de suspension sur le dessus de l'appareil. Il peut être également posé sur une console ; dans ce cas, veiller que la reprise d'air du ventilateur de soufflage soit assurée librement.
*La mise en place doit être assurée en utilisant des moyens de levage (élevateur, échafaudage) enPNANT SOIN DE NEpas endommager la partie inférieure de l'appareil. - La hauteur moyenne de pose, sauf cas particulier, est de 3 m (distance entre sol et base de l'appareil).

Pour type E
| Modèle | A | B | C |
| MOD 182 | 381 | 986 | 608 |
| MOD 262 à MOD 492 | 381 | 1051 | 668 |

-
Conduit de rejet des produits de combustion : voir page 11 diamètre F.
-
Les Modulthermes sont équipés d'un extracateur mécanique asservi à un pressostat qui mesure la dépression de ce même conduit (dans tous les cas de conduits obturés ou à très fortes pertes de charge, l'appareil se mettra en sécurité).
*Le Modultherme doit être raccordé à un conduit d'évacuation des gaz brûlés,aboutissant à l'extérieur du batiment. L'articdement se fait par l'intémédiaire de la manchette de sortie g 125 située à l'arrière de l'appareil.
Veiller à ce que les événuels condensats ne penènt pas dans l'appareil. On placera à cet effet un "te", avec dispositif d'évacuation.
Dans le cas de raccordement de plusieurs apparéils sur un même conduit, il est nécessaire de prendre en compte la somme des sections de sortie de chaque apparéil.
* Se reporter aux reglementations en vigueur concernant les conduits d'evacuation des produits de combustion.
* Dans tous les cas, nous conseillons vivement aux installateurs de se referrer au texte du D.T.U. N° 61.1 (FRANCE).
Les conduits d'évacuation des produits de combustion ne seront réalisés qu'en : - Inox ferritique, aluminium à 99,5 % etc ... Pour les Etablissements Recevant du Public, les conduits d'évacuation seront réalisés exclusivement en matière au classé M 0.
La hauteur minimale est de 0.500 m.
* Il est vivement conseilled dutiliser des conduits isolés, afin d'eviter un refroidissement sur leur parcours (formation de condensats).
Ces appareils peuvent également être raccordés par ventouse concentrique (voir notice "Evacuation des produits de combustion / raccordement par ventouse concentrique).
L'air de combustion pénétre dans l'appareil par le passage 80 situé à l'arrière de celui-ci. Si cet air de combustion doit être pris à l'extérieur du local chauffé, utiliser la ventouse concentrique S.PLUS 80/125.

5-VENTILATION DULOCAL
*En E.R.P., en FRANCE, les taux de ventilation sont indiqués à l'article GZ 21 du "Règlement de sécurité contre l'Incendie en E.R.P.", soit 1,75 m3/h/kw installé pour un raccordement sans coupe-tirage et 3,5 m3/h/kw installé pour un raccordement avec coupe-tirage.
- Pour les autres pays, la ventilation doit être conforme au réglementations en vigueur.
- il est obligatoire de prévoir des section libres de 27 cm² par kw (débit calorifique) afin d'assurer l'air nécessaire au bon fonctionnement de la combustion.
- Dans tous les cas, se conformer au chapitre CH 6 du "Règlement de Sécurité contre l'Incendie".
- L'application de ces règes est également recommmandée dans le secteur industriel.
6-DISTRIBUTIONDEL'AIR DE CHAUFFAGE
- L'appareil est muni de volets horizontally amovibles, permettant d'ajuster le jet d'air. Ces appareils sont conçus pour fonctionner à une température ambiente minimale de 0^ .
7-SCHEMAD'IMPLANTATION ET SELECTION
- S'assurer que le ou les apparciels installés, ont un début d'air total de 3,5 à 6 fois supérieur au volume du local (3 fois pour les locaux >2000 m3, 5 fois entre 500 et 2000 m3, 6 fois < 500 m3). Ceci conditionné l'efficacité de l'installation.
* Si nécessaire, ain d'atteindre ce taux de brassage, des destratificateurs et brasseurs d'air devront etre installés.


8-RACCORDEMENT GAZ
- S'assurer que la nature du gaz et la pression correspondant aux caractéristiques portées sur l'arrière de l'appareil (diamètre de sortie : 1/2" gaz mâle (15 x 21)).
- Il est nécessaire de prévoir un filtré gaz en amont, pour la prévention des conséquences eventuelles dues aux dépôts, pouvant exister dans les canalisations.
- Les pressions gaz à utiliser sont définies par les catégories suivantes, pour lesquelles ces apparèils sont en conformité au européenne :
| MOD 182 E2 - E2C | MOD 262 E2 - E2C | MOD 352 E2 - E2C | MOD 422 E2 - E2C | |
| FR-LU | II2Esi3+ | II2Esi3+ | II2Esi3+ | II2Er3+ |
| GB | II2H3+ | II2H3+ | II2H3+ | II2H3+ |
| BE-LU | I2E(R)IB3+ | I2(R)IB3+ | I2(R)IB3+ | I2E(R)IB3+ |
| FR-LU | II2L3B/P | II2L3B/P | II2L3B/P | II2L3B/P |
9-CARACTERISTIQUES DES DIFFERENTS GAZ(1)
| GAZ | DENSITE | PCI(2) | |
| G20 | Type H | 0.555 | 34.02 |
| G25 | Type L | 0.612 | 29.25 |
| G31 | Propane | 1.550 | 88.00 (46.34) |
| G30 | Butane | 2.075 | 116.09 (45.65) |
(1): Selon la Norme EN437.1993. Conditions ambiantes définies par cette Norme: Gaz sec 15^ Pression ambiente: 1013,25 mbar.
(2):MJ/m3 (MJ/kg)
1 thermie = 4.1855 megajoules (MJ) = 1.16 kwh
P.C.I.: Pouvoir Calorifique Inférieur
1 Kwh = 0,86011 Thermie
Note : Dans tous les cas, nous recommendons de veiller à ce que les sections des tuyauteries permettent d'alimenter les apparciels aux pressions suffisantes afin d'assurer le débit nominal à l'injecteur.
Tous les apparèils sont régliés en usine au GAZ D'UTILISATION (voir tableau de réglage dans l'apareil).
Indications données pour un Gaz d'essai, sec à 15°C. Pression ambiente 1013,25 mbar selon Norme EN 437.1993
G20: Type H exprime en nm3/h
G25:Type L exprime en nm3/h

12-RACCORDEMENTELECTRIQUE
-
L'appareil est muni, sur la face arriere, de deux connecteurs représ par une étiquette jaune ou verte :
-
1 connecteur ALIMENTATION ET COMMANDE (étiquette jaune) - Rep.8-9 page 11.
- 1 connecteur RENVOI DES COMMANDES A DISTANCE (étiquette verte) - Rep. 4 page 11.
Alimentation monophasée 230V+ terre
Raccorder la phase, le neutre et la terre en veillant aux bonnes polarités reperées sur le connecteur étiquette "jaune".
Les sections d'arrivées seront conformes aux régles de l'art et il devra être prévu un sectionneur sur la ligne d'alimentation muni de fusible (à calibrer selon le ou les types d'appareils commandés). (Voir Norme C 15100).
- Le Modultherme doit obligatoirement être raccordé au régulateur RP4 pour fonctionner (voir schéma ci-dessous).
NB: Si l'alimentation électrique n'est pas monophasée 230 V, prévoir un transformateur de séparation de circuit.

ATTENTION: En cas de raccordement 230 V sur les bornes B4-S3, il y a destruction de la carte électronique modulante
-
Renvoi des commandes à distance (Connecteur bas - Etiquette Verte)
-
A ne raccorder que si l'on dispose d'un boitier de commande à distance BCD livre en option - Muni d'un interrupteur 3 positions il permet de selectionner pour chaque apparéil - position Étée : Ventilation seule et permanente - position Arrêt - position Hiver : chiffage - Un boitier BCD ne peut commander qu'un modultherme.
-
Les modulthermes sont livrés d'origine avec 2 SHUNTS qui permettent un fonctionnement "Hiver".
-IMPORTANT :
-
Ne jamais raccarder un thermostat, une programmation ou un interrupteur de fonctionnement sur l'alimentation 230 V des modulthermes (seuls une protection et un interrupteur de coupure de fin de saision peuvent y'être raccordés).
-
L'alimentation électrique du modultherme ne doit être coupée que lorsque celui-ci n'est plus en phase de chauffage.
- Ne jamais alimenter le modultherme par l'intémidaire du boîtier de commande à distance.
NB: Si l'alimentation electrique n'est pas monophasee 230 V, prevoir un transformateur de separation de circuit.
13-MISE EN SERVICE
- Cet apparell a été contrôle et préprégle en usine ; son bon fonctionnement est directement lié à une bonne installation (voir chapitres précédents).
- Vérifier que la nature du gaz correspond à l'appareil installé (voir l'étiquette fixée sur l'appareil). S'assurer que les vannes gaz d'arret soient ouvertes (purger les canalisations si nécessaire).
-
Mettre l'appareil sous tension, voyant vert allumé,mettre l'interrupteur sur hiver, provoquer une demande de chauffage par le régulateur, l'horloge... l'extracteur des fumées se met en marche et le cycle d'allumage commence.
-
Prébalavage de 30 secondes minimum et contrôle de la dépression du circuit des fumées par le pressostat.
-
Déclenchement de la phase d'allumage par train d'étinçelles (voyant jaune allumé) et ouverture du bloc vanne gaz. Le Modultherme démarre toujours à début maximal. La puissance du brûleur sera eventuellement réduite à la demande du régulateur après quelques secondes.
-
Detection de la flamme, arrêt des étincelles.
-
Dans le cas de mise en sécurité après la première tentative, une deuxième tentative peut s'opérer selon le cycle précédent.
- En cas d'insuccès, le brûleur se met définitivement en sécurité. Il faut alors débrancher et rebrancher l'alimentation électrique (réarmement du système).
- ÀpRES quelsques minutes de fonctionnement du bruleur, le ventilateur enterra en action afin de propulser de l'air chaud dans le local.
- Dans la version échangeur en tout inox, on pourra agir sur le réglage de l'airstat pour réduire l'effet de battement du ventilateur (voir "Nomenclature" page 7, repère 4).
ARRET : Lorsque la température est atteinte, le régulateur coupe l'alimentation du brûleur, (le voyant jaune s'éteint) le ventilateur de soufflage continu à fonctionner jusqu'à refroidissement de l'appareil... Lorsqu'on met l'interrupteur sur arrêt lors d'un temps de fonctionnement, le ventilateur de soufflage fonctionne jusqu'à refroidissement de l'appareil.
VENTILATION D'ETE : Mettre l'interrupteur sur la position ete, le ventilateur fonctionne en permanence;
NB: En cas d'anomalie au démarrage, voir Instruction SAV pages 12-13-14.
14-ENTRETIEN
- Attention : Débrancher votre apparéil avant toute opération d'entretien ou de dépannage.
* Les Modulthermes S.PLUS ont ete concus pour un minimum d'entretien. Dans le cas de fonctionnement en atmophere chargee,
il sera nécessaire de vérifier la poussiere pouvant s'être accumulée sur les pales du ventilateur et autour de l'échangeur.
-
Dans ce cas, on utilisera de préférence l'air compré pour chasser ces poussières, en ayant démontré, au préalable, la porte latérale droite (accès à l'échangeur).
-
Vérifier également l'état de la gaine d'aspiration des gaz brûlés entre extracteur et fond de foyer. Cette gaine est accessible en enlevant le ventilateur sans le débrancher. A replacer en cas de perclement ou de coupure.
* Nous recommandons en outre une verification annuelle des differents organes de securite equipant cet appareil, en particulier :
du coffret electronique (allumage + temps de sécurité < 5 s)
- des electrovannes gaz (proprete du tamis à l'entrée du corps de l'électrovanne)
- des pressions de gaz et étanchéité (bombe à mousse ou savon)
- des connexions electriques (serrage)
- de l'etat de l'electrode d'allumage et d'ionisation
- du filtré gaz, le cas échéant
- Vérifier également les conditions des contrôleurs pouvant être exigés au regard des normes ou réglementations en vigueur pouvant être liées aux applications et installations de ces appareils.
14.1 - Nettoyage du ou des brûleurs (voir figure page 7, paragraphe 15)
-
En principe, cette opération n'est pas nécessaire. Si besoin est :
-
retirer la porte laterale gauche fixee par 4 vis (appareil stoppe)
- utiliser une clé à pipe de 10 et desserrer les vis retenant le brûleur (rep. 3)
- débrancher l'électrode (rep.7)
- faire glisser légarement le ou les brûleurs dans la chambre de combustion, pour le déboiter de son support
- le retarder en le glissant sous le support venturi
*Après verification,procéder au remontage:memes opérations en sens inverse et repositionner le venturi aux repères indiqués(Vernis de couleur).
14.2 - Réglage de l'électrode d'allumage et de ionisation


AG18A35

14.3 - Nettoyage échangeur

14.4 - Verification gaine gaz brûlés

- Prise secteur et thermostat
2.Extracteur - Brûleur
- Airstat ventilateur
5.Voyants - Bloc vanne
- Cable d'electrode et electrode d'allumage et d'ionisation
- Tube couple pris de pression dair Diam.6 x 8, longeur 250 mm
- Pressostat air
- Coffret de contrôle
- Connecteur pour raccordement boitier de commande à distance
- Condensateur Extracteur
- Airstat auto
- Airstat à réarmement manuel
- Cartelectronique modulante

16-CHANGEMENT DE GAZ (Schemas page 9)
16.1 - Passage du gaz du type G20 en G25 (Gaz naturel 20 mbar, Gaz naturel 25 mbar)
- Pour les Modulthermes MOD 182 - 262, seul un réglage de pression "aval" maxi et mini est nécessaire.
- Pour les Modulthermes MOD 352 E2 - MOD 422 E2/E2C, il faut changer l'injecteur et régler la pression "aval" maxi et mini. Le montage de l'injecteur sur son support se fait sans pâté ou joint spécifique.
MODEOPERATOIRE
- Demonter si nécessaire le ou les injecteurs en place à l'aide d'une clé à oeil de 17. Remonter le ou les injecteurs correspondant au nouveau gaz (voir tableau réglage des débits gaz page 4).
RÉGLAGE DE LA PPRESSION:
- Pour contrôle la pression amont -P1- ou aval -P2- dévisser la vis de la prise de pression -P2- ou -P1- monter un manometre de contrôle.
- ÀpRES contrôle, enlever le manomètre, remonter la vis de blocage et sa rondelle, contrôle l'étanchéité.
- Pour régler la pression "aval", agir sur la vis de réglage -S- (visser pour augmenter la pression) jusqu'à obtention de la pression demandée. Pour la vanne théobald, enlever auparavant le capuchon.
NB: Consulter le tableau réglage du début gaz page 4 pour connaître les pressions de réglage maxi et mini.
Réglage de la pression aval maxi: s'assurer que latension aux bornes-B4- et-S3-dumultherme est bien de 10 V (thermostat régulateur en demande de chauffage maxi)
- Regler la pression aval à la valeur demandée en agissant sur la vis -S.
Réglage de la pression aval mini: s'assurer que la tension aux bornes -B4- et -S3- du modultherme est de 0 V (regler le thermostat régulateur au mini ou débrancher les bornes -B4- et -S3-)
- Régler la pression aval mini en agissant sur la vis de réglage -RE- jusqu'à obtention de la pression demandée (Maintenir -S-immobile).
Aprés réglage des pressions maxi et mini, indiquer les nouvelles valeurs sur l'étiquette deréglage collée à l'extérieur de l'appareil et vérifier l'étanchéité des vis de contrôle de pression et de réglage.
16.2 - Passage du gaz type G30 ou G31 vers le G20 ou le G25
(gaz butane 28mb ou propane 37mb vers gaz naturel 20 ou 25mb ).
- Le changement d'injecteurs et d'accrocheurs de flamme est obligatoire, à cet effet consulter le tableau de réglage gaz page 4. Pour les accrocheurs de flamme, consulter S.PLUS en indiquant le type de l'appareil et son n° de série.
- Demonter au préalable le ou les injecteurs en place, au moyen d'une clé à oeil de 17 sur plat.
- Remonter le ou les injecteurs appropriés, sans avoir à utiliser de pâte ou de joint. L'étanchéité est réalisée à sec.
- Demonter le ou les brûleurs de leur support au moyen d'une clé de 10. Desserrer la vis M4 en extrémité au moyen d'une clé 6 pans, enlever l'accrocheur de flamme en bronze et remonter le nouveau.
- Resserrer la vis de 4 et remonter le brûleur sur son support.
RÉGLAGE DES PRESSIONS MINI-MAXI ET DE L'INTERFACE :

Ce réglage est à effectuer lors du changement de gaz propane vers gaz naturel ou gaz naturel vers propane. Il doit aussi être effectué lors du remplacement d'une interface ou d'un bloc vanne. Il doit être exécuté par un personnel qualifié. Le réglage se fait en deux temps:
1) Reglage des maxi et mini sur le bloc vanne
2) Reglage de l'interface
Avont de commencer les reglages, mettre le regulateur de temperature en demande maxi de facon a avoir 10V à l'entree de l'interface. Dans les reglages qui suiveit, il est necessaire d'alimenter l'interface soit en 0V, soit en 10V. Pour ce faire, agir sur le regulateur de temperature ou a laide d'une pince, debrancher le fil + de l'alimentation 0/10V pour avoir 0V et le rebrancher pour avoir +10V .Tous ces reglages se font modultherme sous tension, veiller a ne pas etre en contact avec des fils sous tension, utiliseer des outils isolés.
1/REGLAGE MAXI-MINI:
- Monter un manometre permettant des lectures de 0 à 40 mb sur la prise de pression aval -P2-.
- Dévisser -S- au maxi (environ 3/4 de tour) ainsi que -G- (6 à 8 tours environ jusqu'à entendre un léger cliquetis).
- Interface alimentée en 10V, agir sur -S- jusqu'à obtention de la pression aval maxi indiquée dans le tableau des pressions page 4 (pour ce réglage, la vis -RE- peut tournier avec -S-).
- Interface alimentée en 0V, agir sur -RE-(by pass). Maintenir -S- immobile jusqu'à obtention de la pression aval mini indiquée dans le tableau des pressions page 4.
2/REGLAGEINTERFACE:
- Interface alimentée en 10V, visser -G- jusqu'à ce que la pression aval maxi commence à chuter (2 à 3 tours de vis).
- Interface alimentée en 0V, visser -S- jusqu'à ce que la pression aval mini commence à augmenter (procéder par 1/8^ de tour).
- Répéter les réglages de -G- et de -S- jusqu'à ce que les pressions commencent à varier lors que l'on tourne la vis de réglage (en principe -S- est quasiment en butée à droite). Ces réglages permettent de faire varier la pression lors que la tension d'alimentation 0/10V varie.
Ouverture et variation de la vanne :
- La vitesse d'ouverture de la vanne modulante est reglable par le potentiametre 1 (position moyenne 1/4 tour depuis la buteue gauche).
- La vitesse de variation de la pression gaz est régable par le potentiametre 2, elle ne doit pas être trop rapiè de trop lente (position moyenne entre butée gauche et butée droite).
Après réglages, provoquer un ou deux marche/arrêt pour vérifier le bon démarrage et la modulation de l'appareil.
- Remonter le fil + sur alimentation 0-10V de l'interface
- Enlever le manomètre de contrôle
- Serrer la vis de prise de pression
- Verifier l'étanchéité de la prise de pression
NB: La modification des réglages de l'interface ne modifie pas les pressions mini et maxi de la vanne, par contre la modification significative des pressions mini et maxi modifie les réglages de l'interface.
16.3 - Passage du gaz G20 ou G25 vers le gaz G30 ou G31
(gaz naturel 20 ou 25 mbar vers propane 37 mb ou butane 28 mb)
- Mèmes opérations qu'indiqué dans le paragraphe 16.2 ci-dessus en consultant le tableau de réglage page 4.
- Attention: le passage du gaz naturel vers le propane peut nécessiter le changement du bloc vanne ou du ressort de réglage du bloc vanne. Consulter S.PLUS en indiquant le type et le numéro de série du modultherme ou la référence du bloc vanne.

LEGENDE:
EvI: Electrovanne de sécurité
Ev2:Electrovanne de sécurité
Ev3:Electrovanne modulante
P1: Prise de pression among
P2: Prise de pression aval
S: Regulator de pression
RE: Reglage du by-pass pour vanne modulante
C: Capuchon (selon modele)



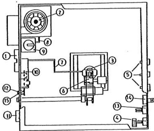
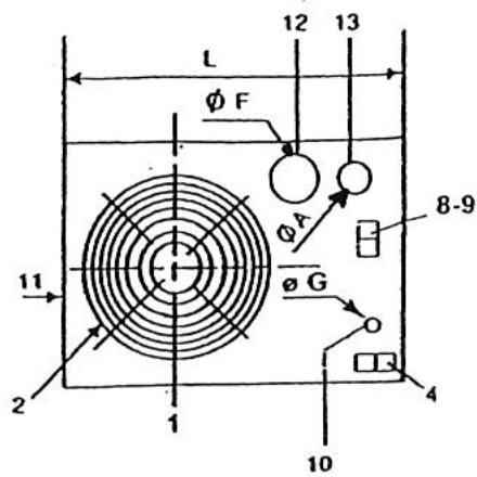
17-ENCOMBREMENT



LEGENDE:
1) Groupe moto-ventilateur
2)Grille de protection
3) Porte d'accès (partie régulation gaz)
4) Interrupteur Ete-Arret-Hiver ou raccordement - commande a distance
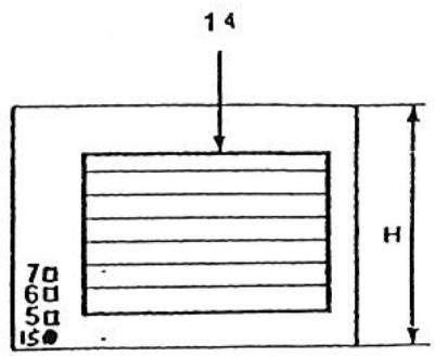
5)Voyant demise sous tension
6)Voyant marche bruleur
7) Voyant de surchauffe
8) Prise thermostat
9) Raccordement secteur 220 V
10) Arrivée du gaz
11) Portedemontable (fumee)
12) Manchette de sortie des gaz brûlés
13) Passage de l'air de combustion
14) Cadre de soufflage
(15) Rémarmement manuel
| APPAREIL TYPE | DIMENSIONS(mm) | POIDS(Kg) | |||||||||
| L | H | P | P' | C | B | ∅F(12) | GazG(10) | ∅A(13) | NET | BRUT | |
| MOD 182 E2 | 923 | 586 | 895 | 1070 | 142 | 605 | 125 | M 1/2" | 80 | 58 | 70 |
| MOD 262 E2 | 999 | 636 | 960 | 1180 | 142 | 670 | 125 | M 1/2" | 80 | 72 | 95 |
| MOD 352 E2 | 999 | 636 | 960 | 1180 | 142 | 670 | 125 | M 1/2" | 80 | 72 | 95 |
| MOD 422 E2 | 999 | 636 | 960 | 1180 | 142 | 670 | 125 | M 1/2" | 80 | 75 | 98 |
18-CARACTERISTIQUETECHNIQUES
| APPAREILS TYPES | Puisance thermique utile | Débit d'air à 20°C | Niveau sonore dB(A)(2) | Puisance mateur | Vitesse de rotation | portée en m(1) | ΔTair |
| MOD 182 E2 | 15 kW | 1300m3/h | 42 | 90 W | 750 tr/min | 12 | 33 |
| MOD 262 E2 | 22 kW | 1900m3/h | 44 | 90 W | 750 tr/min | 15 | 33 |
| MOD 352 E2 | 28.4 kW | 2750m3/h | 44 | 170 W | 750 tr/min | 17 | 30 |
| MOD 422 E2 | 34 kW | 3000m3/h | 45 | 170 W | 750 tr/min | 18 | 34 |
(1) Portée mesurée en champ libre, vitesse résiduelle = 0.40m / s
(2) Niveau sonore sur la base d'une ambiance à 34 db(A).
19-CARACTERISTIQUESTECHNIQUES
| TYPES | Puisance thermique utile | Débit d'air à 20°C | Puisance moteur | Vitesse de rotation | Pression Disponible | ΔTair |
| MOD 182 E2C | 15 kW | 1370m3/h | 147 W | 900tr/min | 110Pa | 31 |
| MOD 262 E2C | 22 kW | 1750m3/h | 147 W | 900tr/min | 120Pa | 36 |
| MOD 352 E2C | 28.4 kW | 3200m3/h | 420 W | 1360 tr/min | 180Pa | 26,5 |
| MOD 422 E2C | 34 kW | 3200m3/h | 420 W | 1360 tr/min | 180Pa | 32 |
20-FICHD'INSTRUCTIONS SIMPLIFIES POUR LE SERVICE APRES VENTE MODULTHERMES GAZSERIE E2 et E2 C

- Prise secteur et thermostat
- Extracteur
- Brûleur
- Airstat ventilateur
- Voyants
- Bloc vanne
- Cable d'electrode et electrode
- Tube couple pris de pression d'air Diam.6 x 8, longeur 250 mm
- Pressostat air
- Coffret de contrôle
- Connecteur pour raccordement boitier de commande à distance
- Condensateur Extracteur
- Airstat automatique
- Airstat à réarmement manuel
- Cartelectronique modulante
Principe de fonctionnement :
Le Modultherme etant sous tension (voyant vert allumé), l'interrupteur et le régulateur etant en demande de chauffage (ainsi que la programmation eventuelle), l'extracteur de gaz brûlés tourne, après quelques secondes, l'électrovanne gaz s'ouvre et le brûleur s'allume (voyant jaune allumé). Le ventilateur de soufflage démarre à la demande de l'airstat environ 2 minutes après le démarriage du brûleur.
IMPORTANT: bien respecter le sens d'alimentation phase et neutre.
NB: le Modultherme démarre toujours à la puissance maxi, au bout de quelques secondes, cette puissance sera adaptée à la demande du régulateur.
I. S'assurer que les vannes gaz soient ouvertes.
II. Vérifier le câblage d'alimentation et de renvoi de commande éventuel. La majorité des pannes lors d'une première mise en service proviennent d'un mauvais câblage qui peut entraîner une dépréciation du coffret électronique.
CONTROLE DES TENSIONS D'ALIMENTATION :
1) Entre phase et neutre : 230V
2) Entre phase et terre 230V
3) Entre terre et neutre : 0V(maxi3Vtoleres)
III. S'assurer que le régulateur de température est en besoin de chauffage.
IV.
L'extracteur tournet-il?
0UI
a) Pas d'étincelle à l'électrode
- Coffret hors service
- Pressostat air défectueux
-Tuyau couple entre pressostat et extracteur debranché - Cheminée ou évacuation obstruée
b) Etincelles à l'électrode (4 s environ, ayant ample allumé) et pas de flamme :
Gaz fermé
- Mauvaise purge de la canalisation
- Pression alimentation faible - Vérifier pression mini (voir page 8-9)
- Bobine Electrovanne hors service.
NON
-
Coffret hors service ou fusible coffret hors service
-
Extracteur hors service
- Condensateur extracteur hors service
- Pressostat air hors service
- Mise en sécurité de surchauffe voyant rougeallumé(renclencherlasecurite repere 15 ci-dessus). Ceci est souvent du à une coupurede l'alimentationelectrique appareil en fonctionnement.
NB : Lorsque l'extracteur des fumées tourne et qu'il n'y a pas eu d'allumage, il faut provoquer un arrêt / marche par l'intémèdaires du régulateur ou de l'interrupteur pour avoir une nouvelle tentative d'allumage.
IMPORTANT: PURGE DES CANALISATIONS A LA MISE EN SERVICE
De par la norme, le temps de mise en securite du coffret d'allumage est tres court (5 secondes), de ce fait, le temps d'ouverture du bloc vanne est egalement de 5 secondes et n'est pas suffisant, meme en le repetant, pour "purger une canalisation". Il est donc necessaire de bien purger les canalisations gaz lors de la mise en service afin d'évacuer l'air qui se trouve dans ces canalisations.
IMPORTANT: PRESSION D'ALIMENTATION GAZ / PRESSION D'ALLUMAGE
Une pression gaz trop faible peut générer des "non-allumages" du brûleur.
Les pressions auxquelles s'allument les modulthermes sont les "pressions aval minimum" indiquees page 4.
Si la pression d'alimentation est inférieure aux valeurs prevues, les "pressions aval minimum" seront, elles aussi, trop faibles et les apparèils ne s'allumeront pas. Cette pression minimum est régliable (voir page 8 - "Réglage de la pression minimum").
B/L'APPAREIL DEMARRE MAIS CHAUFFAGE INSUFFISANT
Vérifier la polarité 0-10V sur les bornes B4-S3
B4:(-) S3:(+)
C/L'APPAREIL DEMARRE MAIS SENSATIOND'AIR FROID
1) Pendant le cycle de chauffage: ceci peut etre d'au manque de pression gaz à l'appareil (yremédier) ou à une température ambiente très froide au démarrage (consulter le tableau n° 18 page 11) qui indique le ΔT de l'air soufflé.
2) A l'arrêt du brûleur : si le ventilateur de soufflage tourne trop longtemps après l'arrêt du brûleur, augmenter la consigne del'airstat ventilateur (repère 4 page 12) en tournant légément la manette graduée vers la droite.
-
Nota : les airstats assurent les deux fonctions suivantes :
-
Enclenchent le groupe moto-ventilateur après le démarrage du brûleur et lorsque la température de l'échangeur est suffisante. Ainsi tout problème de condensation est évité.
- Airstat de surchauffe: coupe le bruleur (par exemple, en cas de panne du groupe moto-ventilateur). Dans le cas de mise en sécurité par surchauffe, après avoir supprimé la cause de la surchauffe, il faut réarmer l'airstat manuel en appuyant sur le bouton (voir schéma page 12, repère 15 - enlever le capuchon de protection).
Attention: ne jamais arrêté un apparéil en fonctionnement en coupant l'alimentation électrique, cela provoquera une surchauffe et une mise en sécurité (Voyant rouge allumé, réarmement manuel à effectuer).
| PANNES | CAUSES | REMEDES |
| Voyant de mise sous tension (vert) non allumé. | Pas de courant. | Vérifier les fusibles. Le réseau électrique a-t-il subit des réparations? |
| Voyant défectueux. | Remplacer levoyant. | |
| Le brûleur ne démarrage pas et le voyant vert de mise sous tension est allumé. | Voyant rouge allumé. | L'appareil a été privé de courant lors de son fonctionnement. Rémier l'airstat en façade lorsque l'appareil aura refroidi. |
| Pas de gaz. | Ouvrir le gaz. | |
| Pression de gaz insuffisant. | Vérifier le réseau. Vérifier si la purge a été effectue. | |
| L'extracteur tourne, l'appareil n'est pas allumé. | Vérifier le raccordement tuyau / pressostat. Vérifier pression gaz. Vérifier pression aval minimum. | |
| L'appareil a été arrêté par fermetre du gaz (l'extracteur tourne). | Reprovoquer un arrêt / marche par le régulateur. | |
| L'extracteur ne tourne pas. | Vérifier si le régulateur est en demande. Remplacer eventuelsment le condensateur de l'extracteur. Remplacer eventuelsment l'extracteur. Vérifier les fusibles de la boite de contrôle. | |
| Régulateur de température non en demande. | LeMETREENDEMANDE. | |
| Cheminée obstruée. | Vérifier le conduit. | |
| Voltage insuffisant. | Vérifier la tension du réseau. | |
| Le brûleur se met en sécurité. | Inversion phase et neutre. | Rebrancher phase et neutre. |
| Mauvaise terre. | Vérifier la bonne mise en terre. | |
| Tension entre neutre et terre. | Y remédier ou poser un transformateur d'isolement. | |
| Electrode mal réglée ou défectueuse. | A régler ou à changer. | |
| Electrode à la masse. | A régler ou à changer. | |
| Pressostat AIR défectueux. | Le remplacer. | |
| Coffret de contrôle défectueux. | Le remplacer. | |
| Le ventilateur démarre et s'arrête continulement. | La protection thermique du moteur ou l'airstat intervenant. | Vérifier le moteur du ventilateur et l'airstat. |
| Pression gaz insuffisante (apparil pas assez chaud). | Y rémedier et vérifier polarité bornes B4-S3. | |
| Le ventilateur ne démarre pas. | Airstat déréglée ou défectueux. Ventilateur défectueux. | A remplacer ou à régler (airstat). |
| Condensateur / Moteur défectueux. | A remplacer. | |
| Voltage insuffisant. | Vérifier le réseau d'alimentation. | |
| Le brûleur démarre mais la flamme décroche ou se fait à l'injecteur. | Pression d'alimentation faible. | Vérifier la pression de fonctionnement et la pression aval minimum. |
| Installation avec citerne : mauvaise purge. | Purger abondamment. | |
| Le brûleur s'arrête, le voyant rouge s'allume. | Surchauffe. | Ventilateur défectueux. Condensateur du ventilateur défectueux. |
| Airstat défectueux. | Le remplacer. | |
| Plus de modulation de la puissance. | - Régulateur défectueux (plus de sortie 0-10V) - Pression gaz trop faible. - Polarié 0-10 V inversée. | - Interface défectueuse. |
Notice Facile