MIN 17 S - Chauffage gaz S.PLUS - Notice d'utilisation et mode d'emploi gratuit
Retrouvez gratuitement la notice de l'appareil MIN 17 S S.PLUS au format PDF.
| Type d'appareil | Chauffe-eau gaz |
| Modèles disponibles | MIN 10 S, MIN 17 S, MIN 25 S, MIN 35 S |
| Installation | Par un professionnel qualifié |
| Usage | Intérieur, hors zones à risques d'explosion |
| Normes | Conforme aux normes en vigueur |
| Alimentation gaz | Oui |
| Alimentation électrique | Oui |
| Arrêt de l'appareil | Interdit par coupure directe, uniquement via thermostat ou commande |
| Post-ventilation | Requise après arrêt |
| Type de gaz | Non précisé |
| Puissance | Non précisé |
| Capacité | Non précisé |
| Dimensions | Non précisé |
| Poids | Non précisé |
| Garantie | Non précisé |
| Maintenance | Entretien régulier recommandé |
| Utilisation | Installation et entretien par professionnel |
FOIRE AUX QUESTIONS - MIN 17 S S.PLUS
Téléchargez la notice de votre Chauffage gaz au format PDF gratuitement ! Retrouvez votre notice MIN 17 S - S.PLUS et reprennez votre appareil électronique en main. Sur cette page sont publiés tous les documents nécessaires à l'utilisation de votre appareil MIN 17 S de la marque S.PLUS.
MODE D'EMPLOI MIN 17 S S.PLUS
Il ne doit pas etre installe de Minithermes dans des locaux presentant des risques d'explosion par la nature des produits entreposes, degageant des vapeurs ou des solvants (vapeurs comburantes : chlore, fluor ...), ou dans des locaux a fort e teneur en poussieres combustibles (sciure de bois...).
L'installation de l'appareil doit être réalisée par un professionnel qualifié et conformément aux normes en vigueur ainsi qu'aux régles de l'art.
ATTENTION : L'arrêt des apparciels par coupure de l'alimentation gaz ou de l'alimentation électrique est strictement interdit. Seul est autorisé l'arrêt par l'intérimédiaire du thermostat ou du coffret de commande afin de permettre la post-ventilation.
Réf. MIN 09. 6-2010/lu
Destiné à l'installateur et à l'utilisateur
1 - DESCRIPTION :
Le Minitherme® est un apparéil de chauffage compact et étanche permettant un échange thermique entre les produits de combustion du gaz et un flux d'air produit par un ventilateur.
L'air chaud est directement souffle dans le local et sa direction peut etre modifie par l'interneniaire des ailettes de la grille de soufflage.
Le fonctionnement du ventilateur est regulé par un airstat pour éviter :
- en limite BASSE, le soufflage d'air froid,
- en limite haute, la surchauffe de l'appareil.
Enticipation automatique et sans veilleuse, l'appareil est allumé à distance par un thermostat d'ambiance à installer dans le local, ou par le coffret de commande S.PLUS CCP 4 AG.
Dans le cas d'un mauvais fonctionnement du ventilateur et d'une surchauffe de l'échangeur, le contact "limit" à réarmement manuel provoque l'accut du brûleur.
Le Minitherme S.PLUS MIN 10 - MIN 17 - MIN 20 est de type etanche, il doit etre raccorde a une ventouse concentrique murale ou verticale, livree par S.PLUS en accessoire (voir conditions de raccordement pages 3 à 6).
Cette ventouse permit l'introduction de I'air neuf necessaire a la combustion et le rejet des produits de combustion.
Le Minitherme S.PLUS MIN 25 S - MIN 35 S peut etre raccorde par un conduit simple, vertical ou horizontal 80 (I'air de combustion etant pris dans le local chauffé) ou par ventouse verticale ou horizontale (voir page 7 a 9).
2-ETAT DE LIVRAISON
- Les Minithermes® S.PLUS sont livrés emballés et calés dans une caisse bois et carton. La plaque signalétique est fixée à l'intérieur de l'appareil et sur l'emballage. Les étiquettes de précaution à la mise en service ou autres sont fixées à l'arrière de l'appareil.
3 - INSTALLATION ET REGLEMENTATION
- Les apparèils doivent être installés suivant la réglementation et les normes en vigueur dans le pays de destination.
- L'installation, l'entretien de l'appareil, l'adaptation à d'autres gaz doivent être réalisés par une personne qualifiée, selon les instructions de la notice du fabricant.
Locaux Industriels (FRANCE)
- La réglementation générale est constituée essentiellement du Code du Travail, qui ne traite pas spécifiquement du chauffage des locaux par Minithermes® gaz, mais qui définit dans ses articles R.232.1 à R.232.4 les exigences en matière d'aération et d'assainissement.
- La réglementation de base des installations classées pour la protection de l'environnement est la loi N° 76.663 du 19.07.1976. Les arrêtés types contiennent les interdictions particulières en matière de chauffage selon les activités de l'installation.
Locaux et Etablissements Recevant du Public (FRANCE)
- Les dispositions réglementaires formulées dans le "Règlement de Sécurité contre l'incendie dans les E.R.P." concernant les appareils, l'installation, la mise en service, l'entretien, les vérifications, le circuit gaz, la ventilation du local (articles CH et GZ dont les plus importants sont les articles CH 53, 54, 55 et GZ 21).
4 - MISE EN PLACE
4.1 - MIN 10 S - MIN 17 S
Les ailettes de soufflage sont à orienter selon les besoin. Veillez à ne pas trop les incliner ou les fermer ce qui provoquerait une surchauffe de l'appareil.

Important : le Minitherme® MIN 10 S - MIN 17 S ne doit pas etre posé sur des consoles ou autres supports mais suspendus à partir des rails en partie supérieure et par l'intermédiaire d'un kit de suspension livre par S.PLUS en option.
Le Minitherme « MIN 255/MIN 355 peut-être suspendu comme MIN10 -17S ou posé sur consoles.
Ces appeareils doivent obligatoirement etre raccordés à une ventouse. Cette ventouse peut etre horizontale ou verticale. Les ventouses murales ne doivent pas etre scellées dans le mur, elles doivent etre retirées pour les visites de contrôle ou d'entretien et pour acceder à l'extracteur des gaz brûlés. Un dispositif de récepération des condensats doit etre installé coto Minitherme en ventouse verticale.

Tous les apparèils sont livrés d'usine avec une manchette fémelle pour sortie horizontally.
| MIN 10 S | MIN 17 S | |
| Diamètre de sortie de la ventouse | Manchette F/F 60/100 | Manchette F/F 80/125 |
Une ventouse est composée de 2 tubes concentriques : le tube interieur évacue les produits de combustion, le tube extérieur permet l'admission à l'appareil de l'air nécessaire à la combustion. Les ventouses sont composées d'un terminal dont l'extrémité est protégée contre les turbulences et/ou refoulements, de rallonges concentriques droites, et eventulement de coudes de dévoiement.
L'ensemble ventouse monte doit'être « soutenu » par cable, support ou autre afin que son poids ne déteriore pas la manchette de sortie du Minitherme et ne provoque pas un désaxage des tuyaux qui seraient alors endommagés par la chaleur ce qui nuirait au bon fonctionnement de l'appareil et pourrait le déteriorer.
5.1 - VENTOUSE HORIZONTAL

MIN 10 S
UTILISERAUTANTQUEPOSSIBLEDESCOUDES A 45^ POUR LES DEVOIEMENTS
Attention : La ventouse ne doit pas etre scellée, elle doit pouvoir etre retirée pour les visites de contrôle et d'entretien.
MIN 17 S

Longueur maxi = 5 m (1 coude 90^ = environ 1,5 m de longueur droite), terminal inclus.
UTILISERAUTANTQUEPOSSIBLEDESCOUDES A 45^ POUR LES DEVOIEMENTS
Attention : La ventouse ne doit pas etre scellée, elle doit pouvoir etre retirée pour les visites de contrôle et d'entretien.
5.2 - VENTOUSE VERTICALE

MIN 10 S
UTILISERAUTANT QUE POSSIBLE DES COUDES A 45^ POUR LES DEVOIEMENTS
Attention : La ventouse ne doit pas etre scellée, elle doit pouvoir etre retirée pour les visites de contrôle et d'entretien.
MIN 17 S
Longueur maxi = 8 m (1 coude = environ 1.5 m de longueur droite)
Terminal inclus

UTILISERAUTANT QUE POSSIBLE DES COUDES A 45^ POUR LES DEVOIEMENTS
Attention : La ventouse ne doit pas etre scellée, elle doit pouvoir etre retirée pour les visites de contrôle et d'entretien.
6 - RACCORDEMENT PAR VENTOUSE OU TUYAU SIMPLE MIN 25 S - MIN 35 S
Les Minithermes MIN 25 S et MIN 35 S peuvent être raccordés par simple tuyau Ø 125 (sortie horizontale ou verticale), ou par ventouse concentrique Ø 80/125 horizontale ou verticale. Les apparciels sont livrés d'origine avec une manchette DN 125 pour l'évacuation des produits de combustion et un passage DN 80 pour l'entrée de l'air nécessaire à la combustion.
A - Evacuation des produits de combustion par simple tuyau
Raccorder sur la manchette 125 un tuyau d'évacuation.
L'entrée d'air de combustion 80 n'est pas raccordée. Dans ce cas, prévoir en E.R.P. une entrée d'air neuf équivalente à 1,75m^3 /h par kW installés. En milieu industriel, bien s'assurer que les entrées d'air soient suffisantes ou prévoir une entrée d'air suffisante.
B - Raccordement par ventouse concentrique
Il faut un kit d'adaptation (livré en option) comprément : 2 manchettes + joints DN 80 + un tuyau DN 80 L 195+ un adaptateur Ø 80/80 - 80/125, les rallonges et/ou terminaux.
1) Enlever la manchette DN 125 fixe par vis sur l'appareil et la replacer par une manchette DN 80.
2) Monter la deuxième manchette DN 80 sur l'entrée d'air neuf.
3) Monter le kit d'adaptation (livre en option).
4) Monter les rallonges et sorties murales ou de toiture selon les schémas ci-après.
NB: Les manchettes DN 80 sont livrées avec le kit d'adaptation.
Attention : Un mauvais emboitement des rallonges, coudes, terminaux, etc... peut provoquer une mise en sécurité de l'appareil. Il ne doit pas y avoir de contre-pente sur les evacuations.
L'ensemble ventouse monté doit être « soutenu » par cable, ou autre afin que son poids, ne déteriore pas la manchette de sortie du Minitherme, et ne provoque pas un désaxage des tuyaux, qui seraient alors endommagés par la chaleur ce qui nuirait au bon fonctionnement de l'appareil et pourrait le déteriorer.
6.1 - RACCORDEMENT PAR VENTOUSE HORIZONTALE


NOTA:1 coude à 90^ = 1,50m de longueur linéaire
1 coude à 45^ = 0,75m de longueur linéaire
Exemple :

Montage ventouse horizontale
| MIN 25 S | MIN 35 S | |
| Adaptateur concentrique + Manchettes DN 80 | 1 | 1 |
| Longueur MAXI avec terminal et coudes évventuels | 5 m | 5 m |

6.2 - Raccordement par ventouse verticale


| Adaptateur concentrique + Manchette DN 80 | Coude 90° de départ | Récupération de condensats | Longueur maxi avec coude de départ et terminal | |
| MIN 25 S | 1 | 1 | 1 | 8 m |
| MIN 35 S | 1 | 1 | 1 | 8 m |
Attention : La ventouse ne doit pas etre scellée, elle doit pouvoir etre retirée pour les visites de contrôle et d'entretien.
7 - VENTILATION DU LOCAL
- En E.R.P., en FRANCE, les taux de ventilation sont indiqués à l'article GZ 21 du "Règlement de sécurité contre l'Incendie en "E.R.P".
- Pour les autres pays, la ventilation doit être conforme aux réglementations en vigueur.
- Dans tous les cas, se conformer au chapitre CH 6 du "Règlement de Sécurité contre l'Incendie".
- L'application de ces règes est également recommendée dans le secteur industriel.
8 - DISTRIBUTION DE L'AIR DE CHAUFFAGE
- L'appareil est muni de série de volets horizontally amovibles permettant d'ajuster le jet d'air. Ces apparèils sont conçus pour fonctionner à une température ambiente minimale de 0^ et maximale 50^ .
9 - SCHEMA D'IMPLANTATION ET SELECTION
- S'assurer que le ou les appareils installés ont un débit d'air total de 3 à 6 fois supérieur au volume du local (3 fois pour les locaux > 2000 m³, 5 fois entre 500 et 2000 m³, 6 fois < 500 m³. Ceci conditionné l'efficacité de l'installation).
- Si nécessaire, afin d'atteindre ce taux de brassage, des destratificateurs ou brasseurs d'air devront être installés.


10 - RACCORDEMENT GAZ
- S'assurer que la nature du gaz et la pression correspondant aux caractéristiques portées sur l'arrière de l'appareil (diamètre de sortie : 1/2" gaz mâle (15 × 21) pour MIN 10 S - 15 S - 20 S et 3/4" gaz mâle (20 × 27) pour MIN 25 S - 35 S).
- Il est nécessaire de prévoir un filtré gaz en amont pour la prévention des conséquences eventuelles dues aux dépôts pouvant exister dans les canalisations.
- Les pressions gaz à utiliser sont définies par les catégories suivantes, pour lesquelles ces apparèils sont en conformité européenne :
| BE | I2E®B | IE | II2H3+ |
| DE | II2E3B/P | IT | II2H3+ |
| CH | II2H3+ | PT | II2H3+ |
| DK | II2H3B/P | FR | II2Esi3+ |
| ES | II2H3+ | NL | II2L3B/P |
| GB | II2H3+ | LU | I2E |
| GR | II2H3+ |
(1) : Selon la Norme EN437.1993. Conditions ambientes définies par cette Norme : Gaz sec 15^ Pression ambiente : 1013,25 mbar.
(2):MJ/m3 (MJ/kg)
P.C.I.: Pouvoir Calorifique Inférieur
Note : Dans tous les cas, nous recommendons de veiller à ce que les sections des tuyauteries permettent d'alimenter les appareils aux pressions suffisantes afin d'assurer le débit.
| Modèle | Pression : mbar D injecteur : 1/100 mm Débit calorifique : kW | G20 20 mbar | G25 25 mbar | G31 37 mbar | G30 28/30 mbar |
| MIN 10S | Pressionaval nominale | 11,47 | 11,47 | 35,98 | 25,98 |
| Pressionaval minimale | 4,9 | 6,96 | 13,24 | 13,24 | |
| Débit nominal (1) | 1,18 m³/h | 1,37 m³/h | 1,00 Kg/h | 1,02 Kg/h | |
| Débit minimal (1) | 0,75 m³/h | 0,91 m³/h | 0,72 Kg/h | 0,73 Kg/h | |
| Débit nominal (2) | 1,09 m³/h | 1,19 m³/h | 1,01 Kg/h | 1,02 Kg/h | |
| Débit minimal (2) | 0,73 m³/h | 0,80 m³/h | 0,72 Kg/h | 0,72 Kg/h | |
| Diam. Injecteur - Nbre : 1 | 290 | 290 | 190 | 190 | |
| Débit Calorifique nominal | 11,1 | 11,1 | 12,9 | 12,9 | |
| Débit Calorifique minimal | 7,4 | 7,4 | 9,2 | 9,2 | |
| Régulateur | En service | En service | Bloqué | Bloqué | |
| MIN 17S | Pressionaval nominale | 13,73 | 13,73 | 36,18 | 24,71 |
| Pressionaval minimale | 4,31 | 6,08 | 16,66 | 16,66 | |
| Débit nominal (1) | 1,97 m³/h | 2,30 m3/h | 1,45 Kg/h | 1,47 Kg/h | |
| Débit minimal (1) | 1,04 m³/h | 1,45 m3/h | 0,90 Kg/h | 0,91 Kg/h | |
| Débit nominal (2) | 1,83 m³/h | 2,01 m3/h | 1,46 Kg/h | 1,47 Kg/h | |
| Débit minimal (2) | 0,96 m³/h | 1,27 m3/h | 0,91 Kg/h | 0,91 Kg/h | |
| Diam. Injecteur - Nbre : 1 | 360 | 360 | 220 | 220 | |
| Débit Calorifique nominal | 18,7 | 18,7 | 18,7 | 18,7 | |
| Débit Calorifique minimal | 9,8 | 11,8 | 11,6 | 11,6 | |
| Régulateur | En service | En service | Bloqué | Bloqué | |
| MIN 25S | Pressionaval nominale | 11,57 | 11,57 | 35,98 | 25,69 |
| Pressionaval minimale | 3,43 | 3,43 | 17,16 | 16,57 | |
| Débit nominal (1) | 2,90 m³/h | 3,38 m³/h | 2,13 Kg/h | 2,16 Kg/h | |
| Débit minimal (1) | 1,00 m³/h | 1,16 m³/h | 0,73 Kg/h | 0,74 Kg/h | |
| Débit nominal (2) | 2,69 m³/h | 2,95 m³/h | 2,14 Kg/h | 2,16 Kg/h | |
| Débit minimal (2) | 0,92 m³/h | 1,01 m³/h | 0,74 Kg/h | 0,74 Kg/h | |
| Diam. Injecteur - Nbre : 1 | 440 | 440 | 270 | 270 | |
| Débit Calorifique nominal | 27,5 | 27,5 | 27,5 | 27,5 | |
| Débit Calorifique minimal | 9,4 | 9,4 | 9,4 | 9,4 | |
| Régulateur | En service | En service | Bloqué | Bloqué | |
| MIN 35S | Pressionaval nominale | 13,73 | 13,73 | 35,19 | 25,69 |
| Pressionaval minimale | 3,43 | 3,43 | 16,67 | 16,57 | |
| Débit nominal (1) | 3,95 m³/h | 4,60 m³/h | 2,90 Kg/h | 2,94 Kg/h | |
| Débit minimal (1) | 1,60 m³/h | 1,86 m³/h | 1,17 Kg/h | 1,19 Kg/h | |
| Débit nominal (2) | 3,66 m³/h | 4,02 m³/h | 2,92 Kg/h | 2,94 Kg/h | |
| Débit minimal (2) | 1,48 m³/h | 1,63 m³/h | 1,18 Kg/h | 1,19 Kg/h | |
| Diam. Injecteur - Nbre : 1 | 500 | 500 | 310 | 310 | |
| Débit Calorifique nominal | 37,4 | 37,4 | 37,4 | 37,4 | |
| Débit Calorifique minimal | 15,1 | 15,1 | 15,1 | 15,1 | |
| Régulateur | En service | En service | Bloqué | Bloqué | |
(1) : données de début selon EN 437
(2) : données de début selon données des fournisseurs de gaz (Gaz de France)

Tous les apparciels sont régles d'usine en fonction des données de pouvoir calorifique fournies par Gaz de France. Les débits selon EN 437 son données à titre indicatif seulement.
Les valeurs de pression sont également données à titre indicatif. La valeur à respecter est celle qui est mentionnée sur l'etiquette colée à l'intérieur de l'appareil.
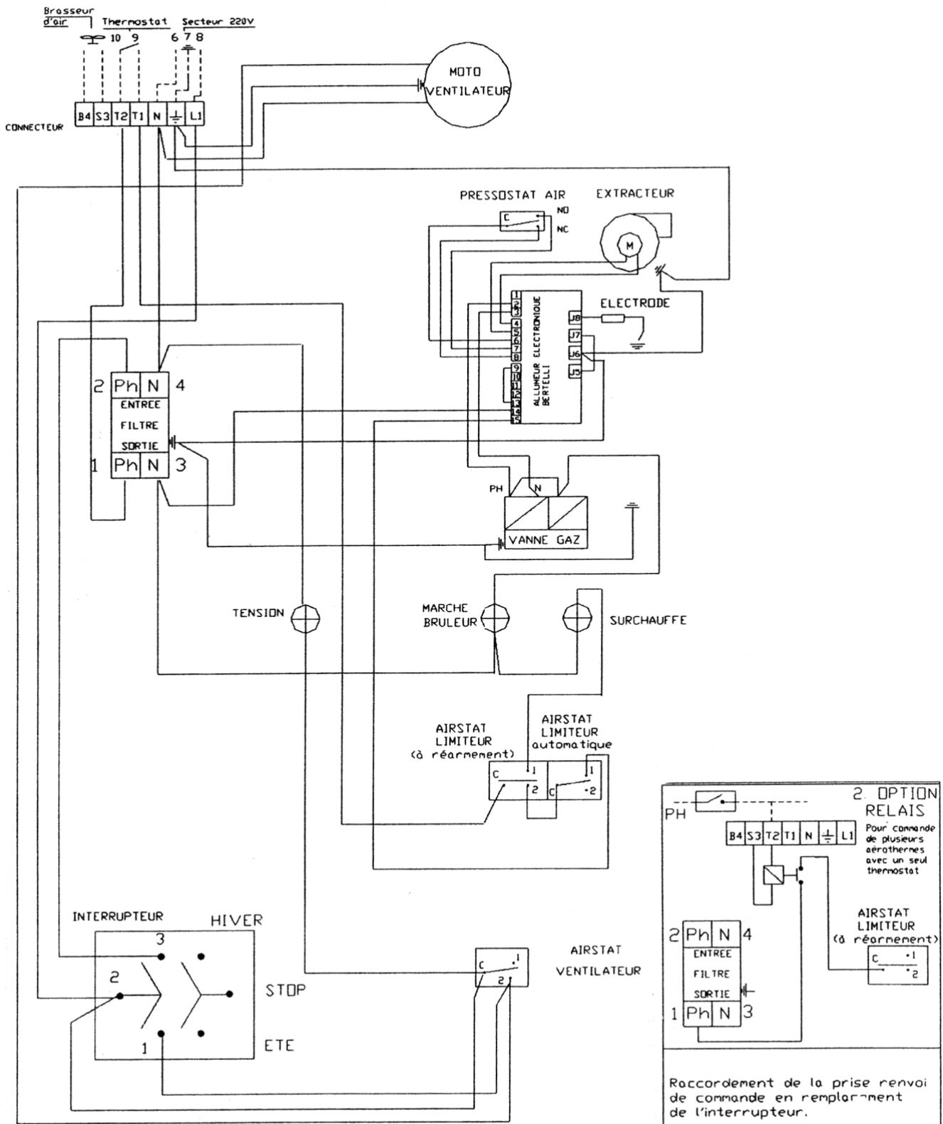
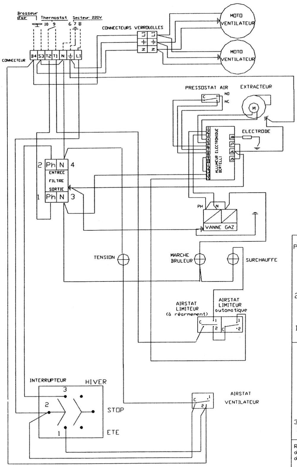
13 - SCHEMA DE CABLAGE
13.1 - MIN 10 S - MIN 17 S


13.2 - MIN 25 S - MIN 35 S

14 - RACCORDEMENT ELECTRIQUE
-
L'appareil est muni, sur la face arrête, d'un connecteur débrochable pour l'alimentation monophasée 230 V et le raccordement du thermostat.
-
Alimentation monophasée 230 V + terre
-
Raccorder la phase, le neutre et la terre en veillant aux bonnes polarités repérées sur le connecteur (L = Phase).
Les sections d'arrivées seront conformes aux régles de l'art et il devra être prévu un sectionneur sur la ligne d'alimentation muni de fusible (à calibrer selon le ou les types d'appareils commandés). Voir norme C 15100.
-
Raccorder le thermostat et/ou la programmation sur les bornes repérées T1 et T2 sur le connecteur (un thermostat / horloge par Minitherme®).
-
Si un thermostat / horloge commande plusieurs Minithermes®, il faut "relayer" la commande thermostatique.
-CommandeEté-Hiver
- A l'arrière du Minitherme®, un interrupteur 3 positions permet de selectionner : position Ete : ventilation seule et permanente - position Arrêt - position Hiver :CHAFFAGE.
-IMPORTANT
-
Ne jamais raccorder un thermostat, une programmation ou un interrupteur de fonctionnement sur l'alimentation 230 V des Minithermes (seuls une protection et un interrupteur de coupure de fin de saision peuvent y être raccordés).
-
L'alimentation électrique du Minitherme® ne doit être coupée que lorsque celui-ci n'est plus en phase de chauffage.
N.B. : Si l'alimentation électrique n'est pas monophasée 230 V, prévoir un transformateur de séparation de circuit.

Attention : Vérifier la qualité du réseau d'alimentation électrique. Pour toute installation monophasée 230V, la tension entre neutre et terre doit être de 0V (maximum toléré 2 à 3V) à défaut, installer un transformateur d'isolement sur l'alimentation du Minitherme®.
15-MISE EN SERVICE
- Cet apparéil a été contrôle et préprégle en usine ; son bon fonctionnement est directement lié à une bonne installation (voir chapitres précédents).
- Vérifier que la nature du gaz correspond à l'appareil installé (voir l'étiquette fixée à l'intérieur de l'appareil). S'assurer que les vannes gaz d'arrêt soient ouvertes (purger les canalisations si nécessaire).
-
Mettre l'appareil sous tension, voyant vert allumé etmettre l'interrupteur en position hiver. Provoquer une demande de chauffage en agissant sur le thermostat et/ou l'horloge. L'extracteur des fumées se met en marche, le cycle d'allumage démarre.
-
Prébalayage de 30 secondes minimum et contrôle de la dépression par le pressostat.
-
Déclenchement de la phase d'allumage par train d'étincelles (voyant jaune allumé) et ouverture du bloc vanne gaz.
-
Détction de la flamme, arrêt des étincelles.
-
Dans le cas de mise en sécurité par "arrêt" du gaz, après la première tentative, une deuxième tentative s'opère selon le cycle précédent.
-
En cas d'insuccès, le brûleur se met définitivement en sécurité. Il faut alors débrancher et rebrancher l'alimentation électrique (réarmement du système) ou réarmer le thermostat ou agir sur l'inverseur stop/hiver.
- ÀpRES quelsques minutes de fonctionnement du brûleur, le ventilateur enterra en action afin de propulser de l'air chaud dans le local.
ARRET : Lorsque la température est atteinte, le thermostat coupe l'alimentation du brûleur, (levoyant jaune s'éteint) le ventilateur de souffrage continu à fonctionner jusqu'au refroidissement de l'appareil. Cette opération de post-ventilation est indispensable pour éviter toute surchauffe de l'appareil par inertie et tout déclenchement de la sécurité de surchauffe.
NB: En cas d'anomalie au démarrage, voir instructions SAV pages 21 et 24. Si l'on met l'interrupteur sur la position Arrêt au cours d'un cycle de chauffe, les ventilateurs de souffrage tournent jusqu'àu refroidissement de l'appareil.
16-ENTRETIEN
- Les Minithermes® S.PLUS ont été concus pour un minimum d'entretien, un contrôle général est obligatoire au minimum une fois par an. Dans le cas de fonctionnement en atmophère chargee, il sera nécessaire de nettoyer la poussiere pouvant s'être accumulée sur les pales du ventilateur et autour de l'échangeur.
Dans ce cas, on utilisera de préférence l'air compré pour chasser ces poussières, en ayant démontré, au préalable, la porte latérale droite (accès à l'échangeur).
-
Nous recommendons en outre, une vérification annuelle des différents organes de sécurité équipant cet apparéil, en particulier :
-
du coffret électronique (allumage + temps de sécurité < 5 s),
- des électrovannes gaz (proprété du tamis à l'entrée du corps de l'électrovanne),
- des pressions de gaz et étanchéité (bonbe à mousse ou savon),
- des connexions électriques (serrage),
- nettoyage général (filtre gaz),
-
nettoyage de l'extracteur.
-
de l'etat de la gaine d'aspiration des gaz brûlés entre extracteur et fond de foyer (cette gaine est accessible en enlevant les ventilateurs sans les débrancher). A replacer en cas de percement ou de coupure.
-
Vérifier également les conditions des contrôleux pouvant être exigées aux regards des normes ou réglementations en vigueur pouvant être liées aux applications et installations des Minithermes® gaz.
Cas de mise en surchauffe du Minitherme® :
- voyant rouge allumé
Il est nécessaire d'isoler la cause de mise en surchauffe du Minitherme (non fonctionnement du ventilateur de soufflage, pression de gaz trop elevée, détendeur défectueux...) avant toute autre opération. Lorsque le défaut a été corrigé, il faut réarmer l'appareil en appuyant sur le bouton de l'airstat de surchauffe (situé en façon devant la grille de soufflage).
Une coupure électrique prolongée de l'appareil, pendant le fonctionnement du brûleur, peut entraîner une surchauffe de l'appareil par effet d'inertie thermique. En effet, il n'y a pas de post ventilation de l'échangeur. Dans ce cas, il suffit de réarmer l'airstat de surchauffe. Les coupures électriques prolongées du Minitherme® sont à éviter à tout prix pendant le fonctionnement du brûleur.
NETTOYAGE DU BRULEUR
En principe, cette opération n'est pas nécessaire. Si besoin est :
- ouvrir la carrosserie et la trappe d'étanchéité (appareil stoppe)
- utiliser une clé à pipe de 10 et desserrer la vis (rep. 1) retenant le brûleur
- faire glisser légèrement le brûleur dans la chambre de combustion, pour le déboîter de son support (rep. 2)
- le retirer en le glissant sous le support venturi. Àpres verification, proceder au remontage : mêmes opérations en sens inverse, et repositionner le venturi aux repères indiqués (vernis de couleur)
- contrôle le bon positionnement et l'etat du foyer céramique (rep. 3)

MIN 10 S-17 S
17 - NOMENCLATURE (Voir page 16)
REPERES :
1 - Extracteur
5 - Airstat limiter automatique
7 - Bloc vanne gaz
10 - Pressostat air
11 - Coffret de contrôle
12 - Raccordement gaz
13 - Groupe motoventilateur
14 - Gaine alu
15 - Interrupteur bi-polaire
16 - Tube gaz
19 - Tube mesure pression
20 - Tube mesure depression
21 - Trappe caisson étanche
22 - Airstat surchauffe à réarmement
23 - Voyants
24 - Airstat ventilateur
25 - GousetssupportMinitherme
28 - Vis de maintainent manchette
17 - NOMENCLATURE (suite)
- Prise secteur et thermostat
- Extracteur
- Brûleur
- Airstat ventilateur
- Voyants
- Bloc vanne
- Câble d'électrode et electrode d'allumage et d'ionisation
- Tube couple pris de pression dair Diam.6 x 8, longueur 250mm
- Pressostat air
- Coffret de contrôle
- Airstat auto
- Airstat à réarmement manuel
18 - CHANGEMENT DE GAZ (Schemas page 19 et 20)
18.1 - Passage du gaz du type G20 en G25 (20 mbar, 25 mbar)
-
Pour tous modèles, un réglage de pression aval est nécessaire (voir tableau p.11).
-
Agir modérément sur la vis S dans le sens des aiguilles d'une montre pour augmenter la pression (voir tableau de réglage gaz page 11) et à l'inverse pour abaiser la pression.
- La pression maximale à observer est indiquée dans le tableau correspondant au gaz d'utilisation des Minithermes® en fonctionnement.
- Contrôler ce réglage au moyen d'un manomètre raccordé sur la prise de mesure aval (P2).
- Àprou réglage, sceller le régulateur avec du vernis.
- Indiquer les valeurs du nouveau "réglage gaz" sur l'étiquette à l'intérieur de l'appareil et sur la plaque signalétique.
- Contrôler l'étanchéité des vis de mesure de pression de gaz, aval (P2) et avant (P1) au moyen d'une bombe de savon.
18.2 Passage d'un gaz de la 2ème à la 3ème famille : G20 ou G25 vers le G30 ou G31
-
Le changement d'injecteur et de brûleur (accrocheur) est obligatoire ; à cet effet, consulter le tableau de réglage gaz page 11 pour installer le bon calibre d'injecteur et le bon type d'accrocheur.
-
Demonter au préalable l'injecteur en place.
- Remonter l'injecteur approprié, sans utiliser de pâte ou autre joint; l'étanchéité est réalisée à sec.
- Demonter le brûleur de son support au moyen d'une clé de 10 sur plat ; Remplacer l'accrocheur de flamme et le remonter.
-
Bloquer le régulateur de pression en le vissant dans le sens des aiguilles d'une montre.
-
Mettre en route l'appareil en contrôlant les pressions amont et aval (P1 et P2), comme indiqué dans le paragraphe précédent et vérifier que les valeurs relevantes correspondant aux réglages gaz indiqués dans le tableau de réglage.
-
Indiquer les valeurs du nouveau réglage gaz sur l'étiquette à l'intérieur de l'appareil et sur la plaque signalétique.
18.3 Passage d'un gaz de la 3ème à la 2ème famille (G30/G31 --> G20/G25)
Meme opération que precedemment, sauf qu'il faut debloquer le regulateur de pression et ajuster la pression indiquee suivant le gaz d'utilisation (voir tableau reglage gaz - page 11).
18.4 Pression d'allumage
NB: ÀpRES un changement de gaz ou un remplacement du bloc vanne, il peut être nécessaire de régler les pressions d'allumage de l'appareil (palier d'allumage). Pour ce faire, agir sur la vis T.
-
VANNE DUNGS: en vissant T, on augmente la pression (à dire sur prise P2). en dévissant T, on diminue la pression (à dire sur prise P2).
-
VANNE SIT 830: en vissant T, on diminue la pression.
en dévissant T, on augmente la pression.
Les valeurs sont indiquées dans le tableau pression / débit page 11. Si les pressions sont inférieures ou supérieures aux valeurs indiquées, l'allumage peut ne pas se faire.
NB: Si la pression d'alimentation en gaz est faible, il faut vérifier la pression d'allumage en cas de non mise en route du brûleur.

LEGENDE:
EV1: Electrovanne de sécurité
P1: Prise de pression amont
P2: Prise de pression aval
EV2: Electrovanne de sécurité
T: Réglage de la progressivité d'allumage (selon modele)
S: Régulateur de pression
C: Capuchon
Mesure de pression a faire en P2
Réglage de pression à faire en S
TYPE D'ACCROCHEUR ET D'INJECTEUR EN FONCTION DU GAZ D'UTILISATION (RAPPEL)
| G20 | G25 | G30 | G31 |
| 20 mbar | 25 mbar | 28 mbar | 37 mbar |
| W | W | ALPHA | ALPHA |
| 290 | 290 | 190 | 190 |
| W | W | W | W |
| 360 | 360 | 220 | 220 |
| W | W | W | W |
| 440 | 440 | 270 | 270 |
| W | W | W | W |
| 500 | 500 | 310 | 310 |
19 - POSITIONNEMENT TETE VENTURI / A LA BRIDE VENTURI

- Arrivee gaz
- Injecteur
- Bruleur
- Vis de fixation
- Bride support brûleur
- Accrocheur de flamme
Principé de fonctionnement :
Le Minitherme® étant sous tension (voyant vert allumé), le thermostat étant en demande de chauffage (ainsi que la programmation eventuelle) l'extracteur de gaz brûlés tourne, après quelques secondes, l'électrovanne gaz s'ouvre et le brûleur s'allume (voyant jaune allumé). Le ventilateur de souffrage démarre à la demande de l'airstat environ 2 minutes après le démarrage du brûleur.
IMPORTANT : Ne jamais commander 2 ou plusieurs Minithermes® directement par un seul thermostat : bien respecter le sens d'alimentation phase et neutre.
A. L'APPAREIL "NE DEMARRE PAS"
I. S'assurer que les vannes gaz soient ouvertes.
II. Vérifier le câblage d'alimentation électrique. La majorité des pannes lors d'une première mise en service provient d'un mauvais câblage qui peut entraîner une dépréciation du coffret électronique (terre, inversion phase neutre... tension entre neutre et terre).
CONTROLE DES TENSIONS D'ALIMENTATION :
1) Entre phase et neutre: 230 V
2) Entre phase et terre : environ 230 V
3) Entre terre et neutre : 0 V (maxi 3 V tolere) A defaut, installer un transformateur d'isolement
III. S'assurer que le thermostat d'ambiance est en besoin de chauffage.
IV.
L'extracteur tourne-t-il?
0UI
a) Pas d'etincelle à l'électrode
- Coffret electronique defectueux
- Pressostat air defectueux
- Tuyau couple entre pressostat et extracteur débranché
- Cheminée ou évacuation obstrée
b) Etincelles à l'électrode (4 s environ, voyant amber allumé) et pas de flamme:
- Gaz fermé
- Mauvaise purge de la canalisation ou detendeur ou filtre bouché
-Progressivite ouverture vanne mauvaise
- Bobine Electrovanne hors service
- Pression gaz insuffisante
NON
- Coffret électronique ou fusible coffret hors service
- Extracteur hors service
- Condensateur extracteur hors service
- Pressostat air hors service
- Mise en sécurité de surchauffe voyant rouge allumé (réenclencher l'airstat repère 14). Ceci est souvent dû à une coupure de l'alimentation électrique appareil en fonctionnement
NB : Lorsque l'extracteur des fumées tourne et qu'il n'y a pas eu d'allumage, il faut provoquer un arrêt / marche par l'intémediaire du thermostat ou de l'interrupteur pour avoir une nouvelle tentative d'allumage.
IMPORTANT : PURGE DES CANALISATIONS A LA MISE EN SERVICE
De par la norme, le temps de mise en sécurité du coffret d'allumage est très court (5 secondes), de ce fait, le temps d'ouverture du bloc vanne est également de 5 secondes et n'est pas suffisant, même en le repétant, pour "purger une canalisation". Il est donc nécessaire de bien purger les canalisations gaz lors de la mise en service afin d'évacuer l'air qui se trouve dans ces canalisations.
B. L'APPAREIL DEMARRE MAIS SENSATION D'AIR FROID
1) Pendant le cycle de chauffage: ceci peut etre d 出 a un manque de pression gaz à l'appareil (y remedier) ou à une tempereature ambiente tres froide au demarrage.
2) A l'arrêt du brûleur : si le ventilateur de soufflage tourne trop longtemps après l'arrêt du brûleur, augmenter la consigne de l'airstat ventilateur (repère 24) en tournant légrement la manette graduée.
-
Nota : les airstats assurent les deux fonctions suivantes :
-
Enclenche le groupe moto-ventilateur après le démarrage du brûleur et lorsque la température de l'échangeur est suffisante. Ainsi tout problème de condensation est évité.
- Sécurité de surchauffe : il coupe le brûleur (par exemple, en cas de panne du groupe moto-ventilateur). Dans le cas de mise en sécurité par surchauffe, après avoir suprimé la cause de la surchauffe, il faut réarmer l'airstat en appuyant sur le bouton (repère 22 - en façade, enlever le capuchon de protection noir).
ATTENTION: NE JAMAIS ARRETER UN APPAREIL EN FONCTIONNEMENT EN COUPANT L'ALIMENTATION ELECTRIQUE, CELA PROVOQUERA UNE SURCHAUFFE ET UNE MISE EN SECURITE (VOYANT ROUGE ALLUME, REARMEMENT MANUEL A EFFECTUER).
22-CARACTERISTIQUES TECHNIQUES
| APPAREILS TYPES | Puisance thermique utile (kW) | Débit d'air à 20 °C (m3/h) | Puisance moteur (W) | Vitesse de rotation (tr/min) | Portée en m (1) | d'air (°C) |
| MIN 10 S | 10 | 640 | 145 | 915 | 10 | 40,7 |
| MIN 17 S | 17 | 1260 | 165 | 1200 | 12 | 45 |
| MIN 25 S | 25 | 2800 | 2 x 93 | 1350 | 12 | 25 |
| MIN 35 S | 34,8 | 2800 | 2 x 93 | 1350 | 12 | 34 |
(1) Portée mesurée en champ libre, vitesse résiduelle de 040 m/s

NB: Les apparèils sont livrés d'origine avec une manchette de fumée 0 125 (le perçage est de 0 80 pour raccordement par ventouse)
| POIDS Kg | |
| MIN 25 S | 72Kg |
| MIN 35 S | 72Kg |
24 - TABLEAU DE DEPANNAGE
| PANNES | CAUSES | REMEDES |
| Voyant de mise sous tension (vert) non allumé | Pas de courant | Vérifier les fusiblesVérifier l'alimentation électrique |
| Voyant défectueux | Remplacer levoyant | |
| Le brûleur ne démarre pas et levoyant vert de mise sous tension est allumé | Voyant rouge allumé | L'appareil a été privé de courant lors de son fonctionnement. Réarmer l'airstat en façade lorsque l'appareil aura refroidi |
| Pas de gaz | Ouvoir le gaz et reprovoquer un allumage | |
| Pression de gaz insuffisante | Vérifier le réseauVérifier si la purge a été effectuee. | |
| L'appareil a été arrêté par fermeture du gaz (l'extracteur tourne) | Reprovoquer un arrêt / marche par le thermostat | |
| L'extracteur tourne, l'appareil n'est pas allumé | Contrôler la pression d'allumage.Voir paragraphe 18.4 et la régler si nécessaire | |
| L'extracteur ne tourne pas | Vérifier si le thermostat est en demandeRemplacer eventuellement le condensateur de l'extracteurRemplacer eventuellement l'extracteur | |
| Thermostat d'ambiance non en demande | Armer le thermostat pour leMETTE en demande | |
| Ventouse obstrée | Vérifier le conduit | |
| Voltage insuffisant | Vérifier la tension du réseau | |
| Le brûleur se met en sécurité | Inversion phase et neutre | Rebrancher phase et neutre |
| Mauvaise terre | Vérifier la bonne mise à terre | |
| Tension entre neutre et terre | Y remédier ou poser un transformateur d'isolement | |
| Electrode mal réalisée ou défectueuse | A régler ou à changer | |
| Electrode à la masse | A régler ou à changer | |
| Pressostat AIR défectueux | Le remplacer | |
| Coffret de contrôle défectueux | Le remplacer | |
| Ventouse mal emboitée | Réemboiter correctement | |
| Le bloc vanne ne s'ouvre pas | Bobine à vérifier et à remplacer si besoin | |
| Le ventilateur démarre et s'arrête continuellement | La protection thermique intervenant continuellement | Mesurer l'ampèrege prélevé par le moteur et comparer les indications sur la plaque signalétique |
| Pression gaz insuffisante | Y remédier | |
| Le ventilateur ne démarre pas | Airstat ventilateur défectueux | Le remplacer |
| Condensateur défectueux | Le remplacer | |
| Voltage insuffisant | Vérifier le réseau d'alimentation | |
| Le brûleur démarre mais la flamme décroche | Pression d'alimentation faible | Vérifier la pression et la pression d'allumage. |
| Installation avec citerne : mauvaise purge | Purger abondamment | |
| Le brûleur s'arrête (voyant rouge rouge allumé) | Surchauffe | Ventilateur défectueuxCondensateur du ventilateur défectueux |
| Airstat défectueux | Le remplacer |
Notice Facile