MOD 622 E2 - Chauffage gaz S.PLUS - Notice d'utilisation et mode d'emploi gratuit
Retrouvez gratuitement la notice de l'appareil MOD 622 E2 S.PLUS au format PDF.
| Type d'appareil | Chauffage gaz |
| Modèles | MOD 492 E2, 622 E2, 722 E2, MOD 492 E2C, 622 E2C, 722 E2C |
| Type de ventilateur | Hélicoïde ou centrifuge |
| Installation | Professionnelle recommandée |
| Usage | Intérieur, locaux sans risques d'explosion |
| Alimentation | Gaz et électrique |
| Arrêt de sécurité | Interdit par coupure gaz ou électricité |
| Commande | Thermostat ou coffret de commande |
| Normes | Conforme aux normes en vigueur |
| Précautions | Éviter locaux avec vapeurs ou poussières combustibles |
| Maintenance | Entretien régulier recommandé |
| Garantie | Non précisé |
| Dimensions | Non précisées |
| Poids | Non précisé |
| Puissance | Non précisée |
| Type de gaz | Non précisé |
FOIRE AUX QUESTIONS - MOD 622 E2 S.PLUS
Téléchargez la notice de votre Chauffage gaz au format PDF gratuitement ! Retrouvez votre notice MOD 622 E2 - S.PLUS et reprennez votre appareil électronique en main. Sur cette page sont publiés tous les documents nécessaires à l'utilisation de votre appareil MOD 622 E2 de la marque S.PLUS.
MODE D'EMPLOI MOD 622 E2 S.PLUS
TYPE MOD 492 E2 - 622 E2 - 722 E2 (Ventilateur helicoïde)
TYPE MOD 492 E2C - 622 E2C - 722 E2C (Ventilateur centrifuge)
MANUEL D'INSTALLATION ET D'ENTRETIEN
Praambule:
Il ne doit pas etre instalé de modulthermes dans des locaux presentant des risques d'explosion par la nature des produits entreposés, dégageant des vapeurs ou des solvants, ou dans des locaux a forté teneur en poussières combustibles (sciure de bois...).
L'installation de l'appareil doit être réalisée par un professionnel qualifié et conformément aux normes en vigueur ainsi qu'aux règes de l'art.
ATTENTION: L'arrêt des apparciels par coupure de l'alimentation gaz ou de l'alimentation électrique est strictement interdit. Seul est autorisé l'arrêt par manipulation du thermostat ou du coffret de commande.
- Réf. MOD 492-722 - 1-099-JU - Notice destinée à l'installateur et à l'utilisateur
DESCRIPTION:
Le Modultherme est un apparéil de chauffage à puissance variable.
Il permet un échange thermique entre les produits de combustion du gaz et un flux d'air introduit par un ventilateur d'air chaud et directement souffle dans le local dont la direction peut être modifiée par l'intémediaire des ailettes de la grille de soufflage. A la demande de la sonde d'ambiance du régulateur de température, la puissance du brûleur du Modultherme varie dans une plage de 35 à 100 % et ne délivre que les calories nécessaires au maintain en de la temperature du local à la consigne affichée.
Le fonctionnement du ventilateur à début constant est régulé par un airstat pour éviter :
-enlimitebasse,le soufflage d'airfroid,
- en limite haute, la surchauffe de l'appareil.
Entierement automatique et sans veilleuse, l'appareil est allumé à distance sur commande du coffret de régulation installé dans le local chauffé. Ce régulateur pilote ensuite la puissance délivrée en fonction du besoin.
Dans le cas d'un mauvais fonctionnement du ventilateur et d'une surchauffe de l'échangeur, le contact "limit" provoque l'arrêt du brûleur.
Les produits de combustion sont évacués à l'extérieur grâce à l'extracteur situé sur le conduit d'évacuation. Dans le cas d'une obstruction de celui-ci, un pressostat différentiel provoque la fermeture de l'électrovanne d'alimentation en gaz.
En fonctionnement d'été, on peut utiliser le Modultherme pour la ventilation des locaux.
1-ETATDELIVRAISON
- Les Modulthermes S.PLUS sont livrés emballés et calés dans une caisse à claire-voie.
2-INSTALLATIONETREGLEMENTATION
- Les appareils doivent être installés suivant la réglementation et les normes en vigueur dans le pays de destination.
- L'installation, l'entretien de l'appareil, l'adaptation à d'autres gaz doivent être réalisés par une personne qualifiée.
Locaux Industriels (FRANCE)
- La reglementation générale est constituée essentiellement du Code du Travail, qui ne traite pas spécifique du chauffage des locaux par aérothermes gaz, mais qui définit dans ses articles R.232.1 à R.232.4 les exigences en matière d'airation et d'assainissement.
- La reglementation de base des installations classées pour la protection de l'environnement est la loi N° 76.663 du 19.07.1976. Les arrêtés types contiennent les interdictions particulières en matière de chauffage selon les activités de l'installation.
Locaux et Etablissements Recevant du Public (FRANCE)
- Les dispositions réglementaires formulées dans le "Règlement de Sécurité contre l'incendie dans les E.R.P." concernent les apparêls, l'installation, la mise en service, l'entretien, les vérifications, le circuit gaz, la ventilation du local (articles CH et GZ dont les plus importants sont les articles CH 53, 54, 55 et GZ 21.).
3-MISE EN PLACE
- L'appareil est livré avec 4 points de suspension sur le dessus de l'appareil. Il peut être également posé sur une console ; dans ce cas, veiller que la reprise d'air du ventilateur de soufflage soit assurée librement.
- La mise en place doit être assurée en utilisant des moyens de levage (élevateur, échafaudage) enPNANT SOIN DE NE PAS endommager la partie inférieure de I'appareil.


| A | B | C | D | E | |
| MOD492 | 381 | 1036 | 668 | 400 | 202 |
| MOD622-722 | 342,5 | 1586 | 765 | 400 | 242,5 |

-
Conduit de rejet des produits de combustion : voir page 9 Ø F
-
Les Modulthermes sont équipés d'un extracteur mécanique asservi à un pressostat qui mesure la dépression de ce même conduit (dans tous les cas de conduits obturés ou à très fortes pertes de charge, l'appareil se mettra en sécurité).
- Le Modultherme doit être raccordé à un conduit d'évacuation des gaz brûlés,aboutissant à l'extérieur du bâtiment.
- Veiller à ce que les évventuels condensats ne pênètrent pas dans l'appareil. On placera à cet effet un "té", avec dispositif d'évacuation.
- Dans le cas de raccordement de plusieurs apparèils sur un même conduit, il est nécessaire de prendre en compte la somme des sections de sortie de chaque apparéil.
- Se reporter aux réglementations en vigueur concernant les conduits d'évacuation des produits de combustion.
- Dans tous les cas, nous conseillons vivement aux installateurs de se référer au texte du D.T.U. N° 61.1 (FRANCE).
- Les conduits d'évacuation des produits de combustion ne seront réalisés qu'en :
-Inox ferritique
-
Aluminium à 99,5%
-
La hauteur minimale est de 0.500 m.
-
Il est vivement conseillé d'utiliser des conduits isolés, afin d'éviter un refroidissement sur leur parcours (formation de condensats).

5-VENTILATION DULOCAL
- La ventilation du local est nécessaire au bon fonctionnement des modulthermes. Elle n'est pas reglementee dans les locaux industriels, mais l'application des regles propres aux ERP. (Etablissements Recevant du Public) est recommendee dans le milieu industriel (articles 221 du "Reglement de Securite contre l'incendie en ERP" soit 1,75 m3 d'air/heure par kW installé pour un raccordement sans coupe tirage et 3,5 m3/h par kW par raccordement avec coupe tirage. Dans tous les cas, se conformer au chapitre CH 6 (du reglement de Securite contre l'incendie).
- Dans les autres pays, se conformer à la réglementation en vigueur.
6-DISTRIBUTION DEL'AIR DE CHAUFFAGE
- L'appareil est muni de volets horizontally amovibles, permettant d'ajuster le jet d'air. Ces apparéils sont conçus pour fonctionner à une température ambiente minimale de 0^ .
7-SCHEMA D'IMPLANTATION ET SELECTION
- S'assurer que le ou les appareils installés, ont un début d'air total de 3,5 à 6 fois supérieur au volume du local (3 fois pour les locaux >2000 m3, 5 fois entre 500 et 2000 m3, 6 fois < 500 m3). Ceci conditionné l'efficacité de l'installation.
* Si nécessaire, afin d'atteindre ce taux de brassage, des destratificateurs et brasseurs d'air devont etre installes.


8-RACCORDEMENT GAZ
- S'assurer que la nature du gaz et la pression correspondant aux caractéristiques portées sur l'arrière de l'appareil (diamètre desortie : 1/2" gaz male (15 x 21) pour MOD 492 et 3/4" (20x27) pour MOD 622-722.
- Il est nécessaire de prévoir un filtré gaz en amont, pour la prévention des conséquences eventuelles dues aux dépôts, pouvant exister dans les canalisations.
- Les pressions gaz à utiliser sont définies par les catégories suivantes, pour lesquelles ces apparèils sont en conformité au français français:
9-CARACTERISTIQUES DES DIFFERENTS GAZ(1)
| MOD 182 E2 - E2C | MOD 262 E2 - E2C | MOD 352 E2 - E2C | MOD 422 E2 - E2C | |
| FR-LU | II2Esi3+ | II2Esi3+ | II2Esi3+ | II2Er3+ |
| GB | II2H3+ | II2H3+ | II2H3+ | II2H3+ |
| BE-LU | I2E(R)IB3+ | I2(R)IB3+ | I2(R)IB3+ | I2E(R)IB3+ |
| FR-LU | II2L3B/P | II2L3B/P | II2L3B/P | II2L3B/P |
| GAZ | DENSITE | PCI(2) | |
| G20 | Type H | 0.555 | 34.02 |
| G25 | Type L | 0.612 | 29.25 |
| G31 | Propane | 1.550 | 88.00 (46.34) |
| G30 | Butane | 2.075 | 116.09 (45.65) |
(1): Selon la Norme EN437.1993. Conditions ambiantes définies par cette Norme: Gaz sec 15^ Pression ambiente: 1013,25 mbar.
(2) MJ / m3 (MJ/kg)
P.C.I.: Pouvoir Calorifique Inférieur
Note : Dans tous les cas, nous recommendons de veiller à ce que les sections des tuyauteries permettent d'alimenter les apparciels aux pressions suffisantes afin d'assurer le début nominal à l'injecteur.
10-REGLAGE DES PRESSIONS ET DEBITS DE GAZ
| SERIE | Pression : mbar D injecteur : 1/100 mm Débit calorifique : kW | G20 20 mbar | G25 25 mbar | G31 37 mbar | G30 30 mbar |
| MOD 492 E 2 | Pression aval mb maxi/mini | 8.2/2.7 | 11/3.7 | 3.5/14.5 | 28.6/11.4 |
| Débit théorique nominal/minimal | 4.75/2.54 m3/h | 5.54/2.95 m3/h | 3.5/2.8 Kg/h | 3.55/2.21 Kg/h | |
| MOD 492 E2C | Diam. injecteur - Nbre : 2 | 420 | 420 | 240 | 240 |
| Débit Calorifique Nominal/Minimal kW | 45/24 | 45/24 | 45/28 | 45/28 | |
| Régulateur | En Service | En Service | Bloqué | Bloqué | |
| MOD 622 E 2 | Pression aval mb maxi/mini | 7.9/1.9 | 11.7/25.5 | 34.5/12.5 | 27.5/12.5 |
| MOD 622 E2C | Débit théorique nominal/minimal | 6/2.7 m3/h | 6.98/3.16 m3/h | 4.41/2.55 Kg/h | 4.47/2.93 Kg/h |
| Diam. injecteur - Nbre : 2 | 500 | 500 | 270 | 270 | |
| Débit Calorifique Nominal/Minimal kW | 56.74/25.5 | 56.74/25.5 | 56.74/37.3 | 56.74/37.3 | |
| Régulateur | En Service | En Service | Bloqué | Bloqué | |
| MOD 722 E 2 | Pression aval mb maxi/mini | 7.1/2.1 | 10.5/30 | 34/12.5 | 25/12.5 |
| MOD 722 E2C | Débit théorique nominal/minimal | 7/3.65 m3/h | 8.15/4.24 m3/h | 5.14/3.10 Kg/h | 5.22/3.56 Kg/h |
| Diam. injecteur - Nbre : 2 | 530 | 530 | 290 | 290 | |
| Débit Calorifique Nominal/Minimal kW | 66.2/34.49 | 66.2/34.49 | 66.2/45.3 | 66.2/45.3 | |
| Régulateur | En Service | En Service | Bloqué | Bloqué |
Tous les apparèils sont régliés en use au GAZ D'UTILISATION.
Indications données pour un Gaz Sec à 15°C. Pression ambiente 1013,25 mbar selon Norme EN 437.1993
G20:Type H exprime en nm3/h
G31:Propane exprime en kg/h
G25:Type L exprime en nm3/h
G30: Butane expréme en kg/h

N.B.: Si l'appareil est equipoé d'un extracteur "AIR TECHNIQUE", le raccordement à la borne 12 est supprimé, il fonctionne sans condensateur.
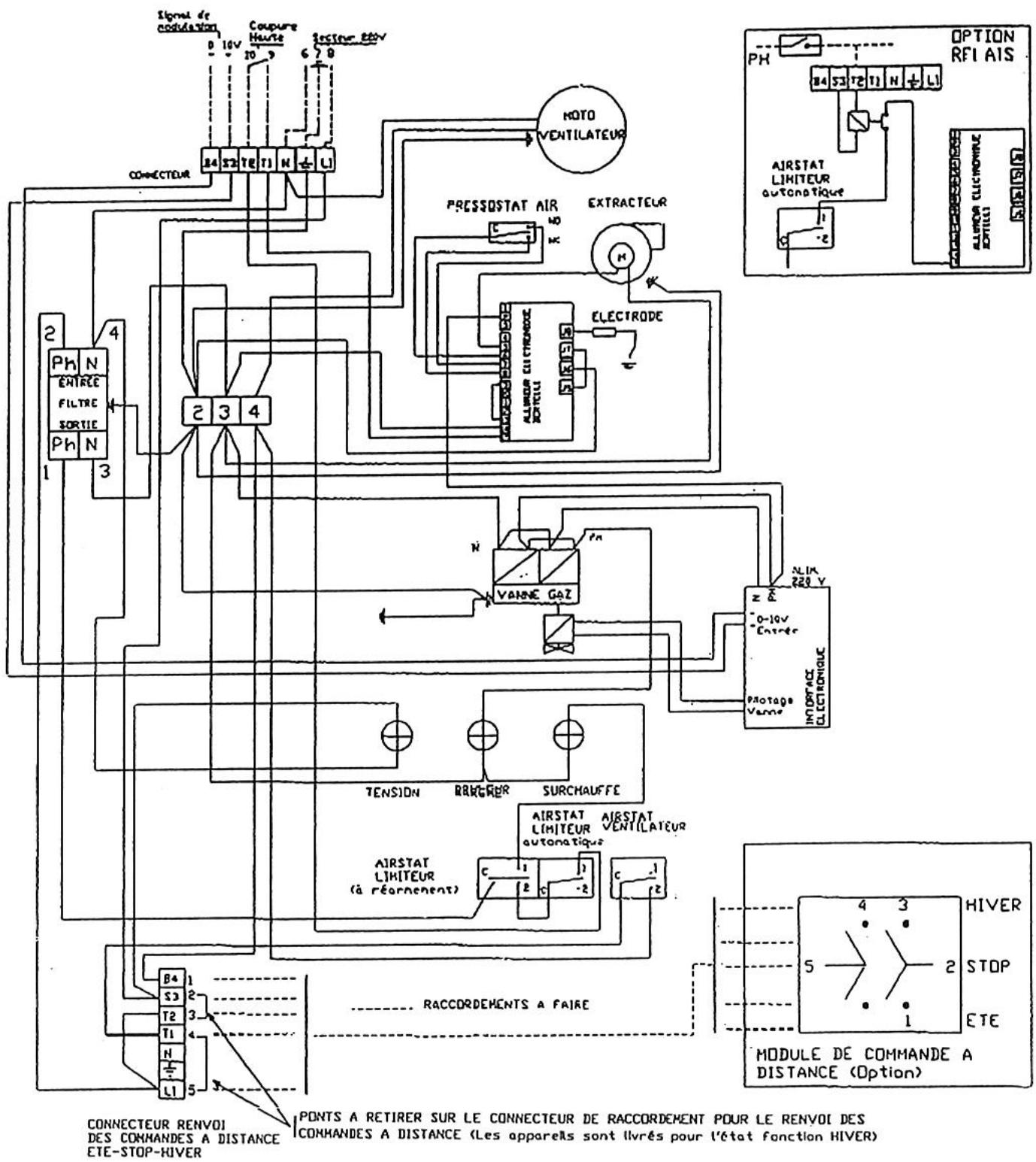
12-RACCORDEMENTELECTRIQUE
- L'appareil est muni, sur la face arrêté, de deux connecteurs repérés par une étiquette jaune ou verte :
-1 connecteur ALIMENTATION ET COMMANDE (étiquette jaune)
- 1 connecteur RENVOI DES COMMANDES A DISTANCE (étiquette verte)
A. Alimentation monophasée 230V+ terre
- Raccorder la phase, le neutre et la terre en veillant aux bonnes polarités repérées sur le connecteur étiquette "jaune".
Les sections d'arrivées seront conformes aux régles de l'art et il devra être prévu un sectionneur sur la ligne d'alimentation muni de fusible (à calibrer selon le ou les types d'appareils commandés). (Voir Norme C 15100). - Le Modultherme doit obligatoirement être raccordé au régulateur RP4 pour fonctionner (voir schéma ci-dessous).
N.B.: Si l'alimentation électrique n'est pas monophasée 230 V prévoir un transformateur de séparation de circuit.


-
Renvoi des Cdes à distance (Connecteur bas - Etiquette Verte).
-
A ne raccorder que si l'on dispose d'un boîtier de commande à distance BCD livre en option - Muni d'un interrupteur 3 positions il permet de Sélectionner pour chaque apparemil - position Été : Ventilation seule et permanente - position Arrét - position Hiver : chauffage - Un boîtier BCD ne peut commander qu'un modultherme.
-
Les modulthermes sont livrés d'origine avec 2 SHUNTS qui permettent un fonctionnement "Hiver".
-IMPORTANT
- Ne jamais raccarder un thermostat une programmation ou un interrupteur de fonctionnement sur l'alimentation 230 V des modulthermes (seuls une protection et un interrupteur de coupure de fin de saision peuvent y être raccardés).
- L'alimentation électrique du modultherme ne doit être coupée que lorsque celui-ci n'est plus en phase de chauffage.
- Ne jamais alimenter le modultherme par l'intermédiaire du boitier de commande à distance.
N.B.: Si l'alimentation électrique n'est pas monophasée 230 V prévoir un transformateur de séparation de circuit.
13-MISE EN SERVICE
-
Cet apparéil a été contrôle et préprégle en usine ; son bon fonctionnement est directement lié à une bonne installation (voir chapitres précédents).
-
Vérifier que la nature du gaz correspond à l'appareil installé (voir l'étiquette fixée sur l'appareil). S'assurer que les vannes gaz d'arrêt soient ouvertes (purger les canalisations si nécessaire).
-
Mettre l'appareil sous tension (agir sur les paramètres : régulation consigne température) ; voyant vert allumé : l'extracteur se met en marche et le cycle commence.
-
Prébalayage de 30 secondes minimum et contrôle de la dépression du circuit des fumées par le pressostat.
- Déclenchement de la phase d'allumage par train d'étin celles (voyant jaune allumé) et ouverture du bloc vanne gaz. Le Modultherme démarre toujours à début maximal. La puissance du brûleur sera éventuèlement réduite à la demande du régulateur après quelques secondes.
-
Detection de la flamme, arrêt des étincelles.
-
Dans le cas de mise en sécurité après la première tentative, une deuxième tentative peut s'opérer selon le cycle précédent.
-
En cas d'insuccès, le brûleur se met définitivement en sécurité. Il faut alors débrancher et rebrancher l'alimentation électrique (réarmment du système).
- ÀpRES quelsques minutes de fonctionnement du brûleur, le ventilateur enterra en action afin de propulser de l'air chaud dans le local.
- Dans la version échéateur en tout inox, ou pourra agir sur le réglage de l'airstat pour réduire l'effet de battement du ventilateur (voir "nomenclature" page 7, repère 4).
Arrét: Lorsque la température est atteinte, le régulateur coupe l'alimentation du brûleur, (levoyant jaune s'éteint) le ventilateur de soufflage continu à fonctionner jusqu'au refroidissement de l'appareil.
14-ENTRETIEN
- Les Modulthermes S.PLUS ont ete conus pour un minimum d'entretien. Dans le cas de fonctionnement en atmophere chage, il sera necessaire de vérifier la poussiere pouvant s'être accumulée sur les pales du ventilateur et autour de l'échangeur.
- Dans ce cas, on utilisera de préférence l'air compré pour chasser ces poussières, en ayant démontré, au préalable, la porte latérale droite (accès à l'échangeur).
-
Toutefois nous recommendons une vérification de contrôle d'au moins une fois l'an des différents organes de sécurité équipant cet apparéil, en particulier :
-
du coffret électronique (allumage + temps de sécurité < 5 s)
- des electrovannes gaz (proprete du tamis à l'entrée du corps de l'électrovanne)
- des pressions de gaz et étanchéité (bombe à mousse ou savon).
- des connexions électriques (serrage)
- nettoyage général (filtre gaz).
* Nous recomandons au si de verifier les conditions des controles pouvant ete exigiees aux regards des normes ou reglementations en vigueur pouvant ete lies aux applications et installations des aerothermes gaz.
14.1 - Nettoyage du ou des brûleurs (voir figure page 7, paragraphe 15)
-
En principe, cette opération n'est pas nécessaire. Si besoin est :
-
retirer la porte latereale gauche fixe par 4 vis (appareil stoppe)
- utiliser une clé à pipe de 10 et desserrer les vis retenant le brûleur (rep. 3)
- débrancher l'électrode (rep.7)
- faire glisser légèrement le ou les brûleurs dans la chambre de combustion, pour le déboiter de son support
-
le retirer en le glissant sous le support venturi.
-
ÀpRES verification, proceper au remontage : mêmes opérations en sens inverse et repositionner le venturi aux repères indiqués(Vernis de couleur).
14.2 - Réglage de l'électrode d'allumage et de ionisation


14.3 - Nettoyage échangeur

- Retirer la porte laterale droite.
- Desserrer les brides et retirer la plaque obturatrice donnant accès à l'échangeur.
- Au remontage, vérifier que le joint de la plaque obturatrice ne soit pas endommagé.
- Positionner les brides mobiles et serrer modérément les vis.
15-NOMENCLATURE

- Connecteur pour raccordement boitier de commande à distance
- Extracteur
- Bruleur [2.]
- Airstat double à réarmement manuel
- Voyants
- Bloc vanne
- Cable d'electrode et electrode d'allumage et d'ionisation
- Tube couple pris de pression dair Diam.6 x 8, longueur 250 mm
- Pressostat air
- Coffret de contrôle
- Prise secteur et thermostat
- Condensateur Extracteur
- Cartelectronique modulante
- Airstat auto
- Airstat a réarmement manuel
WIELAND
ECOFIT - AIR TECHNIQUE
S.PLUS
IMIT
ASN
THEOBALD/DUNGS/SIT
SAPCO
VERSILIC
HONEYWELL/DUNGS/HUBA
PACTROL-RV-BERTELLI
WIELAND
ECOFIT
S.PLUS
IMIT
IMITT
16-CHANGEMENT DE GAZ (Schemas page 9)
16.1 - Passage du gaz du type G20 en G25 (Gaz naturel 20 mbar, Gaz naturel 25 mbar)
- Seul un réglage de pression "aval" maxi et mini est nécessaire.
MODEOPERATOIRE
- Demonter si nécessaire le ou les injecteurs en place à l'aide d'une clé à oeil de 17. Remonter le ou les injecteurs correspondant au nouveau gaz (voir tableau réglage des débits gaz page 4).
RéGLAGE DE LA PRESSION:
- pour contröler la pression amont P1 ou aval P2 dévisser la vis de la prise de pression P2 ou P1 monter un manomètre de contrôle.
- Àprous contrôle, enlever le manomètre, remonter la vis de blocage et sa rondelle, contrôle l'étanchéité.
- pour régler la pression "aval", agir sur la vis de réglage S (visser pour augmenter la pression) jusqu'à obtention de la pression demandée. Pour la vanne théobald, enleverAAParavant le capuchon.
N.B.: Consulter le tableau réglage du début gaz page 4 pour connaître les pressions de réglage maxi et mini.
Réglage de la pression aval maxi: s'assurer que la tension aux bornes B4 et S3 du modultherme est bien de 10 V (thermostat régulateur en besoin de chauffage maxi)
- Regler la pression aval à la valeur demandée en agissant sur la vis S.
Réglage de la pression aval mini: s'assurer que latension aux bornes B4 et S3 du modultherme est de 0 V (régr le thermostat régulateur au mini ou débrancher les bornes B4 et S3.
- Régler la pression aval mini en agissant sur la vis de réglage RE jusqu'à obtention de la pression demandée.
Aprs reglge des prssion maxi et mini, indquer les nuvelles valeurs sur l'etiquette de reglage colle a Iexterieur de l'appareil et verifier 1etanchete des vis de controle de presion et de reglage.
16.2 - Passage du gaz type G 20 ou G25 vers le G30 ou G31
(gaz naturel 20/25 mbar vers le butane 28 mb ou propane 37 mb)
- Le changement d'injecteur et d'accrocheur de flamme est obligatoire, à cet effet consulter le tableau de réglage gaz page 4. Pour les accrocheurs de flamme, consulter S.Plus en indiquant le type de l'appareil et son n° de série.
- Demonter au préalable le ou les injecteurs en place, au moyen d'une clé à oeil de 17 sur plat.
- Remonter le ou les injecteurs appropriés, sans avoir à utiliser de pâté ou de joint. L'étanchéité est réalisée à sec.
- Demonter le ou les brûleurs de leur support au moyen d'une clé de 10. Desserrer la vis M4 en extrémité au moyen d'une clé 6 pans, enlever l'accrocheur de flamme en bronze et remonter le nouveau.
- Resserrer la vis de 4 et remonter le brôleur sur son support.
- Visser à fond le régulateur de pression S.
- Mettre en route l'appareil, contrôle la pression aval maxi.
- Contrôler la pression aval mini et la régler éventuelles comme indiqué paragraphe 16.1 (Voir tableau de réglage page 4).
16.3 Passage du gaz G30/G31 en Gaz G20 ou G25 (butane propane vers gaz naturel 20 mb ou 25 mb)
- Memes opérations qu'indiqué dans la paragraphe 16.2 ci dessus, la pression aval maxi devra être réglée au moyen de la vis S à la valeur indiquée dans le tableau page 4.

LEGENDE:
EvI: Electrovanne de sécurité
Ev2:Electrovanne de sécurité
Ev3; Electrovanne modulante
PI: Prise de pression Among
P2: Prise de pression aval
S: Regulateur de pression
RE: Reglage du by-pass pour vanne modulante
C: Capuchon (selon modele)

1) Groupe moto-ventilateur
6)Voyant marche bruleur
11) Portedemontable (fumee)
2)Grille de protection
7)Voyant desurchauffe
12) Sortie des gaz brûlés
8) Prise thermostat
13) Prise d'air de combustion
4) Raccordement - commande à distance
9) Raccordement secteur 220 V
14) Cadre de soufflage
5) Voyant de mise sous tension
10) Arrivée du gaz
15) Rémament manuel
| APPAREIL TYPE | DIMENSIONS(mm) | POIDS(Kg) | ||||||||||
| L | H | P | P' | C | B | H1 | ∅F(12) | GazG(10) | ∅A(13) | NET | BRUT | |
| MOD492E2 | 999 | 636 | 960 | 1180 | 142 | 670 | 125 | M 1/2" | 125 | 72 | 98 | |
| MOD622E2 | 1205 | 715 | 995 | 1325 | 154 | 735 | 205 | 153 | M 3/4" | 153 | 105 | 125 |
| MOD722E2 | 1205 | 715 | 995 | 1325 | 154 | 735 | 205 | 153 | M 3/4" | 153 | 105 | 125 |
18-CARACTERISTIQUE TECHNIQUES
| APPAREILS TYPES | Puisance thermique utile | Débit d'air à20°C | Niveau sonore dB(A)(2) | Puisance moteur | Vitesse de rotation | portée en m(1) | air |
| MOD 492 E2 | 40.6kW | 4000m3/h | 56 | 370 W | 1000 tr/min | 23 | 34 |
| MOD 622 E2 | 52.2kW | 4600m3/h | 58 | 370 W | 1000 tr/min | 25 | 40 |
| MOD 722 E2 | 60.9kW | 4600m3/h | 58 | 370 W | 1000 tr/min | 25 | 40 |
(1) Portée mesurée en champ libre, vitesse résiduelle = 0.40m / s
(2) Niveau sonore sur la base d'une ambiance à 34 db(A).
19-CARACTERISTIQUESTECHNIQUES
| TYPES | Puisance thermique utile | Débit d'air à20°C | Puisance moteur | Vitesse de rotation | Pression Disponible | air |
| MOD 492 E2C | 40.6kW | 4000m3/h | 736 W | 1000 tr/min | 150Pa | 30.5°C |
| MOD 622 E2C | 52.2kW | 4500m3/h | 736 W | 1000 tr/min | 160Pa | 34.5°C |
| MOD 722 E2C | 60.9kW | 4500m3/h | 736 W | 1000 tr/min | 160Pa | 40.5°C |
20-EICHD'INSTRUCTIONS SIMPLIFIESPOUR LESERVICE APRES VENTE MODULTHERMESGAZSERIE E2 et
E2C

- Connecteur pour raccordement boitier de commande à distance
2.Extracteur - Bruleur
- Airstat double à réarmement manuel
- Voyants
- Bloc vanne
- Cable d'electrode et electrode
- Tube couple pris de pression dair Diam.6 x 8, longueur 250 mm
- Pressostat air
- Coffret de contrôle
- Prise secteur et thermostat
- Condensateur Extracteur
- Carte electronique modulante
- Airstat auto
- Airstat à réarmement manuel
Principé de fonctionnement :
Le Modultherme etant sous tension (voyant vert allumé) le régulateur etant en demande de chauffage (ainsi que la programmation eventuelle) l'extracteur de gaz brûlés tourne, après quelques secondes, l'électrovanne gaz s'ouvre et le brûleur s'allume (voyant jaune allumé). Le ventilateur de souflage démarre à la demande de l'airstat environ 2 minutes après le démarrage du brûleur.
IMPORTANT: bien respecter le sens d'alimentation phase et neutre.
N.B.: le Modultherme démarre toujours à la puissance maxi, au bout de quelques secondes, cette puissance sera adaptée à la demande du régulateur.
EN CAS DE NON DÉMARRAGE :
- I. S'assurer que les vannes gaz soient ouvertes.
- II. Vérifier le cablage d'alimentation et de renvoi de commande évientuel. La majorité des pannes lors d'une première mise en service proviennent d'un mauvais cablage qui peut entraîner une dépréciation du coffret électronique.
230 V entre phase et neutre
230 V entre phase et terre
0 V entre neutre et terre
- III S'assurer que le régulateur d'ambiance est en besoin de chauffage.
-IV
L'extracteur tourne-t-il?
0UI
a) Pas d'etincelle à l'électrode
- Coffret hors service
- Pressostat air défectueux
-Tuyau couple (entre pressostat et extracteur debranché) - Cheminée ou évacuation obstruée
b) Etincelles à l'électrode (4 s environ, ayant ample allumé) et pas de flamme :
-Gaz fermé
- Mauvaise purge de la canalisation
- Arret de l'appareil avec fermeture de l'alimentation gaz
- Bobine Electrovanne hors service.
NON
- Coffret hors service (fusible)
- Extracteur hors service
- Condensateur extracteur hors service
- Pressostat air hors service
-
Mise en sécurité de surchauffe voyant rougeallumé(renclencherlasecurite repere 4 ci-dessus). Ceci est souvent du à une coupuredel'alimentationelectriqueappareil en fonctionnement.
-
Nota : l'airstat assure les deux fonctions suivantes :
-
Il enclenché le groupe moto-ventilateur après le démarrage du brûleur et lorsque la température de l'échangeur est suffisante. Ainsi tout problème de condensation est évité.
- Sécurité de surchauffe : coupe le brûleur (par exemple, en cas de panne du groupe moto-ventilateur). Dans le cas de mise en sécurité par surchauffe, après avoir supprimé la cause de la surchauffe, il faut réarmer l'airstat en appuyant sur le bouton (voir schéma page 10, repère 15 - enlever le capuchon de protection).
Attention: ne jamais arrêté un apparéil en fonctionnement en coupant l'alimentation électrique, cela provoquera une surchauffe et une mise en sécurité.
21-TABLEAUDEDEPANNAGE
| PANNES | CAUSES | REMEDES |
| Voyant de mise sous tension (vert) non allumé. | Pas de courant. | Vérifier les fusibles. Le réseau électrique a-t-il subit des réparations? |
| Voyant défectueux. | Remplacer levoyant. | |
| Le brûleur ne démarre pas et le voyant vert de mise sous tension est allumé. | Pas de gaz. | Ouvrir le gaz. |
| Pression de gaz insuffisante. | Vérifier le réseau. Vérifier si la purge a été effectué. | |
| L'appareil a été arrêté par fermeture du gaz (l'extracteur tourne). | Purger abondamment. Reprovoquer un arrêt/marche par le régulateur. | |
| Extracteur ne tourne pas. | Vérifier si le thermostat est en demande dechauffage. Remplacer éventulement le condensateur de l'extracteur ou l'extracteur. Vérifier si le réseau électrique n'a pas subit de modifications ou de réparations. | |
| Thermostat d'ambiance non en demande. | Armer le thermostat pour leMETTE en demande. | |
| Cheminée obstruée. | Vérifier le conduit. | |
| Voltage insuffisant. | Vérifier la tension du réseau. | |
| Le brûleur se met en sécurité. | Inversion phase et neutre. | Rebrancher phase et neutre. |
| Mauvaise terre. | Vérifier la bonne mise à terre. | |
| Electrode mal réalisée ou défectueuse. | A régler ou à changer. | |
| Electrode à la masse. | A régler ou à changer. | |
| Pressostat AIR défectueux. | L'emplacer. | |
| Coffret de contrôle défectueux. | L'emplacer. | |
| Le ventilateur démarre et s'arrête continuèment. | La protection thermique intervient .continuèlement | Mesurer l'ampérage prélevé par le moteur et comparer les indications sur la plaque signalétique ainsi que la pression gaz. |
| Le ventilateur ne démarre pas. | Airstat défectueux | L'emplacer. |
| Condensateur défectueux | L'emplacer. | |
| Voltage insuffisant | Vérifier leréseaud'alimentation. Vérifier la pression du réseau. | |
| Le brûleur démarre mais la flamme décroche. | Pression d'alimentation non conforme. | Purger abondamment. |
| Installation avec citerne : mauvaise purge. | ||
| Le brûleur s'arrête (voyant rouge allumé). | Surchauffe. | Ventilateur défectueux. Condensateur du ventilateur défectueux. |
| Airstat défectueux. | L'emplacer. |
Notice Facile