MIN 10 S - Chaudière gaz S.PLUS - Notice d'utilisation et mode d'emploi gratuit
Retrouvez gratuitement la notice de l'appareil MIN 10 S S.PLUS au format PDF.
| Type d'appareil | Chauffage gaz modulant |
| Modulation | Oui |
| Commande | Télécommande |
| Modèles disponibles | MIN 10 S, MIN 17 S, MIN 25 S, MIN 35 S |
| Installation | Par professionnel qualifié |
| Normes | Conforme aux normes en vigueur |
| Arrêt de l'appareil | Par télécommande ou inverseur arrière uniquement |
| Interdiction | Arrêt par coupure alimentation gaz ou électrique interdit |
| Usage | Usage intérieur, sans risques d'explosion |
| Environnement interdit | Locaux avec vapeurs comburantes ou poussières combustibles |
| Maintenance | Manuel d'installation et d'entretien fourni |
| Type de gaz | Non précisé |
| Puissance | Non précisé |
| Dimensions | Non précisé |
| Poids | Non précisé |
| Alimentation électrique | Non précisé |
| Garantie | Non précisé |
FOIRE AUX QUESTIONS - MIN 10 S S.PLUS
Téléchargez la notice de votre Chaudière gaz au format PDF gratuitement ! Retrouvez votre notice MIN 10 S - S.PLUS et reprennez votre appareil électronique en main. Sur cette page sont publiés tous les documents nécessaires à l'utilisation de votre appareil MIN 10 S de la marque S.PLUS.
MODE D'EMPLOI MIN 10 S S.PLUS
« ANNEXE à la NOTICE GENERALE »
MANUEL D'INSTALLATION ET D'ENTRETIEN
Prelambule :
Il ne doit pas être installé de Minitherme dans des locaux représentant des risques d'explosion par la nature des produits entrepTises, dégageant des vapeurs ou des solvants (vapeurs comburantes : chlor, fluor...), ou dans des locaux à forte teneur en poussières combustibles (sciure de bois...).
L'installation de l'appareil doit être réalisée par un professionnel qualifié et conformément aux normes en vigueur ainsi qu'aux règles de l'art.
ATTENTION : L'arrêt des appareils par coupure de l'alimentation gaz ou de l'alimentation électrique est strictement interdit. Seul est autorisé l'arrêt par l'intermédiaire de la télécommande ou de l'inverseur arrêt afin de permettre la post-ventilation.
Réf. MIN MOD 1/12-2006/lu
Destiné à l'installateur et à l'utilisateur
1 - Description generale
Le Minitherme modulant à télécommande possède les mêmes caractéristiques que le Minitherme standard.
Il est fourni avec une sonde individuelle.
Il est muni d'une carte électronique modulante (voyants-LED en façade).
Le réglage des paramètres de fonctionnement se fait par l'intermédiaire de la télécommande TLP livrée séparément. Une seule télécommande par installation est nécessaire.
Les indications portées dans la notice générale et concernant la pose, le raccordement gaz, l'évacuation des gaz brûlés, la réglementation, les dimensions, etc. sont valables pour les Minithermes® modulants à télécommande. Veuillez consulter cette notice. Les accessoires sont livrés réglés à la pression du gaz indiqué sur la plaque signalétique.
2.1-CARTE modulante
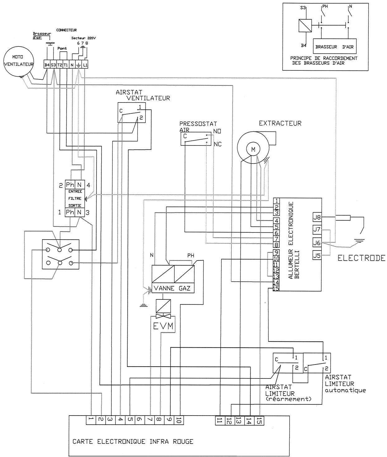
La carte V300 est un circuit électronique constitué des interfaces suivantes :
Un connecteur 10 points (A) permet le raccordement des fonctions principales du Minitherme sur la carte. - Un connecteur 5 points (B) permet le raccordement des équipements électriques de l'appareil (pressostat, airstats, extractor...). Un connecteur 2 points (C) permet le raccordement de la sonde de température. Un cavalier (D) prépositionné (ne pas le déplacer).
La carte V300 se fixe sur un support spécifique muni de trois entretoises de fixation et de deux entretoises de butée. Ces entretoises doivent impérativement être en nylon ou matière plastique. Il est déconseillé de désterminer la carte du support.
ATTENTION: Le connecteur 5 points (E) est réservé à des fonctions avancées du constructeur et ne doit en aucun cas être utilisé par l'installateur ou l'utilisateur.

2.2 - Voyants
La carte V300 est équipée de voyants et afficheurs permettant l'information de l'utilisateur.
De gauche à droite :
Une led verte (1) indique la présence de tension (allumée fixe) et fonctionnement en température hors gel (clignotante). Une led orange (2) indique l'activation brûleur. - Une led rouge (3) indique le fonctionnement en température Jour (allumée fixe) ou en température Nuit (clignotante)
- Une led orange (4) indique le fonctionnement en mode ventilation « été » (allumée fixe) ou en mode ventilation forcée à l'extinction du brûleur (clignotante). Une led rouge (5) indique un défaut lorsqu'elle clignote. Le défaut est également visualisé sur l'afficheur.
- L'afficheur 2 × 7 segments indique le régime de chauffe, les événuels défauts de fonctionnement et, sur interrogation par la télécommande, l'état des paramètres mémorisés.

Si la carte doit être remplacée, la manipulation se fera en coin. Ne pas laisser exposée aux rayonnements solaires, à une source de chaleur intense. Ne pas toucher les composants, en particulier le microprocesseur et ses connexions, avec les doigts. Lors d'une installation ou d'un remplacement, débrancher ou insérer les connecteurs avec soin, vers le haut et éviter de les contraindre.
3 - Raccordement electrique
Seule une alimentation électrique monophasée 230V + terre est nécessaire, elle devra être protégée par fusible ou disjoncteur conformément à la réglementation.
Raccorder la phase, le neutre et la terre sur le connecteur 7 broches à l'arrière de l'appareil sur les bornes noires repérées L pour la phase, N pour le neutre et T pour la terre. Une inversion phase/neutre provoque une mise en sécurité de l'appareil à l'allumage.
3.1 - SONDE De temperature
Tirer et sortir de son logement la sonde « crayon » de l'appareil avec précaution (environ 1,80 m de fil). Logement situé sur la face arrière de l'appareil.
Poser la sonde à hauteur d'homme en protégeant des chocs et blessures le câble de la sonde. Une sonde positionnée trop après l'appareil peut mesurer une valeur de température fausse.
Ne pas faire cheminer ce câble avec d'éventuels autres câbles sous tension.
En cas de remplacement, remonter impérativement une sonde d'origine ref. 103009.
4 - Mise en service
Le Minitherme® modulant est muni à l'arrière d'un inverseur 3 positions :
Position "0" = Arrêt complet, l'appareil ne peut pas fonctionner. Position "I" = L'appareil fonctionne en automatique, il est piloté par la carte modulante et la télécommande. ⦁ Position "II" = L'appareil fonctionnera à puissance minimum en permanence indépendamment de la carte modulante et de la télécommande. Cette position est à utiliser dans le cas de maintenance.
Cet appareil a été contrôlé et pré-réglé en usine : son bon fonctionnement est directement lié à une bonne installation (voir chapitres précédents).
4.1 - Procedure de mise en service
Outre les paramètres gaz qui sont réglés en usine et que vous ne pouvez pas modifier sans code spécifique, le Minitherme® modulant a déjà en mémoire des paramètres de fonctionnement, à savoir :
- Date et Heure (si l'appareil est sous tension, le passage en heures d'été ou d'hiver se fera automatique. S'il n'est pas sous tension au jour du changement, vous devrez modifier l'heure par l'intermédiaire de la télécommande - voir notice). Période de fonctionnement en température « Jour » soit 19°C : du lundi au samedi de 8h à 19h. Période de fonctionnement en température « Nuit » soit 14°C : du lundi au samedi de 19h à 8h le lendemain ou Oh le dimanche. Période de fonctionnement en température « Hors gel » soit 5°C : le dimanche. Si ces paramètres ne vous conviennent pas, modifiez-les sur la télécommande (CF notice télécommande) et transmettez-les à l'appareil (modifier une rubrique à la fois et la transmettre à l'appareil). Le Minitherme signale qu'il a bien reçu l'information par l'apparition d'un symbole sur l'écran de visualisation (C, A, H...). Vérifier que l'inverseur arrêté est sur la position "l". Appuyer sur la touche « flamme » de la télécommande en la dirigeant vers le récepteur du Minitherme. L'appareil démarre si les consignes de température le permettent.
Lorsqu'il y a demande de chauffage, l'extracteur se met en marche et le cycle commence :
- pré-balayage de 30 secondes minimum et contrôle du circuit des fumées par le pressostat,
- déclenchement de la phase d'allumage par train d'étincelles (le voyant jaune s'allume) et ouverture du bloc vanne gaz, détection de la flamme, arrêt des étincelles,
- montée progressive de la puissance jusqu'à la puissance correspondant au niveau de chauffage demandé (ceci en fonction de la température ambiantee et de la consigne de température). Le Minitherme® est à ce moment-là en régime pour apporter la puissance nécessaire au bâtiment (le niveau de puissance est indiqué par un chiffre de 1 (mini) à 8 (maxi) sur l'afficheur de la carte),
- vérifier que la pression d'alimentation gaz ne varie pas pendant l'apparéil en fonctionnement.
NOTA: Si le Minitherme se met en sécurité à ce stade, une 2ème tentative s'opère automatiquement selon le même cycle. En cas d'insuccès, le brûleur se met définitivement en sécurité. Il faut alors appuyer sur le bouton « STOP » de la télécommande et de nouveau activer la fonction « HIVER » afin de réamorcier le système. Ce réamorcage peut également être obtenu en coupant l'alimentation électrique de l'appareil au niveau de l'interrupteur situé en face arrêté (en effet, même coupé de son alimentation électrique, l'appareil garde son programme en mémoire).
Après quelques minutes de fonctionnement du brûleur, le ventilateur de soufflage entrera en action afin de propulser l'air chaud dans le local. Si les déperditions du bâtiment sont très faibles (température extérieure élevée) ou si la température ambience est supérieure à la température de consigne, le programme de régulation de l'appareil coupera automatiquement le chauffage, la ventilation pouvant, elle, rester en marche.
Le Minitherme est pourvu d'un airstat de contrôle de la température de soufflage et il arrête automatiquement le ventilateur de soufflage lorsque l'air soufflé aura une température suffisamment basse. Cette opération de post-ventilation est indispensable pour éviter toute surchauffe du Minitherme par inertie et tout déclenchement de la sécurité de surchauffe.
4.2 - Transmission infrarouge a PARTIR de la telecommande
Pour envoyer un ordre au Minitherme à partir de la télécommande infrarouge (ETE-STOP-HIVER ou programmation), il faut se mettre en face et appuyer sur la touche de transmission adaptée. Veillez à ce que, pendant toute la durée de transmission, la télécommande soit bien « orientée » vers l'appareil et « voit » la face avant de celui-ci.
5 - Symbolique des voyants du minitherme® en fonctionnement
Les fonctions de base permettent la chauffe et la régulation modulante.
La symbolique employée est la suivante :
Rond plein : la LED est allumée fixe. Rond rempli à moitié : la LED est clignotante.
Ces différentes indications peuvent se cumuler.















































































Pour la notice de la télécommande de l'appareil. L'afficheur fait apparaître un chiffre.
1 = Puissance minimale 8 = Puissance maximale 2-3-4....7 = Puissances intermédiaires
Veille
Mode chauffe : température Jour
Mode chauffe : température Nuit
Mode chauffe : température Hors gel
Brûleur en marche.
Ventilation étés
Ventilation de refroidissement de l'échangeur
6 - Visualisation des parametres
Un mode de visualisation des paramètres permet d'afficher les données en mémoire dans la carte modulante (voir notice de la télécommande).
Dans ce mode, le paramètre est affiché sur l'afficheur 2 × 7 segments, précédé du caractère « C ».
7 - Signalisation de defaults et indicateurs - recherche de PANNES
L'afficheur permet d'afficher des défauts éventuels de l'appareil et des indications d'état.
Lors de l'apparition d'un défaut, la Led n° 5 clignote et un symbole correspondant au composant ou à la fonction à l'origine du défaut apparaît sur l'afficheur.
En fonction de l'affichage, on peut faire un pré-diagnostic sur le défaut ou la panne éventuelle.
La notice de l'appareil donne une méthode plus précise de recherche et de résolution de pannes.
| Affichage | Défaut | Résolution de panne |
| AS | Airstat de Suchauffe déclenché | Réarmer l'airstat de surchauffe. Surveiller l'appareil. En cas de surchauffes fréquentes, il faut vérifier que la coupure des appareils n'est pas provoquée de manière brute par arrêt des interrupteurs, ou intervenir sur le réglage de l'appareil. Voir notice de l'appareil. |
| AA | Airstat Automatique déclenché | N'est pasforcément un défaut. Peut traduire un état particulier normal de la régulation, mais aussi un défaut ventilateur ou une surpuissance. Voir notice de l'appareil. |
| PR | Pression chiminée. Le pressostat ne s'est pas enclenché | Vérifier cheminées ou ventouses. Vérifier extracteur. Vérifier pressostat. |
| CE | Défaut Coffret Electrique | Vérifier connexions. Vérifier coffret électronique du contrôle de flamme. |
| BR | Défaut Brûleur | Vérifier présence gaz, pression gaz. Vérifier électrovanne, electrode, coffret électronique de contrôle de flamme. |
8-ENVOI Des parametres
Lorsque l'on procède, depuis la télécommande, à l'envoi d'une instruction, la carte modulante « accuse réception » de l'ordre envoyé.
Lors de l'envoi du programme complet, du calendrier complet ou d'une ligne de calendrier, une animation apparait sur les afficheurs, puis les LEDs clignotent et un « C » sur l'afficheur conforme la réception. L'apparition de « Er » signale une mauvaise qualité de la transmission. Dans ce cas, procédé à un nouvel envoi.
Lors de l'envoi de l'heure et de la date, les LEDs clignotent et un « H » puis un « d » sur l'afficheur apparaisent durant la transmission.
Lors de l'envoi des autres paramètres, les LEDs clignotent et un « A » sur l'afficheur apparaît durant la transmission. Bien diriger la télécommande vers l'appareil pendant la transmission.
9 - Maintenance
La carte modulante ne nécessite aucune maintenance particulière.
La pile lithium permet la sauvegarde de la date et de l'heure uniquement (les paramètres de régulation et les calendriers sont stockés dans la mémoire non volatile du microprocesseur). La durée de vie de la pile est prévue pour plusieurs années.
En cas de nécessité, la pile (type bouton Lithium 3V CR1220) pourra être changée. Il suffit de l'extraire de son logement et d'insérer une nouvelle pile. Respecter la polarité (+ vers le haut).
Les appareils sont livrés réglés en usine à la pression du gaz indiquée sur la plaque signalétique.

EV1 = Électrovanne de sécurité
EV2 = Electrovanne de sécurité
EV3 = Electrovanne modulante
RE = Réglage bypass pour vanne modulante
T = Réglage de la progressivité d'allumage
C = Capuchon (selon modèle)
10.1 - VANNE modulante SIT 837 TANDEM
(Suite au changement de gaz ou au remplacement de la vanne modulante)
Lors d'un changement de bloc gaz, il est nécessaire de régler les pressions « mini » et « maxi » du bloc.
Pression « mini » :
Monter un manomètre de contrôle sur la prise de pression aval P2 après avoir enlever la vis. - Mettre l'inverseur arrêté sur la position "Il", l'appareil démarre. Régler la pression « Mini » (voir tableau ci-après) par la vis RE. Enlever le manomètre et remettre la vis.
Pression « maxi » :
- Mettre un manomètre de contrôle sur la prise de pression avant P2 après avoir enlevé la vis.
- Mettre l'inverseur arrière sur la position I. Si nécessaire augmenter la consigne de température pour avoir C8 sur l'afficheur. L'appareil fonctionne.
- Régler la pression « Maxi » (voir tableau ci-après) par l'écrou S en maintenant la vis RE pour ne pas qu'elle rougue. Enlever le manomètre et remettre la vis.
10.2 - Characteristiques et reglages gaz
La pression et le débit des appareils modulants peuvent varier entre les valeurs minimales et maximales (nominales) indiquées ci-dessous. Pour les appareils non-modulants, les valeurs minimales sont les valeurs de démarrage.
| Modèle | Pression: mbar D injecteur: 1/100 mm Débit calorifique: kW | G20 20 mbar | G25 25 mbar | G31 37 mbar | G30 28/30 mbar |
| MIN 10 | Pressionaval nominale | 11,47 mb | 11,47 mb | 35,98 mb | 25,98 mb |
| Pressionaval minimale | 4,9 mb | 6,96 mb | 13,24 mb | 13,24 mb | |
| Débit nominal (1) | 1,18 m³/h | 1,37 m³/h | 1,00 kg/h | 1,02 kg/h | |
| Débit minimal (1) | 0,75 m³/h | 0,91 m³/h | 0,72 kg/h | 0,73 kg/h | |
| Débit nominal (2) | 1,09 m³/h | 1,19 m³/h | 1,01 kg/h | 1,02 kg/h | |
| Débit minimal (2) | 0,73 m³/h | 0,80 m³/h | 0,72 kg/h | 0,72 kg/h | |
| Diam. injecteur - Nbre: 1 | 290 mm | 290 mm | 190 mm | 190 mm | |
| Débit Calorifique nominal | 11,1 kW | 11,1 kW | 12,9 kW | 12,9 kW | |
| Débit Calorifique minimal | 7,4 kW | 7,4 kW | 9,2 kW | 9,2 kW | |
| Régulateur | En Service | En Service | Bloqué | Bloqué | |
| MIN 17 | Pressionaval nominale | 140 mb | 140 mb | 369 mb | 252 mb |
| Pressionaval minimale | 44 mb | 62 mb | 170 mb | 170 mb | |
| Débit nominal (1) | 1,97 m³/h | 2,30 m³/h | 1,45 m³/h | 1,47 m³/h | |
| Débit minimal (1) | 1,04 m³/h | 1,45 m³/h | 0,90 | 0,91 m³/h | |
| Débit nominal (2) | 1,83 m³/h | 2,01 m³/h | 1,46 m³/h | 1,47 m³/h | |
| Débit minimal (2) | 0,96 m³/h | 1,27 m³/h | 0,91 m³/h | 0,91 m³/h | |
| Diam. injecteur - Nbre: 1 | 360 mm | 360 mm | 240 mm | 220 mm | |
| Débit Calorifique nominal | 18,7 kW | 18,7 kW | 18,7 kW | 18,7 kW | |
| Débit Calorifique minimal | 9,8 kW | 11,8 kW | 11,6 kW | 11,6 kW | |
| Régulateur | En Service | En Service | Bloqué | Bloqué | |
| MIN 25 | Pressionaval nominale | 11,57 mb | 11,57 mb | 35,98 mb | 25,69 mb |
| Pressionaval minimale | 3,43 mb | 3,43 mb | 17,16 mb | 16,57 mb | |
| Débit nominal (1) | 2,90 m³/h | 3,38 m³/h | 2,13 kg/h | 2,16 kg/h | |
| Débit minimal (1) | 1,00 m³/h | 1,16 m³/h | 0,73 kg/h | 0,74 kg/h | |
| Débit nominal (2) | 2,69 m³/h | 2,95 m³/h | 2,14 kg/h | 2,16 kg/h | |
| Débit minimal (2) | 0,92 m³/h | 1,01 m³/h | 0,74 kg/h | 0,74 kg/h | |
| Diam. injecteur - Nbre: 1 | 440 mm | 440 mm | 270 mm | 270 mm | |
| Débit Calorifique nominal | 27,5 kW | 27,5 kW | 27,5 kW | 27,5 kW | |
| Débit Calorifique minimal | 9,4 kW | 9,4 kW | 9,4 kW | 9,4 kW | |
| Régulateur | En Service | En Service | Bloqué | Bloqué | |
| MIN 35 | Pressionaval nominale | 13,73 | 13,73 | 35,29 | 25,69 |
| Pressionaval minimale | 3,43 | 3,43 | 16,67 | 16,57 | |
| Débit nominal (1) | 3,95 m³/h | 4,60 m³/h | 2,90 kg/h | 2,94 kg/h | |
| Débit minimal (1) | 1,60 m³/h | 1,86 m³/h | 1,17 kg/h | 1,19 kg/h | |
| Débit nominal (2) | 3,66 m³/h | 4,02 m³/h | 2,92 kg/h | 2,94 kg/h | |
| Débit minimal (2) | 1,48 m³/h | 1,63 m³/h | 1,18 kg/h | 1,19 kg/h | |
| Diam. injecteur - Nbre: 1 | 500 mm | 500 mm | 310 mm | 310 mm | |
| Débit Calorifique nominal | 37,4 kW | 37,4 kW | 37,4 kW | 37,4 kW | |
| Débit Calorifique minimal | 15,1 kW | 15,1 kW | 15,1 kW | 15,1 kW | |
| Régulateur | En Service | En Service | Bloqué | Bloqué |
(1) : données de début selon EN437 (2) : données de début selon données des fournisseurs de gaz (Gaz de France)

10.3 - Changement de gaz
Pour un passage du gaz propane au gaz naturel, il est nécessaire de changer l'injecteur, l'accrocheur de flamme, la cartouche/ressort de la bobine modulante et de régler sur le bloc gaz les pressions mini et maxi (voir tableau caractéristiques ci-avant et notice générale Minitherme®). - Entrer le nouveau type de gaz dans la télécommande et envoyer les informations à l'appareil (CF notice télécommande).

Notice Facile