GF 45 A - Chauffage mobile S.PLUS - Notice d'utilisation et mode d'emploi gratuit
Retrouvez gratuitement la notice de l'appareil GF 45 A S.PLUS au format PDF.
| Type de chauffage | Chauffage mobile au fioul |
| Combustion | Combustion directe |
| Mode de fonctionnement | Automatique ou manuel |
| Alimentation | Fioul |
| Mobilité | Mobile avec roues |
| Utilisation | Intérieur ou extérieur |
| Puissance thermique | Non précisé |
| Capacité du réservoir | Non précisé |
| Dimensions | Non précisé |
| Poids | Non précisé |
| Sécurité | Consulter le manuel d'utilisation |
| Entretien | Manuel d'entretien fourni |
| Marque | Non précisé |
| Modèle | Non précisé |
| Garantie | Non précisé |
| Accessoires | Non précisé |
FOIRE AUX QUESTIONS - GF 45 A S.PLUS
Téléchargez la notice de votre Chauffage mobile au format PDF gratuitement ! Retrouvez votre notice GF 45 A - S.PLUS et reprennez votre appareil électronique en main. Sur cette page sont publiés tous les documents nécessaires à l'utilisation de votre appareil GF 45 A de la marque S.PLUS.
MODE D'EMPLOI GF 45 A S.PLUS
GÉNÉRATEURS MOBILES FIOUL
Manuel d'utilisation et d'entretien

GF 25 A - GF 45 A - GF 95 A
A combustion directe - AUTOMATIQUE

GF 25 M - GF 45 M
A combustion directe - MANUEL
NB : Pour votre sécurité, lisez attentivement ce manuel avant d'utiliser votre générateur fioul. Conservez-le soigneusement et consultez-le chaque fois que nécessaire. La responsabilité de S.PLUS ne pourrait être engagée en cas de non respect des règles et consignes indiquées ci-après.
Réf. GFA/M 1/05.2011/lu
Notice destinée à l'installateur et à l'utilisateur
I. DESCRIPTION
Les Générateurs Fioul série "GF" sont des apparciels de chauffage mobiles, automatiques et autonomies fonctionnant au fioul domestique, petrole, kerosène, GNR/Version Hiver. Ils sont à combustion directe automatique (GF - A) ou manuel (GF - M). Ils sont destinés au chauffage, à la mise hors gel, au séchage...etc de grands batiments, ateliers, entreprises...etc. Ils sont livrés emballos avec cordon d'alimentation électrique 230V+ terre, chariot de transport non monté selon modèle.
II. CHARACTERISTIQUES TECHNIQUES
| Modèle | Puisance Nominale kW | Consommat° maxi l/h | Débit d'air m3/h | Capacité réservoir I | Poids à vide Kg | Prise thermostat | Raccordement 220V 50Hz - Intensité |
| GF 25 A | 24,9 | 2,4 | 600 | 40 | 31 | Oui | 0,6 A |
| GF 45 A | 46,4 | 5 | 1200 | 80 | 40 | Oui | 1,8 A |
| GF 95 A | 92,8 | 10 | 2350 | 160 | 69 | Oui | 3,5 A |
| GF 25 M | 24,9 | 2,4 | 600 | 40 | 31 | Non | 0,6 A |
| GF 45 M | 46,4 | 5 | 1200 | 80 | 48 | Non | 1,8 A |
III. MISE EN OEUVRE - RACCORDEMENT
IMPORTANT : l'appareil doit être place dans le bâtiment à chauffer, il ne doit pas y avoir de matériel inflammable à proximate du générateur en fonctionnement. Le bâtiment doit être suffisamment ventilé pour un fonctionnement correct de l'appareil/air nécessaire à la combustion = 13 m³ environ par kw (voir caractéristiques techniques).
La grille d'entrée d'air du ventilateur et le flux d'air chaud doivent rester libres. Pour les locaux supposés à risques, consultez votre compagnie d'assurance et la réglementation. Vérifiez également les évventuels arrêtés locaux / municipaux. Ne pas enlever le capot de l'appareil lorsque celui-ci est branché.
Montage
Déballer l'appareil et monter le chariot de transport selon modèles (voir vues éclatées).
Raccordement electrique
Les générateurs sont munis d'une prise de raccordement thermostatique (type A) - thermostat précablé livre en accessoire -
- enlever le capuchon de la prise thermostat et raccorder le thermostat d'ambiance sur la prise de l'appareil par cable 3 conducteurs 0,75 ~mm^2 (2 fils + terre) (thermostat précâblé fourni par S.PLUS en option)
■ si l'appareil n'est pas raccordé à un thermostat, il fonctionnera en continu avec le capuchon de la prise emboité - branchier le cable électrique sur une prise adaptée (voir caractéristiques techniques)
Cas particulier - Raccordement à une citerne
Les générateurs série GF A et M peuvent être raccordés directement à une cuve de combustible, au sol ou en hauteur (voir schéma ci-après).


IV. FONCTIONNEMENT - MISE EN MARCHE
N.B.: Selon les modèles la prise thermostat et/ou l'interrupteur se trouvent sur le côté ou à l'arrière de l'appareil.
FONCTIONNEMENT DE L'APPAREIL AUTOMATIQUE
Cette gamme d'appareil est étudiée pour utiliser du fioul domestique, gasoil, petrole domestique ou industriel. La conception de ces générateurs, dans des conditions normales de fonctionnement, assure une combustion totale, sans fumée ou autres émanations nauseabondes. S'assurer d'un apport d'air suffisant pour la combustion. Pour la mise en marche,mettre l'interrupteur sur la position "marche". Dans cette position,le carburant est pompé du réservoir jusqu'à la vanne electro-magnétique. La vanne electro-magnétique s'ouvre et laisseisser le carburant jusqu'au giclaur où il est pulvérisé.En même temps,le transformateur d'allumage provoque des étincelles entre les electrodes,enflamnant ainsi le jet de combustible. Le générateur est équipé d'un ventilateur qui insuffle dans l'appareil l'air nécessaire à la combustion. La lumière provenant de la flamme, si celle-ci est correcte, frappe la cellule photoélectrique et arrête le transformateur. En mettant le commutateur sur la position "arrêt",la vanne electro-magnétique se ferme et coupe l'alimentation,la flamme s'eteint. Le ventilateur continue de pulser de l'air jusqu'au refroidissement de la chambre de combustion, puis s'arrête automatiquement.
FONCTIONNEMENT DE L'APPAREIL MANUEL
La conception de ces générateurs, dans des conditions normales de fonctionnement, assure une combustion totale, sans fumée ou autres émanations nauseabondes. S'assurer d'un apport d'air suffisant pour la combustion. Pour la mise en marche,mettre l'interrupteur sur la position 1.Dans cette position,le carburant est pompé du réservoir jusqu'à la vanne electromagnétique.La vanne electromagnétique s'ouvre et laisseisser le carburant jusqu'au gicleur où il est pulverisé.Le transformateur d'allumage fait jaillir en permanence des étincelles entre les electrodes,enflamnant ainsi le jet de carburant.Le générateur est équipé d'un ventilateur qui insuffle dans l'appareil l'air nécessaire à la combustion.En mettant le commutateur sur la position 0,la vanne electromagnétique se ferme et coupe l'alimentation,la flamme s'eteint.Le ventilateur continue de pulser de l'air jusqu'au refroidissement de la chambre de combustion,puis s'arrête automatiquement.

Ne jamais faire fonctionner le générateur sans s'assurer d'un niveau suffisant de carburant dans le réservoir.
MISE EN MARCHE DE L'APPAREIL AUTOMATIQUE et MANUEL
Vérifier sur la plaque d'identification que la tension d'alimentation est correcte. Vérifier qu'il y ait du fioul dans le réservoir. A basse température, le combustible peut s'épaissir, ce qui peut entrainer des difficultés d'amorgage et donner des irrégulatés dans la marche. A partir de - 5° on peut améliorer d'une manière sensible le carburant, par addition de 15 % au maximum de petrole. La paraffine ne sera pas développée jusqu'à - 20°C. Les générateurs peuvent être utilisés avec un thermostat d'ambiance ou avec une programmation à partir de la prise thermostat et après en avoir enlevé le couvercle (type GF A). Eviter des durées de combustion très courtes (- de 5 mn) nuisibles au bon fonctionnement de l'appareil.
- Remplir le réservoir de l'appareil.
- Mettre l'interrupteur sur la position "arrêt" et brancher la prise sur le secteur.
- Régler le thermostat à la température désirée ou la programmation (GF A).
- Mettre l'interrupteur sur la position "marche", le générateur est pret à fonctionner (GF A / ou démarre (GF A).
- Si la température du local est inférieure à la consigne thermostatique, le cycle d'allumage s'énclanche (prébalayage du ventilateur, brûleur... voir chapitre fonctionnement) (GF A).
L'appareil fonctionne ou s'arrête selon les ordres du thermostat ou de la programmation (GF A).
REMARQUE: A la mise en marche jusqu'à l'amorce de la pompe et replissage des canalisations par le carburant, les apparêls peuvent semettre en sécurité. Pour réarmer, presser le bouton situé sur le boîtier de contrôle (GF A).
Les générateurs fournissant de l'air chaud environ 10 secondes après la mise en marche.
MISE EN ARRET
Mettre l'interrupteur sur la position "arrêt". La vanne électro-magnétique se ferme et coupe l'alimentation fioul..
IMPORTANT: Ne jamais débrancher la prise secteur avant que le cycle refroidissement soit terminé, afin d'éviter d'endommager les cables et la cellule photo-électrique.
Pour un arrêt prolongé, débrancher la prise secteur.
V. ENTRETIEN
IMPORTANT: Avant toute intervention sur le générateur, DEBRANCHER l'alimentation électrique de l'appareil, l'arrêt par le thermostat ou l'interrupteur n'est pas suffisant. Pour limiter les incidents de fonctionnement et les entretiens répétés, utilisez toujours du carburant propre.
Nettoyer et maintainir le générateur dans un bon état de propre.
Nettoyer le réservoir 2 fois par an.
Quand le générateur n'est pas utilisé pendant un certain temps, il faut nettoyer le réservoir, faire le plein de fioul et le laisser fonctionner pendant 3 minutes, le stocker réservoir plein.
La tete du brûleur doit toujours rester propre. Un brûleur encrassé cause une mauvaise combustion avec développement de suie et oxyde de carbone et endommagement de la chambre de combustion.
Filtres
Le générateur est muni de 5 filtrés.
Le filtré situé dans le raccord de replissage du réserve doit être nettoyé régulièrement. Le filtré principal se trouve à l'extérieur sur le côte gauche ou à l'arrière, entre réserve et pompé. Remplacer ce filtré à chaque saison ou après la consommation de 2500 litres de combustible.
La pompe et la vanne electro-magnétique ont un filtré encastré. Le faire démonter et nettoyer par un spécialiste.
Le filtré dans le giclér doit être nettoyé si le générateur produit de la fumée et si la combustion est mauvaise.
Pour nettoyer ce filtrre, il faut démonter la tête du brûleur.
IMPORTANT : Notre garantie ne couvre pas les dégats causés par mauvaise utilisation, maintenance insuffisante ou inadaptée comme prescrits ci-dessus.
Régler la prise d'air avec analyseur CO2 et capacité (CO2 10-12%)
Opacité des fumées 0-1 selon échelle Bacharach. Régler la prise d'air selon schéma ci-dessus.
Démontage de la tête du brûleur
Pour le démontage, opérer comme suit :
a) démonter la tête du brûleur du générateur
b) desserrer les écrous de raccordement de l'alimentation fioul
c) démonter le volet de giclaur et le giclaur
Montage de la tete du brûleur
Opérer comme suit :
a) monter le giclure
b) monter le volet du giclaur
c) monter les electrodes selon les instructions
d) monter la tete du bruleur sur le générateur et raccorder les cables et canalisations d'alimentation
POMPE A FIOUL - Réglage
La pression de réglage de la pompe effectuée en Usine est indiquée sur la bobine de l'électrovanne (voir page 10 et tableau page 12).
Ne modifier ou ne régler cette pression qu'a l'aide d'un manomètre.
NB: pour tout entretien, réglage du brûleur, de la pompe, faites appel à votre installerateur ou à un personnel qualifié.

GF 25 A


GF 45 A / 95 A

| GF 25 A mm | GF 45 A mm | GF 95 A mm | |
| A | 15 ±2 | 7 | 7 |
| B | 12 | 18 | |
| C | 2 | 2 |
Régler la prise d'air comme ci-dessus avec analyseur CO^2 et opacimètre ( CO^2 - 10 - 12% ) opacité des fumées 0-1 selon échelle de Bacharach.
GF 25 M


| GF 25 M mm | GF 45 M mm | |
| A | 15 ±2 | 7 |
| B | - | 12 |
| C | - | 2 |
GF 45 M



Régler la prise d'air avec analyseur CO2 et capacité (CO2 10-12%)
Opacité des fumées 0-1 selon échelle Bacharach. Régler la prise d'air selon schéma ci-dessus.
Démontage de la tête du brûleur
Pour le démontage, opérer comme suit :
a) démonter la tête du brûleur du générateur.
b) démonter le volet du giclaur et le giclaur.
Montage de la tete du bruleur
Opérer comme suit :
a) monter le giclaur
b) monter le volet du gicleur
c) monter les electrodes selon les instructions
d) monter la tete du bruleur sur le générateur et raccorder les cables et canalisations d'alimentation
TABLEAU DE RECHERCHE DE PANNES GÉNÉRATEUR AUTOMATIQUE
Si vous générateur ne marche pas, essayer de localiser la panne, souvent sans gravité, à l'aide du tableau suivant. Voir le tableau de dépannage dans l'ordre des numéroes.
IMPORTANT: Débrancher l'alimentation électrique avant de procéder aux réparations
| Pannes | Cause possible - Modèles automatiques |
| Le moteur ne démarre pas | 2-3-4-6-21-5-7 |
| Le générateur s'accêté et la lampe tímedoin s'allume | 1-8-18-20-9-13-16-6-11-12-15-14-21-22-25 |
| Fumée et émissions de gaz | 18-20-12-10-14-16 |
| Flamme excessive aunez de l'appareil | 18-20-12-10-14 |
| Le générateur consomme trop de fuel | 14-10 |
| Le générateur ne se met pas à l'arrêt | 17-5 |
| Le cycle de refroidissement ne se fait pas | 23 |
| Le cycle de refroidissement ne s'accêté pas | 24 |
Tableau de dépannage
| Cause | Solution |
| 1. Air dans le système d'alimentation pendant le démarrage | * Appuyer sur le bouton de réarmement situé sur le relais de brûleur. Si nécessaire, renouveler l'opération |
| 2. Mauvaise connexion électrique | * Vérifier le branchement et la tension du réseau |
| 3. Le couvercle manque sur la prise de thermostat | * Monter le couvercle de prise de thermostat |
| 4. Le thermostat d'ambiance est programmé trop bas | * Augmenter la température programmée sur le thermostat d'ambiance |
| 5. Panne dans le relais brûleur | * Remplacer le relais brûleur |
| 6. Ventilateur tourne difficilement ou est bloqué | * Contrôler la pompe fioul et le moteur du ventilateur. |
| 7. Pompe à fioul est bloquée | * Remplacer la pompe |
| 8. Réservoir vide | * Faire le plein de fioul |
| 9. Filtré extérieur encrassé | * Nettoyer ou remplaner le filtré |
| 10. Gicleur encrassé ou usé | * Remplacer le giclure (reprene le même type) |
| 11. Mauvaise position des electrodes ou déterriorations des isolateurs | * Régler les electrodes, voir les instructions (p.6 et 7) ou les remplaner |
| 12. Mauvais réglage d'air de la tête du brûleur | * Contrôler l'air à l'aide d'un analyseur CO2 et de l'opacimètre (CO2 10-12%, chiffre de suie selon Bacharach entre 0-1) |
| 13. Vanne électromagnétique ne s'ouvre pas | * Contrôler le branchement de la vanne électromagnétique (on doit entendre un "clic") |
| 14. Mauvaise pression de la pompé à fuel | * La nettoyer ou la remplaner |
| 15. Accoupling pompe défectueux | * Contrôle à l'aide d'un manomètre et réglage |
| 16. Prise d'air dans le système d'alimentation ou dans le filtrtre principal | * Remplacer l'accoupling |
| 17. Vanne électromagnétique ne ferme pas | * Le contrôler et le remplaner si nécessaire |
| 18. Grille devant ventilateur obstruée | * Démonter l'alimentation fioul après le filtrtre, la flamme s'éteint. Nettoyer ou remplaner la vanne électromagnétique |
| 19. Air dans le fuel | * Nettoyer la grille |
| 20. L'alimentation en air frais n'est pas suffisante | * Laisser fonctionner le générateur pendant 3 mn pour purger l'air |
| 21. Cellule photo-électrique défectueuse | * Ouvrir porte ou fenêtre |
| 22. La Chambre de combustion est obstruée | * Remplaner la cellule photo-électrique |
| 23. Le thermostat de refroidissement n'agit pas | * Nettoyer la chambre de combustion après démontage de la tête brûleur. du brûleur. |
| 24. Le thermostat de refroidissement n'arrête pas | * Contrôler le thermostat de refroidissement |
| * Remplaner le thermostat de refroidissement | |
| * Couper le courant | |
| * Remplaner le thermostat de refroidissement |
TABLEAU DE RECHERCHE DE PANNES GÉNÉRATEUR MANUEL
Si voit generateur ne marche pas, essayer de localiser la panne,ouvient sans gravite, a l'aide du tableau suivant. Voir le tableau de depannage dans I'ordre des numeros.
| Pannes | Causes possibles |
| Le moteur ne démarre pas | 2 - 6 - 7 |
| Le moteur tourne mais le générateur ne démarre pas | 8 - 9 - 10 – 11 - 13 - 15 - 16 - 19 |
| Fumée et émissions de gaz | 18 - 20 - 12 - 10 - 14 - 16 |
| Flamme excessive aunez de l'appareil | 18 - 20 - 12 - 10 - 14 |
| Le générateur consomme trop de fuel | 14 - 10 |
| Le générateur ne se met pas à l'arrêt | 17 |
| Le cycle de refroidissement ne se fait pas | 23 |
| Le cycle de refroidissement ne s'arrête pas | 24 |
Tableau de dépannage
| Cause | Solution |
| 2 - Mauvaise connexion électrique | * Vérifier le branchement et la tension du réseau |
| 6 - Ventilateur tourne difficilement ou est bloqué | * Contrôler la pompe à fuel * Contrôler le moteur |
| 7 - Pompe à fuel est bloquée | * Remplacer la pompe à fuel |
| 8 - Réservoir à fuel est vide | * Faire le plein de fuel |
| 9 - Filtre extérieur encrassé | * Nettoyer ou remplacer le filtré |
| 10 - Gicleur encrassé ou usé | * Remplacer le gicleur (rependre le même type) |
| 11 - Mauvaise position des electrodes ou déteriorations des isolateurs | * Régler les electrodes, voir les instructions ou les remplaçer |
| 12 - Mauvais réglage d'air de la tête du brûleur | * Contrôler l'air à l'aide d'un analyseur CO2 et de l'opacimètre (CO2 10-12%. Chiffre de suie selon Bacharach entre 0-1) |
| 13 - Vanne electromagnétique ne s'ouvre pas | * Contrôler le branchement de la vanne electromagnétique (on doit entendre un "clic") * La nettoyer ou la remplaçer |
| 14 - Mauvaise pression de la pompe à fuel | * Contrôle à l'aide d'un manomètre et réglage |
| 15 - Accoupling pompe défectueux | * Remplacer l'accoupling |
| 16 - Prise d'air dans le système d'alimentation ou dans le filtrtre principal | * Le contrôler et le remplaçer si nécessaire |
| 17 - Vanne electromagnétique ne ferme pas | * Démonter l'alimentation fioul après le filtrtre, la flamme s'éteint * Nettoyer ou remplacer la vanne electromagnétique |
| 18 - Grille devant ventilateur obstruée | * Nettoyer la grille |
| 19 - Air dans le fuel | * Laisser fonctionner le générateur pendant 3 mn pour purger l'air |
| 20 - L'alimentation en air frais n'est pas suffisante | * Ouvrir porte ou fenêtre |
| 23 - Le thermostat de refroidissement n'agit pas | * Débrancher l'appareil. * Remplacer le thermostat de refroidissement |
| 24 - Le thermostat de refroidissement n'accrite pas le ventilateur. | * Débrancher l'appareil. * Remplacer le thermostat de refroidissement |
POMPE - FIOUL - MONTAGE MONOTUBE - TYPE DELTA

1 Filtre
4 By pass
5 Aspiration fioul
6 Retour (non utilise)
8 Mesure pressure
9 Vers gicleur
10 Bobine / Electrovanne
11 Réglage pression
Nettoyer le filtré 1 chaque saisson ou chaque fois que nécessaire.
Le filtré est fragile, bien le remètre dans son logement avant de bloquer la vis.
- Ne modifier la pression qu'avce le contrôle d'un manomètre en tournant la vis 11.
IMPORTANT - RAPPEL :
- Attention: Ne jamaisMETTE en route sans carburant.
L'appareil doit fonctionner dans un local bien aéré « Ventilation Haute et Basse » - Eviter la proximé d'objets ou de gaz inflammables.
- Lorsque levoyant du coffret de contrôle est allumé, presser le bouton rouge pour reprovoquer un nouveau démarrage (type automatique).
- Ne jamais couper l'alimentation électrique de l'appareil tant que le cycle de refroidissement n'est pas terminé.
- Avec une température inférieure à -5°C, ajouter environ 15% de pétrole ou protégger le carburant contre le gel.
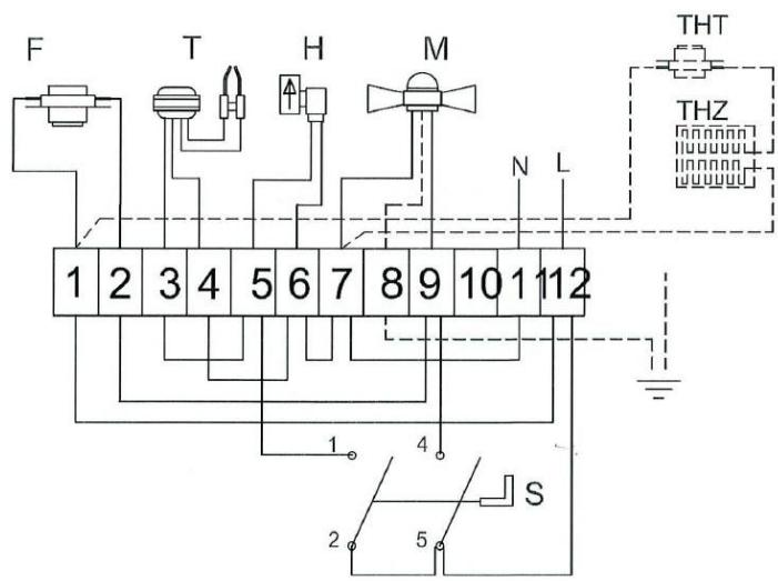
SCHEMA ÉLECTRIQUE

GF 25 A-GF 45 A-GF 95 A
F Thermostat refroidissement / ventilateur
M Moteur Ventilateur / Pompe
G Cellule photo-électrique
H Electrovanne
HR Relais auxiliaire
T Transformateur
S Interrupteur
RT Prise raccordement thermostat

GF 25M
F Thermostat refroidissement / ventilateur
H Electrovanne
M Moteur ventilateur / Pompe
S Interrupteur
T Transformateur d'allumage
| Unité | GF 25 A | GF 45 A | GF 95 A | GF 25 M | GF 45 M | |
| Puisance calorifique utile | kW | 25 | 46 | 93 | 25 | 46 |
| kcal | 22.000 | 40.000 | 80.000 | 22000 | 40000 | |
| Débit d'air chaud | m3/h | 600 | 1200 | 2350 | 600 | 1200 |
| Température de l'air de sortie maximum. | °C | 400 | 500 | 500 | 400 | 500 |
| Consommation de fioul. | 1/u./1/h./L/St./1/h./1/h./1/t. | 2,5 | 4,5 | 9 | 2,5 | 4,5 |
| Gcleur. | Delavan | 0,6 USG70°W | 1 USG70°W | 2 USG80°W | 0,6 USG70°W | 1 USG70°W |
| Danfoss | - | 1 USG80°S | 2 USG80°S | - | 1 USG80°S | |
| Pression de la pompe. | bar | 9 | 11 | 11 | 9 | 11 |
| Capacité du réservoir. | L | 40 | 80 | 160 | 40 | 80 |
| 1~V/Hz | 230/50 | 230/50 | 230/50 | 230/50 | 230/50 | |
| Voltage et périodes. | Amp. | 1,0/0,6 | 2,6/1,8 | 4,3/3,5 | 1,0/0,6 | 2,6/1,8 |
| Consommation électrique. | Puissance moteur électrique | kW | 0,13 | 0,15 | 0,37 | 0,13 |
| Longueur | cm | 107 | 122 | 140 | 107 | 122 |
| Largeur. | cm | 48 | 54 | 58 | 48 | 54 |
| Hauteur. | cm | 56 | 80 | 90 | 56 | 80 |
| Poids. | kg | 31 | 40 | 69 | 31 | 40 |
| Diamètre de sortie air mm | - | - | - | - | - |
Combustible: gazoil, huile à gaz, prétole max. 1,4E à 20^ , GNR (version hiver)
Compte tenu des améliorations et des perfectionnements effectués sur nos apparèils, nous nous réservons le droit de modifier, sans préavis, leurs caractéristiques. Seule la notice technique accompagnant le matériel est valable.
Déclaration de Conformité
Nous, SMG SARL - 8, rue du Paquier - 21600 LONGVIC, déclarons que les apparciels suivants :
Générateurs d'air chaud à fioul de marque S.PLUS et de types : GF 25 A/M - GF 45 A/M - GF 95 A
Machine-Régulations : Directive sur la basse tension : Directive sur la compatibilité electromagnétique :
2006/42/CE
2006/95/CE
NEN-EN 12100
NEN-EN 60335-1
NEN-EN 294
NEN-EN 60204-1
2004/108/CE
EN 50011
EN 61000-3-2
EN 50082-2
auxquels cette déclaration se rapporte, sont conformes aux normes
Notice Facile