AG 49 E2C - Chauffage gaz S.PLUS - Notice d'utilisation et mode d'emploi gratuit
Retrouvez gratuitement la notice de l'appareil AG 49 E2C S.PLUS au format PDF.
| Type d'appareil | Aérotherme gaz |
| Modèles | AG 49 E2, AG 62 E2, AG 72 E2, AG 82 E2 |
| Type de ventilateur | Hélicoïde ou centrifuge |
| Alimentation électrique | 230 V |
| Arrêt autorisé | Thermostat ou coffret de commande |
| Installation | Par un professionnel qualifié |
| Normes | Conforme aux normes en vigueur |
| Usage | Intérieur, sans risque d'explosion |
| Type de gaz | Non précisé |
| Puissance thermique | Non précisé |
| Dimensions | Non précisées |
| Poids | Non précisé |
| Matériaux | Non précisés |
| Maintenance | Manuel d'installation et d'entretien fourni |
| Garantie | Non précisée |
FOIRE AUX QUESTIONS - AG 49 E2C S.PLUS
Téléchargez la notice de votre Chauffage gaz au format PDF gratuitement ! Retrouvez votre notice AG 49 E2C - S.PLUS et reprennez votre appareil électronique en main. Sur cette page sont publiés tous les documents nécessaires à l'utilisation de votre appareil AG 49 E2C de la marque S.PLUS.
MODE D'EMPLOI AG 49 E2C S.PLUS
Il ne doit pas être installé d'acrothermes dans des locaux présentant des risques d'explosion par la nature des produits entreposés, dégageant des vapeurs ou des solvants, ou dans des locaux à forte teneur en poussières combustibles (sciure de bois...).
L'installation de l'appareil doit être réalisée par un professionnel qualifié et conformément aux normes en vigueur ainsi qu'aux règles de l'art.
ATTENTION : L'arrêt des appareils par coupure de l'alimentation gaz ou de l'alimentation électrique 230 V est strictement interdit. Seul est autorisé l'arrêt par manipulation du thermostat ou du coffret de commande.
Ref. AG49 8/1005/LU
Notice destinée à l'installateur et à l'utilisateur
L'aéotherme est un appareil permettant un échange thermique entre les produits de combustion du gaz et un flux d'air introduit par un ventilateur.
L'air chaud est directement soufflé dans le local et sa direction peut être modifiée par l'intermédiaire des ailettes de la grille de soufflage
Le fonctionnement du ventilateur est régulé par un airstat pour éviter :
- le soufflage d'air froid,
- la surchauffe de l'appareil.
Entièrement automatique et sans veilleuse, l'appareil est allumé à distance par un thermostat d'ambiance à installer dans le local, ou par le coffret de commande S. PLUS CC 4 AG.
Dans le cas d'un mauvais fonctionnement du ventilateur et d'une surchauffe de l'échangeur, le contact "limit" à réarmement manuel provoque l'arrêt du brûleur.
Les produits de combustion sont évacués à l'extérieur grâce à l'extracteur situé sur le conduit d'évacuation. Dans le cas d'une obstruction de celui-ci, un pressostat différentiel provoque la fermeture de l'électrovanne d'alimentation en gaz.
En fonctionnement d'été, on peut utiliser l'aérotherme pour la ventilation des locaux avec l'interrupteur Ete/Arret/Hiver à l'arrière de l'appareil ou le boîtier de commande à distance (option).
1-ETATDELIVRAISON
- Les Aérothermes S. PLUS sont livrés emballés et calés dans une caisse à claire-voie.

2-INSTALLATIONETREGLEMENTATION
- Les appareils doivent être installés suivant la réglementation et les normes en vigueur dans le pays de destination. L'installation, l'entretien de l'appareil, l'adaptation à d'autres gaz doit être réalisée par une personne qualifiée.
N. B. En France, la réglementation n'autorise pas l'installation d'aérothermes gaz d'une puissance utile ≥ 35kW dans les ERP (établissements recevant du public).
Locaux industriels (FRANCE)
- La réglementation générale est constituée essentiellement du Code du Travail, qui ne traite pas spécifiquement du chauffage des locaux par aérothermes gaz, mais qui définit dans ses articles R.232.1 à R.232.4 les exigences en matière d'aération et d'assainissement.
- La reglementation de base des installations classées pour la protection de l'environnement est la loi N° 76.663 du 19.07.1976. Les arrêtés types contiennent les interdictions particulières en matière de chauffage selon les activités de l'installation.
3-Mise en PLACE
- L'appareil est livré avec 4 points de suspension fixés sur le dessus de l'appareil (sauf AG 82). Il peut être également posé sur une console ; dans ce cas, veiller que la reprise d'air du ventilateur de soufflage soit assurée librement.
- La mise en place doit être assurée en utilisant des moyens de levage (élevateur, échafaudage) en prenant soin de ne pas endommager la partie inférieure de l'appareil.
- Pas de stockage, rayonnage, plateforme, etc., sous l'aerotherme. La reprise d'air du ventilateur de soufflage serait perturbée, ce qui entraînerait une régulation plus fréquente par reprise d'air chaud ou une mise en sécurité par surchauffe et un mauvais chauffage du local.



= AG82 sur consoles uniquement.
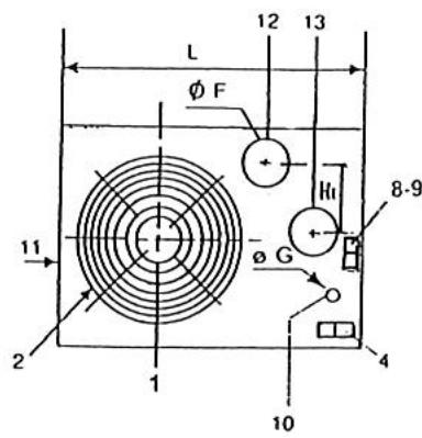
| A | B | C | D | E | |
| AG49 | 381 | 1036 | 668 | 400 | 202 |
| AG62/72 | 341,5 | 1586 | 765 | 400 | 242,5 |
| AG82 | 341,5 | 1586 | 648 | 400 | 242,5 |
- Conduit de rejet des produits de combustion : voir page 10 - diamètre F
- Les Aérothermes sont équipés d'un extracteur mécanique asservi à un pressostat qui mesure la dépression de ce même conduit (dans tous les cas de conduits obturés ou à très fortes pertes de charge, l'appareil se mettra en sécurité).
- L'aérotherme doit être raccordé à un conduit d'évacuation des gaz brûlés, aboutissant à l'extérieur du bâtiment.
- Veiller à ce que les évventuels condensats ne pénètrent pas dans l'appareil. On placera à cet effet un "Té", avec dispositif d'évacuation.
- Dans le cas de raccordement de plusieurs appareils sur un même conduit, il est nécessaire de prendre en compte la somme des sections de sortie de chaque appareil.
- Se reporter aux réglementations en vigueur concernant les conduits d'évacuation des produits de combustion.
- Dans tous les cas, nous conseillons vivement aux installateurs de se référer au texte du D.T.U. N° 61.1 (FRANCE).
- Les conduits d'évacuation des produits de combustion seront réalisés en :
Inox ferritique
- Aluminium à 99,5%
- La hauteur minimale est de 0.500 m.
- Il est vivement conseillé d'utiliser des conduits isolés, afin d'éviter un refroidissement sur leur parcours (formation de condensats).
- Les appareils peuvent également être raccordés en ventouse murale ou de toitures livrées en accessoires.

5-VENTILATION Dulocal
La ventilation du local est nécessaire au bon fonctionnement des aérothermes. Elle n'est pas réglementée dans les locaux industriels, mais l'application des règles propres aux E. R. P. (Etablissements Recevant du Public) est recommandée dans le milieu industriel (articles 221 du "Règlement de Sécurité contre l'incendie en ERP" soit 1,75 m3 d'air/heure par kW installé pour un raccordement sans coupe tirage et 3,5 m3/h par kW par raccordement avec coupe tirage. Dans tous les cas, se conformer au chapitre CH 6 (du règlement de Sécurité contre l'incendie). Dans les autres pays, se conformer à la réglementation en vigueur.
6-DISTRIBUTION Del'air dechauffage
- L'appareil est muni de volets horizontalement amovibles, permettant d'ajuster le jet d'air. Ces appareils sont conçus pour fonctionner à une température ambianteminimale de 0°C.
7-Schema d'implantation et selection
- S'assurer que le ou les appareils installés ont un débit d'air total de 3,5 à 6 fois supérieur au volume du local (le maximum pour les locaux de grandes hauteurs). Ceci conditionne l'efficacité de l'installation. * Si nécessaire, afin d'atteindre ce taux de brassage, des déstratificateurs et brasseurs d'air devront être installés.


- Un taux de brassage insuffisant engendre un phénomène de "stratification" de l'air chaud et des fonctionnements en "Cycle fermé" des aérothermes. Ceci peut provoquer une régulation anormale des appareils, voir une mise en sécurité par surchauffe. La stratification de l'air chaud se fait de la façon suivante : le brassage étant insuffisant, il y a d'abord réchauffement des points hauts du bâtiment, puis descente progressive de l'air chaud vers le bas lorsque les volumes supérieurs sont suffisamment chauds. Ainsi, la température au sol reste BASSE, la température autour de l'aérotherme installé à 3-4 mètres de hauteur s'élevant. À un temps plus ou moins long l'airstat "limit" arrêté le fonctionnement du brûleur on provoque une mise en sécurité.
8-Raccordement gaz
- S'assurer que la nature du gaz et la pression correspondent aux caractéristiques portées sur l'arrière de l'appareil (diamètre de sortie: 1/2" gaz male ou 3/4" (voir tableau page 10)).
- Il est nécessaire de prévoir un filtre gaz en amont, pour la prévention des conséquences eventuelles dues aux dépôts, pouvant exister dans les canalisations.
9 - CARACTERISTIQUES DES DIFFERENTS GAZ(1)
| PAYS | CATEGORIES | PRESSION D'ALIMENTA-TION (mbar) | |||||
| BELGIQUE | AG 49 | AG 62/72 | AG 82 | G20 | G25 | G30 | G31 |
| I2Er I3+ | I2Er I3+ | I2Er I3+ | 20 | 25 | 28/30 | 37 | |
| FRANCE | I2Er I3+ | I2Er I3+ | I2Er I3+ | 20 | 25 | 28/30 | 37 |
| IRLANDE | I2H I3+ | I2H I3+ | I2H I3+ | 20 | - | 28/30 | 37 |
| ITALIE | I2H I3+ | I2H I3+ | I2H I3+ | 20 | - | 28/30 | 37 |
| LUXEMBOURG | IDEMPAYSVOISINS | ||||||
| PAYS BAS | I2L I3B/P | I2L I3B/P | I2L I3B/P | - | 25 | 28/30 | 30 |
| ROYAUME-UNI | I2H I3+ | I2H I3+ | I2H I3+ | 20 | - | 28/30 | 37 |
| ESPagne | I2H I3+ | I2H I3+ | I2H I3+ | 20 | - | 28/30 | 37 |
(1): Selon la Norme EN437.1993. Conditions ambiantes définies par cette Norme: Gaz sec 15°C Pression ambiantes: 1013,25 mbar. (2): MJ/m3 (MJ/kg) 1 thermie = 4.1855 megajoules (MJ) = 1.16kwh P. C. I.: Pouvoir Calorifique Inférieur 1 Kwh = 0.86011 Thermie Note : Dans tous les cas, nous recommandons de veiller à ce que les sections des tuyauteries permettent d'alimenter les appareils aux pressions suffisantes afin d'assurer le fonctionnement nominal à l'injecteur.
10-REGLAGE DES PRESSIONS ET DEBITS DE GAZ
| SERIE | Pression : mbar D injecteur : 1/100 mm Débit calorifique : kW | G20 20 mbar | G25 25 mbar | G31 37 mbar | G30 28/30 mbar |
| AG 49 E2 AG 49 E2 C | Pression aval mb | 8.9 | 13.2 | 35.5 | 26.6/28.6 |
| Débit | 4.67m3/h | 5.43m3/h | 3.43 Kg/h | 3.48 | |
| Diam. injecteur - Nbre : 2 | 420 | 420 | 240 | 240 | |
| Débit Calorifique | 44.13 | 44.13 | 44.13 | 44.13 | |
| Régulateur | EnService | EnService | Bloqué | Bloqué | |
| AG 62 E2 AG 62 E2 C | Pression aval mb | 7.9 | 11.7 | 34.5 | 25.5/27.5 |
| Débit | 6m3/h | 6.98m3/h | 4.41 Kg/h | 4.47 Kg/h | |
| Diam. injecteur - Nbre : 2 | 470 | 470 | 270 | 270 | |
| Débit Calorifique | 56.74 | 56.74 | 56.74 | 56.74 | |
| Régulateur | EnService | EnService | Bloqué | Bloqué | |
| AG 72 E2 AG 72 E2 C | Pression aval mb | 7.1 | 10.4 | 34 | 25.0/27.0 |
| Débit | 7m3/h | 8.15m3/h | 5.14 Kg/h | 5.22 | |
| Diam. injecteur - Nbre : 3 | 5.3 | 5.3 | 2.9 | 2.9 | |
| Débit Calorifique | 66.2 | 66.2 | 66.2 | 66.2 | |
| Régulateur | Bloqué | Bloqué | |||
| AG 82 E2 AG 82 E2 C | Pression aval mb | 9.6 | 13.6 | 34 | 25.1/27.1 |
| Débit | 8m3/h | 9.3m3/h | 5.88 Kg/h | 5.96 | |
| Diam. injecteur - Nbre : 3 | 440 | 440 | 250 | 250 | |
| Débit Calorifique | 75.65 | 75.65 | 75.65 | 75.65 | |
| Régulateur | EnService | EnService | Bloqué | Bloqué |
Tous les appareils sont réglés en usine au GAZ D'UTILISATION. Indications données pour un Gaz Sec à 15°C. Pression ambiant 1013,25 mbar selon Norme EN 437.1993 G20: Type H exprimé en nm3/h G25: Type L exprimé en nm3/h
N. B. : Si l'appareil est équipé d'un extracteur "AIR TECHNIQUE", le raccordement à la borne 12 est supprimé, il fonctionne sans condensateur.
- L'appareil est muni, sur la face arrière, de deux connecteurs repérés par une étiquette jaune ou verte :
- 1 connecteur ALIMENTATION ET COMMANDE (étiquette jaune)
- 1 connecteur RENVOI DES COMMANDES A DISTANCE (étiquette verte)
- Alimentation monophasée 230 V + terre - (Connecteur haut - Etiquette jaune)
- Raccorder la phase, le neutre et la terre en veillant aux bonnes polarités reprises sur le connecteur étiquette "jaune". Les sections d'arrivées seront conformes aux rè
- Raccorder le thermostat et/ou la programmation sur les bornes T1 et T2 (un thermostat/horloge par aérotherme).
- Si un thermostat/horloge commande plusieurs aérothermes, il faut "relayer" la Cde thermostatique. (Voir schéma ci-dessous).
- Renvoi des Cdes à distance (Connecteur bas - Étiquette Verte). - OPTION -
- A ne raccorder que si l'on dispose d'un boîtier de commande à distance BCD livré en option - Muni d'un interrupteur 3 positions, il permet de sélectionner pour chaque appareil - position Été : Ventilation seule et permanente - position Arrê
- Les aérothermes sont livrés d'origine avec 2 SHUNTS qui permettent un fonctionnement "Hiver"
-Important
- érothermes (seuls une protection et un interrupteur de coupure de fin de saison peuvent y être raccordés).
- L'alimentation électrique de l'acrotberme ne doit être coupée que lorsque celui-ci n'est plus en phase de chauffage.
- Ne jamais alimenter l'aérotherme par l'intermédiaire du boîtier de commande à distance.
N. B. : Si l'alimentation électrique n'est pas monophasée 230 V, prévoir un transformateur de séparation de circuit.


Mise en service
- Cet appareil a été contrôlé et préreglé en usine ; son bon fonctionnement est directement lié à une bonne installation (voir chapitres précédents).
- Vérifier que la nature du gaz correspond à l'appareil installé (voir l'étiquette fixée sur l'appareil). S'assurer que les vannes gaz d'arrêt soient ouvertes (purger les canalisations si nécessaire).
- ; voyant vert allumé : l'extracteur se met en marche et le cycle commence :
- Prébalayage de 30 secondes minimum et contrôle de la dépression du circuit des fumées par le pressostat.
- Déclenchement de la phase d'allumage par train d'étincelles (voyant jaune allumé) et ouverture du bloc vanne gaz.
- Détection de la flamme, arrêt des étincelles.
- Dans le cas de mise en sécurité après la première tentative, une deuxième tentative s'opère selon le cycle précédent.
- En cas d'insuccès, le brûleur se met définitivement en sécurité. Il faut alors débrancher et rebrancher l'alimentation électrique (réarmement du système) ou agir sur le thermostat (baisser / remonter la consigne).
- Après quelques minutes de fonctionnement du brûleur, le ventilateur entame en action afin de propulser de l'air chaud dans le local.
Arrêt : Lorsque la température est atteinte, le thermostat coupe l'alimentation du brûleur, (le voyant jaune s'éteint) le ventilateur de soufflage continue à fonctionner jusqu'au refroidissement de l'appareil.
Entretien
- Les aérothermes S. PLUS ont été conçus pour un minimum d'entretien. Dans le cas de fonctionnement en atmosphère chargée, il sera nécessaire de vérifier la poussière pouvant s'être accumulée sur les pales du ventilateur et autour de l'échangeur. Dans ce cas, on utilisera de préférence l'air comprimé pour chasser ces poussières, en ayant démonté, au préalable, la porte latérale droite (accès à l'échangeur).
- Toutefois, nous recommandons une vérification de contrôle d'au moins une fois par an des différents organes de sécurité équipant cet appareil, en particulier :
- du coffret électronique (allumage + temps de sécurité < 5 s)
- des électrovannes gaz (propreté du tamis à l'entrée du corps de l'électrovanne)
- des pressions de gaz et étanchéité (bouche à mousse ou savon).
- des connexions électriques (serrage)
- nettoyage général (filtre gaz).
- Nous recommendons aussi de vérifier les conditions des contrôleurs pouvant être exigées aux regards des normes ou réglementations en vigueur, pouvant être liées aux applications et installations de nos aerothesmes gaz.
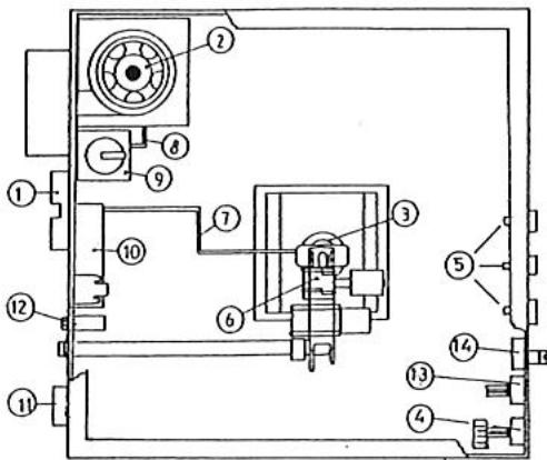
14.1 - Nettoyage du ou des brûleurs (voir figure page 8, paragraphe 15)
- En principe, cette opération n'est pas nécessaire. Si besoin est :
- retirer la porte latérale gauche fixe par 4 vis (appareil s'arrête)
- utiliser une clé à pipe de 10 et desserrer les vis retenant le brûleur (rep. 3)
- débrancher l'électrode (rep. 7)
- faire glisser légèrement le ou les brûleurs dans la chambre de combustion, pour le déboiter de son support
- le retirer en le glissant sous le support venturi.
- ÀpRES évidification, procéder au remontage : mêmes opérations en sens inverse et repositionner le venturi aux repères indiqués (Vernis de couleur).
14.2 - Réglement de l'électrode d'allumage et de ionisation
Cette opération n'est pas nécessaire. Si besoin est :
Il est nécessaire de veiller à l'écartement de l'électrode afin que celui-ci ne soit pas trop grand ni trop petit et à cet effet la cote de 3mm offre une bonne qualité d'allumage et de contrôle de flamme. Il est nécessaire de veiller à ce que le bout de l'électrode se situe en périphérie de l'accrocheur de flamme et non pas en plein centre où le mélange est moins inflammable.
Enfin, en fonctionnement, il faut vérifier que le bout de l'électrode se situe dans une zone où la flamme est toujours présente afin d'éviter tout défaut de contrôle de ionisation.

14.3 - Nettoyage échangeur
- Retirer la porte latérale droite.
- Desserrer les brides et retirer la plaque obturatrice donnant accès à l'échevin.
- Au remontage, vérifier que le joint de la plaque obturatrice ne soit pas endommagé.
- Positionner les brides mobiles et serrer modérément les vis.

14.4 - Vérification gaine gaz brûlés

Gaine alu gaz A5 extensible
- Prise secteur et thermostat 2. Extracteur
- Bruleur
- Airstat ventilator 5. Voyants
- Bloc vanne
- Cable d'électrode et électrode d'allumage et d'ionisation
- Tube couple pris de pression d'air Diam. 6 x 8, longueur 250 mm
- Pressostat air
- Coffret de contrôle
- Connecteur pour raccordement boîtier de commande à distance
- Condensateur Extracteur
- Airstat auto
- Airstat à réarmement manuel

16-CHANGEMENT DE GAZ (Schémas ci-dessous)
16.1 - Passage du gaz du type G20 en G25 (20 mbar, 25 mbar)
- Seul le réglage de la pression aval est à effectuer. Pour cela, il est nécessaire de :
- à l'inverse pour abaisser la pression (retirer le bouchon pour la vanne THEOBALD).
- La pression maximale à observer est indiquée dans le tableau correspondant au gaz d'utilisation des aérothermes en fonctionnement.
- Contrôler ce réglage au moyen d'un manomètre raccordé sur la prise de mesure aval (P2).
- Après réglage, sceller le régulateur avec du vernis.
- Indiquer les valeurs du nouveau "réglage gaz" sur l'étiquette collée dans le compartiment. Contrôler l'étanchéité des vis de mesure de pression de gaz, aval (P2) et amont (P1) au moyen d'une bombe de savon.
16.2 - Passage du gaz de la 2ÈME à la 3ÈME famille : G20 ou G25 vers le G30 ou G31
- Le changement d'injecteur et d'accrocheur de flamme est obligatoire ; à cet effet, consulter le tableau réglage gaz pour installer le bon calibre :
- Démontrer au préalable le ou les injecteurs en place, au moyen d'une clé à œil de 17 plat.
- Remonter le ou les injecteurs appropriés, sans avoir à utiliser de pâté ou autre joint ; l'étanchéité est réalisée à sec.
- Démonter les brûleurs de leurs supports au moyen d'une clé de 10 sur plats. Dévisser la vis CHC M4 au moyen d'une clé allen et enlever l'accrocheur de flamme en bronze. Le replacer par le nouveau.
- Bloquer le régulateur de pression en vissant dans le sens des aiguilles d'une montre.
- Mettre en route l'appareil en contrôlant les pressions amont et aval (P1 et P2), comme indiqué dans le paragraphe précédent et vérifier que les valeurs relevantes correspondant aux réglages gaz indiqués dans le tableau précédent.
16.1 - Passage d'un gaz de la 3ÈME à la 2ÈME famille (g30/g31 -> g20/g25)
Même opération, sauf qu'il faut débloquer le réglateur de pression et ajuster la pression indiquée suivant le gaz d'utilisation (voir tableau réglatge gaz).


EvI: Électrovanne de sécurité Ev2: Électrovanne de sécurité PI: Prise de pression amont P2: Prise de pression aval S: Régulateur de pression T: Réglage de la progressivité d'allumage (selon modèle) C: Capuchon





1) Groupe moto-ventilateur (2 pour AG 82) 2) Grille de protection 3) Porte d'accès (partie régulation gaz) 4) Interrupteur Ete / Hiver / Arrêt 5) Voyant de mise sous tension 6) Voyant marche brûleur 7) Voyant de surchauffe 8) Prise thermostat 9) Raccordement secteur 230 V 10) Arrival du gaz 11) Porte démontable (fumée) 12) Sortie des gaz brûlés 13) Prise d'air de combustion 14) Cadre de soufflage (2 pour AG 82)
| APPAREIL TYPE | DIMENSIONS(mm) | POIDS(Kg) | ||||||||||
| L | H | P | P' | C | B | H | F(12) | GazG(10) | A(13) | NET | BRUT | |
| AG49E2 | 999 | 636 | 960 | 1180 | 142 | 670 | 125 | M 1/2" | 125 | 72 | 98 | |
| AG62E2/72E2 | 1205 | 715 | 995 | 1325 | 154 | 735 | 205 | 153 | M 3/4" | 153 | 105 | 125 |
| AG82E2 | 1505 | 715 | 995 | 1215 | 154 | 735 | 205 | 153 | M 3/4" | 153 | 140 | 160 |
18 - CHARACTERISTIQUE TECHNIQUES - Version Hélicoïde
| APPARELS TYPE | Puisance thermique utile | Débit d'air à 20°C | Niveau sonore dB(A)(2) | Puisance moteur | Vitesse de rotation | portée en m(1) | ΔT air |
| AG49E2 | 40,6kW | 4000m3/h | 56 | 370 W | 1000 tr/min | 23 | 30,5 |
| AG62 E | 52,2kW | 4600m3/h | 58 | 370 W | 1000 tr/min | 25 | 34 |
| AG72 E2 | 60.9kW | 4600m3/h | 58 | 370 W | 1000 tr/min | 25 | 40 |
| AG82 E2 | 69,6kW | 7500m3/h | 62 | 2 x 370 W | 2 x 1000 tr/min | 26 | 28 |
(1) Portée mesurée en champ libre, vitesse résiduelle = 0.40m / s (2) Niveau sonore sur la base d'une ambiance à 34 db(A).
19 - CHARACTERISTIQUES TECHNIQUES - Version Centrifuge
| TYPE | Puissance thermique utile | Débit d'air à 20°C | Puisance moteur | Vitesse de rotation | Pression Disponible | ΔT air |
| AG49E2C | 40,6kW | 4000m3/h | 736 W | 1000 tr/min | 150Pa | 30,5°C |
| AG62E2C | 52,2kW | 4500m3/h | 736 W | 1000 tr/min | 160Pa | 34,5°C |
| AG72E2C | 60.9kW | 4500m3/h | 736 W | 1000 tr/min | 160pa | 40.5°C |
| AG82E2C | 69,6kW | 7000m3/h | 2 x 736 W | 2 x 1000 tr/min | 170Pa | 30°C |

- Interrupteur Été/Hiver/Arrêt ou connecteur pour raccordement boîtier de commande à distance (option)
- Extracteur
- Brûleur (1 pour AG 49 - 2 pour AG 62 / 72 - 3 pour AG 82)
- Airstat double à réarmement manuel
- Voyants
- Bloc vanne
- Cable d'électrode et électrode
- Tube couple prise de pression d'air Diam. 6 x 8, longueur 250 mm
- Pressostat air
- Coffret de contrôle
- Prise secteur et thermostat
- Condensateur Extracteur
Principe de fonctionnement :
L'aérotherme étant sous tension (voyant vert allumé), le thermostat étant en demande de chauffage (ainsi que la programmation éventuelle), l'extracteur de gaz brûlés tourne, après quelques secondes, l'électrovanne gaz s'ouvre et le brûleur s'allume (voyant jaune allumé). Le ventilateur de soufflage démarre à la demande de l'aérostat environ 2 minutes après le démarrage du brûleur.
IMPORTANT: Ne jamais commander 2 ou plusieurs aérothermes directement par un seul thermostat : bien respecter le sens d'alimentation phase et neutre.
En cas de NON démarrage:
- I. S'assurer que les vannes gaz soient ouvertes.
- II. Vérifier le câblage d'alimentation et de renvoi de commande éventuel. La majorité des pannes lors d'une première mise en service proviennent d'un mauvais câblage qui peut entraîner une détérioration du coffret électronique.
230 V entre phase et neutre
230 V entre phase et terre
0 V entre neutre et terre
- III S'assurer que le thermostat d'ambiance est en besoin de chauffage.
-IV
L'extracteur tourne-t-il?
a) Pas d'étincelle à l'électrode
- Coffret hors service - Pressostat air défectueux - Tuyau couplé (entre pressostat et extracteur débranché)
- Cheminée ou évacuation obstruée
b) Étincelles à l'électrode (4 s environ, voyant jaune allumé) et pas de flamme :
- Gaz fermé
- Mauvaise purge de la canalisation
- Arrêt de l'appareil avec fermeture de l'alimentation gaz
- Bobine Électrovanne hors service.
- Coffret hors service (fusible)
- Extracteur hors service
- Condensateur extracteur hors service
- Pressostat air hors service
- Mise en sécurité de surchauffe, voyant rouge allumé (réenclencher la sécurité repère 4 ci-dessus). Ceci est souvent dû à une coupure de l'alimentation électrique appareil en fonctionnement.
- Nota : l'airstat assure les deux fonctions suivantes :
- Il l'enclenche le groupe moto-ventilateur après le démarrage du brûleur et lorsque la température de l'échangeur est suffisante. Ainsi tout problème de condensation est évité.
- Sécurité de surchauffe : il coupe le brûleur (par exemple, en cas de panne du groupe moto-ventilateur). Dans le cas de mise en sécurité par surchauffe, après avoir supprimé la cause de la surchauffe, il faut réarmer l'appareil en appuyant sur le bouton (voir schéma page 10, repère 4).
Attention: ne jamais arrêter un appareil en fonctionnement en coupant l'alimentation électrique, cela provoquera une surchauffe et une mise en sécurité.
21-TABLEAUDEDEPANNAGE
| PANNES | CAUSES | REMEDES |
| Voyant de mise sous tension (vert) non allumé | Pas de courant | Vérifier les fusibles Le réseau électrique d'alimentation Remplacer levoyant |
| Voyant défectueux | ||
| Le brûleur ne démarre pas et le voyageant vert de mise sous tension est allumé | Pas de gaz | Ouvrir le gaz |
| Pression de gaz insuffisante, et l'extracteur tourne | Vérifier le réseau Vérifier si la purgea a été effectue | |
| L'appareil a été arrêté par fermeture du gaz | Purger abondamment | |
| Extracteur ne tourne pas | Vérifier si le thermostat est en demande Remplacer eventuellement le condensateur Vérifier si le réseau électrique n'a pas subit de modifications ou de réparations (alimentation 230 V). | |
| Thermostat d'ambiance non en demande | Armer le thermostat pour leMETTE en demande | |
| Cheminée obstruée | Vérifier le conduit | |
| Voltage insuffisant | Vérifier la tension du réseau | |
| Le brûleur se met en sécurité | Inversion phase et neutre | Rebrancher phase et neutre |
| Mauvaise terre | Vérifier la bonne mise à terre | |
| Electrode mal réalisée ou défectueuse | A régler ou à changer | |
| Electrode à la masse | A régler ou à changer | |
| Pressostat AIR défectueux | LerEMPLacer | |
| Coffret de contrôle défectueux | LerEMPLacer | |
| Le ventilateur démarre et s'arrête continulement | La protection thermique intervenant continulement | Mesurer l'amperage prélever par le moteur et comparer les indications sur la plaque signalétique |
| Le ventilateur ne démarre pas | Airstat défectueux | LerEMPLacer |
| Condensateur défectueux | LerEMPLacer | |
| Voltage insuffisant | Vérifier leréseaud'alimentation. | |
| Le brûleur démarre mais la flamme décroche | Pression d'alimentation non conforme | Vérifier la pression du réseau |
| Installation avec citerne : mauvaise purge | Purger abondamment | |
| Le brûleur s'arrête (voyant rouge allumé) | Surchauffe | Ventilateur défectueux Condensateur du ventilateur défectueux |
| Airstat défectueux | LerEMPLacer |
11-SCHEMADECABLAGEAG82E2-E2C
N. B. : Si l'appareil est équipé d'un extractor "AIR TECHNIQUE", le raccordement à la borne 12 est supprimé, il fonctionne sans condensateur.
Notice Facile