MODE D'EMPLOI MERCURY MCZ
1.3.1. Limites de garantie 8
1.3.2. Exclusions 9
2. NOTIONS THEORIQUES POUR L'INSTALLATION 10
2.1. LE PELLET (ou granulés de bois) 10
2.2. PRINCIPLE DE FONCTIONNEMENT 11
2.2.1. Vue de coupe d'un poèle à granulés de bois MCZ 12
2.3. EMPLACEMENT POUR L'INSTALLATION 13
2.4. PRECAUTIONS 14
2.5. RACCORDEMENT À L'AMENEE D'AIR FRAIS EXTERIEUR 14
2.6. RACCORDEMENT AU TUYAU DE SORTIE DE FUMÉES 15
2.7. RACCORDEMENT AU CONDUIT DE FUMEE 16
2.8. RACCORDEMENT À UN CONDUIT EXTERIEUR PAR TUYAU CALORIFUGÉ OU A DOUBLE PAROI. 16
2.9. RACCORDEMENT AU CONDUIT DE FUMEE OU AU TUYAU DE SORTIE DE FUMEES. 16
2.10. ANOMALIES DE FONCTIONNEMENT LIÉES AU MAUVAIS TIRAGE DU CONDUIT DE FUMEE 17
3. INSTALLATION ET MONTAGE 18
3.1. SCHEMAS ET CARACTERISTIQUES TECHNIQUES 18
3.1.1. SATURN 18
3.1.2. OMEGA. 19
3.1.3. PLANET 20
3.1.4. MERCURY 21
3.1.5. CHARACTERISTIQUES TECHNIQUES 22
3.2. PREPARATION ET DÉBALLAGE 23
3.3. MONTAGE DE L'HABILLAGE EN CERAMIQUE DU MODELE OMEGA-PLANET 24
3.4. BRANCHEMENT ELECTRIQUE 24
4. FONCTIONNEMENT 25
4.1. RECOMMANDATIONS AVANT L'ALLUMAGE 25
4.2. CONTROLLE AVANT ALLUMAGE 26
4.3. CHARGEMENT DU PELLET 26
4.4. TABLEAU DE COMMANDE ET TELÉCOMMANDE 26
4.4.1. TELECOMMANDE ET REMPLACEMENT DE LA PILE 27
4.5. RÉGLAGES A EFFECTUER AVANT LE PREMIER ALLUMAGE 27
4.5.1. RÉGLAGE DE L'HEURE COURANTE 28
4.5.2. Choix de la langue de l'afficheur 28
4.6. OPÉRATIONS POUR DÉTERMINER LE DOSAGE 28
4.6.1. Procedure rapide pour définir le dosage 30
4.6.2. Mémoriser le dosage du poèle 30
4.7. PREMIER ALLUMAGE 30
4.7.1. Allumage à partir du tableau de commande 31
4.7.2. Allumage à partir de la télécommande 31
4.7.3. Extinction à partir du tableau de commande 31
4.7.4. Extinction à partir de la télécommande 32
4.8. ASPECT DE LA FLAMME 32
4.8.1. La forme 32
4.8.2. La couleur 32
4.8.3. Le caractère 32
4.9. MODALITES DE FONCTIONNEMENT 33
4.9.1. Manuel et automatique 33
4.9.2. Mode manuel 33
4.9.2.1.Passagedu mode manuel au mode automatique 34
4.9.3.Mode automatique 34
4.9.3.1. Thermostat numérique interieur (installé dans le poèle) 34
4.9.3.2. Thermostatextérieur(enoption) 34
4.9.3.3.Passage du mode automatique au mode manuel 35
4.9.4. Mode automatique avec ECO-STOP 35
4.9.4.1. Activation de la modalité ECO-STOP (aux soins de l'installateur) 36
4.9.5. Mode programme 36
4.9.5.1. Jour courant et horloge 36
4.9.5.2. Activation chrono.. 36
4.9.5.3. Programme 37
4.10.1. Description des alarmes 40
4.10.2. Autres messages sur l'afficheur LCD 41
4.10.3. Blocage du poèle 41
4.11. EXTINCTION DU POÉLE 41
5. ENTRETIEN ET NETTOYAGE DU POÉLE 43
5.1. NETTOYAGES INCOMBANT A L'UTILISATEUR 43
5.2. NETTOYAGES INCOMBANT AU TECHNICIEN AGREE 44
5.3. CONTROLLE DES COMPOSANTS INTERNES 45
6. PANNES / CAUSES / SOLUTIONS 46
Nous tenons à vous remercier pour la préférence que vous avez accordée aux produits MCZ.
Et plus particulièrement pour avoir choisi un poèle de la ligne Pellet MCZ ; nous sommes convaçus qu'au fur et à mesure de son utilisation vous en apprécierez la qualité, fruit de projets d'avant-garde et de tests rigoureux. Notre objectif est d'unir la complexité technologique à la simplicité d'utilisation et, surtout, à la sécurité.
Pour un fonctionnement optimal de votre poèle et pour pouvoir profiter pleinement de la chaleur et du bien-être offerts par les flames, nous vous conseillons de dire attentivement ce livre d'instructions avant d'effectuer la première mise en marche.
Dès que vous aurez acquis les notions de base, vous pourrez:gérer au
mieux les différents régages de prédisposition et les différentes
programmations possibles,tout en adoptant les precautions nécessaires
pour le nettoyage et la configuration.
Nous vous félicitons encore de votre choix et nous vous rappelons que le poèle à granulés de bois NE DOIT JAMAIS être utilisé par des enfants et que ces derniers devront toujours se trouver à distance de sécurité.
Dans le but d'améliorer constamment ce produit, le constructeur se réserves le droit d'apporter sans préavis toutes les modifications qu'il jugera utiles à la mise à jour de ce manuel.
Toute reproduction, même partielle, de ce manuel sans l'autorisation du Constructeur est rigoureusement interdite.
- Prenez soit de ce manuel et conservez-le à portée de main dans un endroit facilement accessible.
- En cas de perte ou de destruction de ce manuel, ou bien s'il se trouvait en très mauvais état, demandez une copie à votre revendeur ou directement au Constructeur en spécifique bien les références du modele concerné.
- Les paragraphs fondamentaux ou requérant une attention particulière sont imprimés en "caractère gras".
- « Les passages en italique » reportent les messages visualisés sur l'afficheur LCD du poèle ou bien des précisions complémentaires.
- REMARQUES : le paragraphe “REMARQUES” fournit des renseignements supplémentaires au lecteur.
Les symboles suivants signalent des messages spécifique que vous rencontres dans ce livre d'instructions.
| ATTENTION:
Ce symbole d'advertissement qui apparaître maintes fois dans ce livre souigne la nécessité de dire attentivement le passage auquel il se rapporte et l'importance de bien le comprendre car la non observation des indications prescrites risque d'entrainer de sérieux dommages au poège et de compromètre la sécurité l'utilisateur. |
| i | INFORMATIONS:
Ce symbole met en évidence des informations importantes pour le bon fonctionnement de votre poège. La non observation de ces indications compromèttra la bonne utilisation du poège et les résultats ne seront pas satisfaisants. |
| CONSULTER LE MANUEL :
Ce symbole invite l'utiliseur final à consulter ce manuel d'installation lorsque les opérations à effectuer doivent être guidées par une série d'instructions spécifique. |
| SEQUENCES OPÉRATIONNELLES :
Ce symbole indique une série de touches à presser pour accéder au menu ou pour effectuer des réglages. |
| VISUALISER LES MESSAGES :
Ce symbole invite le lecteur à dire les messages visuaisés sur l'afficheur LCD du tableau de commande du poège. |
- L'installation, le raccordement électrique, la vérification du fonctionnement et la maintenance devront être effectuels exclusivement par des techniciens qualifiés et agrés.
- Installer le poèle suivant les normes en vigueur dans la région ou le pays où le poèle sera installé.
- Pour un usage correct du poèle et de ses systèmes électroniques, de même que pour prévenir tout accident, observez scrupuleusement les indications reportées dans leprésent livre.
- l'utilisation, le réglage et la programmation du poèle doivent être effectuels par desadultes. Toute erreur ou programmation erronée peut favoriser des situations dangereuses et/ou un mauvais fonctionnement.
- Avant toute opération, l'utilisateur ou la personne s'apprétant à intervenir sur le poèle devra avoir lu et compris tout le contenu de ce livre d'instructions.
- Le poèle doit être exclusivement destiné à l'usage pour lequel il a été consu. Toute autre utilisation doit être considérée impropre et donc dangereuse.
- Ne pas monter sur le poèle et ne pas l'utiliser comme plan d'appui.
- Ne pasmettre de linge à sécher sur le poèle. Lesétendoirs et autres accessoires similaires doivent êtreplaces àbonnédistance du poèle.-Danger d'incendie.
- En cas d'utilisation impropre du produit, la responsabilité retombe entièrement sur l'utilisateur final et dégage la société MCZ de toute responsabilité civile et PENALE.
- Toute manipulation du poèle et tout remplacement non autorisé de pieces détachées avec des pieces de rechange n'était pas d'origine peut compromètre la sécurité de l'opérateur et dégage la société MCZ de toute responsabilité civile et PENALE.
- La plupart des surfaces du poèle sont très chaudes (porte, poignée, vitre, tuyaux de sorties de fumées, etc.) Il faut par conséquent éviter de toucher ces parties sans être protégé de manière ajustée par des vêtements ou des accessoires prévus à cet effet tels que des gants thermiques ou des systèmes d'actionnement type "main froide".
- Expliquer scrupuleusement ces dangers aux personnes âgées, aux handicapés et, plus particulièrement aux enfants, en veillant toujours à les tener hors de portée du poële allumé.
- Il est interdit de faire fonctionner le poèle avec la porte ouverte ou la yourselves.
-
Ne pas toucher le poèle avec les mains humides puisqu'il s'agit d'un apparéil électrique. Débrancher toujours le cable d'alimentation électrique avant d'intervenir sur l' apparéil.
-
Avant d'effectuer toute opération de nettoyage ou de maintenance, couper préalablement l'alimentation électrique du poèle en agissant sur l'interrupteur général situé au dos de celui-ci ou en débranchant le cable électrique qui l'almente.
- Le poèle doit être raccordé à une installation munie d'un disjoncteur et d'une prise de terre tel que prévu par les normes 73/23 CEE et 93/98 CEE.
- L'installation doit être proportionnée à la puissance électrique déclarée du poèle.
- Une installation erronée ou une maintenance incorrecte (c'est-à-dire non conformes aux prescriptions de ce livre) peuvent procurer des dommages matériels et corporels aux personnes, aux animaux et aux choses, auquel cas la société MCZ décline toute responsabilité civile ou penale.
1.2. RECOMMANDATIONS OPÉRATIONNELLES

- Éteindre le poèle en cas de panne ou de mauvais fonctionnement.
- Ne jamais verser les granulés de bois à la main dans le pot de combustion.
- Avant tout nouvel allumage, enlever les granulés de bois imbrûés accumulés dans le foyer de combustion suite à de nombreux allumages "manqués".
- Ne pas laver l'intérieur du poèle avec de l'eau.
- Ne pas nettoyer le poèle avec de l'eau. L'eau pourrait s'infiltrer à l'intérieur du poèle, déterminer les éléments du système d'isoaction et provoquer des chocs électriques.
- Ne pas exposéz pas la peau à l'air chaud pendant longtemps. Ne pas surchauffer la piece où vous séjournez ni celle où le poèle est installé. Ceci pourrait ALTERER les conditions physiques et procurer des problèmes de santé.
- Ne pas exposer les plantes et les animaux directement au flux d'air chaud. Ceci pourrait provoquer des effets nocifs sur les plantes et les animaux.
- Ne rien verser d'autre que des granulés de bois dans le réservoir du poèle.
- Installer le poèle dans des locaux ajustats aux mesures anti-incendie, équipés de tous les raccordements aux différents reseaux d'alimentation (air et électricité) et d'évacuation des fumées.
- Le poèle et son habillage en céramique doit être entreprises dans un endroit sec à l'abri des intempérières.
- Il est recommandé de ne pas poser le corps du poèle directement sur le sol; si le sol est composé de matérielux inflammables, une isolation ajustée devra être prévue.
- En cas de panne du système d'allumage, ne pas tenter d'allumer le poèle avec des matériaux inflammables.

- Pour tout problème, s'adresser au revendeur ou à un technicien qualifié et agréé par MCZ. Pour les réparations, exiger toujours des pieces de rechange d'origine.
- Utiliser exclusivement le combustible préconisé par MCZ (pour l'Italie, seulement des granulés de 6 mm de diamètre ; pour les autres pays européens, des granulés de 6-8 mm de diamètre) et seulement pour les modèles équipés du système d'alimentation automatique.
- Contrôler et faire ramoner périodiquement les conduits de sorties de fumées (raccordement au conduit de fumée).
- Avant tout nouvel allumage, enlever les granulés de bois imbrûés accumulés dans le pot de combustion suite à de nombreux allumages "manqués".
- Le poèle à granulés de bois n'est pas un apparéil de cuisson.
Veiller toujours à ce que le couvercle du réservoir de granulés soit bien fermé.
- Conserver avec soin ce livre d'instructions car il devra accompagner le poèle pendant toute sa durée de vie. Si vous nevez vendre ou transporter votre poèle dans un autre endroit, assurez-vous que ce livre l'accompagne.
- En cas de perte, demandez un autre exemplaire à votre revendeur agréé ou à la société MCZ.
1.3. CONDITIONS DE GARANTIE

La société MCZ garantit ce produit, à l'exclusion des éléments sujets à une normale usure comme reporté ci-dessous, pour une durée de deux ans à compter de la date d'achat du poèle, à condition que le certificat de garantie soit validé par une piece justificative contenant le nom du revendeur et la date de vente, que leedit certificat de garantie dûment rempli soit expédié dans les 8 jours à compter de la date de vente reportée, et que le poèle soit installé et testé par un technicien agréé et suivant les précises instructions reportées dans le livre d'instructions.
On entend par garantie l'échange ou la réparation gratuite de parties ou de pieces d'origine reconnues défectueuses pour vice de fabrication.
1.3.1. Limits de garantie
La garantie ne couvre pas les composants électriques et électroniques ni les ventilateurs pour lesquels la période de garantie est fixée à 1 an à compter de la date d'achat justifiée comme indiqué ci-dessus. La garantie ne couvre pas les parties sujettes à une usure normale telles que les : joints, vitre et toutes les parties amovibles du foyer.
Les pièces remplacées seront couvertes pendant toute la période de garantie restante.
1.3.2. Exclusions
Les variations de couleur sur les parties peintes, laquées et en céramique de même que les craquelures de la céramique ne peuvent enaucun cas faire l'objet d'une réclamation, s'agissant-là de caractéristiques naturelles inherentes aux matériaux et à l'utilisation du produit.
La garantie ne couvre pas les parties qui s'avent defectueuses suite à négligence, mauvaise maintenance ou installation non conforme aux prescriptions de la société MCZ (voir les chapitres correspondants dans ce manuel d'instructions).
La société MCZ décline toute responsabilité pour les dommages matériels et corporels éventuelles causes, directement ou indirectement, aux personnes, aux animaux ou aux choses suite à la non observation des prescriptions reportées dans ce livre et, plus particulièrement de celles qui concernent les directives relatives à l'installation, l'utilisation et la maintenance du poèle.
En cas de mauvais fonctionnement du poèle, adressez-vous à votre revendeur et/ou à l'importateur de votre région.
Les dommages causés par le transport et/ou par des manoeuvres de déplacement du poèle sont exclus de la garantie.
Pour ce qui concerne l'installation et l'utilisation du poêle, se référer exclusivement au livre d'instructions fourni avec le poêle.
La garantie ne couvre pas les dommages occasionnés par des manipulations de l'appareil, par des agents atmosphériques, des calamités naturelles, des décharges électriques, l'incendie, des défauts de l'installation électrique ou une maintenance incorrecte ou inexistante par rapport aux instructions du constructeur.

DEMANDE D'INTERVENTION
La demande d'intervention devra être faite au revendeur qui fera suivre l' appel au service d'assistance technique de la Sté MCZ.
LA SOCIÉTÉ MCZ DÉCLARE QUE LE POÉLE ACHETÉ EST CONFORME AUX DIRECTIVES CEE 89/336 et 72/23 et SUCESSIFS AMENDEMENTS.

MCZ SPA décline toute responsabilité en cas d'utilisation propre ou de modifications du poèle et de ses accessoires, non préalablement autorisées.
Pour tout remplacement de pieces détachées, n'utiliser que des pieces de rechange d'origine MCZ.
2. NOTIONS THEORIQUES POUR L'INSTALLATION
2.1. LE PELLET (ou granulés de bois)
Le "pellet" ou granulés de bois dérive du compactage et du tréfilage des sciures de bois séché naturellement (sans vernis) produit par l'industrie de transformation du bois (scieries et menuiseries). La densité de ce matériel est due à la lignine contenue dans le bois même, grâce à laquelle la production des granulés de bois ne requiert pas l'emploi de colles ou d'agents de liaison.
Le marché offre différents types de granulés de bois représentant des caractéristiques qui varient en fonction des mélanges d'essences de bois utilisés. Le calibre des granulés varie de 6 à 8 mm pour une longueur standard comprise entre 5 et 30 mm. Le pellet deonne qualité possède une densité variant de 550~kg / m^2 à plus de 700~kg / m^2 avec une humidité sur poids brut du granulé variant de 5 à 8% .
Afin de garantir les valeurs de consommation hora déclarées et d'optimiser la puissance de combustion des poêles à granulés, MCZ a mis au point un système breveté qui permet d'identifier et de cataloguer n'importe quel type de granulés de bois de 6 à 8 mm de diamètre, en fonction de leur poids spécifique et de leur grosseur.
Avec le système spécial PelletBox® et en suivant la procédure expliquée au paragraphe "Allumage", on déterminera le réglage le plus approprié pour configurer le poèle.
Non seulement le pellet est un combustible ecologique, dans la mesure où il recycle au maximum les résidus de bois pour fournir une combustion plus propre que celle obtenue à partir des combustibles fossiles, mais il présente également plusieurs avantages techniques. Si la puissance calorifique d'un bon bois de chauffage est de 4,4 kW/kg (avec 15% d'humidité, soit après 18 mois de séchage environ), celle du pellet est de 5,3 kW/kg.
Pour garantir une bonne combustion, le pellet doit nécessairement être conservé à l'abri de l'humidité et des salissures. Les granulés de bois sont généralement distribués en sacs de 15kg et sont par conséquent très facies à stocker.
Des granulés de bonne qualité assurent une excellente combustion tout en réduisant l'émission de gaz nocifs dans l'atmosphère.

Plus la qualité du combustible est médiocre, plus fréquence sera la nécessité de nettoyer le pot de combustion et la,chambre de combustion.
Les granulés de bois doivent être fabriqués exclusivement avec des essences de bois n'ayant subi notamment traitement chimique.
Les normes DIN 51731 et ONORM M 7135 homologuent des granulés de bonne qualité qui possèdent les caractéristiques suivantes :
✓ Puissance calorifique : 5.3 kW/kg
Densité: 700~kg / m^3

Granules de bois

Doseur Pellet-Box®

Sac de granulés de bois de 15 kg
Taux d'humidité : 8% maximum poids brut granulés
✓ Taux de cendres : 1% maximum poids brut granulés
√ Diamètre:6-6,5mm
Longueur: 30~mm max.
✓ Composition : 100% bois non traité et sans aucun ajust de substances liantes (pourcentage d'écorce : 5% max.)
Emballage : sacs réalisés avec un matériel ecologique et biodégradable

La Sté MCZ commande vivement d'utiliser un combustible homologué pour l'utilisation de ses poêles.
L'emploi de granulés de qualité médiocre ou non conforme à ce qui a été précédemment indiqué compromet le fonctionnement de votre poèle et par conséquent pourrait annuler la garantie et la responsabilité de la société MCZ en ce qui concerne le produit.
Les poëles à granulés de bois MCZ fonctionnent exclusively avec du pellet de 6mm de diamètre (seulement en Italie) et de 6-8 mm de diamètre (dans les autres pays européens) ayant une longueur variant de 5 à 30 mm maximum.
2.2. PRINCIPLE DE FONCTIONNEMENT
Les granulés de bois sont introduits dans la chambre de combustion et tombent directement dans le pot de combustion en acier inox, entrainés par une vis sans fin qui les préleve dans réservoir du poèle.
La quantité de granulés de bois introduite dans le pot de combustion et l'air combustant correspondant sont prédéterminés, programmes et contrôleis par une carte électronique.
Durant la phase d'allumage, la carte électronique active le rotor d'aspiration de fumées ainsi que la bougie en céramique qui, en se surchauffant, allume le combustible à une température d'environ 200^ C. ÀpRES 20 minutes environ, la phase d'allumage est terminée et la centrale de commande met le poège en mode "Fonctionnement".
Lors de cette phase, selon les instructions que l'utilisateur envoie au poèle au moyen de la télécommande IR (5 programmes), la carte électronique établit la relation exacte entre la quantité de combustible, l'air combustant et l'air de convection et effectue un contrôle continuel de tous les éléments connectés ; la carte signalera, si nécessaire, la présence d'anomalies dans le fonctionnement ou en interrompera la procédure.
- VOIR SCÉMA EN COUPE PAGE SUIVANTE -
2.2.1. Vue de coupe d'un poèle à granulés de bois MCZ

2.3. EMPLACEMENT POUR L'INSTALLATION
Pour un correct fonctionnement du poèle et pour une bonne distribution de la chaleur, l'unité doit être installée dans un endroit où l'air nécessaire à la combustion des granulés de bois peut arriver (disponible d'environ 40 m³/h) conformément à la norme pour l'installation UNI - CIG 7129 - 7131 et successives modifications, ainsi qu'aux normes nationales en vigueur.
Le volume du local ne doit pas etre inférieur a 30m^3
L'air doit arriver à travers des ouvertures permanentes pratiquées dans les murs (au niveau du poèle) qui donnent sur l'extérieur, avec une section minimale de 100~cm^2
Ces aménées d'air doivent être réalisées de manière à ne subir aucune obstruction.
L'air pourra également provenir des pieces voisines de celle qu'il faut ventilier à condition que ces pieces soient équipées de prises d'air extérieur, qu'il ne s'agisse pas de chambres à coucher ou de salles de bains et qu'elles ne serontantaucun danger d'incendie contrairement, par exemple,aux:garage, remise de bois, depôts de materiaux inflammables, et en respectant impérativement ce qui est prévu par les normes en vigueur.

Exemple d'installation avec le poèle Saturn

L'installation du poèle dans les chambres à coucher, les salles de bains ou dans une piece équipée d'un autre appeareil de chauffage (cheminée, poèle, etc.) sans arrivée d'air indépendante est interdite.
Il est interdit d'installer le poèle dans un local dont l'atmosphère est explosive.
Le sol de la pièce ou sera placé le poèle doit être aménaged de façon ajustate pour pouvoir supporter la charge au sol de l'appareil.
Si les murs ne sont pas de nature inflammable, installer le poèle en laissant un espace postérieur d'au moins 10 cm.
En cas de murs de nature inflammable, laisser un espace minimum de 20 cm entre le mur et le dos du poèle, de 50 cm sur le côté et de 150 cm devant. En outre, en présence d'objets particulièrement délicats tels que meubles, rideaux, divans, etc. augmenter les distances précités.

En cas de sol en bois (parquet) prévoir une plaque de sol conforme aux normes en vigueur pour le protégger.

Exemple d'installation avec le poèle Saturn
2.4. PRECAUTIONS

IMPORTANT!
L'installation et le montage du poèle doivent être effectuels par un personnel technique qualifié.
L'installation du poèle doit être effectue dans un endroit accessible permettant les normales opérations d'ouverture, d'entretien ordinaire et de maintenance.
La piece doit :
- être adaptée aux conditions environnantes de fonctionnement
- être équipée d'un réseau d'alimentation électrique à 230-240V 50 Hz (EN73-23)
disposer d'un système approprié pour l'évacuation des fumées
- être dotée d'une aération extérieure
- être équipée de disjoncteur et de mise à la terre conformes aux normes UE
Le poèle doit être raccordé à un conduit de fumée ou à un conduit vertical interieur ou extérieur, conformément aux normes en vigueur.
Le poèle doit être installé de sorte que la prise électrique soit accessible.

IMPORTANT!
Le poèle doit être raccordé à un conduit de fumée ou un conduit vertical pouvant evacuer les fumées au point le plus haut de l'habitation.
Les fumées dérivent de la combustion du bois et poursaient donc salir les murs si elles sortent trop pres des parois.
Par ailleurs, ces fumées étant presque invisibles et très chaudes, leur contact peut provoquer des brûlures.
Avant d'insteller le poèle, prévoir une ouverture dans le mur pour le passage du tuyau de sortie de fumées et autre ouverture pour l'amnéé d'air frais extérieur.
2.5. RACCORDEMENT À L'AMENÉE D'AIR FRAIS EXTÉRIEUR
Il est indispensable qu'une quantité d'air frais au moins égale à celle requise par la normale combustion des granulés de bois ainsi que l'air nécessaire à la ventilation puisent arrivier dans la piece où le poèle est installé. Cette aération peut être réalisée aussi bien au moyen d'ouvertures permanentes pratiquées dans les murs de la piece qui doivent sur l'extérieur qu'au moyen de conduits de ventilation individuels ou collectifs.
Dans ce but, pratiquer une ouverture ayant une section libre de 100 cm² minimum dans la paroi externe au niveau du poèle (ouverture de 12 cm de diamètre ou de 10x10 cm de section), protégée par une grille aussi bien à l'intérieur qu'à l'extérieur.
L'amenée d'air doit également :
- communiquer directement avec la piece où le poèle est installé.
- être protégée par une grille ou un grillage métallique ou toute autre protection ajustée à condition que celle-ci n'en réduise pas la section minimale.
- être installée de manière à ne pas pouvoir s'obstruer.


Il n'est pas obligatoire de raccarder directement l'amnéée d'air au poèle (directement avec l'extérieur) mais la section sus-indiquée devra assurer, quoi qu'il en soit, une arrivée d'air d'environ 50 m³/h dans la pièce. Voir la norme UNI 10683 REV.
2.6. RACCORDEMENT AU TUYAU DE SORTIE DE FUMÉES
Pendant la réalisation de l'ouverture pour le passage du tuyau d'évacuation des fumées, il faudra nécessairement tenir compte de l'eventuelle présence de matériaux inflammables. Si l'ouverture est pratiquée dans une paroi et bois ou réalisée avec un matériel thermolabile, l'INSTALLATEUR DEVRA d'abord utiliser le raccord mural prévu à cet effet (Ø 13 cm minimum) puis isoler de façon ajustée le tuyau du poèle qui traverse cette paroi, en utilisant des matériaux isolants appropriés (ep. 1.3 — 5 cm ayant une conductibilité thermique de 0.07 W/m ^ K min.).
Ceci vaut également si le tuyau du poèle doit passer par des traversées verticales ou horizontales tout en devant rester à proximé (20 cm min.) de la paroi thermolabile.
Comme solution alternative, il est conseilé d'utiliser un tuyau industriel calorifugé que vous pourrez utiliser également à l'extérieur pour éviter les condensations.
La chambre de combustion fonctionne en dépression. Le conduit de sortie de fumées sera en dépression à condition qu'il soit raccordé à un conduit de fumée efficace comme déjà prescrit.

N'utiliser que des tuyaux et des raccords munis de joints garantissant une étanchéité absolue.

Toutes les traversées du conduit de fumée doivent être équipés d'une trappe de visite amovible permettant d'effectuer un nettoyage périodique de l'intérieur (raccord en "T" avec trappe de visite).
Installer le poèle en tenant compte de toutes les prescriptions et de tous les averissements formulés jusqu'à.

IMPORTANT!
Tout changement de direction à 90^ du conduit d'évacuation des fumées doit être réalisé avec des raccords en "T" spéciaux, équipés de trappe de visite. (Voir chap. "Accessoires pour poêle à granulés de bois").
Il est formellement interdit d'appliquer une grille à l'extrémité du tuyau d'évacuation car cette-ci pourrait alterer le bon fonctionnement de votre poèle.
POUR LE RACCORDEMENT AU CONDUIT DE FUMEE, NE PAS UTILISER PLUS DE 2-3 m DE TUYAU HORIZONTAL ET NE PAS EMPLOYER PLUS DE 3 COULES A 90^


2.7. RACCORDEMENT AU CONDUIT DE FUMÉE
Les dimensions interieures du conduit de fumée ne doivent pas'être supérieures à 20 × 20 cm de section ou 20 cm de diamètre. En cas de dimensions supérieures ou de mauvaises conditions du conduit de fumée (lézardes, isolation insuffisante, etc.), il est conseilé d'insérer un tuyau en acier inox ayant un diamètre approprié à l'intérieur et sur toute la hauteur du conduit Fig. 5.
Vérifier, au moyen d'instruments appropriés, que le tirage soit de 10 Pa. minimum.
Prévoir une trappe de visite à la base du conduit de fumée pour pouvoir effectuer les contrôles périodiques et le ramonage qui doit être exécuté une fois par an.
Assurer l'étanchéité du raccordement au conduit de fumée en utilisant les raccords et les tuyaux que nous préconisons.
Contrer impératifement qu'une souche de cheminée anti-vent ait été installée sur le toit, conformément aux normes en vigueur.

Ce type de raccordement assure l'évacuation des fumées même en cas de panne d'électricité momentanée.
2.8. RACCORDEMENT À UN CONDUIT EXTERIEUR PAR TUYAU CALORIFUGÉ OU A DOUBLE PAROI.
Les dimensions minimales internes du conduit extérieur doivent être de 10X10 cm de section ou de 10 cm de diamètre et les dimensions maxima ne doivent pas dépasser 20 × 20 cm de section ou 20 cm de diamètre.
Vérifier, au moyen d'instruments appropriés, que le tirage correspond à 10 Pa minimum. Fig. 6
N'utiliser que des tuyaux calorifugés (à double paroi) en acier inox lisse à l'intérieur (il est interdir d'utiliser des tuyaux inox flexibles) et fixés au mur.
Prévoir une trappe de visite à la base du conduit vertical extérieur pour pouvoir effectuer les contrôleles périodiques et le ramonage qui devra être exécuté une fois par an.
Assurer l'étanchéité du raccordement au conduit de fumée en utilisant les raccords et les tuyaux que nous préconisons.
Contrôler impératifement qu'une souche de cheminée anti-vent ait été installée sur le toit, conformément aux normes en vigueur.

Ce type de raccordement assure l'évacuation des fumées même en cas de panne d'électricité.
2.9. RACCORDEMENT AU CONDUIT DE FUMEE OU AU TUYAU DE SORTIE DE FUMÉES
Pour garantir un bon fonctionnement, le raccordement entre le poèle et le conduit de fumée ou le tuyau de sortie de fumées doit partager une inclinaison non inférieure à 3% , La traversée horizontale ne doit pas être supérieure à 2/3 m de long et la traversée verticale ne doit pas être inférieure à 1,5 m de long, mesure d'un raccord en "T" à l'autre (changement de direction).
Vérifier, avec les instruments appropriés, que le tirage correspond à 10 Pa. minimum. Fig. 7
Prévoir une trappe de visite à la base du conduit de fumée pour pouvoir effectuer les contrôles périodiques et le ramonage qui devra être effectué une fois par an.



Assurer l'étanchéité du raccordement au conduit de fumée en utilisant les raccords et les tuyaux que nous préconisons.
Contrôler impératifement qu'une souche de cheminée anti-vent ait été installée sur le toit, conformément aux normes en vigueur.

Ce type de raccordement assure l'évacuation des fumées même en cas de coupure d'électricité.
2.10. ANOMALIES DE FONCTIONNEMENT LIÉES AU MAUVAIS TIRAGE DU CONDUIT DE FUMÉE
Parmi les différents facteurs météorologiques et géographiques qui intervennent sur le fonctionnement d'un conduit de fumée (pluie, brumes, neige, altitude, périodes d'enseillement, orientation, etc.) le vent est certainement le plus déterminant d'entre eux. En effet, à part la dépression thermique induite par la différence de température existant entre l'intérieur et l'estérieur du conduit de fumée, il existe un另一种 type de dépression (ou surpression): la pression dynamique induite par les vents dominants. Un vent ascendant a toujours pour effet d'augmenter la dépression et par conséquent, le tirage. Un vent horizontal augmente la dépression si la souche de cheminée est bien installée. Un vent descendant a always pour effet de diminuer la dépression et quelquefois de l'inverser.



Outre la direction et la force du vent, la position du conduit de fumée et de la souche de cheminée, par rapport au toit de la maison et au paysage environnant, est également importante.
Le vent influence le fonctionnement du foyer même indirectement en créant des zones de surpression et de dépression aussi bien à l'intérieur qu'à l'extérieur des habitations. Lorsque les locaux sont exposés au vent direct (2), une surpression interne favorisant le tirage des poèles et des cheminées peut se produit mais elle peut être contrastée par la surpression externe si la sortie de toit est située face au vent (1).
Au contraire, lorsque les locaux sont situés dans la direction opposée à celle du vent (3) une dépression dynamique entrant en concurrence avec la dépression thermique naturelle développée par le conduit de cheminée peut se produit mais elle peut être compensée (quelquefois) en plaçant le conduit de fumée du côte opposé à la direction du vent (4).


IMPORTANT!
La conformité et la position adoptée pour le conduit de fumée influencent particulièrement le fonctionnement du poèle à granulés de bois.
Des conditions précaires ne pourront être résolues que par un réglage ajustat de votre poèle, effectué par le personnel habilité MCZ.
1-2 = Zones de supression
3-4 = Zone de dépression
3. INSTALLATION ET MONTAGE
3.1. SCHEMAS ET CARACTERISTIQUES TECHNIQUES
3.1.1. SATURN




3.1.2. OMEGA




3.1.3. PLANET




3.1.4. MERCURY




3.1.5. CARACTERISTIQUES TECHNIQUES
| Caracteristique techniques | Saturn - Omega - Planet |
| Puisance calorifique globale Max.: | 7 kW / 6020 Kcal |
| Puisance calorifique globale Min.: | 1,8 ÷ 2,2 KW / 1548 ÷ 1900 Kcal |
| Rendement | > 80 % |
| Température des fumées | 120 / 210° C |
| CO à 13% O2 min - max | 0.02 - 0.10% |
| Tirage minimum | 0,1 mbar-10 Pa |
| Capacité du réservoir de combustible | 25 litres |
| Type de granulés de bois (pellet) | **Granulés de bois 6-8 mm de diamètre. Longueur : 5/30 mm |
| Consommation horaire de granulés de bois | Min 0,6 KG/h* Max. 1,7 KG/h* |
| Autonomie | Au min 27 h* Au max. 10 h* |
| Entrée d'air pour la combustion | Diamètre extérieur 50 mm |
| Sortie de fumées | Diamètre extérieur 80 mm |
| Poids net | 120 Kg |
| Poids avec emballage | 140 Kg |
| Puisance électrique nominale max. | 270 W |
| Tension d'alimentation | 230 V -50 Hz |
| Caracteristique techniques | Mercury |
| Puisance calorifique totale Max. | 6 KW / 5160 Kcal |
| Puisance calorifique totale Min. | 2.5 KW / 2150 Kcal |
| Rendement | > 80 % |
| Température des fumées | 120 / 190°C |
| CO à 13% O2 min. - max. | 0.01- 0.10% |
| Tirage minimum | 0,1 mbar-10 Pa |
| Capacité du réservoir | 25 litri |
| Type de combustible granulés de bois (pellets) | ** Granulés de bois 6-8 mm de diamètre. Longueur : 5/30 mm |
| Consommation horaire de granulés de bois | Min 0,6 KG/h * Max. 1,4 KG/h * |
| Autonomie | Al min 27 h * Al max. 12 h * |
| Entrée d'air pour la combustion | Diamètre extérieur 50 mm |
| Sortie de fumées | Diamètre extérieur 80 mm |
| Poids net | 100 Kg. |
| Poids avec emballage | 120 Kg. |
| Puisance électrique nominale max. | 270 W |
| Tension d'alimentation | 230 V - 50 Hz. |
- Données pouvant varier selon le type et la dimension du pellet utilisé.
** Pour l'ITALIE n'utiliser que des granulés de bois de 6mm de diamètre.
3.2. PREPARATION ET DÉBALLAGE
Les poèles Saturn et Omega-Planet sont livrés dans deux emballages séparés :
Le premier contient le corps du poèle ou monobloc (Fig. 1)
Le second contient l'habillage en carreaux de céramique (Fig. 2)
Ouvrir l'emballage, couper les feuillards, dégager le corps du poële de la palette et l'installer à l'emplacement choisi en veillant à ce que ce dernier soit conforme aux indications prescrites.
Le corps du poèle ou monobloc doit toujours être déplace en position verticale et exclusivement au moyen d'un chariot. Il veiller particulièrement à ce que la porte et à sa vitre ne subissant aucun choc mécanique qui en compromèttait l'intégrité.
Dans tous les cas, ne manutentionner les produits qu'avec extreme prudence.
Si possible, déballer le poèle pres de l'endetroit où il sera installé.
Les matériaux qui composent l'emballage ne sont ni toxiques ni nocifs.
Ils ne requirement doncaucunproceded'élimination particulier.
Par conséquent, le stockage, l'élimination et le recyclage éventuel devront être effectuels par l'utilisateur final, conformément aux lois relatives en vigueur.
Ne pas entreposer le corps du poèle et les revêtements sans leurs emballages.
Si vous doivent raccorder toute fois à un tuyau de sortie de fumées qui traverse le mur d'adossement postérieur (pour rejoindre le conduit de fumée), veiller à ne pas forcer l'embouchure en emboitant le tuyau.
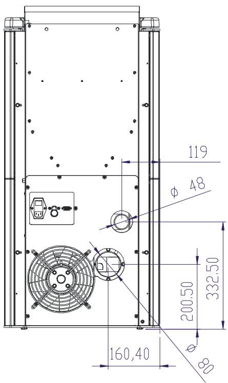
Mettre le poèle à niveau, au moyen des pieds d'appui réglables (J), afin que la sortie de fumées (S) et le tuyau d'évacuation (H) soient dans le même axe.

Figure1 - Example emballage poèle

Figure 2 - Exemple emballage céramiques

Si, dans le but la soulever ou la positionner, la sortie de fumées du poèle estforcée ou utilisée de façon incorrecte, son fonctionnement sera irrémédiablement compromis.



Pied J
- En tournant le pied dans le sens des aiguilles d'une montre le poèle se baisse
- En tournant le pied dans le sens contraire des aiguilles d'une montre le poèle se lève
3.3. MONTAGE DE L'HABILLAGE EN CÉRAMIQUE DU MODELE OMEGA-PLANET.
UN COUP D'EGIL AU POÉLE
Sur la partie antérieure du poèle se trouvent les pattes de fixations (A) régables en profondeur et en largeur (deux par carreau) La position dans laquelle elles sont fixées devrait être la position correcte.
Sur la partie postérieure du poèle se trouvent les pattes de fixations (B) liées provisoirement au cadre du poèle. Desserrer la vis (Z) qui les bloque (sans l'enlever complètement) de façon à pouvoir les déplacer horizontally.

LE MONTAGE DES CARREaux EN CERAMIQUE DOIT TOUJOURS COMMENCER A PARTIR DU BAS.
Prendre l'un des carreaux en céramique de la confection (avec les tiges pré-montées), se placer sur le côté du poèle et insérer le carreau par devant de telle sorte que les fixations (A) aillent buter contre la tige antérieure.
Poser postérieurement le carreau sur le cadre du poèle, pendre la fixation postérieure (B) et, en se servant de sa vis pour la saisir, faire en sorte que les extrémités en crochet aillent s'enclencher sur la tige postérieure du carreau.
Contrôler que la position est correcte et bloquer les vis à fond.
Répéter la procédure pour tous les autres carreaux en céramique.
Monter le dessus du poèle en dernier, en le posant sur les quatre petits pieds de caoutchouc (K). En exerçant des pressions entrecroisiées avec les doigts, contrôle que le dessus du poèle est dans une position stable; après avoir déterminé l'endetroit éventuellesment à niveler, agir sur le petit pied de caoutchouc ou sur la rondelle correspondante située au-dessous.
Crocket B

Pivot postérule en céramique
Pivot antérieur
céramique

Crocket A
3.4. BRANCHEMENT ÉLECTRIQUE
Brancher le cable d'alimentation d'abord à l'arrière du poêle puis à la prise électrique murale. (Fig. 15)
L'interrupteur général situé au dos du poèle ne doit être utilisé que pour allumer le poèle. Autrement, il est conseillé de le laisser en position "Arrêt" ("O").

Lorsque le poèle n'est pas utilisé, il est préférible de débrancher le cable d'alimentation.

4. FONCTIONNEMENT
4.1. RECOMMANDATIONS AVANT L'ALLUMAGE

Éviter de toucher le poèle pendant le tout premier allumage car durant cette phase la peinture durcit. En touchant la peinture, la surface en acier pourrait réapparaitre.
Si nécessaire, rafraîchir la peinture avec un aérosol de couleur identique, (voir § "Accessoires pour poèle à granulés de bois")

Il est important d'assurer une ventilation efficace lors du premier allumage car le poèle exhalera de la fumée et une odeur de peinture.
Ne pas stationner à proximé du poèle et bien aérer la pièce. La fumée et l'odeur de peinture disparaîtront après une heures de fonctionnement du poèle environ ; nous rappelons qu'elles ne sont pas nocives pour la santé.
Lors des phases d'allumage et de refroidissement, le poèle pourrait se dilater et se contracter, par conséquent de légers craquements pourraient être perceptibles.
Ce phénomène est absolument normal puisque la structure est réalisée en acier laminé ; il ne pourra donc enaucun cas etre considere comme un defaut.
Il est essentiel de ne pas surchauffer le poèle depuis le premier allumage et de veiller au contraire à le porter lentement à la température désirée.
Utiliser (si accessible en mode "Manuel") des puissances de chauffage basses (par ex. 1^ère - 2^e - 3^e ). Lors des allumages suivants, vous pourrez profiter de toute la puissance thermique à disposition (par ex. 4^e - 5^e ) en veillant toutes à ne pas laisser le poèle allumé à la puissance maximale pendant plus de 60-90 minutes.
De cette façon, vous évitezrez d'endommager les carreaux en céramique, les soudures et la structure en acier.
Lors du premier allumage, laisser le poèle en mode "Manuel" et n'utiliser que des puissances de chauffage moyennes telles que "on1"-"on2"-"on3".

Commencez à vous habituez-vous progressivement aux commandes gériées par la tableau de bord ou par la télécommande du poèle.
Essayer de mémoriser visuellement les messages de l'afficheur LCD du tableau de commande du poèle.
4.2. CONTROLLE AVANT ALLUMAGE
Vérifier que toutes les conditions de sécurité vues aparavant soient bien appliquées.
S'assurer d'avoir lu et parfaitement compris le contenu du present livre d'instructions.
Oter du poèle et de la porte tous les éléments qui pouraient brûler tels que les étiquettes adhésves.
Contrôler que le pot de combustion (A) soit place correctement et bien posé sur la base.

Après une longue inactivité, enlever les granulés de bois restés dans le réservoir du poèle (en utilisant un aspirateur avec un long tube) car ils pouraient avoir absorcé de l'humidité, ce qui modifierait leurs caractéristiques d'origine et par conséquent, ne les rendraient plus aptes à la combustion.
Vérifier la tension du branchement électrique (230V - 50 Hz) et appuyer sur l'interrupteur situé sur le panneau postérieur du poège.
Vérifier que l'afficheur LCD du tableau de commande est éclairé et qu'il affiche les messages clignotants ARRÊT / HEURE ACTUELLE.

4.3. CHARGEMENT DU PELLET
Le chargement du combustible s'effectue par le dessus du poèle en ouvrant le couvercle. Verser le pellet dans le réservoir ; sa capacité à vide est d'environ un sac de 15 kg.
Pour facilitier l'opération, procéder en deux étapes :
- Verser la moitié du contenu du sac à l'intérieur du réservoir et attendre que le combustible se dépose sur le fond;
Terminer l'opération en versant ensuite l'autre moitié des granulés de bois.

Ne jamais retiret la grille de protection située à l'intérieur du réservoir. Lors du chargement des granulés, éviter que le sac ne touche les surfaces chaudes.

4.4. TABLEAU DE COMMANDE ET TÉLÉCOMMANDE

TOUCHES DE COMMANDE
- Pour diminuer la valeur de température / navigation-modifications menu
- Pour augmenter la valeur de température / navigation-modifications menu
- Pour configurer la puissance du poèle
- Pour configurer la puissance du ventilateur
- Marche / arrêt poèle
- Menu / sélection
- Récepteur infrarouges
- Indicateurs (voir spécification)
AFFICHEUR
- Afficheur
INDICATEURS

Chrono-thermostat activé/désactivé
Bougie en fonction
Cycle au cours duquel la vis sans fin charge les granulés de bois
Ventilateur air chaud en fonction/arrêté
Fonctionnement en mode manuel
Alarmé générale (voir spécification)
4.4.1. TÉLECOMMANDE ET REMPLACEMENT DE LA PILE
TOUCHES DE COMMANDE
- Défilament menu décroissant / diminution température
- Augmentation config. temperature / fonctions de programmation
- Augmentation puissance poèle
- Augmentation puissance ventilateur
Touche 2 + 3 = Allumage / Extinction

REEMPLACEMENT DE LA PILE
La télécommande fonctionne avec une pile alcaline de 12 V type 8LR932 ( comme celles des portails automatiques). Il est recommandé de la remplacer une fois par an.
Procedure de remplacement :
Insérer la pointe d'un tournevis à fente dans la fissure (X) de la télécommande. Faire runner le tournevis en sens horsaire de sorte à faire levier sur le couvercle (Y) pour le débloquer.
Extraire complètement le couvercle (Y) et remplacer la pile en la plaçant de telle sorte que la polarité (+) de la pile corresponde avec la polarité (+) gravée sur le boîtier.
Replacer le couvercle sur le boftier (Y)
Éliminer la pile usée selon les normes en vigueur.

4.5. RÉGLAGES A EFFECTUER AVANT LE PREMIER ALLUMAGE
Porter l'interrupteur situé au dos de l'appareil en position (I).
L'afficheur LCD (8) du tableau de commande visualisera le message clignotant ARRET / HEURE ACTUELLE.
Si cette donnée n'est pas à jour, vous pourrez la régler en suivant la procédure précrite ci-dessous.
Ne pas oublier que l'“heure actuelle” sert exclusivement à configurer la programmation hebdomadaire avec le CHRONO (voir chapitre correspondant). Réciproquement un heures qui ne serait pas mise à jour ne compromet en rien le fonctionnement du poèle.

4.5.1. RÉGLAGE DE L'HEURE COURANTE
Presser 2 fais la touche MENU ⑤; sur l'afficheur apparait le message ACTIVAT. JOUR qui permet d'entrer le jour de la semaine au moyen des touches ① ou ②; presser de nouveau la touche MENU ⑤ sur l'afficheur apparait l'indication HEURES qui permet de régler l'heure courante toujours au moyen des touches ① ou ② qui permettent d'augmenter ou de diminuier la valeur affichée. Pour confirmer la sélection de l'heure, presser la touche MENU ⑥; répéter la même série pour entraîre les MINUTES. ÀpRES avoir validé les minutes au moyen de la touche MENU ⑤, la saisie de l'heure courante est terminée et l'afficheur quitter automatiquement cette fonction pour returner à la page initiale.
Vous peuvent également quitter la fonction de configuration de l'horaire en pressant la touche ⑤ ou bien, si la procédure est interrompue pendant plus de 60 secondes, l'afficheur returnera automatiquement à la page initiale.

4.5.2. Choix de la langue de l'afficheur
L'afficheur LCD peut communiquer avec l'utilisateur en utilisant les langues suivantes : italien, anglais, allemand, français et espagnol.
La langue standard programmée est l'ITALIEN mais les personnes qui souhaitent changer la langue de communication de l'afficheur, peuvent commodément le faire en suivant les instructions reportées ci-dessous :
Appuyer sur le bouton MENU ⑤, Sélectionner le MENU 3 moyonnant les boutons ① ou ② et appuyer de nouveau sur le bouton MENU ⑥ pour acceder à la modalité de selection de la langue. Modifier la langue souhaitée moyonnant les boutons ① ou ②. Pour confirmer le choix et sortir du menu appuyer sur le bouton ⑤. L'afficheur indique maintainant son état de fonctionnement dans la langue souhaitée.
4.6. OPÉRATIONS POUR DÉTERMINER LE DOSAGE
- Identification du type d'installation ou de raccordement au conduit de fumée
- Identification du type de combustible
Déterminer tout d'abord le type de raccordement au conduit de fumée, selon les considérations suivantes :

ATTENTION!
L'installation du poèle prévoit exclusivement un raccordement au conduit de fumée. Par conséquent les critères d'évaluation suivants sont à considérer comme valides et conformes à la règlementation en vigueur :




En cas de traverséesizontales dont la somme est supérieure à 1,5 m de long, et de présence d'au moins 1 coude à 90^ , le type d'installation à prendre en compte pour la détermination du "dosage" sera sans aucun doute HORIZONTAL.
Au cas où il serait nécessaire de poser 3 coudes ou plus à 45^ ou 90^ pour effectuer le raccordement au conduit de fumée, le type d'installation à prendre en considération pour définir le « dosage » sera certainement Horizontale (H).
Si en revanche le raccord au conduit de fumée presente presque exclusivement des traversées verticales ou que le poèle est raccordé directement au conduit de fumée, l'installation à prendre en considération sera alors VERTICALE (V).
Si la traversée pour la sortie des fumées est d'une longueur inférieure à 1 m, horizontal et sans coude, il sera également possible de désirir une installation de type VERTICALE (V).

Les poèles Saturn et Omega-Planet destinés à l'Italie, à la France et à l'Espagne sont conformés à l'origine pour une installation de type HORIZONTALE qui assure le fonctionnement même dans les pires conditions. Pour les autres pays européens, ces modèles doivent une conformation VERTICALE.
Les raccordements qui ne rejoignent pas le conduit de fumée sont en général considérés comme HORIZONTAUX.
Pour les installations complexes et articulées, il est conseilé de s'adresser à des techniciens spécialisés ou aux centres d'assistance technique MCZ.
La Sté MCZ suggère d'autres typologies d'installations (avec sorties des fumées ne rejoignant pas le conduit de cheminée) et décline toute responsabilité en cas de mauvais fonctionnement ou d'anomalies.
- Détérminons maintainant le type de granulés de bois à notre disposition.
Matériel nécessaire :
Balance (jusqu'à 4 kg de portée) graduation 10 g
- Doseur MCZ pour granulés (PelletBox®), fourni avec le poèle
Une baguette en bois
Combustible: granulés de bois (ou pellet)
- Avoir besoin le type d'installation du poèle (conduit de fumée horizontal ou vertical)
Remplir abondamment le doseur de granulés sans les tasser (en battant le fond du doseur sur la table ou en rasant les granulés avec la main) Fig. 18.
Poser une baguette en bois (ou bien une règle, une lame, un crayon de papier) sur les bords du carton et naveler le matériel en eliminant la partie en excès Fig. 19 et 20.
Peser le tout (carton + granulés) et noter le poids.
Pendre le doseur, le vider et l'orienter de façon à voir le graphique servant à déterminer le dosage Fig. 21.

4.6.1. Procedure rapide pour définir le dosage
Cherchez dans la colonne de gauche intitulée "Pesée" la ligne correspondant au poids que vous avez notéAAParavant.
Sans quitter cette ligne, dans les deux colonnes de droite vous trouvrez deux nombres qui permettront deCHOISIR le dosage optimal pour le type de granulés de bois utilisés et selon l'installation choisis (conduit de fumée vertical ou horizontal).
Example :
Supposons que vous décidiez d'installer le poèle enCHOIsissant la position conduit de fumée vertical et que le poids des granulés de bois contenus par le doseur soit de 680 grammes.
Déterminez tout d'abord le modele de notre poèle (par ex. SATURN) puis cherchez ces données sur le tableau correspondant imprimé sur le doseur PelletBox®. Vous remarquerez que dans la colonne "Pesée" ces 680 g figurent à la ligne intitulée "de 660 à 700".
A droite de cette même ligne, vous trouvez la sigle "L2" qui correspond à la colonne ayant pour symbole un poèle équipé d'un conduit vertical. Le dosage à programmer sur votre poèle sera donc "L2"

4.6.2. Mémoriser le dosage du poèle.
Presser MENU ⑥ et agir sur la touche ① jusqu'à ce que l'inscription "SET DOSAGE" apparaisse sur l'afficheur, puis valider avec MENU ⑥. L'indication "CHOIX DOSAGE" apparait alors sur l'afficheur et à l'aide des touches ① ou ② selectionner le numéro se rapportant au dosage souhaité selon le schéma reporté sur le BoxPellet® (doseur);
Pour valider la sélection, presser la touche MENU ⑥. La demande de validation apparaît sur l'afficheur ; répondre "OUT" ou "NON". Sélectionner l'une des deux options à l'aide des touches ① ou ② puis valider avec la touche MENU ⑤. La validation de la configuration du dosage est confirmée par l'apparition du message "LOADED PARAM" sur l'afficheur ; ensuite l'afficheur returne automatiquement à la page initiale.
Si la procédure est interrompue pendant plus de 60 secondes, l'afficheur returne automatiquement à la page initiale. Il est possible d'interrompre l'opération à tout moment, même manuellement, en maintainant la touche ⑤ enforcée pendant quelques secondes.




DEFAULT DOSAGE : SATURN - OMEGA - PLANET = L2 MERCURY = M2
4.7. PREMIER ALLUMAGE
Maintenant vous étés prét pour procéder à l'allumage de votre poële.
L' explication ci-dessous décrit brièvement la procédure d'allumage et d'extinction du poèle afin de mieux satisfaire vos attentes et votre curiosité.
Ensuite, lorsque que vous serezcomfortablement installedansvoitrfauteuil en jouissant de la chaleur et de la vue de votre poèle allumé,nousapprofondirons les explications relatives à toutes les commandes et aux séquences de programmation qui vous permettrons de bénéficier de toutes les possibités que lespoëles Omega-Planet et Saturn mettent à vosider disposition (voir paragraphe 4.9)

4.7.1. Allumage à partir du tableau de commande
Pour faire demarrer le poèle, appuyer quelques secondes sur la touche 5
4.7.2. Allumage à partir de la télécommande.
Pour faire démarrer le poèle, presser simultanément et pendant quelques secondes les touches ② et ③.
Le poèle démarre la phase de AVVIO, qui dure environ 15 minutes, puis entre en régime de fonctionnement normal Au moment de la première mise en marche, le poèle se trouve en mode de fonctionnement MANUEL.
Ce n'est qu'après la mise en marche que nous pouvons intervenir sur le tableau de commande et/ou seLECTIONner la puissance et/ou la ventilation souhaitées.
La touche ③ règle et déterminé les 5 puissances thermiques du poège selon cette séquence :
$$
\overrightarrow {\mathbf {P 3} \rightarrow \mathbf {P 4} \rightarrow \mathbf {P 5} \rightarrow \mathbf {P 1} \rightarrow \mathbf {P 2} \rightarrow \mathbf {P 3}}
$$
alors que les 5 vitesses de ventilation d'air chaud se reglent en progression au moyen de la touche ④ selon la séquence suivante :
$$
\mathbf {1} ^ {\mathrm {e r e}} \rightarrow 2 ^ {\mathrm {e}} \rightarrow 3 ^ {\mathrm {e}} \rightarrow 4 ^ {\mathrm {e}} \rightarrow 5 ^ {\mathrm {e}} \rightarrow \text {A U T O} \rightarrow \mathbf {1} ^ {\mathrm {e r e}}
$$
En position "AUTO" la ventilation s'adapte automatiquement à la puissance de la flamme
Exemples : Puissance flamme P1 = Ventilation sur la 1ère vitesse
Puisance flamme P2 = Ventilation sur la 2^eme vitesse
··
Puisance flamme P5 = Ventilation sur la 5^eme vitesse

Au premier allumage (et chaque fois qu'il n'y a plus du tout de pellet dans le réservoir) il se peut que le combustible, qui doit refaire le trajet allant du réservoir au brûleur, ne réussisse pas à arriver à temps et dans la quantité programmée, pour permettre un allumage correct. Dans ce cas le pot de combustion sera vide ou ne contendra qu'une faible quantité de granulés de bois.

RETIRER LES ÉVENTUELS GRANULES RESTÉS DANS LE POT DE COMBUSTION ET RÉPÉTER L'ALLUMAGE EN PRESSANT LA TOUCHE ⑤ PENDANT QUELQUES SECONDES.
Si, après plusieurs tentatives d'allumage sans résultat, le feu ne se développe pas alors que l'alimentation en granulés afflue correctement, il pourrait y avoir un problème lié à certains composants du poèle ou bien à une installation incorrecte.

ENLEVER LES GRANULES DE BOIS RESTÉS DANS LE POT DE COMBUSTION ET APPELER UN TECHNICIEN AGRÉE MCZ.
4.7.3. Extinction à partir du tableau de commande
Pour eteindre le poèle, appuyer sur la touche ⑤ pendant quelques secondes.


Clavier de la télécommande



Clavier de la télécommande
4.7.4. Extinction à partir de la télécommande
Pour éteindre le poèle, presser simultanément et pendant quelques secondes les touches ② et ③.
Le message "OFF" apparaitra sur l'afficheur LCD (8) et à partir de ce moment LE poèle démarrera automatiquement la phase d'extinction pendant laquelle le chargement du combustible s'interrompera et la flamme s'éteindra. Cependant la ventilation continua à fonctionner pendant au moins 20 ou 30 minutes de façon à ceder toute la chaleur accumulée par le poèle.
4.8. ASPECT DE LA FLAMME
Pour un correct fonctionnement du poêle, il faut apprendre à “LIRE” la flamme. Les caractéristiques plus importantes auxquelles il faut préter attention sont :
La forme
La couleur
Le caractère
Au cours d'une combustion normale, la flamme doit partager une forme Fuselée, avoir un caractère "vivace", être aussi large que le pot de combustion d'ou elle se développement et sa pointe doit être verticale ou penchéée vers le fond du foyer en Alutec70®. On doit avoir l'impression que la flamme est "étirée" vers le haut de sorte qu'elle ne "tombe" pas en avant sur la vitre de la porte du poèle (Fig. 1).
Par contre, une flamme qui grossit à la base en débordant du pot de combustion, de couleur pâle et dont la pointe n'est pas "guidée" et l'èche la vitre du poële (Fig .2) est un mauvais signe, symptôme d'une programmation incorrecte pour ce qui concerne le chargement du combustible et/ou le système d'aspiration des fumées, ou encore que le conduit de cheminée est obstrué par endroit ou qu'il y a des surpressions qui empêchent une bonne évacuation des fumées.
Dans ce cas, nous aurons TOUJOURS des problèmes de fonctionnement.
Faire appel à un technician agréé ou au service d'assistance technique MCZ.
4.8.2. La couleur
La couleur est en quellesorte liée à la forme de la flamme. Une couleur qui varie de l'orange au jaune avec les pointes de la flamme foncées, est imputable à une flamme grossie ( comme expliqué plus haut), carente d'oxygène, et quoi qu'il en soit, symptôme d'une mauvaise combustion. Au fur et à mesure que la teinte passé au jaune clair-blanc, la forme de la flamme se modifie en devenant plus subtile tout en révélant un excès d'oxygène.
4.8.3. Le caractère
Qu'il s'agisse d'une flamme vivace ou pâle, le caractère qu'elle présente est de toute façon étroitement lié à la forme de la flamme.

COMBUSTIONE RÉGULIERÉ
Forme: Fuselée verticale compacte
ère: Vivace
Couleur: Jaune - Jaune clair - Blanc

COMBUSTIBLE IRREGULIERE
Forme: Grossie débordante non compacte
Caractère: Pâle - Faible
Couleur: Arancio - Jaune
4.9. MODALITÉS DE FONCTIONNEMENT
Les poêles SATURN et OMEGA-PLANET offrent principalement trois modalités de fonctionnement.
4.9.1. Manuel et automatique
Le poèle peut fonctionner selon les deux modalités reportées ci-dessus, modalités qui correspondent à deux principes de fonctionnement différents
Le mode MANUEL permet de régler uniquement la puissance de la flamme, de 1 à 5, en ignorant tout écart de température ambiente. Cette modalité est indiquée sur l'afficheur par le symbole
Le mode automatique permet en revanche de programmer la température désirée dans la piece où se trouve le poèle et règle automatiquement sa puissance, afin d'obtenir la température raisée. Avec cette modalité il est également possible d'utiliser un thermostat extérieur comme expliqué au paragraph 4.9.3.2 de ce manuel.

A chaque allumage, le poèle se met sur le mode de fonctionnement où il se trouvait au moment il a été étant la dernière fois.
4.9.2. Mode manuel
Cette modalité de fonctionnement permet uniquement de varier la puissance thermique distribuée enCHOISSSANT LA PUSSANCE DE LA FLAMME.
La touche ③ permet de régler en séquence les 5 puissances thermiques du poèle ; par exemple, si le poèle se trouve sur la puissance 3, la séquence sera :
$$
\boxed {\mathbf {P 3} \rightarrow \mathbf {P 4} \rightarrow \mathbf {P 5} \rightarrow \mathbf {P 1} \rightarrow \mathbf {P 2} \rightarrow \mathbf {P 3}}.
$$
La ventilation est répartie elle aussi en 5 vitesses (plus la position AUTO) et il est possible de la varier au besoin à l'aide de la touche 4; par exemple, si la ventilation se trouve sur la puissance 3, la séquence sera :
$$
\text {S E T V E N T I L A T} 3 \rightarrow 4 \rightarrow 5 \rightarrow \text {A U T O} \rightarrow 1 \rightarrow 2 \rightarrow 3.
$$
En position "AUTO" la ventilation s'adapte automatiquement à la puissance de la flamme
Examples : Puissance flamme P1 = Ventilation sur la 1ere vitesse Puissance flamme P2 = Ventilation sur la 2eme vitesse
···
Puisance flamme P5 = Ventilation sur la 5 eme vitesse

ATTENTION!
Si des conditions qui modifiert l'etat normal de fonctionnement du poèle se vérifié lorsque celui-ci est allumé, le voyant lumineux (6) de l'alarme générale s'allumera accompagné d'un bip sonore (voir paragraphe "Blocage du poèle") et le poèle réagira en démarrant la procédure d'arrêt total.




En cas de BLACK-OUT au cours de l'illumage ou du fonctionnement, le poèle se met en mode refroidissement et repart automatiquement dés le retard du courant électrique.
4.9.2.1. Passage du mode manuel au mode automatique
Pour passer du mode de fonctionnement MANUEL au mode AUTOMATIQUE il suffira de presser rapidement deux fois de suite la touche ①. L'afficheur indiquera la changement de modalité, le tímoin lumineux s'étendra et la température désirée devra être programmée.
Par défaut,ès que l'on passé du mode manuel au mode automatique, la SET TEMP AMBIENCE est 40^ C.
4.9.3. Mode automatique
Alors que le mode MANUEL permet simplement de désir la puissance thermique distribuée et de garder ce fonctionnement tel quel dans le temps, le mode AUTOMATIQUE permet de programmer une température déterminée pour une piece donnée Avec cette modalité de fonctionnement, le poèle varie automatiquement la puissance thermique distribuée de façon à Brokerir la température programmée et à ce qu'elle reste constante dans la piece.
Exemple :
Si la température ambiente relevée par la sonde locale située sur le poèle est de 15^ C et que la température programmée sur le thermostat est de 20^ C, le poèle se porte séquentiellement à la 5^e puissance et lorsqu'il aura atteint la température requise ( 20^ C), il se placera en modalité ECO (l'indication "ECO" apparaitra sur l'afficheur LCD), c'est-à-dire à la puissance minimale.
Ne pas oublier que la température programmée sur le thermostat est seulement indicative et que ce sera à l'utilisateur de sélectionner le paramètre qui convient le mieux à la piece où se trouve le poèle (par exemple : il faudra programmermer une température de 25^ C sur le thermostat du poèle pour avoir 20^ C partout). Ceci parce que le thermostat d'ambiance est place pres du corps du poèle et en reçoit toute la chaleur.
Pour selectionner la température souhaitee, utiliser :

Passage du mode MANUEL à AUTOMATIQUE et arrêt duvoyant (10)

Fonctionnement au minimum en modalité de fonctionnement automatique
4.9.3.1. Thermostat numérique interieur (installé dans le poèle)
Dans le poèle se trouve un thermostat numérique, qui relèvera la température ambiente grâce à une sonde et la comparera avec la valeur programmesse par l'utilisateur.
Pour augmenter la température programmée, par palier de 1 degré centigrade, presser la touche ② , de la même façon, pour diminuer, presser la touche ①
4.9.3.2. Thermostat extérieur (en option)
Le THERMOSTAT EXTÉRIEUR n'est pas compris dans le poèle et son installation est à la charge de l'utilisateur.
Le poèle peut également être relié à un thermostat d'ambiance extérieur qui remplacera celui qui se trouve à l'intérieur du poèle. Il devra être relié dans une position centrale par rapport à la piece où il est installé, afin de mistrés lever la température ambiente.
La procédure à suivre pour le raccordement du thermostat extérieur est la suivante :
- Raccorder les deux fils du cable venant du thermostat à la borne du connecteur MCZ (qui n'est pas fourni avec le poèle). Insérer le connecteur dans la prise sériele prévue à cet effet au dos du poèle.
- Pour que le poèle reconnaissse le thermostat extérieur, presser la touche ① en la laissant enfoncée et en faisant défilier les valeurs de température en dessous de 6^ C jusqu'à ce que l'indication "THERM. EXTER." apparaisse sur l'afficheur, activant ainsi le thermostat extérieur et désactivant le thermostat intérieur.

Câblage à partir d'un thermostat extérieur
Connecteur Série MCZ
Branchement du connecteur série du thermostat extérieur dans la fiche prévue située au dos de la poèle
4.9.3.3. Passage du mode automatique au mode manuel
Pour passer de nouveau au mode MANUEL depuis le mode AUTOMATIQUE agir comme suit :
presser la touche ② en la laissant enfoncée jusqu'à ce que la température dépasse 40^ C. A partir de ce moment, l'afficheur indiquera "MODO MANUALLE" et levoyant lumineux s'allumera.
4.9.4. Mode automatique avec ECO-STOP
Activer cette option sur le menu pour modifier le fonctionnement du poèle en mode automatique : lorsque la température programmée par l'utilisateur est atteinte (sur le thermostat interieur ou extérieur), au lieu de moduler la puissance, le poèle s'eteint et l'indication "ECO STOP" s'affiche ; le poèle se rallume lorsque la température ambiente est plus BASSE que la température programmée (pas avant que l'intervalle de temps nécessaire au refroidissement du poèle ne se soit écoulé). Cette option n'est conseillée que lorsque le poèle fonctionne dans des espaces réduits et bien isolés.
Example :
Si la température ambiente relevée par la sonde locale située sur le poèle est de 15^ C et que la température programmée sur le thermostat est de 20^ C, le poèle se porte (selon une rampe prédéfinie) à la 5^ puissance et une fois atteint les 20^ requis, il s'éteint automatiquement de façon-temporaire en affichtant le message "Eco Stop". Lorsque la température ambiente descend au-dessous de la valeur programmée sur le thermostat (par ex. 18^ C) le poèle se rallume en mode automatique et fonctionne jusqu'à atteindre de nouveau les 20^ C programmes. Si la température ambiente lue par la sonde d'ambiance reste au-dessus de la valeur programmée sur le thermostat (ex. 20 - 21^ C) le poèle reste éteint et l'afficheur visualise le message "Eco Stop".
Ne pas oublier cependant que la température programmée sur le thermostat est seulement indicative et que ce sera à l'utilisateur de désirer le paramètre qui convient le mieux à la piece où se trouve le poèle (par exemple : programmermer 25^ C sur le thermostat pour avoir 20^ C effectifs). Avec cette modalité, l'allumage peut être effectué par l'utilisateur en reprogrammant la température du thermostat à une valeur supérieure à celle de la piece ou en Maintenant la touche ⑤ pressée pendant quelques secondes; le poèle passera en modalité "OFF" après quoi, toujours par pression de la touche ⑤, il passera en modalité "Allumage".

Au moment de l'allumage, le poèle se replace en mode MANUEL sur la position "On 3". Il faut donc se remettre en mode AUTOMATIQUE si l'on souhaite que le fonctionnement du poèle soit commandé par le thermostat.
COMMENT SE COMPORTE LE POÉLE AVEC LE CHRONO ACTIVÉ :
| Le poêle est en … | Le chrono intervient pour … | Le poêle … |
| ECO STOP | éteindre le poêle | s'eteint définitivement en se portant sur “OFF” |
| ECO STOP | allumer le poêle | reste en modalité ECO-STOP |
4.9.4.1. Activation de la modalité ECO-STOP (aux soins de l'installateur)
Cette modalité permet d'optimiser la consommation du poège lorsqu'il fonctionne dans des pieces bien isolées :
- Presser la touche MENU ⑥ sur le tableau de commande, puis la touche ① jusqu'à arriver à la 5^ème page-écran où figure le message "SET ECO-STOP";
- Presser de nouveau MENU ⑥ et Sélectionner ON sur l'afficheur avec la touche ① O ②;
Pour quitter le programme, presser la touche (ou la touche 5).
Pour désactiver la fonction Eco-stop, suivre la même procEDURE.

4.9.5. Mode programme
Cette modalité de fonctionnement signalée par levoyant lumineux (7) allumé sur l'afficheur LCD (8),permét de programme l'allumage et l'extinction du poèle en mode automatique pendant un cycle d'une semaine.
Normalement, sur les poèles Saturne et Omega-Planet le mode programme est désactivé. (la diode électroluminescente 7 est étente)
Les caractéristiques fondamentales du mode PROGRAMMÉ sont :
Le jour initial
L'horloge
Le programme (4 programmes journaliers sont disponibles)
4.9.5.1. Jour courant et horloge
Voir paragraphe 4.5.1. pour apprendre à configurer le jour et l'heure.

La configuration du jour et de l'heure est fondamentale pour que le chrono puisse fonctionner correctement.
4.9.5.2. Activation chrono.
Nous expliquons ci-après comment ACTIVER LA FONCTION CHRONO
presser la touche MENU ⑥ et ensuite la touche ① pour acceder à la page-écran "SET CRONO", puis de nouveau MENU ⑥ pour entraîr sur la première fonction du chrono du menu "ACTIVAT CRONO"; au moyen des touches ① ou ② mettre le chrono sur ON. Le signal sur l'icone ④ qui indique que le chrono est activé s'allumera instantanément. Pour continuer à
| Sur l'écran (8) du poèle | Correspondà | Le mode programmation est |
| DAY 1 | Lundi | Activé |
| DAY 2 | Mardi | Activé |
| DAY 3 | Mercredi | Activé |
| DAY 4 | Jeudi | Activé |
| DAY 5 | Vendredi | Activé |
| DAY 6 | Samedi | Activé |
| DAY 7 | Dimanche | Activé |
| OFF | étéint | Désactivé |
faire défilier les différents programmes de marche /arrêt du chrono il suffit de presser la touche ⑥.
Pour quitter le menu chrono à un moment quelconque, presser la touche ⑤.
RÉSUMÉ :
Pour ACTIVER le mode PROGRAMME presser en série MENU 6 > touche 1 > MENU 6, puis les touches 1 ou 2 pour sélectionner ON afin d'activer le chrono. Pour quitter le programme, presser la touche 5.

ATTENTION!
Si la fonction chrono est active, l'icone ① est allumée sur toutes les pages-écran relatives au fonctionnement
Pour DÉSACTIVER LA FONCTION CHRONO procédé de la même façon que pour son activation : presser en séquence la touche menu ⑤ > touche ① > menu ⑥, puis les touches ① ou ② pour sélectionner OFF sur le menu "ACTIVAT CRONO" afin de désactiver le chrono. Pour quitter le programme, presser la touche ⑤.
4.9.5.3. Programme
Les poêles Saturn et Omega-Planet offrent la possibilité de configurer jusqu'à 4 programmes de fonctionnement répartis sur l'arc d'une journée ou d'une semaine entière.
Chaque programme est caractérisé par trois sections principales :
- L'heure d'allumage du poèle (qui doit être comprise entre 00h00 et 23h40)
- L'heure d'extinction du poèle (qui doit être majeure de l'horaire d'allumage correspondant et dont le paramètre maximal est 23h50)
- Les jours pendant lesquels l'heure d'allumage et l'heure d'extinction doivent être ACTIVÉS ou DÉSACTIVÉS
Analysons le PROGRAMME 1 (résumé par le tableau suivant) qui est le premier des quatre programmes dans la séquence de programmation.
| PROGRAMMA 1 |
| MENU'SETCRONO | DEBUTPROGRAM.1 | ARRETPROGRAM.1 | JOURSPROGRAM.1 |
| Sigle sur l'afficheur | HoraireAllumage | HoraireExtinction | Jours actifs oudésactivés - On/Off |
- Presser MENU ⑥ puis la touche ① jusqu'à ce que "SET CRONO" apparaisse sur l'afficheur.
- A partir de là, presser 2 fois MENU ⑥ et entraîr l'heure de mise en marche du programme 1 : utiliser les touches ① et ② pour augmenter ou diminuier l'heure de mise en marche (par paliers de 10 minutes), puis valider avec MENU ③. (voir fig. ci-contre)

Activation du mode programme.


- Cette page-écran concerne la "fin" du programme : utiliser ici aussi les touches ① et ② pour augmenter ou diminuer l'heure de mise en marche puis valider avec MENU ③
- Choiser maintainant le jour où l'heure programmée devra démarrer : avec la touche ①mettre le jour indiqué sur l'afficheur sur 'ON' (allumé) ou sur 'OFF' (eteint) ; en faisant défilier les jours avec la touche ②sur le coté sera indiqué si le programme est sur 'ON' ou bien sur 'OFF' pour le jour en question (voir exemple ci-après) presser "menu" pour valider..

Example
Programmer l'heure de mise en marche (par ex. 7h30) et l'hour d'arrêt (par ex. 9h30) sur le programme 1 et programmer le poèle de sorte que ce programme fonctionne le lundi, le mercredi et le vendredi :
- Presser MENU ⑥ puis la touche ① jusqu'à ce que l'indication "SET CRONO" apparaissé sur l'afficheur.
- A partir de là, presser 2 fois MENU ⑥ et entrez 7h30 pour l'allumage à l'aide des touches ① et ② (on peut laisser la touche enforcée pour faire défiler rapidement l'horaire) puis à la fin presser MENU ⑥
- Cette autre page-écran concerne l'arrêt du poèle : utiliser ici aussi les touches ① et ② pour entraîr 9h30, puis valider avec MENU ⑥
- Choisir maintenant le jour où l'heure programmée devra démarrer : avec la touche ② selectionner le jour, dans le cas present, s'arrête sur "LUN" (lundi) puis avec la touche ① seMETTR sur 'ON' (allumé) ; presser de nouveau la touche ② etselectionner le jour "MAR" (mardi) 'OFF' (eteint) au moyen de la touche ① ; presser de nouveau la touche ② et pour le troisième jour "MER" (mercredi) selectionner "ON" avec la même touche ① ; continuer ainsi jusqu'au jour "DOM" (dimanche). Presser MENU ⑥ pour valider la séquence de programmation. (voir fig. ci-contre).

Dans l'heure de mise en marche de chaque programme il est possible de selectionner l'option "OFF" en faisant défiler l'heure au-delà de 23h30 ou avant 00h00. Dans ce cas, le programme courant est désactivé et en pressant MENU ⑥ on passé directement à la mise en marche du programme suivant. Le programme s'active de nouveau pour la navigation s'il est reconfigured sur une heures de mise en marche valable..

REMARQUE IMPORTANTE :
Il faut compter 20 minutes à partir de l'allumage pour que le poèle produit de l'air suffisamment chaud et 10 minutes encore pour qu'il fonctionne à peu régime. Il faudra donc tenir compte de ces données pour programmermer l'heure d'allumage du poèle. De la même façon, l'extinction du poèle requiert environ 30 minutes pendant lesquilles la chaleur accumulée continue à se libérer dans la piece. Tenir compte de cet intervalle de temps permet de réaliser une économie de combustible non indifférente.
4.10. MESURES DE SECURITÉ
Le poèle est équipé des dispositifs de sécurité suivants :
- PRESSOSTAT
Il contrôle la pression dans le conduit de fumée. Il sert à bloquer la vis sans fin au cas où la sortie de fumées serait bouchée et en cas de contre-pressions importantes (vent dominants).
SONDE TEMPERATURE FUMÉES
Elle relève la température des fumées et fait partir ou arrêté le poèle lorsque la température des fumées descend au-dessous de la valeur programmesée.
SONDE TEMPERATURE DU RÉSERVOIR DE COMBUSTIBLE
Si la température dépasse la valeur de sécurité programmée, ce système interrompt immédiatement le fonctionnement du poèle; dans ce cas il sera nécessaire de réarmer manuelle la sonde pour faire redémarrer le poèle. Faire attention durant l'opération de réarmement de la sonde parce que si le poèle s'arrête de nouveau, l'intervention du service technique deviendra nécessaire.
SECURITE ÉLECTRIQUE
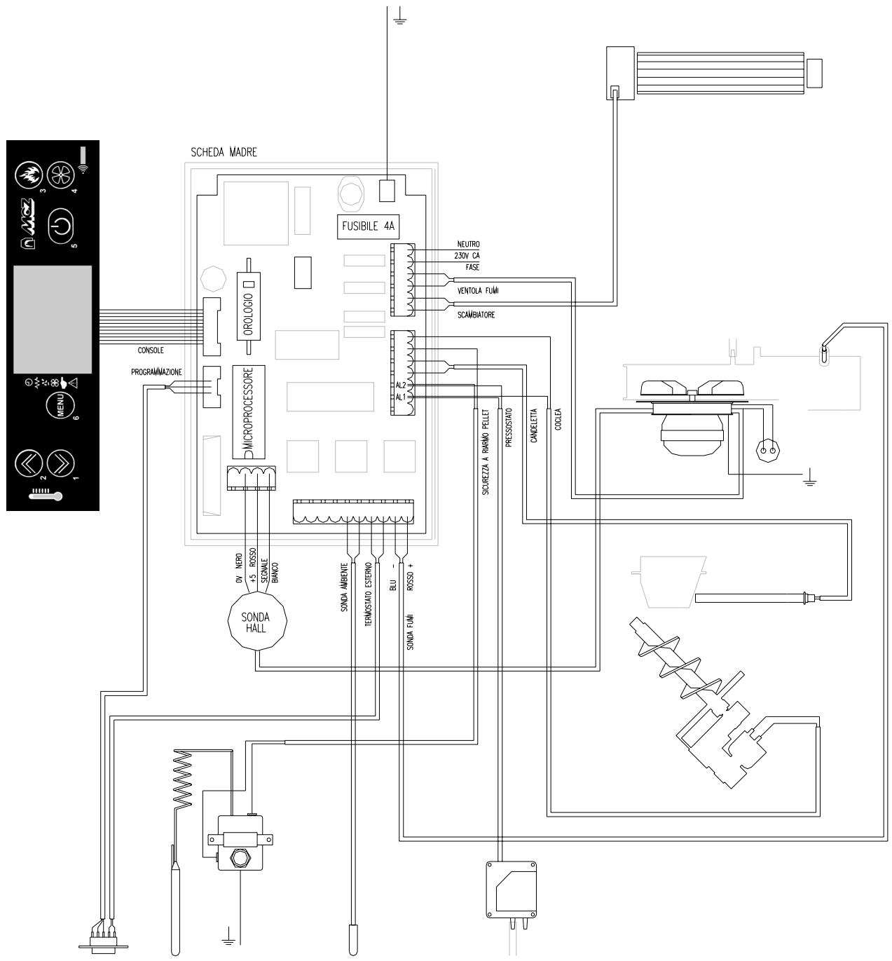
Le poèle est protégé contre les brusques coupures d'électricité par un fusible général placé sur le panneau de contrôle situé à l'arrière du poèle. Les cartes électroniques (carte mère et carte échangeur) sont munies elles aussi de fusibles de protection.
- RUPTURE VENTILATEUR FUMÉES
Si le ventilateur s'arrête, la carte électronique bloque immédiatement la fourniture de granulés et un message d'alarme apparait sur l'afficheur LCD.
- RUCTURE DU MOTORÉDUCTEUR
Si le motoréducteur s'arrête, le poèle continue à fonctionner jusqu'à ce qu'il attaigne le niveau minimum de refroidissement.
PANNE D'ÉLECTRICITÉ MOMENTANÉE
Lors d'une coupure de courant, le poèle se met en mode refroidissement et se rallume ensuite automatiquement.
ALLUMAGE MANQUE
Si pendant la phase d'allumage aucune flamme n'apparaît, le poèle se met en position d'alarme.


IL EST INTERDIT DE MANIPULER LES DISPOSITIFS DE SECURITE.
Il ne sera possible d'allumer le poèle qu'après avoir eliminé la cause qui a déclenché le système de sécurité et après avoir rétabli le fonctionnement automatique de la sonde. Pour comprendre la nature de l'anomalie survenue consulter leprésent manuel (paragraphe 4.11.1) qui explique comment intervenir en fonction du message d'alarme affché.

Attention!
Si le poèle N'EST PAS UTILISÉ de la façon prescrite dans leprésent livret, le fabricant décline toute responsabilité en cas de dommages matériels et corporels évientuelles causeés aux personnes, aux animaux ou aux choses. En outre, le constructeur décline toute responsabilité en cas de dommages causés aux personnes ou aux choses suite à la non observance de toutes les règles reportées dans ce manuel, parmi lesquelles notamment :
- Adopter toutes les mesures et/ou les précautions nécessaires lors des travaux de maintenance, de nettoyage et de réparation.
- Ne pas manipuler les dispositifs de sécurité.
- Ne pas enlever les dispositifs de sécurité.
Raccorder le poèle à un système d'évacuation des fumées efficace.
- Contrôler au préalable si la piece où le poème sera installé est aérée de façon ajustate.
4.10.1. Description des alarmes
Le poèle est équipé d'un système de contrôle informatisé; en cas d'anomalie de fonctionnement, il informe l'utilisateur à travers l'afficheur LCD (8) sur l'origine et la gravité de la panne.
Le tableau suivant résumé les principales alarmes signalées

| Message affché sur l'écran (8) | Type de problème | Solution |
| ALARME OBSTRUC. FUMEES | Obstruction du conduit de sortie des fumées ou contre-pression causée par le vent à l'extérieur. | Contrôler et nettoyer TOUT le conduit de fumée ou vérifier que le vent à l'extérieur n'empêche la sortie des fumées (installer une sortie de toit anti-refouleur) |
| ALARME VENTILAT FUMEES | Vitesse du ventilateur trop BASSE
Le ventilateur d'aspiration de fumées est bloqué. | Vérifier le niveau de nettoyage et contrôler que la saleté ne ralentisse pas le ventilateur. Si après nettoyage le problème persiste, replacer le ventilateur des fumées |
| ALARME SONDE FUMEES | La sonde des fumées est en court-circuit | Remplacer la sonde fumées |
| ALLARME TEMPERAT GRANULES | La sécurité qui contrôle le réserve des pellets s'est déclenchée. Une surchauffe due à un mauvais fonctionnement a eu lieu | Contrôler les paramètres du dosage utilisé.
L'échangeur ne fonctionne pas.
Le poège est utilisé trop longtemps au maximum de ses performances. |
| ALLARME NO ALLUMAGE | Cela a lieu lorsque la température des fumées atteint et reste trop longtemps au dessus des 180°. | Effectuer le nettoyage interieur de l'échangeur et faire fonctionner pendant moins de temps le poège au maximum de ses performances. Contrôler aussi la qualité du pellet. |
| ALLARME TEMPERAT FUMEES | La température fumée a dépassé les limites programmesmes précédemment | Le poège s'était automatiquement. Laisser refroidir le poège pendant quelques minutes puis rallumer. |
| ALLARME NO FLAMME | Ce message apparait lorsque le poège s'était et lorsque la température de la sonde des fumées est inférieure à celle du seuil programme. | Cela dérive d'une extinction de la flamme causée par un encrassement ou bien lorsque les pellets sont terminés dans le réservoir. |
4.10.2. Autres messages sur l'afficheur LCD
Le tableau suivant résumé les messages qui peuvent être visualisés sur l'afficheur LCD du tableau de commande.
| MESSAGE SUR L'AFFICHEUR DU TABLEAU DE COMMANDE | SIGNIFICATION |
| OFF | Le poèle est étant |
| MANUALLE | Le poèle se trouve en mode manuel |
| ON | Le poèle est allumé |
| AVVIO | Séquence d'allumage |
| P-1 ... P-5 | Poèle fonctionnant en mode manuel à la puissance indiquée (1, 2, 3, 4 ou 5) |
| ECO-STOP | Poèle fonctionnant en mode automatique avec "arrêt à la température" |
| 20° C | Exemple de température ambiente |
| LUN ....DIM | Jours de la semaine |
| JOURS | jour |
| HEURES | heure |
| MINUTES | minutes |
| CLEF D ACES | clé d'accès |
| SET | configuration |
| NETTOYAG | Exécution en automatique du nettoyage du pot de combustion pendant l'intervalle de temps programmé |
| MCZ SPA | mcz spa |
4.10.3. Blocage du poêle
Les causes pouvant etre à l'origine du blocage du poele sont les suivantes :
- Surychauffe de la structure
- Hhaute pression des fumées en sortie (relevée par le pressostat) et par conséquent possible obstruction de la sortie de fumées ou présence de contre-pressions extérieures.
Le blocage est signalé par la diode électroluminescente (6) qui s'allume, accompagnée d'un bip sonore.
Dans ce cas, la phase d'extinction du poèle démarre automatiquement.
Quand cette procédure est en cours, toute opération visant à rétablit le système sera inutile.
L'afficheur LCD (8) indique l'origine du blocage.

Fig. 24 - Bouton de réarmement de la sonde à boule
Lorsque le poèle est froid :
Si l'afficheur LCD visualise "Alarme Tpellet", dévisser le capuchon de la sonde thermostatique située à l'arrière du poële et presser la touche rouge la réarmer. Remettre le capuchon de protection. (Fig. 24-25)
Si l'indication "Alarme press" apparait, il faudra contrôler si le conduit de fumée DANS SON ENSEMBLE, y compris la chambre de combustion, est propre et ne présente aucune obstruction. (il est conseillé de faire effectuer cette opération à un technicien spécialisé MCZ)
Ce n'est qu'après avoir définitivement éliminé la cause du blocage que le.POèle pourra être rallumé.
4.11. EXTINCTION DU POÊLE
Le poèle peut être étéint à tout moment etquelle que soit la position de fonctionnement sur laquelle il se trouve.

Fig. 25 - Comment réarmer le thermostat à boule une fois que la poète est froide.

NE JAMAIS ETEINDRE LE POÉLE EN COUPANT L'ÉLECTRICITE.
Attendez toujours que la phase d'extinction se termine car, dans le cas contraire, vous risqueriez d'endommager l'unité et de rencontres des problèmes lors des allumages suivants.
Pour éteindre le poèle presser pendant quelques seconde la touche ⑤ du tableau de commande ou simultanément les touches ③ et ④ de la télécommande.
L'indication "OFF" apparaitra sur l'afficheur LCD (8). A partir de ce moment la phase d'extinction commence, et la vis sans fin entrainant les granulés s'arrête tandis que l'aspiration des fumées et l'échangeur d'air chaud continues sur fonctionner jusqu'à ce que la température du poèle se soit suffisamment abaisée.
Le veritable arrêt du poèle n'aura lieu qu'après 20-30 minutes et, quoi qu'il en soit, pas avant que la température des fumées ne soit descendue au-dessous de 50^ C.
Ceci afin que les fumées de combustion soient acheminées dans le conduit de fumée par l'aspirateur.
En outre, la chaleur absorbée par la structure du poèle sera totalement récapurée.

Clavier de la télécommande
5. ENTRETIEN ET NETTOYAGE DU POÊLE

ATTENTION!
Toutes les opérations de nettoyage des différentes parties du poèle doivent être effectuées lorsque le poèle est complètement froid et que la prise électrique est débranchée.
Si vous utilisez des granulés de bois de qualité homologués, cette poèle demandera pas d'entretien féquent. La nécessite d'entretien augmente selon les temps de fonctionnement et les modifications des prestations requises.
5.1. NETTOYAGES INCOMBANT A L'UTILISATEUR
Avant CHAQUE ALLUMAGE
Nettoyer le pot de combustion avec l'outil prévu à cet effet en éliminant la cende et les éventuelles incrustations qui pourrait obstruer les orifices prévus pour le passage de l'air. Fig. 26

Ne pas oublier que seul un pot de combustion propre et bien tenu peut garantir le fonctionnement optimum de votre poèle à granulés de bois.
Un simple contrôle visuel, effectué tous les jours, suffit à vous renseigner sur l'état du pot de combustion.
Pour nettoyer le pot de combustion de façon efficace, l'extraire complètement de son logement et nettoyer à fond tous les orifices et la grille placée sur le fond. Normalement, si vous utilisez du pellet de bonne qualité, un pinceau suffira pour reporter le pot de combustion dans les importantes conditions de fonctionnement; pour des incrustations tenaces, servez-vous de l'outil en acier fourni avec le poèle.
CONTRÔLE TOUS LES 2/3 JOURS
Nettoyer et vider les tiroirs à cendres en prénant garde à la cende chaude. Fig. 27
N'utiliser un aspirateur pour éliminer les cendres que si celles-ci sont complètement froides. Dans ce cas, utiliser un aspirateur en mesure d'éliminer des particules d'une certaine dimension, type "aspirateur bidon".
Votre experience et la qualité des granulés employés détermineront la fréquence nécessaire aux nettoyages de votre poèle.
Quoi qu'il en spot, il est recommendé de nettoyer le foyer au moins tous les 2 ou 3 jours.
Une fois que le nettoyage est terminé, reférer les tiroirs à cendres en vérifier qu'ils soient bien fermés.
NETTOYAGE DE LA VITRE
Pour le nettoyage de la vitre en vitrocéramique, il est conseilé d'utiliser un pinceau sec ou, si elle est juste sale, de vaporiser une petite quantité de produit détergent spécifique que vous essuieren ensuite avec un chiffon doux. Fig. 28

ATTENTION!
Ne pas vaporiser le produit détergent sur les parois laquées ni sur les joints de la porte (bourelet en fibre de verre)


Fig. 26 - Brasero nettoyé

Fig. 26 - Brasero sale
Fig. 27 - Nettoyage du compartment de dépôt des cendres

Fig. 28 - Nettoyage du verre
5.2. NETTOYAGES INCOMBANT AU TECHNICIEN AGRÉE
NETTOYAGE DE L'ÉCHANGEUR DE CHALEUR
Ouvrir le bouchon supérieur et au moyen d'une tige rigide gratter les parois du foyer de manière à faire tomber la cende.
Toujours si le poèle est froid - ouvrir la porte sous le pot de combustion (Fig. 31) et éliminer la cende et la suite accumulées dans l'échangeur de chaleur avec un aspirateur.
Nettoyer le système de sortie des fumées, plus particulièrement autour des raccords en "T" et des traversées horizontales.
Pour toute information, s'adresser à un ramoneur.

ATTENTION : Pour votre sécurité, la fréquence du nettoyage du système d'évacuation des fumées devra être déterminée en fonction du mode d'utilisation du poêle.
Vérifier la tenue des joints en fibre de verre de la porte vitrée du poèle.
S'ils sont à remplacer, commander de nouveaux joints au revendeur agréé.
En fin de saison, il est nécessaire de nettoyer le compartmentitué sous le pot de combustion et l'intérieur de l'échangeur de chaleur.
Ce nettoyage général doit être effectué en fin de saison de manière à faciliter l'élimination générale de tous les résidus de combustion, sans trop tarder car le temps et l'humidité pourrait compacter ces résidus.
Mise hors service (fin de saison)
En fin de saison, il est conseillé de vider complètement le réservoir des granulés à l'aide d'un aspirateur muni d'un tube long.
Durant la période d'inactivité,mettre le poèle hors tension. Pour plus de sécurité, et notamment en presence d'enfants, il est recommendé d'enlever le cordon d'alimentation situé à l'arrière du poèle. Fig. 31
Si vous déplacez le poèle de son lieu d'installation (durant l'été), il FAUDRA l'entreposer dans un endroit à l'abri des intempéries.
Si en appuyant sur l'interrupteur général situé au dos du poèle, l'afficheur LCD du tableau de commande ne s'éCLAIRE pas, il faudra probabilité remplacer le fusible.

ATTENTION! Débrancher le cable d'alimentation.


Fig. 29 - Bouchon supérieur

Fig. 30 - Bouchon inférieur

Fig. 31 - Câble d'alimentation
Vous trouverez un compartment portefusibles situé à l'arrière du poèle sous la prise d'électricité. Ouvrir le couvercle du portefusibles à l'aide d'un tournevis et remplacer les fusibles si nécessaire (3,15 AT retardé). (Fig. 37)
Rebrancher la prise électrique et appuyer sur l'interrupteur général.
Si le problème persististe ou si le fusible devait sauter une nouvelle fois, s'adresser au revendeur agréé MCZ.

5.3. CONTROLLE DES COMPOSANTS INTERNES

ATTENTION!
Le contrôle des composants électriques et mécaniques internes devra être effectué exclusivement par du personnel qualifié et spécialisé dans ce domaine. Informez-vous auprès des revendeurs autorisés MCZ pour connaître les techniciens les plus pres de chez vous.
Il est recommandé d'effectuer cette maintenance annuelle (en stipulant un contrat d'assistance techniqueprogrammé par exemple) qui consiste en un contrôle visuel et un contrôle du fonctionnement des composants suivants :
Motoréducteur
- Ventilateur expulsion fumées
- Sonde fumées
- Ventilateur échangeur
Bougied allumage
Thermostat réarmement granulés
- Sonde d'ambiance
Pressostat
Carte mère
- Carte silencieuse pour échangeur
- Fusibles de protection tableau de commande - carte mère - carte silencieuse
Câblage
Les interventions de contrôle et/ou de maintenance indispensablees pour un fonctionnement correct de votre poèle sont résumées ci-dessous :
| Parties/ période | 1 jour | 2-3 jours | 30 jours | 60-90 jours | 1 an |
| Brûleur | ● | | | | |
| Déflecteur | ● | | | | |
| Tiroir à cendres | | ● | | | |
| Vitre | | ● | | | |
| Échangeur inf. | | | ● | | |
| Échangeur complet | | | | ● | |
| Conduit de fumées | | | ● | | |
| Joint porte Tiroir à cendres | | | | ● | |
| Parties internes | | | | | ● |
| Conduit de fumées | | | | | ● |
| Pile télécommande | | | | | ● |
6. PANNES / CAUSES / SOLUTIONS

ATTENTION : Toutes les réparations doivent exclusivement être effectues par un technicien spécialisé, lorsque le poèle est eteint et que la prise électrique est débranchée.
| PROBLÉMES | CAUSES POSSIBLES | SOLUTIONS |
| Les granulés ne sont pas introduits dans la chamambre de combustion. | 1. Réservoir à granulés vide.2. Panne du motoréducteur de la vis sans fin3. Carte électronique défectueuse.4. Vis sans fin bloquée. | 1. Remplir le réservoir à granulés.2. Remplacer le motoréducteur3. Remplacer la carte électronique.4. Débloquer la vis sans fin et nettoyer le réservoir. |
| Le feu s'éteint ou le poèle s'arrête automatiquement. | 5. Réservoir à granulés vide.6. Les granulés n'alimentent pas la chamambre de combustion.7. Intervention de la sonde de sécurité de température des granulés.8. La porte n'est pas parfaitement fermée ou les joints sont usés.9. Granulés non appropriés.10. Faible arrivée de granulés.11. Chambre de combustion sale.12. Sortie de fumées obstruée.13. Pressostat en panne ou défectueux.14. Moteur extraction fumées endommagé. | 5. Remplir le réservoir à granulés.6. Voir solution précédente.7. Laisser le poèle refroidir complètement, rétablier le thermostat jusqu'à ce que le bloc s'éteigne et rallumer le poèle; si le problème persististe, s'adresser au service d'assistance technique.8. Fermer la porte ou faire remplaçer les joints par des joints d'origine MCZ.9. Change de type de granulés en le choisisant dans une catégorie préconisée par le fabricant.10. Faire vérifier l'arrivée du combustible par le service d'assistance technique.11. Nettoyer la chamble de combustion en suivant les instructions du livre.12. Ramoner le conduit de fumée.13. Remplacer le pressostat.14. Vérifier et, évientuellesment, remplacer le moteur. |
| Le poèle fonctionné quelques minutes puis s'éteint. | 15. La phase d'allage n'est pas terminée.16. Absence-temporaire de courant électrique.17. Conduit de fumée obstrué.18. Sonde de température défectueuse ou en panne.19. Bougie endommagée. | 15. Répéter l'allage.16. Voir instruction précédente.17. Ramoner le conduit de fumée.18. Vérifier et remplaçer la sonde.19. Vérifier et remplacer la bougie |
| Les granulés s'accumulent dans le pot de combustion, la vitre de la porte se salit et la flamme est faible. | 20. Manque d'air de combustion.21. Granulés humides ou inadaptés.22. Moteur aspiration fumées en panne. | 20. Nettoyer le pot de combustion et contrôle que tous les orifices sont libres. Effectuer un nettoyage général de la chambre de combustion et ramoner le conduit de fumée.Controler si l'entrée d'air n'est pas bouchée.Vérifier l'état des joints de la porte vitrée.Changer le type de granulés.Vérifier et, évientuellesment, remplacer le moteur. |
| PROBLEMES | CAUSES POSSIBLES | SOLUTIONS |
| Le moteur d'expiration des fumées ne fonctionne pas. | 1. Le poèle ne recoit pas de courant électrique.
2. Le moteur est endommagé.
3. La carte électronique est défectueuse.
4. Le tableau de commande ne fonctionne pas. | 1. Vérifier la tension du secteur d'alimentation et lefuse de protection.
2. Vérifier le moteur et le condensateur et, évientuelles, les replacer.
3. Remplacer la carte électronique.
4. Remplacer le tableau de commande. |
| Le ventilateur de l'air de convection ne s'accête jamais. | 5. Sonde thermique de contrôle de la température défectueuse ou ne fonctionnant pas.
6. Le ventilateur est endommagé. | 5. Vérifier le fonctionnement de la sonde et, évientuelles, la replacer.
6. Vérifier le fonctionnement du ventilateur et, évientuelles, le replacer. |
| La télécommande ne fonctionne pas. | 7. Pile de la télécommande usée.
8. Télécommande endommagée. | 7. Remplacer la pile
8. Remplacer la télécommande. |
| En mode automatique, le poèle fonctionné toujours à la puissance maximale. | 9. Thermostat d'ambiance en position maximale
10. La sonde de détention température est endommagée.
11. Tableau de commande défectueux ou ne fonctionnant pas. | 9. Régler de nouveau la température du thermostat.
10. Vérifier la sonde et évientuelles, la replacer.
11. Vérifier le tableau de commande et, évientuelles, le replacer. |
| Le poèle ne démarre pas. | 12. Absence de courant électrique.
13. Sonde granulés bloquée.
14. Fusible endommagé.
15. Le pressostat ne fonctionne pas (il signale un blocage).
16. Évacuation ou conduit de fumée obstrué. | 12. Contrôr si la prise électrique est branchée et si l'interrupteur général est sur la position "I".
13. Débloquer la sonde en agissant sur le thermostat postérieur. Si cela se produit de nouveau, remplaner le thermostat.
14. Remplaner le fuse.
15. Remplaner le pressostat.
16. Nettoyer la sortie des fumées et/ou ramoner le conduit de fumée. |

ATTENTION!
Les opérations soulignées en caractère gras doivent être effectuées exclusivement par des techniciens agréés MCZ. Le fabricant decline toute responsabilité et annule la garantie au cas où cette condition ne serait pas respectée.
7. SCHÉMAS ÉLECTRIQUES ET PIEÇES DETACHÉES
7.1. SCHEMA ÉLECTRIQUE SATURN-OMEGA- PLANET

7.2. SCHEMA ÉLECTRIQUE MERCURY

7.3. Remplacement et/ou entretien des cartes électroniques

ATTENTION!
Cette opération doit être effectuee exclusivement par un technician specialise, lorsque le poèle est froid et lorsque la prise electrique est debranchee.
Si l'on suppose que la carte électronique est défectue ou nécessite d'être contrôle, appeler un centre d'assistance technique autorisé MCZ.
Faire parvenir la carte électronique défectueuse ou endommagée à la société MCZ SPA.

Câbles electriques sous tension
Débrancher le cordon d'alimentation 230V avant d'effectuer toute opération sur les fiches électroniques
7.4. PIECES DE RECHANGE COMMUNES AUX MODELES SATURN, OMEGA ET PLANET



DÉTAILS EXCLUSIFS MODELE SATURN

DÉTAILS EXCLUSIFS MODELE OMEGA

DÉTAILS EXCLUSIFS MODELE PLANET

7.5. PIEÇES DE RECHANGE COMMUNES AUX MODELES MERCURY




LEGEnde DES COMPOSANTS
- PORTE GH
- VIS
- BRIDE EXCENTRIQUE
- POIGNEE
- RESSORT
- ÉCROU
- JOINT
- VITRE EN VITROCÉRAMIQUE
- JOINT
- VIS
- FIXATION VITRE
- VIS
- BRIDE
- VIS SANS FIN
- BOUGIE
- JOINT
- PLAQUE
- ÉCROU
- ENTRAINEMENT
- MOTOREDUCTEUR
- VIS
- CAOUTCHOUC
- ANNEAU
- VIS
- POIGNÉE
- COUVERCLE
- PANNEAU TABLEAU DE COMMANDE
- RONDELLE
- PIVOT
- SUPPORT POSTÉRIEUR
- VIS
- VENTILATEUR AIR
- GRILLE POUR VENTILATEUR
- THERMOSTAT REARMEMENT MANUEL
-
VIS
-
VIS
- INTERRUPTEUR
- PETITE COLONNE
- PRISE SÉRIE RS232
- PATTE DE FIXATION
- FICHE MÈRE
- VIS
- DÉFLECTEUR
- POT DE COMBUSTION
- VIS
- DOS GH
- DOSSERET ALUTEC70
- ÉCROU
- RONDELLE CRÉNELÉE
- ÉCROU
- VENTILATEUR FUMÉES
- VOLUME
- PIED D'APPUI
- PANNEAU ANTÉRIEUR
- VIS
- GRILLE ANTÉRIEURE
- VIS
- LAME SUPERIEURE
- RONDELLE
- CAOUTCHOUC
- DESSUS DU POÉLE
- VIS
- PETITE GRILLE
- VIS
- PAROI LATERALE ACIER LAQUÉ
- VIS
- VIS
- FIXATION POSTÉIREURE
- TIGE CARREAU CERAMIQUE
- CARREAU CERAMIQUE
MCZ
MCZ S.p.A.
Via Guglielmo Oberdan n^ 86